Title: Automobiles
Author: James Slough Zerbe
Release date: June 7, 2024 [eBook #73790]
Language: English
Original publication: New York: Cupples & Leon company, 1915
Other information and formats: www.gutenberg.org/ebooks/73790
Credits: Peter Becker, Joeri de Ruiter and the Online Distributed Proofreading Team at https://www.pgdp.net (This file was produced from images generously made available by The Internet Archive)
Transcriber’s Note
Click on the illustrations for a version in the original resolution.
Every Boy’s
Mechanical
Library

Every Boy’s Mechanical Library
By J. S. ZERBE, M.E.
Price, per volume, 60 cents, Net. Postage extra.
AUTOMOBILES
This is a subject in which every boy is interested. While few mechanics have the opportunity to actually build an automobile, it is the knowledge, which he must acquire about every particular device used, that enables him to repair and put such machines in order. The aim of this book is to make the boy acquainted with each element, so that he may understand why it is made in that special way, and what the advantages and disadvantages are of the different types. To that end each structure is shown in detail as much as possible, and the parts separated so as to give a clear insight of the different functions, all of which are explained by original drawings specially prepared to aid the reader.
MOTORS
To the boy who wants to know the theory and the practical working of the different kinds of motors, told in language which he can understand, and illustrated with clear and explicit drawings, this volume will be appreciated. It sets forth the groundwork on which power is based, and includes steam generators, and engines, as well as wind and water motors, and thoroughly describes the Internal Combustion Engine. It has special chapters on Carbureters, Ignition, and Electrical systems used, and particularly points out the parts and fittings required with all devices needed in enginry. It explains the value of compounding, condensing, pre-heating and expansion, together with the methods used to calculate and transmit power. Numerous original illustrations.
AEROPLANES
This work is not intended to set forth the exploits of aviators nor to give a history of the Art. It is a book of instructions intended to point out the theories of flying, as given by the pioneers, the practical application of power to the various flying structures; how they are built; the different methods of controlling them; the advantages and disadvantages of the types now in use; and suggestions as to the directions in which improvements are required. It distinctly points out wherein mechanical flight differs from bird flight, and what are the relations of shape, form, size and weight. It treats of kites, gliders and model aeroplanes, and has an interesting chapter on the aeroplane and its uses in the great war. All the illustrations have been specially prepared for the work.
CUPPLES & LEON CO., Publishers, NEW YORK
Every Boy’s Mechanical Library
AUTOMOBILES
BY
J. S. ZERBE, M.E.
Author of
Motors—Aeroplanes
ILLUSTRATED
NEW YORK
CUPPLES & LEON COMPANY
Copyright, 1915, by
CUPPLES & LEON COMPANY
| PAGE | |
|---|---|
| Introductory | 1 |
| Chapter I. Automobile History and Development | 5-12 |
| Development of the Industry. The First Patent. Newton’s car. Watt’s Invention. Traction. Push legs. Power. Springs. Water Tube Boiler. The First Differential. The First Gas Motor Car. Gasoline Car. Flash Boiler System. The Carbureter. Improved Structures. The Order of Development. Speed vs. Power. Lighter Vehicles. | |
| Chapter II. The Frame and Its Accessories | 13-23 |
| The Frame. Channel-bar Frames. How the Frame is suspended. Fore and aft Motion. Lateral Motion. Cantilever Spring. Shock Absorbers. The Axle. Live Axles. Dead Axles. Semi-Floating Axle. Full Floating Axle. Wheels. Flexibility. Large vs. Small Wheels. Minimizing Shocks. Resiliency. | |
| Chapter III. Tires, Tubes and Rims | 24-36 |
| Tires. Solid Tires. Cushion Tires. Pneumatic Tires. Single Tubes. Double Tubes. The Outer Tube. The Inner Tube. Advantage of Double Tube. Putting on and Taking off Double Tubes. Damage to Tires. Repair to Tires. Vulcanizing. Oil as an enemy of Tires. Non-skidding Tires. Tires for City Use. Side slipping. Faulty Alinement. Broken Fabric. Bruises. Under Inflation. Stretched Tires. Blistered Tires. Rim Cutting. Inflation Pressures. Expansion of Heated Air. | |
| Chapter IV. The Steering Gear and Brakes | 37-45 |
| The Steering Column. Motor Control. Throttle Movement. Steering Wheel Type. Steering Gear. Front Axle. Running Brake. Double-acting Contracting Brake. Contracting Brake. Equalizers. The Emergency Brake. Combined Service and Emergency Brake. | |
| Chapter V. The Differential | 46-54 |
| The Meaning of Differential. Equalizing Bar. Unequal Resistance. Balanced Equalizer Bar. Transmission Wheel. Action of Transmission Gearing. | |
| Chapter VI. The Drive | 55-61 |
| Power Transmitted to Wheels through Springs. Illustrating power transmission. Torsion Rod. The Torque Tube. Radius Rod. Chain Drive. Jack Shaft. Objections to Chains. Shaft Drive. Train of Shafting. | |
| Chapter VII. Clutches | 62-68 |
| Clutch Requirements, Frictional Contact. Cone Clutch. Compression Spring in Clutches. The Multiple Disk Clutch. Its Construction. Disadvantages of Multiple-Disk Clutches. Care of Multiple Disk Clutch. | |
| Chapter VIII. Transmission, or Change Speed Gears | 69-89 |
| Transmission Leverage. Economy of Transmission Gearing. Types of Transmission. The Progressive. Low Gear. Intermediate Gear. High Gear. Reverse. Selective Type. Low Gear. Intermediate Gear. High Gear. Reverse Gear. Control Lever for Progressive Transmission. Operation of the Selective Gear. Selector Bars. Shifting Lever. Speed Selectors. 3-speed Selectors. 4-Speed Selectors. An approved Type of Selector. Controlling the Selector. Using the Clutch and Selector. Planetary Transmission. Frictional Transmission. | |
| Chapter IX. The Motor | 90-108 |
| Value of Fuel Utilized. The Waste. Water Absorption. Engine Types. The Four-Cycle Engine. The Two-Cycle. Compression. Economy of Four-Cycle Engine. Valve Movements. The Ignition point in the Cycle. The Fly-wheel. Impulses in Four-Cycle Engine. The Cylinder Case, and Connections. Piston and Crank Construction. Calculating the Efficiency. Pressures in Explosions. Expansion Line. Mean Effective Pressure. The Two-cycle Engine. Foot Pounds. Work or Energy. Cycle of Operation. The Crank Shaft. Special Metal. Engine Troubles. Difficulties pointed out. Starting the Engine. Carbureter. Low Compression. Mixtures. Spark Plugs. The Weather. Drainage. | |
| Chapter X. Cooling Systems | 109-117 |
| Air Cooling. Air-Cooling Devices. Water Cooling. Gravity System. Locating the Reservoir. Force System of Cooling. The Radiator Connections. Radiators. Construction of Radiator. Operation of Radiator. The Pump. Pump Construction. Action of Pump. | |
| Chapter XI. Carbureters | 118-132 |
| Carbureted Air. Composition of Gasoline. Gasoline Expansion. Requirements of a Carbureter. Evaporation. Air Saturation. Air Contact with Gasoline. Instantaneous Combustion. Compression. Compression as a Mixing Means. Carbureter Types. The Spraying Carbureter. Dissecting the Carbureter. The Mixing Chamber. The Float Chamber. The Venturi Tube. The Inlet Valve. The Throttle Valve. The Secondary Air Supply. Automatic Admission of Secondary Air. Carbureter Adjustments. Special Points Concerning Carbureters. Thin Mixtures. Speeds and Mixtures. Surface Carbureter. The Float. The Oil Inlet. Securing Surface for air Contact. | |
| Chapter XII. Ignition Systems | 133-158 |
| Seeing the Effect of Electricity. Action of a current. Amperes and Volts. Conductivity. Resistance. Generating Electricity. Magnetic Field. Armature. Batteries. Metallic Couples. What Determines Voltage. Controlling Amperage. Dry Batteries. Cell Construction. Connecting up Cells. The Series Connection. The Parallel Connection. Series-Multiple Connection. Storage Batteries. The Sparking Methods. Air Resistance. Make and Break Spark. The High Tension System. The Spark Plug. How Produced. The Magneto. Difference Between Dynamo and Magneto. Advantages of Magneto. Different Kinds of Magnetos. Primary and Secondary. Igniters. High Tension Coils, Inductance. Constructing a coil. A Simple High Tension Sparking System. Condenser. Interrupter. Arrangement of a high Tension System. The High Tension Connections. The Secondary Coil. Operation of System. The Spark Gap. Function of the Interrupter. Vibratory Coils. Operation of Vibratory Coil. Surging Movement of Current. Timing Device. Contact Makers. The Contact Breaker. Sparking Plugs. Testing Plugs. Short Circuiting Faults. Short Circuiting of Secondary Wires. | |
| Chapter XIII. Automobile Accessories | 159-168 |
| Self Starting. Simple Type of Starter. The Distributer. Lighting. Car Signals. Speed Signals. Mufflers. Exhaust. Construction of Muffler. Ball and Roller Bearing. Race ways. The Three-point Contact. Wrong Constructions. Roller Bearings. Form of Roller Bearings. | |
| Chapter XIV. Running an Automobile | 169-179 |
| Running Close to the Curb. The Middle of the Road. Community Regulations. Approaching Car Track. Coasting. Signs of the Road. Operating the Control. The Crucial Point. Clutch Pedal and Spark control. Neutral Position of Transmission Lever. Throwing in Gear. In Reversing. Quick Stops. Ease in Manipulating Progressive System. Wiring for Lighting System. Wiring up for Ignition. | |
| Chapter XV. Fuel and Lubricants | 180-190 |
| An Experiment with Gasoline. Air Necessary for Explosion. Making an Explosive Mixture. Gunpowder. Filled Tank not Explosive. Why Gasoline will not Burn Within a closed Tank. Filling Tanks having Dried out Gasoline. To Extinguish Gasoline Fires. Ammonia as an Extinguisher. Leaks. Lubricants. Viscosity. Carbonization. Acid in Lubricants. Composition of Lubricants. Grease. Graphite. The Test for Cylinder Lubricants. Fire Test. Lubricating Systems. Pressure Method. The Precision System. Combined Force, Feed, and Splash System. | |
| Chapter XVI. Care of the Car | 191-200 |
| Regular Inspection a good Habit. The Brake Shoe. Familiarity with Working Parts. The Engine. Connecting Rods. Valves. Cam Shaft. The Clearance. Clutches. The Clutch Leather. Rivets in the Leather. Transmission System. The Differential. Universal Joints. Steering Gear. Worm and Worm Wheel. Batteries. The Vibrator. The Electrolyte. Contact Points. The Magneto. Magneto Impulses. Timing the Magneto. The Carbureter. Wrong Adjustment. Weather. | |
| Chapter XVII. Electric Vehicles | 201-214 |
| Requirements. Gasoline-electric Trucks. The Current Used. Mechanically-produced Electricity. Current from Batteries. Primary Battery. Secondary or Storage Battery. Reversal of Current. Charging. Time required, and Current. Troubles in Use. Overcharging. The Circuiting. Economy in Use of Current. Series and Parallel. The Connections. The Controller. The General Equipment. Accessories. Seating Arrangement. The Transmission. Brakes. | |
| Glossary | 215 |
(1)
The building and development of auto vehicles form one of the most remarkable pages in the history of manufactures. The subject nearest the boy is the motorcycle, which is a direct development of the bicycle. From this to the larger power vehicles is but another step, so that in setting forth the structures involved the aim should be to show how one form of device grew out of the preceding one, and how each structure following in the train, became desirable and necessary.
It would be impossible in a limited work of this kind to show the various modifications of all the elements which make up a complete structure.
When these vehicles were first brought out, the mechanism was exceedingly simple, being, in reality, nothing more than the hitching up of some form of motive power with running gears.
But now all that is changed. The old type steering mechanism was imperfect; the attachment of the wheels to the axles had to be modified; the wheels themselves entirely revolutionized; speed changing and reversing especially adapted(2) for quick and positive work; and even the easy starting of the motor had to be provided for.
The entire equipment required a multiplicity of new devices, such as signaling apparatus, lighting systems, safety appliances, means to prevent skidding, wind shields, a reorganization of body and seating arrangement, and a reconstruction of the springs and their attachment to the chassis.
The electrical part has made as rapid strides, and in the development the sparking mechanism has approached perfection, and brought into existence a wonderful variety of systems, so that each cycle of improvements has made them more efficient, but simpler to construct, understand and use.
It is a rare thing to-day to see any of the power machines dragged home by horse power. Not many years ago this was a common sight. The size, shape, and materials used, have been understood by scientific analysis and study, so that breakage, under ordinary uses, is not at all a common thing.
It is the aim of this book to show in as simple a manner as possible how this wonderful transformation has been brought about, and to furnish one or more types of each element, properly constructed and arranged, so that the boy may understand(3) how each part is built, and the particular reasons for the structures.
In no branch of manufactures can be found such a variety of technical designations as have grown out of this industry. By virtue of necessity, many of these names have been coined to suit the conditions. This knowledge is imparted in these pages, which contains a complete glossary of every term used in the art.
The Author.
(5)
AUTOMOBILES
It is generally believed that automobiles originated within the present century, this idea having gained currency because, until within the past twenty years, no practical machines were put on the market.
Development of the Industry.—The development of the industry has been a peculiar one, in some respects. As early as the year 1275, Roger Bacon speculated on the possibilities of using steam, or some other form of motive power on wagons, for propelling them.
This is remarkable, when it is understood that the steam engine, as constructed by Watt, was not invented until about 1780. Prior to Watt, steam engines were in operation, the valves of which were manually operated. Watt’s energies were(6) directed to making the valves work automatically, and in economizing the use of steam.
The First Patent.—In 1619, two Englishmen, Ramsey and Wildgoose, secured a patent for “drawing carts without horses,” and even before that time inventors in Germany had made vehicles which were propelled by powerful springs. In the Netherlands devices were constructed to move wagons by means of the wind.
Newton’s Car.—In 1700 Sir Isaac Newton invented a steam car, in which he used Hero’s steam engine, and N. J. Cuguet, a Frenchman, invented a steam car which had some remarkable properties.
Watt’s Invention.—Later Watt invented, and was granted a patent, in 1784, for a steam vehicle, and twelve years thereafter, the first American patent was issued to W. Read, of Massachusetts, for a steam-driven automobile.
These were followed by Symington, about the same time, together with Trevithick, in 1802, Evans in 1805, and Griffith in 1821. While numerous others contributed to the art, the foregoing were the pioneers.
Evans has the distinction of being the first to build a combined boat and wagon; and Griffith was the originator of the body type which had cabins or apartments for the use of travelers.
(7)
Traction.—Steam engines were in a fairly perfected condition two hundred years ago, and it has been considered remarkable that for over one hundred and fifty years no practical road device was brought out.
The reason for this was not due to engine faults, but attributable to other things which were not understood at the time. One of these was the question of traction.
Push Legs.—It was believed in the early history of the art, that some other means should be adopted for applying the power, rather than to exert it on the wheels; but as late as 1824 Gordon secured a patent for an improved form of “push legs,” which stepped along and thus propelled the vehicle. This form of propulsion has been revived, in a measure, by the so-called “caterpillar tractors,” in which the wheels are provided with feet, which step along, and are thus specially adapted for heavy trucks on soft roads or on cross country travel.
Power.—One other difficulty was in the construction of the boiler. What is now understood as the water tube boiler was then unknown, hence they were made in such a manner that a large body of water had to be carried in the boiler, and this meant great weight to be transported.
Springs.—Prior to the attempted introduction(8) of steam, vehicles had springs, and the great problem then appeared to find a type of vehicle which would permit the transfer of the power from the engine to the wheels, since the springs change the relative positions of the engine and axle.
Water Tube Boiler.—From 1820 to 1840 was the great period of boiler development. The water tube type provided a means whereby considerably less than one-half of the water was required in the boiler itself; and in 1832 a motor drawn vehicle, having springs arranged for carrying the entire load, was devised by Dr. Church, of Birmingham, England.
The First Differential.—Hills, in 1840, made the first differential. Before that time the power was applied to a single wheel, but in that year Dietz invented a form of rubber tire. This, and the differential, made wheels the tractors for all time.
But now a new era was ushered in. It was not a period of active work in the development of motor-driven wagons, but the possibilities of using other than steam-driven vehicles was felt.
The First Gas Motor Car.—In France, Lenoir was the first to devise a gas motor car. Compressed gas was used; and Ravel, in 1870, also produced a gas-driven machine. As early as 1862 Gardner used a gas motor fed with carbureted(9) air instead of gas, but the weight of the engine was against all attempts in that direction.
Gasoline Car.—Markus, of Vienna, built a gasoline car in 1877, and this was followed by Levassor, the engineer of Panhard and Levassor, in France, who used Daimler’s invention in the development of their car. Gottlieb Daimler, the father of the automobile industry, produced the first practical gasoline motor, his invention being based on the four-cycle type of engine.
The invention of the gasoline, or the Internal Combustion Engine as it is called, was the first great advance. The weight of the fuel was so small, compared with the power produced, that it revolutionized the art.
And now began that series of developments which embraced every part of the vehicle from the wheels to the top. At first the improvements were slowly effected, and many of them were most unsatisfactory.
Flash Boiler System.—The flash system of using water in boilers, invented by Serpollet in France, for a long time kept even pace with gasoline cars, in economy, and in ease of management; but now that system has been entirely driven out, and gasoline taken its place. This, in time, must make way for a still cheaper fuel, and one more easily handled, either through the crude oil itself,(10) or from some cheap derivative of it; or, possibly, a spirit distillation, in the form of alcohol, which will take the place of the high-priced article now so universally used.
The natural consequence of improvements has been to bring forth a multiplicity of devices, particularly in the direction of more readily assimulating and using the hydro-carbon fuels. The efforts of inventors will now be in the direction of eliminating many of them.
The Carbureter.—Heretofore the carbureter has been regarded as an essential element in every system. What a world, or, rather, worlds of troubles, hung about the carbureter. It was, and is, delicate, susceptible of the most minute adjustment, and in times past, before it had reached the present perfected form, was the bane of every motorist.
A fuel, ignitable at a very low temperature, or capable of ready volatilization, has been considered absolutely necessary to successful operation. Such is not the case now.
Improved Structure.—The delicate parts of the operative mechanism are being replaced by strong, non-breakable forms, all of which tend to make a more perfect machine, and this, in turn, insures a greater demand for vehicles.
The Order of Development.—In undertaking(11) any work requiring mechanical skill, and in which the action of coöperative elements is necessary, the uses must be considered. In a vehicle, the first element is the weight to be carried; then the strength of the frame and wheels necessary to maintain the load.
Next should follow, in order, the power needed, and this entails a consideration of the speed element. These features are comparatively simple with a motorcycle; but they are more complex with the automobile type, particularly as to the structure of the frame and the gearing and wheels which are to be operated by the motor.
Speed vs. Power.—Thus, a motor exerting twenty horse power may run the vehicle at a maximum of twenty miles an hour, and carry a load of fifteen hundred pounds; or it may have a maximum speed of eight miles an hour, and carry three thousand pounds with equal safety. It will thus be seen that speed is just as important as power, in considering utility.
Lighter Vehicles.—The tendency of the day is toward lighter vehicles, brought about, in a large measure, by improved materials in every direction. It is no longer urged that heavy, ponderous machines are required to furnish stable and durable vehicles.
Nothing can stop or retard this great industry.(12) It is attractive to men and fascinating to boys. To acquire a knowledge of its “mysteries,” should be a part of the education of every young man.
(13)
Under this title should be included the frame, axles, springs, wheels, steering gear and brakes.
From the beginning it was recognized that the different strains and stresses set up by the passing of the wheels over uneven ground and by the motor and driving mechanism, must be taken care of before reaching the body of the automobile, which otherwise would soon go to pieces.
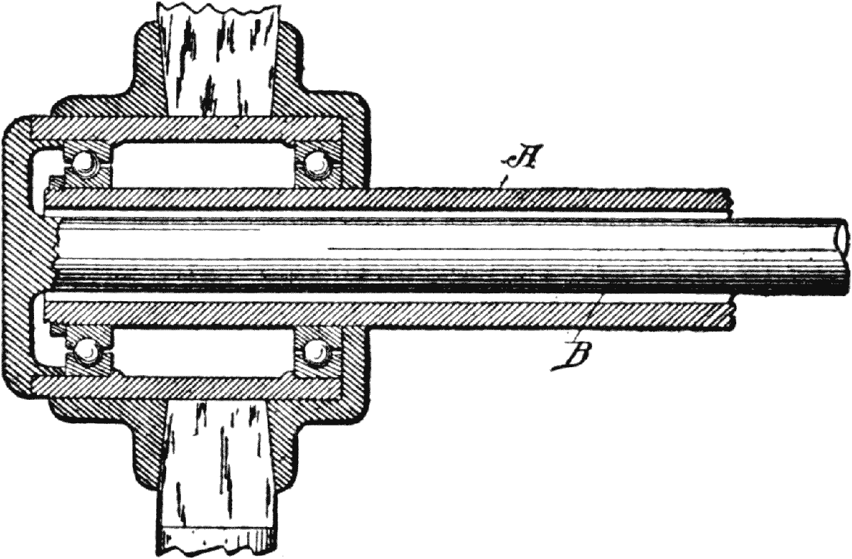
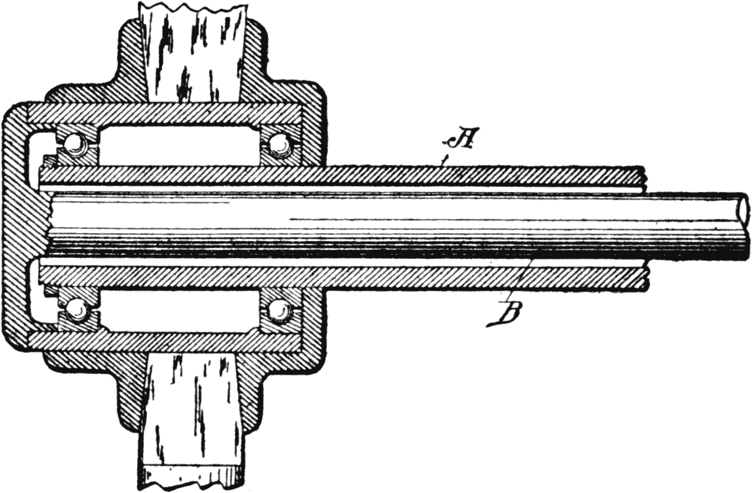
The Frame.—Therefore, not only springs had to be interposed between the body and the wheel axles, but also a substructure for the body, called the frame, which must be rigid enough to prevent any destructive strains from reaching the body.
In Fig. 1, A shows a top view of a frame made(14) up of channel bars and B shows a side view to illustrate how the torsion or twist takes place. It will be understood that the frame thus made is not designed to lend itself to the entire inequalities of the road, as the springs are interposed for that purpose.
Experience in the construction and use of tubular frames, as first employed in bicycles, proved too expensive for assembling, when used in automobiles. The tubular form of construction was very soon displaced by frames consisting of metal parts bolted or riveted together. The main or side members are now usually made of channel steel which gives great rigidity and strength, compared with its weight.
How the Frame is Suspended.—The important feature is to mount this frame on the axle. The frame, carrying a body and all the load of the vehicle, has to permit three distinct movements.
First. That due to the inequalities of the road, which produces a torsional twist.
Second. A lateral swing, caused by traveling(15) alongside a hill, or due to centrifugal force when making a turn rapidly.
Third. A fore and aft movement, as when traveling over undulating surfaces, or in suddenly stopping and starting.
For these reasons springs must be made to compensate for such motions, and to absorb the jar as much as possible.
The Springs.—Many forms of spring mountings have been devised, but the following illustrations show the types which set forth the principles involved. Outside of coiled springs which are used in some forms of delivery cars, the standard(16) springs are leaf springs, built up from a number of steel leaves.
There are four distinct forms of springs used, as follows:
1. The quarter elliptic, used on Ford, and similar cars, as illustrated in Fig. 2.
2. The half elliptic, Fig. 2a, which is the most widely-used form. These springs are usually attached with their front end directly to the frame, and with the rear end by means of a shackle; the center is fastened by spring clips to the axle.
Where a distance rod is used, as on the rear axle, both ends are attached by shackles.
3. The three quarter elliptic, Fig. 3, always used as a suspension for the rear axle. This form gives more flexibility than a half elliptic, and is still stiffer so far as side motion is concerned, than the following type.
4. The full elliptic, Fig. 4, was formerly used much more than at the present time.
(17)
There are also in use springs comprising a combination of half elliptic, or three quarter elliptic, on each axle, in which the front end is shackled to the frame, and the rear ends connected by shackles to another half elliptic spring, the center of which is fastened to the frame.
Fore and Aft Motion. Provision must be made, in all cases, for the fore and aft movement of the car body which takes place in stopping or starting, and, particularly when the wheels strike an obstruction.
Flues. Fig. 5 shows a side view of a car, in which the dotted lines indicate the position of the(18) body, relative to the normal, when the wheels strike an obstacle.
Lateral Motion. In like manner when the car swings around a corner, or is traveling along a hill-side, the springs must hold the body from swinging too far. Fig. 6 illustrates, by means of the dotted lines, the side movement. It is obvious, therefore, that the springs have a duty to perform in addition to that of merely giving flexibility to the body.
Cantilever Spring.—A special form of half elliptic springs, lately developed, and of increasing use, is the cantilever spring, where the axle is attached to one end, the center of the spring being pivoted to the frame, and the other end shackled to or sliding in the frame.
Shock Absorbers.—Shock absorbers are mechanical means placed between the frame and the axles for the purpose of dampening the sudden recoil of the springs after being compressed, when meeting a road obstacle. In the absence of such(19) a device the recoil is likely to suddenly throw up the frame, body and passengers, or produce an unpleasant shock.
Originally, simple leather straps were used, reaching from the body to the axle, which only limited, but did not dampen or gradually absorb the shock. Now different forms of frictional resisting toggle-levers are used, which not only absorb the shocks, but also prevent the bumping of the axle against the frame, and eliminate breaking of springs.
The Axle.—Axles are of two kinds, generally designated as “live,” when they turn the wheels; and “dead” when they do not turn the wheels, but simply support the weight of the frame and of the body.
Dead axles are used with double chain drive, as, in that case, the sprocket wheels are attached directly to the sides of the wheels and the wheels turn on the studs, or ends of the dead axle.
Live Axles.—1. Plain live axles originally consisted of a shaft without differential gearing, having one wheel fast on it, the other turning. Modern construction shows two axle shafts in a housing, the weight of the car, and the tooth pressure of the differential being carried by the axle shafts.
2. Semi-floating axles have the weight of the car carried by the axle shafts, whereas the tooth(20) pressure of the differential is supported by the housing, and only the turning effect or torsion is transmitted by the axle shafts.
3. Full floating axles carry the full weight of the car, and the differential bevel gear teeth pressure with the housing, so that the axle shafts carry no load but only the torsional stress.
(21)
Both full and semi-floating constructions are applied to rear axles only. The front wheels are now universally applied to knuckles, which swing on vertical pivot pins at the ends of the dead axles.
Wheels.—Wheels are now in a transition state. The ultimate wheel has not yet appeared; but whatever its form or construction, certain things are essential.
Flexibility.—In the ordinary wagon or carriage wheel, there is but little, if any, flexibility; but in automobiles, where speed is a consideration, elasticity, either in the rim, or in some other part of the wheel, is necessary.
One of the reasons for this is, that on account of tire expense, motor wheels are smaller than carriage wheels. Making them smaller, however, produces certain disadvantages. One is that in going over the inequalities of the road, the axle on the small wheel has a greater vertical movement than on a large wheel, and the jar on striking an obstruction is more pronounced, also. These disadvantages, however, are more than counterbalanced by the elasticity of the invention.
Large vs. Small Wheels.—Fig. 9 shows a large wheel A, passing over a depression B. The large arc of the wheel does not permit the rim to go to the bottom. On the other hand, the small wheel C goes to the bottom of the depression, and the vertical(22) distance which the axle of this wheel must travel, is three times as far as in the case of the wheel A.
In Fig. 10, where the large wheel strikes an obstruction D, the angle of its upward movement, as designated by the line E, is much less than the impact force of the small wheel, as shown by the greater slope or incline of the line F.
Minimizing Shocks.—It is obvious, therefore, that if part of this shock can be taken up by the tire, the difference due to the smaller diameter of the wheel, will not be so apparent.
The thickness, or widths of the tires also minimizes the impact and distribute the jars while running, so that with these advantages a small wheel has been found to be more practical than a large one.
Resiliency.—Most wheels are now made with wooden spokes, secured by means of a pair of(23) metal-flanged hub plates, bolted together so as to clamp the radiating spokes, but wire wheels are now coming more into favor, whereas cast or pressed solid steel wheels are used on some heavy trucks.
(24)
Tires.—Three kinds of tires are now used, namely: Solid, cushion, and pneumatic. These forms all use rubber, or some compound with the qualities and characteristics of rubber, so as to afford a good tractive surface, as well as resiliency.
The solid tires are used on heavy trucks, where weight and not speed must be provided for.
(25)
Cushion tires are sometimes employed on cars and trucks of medium weight.
Pneumatic tires, in which air is used, are universally used in automobiles for all other purposes.
The air is confined in two ways:
First, by what is known as the “single tube.” (Fig. 12.)
Second, by the “double,” or inner tube system. (Fig. 13.)
The single tube is well adapted for light vehicles, or where great speed or weight are not considered, and this type is now confined to bicycles. But it has certain disadvantages, namely: That of creeping, due to the impossibility of properly securing it to the rim of the wheel. Sand and grit(26) are also liable to creep in between the tire and rim, and wear the material, thereby ruining it.
The outer casing, or shoe, is split on its inner side, and usually provided with an annular flange on each side of the split, which rests against the rim of the wheel, and is adapted to receive a rim which securely fastens the annular flange of the shoe, to the rim of the wheel.
Various ways are provided for holding the shoe to the rim of the wheel; but in the different types shown by the illustrations, Figs. 13 and 14, the shoe has a flange which is held within channels on the rim, or by some form of fastening device.
The inner tube is usually of thin elastic rubber, so made that when properly inflated it will fit the outer tube or casing. The outer part, which(27) can be made of a different rubber compound, and is better adapted to stand wear, whereas, the inner tube, which is made of the best, and more costly material is protected.
Advantage of Double Tube.—The great advantage of the double tube is due to the positive means of fastening it to the rim of the wheel, so as to prevent creeping.
In the single tire construction the latter is liable to roll out of its bed where quick turns are made, but with the double tube this is not possible.
Putting On and Taking Off Double Tubes.—To do this properly with clincher tires is quite an art. A pair of blunt, round-ended levers is best for the purpose.
The practice is to use cold chisels, screw drivers and like sharp or pointed tools. This is bad practice. A pair of levers, as shown in Fig. 14, can be made by any one, and you may be sure that their use will not be liable to jag a hole in the inner tube during the removal process.
When the inner tube is put into the outer casing,(28) or tire, as it is called, powdered talcum should be liberally applied, to the tube and also placed within the casing. The tube is then put in and carefully distributed and straightened out before the clinchers are put on.
A little air blown into the tube will prevent it from being pinched under the flanges of the casing. The spare tubes should be inclosed in a receptacle of some kind which will exclude light, and protect them from heat. With the advent of the quick detachable rims of different forms these troubles have happily disappeared in the modern automobile.
Damages to Tires.—Many things must be provided for in the matter of tire keep. The thing most necessary to guard against is punctures, caused either by sharp stones, or nails. When a casing has a heavy protective tread the inner tube may not be effected, but it frequently happens that the outer casing is slitted for some distance, and the great pressure forces the thin wall of the inner tube into the slitted opening, and it is thus ruptured, not on account of its being punctured, but because the outer tire did not afford protection against the pressure.
Repairs to Tires.—It is not a difficult job to repair tires, and the apparatus for doing it is very simple. Rubber, in its natural state, is a white,(29) thick, milky juice, which after several heating and refining processes becomes dark and sticky.
Vulcanizing.—When in this condition and properly mixed with sulphur, it may be vulcanized, which destroys the stickiness, and makes it firm and elastic. Vulcanizing is a kind of baking process, the maximum heat being about 275 degrees, but generally less. The time required is from 12 to 15 minutes, dependent on the thickness of the mass to be vulcanized.
When the torn or cut portion of the tube or tire is carefully cleaned, it is filled with the plastic rubber, and the heater is applied. The heater, one form of which is shown in Fig. 15, is merely a shell with a heater connection, and this being partly filled with water, generates steam, the temperature of the shell being, of course, dependent on the pressure of the steam developed.
To repair the inner tube, it should be first(30) rubbed with sand paper, and liquid rubber cement applied. When this becomes tacky apply the patch and dry. It is then ready to be vulcanized.
Oil as an Enemy of Tires.—All literature on the subject of tires give warnings as to the insidious character of oil, which deteriorates the rubber. Most manufacturers now make an oil proof quality, but the cheaper grades are not to be depended on.
The action of oil shows itself in several ways, but principally because it dissolves the rubber.
Non-Skidding Tires.—Various means are provided in the shape of tire treads to prevent skidding, the most important being vacuum cups, the herring-bone formation, and various ribbed or ridged surfaces. Nevertheless, for smooth asphalt pavements, chains or similar substitutes are found most satisfactory.
Sudden application of the brakes, or the sliding of wheels on hillsides or the skidding of the car in making short turns at too great speeds, are the most destructive things for tires, however good they may be.
Tires For City Use.—A tire which may be of good service for country roads, might not be available for city work. The tendency of many drivers is to hug the curb too closely, and the result is a wear on the side, which is its weakest point. It(31) is like the side of a shoe, the upper of which can be readily worn through, whereas the sole will stand hard usage.
In country use the great danger is in the winter months, where the wheels must pass over or along frozen ruts. There the same difficulties of side wear are liable to destroy the best material.
Side Slipping.—The same remarks apply to the weakness of tires due to side slipping. The fibers of the fabric are ruptured at the weak point and the least external abrasion assists in destroying it.
Faulty Alinement.—Another cause of ruptured tires is attributable to improper alinement of wheels, due to the wheel being not exactly true, through a bent axle, or improper adjustment. This is more frequently the case with front than with rear wheels.
It will be readily understood that while the rear wheels have the traction applied to them, the front(32) wheels, fixed as they are, to the short turning knuckles, are affected by a movement diagonally across the tire, at every turn which is made.
This is shown by reference to Fig. 16. The movement of the car is in the direction of the arrow A, consequently, when the wheels are turned, the momentum of its forward end is in the direction of the arrows B B.
When the turn is to the right, the strain is on the inside of one tire and on the outside of the other, and when the movement is to the left the conditions are reversed in the stress, and this explains why the tires of front wheels are so liable to yield, in all cases where turns are made at high speeds.
Broken Fabric.—The fabric of a tire may be ruptured without giving any indications on its outer side. When there is a strong impact force, like a transverse ridge, which will force in the tire, several things occur. First, the body of the tire is flattened out so that it has a bulging cheek on each side; and, second, a strain is produced on the longitudinal fibers.
Bruises.—The result of such a severe bruise is to cause a break, not transversely, or longitudinally, but usually, obliquely, for the following reason. The fabric has one set of its threads running across the tire, and the other set around the(33) perimeter. This arrangement of the fabric usually prevents a straight break in either direction, and the weakest part of the fabric is across the diagonal direction.
Try the experiment with a handkerchief, as shown in Fig. 17 by stretching it in the direction of the threads; and then look at Fig. 18, in which case the tension is diagonally, or across the corners. This will be sufficient, probably, to suggest to your mind the reason for the break on diagonal lines.
The rubber material is not sufficient to prevent the stretch which the fabric permits, hence the break follows.
Under Inflation.—To permit a wheel to run flat causes a tire to stretch more on the tread than along the clinch line.
Stretched Tires.—A good illustration of this is(34) shown in Fig. 19, where the tread is a succession of irregular wavy surfaces, whereas the sides remain round and full.
Many attribute this to poor or defective tires. The best tire in the market will show symptoms of this kind, if allowed to run when deflated. In such cases the flatness produces a continual pouching out of the sides, which follow the wheel around, and tend to produce a creeping of the fabric.
In time the rubber works away, or along on the fabric, until it becomes stretched at the tread, and all the pressure in the tire will not again restore it to the proper condition.
Blistered Tires.—A blister is a plain case of the rubber being separated from the fabric. At first the injury may be a small cut down to the fabric, which, after being neglected for a time, permits sand to enter, and a grinding takes place, each movement of the parts causing a further separation, and pressure expands the rubber, until, finally, it bulges out and gives an unsightly appearance, as well as starts the tire on its road to destruction.
(35)
Such defects can be cured, if taken in time, as many compounds are on the market for this purpose.
Rim Cutting.—This is caused by sand or sharp particles being forced in between the tire and edges of the rim, which causes a wearing out at the contact points. Insufficient air is another cause. The tires flatten and are then cut by the metal.
Frequently the tire is too small for the rim, and this is always bad for it. Heavy loads will cause cutting, because the tire will be flattened out, although inflated to the proper tension.
It is good practice to turn a tire, when one side wears more than the other. This wearing on one edge excessively, shows some defect in the wheel alinement, which needs correcting. Possibly the wheels may not be parallel. This is a frequent trouble with front wheels, on account of the bending of the arm which runs from the knuckle.
Inflation Pressures.—Manufacturers of tires furnish data with respect to the proper pressures for their products, and these vary somewhat, and it is wise to observe the pressures which they indicate for the different sizes.
Expansion of Heated Air.—There is another cause of tire expansion, not generally considered, which is due to the expansion of heated air. It is(36) not infrequently the case that a tire will, in running, heat up fifty or sixty degrees, which means an expansion of one-eighth the volume of air within the tube. If, therefore, there is any weakness in the walls of the tire, a blowout follows.
As this heating is liable to take place to a greater extent in the summer than in winter, it is obvious that it is better to under inflate during that period, than to have an over pressure, particularly with old, or considerably worn, or injured tires.
(37)
The Steering Column.—This is a very important mechanical element of the car. Its direct useful functions are to carry or hold the mechanism for steering the machine, and for the motor control, controlling the air supply for the fuel, as well as for regulating the sparking mechanism.
Motor Control.—Some machines are provided with a foot lever mechanism (accelerator) as well as the throttle lever on the steering wheel. This is advantageous, because in moving through crowded streets, where frequent and quick changes are necessary, the foot is the most convenient for controlling purposes.
Throttle Movement.—A downward pressure of the foot opens the throttle, and a spring returns it to its normal position. The foot throttle is also convenient when shifting the transmission gear, as both hands are otherwise engaged, one to operate the gear-shifting levers, and the other for steering.
The hand throttle on the steering wheel, however,(38) is most convenient for long runs, when little change is required, and it can then be set so as to avoid the use of the foot lever.
The levers are so arranged that they do not entirely close the throttle, but, when fully thrown to a closed position, will still provide a sufficient opening to keep the engine running light.
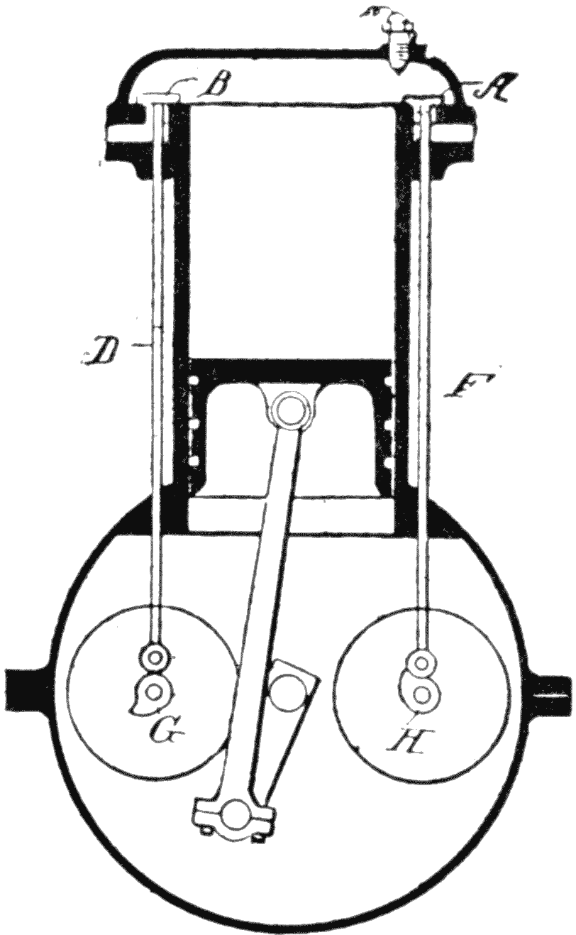
Steering Wheel Type.—The drawing, Fig. 20, shows a type of steering wheel, which has a segment A. The long lever B is for throttling purposes, as above described, and the short lever C for operating the sparking device.
(39)
These levers are differently disposed and arranged on the wheel, or on the column supporting the wheel shaft, but the illustration is sufficient to show the principle of construction, and we are interested only in the types and not in the modifications which are available, and are constantly being made to meet certain conditions.
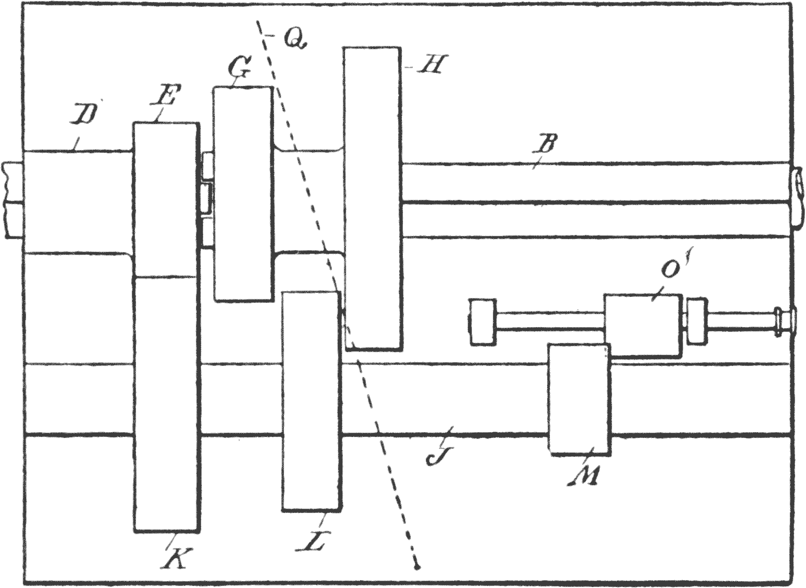
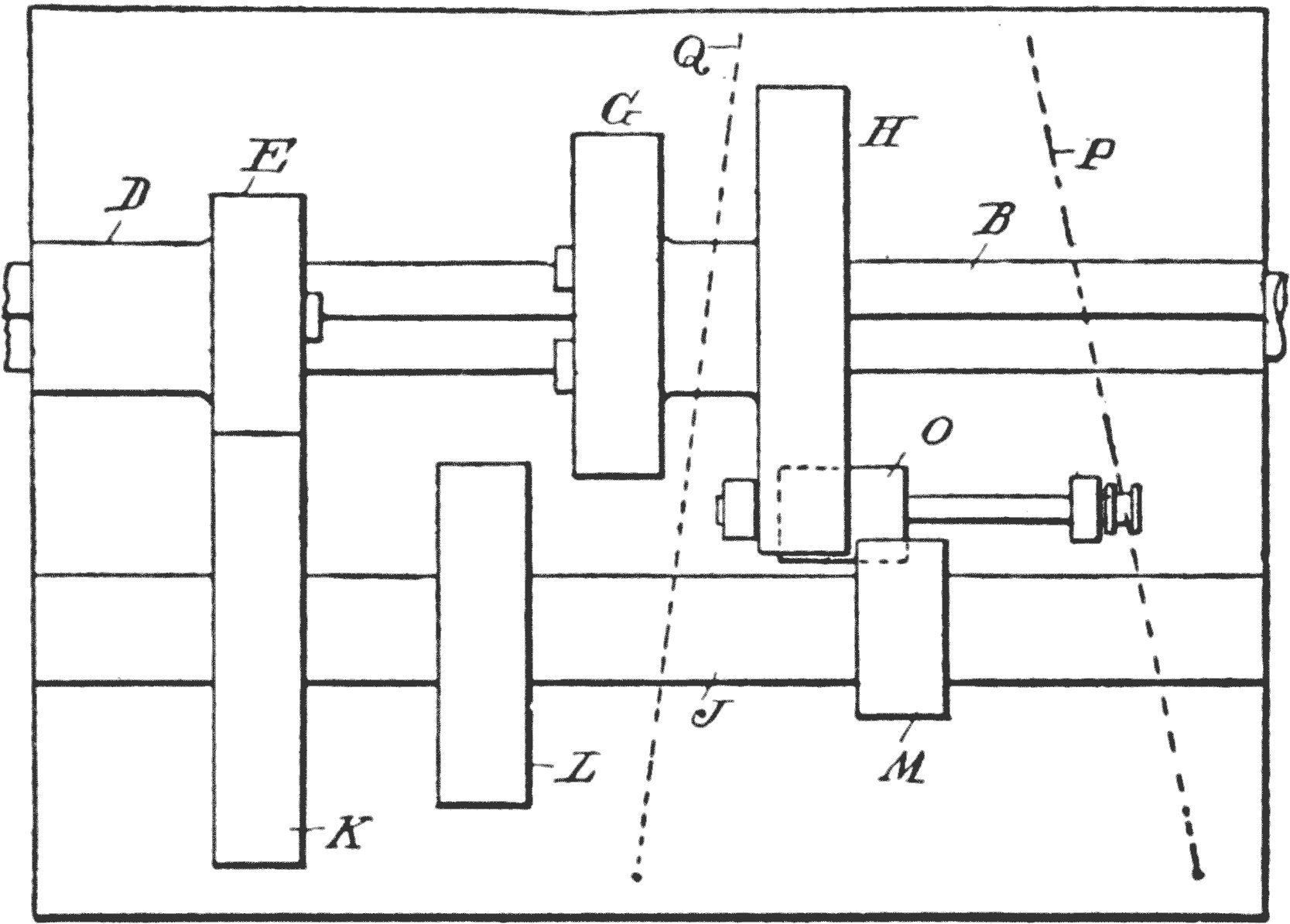
Steering Gear.—Fig. 21 shows an approved form of construction for the gear, which converts the rotating motion to a direct line movement. In(40) this the hollow supporting column A, is firmly fixed to a base B.
The shaft C which passes through the column, has a worm D at its lower end, and is journaled in a base E, which carries a cross shaft F, in which is mounted the worm wheel G. One end of the shaft F has an arm H for moving the arms of the wheel knuckles.
Within the tubular shaft C, is a tubular shaft I, for the throttle lever to operate, the lower end of which has an arm J, and within the shaft I, is a shaft K for the sparking lever, the lower end having an arm L.
In the best cars all these parts are made adjustable, so as to provide for wear. In examining or selecting a car, this is one of the points to note.
Front Axle.—Fig. 22 shows a common form of front axle, with knuckles and cross connecting rod A, the latter providing means, by the nuts B C, for alineing the wheels.
The Brakes.—These are made in two types, one(41) which is usually in the form of a contracting band, and the other which expands.
All cars are now equipped with two braking systems, one being the service, or running brake, and the other the emergency brake. These brakes are all of the drum type, and are either expanding, or contracting bands tightening against the drums.
Running Brake.—The running brake is operated by the foot pedal, whereas the emergency brake is generally connected up with the lever at the side of the seat.
The foot pedal is on some cars connected with the clutch in such a way that when pedal is pressed to set the brake, the clutch is released. This prevents an inexperienced or confused driver from(42) applying the brake when he forgets to release the clutch.
Double-Acting Contracting Brake.—Fig. 23 shows the manner in which a double-acting contracting brake operates. As the band A, has a tension on each end, when the rod B, is drawn forwardly, it is immaterial which way the brake drum C travels.
In Fig. 24 the drum C has a pair of oppositely-disposed shoes D, which are held in such a position that they are not revoluble, and may be moved outwardly by the lever E and links F.
These figures, of course, show merely the simple forms of the two types, and do not go into the refinements of construction which make them so effective in service.
It is obvious, however, that the power exerted through either type of brake, depends on the leverage afforded by the relative lengths of the limbs of the bell-crank lever E, to each other.
Contracting Brake.—Fig. 25 shows a well-known type of contraction brake, in which the cylinder A, has thereon two brake bands B C, hinged together at their rear ends. At their front ends they are connected with a bell-crank lever D, the forward movement of the upper end of the lever being such as to cause the bands to pinch the drum A.
(43)
A contractile spring E draws back the lever when the foot releases the pedal, and the link F, between the bell-crank lever and the upper band C, has a turnbuckle arrangement to provide for taking up in case of wear.
The brake bands have means for automatically holding them clear of the wheels when not in use.
Equalizers.—Sometimes the brake is placed on the propeller shaft; but when one of the brakes is placed on each wheel, an equalizing bar, or other means, must be used. One form of this is shown in Fig. 26, in which A is the bar, B the rod which goes to the brake lever, and C C, the rods that run back to the brakes on the wheels.
Naturally, the equalizer will not act with the(44) same effect on both wheels, unless they are in the same condition. Frequently one of the brake cylinders will be dry and the other coated with grease, or accumulate moisture from some source. It is, therefore, a necessary part of inspection and care to keep them in serviceable condition.
The Emergency Brake.—The emergency brake has a pawl which acts in the teeth of a segment alongside of the lever, so it may be held in any position to which the lever may be thrown. This lever has no provision whereby the clutch is disengaged when the brake is applied, for the reason that should it become necessary to stop a car going up hill, and when the emergency brake is required, the brakes would have to be released before the clutch could be thrown in, so that the car would be likely to start down hill before this could be done. On this account the emergency brake has no connection with the clutch.
Combined Service and Emergency Brake.—Fig. 27(45) represents a standard type of service and emergency brake, each of the internal expanding type. As both are inclosed in a drum they are absolutely free from dirt and dust, and the construction shown eliminates rattling of the parts.
The wheel bearing is also represented by the annular ball-bearing type of construction, in which the balls are unusually large, and therefore, capable of taking great weight and high speed without undue wear.
(46)
The Meaning of Differential.—This is a term used to designate the difference in the turning movement of two wheels on opposite ends of an axle. For various reasons they do not turn at the same rate of speed, particularly in turning corners, where the outer wheel must travel a greater distance than the inner wheel.
If both wheels are fixed to the shaft the latter would be submitted to a torque, or one of the wheels would slip, and thus be destructive of tires.
On the other hand, if one wheel should be loose, then, as power is applied to the shaft, the tractive action would be on one wheel only, and this would be bad practice, and frequently cause the wheel to slip, and thus unduly increase the wear of the tire.
The differential is made up of a system of gears, which are so arranged that one wheel may turn independently of the other, and at the same time the effective driving power is utilized by each.
(47)
Various forms of this mechanism have been developed. While the differential is an exceedingly simple piece of mechanism, it is not such an easy matter to describe its operation, so that the principle will be explained by a series of illustrations.
Equalizer Bar.—Examine Fig. 28. Let A be an equalizer bar, mounted on the end of a thrust bar B, by a pivot C, so the ends will swing back and forth freely. A horizontal bar D is hinged at each end of the equalizer, which bars project forwardly parallel with each other and these are provided with right-angled bends E E, simply for convenience in describing the operation.
While differential gears are very simple structurally,(48) it is not an easy matter to explain the principle on which a faster motion is transmitted to one wheel than another, and under conditions where the speed is constantly changing.
For instance, in Fig. 30, a cord A, over a pulley B, has weights C, D, at its ends. If the pivot or fulcrum E, of the wheel, is stationary, as in sketch 1, and the wheel is turned, say a quarter of the way around, one weight will move down below the line X the same distance that the other weight moves above it, as shown in 2.
Thus far we have an equalizer, pure and simple.(49) But a differential requires something more. It is necessary, under certain conditions, for the weight D to move a greater distance in the same time than C, or the reverse. Or, as sometimes happens, one of the weights, as for instance, in 3, remains fixed while the other moves.
In this case, with the pivot pin E fixed, such a thing would be impossible, hence, in order to make such a relative movement between the two weights, the pin must move, and this motion is shown in 3, where it moves down from the line F. That movement, or change of position of the pivot E, is what takes place in the small intermediate gears in a train of differential gearing.
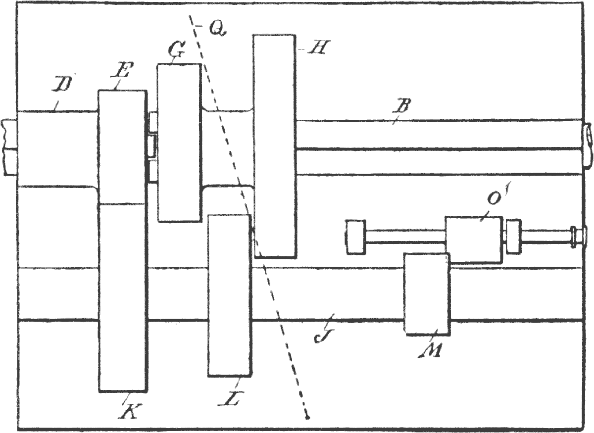
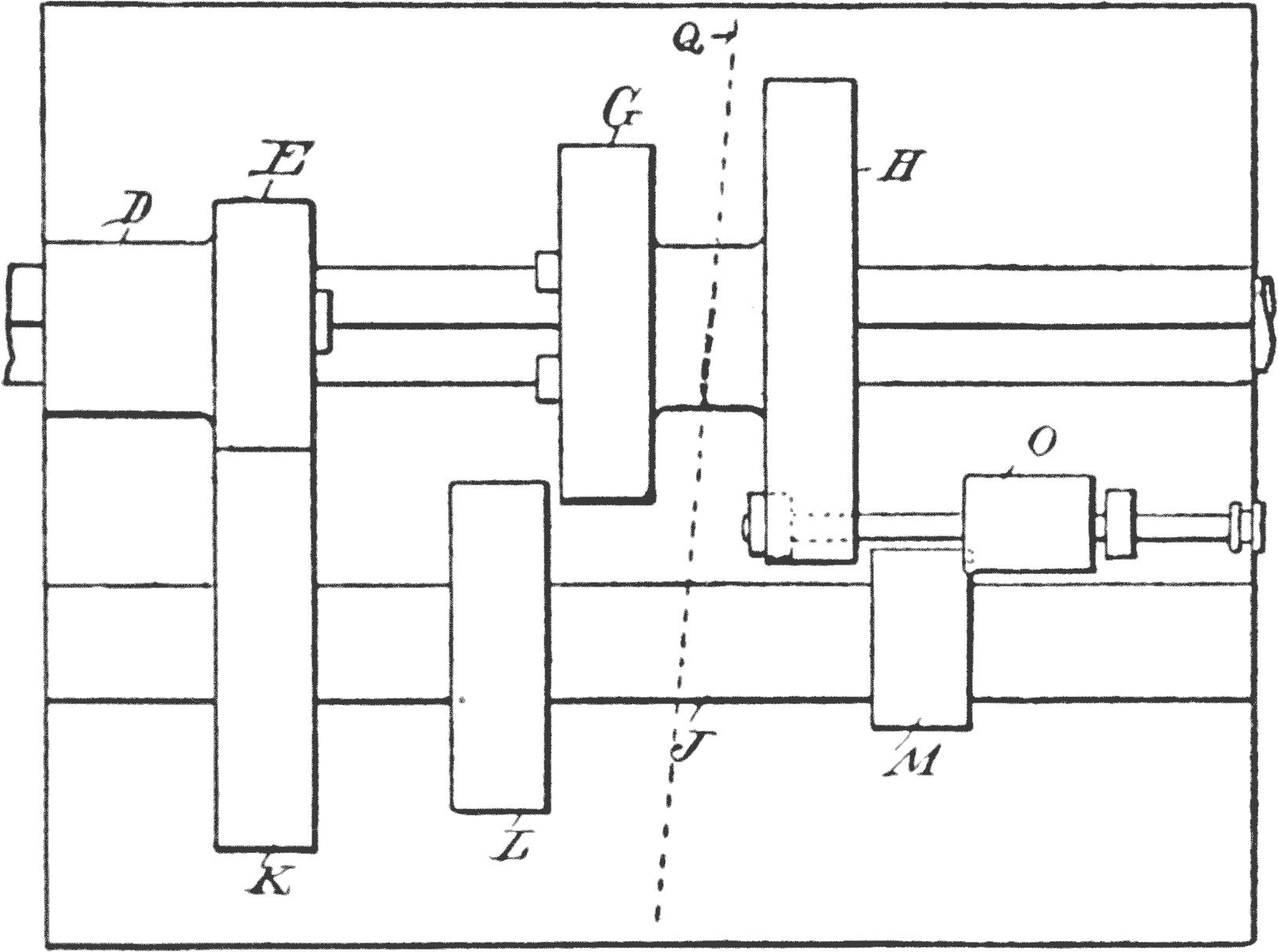
Transmission Wheel.—In Fig. 32 is shown a section of the differential housing, 1, in which, for convenience, all refinements of construction are eliminated. This shows the divided axle shafts 5, 6. In Fig. 33 is shown a side view of the same housing. This may be connected with the motor shaft by means of bevel gears, or driven by a sprocket chain. In either case the housing 1 is the substitute for the thrust bar B, in Fig. 28, and the bevel pinions 2, which are mounted within the wheel 1, represent the equalizer bar of that figure.
The gears which make up the train are usually put into a suitable casing, as illustrated in Fig. 31, which gives a good example of the construction.(50) The housing A is fixed to the side of a large bevel gear B, this gear being designed to receive power from the motor through a bevel pinion C. One part of the axle D passes through the gear B, and is fixed to a bevel gear E within the housing, and the other part of the axle F passes through the housing and is fixed to a bevel gear G, the same size as gear E.
Intermediate the two gears is a pair of bevel pinions H, H, and these latter are mounted on pivots I, I, projecting inwardly from the housing.
(51)
The fact that the pinions are attached to housing has the effect of complicating the matter, so that it may be well to show the relative arrangement of the gears without the housing.
In Fig. 34 we have added to Fig. 33, two bevel gears 3, 4, which are mounted on the axles 5, 6,(52) these representing the rear drive axles of the car.
Action of Transmission Gearing.—From the foregoing it will be seen that the axles abut each other, within the hub of the large gear 1, within which they are journaled. We might, therefore, call these pinions the counterparts of the bars E E.
As long as the resistance to the turning movements of the pinions 3, 4 is the same, the housing through pinions 2, 2, will simply carry the bevel gears 3, 4 around with it, without turning them, just the same as the equalizer bar B was moved forward without either end swinging back or forth; but the moment the wheel of the shaft 5, for instance, is compelled to travel at a higher rate of speed, or the wheel on shaft 6 meets with a greater resistance, the small equalizing gears 2 will turn, and the revoluble motion of the housing 1, while transmitting the power, and also carrying the gears, will act, in effect, the same as the push bar shown in the previous illustration.
(53)
Like the equalizing bar, the effect is to turn one wheel, say 3, with less, and the other wheel 4 with more than the normal power or speed.
Fig. 28 shows the principle on which all differential automobile gearing is based, that is, that both wheels receive half of the driving power even if one wheel should turn faster, as shown at Fig. 29, which is the case when turning a corner. This is what causes the power to drive both wheels at all times, whether going straight or on a turn.
If, however, one wheel gets on slippery ground, then A, Fig. 29, will move forward, without pulling on the lower end. As the lever A has the same action as the pinion in a differential, shown in Fig. 34a, it will be seen that if the pinion center is moved in the direction of the arrow, and if the wheel W1 slips, the pinion will simply roll on the bevel gear G2 without driving it on the wheel W2.
This is the disagreeable characteristic of a differential,(54) that makes one wheel spin when it touches a slippery spot on the road, and stalls the car, because the other wheels cannot get any driving power.
(55)
The term used to designate the transmission of power from the engine to the wheels, is called the drive.
In nearly all cars the engine shaft runs fore and aft, and consequently is at right angles to the axles. This, of course, necessitates some sort of gearing between the engine shaft and axle. This change is made in the bevel gear drive hereafter explained.
As the engine is mounted on the frame of the car, which rests on springs, and the axle is below the springs, it is obvious that the drive must be transmitted between two parts which have a relative up and down movement.
This necessitates several things, structurally, which should be considered.
First. A flexible joint must be interposed in the system, where a shaft is used to transmit the power.
Second. Torsion rods are necessary to prevent the housing or casing of the rear axle from(56) turning, due to reaction of the driving bevel gear.
Third. A rod, or rods, are required to prevent a fore and aft movement of the rear axle. The rods run from the ends of the rear axle housing to some convenient point on the frame.
Illustrating Power Transmission.—For convenience, these mechanical elements are illustrated on a frame.
Fig. 35 shows a frame which has its rear axle provided with a pair of radius rods A A. These have their rear ends attached, in any suitable manner, to the axle housing, near the springs and the forward ends are brought forward and pivoted to the cross beam B.
Torsion Rod.—These rods thus take care of any undue strain which takes place by the wheel striking obstructions.
C represents the torsion rod which has its rear end firmly secured to the housing D, and its forward end to the cross piece E. This prevents the housing from turning, and also serves to provide(57) against any undue thrust of the driving bevel.
Some cars dispense with the torsion rod, by incasing the shaft in a torsion tube. Such a form of construction is shown in Fig. 36.
The torque tube A, as it is called, is rigidly secured to the housing B, of the rear axle, the forward end being pivoted to a cross piece C of the frame.
The radius rods D D, have their forward ends attached to a sleeve E, located near the forward end of the torque tube A, and the rear ends are secured to the axle housing F at the spring seats.
Some manufacturers avoid the use of these radius rods by such a construction in the springs as will prevent any forward and rearward movement of the axle.
Chain Drive.—The chain drive machines require the radius rods, or some other means to counteract the movement of the axle when it meets an obstruction, particularly where the chain(58) transmits the power to the differential on the wheel shaft.
Jackshaft.—With the double chain drive no differential is used on the axle, but, instead thereof, it is placed on the jackshaft which carries the small driving sprocket wheels. The chain transmits the power direct to each wheel, and a radius rod is necessary to hold the shaft of the drive sprocket wheel the proper distance from the rear axle.
Such an arrangement is shown in Fig. 37, in which the drive, or jackshaft A is mounted transversely across the vertically-movable frame B, and the torque bar C, therefore, serves as the means for keeping the jackshaft and the axle D the proper distance apart, and it is also arranged to serve as a radius rod to prevent any undue tension on the chain when a wheel strikes an obstruction.
(59)
The wheels of such a truck turn freely on the axle stubs of a dead axle.
Objections to Chains.—Few pleasure cars are now equipped in this manner, as the shaft drive is more desirable for several reasons: The use of chains is always objectionable, as the efficiency decreases with wear quicker than the shaft drive, and requires the jackshaft, sprocket chains and sprocket wheels, besides the noise and excessive wear, by stretching of chains, which are always inherent in the use of chains.
It is impossible to prevent dirt, sand and grit from adhering to the chains, unless they are inclosed, a thing which is difficult and expensive. If they are not so protected the lubricant only serves to catch the grit and retain it, so that when it is carried around by the chain, the wheel and chain are both worn out.
Another difficulty in the use of chains is due to the inability to keep them at a proper tension at all times. All chains will stretch in use, consequently the tension will change, and when wear takes place, the distance of the centers of driving and driven sprockets has to be adjusted, calling again for another mechanical complication.
Shaft Drive.—The shaft of the engine, being on the frame, has a vertical movement, and the axle, to which power is to be transmitted, is below.(60) The engine must be mounted so the shaft inclines, or, be placed low enough, so that it will be on a direct line with the rear shaft.
In either case some flexible means must be provided between the engine shaft and axle on account of the relative vertical motion between engine and rear axle. The straight line drive is most desirable, in every way, as the full power of the engine is available, and this is usually arranged for by lowering the engine bed sufficiently so that the shaft will point straight to the axle when the car is loaded.
Train of Shafting.—Several lengths of shafting are often interposed between the engine shaft and axle, and some cars have two universal joints(61) in the shaft line, one mounted forward of the transmission case and the other to the rear of it. Or, more frequently, one in the rear of the transmission and one in front of the rear axle.
It seems, however, to be the most general practice to have a single universal joint directly behind the gear case, and the shaft forward of the case only slightly inclined.
Figs. 38 and 39, show the two types, the former being the straight line drive, and the latter a form of construction where the two universal joints make the drive through a line which minimizes the angles as much as possible between the shafts.
Figs. 38 and 39 are not intended to show all the elements in the train of shafting, such as joints and connections, but is merely designed to illustrate the disposition of the drive shafting relative to the engine and rear axle.
(62)
Clutches are essential in all gasoline cars, for the reason that the driving power of the motor must be frequently disconnected from the running gear.
These devices are designed to transmit motion from the engine to the transmission shaft, so that when the clutch is engaged the transmission shaft will turn with the engine shaft.
Clutch Requirements.—The first requisite of a clutch is its ability to firmly hold the two shafts together; the second is, that it may be engaged gradually, and not suddenly; third, that it must disconnect instantaneously; and, fourth, that the force required to hold the two parts of the clutch together must not produce an end thrust on either shaft.
These requirements must be met by a condition that the act of engaging the clutch will not necessitate a long movement of the foot pedal which sets the clutch. Other considerations must be taken into account, also, and that is facility for examining(63) and repairing, easy removal of worn or broken parts, and capability of adjustment as the contact surfaces wear.
It will be seen, therefore, that there are many elements necessary to provide a satisfactory clutch, well adapted for all purposes, and all these factors must be considered and understood by the boy who would be well informed.
Frictional Contact.—In any form of automobile clutches, there must be a frictional contact,(64) which means wear, whatever may be the character of the material employed for the surfaces which are in engagement. As a result, clutches are now made which will permit the use of oil. Others dispense with it entirely.
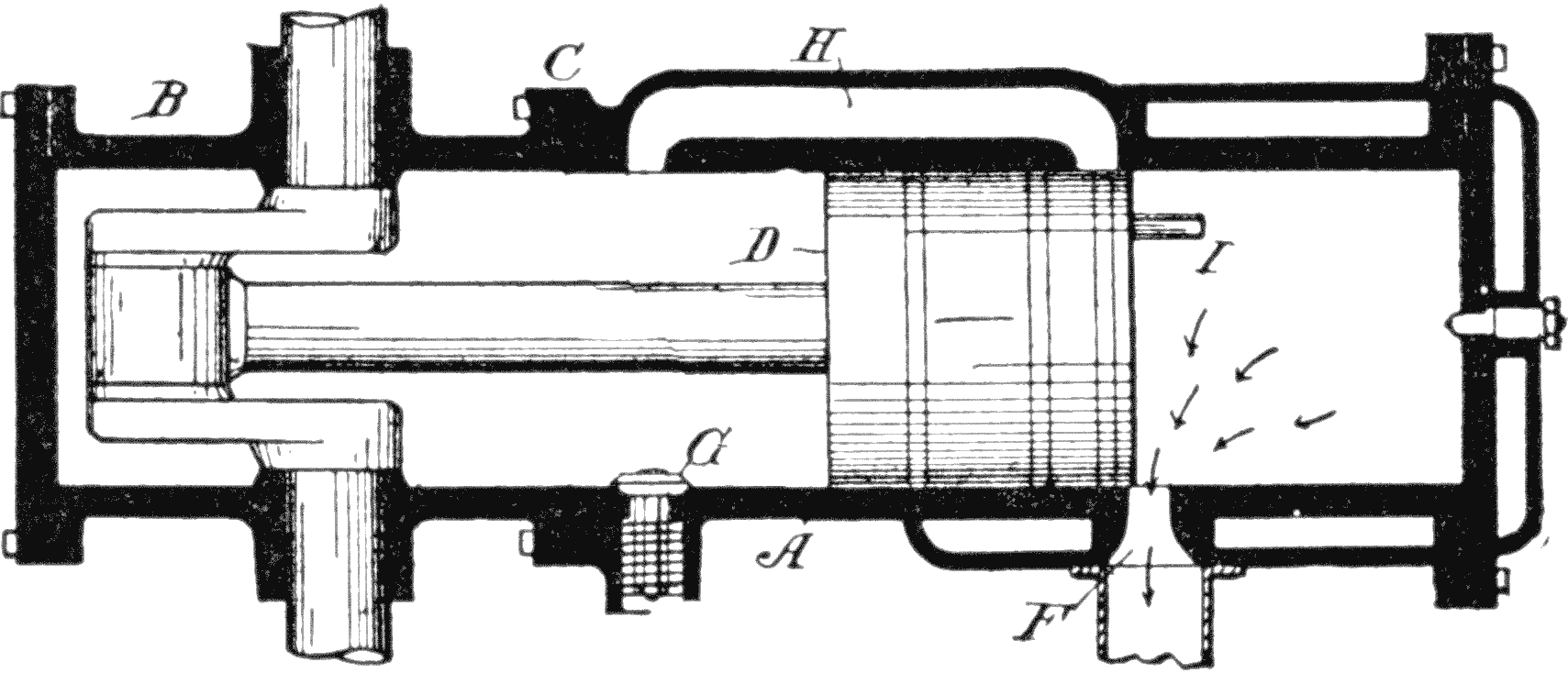
Each type has its advantages. The cone clutches usually do not use a lubricant. This is described in the diagram, Fig. 40.
Cone Clutch.—In the drawing A represents the engine shaft, which has a fly wheel B, and C is the transmission shaft. The engine shaft has a short projecting stem D, which abuts the end of the transmission shaft C.
A hollow hub E is loosely journaled on the stem D, and is of sufficient length to extend over and have a bearing on the transmission shaft C, this latter being squared so it will turn with the hub, or it may be provided with a feather to work in a suitable groove in the hub, so that both will turn together, while permitting the hub to move longitudinally.
The inner end of the hub E has a web F, with a conical bearing surface G, which engages with an internal cone on the fly wheel.
Compression Spring in Clutches.—Within the hollow hub E is a compression spring H, one end of which rests against the inner end of the hub, and the outer end contacts against a collar I,(65) which collar is screwed on the threaded end of the stem D, and by means of which the pressure of the spring may be regulated from time to time.
The normal action of the spring is to throw the cone surface G, into engagement, as shown in the diagram, and when the foot presses down the pedal J, the hub is moved back against the tension of the spring, and the clutch released.
It is obvious that if oil should find its way between the cone surfaces the grip would be materially lessened, and depending upon the kind of materials used.
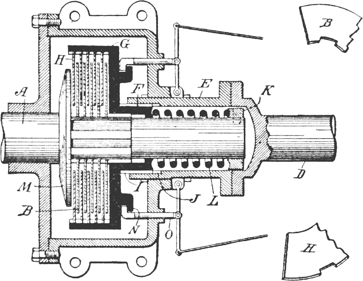
The Multiple Disk Clutch.—A type of clutch(66) which uses oil is shown in Fig. 41. The prominent feature of the multiple disk is the large area of contact surfaces available, and this, together with the comparative freedom from wear, owing to the lubricating material, makes it a favorite structure, especially on account of its gradual engagement which is not easily obtainable with a cone clutch.
In the drawing, the transmission shaft A has its ends reduced to receive thereon a set of disks B. The shaft is ribbed along the surface where the disks are located, and the disks B have cut-out portions C, for the ribs, so that, while the disks must turn with the shaft, they are free to move longitudinally.
The end of the engine shaft D, has a tubular housing E, to receive the end of the transmission shaft A. The inner end of this housing embraces the flange F, of a cylindrical shell G, this shell having within a series of disks H, secured to the shell so they will slide longitudinally, but turn therewith, and these disks alternate with the disks on the transmission shaft.
It will be observed that the flange F, of the shell G, has a tongue I, which slides within a groove J in the housing, so that the shell G, while turning with the shaft D, may be moved longitudinally on the shaft A, a limited distance.
(67)
The end of the shaft A, has a collar K, and between this collar and the end of the flange F, is an expansion spring L, so that the normal action of the spring is to push the web of the shell G, toward the disk head M, and thus force all the disks together and produce the friction of a very large surface.
In order to release the clutch, it is necessary to draw back the shell G. The mechanical action is merely shown, not the exact structural arrangement. An annular flange N is formed on the head of the shell, and a pair of hook-shaped bars O, pass through the wall of the case, their outer ends being actuated by the foot pedal, in any convenient manner.
Disadvantages of Multiple-Disk Clutches.—These clutches have also their weaknesses. Sometimes they will grip too quickly, if the lubricating oil is too thin, or if there is not enough of it; or, if it becomes very thick and gummy, the disks will not free themselves quickly, and the clutch will drag.
Care of Multiple-Disks.—When such is the case, it is better to take out all the lubricant, and thoroughly clean off the disks, and put in a fresh supply. If the case is kept properly closed, so that the oils will not be wasted, and no dust can enter, a light, thin oil, will last for a long time.
(68)
When the clutch slips, it is due to wear, or to insufficient spring pressure, and a new adjustment is necessary; and it is frequently the case that the rod between the clutch and pedal must be taken up, this being the case, usually, where there is any wear in the clutch itself.
The disks are, usually, wholly of metal. Among other materials, cork is used to face friction surfaces of different clutch designs, and a variety of materials are constantly added to the list, which have good wearing qualities.
(69)
Owing to the peculiar character of Internal Combustion Engines, there is always a certain speed at which it will work more satisfactorily, and with greater economy.
In this respect it is unlike the steam engine, which has a much wider range of effectiveness. Since all cars now use internal combustion motors, and throttling is unsatisfactory, as a means of controlling the engine, or changing the speed and power, so as to use it economically, a mechanical speed change system is essential.
This contains certain gears, which are designed to change the speed of the transmission shaft relative to the engine shaft.
Transmission Leverage.—It is simply using leverage in order to produce a more effective pull, or to attain greater speed, from a shaft which runs at a certain number of revolutions.
If we have a motor with a shaft speed of, say, 800 revolutions per minute, and an axle with a(70) speed of 400 revolutions, the ratio would be 2 to 1. Now, to speed up the machine, so that the axle will turn 800 revolutions, would require an engine speed of 1600, which might be impossible.
Economy of Transmission Gearing.—From an economical standpoint, also, it would be undesirable, even though the engine should be able to make the speed.
Owing to the explosion impulses of the gasoline motor, a heavy fly wheel is necessary on the engine shaft, in order to store up power by momentum, and also to give a uniform speed.
In hill climbing, or in carrying heavy loads,(71) the transmission shaft must have its speed cut down, while permitting the engine to run at full or normal speed.
The transmission gearing is, therefore, the most satisfactory solution of the problem, because changing the engine speed destroys its effectiveness, and we shall, therefore, consider some of the types for that purpose.
There are two distinct systems of transmission, namely: The Positive, and the Frictional. Of the positive system we have the planetary and the sliding gear types. The sliding gear type has two methods of control, one known as the progressive, and the other the selective.
(72)
Characteristics of Transmission.—The progressive, selective and planetary types, are entirely different from the frictional system, for the reason that they effect the changes by step movements, the speeds being produced at certain ratios, whereas the frictional method has indefinite and infinite ratios.
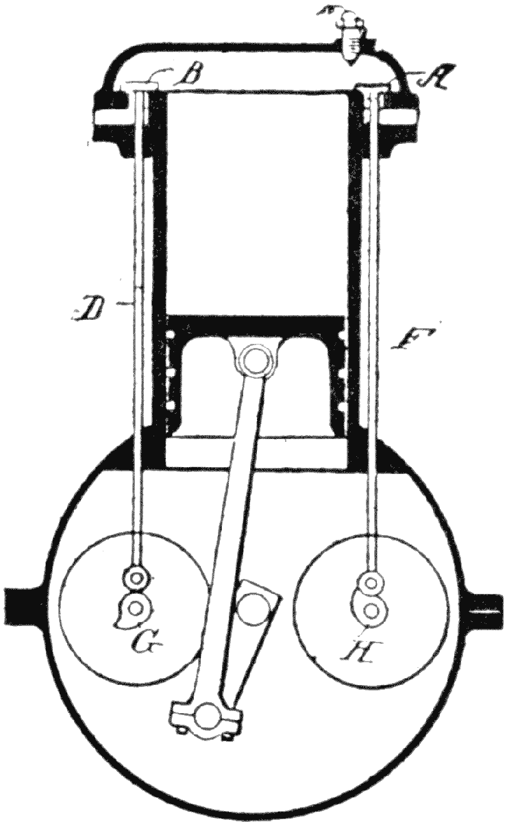
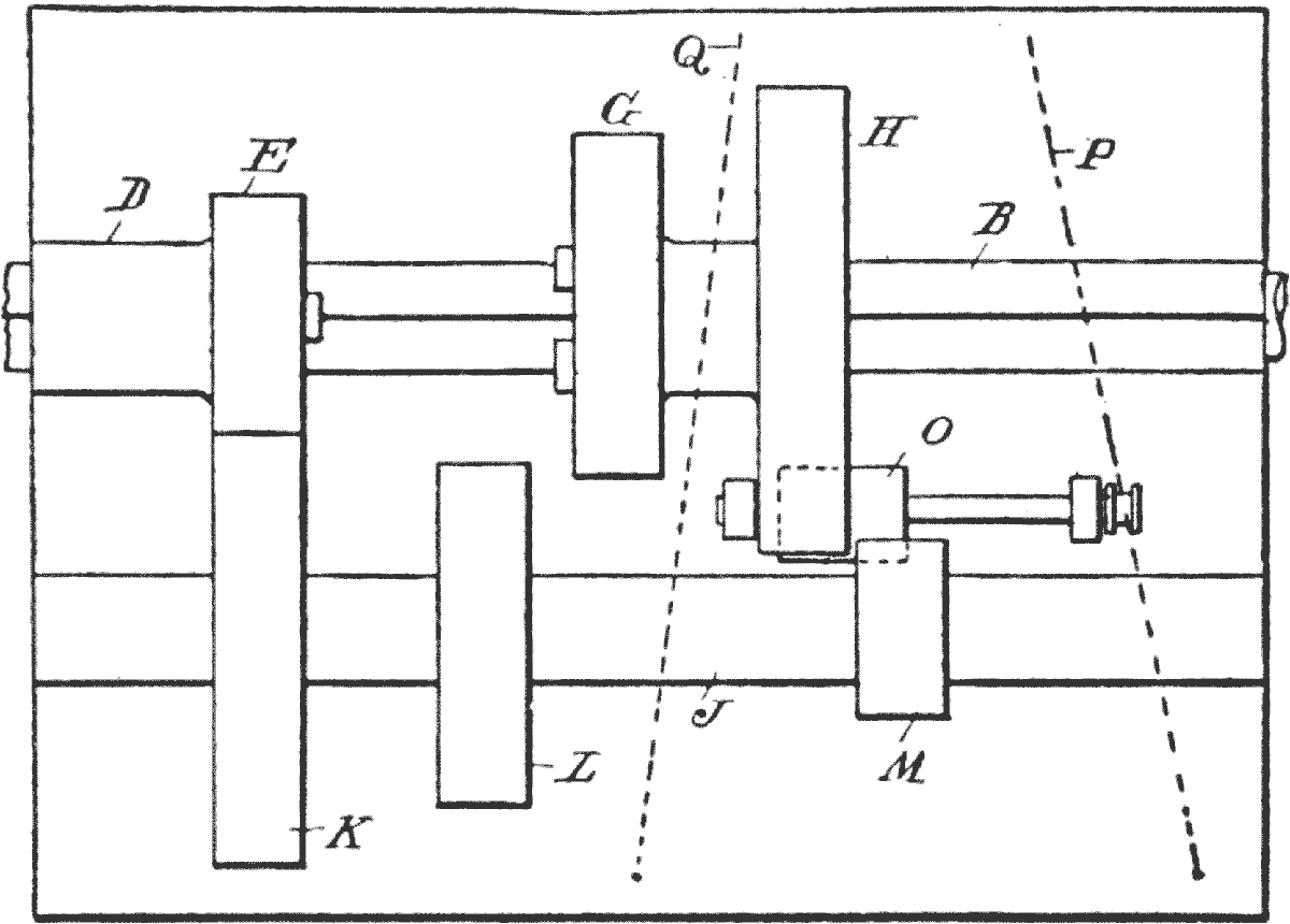
The following diagrams will clearly bring out the distinctive features of each. Fig. 42 shows a shaft A, which derives power from the engine, having in line with it a shaft B, which connects with the driven shaft. The shaft B is squared, but it has a round end C, which is socketed axially within the head of the shaft A.
(73)
The Progressive.—The head D has a small pinion E, and on its side is provided with projecting teeth F. The loosely-revolving squared shaft B has thereon a pair of spur gear G H, separated from each other a trifle more than the width of each gear, and they are united by an intermediate hub so they turn in unison.
Below the shaft B, and parallel therewith, is a shaft J, which carries a spur gear K, that is constantly in mesh with the pinion E. To the right is a smaller gear L, which is the same diameter as the gear G, with which it is adapted to mesh; and a small gear M, about one-third the diameter of the gear H, is also mounted on the right-hand end(74) of the shaft, which meshes with the gear H, when the latter is moved to the right on its shaft B.
Behind the two gears H, M, is a shaft N, parallel with shaft J, which is so mounted that it has a longitudinal movement, and this carries a broad-faced pinion O, so that it is wide enough to engage with both of the gears H, M, when they are not in line, or in engagement with each other, as shown in Fig. 44.
This latter shaft N, is moved longitudinally by means of the reversing lever P. This lever, together with the gear-shifting lever, hereafter explained, are merely indicated in their present manner, in order to show, diagrammatically, how the gears are shifted.
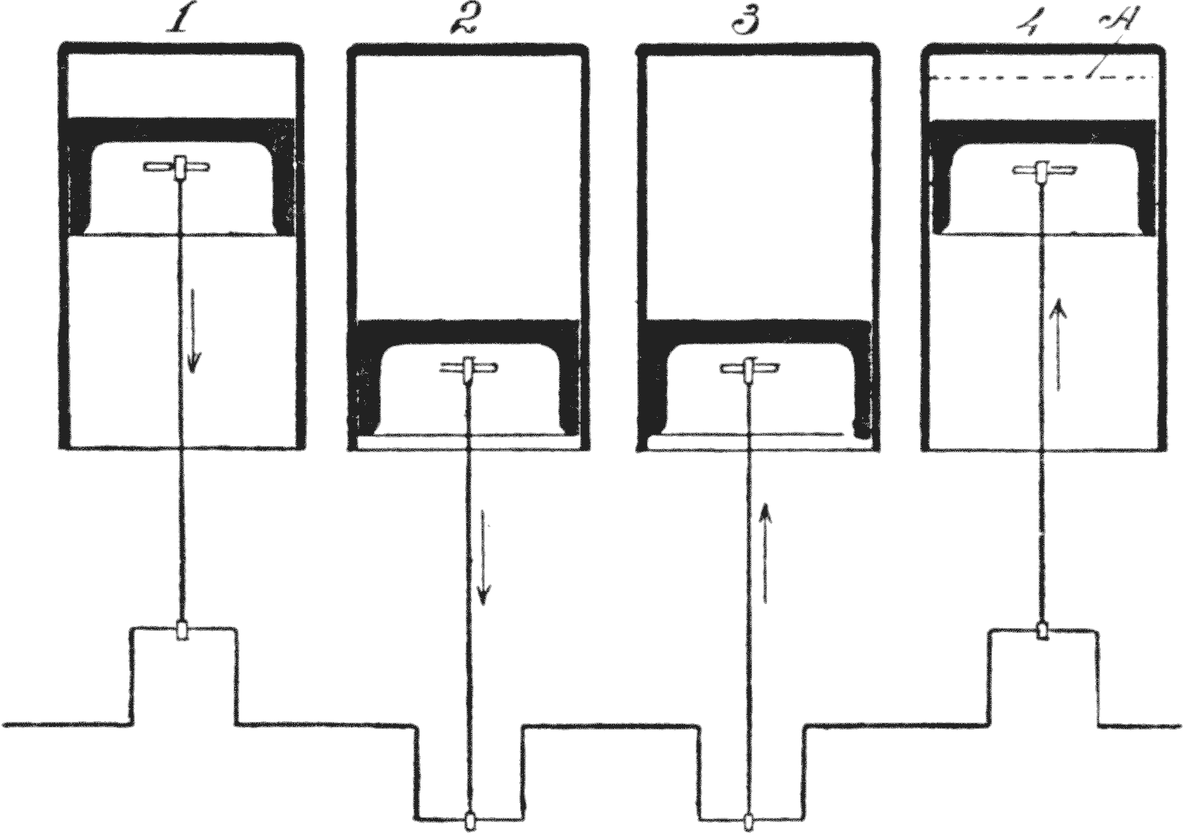
Low Gear.—The gear-shifting lever Q, in Fig. 42, in this instance, shows the large gear H, moved into mesh with the gear M, so that power is transmitted from the engine shaft A, through gears E, K, shaft J, and gears M, H, to the driven shaft B.
In examining Fig. 43, it will be seen that the shifting lever I, has moved the gears G, H, so they are intermediate to the gears L, M. The mechanism is now at what is called the neutral position, which means that the engine drives only the shaft A, and the shaft J, through the gears E, K.
(75)
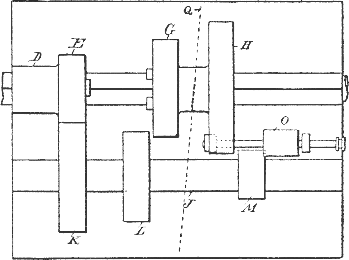
Intermediate Gear.—Now, when the lever is moved over another step, as in Fig. 44, the gears G L mesh together, and motion is transmitted from the gear E, to gear K, through shaft J, and gears L G, to the shaft B.
This is called the intermediate, which in this size gears, drives the shaft at half the engine speed, or half of the speed of shaft A, for the reason that gears G L, are of the same diameter, and gears E and K are in the ratio of 1 to 2.
High Gear.—When the lever is shifted another notch, as shown in Fig. 45, the crown teeth F G, of the respective gears E G, engage, and the two(76) shafts A B, are locked together, thus turning the two shafts in unison. This is called direct drive, in which case the shaft B, turns with the engine.
Reversing.—When the car is not running the gears G H are always in a neutral position, as shown in Fig. 41, and in order to reverse shaft B, the lever P, is drawn back, as shown in Fig. 44, so that the small gear O, will engage with the large and the small gears H M, respectively. The result is, gear H, is reversed, and this reversal can take place only when the two gears G H are in a neutral position.
The term progressive takes its name from the motion of the control lever involved in changing the gears. It proceeds regularly from the lowest to the highest.
Selective Type.—The second method, the selective, enables the operator to select any speed at will, and in doing so, it is not necessary to go through the other speeds to reach the high or the low, as is the case with the progressive.
Where there are only three speeds forward, and one in reversing, this is not so material, but as the better class cars have four speeds forward, it means that in order to reach high the gear in a progressive system must go through two intermediate speeds.
The shaft B, Fig. 47, which connects with the(77) engine through a clutch, has its end journaled in a driven shaft A, and a gear C is fixed to the shaft B, and provided with a recessed side. This has internal teeth to receive the teeth of a sliding gear D. Another, smaller, sliding gear E is also on the shaft.
Below the shafts A B is a shaft F, which carries a gear G, about half the diameter of the gear C, with which it is constantly in engagement. This shaft, further, has a gear I, the same diameter as the gear D, with which it meshes, and the shaft also carries a gear K, smaller than gear J.
Behind the gear K is an idler pinion L, in such position that it may be slid into contact with K,(78) and the gear E, on shaft B, is also adapted to be meshed with the pinion L by sliding contact.
All the gears G I J K are keyed to the shaft F, and only the gears D E and L are capable of being shifted.
Low Gear.—Fig. 47 shows the gears E J in engagement, and the motion is, therefore, transmitted from the shaft B, through gears E J and gear G to C, thereby giving a slow speed to the driven shaft A. This is called low gear.
Intermediate Gear.—To change into the intermediate, the gear D, engages with I, Fig. 48, so that both shafts B F run at the same speed, but in opposite directions, since these two gears are of the same diameter. The selective mechanism,(79) as hereinafter explained, shows how this may be done so that the gear E, will also be thrown out of engagement with J at the same time.
It will, of course, be understood that while the gears E J turn the shaft F in a direction opposite the shaft B, the shaft A is again reversed by the gears G C, so that both shafts A B, turn in the same direction, but the shaft A, now turns at just half the speed of shaft B, because the gear G is only half the diameter of C.
High Gear.—The direct drive, Fig. 49, is arranged by connecting the two shafts A B together, and this is done by means of the teeth of the wheel D, engaging with the internal teeth of the gear C, so that shaft A turns with the engine.
(80)
Reverse Gear.—The reversing engagement is brought about by putting the gears K L E into mesh with each other, as in Fig. 50, thus making the transmission from shaft B, through gears E L and K, shaft F, and back to A, through gears G C.
A four-speed selection transmission uses four, instead of three, gears on the driving shaft, without in any way changing the principles above outlined.
Control Lever for Progressive Transmission.—A careful study of the following mechanism, taken in connection with the accompanying sketch of the change speed gear, and the relations of the several elements, will explain the method now(81) generally employed in the use of the progressive type.
The diagram, Fig. 51, shows the engine 1, with its shaft 2, connected directly with the shaft A of the transmission gearing. Intermediate the gear box and the engine 1, is a clutch 4, with which the foot pedal 5 is connected.
The gear box has thereon a fore and aft sliding bar 6, the forward end of which projects through the case and is pivotally connected with the change speed lever 7. The lever has a quadrant 8, alongside, with four notches therein, for the low, intermediate,(82) and high and also for the neutral positions of the lever.
The sliding bar 6, has an arm, the fork of which spans the hub I of the gears G H, so they may be carried in either direction when the speed lever swings to and fro.
The reversing lever 10 may be connected up with a bar, similar to 6, but for convenience herein, we employ a vertical lever R, pivoted to a cross rock-shaft S. The lower end of this lever has a fork T to engage the collar of the shaft N of the idler pinion. The upper end of the lever is connected with the reversing lever 10 by a link U.
The quadrant, alongside the reversing lever, has two notches, as shown, one being designed to hold the lever in a cut-out position, whereas the other notch is to hold the lever 10 when the running gear is in action.
Operation of the Progressive Gear.—The relative arrangement of the parts gives a comprehensive idea of the mechanical ideas involved, and by referring to the description and illustrations of the gears, it will be seen how the change lever 7, in moving back one notch, from its neutral position, will throw the gear G into mesh with L, and another movement of the lever to the next notch, will cause the crown teeth on G, to engage with the(83) teeth on gear E, and thus effect a high gear connection.
The Selector Mechanism.—This is more or less confusing to the novice, and the accompanying illustration, Fig. 52, shows a perspective view, in which some of the parts are drawn out of proportion, merely for the sake of clearness. The aim is to show principles and not details of exact mechanical construction.
Selector Bars.—The two selector bars A B, are mounted in guide ways so they move longitudinally(84) alongside each other a limited distance. Each bar has an arm, as at C D, the end of each having a curved finger E to engage the annular grooves on the hubs of the shifting gears.
Above these bars, and at right angles thereto, is a rock-shaft F, mounted in bearings G G, so that it is longitudinally-movable a limited distance, to shift the selector lever H from one bar A to the other bar B.
Shifting Lever.—The selector I has two fore and aft slots J K, these slots being of such width that the gear shifting lever L can travel therein back and forth. Midway between the ends of the bar the intermediate wall of the selector plate has a cut-out portion as at M, so the lever may pass through.
This opening, or gate-way, is in such a position, relative to the cross lots N O, of the bars A B, that when the lever is in line with the gate-way, the slots N O are also in line, and in a neutral position, so that when a lateral motion is imparted to the lever L, and the rock-shaft F is moved longitudinally, the selector lever H will then engage with the other bar.
Speed Selectors.—The selector I, in Fig. 52, while made substantially the same in all cars, has a different order of lever movement. Each manufacturer has his own preferential type. In some(85) cases the lever must be thrown forward in order to reverse, and in others it is drawn back.
In certain cars the lever is moved forwardly to throw the gears into first, or low, while a number of makers insist that the first movement should be to the rear.
This is, really, an immaterial matter, so long as there is no standard, and each claims some distinctive feature of value for his particular choice.
3-Speed Selectors.—Figs. 53, 54 and 55 show(86) the 3-speed selectors, in each of which the reverse is brought about by moving the lever to the forward end of the selector. In Figs. 53 and 54 the lever slot, for reversing, is in the inside, whereas in 55 it is in the outside slot. The form 53 also has, in certain makes, the reverse at the rear end of the selector.
4-Speed Selectors.—The greatest variety is found in the 4-speed types, represented by Figs. 56, 57, 58 and 59, the almost universal plan being to place the reverse in the single side slot, as shown in Fig. 56.
One of the most practicable and easily operated selectors is shown in Fig. 60, which is used on the Jeffery car.
Controlling the Selector.—It will be seen, on examination of the selector, that if, in starting,(87) the lever is at its neutral position, as it should be, and it is moved inwardly the distance of about an inch, it will be in position where it can be moved forward to the first speed position.
The clutch of the car may then be disengaged gently, by pressing the foot down slowly, and at the same time pressing the accelerator with the right foot, so as to increase the speed of the motor sufficiently to take care of the load.
After the clutch engages and the car has traveled about ten feet, pressure on the accelerator is released, and the clutch pedal pulled down quickly, and the lever is then pulled straight back to the second speed.
Using the Clutch and Selector.—For the third and fourth speeds the same course is followed. If, in hill climbing, or in going through a heavy stretch of mud or sand, lower speed is required, the clutch is thrown out, and, if traveling on fourth speed, the control lever is quickly pulled to the rear end of the slot, and then the clutch thrown in.
If it is on third speed, the clutch is disengaged, the control lever pushed forward, at the same time pressing it inwardly so it will pass through the gate, and then pulling it back to the second speed.
Planetary Transmission.—Fig. 61 shows the general arrangement of the planetary transmission. The disk A, carries four small planet gears(88) B, B, B, B, the hub C´ of which is attached to the transmission shaft. These four planet wheels mesh with and travel around a central gear C, of the same diameter this gear being attached to the engine shaft D.
E is a loosely-revolving drum, with internal teeth, to mesh with the planet wheels B. The drum E, and the disk or planet wheel carrier A, are provided with braking mechanism so that either may be slowed down or entirely stopped.
(89)
For slow speed E is stationary; for high speed A and E revolve with the gear C; and for reversing A is locked by means of the brake.
Frictional Transmission.—A single illustration will suffice to show the principle involved in Frictional transmission. Fig. 62 represents a driven shaft A, which receives its power from the engine, and on which is mounted a friction wheel B, that is adapted to travel along on the shaft in front of a friction disk C, secured to the transmission shaft D.
The shaft A has a spline E, and means are provided at the end of the wheel B to draw it back and forth on the shaft, the slightest movement toward the center of the friction disk C serving to increase the speed of the driven shaft D.
(90)
This is a subject so vast and comprehensive, that it will require most careful thought and attention in order to get a working idea of the principle. The greatest refinements are resorted to in the building and handling of engines, and more attention is bestowed on this part of the automobile than on any other feature for the following reason:
Value of Fuel Utilized.—Not more than eighteen per cent. of the value of the fuel is actually utilized. The rest is waste. A gasoline engine is a heat motor,—that is, it derives its power from the expansion of the fuel, and this expansion is produced by the heat.
Now the loss referred to comes about in this way: About 52 per cent. of the loss is taken up by the water which surrounds the engine cylinders; from sixteen to seventeen per cent. escapes at the exhaust; and fifteen per cent. loss is due to conduction and radiation.
The Waste.—The great waste, therefore, lies(91) in the cooling means, which must be employed. The temperature of the ignited gases reaches fully 2200 degrees, which is over ten times the temperature required to convert water into steam.
Water absorbs more heat than any other substance, so that this quality is utilized; but the water, if not kept in motion, when applied to such a highly-heated surface as an engine cylinder, would be converted into superheated steam, and would then be of no further value.
Water Absorption.—This necessitates a constant and intermitting motion, so that the more rapidly the water moves, the less it will become heated. At the same time, means must be provided to cool the water in its circuit back to the engine, and the most efficient means to accomplish this is to provide a radiator at the forward end of the machine.
The circulating system, together with the radiator, will be described under their proper headings.
Engine Types.—There are two distinct types of engine, one called the two-cycle, and the other the four-cycle. Cycle has reference to a period or turn, in which certain mechanical operations are completed in regular order so to form a succession of events.
The Four-Cycle Engine.—These events in a four-cycle engine require the crank to make two(92) complete turns, the order being as follows: Starting with the explosion of the charge, the first element in the cycle, is the downward movement of the piston (expansion); second, the return of the piston to the upper end of the cylinder (exhaust); third, the downward movement of the piston, on its second revolution, and the drawing in of a fresh charge of fuel (suction); and fourth, the return stroke which compresses the fuel for driving the piston down the next stroke (compression).
The Two-Cycle.—The two-cycle engine, at the explosion, sends the piston downwardly, and as the crank case and cylinder are connected up together so as to form an air tight receptacle, within which the crank and shaft turn, the downward movement of the piston compresses all the gas which has been previously drawn into the crank case.
When the piston reaches the extreme limit of its downward movement, it uncovers a port in the side wall of the cylinder, so as to afford an outlet for the gases of combustion, and immediately thereafter the piston also uncovers a duct that leads from the crank case, so that the previously compressed gases, as stated, rush in, and this inward movement of the fresh gas, also facilitates(93) the movement of the burnt gases at the opposite side.
Compression.—When the piston starts on its return stroke, or upward movement, it compresses the charge thus received, and when the piston nears the upper end of its stroke the sparking mechanism again explodes it, so that the cycle is formed by the two operations, performed by a single turn of the crank shaft.
This latter type of engine is not used to a great extent. It has the advantage that no valves are used, except the one at the inlet of the gas to the crank case, and no stems, push rods, cam shafts, or springs are required to control the movements of the fresh and burnt gases. Aside from that such engines weigh considerably less than the four cycle type.
Economy of Four-Cycle Engine.—On the other hand, the four cycle is more economical, because there is more time for the admission of the fuel, and for exhausting the gases. Furthermore, it is obvious that in a two cycle engine more or less of the fresh fuel gas is mixed with and is discharged from the cylinder with the burnt gases.
As the discharge of the burnt gases and the admission of a fresh charge, is practically simultaneous, the opening of the discharge is placed in the(94) cylinder at such a point that the pressure of the gases cannot be utilized for the full downward stroke, as is the case with the four cycle type.
Valve Movements.—Before proceeding to explain the engine in detail, the different valve movements of a four cycle cylinder are shown, and this will be of service in explaining the different parts as they are referred to.
In the construction of engines, as will be more particularly pointed out hereinafter, the inlet and(95) exhaust valves are usually operated by mechanical means, but certain engines are so constructed that the inlet valve is automatic in its operation, and the exhaust valve only is actuated mechanically.
In the drawings, Figs. 63 to 66, inclusive, both valves are operated from cams on a secondary shaft, and in the first of these four figures the crank has just turned the point where the piston is at its highest limit, and is about to descend. Both valves A B are closed, and the spark fires the charge, driving down the piston to its lowest limit.
In Fig. 64 the crank is shown about to move the piston upwardly, and just as it turns the dead center the cam C, on the secondary shaft, unseats the valve B, through the stem D. As the piston moves upwardly, the burnt gases are forced out past the valve B.
When the piston reaches the highest point in its first revolution, as shown in Fig. 65, the stem D drops off the cam C, thus closing the discharge, and immediately the valve A is opened by the cam E moving the valve stem F upwardly, and as the piston now descends, fuel is now drawn in until the piston reaches its lowest point.
In Fig. 66 the crank is turning the dead center, and is about to move upwardly, and the cams G E are now both in such position that the valves A B are closed, and when the piston moves up again,(96) to complete the second revolution, the fuel gas within the cylinder is compressed, and ready to be fired the moment the crank reaches the position, shown in Fig. 63.
The Ignition Point in the Cycle.—In practice, the firing takes place before the crank has made the turn past the dead center, and this is called pre-ignition, when the spark is advanced too far to the left. The ignition should take place slightly before the crank turns, because it takes a small interval of time for the charge to burn the gases, and during this time the crank will have(97) passed the dead center, and started on its way downwardly.
From the diagrams it will be observed that two of the strokes, namely the first and the third, are downward, and the second and fourth are upward, and that the downward strokes take place during the admission and impulse, and the compression and exhaust while the piston moves upwardly.
The Fly-Wheel.—As the impulse in this type can take place only at each second revolution, it is obvious that some means must be provided to keep the shaft moving during the two turns, and for this purpose the fly-wheel is utilized.
Practice has found the multi-cylinder type the most valuable, in connection with the fly-wheel, as in employing two or more cylinders in line, a smaller fly wheel will be sufficient.
Impulses in 4-Cylinder Engine.—In such a case the four cylinders are arranged so the impulse will be at four different points of the shaft, and we may assume that the four cylinders in Figs. 63, 64, 65 and 66, show the relative positions of the four pistons in a four cylinder engine.
The Cylinder Case, and Connections.—A cross section of a case and the relative positions of the various parts, is shown in Fig. 67. The cylinder A is provided with a water jacket B, so as to form a space C around the cylinder which has an inlet(98) pipe D at the bottom, and an outlet pipe E at the upper end.
The inlet valve F is in the head of the cylinder, and it is held against its seat by a tension spring G. The exhaust valve H is placed in a lateral extension of the cylinder, in such a position that it is directly above the secondary shaft I running through the crank case. The stem J of the valve, is actuated by a cam K on the secondary shaft, and it is, preferably, made in two parts, the upper being so arranged that it has a limited longitudinal(99) movement independently of the lower part, and a spring is arranged so as to provide for longitudinal thrust in either direction.
The crank shaft M has alongside the crank, a gear wheel N, which meshes with a gear O on the secondary shaft I, this latter gear being twice the diameter of the gear N.
Piston and Crank Construction.—The piston is hollow, and the crank is located as close to the head as possible. This has two or more circumferential grooves, to receive packing rings. The rings are made of very hard steel, and are turned up slightly larger than the diameter of the cylinder, and then cut across diagonally, so they may be sprung into place, and when in position they will bear against the inside of the cylinder, and thus serve to prevent the passage of the gases.
Calculating the Efficiency.—The great problem with every beginner is to know something of the power of the engine, and how it is determined. Considering that the boy knows nothing of the terms used to designate the step we shall try to make the following description as free from technicalities as possible.
In Fig. 68 a cylinder is represented, containing a piston A. B C indicate the limits of the stroke, and for convenience this space is provided with eleven marks to represent the pressure of the ignited(100) gases at various portions of the travel of the piston.
Pressure in Explosion.—When the explosion takes place, at B, the pressure will be, approximately, 230 pounds per square inch of the piston. When it moves to the next mark the pressure has decreased to 220 pounds, at the next mark it is 200, and so on, until, at the end of the stroke, opposite C, the pressure is only 40 pounds.
Expansion Line.—These figures represent the expansion line. It is now necessary to get the mean effective pressure, which means that we must know what the average pressure of the gas is in each square inch from B to C.
Mean Effective Pressure.—This is obtained by adding together the figures given in the sketch, and the result is, 1530. As eleven pressures were required to produce this sum, it should be divided by that number, making the result 148, avoiding fractions, as we shall do in all the calculations.
(101)
The figures represent that the mean effective pressure of the gases on the piston is 148 pounds. If this is multiplied by the area of the piston, and this result by the stroke in feet and the number of power strokes per minute, we get what is called foot pounds.
Foot Pounds.—Assuming that the diameter of the piston is 5 inches, which, figure, if multiplied by 3.1416, will give its area as a little over 15-1/2 square inches. Let us assume the crank is 4 inches. This will give a power stroke of 8 inches.
To find out how many power strokes there are in a minute, we must know the revolutions, and this being taken at 800, and a power stroke at only every other revolution, would mean that we have 400 impulses, and each impulse traveled 8 inches, = 3200.
This represents inches, which must be converted into feet, so that we have 266 feet of power strokes per minute.
First multiply the mean effective pressure on the cylinder, that is 148 × 15-1/2, which equals 2294. Then, 2294 × 266, equals 610,204. This product represents foot pounds.
Work or Energy.—A foot pound is the amount of work or energy expended in raising a weight of one pound, through a distance of one foot. If 550 pounds should be raised one foot in one second(102) of time it would represent one horse power of work accomplished. If 550 pounds should be raised one foot in one minute of time it would be equal to 550 × 60 = 33,000 foot pounds, and this would mean one horse power, or the work done in one minute of time.
In our above calculation we have determined how many foot pounds we had in a minute of time, so that if we divide the foot pounds 610,204, by 33,000, we shall get as a result, a little over 18-1/2 horse power.
The Two-Cycle Engine.—The longitudinal shell A, Fig. 69, is separate from the crank case B, the latter being secured to the former by flanges and bolts, as at C. The piston D is of such length that when it reaches the limit of its compression stroke, as shown in this figure, it covers both the supply port E and the discharge port F.
(103)
In its outward stroke the upper end clears both of these ports as in Fig. 71, the discharge port F being the first to open, as shown in Fig. 70.
Cycle of Operations.—The cycle of operation is as follows: The inward stroke, which is in the direction of the head of the cylinder, draws in the gaseous fuel through the valve G, and at its outward stroke the gas in the crank case B is compressed, and the moment the end of the piston(104) passes the inlet port E, the gas passes through the duct H into the cylinder above the piston.
The burnt gases within the cylinder pass out the discharge port F, facilitated, in a measure, by the compressed inflowing gas. When the piston again returns, and passes the discharge port, the gas is trapped, and is compressed during the inward stroke of the piston.
The Crank Shaft.—The most important element in the engine is the crank shaft. It is usually made of a single steel forging, and out of this are turned up the crank wrists, the crank arms, and the bearings which are placed intermediate the different cranks. It is made extremely large to provide for any strain due to the fuel explosions, and it is the most difficult part of the engine to turn out.
Special Metals.—Special metals are used by various manufacturers, and the sizes and structural shapes are now so well understood that few of them break, although in the early history of the(105) engine this was the weak and troublesome part of the car.
Improper alining, in the case, and poor or faulty bearings, were responsible for many accidents, and now means have been found to overcome most of these objections.
Engine Troubles.—When we come to consider the engine troubles, so-called, we shall find there are legions of them. In these days many of the troubles are easy to remedy, but to remedy them means that the causes of troubles should be understood. A physician cannot prescribe for a disease until he has made a diagnosis.
Sometimes the difficulty will be recognized by the symptoms, and is easily adjusted. But suppose the firing is all right, and the engine fails to pick up, and seems to be dying out, it may be attributable to several causes, either one of which would account for it.
Difficulties Pointed Out.—If the engine seems to run down, and fails to pick up quickly, it may be due to water in the carbureter, or to a weak battery, or to leaks in the water jacket that will admit water into the compression chamber, or the trouble may be faulty compression.
Other things should be looked up: The pump may be out of order, the connections loose, and thus permit waste through the leaks, or there may(106) be a stoppage somewhere in the water circulation, or the water may be exhausted, or the gasoline too low or too poor for the kind of carbureter which you have.
If anything is due to the engine itself, in the vast majority of cases, it is due to poor compression. The engine is too often blamed for faults which belong elsewhere. Nevertheless, it is well carefully to examine the bearings, to look over the clutch, and the bearings in the line leading to the drive shaft.
Starting the Engine.—In starting, some engines give a great deal of trouble, usually due to wrong adjustment of the sparking device. This should not be advanced too much. If the trouble is not at that point, it may arise from too weak a suction, or an obstruction in the carbureter itself.
Carbureter.—At slow turning speed of the engine, the carbureter is very sluggish, because it must be started up from a condition of repose, and unless there is the best of compression, the suction will not be sufficient to dislodge or move the slightest impediment which may be in the way.
Low Compression.—Low compression arises from numerous causes. A carelessly screwed sparking plug; defective or partly blown out gasket in the cylinder head; loose, or partly open compression cock; a sticking valve; a rusted, or(107) defective inlet valve; leak in the combustion chamber; or a worn or scratched cylinder.
Whenever it is possible, the engine should be examined to observe the condition of the piston rings. Sometimes the rings will break into small pieces, and these parts will wear the most perceptible creases in the cylinder walls. When such is the case they will have to be taken out and lapped.
Mixtures.—Too rich a mixture has the effect, in many cases, of causing a deposit of carbon which is bad for the engine. It coats the walls of the cylinders, and is hard to remove. The application of petroleum and alcohol, if allowed to remain in the cylinder for some hours, will aid in taking it out, but removing the cylinder and scraping is the only safe method.
The usual way to test the cylinders to see whether either misses fire, is to cut out all of the spark plugs except one, and then test that, and so with all the others in succession, and in this way the location of the trouble will be discovered.
Spark Plugs.—It is also the case that carbon deposits on the plug points will become heated up to such a point that pre-ignition will take place. Over-heated cylinders may cause this, and in certain cases, where the rotor arm wears, at the contact point, it leaves a trail of metallic particles over which the current will travel.
(108)
The Weather.—Cold weather is often a serious check to the starting of an engine, the water jacket, or some of the piping may be frozen, or the lubricating oil may become too thick to render proper service.
Drainage.—A careful operator will see to it that when the car is left all the water will be drained from the pipes and the water jacket and pump, and the parts can be dried out by running the engine for a minute or so, during the time of draining, so as to heat up the parts.
(109)
Proper cooling is a necessary feature of all gasoline motors, otherwise the intense heat of the burning fuel would expand the pistons to such an extent as to prevent their free motion in the cylinders, as well as destroy the spark plugs, injure the springs, and make lubrication a difficult matter, if not impossible, by burning up the oil.
Air Cooling.—Cooling was originally obtained by using air, which was blown against the cylinders; but this was not generally developed to a satisfactory degree except for small motors.
Air does not take up heat readily, whereas water is the greatest absorbent known, and in the primary stages of the art water was objected to on account of its weight, and for the further reason that the jacketing of the engine was considered a needless expense.
One of the best known devices to increase the cooling capacity with air cooling, and now largely used in motorcycles, is to provide the cylinders(110) with a plurality of thin broad ribs, annularly-disposed, as shown in Fig. 72a.
Air-Cooling Devices.—A highly-heated metallic surface actually repels such a subtile fluid as air, hence it is necessary to supply the cylinders with a blast of air, and also provide a greater cooling area, so that if the ribs themselves can be cooled, the temperature will be decreased in proportion to the enlarged surface thus provided.
In using water this artifice is not necessary, because it will absorb heat instantly along the surface in contact with the metal, and quickly change the heated particles in favor of the cooler portions.
Water Cooling.—While heat will cause a circulation of water in a definite direction, for the foregoing reason, it has been found that, in practice, it is more practical to keep up the movement by mechanical means.
(111)
This is done by a pump placed in the line of the circulating pipe, and usually so arranged that the cold, or coldest, water is forced into the circulating area around the cylinders.
Gravity System.—The natural circulation is founded on the principle of the well known law, that heated water will flow upwardly, hence, if a cylinder, such as A, Fig. 73, which has a water jacket around it, has its lower end connected by a pipe B, from the bottom of a water reservoir C, and the upper end of the jacket is provided with a pipe connection D, with the upper part of the reservoir, the water will flow from the bottom of the reservoir to the jacket, and from the top of the jacket to the reservoir, in the direction of the arrows.
Locating the Reservoir.—This flow would be(112) materially increased if the reservoir should be located a considerable distance above the jacket. But in an automobile it would be difficult to use an elevated reservoir, and, furthermore, as means must be provided to cool the water, such disposition of the reservoir would be still more impracticable.
The area forward of the engine is the most available space for placing the water tank, and, especially for the reasons that the radiator itself may be utilized for inclosing the engine hood, and because the air, which is only partially heated(113) in passing through the radiator, serves to keep the space within the hood reasonably cool.
Force System of Cooling.—Under the circumstances the water should be caused to circulate by mechanical means, which, while it adds another operative element to the machinery, is nevertheless so much more effective that it is worth the care, attention and expense which are involved.
The Radiator Connection.—In Fig. 74 a radiator, engine and circulating system are connected together to show the relative arrangement of the various elements, in which the pump A is placed in the pipe line B running from the lower end of the radiator C to the manifold D at the lower end of the water jacket of the engine.
The upper end of the radiator is connected by a pipe E with the top of the jacket, and the pipes are thus so disposed as to be free of the other mechanism, and are all contained within the hood of the engine.
A fan F, suitably geared to the crane shaft of the engine, provides a means for inducing an air current through the radiator whenever the engine is running.
Radiators.—Much time and money has been spent in developing a simple and efficient type of radiator. As, of necessity, it must be made up of a multiplicity of parts, leakage is apt to occur, and(114) while in the past most of the constructions depended on soldering together the various portions, it will be seen how insecure such a system of construction must be necessarily.
Construction of Radiator.—In Fig. 75, is shown a front and a sectional view of portion of a simple type, which is made up of square tubes A, their ends being fitted into square holes formed through front and rear plates B C, and the tubes are so arranged that there are small spaces D between the tubes.
When water enters through the inlet tube E, it fills the spaces, and being cooled moves downwardly, while the air rushing through the open-ended tubes, cools down the water over the large area thus afforded.
All radiators employ substantially the same construction, the illustration given being merely to show the principle of the device.
A drain cock G, Fig. 74 should be placed in the(115) system below the radiator, in the pipe line B, so that water can be drained off from all the pipes, to prevent liability of freezing. The diagram shows the fan shaft connected and run by a belt H. This is not the best construction, as it is not a positive drive. Most cars are provided with gearing for this purpose.
Operation of Radiator.—The water is thus carried from the bottom of the radiator to the water jacket space, and from the upper end of the jacketed area to the top of the radiator, and used over again.
More or less of the water is lost by evaporation, so more must be added from time to time, and the radiator should be kept as full as possible to get the best results. If the water level falls too far below the return pipe at the top of the radiator, the area of the heating surface and the decreased quantity of water exposed to the cooling surface, are likely to cause undue heating, or vaporization.
The Pump.—A variety of pumps are used, but they are generally based on the principle of the turbine impelling system, or on centrifugal action. A type which utilizes both these principles is shown in Figs. 76 and 77, in which the former is a cross vertical section of 77 along line 1, and the latter is a central vertical section on line 2 of Fig. 76.
(116)
The device comprises a cylindrical shell A, with an inlet B, at one edge near the front wall, and an outlet C at the upper edge near the rear wall.
Pump Construction.—Within is a revoluble tubular hub D, with one end E projecting, to which power is applied. A disk partition G is secured to this hub, midway between its ends, and on each side of the partition is a pair of oppositely-projecting convolute blades, those on the inlet side, indicated by H, and the ones in the discharge side by I.
It will be noticed that the blades H on the intake side are so disposed that their concave surfaces are on the advance sides while those in the discharge end of the shell have their convex faces in the retreating side.
(117)
Action of Pump.—The hub has inlet ports J below each blade, and discharge ports K between each of the blades I. When rotating the points of the blades H catch the water at the inlet and drive it inwardly through the ports J, from which it passes through the hub to the ports K, and is then violently thrown by centrifugal motion, and by the action of the blades I to the discharge opening C.
Should the pump cease working there is always a free passage way for the natural circulation of water through the pump.
(118)
In considering carbureters it would be well to have an understanding of what is meant by this term. It is the practice to call the vaporized fuel from the carbureter, a gas; but this is a misnomer. It is not a gas, but a vapor, being merely air which is charged with small particles of gasoline.
Carbureted Air.—It has been frequently termed also a carbureted fuel. This is a wrong term. What is meant is carbureted air, because the air carries the fuel with it, and is impregnated with a carbon charge.
Composition of Gasoline.—Gasoline contains, approximately, 82 per cent. carbon, and 15 per cent. of hydrogen. This mixture of the two fuel elements requires about two parts of oxygen to one part of the gasoline, but as common air is only one-fifth oxygen and four-fifths nitrogen, which does not aid in combustion, it is necessary to supply five times the amount of air, which would mean at least fifteen parts of air to one of the gasoline.
In speaking of parts it must not be understood,(119) that reference is made to parts in a liquid form, but it is necessary for the gasoline to be put into the form of a gas, and this gas becomes the measure from which we determine the parts.
Gasoline Expansion.—If a cubic inch of gasoline is converted into a gas, it will occupy a space equal to about one cubic foot, which means that it now has a volume, or bulk of 1728 cubic inches. Now, for every 1728 inches, there must be about 30,000 cubic inches of air, in order to make a combustible fuel out of the mixture.
Requirements of a Carbureter.—A carbureter is designed to do several well-defined things: First; it must be able to comminute, or break up the liquid fuel into infinitesimally small particles.
Second; it must be able to properly mingle the vapor thus produced.
Third; it should be so constructed that it will automatically check the inflow of gasoline, and prevent flooding, or waste of the fuel.
Evaporation.—All liquids have the property known as vaporization, and will change their form into a gaseous state at ordinary temperatures. All solids will vaporize, if sufficient heat is applied. But at the ordinary temperature, with which we have to deal, in considering the use of carbureters, air is the factor which facilitates the process.
(120)
Air Saturation.—Gasoline, confined in a vessel, will vaporize up to a point where it completely saturates the air contained therein, and then ceases. If allowed to stand in the open air, it will, in time, entirely evaporate. This is true of water, also.
It is well, in this connection, to observe another thing. If the same quantity of liquid is placed in two separate vessels, one very tall, with a small surface of air in contact with the two surfaces, and the other vessel very shallow, so it has a large surface in contact with air, the latter will produce the most speedy evaporation. This shows that contact with air is the factor of the greatest importance in making a vapor.
Air Contact With Gasoline.—The office of a carbureter is to provide the proper amount of air to the liquid fuel,—that is, up to that point where it can be utilized as a fuel to the best advantage. If a drop of gasoline, in one case is broken up into five hundred tiny particles, and in the other case into one thousand, it is obvious that in the latter case the air comes into contact with double the surface of the liquid than in the former case, hence will be so much more efficient, for the following reason:
Perfect combustion is the desired object in the engine cylinder. The more nearly the vapor approaches(121) an impalpable gas the quicker will it ignite. Furthermore, the more intimate the air and the vapor are mixed the better will be the explosion or combustion.
Compression.—The compression of the carbureted air in the engine cylinder performs certain very important things: When any gas is compressed the temperature is increased, the theory being that at each compression to one-half its volume, the temperature is increased double its former heat.
If, therefore, compression in a cylinder reaches, say, 90 pounds, the heat set up is sufficient to instantaneously break up the small globules of gasoline, and at the same time produce a more intimate unity, which tends to make a more efficient mixture than would be possible without the compression.
Compression as a Mixing Means.—It will also be understood, that compression permits the bringing together of a much larger amount of fuel at each charge than would be possible without it, so that the two factors, namely, the volatilizing action of the air, the mixing of the air and vapor, and the compression, all serve to mix together the elements which will produce an explosion when the proper heat is finally applied.
Carbureter Types.—There are two distinct(122) types of carbureters, one in which the gasoline is forced out through a very fine nozzle, and at the ejecting point is mixed with a current of air which passes to the engine cylinders, and this is designated as the spraying device.
The other form of construction depends for carbureting the air on exposing a large body of the gasoline to a passing blast of air, and is called the surface type.
The Spraying Carbureter.—As most cars now use the spraying system, that type will be considered first. There is no special form of nozzle required to eject the fuel, and the distinctive features of the various designs has been to produce positive and regular feed and to assure the proper mixture at all times during the operation of the engine.
Dissecting the Carbureter.—For the purpose of making each particular part of a carbureter clear and distinct, let us build up one, so that special attention may be directed to the various operative elements.
A cored cylindrical casting A, Fig. 78, is provided, which has a large opening in its lower end that is closed by a plug B. This plug has an upwardly-extending tubular projection B´. The upper end of the cylinder has a cap C, open centrally, and having an opening formed by a downwardly-projecting(123) tube D, and this has a contracted throat as at E.
The Mixing Chamber.—The exterior of the downwardly-projecting cap tube, is turned up true, and fits into the tubular extension B´. The particular feature of this sketch is to show the adjustment of the needle valve which admits the gasoline, and the relative position of the float.
The Float Chamber.—The circularly-formed chamber G, within which the float operates, contains the liquid fuel. The inner end of the plug B has a cross duct I, and centrally is an upwardly-projecting tubular extension J, the bore being flaring, as shown, and in this the needle valve K rests and is made adjustable at its upper threaded end.
When the needle valve is raised, gasoline flows(124) through the duct I upwardly past the flaring orifice, in J, and air is permitted to flow in through the openings I around the central tube J, so that the air and gasoline meet above the upper end of the tube.
The Venturi Tube.—The inwardly-projecting part E constitutes what is called a venturi tube, the upwardly-rushing air between the contracted opening formed around the tube at this point being such that when the two fluids meet and spread out in the enlarged opening above, the particles of gasoline are not only broken up minutely, but are intimately mixed with the air.
The Inlet Valve.—Now if this chamber G has at one side an extension, like L, Fig. 79, means may be provided for adding a valve to be controlled by the float. Within the extension is an upwardly-moving needle valve M, which is designed to close the duct which leads from the gasoline supply.
(125)
Between the valve and the float is the fulcrum O, of a lever N, the short end of which engages with the upper end of the valve and the long end rests on the float H, as shown. The movement of the float above the predetermined point has the effect of seating the needle valve M, thus cutting off the inflow of gasoline until that in the chamber G is drawn out so that the float descends and again admits a fresh supply.
Thus far we have the fuel oil control, together with the manner in which the primary air supply is introduced. We shall now go a step further, and illustrate the mixing chamber, discharge and throttle.
(126)
The Throttle Valve.—Referring to Fig. 80 it will be seen that directly above the venturi tube described, is a space O. This is the mixing chamber, which has an outlet P to the left, which connects with the engine cylinders.
Within this tube is a throttle valve Q, operated by the throttle lever on the steering wheel of the car. It is simply a disk which fits into the interior of the conduit and is adapted to be turned by a stem R, on which it is mounted.
While the lower inlets K are designed to supply the primary air for carburetion, it is found necessary to admit a secondary supply, and this should be taken into the mixing chamber directly instead of passing the tube which conveys the oil.
The Secondary Air Supply.—The particular reasons for thus admitting the air may be explained as follows: When the engine draws in a supply of carbureted air, more or less of a vacuum is brought about in the mixing chamber O. The faster the engine runs the richer will the mixture become, because the additional suction draws in an increasing quantity of gasoline, but the throat of the tube does not change, and the requisite, proportionate quantity of air does not follow, so that the mixture has too much fuel for the air.
Automatic Admission of Secondary Air.—If the engine should be speeded up so twice the(127) amount of oil is drawn into the mixing chamber, the additional suction will not, at the same time, draw in twice the amount of air.
This necessitates a provision whereby the secondary air shall be admitted automatically only at times when the suction exceeds the normal requirement, or to prevent too rich a mixture, which is explained by reference to Fig. 80.
The extension S, on the right side of the shell, has an opening T, with a seat to receive a weighted valve, like a ball U, preferably reinforced by a spring V, which is capable of having its pressure on the seat regulated by an adjusting screw W.
It will be obvious, therefore, that during the normal action of the engine suction, no air will enter the duct T; but when an undue vacuum exists in the chamber O, the ball valve U is raised,(128) and additional air is supplied to the carbureted air within the chamber.
Carbureter Adjustment.—Each of these four elements has some particular method of adjustment, as will be more particularly noticed in the completely assembled carbureter, made up of the(129) foregoing illustrations, in which the details are refined and shown as actually made in one of the well known types of carbureters.
Fig. 82 shows the different parts arranged in a practical manner, in which the regulating arm for controlling the throttle, as well as the secondary air supply and the gasoline inlets are capable of being adjusted by special means.
Special Points Concerning Carbureters.—A rich mixture is undesirable, except in the case of heavy loads and at slow speed, for various reasons. It does not burn quickly, or explode as readily as a lean one, and owing to the slow combustion the temperature in the engine cylinder remains high to the end of the stroke.
Thin Mixtures.—On the other hand, a thin mixture will compress better and burn with greater facility, and at the same time heat the cylinder less than the rich mixture, to say nothing of the saving in fuel. It has long been recognized that a carbureter will not act uniformly with all engines. Some have better compression than others, and some have more efficient sparking means. This has a bearing on the character of the fuel delivered to the cylinders.
Speeds and Mixtures.—There is also a wide difference in the performances of engines at high and at low speeds, as to the quality of the mixtures required,(130) so it will be seen that a carbureter which is capable of being controlled for all emergencies, is the one to select.
Above all, the structure should be such that the valves can be easily taken out for inspection and repairs. It is impossible to prevent grit from finding its way into the gasoline, and it is astonishing how the smallest piece of fiber, finding a lodgment in a valve, will disarrange the entire power system.
Surface Carbureter.—These devices depend on presenting as large an area of gasoline as possible, and then conducting the air flow over the surface so as to take up the volatile hydro-carbon.
The Float.—Such devices also require a float to regulate the inflow of fuel, and the distinctive feature of construction depends on increasing or decreasing the area so exposed to the moving air column.
Fig. 83 shows a well-known type of this character which is a combination spray and surface carbureter. A U-shaped tube A, with the air inlet at B, and discharge at C, has a butterfly valve D in its latter end. Below the U-shaped bend, is a reservoir E to contain a float F, vertically-movable around a central stem G which is part of and projects down from the U-shaped tube.
(131)
Through this stem G is a duct H, the lower end of which communicates with the gasoline reservoir, or float chamber, and the upper end has a small orifice leading to the U-shaped tube. A valve stem I is adapted to regulate the inflow of gasoline through the duct.
The Gasoline Inlet.—At one side of the reservoir is an extension J, within which is a vertically disposed needle valve K, seated in the duct I, by way of which gasoline is admitted. A lever M, pivoted at N, has one end attached to the float F, and the other end is in engagement with the needle valve K.
(132)
The float is so arranged as to permit the gasoline to flow up into the U-shaped tube A, and form a small pool of the fuel before it closes the needle valve K.
Securing Surface for Air Contact.—Directly above the oil inlet duct H, the U-shaped tube is contracted by a downwardly-projecting wall P, the object being to compel all the passing air to intimately come into contact with the gasoline pool, and thus take up as much vapor as possible.
In this arrangement the suction of the engine does not draw up the gasoline from the reservoir, but all the energy is expended in moving air through the tube, and past the contracted throat.
In starting the engine the float is momentarily depressed by the pin Q, and a drain duct R is provided to prevent flooding of the tube A.
(133)
The universal use of electricity as a means of igniting the fuel in gasoline motors, makes it necessary that the novice should know something of the fundamentals of the science.
Seeing the Effect of Electricity.—While it is impossible to see a current, there are certain mechanical devices which enables it to be seen by the effects produced on them. One of these devices is the armature which, if placed across the poles of a horseshoe magnet, will adhere to the magnet, by means of its magnetic pull.
Another exhibition is the spark caused by separating the contact point of a conductor through which a current is flowing, causing a spark.
Action of a Current.—The current flowing over a wire acts substantially the same as water flowing through a pipe, that is, the quantity is dependent on the size of the wire, just as in water where the diameter of the pipe determines the flow.
Amperes and Volts.—Water may flow sluggishly(134) through a pipe, or be forced through with great violence. So with an electric current. Pressure, therefore, expresses the second similarity in the two mediums.
The quantity of flow in an electric current is called amperes and the pressure is designated as volts.
Conductivity.—All metals conduct a current with greater or less facility. Silver is the best conductor, followed by copper. German silver offers a great resistance, and many alloys offer greater or less opposition to the flow.
Resistance.—The length of a wire also serves to check the flow, and this may be overcome by enlarging the size of the wire, or by increasing the pressure, or voltage.
Generating Electricity.—A current may be generated by a dynamo, or by means of cells. The dynamo derives its motion from an engine, which turns, what is called, the armature past a number of magnets, called the field. The armature contains a series of wire wrappings, extending around from end to end, and the field is composed of metallic heads, each carrying a coil.
Magnetic Field.—When these coils have a current flowing through them the heads become magnetized, and have what is called a magnetic field(135) surrounding them and extending out some distance, and the armature coils pass through these magnetic fields.
As these wires cut the lines of force in the magnetic fields, a current is set up in the armature, and as the armature windings are connected up with the lead and the return wires which transmit the current, it will be seen that the strength, or pressure of the current depends on the speed of the armature movement.
Batteries.—The other method of generating a current is to use a jar of electrolyte, a liquid which may be either an acid or a salt solution. If certain metals which are opposite to each other, are placed in this solution, a chemical action takes place, which results in producing current, and this may be shown by connecting together the two metals by a wire outside of the jar.
Metallic Couples.—Within the jar the solution serves as the conductor between the two metals. Copper and zinc are two good metal couples, in which zinc is the positive, and copper the negative. As zinc is readily eaten away by the action of the electrolyte, carbon is used instead.
What Determines Voltage.—Each cell with the two metals, will furnish approximately two volts. It is immaterial whether the cell contains a pint or a gallon of liquid, or what the size of the(136) plates may be. In any event the pressure will not be greater than two volts.
Controlling Amperage.—But the metal plates may be made very large, or have a great surface in each cell. The greater the surface the greater the amperage, so that while each cell has only two volts, it may have a very small amperage, or it may have two, five, ten, or even more amperes flowing therefrom.
Dry Batteries.—Instead of using cells with liquid in them, as the electrolyte, a dry cell is made which acts efficiently. This is usually made in the form of a zinc cup, within which is centrally held a carbon rod, and the space around the rod is filled with ground carbon and dioxide of manganese, and moistened with sal ammoniac.
Cell Construction.—The zinc cell and the carbon have upwardly-projecting posts to which the wires are attached, and when thus made the top of the cup is closed with pitch, or some suitable preparation to prevent evaporation and to retain the substances within, and the whole is then inclosed in a jacket, usually of pasteboard.
Usually these cells give one and a half volts, and are very durable. This is, of course, a very low voltage, and it is necessary, for this reason, to use at least a half dozen, to operate the coil used in an ignition system.
(137)
Connecting Up Cells.—If we have a number of cells they can be connected with each other so as to get an additional voltage as well as greater amperage. This statement must be understood in a definite way. Supposing we have six cells, each with an output of 1-1/2 volts, and an ampere flow of 25 in each. Multiplying 25 by 9 makes 225 watts.
We may connect up the six cells in such a way that we can get
First: 9 volts, and 25 amperes, equal to 225 watts, or,
Second: 1-1/2 volts and 150 amperes, equal to 225 watts, or,
Third: 4-1/2 volts and 50 amperes, also equal to 225 watts.
In either case, you will see we have 225 watts. These three windings are designated as series, parallel, and series multiple.
(138)
The Series Connection.—The illustration, Fig. 84, shows the series winding. Here the positive wire B is connected with the carbon pole C, and the wire D, wired up with the zinc pole, E, the connections being made directly through each cell, to the outlet wire F. Now, as we have six cells, the combined voltage is 1-1/2 × 6 = 9 volts.
As, however, all the cells now act as one cell, the amperage is just the same as of one cell, namely, 25.
The Parallel Connection.—Fig. 85 shows the parallel connection. Here all the carbon terminals A are connected together in series by a wire B, and all the zinc terminals C by a wire D. In this method the voltage of the battery is the same as that of a single cell, but the amperage is the same as that of a single cell multiplied by the number of cells, namely, 25 amperes × 6.
(139)
Series Multiple Connection.—The series multiple, Fig. 86, is so arranged as to form two distinct batteries, 1 and 2. Each battery is connected up in series, by means of the wires A, which join the carbon and zinc. In this way we have at one end a pair of carbon terminals which are joined by a wire B, and at the other end a pair of zinc terminals, joined by a wire C.
If, now, these two wires B C are put into circuit with each other, as illustrated by the wires D, we shall have a form of battery which will have the voltage equal to the voltage of one cell multiplied by the cells in either battery 1 or 2. This is 1-1/2 volts × 3, equal to 4-1/2. The amperage, on the other hand, is found by that of one cell multiplied by the number of batteries. This is 25 amperes × 2, equal to 50.
This, if well understood, will enable the user,(140) for instance, to strengthen a battery, where it is weak, by connecting it up in series multiple, instead of in parallel.
Naturally, the cells in the series should be of equal strength and should be frequently tested, to find where the weakness is. If the combined amperage is below the minimum, considering the time it has been in use, it is possible the cause is due to a weak cell, which takes from others, instead of giving. This should be replaced.
Storage Batteries.—The matter pertaining to these batteries is fully set forth in connection with Electric vehicles, in a subsequent chapter. Primary as well as storage batteries may be used for ignition purposes, the object being to obtain a form of battery which shall have a constant and reliable output, and give a reasonable service in point of time.
The Sparking Methods.—Automobiles are equipped with either the low or the high tension system. Any circuit having a small voltage is termed low tension, to distinguish it from a high tension, or high voltage.
When a current passes along a conductor, no visible effect is produced, unless the voltage should be too great for the carrying wire. In that case it will heat the conductor to redness and thus enable(141) the eye to see it. The heat is thus caused by resistance.
Air Resistance.—Air has resistance, the same as all other substances. It is, in fact an absolute non-conductor, so that with an ordinary current, such as is used for electric lighting, the separated ends of a conductor may be placed very close together and the current would not leap across.
Make and Break Spark.—On the other hand, even with the weakest current, if the two ends are brought into contact, and then separated, a spark will follow, due to the flow of the current which is interrupted at the breaking of the contact, and the effort of the current to keep on flowing through the wire.
This is called the low tension system, or the make and break method of ignition, where the act of breaking the circuit produces the spark and ignites the charge.
The high tension system, on the other hand, depends on producing a current of sufficient pressure to be able to make the current leap across the small gap which is formed between the ends of the conductor.
The Spark Plug.—The mechanical device with the separated conductor ends, where the spark is produced, is called the spark plug, and must be located(142) within the cylinder of the engine. The gap is between the separated ends of the conductor within the plug, is usually about one thirty-second of an inch.
How Produced.—The low tension may be produced either by a primary or a storage battery, or by a magneto designed for the purpose. This requires some consideration of the meaning and construction of a magneto.
The Magneto.—This device is simply a dynamo, structurally, but it differs in this respect: What is called the field, or the cores around which the wires of the field are wound, are made of permanent magnets. The ordinary dynamo has merely soft iron, which is demagnetized as soon as the current ceases to flow in the field windings.
(143)
The permanent magnet cores are made of hardened steel, the same as is done with horse shoe magnets, and others of that class, whereby they are enabled to retain the magnetic charge. A dynamo must have its fields energized.
Difference Between Dynamo and Magneto.—Fig. 87 will give an idea of the difference between the two. In the dynamo the pole pieces A of the field have the ends of their windings B connected to the brushes C, and the circuit wires D for the electric lights are connected with the brushes.
On the other hand, the magneto with its field 1 of a permanent magnet, the armature 2 is in a permanent magnetic field, so that the current can be taken directly from the brushes 3 by the wires 4, as in Fig. 88.
Advantages of Magneto.—Owing to the permanent magnetized character of the field, it operates more satisfactory for ignition purposes on an automobile than a regular type of dynamo. The dynamo should be driven at a regular speed, whereas the magneto can be driven at any speed, as it is not self regulating, like the magneto. However, dynamos are used for the purpose, but in that case they are provided with mechanical means for giving them a regular motion.
Different Kinds of Magnetos.—There are two general types of magnetos; first those which have(144) rotating armature; and second, those with stationary armatures and revolving inductors. The high tension type is provided with a self-contained coil, or it may have a high tension coil separate from the magneto.
The low tension magneto has an armature of fairly thick wire, one end of the wire being grounded to the armature core and the other connected with a terminal which is insulated from the magneto. From these two points the current is distributed.
In the high tension magneto two coils are necessary, one called the primary, and the other the secondary. The primary generates a low pressure current, and the secondary a high tension, and the spark is produced by the latter.
Igniters.—In the low tension system an igniter must be placed in the head of the engine cylinder which will mechanically make and break the circuit; but in the high tension device a spark plug is available, the points of which are stationary and in close contact with each other.
For the foregoing reasons, therefore, while the low tension is very simple so far as the wiring is concerned, the mechanical devices necessary to make and break, are somewhat difficult and complicated. The high tension wiring is much more(145) complex, but it has the advantage that no mechanism is necessary in the engine except the spark plug.
High Tension Coils.—Before proceeding to an explanation of the systems referred to, we shall explain the action and operation of the high tension coils. These coils depend for their action on what is called inductance. Suppose two wires lie side by side, but not touching each other, and a current of electricity is sent through one of these wires, which we will call the primary, the other, called the secondary, will take a current from the primary. If the wires are the same size, and of the same material, the current in the two wires will be of substantially the same potentiality. By this is meant that they will have the same amperage and voltage.
Inductance.—But assuming that the primary wire is larger than the secondary, then the current carried by inductance across the space between the two wires will be changed in the secondary so that it has a larger voltage, but a correspondingly lower amperage. This is what high tension means.
The convenient way to arrange these wires parallel with each other, is to wind the two different size wires on the same core, in which the(146) coarse wire, which forms the primary, is first wound around the core, and on this is wound the fine wire.
Constructing a Coil.—Such a coil is shown in section in Fig. 89, in which the core A is a hard rubber or fiber tube, with disk ends B of the same material. The primary wire C is large in cross section, and carefully insulated. The opposite ends are brought out through the disk heads, and run to the generator, that is, the battery or dynamo. The fine wire D, which constitutes the secondary winding, is also of insulated wire, wrapped over the primary, and its ends are connected up with the sparking mechanism, as will be more fully explained hereinafter.
A Simple High Tension Sparking System.—With such a coil, of proper size, and adapted to receive the required current, several things are necessary in order to produce a sparking effect.
(147)
Condenser.—One of these is a condenser, which, while a spark can be produced without it, is nevertheless an important element. The office of a condenser is to absorb a certain amount of current. It will be remembered that the drawing apart of the points in a conductor, produced a spark. Now in the secondary current, of the high tension system, is an interrupter, a mechanism that makes and breaks the circuit continuously.
Interrupter.—Whenever the interrupter opens the circuit, the condenser absorbs the surging current produced by the break, so that it acts like a storage battery in the system.
The interrupter may be made something like the mechanism of an electric bell, in which the current is interrupted as the clapper moves back and forth.
By referring to Fig. 90 a comprehensive idea may be obtained of a high tension system for igniting the compressed fuel in a gasoline engine.
Arrangement of a High Tension System.—The(148) dynamo A, or the battery, as the case may be, is connected up with the primary coil B, by means of the circuit wires C. The secondary coil D, which is, of course, wound around the primary B, in practice, has one of its terminals E extending to what we shall call the spark plug F.
The other terminal G, of the secondary coil, also extends to the spark plug F, there being, of course, a gap between the two ends of these wires in the spark plug.
Now, close up to the secondary, D, is a condenser H, the terminals of which are connected up with the two wires E G, and between the condenser and the spark plug F, is the interrupter I.
The High Tension Connections.—With this understanding of the action of the magneto, the accompanying sketch of a high tension system will be understood.
The magneto A, Fig. 91, has on its armature shaft B, two distributer rings C D, which form the terminals for the two wires E F, which run out from the armature winding. C is connected by metallic contact with this shaft, and D insulated therefrom. Also, alongside of the ring D, is the interrupter wheel G which engages the finger H, and thus interrupts the circuit.
Above the armature shaft, and parallel therewith, is a shaft I, turned at half the armature(149) shaft by means of the two gear wheels J K. On the end of this shaft is a finger J, revoluble therewith, and this engages successively with four contact plates K, each plate being connected with a spark plug in the engine, assuming, of course, that there are four cylinders in the engine.
The ring C has its contact finger connected by a wire L with one end of a primary coil M, while the other terminal has a wire N which goes to one(150) terminal of the interrupter G. The other outlet of the interrupter is connected up with the contact finger of the other collector ring D. This contact finger also has a wire connection P with one terminal of a condenser Q, the other end of the condenser being connected with the wire N, running from the primary coil M.
The Secondary Coil.—The secondary, or high tension coil R, has one end grounded, which means that it is connected up with the metal of the engine, and the other terminal is connected by a wire T, with the finger J on the distributer disk.
In operation, we will assume that the current leaves the armature over the wire E; it has two paths, one through ring D, wire O, and interrupter G, back to the other wire F of the armature; or, after passing the ring D it may pass over O, to the interrupter, then through wire N, primary coil M, and wire L, back to the armature.
Operation of System.—The revoluble disk of the interrupter G is so arranged that when the armature has the greatest current intensity it is opened by its turning movement, so that the current is compelled to take the last named course through the primary coil M, and at the same time a certain portion of the current is absorbed by the condenser Q.
This intense charge of the current in the primary(151) induces a high tension current in the secondary coil R, and the result is that the current from the secondary goes through the wire T to the finger J, and from the finger J to the contact plate K, and to the particular spark plug which happens to be connected up by one of the wires U with that plate.
The Spark Gap.—The current in leaping over the gap made by the spark plug, goes through the engine metal to the other end of the secondary coil R, at the place indicated by S.
It should be understood that the coils M R are in a separate box, and usually placed in a convenient position in the machine.
The diagram illustrating the foregoing, is designed merely to show in a simple manner, how the different mechanical and electrical parts are connected up together.
Function of the Interrupter.—The interrupter G, while placed in the primary circuit, necessarily controls not only the primary, but also the secondary circuit. It should not be confounded with the distributer to which the wire T runs from the secondary coil.
The office of the interrupter is to break the primary circuit of the magneto at a time when a spark is required, and the duty of the distributer is to have its finger J in such a position at that(152) particular time as to make the connection in the secondary circuit with the particular spark plug which requires a spark.
Vibratory Coils.—The secondary coil may be so constructed that it will give only a single spark at each impulse, or a plurality of them, and many argue that the latter is more efficient for that reason.
The diagram, Fig. 92 will show how this type of secondary is made and operated. The induction coil has a core A of soft iron, and at one end is an armature B, mounted on the end of a spring finger C, this finger being attached to a binding post D.
The spring C holds the armature B normally out of contact with the end of the core A, and in contact with the end of an adjusting screw E which screws through a post F. The primary coil has(153) one of its ends connected up with the binding post D, by a wire G; and the other terminal of the primary, has a wire H which goes to the battery I, and from the battery to the post F, through wire J.
A condenser K is placed intermediate the two wires G J, by the connections L M. The wire H has a switch N in its line, as shown, and the secondary coil O is wound around the primary in the usual manner.
Operation of Vibratory Coil.—The operation is as follows: When the switch N is closed the current from the battery goes through the primary coil, wire G, spring finger C, and wire J back to the battery which originated the energy. The result of this current is to magnetize the core A, and thus draw the armature B away from the adjusting screw E, thereby breaking the primary circuit, which demagnetizes the core, and the spring finger returns and again establishes a circuit.
This action of the vibrating armature is exactly similar to the electric bell, but there is one important addition, and that is the condenser K which is added to the familiar mechanism, and the uses of which should be explained in connection with this apparatus.
Surging Movement of Current.—Whenever(154) a primary current is broken, a surging effect takes place. When the break occurs the strength of the field or force in the armature winding rapidly decreases, and when the connection is again made this force rapidly increases. This objection of the current to constantly change its current strength, produces what is called self inductance.
Timing Device.—The current in the secondary, which makes the spark, at the time the break occurs, depends for its strength on the rapidity with which the strength of the primary goes down, so that a timing device is used on a plain or ordinary coil to effect this.
In the vibratory coil, however, the object is to make the break with exceeding rapidity so there will be a series of sparks, instead of only a single one at each break.
Contact Makers.—This device is designed to afford a means whereby a circuit is closed, and broken only at the time a spark is made. A type of this device is shown in Fig. 93.
(155)
It is simply a case A, usually attached to the gear box of an engine, which serves as the journal bearing for a shaft B, which enters at one side, and drives a cam C. Within the case is a spring finger D, attached to a binding post E, and the free end of the spring has an A-shaped contact point F which is designed to enter the V-shaped notch of the cam, as the latter turns.
To prevent the A-shaped projection from coming into contact with the cam when the V-shaped portion is opposite, an adjustable screw G is provided, which screws through a bushing of insulating material secured to the case.
The current is through the adjusting screw, spring finger D, and binding post E. By this construction the circuit is broken during the entire revolution of the cam, except when the notch in the cam appears at the A-shaped contact point.
The Contact Breaker.—Compare this with the contact breaker shown in Fig. 94. The case is(156) also provided to receive the end of a journal A, which rotates a cam. In this case the cam B has an A-shaped projection C. This projection comes into contact only momentarily with the anti-friction wheel D on one end of a lever E, which is pivoted midway between its ends to the case.
The free end of the lever is normally held out of contact with a terminal F, by means of a spring G. The terminal is insulated from the case. By this arrangement the circuit is closed at all times except during that short period when the point C is in contact with the wheel D.
Sparking Plugs.—Much of the difficulty of satisfactory running is due to the sparking plug which contains the small points, on which everything in the power system depends. The intense heat generated at that point by the secondary coil tends to destroy them, so that the points should be larger when used with a magneto, and they should be closer together than if used wholly with a battery.
Testing Plugs.—This is a simple matter, and in so-called engine troubles, this is generally the first thing considered. It should be unscrewed and laid on the cylinder so it is in metallic contact. The character of the spark exhibited, when the engine is cranked, will show whether or not the fault is due to the plug or to the electrical source.(157) If no spark is obtained then the electrical system must be examined. Commence at the battery. When the engine is on the sparking point and the primary switch closed, the terminals of the suspected wires may be touched by a test wire and if a current then flows it will indicate a break at that point.
Short Circuiting Faults.—A short circuit is one where the path of the current is from the lead to the return wire at some point between the battery, or source of electrical energy, and the coil or other mechanism which is to be operated by the electricity.
When this occurs the first thing is to examine the conductors and ascertain whether the insulation is intact. Sometimes the insulation becomes worn or frayed, and it is not infrequent for the ends of the wire, where attached to the binding post to spread out, where the conductor is made up of a lot of small wires, and some of them touch the metal alongside of the binding post.
Short Circuiting of Secondary Wires.—The secondary wires often cause short circuiting by lying too close to the metal of the engine or case. Great care should be observed to use the best insulated wire, and to see that they are free from dangerous contact.
Stranded cables are better for all wiring purposes,(158) as vibration will not affect the screws which hold them at the contacts. A solid wire will cause a constant jar, and affect all connections.
(159)
Self-starting devices are the latest permanent addition to a perfect car equipment. Two general types are being made, one purely mechanical in its character, and the other operated by the engine itself.
The mechanical devices usually have some connection with the forwardly-projecting end of the crank shaft, where the present cranking shaft is located, and some of the inventions in this respect have an arrangement whereby the driver is able manually to operate the starter from his seat.
The actual work of turning the shaft is now performed by compressed air which actuates mechanism that gives from one to two turns to the shaft, sufficient to ignite the fuel in several of the cylinders.
Simple Type of Starter.—The simplest type of starter is that which utilizes the cylinders themselves to give the initial turns. To illustrate the matter we have given some sketches of the engine cycle, in Fig. 95. The four positions of the piston(160) in a four-cylinder engine are so placed that the spark cannot ignite the charge in either cylinder.
Cylinders 1 and 2 are descending, and 3 and 4 are ascending. The charge in 4 is partially compressed, but it must reach the position indicated by the dotted lines A before it can be ignited.
The sparking mechanism was cut off before the cylinder 1 reached its highest point, at the previous stopping of the car, so that it still has an unexploded charge; and piston 3 is now discharging the gas from that cylinder.
As the engine is now at rest, the problem is to supply a charge to cylinder 1, or a pressure of(161) sufficient strength to turn the engine shaft so that the piston in 1 will be brought up to the explosion line A. It is accomplished in the following manner:
One or more of the engine cylinders is connected up by a small pipe with a storage tank, located at any convenient point, so that at each explosion a portion of the charge in the cylinders goes into the tank, where it is held by a check valve.
The Distributer.—This tank is connected with a distributer, which controls the pressure flow to the different cylinders. In Fig. 91 the distributer would send this pressure to cylinder No. 1. The opening of a valve readily accomplishes this, and if the charge in No. 4 should not explode, the next in order to get the compressed gas from the tank, would be cylinder 4, which would bring cylinder 3 into position for firing.
As soon as ignition takes place, the driver merely shuts off the valve, and no further attention is required to operate it.
Lighting.—Most cars depend for illumination on the use of compressed gas usually, some form of acetylene, which makes a brilliant light, and is not expensive.
The best cars, however, are also equipped with electricity, some depending on storage batteries,(162) and others on current generated on the car itself. There is nothing in either system that requires any special explanation, nor are they difficult to care for and operate.
Signaling.—It has been the custom for drivers, in approaching corners, or street intersections, to hold out the right hand as a sign that a turn is to be made to the right, or the left hand for a turn in the other direction.
Car Signals.—Numerous devices are now on the market designed to be located both in front and in rear of the vehicle, which are intended to indicate direction, as well as to impart other information.
These signals are under control of the driver, and have signs on them which indicate “stop,” “right,” “left,” or other words which conspicuously display the intention of the driver.
All machines have signaling horns of some character, operated, usually, by some mechanical arrangement connected with the gearing or by compressed air, and others are connected up with the engine exhaust. Chime whistles are so operated.
Speed Signals.—Other inventions are designed to indicate, by automatic mechanism, the speed of the car, in which color displays the relative speed. Thus, a car going at the normal speed, say 10(163) miles per hour, would show a white light; from 10 to 15 miles, blue; from 15 to 20 miles, green; and above that speed, red.
The foregoing colors and speeds are arbitrarily selected, merely to show the ideas involved. The device in question has nothing whatever to do with the regular speed registering mechanism of the car, but is designed to show pedestrians and police officials the actual running speed at a glance.
Mufflers.—There is really no excuse for noisy automobiles. Mufflers are now made which absolutely eliminate all noise from the exhaust. The great difficulty in the past has been to make them sufficiently large for the engine. If too small they do not take care of the exhaust properly, and they also serve to check the flow of the exhaust gases from the engine, and thus greatly decrease the power of the engine.
Exhaust.—All racing engines are made without exhausts, so there will be nothing to retard the flow of the exhaust.
The function of the muffler is to receive the exhaust gas and permit it to expand as nearly as possible down to atmospheric pressure before delivering it to the air. Fig. 96 shows the simplest form in which it can be made.
Construction of Muffler.—The inner pipe(164) A, from the engine exhaust, passes axially through a cylinder B, the pipe, however, being closed at its inner end where it is attached to the head C. Numerous small holes D are formed through this pipe for the escape of the burnt gases.
Within the cylinder B is a smaller cylinder E, surrounding the inner tube. This has one end attached to the head C, and its other end is open so as to provide a passage way F from the interior of the cylinder. The discharge ports are at G, through the head C.
Almost any design of muffler is serviceable, if it has sufficient area. However large it may be it is always advisable to have a valve in the pipe A from the engine manifold, so the muffler can be cut out going up steep hills.
Ball and Roller Bearings.—All running gears are provided with either ball, or roller bearings. For heavy vehicles roller bearings are most serviceable, but for light vehicles and for(165) speed most manufacturers prefer ball-bearings.
Race Ways.—The object in the use of balls, is to provide two, three, or four points of contact, which should be so arranged as to have the paths of the bearings of equal lengths, as nearly as possible, and thus prevent the balls from wearing by creeping along the contact walls, and also thereby wearing the paths on which they travel.
The Three-Point Contact.—To understand the full importance of this, examine Fig. 97, in which A is the roller, or shaft, and B the hub having the raceway C designed to hold the balls D, and gives two points of contact, the third point being the shaft A.
(166)
Compare the foregoing figure with the illustration given in Fig. 98, where the contact points A, B, C, represent the three bearing circles, which differ in their circumference, and it is obvious that a ball in traveling around must slip somewhere on one or more of the paths A, B, C.
Wrong Construction.—Another sample of wrong construction is shown in Fig. 99. In this diagram the three bearing points A, B, C, also represent circles of different diameters, which are sure to wear grooves in the three paths made by the balls.
(167)
The most ideal form of bearing is shown in Fig. 100, which represents the four-point contact, and this also provides against longitudinal thrust of the shaft or axle.
Roller Bearings.—This type of bearing is ideal because of the large surface which is available. The difficulty is to keep the rollers parallel, with the shaft. Furthermore, they should not roll in contact with each other. To obviate this the rollers are put into a cage.
Form of Roller Bearing.—Fig. 101 shows a side and a cross section of a set of rollers held within a cage formed of two end rings A A, each roller B having at its end a reduced bearing C, and intermediate the rollers are tie rods D, which keep the rings in proper relation to each other, and also prevent them from alining themselves diagonally along the shaft, or against the bearing within the boxing.
(168)
To provide means for utilizing roller bearings so they will take up end thrust, taper rollers are employed, as shown in Fig. 102.
The shaft, or axle, A, has two runways, B, C, which are conically-formed, and inclined toward each other. The rollers D are tapering, and have their small ends pointed towards each other so that the outer ends of the bearing surfaces E of the hub are at a considerable angle to the axis of the shaft.
These rollers are also mounted in cages which turn around the shaft. This structure, in a modified form, is largely used in automobile construction.
(169)
This couplet formed part of an old song long before the automobile was known. It serves as a text for some advice in running a machine. When a novice takes out a car for the first time he feels pretty safe in the block intermediate the crossings, and it is only when he comes to the intersecting streets that he begins to feel that something must be done with the signal or the levers, or both.
Running Close to the Curb.—If he runs near the curb he will find it necessary to go very close up to the corner before he is able to notice an approach of a vehicle from the right. If he nears the corner running near the middle of the road, it will not be necessary for him to keep such a sharp watch for the sudden appearance of a vehicle, which gives the novice such a fright.
The Middle of the Road.—For this reason,(170) therefore, the homely advice above, is very appropriate. When in the middle of the road, the looking to the right, or to the left is a matter which is unnecessary.
In every community certain local regulations are established, which should be learned, but there are well known rules, which have grown into well recognized laws everywhere, and if they are once understood, will apply wherever you happen to be.
Community Regulations.—The first of these is to keep to the right in passing a vehicle which is approaching you.
The second is, to pass to the left of a vehicle which is going in the same direction.
Third, in making a turn at the intersection of streets make a loop which will carry you beyond the farther side of the street, and do not try to turn within the limits of the crossing, or the corners of the street curbs.
Fourth, between street intersections, do not try to make a turn until you have examined the street behind you, and never attempt to make a long diagonal cut when the turn is being made.
Approaching Car Tracks.—In approaching car tracks do so on the principle that a train is coming, and act accordingly. Don’t take anything for granted. This applies when there are any(171) obstructions either way along the track for several hundred feet from the roadway on which you are traveling.
Coasting.—It is a mistake to coast down hill with the brakes set for controlling the car. Instead, cut out the ignition, select a gear best suited for the grade of the hill, and run the machine down under compression; that is to say, against the engine. If the grade is very steep select low gear, and in that way you have a very strong leverage.
This saves an immense amount of wear on the brakes, and if the grade is extraordinarily steep the brakes may be used to reënforce the compression.
Signs of the Road.—The American Motor League has adopted a series of caution signs(172) shown in Fig. 103, which are explained as follows:
1. Approach to a steep descent. 2. Approaching railroad crossing. 3. Branch road to the right. 4. Branch road to the left. 5. Cross roads. 6. Ditch or abrupt depression in the road. 7. Approach to a hummock. 8. City, village, or collection of inhabited dwellings.
These signs are placed from 100 to 300 yards from the points to which they refer.
Operating the Control.—All cars have practically the same arrangement of pedals for controlling the car with the feet. This refers, of course, to the clutch, brake, and throttle pedals. In cities, running through crowded streets, the foot throttle should be used, so as to keep both hands free; but in the open country, where change is not required so frequently, this control is usually by hand.
The Crucial Point.—The crucial point of every learner, is starting the machine. The first duty is to note that the transmission lever is at the neutral point, and that the emergency brake is set. The spark control lever is then set at the proper point, and the engine cranked, if it has no self starting mechanism.
Clutch Pedal and Spark Control.—Now, before touching the clutch pedal, adjust the spark(173) control lever until the engine has picked up its speed properly. Then depress the clutch pedal so as to disengage the clutch, and release the emergency brake. Leaving the clutch still disengaged move the transmission lever to low gear, and, with the right foot, press down the throttle pedal, if there is any slacking in the speed of the engine.
The clutch pedal may now be slowly allowed to raise by the foot until it gradually takes hold. It is at this point where the beginner must take the utmost care. Invariably, he will do this too quickly. After several trials he will learn to do it deliberately, so as to avoid the jerk caused by a sudden grip.
Neutral Position of Transmission Lever.—The moment the car stops, reach for the transmission lever, and put it into its neutral position. This should never be neglected.
After the car starts, and it is apparent that the engine is running strong, depress the clutch pedal with the left foot, and quickly change the transmission lever to the next speed, and the clutch is then again deliberately thrown in.
Throwing in Gears.—There is an art in throwing in the gears which experience will enable a driver to do without grinding. To change from intermediate to high, observe the same order,—that(174) is, release the clutch, then change the transmission lever, and again slowly bring the clutch into operation.
In Reversing.—For reversing, wait until the car stops. Then cut out, or release the clutch. The brakes must be released, the transmission lever moved to a reverse position, and the clutch then thrown in gradually.
Quick Stops.—Quick stops are sometimes necessary. This is done by pressing down the clutch and brake pedals, with the feet, and setting the emergency brake at the same time. For ordinary stops, close the throttle, so as to allow the engine to reduce the speed on its compression, then throw out the clutch with the left foot, and follow this up by pressing the brake pedal with the right foot, so as to gradually bring the car to a stop.
Then put the transmission lever to its neutral position.
Ease in Manipulating Progressive System.—Of the two types, the progressive system of transmission is the easiest to master, as the novice frequently finds it difficult to quickly grasp the position and movement of the lever. He has so many things to learn about at the start. The progressive type is easy to master as it needs to be moved in one direction only.
(175)
(176)
In either case, however, the aim should be to make the two gears engage each other at as nearly the same speed as possible. If the learner will remember that the object of temporarily throwing out the clutch, is to allow the clutch shaft to slow down, and then move the transmission lever afterwards, he will be able, after several trials, to catch them at a point where they will easily engage each other without any noise.
This applies to the selection type, also.
It has been stated that a locomotive engineer becomes so used to the feel of his engine that he can sense a wrong action of any part of the immense mechanism under his control. There is a vibratory instinct, if we may so term it, that affects the driver, which does not extend to the person seated at his side.
It is so particularly in the case of an automobile driver. The steering wheel is a sort of antennæ, which imparts a vibratory intelligence to him, that cannot be grasped or understood by others in the car.
At first the matter of driving is a feeling of intensity in doing certain things, and in trying to anticipate the conditions. This state of mind continues until driving becomes a reflex action. The throttle, or the pedals are instinctively moved; the throwing in of a gear is proceeded with in an easy, natural fashion, and the starting movement is brought about without a perceptible jerk.
(177)
(178)
Wiring for Lighting.—For the purpose of giving a comprehensive idea of the method used in wiring up the lighting apparatus of a car, a full page diagram is given, Fig. 104, which is regarded as the most approved form. This shows two main head lamps, a rear lamp, two side lamps, and a dash lamp.
The system is equally well adapted for battery or dynamo generation, and by the aid of the sketch all the circuits can be readily traced out on a machine, or an initial installation put in.
Wiring up for Ignition.—As an important part in the care of a car depends on knowing the correct leads of all wires in the ignition system, a plain diagram is presented, Fig. 105, which, if carefully studied, will serve as a guide for this type of ignition.
The engine shows two independent batteries as the source of electrical power for starting, and a motor-generator for running service. The motor generator transforms the direct current of the batteries into the alternating current necessary for ignition, which latter is raised to a high tension in the ordinary way, as heretofore explained.
(179)
The sizes of the two sets of wires are also indicated, and the switch shows how connection is made when the starter switch is thrown in.
(180)
There is greater misconception and real ignorance about gasoline than concerning any other subject or material connected with automobiles. The explosive nature of gasoline seems to act the same as gunpowder, whereas, in fact, it is entirely different.
Knowledge on this important subject is lacking, because not enough care and study has been bestowed on it to bring out the proper information. Most people know that in order to explode gasoline in an engine, air is required; but few of them stop to consider that air is also the important thing necessary to burn gasoline in the open air.
An Experiment With Gasoline.—Experiments have been made with gasoline which show better than anything else where the danger lies, and what should be avoided. A can, partly filled with gasoline, was permitted to stand for a few minutes, until some of the gasoline was allowed to(181) evaporate. The escaping vapor of course readily ignited and burned, but no explosion followed. It burned, but the blaze was at the top only. The gasoline in the can did not burn; only the vapor which was collecting and escaping at the top.
Gasoline was next put into a half pint cream bottle, so that it was half full. The opening of such a bottle is nearly as large diametrically as the bottle itself. After allowed to stand so as to permit evaporation to take place, a lighted match was thrust down into the gasoline. While the vapor at the top burned, the gasoline extinguished the match, the reason being that there was not enough oxygen within the bottle at the region of the surface of the gasoline to make an explosive mixture, and there was not an explosive mixture formed until the vapor had issued from the mouth of the bottle, and came into contact with the surrounding atmosphere.
Air Necessary for Explosion.—The fact is, the hydro-carbon in the gasoline needs air to support combustion, and it must have at least three parts of oxygen (which means fifteen parts of air), to one part of carbon, before it can be ignited. Air, for this purpose, cannot by any possibility, find its way down into the bottle, hence it will be seen that no danger need be anticipated from this source.
(182)
The inexperienced, however, will tell you, that he knows it will explode, because he has had some experience of that kind. Let us explain what happened in these explosions, and then the difference in the conditions will be understood.
Making an Explosive Mixture.—The same bottle used with the previous experiment was then taken, and the same amount of gasoline put into it. Air was then fanned into it, and a match applied. An explosion followed, because enough air has been admitted to make an inflammable gas.
If the mouth of the bottle is large enough to permit the products of combustion to pass out, no harm results; but if the opening of the bottle is too small, then the expanding gases will shatter the bottle.
Gunpowder.—Gunpowder acts differently, for the following reasons: Enough oxygen is compounded with the gunpowder to support combustion, and when a sufficient heat is applied it requires no outside air to cause combustion. The principal constituent of gunpowder is a fuel; so with gasoline. Every fuel requires oxygen before it will burn.
Filled Tank not Explosive.—If a tank is entirely filled with gasoline, it cannot explode. It may leak, and the escaping gasoline is thus brought into contact with sufficient air to aërate(183) it. When this burns it develops a heat; this in turn increases the temperature of the gasoline and increases the rate of evaporation, so that it now begins to issue forth in greater volume, thus adding to the intensity of the flame; and as the evaporation increases, it reaches a point where the tank openings are not large enough to permit it to escape fast enough, and an explosion follows.
Why Gasoline will not Burn Within a Closed Tank.—Now this explosion is attributed to the burning of the gasoline within the tank. Such is not the case, for the reasons stated. It will be found that the difficulty lies in allowing the tank to become filled with an explosive gas, and it is brought about in this way:
If all the gasoline is drawn from a tank, the sides of the tank will retain enough gasoline to form a heavy vapor of hydro-carbon gases. This gas is heavier than air, and, like water, will remain in the bottom. Sooner or later some of the gas will pass out, particularly the lighter portions, and air will intermingle with the gas, and it is then in a ripe condition for an explosion.
It is obvious, therefore, that the first duty is to see that there are no leaks, and when discovered, to repair immediately.
Filling Tanks Having Dried Out Gasoline.—The second, and more important care, is, to be(184) sure and not attempt to fill a tank which has been allowed to run dry, without first blowing out the vapor, if there is any danger from lights. If there is still oil in the tank when you refill, there is no danger from explosions, because the vapor within is too heavy, and requires too much air to explode.
To Extinguish Gasoline Fires.—When a fire actually takes place in a gasoline tank, do not use water in trying to extinguish it. Dry sand, or a woolen blanket will be far more serviceable. The latter should not be applied haphazard, as so many do in the excitement of the moment. Try and remember what it is that the blanket is used for. The object is to try and prevent air from reaching the flame, hence the effort should be to so arrange the blanket that air cannot reach the burning part.
Ammonia as an Extinguisher.—It is better, therefore, to place the blanket around the lower part of the tank, or below the flame itself, so as to prevent air from rushing up into the burning zone. The air coming in from above will soon be inadequate to aërate the flame, and it will be smothered.
A bottle of ammonia, and one should always be kept handy, is the best, in the absence of regular extinguishers, to kill the flame.
(185)
The lesson learned from the experiments show, that a large amount of air is necessary to make an explosive compound.
Leaks.—Leaks in tanks can be repaired temporarily, with tire cement, and patches, but as gasoline affects the rubber it should be properly soldered up at the first opportunity.
Water in gasoline is the most serious trouble. All fuel of this kind should be strained through chamois leather. This will effectually prevent water from getting in.
Lubricants.—A necessary element in gasoline engines, is a lubricant. This is as essential as the fuel itself. The object is to remove friction between the moving parts. Cylinders of engines are heated to high temperatures, and this makes wear between the parts not lubricated a most serious one.
While ordinary gasoline would be a good lubricant for some uses, it would be of no avail in the cylinders of an explosion engine, for two reasons: First, it has but little viscosity,—that is, it has no body which holds together so as to produce a film on the surface of the contacting metals.
Viscosity.—The film produced by gasoline, for instance, is very thin, but that of castor oil is very thick. The latter, therefore, has greater viscosity. Then again, gasoline, is readily(186) affected by temperature. If it ignites readily, and thus loses its character as a lubricant, it can be of no service.
It is necessary, therefore, that the lubricant should not be affected or changed in its character at a low heat.
Carbonization.—Some oils when subjected to heat, or when exposed to air, will become sticky or gummy. This is one of the most serious things possible in a gas engine cylinder, because a deposit is formed which causes carbonization through the continued application of heat, resulting in the scratching of the cylinder by breaking the packing rings.
Acid in Lubricants.—In the early production of lubricants, acid was one of the elements in oils not carefully guarded against; and even now, with all the skill of the manufacturer, a small percentage will be found in most products. The presence of this produces corrosion, or pitting of the working parts. This, and the presence of foreign matter, will condemn any oil for cylinder purposes.
Composition of Lubricants.—Lubricants are composed of either animal, vegetable, or mineral matter, and they may be liquids or solids, or a combination of both.
Of the latter, graphite is the best and most widely known. It is one form of carbon, and is(187) used in a finely-divided state, either dry, or mixed with a good lubricating oil.
Soapstone is also frequently employed and generally with a liquid lubricant.
Grease.—Grease, usually of animal origin, used in connection with graphite, makes by far the best lubricant for bearings, and for similar purposes, as it can be readily retained in the bearings.
Graphite.—On the other hand, graphite, if introduced in a cylinder with a good liquid lubricant, will, in time, fill up the pores of the metal, and thus produce a good surface, and it also protects the cylinders from carbonizing, and prevents the pistons from “Freezing” as it is called when it is caused to stick together by the heat.
The Test of Cylinder Lubricants.—For cylinders the lubricant should have a flash point of at least 375, and a fire test of 430 degrees, Fahrenheit. Flashpoint has reference to the temperature at which it will give off inflammable vapor. Fire test has reference to the temperature at which the oil will actually ignite and burn.
Any oil, in burning, will deposit more or less carbon, because being a fuel, it must have carbon. As mineral oils will stand higher temperatures before igniting, than animal or vegetable oils they are best suited for cylinders.
(188)
Lubricating Systems.—Various systems are employed in automobiles. The splash system has the advantage of simplicity since the cylinders, as well as the bearings, are provided with a modicum of oil at every revolution of the crank, the latter, or the connecting rods, being adapted to strike the pool of oil in the bottom of the chamber.
The cylinder walls do not get the greatest benefit from this method of distributing the lubricant, as the splash is at the point when the piston reaches the lowest turn, so the lubrication on the cylinder is effectual only so far as the piston is able to draw it up or entrain it in its upward movement.
Pressure Method.—Supplementing the splash, and frequently used as the sole mean is the plan adopted by many, and known as the pressure system, which not only lubricates the bearings and cylinders, but also the other mechanism in the car, is the use of pressure, which may be exerted by gravity, or by the use of hand pumps.
Some employ the exhaust of the engine to draw up the oil. This requires ducts leading to all the parts which are adapted to take a liquid lubricant.
The Precision System.—The most positive method is that which has a pump connected with the engine, which forces the oil to all the bearings at each turn of the engine, and for that reason is(189) called the precision system. It has the advantage that every bearing must get a certain portion of the lubricant, and as arrangement is made to catch and return the unused oil, it is also economical in use, although more expensive to apply.
Combined Force Feed and Splash System.—In Fig. 106 is illustrated one of the latest improved systems, in which there is utilized an internal force feed and a constant level splash system. In this equipment a reservoir under the crank case contains the supply of oil.
From the reservoir the lubricant is pumped(190) through a tube extending the entire length of the crank case, with lateral connections leading directly to each main bearing and to each cam shaft bearing. Any surplus to the bearings drips into small pans directly under the connecting rods.
An open end tube projects from the connecting rod, and leads to the connecting rod bearing. At each revolution of the crank shaft this tube dips into the pan and forces sufficient oil directly to the connecting rod bearing for lubrication.
There is a constant circulation of oil directly to and through every bearing in the motor, by means of a pump driven from the cam shaft. The oil pressure gauge on the dash, and the gauge on the crank case, will instantly tell what is going on. This is a very economical system.
(191)
Many people have an impression that as long as a car runs all right no care should be given to it. It is for this very reason we urge that a careful inspection should be made at regular intervals. The matter of going over the various parts, and examining the operative elements, should be made a habit. Become thoroughly acquainted with the mechanism.
Regular Inspection a Good Habit.—This is as much a duty, as to keep the parts well oiled, or to supply it with water at proper intervals. In the present high state of the art pertaining to the manufacture of automobiles, the different parts are so made as to stand a great deal of wear and hard usage, so that before they show any signs of giving away, they will be worn down to the danger point.
The Brake Shoe.—As an illustration, take the brake shoe. This may work satisfactorily and efficiently for a long time, and you flatter yourself(192) that you have a perfect car in this respect. The next day it gives out, and it is sure to be at the most critical moment. This is the history of all breakdowns.
If an examination had been made a day or a week before, it would have shown the worn condition, and permitted repair at that time when there was ample opportunity.
Familiarity with Working Parts.—So with every other part of the car. The fact that it is working well should encourage you to examine the different parts to find the loose or worn elements. It will teach you the weak spots. Familiarity with a car is an important element, and is the most efficient training practice, especially for one who wishes to acquire information and practical knowledge on this subject.
The Engine.—There is nothing so vital as the engine. Several hours given each month, or even an hour or two a week to overhauling it, will amply repay you. The proper way is to do this inspection and overhauling in a systematic way. One day one part can be examined, and the next day another part made the subject of investigation.
Connecting Rods.—A loose bolt in one of the connecting rods, while it may run along for a week or two, and cause no damage, is sure to cause trouble unless arrested. The moment the connection(193) of a wire begins to loosen, it will never stop until it has severed the connection entirely.
In taking apart an engine every part should be cleaned as it is removed, taking the utmost care of each pin, bolt, or nut. The walls of the cylinders should be examined, the piston rings tested and note whether they are worn.
Valves.—Then the valves need testing separately, and reground if there is the least indication of undue wear on one side more than on the other, or if there is the least carbon coating apparent.
The best preparation for grinding them is a very fine emery, mixed with a heavy lubricant, to which should be added a small amount of kerosene.
Cam-shaft.—When the cam-shaft is removed, note the marks, to see where they register with the marks on the cam shaft gears. Familiarize yourself with these details.
The Clearance.—Particularly examine the clearance between the valve stem and plunger rod. If the clearance is too great, the exhaust valve will open too late. A small clearance is necessary to allow for the expansion of the valve stem.
Clutches.—Some clutches are so arranged that they may be removed as a whole; in others the separate parts may be taken out. If the latter appears worn, replace it at once. Do not wait until(194) necessity compels you. Leather for this purpose should always be kept on hand, and the old leathers used as patterns for cutting the new.
The Clutch Leather.—When the leather wears down so the rivet heads are in contact with the metal surface, they should be taken out, and the leather countersunk, so that the new rivets will be deep enough to clear contact. This is something which, at the time you are examining the car, has not yet given any trouble, but the next day, if not attended to, the clutch may refuse to release itself quickly, and you are apt to wonder what the trouble may be.
Rivets in the Leather.—Keep the rivet heads free of metallic contact. This, and care in putting on the leather evenly will make a clutch that is sure to give you efficient service. If it does not grip quickly after the foot releases it, the spring is not at proper tension. On the other hand, the spring should not be too strong, and to push back the foot with too great force, because this will set the clutch, and give the car an unpleasant jerk.
Transmission System.—The transmission system should be examined at frequent intervals. The main thing is to note the ball bearings, and to remove old grease which has accumulated there. All ball bearings, however made, and applied, have more or less of a grinding effect. As a result,(195) small particles of iron are cut off from the contact surfaces, which is indicated by the fact that the grease is discolored, or blackened.
The grease which is allowed to remain in the case for a long time has these small particles in contact with the balls and runways, and is sure to wear more than new grease. Plumbago in the grease will be of great service in aiding to coat the balls with a good surface.
These remarks as to the removal of old grease is desirable wherever ball bearings are employed. The gears in the case should also be examined to ascertain whether the edges are chipped, or what the wearing action is.
The Differential.—This also requires care, but carelessness in lubrication is the only feature lacking in so many cars, and it is the most frequent shortcoming with the novice. The differential seems to be the one part of a car which, in his estimation, requires no attention.
If there is any play between the pinions and the studs, it should be promptly taken up. This can be done, usually, by inserting washers of proper thickness behind the gears, in cases where no provision has been made for adjustment.
Universal Joints.—The wearing points of the universal are in the pins. These are susceptible of a great deal of wearing down before the facts(196) will make themselves known in the operation of the machine, hence the necessity of examining this part when you are on an inspecting tour.
Steering Gear.—The steering gear should be taken apart, and every working portion cleaned. The ball-bearings may be worn, or the joint out of adjustment, to which the stiffness of the turning movement is likely due.
Worm and Worm Wheel.—When wear begins between the worm and worm wheel, there is a looseness apparent, so that the steering wheel must, sometimes make a considerable part of a turn before the effect will be apparent on the wheels. This should be taken up so the wheels will be in full mesh.
The rod from the sector lever to the pedal should be taken off and examined, to see whether or not it is bent, and properly adjusted as to length.
Batteries.—These need inspection and attention more frequently than any other part of the mechanism. It is often the case that a battery, particularly storage batteries, will show strong amperage, and suddenly give out entirely.
The Vibrator.—When such is the case it may be attributable to the contact point of the vibrator having too heavy an adjustment, and as a result, it will be less responsive, or be slow in its action.(197) This causes corrosion of the contact points. In action the vibrator should give a high-pitched buzzing sound, which produces a hotter spark, and also preserves the life of the battery.
The Electrolyte.—The electrolyte in the storage battery may need refilling. The old liquid should be removed, the case thoroughly washed out with distilled water, and refilled, using about three quarters of the old liquid, and the residue soft fresh water.
Replace buckled or injured grids with new ones. If a plate has a considerable portion of the minim, or lead, broken or removed, it is always well to take it out and put in a new one as the grid in such a case has a reduced surface.
Contact Points.—Examine all contact points, and clear the air vents and terminals, and particularly note how the wires are arranged within the case, so they will not be subjected to vibration and thus affect the terminals.
The utmost care should be exercised to line up the valves so they act at the proper time in the revolution of the crank shaft. Usually the inlet valve plunger has a lock-nut adjustment, so that it may be set at the proper point.
The points are indicated on the fly wheel and engine base, and when they coincide with, say cylinder No. 1, which is usually taken as the guide,(198) the contact must be made between the valve-stem and plunger. If you find that the contact takes place before the two points are opposite each other, the valves open too early.
The Magneto.—The only difference between the magneto and the battery system, as applied on cars, is in the method of obtaining the primary current. The magneto dispenses with the battery cells, the coil, the commutator, or contact breaker, which must be used with the battery, and the switching plug.
Instead of the foregoing elements however, the magneto requires a contact breaker, and a condenser. It is, therefore, much more simple to examine and keep in order, than a battery outfit. The magneto, owing to the fact that it always has within itself the means to generate a current, and does not deplete itself, is far preferable to a battery.
Owing to the high tension character of most magnetos, the spark is also much hotter, and for that reason the ignition is more positive.
Magneto Impulses.—As the magneto gives out impulses of certain intensity at each revolution, which impulses are designed to actuate the sparking mechanism at certain definite periods, it is obvious that the contact breaker must be properly set.
(199)
Timing the Magneto.—This is what is called timing the magneto, and it is one of the things necessary to observe, and to be able to adjust, if it is found that, for any reason, the disk, or the wheel of the contact breaker has turned on the shaft, as will sometimes be the case.
All mechanism of this kind should be “spotted,” that is, have punch marks on the disk and shaft so that it can always be put back to the proper operative position, or nearly so, and thus save the time and labor required for retiming.
In general, however, it may be said that the magneto is one of the mechanical elements, which needs less care and attention than any other part of the car, and it is safe to examine and go through every other part of the machinery before attempting to tamper with the magneto.
The Carbureter.—In the past carbureters have had a bad reputation, probably, deservedly so. The great difficulty with most of them has been in the floats, and the float connections with the inlets. This, and the fact that small particles, which somehow get into the oil, and block the flow at the needle point, and the presence of water, are the serious troubles.
One can be remedied only by a thorough overhauling, and the other by using special care in filling the tank with fuel. The float chamber(200) should be kept clean, as well as the ducts and valve controlling the flow.
Sometimes a small fiber will be lodged somewhere in the pipes, and this will catch small particles, and temporarily arrest them. The accumulated mass when dislodged blocks the valve, and the mystery seems inexplainable.
Wrong adjustment in a carbureter manifests itself in three ways: If the smoke is black, and the flame is red, the mixture is too rich; a yellow flame indicates a lean mixture; and a blue flame and clear exhaust shows that it is properly set.
If an explosion takes place in the muffler, it is an indication that gasoline, or the vapor, has been carried over; and white smoke discharging from it shows that there is too much lubricating material going into the cylinders.
Weather will affect mixtures, and more air is generally required on a hot day than during damp weather. This explains why a machine will run without trouble with a certain adjustment one day, and be very unsatisfactory the next. These things should be observed and mentally noted.
(201)
The construction of electrically-equipped cars is one which requires pages of explanations and illustrations to do it justice. The scope of the present work was originally intended to cover only gasoline-driven cars, so that this chapter, which in a measure only sets forth the manner in which such automobiles are built, will more particularly point out the mechanism which pertains to the operation, and the care needed to maintain them.
It is a long and difficult study to understand the electrical details necessary to build, repair, or maintain electric cars, but it is part of the general mechanic’s duty to understand where the troubles lie, when the mechanism fails to respond, and most of the electrical devices are now so made that the ordinary mechanic is able to make repairs, even though he may not have a technical knowledge of electricity.
Within the past five years this type of automobile has been improved to such an extent that it is steadily gaining ground, and their use growing(202) to such a degree that it may soon become a great rival of the gasoline car, especially for pleasure purposes.
There never has been any question as to the value of electric motors for traction service. Wherever a current of electricity can be distributed and transmitted to a motor, it is the most satisfactory method of moving vehicles, as has been shown in street railways.
Requirements.—But on individual cars, incapable of getting current from a system of wiring, the matter presents an entirely different aspect, and brings forth new problems, hence storage batteries must be resorted to, and this involves the consideration of many elements that may be ignored with the usual traction system.
Inventors have vied with each other to produce a type of battery that would possess at least three particular features of excellence, which may be stated as follows:
First. Exceeding lightness, proportioned to the energy exerted, and compactness of structure.
Second. A form of grid which will hold the matter, or active material, within it, and prevent it from disintegrating or falling out of the recesses into which it is pressed.
Third. To add to the life of the battery, or to the individual grids, or plates, which means the(203) discovery of new material, available to receive and accumulate the electric charge.
Gasoline-electric Trucks.—Of late some progress has been made in constructing a type of electrics in which a gasoline engine is used, that is connected up with an electric generator. The latter is used to charge a storage battery also mounted on the truck, and the storage battery supplies the motor.
The gasoline engine being connected with the electric generator is constantly in condition to charge the storage battery and may be set in motion, whenever the charge in the storage battery falls below a certain electro motive force. At other times the motor is at rest.
In this type the electric motor is connected with the axle of the vehicle, so that it is always ready for service whether the gasoline motor is running or not.
In the ordinary gasoline automobile it is essential that the motor must be maintained in service at all times, so that any derangement in that part of the system, which includes the mechanism intermediate the motor and axle, or the electrical devices, or the carbureter, means a dead car.
It is urged that by combining the two systems a much wider range of usefulness will be obtained, and practice shows such to be the case. It has,(204) however, some defects, one of which is the great weight necessary to maintain the entire train of mechanism thus described.
The other disadvantage is the great first cost, although it is maintained that the decreased cost of maintaining the cars, while in use, is sufficient to warrant an increased cost in the selling price of the machines.
It is undeniably true that such mechanism means additional care, and is liable to add to the complications necessary to operate the system, and it is obvious that these considerations will prevent the use of this type in all small vehicles, whereas it may be most serviceable and available in heavy trucks for transporting merchandise.
The Current Used.—Storage batteries are charged with and use a direct current. The difference between a direct and an alternating current is, that in the first the current flows continuously over a wire in one direction, whereas in the latter it changes its direction, going, for an instant, from the north pole to the south pole, and the next instant from the south pole to the north pole, and for this reason it is said to alternate.
Mechanically-produced electricity.—The alternating method is the natural form of flow in a current derived from mechanism, as, for instance, by means of a rotating armature.
(205)
The electricity, in this case, is produced by a metallic body moving through a magnetic field, and as it passes through it takes up a certain electric impulse in one direction when the body approaches the field, and instantly reverses and flows in the opposite direction as the body recedes from the magnet, or field.
To convert this alternating phase into what is called a direct current, certain dynamos are provided with a commutator, and the function of this commutator, which has two oppositely-disposed fingers contacting therewith, is to so divert the alternating impulses that they will go over the wire in one direction only.
Current from Batteries.—Currents derived from batteries do not have the alternating flow. Instead, the movement is in one direction only, and it is in connection with this method of producing electricity that the terms positive and negative are found convenient in describing the current, and the action of the mechanism operated by it.
Primary Battery.—The primary battery is one which generates an electric current. It comprises one or more pairs of plates, of which zinc and copper are examples, although other couples are found to be equally serviceable.
Two metals, or materials, such as carbon and(206) zinc, are selected, which are termed electrical opposites, or which are positive-negative to each other, and when such couples are immersed in an electrolyte a current will be set up between the two plates, if a wire is attached to each plate, and the outer ends of these wires brought together, a continuous current will flow through the wire.
The electrolyte is a solution of water, with a small amount of sulphuric acid. Numerous acid solutions are made, and salt, or saline solutions are also frequently employed.
Secondary, or Storage Batteries.—These are also called Accumulators, because they are so constructed that they will accumulate a certain charge. The term Secondary is used to indicate the idea that they receive their charge from an outside source, in distinction from a Primary, which generates its own current.
After the secondary is once charged it then begins to work on its own account, the same as a primary battery.
Reversal of Currents.—When a storage battery is being charged from an outside source of electricity, the current flows within the battery in one direction; but the moment the outside source is discontinued, and the battery itself is connected up with mechanism, it becomes a source of energy, but(207) the current output is in the opposite direction.
The foregoing suggestions and features of explanation are thought to be desirable, in view of the following statements which pertain to the operation of machines of this type.
Charging.—One of the most important things in the care and handling of machines of this character, is the charging of the batteries. The utmost caution must be exercised to prevent derangement of the batteries.
Thus, to connect the positive pole of the charging generator with the negative pole of the storage battery would reverse the current and quickly destroy the plates.
Time Required, and Current.—It requires time to charge a battery, usually from twenty to thirty hours. The usual charging rate is about fifty amperes for a cell with a capacity of forty ampere hours, and the voltage should be somewhat higher than the normal voltage output designed for the battery when it is in action.
Troubles in Use.—The most frequent trouble in the use of batteries comes from short circuiting. This arises from two causes. The grids of the batteries are made of lead, cast in the form of flat plates, having small interstices, or openings, which are filled with various preparations, principally peroxide of lead.
(208)
Other types use iron and nickel, and many are composed of lead and zinc, but in any case the object of the grid is to receive and hold the active material, and present as large a surface of the minum as possible to the action of the electrolyte.
When in use the lead particles begin to disintegrate, more or less, and fall out of the cavities of the grid, dropping to the bottom of the cell. In time the material thus deposited will form a path between the two adjoining plates, producing what is called a short-circuit, and if the accumulation is not removed, the plates will be seriously injured.
Overcharging.—Sometimes the plates are overcharged, and the result is they will buckle, so that they touch each other, and a short circuit results. These hints are usually sufficient to indicate where the trouble will be found if the current measuring instruments indicate an excessive flow of current. In such cases the first direction to which the examiner turns is the battery.
The Circuiting.—It has been found necessary, in providing for the operations of an electric vehicle, that the motor should have a means whereby the speed and power of its output can be regulated.
This may seem a very simple matter, at first glance, because, without stopping to examine the(209) problem, and all the elements involved, it would be easy to settle it by simply giving the motor more or less current. To do so would turn the motor faster or slower.
In the gasoline car provision is made whereby, through the change speed gears, the engine gets the benefit of the leverage, by reducing the speed of the axle, relative to the engine shaft, at first speed, and this enables the motor to pull the car up steep grades, or over difficult roads, which it would not be able to do if the relative rotations were the same as at high speed.
Economy in Use of Current.—The same thing is necessary in the operation of the electric motor. The current must be so arranged that at certain periods it will be more effective than at others, and this effectiveness is generally wanted at times when the axles turn very slow, just the same as with the gasoline car.
This economizes, and prevents the waste of current. It is accomplished by connecting up the cells in such a manner that they may give a large voltage and small amperage, or a low voltage and great amperage, and in doing so will not detract from the efficiency of the battery.
Series and Parallel.—The device resorted to, whereby this may be accomplished, is in the manner that the cells are connected up with each other.(210) In a general way, it may be said that the voltage has reference to the force, or pressure of the current, whereas amperage is the quantity which flows over the wire.
Each cell has a voltage of, approximately, one and a half volts, and it matters not how large the cell may be, the voltage is no more. The amperage, however, depends on the surface area of the plates comprising the active agents in the cell, so that each cell has, say one and a half volts, and ten, or twenty, or more amperes.
If a number of such cells are connected up in one way the output may be represented in high amperage, or in high voltage. If we have a certain number of cells, which, when combined, give ten volts and hundred amperes, the result would be 10 × 100, equal to 1000 Watts.
But they may also be so connected together that they will have an output of 100 amperes and 10 volts, the total of which is also 1000 Watts. Such a current would be put through the motor under ordinary running conditions, as a high driving power is not necessary.
But suppose it is desired to have a high or strong driving power; then the force of all the volts is required, so that one hundred volts are used, and only ten amperes.
The Connections.—This is brought about by(211) connecting up the cells in series, or, in multiple or in parallel. The series connection is where the cells are placed in a row, for instance, and are connected together so that the carbon plate of one cell is joined by a wire with the zinc plate of the other cell; or the positive plate of one is connected with the negative plate of the other, and so on.
In that case all the current generated in all the cells join and flow along in one stream, from one end of the battery to the other. But now, all the positive plates may be connected together with one wire, and all the negative plates may be connected together with another wire, so that these two wires will thus be parallel with each other, and the lead wires which go to the motor are attached to these two parallel wires, and would represent the parallel type of connection.
But it is the most common practice to divide the cell into two sets, each of which is called a unit. Each unit, having a certain number of cells, can also have them connected up in series, or in parallel, and the different parallel units may be connected up together, so as to form a connection which is in multiple or in series multiple.
Suppose there are eight units, each of ten volts, the motor would receive eighty volts. But now, if the cells are in parallel, or in multiple, as the(212) case may be, then the pressure at the motor is equal to that of a single unit, but the current flow is eight times that of the foregoing example.
The object, therefore, is to change the battery pressure on the one hand, and to produce the most effective action on the other hand, at the motor, and to do so make both battery and motor more efficient.
The Controller.—The device which performs this operation, at the will of the operator, is called the Controller, which changes the wiring connection from series to multiple, or the reverse.
The Controller is, in all probability, the most complicated piece of mechanism in the entire electric car. It must make an entire series of changes for each of the different speeds, of which there are frequently six.
The fields of the motor are also connected in series, or both series and multiple, so as to give a still greater efficiency. By this means the terminal points of the Controller may be turned, (1), so they will connect the batteries in multiple and the field windings in series; or, (2), the batteries in multiple and the fields in series multiple; or, (3), the batteries in series and the fields in series; or, (4), the batteries in series and the fields in multiple.
The figures in parentheses indicate the first,(213) second, third and fourth speeds, respectively, and in such an arrangement two battery units are used, and also two motors.
The same rule as to efficiency applies with one motor, and two or more battery units. The battery unit may be of any desired number of cells, as stated.
The General Equipment.—Cars for pleasure purposes are of different types, such as runabouts, roadsters, victorias, coupés, broughams, and the like, provided with batteries which will permit runs of at least 100 miles on each charge.
Speeds.—The Controller will permit of speeds ranging from five to thirty miles an hour. The number of cells vary with different makes, from twenty to forty, and the number of plates in each cell average about fifteen.
It will thus be seen that the operating limit is wide enough to permit considerable latitude; but recharging stations are now found everywhere, particularly in the cities, and in the large towns.
Accessories.—A fully-equipped electric, designed for the greatest luxury and comfort, has two head lamps, two side, and a tail lamp, and one in the interior, a lighting switch to control all the lights, a ventilator, voltammeter, shaft odometer, for showing speed and distance traveled,(214) complete outfit of tools, novelty toilet set and case, cut glass flower vase, eight day clock and mirrors suitably arranged within the body.
Seating Arrangement.—The broughams and coupés are especially arranged for comfortably seating the occupants.
In some the drive is at the rear seats, and the steering mechanism may be by means of a wheel, as in gasoline cars, or through a lever.
Most Bodies are now made with aluminum panels, and sashless quarter windows, with drop doors, front and rear windows, and rain vision front windows.
The Transmission.—This varies in the different types, and in the makes. Chains, bevel, or worms gears, are employed, and in some cars two of these types are used, some of these devices being the products of the highest engineering skill.
The rear axles of the smaller vehicles are generally of the semi-floating type, usually made of vanadium steel, while the housing is drawn from sheet steel.
For heavier vehicles of the brougham style, the rear axles are full-floating and furnished with extra large annular ball-bearings in the hubs.
(215)
(Trade Mark, Reg. U. S. Pat. Of.)
By CLARENCE YOUNG
12mo. Illustrated. Price per volume, 60 cents, postpaid.
The Motor Boys
or Chums Through Thick and Thin
The Motor Boys Overland
or A Lone Trip for Fun and Fortune
The Motor Boys in Mexico.
or The Secret of The Buried City
The Motor Boys Across the Plains
or The Hermit of Lost Lake
The Motor Boys Afloat
or The Stirring Cruise of the Dartaway
The Motor Boys on the Atlantic
or The Mystery of the Lighthouse
The Motor Boys in Strange Waters
or Lost in a Floating Forest
The Motor Boys on the Pacific
or The Young Derelict Hunters
The Motor Boys in the Clouds
or A Trip for Fame and Fortune
The Motor Boys Over the Rockies
or A Mystery of the Air
The Motor Boys Over the Ocean
or A Marvellous Rescue in Mid-Air
The Motor Boys on the Wing
or Seeking the Airship Treasure
The Motor Boys After a Fortune
or The Hut on Snake Island
The Motor Boys on the Border
or Sixty Nuggets of Gold
The Motor Boys Under the Sea
or From Airship to Submarine
The Motor Boys on Road and River (new)
or Racing to Save a Life
CUPPLES & LEON CO., Publishers, NEW YORK
Up-to-date Baseball Stories
By LESTER CHADWICK
Author of “The College Sports Series”
12mo. Illustrated. Price per volume, 60 cents, postpaid.
Ever since the success of Mr. Chadwick’s “College Sports Series” we have been urged to get him to write a series dealing exclusively with baseball, a subject in which he is unexcelled by any living American author or coach.
Baseball Joe of the Silver Stars
or The Rivals of Riverside
In this volume, the first of the series, Joe is introduced as an everyday country boy who loves to play baseball and is particularly anxious to make his mark as a pitcher. He finds it almost impossible to get on the local nine, but, after a struggle, he succeeds. A splendid picture of the great national game in the smaller towns of our country.
Baseball Joe on the School Nine
or Pitching for the Blue Banner
Joe’s great ambition was to go to boarding school and play on the school team. He got to boarding school but found it harder making the team there than it was getting on the nine at home. He fought his way along, and at last saw his chance and took it, and made good.
Baseball Joe at Yale
or Pitching for the College Championship
From a preparatory school Baseball Joe goes to Yale University. He makes the freshman nine and in his second year becomes a varsity pitcher and pitches in several big games.
Baseball Joe in the Central League
or Making Good as a Professional Pitcher
In this volume the scene of action is shifted from Yale College to a baseball league of our central states. Baseball Joe’s work in the box for Old Eli had been noted by one of the managers and Joe gets an offer he cannot resist. Joe accepts the offer and makes good.
Baseball Joe in the Big League
or A Young Pitcher’s Hardest Struggle
From the Central League Joe is drafted into the St. Louis Nationals. At first he has little to do in the pitcher’s box, but gradually he wins favor. A corking baseball story that fans, both young and old, will enjoy.
CUPPLES & LEON CO., Publishers, NEW YORK
by CLARENCE YOUNG
Author of “The Motor Boys Series”, “Jack Ranger Series”, etc. etc.
Fine cloth binding. Illustrated. Price per volume, 60c postpaid.
The announcement of a new series of stories by Mr. Clarence Young is always hailed with delight by boys and girls throughout the country, and we predict an even greater success for these new books, than that now enjoyed by the “Motor Boys Series.”
The Racer Boys
or The Mystery of the Wreck
This, the first volume of the series, tells who the Racer Boys were and how they chanced to be out on the ocean in a great storm. Adventures follow in rapid succession in a manner that only Mr. Young can describe.
The Racer Boys At Boarding School
or Striving for the Championship
When the Racer Boys arrived at the school everything was at a standstill, and the students lacked ambition and leadership. The Racers took hold with a will, got their father to aid the head of the school financially, and then reorganized the football team.
The Racer Boys To The Rescue
or Stirring Days in a Winter Camp
Here is a story filled with the spirit of good times in winter—skating, ice-boating and hunting.
The Racer Boys on The Prairies
or The Treasure of Golden Peak
From their boarding school the Racer Boys accept an invitation to visit a ranch in the West.
The Racer Boys on Guard
or The Rebellion of Riverview Hall
Once more the boys are back at boarding school, where they have many frolics, and enter more than one athletic contest.
The Racer Boys Forging Ahead
or The Rivals of the School League
Once more the Racer Boys go back to Riverview Hall, to meet their many chums as well as several enemies. Athletics play an important part in this volume, and the rivalry is keen from start to finish. The Racer Boys show what they can do under the most trying circumstances.
CUPPLES & LEON CO., Publishers, NEW YORK
By MARGARET PENROSE
Author of “The Motor Girls Series”
12mo. Illustrated. Price per volume, 60 cents, postpaid.
Dorothy Dale: A Girl of To-Day
Dorothy is the daughter of an old Civil War veteran who is running a weekly newspaper in a small Eastern town. When her father falls sick, the girl shows what she can do to support the family.
Dorothy Dale at Glenwood School
More prosperous times have come to the Dale family, and Major Dale resolves to send Dorothy to a boarding school.
Dorothy Dale’s Great Secret
A splendid story of one girl’s devotion to another. How Dorothy kept the secret makes an absorbing story.
Dorothy Dale and Her Chums
A story of school life, and of strange adventures among the gypsies.
Dorothy Dale’s Queer Holidays
Relates the details of a mystery that surrounded Tanglewood Park.
Dorothy Dale’s Camping Days
Many things happen, from the time Dorothy and her chums are met coming down the hillside on a treacherous load of hay.
Dorothy Dale’s School Rivals
Dorothy and her chum, Tavia, return to Glenwood School. A new student becomes Dorothy’s rival and troubles at home add to her difficulties.
Dorothy Dale in the City
Dorothy is invited to New York City by her aunt. This tale presents a clever picture of life in New York as it appears to one who has never before visited the Metropolis.
Dorothy Dale’s Promise
Strange indeed was the promise and given under strange circumstances. Only a girl as strong of purpose as was Dorothy Dale would have undertaken the task she set for herself.
Dorothy Dale in the West
Dorothy’s father and her aunt inherited a valuable tract of land in the West. The aunt, Dorothy and Tavia, made a long journey to visit the place, where they had many adventures.
CUPPLES & LEON CO., Publishers, NEW YORK
By MARGARET PENROSE
Author of the highly successful “Dorothy Dale Series”
12mo. Illustrated. Price per volume, 60 cents, postpaid.
The Motor Girls
or A Mystery of the Road
When Cora Kimball got her touring car she did not imagine so many adventures were in store for her. A tale all wide awake girls will appreciate.
The Motor Girls on a Tour
or Keeping a Strange Promise
A great many things happen in this volume. A precious heirloom is missing, and how it was traced up is told with absorbing interest.
The Motor Girls at Lookout Beach
or In Quest of the Runaways
There was a great excitement when the Motor Girls decided to go to Lookout Beach for the summer.
The Motor Girls Through New England
or Held by the Gypsies
A strong story and one which will make this series more popular than ever. The girls go on a motoring trip through New England.
The Motor Girls on Cedar Lake
or The Hermit of Fern Island
How Cora and her chums went camping on the lake shore and how they took trips in their motor boat, are told in a way all girls will enjoy.
The Motor Girls on the Coast
or The Waif from the Sea
The scene is shifted to the sea coast where the girls pay a visit. They have their motor boat with them and go out for many good times.
The Motor Girls on Crystal Bay
or The Secret of the Red Oar
More jolly times, on the water and at a cute little bungalow on the shore of the bay. A tale that will interest all girls.
The Motor Girls on Waters Blue
or The Strange Cruise of the Tartar
Before the girls started on a long cruise down to the West Indies, they fell in with a foreign girl and she informed them that her father was being held a political prisoner on one of the islands. A story that is full of fun as well as mystery.
CUPPLES & LEON CO., Publishers, NEW YORK
By ALICE B. EMERSON
12mo. Illustrated. Price per volume, 40 cents, postpaid.
Ruth Fielding of The Red Mill
or Jaspar Parloe’s Secret
Telling how Ruth, an orphan girl, came to live with her miserly uncle, and how the girl’s sunny disposition melted the old miller’s heart.
Ruth Fielding at Briarwood Hall
or Solving the Campus Mystery
Ruth was sent by her uncle to boarding school. She made many friends, also one enemy, who made much trouble for her.
Ruth Fielding at Snow Camp
or Lost in the Backwoods
A thrilling tale of adventures in the backwoods in winter, is told in a manner to interest every girl.
Ruth Fielding at Lighthouse Point
or Nita, the Girl Castaway
From boarding school the scene is shifted to the Atlantic Coast, where Ruth goes for a summer vacation with some chums.
Ruth Fielding at Silver Ranch
or Schoolgirls Among the Cowboys
A story with a western flavor. How the girls came to the rescue of Bashful Ike, the cowboy, is told in a way that is most absorbing.
Ruth Fielding on Cliff Island
or The Old Hunter’s Treasure Box
Ruth and her friends go to Cliff Island, and there have many good times during the winter season.
Ruth Fielding at Sunrise Farm
or What Became of the Raby Orphans
Jolly good times at a farmhouse in the country, where Ruth rescues two orphan children who ran away.
Ruth Fielding and the Gypsies
or The Missing Pearl Necklace
This volume tells of stirring adventures at a Gypsy encampment, of a missing heirloom, and how Ruth has it restored to its owner.
CUPPLES & LEON CO., Publishers, NEW YORK
By ROY ROCKWOOD
Author of the “Speedwell Boys Series” and the “Great Marvel Series.”
12mo. Illustrated. Price per volume, 40 cents, postpaid.
Never was there a more clever young aviator than Dave Dashaway. All up-to-date lads will surely wish to read about him.
Dave Dashaway the Young Aviator
or In the Clouds for Fame and Fortune
This initial volume tells how the hero ran away from his miserly guardian, fell in with a successful airman, and became a young aviator of note.
Dave Dashaway and His Hydroplane
or Daring Adventures Over the Great Lakes
Showing how Dave continued his career as a birdman and had many adventures over the Great Lakes, and how he foiled the plans of some Canadian smugglers.
Dave Dashaway and His Giant Airship
or A Marvellous Trip Across the Atlantic
How the giant airship was constructed and how the daring young aviator and his friends made the hazardous journey through the clouds from the new world to the old, is told in a way to hold the reader spellbound.
Dave Dashaway Around the World
or A Young Yankee Aviator Among Many Nations
An absorbing tale of a great air flight around the world, of adventures in Alaska, Siberia and elsewhere. A true to life picture of what may be accomplished in the near future.
Dave Dashaway: Air Champion
or Wizard Work in the Clouds
Dave makes several daring trips, and then enters a contest for a big prize. An aviation tale thrilling in the extreme.
CUPPLES & LEON CO., Publishers, NEW YORK
By ROY ROCKWOOD
Author of “The Dave Dashaway Series,” “Great Marvel Series,” etc.
12mo. Illustrated. Price per volume, 40 cents, postpaid.
All boys who love to be on the go will welcome the Speedwell boys. They are clean cut and loyal lads.
The Speedwell Boys on Motor Cycles
or The Mystery of a Great Conflagration
The lads were poor, but they did a rich man a great service and he presented them with their motor cycles. What a great fire led to is exceedingly well told.
The Speedwell Boys and Their Racing Auto
or A Run for the Golden Cup
A tale of automobiling and of intense rivalry on the road. There was an endurance run and the boys entered the contest. On the run they rounded up some men who were wanted by the law.
The Speedwell Boys and Their Power Launch
or To the Rescue of the Castaways
Here is an unusual story. There was a wreck, and the lads, in their power launch, set out to the rescue. A vivid picture of a great storm adds to the interest of the tale.
The Speedwell Boys in a Submarine
or The Lost Treasure of Rocky Cove
An old sailor knows of a treasure lost under water because of a cliff falling into the sea. The boys get a chance to go out in a submarine and they make a hunt for the treasure.
The Speedwell Boys and Their Ice Racer
or The Perils of a Great Blizzard
The boys had an idea for a new sort of iceboat, to be run by combined wind and motor power. How they built the craft, and what fine times they had on board of it, is well related.
CUPPLES & LEON CO., Publishers, NEW YORK
Italicized text is surrounded by underscores: _italics_.
Bold text is surrounded by asterisks: *bold*.
Small capitals are changed to all capitals.
Illustrations have been moved so they do not break up the paragraphs.
Obvious typographical errors and punctuation errors have been corrected after careful comparison with other occurrences within the text and consultation of external sources. Punctuation and capitalisation for figures and glossary has been made consistent silently. Otherwise, except for those changes noted below, all misspellings in the text, and inconsistent or archaic usage, have been retained.
The following corrections have been applied to the text (before/after):
| Page | Source | Correction |
|---|---|---|
| CONTENTS | ... Race-ways. ... | ... Race ways. ... |
| 6 | ... he used Heros steam ... | ... he used Hero’s steam ... |
| 43 | ... is shown in Fig. 25, in ... | ... is shown in Fig. 26, in ... |
| 53 | ... disagreeable characteristics of a differential ... | ... disagreeable characteristic of a differential ... |
| 201 | ... when the mechainsm fails ... | ... when the mechanism fails ... |
| 201 | ... knowledge of electricty. | ... knowledge of electricity. |
| 203 | ... some proggress has been ... | ... some progress has been ... |
| 204 | ... flows continously over a wire ... | ... flows continuously over a wire ... |
| 206 | ... a continous current ... | ... a continuous current ... |
| 214 | ... made of vadium steel, ... | ... made of vanadium steel, ... |