*** START OF THE PROJECT GUTENBERG EBOOK 73090 ***

Transcriber’s Note:

New original cover art included with this eBook is granted to the public domain.

NON-TECHNICAL CHATS ON IRON AND STEEL
AND THEIR APPLICATION TO MODERN INDUSTRY

BY
La VERNE W. SPRING, A.B.
CHIEF CHEMIST AND METALLURGIST, CRANE CO., CHICAGO
WITH TWO HUNDRED AND NINETY-FOUR ILLUSTRATIONS AND DIAGRAMS
[Logo]
NEW YORK
FREDERICK A. STOKES COMPANY
PUBLISHERS
Copyright, 1917, by
Frederick A. Stokes Company
All rights reserved, including that of translation
into foreign languages
TO
MY FELLOW WORKERS
IN THE VAST IRON AND STEEL INDUSTRY
THIS BOOK IS
AFFECTIONATELY DEDICATED
vii

FOREWORD

It has long been a desire of the author to put into non-technical form the interesting data here given. During several years spent in the service of one of the great steel companies of this country, first in the laboratories and afterward in the rolling mills, he acquired a love for the industry that is now of fairly long standing. Spending as much of his spare time then and since in visiting various parts of that mammoth plant and as many others as he was able, he has always felt that this extremely interesting subject could not fail to prove fascinating even to those who had previously known little of the manufacture of steel and steel products. Later work with gray and malleable cast irons and with cast steel enlarged the outlook and further urged his sharing these interesting things with others not so fortunately situated.

Such an inspiration, if it may so be called, is the reason for the appearance of these articles. Practically as here reprinted, the first thirteen of them were published during 1915 and 1916 in serial form in the “Valve World,” the house organ of Crane Company of Chicago, with which the writer for some time has been connected. The enthusiasm with which they were received has been very gratifying, while the scores of letters bearing favorable comment testify to the correctness of the judgment that the metallurgy of our most useful metal, iron, is of very general interest.

It may be remarked by some that certain of the statements made in the book are not strictly accurate in that few details have been stated or exceptions made. This is viiitrue, but it seemed necessary if main facts were to be made to stand forth with the boldness required to accomplish the purpose which the author had in mind. The chapters are in no way intended to be an encyclopedia of the subject. The idea throughout has been to present only the main points and to show the derivation of the products from the raw materials and their relationships to each other. In other words the book is intended only as a sort of outline. References are given which will aid in the selection of works to be consulted by any who are sufficiently interested to go farther.

Without the encouragement and coöperation of Crane Company and the kind assistance of friends, some within and some without the iron and steel industry, this little book would not have been possible. Special mention must be made of the aid given by Messrs. I. M. Bregowsky, J. A. Matthews, C. D. Carpenter, and others whose reading of and suggestions concerning parts of the manuscript were of much help. Thanks are due also to many individuals and firms for their very hearty coöperation in furnishing information and the photographs which appear in the pages of the book.

L. W. S.
ix

Illustrations are from the following sources:

A. M. Byers Co., Pittsburg.—National Tube Co., Pittsburg.—U. S. Steel Corporation, New York.—Tennessee Coal, Iron & Railroad Co., Birmingham, Ala.—Shenango Furnace Co., Pittsburg.—Pickands, Mather & Co., Pittsburg.—United States Geological Survey.—Wellman-Seaver-Morgan Co., Cleveland, O.—Lackawanna Steel Co., Buffalo.—Cleveland-Cliffs Iron Co., Ishpeming, Mich.—J. H. Hillman & Sons Co., Pittsburg.—Harbison-Walker Refractories Co., Pittsburg.—By-Products Coke Corporation, Chicago.—H. Koppers Co., Pittsburg.—Federal Furnace Co., Chicago.—Crucible Steel Company of America, Pittsburg.—Crane Co., Chicago.—Interstate Iron & Steel Co., Chicago.—LaBelle Iron Works, Steubenville, O.—Morgan Construction Company, Worcester, Mass.—J. A. Matthews. Syracuse, N. Y.—McLain’s System, Milwaukee, Wis.—Allis-Chalmers Co., Milwaukee, Wis.—J. H. Williams & Co., New York.—Griffin Wheel Co., Chicago.—U. S. Molding Machine Co., Cleveland.—Bradley Manufacturing Co., Bradley, Ill. (Sears, Roebuck & Co., Chicago).—Snyder Electric Furnace Co., Chicago.—Commonwealth Steel Co., St. Louis.—John A. Crowley & Co., Detroit.—Illinois Steel Co., Chicago.—Pickands, Brown & Co., Chicago.—“Sketches of Creation,” by Alexander Winchell. Harper & Bros., New York.—“Descriptive Metallurgy of Iron,” by S. Groves.—“Materials of Engineering,” by R. H. Thurston. John Wiley & Sons, New York.—“Chambers’ Encyclopedia.” J. B. Lippincott, Philadelphia.—“Cast Iron in the Light of Recent Research,” by W. H. Hatfield. Charles Griffin & Co., Ltd., London.—“Handbook of Chemical Technology,” Wagner-Crookes. D. Appleton & Co., New York.—“The Ore Deposits of the United States and Canada,” by J. F. Kemp. McGraw-Hill Book Co., New York.—“The Valve World.” Crane Co., Chicago.—“The Romance of Steel,” by H. Casson. A. S. Barnes & Co., New York.—“The Metallurgy of Steel,” by Harbord & Hall. Chas. Griffin & Co., Ltd., London.—“Metallurgy of Steel,” by H. M. Howe. McGraw-Hill Book Co., New York.—Tomlinson’s “Encyclopedia of Useful Arts” (1854). G. Virtue & Co., New York.—“Liquid Steel,” by E. G. Carnegie. Longmans, Green & Co., New York.—“Iron and Steel in All Ages,” by James Swank. American Iron & Steel Association, Philadelphia.—“The A.B.C. of Iron and Steel.” Penton Publishing Co., Cleveland, O.—“The Iron Age.” David Williams, New York.—“The Iron Trade Review.” Penton Publishing Co., Cleveland, O.—“High Speed Steel,” by O. Becker. McGraw-Hill Book Co., New York.

xi

CONTENTS

CHAPTER   PAGE
I The Early History of Iron 1
II The Raw Materials 17
III Raw Materials (Continued) 37
IV The Blast Furnace 52
V A General Glimpse Ahead 69
VI Wrought Iron 91
VII Cementation and Crucible Steels 106
VIII Bessemer Steel 123
IX The Open-Hearth Process 142
X Cast Iron 160
XI Cast Iron (Continued) 178
XII Malleable Cast Iron 195
XIII Cast Steel 214
XIV The Alloy Steels 233
XV The High-Speed Steels 240
XVI The Mechanical Treatment of Steel 245
XVII The Rolling Process 259
XVIII The Rolling of Rods 277
XIX Wire and Wire Drawing 284
XX The Manufacture of Pipe and Tubes 292
XXI The Manufacture of Seamless Steel Tubes 302
XXII Transformations and Structures of the Steels 310
XXIII The Equilibrium Diagram of the Iron-Carbon Alloys 335
  References 350
  Index 355
NON-TECHNICAL CHATS ON IRON AND STEEL
1

CHAPTER I
THE EARLY HISTORY OF IRON

Prehistoric Man

When in imagination we see the iron maker of early days sitting cross-legged on his platform between two crude bellows formed from goat skins with slits for air intakes and nozzles of bamboo, working them alternately to deliver their pitifully small streams of air into the hole in the side of a bank of clay which served as a furnace, we wonder at his patience; and after long hours of such effort his reward was only a few pounds of iron!

Contrast with this, if you please, the modern blast furnace with its towering height of 100 feet, its four huge heating stoves, the big blowing engines which each minute deliver to the furnace 50,000 cubic feet of blast, and the whole array of dust arresters, gas washers, and automatic ore and coke handling machinery which are essentials of this king of modern metallurgical devices. How insignificant seems the 2output of the ancient furnace when compared with the daily yield of 500 tons from this giant of to-day!

How has this come about?

The First Razor

Looking back over the centuries we see a period many thousands of years ago when primitive man lived in caves or other rude habitations and was entirely without the implements which we now consider indispensable. The weapons with which he defended his wife and babes from the wild beasts and from his warlike neighbors were clubs, wooden spears with perhaps a bone or shell tip, and hatchets of chipped stone tied with thongs of hide into a split stick. He managed by ingenious snares and his crude weapons to provide game and fish for the support of his family.

He did not shave often, for his wife was not as particular in regard to his appearance as are modern women, but when such a thing happened, a piece of shell was his razor. The good wife had no steel needles with which to sew together skins for their crude clothing. If she darned her husband’s socks it is not recorded, nor did she use steel crochet hooks in making the “doilies” for their parlor table.

When grain began to supplement the wild game, fruit, and berry diet, it was broken between flat stones or ground in stone mortars. Fires were kindled after long and laborious twirling or rubbing together of two dry pieces of wood. With his stone hatchets and by liberal burning away of parts by fire he formed his canoes from trunks of fallen trees.

This was the “Stone Age,” and iron and steel were unknown and not to be heard of for many thousands of years.

In various parts of the world copper always has occurred “native”; i.e., in the metallic form and not in combination with other elements as an earth or ore. As the 3centuries rolled on, man eventually learned that this soft red metal could be pounded into thin-edged implements and that it made more useful tools than those of stone, which his ancestors had taught him to form. Some of these metal implements were hard and had fairly good cutting edges, made so by accidental or intentional presence of tin, and little did he dream that the twentieth century upon finding his buried bronze implements would think his crude alloy so wonderful and talk reverently of a “lost art of tempering copper.”

Implements of the Stone Age

Gold, too, became known to him because it also occurs “native.” Its melting point was low enough that he could fashion it into ornaments, idols, and other articles for religious purposes. But during the hundreds of centuries of the “Stone Age” and during much of this—the “Bronze Age”—copper, bronze, and gold were the only metals used. Though the smiths became very dextrous in casting and modeling these metals, they yet knew not iron or steel.

Implements of the Bronze Age

Round about them during these many centuries, as multi-colored earths or rocks, were the ores of various metals. They little dreamed that when rightly treated certain of the heavy red, yellow, or black earths which lay right at their doors could give up that most useful metal, iron. No one even had knowledge of such a substance, for, unlike copper and gold, iron never occurs “free,” having too great a 4tendency to chemically combine with other elements, for example, oxygen of the air, with which, in moist climates, it so readily forms “iron rust.” Besides, its melting point is high and so much heat and carbon are needed for its “reduction” from the ore that, during the thousands of years that had gone before, it had never been produced.

Primitive Furnace for Smelting Iron

But one day by accident and under fortunate coincidence of rich ore, high heat, and plenty of carbon in the form of charcoal from the wood, a lump of metallic iron was formed underneath a pile of logs which had got afire and burned fiercely because of a high wind. When pounded between two stones this new heavy metal, too, was malleable and could be formed into a spearhead superior to anything yet known. Every one was interested and an observant one soon “doped out” that certain earths could be made to yield this new metal, iron.

The art of extracting it spread slowly, each artisan learning from his neighbor, and, as rich ores were plentiful in many districts, iron became more and more generally produced. Not only in one country was this so but evidence shows that in many others—in Egypt, Chaldea, Borneo, India, China, etc.,—roughly similar processes and crude furnaces came to be used.

Tubal-Cain, supposedly about 4000 years B.C., is mentioned in the Bible as an “artificer in iron and brass,” and a wedge of wrought iron was buried in the great pyramid of Cheops probably as early as 3500 B.C. This wedge was 5recently found and is now the property of the British Museum. The Chinese made use of iron many centuries before the Christian era, but the Assyrians are supposed to have been the first to use the metal on a really extensive scale.

The Pillar at Delhi, India

The much discussed pillar at Delhi, India, which is still standing in a remarkable state of preservation, is twenty-two feet high. It is made up of several wrought iron sections cleverly welded together. As the natives regard it with religious awe, metallurgists have been unable to make thorough investigation and chemical analysis. While the date of its erection is somewhat in doubt, it is supposed to have been about the 4th or 5th century A.D.

But from our modern viewpoint those early iron furnaces were queer things. The first were little more than piles of ore and wood or charcoal on the tops of hills where a brisk wind would make a hot fire. Later, with the invention of the crudest of bellows, the smelting was done in small holes in the side of banks of clay, charcoal made from the forest trees being used as fuel. Indeed, some of these types of furnaces still exist and are so operated to-day in neglected districts in Western India and elsewhere, producing their little five to 100 pound balls of iron after several hours of tedious work.

When the Romans invaded Britain (now England), they 6found the Britons making iron in crude furnaces called bloomaries; and not a great deal of improvement, except in size, was made up to Queen Elizabeth’s time, when strict laws had to be enacted to prevent destruction of the forests which were being denuded for production of charcoal, coke, which we know so well, not yet having been produced for fuel.

Milady’s Needle

The Catalan Forge

But the real forerunner of our modern blast furnace was the Catalan forge, developed in and named from Catalonia, north Spain, where it originated. The Catalan, however, and all of such crude early furnaces, including those thus far described, produced a variable kind of what we now know as “wrought iron,” and our modern “cast” iron did not appear until about 1350 when, with larger furnaces, an excess of charcoal, with greater heat and other favorable conditions, the Germans found that the pasty, difficultly melting metal could be made to absorb carbon enough to make it easily fusible. This was the secret.

To state the matter in a simple way, iron ore, which is essentially a natural “iron rust,” is the metal, iron, held in the strong chemical grip of the gas, oxygen, which normally forms one-fifth of the air we breathe. As you note, the combination forms a substance 7entirely unlike either the iron or the oxygen, but both of these can be regenerated from it (the ore) by chemical methods. Under influence of high heat (this is one of the chemical methods, by the way), this stranglehold can be broken by carbon, of which lampblack, graphite, charcoal, and coke, are our most familiar examples. The result, in the small, crude, and inefficient furnaces of long ago was a disappointingly small ball of crude iron, pasty and scarcely meltable, even at highest heats, but soft and malleable when cold. As mentioned, it was a variety of what is now commonly called “wrought iron.”

A Catalan Forge With Italian Trompe, or Water Blower

The ancients got this far.

But this was not “cast iron.” When, however, much more charcoal was present in the highly heated furnace than was necessary simply to combine with the oxygen of the ore, the liberated iron greedily absorbed enough of the extra carbon to change its own nature. The metal then became very fluid, whereas before it had been pasty and stiff even at much higher temperatures, or, indeed, at white heat. This liquid iron could be “cast,” that is, poured into molds and in that way made into various useful shapes. It therefore became known as “cast iron” because of this property.

So the brittle metal (cast iron) in our kitchen ranges, for instance, is only the early malleable form of the metal 8surcharged with or having a large amount of carbon (3½ per cent to 5 per cent) in its make-up, and it is this supercarbon content which confers the fluid quality while hot and the extreme brittleness when cold. True, there are other important constituents in our modern cast iron, but for our present purpose they need not be dealt with.

It has been stated that the ancients got only as far as balls of wrought iron. They really got further as their very fine sword steels show—the “Wootz” of India, the “Damascus” of Syria, and later the “Toledo” of Spain. These they produced by heating rich ore in very small, closed crucibles with just enough carbon (pieces of wood or green leaves) to make what we now call “carbon tool steel.” As carbon steel is simply iron which has absorbed not over 2 per cent of carbon (cast iron described above has a supersaturation with its 3½ per cent to 5 per cent of carbon and therefore is entirely different) they were able to make it in small quantities. When hardened by cooling quickly in water, a forged-out blade of this product would cleave without dulling its edge a piece of iron, it is said, or cut cleanly a tuft of silk floss tossed into the air. These steels attained well deserved renown.

While no one can desire to cast the slightest disparagement on the product of that period, much of which was excellent, astonishingly so considering the period, a moment’s consideration will convince one that modern products not only do not suffer in comparison but in reality are immensely superior. The ancients had little or no knowledge of the reason for the proper qualities of their tools and they made the metal from variable materials in a crude way in such small quantities that little uniformity was possible. While some of the product was undoubtedly excellent, much must have been less desirable.

Modern discoveries and inventions, with the great mechanical 9progress of the last three centuries and the scarcely half-century-old application of chemical control, have given during recent years products of great uniformity and marvelous quality. What can compare with thirty thousand pound lots of steel turned out from one Bessemer converter each seventeen minutes during the 24 hours in the day, that is, a total of 1300 tons or 2,600,000 pounds, in which not only the main controlling element, carbon, but also four lesser ones, silicon, manganese, sulphur, and phosphorus, are held within extremely narrow limits; or the modern blast furnace which produces a million pounds each 24 hours, run with the same certainty of control? Modern high-speed steels which are every day being made have such high quality that tools formed from them will stand up for hours working red-hot under a lathe speed of two or three hundred linear feet per minute taking a deep cut and “plowing out” chips faster than a laborer can carry them away.

The German Stuckofen

Modern war armament which has recently been so well advertised is sufficient answer as to whether modern metallurgy is in advance of that of centuries ago.

The only necessity for such comparisons is that it seems to be a failing of many to think that our forefathers were more wise and better in other ways than we. It was but 10a few years ago that the fallacious announcement was made that during archeological excavations in Egypt there had been found a fully equipped telephone system. The inference intended to be conveyed, of course, was that Bell’s invention of the telephone had been antedated many hundreds of years.

A German Blast Furnace of Fifty Years Ago

The forerunner of the modern steels was crucible steel, first made by Huntsman about the middle of the eighteenth century. Previous to his time steel had been made by the “cementation” process by which method hammered-out bars of wrought iron were given a hard steel crust by heating to a red heat in charcoal or bone dust. Huntsman’s product began to come so uniform and of such quality that his competitors were quite outdistanced. It is related that one of them took advantage of a very severe storm to gain admittance to the forest forge of Huntsman, who, he knew, could not refuse shelter at such a time. What he beheld was a very simple thing—the melting in a clay pot of pieces of cementation steel.

Even to-day the crucible process is holding its own where quality is the main consideration. It is the method by 11which practically all of the tool, automobile, and other special steels of to-day are manufactured and can hardly be given too high a rating. The newly devised electric furnace process is the only possible competitor in sight. Of course for quantity and for lower cost the Bessemer and the open-hearth processes are the only available ones, but crucible steel has been the mighty factor in the commercial development of the world—at least until the latter half of the last century when the two other processes last mentioned began to acquire honor of their own without, however, detracting much from the importance of crucible steel as the steel of “quality.”

The First Iron Casting Made in America

Though more interesting than any of the “six best sellers” much of the subsequent history of iron will have to be passed over at this time. We can now only mention those very great and revolutionary discoveries and inventions which led to and absolutely are the basis of the quantity and excellence of modern irons and steels; namely, the trial for a time of coke made from pit coal by Dud Dudley of England and its failure which was turned into a great success a century later (about 1713) by Abraham Darby; Watt’s invention of the steam engine in 1770 which made possible application of a strong continuous blast; invention of the process of “puddling” of iron and of the rolling mill by Cort about 1784; the introduction by Neilson about 1830 of the hot instead of the cold blast which increased blast furnace production fourfold; the regenerative system of furnace heating invented by Frederick and William Siemens; and the invention of the Bessemer and Siemens-Martin or open-hearth processes which provided methods for steel making on such an immense scale that this invaluable 12material was made available for general purposes.

It should be repeated that the inventions just mentioned have been of the utmost importance to the iron industry, and through them only has it acquired its consequence of to-day. Without them we would not have the wonderful steel bridges, the skyscrapers, the gigantic steel ships, the all-steel railway trains, etc., and the hundreds of iron products that are to-day so plentiful and so constantly about us that we disregard their presence. It is difficult thus to pass them by, but as most of them will be referred to in later chapters we must do so.

Early iron making in America is of interest to us and must be briefly stated.

The colonists were aware of some of the iron ore deposits about them and sent samples to England where these yielded very fine iron. In 1619 a company known as the “London Colony” was sent out from England to engage in the manufacture of iron at Falling Creek, near Jamestown, Virginia, but three years later all were massacred by Indians. It was many years before attempt was again made to manufacture iron in Virginia.

About 1637 the General Court of Massachusetts granted to Abraham Shaw one-half of the benefit of “any coles or yron stone wch shall bee found in any comon ground wch is in the countryes disposing.” Apparently little resulted from this high-sounding grant.

Real iron making in America began six years later with John Winthrop, Jr., and his “Company of Undertakers for the Iron Works” which for many years operated in several localities in the New England States. Heaps of cinders left from their furnaces may still be seen and testify to their very extensive operation. One of Winthrop’s men was Joseph Jenks, who became known as the “Tubal-Cain” 13of New England. What is claimed to have been the first casting made on the Western Continent was made by him. It is a small pot, which was acquired and is said to be still owned by the family of Thomas Hudson, a descendant of Hendryk Hudson.

Sand molding as used at present was introduced by an ingenious Englishman, Jeremy Floris, and is vastly superior to the previously used system of molding in clay. Hollowware began to be extensively produced about this time.

As the country developed, iron works sprung up here and there and various kinds of articles came to be regularly manufactured. Of the early plants we can only mention the Stirling Iron Works, at Warwick, New York, which made the great 186–ton chain with links weighing 140 pounds each, which spanned the Hudson River near West Point, and where in 1816 was cast the first cannon made in America; the foundry of Sharp & Curtenius, in New York, where was cast the first steam cylinder; and the Trenton Rolling Mills, which first rolled iron as fireproof structural material.

Before the Revolutionary War the colonies exported considerable bar and pig iron to Europe, and as early as 1791 England began to foresee that this country would eventually be a serious rival.

Pittsburg’s great advantage as an iron and steel center has been due to its proximity to an extensive seam of bituminous coal and ore in adjacent counties, and to its location so near the Great Lakes, which provided cheap water transportation for the Lake Superior ores. The first iron works there was that of Turnbull & Company, which was established in 1790.

Though Reameur, a Frenchman, is the accredited discoverer of the process of malleableizing cast iron, Seth Boyden, in a little shop in Newark, New Jersey, made malleable iron castings a commercial success.

14

Two Modern Blast Furnaces, Showing Skip-Hoists, Cast Houses, Stoves, and Ore Pile

15The utilization of the great beds of high grade coking coal of eastern Pennsylvania, well known as the Connellsville district, and the discovery and development of the Lake Superior ore deposits have made the United States the leading producer of iron and steel of the world. The development of the Birmingham, Alabama, district, also has been a chapter of great importance but lack of space forbids description at this time.

We can have only a very slight appreciation of the debt which civilization owes to iron, for practically everything we see or with which we daily come in contact contains or has resulted from application of iron in some way or other. Our cooking utensils and implements (even the enameled and tinned ones), the kitchen range, the water and drain pipes, and the furnace and heating plants of our houses, are they not largely of iron? Our main building materials—the steel frames of skyscrapers and bridges, and are not even wood, brick, stone, and cement either shaped, molded, or of necessity made by aid of iron machinery? The conveyances by which we travel—wagons, automobiles, street cars, steam railways and steamships—how would they be possible without iron or steel? Consider the power plants of our factories, of gas and electric lighting plants, the pumping machinery and distribution systems of water works, mines, etc. Would the electric current which supplies so much of our power and light be known to-day or even be possible but for the magnetic properties of iron? And how many of the materials and articles which we wear, use, and have about us constantly would be in any way possible without the wealth of steel machinery and tools which are available and absolutely necessary for their production?

16The iron industry is often spoken of as the barometer of a people’s civilization. If all iron and iron products and their influence upon the world should be obliterated, it seems impossible that we could be even started on the road to civilization.

No matter how we try, probably none of us ever realizes the immensity and importance of the iron and steel industry with approximately 460 huge blast furnaces here, 5000 cast and malleable iron foundries, about 1000 Bessemer and open-hearth steel and some 3000 puddling furnaces, and the many thousands of factories which each day are turning the products of these into rails, plate, wire, pipe, and the infinitude of finished articles which enter into and are mighty factors of our civilization. Yet with these furnaces, forges and factories at our very doors, 99.9 per cent of us are entirely oblivious to their wonders and to their presence except to be annoyed by their noise and smoke. Even the blacksmiths and their service we scarcely note, though they are daily fashioning for us a material which is vastly more important and more wonderful than any of the “Seven Wonders of the World.”

17

CHAPTER II
THE RAW MATERIALS

A story has it that a minister once visited a friend who was a zoölogist. Upon realizing for the first time how highly organized a creature was the humble earth-worm with its three-layer skin covering, alimentary canal, nephridia or excretory system, reproductory organs, rude nervous system, and setæ for purposes of locomotion, he exclaimed: “Wonderful! I had always supposed that worms were only skin and squash.”

With millions of tons of heavy reddish-brown earth from northern Michigan and Minnesota going by our doors continuously during the shipping season, the position of most of us is very similar to that of the minister relative to the earth-worm. We know that something is going on but we are not aware of its importance or the immensity of it.

Iron Ore

Almost every one knows that there are extensive copper deposits along the Lake Superior shore of what is now northern Michigan. In the 17th century word of these was several times taken to Europe where in old publications was mentioned a huge ingot of copper from which the Indians chopped pieces with their hatchets. At that early date maps of the region were drawn which are wonderfully accurate, and, from time to time over a period of a century and a half, adventurers attempted to gain wealth in this favored region.

18

Map Showing Distribution of Iron Ores of America

19However, despite the definite knowledge of considerable mineral wealth there and rumored claims of much more, Michigan at the time of her admission to the Union in 1836 bitterly opposed having what is now the northern peninsula included within her territory in lieu of a ten mile wide strip of northern Indiana and Ohio, and it has been said that she nearly went to war to resist it. Even after the discovery of the iron ore deposits, no one realized the full importance of the minerals of this region.

Showing Typical Mesaba Ore Bed Which, after Earth Covering is Removed, Becomes an Open Pit Mine

During the many years of campaigning for Federal help in the building of a canal at Sault Sainte Marie, the fisheries, valued at $1,000,000 a year, were given as the leading reason why a canal should be built, and it was no less a personage than Henry Clay, who, in opposing appropriation for this purpose, referred to the project and the district as “beyond the remotest settlement, if not in the moon.”

Now, within eighty years of that time, the annual tonnage of shipping passing through the Sault Sainte Marie canal is as great as the combined tonnage from the ports of New York, London, Liverpool, Antwerp, and Hamburg, and, as against the $1,000,000 value of the fisheries, the value at the mines of the ore alone shipped from this region amounts to about $100,000,000 yearly.

20

Shenango Open Pit Mine, Chisholm, Minn.

Interior of a Hard or Lump Ore Mine

21As the copper deposits are mostly along the shore of the lake and the great iron ore beds occur seven or more miles inland, the latter were not discovered until Sept. 19, 1844, when William A. Burt, a Deputy United States Surveyor, noticed that the needle of a solar compass of which he was the inventor became unreliable. In looking about to discover the magnetic source which must be the cause of the variation, members of his party discovered ore just beneath the sod near what is now Negaunee, Michigan. Inventor-like, Burt’s only concern was to devise some preventive for future interference by stray magnetic currents. He simply noted in his book that there was here a deposit of iron ore and neither he nor any of his party profited or apparently attempted to profit from the discovery.

Showing Ore Body and Shaft Method of Mining

The Indians seem to have had no previous knowledge of these ore deposits.

The first shipments of ore naturally were samples taken from what afterward came to be known as the Jackson mine and trials of them in blacksmiths’ forges were made at Jackson, Michigan (from which town went the first seriously-minded pioneer, Philo M. Everett), and at Cucush Prairie. They were soon afterward tried in a blast furnace at Sharon, Pa.

The first plan was to build forges and manufacture iron near the mines. So there was established on Carp River a forge to which the ore was hauled in winter when the ground was frozen. It turned out, however, that while very good bar iron was manufactured here, it could not be 22delivered in Pittsburg at a cost less than $200 a ton. As the market rate for iron then was but $80 a ton the plan was not financially successful.

Lighting the Fuses in a Shaft Mine

Attention was turned to the shipping of ore to furnaces better located as regards coke supply and market. It was possible to make this a profitable undertaking only through cheap ore handling and transportation. So, to-day, the ore which is better adapted than the other raw materials for handling by labor-saving devices and transporting without deterioration, is taken to the coke and limestone, and to the market for the product. While the weight of coke used is but half that of the ore smelted, its greater bulk, loss by breakage when handled in quantities, and deterioration upon exposure preclude its manipulation in the way which would be necessary to get it to the ore.

23

View of Hull-Rust Mine, near Hibbing, Minn.

24The marvelous development of this territory into the greatest ore producer of the world, including the hauling of the first small shipment on mule back, the building of the plank and then the “strap” railroad with grades so steep that the small trucks often ran over and killed the mules, the building of the steam railroad, the successive building and enlarging of canal locks at Sault Sainte Marie connecting for use of ever larger and larger ore boats the waters of Lake Superior and Lake Michigan, and the growth of ore boat fleets to such size that during the shipping season scarcely ever is one boat out of sight of another over the entire 800 mile journey from Duluth to the furnaces along Lake Michigan and Lake Erie, is within the memory of men still living. Marquette was the shipping point during the earlier days and the history of this and adjacent regions during the latter half of last century vies in pioneering flavor with the tales of our early western frontiers, and with the more recent Yukon mining camps.

The Routes by Which Lake Superior Ores Go to the Furnaces

The first two mines, the Jackson and the Marquette, have come to be particularly well known historically. The development of these and other ranges in northern Michigan and Minnesota, particularly the Menominee, Gogebic, Vermillion, etc., and, since 1890, the Mesaba and Cuyuna, have brought about revolutions in ore digging, handling and transportation, which followed each other with extreme rapidity. The ore carrying boats, for instance, may almost be said to have jumped from a length of three hundred to six hundred feet, and the Sault Sainte Marie canal locks were several times almost immediately outgrown, though rebuilt again and again, each time so much larger than before that they were deemed impossible to be outgrown.

25

Loading Ore at an Open Pit Mine

26

Showing Other Typical Ore Bodies, Shaft Mined

Practically all of the ore beds, with the exception of the Mesaba, yield hard or lump ores and most of them are shaft mines in which mining has to be done underground and the ore blasted down. Blast furnaces had never used any but lump ores when along came discovery of the immense soft ore deposits lying just beneath the surface of the ground over a region one-hundred miles long in what is known as the Mesaba district of Minnesota. These soft ores were so accessible and so rich that they drew the attention of the iron makers of the whole country. But, alas! While perfectly good in every other respect, they were merely dry powder and not adapted to blast furnace methods. There were great discussion, excitement, and ridicule among or at those who invested in these soft ore mines. Eventually, of course, blast furnace men worked out feasible methods of converting soft or what are termed “Mesaba Range” ores into iron in the blast furnace. Those brave spirits, who in the face of ridicule dared to invest in and develop Mesaba properties, have long been reaping their financial reward which still shows no sign of diminishing, as “Mesaba Range” mines are “the” mines of to-day.

27

A Close View of the Hoover & Mason Unloaders

28While it may be done, it has not been found desirable to make up the entire “burden” or furnace charge of soft ores alone as long as lump or hard ores are obtainable to mix with them, but often more than half is soft ore.

Starting an Open Pit Mine. The Earth Covering is Being Removed

While ores from the shaft mines, called “Old Range” ores, are won by going down into the earth sometimes as far as 3,000 feet, drilling holes in the rock, blasting down the ore, and loading it into buggies which are hoisted to the surface, “Mesaba Range” ores are made available by simply “stripping” off the thin earth covering, then caving or loading with steam shovels the soft ore into railway cars. Some of the illustrations presented show the ore trains and shovels, and the manner in which the open pits are worked in terraces.

One naturally wonders how it is possible to mine and carry these ores to the shipping ports of Duluth, Superior, Two Harbors, Marquette, Ashland, Escanaba, etc., put them aboard ore carrying boats, transport them by steam power to Milwaukee, Chicago, Gary, Detroit, Cleveland, Pittsburg, Buffalo, and the many other iron centers and convert them into iron and steel at a profit. This, of course, is only possible because of the inventive genius of man. For every operation ingenious machinery has been constructed which has brought the cost of such operations to its lowest terms.

29

Unloading Cars of Coal or Ore is a Simple Matter with the Modern Car Dumper

30

Ore Cars are Unloaded by Gravity at Docks. The Chutes Then Convey the Ore from the Ore Pockets into the Boat’s Hold

By modern methods the cars carrying the ore from the mines are run up trestle-work into positions above the ore bins high over the docks. The mammoth ore carrying boats are merely steel shells with quarters for crew and machinery at bow and stern, and hatches built with exact twelve foot centers between. They are tied alongside the dock, long steel chutes, also spaced twelve feet apart, are lowered along most of the length of the boat and the ore slides into the vessel’s hold evenly all along as it has to do, else the buoyancy of lighter parts of the boat might break the frail shell. The entire load of 10,000 tons of ore is ordinarily taken aboard in less than one hour. Pulling out immediately the vessel traverses Lake Superior, the Sault Sainte Marie canal, Lake Michigan or Lakes Huron and Erie as the case may be, and ties up at the dock at destination. Years ago it would have been unloaded by men with buckets or wheel-barrows, requiring some days at best. Now, however, the hatches are uncovered and several ore unloaders with huge clam shell buckets taking as high as fifteen tons of ore at a “bite” descend like vultures upon it. Within four or five hours the boat is again empty 31with no manual labor having been done upon the ore from the mine to the furnace pile with the exception of a little heaping up of the ore in the corners of the boat’s hold, which the ore unloaders could not reach.

Hoover & Mason Unloaders at the Illinois Steel Co., South Chicago, Ill.

A young man named Alexander E. Brown could not bear, in the old days, to see the ore so awkwardly unloaded, and in 1880 started the procession of ore unloading devices. There are now several successful ore unloaders of which the Brown hoist, the Hoover & Mason, and the Hulett are probably the best known. With the Hulett unloader the operator has to be an aviator, as his position is directly above the grab bucket. He descends into the hold with the bucket, comes up with it and is with it in its entire journey from the boat’s hold to the dump and back again. It must be dizzy business.

The Hulett Unloader. Note the Operator’s Head in White Spot Just Above the Grab

Time is too precious to hold the boat at the dock long enough that each bucketful, large as it is, can go directly to its final bin. It is dropped just back of the unloading 32machine from which it is again picked up by other buckets which carry it back toward the furnaces and deposit it in cement ore troughs awaiting further journey to the ore house, from which it goes to the furnaces. The empty ore boat immediately coals with whole car loads of the fuel dumped into chutes leading to her bunkers by the car dumper and proceeds on her way back to the mines for another cargo of ore. The round trip, including loading and unloading, requires but seven days.

A Good View of the Hatch System of Modern Ore Boats and Four Hulett Unloaders at Work

As in many other lines of commercial endeavor of to-day, speed and large tonnage have been the aim and it would seem that in ore handling and conveying devices the limit has about been reached. The big steam shovels, gravity docks, ore tanks or boats, and unloading and coaling devices, with the low cost of water transportation have made our modern iron and steel preëminence possible. To show the importance to us of this water transportation, we might mention that the rate for carrying ore from Lake Superior ore ports to the Lake Erie furnaces has been as low as $.0007 per ton per mile while the transportation cost by way of a well operated railway at that particular time was more than $.005 per ton per mile—more than seven times as much.

33

The Rehandling Bridge with Stock Ore Pile and Blast Furnace at Rear

Though for some years past more than three-quarters of all of the iron ore used in the United States has come from seven or eight mines in the northern peninsula of Michigan and the adjacent part of Minnesota, it must not be understood that the Lake Superior mines are the only ore deposits in this country. Figures show that such an inference is far from the truth. It is true, however, that they have made the United States what it is, the leading iron producer of the world. There are still immense quantities to be mined on the Lake Superior ranges. Their heavy production of cheaply handled high grade ore has, of course, held back development of other districts, which also have great natural resources. The Birmingham, Ala., region for instance, is a great ore and iron producer, right now producing the third largest tonnage of any district in 34the country. Some time in the not far off future, Alabama with her great deposits of iron ore, coal, and other natural resources is going to announce herself in no small voice. New York, Pennsylvania, Tennessee, and Virginia rank next after Minnesota, Michigan, and Alabama as ore producers, and several other states of the Union are not paupers in resources of iron ore.

Hulett Grab Buckets in the Hold of an Ore Boat

We should not get so enthusiastic over our ore supply and iron production as to think that other countries are devoid of such material. Almost every civilized country has ore enough that it does pretty well. With many the trouble is that the ore has objectionable constituents or that supply of cheap fuel is not available. Germany has large deposits of iron ore, but until the invention of the basic Bessemer process about 1870 she was handicapped because of the high phosphorus content of her ore. The basic processes, both Bessemer and open-hearth, allow of the removal of this phosphorus during the conversion into steel, and they therefore brought Germany to the front as an iron producer.

The excellence of Sweden’s iron and steel has long been known the world over. Sweden produces approximately one per cent of the world’s total production of iron and steel, but her ore has been of such high grade that iron made 35from it has maintained its position as a standard for use in the manufacture of highest grade crucible steels. The very finest steels for cutlery and tools, and even the softer grades of steel of northwestern Europe, have been made from Swedish iron as a base.

Iron ore, of course, is classified by geologists and chemists into varieties with such names as hematite, magnetite, siderite, etc., which here little concern us.

To be worked at a profit, the iron content of the ore must be high with the smallest possible amounts of undesirable impurities, particularly phosphorus, sulphur, and silica. There are, however, certain impurities which are not undesirable, for instance, lime, which will act as a flux and neutralize the effect of some of the undesirable impurities. For these reasons the prices for iron ore are based on the iron content and modified by the relative amounts of undesirable and desirable impurities. Phosphorus is almost a domineering factor and at present approximately fifty cents a ton more is paid for Bessemer ore (that containing less than .050 per cent phosphorus) than for non-Bessemer ore. As might be expected the best ores have been the first used and the grade is constantly falling. Instead of the 66 per cent iron ores of some years ago those coming nowadays contain not much more than 59 per cent of iron and the Bessemer ores described above are getting scarcer, so that for some years practically all of the furnaces have been mixing with them as much higher phosphorus ore as could be used without pushing the phosphorus content of the mixture over the allowable limit.

We often hear people surmising what is to become of us when all of the iron ore of this planet has been used. There is no harm in taking stock of resources and in this case it does us much good. It happens that each time the count is taken of iron ore available and that which under future and 36better methods of working can be utilized, we find ourselves immensely better off than the previous report had made out and we have less cause to worry about the future. The last inventory was taken by the extremely ambitious International Geological Congress held at Stockholm, Sweden, in 1910. It shows that the world yet has enough rich ore to make 10,192,000,000 tons of iron, and, a further supply of ore for 53,136,000,000 tons of iron, which could be used if necessary.

So we will get along for a while yet.

37

CHAPTER III
THE OTHER RAW MATERIALS

Old Charcoal Kilns, near Negaunee, Mich.

Since the beginnings of iron manufacture, charcoal has been a favorite fuel. Though during the past two centuries coke has grown to be the standard, with anthracite and some few bituminous coals finding use in certain favored localities, charcoal may be considered the fuel which developed the iron industry, at least until recent years.

Charcoal

As most of us know, charcoal is completely charred wood, usually hard wood, though sometimes resinous or other soft woods are used. Of well-dried timber more than 50 per cent by weight is moisture. This and certain other constituents are driven off by heat in the absence of air, which process is usually called “destructive distillation.”

By primitive methods a considerable part of the wood was completely burned and wasted during the production of charcoal. Stacked in piles or long rows the cut wood was well covered with earth, except for a small opening at the top through which the fire was lighted down a center 38cavity left to the bottom of the pile. The air coming in through the opening at the top was sufficient to keep the wood smoldering. After a period, which had been shown by experience to give the best results, the opening was closed and the fire smothered.

Beehive Coke Ovens

Brick ovens of the beehive shape were built at a later date where considerable charcoal was to be made. These were operated on much the same general principle as the meillers or earth-covered piles, described above. The fire was lighted at the bottom of the central cavity of the corded wood, the only air at first coming from the top, though later in the process a little was admitted through holes in the walls. After about ten days, when gas ceased to come off, the kiln was tightly closed for a period of twenty days more for the fire to die out and the charcoal to cool.

By both of these processes valuable constituents were burned or driven off by the heat and lost. These were mainly methyl alcohol, acetic acid, and wood tar.

Modern industry so emphatically disapproves of any waste of materials that apparatus has been devised to produce charcoal which allows of recovery of the by-products at the same time. In northern Michigan, which is practically the only district in the United States in which the charcoal industry as an industry still survives, long steel tubes or retorts are built with brick fire-boxes under each end, much as a stationary boiler is set. Into these retorts are run steel cars loaded with the wood. The retorts being closed, the heat drives or distills off the moisture and gaseous compounds through pipes connecting them with condensing apparatus. After about twenty hours the wood has been charred, the doors of the kilns are suddenly opened and the cars are rushed into other and similar retorts for cooling, while fresh loads of wood replace them in the first.

39

Standard Beehive Coke Oven

40

Beehive Ovens

As may be surmised vast quantities of wood and of wood-producing land are required for extensive charcoal manufacture, and this is the most serious problem for the manufacturer of charcoal. Several square miles of timber land must be cut over each year and the wood efficiently transported in order to operate a large plant profitably.

Pig iron as a by-product is a rather novel idea, but that is practically what the charcoal pig iron produced in our Lake Superior region is. Several companies operate wood distillation plants for the production of methyl alcohol, acetic acid, acetate of lime, etc., and use their charcoal in the manufacture of charcoal pig iron from the ores so close at hand.

The very low sulphur content and the small amount of ash have been the great advantages possessed by charcoal over other solid fuels. Resulting characteristics made charcoal pig iron a former favorite for manufacture of certain articles such as chilled car wheels, etc., and it, therefore, brought a higher price than coke pig iron. During recent years, however, by careful selection of coal and improvements in the coking process the sulphur and ash of coke 41have been so reduced that charcoal has not so great an advantage as formerly. Charcoal iron to-day brings only about $1.50 per ton more than coke iron; whereas, the differential a few years ago was as great as $5.00 or $6.00 per ton.

Charcoal is quite fragile and structurally weak, so much so that blast furnaces for its use cannot be built higher than sixty feet; whereas, the great strength of coke allows them to be built to exceed one hundred feet in height with correspondingly increased output. What this means may be realized by every one conversant with the demands of modern industry.

Coke

Charging Coal into the Ovens

As charcoal is completely charred wood, so coke for analogy’s sake may be said to be completely charred coal, practically always of the bituminous type. By “baking” bituminous coal at a cherry-red heat, its volatile constituents are driven off as the well-known “coal-gas” of almost every small town, and a strong, brittle and porous material or coke residue is left. If the baking is done without any admission of air to the retort, practically none of the coal burns and the “cake” or coke which is left contains the ash of the original coal and what is known as the “fixed carbon,” i.e., carbon which cannot be distilled or driven off by heat alone, though it would burn were air admitted.

42The gases or volatile constituents which are given off consist mainly of moisture and a mixture of gaseous chemical compounds, which are known as “hydro-carbons.” These contain that part of the carbon of the original coal which does not remain as “fixed carbon” in the coke.

Quenching after Coal Has Been Coked

Just why some coals will coke while others of apparently the same composition as shown by the chemist’s analyses, will not, but instead of the hard brittle mass will leave a heap of brown or black powder, is not as yet definitely known. It is easy enough for chemists to determine with accuracy the amounts of hydrogen, nitrogen, oxygen, carbon, sulphur, and other elements; but it is a difficult and perhaps an impossible matter to determine just how these elements are “hitched up” in the very complex mineral, coal,—one of the most complex substances which we know.

Various theories have been advanced in the attempt to explain the coking quality. A bulletin of the United States Geological Survey claims that the relative percentages of hydrogen and oxygen in the coal determines it; others have held that it depends upon the compounds of a tarry or asphaltic nature present. The fact remains that some coals coke without trouble, while others do not coke at all. As yet the only real way to tell whether a new variety of coal will or will not coke is to try it.

Since 1713, when Abraham Darby in England succeeded 43in introducing it as a substitute for the fast disappearing charcoal for use in blast furnaces, coke has become the standard fuel. It is very strong and will bear up under the great weight of iron ore and limestone with which the furnace is charged. So furnaces for use with coke may be built much larger than those in which charcoal is to be the fuel. The porous nature of coke allows it to burn rapidly with intense heat, so that the output of an iron works is greatly increased through its use—a very desirable thing in these days of big things. It has its disadvantages, of course, mainly high sulphur, a deleterious substance for which molten iron, unfortunately, has a voracious appetite, and a rather high percentage of ash which must be fluxed out. But all in all, it is a very desirable fuel for blast furnace and other metallurgical purposes, as is shown by the fact that it is used in the production of about ninety-nine per cent of all iron and steel now made.

Drawing the Coke

What is known as the Appalachian coal region produces coal for more than seventy-five per cent of the coke made in the United States. This region includes the strip of territory extending from Western Pennsylvania and Ohio down to Tennessee, Georgia, and Alabama. The famous Connellsville district is a part of this region.

Illinois and Indiana have a great deal of coal, which, however, has rather indifferent coking qualities. Almost 44constant experimentation has been carried on in the attempt to induce these semi-coking coals to coke. The best that has so far developed is the use of a considerable percentage of them in admixture with coals of good coking qualities. Such mixtures yield quite satisfactory coke.

The Beehive Oven Process

Large Pieces of Coke

In the old days there was no desire or incentive to avoid waste of coal resources. If during the coking process some air got into the oven and part of the coal was burned, or if all of the gas given off was wasted, it did not matter. There was plenty more of coal and the thing desired was to get the requisite coke in the quickest and cheapest way.

Where Coals Are Pulverized and Mixed for Coking

In Western Pennsylvania, Ohio, and Virginia, were great beds of high grade coking coal. In this region and particularly around Pittsburg, numerous blast furnaces and steel mills grew up. The coke for these was made in the most convenient way—in the wasteful beehive ovens.

45

Battery of By-Product Coke Ovens, Showing Gas-collecting Main

As the name signifies, these ovens or retorts are brick chambers shaped like beehives. In the larger plants they are built either in single rows against long hills or in double rows back to back. Over the tops of the ovens in each row runs a car called a charging “lorry.” Coal is poured from the bottom of this through a hole in the top of each oven while it is still hot from the preceding charge. No air gets in except that admitted through the hole in the oven top and a small slit left over the one side door, through which the coke is drawn when the coking process is finished. The heat of the oven starts the distillation of the moisture and the volatile compounds which escape through the hole in the oven top. The small amount of air admitted burns a little of the coal and gas and raises the temperature of the oven to that required for coking.

After 48 or 72 hours a spray of water is thrown in over the glowing coal to quench the fire. The partially cooled coke is drawn through the open door, sorted and loaded into cars for shipment.

Though this method of coking is a very wasteful one, it yet produces the larger quantity of the coke made in the United States. However, conditions are rapidly changing and it will not be many years before the much less wasteful “by-product” process gains the ascendency. By 1914 it had already come to produce about twenty-five per cent of the total coke made here, and since that date the percentage has been rapidly increasing.

46

The By-product Process

Top of Ovens with Charging Bin and Lorry at Far End

By this system of coking a greater yield of coke is obtained and most of the by-products are saved. The value of the latter depends largely, of course, upon local conditions, such as transportation, costs of the material, cost of labor, and available market for the coke oven gas. They are usually figured as having a value of $1.50 per ton of coal coked, equivalent to a total of $71,000,000 per year for the coal coked in the United States.

Lorry for Charging Coal into Ovens

The ovens and apparatus required are considerably more expensive, but, since this industry has developed in this country during the last twenty-two years to a point where one-quarter of all of the coke manufactured is made by the by-product process, there can be no doubt that it is a profitable proposition and that eventually the wasteful beehive ovens will be a thing of the past.

Practically all of the types of by-product coke ovens in use have been developed in Germany or Belgium, where circumstances forced earlier conservation of resources than 47in this country. The three best known types are the Semet-Solvay, the Otto Hoffman, and the Koppers—the latter a recent arrival. They differ mainly in details of construction and operation.

Machine for Pushing Coke from Ovens

In a general way a “battery” of coke ovens consists of from 40 to 80 long narrow brick-walled chambers placed closely side by side with heating flues or “checker-work” between them. The fire for the baking process is in these flues, which are interconnected, and the heat developed is sufficient to drive off the moisture and volatile substances of the coal in the narrow chambers just on the other side of the brick walls. Charging is done by a “lorry” as in the beehive process. After from seventeen to twenty-four hours at a red heat, the coke is “pushed” from the ovens, one after another, by an electric ram which enters at one end. The 30 × 7 × 1½ foot block of glowing coke emerges from the other end, where, breaking under its own weight into good-sized pieces, it falls into a steel car on a track just beneath. A spray of water quenches it and it is taken to the storage bins to be sorted.

Rich coal-gas is the main by-product. That which comes off during the first seven hours is the richest and has the greatest illuminating or “candle” power. After washing free from dust, tar, ammonia, etc., the gas is usually run into holders or tanks from which it is distributed for use for illuminating or for heating purposes. That which comes off during the latter part of the coking period has much less 48of those constituents which give illuminating value. It has good heat value, however, and as fuel is required for keeping the ovens up to the coking temperature, this poorer gas from the coking chambers is switched into and burns in the flues between the coking chambers as mentioned.

Thus the larger part of the gas is sold to customers, usually in the city near which the ovens have been located, and the poorer part is utilized in heating the ovens and the steam boilers which run the plant.

Quenching Car Awaiting Its Load

The coal tar, which the German chemists have made so famous through its manufacture into the almost endless variety of beautiful dyes, is another of the by-products which is recovered by this, but burned or lost in the beehive oven process. From a long main over the tops of the ovens which connects the gas pipes, the tar flows along with the gas to the scrubbing and gas cleaning plant, where by rather intricate operations it is freed from other substances.

In this country much of the tar is used for building purposes, etc., and some as fuel, but not much has been made into the chemical products for which Germany is so famous. For a long time a few dyes and other chemical compounds have been made here from coal tar. Since the early days of the war in Europe and the cessation of imports of such materials on this account, there has come 49about considerable expansion in their manufacture here; but it is doubtful if the time is yet ripe for a wholesale entry into the manufacture of these coal tar “derivatives,” especially the very extensive variety of dyestuffs.

Naphthalene and benzol from which many other chemical compounds as well as munitions of war can be made, are among the by-products.

Quenching the Coke

Most of the ammonia which the corner drug store sells, comes from the by-product manufacture of coke. The largest part of the ammonia which is produced in the process, however, is manufactured into sulphate of ammonia, a well-known fertilizer.

Coal

Anthracite or hard coal has been used in certain districts in the United States, especially in New Jersey and eastern Pennsylvania. It is not an ideal fuel as it is too solid to burn rapidly, spalls or cracks under heat and interferes with the blast. Since 1860 when coke became available here much less coal has been used, though some is yet used in admixture with coke. Some bituminous coals which contained little tarry matter also have been used in this way.

50

Fluxes

Limestone, the rock which is ordinarily used for fluxing purposes, needs no introduction to any of us. As the marble of statuary, the material of which oyster and other sea shells and the white tombstones of our cemeteries are composed, it is well known. Any of these varieties of the material may be used for fluxing purposes, but usually it is limestone which is quarried for the purpose or obtained as chippings or spalls from building blocks.

Coke Going from Quenching Car to Bins

Loading Coke in Box Car

The active agent, which produces the chemical or fluxing action in the blast furnaces, is carbonate of calcium (lime) of which limestone contains about 98 per cent. Dolomite is a mixture of carbonates of lime and magnesium, about 53 per cent of the former and 45 per cent of the latter, and is sometimes used in place of limestone. 51Fluor spar, a rock composed of calcium and fluorine, is used in small quantities in some of the metallurgical processes. It is a very powerful flux.

52

CHAPTER IV
THE BLAST FURNACE

Up the dark tower shoots the elevator with its “buggy” of coke. Its speed is not conditioned to the comfort of man, who is not supposed to be a passenger, except the occasional laborer whose duty as buggy-pusher requires his presence on twelve-hour shifts at the top. So we, whose exploratory proclivities have led us at the office to sign away our lives for grant of a pass to the blast furnace, find our breath about taken from us with the first mad dash into the darkness of the climb. That stone tower had looked much more innocent from below.

But now the rickety elevator has as suddenly emerged into the light again and stopped abruptly at the charging floor which extends across the chasm to the top of the furnace.

As the smoke-begrimed buggy-pushers rush the buggy of coke across to the furnace bell, we have opportunity to notice that we are a full hundred feet above ground. Just here, seemingly so close that we can put our hands on them, in a row, are the round steel tops of the four stoves which are for the purpose of preheating the blast. The huge pipes, dust arresters, tanks, and buildings, all so necessary to the plant, look almost like a tangled mass from our high station, while the charging floor upon which we stand, the shoulder-high steel fence around it, the furnace top, the adjacent stoves and in fact everything for a half mile 53around us, is colored yellow-red with iron dust. We understand the reason for this when the buggies of ore which have succeeded the coke are dumped into the funnel-shaped depression around the conical bell at the center. As the huge bell is lowered and the charge slides in there is considerable blowing out of the fine ore dust, which, in fact, continually “oozes” out of all crevices under the heavy pressure of the blast inside.

Hand-fed Blast Furnace

Day and night, month in and month out, during the life of the fire-brick lining of the furnace, this routine of charging, first coke, next the theoretically correct charge of analyzed iron ores, then limestone, in rotation goes on. From 6 A.M. to 6 P.M. and from 6 P.M. to 6 A.M. on twelve-hour shifts, alternating gangs of laborers push the buggies across to the furnace top, dump and return them to the elevator already up with another load.

The incessant quiver of the iron plates beneath our feet with the rumbling and groaning from the inside of this monster are disquieting and the thought constantly recurs: “What if this powerful creature should just now rebel, as quite occasionally occurred in the old days when all of its moods had not been so well understood?” For this king of metallurgical devices, though gentle and obedient as a lamb under proper treatment, is a domineering fury when it has dyspepsia as occurs whenever its attendants are remiss in their attentions to its diet. “Those explosion doors just below the furnace top—are they in working order and would they be adequate?” But whether, as in recorded instances, the whole furnace top is torn off as evidence of its wrath, or its displeasure is exhibited in a milder way, we much prefer to be absent. The thought is disquieting and we are glad to leave.

54

Cinder or Slag Flowing into Ladles

55

“Fireworks” at the Cinder-Notch

Unwilling to test again the elevator for the downward trip, we take to the narrow iron stairway which leads from the top of the furnace to the ground. But this is worse than the elevator, for the stair treads are very narrow and made only of three slender iron rods. To our palpitating hearts they seem to give very insecure foothold and the gaps show that there is nothing but earth beneath us, and that a hundred feet below. To make matters worse, before we creepingly get half way down some visitors below have stopped to watch our slow and trembling steps and our nervous clutch on the low “stingy” hand rail. We hear them innocently inquire of one another why we move so slowly. We wish that we could appear brave, especially before the women in the party, but we could 56not move with greater alacrity if our lives depended upon it.

Once below again with our breath regained, things are more interesting. The red-hot molten slag which has just been tapped out is running from the furnace along a long trough into a ladle six feet high resting upon a car on the railway track alongside the “cast house,” as the huge structure which houses the lower part of the furnace is called. This smoking, molten slag stream gives off a powerful sulphur smell and throws a lurid glare over everything round about.

The Slag Dump

The furnace superintendent is just explaining to the other party that No. 2 furnace has been “hanging” for a couple of days and is still dangerous. “If you realize,” said he, “the great weight of coke, ore, and limestone in that furnace, you can see what a splash it would make if the clogged, bridged part with all above it should fall suddenly into the molten pool in the ‘hearth’ of the furnace. Two years ago No. 1 broke out and the molten metal caught and burned to death one of our men and injured several others. ‘Hanging’ does not occur when the furnace is working right, but failure of the charge to come down evenly is very serious sometimes. A blast furnace is like a coquette; she has to be handled just so, and even then you cannot always be sure what she is going to do next.

57“Oh yes,—where does the iron come from? Well, we often read nowadays of a man and his ‘affinity.’ Now the chemist has used that word ‘affinity’ for years to describe the liking or attraction of one chemical ‘element’ for another; in fact, that is where this recent colloquial use of the word originated. Iron ore is nothing more nor less than metallic iron, the element, chemically combined with oxygen, another element which constitutes one-fifth of the air we breathe. Under conditions produced in the blast furnace, though for centuries wedded to iron, oxygen deserts him for her ‘affinity’ carbon, which is best known to you as coke, coal, or charcoal. The iron, now free, becomes molten at the high temperature encountered (about 2800° to 3000° F.) and descends into the ‘hearth’ or bottom of the furnace, while oxygen and her new partner escape out of the top of the furnace in gaseous form. When molten iron has accumulated in the hearth to the extent desired it is tapped out as you will soon see.

Diagrammatic Sketch of Blast Furnace

“The limestone charged has ‘affinity’ for dirt and certain other impurities of the ore which it removes in molten 58form as the ‘cinder’ or ‘slag’ which is there running into the ladle. When cold, this cinder is a dark greenish-black, glassy substance, which of recent years has come to be used to a certain extent in the manufacture of Portland cement but is mainly used for filling-in purposes. Some is crushed and utilized in concrete mixtures and for road building. In Chicago considerable land has been ‘made’ by dumping slag into the lake, and South Chicago is reported as standing on a swamp which has been filled in with slag from the steel works there.

Old-Fashioned Pig Bed

“This immense furnace is simply a strong steel shell lined two or three feet thick with fire bricks. At the ‘bosh,’ which is the region where the greatest heat is produced, hollow bronze plates are inserted among the bricks of the lining through which circulating cold water keeps the bricks from being fused.

“The hot gases which are led from the upper part of the furnace through that brick-lined ‘downcomer’ are burning in three of those ‘stoves’ to heat them, while cold, clean air from the blowing engines is coming through the other stove, which, ten minutes ago, when it was put on blast, was the hottest of the four. It is now giving up part of its accumulated 59heat to the blast on its way to the furnace. Switching the cold incoming air every little while from a partially cooled stove through a hotter one while allowing the former to reheat, provides continuous blast of a temperature of 800° to 1400° F. The ‘hot blast’ idea originated about 1830 with James Neilson, a gas engineer of England, and its introduction revolutionized the blast furnace industry and made the highly efficient modern practice possible.

Furnace and Sand Bed Ready for Iron

“This big pipe above our heads which encircles the furnace is the ‘bustle pipe.’ It also has to be lined with fire bricks. The hot blast is distributed by this ‘bustle pipe’ to the tuyères here—these L-shaped pipes—which shoot it directly into the furnace. Through the peep-holes in the tuyères you can get a glimpse of the dazzling interior of the furnace. The blast of heated air is causing the coke to burn fiercely there so that it melts the iron, which farther up in the furnace has been forced to part from the oxygen, as I explained to you.”

60

Layout of Blast Furnace Plant

61But now six men with a long steel bar are starting to break through the two or three feet of clay with which the “tap hole” of the monster furnace is plugged, and our informant hurries away.

Skip Hoist at Work. Skip Dumping into Hopper

For ten minutes with strong sledge blows the tappers struggle to break through the plug of burned clay. Meanwhile the monotonous whistle of the heavy blast into and through the bustle pipe and tuyères goes on and the discharge pipes of the water-cooling plates empty into the gutter around the furnace bottom the water which has been circulating to keep the inner bricks from fusing.

62

SECTION OF BLAST FURNACE SHOWING FILLING ARRANGEMENT, BINS AND ORE BRIDGE

63And now a shout and the strong red glow throughout the cast house tell us that the tap hole is open and the iron is running down the main channel of the sand bed. Past the plugged entrances to the lateral branches runs the molten iron stream to the end of the cast house nearly one hundred feet distant where it divides, filling the laterals on each side and from them running into many open molds arranged like the teeth of a comb. Each of these molds is about five feet long. They form the “pigs,” and the laterals what are known as “sows.” As each lateral and its molds fill, the lateral ahead of it is opened and the process repeated, laterals and pigs filling up simultaneously on opposite sides of the main channel till the whole cast house floor is filled nearly up to the furnace with the red smoking metal.

Sand Cast Pig Iron

There are few sights more glorious than the cast house with bed just filling with metal, and especially is it so at night. The strong yellow-red light of the flaming metal issuing from the furnace and the intense glow of that already in the bed illuminates everything in and about the building. But already, before the furnace is empty, the workmen are spraying with water the earliest cast pigs. Covering them with a light layer of sand they venture upon them with thick-soled shoes and break the “pigs” from the “sows” with sledge hammers.

This is the old-fashioned “sand cast” pig iron. After remelting in the cupola furnaces of neighboring towns and casting into stove parts or other forms it is known as “cast iron”; through “puddling” in reverberatory or special furnaces it becomes “wrought iron”; after decarbonizing 64treatment in steel furnaces of various design it is changed into the wonderful material called “steel.”

Pig iron is thus the intermediate or semi-raw material from which practically all of our various iron and steel products are made and the transition product through which they pass.

Machine Cast Pig Iron

But the romantic period of the hand-fed furnace and the gloriously beautiful pig beds at casting time are rapidly passing; in fact, are almost past. Modern “skip-hoists” carrying automatically dumped buckets or cars charge the furnace more economically than even low-waged laborers can do it. The two charging cars alternate, one filling at the bottom in the stock house while the other is dumping through the double bell at the top of the furnace. Furnaces are now tapped by power driven drills which make quick work of a formerly difficult operation. Instead of running it into the sand bed, the molten iron from the furnace is nowadays run into ladles alongside the cast house as is the cinder which was described above. If the metal is to be made into pigs it goes to the pig casting machine, where the traveling iron molds very quickly convert the entire cast into “chilled cast” pigs. At the top of the incline these pigs which have been cooling under sprays of water fall from the traveling molds into railroad cars below which deliver them to the consumer.

65

How Pig Iron Is Now Cast into Traveling Molds

66

Upper End of Casting Machine Where Pigs Are Dumped from Traveling Molds into Railway Cars

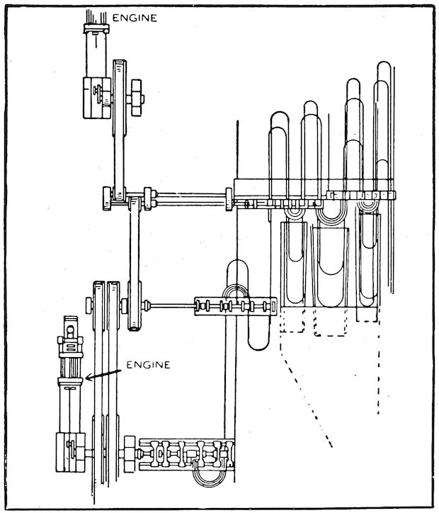
In large steel works the greater part of the molten iron is not cast into pigs at all but while yet molten is directly charged into the open-hearth or Bessemer furnaces which convert it at once into steel of which the greater part is made into plate, rails, or other shapes before being allowed to cool. Even the gas is recovered nowadays. Its journey through the “dust arrester” rids it of most of its dust, after which filters and washers clean it thoroughly. That not required for the heating of the stoves is used for firing the steam boilers about the plant and as fuel for batteries of huge gas engines which in large plants have been installed to generate low-priced electric current.

It should be noted that in modern practice iron is mined, loaded, transported to the furnaces, unloaded, charged and made into pigs or converted into steel and even into the finished products with practically no hand labor, all operations being performed by machinery.

Though a “direct” process for converting the ore into wrought iron or steel has been long sought, a method has never been found, except that used in the very small way followed by the old iron-workers with their crude furnaces. 67It has always proved commercially advantageous to make pig iron in the blast furnace as an intermediate step and then by a second step convert it into wrought iron, steel, etc. So the ore is brought from the mines to the furnace, the coke and limestone arrive from another region, and batteries of huge blast furnaces through the country make from them the pig iron.

Blast Furnace Data and Annual Pig Iron Production
Year Average Height[1] of Blast Furnace Average Cu. Ft. Capacity of Blast Furnace Average Daily Output in Tons Each Tons Pig Iron Produced During Year
United States Great Britain Germany and Luxemberg
1850 30′ 2000 29 565,000    
1860       920,000    
1870       1,865,000 5,963,000 1,391,000
1880 70′ 8200 117 3,835,000 7,749,000 2,729,000
1890 90′ 18200 360 9,000,000 7,904,000 4,658,000
1900 100′ 24000 600 13,790,000 9,003,000 7,550,000
1905 90 to 100′ 24000 600 23,000,000 9,746,000 10,988,000
1910 90 to 100′ 24000 600 27,300,000 10,380,000 14,495,000
1912 90 to 100′ 24000 600 30,000,000 9,037,000 17,869,000
1913 90 to 100′ 24000 600 31,000,000 10,654,000 19,292,000

1. No advantage has been found in furnaces having a height of over 110 feet.

The chemical laboratory plays a very important rôle in iron making. Analyses made of each car or boat load of ore by the furnace chemists representing the buyer must check very closely the analyses made by the mine chemists for the seller, as the price of every ton of ore is based on its iron and its phosphorus contents and the percentages of certain other constituents present. In calculating the “burden” or charges for the furnace, each of these constituents is estimated in pounds actually present per charge, losses or gains during the journey through the furnace are allowed for, and by combining the various ores the charges are so made up that the resulting iron will be of certain desired composition. The closeness 68of actual composition obtained to calculated results is startling.

Truly this is an age of efficiency.

Though technical information and statistics are not to be inflicted upon our readers to any extent in this series of articles, it may not be amiss to give one table of interesting figures which show the increase in height and capacity of furnaces from 1850 to the present time. During this period the annual production of pig iron in the United States has risen from 565,000 to 31,000,000 long tons (2240 pounds). It will be noted that since 1887, when we passed Great Britain, the United States has been the champion pig iron producer of the world.

The record production of a single blast furnace to date was that of one of the United States Steel Corporation’s furnaces at Duquesne, Penn., which produced 900 tons of pig iron in one day.

69

CHAPTER V
A GENERAL GLIMPSE AHEAD

We have arrived at the parting of the ways. From the vast beds of iron ore, the coal fields and coke ovens, and from the quarries of limestone, all roads have led to the blast furnace. This we have visited and we now know how pig iron is made.

From this point the several paths diverge. One by one we are to follow them to get acquainted with the interesting country which they traverse and the regions to which they lead. However, before choosing any one of these paths for our first trip, it will be to our advantage to pause, to study for a moment our position and get a general view of the country ahead of us. We should know the relative locations and importance of the places we are going to visit, for only by getting a comprehensive idea of the general plan of this ferrous (meaning iron) world, can we understand to the best advantage the position of each of the main products, wrought iron, steel, cast iron, malleable iron, etc., and acquire a satisfactory knowledge of them. In the last chapter pig iron was called the intermediate stage between the ore and the finished iron product, and such the sketch given shows it to be. It is only as an intermediate product that pig iron has value, for nowhere in the commercial world has it a purpose except as a material to be chemically and structurally transformed into other materials which may themselves be used without further 70transformation. It is desirable that we fully realize the position of this very important semi-raw material, pig iron, before passing on to the study, one at a time, of the refined ferrous products which are susceptible of direct use in our commercial life.

Electric Arc, Microscope, and Camera, Part Of Metallographic Apparatus

From Table A (page 71) it will be seen that from blast furnace metal several well-known products are formed by the various processes of refinement. Each of these methods of purification may be said to result in a certain general composition and structure which give to the material formed its character and properties.

The Metallographic Method of Classification

By aid of the microscope it is possible actually to look into the structure of these materials.

71

TABLE A

IRON AND STEEL PRODUCTION OF THE UNITED STATES FOR 1912

72

Part of a Chemical Laboratory Where 6,000 Samples a Year Are Analyzed

73By cutting in any direction through a piece of metal or alloy, polishing the surface exposed very clean and smooth and then etching (corroding) slightly with acid, the exposed grains of the metal may be seen when sufficiently magnified. Not only may the grains of metal be seen, but certain of the other constituents which are present are visible. Photographs, also, can be taken by attaching a camera to the microscope. This method of analysis, which is known as “metallography,” has proved as valuable an aid to the metallurgist as it proved to the geologist when applied to the study of rocks and geological specimens.

Machine for Determining Strength of Iron and Steel Bars

The metallography of wrought iron, cast iron, malleable iron and steel differentiates them to us with considerable accuracy, as is shown by a glance at the accompanying photomicrographs, as photographs taken through the microscope are called.

For our immediate purpose of gaining a general knowledge of the relative positions of these products, this method of analysis probably cannot be excelled.

After the processes of manufacture of these materials have been taken up one by one in later chapters, the photomicrographs will be even better understood than now, as will the differences of chemical composition and physical properties of the alloys, such as strength, hardness, brittleness, forging quality, etc. The photomicrographs are given at this time to show that the materials are structurally very different and to aid in the general classification.

To make them comparative, all have been taken at the 74same magnification of seventy diameters; i.e., the microscope has made everything shown just seventy times as large as it actually was in the alloy.

No. 198. Photomicrograph of Sand Cast Pig Iron. The Thick Black Lines Are Graphite Flakes

As stated before, the alloy pig iron normally contains from 3 to 5½ per cent of carbon. This was absorbed during the journey through the blast furnace. As long as the iron was molten all of this carbon was in the “combined” form; i.e., in chemical combination with the iron itself. Cold iron, however, cannot retain in the chemically combined form as much carbon as does molten iron, so, during the solidification and cooling of the alloy, more or less of its carbon was precipitated, i.e., thrown out of solution and from chemical combination with the iron, the amount depending mainly upon the speed of the cooling. It appeared then as the “free” carbon (crystalline graphite) which remained distributed throughout the alloy and may be seen as the jet black flakes in photomicrograph No. 198.

Every pure metal is supposed to be composed of crystals or grains which would have been of the true cubic form if the severe internal pressure during solidification and cooling had not distorted them.

Photomicrograph No. 99b represents quite well a pure metal. It is that of an extremely mild steel made by special methods in the open-hearth steel furnace. It is so highly 75refined that it can hardly be called steel at all but is often called “open-hearth iron” or “ingot iron.” It is probably the purest iron on the market in commercial quantities to-day. While in the chemical laboratory iron of considerably greater purity can be made, for a commercial product this is remarkably pure, seldom containing more than ¼ per cent of elements other than the metal, iron.

No. 99b. Open-Hearth Iron. Probably the Purest Commercial Iron Product

The boundary lines of the crystals or grains may be plainly seen. Each grain should show practically white. The dark parallel lines, the dots, and the grayish portions result from inequalities in the polishing and etching.

No. 1d. Section of Wrought Iron Cut Lengthwise of the Bar. Black Patches and Filaments Are “Slag” or “Cinder”

After noting the appearance of photomicrograph No. 99b, which is of a nearly pure iron, one need have no difficulty in realizing that pig iron and the steels are alloys and not simple metals. The truth is that of all alloys some of the well-known iron products which we are studying are by far the most complicated, much more so than are the nonferrous alloys, which include the brasses, bronzes, babbitts, German silver, etc.

76

Physical Test Room Where 15,000 Specimens Are Tested Each Year

77This should not worry us, however, for we shall not attempt to follow them into their complications.

No. 3b. Steel Containing .10 Per Cent of Carbon. The Carbon is in the Black Patches

The important point just now is to observe the crooked black flakes of crystalline graphite in this photomicrograph No. 198. It is largely because of these flakes of brittle, soft graphite that pig iron and the cast irons are so fragile. One has no difficulty in realizing that these flakes, which cut in every direction through the metal, make it structurally weak, especially toward a sudden blow.

No. 1d shows a typical section of wrought iron cut lengthwise of the rolled bar. It will be noted that, as in photomicrograph No. 99b, there are no graphite flakes.

In the process of wrought iron manufacture practically all of the carbon of the original pig iron is burned out, leaving little besides the iron itself and some viscous cinder or slag. In the rolling or hammering out of the resulting white-hot “bloom,” the slag enclosures which remain after the squeezing process are extended lengthwise through the bar. Upon observing with the microscope any prepared section of wrought iron which has been cut lengthwise of the bar the filaments of slag may be plainly seen, all parallel or practically so. When such filaments of slag 78can be discerned in a longitudinal section it is practically an absolute indication that the material in question is wrought iron.

No. 22c. Steel with .50 Per Cent of Carbon

No. 36a. Steel with 1.98 Per Cent of Carbon

Photomicrograph No. 3b is that of mild steel containing .10 per cent (⅒ per cent) of carbon. Here we have neither the graphite flakes of No. 198 nor the slag filaments of No. 1d. We can plainly see the boundary lines of the grains. The irregular dark patches which are evenly distributed throughout are the defining features of steel. In what might be called a chemical-mechanical combination, these dark patches contain all of the small percentage of carbon which gives to carbon steel its definite properties.

During the manufacture of this alloy all but a small amount of carbon is eliminated by burning it out, as happens with wrought iron. But the steel is molten or fluid when finished and the slag which has been formed floats on top and is also eliminated, which does not occur with wrought 79iron, which is thick and pasty at its finishing temperature.

No. 74. Gray Cast Iron. The Crooked Black Lines Are Graphite Flakes

Therefore, steel contains no graphite and no slag but has only the small percentage of carbon which was purposely put back to give to it its valuable properties.

No. 92d. Semi-Steel, a Stronger Gray Cast Iron

Photomicrograph No. 22c is typical for steel which contains .50 per cent (½ per cent) of carbon. The irregular patches containing the carbon are much larger and more frequent. It will be seen, therefore, that through metallography the various iron alloys, to a considerable extent, may be analyzed as well as classified.

Photomicrographs Nos. 74 and 92d represent soft and stronger grades of ordinary gray cast iron respectively. It will be noted at once that both much resemble pig iron in structure, as of course they should, for simple remelting in the cupola does not effect much modification in composition or structure.

80Occasionally castings are made from molten iron direct from the blast furnace, but such practice is not very satisfactory and is little done. It forms probably the only exception to the statement made above that pig iron has no useful purpose in the commercial world except as something to be transformed by some refining process into another material.

No. 132. Gray Cast Iron 200 Years Old

No. 109. Malleable Cast Iron Before Annealing

The remelting for the well-known cast iron is usually of such selected brands of pig iron and cast scrap as will produce cast iron best adapted to the purposes intended. The resulting alloy still contains 3 per cent or 3½ per cent of carbon.

No. 132 is interesting. It is a photomicrograph of a piece of cast iron which is approximately 200 years old. From the standpoint of the metallurgist it is the same as other photomicrographs of cast iron, the difference in appearance resulting probably from casting conditions, etc.

81Malleable cast iron is made much as is gray cast iron except that it is brought to such a composition that sections of castings made from the melt show a white fracture when broken. Castings of gray iron of course show a gray fracture. The former are extremely hard and are as brittle as glass until they have gone through a careful long anneal or heat softening process. By maintaining them at cherry-red heat away from air for sixty hours or more and cooling slowly, they become “malleable”; i.e., not brittle at all but capable of considerable distortion without cracking.

No. 35. Malleable Cast Iron Annealed

From the viewpoint of malleability, malleable iron may be considered to occupy a position between gray cast iron and steel.

Photomicrographs Nos. 109 and 35 are those of malleable iron before and after the annealing treatment. The former shows the typical structure of white cast iron, while the latter plainly shows the minute lumps of pure carbon and the surrounding grains of pure iron metal, the two having become divorced through the annealing process. Note that the large amount of carbon in this, the “temper carbon” form, does not make the alloy brittle through cutting of the grains as does the crystalline graphite form of carbon.

The above gives very briefly the most essential points in the classification of the irons and steels from the structural standpoint. True it has not entered into the vast 82complications of the higher carbon or tool steels which are those which will take a “temper”; i.e., the tool steel’s quality of hardening by quenching in water from a cherry red heat. The simpler points of these will be taken up later. But enough has been given that we now understand something of the relative positions of the great main products, some reasons therefor, and their general structures.

No. 8. Bar Rolled from Scrap; Contains Both Wrought Iron and Steel

It has been seen that their micrographs quite definitely differentiate them and probably no one will have difficulty in recognizing and naming such specimens. As testing this it may be interesting to note photomicrograph No. 8. Two different iron alloys made up the material from which this photomicrograph was taken. Apparently the bar was one made by heating and rolling together scrap metals. Such material is on the market. The photomicrograph shows that some of the scrap used was wrought iron and some of it mild steel of about .08% carbon.

Classification by Chemical Analysis and by Physical Tests

So far not much has been said about composition except that upon it to a great extent depends the structure and physical properties of the alloy. Composition and physical characteristics as well as structures are necessary to a fair

83
Table B—Chemical Composition and Physical Properties
  Per Cent Silicon Per Cent Graphitic Carbon Per Cent Per Cent Total Carbon Beginning of Freezing[2] Tensile Strength[3] Elongation[4] Welding Properties Principal Uses
1. Sand Cast Pig Iron 2.50 3.75 .25 4.00 2100       Further Refining.
2. Machine Cast Pig Iron 2.50 3.00 1.00 4.00 2100       Further Refining.
3. Open-Hearth Iron .03 .00 .02 .02 2740 50,000 2½″ Good Bars, pipe, sheet.
4. Wrought Iron Slag .00 .05 .05 2740 52,000 2¼″ Fine Bars, pipe, boiler tubes, stay bolts.
5. Mild Steel .05 .00 .10 .10 2740 55,000 2½″ Good Bars, pipe, wire, sheet, shafting, tubes.
6. Medium Steel .05 .00 .25 .25 2720 65,000 2¼″ Good Bars, plate, structural.
7. Rail Steel .05 .00 .60 .60 2680 90,000 1¾″ Fair Rails, gears.
8. Low Carbon Tool Steel .15 .00 .75 .75 2660 100,000 1¼″ Fair Hammers, cold chisels, saws, springs.
9. Medium Carbon Tool Steel .15 .00 1.00 1.00 2630 120,000 1″ Poor Lathe tools, chisels, drills, dies, springs.
10. High Carbon Tool Steel .15 .00 1.25 1.25 2600 135,000 1⅛″ Slight Lathe tools, chisels, files, saws.
11. Very High Carbon Tool Steel .15 .00 1.50 1.50 2560 124,000 ¼″ Slight Razors, lancets, graving tools, saws for steel.
12. High Steel   .00 1.75 1.75 2530   0 None Dies for wire drawing.
13. White Iron   .00 2.50 2.50 2460   0 None Dies for wire drawing.
14. White Cast Iron .70 .10 2.65 2.75 2400 41,000 0 None For malleableizing, carwheels.
15. Annealed Malleable Cast Iron .70 2.70 .05 2.75   40,000 ½″ None Railway and agricultural castings, fittings.
16. Cast Iron for Chilled Castings 1.00 1.00 2.00 3.00 2330 35,000 0 None Rolls, gears, brakeshoes.
17. Semi-Steel 1.75 2.80 .40 3.20 2300 35,000 0 None Gears, steam cylinders, valves.
18. Gray Cast Iron 2.00 3.10 .30 3.40 2200 25,000 0 None Machine parts, grates, radiators, valves, soil pipe.
19. Soft Gray Cast Iron 2.50 3.30 .15 3.45 2200 23,000 0 None Stoves, hollowware, pipe fittings, misc.

2. In degrees Fahrenheit. For our purposes, the same as the melting points of the alloys.

3. Pounds required to pull apart lengthwise a bar one inch square.

4. Number of inches that a bar eight inches long will stretch before it breaks.

84

Iron and Steel Test Pieces and Instruments Used in Measuring Their Size, Elastic Limit and Elongation

85understanding of the subject. There is given therefore, a table showing approximate comparative values of chemical compositions and physical properties of the alloys under discussion.

It should be distinctly understood that the figures given in Table B are approximate only and are intended to be average, or rather, perhaps, typical.

There are all sorts of conditions which in practice modify the figures given in the table, and criticism may be maintained justly against some of the too specific statements which here it was necessary to make. The classification is given with considerable hesitation and only because, arranged in this way, it brings out existing relationships which otherwise would escape notice and which we cannot afford to overlook.

But please do not gain the impression that these alloys are divided into distinct classes. There are no dividing lines at all. One group merges into the next so gradually that it is impossible to tell where the one ends and the other begins.

It is to be hoped that no one will make himself miserable by trying to digest these rather formidable figures of Table B all at one sitting. They are given mainly for comparison and for reference. It is suggested that after noting carefully the similarities and differences to which attention is called, they be reserved until the processes of manufacture of the various alloys are taken up one by one. Reference to these figures on those occasions should be profitable.

The main points to be noted at this time are:

1. Open-hearth iron is practically pure iron, having no constituents or slag inclusions which materially affect its properties.

2. Wrought iron, for all practical purposes, is pure iron 86except for its content of slag. It is the only one of the iron family which does normally contain slag.

3. Neither open-hearth iron nor wrought iron contains carbon in appreciable quantities.

4. The distinguishing and active element of the steel family is carbon. With increase of carbon the hardness of the alloy increases as does its tensile strength, but the ductility (elongation or stretch) decreases.

5. Other conditions being equal, the more carbon the alloy contains the more easily it melts; i.e., at lower temperature. So the purer irons such as open-hearth iron, wrought iron, and mild steel (i.e., steel with low carbon, usually under 0.15 per cent) have relatively high and the cast irons lower melting points.

Table C—Percentages of the so-called “Metalloids” by Weight and by Volume
Silicon Manganese Sulphur Phosphorus Total Carbon Iron[5] Total Metalloids
Wt. Vol. Wt. Vol. Wt. Vol. Wt. Vol. Wt. Vol. Wt. Wt. Vol.
Gray Cast Iron 2.50 10.0 .70 .7 .09 .36 .75 3.2 3.45 12.1 92.5 7.5 26.4
Semi-Steel 1.75 7.0 1.00 1.0 .10 .40 .35 1.5 3.20 11.2 93.6 6.4 21.1
Malleable Cast Iron .70 2.8 .50 .5 .15 .60 .17 .7 2.75 9.6 95.7 4.3 14.3
Cast Steel .30 1.2 .50 .5 .05 .20 .04 .17 .35 1.2 98.8 1.2 3.3
Mild Steel .05 .2 .40 .4 .04 .16 .03 .13 .10 .35 99.4 .6 1.2
Open-hearth Iron .03 .1 .02 .02 .01 .06 .01 .06 .02 .07 99.9 .1 .3
Wrought Iron 1.20 5.0 .08 .08 .01 .04 .15 .65 .05 .17 97.7 2.3 5.9

5. These alloys contain small amounts of other elements so these percentages of iron are a little high, though approximately correct. Note the purity (high percentage of iron) of the open-hearth iron.

6. In the cast irons, the carbon occurs not in one only but in two different forms; i.e., as graphitic carbon, commonly called graphite (Gr. C.) and the combined form (C. C.). The sum of these is usually between 3.00 per cent and 3.50 per cent. It is not so much the total amount of the carbon that causes the differences in structure and physical properties which have been noted in 1 and 2 and in 16 and 17 above, as it is the relative proportions in which these two varieties occur.

87

Exhibition Case Showing Four Well-Known Iron Alloys with Their Metalloids

887. No one knows just when, with increase of carbon, steel ceases to be steel and becomes white cast iron. There is no definite dividing line either in chemical or physical properties. The changes are extremely gradual throughout the scale. Aided by the microscope, modern physical chemistry has disclosed the fact that alloys of iron with carbon “freeze” from molten to solid condition according to two different laws. The change from one to the other occurs somewhere between 1.7 per cent and 2.2 per cent of carbon as is described in Chapter XXII. This is our only basis for calling alloys with less than 2 per cent of carbon, steels, and those with greater amounts, cast irons.

8. For our immediate purposes the other “metalloids” or constituents are of secondary importance and will not be taken up now. From this it must not be understood that they can be slighted by the metallurgist and furnace man in his work. They cannot. Every one of them is of importance and must be accounted for in the final product or trouble results.

Volumetric Analysis of the Iron Alloys

There is a way in which we may visually get a very intimate idea of the relative composition of these alloys.

The cabinet of which a photograph is given is partitioned into four sections. Each one of these contains a bar and six specimen jars. As you may or may not be able to read from the labels, the bars, all of exactly the same size, are soft cast iron, semi-steel (a stronger cast iron), annealed malleable iron and cast steel. The six jars above each bar contain the exact amounts of the various constituents other than iron which are in the bar beneath.

As none of the constituents except manganese are as 89heavy as iron, their volumes per unit of weight are correspondingly greater. Putting it into approximate figures we have the percentages by weight and by volume shown in Table C.

This means, of course, that of the cast iron plates of your cook stove or steam or water radiators fully one-quarter (26 per cent by volume) is not iron at all but brittle substances of little or no strength. These elements, silicon, sulphur, phosphorus, and carbon, are commonly called “metalloids.” While the first three named are not in “free” form in the alloy and therefore allow of some doubt as to just the space they require, we have good reason to suppose that the figures given are not far from correct.

With such a volume of weakening constituents and particularly with the graphite flakes cutting through and separating the iron grains as the photomicrographs show, can one wonder that cast iron is fragile—more so than steel or wrought iron?

To sum up, naming only the most familiar alloys and the two or three qualifying features of each which stand forth with particular boldness, we have:

Pig Iron—Very High Carbon. Brittle.

Gray Cast Iron—High Carbon. Brittle.

Malleable Cast Iron—High Carbon. Made Malleable by Annealing.

Wrought Iron—Slag. Little or no Carbon. Very Malleable without Annealing.

Mild Steel—Very Low Carbon. No Slag. Very Malleable without Annealing.

Carbon Tool Steel—Medium Carbon. No Slag. Of Medium Malleability.

So steel which is not called “iron” at all is a very pure metal in comparison with gray and malleable cast iron and 90usually has a larger percentage of the chemical element, iron from which all are derived, than has the well-known wrought iron itself.

91

CHAPTER VI
WROUGHT IRON

We of America, and especially of the West, never have been particularly devoted to the study of our genealogies. However, it is likely that most of us at one time or other in our mind’s eye have seen that little country town back in Massachusetts or New York State, whence came our forebears. Since those days of long ago, when, with you upon his knee, grandfather waxed reminiscent and related tales of his boyhood, haven’t you many times wished that Father Time could carry you back with him a hundred and fifty years and allow you for a few hours to walk among those good people with their quaint dress and customs? How interested you would be in the relatives and friends whose queerly transcribed verses, bearing date of a century and a half ago, adorn the yellow pages of your great aunt’s autograph album, which is one of your treasures!

To the present rather unsentimental world we admit of much the same sort of reverent feeling as we traverse the paths, centuries old, of the wrought iron region. Here is something which links us with the antiquities and we “take off our hats and tread lightly” over the lands and the centuries in and through which this primal material, wrought iron, has been produced.

92But we come back to a plain statement of the case. Let not the fact be overlooked that it is wrought iron which in some form or other has been made during the forty or more centuries that iron has been known. It undoubtedly was the pioneer of the iron family and through all of the centuries it has maintained its importance. From it as a base during the earlier centuries were made the steels for which the ancients were so famous, and similar practice has prevailed from those early times up to the present day.

Wrought Iron Bar Steel has no “fiber” and can not be split in this way.

We say that the iron made by the ancients was in reality a variety of what we now term wrought iron, for it fulfilled three of the principal requirements for wrought iron, viz., it was not necessarily melted during production, it was a malleable metal, and it contained cinder or slag, but practically no carbon.

Early iron and steel, of course, were comparatively rare, so much so as to be available only for implements of war and for particular purposes. Moreover, all of the steel made was of the high carbon, hard variety, none of it being of the low carbon sort which we know as the soft or mild steels. The latter have all come since the invention of the Bessemer process in 1855 and the Siemens-Martin (the open-hearth) process of a few years later.

As you will remember the next development in the iron industry was the use of the larger blast furnace and much more fuel, with higher temperatures and the production 93of cast iron which, by reason of the absorption of considerable carbon from the fuel, was fluid enough to run out of the furnace. And, as you also know, this blast furnace metal has come to be the great intermediate product in what has come to be known as the Indirect Process of making iron and steel.

Pickling in Weak Acid Exposes the “Fibers” of Wrought Iron

As pig iron contains 3½% or more of carbon, while wrought iron has none or comparatively little of this embrittling element, any process for converting the pig iron into wrought iron must eliminate the carbon.

Following the advent of pig iron as a commercial product several furnaces and processes were developed to turn it into wrought iron. All of these were based upon the elimination of the carbon by oxidation, which means the burning of the carbon in presence of oxygen of the air.

The best known ones were the Walloon or Swedish Lancashire process, the South Wales process, the Finery Fire, the Running-Out Fire and the Charcoal Finery or Knobbling process. The Walloon furnace, largely used in Sweden, is shown in the illustration on page 94.

While by the process generally used to-day wrought iron is more easily and cheaply produced, it must be said that 94by the processes above named has been made as fine iron as has ever been produced. The Sheffield manufacturers, whose high grade steel made by the crucible process, is so widely and favorably known for cutlery, tools, etc., in many cases yet demand the Walloon process iron made from high grade Swedish ores as the starting point for their product.

Bar Iron Will Stand Severe Bending Even After It Has Been Nicked

Swedish Walloon Furnace

One of several types of furnaces that preceded the Reverberatory. Some of them are still used.

In these furnaces which consisted mainly of a shallow hearth filled with glowing charcoal, with tuyères for blast supply, the pigs of iron were heated until molten. At high temperatures the metalloids of pig iron will readily burn in a blast of air. After the air blown over and upon the molten metal has burned out most of the carbon, the main metalloid, the melting point of the purified metal becomes so much higher that the heat of the furnace is not sufficient to keep it molten. It becomes more and more pasty and stiff therefore. This is what the iron maker calls “coming to nature.” It is the signal that the carbon is about gone and that he must be careful or the iron will suffer in quality. 95At this stage he sees to it that the mass of pasty iron is well protected by glowing charcoal until it is removed to be hammered or worked into a bar.

This in general is the process which was used from about the fourteenth century up to 1783 when Cort invented the reverberatory furnace which has since been the type generally used.

In the processes just referred to, all very similar, it should be noted that the iron was in contact with the fuel, which, therefore, had to be charcoal, the fuel with little or no sulphur.

Cort’s Reverberatory Furnace

This is the type of furnace generally used to-day.

Charcoal was an expensive fuel, and, moreover, there was an insufficient supply because of the great destruction of forests necessary for its production. Naturally the thing to do was to substitute coal, which was plentiful. But the sulphur of the coal spoiled the iron.

This proved to be a great barrier until 1783 when Henry Cort of England succeeded in making wrought iron in a new type of furnace wherein the iron was refined in one compartment while the fuel was made to furnish its heat from another; i. e., the fuel and the metal were not in contact and the refined metal did not suffer from the sulphur content of the coal.

The figure illustrating Cort’s furnace plainly shows how this was accomplished and it represents almost as well the furnace used to-day. In the one-hundred and thirty-three years that have elapsed since it was designed, his furnace has been changed only in certain details, and but two important 96changes have been made in his process—the use of an iron bottom instead of the sand bed by S. B. Rogers in 1804 and the introduction of “pig boiling” by Joseph Hall in 1830.

Cort’s process is known as “dry puddling” and his trouble was the excessive loss of iron, due to his use of the sand bottom and the absence of a proper cinder. The loss was said to have been from 50% to 70% of the iron charged; i. e., it took about 2 tons of pig iron to make one ton of wrought iron. Because of the great demand for iron and the fact that he was using such a cheap fuel, coal, his process at that time was a success financially.

Early Iron Rolls

While Cort did not originate the idea, it was he who first made the rolling process successful, and, therefore, he is given credit for the invention.

But Cort did not stop here. He saw the desirability of a quicker and more economical method of reducing the “blooms” or balls of iron into bars or other finished shapes than the hammering process up to that time used. He accomplished this by the use of power driven rolls, such as those shown in the cut.

These two inventions of Cort’s were epoch making, though of the two the more important one was the invention of the rolls from which has developed the modern rolling mill.

There remains to be described in a little more detail the making of wrought iron as practiced to-day. The puddling furnace used has a grate upon which is built the coal fire. The long flame passes over the fire wall and is deflected by the roof down upon the charge of pig iron piled upon the 97“fettling” or lining of iron oxide (iron ore or mill scale) over the air or water cooled iron plates which form the bottom and the sides of the hearth.

With a long iron bar the “puddler” (the expert attendant) turns the pigs until they have melted down into the bath of slag or cinder charged and continually being formed by the chemical union of iron from the ore or pig and some of the sand and other impurities present. This cinder, which is largely a silicate of iron, is a protection for the bath of molten iron and its use prevents excessive oxidation and loss of metal.

During the melting of the charge the heat is kept as high as possible and the molten iron is “puddled,” i. e., stirred, by the “puddler” or his helper with a “rabbler” or iron bar. In order to take out the phosphorus and sulphur, which for best results should be removed before the carbon is eliminated, the heat of the furnace is lowered somewhat as soon as all of the pig has melted, and some iron oxide is mixed into the “bath” of molten iron and cinder. Most of the phosphorus and sulphur are chemically acted upon and pass into the cinder which covers the iron. Soon the mass begins to boil or seethe and small blue flames break through the cinder covering. This indicates that the carbon is being oxidized by the oxygen of the iron ore which was added, the oxygen, as in the blast furnace, having a greater “affinity” for carbon than it has for the iron.

This “pig boiling” goes on for twenty or thirty minutes, the “puddler” meanwhile “rabbling” the charge in order to hurry the reactions and to make sure that all parts of the bath of molten metal are uniformly exposed to the oxidizing conditions.

98

The Making of Wrought Iron To-day. Charging the Pig Iron

99Soon the metal begins to “come to nature” and little lumps of pure iron here and there through the bath stiffen up into little pasty balls. Some may be seen sticking out through the cinder covering of the bath and others must be torn loose from the bottom with the rabbler. This “balling” period lasts from fifteen to twenty minutes, during which time all of the iron has “come to nature.”

The Coal Pile and Fire Box of a Reverberatory Furnace

Turning the Pigs to Insure Even Melting

The puddler quickly separates into two or three white-hot balls the 400 pounds or so of spongy iron. These balls, full of and dripping with cinder, are seized, one at a time, with long tongs, removed from the furnace and rushed to the rotary squeezer through which they are twisted and turned, ever becoming longer and smaller in diameter until they emerge from the other and narrower side much compacted and with but little of the cinder which they originally carried. Without being given time to cool, the blooms are seized and shoved into the “muck rolls,” whence after a few passes they emerge as long flat bars, very rough and imperfect in appearance.

100After shearing into short lengths, many pieces of this “muck bar,” as it is called, are made into “box piles” and tied together with wires. These are charged into the furnace of the finishing mill. After coming to a white heat the box piles go to the finishing rolls where they are rolled into bars, rods, plates, or other shapes desired. By repeated cutting, piling, heating, and rolling, double refined and other high grades of wrought iron are made, each repiling and rerolling, of course, producing a more compact and better product.

Puddling the Melted Charge

Considerable Cinder Overflows During the “Boiling” Stage

Wrought iron has a “fiber,” as may be seen from two of the illustrations presented. In “coming to nature” small particles of iron crystallize out as they become purer. These measure perhaps ¹⁄₃₂″ or ¹⁄₁₆″ in diameter. As it goes to the squeezer the ball of “sponge” is made up of such grains of iron loosely welded together with the interstices filled with cinder. The squeezer, and later the rolls, elongate 101the particles of iron into threads, which, welded together, make the bar.

It is thought by some that films of cinder, too thin to be seen under the microscope, surround each fiber of iron and that these afford protection from rusting and give to wrought iron the excellent welding quality that it possesses.

Drawing One of the Balls from the Furnace

On the Way to the “Squeezer”

Steel has no fiber and for this reason it cannot be split as was the wrought iron bar shown in the illustration of page 92.

It will have been noticed that only small amounts of iron can be refined at one time. This, indeed, has been the unfortunate part of wrought iron manufacture, for it may readily be seen that production of any such material in lots as small as a quarter ton results in labor costs which are almost prohibitive in these days of machine-made goods. Not only is the output of a furnace small but much skill and judgment are necessary for the production of a high grade product. Very 102sturdy and strong men, too, are required as puddlers, for the work is heavy and the extremes of heat and cold to which they are exposed necessitate men of rugged health.

Cross-Section of a “Squeezer”

This material in bar iron, engine stay bolts, butt and lap-welded pipe and certain other products has long held a high place. Though not as strong as steel, its very excellent welding properties and comparative freedom from “crystallization” and treacherous breakage under long continued vibration or sudden jar have fostered its application in such products as stay bolts, chain-links, cable hooks and others where failure might have serious consequences. Too, it is thought by many that pipes, sheets and other articles of wrought iron resist the corrosive influences of moist air, soil, etc., particularly well. The cinder films in which the fibers are supposed to be encased are given credit for such protective influence.

“Box Piles” Ready for the Re-Heating Furnace

Though the product has always been a favorite with iron users, the industry has suffered during the last sixty years by reason of the high cost of manufacture, which has very largely restricted the application of wrought iron to certain uses for which first cost is not a main factor.

The production of wrought iron rails has rapidly dwindled since the year 1880, when they began generally to be replaced by rails made from Bessemer steel.

103

The Ball Going Into the “Squeezer”

Shearing the Muck Bar into Short Lengths for “Piling”

The Bloom from the Squeezer Goes to the “Muck” Rolls Which Roll It Down into “Muck Bar”

The Re-Heated “Box Piles” Being Rolled into “Skelp” for Pipe, in the Finishing Mills

104

Cross Piling Gives Cross Fibers in the Finished Bar—a Desirable Quality

Of recent years, mild steel has been the great competitor of wrought iron. With marvelous energy, skill, and much capital the manufacturers of Bessemer and open-hearth steels have adapted their products very well to the needs of the iron user, while the enormous tonnages turned out in short time by use of ingenious furnaces and other devices has resulted in a low cost of production.

Had any of the several mechanical puddling furnaces devised for the manufacture of wrought iron proved really successful, things might be more rosy commercially for this very excellent material.

According to the 1916 Statistical Report of the American Iron and Steel Institute, the recent yearly production in this country of wrought iron and steel merchant bars, plates and sheets, and skelp for pipe in gross tons has been:

Merchant Bars Plate and Sheets Skelp for Pipe
Iron Steel Iron Steel Iron Steel
1905 1,322,439 2,271,162 72,156 3,460,074 452,797 983,198
1906 1,481,348 2,510,852 74,373 4,107,783 391,517 1,137,068
1907 1,440,356 2,530,632 74,038 4,174,794 444,536 1,358,091
1908 685,233 1,301,405 54,033 2,595,660 297,049 853,534
1909 952,230 2,311,301 76,202 4,158,144 370,151 1,663,230
1910 1,074,163 2,711,568 91,118 4,864,366 350,578 1,477,616
1911 835,625 2,211,737 89,427 4,398,622 322,397 1,658,276
1912 944,790 2,752,324 75,044 5,800,036 327,012 2,119,804
1913 1,026,632 2,930,977 64,729 5,686,308 312,746 2,189,218
1914 563,171 1,960,460 56,590 4,662,656 264,340 1,718,091
1915 657,107 3,474,135 20,253 6,057,441 262,198 2,037,266
1916 993,948 5,625,598 13,303 7,440,677 355,445 2,572,229

105There is considerable so-called wrought iron on the market to-day which is not truly wrought iron, by which we mean iron “puddled” from pig iron.

Bushelled Iron

After heating a mixture of thin sheet or other soft steel and wrought iron scrap to a welding heat in a reverberatory furnace, it may be balled and put through the squeezer, muck rolls, etc., as was the true wrought iron made by puddling. This manipulation of scrap is known as the bushelling process and the product as “bushelled iron” or “scrap bar.” By using scrap bar for the outer layers and old wrought iron bars cut to length for the interior, box piles are made, which, heated and rolled, make very good material, though not as good as puddled iron. Certain grades on the market, e. g., common bar iron, contain more or less of this bushelled iron, but the better grades, refined wrought iron, double refined wrought iron, engine and stay-bolt iron, are usually the pure puddled product.

As with the latter, repeated shearing, piling, and rolling improve the quality.

Bushelled iron is largely the result of an endeavor to reduce the cost of production of wrought iron. The material has a legitimate place and considerable of it is used.

106

CHAPTER VII
CEMENTATION AND CRUCIBLE STEELS

In the early days practically the only steels recognized—certainly the only ones desired—were of the high carbon or hardening variety. These were required for the manufacture of swords and other implements of war, for tools, etc., most of which had to have hard and sharp cutting edges.

When softer and less brittle metal was desired, wrought iron was available, but in all probability high carbon steel was the material most largely used.

Having but the two iron alloys and these of very different properties, it was not difficult to distinguish between them. A piece of metal could be heated to redness and plunged into cold water. If it became glass hard when cooled in this way it was thereby proved to be steel; if still soft, it was iron.

But the problem is not so simple to-day. Medium, mild and yet softer steels, and other alloys which have steel characteristics have appeared and are used in immense quantities. Their advent introduced considerable complication.

It will be well, therefore, before taking up our subject, “Cementation and Crucible Steel,” and the several steels which are to follow, to make sure that we all understand, as well as we may, what is “steel” as defined to-day, what are the best known varieties, and what are their characteristics?

For a rough classification it is safe for us to divide the 107steel world into four general divisions as follows:

1. The harder, high carbon steels used for tools, dies, etc.

2. The mild and medium steels of which wire, rod, bar, plate, pipe and structural shapes for bridges, ships and “sky scrapers” are made.

Hardening a Piece of Tool Steel. Ready to Quench

3. Alloy steels, to which some metal such as nickel, manganese or chromium gives definite properties and the name.

4. Those other modern materials which are known as “self-hardening” and “high-speed steels.”

Bowknot Made from Piece of Steel Pipe

The two classes last named are not simple iron-carbon alloys and their properties are less directly derived from and do not so plainly depend upon carbon. Metallurgically, then, they are not steels in the exact former sense of the word; but as they do require carbon—though perhaps in lesser amount, are made by regular steel processes, have most of the characteristics of steel and are used for the same general purposes, they are undoubtedly entitled to the appellation “steel.” However, to distinguish, they are usually termed “alloy steels.”

We are just now concerned only with the steels of classes one and two—the carbon steels. As explained in a previous chapter, these are alloys of iron with not more than 2 per cent of carbon.

108

High Carbon Tool Steel (1.25 Per Cent C) as Cast

(Magnification 70 diameters)

Low Carbon Tool Steel (.50 Per Cent C) Annealed

(Magnification 70 diameters)

Low Carbon Tool Steel (.50 Per Cent C) as Cast

(Magnification 70 diameters)

Medium Carbon Tool Steel (.86 Per Cent C) as Cast

(Magnification 400 diameters)

109Carbon is the element the presence of which confers upon iron the ability to harden when cooled suddenly from a cherry-red heat, as by quenching in water or oil. If the steel contains less than four-tenths of one per cent of carbon it has little or no hardening power under this treatment; but steel with six-tenths of one per cent or more of the element, has the wonderful property of being slightly malleable when in the annealed state, but extremely hard and brittle after this sudden cooling—leads a dual life, so to speak.

Low Carbon Tool Steel (.50 Per Cent C) Hardened

(Magnification 100 diameters)

At any time, hardened steel may be returned to its former condition of softness by the well known process of annealing, wherein it is reheated to the same cherry-red heat and slowly cooled.

At the will of the blacksmith or metal worker alternate hardening and softening may be repeated a great many times without apparent deterioration.

Various degrees of hardness also, may be obtained according to (1), the percentage of carbon in the steel, and (2), the completeness and suddenness of the cooling.

As considerable brittleness and internal strain in the metal necessarily follow hardening, the hardness is usually “tempered” or “let down” by a careful reheating to a much lower temperature, usually 425 to 550 degrees Fahrenheit. From this temperature a second quenching “fastens” the temper at whatever of the original hardness the steel retains at the temperature chosen by the smith 110for the second quenching. Much of the brittleness is in this way relieved. The smith calls it “toughening” the steel. Tools so treated are much less liable to break.

The steels that will harden (we will call them “carbon tool steels”), range ordinarily from the .60 per cent carbon variety, used for hammers, cold chisels, etc., to those containing 1.50 per cent of carbon which are selected for razors, scalpels, and other tools requiring high temper. Each one of these many grades is susceptible of a wide variety of temper in the hands of a capable man, who must select his steel and give to it the most desirable temper for the work for which the tool is designed.

Mild Steel Pipe (.10 Per Cent C)

(Magnification 70 diameters)

Blacksmiths and other tool makers become extremely proficient in judging steels and the proper temperature at which each should be hardened and “drawn” (tempered). They judge temperatures solely by the color of the steel when heated. Every five or ten degree change imparts a slightly different shade as the steel grows hotter in the forge fire or cooler when about to quench.

Observation of a good blacksmith at work and a few minutes’ conversation with him about his “art” will give one greater knowledge and appreciation of the carbon tool steels than volumes of writings concerning them. Along with it will come more respect for the skill of these clever men whose handiwork is never exhibited in salons and about whom the world hears little, though indebted to them for a great measure of its civilization and prosperity.

111

High Carbon Tool Steel Is Extremely Brittle When Hardened and Has Very Little Malleability When Annealed

112What and how much would be possible without machines and proper tools?

Quarter-inch Mild Steel Plate with Double Fold. Folded Cold Without Slightest Crack

About sixty years ago steels of much lower carbon content appeared. They have been made softer and softer until we have what we now know as the “mild” steels and even the almost or practically carbonless material which we called “open-hearth iron” or “ingot iron” in a former chapter. These have not the hardening property but they possess softness, ductility and freedom from brittleness which the higher carbon steels always lack. For such real evidences of our Twentieth Century civilization as the great bridges, ships, buildings, etc., they are indispensable, for they are easily cut, bent and otherwise worked into shape, and they combine pliability with sufficient strength for the service intended. Such steels are desirable, for when overloaded they bend before they break, thus giving warning of the danger.

These mild and medium steels are of immense importance industrially. Of the 31,000,000 tons of steel made in the United States during 1912 probably 99 per cent was of the soft and medium varieties.

It has been said that “the exception proves the rule.” Cementation steel is the exception to the rule which we gave in Chapter VI that steel is always melted during its manufacture.

If a thin piece of bar iron be packed in powdered charcoal and heated at low red heat for some time, the metal, 113after cooling, will be found to have acquired the hardening property. In other words by absorption of carbon it will have become steel with all of the characteristics of that material. Neither the iron nor the carbon by which it was surrounded have melted, yet in some way carbon has penetrated into the iron and if the heating has been sufficiently long, carbon will be found at the center of the bar. But always there will be more carbon in the outer layers of the bar than in those farther inside, i. e., it will be found in diminishing amounts as we approach the center.

Shelby Seamless Steel Tubing Crushed Endwise

Just how and when the cementation process for making steel, to be now described, was discovered is not known. It may have been the result of the non-uniform working of the larger blast furnaces which were developing in Continental Europe during the Thirteenth century. From the German “natural steel” which was probably the steely product too rich in carbon for the wrought iron which they intended to make and much too poor in carbon to be the fluid cast iron which with the growing height and heat of the blast furnace they later did make, may have come the idea. More likely, a piece of thin wrought iron was accidentally left imbedded in glowing charcoal until it had absorbed some carbon.

114

A Crucible Melting Room. “Melting Holes” Are Beneath the Square Covers on the Floor at the Left. Note the New Crucibles Drying on the Shelves, and the Ingot Molds at the Right

115The first mention of cementation steel appears to have been by an Italian metallurgist, Vannuccio Biringuccio, who, in 1540, described the making of steel by heating billets of soft iron for a long time in molten cast iron. The modern method, the heating of wrought iron in powdered charcoal, was certainly known in the sixteenth century and this method of cementation has been practiced in France, England, Belgium and Germany since the seventeenth century.

A Sheffield (England) Cementation Furnace

Reaumur, the Frenchman, whose process of making cast iron soft by annealing bears his name and is still used in Europe, was the first to study and understand to any extent the cementation process. Publication, about 1722, of his complete directions for cementing iron gave great impetus to the manufacture of steel by this process. Fate, however, was unkind and his own nation, France, by reason of her small production of suitable iron for the work, was unable to profit greatly through his discoveries. Sweden, England and Germany were benefited to a much greater extent.

During the early years many were the secret and wonderful mixtures and compounds offered for this work, but of them all carbon in some form was the only necessary element.

116Finely divided or powdered charcoal or bone dust has been mostly used.

Huntsman Crucible Furnace—Original Type

One Type of Oil-Fired Crucible Furnace

Sheffield, England, steel makers, have been very successful in the manufacture of cementation steel. Their usual method is to pack flat strips of best Swedish Walloon iron in charcoal in rectangular stone boxes about four feet wide, three feet high and fourteen feet long. Alternate layers of small-sized charcoal and thin iron bars are piled in these boxes until they are filled, the bars not being allowed to touch one another. When full, top slabs are luted on to the boxes to make them airtight.

Fire is kindled in the firebox below and the heat gradually raised until furnace and boxes are cherry-red in color. This heat is maintained for seven to eleven or more days, depending upon the hardness desired, i.e., the amount of carbon they desire absorbed. The furnace is closed and allowed to cool slowly, which requires another seven or more days.

Upon unpacking the furnace the bars are found to be brittle and of a steely fracture instead of the soft malleable 117material which was put in. They have become high carbon steel.

Expert workmen are able to judge very closely the hardness of the steel by looking at the fracture and they sort the bars in this way, piling bars of similar hardness together.

Huntsman Coke-Fired Crucible Furnace—Modern Type

Bars thus made show many blisters on the surface and the steel became known as “blister steel” on this account. The reason for these blisters was not discovered until along about 1864, when the well-known English metallurgist, Percy, proved that the blisters were caused by the chemical action of carbon on the slag contained in the wrought iron. The gases formed produced the blistering of the bar. That this is the explanation is proved by the fact that bars of mild steel or iron without slag do not blister.

Blister bars heated to a forging heat and drawn out under the hammer or rolled into bar steel are known as “spring steel”, or “plated bars.”

As in wrought iron manufacture, a cutting to length, repiling, heating, welding and again drawing down by hammering or rolling produces much more homogeneous and reliable steel. Piled and reworked steel of this sort became known as “shear” steel because blades of shears for cropping woolen cloth were always made in this way.

118Many of us will recognize in the cementation process an extended “case hardening.” Case hardening is very largely resorted to by iron and steel workers, who in a few hours can give a hardened and long-wearing thin outer layer of steel to a piece of iron or soft steel after it has been forged or machined into the desired shape.

Siemen’s Gas-Fired Crucible Furnace—Regenerative System

One pair of Checker-work Chambers, k. h., is being heated by the hot outgoing flame and waste gases while the other pair is heating incoming gas and air. They are worked alternately.

This shear steel was largely made and was quite satisfactory, until, as described before, Huntsman, a Sheffield clock maker, conceived the idea of melting together in a pot or crucible blister bars or bars of shear steel. This he did to equalize the carbon content and give uniformity of product which had never been attainable through the cementation process alone.

From that date (1740) to this the crucible process has undergone only minor alterations and to-day it produces the highest grades of steel which we have. Practically all of the high grade tool steels are produced by this process.

Nor has Huntsman’s form of furnace been greatly changed, as the illustrations prove. Though gas and oil as well as coal are, in many cases, used as the fuel, the general design of the furnace has remained the same.

For a century crucibles were made from clay molded to form, slowly dried and very carefully burned. Usually each steel maker made his own crucibles. They could be used but three times, becoming so thin and tender after 119use for three batches of steel that they were not safe for a fourth. Graphite crucibles are now very largely used. They withstand the severe heat much better and can be used five or six times. The expense item for either clay or graphite crucibles is a large one.

The Stalwart Melters

After filling with small pieces of blister or shear steel the crucibles are entirely surrounded by coal or coke in the furnace pit. The fire is so regulated that the steel is not too quickly melted. Fresh coal or coke must be put in around the crucibles two or even three times.

When he thinks the steel should be molten, the expert attendant known as the “melter” quickly removes the tight fitting cover of the crucible and with an iron rod determines whether any unmelted pieces remain.

After complete melting the steel must be “killed,” else it will boil up in the mold upon pouring and leave a spongy or insufficiently solid “ingot” or block of steel. This “killing” of steel is a rather peculiar phenomenon. It is accomplished by allowing the steel to remain quiet in the furnace for another half hour or so. Undoubtedly the quieting is 120the result of the escape of the gases or impurities which are contained in the charge, and absorption of the chemical element, silicon, from the walls of the crucible.

We have met this element, silicon, before in our metallurgical journey and we will likely meet it several times again. To the metallurgist it is secondary in importance only to carbon.

Pulling the Crucible

When the steel has been properly melted and killed it is ready to pour. An assistant lifts the cover from the melting hole, the “puller-out” seizes the crucible just below the bulge with circular tongs and pulls it from the coke which surrounds it. The slag is skimmed off the top and the steel poured into iron molds forming small “ingots,” usually from 2 to 4 inches square and two feet or more long.

Every part of the process, even the pouring, must be done with extreme skill and care or the product suffers.

After liberation from their molds, the ingots are heated and either rolled or hammered down to the sizes desired for tools, etc.

As stated before, crucible steel necessarily is an expensive material both on account of high labor and crucible costs. For this reason, many have resorted to the process 121used in the very small way mentioned for the manufacture of Wootz steel—the melting of wrought iron bar or soft steel in a crucible with carbon.

In the Wootz process chopped wood and green leaves were used. Nowadays charcoal is substituted or there is added the proper amount of cast iron to give the desired amount of carbon to the wrought iron or soft steel charged. During the melting the iron takes up the charcoal and alloys with it.

“Teeming” or Pouring into Ingots. The Ingots Later Are Forged or Rolled into Bars from Which the Tools Are Made

Proper amounts of silicon, manganese, and other beneficial materials are also charged, which become either part of the alloy itself or have a cleaning or fluxing action upon it.

Steels made in this way are practically, though perhaps not quite, as good as steels made by melting together the properly selected cementation bars. The method has come to be very generally used on account of its directness and because it eliminates the long and expensive preliminary cementation process.

When Bessemer and open-hearth steels made their appearance in the market an attempt was made to use them instead of wrought iron as the base for high grade crucible 122steels. Though seemingly pure enough, apparently purer even than wrought iron, these metals were not able to compete with wrought iron for this purpose. For some reason, not yet satisfactorily explained, these new materials which are made in 15, 35 and 50–ton batches, when used as a base, do not give as high quality tool steel as puddled wrought iron, which is slowly and laboriously made in 500–pound lots. Considerable of these materials are utilized but it is for a somewhat lower grade of crucible steel.

For many years mild steels for castings have been quite largely made by the crucible process. They are among the best but the crucible and labor costs are usually too great to allow crucible steel castings to compete in present markets.

123

CHAPTER VIII
BESSEMER STEEL

The “Manufacture of Malleable Iron and Steel without Fuel” was the startling title of a scientific paper read in 1856 before the British Association for the Advancement of Science. This was the announcement to the world of Henry Bessemer’s invention of the process for making iron and steel which led to the greatest commercial development the world has seen.

To those of us who have had little or no experience along manufacturing lines the announcement seems strange enough, but metallurgists, engineers and manufacturers who know how serious is the matter of fuel bills realize at once how revolutionary the claim of Bessemer must have seemed to men of those days.

As occurs with so many new things the idea was scoffed at; Bessemer’s scheme was one purporting to give “something for nothing” and—well, it could not be.

It was ridiculous!

And why should it not have seemed strange when we consider that up to that time fuel had been required in all metallurgical processes. In the old Catalan furnace and the types that preceded it, in the Finery Fire, the Walloon and the several other refining furnaces fuel had to be provided without stint. The lowest proportion that seventy years of experiment and practice had brought about in Cort’s puddling process was one ton of coal per ton of iron, 124while the blast furnace required at the least four-fifths of a ton of coke for each ton of pig iron produced.

Kelly’s First Tilting Converter

Whether Bessemer, an Englishman of French descent, or William Kelly, an American of Irish descent, of Eddyville, Ky., first conceived the idea of the “pneumatic” process is a moot question. Considerable evidence substantiates the claim that the latter first hit upon the scheme and during the ten years between 1846 and 1856 had considerable success with its development. Perhaps Bessemer had heard of Kelly’s experiments. There is no proof that he did. Whether he did or not, the fact remains that he quite independently and very fully developed the process in England, and with great business sagacity and energy made it the success that it is.

As fortune has withheld from Kelly and from this country credit which was deserved, it is desirable to tell briefly the part which he had in the development of this process that with a single furnace converts pig iron into steel at the rate of a thousand tons in 24 hours and first made mild steel available as a building material.

In 1846 Kelly, with a brother, bought the Suwanee Iron Works, near Eddyville, Ky. After about a year they encountered 125the same difficulty that charcoal iron manufacturers usually have encountered—the failure of the supply of fuel. This difficulty Kelly, a better inventor than business man, apparently had not foreseen. His business was threatened unless some other way of refining his iron was found.

Crucible with Which Bessemer’s First Experiments Were Conducted

One day while watching the operation of his Finery Fire he noticed that the blast of air from the tuyère made the molten iron where it impinged very much whiter and apparently hotter than the rest. Like other iron makers, he had always supposed that a blast of cold air chilled molten iron.

It appears that Kelly was not long in surmising the truth. In a few days he had rigged up a crude apparatus and made soft iron from which a horseshoe and a horseshoe nail were fashioned by a blacksmith.

Fixed Converter of 1856 with Six Tuyères About the Sides

Being conservatives, Kelly’s customers were not slow in informing him that they did not want iron made by anything other than the “good old process” and he was obliged to accede to their demands or lose their trade.

Like Galileo, however, he had not really surrendered. In the woods near by he built and experimented with seven successive “converters,” as the furnaces are called in which Bessemer steel is made.

Upon learning that Bessemer of England had been 126granted a United States patent (1856), Kelly came before the patent office and proved that he had several years before used the same process. The priority of his invention was acknowledged, and a patent was granted to him also (1857).

Bottom Blowing Tilting Converter

Financial troubles and finally bankruptcy handicapped him. However, the Cambria Steel Co., of Johnstown, Pa., became interested and let him experiment with his process at the company’s plant. Here in 1857 he built his first “tilting” converter. His first public demonstration resulted in failure and ridicule, but a few days later he was successful. Steel makers bought interests in his patent, which at its expiration in 1870 was renewed by the United States Patent Office, while renewal of Bessemer’s patent was refused.

In 1858 Bessemer Erected His First Converter of the Form Generally Used To-Day

The Kelly Pneumatic Process Company, which was organized to operate under Kelly’s patents, built a converter at an iron works at Wyandotte, Michigan. Here the first pneumatic process steel ever made in this country in other 127than an experimental way was “blown” in 1864.

Meanwhile Alexander L. Holley, an American engineer, had obtained for another American company the right to manufacture steel here under Bessemer’s patents. He built a plant at Troy, New York, which began making steel in 1865.

Even the Detachable Bottom—to Facilitate Repairs—Was Thought of and Patented by Bessemer—1863

It was soon decided to merge the interests of the two companies and in 1866 this was done, the process thereafter being known as the Bessemer Process. During the early years of the process here Holley became very well known. As consulting engineer he designed practically all of the Bessemer plants which were built during the first ten or fifteen years.

To the majority of the people of the United States to-day Kelly and his parallel part in the great invention are practically unknown, and thus not only he but the United States is without credit which should be ours.

Fortunately Kelly did not entirely fail to profit financially as so many times is the case with inventors. He received a total of about $500,000. Bessemer’s return from his process is said to have approximated $10,000,000 and he was knighted by the British sovereign.

More intimate details regarding Kelly and his work may be found in Munsey’s Magazine for April, 1906, where H. Casson gives information which he received direct from several of the men who knew and worked with Kelly.

While apparently not the originator of the process, Bessemer is without any doubt entitled to most of the credit 128he received. There is no proof that he had heard of Kelly’s experiments when he began his own or that he was aided by Kelly’s discoveries. He worked out the details of the process independently, as had Kelly, and it was Bessemer who put it on a commercial basis.

As has occurred with other new processes Bessemer’s first licensees were not particularly successful. When those who had bought the right to use his process had failed in their efforts to use it, and become discouraged as most of them did, he quietly bought back their rights and went ahead with his development of the process. Perhaps no man ever exhibited more perseverance in continuing experiments and development under very discouraging conditions than did Henry Bessemer. He had faith.

Sectional View of a Modern Converter Showing Air Duct and Tuyères

He had a genius for invention and was thorough in his experimental work. Practically no type of converter has since been brought out that he did not think of and try, and the process has been modified in but one or two important particulars in the years that have passed.

The essential part of the Bessemer process is the blowing of air through molten cast iron to remove the metalloids by which cast iron differs from steel and wrought iron, as has been explained before.

This being the essential point, and at first thought the lack of fuel seeming so peculiar, we must describe what happens during the Bessemer “blow.”

129

Pouring Charge of Molten Pig Iron into Converter

130Technically speaking, the metalloids are “oxidized.” Oxidation is the chemical uniting of oxygen, generally from the air, which has 21 per cent of this element, with another element or material such as iron, silicon, carbon, wood, coal, etc. If the oxidation is slow as in the “rusting” of iron, the resulting heat dissipates as fast as it is generated and the change is hardly noticeable. If, however, the reaction occurs rapidly and with vigor enough, we say that the material “burns.” The latter sort of oxidation is what we call “combustion.”

The affinity between the metalloids and oxygen has been noted by us before, but in those cases most of the oxygen came from a different source.

In the wrought iron process most of it was furnished by the iron ore or scale which was stirred into the metal, or by the slag which covered the “bath.” In the Bessemer, or as it was first known in America, “Kelly’s air blowing process,” the oxygen of the air blown through the molten metal directly oxidizes or burns out the carbon, silicon, and manganese. The extremely rapid oxidation of these furnishes the heat.

The iron, then, furnishes its own fuel and no outside combustible is needed.

How can this be?

In every ton of molten cast iron there are approximately 70 pounds of carbon, 25 pounds of silicon, and 15 pounds of manganese or a total of about 2000 pounds of these metalloids in the fifteen-ton charge of molten metal which goes into the ordinary steel plant converter.

We know that if burned in a furnace this ton of high grade fuel would generate much heat. Burned inside of the mass of molten metal it generates exactly that same amount of heat and the heat is applied with such rapidity, directness and efficiency that the molten iron which had a temperature of 2300° F., say, when charged, in nine or ten minutes 131has become steel with a temperature of about 3000° F. simply through this rapid oxidation of its 4 to 6 per cent of metalloids.

How the blast under 15 to 30 pounds per square inch is applied through little nozzles in the bottom of the modern “converter” and the several types of vessels with which Bessemer experimented in the course of his investigations are shown in the illustrations.

Nor is it necessary that the air be blown through the metal. Air blown upon its surface accomplishes practically the same purpose, and in many of the steel foundries of to-day smaller converters of this “surface-blown” type are used for producing steel for castings. The large steel plants, however, use the larger “bottom-blown” converter. Two or three of these vessels, working with proper metal from the “mixer,” produce an immense tonnage of steel each 24 hours.

The “mixer” is quite necessary. It is a large vessel or furnace holding and keeping hot from 75 to 300 or more tons of metal from the blast furnace. It mixes and equalizes irons of various compositions, so that the converters have the advantage of uniform and hot metal with which to work.

In addition it is made to perform a “refining” service. By mixing into the metal a quantity of manganese, considerable of the sulphur present (a deleterious substance) is removed.

The fifteen or twenty minute blowing of 15 tons of metal in the big egg-shaped converters of a steel plant presents a spectacle which, when once observed, will never be forgotten.

One sees a little “dinky” engine come shooting into the converter building with its ladle of molten iron from the “mixer.” With America’s time saving routine not a single minute is lost while emptying the metal into the converter, now in a horizontal position. Almost before the ladle is out of the way, the converter swings to the upright position with the blast already on, for otherwise the metal would flow into the tuyère holes at the bottom.

132

Comparison of Ingots

A. From Four Pot Crucible Furnace: Each Heat 400 Pounds in 4 Hours or 100 Pounds an Hour, Each Heat Pours 4 Ingots 3 × 3 × 36″. B. From Fifteen Ton Bessemer Converter: 30,000 Pounds in 20 Minutes or 90,000 Pounds an Hour, Each Heat Pours 6 Ingots 19 × 20 × 62″. C. From Fifty Ton Open-Hearth Furnace, 100,000 Pounds in 8 Hours or 12,500 Pounds an Hour, Each Heat Pours 6 Ingots 24 × 32 × 72″.

133Reddish-brown smoke and a shower of sparks come from the converter. These gradually develop into a flame.

The blast shows considerable partiality in selecting for its first attention the metalloids silicon and manganese, in preference to the iron itself or any other of the metalloids present. After from three to five minutes half of the silicon and manganese have been burned out. If the temperature of the metal and other conditions have become right the carbon then begins to burn. This gives a change in the nature of the flame which becomes large and of a dazzling whiteness.

The metal is hot—very hot—so much so that pieces of cold steel often must be dropped in to cool it somewhat. This is known as “scrapping” the charge.

An experienced blower can judge through every period of the operation of the condition of his metal and just how things are progressing.

After some minutes the flame begins to waver and later “drops”; i.e., there is scarcely a flame at all. This signal, which is very definite to an experienced man, cannot be lightly disregarded. Oxygen has affinity for iron as well as for the metalloids and it is only because of its greater love for silicon, manganese and carbon that it has thus far largely neglected the iron. With the metalloids mentioned out of the way, as they are when the drop occurs, the iron will begin to burn. Were the “blowing” continued we would shortly have no iron left, but in its place a mass of iron oxide and slag.

Thus we see that during the first minutes of the blow, more than one-half of the silicon and manganese are burned. The remainder of these and all of the carbon are removed in the subsequent five or six minutes. At the end of this short blowing period we have practically pure iron.

134

Two Converters in Operation and a Third Pouring

135The metal is not yet in condition to pour well, however, largely because of the dissolved air and gases which it holds. Something akin to the “killing” of the steel which we observed in the crucible process must be accomplished or ingots from it will be spongy. And, having practically no carbon, it is not yet “steel.”

Bessemer, knowing that the finished steel should contain carbon, tried to stop the blow long enough before the drop of the flame to leave exactly the desired amount of this element. He found this difficult to do and therefore uncertain. It was found to be far better to blow until the drop of the flame and then put back sufficient carbon to give the proper composition.

An English metallurgist named Mushet discovered that addition of manganese ridded the metal of injurious gases and oxides and what is known as “red-shortness.” After a period of difficulty without it Bessemer acknowledged the necessity of manganese and adopted its use. It had before this been used in crucible steel.

Upon turning down the converter at the drop of the flame, the blast is turned off and a smaller ladle is run in on a track above. This brings a molten mixture of irons, usually known as “spiegel” or “spiegeleisen” which contains just enough carbon, manganese and silicon to give to the whole of the molten metal in the converter the metalloids needed to make of it steel of the composition desired. This addition also accomplishes the “deoxidation” of the metal. By deoxidation we mean that the iron is relieved of the oxygen and gases which have remained as a result of the blast. This is necessary in order to give proper fluidity for pouring and the best physical properties to the finished steel.

136After “recarburization,” as this addition of manganese-silicon-carbon metal is called, the steel and slag are quickly poured out into a ladle waiting below from which the steel is “teemed” (i.e., poured), through a “nozzle” or hole in the bottom into ingot molds arranged on trucks on the railroad track which runs through the building.

Teeming the Finished Steel into the Ingot Molds

When the molds have been filled and a strong crust develops on the steel the cars are pulled to the “stripper” where the molds are removed, leaving the white-hot ingots standing on the cars.

The ingots mentioned in the chapter on Cementation and Crucible Steel were usually small enough that one pot of 100 pounds of metal filled the mold. A four pot furnace therefore produced 400 pounds. Now for the first time, we are talking in tonnage figures. Instead of a batch of steel making four 3″ × 3″ × 36″ ingots of 100 pounds each, the ordinary “heat” of Bessemer steel from the 15–ton converter gives six or seven ingots about 18″ × 20″ × 60″ in size. Each of these weighs about two tons. The total is 30,000 pounds.

From the stripper the ingots go to the gas-fired soaking pits where the molten interiors of the ingots gradually solidify by cooling while the outer crusts are reheated. After equalizing the temperatures of exteriors and interiors in this way, the ingots are white-hot again and ready for rolling.

137

Molds Being Stripped from Ingots

138The purpose for which the steel is intended, of course, determines the shapes and sizes into which the ingots are rolled. For rails they are rolled down directly, each ingot making about six rails, of thirty-three-foot length. For most other purposes the ingots are rolled in the slabbing mill into billets or slabs which are of intermediate shapes and sizes which are reheated and further rolled down into axles, bars, shapes, wire or other products.

Meanwhile the converter which we saw emptied has not been idle. The American steel engineer has genius for mechanical efficiency and all parts of a great steel plant are so co-ordinated that enormous quantities of material can be handled with not a moment lost between trips. Almost before the ladle of steel had swung away from the converter’s mouth, any remaining slag was dumped from the converter by further tipping, the vessel returned to receiving position and the ladle car, back again from the mixer, poured in the next charge.

Thus blow after blow is made without loss of time.

Repairs are allowed to take no longer than is absolutely necessary. When the lining around the tuyères gets too badly cut by the action of the air and metal the bottom is removed, another one is quickly substituted and the steel making goes on.

Blowers, ladlemen, cranemen, pourers, patchers, vesselmen, sample boys and the other workmen are relieved by their “partners” at the end of each shift, each man of necessity working until relieved—twelve, twenty-four, or even thirty-six hours, for there must be no delay. So day and night, through the entire week from Monday morning at six, when they begin, until the next Sunday morning at six, 139when the plant shuts down for a brief spell, the converters go on turning out three heats per hour or four to five hundred per week each.

It has been mentioned that most of Bessemer’s first licensees failed with the new process. The reasons for this were various, but one in particular was the attempt of many to use metal of high phosphorus content. Bessemer soon discovered that no phosphorus was removed during the “blow” and that, as phosphorus in quantity over one-tenth of one per cent was detrimental to steel, it was necessary to use raw material which had little of this element.

This could be done, but it barred many pig irons otherwise good. Fortunately Swedish and many English irons had low phosphorus. Germany’s vast beds of high phosphorus ores, however, were useless for the purpose.

For twenty years this situation existed, during which time many metallurgists endeavored to make the process applicable to irons which contained high phosphorus. After long study and many experiments the problem was solved by Sidney Thomas, an English metallurgist. With a cousin, Percy Gilchrist, he made hundreds of blows with a toy converter holding only eight pounds of iron.

Bessemer’s linings had been of sand, clay and other earths which are known chemically as “acid” materials. By using “basic” materials such as limestone, dolomite, etc., for the converter lining and additions of limestone or burnt lime to the charge before and during the blow to make and keep the slag “basic,” Thomas was able to make the phosphorus burn after the carbon had been removed. Therefore, a three or four minute “after blow” following the “drop” of the carbon flame took out the phosphorus,—again, with generation of heat.

So there are two varieties of the process—the acid Bessemer and the basic Bessemer, but the former, only, is used 140in this country as we have few high phosphorus ores. The analogous open-hearth processes, which are next to be described, are both used in this country with the basic open-hearth greatly in the lead.

However, the basic Bessemer process of Thomas and Gilchrist is credited with making Germany’s great industrial development possible.

Year Table No. 1
Materials Used for Rails[6]
Table No. 2
Total Steel Made by Processes[6]
Wrought Iron Bessemer Steel Open-Hearth Steel Bessemer Steel Open-Hearth Steel Crucible Steel
1849 21,710          
1850 39,360          
1855 124,000          
1860 183,000         No Data
1865 318,000          
1867 410,000 2,280   2,679    
1868 445,970 6,450   7,589    
1869 521,370 8,620   10,714 893  
1870 523,000 30,360   37,500 1,339  
1875 448,000 260,000   335,000 8,080 35,180
1880 441,000 852,000 12,160 1,074,000 110,850 64,660
1885 13,000 959,000 4,280 1,515,000 133,000 57,600
1890 14,000 1,868,000 3,590 3,689,000 513,000 71,200
1895 5,810 1,300,000 700 4,909,000 1,137,000 68,700
1900 695 2,384,000 1,330 6,685,000 3,398,000 100,500
1905 318 3,192,000 183,000 10,941,000 8,971,000 102,200
1906 15 3,391,000 186,000 12,276,000 10,980,000 127,500
1907 925 3,380,000 253,000 11,668,000 11,550,000 131,000
1908 71 1,349,000 572,000 6,117,000 7,837,000 63,600
1909   1,767,000 1,257,000 9,331,000 14,494,000 107,400
1910 230 1,884,000 1,751,000 9,413,000 16,505,000 122,300
1912   1,100,000 2,105,000 10,328,000 20,780,000 121,500
1913   818,000 2,528,000 9,546,000 21,600,000 121,200
1914   324,000 1,526,000 6,221,000 17,175,000 89,900
1915   327,000 1,775,000 8,287,000 23,679,000 113,800
1916   440,000 2,270,000 11,059,000 31,415,000 129,700

6. In United States—long tons of 2,240 pounds.

The well-known “Thomas Slag” which is in demand as a fertilizer on account of its phosphorus content is the by-product of the basic-lined converter.

An idea of what the invention of the Bessemer process meant to railroad development alone may be gained by 141studying for a moment Table No. 1. Wrought iron was our first material for rails, but, being very soft, it did not give long service. But a short time was required for Bessemer steel to displace it for rails when steel became available. The greater uniformity, strength and hardness of the alloy gave such excellent wearing properties that few rails of iron were laid after the year 1880.

During recent years rails have been made of greater and greater strength and hardness to keep pace with the fast increasing weight, speed and frequency of railroad trains, steel being susceptible to much modification of properties.

Now it appears that Bessemer steel is giving way to other products which show even superior properties.

What happened in the railroad world to a great extent has happened elsewhere, as the figures of Table No. 2 show. They are a barometer which indicates what has been our industrial development and our advance in civilization.

142

CHAPTER IX
THE OPEN-HEARTH PROCESS

Bessemer’s was a wonderful process, but the time seemed to be ripe for great development along metallurgical lines, and the method of converting pig iron into steel which he devised soon had a competitor which was destined eventually to take the lead in steel production. Many years passed before the tonnage turned out annually by Bessemer’s process was equaled by that of the new, but as shown in the last chapter the Siemens-Martin or open-hearth process in 1907 produced the greater tonnage. It has since retained its lead and probably will continue to do so.

As far back as 1845 John Marshall Heath took out a patent for a process for making steel patterned after the old puddling process. In a way he may therefore be said to have devised or forecast the open-hearth process, but because of the great obstacles that had to be surmounted in getting a furnace that would fulfill the requirements he was unable to carry out his scheme. You will remember that in the puddling furnace the purified metal became pasty because of its high melting point. Because of the great heat required it was not until the invention of the regenerative system by C. W. Siemens in 1860 that the open-hearth process was possible. Siemen’s furnace was the first one that could keep the iron molten. It was in Birmingham, England, that the first successful open-hearth furnace was used.

143

alt='GAS PRODUCER FURNACE AND REGENERATIVE SYSTEM'

Early Type of Gas Producer, Regenerators, and Open-Hearth Furnace. Course Taken by Air, Gas, and Products of Combustion Are Plainly Shown, as Are the Valves That Reverse Direction of Flow

144While not as speedy nor as prolific a producer as the Bessemer process and far less spectacular, the open-hearth has several advantages.

The acid Bessemer was always handicapped because pig iron with less than 0.1 per cent of phosphorus was necessary. The majority of ores carry more than this amount. The basic Bessemer requires pig iron containing not less than 2 per cent of phosphorus. The vast quantities of material which contain percentages of phosphorus between these limits are useless as far as the Bessemer process is concerned.

To be successfully used the pig iron must be further limited as to composition. It must have sufficient silicon, manganese, and carbon to give the heat required for Bessemerizing, as the burning of these metalloids has to be depended upon for the conversion to steel and to give proper fluidity to the finished alloy.

Then, too, the large amount of air forced through to a certain extent “over-oxidizes” the bath and some of the gases are mechanically retained by the steel no matter how complete the deoxidation. There also is loss of metal due to unavoidable “spitting,” for the rapid streams of air mechanically carry some metal and slag with the flame out of the vessel.

On the other hand, for the open-hearth process can be used pig iron of widely varied character and composition and, further, large percentages of low-priced steel scrap can be utilized in the charges; as no air is blown through the metal and little comes in contact with it, the conversion takes place quietly and smoothly and with much less loss by oxidation, the yield of steel usually being from 90 to 97 per cent of the metal charged as against 83 to 87 per cent which is the yield by the Bessemer process; besides giving less over-oxidation and gases in the metal, the slowness 145of the conversion is an advantage, as control is very easy, and, when desired, samples for test may be taken. From his tests the melter can be quite certain when he taps out the steel that it is of the composition desired.

Section Through Typical Stationary Open-Hearth Furnace, Showing Construction of Furnace, Lining, Bath and Air and Gas Ports

The melting in an open-hearth furnace is done largely by indirect or radiated heat, and it is not intended that the flame shall impinge too directly upon the surface of the bath.

Boxes of Steel Scrap and Electric Charging Machine in Front of Charging Doors at Rear of Furnaces

Except during the melting down of the pig iron and other materials charged in the furnace, the flame and air take little part in the actual elimination of the metalloids. Their main function is to furnish the heat necessary. Being used so indirectly—mostly by radiation from the roof and walls—very great heat must be used and much would be wasted if special 146precautions were not taken to save it. The bath must be kept hot enough to remain molten after purification of the metal, which we were unable to accomplish in the wrought iron puddling furnace.

Under each end of the rectangular furnace are two chambers built up with checker-work of fire brick. These sets are in duplicate and each has one chamber for air and one for gas.

Charging Machine with Box of Scrap Half Way into Furnace

Thus an open-hearth furnace will be seen to occupy a sort of hollow square, the furnace proper forming one side, the regenerative chambers two sides, with the chimney and flues the remaining side. “Reversing” valves force the incoming gas and air to travel each through its respective hot regenerating chamber up through the ports and into the furnace where they unite and burn with a very hot flame. The hot gases leave through similar ports in the other end of the furnace and on their way to the chimney heat the checker-work in the regenerative chamber. Every fifteen or twenty minutes the valves are reversed and the direction of flow is changed. In this way the incoming gas and air are preheated and in the furnace burn with a very much hotter flame than would cold gas with cold air. No blast is required, the draft caused by the chimney being sufficient.

For protection of the roof from the great heat developed 147and the metal of the bath from too great oxidation, the air ports usually are located above the gas ports. The streams of air, while protecting the roof from the flame, at the same time are prevented from directly impinging upon and too strongly oxidizing the metal of the bath.

The diagrammatic sketches given show roughly a furnace, regenerative chambers, ports, etc.

Charging “Hot” Metal

The original intention was to melt pig iron and reduce it; i. e., burn out the silicon, manganese, and carbon by action of the flame and addition of iron ore. This was the process worked out by Siemens in England. In France, P. and E. Martin altered the method by diluting molten pig iron in the Siemens furnace by melting and dissolving in it steel scrap. It was soon found that a combination of the two methods was better than either one alone and the open-hearth process acquired its name—the Siemens-Martin—in this way.

In the United States about 20,000,000 tons of steel are made annually by the basic open-hearth process while only 1,100,000 tons are produced by the acid open-hearth process.

The two processes are practically the same except that by the basic process the phosphorus as well as the silicon, manganese, and carbon are reduced or eliminated. In order to take out the phosphorus, additions of lime (i. e., calcium oxide or calcium carbonate) 148are made just as occurred with the basic Bessemer process.

Should we use lime in a furnace having an acid lining, much of the lime, which is a “base,” would react with the “acid” (silica) bricks of the lining, and, becoming neutralized, would not do its work. So, as in the basic Bessemer process, we here have to use either “basic” or “neutral” lining.

The material generally used is burnt magnesium carbonate which is known as “magnesite.” Dolomite, which is a combination of the carbonates of calcium and magnesium, is sometimes used. Chrome bricks, the usual neutral material, are rather too expensive for extensive use. The best magnesite comes from Austria and is usually not very cheap. As acid materials (those of silica or clay) are cheaper and mechanically stronger, a compromise is ofttimes effected by using basic materials for the furnace bottom and acid bricks for the sidewalls and roof. A few rows of chrome bricks may be put in to form a neutral dividing line just at and above the edge of the bath where the action of the slag is the most severe. It also serves to keep the basic and acid materials apart and from reacting with each other.

At the commencement of charging, limestone or sometimes burnt lime is shoveled in upon the bottom or “hearth” of the white-hot furnace.

When cold metal is charged, the pigs of iron are conveyed into the furnace by the melter and his helpers by means of long handled flat iron tools called “peels.” This is followed by charging some or all of the scrap or iron which is to be made a part of the charge.

Even in the smaller 15 or 25–ton furnaces hand charging takes a great deal of time, sometimes as much as six or eight hours, and the labor cost as well as the heat loss is 149therefore excessive. Modern machine charging which requires not more than an hour is therefore highly desirable.

Row of Open-Hearth Furnaces Showing Pit or Tapping Side

During the melting down of the pig iron with the scrap that has been charged, the air and flame burn out about half of the silicon and manganese of the metal. To remove the remainder of these and the carbon of the charge, additions are made from time to time of sufficient ore to keep the bath “boiling.” This phenomenon results from the giving off of carbon monoxide gas formed from the oxygen of the iron ore and the carbon of the metal, just as happened when the puddler in the manufacture of wrought iron used iron ore in his furnace. The covering of slag which forms and protects the bath from the flame undoubtedly transfers oxygen from the furnace gases to the bath and this helps to burn out the carbon.

The lime charged unites with the phosphorus of the iron and takes it into the slag which covers the bath. If necessary, further additions of lime may be made from time to time during the melting and the “working down” (elimination of the metalloids) of the charge. As long as the slag is kept basic it retains the phosphorus, but should it turn acid the iron of the bath would take the phosphorus back again.

These reactions are all chemical, just as much so as are 150the burning of wood and coal and the thousands of reactions which are brought about in chemical laboratories.

Additions of ore are made from time to time and the bath rabbled. Samples are taken now and then with a long handled iron spoon or ladle and these are poured into molds to form small bars of steel, which, after quenching, are broken.

Open-Hearth Furnace “Tapping”

The melter has become very proficient in judging the composition of the metal of the bath from the fracture of these broken test pieces. By means of the samples taken he watches the elimination of the metalloids. When he thinks the reactions have progressed far enough he takes a last sample which is rushed to the chemist who makes a hurried “control” analysis for carbon and phosphorus, the metal being held in the furnace meanwhile. If the results of this analysis show the bath to have the desired composition the steel is poured. If the reactions have not been complete, the chemist’s report shows that the carbon and perhaps the phosphorus are still too high, in which case the charge must be still further worked down.

Some melters are able to make fairly uniform and satisfactory 151steel without a chemist, but for best results a chemical laboratory is desirable.

When ready to tap, the big ladle is suspended from a crane under the spout of the furnace. With a tapping bar the plug of clay is removed from the tap hole and the molten steel gushes out into the ladle. The slag which has covered the bath is the last to drain out. Many times this will overflow the ladle, making a beautiful cascade as it pours over the sides all around to the floor beneath. Especially at night is this a glorious sight.

Teeming the Steel into Ingot Molds

Recarburization is not done to the same extent as it is in the Bessemer process. As the open-hearth elimination of carbon is slower and under so much better control, the furnace usually is tapped when the carbon has been reduced to the percentage desired in the finished steel. When it is necessary to add carbon it is done sometimes by adding pig iron to the bath and sometimes by throwing a weighed amount of coal or coke in the ladle as the steel is going in. Molten iron and steel have strong appetites for carbon and dissolve it very readily. Ferro-manganese is used to prevent red-shortness and to deoxidize the metal. This also is usually put into 152the ladle as too much loss would occur were it added in the furnace.

While the furnace is again being charged through the charging doors at the rear, the steel is teemed through the nozzle of the big ladle into the waiting ingot molds. These go to the stripper, to the soaking pits, and then to the rolls of the blooming mills just as did the Bessemer ingots.

At the “Stripper”

In the acid-lined furnace no attempt is made to reduce the phosphorus. It would be futile. Therefore the materials charged must be very low in phosphorus and sulphur. No lime additions are made, the flame simply melts down the pig iron and scrap, the iron oxide later is added from time to time to keep up the boil until the test bars show that the carbon as well as the silicon and manganese have been eliminated as fully as is desired. The metal is then tapped as described above.

Three or more hours are usually required to melt down cold charges. The elimination of the remainder of the silicon, manganese, and the carbon requires about four or five hours more. So for each heat the open-hearth furnace requires from eight to twelve hours, 153depending largely upon the speed of charging and melting.

Of late years the difficulties attending the use of molten metal from the blast furnace in place of cold pig iron have been largely surmounted. The use of uniform metal from the “mixer,” which was described in the article on the Bessemer process, has aided the open-hearth process also. Of course, when molten metal is added none of its silicon and manganese is reduced by the flame as occurred with the cold metals during the melting down, so the molten metal charged is usually low in these elements to compensate. By use of “hot” (molten) metal the time necessary to produce a “heat” of steel is considerably shortened.

The first and perhaps the majority of furnaces yet building are “stationary.” Some have found it advantageous to construct furnaces that can be tipped to pour the metal into the ladle. Such are known as “tilting” furnaces. One furnace designer has even gone so far in a smaller type used for steel castings as to make the furnace removable, thus doing away with a ladle entirely. The big crane simply lifts the whole furnace out from between the housings which contain the ports. It is taken bodily to the molds which are poured directly.

Open-hearth furnaces have been built of larger and larger capacity. A great many fifty-ton furnaces have been built and furnaces which produce eighty or more tons at a heat are now not uncommon.

Furnaces of the Talbot type are built for as much as 200 and even 300 tons of metal, but from these only part of the finished steel is tapped at a time, the remainder being left to help work down the additions of new material which is added to replace the steel tapped out.

The rolling mill industry is so intimately connected with 154and dependent upon the steel-making methods and equipment that each is designed with reference to the other.

Bessemer steel has been largely used for the manufacture of rails, rod, wire, pipe, merchant bar, etc., while open-hearth steel has gone into plate, boiler tubes, structural shapes, billets for axles, etc. Recently it is being used for rails and very many of the products which were formerly made from Bessemer steel.

Lower Half of a “Battery” of Modern Gas Producers

It should not be inferred from this that Bessemer steel is no longer in demand or that it is not good steel. As you will notice from the table given in the last chapter, the production of Bessemer steel has not declined appreciably, if at all. The fact is that open-hearth steel production has been increasing at a great rate, while the production of Bessemer has remained stationary. With the growing scarcity of ores suitable for pig iron for Bessemerizing, the open-hearth process is becoming able to compete with the Bessemer process in the matter of cost. For some purposes the steel is considered to be a little more desirable, but, as is the case with many good things, the pendulum swings too far and there is no doubt that open-hearth steel is often 155demanded and used for purposes for which Bessemer steel would be just as good and perhaps better.

For many years it has been said that the Bessemer process is “doomed.” This, of course, was because of the scarcity of low phosphorus ores. Just how “doomed” it is, it is perhaps impossible to say. Certainly it is still a very live process and the combining of processes, such as “duplexing,” will probably prolong its life.

By the “duplex” process, molten blast furnace iron from the mixer is “desiliconized” in the Bessemer converter. Before too much of the carbon has been burned, the metal is transferred to a basic open-hearth furnace where the remainder of the carbon and most of the phosphorus is removed. By this method the advantages of the open-hearth and much of the speed of the Bessemer process are combined. The output of the open-hearth furnace is thus greatly increased.

To-day all kinds of combinations of Bessemer, open-hearth, and electric furnace are being projected and it is difficult and likely impossible for any one to predict the future of any of the processes.

Lest the metallurgical facts scattered through several chapters escape, let us summarize a little. Roughly speaking, the capabilities of and materials required for the processes are as follows—the chemical symbols for silicon, manganese, carbon, phosphorus, and sulphur being used for brevity:

Process Refining Capability Material Required
Crucible Process. Removes no metalloids, but simply remelts. Very low Si. P. S. and C.
Acid Bessemer Process. Takes out Si. Mn. and C. Very low P. and S. (under 0.1%).
Basic Bessemer Process. Takes out Si. Mn. C. P. and some S. Very high P. (2% and over).
Acid Open-Hearth Process. Takes out Si. Mn. C. Very low P. and S. (under 0.1% of each).
Basic Open-Hearth Process. Takes out Si. Mn. C. P. and some S. Wider Variety.
Electric Furnace Process. Takes out Si. Mn. C. P. and S. Wider Variety.

156In further explanation of the competition in quality of Bessemer and of open-hearth steels it should be understood that in both the acid Bessemer and the acid open-hearth furnaces we get out in quality just what we put in. While for some purposes phosphorus and sulphur of 0.1 per cent is allowable, for other purposes they should not be over 0.025 or 0.03 per cent. To produce steel of the latter high quality, material containing slightly less than this of sulphur and phosphorus must be charged, and these are usually much higher in price than are pig iron and scrap containing greater percentages of these metalloids.

Charging Floor of the Battery of Gas Producers Showing Rocking Arms for Gradual Feeding of the Coal

Where materials of 2.5 to 3 per cent of phosphorus are obtainable, as, generally speaking, they are not in this country, the basic Bessemer should make as low phosphorus steel as does the basic open-hearth.

The great advantages of the basic open-hearth process, then, are that for it can be utilized a much wider variety of raw materials than is possible with the acid open-hearth or either of the Bessemer processes, and, particularly that here, at least, the proper materials are readily available.

The fuels used vary, of course, according to what is most available, considering quantity, quality, and price. 157Natural gas has been a favorite fuel, as also has oil. But in many localities natural gas never was available and in others which were thus blessed, the supply has been exhausted. By-product coke oven gas and tar are being experimented with with some success.

Largely because of the great size of the open-hearth furnace solid fuel, such as coal which can be used for puddling furnaces, is not adaptable.

As far back as 1839 attempts were made to gasify coal by burning it to ash and utilizing the gaseous products for industrial purposes. These attempts succeeded and the process has been brought to quite a high state of development. There are to-day a large number of efficient types of “gas producers” which furnish gas for general industrial use and it is with this “producer gas” that a great deal of the steel nowadays is made.

While endeavoring to leave out of these articles most of the chemistry and as much of the technical detail as is consistent with clearness, the chemistry of combustion and the “gas producer” is so interesting that it will be well to explain that carbon (coal, coke, wood, etc.) can burn either in one or two stages. Nearly every one has noticed the blue flame with which coal burns in the parlor coal heater or in other furnaces where little draft is used and most of us remember that the gas which is given off from such a fire has asphyxiated many who were unfortunate enough to be sleeping in a closed room, when through insufficient chimney draft or a leaky stove some of the unburnt gas filled the room.

This gas, which is carbon monoxide, is labeled CO in books on chemistry. It is the result of burning the coal with insufficient air. Chemically it is explained by the second of the chemical “equations” which follow. The third equation explains the second stage of the burning which 158would occur were further air or oxygen admitted to the upper part of the furnace.

The usual one-stage combustion with plenty of air:

1. C (carbon) + 2O (oxygen) burns to CO2 (carbon dioxide). Non-poisonous.

The two-stage combustion with insufficient air:

2. C + O burns to CO (carbon monoxide). Poisonous.

3. CO + O burns to CO2. Non-poisonous.

Carbon monoxide asphyxiates by forming a chemical compound with the hæmoglobin of the blood, which therefore is prevented from supplying the body with the oxygen that is required for the sustenance of life.

Carbon dioxide is no such poisonous product, as may be inferred when we remember that it is the gas with which our carbonated waters are charged and which is so commonly served with ice cream in ice cream soda.

Now in a gas producer, by maintaining a sufficiently thick bed of glowing coal and admitting only such amounts of air as will produce mainly carbon monoxide gas, a product of high burning value is obtained. A kilogram (2.2 pounds) of carbon in burning from C to CO generates only 2450 calories or heat units, whereas its complete burning to CO2 would give 8080 calories. So by conducting the carbon monoxide gas—the product of the first stage of the combustion—through brick-lined pipes to the furnace, and in the latter by addition of air allowing it to burn to CO2, the greater amount of heat (i. e., 8080 minus 2450 or 5630 calories) is evolved in the furnace. Of course, some of this theoretical two-thirds which is in this way made available at the furnace is lost because a little CO2 is formed, and always the nitrogen of the air used greatly dilutes the gas. But there are gains, notably the great heat which is carried over by the hot gas from the glowing bed of coal and that from the water-gas which is formed from steam used 159in the producer. So, all in all, the gas generated in a “battery” of gas producers, all of which discharge into one large main or header to maintain gas of average composition, is quite a satisfactory fuel.

160

CHAPTER X
CAST IRON

From the preceding chapters we now know pretty well the place which cast iron occupies in the iron family. In the chapters which have succeeded the one in which we discussed the blast furnace and pig iron, every one of the products except crucible steel has been produced through some “refining” operation which greatly changed the composition, structure and properties of the product. Cast iron is not the result of a refining operation in this sense of the word. It is produced through simple mixing of pig irons of various compositions, usually with some admixture of iron castings of similar composition which have outlived their usefulness in the industrial world and have been returned as scrap to be remelted.

When we say that cast iron is not produced through a refining operation, it must not be inferred that no change in composition occurs during the remelting. There is some change, notably a loss through oxidation from the air blast of a little of the silicon and manganese. Aside from this there usually will be absorption of enough, or sometimes more than enough, carbon from the coke used in melting to make up for the carbon which is oxidized. Usually some sulphur also is taken up from the fuel. There is, however, no such actual or intended alteration of composition through burning out of the metalloids as is necessary for the production of wrought iron and steel.

161But from this we must not assume that the manufacture of cast iron for chilled rolls, car wheels, machine parts, valves and fittings, etc., is an easy proposition. As we will soon see, accurate regulation is required of metal for proper depths of “chill” for rolls, car wheels and castings which must have high resistance to wear. Too, the metal for valves and fittings and other more or less complicated castings for high steam, air, ammonia, water, etc., must be uniform, of close grain, strong, yet soft enough to machine easily at the extremely high speeds which modern efficient tools and methods demand. The production of the best metal for such work requires the use of properly selected materials, judicious mixing, and clever operation of the cupola furnace, that the molten metal delivered to the foundry for the pouring of the molds may be hot and fluid and of the right composition for the particular work in hand.

Sampling Cars of High Silicon Pig Iron

It is always interesting and instructive to follow the materials through their course from the “raw” state to finished products, and, therefore, we are going to take you on a little trip from the receiving yard of a firm making cast iron goods where we see the cars of pig iron just in from the blast furnace and where the materials are sampled and 162held pending analysis, to the laboratory where the samples are analyzed, then to the storage bins where the materials are unloaded, and, later, with the weighed charges, to the cupolas which convert them into molten cast iron of the proper composition and quality for high grade castings.

Sampling Other Pig Irons

Pig irons of lower silicon content cannot be broken easily with a sledge but usually are thrown from a height across an iron block.

Twenty years ago it looked as if the iron foundry would be one of the last strongholds of “rule-of-thumb” to give way to scientific methods. It does not look so to-day, though there are many foundries which yet buy and use their pig iron on the basis of fracture; i.e., the foundryman guesses by judging of the color and closeness of grain and other characteristics of fresh fractures of the pig irons how suitable they are for his purpose and in what proportion to mix them. A skillful man can get fair results in this way only so long as he uses the small number of brands of pig iron with which he is perfectly familiar, and even then there must be but little fluctuation in composition of the irons used and he must be allowed considerable latitude in the quality of the iron which he produces.

Success by this method is even more difficult now than it was ten years ago, for the advent of many new blast furnaces and their greater variety of products have made this rule-of-thumb mixing a much more uncertain matter than it 163formerly was. Machine-made pigs, which are so generally on the market now, give fractures which tell little regarding their compositions.

Drilling the Samples

No oil or other lubricant is allowable and the drillings are taken up with a magnet that no sand or other impurity may get into the sample for
analysis.

While some foundries still attempt to accomplish this difficult and sometimes impossible feat, the majority are now applying more scientific methods to their manufacture of cast iron.

Though the eye cannot tell surely from the fracture the composition or quality of the iron which is used in making up the charges, chemical analysis does definitely give this information. Therefore, every car of pig iron purchased by this firm is sampled and analyzed, the composition of all other materials used in its mixtures is determined, and, irrespective of fracture, which may or may not tell the truth regarding their composition, the raw materials are charged with respect only to their actual content of the metalloids. The resulting molten iron each day is analyzed to confirm the correctness of 164the mixture and to furnish analysis of the “sprues” which next day are to be used as a part of the day’s charge. Physical test bars, too, are cast each hour or so, and the tensile, transverse strengths, hardness, shrinkage, etc. are accurately determined in testing machines and recorded. In this way absolutely nothing is left to chance or to guess work, and, as you may surmise, any slight deviation from the composition desired is shown at once and the mixture immediately changed to the extent necessary to bring the iron back to normal. It is surprising within what narrow limits of variation compositions and physical properties can be held, with furnace operations continually under such surveillance.

Weighing Out Portions for Analysis

The finely divided mixed drillings are shaken from a thin-bladed spatula on to the balance pan. Drillings are added or taken off until the long needle attached to the beam of the balance swings over an equal number of divisions on each side of the center mark of the white scale in the middle. Accuracy is 1/453,000 of an avoirdupois pound; this is approximately the weight of the lead of a “pencil mark” one inch long.

As the basis for its cast iron, many thousands of tons of pig iron are each year used direct from the blast furnaces. The raw materials come in railroad cars or by boat. The inspector who represents the metallurgical department enters each car and inspects the materials, taking from each a representative sample for analysis. In the case of pig 165iron this will be from four to eight half pigs, it having been found by experience that these represent very well the contents of the car. So each car of material is held without unloading until it has been determined by inspection and analysis that it is fully up to the specifications upon which the iron was purchased.

Arriving at the laboratory, the half pigs from each car are drilled, equal amounts of the drillings being taken and mixed in an envelope which bears the name of the brand of iron, the number of the car, the date, etc. The sample pigs from each car are treated in this same way, each car being treated individually.

The envelopes containing the drillings then go to the chemists. Frequently samples from fifteen or twenty cars of pig iron, with as many other samples of various derivation, are being analyzed at the same time for the four or six different constituents which it is necessary for the metallurgists to know and control in order that a highly satisfactory product may result. Though a hundred different determinations may be in progress at the same time, spelling “chaos” in the mind of one not entirely familiar with the details of the work, it will be interesting to single out and explain briefly how the samples are analyzed.

Closer View of the Weighing

In such analytical work everything is based upon weight; i.e., constituents are determined and reported in percentages by weight. In chemical laboratory work everywhere 166the metric system is used, the cumbersome English system of weights and measures being practically impossible. Thus, the metric system is the international scientific standard. The unit taken is the gram, which is equivalent to ¹⁄₄₅₃ part of an avoirdupois pound. One gram of pig iron drillings is such an amount as could be held on an ordinary ten-cent piece.

Working with such small amounts of the sample, exactness and skill are extremely necessary. The balances used are necessarily very delicate—just as delicate as were the scales upon which the jeweler weighed your diamonds—you remember, of course. On these balances we can weigh an inch-long mark made by an ordinary lead pencil.

Dissolving in Acids

This is done under a hood that the irritating fumes given off may be kept from the room.

As the results of the analysis have to be known inside of three or four hours that the cars may be quickly unloaded in order to avoid demurrage, which is the penalty for holding cars longer than the allowable time, separate portions of each sample are weighed out for determination of the silicon, manganese, sulphur, phosphorus, graphitic carbon, and combined carbon. These are necessary in order to determine that the iron is up to the quality specified in the 167purchase contract and also to provide for its most efficient use in the manufacture of iron castings.

The exactly weighed portions are put into clean, numbered beakers, which are small pieces of high grade glassware that will stand sudden changes of heat and cold. Some of these portions are dissolved in nitric acid, some in hydrochloric acid, others in combinations of acids. In each case the drillings go into solution in the acids, and after various treatments of boiling, evaporating, filtering, etc., well known to those of the chemical profession, the desired results are obtained. In some cases it is by actually weighing a constituent which has been filtered out and burned to ash of a constant known composition, in others it is by comparison of color with standards of known composition, and sometimes it is by other means.

Filtering Silicons

After evaporating the excess acid, baking dry, cooling, and redissolving in weaker acid, the silicon compound formed may be filtered out. The iron and other soluble constituents, now in solution, pass through the filter, which is of pure, porous, unglazed paper.

In all of this analytical work the chemist must take care to lose not one drop of the solution or one grain of the ash from the burned “precipitate,” as the “filtered out” constituent is called.

The pig iron is always bought upon guarantee that it will contain a certain percentage of silicon—the element which in cast iron is known as a “softener.” But this is 168not the only thing necessary in the iron that is purchased. It must also show proper specified quantities of manganese, phosphorus and carbon, which also are very desirable elements in iron castings, and as little of that undesirable element, sulphur, as possible. Therefore they pay in proportion to the content of silicon, manganese, phosphorus, and carbon—and penalize the seller for sulphur.

“Burning off” the Silicons

The paper and contents, in a little crucible, are placed in a red-hot muffle furnace. The paper is such pure cellulose that it leaves no weighable ash. That which remains after burning is silicon oxide, which is a perfectly white, fine sand. This is very carefully weighed. (Ordinary sand is silicon oxide usually slightly colored with iron.)

The laboratory holds copies of the contracts upon which these materials were bought. If, upon comparison, the analysis obtained complies with the terms of the contract, an O. K. unloading slip is made out and the receiving department is given directions into what raw-material bin in the receiver building it shall be unloaded. If not fully up to the standard called for in the contract, the purchasing department is notified and the car is either rejected or accepted upon some proper terms of adjustment if it can be used without detriment to the product in which it is to be utilized.

Cars of coke, limestone, fluorspar, etc., are inspected, analyzed and treated in the same way, so that nothing is left to guess work. The compositions as determined by the laboratory serve not only as the basis for acceptance or rejection, but the analyses of accepted materials are forwarded at once to the metallurgists, who from them figure the mixtures to be used in the cupolas.

Having great stocks of analyzed raw materials in the labeled bins in the receiver building, the metallurgists who supervise the mixing and melting of the iron determine by mathematical calculation just what irons and how much of each must be taken to give molten iron of the best composition and properties for the castings.

169

Titrating the Sulphur

Sulphur is evolved from the drillings as a gas (hydrogen sulphide). This is absorbed in a solution of chloride of zinc. The amount of sulphur is measured by slowly running in from a burette a solution of iodine of very accurately known strength. The iodine unites with the sulphur compound as long as any of the latter remains, but the first drop added thereafter turns blue the whole solution because of the reaction of the excess of iodine with starch paste that has been added previously as an indicator. Accuracy is about .005 per cent of sulphur.

170The total iron materials charged must have a definite amount of silicon, of manganese, of phosphorus and of carbon. For a 4,000–pound charge for soft cast iron, for instance, the total silicon in the materials which make up the charge must be somewhere near 118 pounds, the manganese and the phosphorus about 30 pounds each. The usual losses of these materials through oxidation are known, of course, and sufficient excess has been allowed that the desired final composition will result.

Titrating Phosphorus

A yellow precipitate containing the phosphorus is filtered out on filter paper. It is redissolved in alkali and titrated with a standard solution of nitric acid, similarly to the sulphur. The solution in the flask turns pink with the first drop added after the phosphorus has been measured.

On several scales which are regularly inspected and kept carefully adjusted, the weighers weigh out the prescribed quantities of the raw materials. “Buggies” holding nearly one ton each are loaded in turn with coke, with proper amounts of pig iron, cast iron scrap, sprues from the foundry castings of the preceding day, and a proper weight of limestone flux. Each charge of two tons of iron requires four buggies for its transportation 171from the raw-material bins and scales to the cupolas.

The old-time way was for laborers to dump the charges into the cupola and spread the materials by hand, but in modern foundries better ways have been provided. Here a charging machine operated by compressed air lifts into the furnace, one by one, the buggies of coke, and of the other materials, whence, after the dumping of their contents, the buggies are returned to the receiver building to be filled again.

Thus many charges per hour pass through the yawning charging doors of the cupolas, being dumped in fast enough to maintain the level approximately even with the bottom of the charging door.

Reading the Carbons

The higher the combined carbon the darker the nitric acid solution of the iron or steel. The solution is diluted with water or weak acid until the color matches that of a “known” sample or standard. Accurately graduated comparison tubes are used.

In starting, a wood fire has been made on the sand bottom of the cupola. This is covered with coke in such a way and in such amount that, when ready for charging of the metal, a column of glowing coke extends to a distance of one foot or two above the tuyères. Upon this “bed” in alternating layers are piled the weighed amounts of pig iron, sprue, scrap and limestone as described above. Following each charge is 172a layer of coke sufficient in amount to replace the “bed” coke which is burned away in melting the iron charge, thus maintaining the top of the bed of coke throughout the day at approximately the same height.

Weighing the Graphitic Carbon

The graphite is filtered out on an asbestos pad in a perforated platinum crucible. After drying until all moisture is gone it is weighed, ignited, and weighed again. The loss of weight equals the weight of the graphite of the sample.

Ever since 7 o’clock A.M., when the twelve to sixteen ounces of blast pressure was put on, the charges have been descending gradually from the charging door. Encountering the intense heat in the “melting zone” at the top of the bed of coke a little above the tuyères, the iron melts and trickles down through the three to five-foot bed of glowing coke on to the sand cupola bottom or hearth where it accumulates. The tapper, with his iron bar and “bod stick” 173with its little ball of moist fire clay, alternately opens and plugs the tap hole at the bottom of the furnace as occasion requires, but throughout the day of ten or more hours there is almost constantly a full stream of iron flowing from the spout. The big “bull ladle” which receives it, in turn gives it up to smaller or “shank” ladles, in which it is conveyed along trolleys to still smaller ladles from which it is poured into the sand molds to form the castings.

Another Close-up View

As in the blast furnace, limestone is added as flux to make liquid and dispose of sand, dirt, scale, etc., which are detrimental. The liquid slag formed from union of limestone with these impurities floats upon the molten iron in the cupola hearth, as it is less than half as heavy as the iron itself. It flows almost continuously from a higher hole called the “slag hole,” in the rear of the furnace and just beneath the tuyères. The slag has little value except as material for filling purposes, etc. So-called “slag wool” can be made by blowing air through it. Sometimes the blast from the cupola blows it in such a way that this pure white “wool” is formed and blows out of the slag hole of the cupola. About Christmas time some of the workmen take quantities of it home for decoration and for fireproof whiskers for “Santa Claus.”

These operations go on continuously throughout the day, each cupola making the particular grade of cast iron or “semi-steel” which is best adapted to the particular castings to be poured, size, shape and purpose of

174

Determining Carbon by Direct Combustion

In an electric furnace with pure oxygen passing over them, the drillings burn as would splinters of wood. From the gas given off the total carbon is determined with great accuracy.

Weighing Pig Iron for the Cupola

From three to six varieties of pig iron are used in each charge.

175

The Receiver Building

Here pig irons of different compositions are separately kept in numbered and labeled bins. The magnet which is used for unloading and handling the iron may be seen. The grab bucket for sand is at the right.

Weighing the Charge of Coke

Close weighing is necessary, for a variation of ten or fifteen pounds may affect the running of the cupola.

176the castings being the three main determining factors.

Sectional View of a Cupola

When nearing the end of the day, charging ceases, the charging door is closed and the last charge, gradually descending, melts and flows into the bull ladle about an hour later. As soon as the bull ladle is emptied it is run out of the way, the cupola is drained of all iron and considerable slag through the tap hole, and the bottom doors of the cupola are dropped by pulling from under them the “props” which have held them in position. The great mass of bed coke follows with a great burst of heat, light and flame. This is quickly subdued with a stream of water and removed. When cool, the slag and accumulations are chipped from the cupola lining, burned areas are patched with bricks and stiff, fire-resisting mud, the bottom doors are raised and fastened in position, and the eight-inch sand bottom is packed in ready for the next day’s run. After building a fire and getting a good “bed” of glowing coke, the cupola is ready again for the charging of iron.

177

A Cupola in Operation

The stream of iron from the cupola spout flows into a “bull ladle” and from that into “shank-ladles.” The bull ladle serves as a reservoir and mixer.

Castings of Cast Iron as They Come from the Molds

The “sprues” have not been removed.

178

CHAPTER XI
CAST IRON (Continued)

Unlike the modern Bessemer, open-hearth, and other steel products which are reworked, i.e., rolled, forged, etc., cast iron is a comparatively old alloy dating back over several centuries. It cannot be rolled, forged, or otherwise reshaped, so its final form must be given to it at once by pouring or “casting” the molten metal into a mold. Its castings serve exceedingly well in the hundreds of places for which they are adapted. They are comparatively cheap, can be readily duplicated in small or large quantities, and those from the softer grades of cast iron may be machined easily.

These cast iron alloys have only from one-third to one-half the strength of steel or wrought iron and are, comparatively speaking, very brittle. Where resistance to severe shock must be withstood they should not be used. Also, some varieties have a “habit” of growing larger upon repeated heating and cooling. This “permanent growth” is particularly noticeable when the alternate heating and cooling is at red heat or over. Pieces of cast iron have been made to gain 15 per cent in linear dimensions, and it is quite common knowledge among machinists that a piece of cast iron which is slightly too small can be permanently expanded by heat.

Nevertheless, the cast irons have large and legitimate fields in which they are very serviceable. From most of their important present uses they are not likely soon to be displaced.

179

Because of Their Large Size Molds for Very Large Castings Have to Be Made on the Floor of the Foundry, or Partly in Pits

180Cast irons in considerable variety of compositions and physical properties are available, as was indicated by alloys Nos. 14 to 19 which were given in the table on page 83, part of which is here reproduced. In alloys 3 to 13 the carbon exerts the great influence on the physical properties, and this is true also of the cast irons. But all of the latter have a total carbon content of more than 2½ per cent, and, under certain conditions, some of the carbon assumes a different form from that which we encountered in the steels. This modified form is “graphite,” well known to us as a flaky, black, greasy-feeling material, which is soft and very fragile. Graphite in the iron alloy naturally weakens it and, as it is itself such a good lubricant, it makes cast iron machine easily if sufficient amount is present.

A Few of the Cast Irons
Silicon,
Per Cent
Graphite,
Per Cent
Combined Carbon,
Per Cent
Total Carbon,
Per Cent
 
No. 14. White Cast Iron .70 .10 2.65 2.75 Very Hard
No. 15. Annealed Malleable Iron .70 2.70 .05 2.75 Machinable
No. 16. Cast Iron for Chilled Castings 1.00 1.00 2.00 3.00 Very Hard
No. 17. Semi-steel 1.75 2.80 .40 3.20 Machinable
No. 18. Gray Cast Iron 2.00 3.10 .30 3.40 Machinable
No. 19. Soft Gray Cast Iron 2.50 3.30 .15 3.45 Machinable

Now, the above must be understood as being typical compositions only. There are, of course, irons of all intermediate compositions, also, and while the total, graphitic and combined carbons, typically, are about as indicated, there may be wide variation.

To illustrate what a variety of chemical and physical 181properties may be produced, let us assume that the total carbon in a certain cast iron is 3.25 per cent. If this carbon is all in the chemically combined form (i. e., combined with the iron to form the very hard compound which is known to the metallographist as “cementite”) the fracture will be white and the alloy extremely hard. If none of this carbon is combined, but all is in the form of graphite flakes throughout the alloy, the fracture will be “gray” and the alloy soft and machinable. It is possible to produce either of these two conditions or practically any intermediate stage; i.e., we can almost at will split up the 3.25 per cent of carbon into varying percentages of graphitic and combined carbon—the total always equaling 3.25 per cent.

No. 30. Very Soft Cast Iron. Note Large Graphite Flakes

No. 31. Medium Hard Cast Iron

The “combined carbon” is in the roundish, dark parts. It is the “combined carbon” that increases the strength of cast iron and steel.

The “precipitation” of graphite which is necessary for softness is brought about mainly through the influence of 182silicon, which we before termed the “softener.” Other conditions being equal, the higher the silicon (if not above 4 per cent), the higher will be the graphite and the lower the combined carbon; and vice versa, the lower the silicon the lower will be the graphite and the higher the combined carbon. It is mainly due to the “combined carbon” which is left after precipitation of the graphite that the alloy has greater strength, hardness, and closer grain. So, just as the steels are stronger and harder as the carbon increases (in steel all the carbon is combined), so, other conditions being equal, the strengths and hardnesses of the cast irons, within usual limits, increase as the combined carbon increases.

No. 92d. Semi-Steel. A Closer Grained and Yet Stronger Cast Iron

No. 33e. Mottled Cast Iron

So-called because it is a mixture of white and gray iron.

Just here it is interesting to remember that from the standpoint of metallography cast irons are simply steels in 183which there is what we might call an impurity or an adulterant, graphite crystals. It will be seen at once that could these graphite crystals be removed from the cast irons shown in photomicrographs No. 74, No. 92d, No. 30 and No. 31, we would have alloys quite similar in appearance to the steels shown in photomicrographs No. 3b and No. 22c which appeared on pages 77 and 78.[7]

7. Magnification 70 diameters.

No. 7. White Cast Iron

So the softer cast irons which are used for valves and fittings, machine parts, radiators, hollowware, etc., have high silicon. Parts that do not have to be machined can be of “harder” iron; i. e., made of iron having lower silicon content.

Manipulation of the silicon content is not the only method by which the hardness of cast iron can be influenced. Graphite can “precipitate” (i.e., separate throughout the casting) only if sufficient time is given it to do so. That is, the cooling of the casting after pouring must be sufficiently slow. In a sand mold the iron remains molten for a time, and after solidification it cools slowly enough that the greater portion of the carbon separates as graphite. Therefore, castings of proper composition made in sand molds are soft and machinable.

If the iron is poured into a mold the surfaces of which are made of iron, the molten metal upon entering becomes 184solid almost as soon as it takes the form of the mold, and it cools with great rapidity. Under such conditions the carbon of the alloy is denied the time necessary to change into the graphitic form and the casting has a white fracture and is so hard that it cannot be machined.

Section of Chilled Car Wheel

Showing white iron rim.

There are many purposes for which the alloy should have extreme hardness and the great resistance to wear which accompanies such hardness. The wearing faces of gears, brake shoes, rolls, and car wheels, for instance, must be hard. For such products, white cast iron, the extremely hard condition of the alloy, just referred to, is utilized. Such castings are usually produced with a white cast iron face, but with a gray iron interior, gray iron being less brittle and less likely to break under shock or strain. A car wheel, for instance, has approximately an inch in depth of white iron on the surface which lies next to the rail on which it runs.

Chilled Cast Iron

The white edge resulted from the more rapid cooling against an iron chill, as did the white rim of the wheel shown above.

Such are known as “chilled castings.” Molds for them are usually made of sand, with pieces of iron (called “chills”) imbedded where white iron is to be produced. The molten iron next to the sand surfaces cools in the usual way and is gray and soft, while that which lies next to the “chill” is white and extremely 185hard. The “depth” of the chilled layer can be increased or diminished according to the thickness of the iron “chill” used, its temperature, and by the composition and temperature of the molten cast iron with which the mold is poured.

The sulphur and total carbon of the molten cast iron also have considerable influence on the depth of “chill.”

Two-Part Molding Flasks

There is a cast iron alloy which is familiarly known as “semi-steel.” It is simply a high grade and stronger “gray” iron and must be classed as a cast iron, as our table on page 180 shows. While it could undoubtedly be made from materials which are commonly used for cast iron, it is practically always produced by charging with these a certain amount of steel scrap to bring about the lower silicon, phosphorus and total carbon desired.

A Hollow Cylinder

The casting which we are about to make.

Because steel has a higher tensile strength than has cast iron, many have inferred that it was the steel addition which made semi-steel stronger than the ordinary soft cast iron alloy. The rather unfortunate name, “semi-steel,” apparently was given because of the steel used and the intermediate strength which the resulting product possessed.

However, during the melting down of the charge the steel scrap becomes molten and its constituents merge with those 186of the other iron materials charged. We get out of the cupola, then, a mixture which, disregarding the losses and gains due to the air of the blast, the fuel, etc., is an average of the materials charged. We, therefore, no longer have any steel, but a cast iron which has a somewhat lower silicon, phosphorus and carbon than the softer cast irons. The greater strength of the alloy is due to its composition and only indirectly to the fact that steel was used in its production. The physical properties of the steel charged have been entirely obliterated in the melting process.

Split Pattern of Wood, Surface-Coated with Shellac Varnish

This view that semi-steel only indirectly gets its increase in strength from the steel charged is confirmed by its structural appearance under the microscope, as was shown in numbers 74 and 92d which were given on page 79, and the photomicrographs given here, and by its extreme brittleness under hammer blows. Under such shock it is but little more resistant than cast iron.

Core That Makes Hole in Casting

This weakness under “shock” was shown by tests from which the table which follows was compiled. Bars one inch square and thirteen inches long laid on supports exactly twelve inches apart, were struck at the center by a twenty-five pound weight. It took seven blows to break the cast iron bar, the semi-steel bar required eleven, while cast steel withstood ninety-two blows. Even this does not adequately express the great resistance of the cast steel (another alloy not yet discussed), for the height of the “drop” was being increased one inch with every blow, and the cast steel bar, on account of its bending, had to be regularly turned. The total foot-pounds exerted by the blows are given in the table which follows:

187

Drag, or Bottom Half of Mold, after Pattern Is Withdrawn

Drag with Core in Place and Cope, or Top Half of Mold Ready to Close

Transparent Mold, Showing Relative Positions of Core, Casting, Sprue, Etc.

188
Alloy Tensile Strength Number of Blows Total Foot Pounds
Cast Iron 23,400 7 102
Semi-Steel 35,050 11 206
Malleable Cast Iron[8] 37,140 22 1,580
Cast Steel[8] 72,120 92 10,112

8. On account of bending, the malleable iron and the steel bars had to be turned several times.

Semi-steel is a very close-grained alloy of ten or twelve thousand pounds per square inch greater strength than cast iron. It is a most satisfactory material for medium and larger sized castings for which cast iron formerly was used.

Cast Iron Tee, Cock Plugs, and Return Bends, with Sprues and Gates Attached

Did we say that cast iron was very brittle? So it is, comparatively speaking. But just as the chemist will tell you that there are no substances which are absolutely insoluble, just so does cast iron appear to be extremely brittle only when compared with the iron alloys of considerably less brittleness.

The three pictures of the hooped and twisted casting illustrate how unwise it might be to speak with absoluteness. A few years ago the casting illustrated on pages 190 and 192 was brought to this country by a visitor to Europe, with an expression of regret that cast iron produced in this country did not have such qualities of elasticity as had cast 189iron made abroad. Whereupon, without any change whatever in his iron mixture or cupola practice, the superintendent of a well-known foundry made castings which were exact duplicates of that submitted. The three photographs shown further on (Figs. A, B, C) were of one of these castings. The ability to bend without breaking is, of course, largely due to the shape.

Plugs and Wheels as They Come from the Mold

Occasionally as many as 200 castings can be made in one mold.

Type of Molding Machine

As a matter of fact, such castings were not at all new in this country, having been furnished by American foundries for electrical work for many years. Cast iron springs, piston rings, and many other articles of cast iron are regularly made, which show such elastic quality.

We have said considerable about “castings.” In general we know what castings are, but in the minds of some there may be a little uncertainty 190as to the manner in which they are produced.

Another of the Many Kinds of Molding Machines

There are few lines of human endeavor which require greater judgment and skill than does the making of molds for castings. Sound judgment based on long experience, knowledge of conditions under which the work immediately in hand must be done, observation, and accurate, deductive reasoning as to the causes of failure are absolutely necessary for success.

Casting, Which Because of Its Length and Small Cross Sections, Requires Very Fluid Cast Iron. (Fig. A)

In general, molding may be said to be done in “pit” or on the “floor” for large work, on the “bench” for smaller work, or by “machine.” Pit, floor, and bench molding are applicable for production of castings of all sizes and descriptions and this general type which we might term “hand molding,” is the form that has been practiced longest. Molding machines are more or less recent inventions which have enabled certain standard shapes 191and sizes of castings which are in sufficient demand to be produced in great numbers by unskilled workmen and therefore at less cost than is possible by the older hand method.

Each design for casting may be said to demand individual treatment, and the molder must select that method out of the many which alone, perhaps, can be successful. The subject is such a broad one that little will be here attempted further than to give by description and illustration the predominant points of the making of molds and castings. A simple, typical case of bench molding will be taken, that the relation of pattern, mold, core and casting may be clear.

The molding sands used are usually natural sands which contain greater or lesser amounts of clay, which, when moist, acts as a “binder” of the grains of sand. When used without drying, the mold is said to be a “green sand” mold; if dried, a “dry” or “baked” mold, as the case may be. The majority are “green sand” molds.

For the usual casting of which only a few or several duplicates are wanted, the “split” pattern is generally the most convenient.

The two halves of the mold, the “cope” (top) and the “drag” (bottom), are separately made in the two parts of the “flask” or molding box by “ramming” properly selected and “tempered” (moistened, mixed, and sieved) sand over the halves of the pattern. Of these, the drag is made first over the lower half of the separable pattern placed flat side down upon a bottom board. After “ramming,” i.e., packing the sand, just hard enough but not too hard, this half mold is reversed and the top half of the pattern placed upon the lower half, now at the upper face of the drag and flat side up. A little “parting powder” or fine, dry sand is sprinkled over the fresh surface of the half mold so that the upper half, next to be made, 192will not stick to the lower half, but can be lifted off at the proper time.

It May Be Bent Double Readily Without Breaking. (Fig. B)

The cope half of the two-part “flask” is now put on, filled and rammed with sand as was the drag. Any extra sand is scraped off with a straight edge and at the proper place a hole is cut with the “sprue cutter” straight down through the cope to the “parting.” More commonly, perhaps, this “sprue” hole is made by withdrawing a “sprue” stick (of wood) about which sand had been packed during the making of the cope. It is through this hole that the molten metal will be poured into the mold.

Because of Its Ability to Withstand Bending and 180–Degree Twists It Is Often Jocularly Referred to as the “Rubber Casting.” (Fig. C)

Lifting the cope or top half, it is turned upside down, and, after cutting in the drag the “runner” or “gate” connecting the “sprue” hole with the casting, the halves of the pattern are carefully drawn that the sand may not be disturbed. Now in the cavity left in the drag, to make the hole in the casting, is hung the baked “core” of sand, held together by flour or rosin or a “drying” oil. The cope is carefully replaced upon the drag, thus “closing” the mold.

As will be noted from the drawings, there is left between the core and the mold a space all around, which will 193be filled by the metal of the casting when poured. Therefore the surface of the core shapes the inside, and the mold itself the outside and ends of the casting.

The molten metal, entering through the vertical “sprue” hole, flows along the “runner” and into the mold through the more or less constricted entrance called the “gate.” The gases formed during pouring and the air with which the mold was filled are driven out through the porous bodies of sand of the mold and core. Had the mold been rammed too hard the gases could not escape through the sand and an imperfect casting would result.

The poured mold is allowed to stand until the metal has solidified and cooled sufficiently, when the casting is “shaken out.” The sand is returned to the molder to be used again. The sprue and runner are broken from the casting, which, after cleaning by “tumbling” with others in a revolving mill, or otherwise, goes to the machining and assembling shops.

Some form of the above general method is everywhere used for the production of all kinds of castings, except for those which can be made by machine at a lower cost for molds.

This kind of molding, which we have termed “hand work,” requires expert molders and is too slow and expensive for the hundreds of standard shapes and sizes of castings which are in great and constant demand. The latter are made on cleverly devised molding machines working with compressed air or by hand power applied through a lever. The pattern is attached to the machine, set and very accurately adjusted by a skilled mechanic. Thereafter the sand is rammed, the runner formed and the pattern drawn by the machine itself, all of these very critical movements being therefore rapidly and unerringly duplicatable any desired number of times by unskilled labor, 194which has but to put on the parts of the “flasks,” feed in the sand, set the cores, close and remove the mold, and begin the next.

Sometimes there is but one, but for the smaller sizes there are often ten or twenty, and, occasionally, as many as two hundred pieces or castings in a single mold.

195

CHAPTER XII
MALLEABLE CAST IRON

It almost goes without saying that the capacity to withstand distortion without breaking was the meaning of and the reason for the use of the term “malleable.” But wrought iron is malleable as also is mild steel, and, in Europe fifty years ago (though in general not now) by the term “malleable iron” was meant and understood what we know as wrought iron. You will remember that Bessemer’s paper announcing his great process was entitled “The Manufacture of Malleable Iron and Steel without Fuel.” The first reference was to wrought iron. Bessemer did not succeed in making this by his process but his success in the manufacture of steel was immense. Therefore, while in ordinary conversation such definiteness is not necessary, perhaps, and not usual here, to be safe one should say “malleable cast iron,” and not simply “malleable iron,” for by the latter, many Europeans still understand wrought iron.

Like “Topsy” of “Uncle Tom’s Cabin” fame, the various members of the iron family “just growed.” Therefore a strictly logical classification and nomenclature is hardly to be expected.

It was mentioned in a former article that a process for making malleable the brittle white cast iron was discovered, or at least described, by Reaumur, a Frenchman, about 1722. It is likely that his discovery or acquaintance with 196it came about through his extended experiments with cementation steel.

Malleable Cast Iron Bars

Malleable Iron Castings

The publicity which Reaumur voluntarily gave to his researches forms a notable exception to the customs of those days when it was the usual thing for manufacturers jealously to guard all trade secrets. These were handed down from father to son or to others of close interest in the business. So aside from Reaumur’s announcements concerning malleable iron, few details of its manufacture came to light during the eighteenth century. Even during the hundred years which have just passed there have been few lines in which greater secrecy has been maintained both in Europe and America. During the last thirty years, only, has real scientific work been done to make known the reactions which occur during annealing and the real causes of the malleability.

The father of malleable iron in this country was Seth Boyden, of Newark, New Jersey, a very ingenious man who well deserves the monument erected in his honor by the 197citizens of the city, which is pardonably proud of him.

Test Sprues, Showing White, Slightly Mottled, Medium Mottled, and Gray Fractures

Boyden apparently had no knowledge of the existence in Europe of the malleableizing process, but after noticing that a piece of formerly brittle cast iron had become rather malleable, apparently through the action of heat, he set about making experiments to produce a malleable material which could be produced more cheaply than wrought iron. By melting in a forge pieces of pig iron and then annealing in a small furnace in his kitchen fireplace the bars which he cast from the melt, he had worked out by 1826 a process that produced cast iron which was malleable. In 1831 he started a foundry and made a thousand or more different articles for which there was demand, and, from this beginning, an immense industry developed in this country.

Test Bars with One Edge Cast against a “Chill”

The composition of the mixture is regulated according to the depth of the chill as well as by appearance of test sprues.

We must not forget that the malleable cast iron as produced in this country is an entirely separate and distinct thing from the European malleable iron, as will be shown later. So our immense industry is our own and not a copied one.

It is only certain members of the cast iron family that can be made malleable by proper heat treatment. Alloys No. 14 and No. 15 represent one of these alloys before and 198after the annealing process. While No. 14 was given as a typical analysis for white cast iron for malleableizing it must be understood that compositions can vary considerably without detriment from that given.

There is one thing, however, which is absolutely necessary and that is that all or practically all of the carbon of the alloy must be in the combined form previous to the annealing process. This means that the alloy shall be white cast iron and have no free graphite, for any graphite flakes will remain through and after the annealing process and weaken the alloy just as it weakens gray cast iron.

Sketch of a Coal-Fired Air Furnace

For producing this white cast iron two processes are in general use—the “cupola” and the “air furnace.” The latter predominates.

Operation of the cupola for malleable iron requires great skill and very close attention to detail, for, to malleableize easily and with the best results, the composition of the alloy must be regulated within narrow limits, very much narrower than for gray cast iron. However, this is entirely possible and cupolas are operated continuously for malleable cast iron for ten or more hours with very slight fluctuation.

In general, operation is very similar to that described for cast iron except that the composition of the charge is necessarily different, much lower silicon being required, and more coke has to be used for the melting.

Most malleable iron castings are made in sand molds, and, as stated, the iron poured must be of such composition 199and temperature that the castings so made will be white of fracture. It is possible to get a quick indication of the condition of the iron for pouring by making test pieces, every one in the same way, which, after cooling and breaking, will show by fracture the approximate composition of the metal. According to these test pieces, called “sprues,” which, at times, may be cast as often as every five or ten minutes, the mixture is regulated to produce a uniform product.

Firing an Air Furnace

To illustrate: The fracture of a round sprue, or test piece, always ⅞ inch in diameter, when poured in the sand, cooled there to low red heat, quenched in water and then broken, should be white with only a few flecks of dark constituent. A gray iron fracture indicates too high silicon content and such iron is usually termed “low” iron. Castings of medium or heavy section, which, therefore, cool slowly in the sand, if poured of too high silicon, i.e., “low” iron, might precipitate a little graphite during cooling, even though thinner-sectioned castings which cool so much more rapidly would come white from the same iron.

While iron giving nearly white sprues is necessary for particularly large castings, to make sure that the usual run of malleable castings will come white in the sand requires very slightly mottled test sprues.

200Test blocks also, with one side cast against an iron “chill” are poured to determine the depth of chilling, and test bars of various shapes are regularly made, to test after annealing, for tensile strength, torsion and other physical properties.

“Air furnaces” are much like longer puddling furnaces. They vary in capacity from ten to forty-five tons while occasionally small ones of as little as three or five tons capacity are met with.

Taking Off the Slag

The usual fuel is soft coal. The long flame passes from the grate at one end over the bridge wall and is deflected by the roof down upon the bath beneath. A chimney at the outgoing end furnishes draft. The furnace bed is usually of brick upon which is fritted (slightly fused) a mixture of sand with a little lime. In order to facilitate charging of the materials to be melted the roof is usually removable in parts, called “bungs.” These have frame work of iron which hold in place the fire bricks that come in contact with the flame. During charging these bungs are lifted off one at a time, and the iron materials are dumped through the openings. Small doors in the sides just above the bath allow “rabbling” or mixing of the charge and skimming of the slag which forms, and one or more spouts lined with fire bricks and clay provide 201for tapping out the metal when it is ready to pour.

Tapping

Unlike puddling furnace and open-hearth no burning out of the silicon, manganese and carbon is desired, though, of course, some occurs and has to be allowed for in calculating the mixture. The intention is simply to melt together with the least possible loss a mixture of such materials as will give the average final composition which long experience has shown to give the proper qualities to the finished product.

Charges usually are of certain percentages of pig iron with not too much phosphorus, sprues from previous melts, more or less good malleable iron scrap and small amounts of steel scrap. These are melted down as quickly as possible. Occasionally the slag which accumulates is skimmed off and, after rabbling, test plugs are poured from the fractures of which the composition of the iron is judged.

When the silicon content is deemed proper or has been adjusted through longer action of the flame if too high or addition of more silicon in the form of a high silicon alloy if too low, the iron is tapped, provided it is hot enough.

202Malleable iron is largely used for very small castings. These require very hot and fluid metal. So, even if it is of proper composition, the metal must be held in the furnace until it is of a high enough temperature to pour properly. Through prolonged and strong heating the iron may easily become oxidized or “burnt” and much skill is necessary for proper operation of the furnace.

After tapping, the iron must be got into the molds with the least possible delay.

As has been mentioned with former processes the melting of iron in contact with coke or coal results in more or less contamination with sulphur. For this reason cupola malleable has considerably higher sulphur than has malleable cast iron made in the air furnace. Cupola and air furnace each has certain advantages and certain disadvantages. While strength and elongation are somewhat greater in air furnace than in cupola malleable, both anneal well and give materials which are satisfactory for the purposes for which they are intended.

Cupola metal has an advantage in that the temperature and the composition can be closely maintained the same throughout the heat, perhaps more so than with the air furnace. With the latter the metal at the top of the bath is hotter than that underneath, and, through action of the flame and air, silicon is somewhat lowered before all of the heat can be poured, especially with air furnaces of large size. The metal can easily be “burnt” unless extreme care is taken. In the cupola we can get very hot iron continuously so that it is unnecessary to prolong the heat with the danger of burning that occurs with the air furnace.

Air furnace iron anneals rather more readily than does the product of the cupola, and the strength and malleability are usually greater. The former requires a temperature of about 1350° F., while the latter must have 1500° F., 203a difference of about 150° F. Whether this results alone from the somewhat higher sulphur of cupola malleable is not definitely known, but it is probable that, also, the slightly higher total carbon gives the iron-carbon chemical compound a tendency to persist more strongly.

The open-hearth furnace is sometimes used for making malleable cast iron. It melts much more quickly than does the air furnace which requires from three and one-half to nine hours per heat, depending upon the size. The quality of the product which the open-hearth furnace produces is of the best, but on account of the continuous operation necessary, this type of furnace is not largely used. Malleable iron has also been made in the Bessemer converter, and, occasionally, in the crucible furnace, but in this country the practice is not at all common. In Germany a great deal of malleable iron is made in the crucible furnace.

When dumped from the molds the castings are extremely brittle. The sprues are knocked off and the castings go to the “tumbling” mills where they are tumbled, either with the sprues, with hard iron (white iron) shot or star-shaped pieces of iron which quickly clean the sand from them and give smooth, clean surfaces.

At the chipping and sorting benches any remaining pieces of gates and other excrescences are removed while the castings are being handpicked and sorted. White iron, because of its brittleness, breaks easily and small protruding parts can more readily and cheaply be removed before annealing than after the castings have been thereby toughened.

204

Annealing Furnaces, Showing Sets of Pots or “Saggers” in Which the Castings Are Annealed

205Having the cleaned castings of white iron of proper composition, malleability is given to them by the heat treatment known as “annealing.” Through the influence of a cherry-red heat continued over a sufficiently long period the iron and carbon, which in the white iron are chemically combined, gradually become divorced, and, after complete annealing, the casting will be found to consist of free iron in which are imbedded throughout very small particles of coke-like carbon. Castings that before this heat treatment were so brittle that they broke into many pieces under a blow and so hard that they might scratch glass, are now found to be capable of withstanding considerable distortion without fracture and so softened that a needle may scratch them.

Not only is a proper temperature necessary for best annealing, but, as stated, a sufficient time must be allowed for the separation of the carbon and iron. The separation requires many hours and the cooling from the annealing temperature must be slow in order that the carbon and iron may not again unite, as they certainly would do were the castings chilled in water or otherwise cooled too fast.

Most manufacturers produce tonnage enough that castings have to be annealed in quantity. As iron at red or higher heat wastes very rapidly on account of scaling (in fact would take fire in air if hot enough), and the quality of castings deteriorates somewhat if even a small amount of air is allowed to come in contact with them during the annealing process, they are generally protected by enclosing in iron containers on which tops are luted and cracks filled with stiff, fire-resisting mud which keeps out the air.

These iron drums are of suitable size and shape that they can be stacked one upon the other to a height of from four to six feet. The stacks or “sets” of “saggers” as they are called, are run into large brick-lined retort chambers which are heated either with coal from a grate, by powdered coal, oil, producer gas or other fuel. The larger the furnace and the greater the tonnage of iron which must be heated, the longer will be the time necessary for bringing the furnace and castings up to the cherry-red heat which is necessary for the annealing. Therefore, the larger furnaces 206require a somewhat longer time than those of smaller size, though the time required for the annealing of the castings themselves is no longer. In this country with ordinary-sized furnaces the usual time for the annealing operation is approximately one week. This includes the heating of the furnace and castings and the cooling to a black heat again.

No. 109. Photomicrograph of White Cast Iron

Some manufacturers, however, anneal without pots but they aim to have the castings protected from the flame and air.

No. 110. Photomicrograph of No. 109 after Several Hours of Annealing

Handling devices have been designed which facilitate loading and unloading the furnaces. With these the many sets of pots or saggers which the furnace holds can be very quickly charged or removed.

After shaking the castings out of the cooled pots, the dark coating is removed from them by “tumbling” with iron shot, pieces of leather or other polishing material in tumbling mills after which they are 207ready for any machining which may be necessary.

Photomicrographs Nos. 109, 110, 113 and 35 which show the samples at 75 diameters magnification show the course of the annealing process. No. 109 was taken from an unannealed casting. No. 110 was of the same iron after approximately thirty hours in the furnace. No. 113 shows that after about forty-five hours nearly all of the iron-carbon chemical compound has been broken down into black patches of free carbon, surrounded by the white areas of pure iron. After about sixty hours all of the iron and carbon have been divorced and the annealing operation is complete, as is shown by photomicrograph No. 35.

No. 113. Photomicrograph of No. 109 When Nearly Annealed

No. 35. Completely Annealed Malleable Cast Iron

While heat alone effects the divorcing of the carbon and iron, which is the essential part of the annealing process, in the greater number of cases aid is given by what may be termed chemical 208means. Reaumur, who about 1722 discovered the annealing process, used iron oxide for the purpose. The white iron was packed in iron ore or mill scale. At the high temperatures employed the oxygen of the ore in some way not yet definitely known, gradually removed the greater amount of the carbon from the casting. It has always been a scientific conundrum how a solid, iron oxide, surrounding another solid, a piece of white iron, could remove from the latter its carbon when neither of them melts nor mingles with the other. Whether some of the oxygen from the ore penetrates the iron and burns out its carbon or whether the carbon of the casting itself migrates is not yet definitely settled. Certain it is that the carbon is gradually removed from the casting, from the surface first and with increasing length of time from greater depths.

No. 390b. Photomicrograph Showing Decarbonized Outer Layer

The photomicrograph also shows that this casting was not fully annealed.

In European practice malleable iron castings are still malleableized in this way, i. e., by burning out the carbon. The castings are made as thin as possible and the annealing in “packing” (iron ore or mill scale) is continued for from one to two weeks. At the expiration of this time the castings have a white, steely fracture which is entirely unlike the fractures of malleable iron castings which are 209made in this country. Photomicrographs of such malleable iron show few or none of the black spots which No. 35 exhibits, and analyses of castings annealed in this way give very low results for carbon.

Malleable Cast Iron in Which Practically All of the Carbon Has Been Removed by Reaumur Process Annealing

While in this country the Reaumur process of annealing is not followed, a “packing” of ore or scale is generally used. Some use an inert packing such as sand, and as first mentioned, some use no packing at all. Really, one of the main purposes of the “packing” as now used is the prevention of warping of the castings in the pots while annealing. The annealing temperature is not so high as in Europe nor is the annealing continued so long, but when packing is used for the shorter time only, some surface carbon is removed and the carbon throughout the center portions of the castings is precipitated in the coke-like form which is known as “temper carbon” to distinguish it from graphite which is shown in photomicrograph No. 35. To the eye, then, fractures of such castings show black centers and white rims. They are known as “black heart” castings and these form the bulk of the malleable cast iron made in this country.

Fracture of Black Heart Iron

Note the white rims and black coke-like interiors. The majority of American malleable iron is of this “black heart” variety.

210We may say, then, that there are in general three varieties of malleable cast iron: the “all black” which is annealed without “packing,” the “black heart,” annealed in “packing” and the most common kind in this country, and in Europe, but very rarely here, the “whiteheart” from which practically all of the carbon has been burned during the “anneal.”

Malleable Cast Iron Swivels of Which Parts No. 2 Are Cast Tightly Around No. 1 and Loosened Only upon Annealing.

Comparison of photomicrographs No. 35 and No. 30 given on page 181, will show at once one of the reasons for the much greater malleability of malleable cast iron. While the total carbon present is very nearly the same in the two irons, the difference in physical form causes great difference in the malleability of the two. In the gray cast iron, No. 30, the carbon is crystalline and in the form of long brittle flakes which cut through and separate the grains of iron. Thus “planes of cleavage” are formed which make the alloy unable to resist severe shock and cause it to be anything but malleable. It is not so with annealed malleable cast iron. Here the carbon is in the form of small pellets which are imbedded among the grains of pure iron, the malleability of which is not seriously impaired largely because of the continuity of the “pure iron” structure. A second reason for the ability of malleable cast iron to 211withstand shock is that in the burning out of the carbon of the outer portions of the casting very small cavities are left. These allow the surface to become considerably deformed and battered under successive shocks without great strain on the casting itself.

Nothing has been said so far concerning one trait of all of the irons and indeed of most metals and alloys which are used for casting purposes. This is the tendency to “shrink” during the solidification and cooling of the metal of the casting. On account of the freezing of the outer portions of the casting before the metal of the inside, there must result certain hollow places or cavities after the inside metal has cooled unless some channel is kept open through which fluid metal can pass inside to keep cavities from forming. We will not here go into the matter of shrinkage with its great worry to the molder nor the ingenuity and strategy through which he produces castings without shrinkage cavities. One of the methods taken to overcome the trouble will be explained in the chapter on Cast Steel which is to follow.

There is, however, another type of shrinkage—that exhibited by the contraction of the entire piece of metal as it gradually cools after solidification. This presents a rather curious and interesting case.

It is well known among founders and pattern makers, that gray cast iron shrinks during cooling about ⅛ inch per foot, white iron ¼ inch per foot and cast steel ⁵⁄₁₆ inch per foot. That is, a bar cast exactly one foot long will be found when cold to be ⅛ inch short if of gray cast iron, ¼ inch short if of white cast iron and ⁵⁄₁₆ inch short if of cast steel. The patterns have to be made larger than the castings desired to allow for this shrinkage.

But, during annealing, white cast iron loses one-half of its ¼ inch per foot shrinkage and the resulting malleable 212cast iron is found to have a net shrinkage of but ⅛ inch per foot which is the same as that of gray iron.

It appears that the precipitation of the temper carbon expands the bar throughout to practically the same dimensions which it would have had if flake graphite had been allowed to precipitate through slow cooling, as is the case with gray cast iron.

This is cleverly taken advantage of by manufacturers of swivels of malleable iron, such as those shown. The inner portions are separately cast first and thoroughly cleaned after which they are imbedded in another mold. The outer portions are then cast around them, shrinking so tightly upon the inner portions that they cannot be turned at all. However, upon annealing they loosen enough that they can readily be turned yet remain tight enough that they cannot be separated.

Malleable iron from which the carbon has not been removed can be hardened and given a steely fracture by sudden cooling from a red heat even if it has previously been annealed. Decarbonized malleable iron, also, can readily be recarbonized by the cementation process. These characteristics are often taken advantage of for the manufacture of tools from malleable iron. Hammers, wood working chisels, gears, etc., are quite largely made. Where they are sold at a cheaper price than the better steel tools and without misrepresentation, there can be little objection, but sometimes they pass for steel.

Ofttimes malleable iron castings are made in what are known as “permanent molds” of iron. They are really “chilled castings.” Annealing of these is accomplished in the regular way. Such castings have very smooth and beautiful surfaces but as the iron molds have high first cost they can be used only for castings for which the sales warrant the expense.

213While much less malleable than is wrought iron or mild steel, annealed malleable cast iron has considerable malleability. It will resist great shock and can be severely battered and bent without breaking. It has about 75 per cent or more of the tensile strength of mild steel and because of the cheapness of its castings the malleable iron industry has developed wonderfully. About a million tons of this product are produced here each year.

Naturally malleable iron castings are used where a material with properties intermediate between cast iron and steel will suffice. Such are castings for railroad cars, for reapers, binders, and other agricultural machines, pipe fittings, and the cheaper grades of tools.

214

CHAPTER XIII
CAST STEEL

We have seen how primitive man hunted and fought with no implements and weapons better than clubs, bows and arrows, and stone hatchets, and how his wife cracked and ground the corn between flat rocks or in mortars of stone. In the succeeding “Bronze Age” we found ornaments, idols and tools being made of copper or the copper alloy, bronze. It was only after the next great advance that we found man utilizing iron for his purposes of civilization. This metal, which with us is so common, was in those days very expensive, so much so that it could be used only for purposes of war and as the gifts of kings.

But the world was traveling fast and it was not long before the iron-carbon alloy, steel, was produced. Even so, many hundreds of years elapsed before the present wonderful age was ushered in through the great inventions of Henry Bessemer and the Siemens brothers. And while fine steels for swords and tools have had an incalculably great influence upon the development of the human race, it was the mammoth production of Bessemer and open-hearth steel which permitted its general use as a material for construction of ships, bridges, buildings, and for railroads, that made this the “Age of Steel.”

Speaking in terms of the power house, it is also the “Age of Cast Steel.” Twenty-five years ago the manufacturer and power house man were quite content with 215their “saturated” steam temperatures and pressures. With cast iron valves and fittings their plants were well equipped.

Steel Castings Showing the Risers on the Flanges

Castings for use on steam, ammonia, water lines, etc., must be of very close-grained metal and require much larger risers than castings for less exacting service.

But the world did not stand still. It became known that by heating the steam out of contact with the water in the boiler it lost the moisture which it carried and became dry and then could be charged with as much additional heat as it was desired to give to it. This “superheated” steam, of course, would do more work and it had also certain other advantages which the old-fashioned “saturated” steam had not.

But while cast iron fittings gave satisfactory service up to temperatures, say, around 450° F., they faltered when forced to work under the new conditions which meant decidedly higher temperatures and pressures. And, too, the repeated heatings and coolings which were often necessary, disclosed a disadvantage previously unknown—a so-called “permanent growth” of the cast iron which was attended by loss of strength, and altogether it was soon found out that when superheated steam was to be used, higher types of materials were advisable than those which had been used under old conditions.

216

Steel Castings in the Annealing Oven

217Superheated steam has rapidly come into general use. Some of the new locomotives and most of the modern power plants are now built for as much as 200° superheat, i.e., a total temperature of approximately 600° Fahrenheit.

Valves and fittings of cast steel not only are the articles “de luxe” for such service but they have come to be considered the necessary articles and their advantages have only fairly begun to be appreciated.

Though our most august scientific societies are proposing and debating upon systems of classification which shall include and satisfactorily define all of our ferrous metals, a satisfactory one has not yet been evolved, and, considering the intricacy of our ferrous metallurgy and the discoveries which are being made almost daily, the outlook for a strictly logical classification is not yet flattering.

With “Cast Steel” our metallurgical nomenclature is again faulty. Before what we now call the “steel casting” was known, crucible steel was poured into ingots, “forged” into tools just as it now is and often went under the name “Cast Steel” to distinguish it from the contemporaneous material, wrought iron. So to-day we buy many tools and implements which bear the name cast steel, which we know to have been forged in bringing them into their final shape.

But it is not these which we mean by the term, cast steel, but rather those steel products which get their final form by being “cast” from a fluid condition into a mold. These are what are rapidly coming to be understood when the term “cast steel” is used.

Satisfactory metal for steel castings may be made in any of three or four types of furnaces, but, as was suggested before, the making of molds for castings is a fine art, as is the preparation of the metal which is to go into them. Further, the making of that special class of castings which are to withstand water, steam or air pressure is a very different 218thing from the making of steel castings for other purposes, and this is too often forgotten.

For the former are necessary particularly close-grained castings, free from flaws or spongy spots. Under the great pressures applied such defects would certainly allow leakage.

Flanges and Fittings of Cast Steel

Whatever the method of production of steel for castings the metal is poured into molds to receive its final shape. Because of the intensely high heat of the steel only sands of great refractoriness (resistance to heat) can be used as material for the mold. White silica sand is such a material and is generally used, mixed with enough clay and molasses-water to give it “bond.” While molds for some steel castings are made in “green” (i.e., undried or unbaked) sand, baked molds are preferred for fine finish and surest results. After the making of the molds in the usual way they are sprayed with very finely powdered white sand or quartz mixed with a little molasses-water. They are then thoroughly dried in an oven.

Cast steel shrinks during cooling even more than malleable iron and the pattern and mold must be made to allow for this. Upon the freezing of the surfaces of the casting 219with consequent attainment of rigidity, the interiors, which freeze last, may have cavities unless means for avoiding them is provided. For this purpose heavier pieces, which later can be cut off, are cast upon such parts of the casting as tend to have “shrink holes.” These may be likened to receptacles filled with fluid metal, which being larger than the parts of the castings which they “feed,” hold excess metal in fluid condition until the casting itself has become solid throughout. Such are usually called “risers” or, in Europe, “lost heads,” and the molten metal in them flows down into the interior of the casting and fills the shrink holes which are forming. Not only must the risers be large enough that the metal in them is the last to solidify but they must be built high enough above the casting that sufficient pressure is exerted on the steel entering the shrinking parts to make its entry sure.

Grain of Steel Castings as They Come from the Mold

Grain of Steel Castings after
Annealing

(Magnification 60 diameters)

Baked molds, of course, are comparatively rigid. As the risers which stand on top of the flanges and other high parts of castings aid in resisting the natural shortening of long castings during and after “setting” of the metal, 220there is great liability that the still red-hot casting will crack somewhere along its length. It is therefore necessary to loosen with bars the sand of the mold as soon as the metal of the casting has set, particularly between the risers, and to break out the sand of the core inside, around which the shrinking metal might crack were the sand left in its hard packed condition.

After the casting is shaken out from the mold, it is cleaned and the risers cut off either by sawing or with the more modern oxy-acetylene torch flame.

Other Typical Steel Castings

Steel castings should be annealed in order to “refine,” i.e., make finer the grain of metal and to equalize “strains” which are set up in the castings during cooling. Coarse grain and internal strains tend to make the castings brittle. No such extended annealing, however, is necessary as is the case with malleable cast iron, for no divorcing of carbon from the iron with separation of free carbon is possible. The castings are carefully heated to a temperature of about 1600° or 1700° Fahrenheit and allowed to cool slowly.

After annealing, they are cleaned and excrescences removed by chipping, after which the castings are tapped, drilled or otherwise machined according to the purposes for which they are intended.

221

Cast Steel Valves, Steam Separator, and Direct-return Trap for Use with Superheated Steam

222While more costly in manufacture and installation than are those of cast iron, valves, fittings and other cast steel products are, so far as we now know, practically permanent. Their notable shock resisting quality is well shown in the following table which is reprinted from page 188.

Pouring Steel into Molds from a Bottom-pour Ladle

It is to be noted that while malleable cast iron far surpasses “semi-steel” in this property, though their tensile strengths are ordinarily somewhere near the same, cast steel, in turn, offers more than six times the resistance of the malleable iron to shock and has nearly double its tensile strength. It is this great strength and resistance to shock, heat and pressure, with freedom from “permanent growth” under alternate heatings and coolings that make cast steel such a valuable material for the many purposes for which castings are to-day employed. Millions of steel castings annually find varied application.

Alloy Tensile Strength Number of Blows Total Foot Pounds
Cast Iron 23,400 7 102
Semi-steel 35,050 11 206
Malleable Cast Iron 37,140 22 1,580
Cast Steel 72,120 92 10,112

223In modern power houses and other commercial steam and hydraulic installations particularly, steel castings have come to be the materials usually specified and approximately the only ones which satisfactorily serve under the severe conditions of to-day.

Pouring from a Lip-pour Ladle

Undoubtedly the first steel castings were poured from crucible steel, though we must remember that the crucible is a melting and not a refining furnace. This was only natural. In the crucible the metal can be made very hot and fluid, and if of proper composition and properly “killed” crucible steel makes very fine castings. Crucible steel castings, however, are not in as fortunate a position as are other products of this high grade material. Tool steels ordinarily bring high enough price that there remains a profit to the manufacturer though his manufacturing cost is necessarily high. In the steel casting line, however, there is much keener competition and crucible steel has had considerable difficulty in maintaining its place. It seems to be a matter of price alone.

Open-hearth steel is very largely used for steel castings, 224more than two-thirds of all made in this country being of this material. About one half of these are poured from basic open-hearth metal, and the other half from acid metal. It is generally considered that the product of the acid-lined furnace is a little freer from over-oxidation.

Tapping Side of Two-ton Oil-burning Open-hearth Furnace for Steel Castings

Open-hearth steel cannot generally be as hot and fluid as are the steels made in other types of furnaces. For this reason as well as because of the larger size of the usual open-hearth furnace, small castings are not generally poured from this steel. It is for steel castings of considerable size and where there are sufficient orders to warrant a steady and large output that the open-hearth has its place. True, smaller open-hearths are now built, some of them of only two or three tons capacity, but, in general, the standard open-hearth for steel castings is of fifteen tons or more capacity and of the style of the open-hearth furnaces which were described in Chapter IX.

In their proper sphere they are highly satisfactory, but they are “inelastic” in that they must be run continuously day and night and should not be allowed to cool until extensive repairs are imperative.

It was mentioned that in the open-hearth process the 225furnace is always hotter than the metal which it contains and that the heat which can be put into the steel is limited by the ability of the refractories of which the roof and side walls are made to withstand melting. In the Bessemer process the metal is hotter than the furnace because the heat is generated by combustion of certain of the metalloids contained in the metal itself. As metal for castings must be very hot and fluid the Bessemer process is very satisfactory for the making of steel for castings.

A 30–ton Basic Open-Hearth Furnace Tapping

The overflow from the ladle into the pit is slag.

It has, also, the advantage of “elasticity.” The supply of metal is practically continuous and one furnace can make from one to eighteen or even more heats on day turn only and be shut down for the night turn or longer and then started again without such loss as would result from the shutting down of an open-hearth furnace with regenerators.

For the making of metal for steel castings, very small-sized Bessemer converters are used which make from one to three tons of metal per blow. Some converters of as little as one-half ton capacity are being used. While some are of the “bottom-blown” type already described, the majority are what are called “surface-blown” or “side-blown.” In these, from four to eight round tuyères, about one and one-half inches in diameter each, pierce the brick 226or ganister lining just above the surface of the bath. They slope downward a little toward the bath so that when the converter is tipped to its upright or blowing position the air blast will strike the adjacent edge of the metal and blow across its surface. This three or four pounds per square inch of air blast keeps the metal in circulation, meanwhile burning out its silicon, manganese, and carbon, just as it does in the larger bottom-blown converters. Surface-blown give hotter metal than do bottom-blown converters and very fine steel castings are made from their metal. For these converters, which are practically all acid-lined (i.e., with silica or clay brick or ganister), metal low in phosphorus and sulphur is regularly drawn from a cupola specially run for the purpose.

Small Side-Blown Converter Making Steel for Castings

The remaining recognized type of furnace for steel for castings is the comparatively new electric furnace.

Commercial melting of metals by the electric current has been sought for half a century. In 1879 the first furnaces of promise were patented by Sir William Siemens, 227one of the Siemens brothers who became so well known through their great work with the open-hearth furnace, the gas producer and many other things metallurgical. While Siemens melted as much as twenty-two pounds of iron per hour in his furnace, the cost of the electric current at that time was so high as to be practically prohibitive for the manufacture of steel in competition with the open-hearth, Bessemer and crucible processes.

Drawing of Side-Blown Converter in Blowing Position, Showing Edge of Metal Even with Row of Tuyères

Little of great moment in the electric furnace line developed during the nineteen years which followed. Then, in 1898, Stassano in Rome, Italy, constructed a furnace in which three carbons gave an electric arc above the surface of the bath. About the same time, Heroult, a Frenchman, was developing the electric furnace which to-day has become so well known in this country, and which bears his name. Other well known furnaces of the arc type are the Gronwall-Dixon, the Snyder, the Girod and the Rennerfelt.

In general, electric furnaces have more or less round steel shells with shallow brick, magnesite or sand-lined hearths, and sidewalls and removable roofs of brick. Heat, of course, is furnished electrically. In most of them long carbon electrodes are lowered through holes in the roof 228until the lower ends strike an arc with the metal on the hearth. The number of carbons may be from one to four or more depending upon the style and size of the furnace and the manner in which electrical connections are made. All of the furnaces mentioned have been used for the production of steel for castings and the Heroult and Girod are in use in larger sizes for electric steel for rails and miscellaneous products. The steel is first cast into ingot molds and is later rolled down into bars, rods, etc.

A Gronwall-Dixon 5–Ton Electric Furnace Tapping

First Experimental Arc Electric Furnaces Patented by Sir William Siemens in 1879

All of the above use carbon electrodes and are known as “arc” furnaces. There is a distinctly different type of furnace which, also, is in use in commercial sizes. This is the “induction” furnace. In this, what is known to electricians as a secondary current is “induced” in the bath itself and heats the metal. Of this type the Kjellin and the Rochling-Rodenhauser are the best known in this country. While they are in use in the larger sizes for production of steel for ingots, these two furnaces do not seem to 229have been used to any extent for metal for steel castings.

The details of construction of the furnaces which are used for metal for castings are more or less different, but they are not of particular interest to us. The working of all is similar and a general description should suffice.

Drawing of the Snyder Electric Furnace

Small Snyder Electric Furnace Tapping

Whether starting with furnace cold or hot, materials in molten or in the more usual “cold” form are charged on the shallow hearth of the furnace. The charging doors are closed, the current is turned on and the carbon electrodes are lowered until an arc is struck between the upper electrodes and the metal on the hearth, which in some way is made to connect with the negative electrodes. In one or two of the types mentioned the arc plays between the carbons, all of which are above the bath.

At first there are great fluctuations in the current intensity because of the uneven surface presented by scrap steel on the hearth. In a short time, however, the current steadies. The intense heat of the arcs soon brings cold steel to a molten condition.

230Occasional attention from the attendant is necessary to see that the melting is even and that any outlying pieces of steel are pushed to the center where they must melt.

Sketch of the Heroult Three-Phase Electric Furnace

There are three electrodes, all of them above the bath. Only two show here.

In the basic-lined furnaces lime is usually charged with the cold steel. With the iron oxide which is added from time to time this forms a highly oxidizing slag, which, after it takes the phosphorus from the metal, is skimmed off.

As you will remember, the other processes stop at this point, little further refining being possible. In the electric furnace, however, the sulphur, also, can be reduced to almost any desired amount by use of a further addition of lime, and greater heat. Not only can the sulphur be reduced to very small percentages but the over-oxidized bath can be brought to neutral condition and the green or black slag made white with return of its manganese and iron to the bath. This is accomplished by addition of small amounts of powdered coke or coal. The whole process is under very accurate control.

With a practically white slag, which is the signal that 231the deoxidation of the bath is complete, and the sulphur reduced, the steel is ready to pour provided it is hot enough. Tests of this are usually made either by pouring a little of the steel from a small ladle and observing its fluidity or by observing the quickness with which the end of an iron bar is melted off when plunged into the metal in the furnace.

The Heroult Electric Furnace

Of all the metallurgical steel furnaces, the electric furnace is the most susceptible of accurate control. With the heat applied directly to the metal in the cleanest way possible, i. e., without the admission of coal ash or gas or air of the blast, the atmosphere in the tightly closed electric furnace can be made “oxidizing,” “neutral,” or “reducing” at will. The metal can be held in the furnace and additions made, samples taken, and the operations conducted with regulation and certainty.

This newly devised metallurgical apparatus is coming to be largely used in the production of tool steels. While it has not displaced the crucible method for the production of steels of the very highest qualities, it has proceeded far enough in this direction in the very limited number of years 232since its introduction, that it is certain that the crucible, even for tool steels, is to have a keen competitor. Tool steels in considerable variety are to-day being quite satisfactorily made in the electric furnace and it is not at all unlikely that steels of the very highest grade will shortly be produced by this method.

233

CHAPTER XIV
THE ALLOY STEELS

We have learned that steel, fundamentally, is an alloy of iron with carbon, i.e., carbon is the characteristic element. We are now to note what often seem to be exceptions to this rule. While in reality steel is just this iron-carbon alloy, there are alloys known as steels to which such strong characteristics are given by elements other than carbon, that carbon seems not to be the defining constituent at all. Indeed, in some of these, the carbon content may be small enough that, judging from our experience with the carbon steel series, we would not expect any such physical properties as some of these alloy steels show.

You remember that in olden days they distinguished between wrought iron and steel by quenching the piece in water from a cherry-red heat. If the piece was hardened and made brittle, by this treatment, it was thereby proved to be “steel.” Also, it is generally known that by annealing a piece of hardened steel, which usually means holding at a cherry-red heat for a time and then cooling slowly, it is made soft.

Then what shall we say concerning a certain one of these new alloys, Hadfield’s manganese steel, which is made very much less brittle and a little softer by quenching, but which refuses absolutely to soften under annealing treatment—in other words, is almost the opposite of what we know as steel in these chief defining traits? The nickel steel 234which contains 15 per cent of nickel, also, exhibits just these characteristics, being softened by quenching but not by annealing.

Again, while iron, the carbon steels, and even the magnetic oxide of iron which contains only about 72 per cent of the metal, are strongly magnetic, manganese steel which has 85 per cent of iron is so non-magnetic that it is sometimes used in place of brass or bronze where an entirely non-magnetic material is required. The nickel steels with 24 per cent or more of nickel are also non-magnetic though both constituent metals, alone, are strongly attracted by the magnet.

These are some of the things which make a logical classification of the iron family so difficult. Though derived from the steels which we knew and made from the same materials with the exception that a greater amount of one constituent, manganese, is added, or perhaps, in other cases, another element or two, the resulting alloys have markedly different and often contradictory properties.

However, we must not be led astray. In all probability carbon is still the necessary constituent, but much less of it is needed to produce results when the other elements are present. There is no doubt, however, that in “manganese steel” or in “nickel,” “chrome,” “tungsten,” “silicon,” “vanadium,” “titanium,” and other alloy steels, the added element or elements exert very strong modifying influences, and sometimes obscure the influence of the carbon.

In the first place, we better at once dispose of certain of these steels by terming the added element a “scavenger” only. Such usually are “titanium” and “aluminum” steels. These are generally ordinary carbon steels in which a very small amount of titanium or aluminum has been used to rid the alloy of certain gaseous or other deleterious elements. Upon analysis, steels so treated often show no 235trace of the element which has been added to do the work, all of it having passed into the slag, carrying with it the obnoxious substances, which, had they remained would have injured the quality of the steel. Manganese and silicon which were spoken of in the discussion of the Bessemer process as deoxidizing the metal, also exert just this same influence, though there is usually added of these enough that a certain percentage remains in the finished steel. Vanadium and titanium have a particular affinity for oxygen and nitrogen, and aluminum for oxygen. By chemically combining with these gases in the metal, and through possible other influence, they help to produce sound steel having very good physical properties. Vanadium, however, is much more than a “scavenger” as will be seen later on.

Manganese Steel

Manganese steel was discovered and highly developed by Robert Hadfield of Sheffield, England, along about 1882. His 11 per cent to 14 per cent manganese steel with about 1 per cent of carbon has such great hardness that it cannot be drilled or cut with tools. In forgings and castings it is used for milling machinery for ore treatment; manganese steel rails inserted around sharp curves and for “frogs,” etc., under severe service conditions outlast ordinary steel rails three or four times; it goes into various rolls and crusher parts, steam and dredge shovels, grab buckets, sand pumps, gears, pinions, etc., which have to resist heavy wear. It is much used, too, as a material for burglar-proof safes. The alloy is far too hard to drill and too tough and strong to be broken. It is said that no manganese steel safe has ever been drilled or forcibly entered.

In forming irregular shapes, manganese steel must be cast and finished by grinding but for ordinary bars and rails it can be rolled. In the “raw” condition it is quite 236brittle and extremely hard. Quenching from a cherry-red heat greatly toughens it and makes it ductile. Though now it can be dented by a hammer blow and marked with a file, it always is so tough that it cannot be machined with any tool. Ordinary annealing treatment has no softening effect on the alloy.

Silicon Steels

When alloyed in the steel in certain quantities, silicon gives desirable properties. Steels with from one to two per cent of silicon in the tempered condition are very tough. For this reason the leaves of automobile springs are often made from it. Steels with from 3 to 5 per cent of silicon are much used in electrical appliances because of their improved magnetic properties.

Molybdenum Steels

To a certain extent steels containing 3 or 4 per cent of the metal molybdenum, and 1 or 1½ per cent of carbon are used in the construction of permanent magnets. It is said that molybdenum is used in some modern guns, which longer resist the corrosive effect of the powder-gases because of it. A certain amount goes into the high-speed steels where it replaces part or all of the tungsten. Here, however, it has been a disappointment and the amount so used seems to be decreasing rather than increasing.

Tungsten Steels

Steels with about ½ per cent of each of carbon and tungsten are occasionally used for manufacture of springs, and with greater amounts, e.g., ¾ per cent of carbon and 5 or 7 per cent of tungsten, for permanent magnets for which they are claimed to be the best material known. The 237use of tungsten in the tool steels (other than the high-speed steels) is considerable.

Nickel Steel

Nickel steel is much used on account of its high strength. The most usual alloy, perhaps, is the one which contains about 3½ per cent of nickel. This is in addition to the carbon which may vary between .15 per cent and ½ per cent. This 3½ per cent of nickel adds several thousand pounds per square inch in strength to the steel, and when tempered, both the strength and toughness are greatly improved.

Nickel steels of these compositions can readily be forged and rolled. They are used for drop forgings, machine parts, engine and automobile parts, in seamless tubes and for bridge members of great span.

Nickel will not rust so it does not surprise one that with 22 per cent or more of nickel the steel is almost immune from ordinary corrosion. Steels containing from 25 to 46 per cent nickel are variously used for resistance wire, for valve stems, valves for motors, etc. The 36 per cent nickel steel is the alloy, “Invar,” which has such slight expansion and contraction with heat and cold that it is used for clock pendulums, watch parts and for parts of measuring instruments.

Forty-six per cent nickel steel is called “Platinite.” It has practically the same rates of expansion and contraction with heat and cold as glass and for this reason it finds extensive use in incandescent electric lamps. Wires of the alloy are fused into the glass bases and connect with the filaments in place of the expensive platinum which formerly was used.

As remarked above, the 13 per cent to 15 per cent nickel-iron alloys soften with quenching but not with annealing. The 15 per cent nickel steel has the highest strength of the 238nickel-iron-carbon series. Though nickel and iron are each strongly magnetic, alloys of the two which contain 24 per cent or more of nickel are not magnetic.

Chrome and Nickel-Chrome Steels

While “simple” chrome steel is pretty well known as a material for products which require great hardness, such as balls, roller bearings, files, rolls, five-ply safes, stamp shoes, projectiles, etc., and heat-treated chrome-vanadium steels are now extensively used in forged frames and shafts of automobile and other machines, a combination of nickel and chromium gives steels which have been great favorites. With 2 to 3½ per cent of nickel, not over 3 per cent of chromium and ½ per cent of carbon, these steels, when expertly heat-treated, can give “elastic limits” anywhere between 40,000 and 250,000 pounds per square inch, with good freedom from brittleness. They are very largely used for automobile gears, axles, and other parts, for armor plate, for projectiles and for many other purposes.

These alloys are also used for castings.

Chrome-Vanadium Steels

Within a comparatively short time the chrome-vanadium steels have come to be very largely used, often in place of the chrome and nickel-chrome steels. As vanadium is a “deoxidizer,” whereas nickel is not, the chrome-vanadium steels show fewer imperfections than the nickel-chrome steels and they also roll, forge and machine better.

They are used for automobile frames, shafts, for miscellaneous forged and rolled articles and for heat-treated armor plates. Of this comparatively new material about 90,000 tons were made during 1913, according to a recently issued bulletin of the Department of the Interior.

It is impossible, of course, to even begin to impart any 239adequate conception of the qualities and great importance of the alloy steels for purposes of construction. As has been shown they are special steels for special purposes and their application is wide. Incorporation of the new element in the alloy imparts peculiar and valuable properties: for example, 12 per cent of manganese, great hardness and toughness; 23 per cent of nickel, non-corrosive properties and great strength; chromium, nickel with chromium or chromium with vanadium, strength and high elastic limit (resistance to distortion) as well as great hardening power when desired, this, of course, the usual hardening through quenching from a cherry-red heat.

Very often instead of the single defining element, a combination of two, three or even four of them is used. Such, of course, are rather complicated steels having combinations of properties as might naturally be expected, though very often these resulting properties are not those which are expected. In fact no one can tell in advance what properties any new combination of metals in an alloy will produce and often new proportions of the same constituent metals give entirely different and unique results.

The only certain method of ascertaining what characteristics and properties a new alloy will have is to develop it and in that way find out.

Description of a special and extremely important class of these alloys, the “high-speed steels,” will serve to show how laborious, slow and expensive a process development of new alloys may be and what unlooked-for results are sometimes obtained.

240

CHAPTER XV
THE HIGH-SPEED STEELS

During early centuries the art of metal cutting made little progress except in-so-far as the application of greater driving power and the use of better machines were concerned. Lathes had been known since the sixth century B. C., at least, but, of course, little was or could be accomplished, comparatively speaking, before the invention of the steam engine by Watt, which was the first contrivance to give sufficient power for machining purposes. During the century which followed Huntsman’s time, steel makers and smiths became very expert in the manufacture and tempering of carbon steels. Lathe tools were made of these carbon steels, the only available material, but even with the better machine shop practice of the 19th century they were capable only of what we now consider to be inefficient results. The trouble was that since carbon tool steel gets its hardness from quenching from a red heat and then “drawing” the temper by reheating and slowly cooling from 400° or 500° F., tools made from it could not retain their hardness if their cutting points became much heated, as occurred if the lathe was run too fast. The usual cutting speed, therefore, was 20 or 30 linear feet per minute. Speeds in excess of this took the temper out of the tools and soon made them useless.

About 1868 Robert F. Mushet, a metallurgist of Sheffield, England, made a momentous discovery. He found that a 241piece of tool steel which had cooled in the air was as hard as some of those which he had quenched. Being an investigator he set about discovering the reason for this experience which was without precedent. Analysis showed that beside the usual constituents of tool steel this particular bar contained tungsten, a comparatively new metal. He experimented with some hundreds of mixtures and evolved an alloy, which, in tools, would stand up under machine speeds double those which could be used with carbon steels. These new alloys became known as “air-hardening” or self-hardening tool steels because they required no quenching.

The principal application of these new steels was in the cutting of harder metal than it had before been possible to cut, and little attention, apparently, was paid to the getting of greater outputs by increase of machine speeds.

At this point Frederick W. Taylor of “efficiency” fame appears upon the scene. While manager of the Bethlehem Steel Works in the nineties of the last century, he was working upon the efficiency investigations for which he later became so famous. During his investigations, with Maunsel White he experimented with many air-hardening steels to determine the best grades to use for their shop work. Getting some inconsistent results they determined upon and made what was a most extended and systematic investigation, one so thorough and complete that Taylor and White have become part of the history of high-speed steels.

They produced new compositions the quenching of which could be from temperatures greatly in excess of those which tool makers for centuries had held to be ruinous and which really are ruinous to carbon tool steels. The best results were obtained when the new steels were quenched by plunging in oil from close to their melting points—a dripping or “sweating” heat as it is called. This was something entirely new but it developed that after proper drawing, 242steels quenched from these extreme temperatures, would stand up under lathe speeds as great as 200 or 300 feet per minute.

Compare these with the miserable speeds of 20 or 30 feet per minute, which were the average performances of the best carbon steels.

The secret of Taylor and White’s treatment was not long in coming out and soon high-speed steel makers in Europe and America were vying with each other in production of finer and finer high-speed steels.

The progress which has been made during the last twenty years and particularly during the past ten has been astounding. Improvement has followed improvement in composition, manufacture and heat treatment, so that to-day, instead of the cut at 30 feet per minute, which was a high figure with carbon steel tools, the modern lathe or shaper tool often works at 300 or 400 or more feet per minute, and, with sufficient power behind it, at somewhat lower speeds plows out ½ inch deep and ¾ inch wide chips so fast that their removal to keep the machine clear is no mean problem. Often 2,000 pounds of the material per hour can be thus cut away with one tool.

As suggested, the new steels do not suffer such loss of temper from the heat generated by the friction of the tool in the metal as occurs with carbon steel tools. In fact, tools of high-speed steel work best after “warming up” and they can run for a considerable period of time with the point of the tool red-hot, though such is not advisable.

As is readily seen the essential property of the high-speed steels is the so-called “red hardness” which is the ability to retain hardness at red heat. This is several hundred degrees in excess of the temperatures at which the carbon tool steels quickly lose their “temper.”

As forecast by Mushet, the essential constituent of the 243new steels is the metal, tungsten. But tungsten alone cannot give the desired property. Mushet, it will be remembered, was the metallurgist whose patents for the use of manganese in steel Bessemer was obliged to recognize to make his process a success, though the metal had earlier been used in crucible steel. The air-hardening property of Mushet’s steel was contributed by a happenstance combination of tungsten and this same metal, manganese. It later developed that tungsten and chromium were the best hardening elements and these have maintained their place, though refinements of the past few years have made use of vanadium, and, more recently, cobalt in addition. Usual amounts may be said to be tungsten 14 to 25 per cent, chromium 2 to 7 per cent, with vanadium ½ to 1½ per cent, and cobalt up to 4 per cent, perhaps. The carbon content is usually .6 to .8 per cent. Sometimes another comparatively rare metal, molybdenum, is used in high-speed steels in place of part of the tungsten, but its use does not seem to be on the increase.

Manufacturers differ considerably in formulas.

It will be noticed that at best there is left room for only 70 or 80 per cent of iron in the alloy. From certain standpoints, the high-speed steels might not at first thought be called “steels” at all since carbon seems to be of so little importance. They might be considered to be low carbon alloys somewhat similar to the newer “stellite” (an alloy from which tools are made), which contains little or no carbon and no iron but is made up mainly of cobalt and chromium. They fit in, however, with the general and very comprehensive scheme of classification of the iron-carbon alloys which has been developing over a period of twenty years and there is no doubt among metallurgists and metallographists that, as is the case with the alloy steels described above, they are iron-carbon alloys—in other words, 244steels—the properties of which have been greatly modified through the presence of the other elements. Carbon, therefore, is an essential, though it is much less in amount than in the carbon tool steels. The hardening and softening properties, also, very definitely classify these alloys with the “tool steels.” Stellite cannot be softened.

As with the carbon tool steels, most of the high-speed steels are made by the crucible method, though a small but increasing amount is of late being produced in the electric furnace. After careful pouring into small ingots and cooling, the ingots are removed from the iron molds and “topped” to remove any “pipe” or unsound portion. Then, if without defect and satisfactory as to analysis, they are slowly and carefully heated to forging temperature and are hammered out into bars. By this method they are taken nearly down to the final size desired. The bars are finished by rolling to size. After careful annealing they are ready for shipment to the tool maker.

When taking heavy cuts a tool of to-day may exert as much as ten tons’ pressure against the metal it is cutting and the advent of this wonderful material for tools necessitated the building of immensely heavier and stronger lathes and other machines, which, alone, were capable of giving them power to do their work. The high-speed steels, therefore, have revolutionized metal-cutting practice and shop methods and have very largely aided efficiency.

245

CHAPTER XVI
THE MECHANICAL TREATMENT OF STEEL

Molten steel is practically always poured into upright molds of cast iron which shape it into long slightly tapering blocks of metal of square or rectangular cross-section. After the ingot mold has been stripped off, the still red-hot ingot cannot well be taken directly to the rolls, for, while the exterior parts may have the proper temperature for rolling, the interior of the ingot may still be liquid. The ingot, throughout, should be uniform in temperature when it is rolled. It is therefore put into a closed pit or furnace of proper temperature where the center of the ingot can be cooling while the outer portions are kept hot or are reheated if necessary, until all is ready for the rolling operation.

It would take a “steel man” a long time to tell you all of the unfortunate things that can and do happen to such blocks or ingots of steel which influence their applicability to the purposes for which they are intended. You must have learned of the most serious of these—“pipes,” “cracks,” “segregation,” etc., through reports of investigations of broken railroad rails and accidents caused thereby. A word or two regarding these:

In the ingot mold the outside of the steel ingot is, of course, the first to solidify. It may be hours after the freezing of the outer crust before the interior is able to cool sufficiently that it, too, can set. As steel, like most 246other metals and alloys, occupies less space when “frozen” than it does when molten, there must occur a hollow space in the interior since the crust is solid and cannot contract much. This hollow space usually takes the form of a more or less elongated cavity extending along the axis of the upper quarter of the ingot. It is called a “pipe.”

Pipe and Blowholes in an Ingot of Steel

Then, too, the metalloids of the steel do not always stay where they belong. Even if the steel has been of a uniform chemical composition when poured, the interior portions of the ingot after cooling will be found to have a greater amount of sulphur, phosphorus and carbon than parts which are nearer the surface. Such gathering together of constituents of the steel is known as “segregation.”

With the development of the steel industry and the demand for greater and greater tonnages, ingots have been made larger and larger. Piping, segregation, etc., are very naturally accentuated in the large masses of steel.

Much “gray matter” has been expended in attempting to overcome these and other defects to which large steel ingots are liable. Covering the molten ingot top with charcoal; filling in before complete solidification with additional molten metal; and keeping the ingot top molten by application of powerful gas flames have been, perhaps, the most useful methods.

But, even so, piping and segregation have not been completely prevented, though great improvement has resulted.

The usual way around the difficulty is to make certain that only the bottom (or best half) of each ingot is used for the most important products, such as locomotive and 247car axles, firebox and boiler plates, rails, etc. The next or third quarter or a little more is utilized for products which go into less exacting service. These may be plates for ordinary water tanks, for flooring, for ship plates, etc. The top part which contains the pipe is cut off and goes back to the furnace to be remelted. It is termed “discard.”

The big steel makers themselves shape most of their steel into such finished products as rails, plates, rods, and wire. Some of it is by them reduced from the ingot into intermediate “blooms,” “billets,” “bars,” etc., and sold in this form for the manufacture of axles, drop forgings and the hundreds of products which we each day see.

It is a very fortunate circumstance that at a cherry-red or white heat the carbonless irons and most of the steels can be quite easily fashioned into products. As is well known to us the most usual methods of mechanically shaping these metals while hot are by hammering, by rolling and by forging in a press.

With sufficient power and proper appliances, soft and medium steel to a considerable extent can be fashioned cold, but, of course, in this condition its resistance to reshaping is immensely greater. The cold treatment of these metals is usually some form of tube or wire drawing.

Certain other methods such as extrusion, spinning, etc., are also in use, and, through them, some otherwise difficultly formed products are made.

In one of the earlier chapters we saw that annealing refines (make finer) the grain of a steel casting and improves its physical properties. Annealing for refining purposes is practiced with other steel products also, and with just as effective results.

However, the mechanical shaping of steel while at cherry-red or at a white heat much more materially refines the grain while helping the strength and greatly increasing the 248ductility of the alloy. Steel which has been hot-forged or rolled is said to have been “hot worked.” Steel usually is “hot worked,” for “cold-working” methods are not so generally applicable and the product is more liable to suffer under the more drastic treatment. The amount of “hot-work,” at proper temperatures, that low and medium carbon steels will stand with improvement of the grain and physical properties is considerable.

As we must anyway shape the metal into useful implements and other products, it is fortunate that the quality of the metal is benefited by the process.

No. 69a. Photomicrograph of Cold-Drawn Steel Wire Showing Distortion of the Crystals from Cold Working

Hot Working does not produce distortion
but makes the grain finer. Annealing relieves
this distortion to a great extent.

(Magnification 70 Diameters.)

Forging

[Man]

Undoubtedly the earliest shaping of ferrous (iron) metals was by hammering the small balls of metal into bars, spears or swords. Presumably it was done with stone hammers which later had to give way to hammers made of iron. These had sufficient hardness to serve the purpose well.

249For hundreds of centuries the shaping of iron, steel and the other metals into tools and weapons must have been done by such forging methods. It is not difficult for us to picture the early smiths at their work, laboriously and yet very skillfully hammering into spear-heads and sword-blades the lumps of iron or Wootz Steel which they had made in their crude furnaces.

The Old Oliver Foot-Power Hammer

An Old Forge Hammer

In much the same way, though on a considerably larger scale and with heavier and better hammers and tools, was the same work done up to the time of the invention of Cort’s rolling process—about 1783. Various styles of hammers were used, some with a spring pole attached to raise them for the next stroke which was delivered by foot power, others known as “helve” or “shingling” hammers gave periodical blows as teeth on a revolving wheel lifted and allowed the hammer heads to fall. The heavier ones often gave as many as seventy-five and the lighter ones which were used for “tilting” (forging) shear 250steel into bars or implements as high as three hundred blows per minute.

The Squeezer Was Sometimes Used in Place of the Hammer

The Old Tilt Hammer

Though Cort’s rolls very materially aided in the shaping of balls of iron from the puddling furnace into bars, the hammering or forging method remained the one by which finished iron and steel articles were made.

251About 1835 it happened that a very large propeller shaft for a new ship was desired. Being so large, no one was found who could forge it until the matter was put before an English iron-worker named James Nasmyth, who had a reputation for ingenuity. Nasmyth roughly sketched out an immense hammer which he proposed to operate by steam. There was no opportunity to build it, however, for the propeller shaft never was ordered. But the idea of the steam hammer got to certain French engineers, who constructed one which Nasmyth came upon during a visit to a French iron works. Nasmyth realized the importance of his invention, which, luckily, the Frenchmen had not attempted to patent. A patent was granted to Nasmyth.

A Belt-Driven Power Hammer of To-day

To most of us the steam hammer, still little changed in essentials, is quite well known and some of us have witnessed the cracking of an egg without breaking the egg cup which held it. The adjustment and regulation of these mammoth hammers is so nice that with almost successive blows a skillful operator can flatten a piece of iron and then break the crystal of a watch without otherwise injuring the timepiece. Needless to say, the steam hammer has proved to be the only efficient hammering device for forging large pieces.

252

Two Board Hammers and Trimming Press

253But whether made in the small way of the village blacksmith, by the larger helve, tilt, Bradley, or by the monster steam hammer, each forging, unless made in a die, must be considered to be specially formed and no two pieces, when finished, are exactly alike. They are always “hand made” articles.

Drop Forgings

Many years ago, what are known as duplicate or interchangeable parts, therefore, were quite unknown and it is related that parts of the famous English Enfield rifle were made in various parts of the civilized world, shipped to the Tower of London and there assembled. But during assembly, the various pieces had to be filed and carefully adjusted by hand because no two parts were exactly alike. But the “Yankee tool makers” of New England solved the problem by forging the pieces of which many duplicates were necessary in a “die” or impression in a block of steel. The forged pieces, of course, took the exact impression of the “die” and successive pieces thus made were alike in size and shape. From finished duplicate parts which went to London from the New England states, the Enfield rifle was assembled with very little final finishing of the “cut and try” variety.

Done at first with the die on a blacksmith’s anvil and with a light hammer, this promising method soon developed expert “die-sinkers” (die makers), also ingenious men of whom the term “Yankee Tool Makers” is self-explanatory.

In connection with this work what are known as “drop 254hammers” came to be largely used. Of these an important type were the “board hammers,” in which the heavy steel hammer-head was attached at the bottom end of a vertical board set between pulleys. As the pulleys squeezed and revolved against the board it was carried up between them and dropped, when the pulleys loosened it at whatever height was desired. Rapidly and periodically ascending and dropping upon the anvil beneath, it quickly forced the white-hot iron into the “die” upon the anvil, forming what have since been known as “drop forgings.”

Nasmyth’s Steam Hammer Revolutionized Steel Working

Commonly the hammer face itself carries the impression of the upper part of the article to be formed, i.e., there is an upper “die” on the hammer and a lower one on the anvil.

255

Modern Forging of an Automobile Crank Shaft

256“Fins” were of course, left all around where the excess metal was squeezed out from between the upper and lower dies. It shortly developed that a second pair of dies shaped for trimming could clean the forging of this excess metal, which is so well known under the appellation, “flash.”

Nasmyth’s steam hammer, also, has been used very largely for drop-forging work.

A “cast” metal is not and cannot be as dense, free from holes, sponginess or other defects or as strong as “worked” metal. While often not as cheap as castings as far as cost of production goes, “drop forgings” are usually considerably superior to them and are to be preferred. However, it does not pay to make dies unless for many pieces. One or several “castings” can be made without great expense.

Forging of Large Pieces by Hydraulic Press

Of late years much forging has been done, not by the hammer which gives such a sudden, superficial blow with shallow working of the piece, but by hydraulic or other press, which very slowly squeezes the hot piece to smaller and longer shape. Sir Henry Bessemer was one of the first to realize the advantages of and make use of the press for steel working.

Unlike the hammer the press exerts a deep working of the piece which can be seen to flow throughout under the stress rather than in surface only as occurs under the hammer. This is very desirable as the interior, which is known to have much coarser grain than outer parts, particularly needs to be “worked.” In plainer terms the press seems to knead the mass much as the bread-maker kneads dough, while the hammering method simply batters down the outside. At a glance an experienced eye can tell from the appearance of the end of a forging whether it has been pressed or hammered.

257

A Modern Hydraulic Forging Press

258Pressures as high as 8,000 pounds per square inch are used in hydraulic presses, though much lower pressures are more common.

Forging vs. Rolling

Though we have not yet considered the rolling mill or its products, we understand that, in general, only products of regular and uniform cross-section and of considerable length can conveniently be rolled. Where they can be obtained of satisfactory shape and size, steel products formed by the rolling process are highly desirable and are usually cheaper than those which are produced by the forging process. Compared with those made by the rolling process, forged products are usually quite costly in labor and time.

Rolling mills, however, cost immensely more to build and equip than do plants installing even the steam hammering outfit, so the rolling process cannot pay except for such articles as are demanded in great quantities. Articles of irregular and odd shape must, of course, be forged and here, especially for very small articles, the drop-forging process is available and highly satisfactory where enough pieces of one kind and size are wanted to pay for the requisite dies.

Forged articles have another advantage which we should not overlook. The physical properties which are imparted during forging are somewhat superior to those which the rolls bestow. The physical properties shown by the latter are very satisfactory, however.

259

CHAPTER XVII
THE ROLLING PROCESS

Early Rolls

After invention of the puddling furnace with its rather large yield from the standpoint of those days, Cort about 1783 found the hammering method unsatisfactory for his purposes and rolls were devised by him to facilitate working of the larger balls of iron which his furnace produced.

His rolls were provided with a series of grooves which systematically reduced the balls of iron to pieces of longer and longer length and proportionally decreasing diameters. They were power driven and served very well as long as iron and steel were made in quantities no larger than those which were produced in the puddling and crucible furnaces.

Quite naturally there was little or no change in the essentials of rolling mill design until it was forced by the invention of the Bessemer steel-making process. With that 260occurrence trouble began. The open-hearth process followed, and, with the increasingly large steel outputs of mills using these processes, necessity after necessity developed which resulted in the highly developed rolling mills of to-day.

[Mill]

The “Two-High” Mill

The mill as invented by Cort had but two rolls and these were actuated by a fly wheel. Turning in one direction continually, the rolls allowed the piece being rolled to go through in only one direction, i.e., it had to be returned from the rear to the front side of the mill after every passage, usually called “pass.” This was done by the “catcher,” a brawny man at the rear of the mill, seizing the piece, lifting one end bodily to the top of the upper roll over which it was carried back with more or less difficulty and awkwardness to the “roller,” who, from the 261front, seized and entered it again into the next succeeding or smaller groove of the rolls.

Two-High Rolls and Effect on the Piece

The “Three-High” Mill

Action of Three-High Rolls

In 1857 John Fritz was watching his men at their slow and fatiguing work at the two-high mill of the Cambria (Pa.) Iron Works. The thought struck him that by adding another or third roll at the top, the piece could also be given a pass on every trip back to the roller in front. The rolls would of course pull it through, the work would be less severe on the men, and, receiving passes in both directions, the piece would receive the full number in approximately one-half of the time which was then required, and, more important than all else, it would not have nearly so long a time to cool and could be finished at a more desirable temperature—a great advantage.

Strange to say the idea was immediately pronounced impracticable when he mentioned it and it was necessary for him to go through a long fight to obtain permission to make a trial.

The experiment was from the first successful but the mill burned one Saturday night, having supposedly been set 262afire by workmen who feared loss of their jobs. Rebuilt and manned by new workmen it ran with success.

The succeeding ten years saw the “three-high” type of mill come into extensive use both in America and Europe. Elevating or tilting tables have since been provided which mechanically raise the piece to the upper rolls, thereby relieving the workmen of this duty, which, with the great increase in size of ingots and pieces rolled soon became very arduous. To-day the “three-high” mill is just as important as ever.

The Reversing Mill

Having a fly wheel for the storing-up of power, the rolls must keep turning continuously in the established direction. In England, Nasmyth—the same man who invented the steam hammer—suggested that the fly wheel be dispensed with and the two-high rolls reversed after each pass. The piece would go back to the roller’s side receiving work in a regular pass on the way, just as in the three-high return. The idea was developed by Mr. Ramsbottom of the London and Northwestern Railway Company. By the use of powerful enough engines the desired end was accomplished and this type is now quite generally used for very heavy ingots which it is not economical to lift by tilting tables in the three-high mill process. There are certain other advantages also.

The above are the three general types of mills.

“Breaking-Down” the Ingot

Whether it is to be sold in intermediate shapes or further rolled down into a finished product, all ingots have to be “cogged” or broken down into intermediate-sized slabs, 263blooms or billets, for an ingot contains altogether too much steel for any single plate, rail, rod, or other finished product.

The cogging or first rolling is accomplished in one of the three types of rolls already described but now more generally in the reversing mill.

Ingot Coming Out of the “Soaking Pit”

When the tongs of the big overhead crane have lifted the white-hot ingot out of the soaking pit it is run back and forth through the rolls which are forced nearer and nearer together by the “screw-down” man so that the piece continually becomes thinner and much longer with each pass. Tables made up of small rollers geared together receive the long piece as it emerges from the rolls. After each pass they bring the piece back to the rolls which are now turning in the opposite direction. The table on the other side repeats the process, the piece being regularly turned on edge or slid from one side of the rolls to the other by steel guides which can be raised up between the rollers of the tables where desired. The direction of these as well as of the rolls themselves is controlled through levers by two or three men standing at one side of the mill.

264Reversing after each pass, with the big ingot apparently turning and sliding itself into the most advantageous position for the next entry, the big engine, mill and roll-train seem almost human.

Ingot in the Rolls

The Rolling of Steel Plates

It is manifestly impossible in the space at disposal to give in much detail the rolling of many of the better known products. Fortunately it is not necessary, for after description of the making of plate, pipe and tube, and of rod and wire, the rolling of other forms such as rails, bars, and the structural shapes, I beams, channels, angles, Z bars, etc., can well be imagined.

Steel Billets for Forging or Other Purposes

From the contract department to the mill clerk come the orders for plate, with detailed list of sizes and thicknesses, and definite specifications of quality in terms of chemical and physical requirements, etc.

265

Rolling Ingot into Slabs

After studying these, the clerk makes requisition upon the open-hearth furnace for such tonnages of steel of various compositions as he estimates will give him sufficient stock for his purposes. As soon as possible the steel is made and poured into ingots which are transferred to the soaking pits of the slabbing mill there to await disposition as soon as the chemical laboratory has made analysis of the sample taken and has reported by telephone the result to the clerk who ordered the material. If close enough to the composition he ordered, he sends to the slabbing mill his requisition ordering them to roll and cut the four or six ingots of the “heat” into slabs of definite weights, each one designed for a plate on a customer’s order.

The clerk at the slabbing mill determines to what width and thickness each ingot shall be rolled and in what varying lengths it is to be cut to furnish slabs of the definite weights ordered in the requisition.

After rolling the ingot down to proper width and thickness, the “piped” end is cut off and “discarded.” Slabs are cut and piled in regular order on a little flat steel car 266on which they are pulled, still red-hot, by the shrieking little dummy engine out from the slabbing mill, through the yard and to the plate mill furnaces, into which they are charged in proper order. Here they remain until they are again white-hot and the plate mill roller is ready for them.

Meanwhile record sheets giving the heat number, the number of the ingot and the weights of the slabs in the order in which they were piled come to the plate mill clerk. From these and the results of analysis of the steel he makes out the rolling orders for the plates to be manufactured.

Slabs from Which Plates Are Rolled

You have heard how difficult it is to get solid ingots and how the top eighth (or sometimes more) of an ingot is usually “piped” and discarded. Now slabs from the balance of the ingot were piled on the car and have been charged in the plate mill furnace. Those from the upper part of the ingot (next to the discarded part) are used for the less exacting qualities of plate. Only the bottom half of the ingot, which of course is the solidest and best, goes into the higher grades of plate, such as “fire box,” the choicest grades of “flange” steel, etc. The third quarter goes into flange stock, “ship” and “tank” plate, the latter representing miscellaneous lower-priced plate which may be used for water tanks, steel flooring, etc. Steel known as “fire box” of course must be of very high grade. It is used for parts of locomotives, etc., which come in contact with and likely will suffer deterioration 267from flame, smoke, etc. The best “flange” goes into boiler plates and other products which have to stand considerable bending to shape.

In making out his rolling orders the clerk sees that each numbered slab is ordered rolled only into a product for which it is well suited. He has to take into consideration the chemical composition, the probable strength and other physical properties which were definitely named in the specifications of the customer’s order. And, as the physical properties of such steel are mightily affected by temperature and speed of rolling and by rapidity of cooling, he must know mill practice and constantly keep in touch with the results which the physical testing laboratory is getting from bars sheared from such of his plates as have been “pulled” for customers or the inspectors who represent them.

When hot, the slabs one by one and in regular order come to the rolls from the furnace. Following his rolling orders the roller and his helpers put each slab back and forth through the plate mill rolls, first drawing it out to a width a few inches greater than the plate to be sheared from it, and then turning it a quarter around, they draw it out in the rolls until it has come down to the proper thickness or “gauge.”

If the clerk’s computations have been correct the plate will now have the proper length. However, he may have ordered a slab of insufficient weight to make it, particularly if the rolls have become much worn.

It will hardly be realized how much the width and thickness of the plate ordered have to do with the “percentage” of trimmed plate which the mill will get out of the slab ordered. There is a “fish tail” on each end of a rolled plate. On a thin, wide plate this becomes rather serious.

Wherever possible the clerk puts two or three plates end 268to end and perhaps narrow ones side by side, but he must not exceed the width which the “shears” can “split” nor give the mill such a long plate that it will become too cold to roll or too long to be conveniently handled.

An 84–inch Plate Mill

For diversion the mill men take delight in throwing an extra amount of salt upon the plate to rid it of scale when nervous visitors have come as close to the rolls as their conductor through the mill will bring them. The explosion which comes from the usual amounts is much intensified and it is not at all out of the ordinary to hear shrieks from the women and to see surprised and somewhat dismayed men among the visitors.

Plate mills are usually three-high with tables of small rollers on each side which tilt to feed the plate into the rolls and to receive it on the other side from which it is fed in again, either above or below as the case may be. As the plates must be flat, perfectly plain rolls are used. For plates which are very wide these rolls may be 140 inches or more long and perhaps three feet in diameter.

The rolls, of course, are kept flooded with water to keep them cool. At first thought one would think that the water would cool the plates which are being rolled. It does not materially do so, however, the extreme heat apparently keeping the water from coming in actual contact with them. 269Thus they are rolled down from the three-inch thick slab to ³⁄₁₆″, ¼″ or ⅜″, and from 6″, 8″, 10″, or 12″ slabs into ½″, ¾″ or possibly 1″ or 1¼″ plates.

The Rolling of Plates

All plates must be rolled very accurately to gauge, allowance of variation often being not over one or two hundredths of an inch. The roller must be a man of experience and of very good judgment for slabs for almost any plate may come of any one of several thicknesses and lengths. He must know his temperatures, speeds of rolling and the amount of reduction given with each pass, and, particularly in case of thin, wide plates, the condition of his rolls, which after two or three days’ wear will produce plates thicker in the middle than at the edges. As the “screw-down” man on top screws the rolls together a little with each successive pass and the “hookers” under the roller’s direction keep the plate entering the rolls properly, he must with his very accurate gauge measure the thickness of the plate as it nears completion. Especially when plates are ordered and paid for by average weight per square foot must he judge accurately the thickness of the center of the plate where he cannot measure, and pull down the edges enough 270that the finished plate when sheared will average right.

It is fortunate for the steel mill men of this country which does not know the advantages of the metric system that a steel plate one inch thick weighs very close to 40.8 pounds per square foot. This is an easy figure and the clerk, roller, hot bed foreman, weighers and all concerned “think” in terms of a plate one foot square and one inch thick. One-half inch plate, therefore, weighs 20.4 lbs.; ¼″, 10.2 lbs.; and ³⁄₁₆″, 7.66 lbs. per square foot.

As will be seen when we consider wire drawing and cold-drawn seamless tubes, the strength and other physical properties of steel depend first, upon composition, and, secondly, upon temperature at which they are hammered, rolled, or otherwise “worked.” Therefore, plates can be much modified in physical properties by finishing at chosen temperatures. A steel containing .19% of carbon and .45% of manganese, for instance, which in one inch plate should give a tensile strength of around 55,000 pounds per square inch, 58,000 pounds in ½″ or 62,000 pounds in ¼″ when finished at usual temperatures, by slightly “colder rolling” can be made to show a considerably greater strength. Of course, the ductility is somewhat reduced, but, with a moderate amount of cold rolling, it will not be enough to do harm.

All of these and many other details must be not only kept in mind but become second nature to the plate worker.

After the final pass the plates go upon the “hot bed” where they are laid out side by side in the order in which they have been rolled. They must now have marked out upon them the boundaries of the smaller plates or pieces into which they are to be cut. From a duplicate of the roller’s sheet the hot bed foreman marks upon the end of each plate what is to be laid out and boys or men wearing shoes with thick soles of old belting or other cheap non-conducting material go upon them with chalk and “squares” 271which are somewhat similar to the carpenter’s square but having “legs” six and twelve or fifteen feet long. Though the soles of their shoes smoke from contact with the still hot plate, they very quickly and accurately mark out upon its surface the design which the hot bed foreman has signified.

Usually the plates laid out are rectangular and of standard size but often the boys have to lay out pieces of odd sizes and shapes, and sometimes, what are known as “sketches” have to be drawn using arcs, chords, radii, etc., as the student in geometry draws his geometrical figures. Round plates for boiler heads, tank ends, etc., in plate mill parlance are termed “heads.” These are marked out with string and a piece of chalk. A boy with a pot of white paint follows and paints on the surface of each piece laid out its size, thickness, the customer’s name, the order number and heat number. That the plate can always be identified, even after exposure to severe service or weather conditions, another boy with steel stamps follows and stamps into the steel the heat number.

Cranes with magnets or hooks convey the long plates to the “goose necks” over the small rollers of which they are pulled to the shears where the powerful steam or hydraulically-operated square-edged knife with ease trims the ends and irregular edges along the chalk lines into the sizes marked. Accuracy is everywhere necessary as ¼″ over or under ordered dimensions or a variation of two hundredths of an inch in thickness may and probably will cause rejection of a plate.

After weighing and recording, the plates are conveyed to the shipping yard, where they are loaded by electro-magnets into cars for shipping.

In the plate mill process above described plates anywhere between 30 and 120 inches in width, say, can be rolled. 272And as mentioned, the more or less irregular edges on the sides are “sheared” off. This extra allowance, which must be given, of course becomes “scrap.”

For plates which can best be rolled in long narrow lengths a “universal” plate mill is often used. This has vertical rolls just back of the two horizontal rolls, which are adjustable so that the plate can be regulated, not only as to thickness, but also as to width as well. Such mills give plates which have to be trimmed on the ends only, the sides being quite smooth.

Loading Plate from the Shipping Yard

The rolling of plate has been described thus in detail that a slight conception can be obtained of the refinement and the minutia which is a necessary part of modern mill practice. American outputs which have grown to as much as several hundred tons per twelve-hour turn, require that every operation move along with “clock-like” precision. But with this immense tonnage and with all of the handicaps of occasional broken rolls and machine parts, electric crane delays, and illness of important men, the work must be and usually is kept up without serious delay.

Modern metallurgical and rolling mill practice is a marvel.

273

Sheets

The Rolling of Sheets

Most plates are rolled from slabs which are about 36 inches wide, but “sheets,” which are plates less than ³⁄₁₆″ thick are rolled from much smaller-sized slabs known as “sheet bars.” After “pulling out” into sheets these may be folded once or even more times, so that from two to eight thinner sheets are rolled at once. That they may not weld or stick together under the heavy pressure, they must be rolled colder than are single plates. They are later trimmed and pulled apart. Some mills start sheet bars of smaller size, for each sheet a separate piece, which, after drawing out somewhat are piled, two, three, four or five high. With coal or charcoal dust—either dry or mixed with water—between them, they are heated and rolled, the charcoal and coal dust keeping them from sticking together. After annealing, pickling, etc., they may be cold finished in polished rolls or otherwise treated according to the purpose for which they are intended. After straightening some are galvanized, others are tinned, blued or painted. Most of them are sold “black,” i.e., with no coating at all. Terneplate has a coating of 75% of lead and 25% of tin.

The Rolling of Rails and Structural Shapes

It will be readily understood after reading the above, that, instead of using plain rolls, mills for rolling steel rails, 274I beams, channels, angles, Z bars, rods, etc., must have grooved rolls. For these products the first pass will be through a groove slightly smaller than the bloom or billet. Successive passes will be through other grooves in the same set of rolls which will gradually make smaller and bring more nearly to the finished shape the piece being rolled.

Rail in the Finishing Rolls

Before our eyes the white-hot bloom enters the three-high mill, goes backward and forward through the rolls and very shortly assumes the general shape desired. Each pass thereafter brings it nearer to the finished shape. Rails, for instance, are rolled out from the blooms into one long rail perhaps 140 feet in length which glides along like a huge snake to the swiftly revolving “hot” saws which are so spaced that four 33–foot rails are sawed from it at the same time. As the rails pass from the saws to the cooling bed they are marked by a revolving stamp. When cool they go to the straightening yard, are straightened, drilled, inspected and later loaded into cars for shipment.

The production of all kinds of finished rolled iron and steel products in the United States during the past twenty-eight years is given in the following table which shows how 275extensive are our rolling mill industries and the rapidity of their development.

Year Iron and Steel Rails Plates and Sheets Nail Plate Wire Rods Structural Shapes All Other Finished Rolled Prod. Total Gross Tons
1887 2,139,640 603,355 308,432     2,184,279 5,235,706
1890 1,885,307 809,981 251,828 457,099   2,618,660 6,022,875
1895 1,306,135 991,459 95,085 791,130 517,920 2,487,845 6,189,574
1899 2,272,700 1,903,505 85,015 1,036,398 850,376 4,146,425 10,294,419
1901 2,874,639 2,254,425 68,850 1,365,934 1,013,150 4,772,329 12,349,327
1903 2,992,477 2,599,665 64,102 1,503,455 1,095,813 4,952,185 13,207,697
1905 3,375,929 3,532,230 64,542 1,808,688 1,660,519 6,398,107 16,840,015
1907 3,633,654 4,248,832 52,027 2,017,583 1,940,352 7,972,374 19,864,822
1909 3,023,845 4,234,346 63,746 2,335,685 2,275,562 7,711,506 19,644,690
1911 2,822,790 4,488,049 48,522 2,450,453 1,912,367 7,316,990 19,039,171
1913 3,502,780 5,751,037 37,503 2,464,807 3,004,972 10,030,144 24,791,243
1915 2,204,203 6,077,694 31,929 3,095,907 2,437,003 10,546,188 24,392,924

Specifications and Inspection

Customers, of course, have a right to see that their specifications are lived up to. Though years ago the mills perhaps intentionally sold to customers products which did not fulfill his specifications to the letter, it is not generally so to-day. Now the mills’ own inspectors are commonly more severe in their rejections of products than are the representatives which the customers themselves send. Not only does the mill laboratory make careful and accurate analysis of each heat or batch of steel made, but, after its application to orders, pieces of plate, shapes or rails rolled from it are examined, gauged, and test bars of the steel are pulled in the physical testing laboratory.

The mill rightly recognizes that it is for its own interest that the standard of its product be kept high.

A trip through one of the large steel plants with its furnaces, its blooming and slabbing mills, its rail, plate, structural and rod mills is one of the most interesting that can be taken. If the visitor is not afraid of smoke or dust or of what seems to him an uncomfortable heat 276on a warm day he will discover new worlds. No particular attention is paid to the casual visitor to the plant, but, for those who show real interest, steel men have a warm welcome, from manager to the sample boys.

277

CHAPTER XVIII
THE ROLLING OF RODS

Steel rods and what we will call large wires are rolled from billets which are long, and approximately square blocks of steel. The size and shape of the billets used vary, depending upon the process and the size of the rod to be rolled. Much of the finished rod is sold as such for various purposes for which round steel is desired and an immense tonnage of one of the smaller sizes is used as the intermediate raw material from which wire is drawn.

Rod mills have a very interesting history, which, by the way, is but one of several histories of the development of the iron and steel processes and products which should make us proud of the genius of man in the way of metallurgical, mechanical and business development.

The Belgian Mill

The first bars and rods were rolled in the old two-high mill, where, after each pass they were pulled back over the top roll and inserted into the next groove by the roller as is usual with the two-high mill. Then along came the three-high mill which probably resulted in greater advantage to rod rolling than to other lines, important, even, as it was to them.

But long, thin bars or rods are quite pliable when at white or rolling heat and the “catcher” soon discovered a way by which he could save time and push up his tonnage. He skillfully caught the forward end of the bar as it came 278through, and, giving it a quarter twist, he inserted it in the proper return groove without waiting for the whole bar to run through to his side before starting it on its return journey. This, of course, was easily possible with the slow speeds then used.

Naturally the rod coming through from one side and going back to the other formed a loop.

The roller, at the front, was not slow in discovering that on long rods he could do the same thing, so rods were soon regularly going through three or more passes at the same time.

Wire drawing of 350 Years Ago

It was soon found out that it was better to use a second set of rolls placed end to end with the first for the third and subsequent passes as the roller had hardly room or time to loop the rod on the return and start his next one. This second set of rolls was connected on the same shaft and therefore made to run at the same speed as the first. It worked out that by use of such extra sets of rolls and an additional helper or two the same long rods could be running through as many as six or seven passes at once with a great saving in time.

As it came from the final pass the forward end of the finished rod was seized in a pair of tongs by a boy who ran with it away from the rolls, stretching it out along the floor to cool. As the various sets of rolls were connected on the same driving shaft and revolved at the same speed, the loops which were formed between passes continually 279grew longer. Here, too, boys with iron hooks were useful in controlling the loops. Later it was found advisable to have each succeeding mill speeded enough to take the rod as the preceding pair of rolls delivered it; then the loops remained of approximately constant length.

Plan of a Modern Looping Mill (The Garrett Mill)

To push production the mill was run faster and faster. As longer rods were rolled, a hand-operated reel was devised to which the boy attached the forward end of the rod while another turned the reel. But the speed of the mill was limited mainly because of the slow reel and the awkward method of getting the rod attached to it.

The Bedson Continuous Mill

About 1867 George Bedson of England, invented the first “continuous” mill.

Instead of looping the rod around and back through the rolls he put several sets of rolls each in front of the other 280with every other pair vertical. This alternate horizontal and vertical roll arrangement was necessary because the reduction of the billet or rod in any pass can be only in a direction perpendicular to the axis of the rolls. The roller and catcher had given it a quarter-turn twist each time they started it into the two-high rolls. Bedson’s successive pairs of rolls were set close together, each pair being speeded enough that it took the rod exactly as fast as the preceding pair delivered it. The billet or rod, therefore, traveled through them in a straight line.

This continuous process was, of course, of great advantage in that considerable speed could be attained and there was not the rapid cooling nor the opportunity for loss by scaling from exposure to the air which occurred with the long loops of the Belgian Mill. It was a great advance, but the speed was yet held down by the finishing pass and the inability of the reel to coil the rod fast enough.

The greatest development came through the inventive genius of two men, Charles Morgan and George Garrett, who developed the two separate types of mill which have made the rod rolling industry what it is to-day. The work of both was done in this country.

The Morgan Continuous Mill

Morgan’s also was a continuous process. The billet was put in at one end of a new type of heating furnace which Morgan devised, and was gradually pushed along to the other end. From this second or outgoing end, the long, narrow, white-hot billet went through several pairs of two-high rolls set close together, each successive pair having smaller grooves than the one preceding it, so that, after traversing these several pairs of rolls, the rods emerged from the last pair finished, having traveled in a straight line through them.

281Hand reeling was much too slow for Morgan who invented two different types of high-speed automatic reel which, in the highly speeded mills of to-day, receive and coil wire coming from the finishing passes at speeds of over one-half mile per minute. It is stated that the billets and rods therefrom traverse the rolls so fast and the pressure is applied so quickly and so hard that the rods emerging from the finishing passes are hotter than were the billets when they went into the rolls.

The Billet Traverses the Morgan Continuous Mill at High Speed Emerging from the Last Roll as Finished Rod

As was explained, no reduction in thickness is brought about by the sides of the grooves in the rolls. Therefore, a bar or rod must be turned after each pass unless Bedson’s alternating horizontal and vertical rolls are used. This turning Morgan did in spiral tubes inserted between the successive sets of rolls, all of which were horizontal. These tubes operate as does the “rifling” in a gun barrel, in turning the rod.

282In Bedson’s mill, with its alternating horizontal and vertical pairs of rolls, it was possible to roll only one rod at a time. With Morgan’s system, in which all rolls were horizontal, several rods could be traversing the mill side by side.

With the high-speed reels and what are known as “flying shears” in which billets or rods can be cut to any length while going at full speed, Morgan’s mill had come to a high stage of development. It was practically automatic.

The Garrett Mill

While Morgan was developing his continuous mill, William Garrett was improving the old Belgian mill. Garrett believed and insisted that with proper working, rods could be rolled from billets of much larger diameter and greater weight than the long narrow billets which had been used. He eventually did away with an intermediate rolling operation by using larger billets.

You remember that in the Belgian mill the “catchers” looped the rods back into the rolls. To do this work automatically Garrett inserted between the sets of rolls looping troughs which guided the forward ends of the rods around and into the next groove in the rolls. These troughs are called “repeaters.” It was found that while they worked very well for looping the cross-sections known as the squares, they were less suitable for looping the oval sections which were produced with every other pass. These were better and more safely done in the old way, i.e., by manual labor. They are generally so done to-day. With the Morgan high-speed reel, sloping floors to better take care of the loops, and with successive pairs of rolls each running at higher speed than the preceding pair, the Garrett mill has apparently kept pace with the Morgan.

Each has its advantages and each is used for certain 283classes of work. For long continued runs on rod of one size the Morgan mill can produce more cheaply, its product is more uniform in temper and the loss from scaling is less as little of the rod is exposed while in the mill. As the first pair of rolls in the Morgan mill is set close to the furnace, less than one-quarter of the billet is in the mill at any one time and the forward end of the billet is on the reel as finished rod before the last of the billet leaves the furnace. With any process something occasionally goes wrong so that the rod does not follow the path intended. In such cases misshapen or tangled rod results. Such spoiled billets or rods are called “cobbles.” With what is known as the “flying shears,” which in the Morgan mill cuts the billet or rod while it is traveling at high speed, the rear part of the piece can be cut off and saved in case of cobbling. On this account the Morgan mill is said to give less scrap than the Garrett.

The Garrett mill, on the other hand, gives rod which is more uniform all along in shape and diameter and it has the considerable advantage that it is quickly adaptable to change of product; it does not require such complicated and nice adjustment as does the Morgan mill. So, despite the greater danger to the rollers from the circling loops about them, which occasionally become unmanageable, the Garrett mill is largely used.

284

CHAPTER XIX
WIRE AND WIRE DRAWING

It may be rather disconcerting to some enthusiastic ones who assume that we Moderns have made all the progress that is worth while to learn that so many of our supposedly new products were far antedated. In the case of wire, again, we were antedated as much as 30 centuries. The wires which were produced by the Ancients, however, were usually of the noble metals, gold and silver. They were not drawn through dies as are the wires that we know, but were hammered into shape from long, thin strips of metal. The earliest use of our “drawplate” method of which we find authentic mention was in the 14th century in Germany. The wire was hand-drawn. Machine-drawn wire was being produced in England as early as 1565.

In the United States the wire drawing industry had become pretty well established by the middle of the 17th century. As Cort had not at this time invented the rolling process for bars and rods, very uneven strips of metal only were available from which to draw the wires. But, even so, with our highly developed rod mills and our present very satisfactory No. 5 wire rod to begin with, our wire drawing methods are yet seemingly crude and show small advance compared with the very great progress which has been made in other lines of the iron and steel industry.

Unlike the processes of forging, rolling, etc., drawing of wire is done cold. In this condition steel has its highest 285strength to stand the strain. The rod or wire is pulled through very hard cast iron or steel dies, the general process being well likened to pulling a rope through a small knot hole.

As was seen in the rolling of plates, “cold working” raises the strength, lowers the ductility and embrittles steel more than does the regular “hot working” at the cherry-red or white heats which are usual in the forging and rolling processes. If the so-called “cold finishing” at very low red or black temperatures affects the physical properties of plates, it can be readily understood that cold-drawing of wire and of seamless tubes at ordinary temperatures of 70 to 100° F., must considerably accentuate the effects noted. So much is this so that drawn wires and tubes have to be frequently annealed, i.e., heated to a good red heat for a time between successive trips through the dies, annealing having the effect of off-setting the lowered ductility and increased brittleness which would cause the wire to break. In some cases the wire has to be annealed after each pass or draft, but oftener several passes are possible before annealing is necessary. This depends largely upon the quality of the steel used and the amount of “reduction” attempted in each pass.

The raw material, No. 5 soft wire rod, which is about one-fifth of an inch in thickness, comes to the wire-drawing plant from the rod mill. This No. 5 rod is the thinnest which the mills have found it economical to roll, so further pulling down in size can best be done by “drawing.”

286

Before Drawing into Wire the Scale Must Be Removed from the Rods by “Pickling” in Acid

As all iron and steel materials which have cooled in air from a red heat are covered with a hard, brittle scale of iron oxide, the rod must first be “pickled,” i.e., digested in hot, weak sulphuric acid, which, in 10 or 15 minutes so dissolves and loosens the hard surface that it can be readily jarred loose and washed off. By immersion in a vat of boiling milk of lime, the pickled rod is given a lime coating which neutralizes any acid which remains, and, when dry materially aids in the lubrication of the wire while it is going through the dies. Thorough drying, called “baking,” is accomplished in the dry house at 300 or 400° F., from which the rod with soft, scaleless, lime-coated surface goes to the “drawing” benches. After rinsing free from the pickling acid, the wire is often allowed to acquire a soft film of rust by spraying it with water and keeping it wet in 287the air for a short time before going to the lime vat. This rust or “sull” coat itself assists in the lubrication. However, the color of the product is not as good as when the “sull” coat is not used, and such wire usually goes into articles for which darker color is no drawback.

Single Wire-Drawing Block

A Wire-Drawing Die

The dies with more or less funnel-shaped holes of accurate diameter are set vertically. They are of extremely hard material in order to stand as long as possible the severe service without excessive wear, which sooner or later so enlarges the holes that the dies become useless. Then they must be removed and either discarded, or, in the case of steel dies, the holes reduced by hammering and redrilled. Often the holes of 288worn cast iron and steel dies are enlarged to the next larger size and so used.

The Drawing of Wire

The loose end of each coil of rod of wire is hammered or otherwise made smaller for a length long enough to be threaded through the hole in the die and firmly grasped by tongs or “pliers.” The die being firmly fastened, the draw head, of which the pliers are a part, is drawn away until a sufficient length has come through that it can be attached to a revolving block or drum which thereafter continuously pulls the rod through the die and winds it into a coil about the block as it comes, at speeds as high as 400 feet a minute.

As the rod passes through the box in which the die is fastened, besides its lime or sull coating it is sometimes provided and takes up other lubricants, such as soap, grease, or tallow.

289The coil of wire is lifted off the drum and tied, or is redrawn to wire of a smaller size.

After from one to several drafts, depending upon conditions, the wire must be annealed for several hours, and again pickled to remove the scale formed, washed, lime-coated and dried. For wire which must undergo many reductions or passes, as must all small wires, several drawings, annealings and cleanings must be gone through with before it is down to the desired size.

In order to work properly and not cut the die too fast, which would rapidly enlarge the hole and cause the rear end of the wire to be of different thickness than the forward end, the rod or wire must be of maximum softness. Either under-cleaning or over-cleaning will make the metal harsh, as, also, will under-baking in the dry ovens. These they endeavor to avoid in preparing the rod.

Other lubricants may be used and certain finishes or colors given to the wires. Such are the various white to red coatings which come from using tin and copper sulphate solutions instead of lime coatings. This is more often done with fine wire than with thicker. Certain “patenting” processes make use of various methods of tempering wires by cooling in air after a last annealing.

Not only are wires ordered to size but many times also of certain temper or grades of hardness and stiffness. These various tempers are determined largely by the chemical analysis of the steel and the number of drafts after the last annealing.

Piano wire is well known to have a very high strength, sometimes as high as 400,000 pounds per square inch. Spring wire is rolled and drawn from higher carbon steel than is ordinary wire, and, through heat treatment, the best properties are imparted to it.

Besides being in this form used for miscellaneous purposes, 290thousands of tons of wire are annually made into wire nails, staples, wire fence, barbed wire, etc., all of which products are of American derivation, with the possible exception of wire nails. Even this, however, if not originally ours we have made ours through our great production. All are very speedily turned out by automatic machines into which the wire or wires feed. The product drops out into boxes below or is rolled into coils as is the case of the wire fence and barbed wire. The speed of the machines is so great that the eye cannot begin to follow the operation.

Wire being so well known it is not necessary to speak of its uses, but it will be interesting to call attention to the very extensive production of this steel product. Of the 32,000,000 tons of steel produced in 1915, for instance, over 3,000,000 tons were rods and wire, and when we think of the length of small or even average sized wire that it takes to make a pound, a hundred weight, or a ton, some slight conception of the amount of wire produced and used comes to us. As the material for wire gauze and cloth, wire rope, cable, piano strings, springs of all sorts, pins, needles, nails, fence, barbed wire, and the myriad of other things, wire really is one of our great products.

It was mentioned that piano wire had been made which had a tensile strength as high as 400,000 pounds per square inch, which is six or seven times the strength of an equivalent cross-section of steel rail or plate. Wire is undoubtedly the strongest product which is made from steel. This is why wire rope or cable is so strong. It is made by twisting together many small wires.

Though extremely recent from the standpoint of our world’s history, the building of the famous Brooklyn Bridge by the Roeblings was far enough back that we likely have forgotten that each of the four big 15¾–inch 291cables is made up of 5,296 separate wires tied into a bundle.

Undoubtedly the best preservative against corrosion for iron and steel is what is known as “hot galvanizing.” Much wire is hot galvanized. In this process the wire is “pickled” in weak acid to remove scale, given a soft red coating by dipping in weak muriatic acid and drying. The strands of wire 20 or 30 abreast are run through a kettle of molten zinc. The wires are wiped smooth and free from excess zinc by pulling them through asbestos pads. A continuous coating of zinc is thus permanently left upon the surfaces of the wires which very effectively keeps them from rusting. Wires which have to stand severe weather conditions may not have the excess zinc wiped from them. Telegraph and telephone wires often have the thicker or unwiped coating.

Very naturally the drawing of wire requires use of much greater power than the rolling of rod and the speed of drawing is nowhere near as great. Therefore the cost of wire is comparatively much greater than the cost of rolled products. In the case of watch springs it was once computed that the product had to bring 50,000 times the cost of the steel from which the wire was drawn.

“Continuous” wire drawing has not been so successful nor advantageous as was the continuous rolling of rods. It has been possible in a small way and with certain grades of the product to apply the continuous process, but, mainly on account of mechanical difficulties, continuous drawing of wire seems to be comparatively unimportant.

292

CHAPTER XX
THE MANUFACTURE OF PIPE AND TUBES

Tubes of some sort have been in use by man since very early times. Nature provided the first ones in the way of hollow stems of shrubs, such as alder and bamboo. Some of these we saw in use by the early smiths conveying the blast of air from their goat-skin bellows into the crude clay furnaces built in the hillside.

Tubes made of clay, stone, lead and bored logs were also used. Much later pipes made of cast iron came into rather extended use for the conveyance of water. The general use of gunpowder greatly accelerated the manufacture of small tubes which the smiths produced for gun barrels by hammering and welding together long, red-hot strips of wrought iron about round rods or “mandrels.” About 1815 illuminating gas came to be used in England for house lighting. This brought a demand for tubes of considerably greater length, which were first made by screwing or otherwise fastening together old gun barrels which were very plentiful at that period.

The first patents for the making of welded pipe as we know it were taken out in 1824 and 1825, the latter for the butt-welding method of pulling a narrow iron plate, called “skelp,” through a bell-shaped orifice which curled it and welded the edges together very much as is done to-day by this process.

Our modern pipe of both butt-weld and lap-weld varieties 293is manufactured either from wrought iron or from soft steel.

The Butt-Weld Process

alt='BAMBOO RODS WERE USED FOR CONVEYING WATER'

Early Water Pipes

How Butt-weld Pipes Are Made

From the double refined puddled iron, in the case of wrought iron, or from billets of soft Bessemer or open-hearth steel, long narrow plates are rolled. The width and thickness of these plates, which are known as “skelps,” are exactly such as will give pipe of the desired diameter and gauge. In order that the weld may be solid all along, the skelp as it leaves the rolls has edges not exactly square but very slightly beveled, so that the surface which is to form the interior of the pipe is slightly narrower than the other.

After trimming the pieces of skelp so that each has one end with a sort of point where the tongs are to take hold, they are laid side by side in a heating furnace 294and left there until they have become white-hot.

Just in front of the furnace is the “bell,” with a second and slightly smaller one in front. With strong tongs the workman reaches into the furnace and fastens onto the pointed end of a piece of the white-hot skelp. Hooking the handle of his tongs into the draw chain the skelp is drawn through the first and second bell, the first bending it almost into tube shape, the second completing the operation and pressing together the edges of the plate in the top of the bell so tightly that they weld.

Plates Called “Skelp” Are First Rolled

The pipe now goes through what are known as cross rolls, the axes of which are somewhere near parallel with the axis of the pipe. In these the pipe is rapidly spun around, surface-cleaned and straightened. Going up a cooling incline it goes to tables where the ends are cut off and the product inspected.

A very important part of the inspection is the hydrostatic 295or water test. One at a time the pieces are tightly fitted in between two water-tight caps, water is turned into the pipe and gradually brought up to the testing pressure of 600 pounds or more per square inch according to specifications.

Charging Skelp into the Heating Furnace

Drawing Butt-weld Pipe

296Pipes of diameters between ⅛″ and 3″ are usually made by the butt-weld process.

Lap-Welded Pipes

Pipes larger than 3″, and boiler tubes or other particularly high grade welded tubes of 2″ and over are usually “lap-welded.” This process gives a considerably more reliable product than does the butt-welding process, for reasons which are readily seen.

How Lap-weld Pipes Are Made

Bent Skelp for Lap-welding Being Charged into Furnace

Skelp for lap-welding is rolled in just the same way as is skelp for butt-welding except that the edges are “scarfed” or decidedly beveled so that the two edges can make a considerable lap without increase of thickness of that part of the wall. These pieces of skelp are charged into the heating furnace just as occurred in the butt-weld 297process and, after coming to a white heat, they are drawn through a sort of bell or die which curves them so that one edge considerably overlaps the other. Back they go into the furnace to regain any heat that has been lost, for, to weld properly, the skelp must be hot enough that any scale which had covered it drips off.

The Lap-welding Rolls with Mandrel in Position

The welding rolls are very short rolls, almost “sheaves” or wheels, with concave edges of exactly the outside diameter of the pipe to be formed. Between these two rolls, at the end of a long straight bar, is a mandrel or projectile-shaped ball of high-speed steel over which the white-hot tube must be pushed.

The reheated, curved skelp is pulled from the furnace and the forward end forced into the rolls which shoot it through and over the mandrel at high speed, forcing together and welding under heavy pressure the overlapping edges of what was formerly the plate. Amid the noise and the shooting sparks an unsuspecting bystander is quite startled by the suddenness of it all.

While still hot the pipes pass to “sizing” rolls which correct any variation in inside and outside diameters. The cross or straightening rolls next smooth and clean their 298surfaces while straightening the pipes or boiler tubes.

After the first trip through the welding rolls, boiler tubes and certain other high grades of pipe go back into the furnace where they are reheated. They are again put through the welding rolls to make absolutely sure of a tight weld.

After cooling, the ends of each pipe are cut off. Because of the “scarfing” of the edges and the great pressure of the rolls, it is difficult to tell where the welds occur, the thickness of the walls being practically uniform all around. Lap-welded pipe of as great as 36″ diameter has been made in this way.

Pipes in Sizing and Cross Rolls

The water-pressure test is given to all lap-welded pipe as are certain tests for tensile and torsional strengths, and for ability to flatten without breaking. In the case of boiler tubes, a piece is cut from each end of each tube, which must stand flanging or spreading “cold” and also must crush down endwise under the heavy pressure applied in the testing machine without fracture or opening of the welds.

The pipe may be “threaded” to order or shipped as it comes from the testing bench.

299

The Finishing End

As remarked, both butt and lap-welded pipe is regularly manufactured from wrought iron and from steel.

Hydrostatic Test of the Pipes

It was suggested during the discussion of the manufacture of wrought iron, that, owing mainly to high labor costs, 300wrought iron was with difficulty competing with the soft steels. Wrought iron is noted for its welding properties and it has always had its loyal admirers. Aside from its application as “bar iron” which always has been and still is in favor with many metal workers for miscellaneous purposes and its use as Swedish bar iron or low phosphorus melting bar by makers of crucible steel as a base for their product, wrought iron probably finds its next most favored place as a material for pipe as is shown by the table given in Chapter VI.

While not as strong as steel pipe under hydrostatic test, many pipe users insist that, presumably on account of its slag enclosures and cinder films which are supposed by some to surround and protect the fibers, wrought iron pipe outlasts steel pipe when used under conditions which induce corrosion. Others are as strenuous in their denial of this assertion and this subject of comparative wrought iron pipe and steel-pipe corrosion is still a very live issue. For many years this matter has been under investigation. Hundreds of tests have been made and discussed by learned societies and their committees. The laboratories and testing departments, too, of the large pipe manufacturers and their customers, have made extended investigations.

However, the conditions under which pipe is used are so varied and the time required for any true and decisive test is so long that really conclusive results have not been forthcoming. With other materials, each condition and corrosive influence is largely a “law unto itself,” and one wonders if such may not prove to be the case with these materials also. As suggested, a great quantity of published information giving comparative service tests is available for those who are particularly interested in this subject. How much of the decline in tonnage and in percentage of the total skelp produced, is due to the approximately 30% greater 301cost of wrought iron pipe and how much to satisfactory performance of its competitor must be left to you to judge.

Fortunately pipe of both kinds is available, meanwhile, and one can get whichever he prefers.

The uses of pipe are almost innumerable. Great quantities are used for conveyance of water, oils and gases, for ice-making and refrigeration, the heating and draining of buildings, for dry kilns, hospital beds and apparatus, electric light, railway and telegraph poles, pipe railings, for conduit work, etc. For many of these applications, the seamless variety is now utilized, however.

For many purposes coated pipe is highly desirable. This may be by hot asphalt, or other liquid dip, by surface electro-galvanizing or by the hot galvanizing method of dipping in molten zinc, by which method probably the greater portion of coated pipe is treated. Certain other protective coatings are used to a limited extent.

302

CHAPTER XXI
THE MANUFACTURE OF SEAMLESS STEEL TUBES

It is more than likely that the popularity of the bicycle, which created the recent great demand for strong, light and perfect tubes, was largely instrumental in developing the seamless tube industry, which may be said to have “sprung up” within the last twenty-five years. Previously all of the iron and steel pipes or tubes obtainable were either of the “butt” or “lap-weld” variety with the exception of those which were made from long pieces of metal by boring holes lengthwise through them. Tubes by this boring method are, of course, quite difficult and expensive to make.

Shorter and thicker billets of steel can more easily be bored. When the holes have been enlarged by pushing larger and larger-nosed rams through them in a hydraulic press, they can be rolled down to size over a mandrel, just as lap-welded pipe is rolled, only in this case they are put through several times and considerably reduced in diameter. In this way some of the seamless tubes are made.

The important starting point in all processes for seamless steel tubes is the piercing operation and it is mostly in the method of getting the first hole through the billet that they differ, since the hot-rolling and the cold-drawing processes by which they are finished have long been known.

One of the most important modern processes for seamless tubes, the Mannesmann, is based upon the principle 303that if a white-hot round steel bar is rapidly rotated between “cross rolls,” a longitudinal rupture which is almost a hole forms along its center. We may liken the motion of the bar in the rolls to the whirling of a lead pencil between the palms of our hands, except, of course, that the bar is kept rotating in one direction only. Though something like this tendency of a steel bar to open along the center through pressure applied at two opposite points on the outside, seems to have been known to forgemen, the Brothers Mannesmann came upon the similar tendency under action of the rolls, by accident.

They were German tool steel manufacturers. A critical customer wanted perfectly round and surface-polished bars of steel. They attempted to give his bars this perfect shape and smoothness by finishing them between cross rolls which spun the bars rapidly around while they were slowly passing along through the machine. The pieces were perfect outwardly, but, much to the steel makers’ chagrin, the customer reported that the quality of the steel was not as satisfactory as that which he previously had been receiving. Upon investigation it was found that this cross-rolling under pressure tended to form a small hole along the center of the bar with slight cracks in the metal all around it.

Upon this happenstance discovery is based the Mannesmann process for piercing the bar, which consists in pushing over a piercing head such a center-weakened piece as it comes through the cross rolls.

One or two modifications of the Mannesmann piercing method are also in use.

The material generally used for seamless steel tubes is medium soft open-hearth steel of .15% to .25% carbon. It is received as billets which are rolled down and cut at the mill or they are purchased as 3″ to 6″ “rounds” and cut into such lengths as give proper amounts of steel for the 304tubes which are to be formed. Usually the bars cut for tubes are from three to five feet in length.

They are heated in a furnace and after the end has been dented at the center, they go into the rolls.

Piercing a Solid Billet by the Mannesmann Process

Rolling Down the Pierced Tube

The rolls seize the forward end of the bar and swiftly whirl it as it is slowly pulled in. A piercing head of high-speed steel at the end of a stiff mandrel extends between the rolls just as we saw it in the pipe-rolling process. As the forward end of the rapidly whirling white-hot steel bar pushes against this piercing head, the piece, weakened along its center line is pierced. As neither the rolls nor the piercing head can be resisted, 305it is forced through the rolls and grinds its way over the piercing head with the supporting bar, the walls of the white-hot tube being thinned down and the piece very materially lengthened.

It comes out a rough tube with thick and irregular walls. After its removal from the rolling mill bar upon which another and colder piercing head is placed in readiness for the next tube, it goes to other rolls through which it is passed, first without a mandrel inside, and later, with one, until it has become somewhere near the desired size and the walls have been pulled down to the proper thickness. The mandrel, of course, determines the size of the interior of the tube, and the rolls, its outside diameter.

Some are sold in this form as hot-finished tubes after having been straightened and cut to length by removal of the ends.

A great deal of the seamless tubing made is given the cold finish, i.e., it is drawn through dies much as rods are drawn in the making of wire.

For cold-drawing, one end of each tube is reduced in size over a length of a few inches, by forging or by other means. This is where the “pliers” are to take hold.

Now we can never heat steel without forming upon it a brittle oxide or scale which is much harder and harsher than the metal itself. During its sojourn in the heating furnace and its journey through the rolls, therefore, each of the tubes acquired a hard brittle surface which must be removed before the tube can be “drawn.” The most practical way of removing this scale is by “pickling” the tube in some weak acid, usually sulphuric (oil of vitriol). The acid dissolves some of the scale and loosens the remainder so that it can be washed off. To neutralize any excess acid which clings to the tube and to aid lubrication, it is dipped into lime-water and then dried.

306The tube now goes to the drawing benches which are long steel frames along which a heavy steel draw chain is continuously traveling from the center toward one end. Anchored at the opposite end of the bench is a long bar upon which is fastened the mandrel or ball which is to determine the inside diameter of the tube in the drawing as did the mandrel between the rolls in the rolling.

Tube-drawing Bench

The tube to be drawn is threaded over the long rod which is anchored in place, and the forged-down small end is pushed through the “die,” very firmly fastened to the bench near its center. The pliers take hold of the forged-down end of the tube with a vise-like grip, and are then hooked into the draw chain. The tube is thus slowly drawn through the hole in the die. As these dies are of very hard material, either hard cast iron or hardened steel with hole a little smaller than outside of the tube, they compress the tube upon the mandrel inside and the thickness of wall is thus regulated, the excess metal being squeezed out so that the tube is very materially lengthened. Tallow or grease with the lime-coat lubricate the tube, a little being continually drawn into and through the somewhat funnel-shaped die.

As was the case with the “cold finishing” of plate and 307the drawing of wire, this cold working increases the elastic limit and tensile strength of the steel. So cold-finished tubes are stronger than hot-finished. For many purposes such increase in strength is highly desirable. The exterior of the tube is also made very smooth and uniform in diameter by the drawing.

How Tubes Are Drawn

The cold-drawing has a disadvantage, however. It somewhat embrittles the steel, as may be inferred from the increase in strength. This is not a serious matter, however, unless the cold-drawing has been overdone.

But for smaller sizes of tubing many drawings have to be resorted to, to reduce the steel to the size required. Sometimes ten or even fifteen passes are required before the tubes reach their final size. In such case the tubes have to be annealed and repickled, limed and dried after each pass or two in order to restore to the steel its ductility. If this were not done the tube would eventually break in the die.

The last pass is through an accurate “sizing” die which corrects any variation in inside or outside diameter.

As the pulling strain which the steel will stand is limited, too much of a reduction in size in any single pass must not be attempted.

As annealing, pickling, drying, etc., 308have to be done after every pass or two, a considerable period of time elapses between the piercing of the billet and its final pass as a small tube. For economy in handling, tubes cannot be considered or handled singly, but must be treated in quantity, so this period between billet piercing and the final pass may be as much as two weeks, possibly more.

The tubes must next be straightened. This is done in cross rolls as has been mentioned under the manufacture of lap-welded pipe, or in various other types of machines.

Cupping and Drawing Seamless Tubes from Plates

Much seamless tubing goes into automobile, bicycle, and various other products for which very high grade and perfect material is desirable. One of the many interesting applications of seamless tubing is its use in very fine sizes for hypodermic needles.

Seamless tubes are easily bent, swaged, upset, spun or otherwise changed in form, as the material is ductile and there are no welds to open.

Very large tubes are not made in the way just described. They are rather made by “cupping” flat, round steel plates through a die. A cup is then in several successive drawings put through smaller dies, under which treatment it grows longer each time and gets a thinner wall until it has become a long tube with the one end still closed. For open ended tubes this and the upper, open end are cut or trimmed off.

Cold-drawing here necessitates annealing to restore ductility just as it does elsewhere and each annealing operation is necessarily followed by pickling for removal of the scale formed.

By rapidly spinning large tubes in lathes or other machines 309and the application of pressure with the proper tools and lubrication, the walls of the tubes may be deformed. In this way the ends may be expanded, made smaller, or completely closed. By such “spinning” operations large tubes are made into articles of various shapes.

By this same “cupping” or hydraulic drawing of flat, well lubricated sheets of soft steel, seamless high-pressure gas cylinders, steel drums, barrels, and the like are made.

310

CHAPTER XXII
TRANSFORMATIONS AND STRUCTURES OF THE STEELS

It was “Ali Baba” who is quoted as saying, “Those who do not know how to take the Philistine, better hadn’t!” or words to that effect.

Now through these chapters we have attempted to discuss in an entirely non-technical manner the subjects presented. On this account we were compelled to forego discussion of many things which are highly important and interesting but which are more or less difficult of explanation without the use of scientific terms and theories. One such has been the “mechanism” of the hardening of steel and its opposite, its softening by annealing. For those who may desire to get a glimpse into this “wonderland” it is hardly fair to refrain from brief discussion of the subject just because it is technical and difficult and so may prove to be tedious to some who have little reason to be interested.

It seems desirable, therefore, to impose this more technical chapter or two that the subject of the real metallurgy of iron and the steels may at least be “hinted at.” We say “hinted at” advisedly for it is a long, long story, and, even now, after a great many years of serious study no one has yet read it to the end. We are not saying this in a discouraging way, however, for there seems little reason to doubt that the multitude of facts which have been disclosed through the tireless experiments and the study of 311hundreds of investigators have put us well on our way to the solution of this one of Nature’s great problems.

To those, however, who are not interested in the known details of “how” and “why” hardening and softening of steel is possible and why hardening of pure iron and mild steels does not and cannot take place, we must say as would “Ali Baba”:—“Those who do not care to study it better hadn’t.” Anyway, the study of this rather intricate subject is conducive of “headaches,” and perhaps it is not extremely important when viewed from the non-technical standpoint of these articles.

We have several times referred to the debt which civilization owes to iron and steel structural materials, machinery and tools and particularly to those tools which have hardened cutting edges. Almost every one knows that hardened cutting edges are imparted to tools by sudden cooling in water or oil from a good red heat. Probably most of us, too, know that the blacksmith can again soften such tools by reheating to the same red heat and allowing them to cool slowly. This he calls annealing. In this softened or annealed condition a piece can readily be sawed or filed, while in its hardened state a saw or file produces no result upon it.

Now what are the facts, meaning and the cause of this dual life of the alloy, steel, without which we would be so greatly handicapped.

To be better prepared to understand the answer, let us consider three or four accompanying and closely allied phenomena which close observation of the habits of steel has disclosed.

The “Point of Recalescence”

If we drill a hole in a small piece of carbon tool steel which we are about to put into the heating furnace, and if 312into this hole we insert the bare tip of an electric pyrometer, this heat-measuring instrument will indicate at all times the rising temperature of the piece of steel as it heats in the red-hot muffle or chamber of the furnace.

As we watch the piece grow red, the pyrometer registers 900°, 1000°, 1100°, 1200° F.,—gradually and uniformly indicating higher and higher temperatures.

Apparatus for Determining the Critical Points of Steel

But lo! Something must be wrong! The pyrometer needle does not now move forward but is standing still. Though we know that in that hot furnace the piece must be absorbing heat at the same rate as before, yet the pyrometer needle does not budge!

But, as our wonderment grows and we are still undecided as to the meaning, the needle again begins to advance and continues again regularly and uniformly to higher and higher temperatures as though it had never taken the vacation.

313With the piece now at a white heat, we have proceeded far enough with the heating.

Turning off the electric current from the furnace and allowing it to cool we again watch the pyrometer needle as the temperature of the piece in the cooling furnace gradually falls. Lower, lower, lower swings the needle, always at a rate approximately uniform.

But again it suddenly stops and remains immovable, or perhaps even rises slightly, for a period of several seconds, after which it resumes its uniformly-timed downward course as though nothing had happened.

Yes, these pauses of the needle occurred at very nearly the same marking on the pyrometer dial, but not at exactly the same ones. Going up it was at 1350° F., and on the downward way it was at 1250° F. And you are correct in surmising that these two points are closely related. They are parts of the same, if we may so speak, and, in reality they represent one point which is located about halfway between them, the divergence resulting from what is known as “hysteresis” or “lag,” which means, of course, a “being-behind-hand” or tardiness.

For the present we may say that all carbon steels have this “critical” range as shown by such pauses of the pyrometer needle during heating or cooling of the steel.

Now as the piece is most certainly continuing to absorb heat in the furnace as it grows hotter and is losing it uniformly to the air as the furnace cools, we have no alternative but to judge that the pause of the needle on its upward way was caused by some internal affair of the piece of steel itself, for which, at just that stage of its journey, it required and used for its purpose (which was other than making itself hotter), the heat furnished it by the furnace; and, that on the downward journey, at just that same point, it gave out again that same heat. It must have been the setting 314free of this imprisoned heat, if we may so term it, which kept the piece for those few moments from cooling at the usual rate. Indeed, had we conducted our experiment in a rather dark room and observed the piece closely we would have noticed that during the pause of the pyrometer the piece of steel did brighten or glow somewhat, showing that it had extra heat from some hidden source. Because of this “self-heating” of the steel as shown by the pyrometer and the brightening, the temperature at which the phenomenon occurs has been named the “point of recalescence,” which means the point at which it spontaneously becomes hotter.

Loss of Magnetism

Now another curious thing took place had we but noticed it.

We all know that iron and steel are our most magnetic materials. From childhood we have seen pins, needles, steel pens, and various other steel or iron objects jump to a magnet held near them.

What, now, when we find that our piece of steel in the furnace when at a red or higher heat is entirely unresponsive or dead to the attraction of a strong magnet?

Strange! Do you suppose that our magnet has lost its power?

Let us see.

Suppose that every minute or so, while watching the pyrometer needle go slowly down again after turning off the heat, we put the magnet to the steel.

Continually lower comes the temperature of the piece—1500°, 1400°, 1375°, 1350°, 1325°, 1300°, 1275° F.,—and lo! the piece jumps, and from this all the way down to cold it responds to the attraction of our magnet. Just to make sure that we are not “seeing things,” we again start our furnace, 315and, as the steel heats, we test it with the magnet.

So far there is no doubt about its being magnetic!

At 900° F., the pieces begins to show dark red, at 1000°, 1100°, 1150°, 1200°, 1250°, stronger and stronger red. At all of these temperatures the steel is attracted. So it is at 1275° and at 1300° F.

But just as we are thinking that we must have been mistaken before, we find that again the steel is suddenly “dead” to the pull of the magnet!

And at what temperature? The pyrometer indicates 1320° F. But was not this the same or very nearly the same reading at which the pyrometer needle paused on the way up, and do you not remember that it was only a little below 1250° F. that it paused on the way down, and the disagreement of the two temperatures we ascribed to “lag”?

No, we made no mistake. Steel loses all of its magnetic properties at the “critical range” and has none above it.

Dilatation and Conductivity

Certain other great changes, too, occur here.

We know that most materials expand uniformly upon heating and contract as they cool. Steel is no exception, but at the critical range on heating it becomes fickle and for a short space contracts instead of continuing its uniform expansion. Conversely, during cooling, it ceases its uniform contraction and suddenly dilates or expands for a short period when it reaches the critical range, after which aberration it again resumes its old habit of uniform contraction as the temperature falls.

Just so with its electrical conductivity. At the critical range the electrical conductivity suddenly decreases abnormally as the piece gets hotter and as abnormally increases as the steel cools through the critical range on the return trip.

316There are certain other happenings at or near this particular temperature but we will not consider them here.

Manifestly all of this has a deep meaning.

Recalescence Indicates the Hardening Point

You remember that we said the divergence between the going up and the coming down pauses of the pyrometer needle was due to tardiness or lag? Among humans habitual tardiness is not considered a desirable trait, but it is undoubtedly through this very lag or tardiness that steel becomes so serviceable to us.

Heating and Cooling Curves of Steel with
.9 Per Cent of Carbon

This lag is peculiar in that it grows less the more slowly we heat or cool the steel, and, if the heating or cooling is done slowly enough, the lag disappears almost entirely, i.e., the pause of the pyrometer needle occurs at the same temperature on the upward as on the downward way. Conversely, the disagreement or split grows or widens the faster the temperature is raised or lowered.

Here is the vital point.

By extremely sudden cooling, such as quenching in water, the lag becomes so great that it never catches up at all and 317any structure with its consequent properties which was brought about in the steel by the higher temperature is thus frozen or fixed and made to “persist” after the steel has become cold.

It is just at this point, the “point of recalescence,” that steel changes from its soft and malleable, to its extremely hard and brittle condition. If it is quenched from temperatures above this point, it is extremely hard, if from temperatures below it, even those only a little below, it is soft and ductile. It is from just a little above this point, then, usually between 1350° F., and 1500° F., that the blacksmith hardens his tools by plunging them into cold water.

Heating and Cooling Curves of Steel with .46 Per Cent of Carbon

Steels of Other Composition

Now it should be noted particularly that the specimen with which we have been experimenting is a tool steel of .90% carbon or thereabouts. This is important, for, while all of the carbon steels show this same critical temperature, at which occurs the point of recalescence, those containing from .45% to about .85% carbon have another point 318somewhat higher on the temperature scale, and steels which contain from .10% to .45% of carbon have two others, or three points in all. Further, steels having less than .10% of carbon and iron with no carbon at all have the two upper points but no point at 1290° F. This lower one has disappeared.

All of this means that if instead of a piece of .90% carbon steel we had used one having .60% of carbon, say, we would have found two different critical ranges or points at which the pyrometer paused, the one at 1290° F., and another when we got to 1360° F. Had the steel been one containing .30% carbon we would have discovered pauses at three different points, viz., at 1290° F., at 1395° F., and at 1480° F. With very low carbon steel or with wrought iron, the pyrometer would have registered two pauses, one at about 1395° F., and the other at 1650° F.

When records are carefully kept of the time which is required for the temperature to rise or lower over each and every twenty-five degree period, say, on the upward and downward way, and these are “plotted,” what are called “heating” and “cooling” curves can be drawn through the stars and dots so set down and these form a record of the behavior of the pyrometer needle at each temperature along the scale. Two illustrations of such curves are shown.[9]

9. Special apparatus is now obtainable for determination of critical points, heating and cooling curves.

Now if on properly spaced, dotted, vertical lines, which we will let represent these various alloys, we mark points number three, two and one as shown by our “cooling” curves, calling the topmost point three, it is readily seen that the points are related. The lines and the alloys which they represent are,

(a)
The wrought iron,
(b)
.15% carbon steel,
(c)
.30% carbon steel,
(d)
.45% carbon steel,
(e)
.60% carbon steel,
(f)
.75% carbon steel, and
(g)
the steel with .90% carbon.
319

Critical Point Diagram of Pure Iron and the Steels

320Of course many more cooling curves, especially of steels with other percentages of carbon would be desirable, but we have enough that we are safe in sketching the horizontal and oblique lines, Ar1, Ar2, Ar3, Ar3·2 and Ar3·2·1, through the points which we have arranged.

For convenience, metallurgists everywhere mark these points Ar1, Ar2 and Ar3, the first being the lower, and Ar3 the upper one. Arcm represents an upper point found in steels having more than .9% of carbon. The letter “r” is derived from the French word, “refroidissement,” meaning “cooling.” The corresponding points disclosed during heating are marked Ac1, Ac2, Ac3·2·1, etc., from the word, “chauffage” meaning “heating.” The “A” apparently “just happened.” Before the upper critical points were known it had been used by Tschernoff to designate the temperature at which steels harden.

But it must not be supposed that the skeleton which we have constructed can be fully accepted as true until it has been checked and rechecked hundreds and hundreds of times by other investigators. A great many have worked upon these critical points and upon the “freezing-point” curves of the various alloys. It was of course impossible for all of them to make their determinations in just the same manner and with exactly the same materials. Examination of their work and consideration of the results which they obtained show some discrepancies as might be expected, largely probably because of difference in purity of the materials tested, every impurity such as manganese, nickel, silicon, sulphur, phosphorus, etc., modifying more 321or less the results obtained. As we discovered, speed of heating and cooling also modify the results. When we consider the difficulties which attend the making of determinations on metals and alloys at high temperatures, the wonder is that there is such close agreement. From these standpoints the differences which exist in the published results seem quite small.

It was but twenty years ago that the first outline was drawn and the whole “fusibility” or “equilibrium diagram” of the iron-carbon alloys given in the next chapter has practically been developed within this time. But over this period of twenty or so years the points upon which these lines Ar1, Ar2, Ar3, Ar3·2 and Ar3·2·1 are based have been checked many times and they are now well substantiated. These lines form but a small part of the complete “iron-carbon diagram.”

The Meaning of the Points

You remember that wrought iron and steels having less than .10% carbon showed no point Ar1, and that in all other steels this point becomes stronger as they contain higher and higher carbon. There is little doubt that the point Ar1 exists or results from and because of the carbon of the alloy. In wrought iron there is no carbon, hence there is no point Ar1. If the extremely low carbon steels have an Ar1 it is so weak that it cannot be detected.

Had we tested the .45% carbon steel for magnetic properties we would have found that it lost magnetism at about 1395° F., instead of at 1290° F., at which temperature the .90% steel became non-magnetic. The point Ar2, then, shows the temperature at which loss or gain of magnetism occurs. The electrical conductivity change comes at neither of these points, Ar1, nor Ar2, but at Ar3.

However, with increase of carbon the line Ar3, which was 322drawn through the points, Ar3, rapidly descends. At about .45% or .50% carbon content, this line Ar3, representing the changes in conductivity, joins line Ar2. Hence in steels having .45% carbon or more, there is a common point, or one which in reality is made up of both points. At this common point the phenomena peculiar to each of the points occur.

This common line, now called Ar3·2, itself lowers with further increase of carbon until, in steels of around .90% carbon, there is but the single point Ar3·2·1, and the phenomena corresponding to all three of the points occur at this one point at 1290° F., as we found in our experiments.

As points Ar2 and Ar3 occur in carbonless iron, they cannot result in any way from carbon but must have to do with the iron itself. From their experiences with other materials, chemists and physicists are well acquainted with such evolutions of heat as occur at Ar2 and at Ar3. These heat absorptions and evolutions, with the sudden dilatation, gain in conductivity, etc., indicate that some internal change or reorganization takes place in the iron itself.

Such changes seem to indicate what are known as “allotropic” modifications. More familiar examples of allotropic forms of materials may be mentioned. Phosphorus, for example, may exist, either as the “yellow” variety which is poisonous and so inflammable that it must be kept constantly under water, or as the “red” variety which is non-poisonous and non-inflammable. Too, there is carbon, which may exist in any one of several forms such as amorphous carbon (soot), graphite, and the diamond. It is believed that iron, itself, exists in three allotropic states. These have been named “alpha,” “beta” and “gamma” iron. We do not need to go into this part of the great subject except to state that at ordinary temperatures and up to Ar2, we have alpha iron, between Ar2 and Ar3, beta iron, 323and above Ar3, gamma iron. Both beta and gamma iron are non-magnetic, while alpha iron is strongly magnetic. In cooling through Ar3, i.e., from gamma to beta iron, some rearrangement of its molecules produces the dilatation or expansion and the change in conductivity which was noted above.

From the fact that by chemical analysis any certain steel must have the same composition in its hardened that it has in its unhardened condition, it will readily be seen how futile it would be to expect chemical analysis to give us complete information regarding it. Too, tensile strength and the other usual physical tests can hardly tell us all that we wish to know. Microscopic analysis or metallography, however, shows us internal structure of properly prepared pieces of either the hardened or unhardened alloy that we may see the actual condition or grouping of the constituents. The view points given by all three of these methods, chemical, physical and metallographical, are, of course, much better than any one or two alone.

The Structures of Quenched and Unquenched Steel

We saw that the lag or tardiness is greater the more rapid the cooling. Along with this very great lag which is brought about by very rapid cooling comes increasing slowness, i.e., less ability to catch up, as the temperature is lowered. Hence quenching produces such a wide lag and so slows the changes which should take place that they do not take place at all, i.e., the structure which the piece had at the higher temperatures cannot change but is set or fastened by the quickness of the cooling.

Though no degree of suddenness is sufficient to set completely the structure existing at very high temperatures, for our present purposes we can say that by quenching in cold water we can freeze or fix any structure. Then after 324we have quenched a piece of steel, it will have when cold, the structure which corresponded with or resulted from the temperature which it had at the moment before the quenching.

If so, the microscope should give us aid.

Illumination of the Sample under the Microscope

By breaking off pieces of a quenched piece and very carefully and slowly grinding and polishing without heating a surface which was an interior part we find after etching that we can actually see the kind of structure which corresponded with the temperature from which the piece was quenched.

Photomicrograph No. 80 shows the appearance of a piece of hardened carbon steel. Note the needle-like structure under the microscope at magnification of 400 diameters. This structure is characteristic.

The constituent, having this needle-like appearance has been named “martensite” in memory of a distinguished European metallurgist, A. Martens. It is supposed to be “beta” iron, much the hardest allotropic variety of iron, and to hold in solution the carbon of the alloy, either as 325carbon alone or as the extremely hard chemical compound, iron carbide, Fe3C.

Martensite, then, is the extremely hard structure, necessarily containing considerable carbon or iron carbide in solution which gives to our carbon tool steels their hardness and great usefulness.

Unhardened steels never look like this. Their appearance is shown in photomicrographs Nos. 3b, 5, 22 and 24a.

No. 80. Martensite, the Constituent of Hardened Steel

(Magnification 400 Diameters)

In unhardened steels having less than .90% of carbon we find two constituents.

“Ferrite” is the name which has been given to one, the soft and ductile constituent, pure iron. With ordinary etching the ferrite usually shows as light-colored or white grains bounded by black lines, which, if the patch is large enough, give a fish-net appearance. It is soft and ductile like copper, for pure iron and pure copper are not so greatly different in malleability and ductility as one might suppose.

The darker and more or less triangular patches at the corners of the ferrite grains are “pearlite,” a name originating because of their “pearly” appearance under the microscope. How this pearly appearance comes about will be readily understood from photomicrograph No. 23e which was taken at a magnification of 400 diameters. It is seen that it results from alternate black and white layers.

Again we must give up the idea of any finality in the 326things we learn or think we have learned. We just learned, for instance, that ferrite usually was light or white in color. Well, in pearlite, as shown in photomicrograph No. 23e, every other plate is of ferrite but they are not the white but the black ones.

No. 23e. Pearlite at Magnification of 400 Diameters

You may not have understood before that color as shown under the metallographic microscope depends not so much upon actual color of the material itself as upon its ability to reflect light. For metallographic observations it is necessary to have very strong illumination. Usually the powerful beam from an electric arc is concentrated by means of condensing lenses upon a thin disc of glass called an oblique reflector which directs the beam upon the polished and etched specimen beneath the objective of the microscope. Often a prism is used. The rays of light returning from this highly illuminated “field” under observation return up through the tube and eye piece of the microscope and can be focused upon a small screen convenient for observation or upon the ground glass of the attached camera by means of which the pictures are taken. Unless the surface of the specimen being examined is perfectly plain and level, not all of the vertical rays thrown down upon it will be reflected back up through the tube and eye piece. Those portions of the field which are absolutely at right angles to the vertical rays appear at the eye piece or upon the screen as white or light-colored portions, while 327those which, during the polishing or etching have been dug or eaten away reflect the light imperfectly or in directions other than up the tube of the microscope, wherefore such portions show as darker or black sections.

The pearlite, then, is made up of little plates of soft ferrite alternating with others of a very much harder constituent. The harder plates are much less affected during polishing and etching than are those of the softer ferrite, hence they stand out in relief and reflect abundant rays of light, whereas the “dug-out” ferrite plates reflect the light imperfectly or not at all and therefore appear as dark lines.

These white, hard plates of the pearlite contain all of the carbon of the low carbon alloys. They are this other constituent, “cementite,” so named because it was first discovered in steel made by the “cementation” process. It is a very hard and brittle substance, hard enough to scratch glass. It is the chemical compound (Fe3C), unvarying in composition as chemical compounds always are. It consists of just three atoms of iron (93.4% by weight) and one of carbon (6.6%).

Pearlite, therefore, is a sort of mechanical mixture of two separate constituents, ferrite or pure iron, and this chemical compound, carbide of iron, which is called cementite. Pearlite is common to all unhardened steels whether of low, medium or high carbon content and may be considered characteristic.

That we may understand clearly the structures of the annealed steels, let us start with pure iron and gradually change it into higher and higher carbon steels by gradual addition of carbon. Pages 328 and 329 show such a series.

Photomicrograph No. 99b is open-hearth iron which is entirely made up of free ferrite. In No. 3b there is considerable pearlite, here appearing black, though the sample of steel yet contains but .10% of carbon. In No. 5, 328which is of a steel containing .30% of carbon, we have more pearlite and in No. 22c with .50% carbon we have yet more. Manifestly at this rate the comparative pearlite areas are growing so that there will soon be room for no ferrite at all. In No. 23g this has occurred. This, the photomicrograph of a steel containing .86% of carbon is one of the steels in which we found that the point of recalescence, loss of magnetism, decrease in electrical conductivity and rate of expansion take place all at the one point.

No. 99b. Carbonless Iron

No. 3b. Steel with .1 Per Cent Carbon

No. 5. Steel with .3 Per Cent Carbon

No. 22c. Steel with .5 Per Cent Carbon

(Magnification 60 Diameters.)

Now as we go still farther on up in percentage of carbon content, i.e. (beyond .86%, we have a white constituent 329beginning to appear as cell walls around the grains of the pearlite and this increases with increase of carbon until, with alloys having carbon around 3%, we have a proportionately small amount of pearlite while the white areas have so increased that it appears that the more or less round patches of pearlite float in a lake of white. This white which appears first as cell walls, and later in greater and greater quantity is free cementite.)

No. 23g. Steel with .9 Per Cent Carbon

No. 24a. Steel with 1.25 Per Cent Carbon

No. 36b. Steel with 2 Per Cent Carbon

No. 109. White Cast Iron with 3 Per Cent Carbon

(Magnification 60 Diameters.)

Such are illustrated in photomicrographs Nos. 24a, 36b and 109 which contain 1.25%, 1.98% and 3.00% of carbon respectively. While steels with the typical white, free ferrite 330areas are so soft that a needle-point will plow furrows across them, those with over 1.25% of carbon have such excess of free cementite that they are very hard to scratch and too brittle to use except for special purposes.

Austenite (White) and Martensite (Dark) Magnified 1,000 Times Their Actual Size

So during ordinary cooling from the molten alloy or the slower cooling of the steel during the annealing process, the martensitic structure breaks down at the recalescent temperature into pearlite and ferrite (soft iron) if the carbon content of the steel is lower than about .90%, or pearlite and the other and very hard constituent, “cementite,” if the steel has more than .90% of carbon. If the carbon content happens to be just .90%, or thereabouts, there is exactly sufficient pearlite to make up the total area of the field shown under the microscope.

Another constituent which is of great interest scientifically, though not at all commercially, is “austenite.” By quenching very high carbon steels from a very high temperature very suddenly and completely, we can fasten the “austenite” structure, which exists only at temperatures higher than martensite, i.e., austenite is our gamma iron with the carbon of the alloy in solid solution, perhaps as iron carbide, while martensite is thought to be the beta iron solid solution, perhaps with some gamma iron mixed with it.

331While ordinary quenching fastens structures pretty well, it is not usually quick enough to prevent the austenite from sliding along down into martensite. However, carbon discourages such slipping, so, with high carbon to act as a brake, we can fasten some of it by chilling very suddenly and completely from a very high temperature. Steels with 1.5% of carbon and temperatures of 2000° F., or over, are usually necessary to accomplish it.

However, austenite, after we get it, is not as hard as martensite and we have little use for it commercially. As was stated before, martensite is the useful and proper structure for carbon steel tools.

No. 73. Annealed Steel has Fine Grain

(Magnification 70 Diameters)

Tempering or Drawing

“Tempering” is done to relieve the intense brittleness of steel after quenching to martensite. While we dislike to sacrifice any of the hardness, it pays to temper or “toughen” the steel, as the toolmaker calls it, by reheating it to somewhere between 400° and 570° F.

The higher the temperature, the freer and quicker is the change from one structure to another, as, for instance, the austenite to martensite. At the low drawing temperatures the changes from martensite to the pearlitic structure may be said to just creep along. A second quenching then fastens it at the new structure which gives a trifle less hard but a tougher steel. As you would guess, the microscope shows on these what we may term a “transition” 332or “breaking-down” appearance and structures not at all definite. These, of course, give to the steels the various degrees of hardness and brittleness and other qualities which are so desirable from the practical standpoint. The production of these fine shades of temper by the practical tool maker or blacksmith may almost be considered a fine art.

How and Why Do the Steels Harden?

Now, from all of these facts, what, shall we say, is the cause of the hardening of steel?

The explanation most generally accepted seems to be, that, of the three allotropic forms of iron the gamma and beta varieties are very much harder than alpha iron, which is the one which we have in annealed steel at ordinary temperatures, and, of the two, the beta is harder than the gamma variety. It is thought also, that carbon, perhaps as carbide of iron, is held in solution in gamma or beta iron after the quenching, and increases the hardness proportionately with increase of the carbon content of the steel. While this carbon or iron-carbide solid solution may and probably does itself confer additional hardness to the steel, its main function is to retard or slow down the change from gamma into beta and alpha iron, which change in carbonless iron and low carbon steels is so insistent and extremely rapid that not even the most severe quenching, as in ice-water or liquid air, can prevent or stop it. Not only do we fail to get austenite, which is gamma iron, until we get 1% or more of carbon present and quench from very high to very low temperatures, but we cannot even stop the transition at beta iron, the next lower allotropic variety until we have at least .30% of carbon, and, for serviceable hardening fully .60% of carbon in the steel.

Fortunately for us, this beta form of iron is the one we 333want, for it is harder and more useful than the gamma form.

Our most serviceable constituent, martensite, then, is a solid solution of carbon or iron carbide in beta iron. It is magnetic but this probably results from its containing some alpha iron through incomplete stoppage of the change by the quenching.

As has been stated, “tempering,” which means careful reheating to 400° F., 500° F., or 600° F., allows the slight “slipping” of enough of the beta solution, always eager at temperatures below the point of recalescence to return to alpha condition, to relieve the excessive brittleness of the hardened steel.

No. 72. The “Sorbite” Grain Is Produced by Cooling in a Blast of Air after Annealing. It Gives Good Wearing Properties

(Magnification 70 Diameters)

Annealing is the complete release of beta iron and the “trapped” carbon which allows of their return to the normal condition of pearlite with alpha iron. To accomplish this, the hardened steel has to be heated above its point of recalescence and cooled more or less slowly. Different speeds of cooling give different grain size, structures and physical properties.

This explanation of hardening, which is known as the “allotropic” theory, is not universally accepted, conclusive evidence being lacking at more than one point.

It must be stated also that some who hold the “allotropic theory” of hardening doubt the existence of beta 334iron. These contend that the so-called beta iron and martensite are only decomposition or transition forms of gamma iron and austenite.

Two or three other theories have been more or less strongly advocated but these also suffer from lack of evidence. The one which perhaps ranks next in number of advocates is the “carbon theory.” Its supporters contend that by quenching, alpha iron is made to hold carbon or iron carbide in solid solution and that it is this solution of carbon or carbide which gives to the steel hardness in proportion to its carbon content. Others hold that the great density or strain under which quenched steel exists accounts for the hardness.

Like many other great problems of the universe this one is not yet conclusively or satisfactorily solved, so reluctantly does Nature yield her secrets. But while it may not have explained all of the “whys” and “wherefores,” the work which investigators have done has brought about great improvement in methods of manufacture and quality of the alloys which are making our civilization greater and this Age more wonderful.

335

CHAPTER XXIII
THE EQUILIBRIUM DIAGRAM OF THE IRON-CARBON ALLOYS

It was a great day for metallurgy when it was discovered that molten mixtures were governed by the same natural laws which govern our ordinary liquid solutions. Probably it was because most metallic alloys are solid at ordinary temperatures and liquid only at very high ones that for so long a time we failed to suspect their similarity.

If a sensitive pyrometer is inserted into an ordinary solution or a molten alloy which is being gradually cooled, it indicates the first instant that solidification (freezing) begins as well as the termination of the freezing period. Unlike the freezing of water or a pure metal, complete solidification ordinarily does not take place at a definite single temperature but over a greater or lesser range of temperature. By taking such upper and lower freezing-point measurements for many different percentage compositions of a binary (two metal) alloy, for instance, curves can be plotted which show accurately the habits of any and all of the possible combinations (i.e., alloys) of those two metals.

Such are called “freezing-point” curves, and, as we shall see later on, a study of them will give us much valuable and interesting information.

Such curves have been constructed for a great many alloys since the discovery of the analogy between their behavior and that of aqueous solutions led us to study alloys after 336the manner which physical chemists found so satisfactory for the study of ordinary solutions. Since the study of binary or two metal alloys is often very difficult, it can be readily understood why the determination and interpretation of the curves of alloys which contain three, four or more metals is a very much more serious matter. Much of it has to be done by methods which are long and tedious, such as quenching and microscopic study of innumerable specimens taken during the freezing and subsequent cooling of various alloys of each series. The value of the results depends upon the skill, devotion and clear sightedness of those who carry out the work.

The Freezing-Point Curves of the Iron-Carbon Alloys

337The “freezing-point” and “decomposition” curves of the iron-carbon series of alloys have been brought to their present stage of development after something like twenty years of labor by investigators in many lands. If we look at the diagram on page 345, we note at once that the curves are quite complicated. Even yet they are not complete for all percentage combinations of iron and carbon, and those who have given the most time and study to the subject have not yet been able to interpret with entire satisfaction to all concerned all of the discoveries so far made.

Without endeavoring to take up in detail the technique of the manner of their production, which would be unprofitable for us without a great deal more of preliminary study than we have time and space to give, we will at once examine the freezing curves of the iron-carbon alloys as now developed. The works named on page 354 as references for Chapters XXII and XXIII may be consulted for the various types and methods of construction and for explanation of freezing curves by those who desire to study them.

Referring to the freezing-point diagram on page 336, the upper or broad V-shaped line, ABC, indicates the temperatures at which the alloys of various percentages of iron and carbon begin to freeze, and the lower one, AED, the temperatures at which the freezing of these alloys ends. From the diagram it is readily seen that pure iron (100%), has a very high freezing-point and solidifies at once. Iron which contains about 2% of carbon begins to freeze at a much lower temperature and has a long period of solidification, while iron with 4.3% of carbon has the lowest freezing-point of the series with an extremely short solidification period or range.

Since we have been unable to go sufficiently into the methods and technique of freezing-curve construction to be able to understand their general classification, we must 338accept the statement that the curve of the iron-carbon series is really a double one. The part of it that lies to the left of the dividing line UV of the diagram on page 336, is of the type exhibited by liquids which freeze from “liquid solutions” into what are known as “solid solutions,” which by aid of the microscope are found to be homogeneous mixtures of crystals. On the other hand, alloys which lie to the right of UV, are of the type which form “eutectics.” This will be described later. This dividing line UV, which occurs at about 1.7% of carbon, divides the iron-carbon alloys into these two natural divisions. It was the basis for calling those having 2% of carbon or less, “steels,” and those with over this amount, “cast irons.”

Molten iron is so greedy for carbon, that, when it can get it, it readily holds in solution from 7% to 10% of this element. But solid (frozen) iron cannot retain anything like this amount. As we learned in the last chapter, gamma iron is the only variety which can exist above our lines of loss of conductivity, magnetism and recalescence, i. e., Ar3, Ar3·2, etc. It is, too, the only variety of solid iron which is able to retain carbon in solution, and it can retain only about 1.7% of it.

So when molten steel containing 1.5% of carbon, say, cools until it reaches the temperature represented by the line, AB, which, at its intersection with the 1.5% carbon line would be at about 2582° F., particles or crystals begin to freeze out and float in the molten alloy. As the temperature falls, more crystals separate until, when the temperature determined by intersection of the 1.5% carbon line with the lower freezing curve, AE, is reached, the last of the now mushy alloy solidifies.

Alloys of all other compositions below 1.7% of carbon do just this way except that the temperatures at which freezing begins and ends are different and distinctive for each 339composition.[10] Upon freezing, every one of them retains in “solid solution” in the “gamma” iron whatever carbon it had in the liquid or molten solution. But, as stated above, it can not be over the 1.7% limit.

10. Temperatures of beginning and end of freezing may always be ascertained by locating on the freezing-point diagram the points at which the vertical line representing the desired composition intersects and crosses the lines of the freezing-point curves—in these cases, AB and AE.

Of the iron-carbon alloys of compositions lying to the right of the line UV, we find the case to be different, for each one of them has more than the 1.7% of carbon which is the maximum amount which “gamma” iron can retain. Now the lowest temperature at which any iron-carbon alloy can exist without freezing is slightly above 2066° F., and there is but one composition—95.7% of iron and 4.3% of carbon—which can survive until this low temperature is reached. A content of 4.3% of carbon then, is the greatest and also the least concentration which Nature will allow to remain molten down to this minimum temperature. This 4.3% carbon composition which is the lowest melting, i.e., the easiest melted alloy, is called the “eutectic” alloy from Greek words which mean “well melting.” This eutectic composition may be said to divide or rather subdivide this group of alloys into two groups, those containing between 1.7% and 4.3% of carbon, and those which have 4.3% and over.

As stated before, freezing is not an instantaneous but a progressive process. During the freezing period of any of these alloys which have over 1.7% of carbon the still liquid portion which remains after freezing begins to become smaller and smaller in quantity as freezing progresses just as it did in alloys of the “solid solution” group. And as Nature allows a concentration of 4.3% of carbon as the highest concentration at the minimum temperature the very last of the remaining liquid of every alloy eventually gets 340to this eutectic composition just before the alloy freezes. Those to the left of the eutectic or exact 4.3% composition do so by the gradual freezing out of iron containing the maximum or 1.7% of carbon, i.e., iron is taken out faster than carbon, hence there is gradual concentration of carbon in the remaining liquid. This goes on until 4.3% is reached. The compositions to the right of the line WX throw out the chemical compound, Fe3C, which contains 6.6% of carbon, whereby carbon is eliminated faster than iron and the desired 4.3% carbon alloy is arrived at from the other direction.

To illustrate, take, say, the composition represented by the vertical line at 3% carbon and 97% iron. As the molten alloy cools it reaches the temperature 2330° F., at which temperature the vertical line representing the 3% carbon composition cuts the line AB. Here the alloy begins to freeze by the separation of small crystals of solidifying iron containing definite amounts of carbon.[11] But as the carbon thus taken along by the freezing crystals of iron is always less than 1.7%, a proportionally greater amount of iron than carbon is removed from the unfrozen part of the alloy and the remaining liquid or unfrozen part, therefore, is left with slightly more than the 3% of carbon with which it started.

11. The percentages of carbon carried by the particles of iron freezing at any particular temperature of the solidification range may be determined from the diagram but the works named in the reference list should be consulted for method and explanation.

This we must now consider another alloy with a lower freezing-point, the reason being, of course, its higher carbon content. At the next lower temperature, more iron containing carbon is frozen out and the remaining liquid is again left a little higher in carbon than before. In this way the continually diminishing amount of remaining liquid keeps concentrating, forming thereby a continuous succession 341of alloys of higher and higher carbon content as the temperature continuously drops.

Eventually, of course, the concentration of this remaining liquor becomes 4.3% of carbon just before completion of the freezing at 2066° F.

The “Eutectic,” the Part of the Alloy Which Solidifies Last

(Magnification 700 Diameters)

Now with alloys containing more than 4.3% of carbon, almost the opposite occurs. Let us choose the one having 5% carbon and 95% of iron. This molten alloy cools until at 2215° F., small crystals begin to freeze and form in the molten mass. But, as the liquid already has more than the favored 4.3% of carbon, it is not free iron which freezes out, but instead, the chemical compound, Fe3C, which contains 6.6% of carbon. This, of course, takes out carbon proportionally faster than iron, hence, at each very slightly lower temperature, the liquid which remains unfrozen contains just a little less of carbon than did its predecessor. So the constantly decreasing amount of remaining liquid progresses through a succession of compositions each containing just a little less of carbon than the previous one, and eventually, just before freezing we get back to the mixture which contains 4.3% of carbon. Of course there is left unfrozen by this time only a very small amount 342of the alloy and it is this which has the composition stated.

The “Eutectic”

Now, having just the composition which she wants, whether arrived at from alloys lower or higher than 4.3% in carbon, Nature lets this composition freeze at once in thin alternating plates which lie side by side about and among the earlier frozen crystals of the alloy. The appearance of this typical eutectic formation under the microscope is shown on page 341.

Had we chosen the 4.3% alloy itself, neither any of the solid solution of carbon in iron nor the chemical compound, Fe3C, would have frozen out, but the whole mass would have remained liquid down to 2066° F., where the whole would have solidified at once in the plate-like eutectic formation just described.

To sum up, iron-carbon alloys which contain less than 1.7% of carbon, in other words, the steels, freeze as solid solutions of carbon in gamma iron. This, of course, is the metallographic constituent which is called austenite. It is not of a definite composition as it contains whatever carbon is available up to 1.7%. Alloys containing between 1.7% and 4.3% of carbon gradually freeze out this solid solution, austenite, more and more being formed in the freezing alloy until, upon arriving at a concentration of 4.3% of carbon for the remaining liquid, the latter, too, freezes as a eutectic of alternating plates of more of this same constituent, austenite, and the carbide of iron, Fe3C, about and among the crystals of the previously formed austenite. From alloys which contain more than 4.3% of carbon, iron carbide, Fe3C, gradually freezes out as the temperature falls, until, at concentration of 4.3% of carbon, the eutectic of remaining carbide and austenite 343forms about and among the earlier frozen carbide crystals, always at the same temperature, 2066° F., no matter what the original composition of the alloy.

Upon reheating, the constituents melt in reverse order, the eutectic liquifying first at 2066° F., the remainder of the alloy gradually becoming liquid between this temperature and the temperature at which the first freezing began during cooling.

Transformations and Decompositions

So far we have considered only the freezing of the iron-carbon alloys from the molten to the solid condition. Now what happens to them at temperatures below 2066° F.? Do they remain as we left them above, until and after they are fully cold?

We must now combine the little sketch which we made on page 319, by plotting the points, Ar1, Ar2 and Ar3, with the freezing-point diagram which we have just now been considering. You remember that we found all sorts of things happening to our 0% to 1.7% alloys—the steels—at temperatures around 1290° F., 1395° F., and 1650° F. Similarly, a great deal happens to these other alloys, as they cool from their solidifying temperatures downward.

344

The Freezing-Point and Critical-Point Curves Make up the Equilibrium Diagram

But for the moment considering only the steels, i.e., the third of the diagram to the left of the 1.7% carbon line, we remember that upon completion of the solidification of any alloy, we had only a frozen solution of all the carbon in iron. Now in the bottom part of this left third of our diagram on page 344, the line GOSE does not look so very much different than the freezing line, ABC, does it? It resembles it not only in appearance but also in actual experience. But in this case it represents not a freezing from liquid to solid but a decomposition, or better perhaps, a transformation. The solid solutions or alloys which contain less than .9% of carbon give up their excess of pure iron upon getting down to temperatures lying along the line GOS, by gradual decomposition of the austenite. In alloys lying to the right of this .9% carbon vertical line the austenite rids itself of excess carbon by throwing out of solid solution and freeing the chemical compound, Fe3C, as the line SE is reached and passed. That is, analogously to what occurred during freezing, certain concentrations occur in the solid, lower carbon alloys by gradual rejection of pure iron crystals until the remainder of the mass has exactly .9% of carbon, or deconcentrate in the higher 345ones by rejection of Fe3C until they reduce the carbon to this .9% figure. In all cases, by the time the temperature 1290° F., has been reached this has been accomplished and the remaining undecomposed austenite, now with just .9% of carbon, in some way splits into the alternating plate-like constituent which is shown in the cut on page 341.

The Equilibrium Diagram and Interpretation as Now Tentatively Accepted

This plate-like constituent we can hardly call eutectic or “well-melting” alloy for it, as well as the rest of the alloy, has been solid for a long time. But being so similar 346in derivation and appearance to the eutectic which forms during freezing of a molten alloy, it is proposed that it be called the next best thing, the “eutectoid.” It is often called the eutectic, however.

By this time you doubtless have seen that the free iron which was thrown out of the steel having less than .9% carbon is the ferrite which we found in the soft steels, and that the chemical compound, Fe3C, of the higher carbon steels is the extremely hard constituent, cementite. The eutectoid or plate-like structure is, of course, pearlite, which in the last chapter we found to consist of just these alternating plates of ferrite and cementite.

The Cast Irons

All of the alloys lying to the right of the line UV contain more than 1.7% of carbon, and, according to our classification, therefore, are “cast irons.”

We have seen how they freeze either as eutectic alone, as crystals of austenite with eutectic or as crystals of cementite (Fe3C) and eutectic, depending upon the original composition of the molten alloy. At and just below the temperatures represented by the line ED, this undoubtedly represents the situation.

What happens to the alloys from this temperature down to normal depends upon conditions. Just what occurs and the mechanism of it is not definitely known except in the practical way. Certain it is, the “precipitation” of free carbon is necessary for cast irons which are to be serviceable for usual purposes. This may occur with consequent softening during the first cooling or they may be cast as “hard iron” and softened afterward.

In Chapter XI we said that silicon was a “softener” as its presence brought about precipitation of the carbon as graphite throughout the cast iron, thereby softening it both 347by reason of the presence of the soft flakes of graphite and because it leaves so little of the carbon in the “combined” or hardening condition. So silicon is a ready means of bringing about decomposition of the higher temperature structures as the alloys cool.

The speed of the cooling also exerts a very powerful influence in determining the amount of graphite which will separate. Other conditions being equal, the slower the cooling, the greater the decomposition with resulting graphite. Swift cooling, even such as results from the dumping of castings from the molds while at nearly white or high red heat results in insufficient graphite and otherwise harder metal. Cooling of very hot castings on a cold floor or in a current of cool air has considerable hardening effect even when the composition of the alloy would otherwise give very soft and machinable metal. In an extreme and very interesting case a few very hard cast iron flanges were each day found among the many thousands of habitually soft castings regularly produced. Each day two or three expensive “taps” were ruined by attempting the impossible—the machining of these pieces of hardened iron, which, on the outside, looked just like all the rest. It was soon discovered that two or three mold dumpers each noon and evening were warming water for “wash-up” by dropping into the pails a flange or two which were still white-hot after dumping from the molds. The men were innocent of any intention of harm but their warm water cost several hundred dollars before their method of producing it was discovered.

Silicon and rate of cooling are the two most powerful influences but presence of certain elements other than silicon also influences to some extent the degree of hardness. However, while silicon has a strong softening effect, manganese and sulphur have an opposite or hardening tendency. 348On this account the amounts of these latter elements which can be used or allowed must be strictly limited.

From the above it is seen that all sorts of cast iron can be produced ranging from the extremely hard, high cementite, white irons with low silicon content down to the very soft gray irons which result mainly because of higher silicon content and slower cooling.

The white irons are more or less unstable as is shown by the decomposition through which the hard, white iron castings become “malleable” by annealing as was told in Chapter XII which discussed Malleable Cast Iron.

No. 31. Gray Cast Iron with Ferrite, Pearlite and Graphite Flakes

(Magnification 70 Diameters)

The gray cast irons are much more stable. They consist of what, in an early chapter, we referred to as “steels with an impurity, the graphite flakes.” They consist, then, of free, soft iron or ferrite, certain amounts of the characteristic steel constituent, pearlite, and the soft graphite flakes.

They arrive at this composition, through breaking down of the austenite and cementite structures during the cooling,—just how not having been satisfactorily determined. Consistent study is being put upon this subject and several unique and long-studied possible explanations of this section of the full equilibrium diagram have been proposed and debated, all based upon the data so far available. While much information on this subject has been gained the matter is still so much in dispute that it is best for us to venture 349nothing definite in regard to just how the changes occur. The reference books for this chapter (see page 354) give quite completely the data, theories and explanations so far available.

Compared with the steels, the cast irons are vastly complicated. In them we have elements which occur in practically negligible amounts in the steels. Commercial cast irons, for instance, have silicon ranging anywhere from ½% to 3%, phosphorus .10% to 2%, graphite 0% to 3.50%, and carbon in the combined form (pearlite or cementite) from 3.50% to .10%. If these represent the majority of cast irons what about our pig irons which have 2, 5, 8, 10 or even 15% of silicon, others with 1 or 2 and occasionally very much more of manganese, and still others which vary widely in phosphorus content?—for from the metallographic and physical chemistry standpoint pig irons are cast irons.

As we can never get perfectly pure iron-carbon alloys to experiment with, their content of other elements, silicon, nickel, phosphorus, etc., vitiate more or less the results obtained, but even could such pure alloys be secured we are not greatly helped since our serviceable alloys are never such. Each added element brings about greater complication and one does not wonder that in the short twenty years which have elapsed since study was seriously undertaken, metallurgical science has not entirely solved the big problem.

350

REFERENCES

GENERAL & VARIOUS

“The A B C of Iron and Steel,” Penton Publishing Co., Cleveland.

“The Steel Foundry,” J. H. Hall, McGraw-Hill Book Co., New York.

“The Metallurgy of Steel,” H. M. Howe, The Scientific Publishing Co., New York.

“The Manufacture and Properties of Iron and Steel,” H. H. Campbell, Hill Publishing Co., New York.

“The Metallurgy of Iron and Steel,” B. Stoughton, McGraw-Hill Book Co., New York.

“The Metallurgy of Steel,” Harbord and Hall, Charles Griffin & Co., Ltd., London.

“Liquid Steel,” E. G. Carnegie, Longmans, Green & Co., London.

“Krupp’s Steel Works,” F. C. G. Muller, Wm. Heinemann, London.

“By Bread Alone” (a novel), I. K. Friedman, McClure, Phillips & Co., New York.

CHAPTER I

“The History of the Manufacture of Iron in All Ages,” James Swank, Am. Iron and Steel Assoc., Philadelphia, Pa.

“The Materials of Engineering—Iron and Steel,” Robert Thurston, John Wiley & Son, New York.

CHAPTER II

“The Honorable Peter White,” R. D. Williams, Penton Publishing Co., Cleveland, O.

351“The Iron Ore Resources of the World,” International Geological Society, Stockholm, 1910.

“The Story of Coal and Iron in Alabama,” Ethel Armes, Chamber of Commerce, Birmingham, Ala.

CHAPTER III

“Modern Coking Practice,” T. H. Byrom, C. Lockwood & Son, London.

“Coal and Coke,” Frederick H. Wagner (1916), McGraw-Hill Book Co., New York.

“Washing and Coking Tests of Coal,” A. W. Belden, G. R. Delamater, J. W. Groves, Bulletin 368, U. S. Geological Survey, 1909.

“Washing and Coking Tests of Coal and Cupola Tests of Coke,” R. Moldenke, A. W. Belden, and G. R. Delamater, U. S. Fuel Testing Plant, St. Louis, Mo., U. S. Geological Survey, Bulletin 336, 1908.

“Manufacture of Coke and Other Prepared Fuels and the Saving of By-Products,” John Fulton, 1905, International Text Book Co., Pittsburg, Pa.

CHAPTER IV

“The Blast Furnace and Manufacture of Pig Iron,” Robert Forsythe, D. Williams & Co., New York.

“A Study of the Blast Furnace,” Harbison-Walker Refractories Co., Pittsburg, Pa.

“The Principles of Manufacture of Iron and Steel,” Sir I. L. Bell, George Routledge & Son, London.

CHAPTER VI

“The Business Message of the Wrought Iron Bar,” Interstate Iron and Steel Co., Chicago.

“The Control of Quality in Every Process,” A. M. Byers Co., Pittsburg, Pa.

CHAPTER VII

“The Cementation of Iron and Steel,” Gioletti, McGraw-Hill Book Co., New York.

352“The Fine Steel Industry,” J. A. Mathews, The Halcomb Steel Co., Syracuse, New York.

CHAPTER VIII

“Sir Henry Bessemer—An Autobiography,” Offices of Engineering, London.

“The Romance of Iron and Steel—The Story of a Thousand Millionaires,” H. N. Casson, Munsey’s Magazine, April, 1906, and on; In book form, A. S. Barnes & Co., New York.

CHAPTER IX

“The Manufacture of Open-Hearth Steel Castings,” W. M. Carr, Penton Publishing Co., Cleveland.

“The Basic Open-Hearth Steel Process,” C. Dichmann, Constable & Co., Ltd., London.

“A Study of the Open-Hearth,” Harbison-Walker Refractories Co., Pittsburg, Pa.

CHAPTERS X & XI

“Cast Iron in the Light of Recent Research,” W. H. Hatfield, Charles Griffin & Co., Ltd., London.

“Cast Iron,” W. J. Keep, John Wiley & Sons, New York.

“The Metallurgy of Cast Iron,” T. D. West, Cleveland Printing & Publishing Co., Cleveland, O.

“American Foundry Practice,” T. D. West, John Wiley & Sons, New York.

CHAPTER XII

“The Production of Malleable Castings,” Richard Moldenke, The Penton Publishing Co., Cleveland.

“Malleable Cast Iron,” S. J. Parsons, A. Constable & Co., Ltd., London.

CHAPTER XIII

“Electric Furnaces in the Iron and Steel Industry,” Rodenhauser & Schoenawa (Translated by Vom Baur), John Wiley & Sons, New York.

353“The Electric Furnace,” A. Stansfield, The McGraw-Hill Book Co., New York.

“Electric Furnaces for Making Iron and Steel,” Lyon and Keeney, U. S. Bureau of Mines, Bulletin No. 67 (1914).

CHAPTERS XIV & XV

“The Manufacture and Uses of Alloy Steels,” H. D. Hibbard, U. S. Bureau of Mines, Bulletin No. 100 (1915).

“High Speed Steel,” O. M. Becker, McGraw-Hill Book Co., New York.

“Nickel Steel—Its Practical Development in the United States,” H. F. J. Porter, Cassier’s Magazine, 1902, Page 480.

“Chrome-Vanadium Steel,” W. E. Gibbs, Cassier’s Magazine, June, 1910, Page 174.

“Vanadium Steels,” J. Kent Smith, American Vanadium Co., Pittsburgh, Pa.

“Alloy Steels in Motor Car Construction,” J. A. Mathews, Journal Franklin Institute, May, 1909, Page 379.

“On the Art of Cutting Metals,” F. W. Taylor, Trans. Am. Soc. Mech. Eng. 1906–28 No. 3.

“High Speed and Carbon Tool Steels,” Machinery Reference Series No. 117, Industrial Press, New York.

“Alloy Steels,” Machinery Reference Series No. 118.

CHAPTER XVI

“Drop Forging, Die Sinking and Machine Forging of Tools of Steel,” J. V. Woodworth, N. W. Henley Publishing Co., New York.

“Metal Working,” Hasluck, David McKay, 1907.

“Drop Forging,” Machinery’s Reference Series No. 45.

“Press Working of Metals,” Oberlin Smith, John Wiley & Sons (1913).

CHAPTER XVII

“The Rolling Mill Industry,” F. Kindl, Penton Publishing Co., Cleveland, Ohio.

354

CHAPTERS XVIII & XIX

“Wire Manufacture and Uses,” J. B. Smith, John Wiley & Sons, New York.

CHAPTERS XX & XXI

“Modern Welded Pipe,” National Tube Co., Pittsburg, Pa.

“The Control of Quality in Every Process,” A. M. Byers Co., Pittsburg, Pa.

“Seamless Tubing, Bulletin No. 17–A”, National Tube Co., Pittsburg, Pa.

“The Manufacture of Iron and Steel Tubes,” E. C. R. Marks, Van Ostrand & Co., New York.

CHAPTERS XXII & XXIII

“The Metallography of Steel and Cast Iron,” H. M. Howe, McGraw-Hill Book Co., New York.

“The Metallography and Heat Treatment of Iron and Steel,” Albert Sauveur, Sauveur and Boylston, Cambridge, Mass.

“Metallic Alloys: Their Structure and Constitution,” G. H. Gulliver, Charles Griffin & Co., Ltd., London.

355

INDEX


TRANSCRIBER’S NOTES
  1. Silently corrected palpable typographical errors; retained non-standard spellings and dialect.
  2. Reindexed footnotes using numbers.
*** END OF THE PROJECT GUTENBERG EBOOK 73090 ***