- i -
THE
International Scientific Series
VOL. XXXV.
- iv -
Frontispiece.
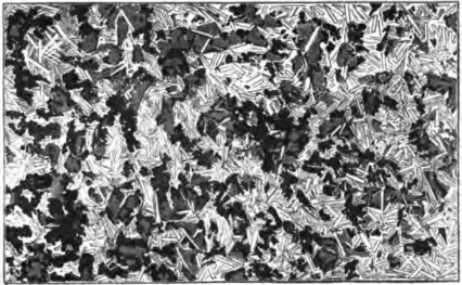
Sections of Igneous Rocks, illustrating the passage from the glassy to the crystalline structure.
1. Vitreous Rock. 2. Semi-Vitreous Rock. 3. Vitreous Rock with Sphærulites. 4. Rock with Crypto-crystalline Base. 5. Rock with Micro-crystalline Base. 6. Rock of Granite Structure built up entirely of Crystals.
[See pp. 63-68.
- v -
BY
PROFESSOR OF GEOLOGY IN THE ROYAL SCHOOL OF MINES
WITH 96 ILLUSTRATIONS
SIXTH EDITION
LONDON
KEGAN PAUL, TRENCH, TRÜBNER & CO. Ltd.
PATERNOSTER HOUSE, CHARING CROSS ROAD
1903
- vi -
(The rights of translation and of reproduction are reserved.)
- vii -
In preparing this work, I have aimed at carrying out a design suggested to me by the late Mr. Poulett Scrope, the accomplishment of which has been unfortunately delayed, longer than I could have wished, by many pressing duties.
Mr. Scrope's well-known works, 'Volcanoes' and 'The Geology and Extinct Volcanoes of Central France'—which passed through several editions in this country, and have been translated into the principal European languages—embody the results of much careful observation and acute reasoning upon the questions which the author made the study of his life. In the first of these works the phenomena of volcanic activity are described, and its causes discussed; in the second it is shown that much insight concerning these problems may be obtained by a study of the ruined and denuded relics of the volcanoes of former geological periods. The appearance of these works, in the years - viii - 1825 and 1827 respectively, did much to prepare the minds of the earlier cultivators of science for the reception of those doctrines of geological uniformity and continuity, which were shortly afterwards so ably advocated by Lyell in his 'Principles of Geology.'
Since the date of the appearance of the last editions of Scrope's works, inquiry and speculation concerning the nature and origin of volcanoes have been alike active, and many of the problems which were discussed by him, now present themselves under aspects entirely new and different from those in which he was accustomed to regard them. No one was ever more ready to welcome original views or to submit to having long-cherished principles exposed to the ordeal of free criticism than was Scrope; and few men retained to so advanced an age the power of subjecting novel theories to the test of a rigorous comparison with ascertained facts.
But this eminent geologist was not content with the devotion of his own time and energies to the advancement of his favourite science, for as increasing age and growing infirmities rendered travel and personal research impossible, he found a new source of pleasure in seeking out the younger workers in those fields of inquiry which he had so long and successfully cultivated, and in furthering their efforts by his judicious - ix - advice and kindly aid. Among the chosen disciples of this distinguished man, who will ever be regarded as one of the chief pioneers of geological thought, I had the good fortune to be numbered, and when he committed to me the task of preparing a popular exposition of the present condition of our knowledge on volcanoes, I felt that I had been greatly honoured.
In order to keep the work within the prescribed limits, and to avoid unnecessary repetitions, I have confined myself to the examination of such selected examples of volcanoes as could be shown to be really typical of all the various classes which exist upon the globe; and I have endeavoured from the study of these to deduce those general laws which appear to govern volcanic action. But it has, at the same time, been my aim to approach the question from a somewhat new standpoint, and to give an account of those investigations which have in recent times thrown so much fresh light upon the whole problem. In this way I have been led to dwell at some length upon subjects which might not at first sight appear to be germane to the question under discussion;—such as the characters of lavas revealed to us by microscopic examination; the nature and movements of the liquids enclosed in the crystals of igneous rocks; the relations of minerals occurring in some volcanic products to those found in meteorites; the nature and origin of - x - the remarkable iron-masses found at Ovifak in Greenland; and the indications which have been discovered of analogies between the composition and dynamics of our earth and those of other members of the family of worlds to which it belongs. While not evading the discussion of theoretical questions, I have endeavoured to keep such discussions in strict subordination to that presentation of the results attained by observation and experiment, which constitutes the principal object of the work.
The woodcuts which illustrate the volume are in some cases prepared from photographs, and I am indebted to Mr. Cooper for the skill with which he has carried out my wishes concerning their reproduction. Others among the engravings are copies of sketches which I made in Italy, Hungary, Bohemia, and other volcanic districts. The whole of the wood-blocks employed by Mr. Poulett Scrope in his work on Volcanoes were placed at my disposal before his death, and such of them as were useful for my purpose I have freely employed. To Captain S. P. Oliver, R.A., I am obliged for a beautiful drawing made in the Island of Bourbon, and to Mr. Norman Lockyer and his publishers, Messrs. Macmillan & Co., for the use of several wood-blocks illustrating sun-spots and solar prominences.
J. W. J.
London: May 1881.
- xi -
| CHAPTER I. |
| PAGE |
| INTRODUCTORY: NATURE OF THE ENQUIRY |
| 1 |
| CHAPTER II. |
| THE NATURE OF VOLCANIC ACTION |
| 7 |
| CHAPTER III. |
| THE PRODUCTS OF VOLCANIC ACTION |
| 39 |
| CHAPTER IV. |
| THE DISTRIBUTION OF THE MATERIALS EJECTED FROM VOLCANIC VENTS |
| 67 |
| CHAPTER V. |
| THE INTERNAL STRUCTURE OF VOLCANIC MOUNTAINS |
| 112 |
| CHAPTER VI. |
| THE VARIOUS STRUCTURES BUILT UP AROUND VOLCANIC VENTS |
| 161 |
| CHAPTER VII. |
| THE SUCCESSION OF OPERATIONS TAKING PLACE AT VOLCANIC CENTRES |
| 186 |
| CHAPTER VIII. - xii - |
| THE DISTRIBUTION OF VOLCANOES UPON THE SURFACE OF THE GLOBE |
| 224 |
| CHAPTER IX. |
| VOLCANIC ACTION AT DIFFERENT PERIODS OF THE EARTH'S HISTORY |
| 247 |
| CHAPTER X. |
| THE PART PLAYED BY VOLCANOES IN THE ECONOMY OF NATURE |
| 281 |
| CHAPTER XI. |
| WHAT VOLCANOES TEACH US CONCERNING THE NATURE OF THE EARTH'S INTERIOR |
| 307 |
| CHAPTER XII. |
| THE ATTEMPTS WHICH HAVE BEEN MADE TO EXPLAIN THE CAUSES OF VOLCANIC ACTION |
| 331 |
| INDEX |
| 371 |
- xiii -
| Sections of igneous rocks illustrating the passage from the glassy to the crystalline structure | Frontispiece | |
| Fig. | Page | |
| 1. | Stromboli, viewed from the north-west, April 1874 | to face p. 10 |
| 2. | Map of the Island of Stromboli | 11 |
| 3. | Section through the Island of Stromboli from north-west to south-east | 13 |
| 4. | The crater of Stromboli as viewed from the side of the Sciarra during an eruption on the morning of April 24, 1874. | 14 |
| 5. | Vesuvius in eruption, as seen from Naples, April 26, 1872. (From a photograph) | to face p. 24 |
| 6. | View of Vulcano, with Vulcanello in the foreground—taken from the south end of the Island of Lipari | 43 |
| 7. | Minute cavities, containing liquids, in the crystals of rocks. (After Zirkel) | to face p. 60 |
| 8. | Minute liquid-cavity in a crystal, with a moving bubble. (After Hartley) | 63 |
| 9. | Cavity in crystal, containing carbonic-acid gas at a temperature of 86° F., and passing from the liquid to the gaseous condition. (After Hartley) | 64 |
| 10. | Monte Nuovo (440 ft high) on the shores of the Bay of Naples. (After Scrope) | 76 |
| 11. | Map of the district around Naples, showing Monte Nuovo and the surrounding volcanoes of older date | 78 |
| 12. | Outlines of the summit of Vesuvius during the eruption of 1767. (After Sir W. Hamilton) - xiv - | to face p. 80 |
| 13. | Crater of Vesuvius formed during the eruption of 1822 (After Scrope) | 82 |
| 14. | Crater of Vesuvius in 1756, from a drawing made on the spot. (After Sir W. Hamilton) | 84 |
| 15. | The summit of Vesuvius in 1767, from an original drawing. (After Sir W, Hamilton) | 85 |
| 16. | Summit of Vesuvius in 1843 | 86 |
| 17. | Outlines of Vesuvius, showing its form at different periods of its history | 87 |
| 18. | Cascade of lava tumbling over a cliff in the Island of Bourbon. (After Capt. S. P. Oliver, R.A.) | 93 |
| 19. | Lava-stream (obsidian) in the Island of Vulcano, showing the imperfect liquidity of the mass | 95 |
| 20. | Interior of a rhyolitic lava-stream in the Island of Lipari, showing broad, sigmoidal folds, produced by the slow movements of the mass | 96 |
| 21. | Interior of a rhyolitic lava-stream in the Island of Lipari, showing the complicated crumplings and puckerings, produced by the slow movements of the mass | 96 |
| 22. | Vesuvian lava-stream of 1858, exhibiting the peculiar 'ropy' surfaces of slowly-moving currents. (From a photograph) | to face p. 98 |
| 23. | Vesuvian lava-stream of 1872, exhibiting the rough cindery surfaces characteristic of rapidly flowing currents. (From a photograph) | to face p. 96 |
| 24. | Concentric folds on mass of cooled lava. (After Heaphy) | 100 |
| 25. | Mass of cooled lava formed over a spiracle on the slopes of Hawaii. (After Dana) | 100 |
| 26. | Group of small cones thrown up on the Vesuvian lava-current of 1855. (After Schmidt) | 101 |
| 27. | Natural section of a lava-stream in the Island of Vulcano, showing the compact central portion and the scoriaceous upper and under surfaces | 104 |
| 28. | Section of a lava-stream exposed on the side of the river Ardèche, in the south-west of France. (After Scrope) | 106 |
| 29. | Portion of a basaltic column from the Giant's Causeway, exhibiting both the ball-and-socket and the tenon-and-mortise structure - xv - | 107 |
| 30. | Vein of green pitchstone at Chiaja di Luna, in the Island of Ponza, breaking up into regular columns and into spherical masses with a concentric series of joints. (After Scrope) | 108 |
| 31. | Illustration of the 'perlitic structure' in glassy rocks | 109 |
| 32. | Transverse section of a lava-stream | 111 |
| 33. | The Kammerbühl, or Kammerberg, Bohemia (as seen from the south-west) | 113 |
| 34. | Section of the Kammerbühl in Bohemia | 114 |
| 35. | Natural section of a volcanic cone in the Island of Vulcano | 116 |
| 36. | Section in the side of the Kammerbühl, Bohemia | 118 |
| 37. | Experimental illustration of the mode of formation of volcanic cones, composed of fragmental materials | 120 |
| 38. | Natural section of a tuff-cone, forming the Cape of Misenum, and exhibiting the peculiar internal arrangement, characteristic of volcanoes composed of fragmentary materials. (After Scrope) | 121 |
| 39. | Section of a small scoria-cone formed within the crater of Vesuvius in the year 1835, illustrating the filling up of the central vent of the cone by subsequent ejections. (After Abich) | 122 |
| 40. | Volcanic cones composed of scoriæ, and breached on one side by the outflow of lava-currents. (After Scrope) | 128 |
| 41. | Campo Bianco, in the Island of Lipari. A pumice-cone breached by the outflow of an obsidian lava-stream | to face p. 124 |
| 42. | Volcanic cones in Auvergne, which have suffered to some extent from atmospheric denudation. (After Scrope) | 124 |
| 43. | Experimental illustration of the mode of formation of volcanic cones composed of viscid lavas. (After Reyer) | 126 |
| 44. | The Grand Puy of Sarcoui, composed of trachyte, rising between two breached scoria-cones (Auvergne). (After Scrope) | 126 |
| 45. | Volcanic cone (Mamelon) composed of very viscid lava (Island of Bourbon). (After Bory de St. Vincent) - xvi - | 127 |
| 46. | Another Mamelon in the Island of Bourbon, with a crater at its summit. (After Bory de St. Vincent) | 127 |
| 47. | Cliff-section in the Island of Madeira, showing how a composite volcano is built up of lava-streams, beds of scoriæ, and dykes. (After Lyell) | 125 |
| 48. | Section seen at the cascade, Bains du Mont Dore. (After Scrope) | 130 |
| 49. | Section in the Island of Ventotienne, showing a great stream of andesitic lava overlying stratified tuffs. (After Scrope) | 130 |
| 50. | Cliff on the south side of the Island of San Stephano | 131 |
| 51. | The headland of Monte della Guardia, in the Island of Ponza | 131 |
| 52. | Western side of the same headland, as seen from the north side of Luna Bay | 132 |
| 53. | Sea-cliff at Il Capo, the north-east point of Salina, showing stratified agglomerates traversed by numerous dykes, the whole being unconformably overlaid by stratified, aqueous deposits | 137 |
| 54. | Section observed in the Val del Bove, Etna, showing a basaltic dyke, from the upper part of which a lava-current has flowed | 138 |
| 55. | Basaltic dykes projecting from masses of stratified scoriæ in the sides of the Val del Bove, Etna | 134 |
| 56. | Sheets of igneous rock (basalt) intruded between beds of sandstone, clay, and limestone (Island of Skye) | 137 |
| 57. | Plan of the dissected volcano of Mull in the Inner Hebrides | to face p. 142 |
| 58. | Section of the volcano of Mull along the line A B | " 142 |
| 59. | Summit of the volcano of Monte Sant' Angelo, in Lipari, exhibiting a crater with walls worn down by denudation | 158 |
| 60. | Outlines of lava-cones | 160 |
| 61. | Diagram illustrating the formation of parasitic cones along lines of fissure formed on the flanks of a great volcanic mountain | 162 |
| 62. | Outline of Etna, as seen from Catania - xvii - | 162 |
| 63. | Outline of Etna, as seen from the Val del Bronte | 163 |
| 64. | Plan of the volcano forming the Island of Ischia | 163 |
| 65. | A primary parasitic cone, with a secondary one at its base—Ischia | 164 |
| 66. | Scoria-cone near Auckland, New Zealand, with a lava-current flowing from it. (After Heaphy) | 165 |
| 67. | Section of rocks below the ancient triassic volcano of Predazzo in the Tyrol | 165 |
| 68. | Cotopaxi, as seen from a distance of ninety miles. (After Humboldt) | 168 |
| 69. | Citlaltepetl, or the Pic d'Orizaba, in Mexico, as seen from the Forest of Xalapa. (After Humboldt) | 169 |
| 70. | Lac Paven, in the Auvergne. (After Scrope) | 171 |
| 71. | The crater-lake called Lago del Bagno, in Ischia, converted into a harbour | 172 |
| 72. | Lake of Gustavila, in Mexico. (After Humboldt) | 172 |
| 73. | Peak of Teneriffe, surrounded by great crater-rings. (After Piazzi-Smyth) | 175 |
| 74. | The volcano of Bourbon, rising in the midst of a crater-ring four miles in diameter. (After Bory de St. Vincent) | 176 |
| 75. | The volcano of Bourbon, as seen from another point of view, with three concentric crater-rings encircling its base. (After Bory de St. Vincent) | 176 |
| 76. | Vesuvius as seen from Sorrento, half encircled by the crater-ring of Somma | 177 |
| 77. | Outlines of various volcanoes illustrating the different relations of the craters to cones | to face p. 178 |
| 78. | Island thrown up In the Mediterranean Sea in July and August, 1831. (After the Prince de Joinville) | 179 |
| 79. | Sinter-cones surrounding the orifices of geysers | 183 |
| 80. | Diagram illustrating the mode of formation of travertine- and sinter-terraces on the sides of a hill of tuff | 185 |
| 81. | Map of the volcanic group of the Lipari Islands, illustrating the position of the lines of fissure upon which the volcanoes have been built up - xviii - | 192 |
| 82. | The Puy de Pariou, in the Auvergne, illustrating the shifting of eruption along a line of fissures | 193 |
| 83. | Ideal section of the Puy de Pariou | 194 |
| 84. | Fissure formed on the flanks of Etna during the emotion of 1865. (After Silvestri) | 194 |
| 85. | Plan of the Island of Vulcano, based on the map of the Italian Government | 196 |
| 86. | Vulcanello, with its three craters | 197 |
| 87. | Section of basalt from Ovifak, Greenland, with particles of metallic iron diffused through its mass | 319 |
| 88. | Diagram illustrating the relations between the terrestrial and the extra-terrestrial rocks | to face p. 322 |
| 89. | A group of sun-spots. (After Secchi) | 362 |
| 90. | A sun-spot, showing the great masses of incandescent vapour rising or falling within it. (After Secchi) | 363 |
| 91. | The edge of a sun-spot, showing a portion of the prominent masses of incandescent gas (A) which detached itself at B and floated into the midst of the cavity. (After Norman Lockyer) | 363 |
| 92. | Drawing of a solar prominence made by Mr. Norman Lockyer, March 14, 1869, at 11 h. 5 m. A.M. | 364 |
| 93. | The same object, as seen at 11 h. 15 m. on the same day. (After Norman Lockyer) | 365 |
| 94. | Drawings of a solar prominence at four different periods on September 7, 1871. (After Young) | 366 |
| 95. | A group of Lunar craters (Maurolycus, Barocius, &c.), the largest being more than sixty miles in diameter | 368 |
- 1 -
'What is a volcano?' This is a familiar question, often addressed to us in our youth, which 'Catechisms of Universal Knowledge,' and similar school manuals, have taught us to reply to in some such terms as the following: 'A volcano is a burning mountain, from the summit of which issue smoke and flames.' Such a statement as this, it is probable, does not unfairly represent the ideas which are, even at the present day, popularly entertained upon the subject.
But in this, as in so many other cases, our first step towards the acquirement of scientific or exact knowledge, must be the unlearning of what we have before been led to regard as true. The description which we have quoted is not merely incomplete and inadequate as a whole, but each individual proposition of which it is made up is grossly inaccurate, and, what - 2 - is worse, perversely misleading. In the first place, the action which takes place at volcanoes is not 'burning,' or combustion, and bears, indeed, no relation whatever to that well-known process. Nor are volcanoes necessarily 'mountains' at all; essentially, they are just the reverse—namely, holes in the earth's crust, or outer portion, by means of which a communication is kept up between the surface and the interior of our globe. When mountains do exist at centres of volcanic activity, they are simply the heaps of materials thrown out of these holes, and must therefore be regarded not as the causes but as the consequences of the volcanic action. Neither does this action always take place at the 'summits' of volcanic mountains, when such exist, for eruptions occur quite as frequently on their sides or at their base. That, too, which popular fancy regards as 'smoke' is really condensing steam or watery vapour, and the supposed raging 'flames' are nothing more than the glowing light of a mass of molten material reflected from these vapour clouds.
It is not difficult to understand how these false notions on the subject of volcanic action have come to be so generally prevalent. In the earlier stages of its development, the human mind is much more congenially employed in drinking in that which is marvellous than in searching for that which is true. It must be admitted, too, that the grand and striking phenomena displayed by volcanoes are especially calculated to inspire terror and to excite superstition, and such - 3 - feelings most operate in preventing those close and accurate observations which alone can form the basis of scientific reasoning.
The ancients were acquainted only with the four or five active volcanoes in the Mediterranean area; the term 'volcano' being the name of one of these (Vulcano, or Volcano, in the Lipari Islands), which has come to be applied to all similar phenomena. It is only in comparatively modern times that it has become a known £act that many hundreds of volcanoes exist upon the globe, and are scattered over almost every part of its surface. Classical mythology appropriated Vulcano as the forge of Hephæstus, and his Roman representative Vulcan, while Etna was regarded as formed by the mountains under which a vengeful deity had buried the rebellious Typhon; it may be imagined, therefore, that any endeavour to more closely investigate the phenomena displayed at these localities would be regarded, not simply as an act of temerity, but as one of actual impiety. In mediæval times similar feelings would operate with not less force in the same direction, for the popular belief identified the subterranean fires with a place of everlasting torment; Vulcano was regarded as the place of punishment of the Arian Emperor Theodosius, while Etna was assigned to poor Anne Boleyn, the perverter of faith in the person of its stoutest defender. That such feelings of superstitious terror in connection with volcanoes are, even at the present day, far from being - 4 - extinct, will be attested by every traveller who, in carrying on investigations about volcanic centres, has had to avail himself of the assistance of guides and attendants from among the common people.
Among the great writers of antiquity we find several who had so far emancipated their minds from the popular superstitions as to be able to enunciate just and rational views upon the subject of volcanoes. Until quite recent times, however, their teaching was quite forgotten or neglected, and the modern science of Vulcanology may be said to have entirely grown up within the last one hundred years.
The great pioneer in this important branch of research was the illustrious Italian naturalist Spallanzani, who, in the year 1788, visited the several volcanoes of his native land, and published an account of the numerous valuable and original observations which he had made upon them. About the same time the French geologist Dolomieu showed how much light might be thrown on the nature of volcanic action by a study of the various materials which are ejected from volcanic vents; while our own countryman. Sir William Hamilton, was engaged in a systematic study of the changes in form of volcanic mountains, and of the causes which determine their growth. At a somewhat later date the three German naturalists. Von Buch, Humboldt, and Abich, greatly extended our knowledge of volcanoes by their travels in different portions of the globe.
- 5 -
The first attempt, however, to frame a satisfactory theory of volcanic action, and to show the part which volcanoes have played in the past history of our globe, together with their place in its present economy, was made in 1825, by Poulett Scrope, whose great work, 'Considerations on Volcanoes,' may be regarded as the earliest systematic treatise on Vulcanology. Since the publication of this work, many new lines of inquiry have been opened up in connection with the subject, and fresh methods of research have been devised and applied to it. More exact observations of travellers over wider areas have greatly multiplied the facts upon which we may reason and speculate, and many erroneous hypotheses which had grown up in connection with the subject have been removed by patient and critical inquiry.
We propose in the following pages to give an outline of the present state of knowledge upon the subject, and to indicate the bearings of those conclusions which have already been arrived at, upon the great questions of the history of our globe and the relations which it bears to the other portions of the universe. In attempting this task we cannot do better than take up the several lines of inquiry in the order in which they have been seized upon and worked out by the original investigators; for never, perhaps, is the development of thought in the individual mind so natural in its methods, and so permanent in its effects, as when it obeys those laws which determined its growth in the - 6 - collective mind of the race. In our minds, as in our bodies, development in the individual is an epitome, or microcosmic reproduction, of evolution in the species.
- 7 -
The dose investigation of what goes on within a volcanic vent may appear at first sight to be a task beset with so many difficulties and dangers that we may be tempted to abandon it as altogether hopeless. At the first recorded eruption of Vesuvius the elder Pliny lost his life in an attempt to approach the mountain and examine the action which was taking place there; and during the last great outburst of the same volcano a band of Neapolitan students, whose curiosity was greater than their prudence, shared the same fate.
But in both these cases the inquirers paid the penalty of having adopted a wrong method. If we wish to examine the mode of working of a complicated steam-engine, it will be of little avail for us to watch the machinery when the full blast of steam is turned on, and the rapid movements of levers, pinions, and slides baffle all attempts to follow them, and render hopeless every effort to trace their connection with one another. But if some friendly hand turn off the - 8 - greater part of the steam-supply, then, as the rods move slowly backwards and forwards, as the wheels make their measured revolutions, and the valves axe seen gradually opening and shutting, we may have an opportunity of determining the relations of the several parts of the machine to one another, and of arriving at just conclusions concerning the plan on which it is constructed. Nor can we doubt that the parts of the machine bear the same relation to one another, and that their movements take place in precisely the same order, when the supply of steam is large as when it is small.
Now, as we shall show in the sequel, a volcano is a kind of great natural steam-engine, and our best method of investigating its action is to watch it when a part of the steam-supply is cut off. It is true that we cannot at will control the source of supply of steam to a volcano, as we can in a steam-engine, but as some volcanoes have usually only a small steam-supply, and nearly all volcanoes vary greatly in the intensity of their action at different periods, we can, by a careful selection of the object or the time of our study, gain all those advantages which would be obtained by regulating its action for ourselves.
Spallanzani appears to have been the first to perceive the important fact, that the nature of volcanic action remains the same, however its intensity may vary. Taking advantage of the circumstance that there exists in the Mediterranean Sea a - 9 - volcano—Stromboli—which for at least 2,000 years has been in a constant and regular, but not in a violent or dangerous, state of activity, he visited the spot, and made the series of careful observations which laid the foundation of our knowledge of the 'physiology of volcanoes.' Since the time of Spallanzani, many other investigators have visited the crater of Stromboli, and they have been able to confirm and extend the observations of the great Italian naturalist, as to the character of the action which is constantly taking place within it. We cannot better illustrate the nature of volcanic action than by describing what has been witnessed by numerous observers within the crater of Stromboli, where it is possible to watch the series of operations going on by the hour together, and to do so without having our judgment warped either by an excited imagination or the sense of danger.
In the sketch, fig. 1, which was made on April 20, 1874, I have shown the appearance which this interesting volcano usually presents, when viewed from a distance. The island is of rudely circular outline, and conical form, and rises to the height of 3,090 feet above the level of the Mediterranean. From a point on the side of the mountain, masses of vapour are seen to issue, and these unite to form a cloud over the mountain, the outline of this vapour-cloud varying continually according to the hygrometric state of the atmosphere, and the direction and force of the wind. At the time when this sketch was made, the vapour-cloud - 10 - was spread in a great horizontal stratum overshadowing the whole island, but it was clearly seen to be made up of a number of globular masses, each of which, as we shall hereafter see, is the product of a distinct outburst of the volcanic forces.
Viewed at night-time, Stromboli presents a far more striking and singular spectacle. The mountain, with its vapour canopy, is visible over an area having a radius of more than 100 miles. When watched from the deck of a vessel anywhere within this area, a glow of red light is seen to make its appearance from time to time above the summit of the mountain; this glow of light may be observed to increase gradually in intensity, and then as gradually to die away. After a short interval the same appearances are repeated, and this goes on till the increasing light of the dawn causes the phenomenon to be no longer visible. The resemblance presented by Stromboli to a 'flashing light' on a most gigantic scale is very striking, and the mountain has long been known as 'the lighthouse of the Mediterranean.'
It must be pointed out, however, that in two very important particulars the appearances presented by Stromboli differ markedly from those rhythmical gleams exhibited by the 'flashing-lights' of our coasts. In the first place, the intervals between successive flashes are very unequal, varying from less than one minute to twenty minutes, or even more; and in the second place, the duration and intensity of the red glow above the mountain are subject to like variation, being sometimes a momentary scarcely visible gleam, and at others a vivid burst of light which illuminates the sky to a considerable distance round.
- 11 -
Let us now draw near and examine this wonderful phenomenon of a mountain which seemingly ever burns with fire, and yet is not consumed. The general form of the Island of Stromboli will be gathered from an inspection of the plan, fig. 2, which is copied from a map published by the Italian Government. When we land upon the island, we find that it is entirely built up of such materials as we know to be ejected - 12 - from volcanoes; indeed, it resembles on a gigantic scale the surroundings of an iron furnace, with its heaps of cinders and masses of slag. The irregularity in the form of the island is at once seen to be due to the action of the wind, the rain, and the waves of the surrounding sea, which have removed the loose, cindery materials at some points, and left the hard, slaggy masses standing up prominently at others.
This great heap of cindery and slaggy materials rises, as we have said, to a height of more than 3,000 feet above the sea-level, but even this measurement does not give a just idea of its vast bulk. Soundings in the sea surrounding the island show that the bottom gradually shelves around the shores to the depth of nearly 600 fathoms, so that Stromboli is a great conical mass of cinders and slaggy materials, having a height of over 6,000 feet, and a base whose diameter exceeds four miles.
The general form and proportions of this mass will be better understood by an examination of the section, fig. 3, which is also constructed from the materials furnished by the map of the island issued by the Italian Government. The same section, and the map, fig. 2, will serve to make clear the position and relations of the point on the mountain at which the volcanic activity takes place. At a spot on the north-west slope of the mountain, about 1,000 feet below its summit, and 2,000 feet above the level of the sea, there exists a circular depression, the present active - 13 - 'crater' of the volcano; and leading down from this to the sea there is a flat slope making an angle of about 35° with the horizon, and known as the 'Sciarra.' The Sciarra is bounded by steep cliffs, as shown in the sketch fig. 1, and the plan fig. 2.
a. Highest summit of the mountain, c. Cratère del Fossa, b. Point overlooking the crater, d. Steep slope known as the Sciarra del Fuoco. e. Continuation of the same slope beneath the level of the sea. f. Steep cliffs of the Punta dell' Omo.
If we climb up to this scene of volcanic activity, we shall be able to watch narrowly the operations which are going on there. On the morning of the 24th of April, 1874, I paid a visit to this interesting spot in order to get a near view of what was taking place. On reaching a point upon the side of the Sciarra, from which the crater was in full view before me, I witnessed, and made a sketch of, an outburst which then took place, and this sketch has been reproduced in fig. 4. Before the outburst, numerous light curling wreaths of vapour were seen ascending from fissures on the sides and bottom of the crater. Suddenly, and without the slightest warning, a sound was heard like that produced when a locomotive blows - 14 - off its steam at a railway-station; a great volume of watery vapour was at the same time thrown violently into the atmosphere, and with it there were hurled upwards a number of dark fragments, which rose to the height of 400 or 500 feet above the crater, describing curves in their course, and then falling back upon the mountain. Most of these fragments tumbled into the crater with a loud, rattling noise, but some of them fell outside the crater, and a few rolled down the steep slope of the Sciarra into the sea. Some of these falling fragments were found to be still hot and glowing, and in a semi-molten condition, so that they readily received the impression of a coin thrust into them.
- 15 -
But on the upper side of the crater, at the point marked 6, on the section fig. 3, there exists a spot from which we can look down upon the bottom of the crater, and view the operations taking place there. This is the place where Spallanzani and other later investigators have carried on their observations, and, when the wind is blowing from the spectator towards the crater, he may sit for hours watching the wonderful scene displayed before him. The black slaggy bottom of the crater is seen to be traversed by many fissures or cracks, from most of which curling jets of vapour issue quietly, and gradually mingle with and disappear in the atmosphere. But besides these smaller cracks at the bottom of the crater, several larger openings are seen, which vary in number and position at different periods; sometimes only one of these apertures is visible, at others as many as six or seven, and the phenomena presented at these larger apertures are especially worthy of careful investigation.
These larger apertures, if we study the nature of the action taking place at them, may be divided into three classes. From those of the first class, steam is emitted with loud, snorting puffs, like those produced by a locomotive-engine, but far less regular and rhythmical in their succession. In the second class of apertures masses of molten material are seen welling out, and, if the position of the aperture be favourable, flowing outside the crater; from this liquid molten mass steam is seen to escape, sometimes in considerable quantities. The openings of the third class present still more - 16 - interesting appearances. Within the walls of the aperture a viscid or semi-liquid substance is seen slowly heaving up and down. As we watch the seething mass the agitation within it is observed to increase gradually, and at last a gigantic bubble is formed which violently bursts, when a great rush of steam takes place, carrying fragments of the scum-like surface of the liquid high into the atmosphere.
If we visit the crater by night, the appearances presented are found to be still more striking and suggestive. The smaller cracks and larger openings glow with a ruddy light. The liquid matter is seen to be red- or even white-hot, while the scum or crust which forms upon it is of a dull red colour. Every time a bubble bursts and the crust is broken up by the escape of steam, a fresh, glowing surface of the incandescent material is exposed. If at these moments we look up at the vapour-cloud covering the mountain, we shall at once understand the cause of the singular appearances presented by Stromboli when viewed from a distance at night, for the great masses of vapour are seen to be lit up with a vivid, ruddy glow, like that produced when an engine-driver opens the door of the furnace and illuminates the stream of vapour issuing from the funnel of his locomotive.
Let us now endeavour to analyse the phenomena so admirably displayed before us in the crater of Stromboli. The three essential conditions on which the production of these phenomena seems to depend are the following: - 17 - first, the existence of certain apertures or cracks communicating between the interior and the surface of the earth; secondly, the presence of matter in a highly heated condition beneath the surface; and thirdly, the existence of great quantities of water imprisoned in the subterranean regions—which water, escaping as steam, gives rise to all those active phenomena we have been describing.
We have said, at the outset, that there exists no analogy whatever between the action which takes place in volcanoes and the operation of burning or combustion. Occasionally, it is true, certain inflammable substances are formed by the action going on within the volcano, and these inflammable substances, taking fire, produce real flames. Such flames are, however, in almost all cases only feebly luminous, and do not give rise to any conspicuous appearances. What is usually taken for flame during volcanic eruptions is simply, as we have already pointed out, the glowing red-hot surface of a mass of molten rock, reflected from a vapour-cloud hanging over it. The red glow observed over a volcano in eruption is indeed precisely similar in its nature and origin to that which is seen above London during a night of heavy fog, and which is produced by the reflection of the gas-lights of the city from the innumerable particles of water-vapour diffused through the atmosphere. Fires, of course, occur when the molten and incandescent materials poured out from a volcano come in contact with inflammable substances, such as - 18 - forests and houses, but in these cases the combustion is quite a secondary phenomenon.
There is another popular delusion concerning volcanic action, which it may be necessary to refer to and to combat. From the well-known fact that sulphur or brimstone is found abundantly in volcanic regions, the popular belief has arisen that this highly inflammable substance has something to do with the production of the eruptions of volcanoes. In school-books which were, until comparatively recent years, in constant use in this country, the statement may be found that by burying certain quantities of sulphur, iron-pyrites, and charcoal in a hole in the ground, we may form a miniature volcano, and produce all the essential phenomena of a volcanic eruption. No greater mistake could possibly be made. The chemical reactions which take place when sulphur and other substances are made to act upon each other differ entirely from the phenomena of volcanic action. The sulphur which is found in volcanic regions is the result and not the cause of volcanic action. Among the most common substances emitted from volcanic vents along with the steam are the two gases, sulphurous acid and sulphuretted hydrogen. When these two gases come into contact with one another, chemical action takes place, and the elements contained in them—oxygen, hydrogen, and sulphur—are free to group themselves together in an entirely new fashion; the consequence of this is that water and sulphuric acid (oil of vitriol) are formed, and - 19 - a certain quantity of sulphur is set free. The water escapes into the atmosphere, the sulphuric acid combines with lime, iron, or other substances contained in the surrounding rocks, and the sulphur builds up crystals in any cavities which may happen to exist in these rocks.
If, however, careful and exact observations, like those carried on at Stromboli, compel us to reject the popular notions concerning the supposed resemblance between volcanic action and the combustion of sulphur or other substances, they nevertheless suggest analogies with certain other simple and well-known operations. And in pursuing these analogies, we are led to the recognition of some admirable illustrations both of the attendant phenomena and of the true cause of volcanic outbursts.
No one can look down on the mass of seething material in violent agitation within the fissures at the bottom of the crater of Stromboli, without being forcibly reminded of the appearances presented by liquids in a state of boiling or ebullition. The glowing material seems to be agitated by two kinds of movements, the one whirling or rotatory, the other vertical or up-and-down in its direction. The fluid mass in this way appears to be gradually impelled upwards, till it approaches the lips of the aperture, when vast bubbles are formed upon its surface, and to the sudden bursting of these the phenomena of the eruption are due.
Now if we take a tall narrow vessel and fill it with - 20 - porridge or some similar substance of imperfect fluidity, we shall be able, by placing it over a fire, to imitate very closely indeed the appearances presented in the crater of Stromboli. As the temperature of the mass rises, steam is generated within it, and in the efforts of this steam to escape, the substance is set in violent movement. These movements of the mass are partly rotatory and partly vertical in their direction; as fresh steam is generated in the mass its surface is gradually raised, while an escape of the steam is immediately followed by a fall of the surface. Thus an up-and-down movement of the liquid is maintained, but as the generation of steam goes on faster than it can escape through the viscid mass, there is a constant tendency in the latter to rise towards the mouth of the vessel. At last, as we know, if heat continues to be applied to the vessel, the fluid contents will be forced up to its edge and a catastrophe will occur; the steam being suddenly and violently liberated from the bubbles formed on the surface of the mass, and a considerable quantity of the material forcibly expelled from the vessel. The suddenness and violence of this catastrophe is easily accounted for, if we bear in mind that the escaping steam acts after the manner of a compressed spring which is suddenly released. Steam is first formed at the bottom of the vessel which is in contact with the fire; but here it is under the pressure of the whole mass of the liquid, and moreover, the viscidity of the substance tends to retard the union of - 21 - the steam bubbles and their rise to the surface of the mass. But when the pressure is relieved by the bursting of bubbles at the surface, the whole of the generated steam tends to escape suddenly.
Now within the crater of Stromboli we have precisely the necessary conditions for the display of the same series of operations. In the apertures at the bottom there exists a quantity of imperfectly fluid materials at a higher temperature, containing water entangled in its mass. As this water passes into the state of steam it tends to escape, and in so doing puts the whole mass into violent movement. When the steam rises to the surface, bubbles are formed, and the formation of these bubbles is promoted by the circumstance that the liquid mass, where exposed to the atmosphere, becomes chilled, and thereby rendered less perfectly fluid. By the bursting of these bubbles the pressure is partially relieved, and a violent escape of the pent-up steam takes place through the whole mass. Equilibrium being thus restored, there follows a longer or shorter interval of quiescence, during which steam is being generated and collected within the mass, and the series of operations which we have described then recommences.
There is one other consideration which must be borne in mind in connection with this subject. It is well known that if water be subjected to sufficiently great pressure it may be raised to a very high temperature and still retain its liquid condition. When this - 22 - pressure is removed, however, the whole mass passes at once into the condition of steam or water-gas; and the gas thus formed at high temperatures has a proportionably high tension. In a Papin's digester water confined in a strong vessel is raised to temperatures far above its ordinary boiling-point, and from any opening in such a vessel the steam escapes with prodigious violence. Now, at considerable depths beneath the earth's surface, and under the pressure of many hundreds or thousands of feet of solid rock, water still retaining its liquid condition may become intensely heated. When the pressure is relieved by the formation of a crack or fissure in the superincumbent mass of rock, the escape of the superheated steam will be of very violent character, and may be attended with the most striking and destructive results. In the existence of high temperatures beneath the earth's surface, and the presence in the same regions of imprisoned water capable of passing into the highly elastic gas which we call steam, we have a cause fully competent to produce all the phenomena which we have described as occurring at Stromboli.
It may at first sight appear that the grand and terrible displays of violence witnessed during a great volcanic eruption differ fundamentally in their character and their origin from those feeble outbursts which we are able to examine closely and analyse rigorously at Stromboli. But that such is not the case a few simple considerations will soon convince us.
- 23 -
Although Stromboli usually displays the subdued and moderate activity which we have been describing, yet the intensity of the action going on within it is subject to considerable variation. Occasionally the violence of the outbursts is greatly increased—the roaring of the steam-jets may be heard for many miles around, considerable streams of incandescent liquefied rock flow down the Sciarra into the sea, and the explosions in the crater are far more frequent and energetic, cinders and fragments of rock being scattered all over the island and the surrounding seas.
On the other hand, volcanoes like Vesuvius, which are sometimes the scene of eruptions on the very grandest scale, at others subside into a temporary state of moderate activity quite similar in character to that which is the normal condition of Stromboli. Thus, shortly before the great eruption of Vesuvius in April 1872, a small cone was formed near the edge of the crater, and during some months observers could watch, in ease and safety, a series of small explosions taking place, quite similar in their character and attendant phenomena to those which we have described as occurring at Stromboli. French geologists are in the habit of defining the condition of activity in a volcano by speaking of the more quiet and, regular state as the 'Strombolian stage,' and the more violent and paroxysmal as the 'Vesuvian stage'; but the two conditions are, as we have seen, presented by the same volcano at different periods, and pass into one another by the most insensible gradations.
- 24 -
We must now proceed to compare the grand and terrible appearances presented during a great eruption with those more feeble displays which we have been describing, to show that in all their essential features these different kinds of outbursts are identical with one another, and must be referred to the action of similar causes.
The volcanic eruption which has been most carefully studied in recent times is that which we have already referred to as occurring at Vesuvius, in the month of April 1872. With the exception, perhaps, of that which took place in October 1822, this eruption was the grandest which has broken out at Vesuvius during the present century. Owing to the circumstance of its proximity to the great city of Naples, Vesuvius has always been the most carefully watched of all volcanoes, and in recent years the erection of an observatory, provided with instruments for recording the smallest subterranean tremors affecting the mountain, has facilitated the carrying on of those continuous and minute observations which are so necessary for exact scientific inquiry.
- 25 -
On the occasion of this outburst, the aid of instantaneous photography was first made available for obtaining a permanent record of the appearances displayed at volcanic eruptions. In fig. 5 we have one of these photographs, which was taken at 5 o'clock P.M. on April 26, 1872, transferred to a wood-block and engraved. In examining it we feel sure that we are not being misled by any exaggeration or error on the part of the artist. Vesuvius rises to the height of nearly 4,000 feet above the level of the sea, and an inspection of the photograph proves that the vapours and rock-fragments were thrown to the enormous height of 20,000 feet, or nearly four miles, into the atmosphere.
The main features of this terrifying outburst were as follows. For more than a twelvemonth before, the activity of the forces at work within the mountain appeared to be gradually increasing, and the great eruption commenced on April 24, attained its climax on the 26th, and began to die out on the following day. During the eruption the bottom of the crater was entirely broken up, and the sides of the mountain were rent by fissures in all directions. So numerous were these fissures and cracks that liquid matter appeared to be oozing from every part of its surface, and, as Professor Palmieri, who witnessed the outburst from the observatory, expressed it, 'Vesuvius sweated fire.' One of the fissures was of enormous size, extending from the summit to far beyond the base of the cone; the scar left by this gigantic rent being plainly visible at the present day.
From the great opening or crater at the summit, and from some of the fissures on the sides of the mountain, enormous volumes of steam rushed out with a prodigious roaring sound, the noise being so terrific that the inhabitants of Naples, five miles off, fled from - 26 - their houses and spent the night in the open streets. Although this roaring sound appeared at a distance to be continuous, yet those upon the mountain could perceive that it was produced by detonations or explosions rapidly following one another. Each of these explosions was accompanied by the formation of a great globe of white vapour, which, rising into the atmosphere, swelled the bulk of the vast cloud overhanging the mountain. An inspection of the photographs (see fig. 5) shows that the great vapour-cloud over Vesuvius was made up of the globular masses ejected at successive explosions. Each of these explosive upward rushes of steam carried along with it a considerable quantity of solid fragments, and these fell in great numbers all over the surface of the mountain, breaking the windows of the observatory, and making it dangerous to be out of doors.
We have said that lava, or molten rock, appeared to be issuing from the very numerous cracks formed all over the flanks of the mountain. But at three points this molten rock issued in such quantities as to form great, fiery floods, which rushed down the sides of the mountain, and flowed to a considerable distance beyond its base. The largest of these lava-floods overwhelmed and destroyed the two villages of Massa di Somma and San Sebastiano, besides many country houses in the neighbourhood.
A very marked and interesting feature exhibited by these three lava-floods was the quantity of watery - 27 - vapour which they gave off during their flow. All along their course, enormous volumes of steam were evolved from them, as will be seen by an inspection of the photograph. Indeed, such was the abundance and tension of the steam thus escaping from the surfaces of the lava-currents that it forced the congealing rock up into great bubbles and blisters, and gave rise to the formation of innumerable miniature volcanoes, varying in size from a beehive to a cottage, some of which remained in a state of independent activity for a considerable time.
So far, what we have described as taking place at Vesuvius, in April 1872, has been only the repetition on a £Eur grander scale of the three kinds of action which we have shown to be constantly taking place at Stromboli; namely, the formation of cracks or fissures in the earth's surface, the escape of steam with explosive violence from these openings, often propelling rock-fragments into the atmosphere, and the outwelling, under the influence of this compressed steam, of masses of molten materials.
There were some other appearances presented at the great outburst at Vesuvius, which do not seem at first sight to find any analogies in the manifestations of the more feeble action continually going on at Stromboli.
Before and during the great outbreak of April 1872, Vesuvius itself and the whole country round were visited with earthquake-shocks, or tremblings of the - 28 - ground. The sensitive instruments in the Vesuvian Observatory showed the mountain daring the eruption to be in a constant state of tremor. These earthquakes are not, as is commonly supposed, actual upheavings of the earth's surface, but are vibrations propagated through the solid materials of which the earth is built up. We cannot stamp our feet upon the ground without giving rise to such vibrations, though our senses may not be sufficiently acute to perceive them. The explosive escape of steam from a crack is a cause sufficiently powerful to produce a shock which is propagated and may be felt for a considerable distance round. Even on Stromboli an observer at the edge of the crater may notice that each explosive outburst of steam is accompanied by a perceptible tremor of the ground, and in the case of Vesuvius the violent shocks produced by the escape of far larger volumes of steam give rise to proportionately stronger vibrations. The nature and origin of those far more terrible and destructive shocks which sometimes accompany, and more frequently precede, great volcanic eruptions, we shall consider in the sequel.
Another striking phenomenon which was exhibited in the great eruption of Vesuvius in 1872 was the vivid display of lightning accompanied by thunder. The uprushing current of steam and rock-fragments forms a vertical column, but as the steam condenses it spreads out into a great horizontal cloud which is seen to be made up of the great globes of vapour emitted at - 29 - successive explosions. When there is little or no wind the vertical column with a horizontal cloud above it bears a striking resemblance to the stone-pine trees which form so conspicuous a feature in every Neapolitan landscape. Around this column of vapour the most vivid lightning constantly plays and adds not a little to the grand and awful character of the spectacle of a volcanic eruption, especially when it is viewed by night.
In the eruption of 1872 a strong wind blowing from the north-west destroyed the usual regular appearance of this 'pine-tree appendage' to the mountain, which is so well known to, and dreaded by the inhabitants of Naples; the cloud, as will be seen from the photograph (fig. 5, facing p. 24), was blown on one side, and most of the falling fragments took the same direction.
It is well known that when high-pressure steam IS allowed to escape through an orifice, electricity is abundantly generated by the friction, and Sir William Armstrong's hydro-electric machine is constructed on this principle. Every volcano in violent eruption is a very efficient hydro-electric machine, and the uprushing column is in a condition of intense electrical excitation. This result is probably aided by the friction of the solid particles as they are propelled upwards and fall back into the crater. The restoration of the condition of electrical stability between this column and the surrounding atmosphere is attended with the production of frequent lightning-flashes and thunder-claps, - 30 - the found of the latter being usually, however, drowned in the still louder roar of the uprushing steam-column.
The discharge of Buch large quantities of steam into the atmosphere soon causes the latter to be saturated with watery vapour, and there follows an excessive rainfall; long-continued rain and floods were an accompaniment of the great Vesuvian outbreak of 1872, as they have been of almost all great volcanic eruptions. The Italians, indeed, dread the floods which follow an eruption more than the fiery streams of lava which accompany it—for they have found the mud-streams (lave di fango), formed by rain-water sweeping along the loose volcanic materials, to be more widely destructive in their effects than the currents of molten rock (lave di fuoco).
Besides the phenomena which we have now described as accompanying a great volcanic outburst, many others have undoubtedly been recorded by apparently trustworthy authorities. But, in dealing with the descriptions of these grand and terrible events, we must always be on our guard against accepting as literal facts, the statements made by witnesses, often writing at some distance from the scene of action, and almost always under the influence of violent excitement and terror. The desire to administer to the universal love of the marvellous, and the tendency to exaggeration, will usually account for many of the wonderful statements contained in such records; and, even where the witness is accurately relating events which he thinks passed before his eyes, we must remember that it is - 31 - probable he may have had neither the opportunity nor the capacity for exact observation.
The more carefully we sift the accounts which have been preserved of great volcanic outbursts, the more are we struck by the fact that the appearances described can be resolved into a few simple operations, the true character of which has been distorted or disguised by the want of accurate observation on the part of the witnesses.
We are thus led to the conclusion that the grand and terrible appearances displayed at Vesuvius and other volcanoes in a state of violent eruption do not differ in any essential respect from the phenomena which we have witnessed accompanying the miniature outbursts of Stromboli. And we are convinced, by the same considerations, that the forces which give rise to the feeble displays in the latter case would produce, if acting with greater intensity and violence, all the magnificent spectacles presented in the former.
In Vesuvius and Stromboli alike, the active cause of all the phenomena exhibited is found to be the escape of steam from the midst of masses of incandescent liquefied rock. The violence, and therefore the grandeur and destructive effects of an eruption, depend upon the abundance and tension of this escaping steam.
There is one respect in which volcanic phenomena are especially calculated to excite the fear and wonder of beholders—namely, in the sudden and apparently spontaneous character of their manifestations. Eclipses - 32 - were regarded as equally portentous with volcanic eruptions till astronomers learned not only to explain the causes which gave rise to them, but even to predict to the second the times of their occurrence. If we were able in like manner to warn the inhabitants of volcanic regions of the approach of a grand eruption, the fear and superstition with which these events are now regarded would doubtless be in great part dispelled. The power of prediction is alike the crucial test and the crowning triumph of a scientific theory.
But, although natural philosophers are able to assign the causes to which the grand operations of volcanoes are due, and also to explain all the varied appearances which accompany them, they have not as yet so far mastered the laws which govern volcanic action as to be able to predict the periods of their manifestation.
That these operations, like all others going on upon the globe, are governed by great natural laws we cannot for a moment doubt. And that, in all probability, more careful and exact observation and reasoning will at some future time lead us to the recognition of these laws, every student of nature is sanguine. But at the present time, it must be confessed, we are very far indeed from being able to afford that crowning proof of the truth of our theories of volcanic action which is implied in the power of predicting the period and degree of intensity of their manifestations.
- 33 -
There are, however, some observations which lead us to hope that the time may not be far distant when we shall have so £Eur obtained a knowledge of the conditions on which volcanic action depends as to be able to form some judgment as to its manifestations in the future at any particular locality. But we must recollect that these conditions axe very numerous and complicated, and that some of them may lie almost entirely outside our sphere of observation; hence hasty attempts in this direction, such as have recently been made, are to be deprecated by every true lover of science.
Concerning the eruptions that have taken place at those volcanic centres which have been known from a remote antiquity, we have records from which we can determine the intervals separating these outbursts and their relative violence. A critical examination of these records leads to the following conclusions:—
(1.) A long period of quiescence is generally followed by an eruption which is either of long duration or of great violence.
(2.) A long-continued, or very violent eruption is usually followed by a prolonged period of repose.
(3.) Feeble and short eruptions usually succeed one another at brief intervals.
(4.) As a general rule, the violence of a great eruption is inversely proportional to its duration.
It will be seen that these general conclusions are in perfect harmony with the theory that volcanic outbursts are due to the accumulation of steam at volcanic centres, and that the tension of this imprisoned gas eventually overcomes the repressing forces which - 34 - tend to prevent its manifestation. Before astronomers had learnt to determine all the conditions on which the production of eclipses depends, they had found that these phenomena succeed one another at regular intervals. The discovery of such astronomical cycles was a great advance in our knowledge of the heavenly bodies, and in the same way the determination of these general relations between the intensity and duration of volcanic outbursts and the intervals of time which separate them may be regarded as the first step towards the discovery of the laws which govern volcanic activity.
In the actual determination of the conditions upon which the occurrence of volcanic eruptions depends, it must be confessed, however, that very little has as yet been done. This is in part due to the fact that some at least of these conditions lie beyond the limits of direct observation. But it must also be admitted, on the other hand, that little has been as yet accomplished towards the careful and systematic observation of those phenomena which may, and probably do, exert an influence in bringing about volcanic outbursts.
In the Lipari Islands there has prevailed a belief, from the very earliest period of history, that the feeble eruptions of Stromboli are in some way dependent upon the condition of the atmosphere. These islands were known to the ancients as the Æolian Isles, from the fact that they were once ruled over by a king of - 35 - the name of Æolus. It seems not improbable that Æolus was gifted with natural powers of observation and reasoning far in advance of those of his contemporaries. A careful study of the vapour-cloud which covers Stromboli would certainly afford him information concerning the hygrometric condition of the atmosphere; the form and position assumed by this vapour-cloud would be a no less perfect index of the direction and force of the wind; and, if the popular belief be well founded, the frequence and violence of the explosions taking place from the crater would indicate the barometric pressure. From these data an acute observer would be able to issue 'storm-warnings' and weather-prognostics of considerable value. In the vulgar mind, the idea of the prediction of natural events is closely bound up with that of their production; and the shrewd weather-prophet of Lipari was after his death raised to the rank of a god, and invested with the sovereignty of the winds.
Whether the popular idea that the outbursts of Stromboli are regulated by atmospheric conditions has any foundation is still open to grave doubt. It seems to be certain, however, that during autumn and winter the more violent paroxysms of the volcano occur, and that in summer the action which takes place is far more regular and equable. It would be of the greatest benefit to science if an observatory were erected beside the crater of Stromboli, where a careful record might be kept of all atmospheric changes, - 36 - and of the synchronous manifestations of the volcanic forces.
A little consideration will show that it is a by no means unreasonable supposition that variations in atmospheric pressure may exercise a very important influence in bringing about volcanic outbursts. Changes in the barometer to the extent of two inches within a very short period are not uncommon occurrences. A very simple calculation will show that the fall of the mercury in the barometer to the extent of two inches indicates the removal of a weight of two millions of tons from each square mile of the earth's surface where this change takes place. Now, if we suppose, as we have good ground for doing, that under volcanic areas vast quantities of superheated water are only prevented from flashing into steam by the superincumbent pressure, a relief of this pressure to the extent of two millions of tons on every square mile could scarcely fail to produce very marked effects. The way in which explosions in fiery coal-mines generally follow closely upon sudden falls in the atmospheric pressure is now well known; and coal-mine explosions and volcanic outbursts have this in common, that both result from the sudden and violent liberation of subterranean gases. There are not a few apparently well-authenticated accounts of volcanic and earthquake phenomena following closely on peculiar atmospheric conditions, and the whole question of the relation of the volcanic forces to atmospheric pressure, as Spallanzani himself - 37 - so long ago pointed out, is deserving of a most careful and rigorous investigation.
There is one other consideration which has frequently been urged as worthy of especial attention, in dealing with the question of the exciting causes of volcanic outbursts. If volcanoes were, as was at one time almost universally supposed, in direct communication with a great central mass of liquefied materials, or even if any large reservoirs of such liquids existed beneath volcanic districts, as others have imagined, then the different mobility of the solid and liquid portions of the earth's mass would give rise to tidal effects similar to those occurring in the surface waters of the globe. Under such circumstances, volcanic outbursts, like the tides, would be determined by the relative positions of the sun and moon to our globe. It is certain, however, that no very direct relation has yet been established between the lunar periods and those of volcanic outbursts, though recent close observations upon the crater of Vesuvius, by Professor Palmieri, do seem to lend support to the view that such relations may exist.
At the present time, therefore, it must be admitted that vulcanologists have only just commenced those series of exact and continuous observations which are necessary to determine the conditions that regulate the appearance of volcanic phenomena. The study of the laws of volcanic action is yet in its infancy. But the establishment of observatories on Vesuvius and Etna - 38 - 18 fall of promise for the future, and when we consider the advances which have been made, during the last one hundred years, in our knowledge of the true nature of volcanic action, we need not despair that the extension of the same methods of inquiry will lead to equally important results concerning the conditions which determine and the laws which govern it.
In the meanwhile, it is no small gain to have established the fact that volcanic phenomena, divested of all those wonderful attributes with which superstition and the love of the marvellous have surrounded them, are operations of nature obeying definite laws, which laws we may hope by careful observation and accurate reasoning to determine; and that the varied appearances, presented alike in the grandest and feeblest outbursts, can all be referred to one simple cause—namely, the escape, from the midst of masses of molten materials, of imprisoned steam or water-gas.
- 39 -
While Spallanzani was engaged in investigating the nature of the action going on at Stromboli and other Italian volcanoes, his contemporary Dolomieu was laying the foundation of another important branch of vulcanology by studying the characters of the different materials of which volcanoes are built up. Since the publication of Dolomieu's admirable works on the rocks of the Lipari and Ponza Islands, science has advanced with prodigious strides. The chemist has taught us how to split up a rock into its constituent elements and to determine the proportions of these to one another with mathematical precision; the mineralogist has done much in the investigation of the characters and mode of origin of the crystalline minerals which occur in these rocks; and the microscopist has shown how the minute internal structure of these rocks may be made clearly manifest. We shall proceed to give a sketch of the present state of knowledge obtained by these different kinds of investigations, concerning the materials which are ejected from volcanic vents.
- 40 -
The most abundant of the substances which are ejected from volcanoes is steam or water-gas, which, as we have seen, issues in prodigious quantities during every eruption. But with the steam a great number of other volatile materials frequently make their appearance. The chief among these are the add gases known as hydrochloric acid, sulphurous acid, sulphuretted hydrogen, carbonic add, and boracic acid; and with these acid gases there issue hydrogen, nitrogen, ammonia, the volatile metals arsenic, antimony, and mercury, and some other substances. In considering the nature of the products which issue from volcanic fissures, it must be remembered that many substances which under ordinary circumstances do not exhibit marked volatility are nevertheless easily carried away in fine particles when a current of steam is passed over them. As we shall have to point out in the sequel, different volatile substances have a tendency to make their appearance at volcanic vents according as the intensity of the action going on within it varies.
The volatile substances issuing from volcanic fissures at high temperatures react upon one another, and many new compounds are thus formed. We have already seen how, by the action of sulphurous acid and sulphuretted hydrogen on each other, the sulphur so common in volcanic districts has been separated and deposited. The hydrochloric acid acts very energetically on the rocks around the vents, uniting with the iron in them to form the yellow ferric-chloride. The - 41 - rocks all round a volcanic vent are not unfrequently found coated with this yellow substance, which is almost always mistaken by casual observers for sulphur. In many volcanoes the constant passage through the rocks of the various acid gases has caused nearly the whole of the iron, lime, and alkaline materials of the rocks to be converted into soluble compounds known as sulphates, chlorides, carbonates, and borates; and, on the removal of these by the rain, there remains a white, powdery substance, resembling chalk in outward appearance, but composed of almost pure silica. There are certain cases in which travellers have visited volcanic islands where chemical action of this kind has gone on to such an extent, that they have been led to describe the islands as composed entirely of chalk.
Some of the substances issuing from volcanic vents, such as hydrogen and sulphuretted hydrogen, are inflammable, and when they issue at a high temperature, these gases burst into flame the moment that they come into contact with the air. Hence, when volcanic fissures axe watched at night, faint lambent flames are frequently seen playing over them, and sometimes these flames are brilliantly coloured, through the presence of small quantities of certain metallic oxides. Such volcanic flames, however, are scarcely ever strongly luminous and, as we have already seen, the red, glowing light which is observed over volcanic mountains in eruption is due to quite another cause. The study by the aid of the spectroscope of the flames which issue from volcanic - 42 - vents promises to throw much new light on the rarer materials ejected by volcanoes. Spectroscopic observations of this kind have already been commenced by Janssen, at Stromboli and Santorin.
Some of the volatile substances issuing from volcanic vents, are at once deposited when they come in contact with the cool atmosphere, others form new compounds with one another and the constituents of the atmosphere, while others again attack the materials of the surrounding rocks and form fresh chemical compounds with some of their ingredients. Thus, there are continually accumulating on the sides and lips of volcanic fissures deposits of sulphates, chlorides, and borates of the alkalies and alkaline earths, with sal-ammoniac, sulphur, and the oxides and sulphides of certain metals. The lips of the fissures from which steam and acid gases issue in volcanoes are constantly seen to be coated with yellow and reddish-brown incrustations, consisting of mixtures, in varying proportions, of these different materials, and these sometimes assume the form of stalactites and pendent masses.
Some of these products of volcanic action are of considerable commercial value. At Vulcano regular chemical works have been established in the crater of the volcano, by an enterprising Scotch firm, a great number of workmen being engaged in collecting the materials which are deposited around the fissures, and are renewed by the volcanic action almost as soon as they are removed. In fig. 6, I have given a sketch of - 43 - this singular spot, taken from the high ground of the neighbouring Island of Lipari. From the village at the foot of the volcano, where the workmen live, a zig-zag road has been constructed leading up the side, and down into the crater of the volcano. On this road, workmen and mules, laden with the various volcanic materials, may be seen constantly passing up and down.
Vulcano appears to have been frequently in a state of violent eruption during the past 2,000 years—the last great outburst having taken place in 1786. In 1873 the activity in the crater of Vulcano suddenly became more pronounced in character, and the workmen hastened to escape from the dangerous spot, but, before they could do so, several of them were severely injured by the explosions. After this outburst, which did not prove - 44 - to be of very violent character, the quantity of gases issuing from the fissures in the crater was for a time much greater than before, and the productiveness of these great natural chemical works was proportionately increased: but eventually the action died out almost entirely. The chief products of Vulcano which are of commercial value, are sal-ammoniac, sulphur, and boracic acid. At one time it was even contemplated that great leaden chambers should be erected over the principal fissures at the bottom of the crater of Vulcano, in which chambers the volatile materials might be condensed and collected. The change in the condition of the volcano has unfortunately prevented the carrying out of this bold project.
Besides the volatile substances which issue from volcanic vents, mingling with the atmosphere or condensing upon their sides, there are also many solid materials ejected, and these may accumulate around the orifices, till they build up mountains of vast dimensions, like Etna, Teneriffe, and Chimborazo. Some of these solid materials are evidently fragments of the rock-masses, through which the volcanic fissure has been rent; these fragments have been carried upwards by the force of the steam-blast and scattered over the sides of the volcano. But the principal portion of the solid materials ejected from volcanic orifices consists of matter which has been extruded from sources far beneath the surface, in a highly-heated and fluid or semi-fluid condition.
- 45 -
The fragments torn from the sides of volcanic fissures consist of the rocks through which the eruptive forces may happen to have opened their way; pieces of sandstone, limestone, slate, granite, &c., are thus frequently found in considerable numbers among materials which build up volcanic mountains. Thus, some of the volcanic cones in the Eifel are very largely made up of fragments of slate, which have been torn from the sides of the vents by the uprushing currents of steam. At Vesuvius masses of limestone are frequently ejected, and may be picked up all over the slopes of the mountains. These limestone-fragments frequently contain fossils, and Professor Guiscardi, of Naples, has been able to collect several hundred species of shells, transported thus by volcanic action from the rock-masses which form the foundation of the volcano of Vesuvius. The action of water at a high temperature, and under such enormous pressure as must exist beneath volcanic mountains, has often produced changes in the rocks of which fragments are ejected from volcanic vents. The so-called 'lava' ornaments, which are so extensively sold at Naples, are not made from the materials to which geologists apply that name, but from the fragments of altered limestone that have been torn from the rocks beneath the mountain, and scattered by the eruptive forces all over its sides. The chemical action of the superheated and highly-compressed steam on the rocks beneath volcanoes frequently results in the formation of beautifully - 46 - crystallised minerals. Such crystallised minerals abound in the rock-fragments scattered over the sides of Vesuvius and other volcanoes, both active and extinct. They have been formed in the great chemical laboratories which exist beneath the volcano, and have been brought to the surface by the action of the steam-jets issuing from its fissures.
Of still greater interest are those materials which issue from volcanic orifices in an incandescent, and often in a molten, condition, and which are evidently derived from sources far below the earth's surface. It is to these materials that the name of 'lavas' is properly applied.
Lavas present a general resemblance to the slags and clinkers which are formed in our furnaces and brick-kilns, and consist, like them, of various stony substances which have been more or less perfectly fused. When we come to study the chemical composition and the microscopical structure of lavas, however, we shall find that there are many respects in which they differ entirely from these artificial products.
Let us first consider the facts which are taught us concerning the nature and origin of lavas, by a chemical analysis of them.
Of the sixty-five or seventy chemical elements, only a very small number occur at all commonly in lavas. Eight elements, indeed, make up the great mass of all lavas—these are oxygen, silicon, aluminium, magnesium, calcium, iron, sodium, and potassium. But even these - 47 - eight elements are present in very unequal proportions. Oxygen makes up nearly one-half the weight of all lavas. Almost all the other elements found in lavas exist in combination with oxygen, so that lavas consist entirely of what chemists call 'oxides.' This is a most remarkable circumstance, which, as we shall presently see, is of great significance. The metalloid silicon makes up about one-fourth of the weight of most lavas, and the metal aluminium about one-tenth. The other five elements vary greatly in their relative proportions in different lavas.
In all lavas the substance which forms the greatest part of the mass is the compound of oxygen and silicon, known as silica or silicic acid. In its pure form, this substance is familiar to us as quartz, or rock-crystal and flint. Silica is present in all lavas in proportions which vary from one-half to four-fifths of the whole mass. Now, this substance, silica, has the property of forming more complex compounds by uniting with the other oxides present in lavas—namely, the oxides of aluminium, magnesium, calcium, iron, potassium, and sodium. Silica is called by chemists an acid, the other oxides in lavas are termed bases, and the compounds of silica with the bases are known as silicates. Hence we see that lavas are composed of a number of different silicates—the silicates of aluminium, magnesium, calcium, iron, potassium, and sodium.
The above statements will perhaps be made clearer by the accompanying table from which it will be seen - 48 - that lavas are compounds in varying proportions of six kinds of salts—namely, the silicates of alumina, magnesia, lime, iron, potash, and soda.
Composition of Lavas.
| Elements | Binary Compounds | Salts | ||
| Oxygen | Acid | Bases | ||
| Silicon | Silica— | ┐ | ||
| Aluminum | ┠—Alumina | " " Alumina | ||
| Magnesium | ┠—Magnesia | " " Magnesia | ||
| Calcium | ┠—Lime | " " Lime | ||
| Iron | ┠—Iron | " " Iron | ||
| Potassium | ┠—Potash | " " Potash | ||
| Sodium | ┠—Soda | " " Soda | ||
Now, in some lavas the acid constituent, or silica, is present in much larger proportions than in others. Those lavas with a large proportion of silica are called 'acid lavas,' those with a lower percentage of silica, and therefore a higher proportion of the bases, are known as the 'basic lavas.' It is convenient to employ the term 'intermediate lavas' for those in which the proportion of silica is lower than in the acid lavas, and the proportion of the bases is lower than in the basic lavas.
The acid lavas contain from 66 to 80 per cent, of silica; they are poor in lime, magnesia, and oxide of iron, but rich in potash and soda. The basic lavas contain from 45 to 55 per cent, of silica; they are rich in magnesia, lime, and oxide of iron, but poor in soda - 49 - and potash. In the intermediate lavas the proportion of silica varies from 55 to 66 per cent.
As the basic-lavas contain a larger proportion of oxide of iron and other heavy oxides than the acid-lavas, the former have usually a higher specific gravity than the latter; it is, indeed, possible in most cases to distinguish between these different varieties by simply weighing them in water and in air.
The basic lavas are usually of much darker colour than the add lavas—the terms acid lavas, intermediate lavas, and basic lavas correspond indeed pretty closely with the names trachytes, greystones and basalt, which were given to the varieties of lavas by the older writers on volcanoes, at a time when their chemical constitution had not been accurately studied. Fresh lavas of acid composition are usually nearly white in colour, intermediate lavas are of various tints of grey, and basic lavas nearly black. It must be remembered, however, that colour is one of the least persistent, and therefore one of the least valuable, characters by means of which rocks can be discriminated, and also that by exposure to the influence of the atmospheric moisture the iron present in all lavas is affected, and the lavas belonging to all classes, when weathered, assume reddish and reddish-brown tints.
Geologists have devised a great number of names for the various kinds of lava which have been found occurring round volcanic vents in different parts of the world, and the study of these varieties is full of interest. - 50 - For our present purpose, however, it will be sufficient to state that they nearly all fall into five great groups, known as the Rhyolites, the Trachytes, the Andesites, the Phonolites, and the Basalts. The Rhyolites are acid lavas, the Basalts are basic lavas, and the Trachytes, Andesites, and Phonolites, different kinds of intermediate lavas, distinguished by the particular minerals which they contain.
Before we part from this subject of the classification of lavas according to their chemical composition, it will be well to point out that there exists a small group of lavas which stand quite by themselves, and cannot be referred to either of the classes we have indicated. They contain a smaller proportion of silica, and a much larger proportion of magnesia and oxide of iron than the other lavas, and may be made to constitute a small sub-group, to which we may apply the term of 'ultra-basic lavas.' Although much less widely distributed than the other varieties, they are, in some respects, as we shall presently have to point out, of far greater interest to the geologist than all the other kinds of lavas.
We will now proceed to consider the facts which are brought to light concerning the nature of lavas, when they are studied by the aid of the microscope. Although most lavas appear at first sight to be opaque substances, yet it is easy to prepare slices of them which are sufficiently thin to transmit light. In such thin transparent slices we are able to make out, by the - 51 - aid of the microscope, certain very interesting details of structure, which afford new and important evidence bearing on the mode of origin of these rocks.
Host lavas are capable of being melted by the heat of our furnaces; but the different kinds of lava vary greatly in the degree of their fusibility. The basic lavas, or those with the smallest proportion of silica, are usually much more easily fusible than those which contain a high percentage of silica, the add lavas.
Now, it is a very noteworthy circumstance, that when a lava is artificially fused it assumes on cooling very different physical characters to those which were presented by the original rock.
If we examine the freshly-broken surface of a piece of lava, we shall, in most cases, find that it contains a great number of those regular-shaped bodies which we call crystals; in some cases these crystals are so small as to be scarcely visible to the naked eye, in others they may be an inch or more in length. Most lavas are thus seen to be largely made up of crystals of different minerals. The minerals which are usually contained in lavas are quartz, the various kinds of felspar, augite, hornblende, the different kinds of mica, olivine, and magnetite.
But when a piece of lava is melted in a furnace, all these crystalline minerals disappear, and the resulting product is the homogeneous substance which we call glass. If, as many suppose, lavas acquire the fluidity which they possess when issuing from volcanic vents - 52 - as the result of simple fusion it is strange that artificially fused lavas do not agree more closely in character with the natural products.
A careful examination of different kinds of lavas, however, will show that they vary very greatly in character among themselves. Some lavas are as perfectly glassy in structure as those which have been artificially fused, while others contain great numbers of crystals, which may sometimes be of very large size.
If we prepare thin transparent slices of these different kinds of lavas, and examine them by the aid of the microscope, we shall find that lavas are made up of two kinds of materials, a base or groundmass of a glassy character, and distinct crystals of different minerals, which are irregularly distributed through this glassy base, like the raisins, currants, and pieces of candied peel in a cake. In some cases the glassy base makes up the whole mass of the rock; in others, smaller or larger numbers of crystals are seen to be scattered through a glassy base; while in others again the crystals are so numerous that the presence of an intervening glassy base or groundmass can only be detected by the aid of the microscope.
If thin slices of the glassy materials of lavas be examined with high magnifying powers, new and interesting facts are revealed. Through the midst of the clear glassy substance cloudy patches are seen to be diffused; and, if we examine them with a still higher power, these cloudy patches resolve themselves into - 53 - innumerable particles, some transparent and others opaque, having very definite outlines. At the same time fresh cloudy patches are brought into view, which can only be resolved by yet higher powers of the microscope. In examining these natural glasses by the aid of the microscope, we are forcibly reminded of what occurs when the 'Milky Way' and some other parts of the heavens are studied with a telescope. As the power of the instrument is increased the nebulous patches are resolved into distinct stars, but fresh nebulous masses come into view, which are in turn resolved into stars, when higher powers of the instrument are employed.
In the Frontispiece, No. 1 illustrates the appearance presented by these volcanic glasses when examined with a high power of a microscope. Through a glassy base is seen a number of diffused nebulous patches, which are in places resolved into definite particles.
These minute particles of definite form, which the microscope has revealed in the midst of the glassy portions of lava, have received the name of microliths, or crystallites. The study of the characters and mode of arrangement of these microliths or crystallites has in recent years thrown much new light on the interesting problems presented by lavas.
In some glassy lavas the microliths or crystallites, instead of being indiscriminately diffused through the mass of the base or groundmass, are found to be collected together into groups of very definite form. In - 54 - No. 2 of the Frontispiece we have a section of a glassy rock in which the crystallites have united together, so as to build up groups presenting the most striking resemblance to fronds of ferns. Around these groups spaces of dear glass have been left by the gathering up of the crystallites, which in other parts of the mass are seen to be equally diffused through it. In this formation of groups of microliths we cannot but recognise the action of those crystalline forces, which on frosty mornings cover our windows with a mimic vegetation composed of icy particles.
In other cases, again, the crystallites scattered through the glassy portions of lavas unite in radial groups about certain centres, and thus build up globular masses to which the name of 'sphærulites' has been given. No. 3 in the Frontispiece illustrates the formation of these sphærulites.
Now, a careful study of the microliths or crystallites has proved that they are the minute elements of which those wonderfully beautiful objects which we call crystals are built up. In some cases we can see that the crystallites are becoming united together in positions determined by mathematical laws, and the group is gradually assuming the outward form and internal structure of a crystal. In other cases crystals may be found which are undergoing a disintegrating action, and are then seen to be made up of minute elements similar to the crystallites or microliths of glassy rocks.
- 55 -
The conclusion is confirmed by the fact that if we take an artificially fused lava and allow it to cool slowly, it will be found that the glassy mass into which it has resolved itself contains numerous crystallites. If the cooling process be still further prolonged, these crystallites will be found to have united themselves into definite groups, and sometimes distinct crystals are formed in the mass; under these circumstances the rock frequently loses its glassy appearance and assumes a stony character.
In connection with this subject, it may be mentioned that some years ago a very ingenious invention was submitted to trial in the Works of the Messrs. Chance, of Birmingham. It had been suggested that if certain lavas of easy fusibility were melted and poured into moulds, we might thus obtain elaborately ornamented stone-work, composed of the hardest material, without the labour of the mason. The molten rock when quickly cooled was found to assume the form of a black glass, but when very slowly cooled passed into a stony material. Unfortunately, it was found that this material did not withstand the weather like ordinary building stones, and, in consequence, the manufacture had to be abandoned.
Now, the study of the products of volcanoes has led geologists to recognise the true relations between glassy and crystalline rocks.
In the amorphous mixture of various silicates which compose a glass, chemical affinity causes the separation - 56 - of certain portions of definite composition, and these form the microliths or elements of which different crystalline minerals are built up. Under the influence of the crystalline forces, there is a great shaking or agitation in the mass, and the microliths of similar kind come together and become united, like the fragments in Ezekiel's valley of dry bones.
Although we cannot see this process taking place under our eyes, in a mass of lava, yet we may study specimens in which the action has been arrested in its different stages. In order to understand the development of an acorn into an oak-tree, it is not necessary to watch the whole series of changes in a particular case. A visit to an oak-thicket, in which illustrations of every stage of the transformation may be found, will afford us equally certain information on the subject.
In the same way by the examination of such a series of rock-sections as that represented in the Frontispiece, we may understand how, in the midst of a mass of mixed silicates constituting a natural glass, the separation of microliths takes place; these unite into groups which are the skeletons of crystals, and finally, by the filling up of the empty spaces in these skeletons, complete crystals are built up. The series of operations may, however, be interrupted at any stage, and this stage we may have the chance of studying.
- 57 -
We are able, as we shall show in a future chapter, to examine many rock-masses that have evidently formed the reservoirs from which volcanoes have been supplied, and others that fill up the ducts which constituted the means of communication between these subterranean reservoirs, and the surface of the earth. Now in these subterranean regions the lavas have been placed under conditions especially favourable for the action of the crystalline forces—they must have cooled with extreme slowness, and they must have been under an enormous pressure, produced in part by the weight of the superincumbent rocks, and in part by the expansive force of the imprisoned steam. We are not, therefore, surprised to find that in these subterranean regions, the lavas, while retaining the same chemical composition, have assumed a much more perfectly crystalline condition. In some cases, indeed, the whole rock has become a mass of crystals without any base or groundmass at all.
An examination of the Frontispiece will illustrate this perfect gradation from the glassy to the crystalline condition of lavas. No. 1 represents a glass through which microliths or crystallites of different dimensions and character are diffused. In Nos. 2 and 3, these crystallites have united to form regular groups. In No. 4, which may be taken as typical of the features presented by most lavas, we have a glassy groundmass containing microliths (a 'crypto-crystalline base'), through which distinct crystals are distributed. Nos. 5 and 6 illustrate the characters presented by lavas which have consolidated - 58 - at considerable depths beneath the surface; in the former we have a mans of small crystals (a 'micro-crystalline base') with larger crystals scattered through it; while the latter is entirely made up of large crystals without any trace of a base or groundmass.
Now, as all lavas are found sometimes assuming the glassy condition at the surface, so when seen in the masses which have consolidated with extreme slowness, and under great pressure, in subterranean regions, the same materials are found in the condition of a rock which is built up entirely of crystals. Chemists have found that artificial mixtures of silicates in which soda and potash are present in considerable quantities, have a great tendency to assume the glassy condition on cooling from a state of fusion, and glass manufacturers are always careful to use considerable proportions of the alkalis as ingredients, in making glass. It is found, in like manner, that those lavas which contain the largest portion of the silicates of soda and potash (the 'acid lavas') most frequently assume the condition of a natural glass.
Geologists have given distinct names to the glassy and the perfectly crystalline conditions of the different kinds of lavas, the glassy varieties being found in masses which have cooled rapidly near the surface, and the crystalline varieties in masses which have cooled slowly at great depths. The names of these two conditions of the five great classes into which we have divided lavas are as follows:—
- 59 -
| Crystalline Forms. | Lavas. | Glassy Forms. | |
| Granite | Rhyolite | Obsidian. | |
| Syenite | Trachyte | ||
| Diorite | Andesite | ||
| Miascite | Phonolite | ||
| Gabbro | Basalt | Tachylyte. | |
As vitreous rocks have little in their general appearance to distinguish them from one another, the glassy forms of the first four classes of lava have not hitherto received distinct names, but have been confounded together under the name of obsidian. If we determine the specific gravities of rocks having the same composition but different structures, we shall find that they become heavier in proportion as the crystalline structure is developed in them. Thus gabbro is heavier, but tachylyte is lighter than basalt, bulk for bulk, though all have the same chemical composition.
Nor are the crystals contained in lavas less worthy of careful study, by the aid of the microscope, than the more or less glassy groundmass in which they are embedded. Mr. Sorby has shown that the crystals found in lavas, exhibit many interesting points of difference from those which separate out in the midst of a mass of the same rock, when it has been artificially melted and slowly cooled. There are other facts which also point to the conclusion that, while the glassy groundmass of lavas may have been formed by cooling from a state of fusion, the larger and well-formed crystals in these lavas must have been formed under other and very different conditions.
- 60 -
The larger crystals in lavas exhibit evidence of having been slowly built up in the midst of a glassy mass, containing crystallites and small crystals. We can frequently detect evidence of the interruptions which have occurred in the growth of these crystals in the concentric zones of different colour or texture which they exhibit; and portions of the glassy base or groundmass are often found to have been caught up and enclosed in these crystals during their growth.
But when we find, as in the porphyritic pitchstones, a glassy base containing only minute crystallites, through which large and perfectly formed crystals are distributed, we can scarcely doubt that the minute crystallites and the larger crystals have separated from the base under very different conditions. This is indicated by the bet that we detect in these cases no connecting links between the embryo microliths and the perfect crystals; and a confirmation of the conclusion is seen in the circumstance that many of the crystals are found to have suffered injury as if from transport, their edges and angles being rounded and abraded, and portions being occasionally broken off from them.
Hence we are led to conclude that the larger crystals in lavas were probably separated from the amorphous mass in the subterranean reservoirs beneath the volcano, and were carried up to the surface in the midst of the liquefied glassy material which forms the groundmass of lavas. When we come to examine these crystals more closely, we find that certain very curious phenomena are exhibited by them which lend powerful support to this conclusion.
Fig. 7.—Minute Cavities, containing Liquids, in the Crystals of Rocks.
- 61 -
It is found convenient by geologists to designate those rocks which have consolidated in deep-seated portions of the earth's crust as Platonic Rocks, confining the name of Volcanic rocks to those consolidating At the surface; but Plutonic and Volcanic Rocks shade into one another by the most insensible gradations.
When the crystals embedded in granitic rocks, and in some lavas, are examined with the higher powers of the microscope, they are frequently seen to contain great numbers of excessively minute cavities. Each of these cavities resembles a small spirit-level, having a quantity of liquid and a bubble of gas within it. In fig. 7 we have given a series of drawings of these cavities in crystals as seen under a high power of the microscope. In No. 1 a group of such cavities is represented, one of which is full of liquid, while two others are quite empty; the remaining cavities all contain a liquid with a moving bubble of gas. In No. 2 two larger cavities are shown, containing a liquid and a bubble of gas; and it will be seen from these how varied in form these cavities sometimes are. In Nos. 3, 4 and 6 the liquid in the cavities contains, besides the bubbles, several, minute crystals; and in No. 6 we have a cavity containing two liquids and a bubble.
In the largest of such cavities the bubble is seen to change its place so as always to lie at the upper side of the cavity, when the position of the latter is altered, just - 62 - as in a spirit-level. But in the smallest cavities the bubbles appear to be endowed with a power of spontaneous movement; like imprisoned creatures trying to escape, these bubbles are seen continually oscillating from side to side and from end to end of the cavities which enclose them. In fig. 8 a minute cavity containing a liquid and bubble is shown, the path pursued by the latter in its wonderful gyrations being indicated by the dark line. These cavities are exceedingly minute, and so numerous that in some crystals there must be millions of them present; indeed, in certain cases, as we increase the magnifying power of our microscopes, new and smaller cavities continually become visible. It has been estimated that in some instances the number of these minute liquid-cavities in the crystals of rocks amounts to from one thousand millions to ten thousand millions in a cubic inch of space.
- 63 -
What is the nature of the liquids which are thus imprisoned in these cavities contained in the crystals of lavas and granites? Careful experiments have given a conclusive answer to this question. In many cases the liquid is water, usually containing considerable quantities of saline matter dissolved in it. Sometimes the saline matters are present in such abundance that they cannot all pass into solution, but crystallise out, as in fig. 7—Nos. 3, 4, 5—where cubic crystals of the chlorides of sodium and potassium are seen floating in the liquid; in other cases the liquid is a hydrocarbon like the mineral oil which is present in great abundance in deep-seated rocks in many parts of the globe. But in some other cases the liquid contained in the cavities of crystals is found to be one which could scarcely be anticipated to occur under such circumstances—the gas known as carbonic add, which under extreme pressure can be reduced to a liquid condition. In cavities containing liquefied carbonic acid, if the rock be warmed up to 86° or 90° Fahrenheit the bubble suddenly vanishes, sometimes with an appearance like ebullition or boiling, as represented in fig. 9. Now the temperature which we have indicated is the 'critical point' of carbonic acid, and above that temperature it cannot exist in a liquid condition, however great may be the pressure to which it is subjected. The liquid has been converted into a gas which completely fills the cavity. The carbonic acid in the cavities of crystals has frequently been isolated and its nature placed beyond doubt by spectroscopic and ordinary chemical tests.
- 64 -
The presence of these liquids in the cavities of crystals clearly proves that the latter must have been formed under enormous pressure—a pressure sufficiently great to reduce, not only steam, but also volatile hydrocarbons and even gaseous carbonic acid, to the bulk of a liquid.
Such conditions of enormous pressure we may infer to exist in the deep-seated reservoirs beneath volcanoes, where, besides the weight of the superincumbent rock-masses, we have the compressing force of great quantities of elastic vapour held in confinement. The crystals of which granitic rocks are entirely built up exhibit clear - 65 - evidence of having been all formed under these conditions of enormous pressure. The glassy base or groundmass of lavas, on the other hand, presents all the characters of materials that have cooled from a state of fusion. Most lavas consist in part of crystals, exhibiting fluid-cavities like those present in granite, and in part of a base, which has evidently been formed by the cooling of a fused mass. We are therefore justified in concluding that the crystals have been formed in subterranean recesses, and that the groundmass or base has consolidated at the surface. The bearing of these conclusions upon some of the great problems presented by volcanoes we shall have occasion to point out in the sequel.
One of the most interesting inquiries suggested by the study of the liquid-cavities in volcanic rocks is that of the cause of the apparently spontaneous movement of the bubbles which we have described as taking place in some of the smaller of them. The ingenious experiments of Mr. Noel Hartley have suggested to Professor Stokes an explanation which is probably the true one. It appears that these minute globes of vapour are in such a state of unstable equilibrium as to be affected by the smallest changes of temperature, and that the variations in the heat of the atmosphere, due to currents of air and the movement of warm or cold bodies through it, are sufficient to cause the oscillation of these sensitively poised bubbles.
The short account which we have been able to give - 66 - in the foregoing pages of the researches that have been carried on concerning the nature of the materials ejected from volcanoes will serve to show that these investigations have already made known many facts of great interest, and that the farther pursuit of them is full of the highest promise. To the scientific worker no subject is too vast for his research, no object so minute as to be unworthy of his most patient study. In some of our future inquiries concerning the nature of volcanic action, we shall be led to an investigation of the phenomena displayed in the sun, moon, comets and other great bodies of the universe; but another road to truths of the same grandeur and importance is found, as we have seen, in an examination of the mode of development of crystallites, and a study of the materials contained in the microscopic cavities of the minutest crystals.
- 67 -
The escape of great quantities of steam and other gases from the midst of a mass of fluid or semi-fluid lava gives rise to the formation of vast quantities of froth or foam upon its surface. This froth or foam, which is formed upon the surface of lava by the escape of gaseous matters from within it, is made up of portions of the lava distended into vesicles, in the same way that bubbles are formed on the surface of water. It bears precisely the same relation to the liquid mass of lava that the white crest of foam upon an advancing wave does to the sea-water, from the bubbles of which it is formed.
This froth upon the surface of lavas varies greatly in character according to the nature of the material from which it is formed. In the majority of cases the lavas consist, as we have seen, of a mass of crystals floating in a liquid magma, and the distension of such a mass by the escape of steam from its midst gives rise to the formation of the rough cindery-looking material - 68 - to which the name of 'scoria' is applied. But when the lava contains no ready-formed crystals, but consists entirely of a glassy substance in a more or less perfect state of fusion, the liberation of steam gives rise to the formation of the beautiful material known as 'pumice.' Pumice consists of a mass of minute glass bubbles; these bubbles have not usually, however, retained their globular form, but have been elongated in one direction through the movement of the mass while it was still in a plastic state.
The steam frequently escapes from lava with such violence that the froth or scum on its surface is broken up and scattered in all directions, as the foam crests of waves are dispersed by the wind during a storm. In this way fragments of scoria or pumice are often thrown to the height of many hundreds or thousands of feet into the atmosphere, as we have seen is the case at Stromboli and Vesuvius. Indeed, during violent eruptions, a continuous upward discharge of these fragments is maintained, the ragged cindery masses hurtling one another in the atmosphere, as they are shot perpendicularly upwards to an enormous height and fall back into the vent; or they may rise obliquely and describe curves so as to descend outside the orifice from which they were ejected.
During their upward discharge and downward fall, the cindery fragments are by attrition continually reduced to smaller dimensions. The noise made by these fragments, as they strike against one another in - 69 - the air during their rise and fall, is one of the most noteworthy accompaniments of volcanic eruptions. It has been noticed that in many cases there is a constant diminution in the size of the fragments ejected during a volcanic outburst, this being doubtless due to the friction of the masses as they are ejected and re-ejected from the vent. Thus it is related by Mr. Poulett Scrope, who watched the Vesuvian eruption of 1822, which lasted for nearly a month, that during the earlier stages of the outburst fragments of enormous size were thrown out of the crater, but by constant re-ejection these were gradually reduced in size, till at last only the most impalpable dust issued from the vent. This dust filled the atmosphere, producing in the city of Naples 'a darkness that might be felt,' and so excessively finely divided was it, that it penetrated into all drawers, boxes, and the most closely fastened receptacles, filling them completely. Mr. Whymper relates that, while standing on the summit of Chimborazo, he witnessed an eruption of Cotopaxi, which is distant more than fifty miles from the former mountain. The fine volcanic dust fell in great quantities around him, and he estimated that no less than two millions of tons must have been ejected during this slight outburst. Professor Bonney has examined this volcanic dust from Cotopaxi, and calculates that it would take from 4,000 to 25,000 particles to make up a grain in weight.
Various names have been given by geologists to the fragments ejected from volcanic vents, which, as we - 70 - have seen, differ greatly in their dimensions and other characters. Sometimes masses of more or less fluid lava are flung bodily to a great height in the atmosphere. During their rise and fall these masses are caused to rotate, and in consequence assume a globular or spheroidal form. The water imprisoned in these masses, during their passage through the atmosphere, tends to expand into steam, and they become more or less completely distended with bubbles. Such masses, which sometimes assume very regular and striking forms, are known as 'volcanic bombs.' Many volcanic bombs have a solid nucleus of refractory materials. The large, rough, angular, cindery-looking fragments are termed 'scoriæ.' When reduced to the dimensions of a marble or pea they are usually called by the Italian name of 'lapilli.' The still finer materials are known as volcanic sand and dust.
There are, however, two names which are frequently applied to these fragmentary materials ejected from volcanoes, which are perhaps liable to give rise to misconception. These are the terms 'cinders' and 'ashes.' It must be remembered that the scoriæ or cindery-looking masses are not, like the cinders of our fires, the product of the partial combustion of a material containing inflammable gases, but are, like the clinkers of furnaces and brick-kilns, portions of partially vitrified and fused rock distended by gases. So, too, volcanic ashes only resemble the ashes of our grates in being very finely divided; they are not, like the latter, - 71 - the incombustible residue of a mass which has been burnt.
The glassy lavas, when distended by escaping gases, give rise to the formation of pumice, the white colour of which, as in the case of the foam of a wave, is due to the reflection of a portion of the light in its frequent passage from one medium to another—in this case from air to glass, and from glass to air. The volcanic bombs formed from glassy lavas are often of especially beautiful and regular forms. Sometimes the passage of steam through a mass of molten glass produces large quantities of a material resembling spun glass. Small particles or shots of the glass are carried into the air and leave behind them thin, glassy filaments like a tail. At the volcano of Kilauea in Hawaii this filamentous volcanic glass is abundantly produced, and is known as 'Pele's Hair'—Pele being the name of the goddess of the mountain. Birds' nests are sometimes found composed of this beautiful material. In recent years an artificial substance similar to this Pele's hair has been extensively manufactured by passing jets of steam through the molten slag of iron-furnaces; it resembles cotton-wool, but is made up of fine threads of glass, and is employed for the packing of boilers and other purposes.
The very finely-divided volcanic dust is often borne to enormous distances from the volcano out of which it has been ejected. The force of the steam-current carrying the fragments into the atmosphere is often so - 72 - great that they rise to the height of several miles above the mountain. Here they may actually pass into the upper currents of the atmosphere and be borne away to the distance of many hundreds or thousands of miles. Hence it is not an unusual circumstance for vessels at sea to encounter at great distances from land falling showers of this finely divided, volcanic dust. We sometimes meet with this far-travelled, volcanic dust under very unexpected circumstances. Thus, in the spring of 1875 I had occasion to visit Prof. Vom Rath of Bonn, who showed me a quantity of fine volcanic dust which had during the past winter fallen in considerable quantities in certain parts of Norway. This dust, upon microscopic examination, proved to be so similar to what was known to be frequently ejected from the Icelandic volcanoes that a strong presumption was raised that volcanic outbursts had been going on in that island. On returning to England I found that the first steamer of the season had just reached Leith from Iceland, bringing the intelligence that very violent eruptions had taken place during the preceding months.
This finely-divided volcanic dust is thus carried by the winds and spread over every part of the ocean. Everyone is familiar with the fact that pumice floats upon water; this it does, not because it is a material specifically lighter than water, but because cavities filled with air make up a great part of its bulk. If we pulverise pumice, we find the powder sinks readily in water, but the rock in its natural condition floats - 73 - for the same reason that an iron ship does—because of the air-chambers which it encloses. When this pumice is ejected from a volcano and falls into a river or the ocean, it floats for a long time, till decomposition causes the breaking down of the thin glassy partitions between the air chambers, and causes the admission of water into the latter, by which means the whole mass gets water-logged. Near the Liparis and other volcanic islands the sea is sometimes covered with fragments of pumice to such an extent that it is difficult for a boat to make progress through it, and the same substance is frequently found floating in the open ocean and is cast up on every shore.
During the year 1878 masses of floating pumice were reported as existing in the vicinity of the Solomon Isles, and covering the surface of the sea to such extent that it took ships three days to force their way through them. Sometimes these masses of pumice accumulate in such quantities along coasts that it is difficult to determine the position of the shore within a mile or two, as we may land and walk about on the great floating raft of pumice. Now, recent deep-sea soundings, carried on in the 'Challenger' and other vessels, have shown that the bottom of the deepest portion of the ocean, far away from the land, is covered with these volcanic materials which have been carried through the air or floated on the surface of the ocean. To these deeper parts of the ocean no sediments carried down by the rivers are borne, and the remains of calcareous - 74 - organisms are, in these abysses, soon dissolved; under such conditions, therefore, almost the only material accumulating on the sea bottom is the ubiquitous wind- and wave-borne volcanic products. These particles of volcanic dust and fragments of pumice by their disintegration give rise to a clayey material, and the oxidation of the magnetite, which all lavas contain, communicates to the mass a reddish tint. This appears to be the true origin of those masses of 'red-clay' which, according to recent researches, are found to cover all the deeper parts of the ocean, but which probably attain to no great thickness.
But while some portion of the materials ejected from volcanoes may thus be carried by winds and waves, so as to be dispersed over every part of the land and the ocean-bed, another, and in most cases by far the largest, portion of these ejections falls around the volcanic vent itself. It is by the constant accumulation of these ejected materials that such great mountain masses as Etna, Teneriffe, Fusiyama, and Chimborazo have been gradually built up around centres of volcanic action.
There are cases in which the formation of volcanic mountains on a small scale has actually been observed by trustworthy witnesses. There are other cases in which volcanic mountains of larger size can be shown to have increased in height and bulk by the fall upon their sides and summits of fragmentary materials ejected from the volcanic vent. In all cases the examination - 75 - of these mountain-masses leads to the conclusion that they are entirely built up of just such materials as we constantly see thrown out of volcanoes during eruption.
Thus we are led to the conclusion that all volcanic mountains are nothing but heaps of materials ejected from fissures in the earth's crust, the smaller ones having been formed during a single volcanic outburst, the larger ones being the result of repeated eruptions from the same orifice which may, in some cases, have continued in action for tens or hundreds of thousands of years.
No observer has done such useful work in connection with the study of the mode of formation of volcanic mountains as our countryman, Sir William Hamilton, who was ambassador at Naples from 1764 to 1800, and made the best possible use of his opportunities for examining the numerous volcanoes in Southern Italy.
A little to the west of the town of Puzzuoli on the Bay of Naples there stands a conical hill rising to the height of 440 feet above the level of the Mediterranean, and covering an area more than half a mile in diameter. Now we have the most conclusive evidence that in ancient times no such hill existed on this site, which was partly occupied by the Lucrine Lake, and the fact is recognised in the name which the hill bears, that of Monte Nuovo, or the 'New Mountain.' See fig. 10.
Sir William Hamilton rendered admirable service to science by collecting all the contemporary records relating to this interesting case, and he was able to - 76 - prove, by the testimony of several intelligent and trustworthy witnesses, that during the week following the 29th of September, 1538, this hill had gradually been formed of materials ejected from a volcanic vent which had opened upon this site.
The records collected by Hamilton with others which have been discovered since his death prove most conclusively the following facts. During more than two years, the country round was affected by earthquakes, which gradually increased in intensity and attained their climax in the month of September 1538; on the 27th and 28th of that month these earthquake shocks are said to have been felt almost continuously day and night. About 8 o'clock on the morning of the 29th, a depression of the ground was noticed on the site of the future hill, and from this depression, water, which was at first cold and afterwards tepid, began to issue. Four hours afterwards the ground was seen to swell up and open, forming a gaping fissure, within which incandescent - 77 - matter was visible. From this fissure numerous masses of stone, some of them 'as large as an ox,' with vast quantities of pumice and mud, were thrown: up to a great height, and these falling upon the sides of the vent formed a great mound. This violent ejection of materials continued for two days and nights, and on the third day a very considerable hill was seen to have been built up by the falling fragments, and this hill was climbed by some of the eye-witnesses of the eruption. The next day the ejections were resumed, and many persons who had ventured on the hill were injured, and several killed by the falling stones. The later ejections were however of less violence than the earlier ones, and seem to have died out on the seventh or eighth day after the beginning of the outburst. The great mass of this considerable hill would appear, according to the accounts which have been preserved, to have been built up by the materials which were ejected during two days and nights.
Monte Nuovo is a hill of truncated conical form, which rises to the height of 440 feet above the waters of the Mediterranean, and is now covered with thickets of stone-pine. The hill is entirely made up of volcanic scoriæ, lapilli, and dust, and the sloping sides have evidently been produced by these fragmentary materials sliding over one another till they attained the angle of rest; just as happens with the earth and stones tipped from railway-waggons during the construction of an embankment. In the centre of this conical hill is a - 78 - vast circular depression, with steeply sloping sides, which is of such depth that its bottom is but little above the sea-level. This cup-shaped depression is the 'crater' of the volcano, and it has evidently been formed by the explosive action which has thrown out the materials immediately above the vent, and caused them to be accumulated around it.
The district lying to the west of Naples, in which the Monte Nuovo is situated, contains a great number of hills, all of which present a most striking similarity to that volcano. All these hills are truncated cones, with larger or smaller circular depressions at their summits, and they axe entirely composed of volcanic scoriæ, lapilli, and dust. Some of these hills are of considerably larger dimensions than the Monte Nuovo, while others - 79 - are of smaller size, as shown in the annexed map, fig. 11. No stranger visiting the district, without previous information upon the subject, would ever suspect the fact that, while all the other hills of the district have existed from time immemorial, and are constantly mentioned in the works of Greek and Roman writers, this particular hill of Monte Nuovo came into existence less than 350 years ago.
The evidently fused condition of the materials of which these hills are built up is a dear sign of the volcanic action which has taken place in it; and this feet was so fully recognised by the ancients that they called the district the Campi Phlegræi, or 'the Burning Fields,' and regarded one of the circular depressions in it as the entrance to Hades.
It is impossible for anyone to examine this district without being convinced that all the numerous cones and craters which cover it have been formed by the same agency as that by which Monte Nuovo was produced. We have shown that there is the most satisfactory historical evidence as to what that agency was.
Now volcanic cones with craters in their centres occur in great numbers in many parts of the earth's surface. In some districts, like the Auvergne, the Catacecaumene in Asia Minor, and certain parts of New Zealand, these volcanic cones occur by hundreds and thousands. In some instances, these volcanic cones have been formed in historic times, but in the great majority of cases we can only infer their mode of origin - 80 - from their similarity to others of which the formation has been witnessed.
Most of the smaller volcanic hills, with their craters, have been thrown up during a single eruption from a volcanic fissure; but, as Hamilton conclusively proved, the grandest volcanic mountains must have been produced by frequent repetitions of similar operations upon the same site. For not only are these great volcanic piles found to be entirely composed of materials which have evidently been ejected from volcanic vents, but, when carefully watched, such mountains are found undergoing continual changes in form, by the addition of materials thrown out from the vent, and falling upon their sides.
This fact will be well illustrated by a comparison of the series of drawings of the summit of Vesuvius which were made by Sir William Hamilton in 1767, and which we have copied in fig. 12. During the earlier months of that year the summit of the mountain was seen to be of truncated form, a great crater having been originated by the violent outbursts of the preceding year. This condition of the mountain-top is represented in the first figure of the series. The drawing made by Hamilton, on July 8, shows that not only was the outer rim of the great crater being modified in form by the fall of materials upon it, but that in the centre of the crater a small cone was being gradually built up by the quiet ejections which were taking place.
- 81 -
If we compare the drawings made at successive dates, we shall find that the constant showers of falling materials were not only raising the edge of the great crater but were at the same time increasing the size of the small cone inside the crater. By the end of October the small cone had grown to such an extent that its sides were confluent with those of the principal cone, which had thus entirely lost its truncated form and been raised to a much greater height. The comparison of these drawings will be facilitated by the dotted lines, which represent the outline of the top of the mountain at the preceding observation; so that the space between the dotted and the continuous line in each drawing shows the extent to which the bulk of the cone had increased in the interval between two observations.
But, although the general tendency of the action going on at volcanic mountains is to increase their height and bulk by the materials falling upon their summits and aides, it must be remembered that this action does not take place by any means continuously and regularly. Not only are there periods of rest in the activity of the volcano, during which the rain and winds may accomplish a great deal in the way of crumbling down the loose materials of which volcanic mountains are largely built up, but sudden and violent eruptions may in a very short time undo the slow work of years by blowing away the whole summit of the mountain at once. Thus, before the great eruption of 1822, the cone of Vesuvius, by the almost constant - 82 - ejection of ashes during several years, had been raised to the height of more than 4,000 feet above the level of the sea; but by the terrible outburst which then took place the cone was reduced in height by 400 feet, and a vast crater, which had a diameter of nearly a mile, and a depth of nearly 1,000 feet (see fig. 13), was formed at the top of the mountain. The enormous quantity of material thus removed was either distributed over the flanks of the mountain, or, when reduced to a finely comminuted condition, was carried by the wind to the distance of many miles, darkening the air, and coating the surface of the ground with a thick covering of dust.
- 83 -
The volcano of Vesuvius, although of somewhat insignificant dimensions when compared with the grander volcanic mountains of the globe, possesses great interest for the student of Vulcanology, inasmuch as being situated in the midst of a thickly populated district and in close proximity to the city of Naples, it has attracted much attention during past times, and there is no other volcano concerning which we have so complete a series of historical records. The present cone of Vesuvius, which rises within the great encircling crater-ring of Somma, has a height of about 1,000 feet. But there is undoubted evidence that this cone, to the top of which a railway has recently been constructed for the convenience of tourists, has been entirely built up during the last 1,800 years, and, what is more, that during this period it has been many times almost wholly destroyed and reconstructed.
Nothing is more certain than the bet that the Vesuvius upon which the ancient Romans and the Greek settlers of Southern Italy looked, was a mountain differing entirely in its form and appearance from that with which we are familiar. The Vesuvius known to the ancients was a great truncated cone, having a diameter at its base of eight or nine miles, and a height of about 4,000 feet. The summit of this mountain was formed by a circular depressed plain, nearly three miles in diameter, within which the gladiator Spartacus, with his followers, were besieged by a Roman army. There is no evidence that at this time the volcanic character of the mountain was generally recognised, and its slopes are described by the ancient geographers as being clothed with fertile fields and - 84 - vineyards, while the hollow at the top was a waste overgrown with wild vines.
But in the year 79 a terrible and unexpected eruption occurred, by which a vast, crateral hollow was formed in the midst of Vesuvius, and all the southern side of the great rim surrounding this crater was broken down. Under the materials ejected during this eruption, the cities of Pompeii, Herculaneum, and Stabiæ were overwhelmed and buried.
Numerous descriptions and drawings enable us to understand how in the midst of the vast crater formed in the year 79 the modern cone has gradually been built up. Fresh eruptions are continually increasing the bulk, or raising the height of the Vesuvian cone.
The accompanying drawings made by Sir William Hamilton enable us to understand the nature of - 85 - the changes which have been continually taking place at the summit of Vesuvius. The drawing fig. 14 shows the appearance presented by the crater in the year 1756.
At this time we see that inside the crater a series of cones had been built up one within the other from which lava issued, filling the bottom of the crater and finding its way through a breach in its walls, down the side of the cone. It is evident that the ejected materials falling on the sides of the innermost cone would tend to enlarge the latter till its sides became confluent with the cone surrounding it, and if this action went on long enough, the crater would be entirely filled up and a perfect cone with only a small aperture at the top would be produced. But from time to time, grand and paroxysmal outbursts have occurred at Vesuvius, - 86 - which have truncated the cone, and sometimes formed great, cup-shaped cavities, reaching almost to its base, like that shown in fig. 13.
In 1767 the crater of Vesuvius, as shown in fig. 15, contained a single small cone in a state of constant spasmodic outburst, like that of Stromboli.
In 1843, we find that the crater of Vesuvius contained three such small cones arranged in a line along its bottom as depicted in fig. 16.
These drawings of the summit of Vesuvius give a fair notion of the changes which have been continually going on there during the whole of the historical period. Ever and anon a grand outburst, like that of 1822, has produced a vast and deep crater such as is represented in fig. 13, and then a long continuance of quiet and - 87 - regular ejections has built up within the crater small cones like those shown in figs. 14, 15 and 16, till at last the great crater has been completely filled up, and the cone reconstructed.
In the series of outlines in fig. 17, we have endeavoured to illustrate the succession of changes which has taken place in Vesuvius during historical times. In the year 79 one side of the crater-wall of the vast mountain-mass was blown away. Subsequent ejections built up the present cone of Vesuvius within the great encircling crater-wall of Somma, and the form of this cone and the crater at its summit have been undergoing continual changes during the successive eruptions of eighteen centuries.
What its future history may be we can only conjecture from analogy. It may be that a long continuance - 88 - of eruptions of moderate energy may gradually raise the central cone till its sides are confluent with those of the original mountain; or it may be that some violent paroxysm will entirely destroy the modern cone, reducing the mountain to the condition in which it was after the great outburst of 79. On the other hand, if the volcanic forces under Vesuvius are gradually becoming extinct (but of this we have certainly no evidence at present), the mountain may gradually sink into a state of quiescence, retaining its existing form.
The series of changes in the shape of Vesuvius, which are proved by documentary evidence to have been going on during the last 2,000 years, probably find their parallel in all active volcanoes. In all of these, as we shall hereafter show, the activity of the vents undergoes great vicissitudes. Periods of continuous moderate activity alternate with short and violent paroxysmal outbursts and intervals of complete rest, which may in some cases last for hundreds or even thousands of years. During the periods of continuous moderate activity, the crater of the volcano is slowly filled up by the growth of smaller cones within it; and the height of the mountain is raised. By the terrible paroxysmal outbursts the mountain is often completely gutted and its summit blown away; but the materials thus removed from the top and centre of the mass are for the most part spread over its aides, so that its bulk and the area of its base are thereby increased. During the intervals of rest, the sides of - 89 - the mountain which are so largely composed of loose and pulverulent materials are washed downwards by rains and driven about by winds. Thus all volcanoes in a state of activity are continually growing in size every ejection, except in the case of those where the materials are in the finest state of subdivision, adding to their bulk; the area of their bases being increased during paroxysmal outbursts, and their height during long-continued moderate eruptions.
We have pointed out that the conical form of volcanic mountains is due to the slipping of the falling materials over one another till they attain the angle at which they can rest. There are, however, some deviations from this regular conical form of volcanoes which it may be well to refer to.
The quantity of rain which falls during volcanic eruptions is often enormous, owing to the condensation of the great volumes of steam emitted from the vent. Consequently the falling lapilli and dust often descend upon the mountain, not in a dry state but in the condition of a muddy paste. Many volcanic mountains have evidently been built up by the flow of successive masses of such muddy paste over their surfaces. Some volcanic materials when mixed with water have the property of rapidly 'setting' like concrete. The ancient Romans and modern Italians, well acquainted with this property of certain kinds of volcanic dust and lapilli, have in all ages employed this 'puzzolana,' as it is called, as mortar for building. The volcanic muds - 90 - have often set in their natural positions, so as to form a rock, which, though light and porous, is of tolerably firm consistency. To this kind of rock, of which Naples and many other cities are built, the name of 'tuff' or 'tufa' is applied. A similar material is known in Northern Germany as 'trass.'
The cause of the 'setting' of puzzolana and tufa is that rain-water containing a small proportion of carbonic acid acts on the lime in the volcanic fragments, and these become cemented together by the carbonate of lime and the free silica, which are thus produced in the mass.
When a strong wind is blowing during a volcanic outburst, the materials may be driven to one side of the vent, and accumulate there more rapidly than on the other. Thus lop-sided cones are formed, such as may frequently be observed in some volcanic districts. In areas where constant currents of air, like the trade-winds, prevail, all the scoria-cones of the district may thus be found to be unequally developed on opposite sides, being lowest on those from which the prevalent winds blow, and highest on the sides towards which these winds blow.
The examination of any careful drawing, or better still of the photograph, of a volcanic cone, will prove that the profile of such cones is not formed by straight lines, but by curves often of a delicate and beautiful character. The delineations of the sacred volcano of Fusiyama, which are so constantly found in the productions - 91 - of Japanese artists, must have familiarised everyone with the elegant curved lines exhibited by the profiles of volcanoes. The upper slope of the mountain is comparatively steep, often exhibiting angles of 30° to 35°, but this steepness of slope gradually diminishes, till it eventually merges in the surrounding plains. The cause of this elegant form assumed by most volcanic mountains is probably two-fold. In the first place we have to remember that the materials falling upon the flanks of the mountain differ in size and shape, and some will rest on a steeper slope than others. Thus, while some of the materials remain on the upper part of the mountains, others are rolling outwards and downwards. Hence we find that those cones which are composed of uniform materials have straight sides. But in some cases, we shall see hereafter, there has certainly been a central subsidence of the mountain mass, and it is this subsidence which has probably given rise to the curvature of its flanks.
We have hitherto considered only the methods by which the froth or foam, which accumulates on the surface of fluid lava, is dispersed. But in many cases not only is this scum of the lava ejected from the volcanic vent by the escaping steam, but the fluid lava itself is extruded forcibly, and often in enormous quantities.
The lava in a volcanic vent is always in a highly heated, usually incandescent, condition. Seen by night, its freshly exposed surface is glowing red, sometimes - 92 - apparently white-hot. But by exposure to the atmosphere the surface is rapidly chilled, appearing dull red by night, and black by day. Many persons are surprised to find that a flowing stream of lava presents the appearance of a great mass of rough cinders, rolling along with a rattling sound, owing to the striking of the clinker-like fragments against each other. When viewed by night, the gleaming, red light between these rough, cindery masses betrays the presence of incandescent materials below the chilled surface of the lava-stream.
No fact in connection with lavas is more striking than the varying degrees of liquidity presented by them in different cases. While some lava-streams seem to resemble rivers, the material flowing rapidly along, filling every channel in its course, and deluging the whole country around, others would be more fitly compared to glaciers, creeping along at so slow a rate that the fact of their movement can only be demonstrated by the most careful observation. Even when falling over a precipice such lavas, owing to their imperfect liquidity, form heavy, pendent masses like a 'guttering' candle, as is shown by fig. 18, which is taken from a drawing kindly furnished to me by Capt. S. P. Oliver, R.A. The causes of these differences in the rate of motion of lava-streams we must proceed to consider.
- 93 -
There can be no doubt that the temperature of lavas varies greatly in different cases. This is shown by the fact that while some lavas are in a state of complete fusion, similar to that of the slags of furnaces, and like the latter, such lavas on cooling form a glassy mass, others consist of a liquid magma in which a larger or smaller number of crystals are found floating. In these latter cases the temperature of the magma must be below the fusing-point of the minerals which exist in a crystalline condition in its midst. It has indeed been suggested that the whole of the crystals in lavas are formed during the cooling down of a completely fused mass; but no one can imagine that the enclosed crystals of quartz, felspar, leucite, olivine, &c., have been so formed, such crystals being sometimes more than an inch in diameter. The microscopic examination - 94 - of lavas usually enables us to discriminate between those complete crystals which have been formed at great depths and carried up to the surface, and the minute crystalline particles and microliths which have been developed in the glassy mass during cooling. Crystals of the former class, indeed, exhibit abundant evidence, in their liquid cavities and other peculiarities, that they have not been formed by simple cooling from a state of fusion, but under the combined action of heat, the presence of water and various gases, and intense pressure.
As we have already seen, the different lavas vary greatly in their degrees of fusibility. The basic lavas, containing a low percentage of silica, are much more fusible than the acid lavas, which contain a high percentage of silica. When the basic lavas are reduced to a complete state of fusion their liquidity is sometimes very perfect, as is the case at Kilauea in Hawaii, where the lava is thrown up into jets and fountains, falling in minute drops, and being drawn out into fine glassy threads. On the other hand, the less fusible acid lavas appear to be usually only reduced to the viscous or pasty condition, which artificial glasses assume long before their complete fusion. Of this fact I have found many proofs in the Lipari Islands, where such glassy, acid lavas abound. In fig. 6 (page 43) a lava-stream is represented on the side of the cone of Vulcano.
- 95 -
This lava is an obsidian—that is to say, it is of the add type and completely glassy—but its liquidity must have been very imperfect, seeing that the stream has come to a standstill before reaching the bottom of a steep slope of about 35°. In fig. 19 there is given a side view of the same stream of obsidian, from which it will be seen that it has flowed slowly down a steep slope and heaped itself up at the bottom, as its fluidity was not complete enough to enable it to move on a slighter incline. An examination of the interior of such imperfectly fluid lavas affords fresh proofs of the slow and tortuous movements of the mass. Everywhere we find that the bands of crystallites and sphærulites are, by the movement of the mass, folded and crumpled and puckered in the most remarkable manner, as is illustrated in figs. 20 and 21. Similar appearances occur again and again among the vitreous and semi-vitreous acid lavas of Hungary.
- 96 -
But, although the temperature of lava-streams and the fusibility of their materials may in some cases - 97 - account for their condition of either perfect liquidity or viscidity, it is clear that in other instances there must be some other cause for this difference. Thus it has been found that at Vesuvius the lavas erupted in modern times have all a striking similarity to one another in chemical composition, in the minerals which they contain, and in their structure. They are all basic lavas, which when examined by the microscope are seen to consist of a more or less glassy magma, in the midst of which numerous crystals of augite, leucite, olivine, magnetite, and other minerals are scattered. Yet nothing can be more strikingly different than the behaviour of the lavas poured out from Vesuvius at various periods. In some cases the lava appears to be in such a perfectly liquid condition that, issuing from the crater, it has been described as rushing down the slope of the cone like a stream of water, and such exceedingly liquid lavas have in some cases flowed to the distance of several miles from the base of the mountain in a very short time. But other Vesuvian lavas have been in such a viscid condition that their rate of movement has been so extremely slow as to be almost imperceptible. Such lava-streams have continued in movement during many years, but the progress has been so slow (often only a few inches in a day) that it could only be proved by means of careful measurements.
If we examine some of these Vesuvian lavas which have exhibited such striking differences in their rate of - 98 - flow, we shall find that they present equally marked differences in the character of their surfaces. The lava-current of 1858 was a remarkable example of a slow-flowing stream, and its surface, as will be seen in fig. 22, which is taken from a photograph, has a very marked and peculiar character. A tenacious crust seems to have formed on the surface, and by the further motion of the mass this crust or scum has been wrinkled and folded in a very remarkable manner. Sometimes this folded and twisted crust presents a striking resemblance to coils of rope. Precisely similar appearances may be observed on the surface of many artificial slags when they flow from furnaces, and are seen to be due to the same cause, namely, the wrinkling up of the chilled surface-crust by the movement of the liquid mass below. Lavas which present this appearance are frequently called 'ropy lavas'; an admirable example of them is afforded in the lava-cascade of the Island of Bourbon represented in fig. 18 (page 93).
But lavas in which the rate of flow has been very rapid, exhibit quite a different kind of surface to that of the ropy lavas. The Vesuvian lava-stream of 1872 was remarkable for the rapidity of its flow, and its surface presents a remarkable contrast to that of the slow-moving lava of 1858. The surface of the lava-current of 1872 is covered with rough cindery masses, often of enormous dimensions, and it is exceedingly difficult to traverse it, as the ragged projecting fragments tear the boots and lacerate the skin. The appearance presented by this lava-stream is illustrated by fig. 23, which is also taken from a photograph.
- 99 -
Now it is found that those lava-streams which move slowly and present ropy surfaces give off but little steam during their flow, while those lava-streams which flow more rapidly and present a rough and cindery appearance give off vast quantities of steam. The extraordinary amount of vapour given off from the lava-streams which flowed from Vesuvius in 1872 is illustrated in the photograph copied in fig. 5 (facing page 24), in which the three lava-currents are each seen to be surmounted by enormous vapour-clouds rising to the height of several thousands of feet above them, and mingling with the column that issued from the central vent. By the escape of this enormous quantity of steam the surface of the lava was thrown into rugged cindery projections, and in some places little cones were formed upon it, which threw out small scoriæ and dust. The quantity of vapour was, in fact, so great, that little parasitical volcanoes were formed on the surface of the lava-stream. Some of these miniature volcanoes were of such small dimensions that they were carried away on boards to be employed as illustrations in the lecture-rooms of the University of Naples.
The arrangement of the materials forced out from fissures on the surfaces of lava-streams by the disengaged vapours and gases depends on the degree of fluidity of the lava, and the force of the escaping steam-jets. In very viscous lavas the materials may issue - 100 - quietly, forming great concentric masses like coils of rope; such were described by Mr. Heaphy as occurring in New Zealand (see fig. 24).
In other cases the lava, if somewhat more liquid, may in issuing quietly without great outbursts of steam, accumulate in great bottle-shaped masses, which have been compared to 'petrified fountains.' Cases of this kind have been described by Professor Dana as occurring on the slopes of Hawaii (see fig. 25).
- 101 -
When the steam escapes with explosive violence from a spiracle ('bocca') on the surface of a lava-stream, minute cinder cones, like those described as being formed in 1872, are the result. Fig. 26 represents a group of miniature cones thrown up on the Vesuvian lava-stream of 1855: it is taken from a drawing by Schmidt.
Some of these appear like burst blisters or bubbles, while others are built up of scoriaceous masses which have been ejected from the aperture and have become united while in a semi-fluid condition. Other examples of these spiracles or bocche on the surfaces of lava-currents may be seen in the figs. 22 and 23, which are copied from photographs.
The facts we have described all point to the conclusion that the presence of large quantities of water imprisoned in a mass of lava contributes greatly to its mobility. And this conclusion is supported by so many - 102 - other considerations that it is now very generally accepted by geologists. The condition of this imprisoned water in lavas is one which demands further investigation at the hands of physicists. It has been suggested, with some show of reason, that the water may exist in the midst of the red-hot lava as minute particles in the curious 'spheroidal condition' of Boutigny, and that these flash into steam as the lava flows along.
Lava, when extruded from a volcanic crater in a more or less completely fluid state, flows down the side of the cone, and then finds its way along any channel or valley that may lie in its course, obeying in its movements all the laws of fluid bodies. The lava-currents thus formed are sometimes of enormous dimensions, and may flood the whole country for many miles around the vent.
Lava-streams have been described, which have flowed for a distance of from fifty to a hundred miles from their source, and which have had a breadth varying from ten to twenty miles. Some lava-streams have a thickness of 500 feet, or even more. These measures will give some idea of the enormous quantities of material brought from the earth's interior by volcanic action and distributed over its surface. The mass of lava which flowed out during an eruption off Reykjanes in Iceland, in the year 1783, has been calculated to be equal in bulk to Mont Blanc.
There are many parts of the earth's surface, such as the Western Isles of Scotland and the North-east of - 103 - Ireland, the Deccan of India, and large tracts in the Rocky Mountains, where successive lava-sheets have been piled upon one another to the height of several thousands of feet, and cover areas of many hundreds or even thousands of square miles.
The more fusible basic lavas are as a general rule more liquid in character than any others, and it is these very liquid lavas that are usually found forming plateaux built up of successive lava-streams. The less liquid lavas, like those of Hungary and Bohemia, are not usually found flowing to such distances from the vent, but form dome-shaped mountain-masses.
Lava-streams usually exhibit in their upper and under surfaces a scoriaceous texture due to the escape of steam from the upper surface, portions of the cindery masses so formed falling off from the end of the stream, and being rolled over by the stream so as to form its base. The thickness of this scoriaceous upper and lower part of a lava-stream varies according to the quantity of steam imprisoned in it; but all thick lava-streams have a compact central portion which is composed of hard, solid rock. Very good examples of the internal structure of lava-streams may sometimes be examined in the sea-cliffs of volcanic islands. In fig. 27 we have given a copy of a drawing made while sailing round the shores of Vulcano. The scoriaceous portions of lava-streams are sometimes employed, as at Volvic in the Auvergne, as a building material, or as at Neidermendig in the Eifel and in Hungary for mill-stones; - 104 - the compact portions are employed for building and paving, and for road metal. The rock of some of the modern lava-streams of Vesuvius is largely quarried for paving the streets of Naples.
This solid portion of the lava-streams in slowly cooling down from its highly-heated condition undergoes contraction, and in consequence is rent asunder by a number of cracks. Sometimes these cracks assume a wonderfully regular arrangement, and the rock may be broken up into very symmetrical masses.
If we imagine a great sheet of heated material, like a lava-stream, slowly cooling down, it is evident that the contraction which must take place in it will tend to produce fissures breaking up the mass into prisms. A little consideration will convince us what the form of these prisms must be. There are only three regular figures into which a surface can be divided, namely, equilateral triangles, squares, and regular hexagons; the first being produced by the intersection of sets of six lines radiating at angles of 60° from certain centres; - 105 - the second by the intersection of sets of four lines radiating from centres at angles of 90°; and the third from sets of three lines radiating from centres at an angle of 120°. It is evident that a less amount of contractile force will be required to produce the sets of three cracks rather than those of four or six cracks; or, in other words, the contractile force in a mass will be competent to produce the cracks which give rise to hexagons rather than those which form squares or triangles. This is no doubt the reason why the prisms formed by the cooling of lava, as well as those produced during the drying of starch or clay, are hexagonal in form.
The hexagonal prisms or columns formed by contraction during the consolidation of lavas vary greatly in size, according to the rate of cooling, the nature of the materials, and the conditions affecting the mass. Sometimes such columns may be found having a diameter of eight or ten feet and a length of five hundred feet, as in the Shiant Isles lying to the north of the Island of Skye; in other cases, as in certain volcanic glasses, minute columns, an inch or two in length and scarcely thicker than a needle, are formed; and examples of almost every intermediate grade between these two extremes may sometimes be found. The largest columns are those which are formed in very slowly cooling masses.
The columnar structure is exhibited by all kinds of lava, and indeed in other rock-masses which have been - 106 - heated by contact with igneous masses and gradually cooled. The rocks which display the structure in greatest perfection, however, are the basalts.
Mr. Scrope first called attention to the fact that the upper and lower portions of lava-streams sometimes cool in very different ways, and hence produce columns of dissimilar character. The lower portion of the mass parts with its heat very slowly, by conduction to the underlying rocks, while the upper portions radiate heat more irregularly into the surrounding atmosphere. Hence we often find the lower portions of thick lava-streams to be formed of stout, vertical columns of great regularity; while the upper part is made up of smaller and less regular columns, as shown in fig. 28.
The remarkable grotto known as Fingal's Cave in the Island of Staffa has been formed in the midst of a lava-stream such as we have been describing; the thick vertical columns, which rise from beneath the level of the sea, are divided by joints and have been - 107 - broken away by the action of the sea; in this way a great cavern has been produced, the sides of which are formed by vertical columns, while the roof is made up of smaller and interlacing ones. The whole structure bears some resemblance to a Gothic cathedral; the sea finding access to its floor of broken columns, and permitting the entrance of a boat during fine weather. Similar, though perhaps less striking, structures are found in many other parts of the globe wherever basaltic and other lava-streams exhibit the remarkable columnar structure as the result of their slow cooling. Portions of basaltic columns are often employed for posts by the road-sides, as in Central Germany and Bohemia, or for paving stones, as in Pompeii and at the Monte Albano near Rome.
Occasionally basaltic lava-streams exhibit other curious structures in addition to the columnar. Thus some basaltic columns are found divided into regular joints by equidistant, curved surfaces, the joints thus fitting into one another by a kind of ball-and-socket arrangement. Sometimes we find processes projecting from the angles of the curved joint-surfaces, which cause the blocks to fit together as with a tenon and mortise. This kind of - 108 - structure is admirably displayed at the Giant's Causeway, Co. Antrim, in the North of Ireland. A portion of a basaltic column from this locality is represented in fig. 29.
While the ordinary columnar structures are very common in basalts, the ball-and-socket and tenon-and-mortise structures are exceedingly rare. The question of the mode of origin of these remarkable structures has given rise to much discussion, and the opinions of geologists and physicists are by no means unanimous upon the subject.
Sometimes we find masses of lava traversed by curved - 109 - joints, and occasionally we find curious combinations of curved and plane joints, giving rise to appearances scarcely less remarkable than those presented by the columns of the Giant's Causeway. Some of the more striking examples of this kind have been described and explained by Professor Bonney.
In the Ponza Islands there occurs a remarkable example of a columnar pitchstone, which is also traversed by a member of curved concentric joints, causing the rock to break up into pieces like the coats of an onion. This remarkable rock-mass is represented in fig. 30.
A very similar structure is often seen in certain glassy lavas, when they are examined in thin sections under the microscope. Such glassy lavas exhibit the - 110 - peculiar lustre of mother-of-pearly doubtless in consequence of the interference of light along the cracks. Lavas exhibiting this character are known to geologists as 'perlites.' The perlitic structure has been produced artificially by Mr. Grenville Cole in Canada Balsam, and by MM. Fonqué and Michel Lévy, in chemically deposited silica. See fig. 31.
A thick lava-stream must take an enormous period to cool down—probably many hundreds or even thousands of years. It is possible to walk over lava-streams in which at a few inches below the surface the rock is still red-hot, so that a piece of stick is lighted if thrust into a crack. Lava is a very bad conductor of heat, and loose scoriæ and dust are still worse conductors. During the eruption of Vesuvius in 1872, masses of snow which were covered with a thick layer of scoriæ, and afterwards by a stream of lava, were found three years afterwards consolidated into ice, but not melted. The city of Catania is constantly supplied with ice from masses of snow which have been buried under the ejections of Etna.
During the cooling down of lavas, the escape of steam and various gases gives rise to the deposition of many beautiful crystalline substances in the cavities and on the surfaces of the lava. Deposits of sulphur, specular-iron, tridymite, and many other substances are often thus produced, and the colour and appearance of the rock-masses are sometimes completely disguised by these surface incrustations, or by the decomposition - 111 - of the materials of the lava by the action of the add gases, and vapours upon it.
Very frequently the surface of a lava-stream becomes solid, while the deeper portions retain their fluid condition; under such circumstances the central portions may flow away, leaving a great hollow chamber or cavern. In consequence of this action, we not unfrequently find the upper surface of a lava-current exhibiting a depression, due to the falling in of the solidified upper portions when the liquid lava has flowed away and left it unsupported, as in fig. 32.
- 112 -
Near the high-road which passes between the towns of Eger and Franzenbad in Bohemia, there rises a small hill known as the Kammerbühl (see fig. 33), which has attracted to itself an amount of interest and attention quite out of proportion to its magnitude or importance. During the latter part of the last century and the earlier years of the present one, the fiercest controversies were waged between the partisans of rival schools of cosmogony over this insignificant hill; some maintaining that it originated in the combustion of a bed of coal, others that its materials were entirely formed by some kind of 'aqueous precipitation,' and others again that the hill was the relic of a small volcanic cone.
Among those who took a very active part in this controversy was the poet Goethe, who stoutly maintained the volcanic origin of the Kammerbühl, styling it 'a pocket edition of a volcano.' To Goethe belongs the merit of having suggested a Very simple method by which the controversies concerning this hill might - 113 - be set at rest: he proposed that a series of excavations should be undertaken around the hill, and a tunnel driven right under its centre.
The poet's friend, Count Caspar von Sternberg, determined to put this project into execution. This series of excavations, which was completed in 1837, has for ever set at rest all doubts as to the volcanic origin of the Kammerbühl. A plug of basalt was found filling the centre of the mass, and connected with a small lava-stream flowing down the side of the hill; while the bulk of the hill was shown to be composed of volcanic scoriæ and lapilli. The - 114 - section fig. 34 will illustrate the structure of the hill as revealed by these interesting excavations.
It can of course very seldom happen that actual mining operations, like those undertaken in the case of the Kammerbühl, will be resorted to in order to determine the structure of volcanic mountains. Geologists have usually to avail themselves of less direct, but by no means less certain, methods than that of making artificial excavations in order to investigate the earth's crust. Fortunately it happens that what we cannot accomplish ourselves, nature does for us. The action which we call 'denudation' serves as a scalpel to dissect volcanic mountains for us, and to expose their inner recesses to our view. Many portions of the earth's surface are complete museums crowded with volcanic 'subjects,' exhibiting every stage of the process of dissection. In some, rains and winds have stripped off the loose covering of cinders and dust, and exposed the - 115 - harder and more solid parts—the skeleton of the mountain. In others, the work of destruction has proceeded still further, and slowly wearing rivers or the waves of the sea may have cut perfect, vertical sections of the mountain-mass. Sometimes the removal of the materials of the volcanic mountain has gone on to such an extent that its base and ground-plan are fully exposed. It only requires the necessary skill in piecing together our observations on these dissected volcanoes, in order to arrive at just views concerning the 'comparative anatomy' of volcanoes. As the knowledge of the structure of animals remained in the most rudimentary condition until the practice of dissection was commenced, so our knowledge of volcanoes was likewise exceedingly imperfect till geologists availed themselves of the opportunities afforded to them of studying naturally dissected volcanic mountains.
In some cases we may find that the sea has encroached on the base of a volcanic hill, till one half of it has been washed away, and the structure of the mass to its very centre is exposed to our view. Thus in fig. 6 (page 43), it will be seen that there lies in front of Vulcano a peninsula called Vulcanello, consisting of three volcanic cones, united at their base, with the lava-streams which have flowed from them. One half of the cone on the left-hand side of the picture has been completely washed away by the sea, and a perfect section of the internal structure of the cone is exposed. The appearances presented in this section are shown in - 116 - the sketch, fig. 35. Some portions of the face of this section are concealed by the heaps of fragments which have fallen from it, but enough is visible to convince us that three kinds of structures go to make up the cone. In the first place, we have the loose scoriæ and lapilli, which in falling through the air have arranged themselves in tolerably regular layers upon the sides of the cone.
In the second place, we have lava-streams which have been ejected from the crater or from fissures on the flanks of the cone, and flowed down its sides. And thirdly, we find masses of lava filling up cracks in the cone; these latter are called 'dykes.' Of these three kinds of structures most volcanic mountains are - 117 - built up, but in different cases the part played by these several elements may be very unequal. Sometimes volcanoes consist entirely of fragmentary materials, at others they are made up of lavas only, while in the majority of cases they have been formed by alternations of fragmentary and fluid ejections, the whole being bound together by dykes, which are masses of lava injected into the cracks formed from time to time in the sides of the growing cone.
If we direct our attention in the first place to the fragmentary ejections, we shall find that they affect a very marked and peculiar arrangement, which is best exhibited in those volcanic cones composed entirely of such materials.
Everyone who examines volcanoes for the first time will probably be struck by the regular stratification of materials of which they are composed. Thus the tuffs covering the city of Pompeii are found to consist of numerous thin layers of lapilli and volcanic dust, perfectly distinct from one another, and assuming even the arrangement which we usually regard as characteristic of materials that have been deposited from a state of suspension in water. The fragmentary materials in falling through the air are sorted, the finer particles being carried farther from the vent than the larger and heavier ones. The force of different volcanic outbursts also varies greatly, and sometimes materials of different character are thrown out during successive ejections. These facts will be illustrated by fig. 36, - 118 - which is a drawing of a section exposed in a quarry opened in the side of the Kammerbühl. In this section we see that the falling scoriæ have been arranged in rudely parallel beds, but the regular deposition of these has been interrupted by the ejection of masses of burnt slate torn from the side of the vent, probably during some more than usually violent paroxysm of the volcano. In those volcanoes which are built up of tuffs and materials which have fallen in the condition of a muddy paste, the perfect stratification of the mass is often very striking indeed, and large cones are found built up of thin uniformly-spread layers of more or less finely-divided materials, disposed in parallel succession. Such finely-stratified tuff-cones abound in the district of the Campi Phlegræi.
- 119 -
If, in consequence of any subterranean movements, fissures are produced in the sides of the cones formed of fragmentary materials, these often become gradually filled with loose fragments from the sides of the fissure, and in this manner 'pseudo-dykes' are formed. An example of such pseudo-dykes is represented in fig. 36, where the beds composing the volcanic cone of the Kammerbühl are seen to have been broken across or faulted, and the fissures produced in the mass have been gradually filled with loose fragments.
It is not difficult to imitate, on a small scale, the conditions which exist at those volcanic vents from which only fragmentary materials are ejected. If we take a board having a hole in its centre, into which a pipe is inserted conveying a strong air-blast, we shall, by introducing some light material like bran or sawdust into this pipe cause an ejection of fragments, which will, when the board is placed horizontally, fall around the orifice of the pipe and accumulate there in a conical heap (fig. 37). It will be found necessary, as was shown by Mr. Woodward, who performed the experiment before the Physical Society, to adopt some contrivance, such as a screw, for forcing the material into the air-pipe. If we alternately introduce materials of different colours, like mahogany- and deal-sawdust into the pipe, these materials will be arranged in layers which can be easily recognised, and the mode of accumulation of the mass will be evident. By means of a sheet of tin or cardboard we may divide this miniature volcanic cone vertically into two portions, and if we - 120 - sweep one of these away the internal structure of the other half will be clearly displayed before our eyes.
In this way we shall find that the conical heap of sawdust with the hole in its centre has a very peculiar and definite arrangement of its materials. It is made up of a number of layers each of which slopes in opposite directions, towards the centre of ejection and away from that centre. These layers are thickest along the line of the circle where the change in slope takes place, and they thin away in the direction of the two opposite slopes.
The cause of this peculiar arrangement of the materials is evident. The sawdust thrown up by the air blast descends in a shower and tends to accumulate in a circular heap around the orifice, the area of this - 121 - circular heap being determined by the force of the blast. Within this circular area, however, the quantity of falling fragments is not everywhere the same; along a circle surrounding the vent at a certain distance, the maximum number of falling fragments will be found to descend, and here the thickest deposit will take place. As this goes on, a circular ridge will be formed, with slopes towards and away from the centre of injection. As the ridge increases in height, the materials will tend to roll down either one slope or the other, and gradually a structure of the form shown in the figure will be piled up. The materials sliding down the outer slope will tend to increase the area of the base of the cone, while those which find their way down the inner slope will fall into the vent to be again ejected.
Volcanic cones composed of scoriæ, dust, &c. are found to have exactly the same internal structure as is exhibited by the miniature cone of sawdust. The more - 122 - or less regular layers of which they are made up dip in opposite directions, away from and towards the vent, and thin out in the direction of their dip (see fig. 38). In small cones the crater or central cavity is of considerable size in proportion to the whole mass, but as the cone grows upwards and outwards, the dimensions of the crater remain the same, while the area of the base and the height of the cone are continually increasing. This is the normal structure of volcanic cones formed of fragmentary materials, though, as we shall hereafter show, many irregularities are often produced by local and temporary causes.
In some cases the central vent of a volcanic scoria-cone may be filled up by subsequent ejections. A beautiful example of this kind was observed by Abich, - 123 - in the case of a small cone formed within the crater of Vesuvius in 1835, and is represented in fig. 39.
Many cones formed in the first instance of scoriæ, tuff, and pumice may give rise to streams of lava, before the vent which they surround sinks into a state of quiescence. In these cases, the liquid lava in the vent gives off such quantities of steam that masses of froth or scoriæ are formed, which are ejected and accumulate around the orifice. When the force of the explosive action is exhausted, the lava rises bodily in the crater, which it more or less completely fills. But, eventually, the weaker side of the crater-wall yields beneath the pressure of the liquid mass, and this part of the crater and cone is swept away before the advancing lava-stream. Examples of such 'breached cones' abound in Auvergne and many other volcanic districts (see fig. 40). A beautiful example of a cone formed of pumice, which has been breached by the outflow of a lava-stream of obsidian, occurs in the Lipari Islands, at the Rocche Rosse. It is this locality - 124 - which supplies the whole world with pumice (see fig. 41).
It is often surprising to find how volcanic cones composed of loose materials, such as tuffs, scoriæ, or pumice, retain their distinctive forms, and even the sharpness of their outlines, during enormous periods of time. Thus, in the scoria-cones which abound in the Auvergne, and were, in all probability, formed before the historical period, the sharp edges of the craters appear to have suffered scarcely any erosion, and the cones are as perfect in their outlines as though formed but yesterday. It is probable that the facility with which these cindery heaps are penetrated by the rain which falls upon them is the cause why they are not more frequently washed away.
Sometimes, however, scoria-cones are found reduced by atmospheric waste to mere heaps of cinders, in which the position of the crater is indicated only by a slight depression, as in fig. 42.
- 125 -
When but little explosive action takes place at the volcanic vent, and only fluid lava is ejected, mountains are formed differing very greatly in character from the cones composed of fragmentary materials.
If the lavas be of very perfect liquidity, like those erupted in the Sandwich Islands, they flow outwards around the vent to enormous distances. By the accumulation of materials during successive outbursts, a conical mass is built up which has but a slight elevation in proportion to the area of its base. Thus in Hawaii we find great volcanic cones, composed of very fluid lavas, which have a height of nearly 14,000 feet with a diameter of base of seventy miles. In these Hawaiian mountains the slope of the sides rarely exceeds 6° to 8°.
But if, on the other hand, the lavas be of much more viscid consistency, the character of the volcanic cones which are produced by their extrusion will be very different. The outwelling material will tend to accumulate and heap itself up around the vent. By successive ejections the first-formed shell is forced upwards and outwards, and a steep-sided protuberant mass is formed, exhibiting in its interior a marked concentric arrangement. Dr. Ed. Reyer, of Grätz, has devised a very ingenious method for reproducing on a miniature scale the characteristic features of these eruptions of viscid lavas. He takes a quantity of plaster of Paris reduced to a pasty consistence, which he forces through a hole in a board. The plaster accumulates in a great rounded boss about the orifice through which it has been forced. If the plaster have some colouring matter introduced into it, the mass, on being cut across, will - 126 - exhibit in the disposition of its colour-bands the kind of action which has gone on during its extrusion, fig. 43.
There are many volcanic cones which exhibit clear evidence of having thus been formed by the extrusion of a viscid mass of lava through a volcanic fissure. Among such we may mention the domitic Puys of Auvergne, fig. 44, many andesitic volcanoes in Hungary, the phonolite hills of Bohemia, and the so-called 'mamelons' of the Island of Bourbon. See figs. 45 and 46. When the interior of these masses is exposed by - 127 - natural or artificial sections, they are all found to exhibit the onion-like structure which occurs in the plaster models.
But while some volcanoes are composed entirely of the fragmentary ejections and others are wholly formed by successive outflows of lava, the majority of volcanoes, especially those of larger dimensions, are built up of alternations of these different kinds of materials.
- 128 -
The structure of these composite cones may be understood by an inspection of the accompanying fig. 47, which shows the appearances presented in a cliff on the coast of the Island of Madeira. We see that the mass is made up of numerous layers of volcanic scoriæ, alternating with sheets of lava. The latter, which are represented in transverse section in the drawing, are seen to thin out on either side, and to vary greatly in breadth. Besides the alternating masses of scoriæ and the lava-sheets, there are seen in the section, bands of a bright-red colour, which are represented in the drawing by black lines. These are layers of soil, or volcanic dust, which, by the passage of a lava-stream over - 129 - their surface, have been burnt so as to acquire a brick-red colour. These bands of red material, to which the name of 'laterite' has been frequently applied, very commonly occur in sections of composite volcanic cones. Crossing the whole of the horizontally-disposed masses in the section, we find a number of 'dykes,' which are evidently great cracks filled with lava from below. Some of these run vertically through the cliffs, others obliquely. In some cases the lava, rising to fill a dyke, has flowed as a lava-stream at the surface. Last of all, we must call attention to the fact that the section exhibits evidence of great movements having taken place subsequently to the accumulation of the whole of the materials. A great crack has been produced, on one side of which the whole mass has subsided bodily, giving rise to the phenomenon which geologists call a 'fault.'
In the section, fig. 27, p. 104, copied from a drawing of a sea-cliff in the Island of Vulcano, a transverse section of a lava-stream is represented on a somewhat larger scale. The upper and under surface of the lava-stream is seen to have a scoriaceous structure, but the thick central mass is compact, and divided by regular joint-planes. This section also illustrates the fact that, before the lava-stream flowed down the sides of the mountain, a valley had been cut by meteoric agencies on the flanks of the volcano, the dykes which traverse the lower beds of tuff being abruptly truncated.
In mountain ravines, upon the slopes of ancient - 130 - volcanoes, and in the cliffs of volcanic islands, we are often able to study the way in which these great mountain masses are built up of alternating lava-currents, beds of volcanic agglomerate, scoriæ, tuff and dust, and intersecting dykes. In fig. 48, the features above described are illustrated by a section in the sides of the great volcano of Mont Dore.
- 131 -
In figs. 49, 50, 51, and 52, we have given drawings of portions of the sea-cliffs in several of the Ponza Islands, a small volcanic group off the Italian coast.
- 132 -
Fig, 53 represents a cliff-section in the island of Salina, one of the Liparis, exhibiting evidence that a - 133 - series of volcanic agglomerates traversed by dykes of Andesite have been denuded and covered by a recent stratified deposit.
In the formation of these great composite cones, a minor but by no means insignificant part is played by the dykes, or lava-filled fissures, which are seen traversing the mass in all directions. That dyke-fissures often reach the surface of a volcanic cone, and that the material which injects them then issues as a lava-stream, is illustrated by fig. 54. The formation of these cracks in a volcanic cone, and their injection by liquid lava, must of course distend the mountainous mass and increase its volume. If we visit the great crater-walls of Somma in Vesuvius, and of the Val del Bove in Etna, we shall find that the dykes are so numerous that they make up a considerable portion of the mass. When the loose scoriæ and tuffs are removed by denudation, these hard dykes often stand up prominently like great walls, as represented in fig. 55. Even in such cases as these, however, it is doubtful whether the bulk of all the dykes put together exceeds one-tenth of that of the lavas and fragmentary materials.
- 134 -
Hence we are led by an examination of the internal structure of volcanic mountains to conclude that scoriæ- and tuff-cones, and cones formed of very liquid lavas, increase by an exogenous mode of growth, all new materials being added to them from without; in the cones formed of very viscid lavas, on the other hand, the growth is endogenous, taking place by successive accretions within it. The composite cones owe their origin to both the exogenous and the endogenous modes of growth, but in a much greater degree to the former than the latter. The layers of scoriæ, tuff, and dust, and the successive lava-streams are added to the - 135 - mass from without, and the lava forming the dykes from within it.
There are doubtless cases in which, when a tuff-cone is formed, a mass of very viscid lavas is extruded into its interior, and the mass is distended like a gigantic bubble. But inasmuch as the very viscid lavas do not appear to give rise to scoriæ to anything like the same extent as the more liquid kinds, such 'cupolas,' as they have been called by some German geologists, are probably not very numerous, and may be regarded as constituting the exception rather than the rule. The idea which was formerly entertained by some geologists that all great volcanic mountains were formed of masses originally deposited in a horizontal position, and subsequently blown up into a conical form, has been effectually disposed of by the observations of Lyell and Scrope.
The condition of the great fluid masses which underlie volcanic vents is another point on which much light has been thrown by the study of naturally-dissected volcanoes. In some cases, as was shown by Hochstetter during his admirable researches among the New Zealand volcanoes, the rising lavas form a great chamber for themselves in the midst of a volcanic cinder-cone, taking the place of loose materials which are re-ejected from the vent, or have been re-fused and absorbed into the mass of lava itself. From this central reservoir of lava, eruptions are kept up for some time, but when the volcano sinks into a state of quiescence the lava slowly consolidates. In - 136 - such slowly solidified masses of lava, very beautiful groups of radiating columns are often exhibited Northern Germany abounds with examples of such basaltic masses, which have once formed the centres of great cinder-cones; but in consequence of the removal of the loose materials and the surrounding strata by denudation, these central reservoirs of the volcanoes have been left standing above the surface, and exhibit the peculiar arrangements of the columns formed in them during the process of cooling.
But in the majority of the more solidly-built composite volcanoes no such liquid reservoir can be formed within the volcanic cone itself. Under these circumstances, the lavas, especially those of more liquid character, tend to force passages for themselves among the rocks through which they are extruded. Wherever a weak point exists, there such lavas will find their way, and as the planes of stratification in sedimentary rocks constitute such weak places, we constantly find sheets of lava thus inserted between beds of aqueous origin. The areas over which these intrusive sheets of rock sometimes extend may be very great, but the more fusible, basic lavas (basalt, &c.) usually form much more widely-spreading sheets than the less fusible, acid lavas. In some cases these great intrusive sheets are found extending to a distance of twenty or thirty miles from the centre at which they were ejected, and they often follow the bedding of the strata with which they are intercalated in so regular a manner, - 137 - that it is difficult for an observer to believe at first sight that they can have been formed in the way which we have described. A closer examination will generally reveal the fact that while these intrusive lava-sheets retain their parallelism with the strata among which they have been intruded, over considerable areas, yet they sometimes break across, or send offshoots into them, as shown in fig. 56. In all cases, too, the rocks lying above and below such sheets will be found to be more or less baked and altered, and this affords a very convincing evidence of the intrusion of the igneous mass between the strata so altered.
That in the case of most great volcanic mountains, or systems of mountains, vast reservoirs of liquid lava must exist in the earth's crust far below the surface, there can be little room for doubt. Whether such fluid masses are in direct or indirect communication with a great central reservoir, even supposing such to - 138 - exist, is a totally different question. In many cases the outburst of volcanoes in more or less close proximity has been observed to take place simultaneously, while in others the commencement of the eruption of one volcano has coincided with the lapse into quiescence of another in its vicinity. On the other hand, the remarkable case of the volcanoes of Hawaii seems to indicate that two vents in close proximity may be supplied from perfectly distinct reservoirs of lava. The active craters of Mauna Loa and Kilauea are situated at the heights of 14,000 and 4,000 feet respectively above the sea level; yet the former is sometimes in a state of violent activity, with which the latter shows no signs of sympathy whatever. We shall, in a future chapter, adduce evidence that the liquid lavas in underground reservoirs may undergo various stages of change in the enormous periods of time during which habitual volcanic vents are supplied from them.
We have already shown that the character assumed by a mass of fused material in cooling varies greatly according as the cooling takes place rapidly at the surface or slowly under enormous pressure. In the former case a glassy base is formed containing a greater or smaller number of crystallites or embryo crystals, in the latter the whole rock is converted into a mass of fully-developed crystals.
The lavas which are poured out at the surface consist, as we have seen, of a glassy magma in which a greater or smaller number of crystals are found which - 139 - have been borne up from below. The great dykes and intrusive sheets consist for the most part of a mass of small or imperfectly developed crystals in which a number of large and perfectly formed crystals are embedded. Such rocks are said to have a 'porphyritic' structure. The rocks formed by the consolidation of the liquid masses in the underground reservoirs are found to be perfectly crystallised, the crystals impressing one another on every side and making up the whole mass to the exclusion of any paste or magma between them. The crystals in those rocks which have consolidated at these vast depths exhibit evidence, in their enclosed watery solutions and liquefied carbonic acid, of the enormous pressures under which they must have been consolidated. The lavas, the more or less porphyritic rocks of the dykes and sheets, and the perfectly crystalline (granitic) rocks of the underground reservoirs pass into one another, however, by the most insensible gradations.
We sometimes find examples of volcanoes which, by the action of denuding forces, have had their very foundations exposed to our view. Such examples occur in the Western Isles of Scotland, in the Euganean Hills near Padua in Northern Italy, and in many other parts of the earth's surface. In these cases we are able to trace the ground-plan of the volcanic pile, and to study the materials which have consolidated deep beneath the surface in the very heart of the mountain.
In studying these 'basal wrecks' of old volcanoes - 140 - it is always necessary to bear in mind that the appearance and general characters of a volcanic rock may be completely disguised by chemical changes going on within it. It is through want of attention to this fact that so many mistakes were made by the Wernerian school of geologists who declared that they could find no analogy between the basaltic rocks of the globe and the products of active volcanoes, and were hence led to refer the origin of the former to some kind of 'aqueous precipitation.'
Many of the hard and crystalline marbles which are employed as ornamental stones were originally loose masses of shells and corals, as we easily perceive when we examine the polished faces. But these incoherent heaps of organic débris have been converted into a compact and solid rock in consequence of the mass being penetrated by water containing carbonate of lime in solution. Crystals of this substance were deposited in every cavity and interstice of the mass, and thus the accumulation of separate organisms was gradually transformed to a material of great solidity and hardness.
In precisely the same way loose heaps of scoriæ, lapilli, or pumice may, by the passage through them of water containing various substances in solution, have their vesicles filled with crystals, and thus be converted into the hardest and most solid of rock-masses. Similarly the scoriaceous portions of lava-streams have their vesicles filled with crystalline substances deposited from a state of solution, and are thus converted into a solid - 141 - mass which may at first sight appear to offer but little resemblance to the vesicular materials of recent lava-streams. To these vesicular rocks which have their cavities filled with crystalline substances geologists apply the name of amygdaloids (L. amygdalus, an almond). The cavities in lava-rocks are usually more or less elongated, owing to the movement of the mass while in a still plastic state, and the crystalline materials filling these cavities take the almond-like shape; hence the name.
When the amygdaloids and altered fragmentary ejections of volcanoes are studied microscopically, their true character is at once made manifest. The exposure of faces of these altered volcanic rocks to the weathering influences of the atmosphere, in many cases also causes their true nature to be revealed, the crystalline materials filling the interstices and vesicles of the mass are dissolved away by the rain-water containing carbonic acid, and the rock regains its original cavernous structure and appearance. But this repeated passage of water through volcanic rock-masses may result in the removal of so large a portion of their materials that the remainder crumbles down into the condition of a clay or mud.
In the basal wrecks of volcanoes, of which we have spoken, we usually find only small and fragmentary remains of the great accumulations of loose and scoriaceous materials which originally constituted the bulk of the mountain mass. In the centre of the ground-plan - 142 - of such a denuded volcano we find great masses of highly crystalline or granitic rock, which evidently occupy vast fissures broken through the sedimentary or other rocks upon which the volcanic pile has been reared. These highly crystalline rocks exhibit, as we have shown, clear evidence of having been consolidated from a state of fusion with extreme slowness and under enormous pressure, but their ultimate chemical composition is identical with that of the lavas which have been ejected from the volcano.
When, as frequently happens, the volcano, after pouring out one kind of lava for a certain period, has changed the nature of its ejections, and given rise to materials of different composition, we find clear evidence of the fact in studying the basal wreck or ground-plan of the volcano. A great intrusive crystalline mass, of the same chemical composition as the first-extruded lava, is found to be rent asunder and penetrated by a similarly crystalline mass having the composition of the lavas of the second period. Thus, in the volcanoes of the Western Isles of Scotland, which are reduced by the action of denudation to this condition of basal wrecks, we find that rhyolites, trachytes, and andesites were ejected during the earlier periods of their history, and basalts during the later periods.
|
a Rocks on which the Volcano has been built up. b Great intrusive masses of acid and intermediate rocks. c Lara currents of basalt which have flowed from d. d Intrusive masses of gabbros & dolerite. e Lava currents which have flowed from b. f Volcanic tuffs and agglomerates. |
- 143 -
We perceive on studying the ground-plan of these volcanoes that great masses of granite, syenite, and diorite—the crystalline representatives of the first-extruded lavas—are penetrated by intrusions of gabbro—the granitic form of the later-ejected lavas. These features are admirably illustrated by the ruined volcano now constituting the Island of Mull, one of the Inner Hebrides, a plan of which is given in fig. 57, and a section in fig. 58. This volcano probably had a diameter at its base of nearly thirty miles, and a height of from 10,000 to 12,000 feet, but is now reduced to a group of hills few of which exceed 3,000 feet in height.
From these great intrusive masses of highly crystalline rocks there proceed in every direction great spurs or dykes, which are evidently the radiating fissures formed during the outwelling of igneous materials from below, injected by these fluid substances. The rock forming these dykes is often less perfectly crystalline than that which constitutes the centre of the mass, and we may indeed detect among the materials of these dykes examples of every variety of structure, from the perfectly crystalline granite to the more or less glassy substance of lavas. Besides the vertical or oblique dykes we also find horizontal sheets, which, passing from these central masses, have penetrated between the surrounding strata, often, as we have seen, to enormous distances.
For the sake of simplicity, we have spoken of these ground-plans, or basal wrecks of volcanoes, as constituting a flat plain; as a matter of fact, however, the unequal hardness of the materials composing volcanic mountains causes them to assume, under the influence of denuding agencies, a very rugged and uneven surface. - 144 - The hard crystalline materials filling the central vent stand up as great mountain groups; each large dyke, by the removal of the surrounding softer materials, is left as a huge wall-like mass, while the remnants of lava-streams are seen constituting a number of isolated plateaux.
The great Island of Skye is the basal wreck of another volcano which was also in eruption during Tertiary times; probably, many millions of years ago. This immense volcano had originally a diameter at its base of about thirty miles, and a height of 12,000 to 15,000 feet, and must have been comparable to Etna or Teneriffe in its dimensions. At the present time, there is nothing left of this vast pile but the highly crystalline granites and gabbros filling up the great fissures through which the eruption of igneous materials took place. These, worn by denudation into rounded dome-like masses and wild rugged peaks, constitute the Red Mountains and Coolin Hills of Skye, which rise to the height of more than 3,000 feet above the sea-level. From these great, central masses of crystalline rocks, innumerable radiating dykes may be found rising through the surrounding rock-masses, with isolated patches of the scoriæ and lapilli ejected from the volcano, which have here and there escaped removal by denudation. Along what were the outskirts of this great mountain-mass are found flat-topped hills, built up of lava-streams, only small portions of which have escaped removal by denudation.
- 145 -
But this wearing away of the structure of a volcanic cone by the denuding forces may proceed even one stage farther, and we may then have revealed for our inspection and study the mass of originally fluid materials, from which one or more volcanoes have been fed, cooled and consolidated in their original reservoir. There are many examples of masses of granitic or highly crystalline rocks, having precisely the same composition as the different varieties of lavas, which are found lying in the midst of the sedimentary rocks, and sending off into these rocks veins and dykes of the same composition with themselves. No one who has carefully studied the appearances presented by volcanic mountains in different stages of dissection, by the action of denuding forces, can avoid recognising these great granitic masses as the cooled reservoirs from which volcanoes have in all probability been supplied during earlier periods of the earth's history.
The eruption of these great masses of incandescent rock, impregnated with water and acid gases, through strata of limestone, sandstone, clay, coal, &c., may be expected to produce striking and wonderful chemical changes in the latter. Nor are we disappointed in these anticipations. Whenever we examine the sedimentary materials around volcanic vents, we find that, in contact with the once-fused materials, they everywhere exhibit remarkable evidences of the chemical action to which they have been subjected. The limestones are converted into statuary marble, the sandstones pass - 146 - into quartzite, the days assume the hardness and lustre of porcelain, while the coals have lost their volatile ingredients and assumed a form like coke or graphite. And these changes are found to extend in many cases to the distance of many hundreds of yards from the planes of junction between the igneous and the sedimentary materials.
Among the most interesting effects resulting from the extrusion of masses of incandescent rock, charged with water and various gases, through beds of limestone, clay, sandstone, &c., we may mention the production of those beautiful crystalline minerals which adorn our museums and are so highly prized as gems. By far the larger part of these beautiful minerals have been formed, directly or indirectly, by volcanic agencies.
These gems and beautiful minerals are, for the most part, substances of every-day occurrence, which entirely owe their beauty to the crystalline forms they have assumed. The diamond is crystallised carbon, the ruby and sapphire are crystallised alumina, the amethyst and a host of other gems are crystallised silica; and in almost all cases the materials of gems are common and widely diffused, it is only in their finely crystalline condition that they are rare and therefore valuable.
Crystals are formed during the slow deposition of a substance, either by the evaporation of a liquid in which it is dissolved, by its volatilisation, or its cooling from a state of fusion. In many cases it can be shown that the formation of large and regular crystals is aided if - 147 - the work goes on with extreme slowness and under great pressure. By sealing up various substances in tubes containing water which can be kept at a high temperature, minute crystals of many well-known minerals have been artificially formed by chemists. Part of the water converted into steam has formed a powerful spring, which, reacting upon the remainder of the liquid in the tube, has subjected it to enormous pressure, and under these conditions of extreme pressure and temperature, chemical actions take place of which we have no experience under ordinary circumstances. The experiments of Mr. Hannay seem to prove that when carbon is separated from certain organic substances at a high temperature and under great pressure, it may crystallise in the form of the diamond. And the recent discovery of diamonds in the midst of materials filling old volcanic vents in South Africa seems to show that this was in many cases the mode in which the gem was originated. Even under the conditions which prevail at the earth's surface, however, minute and unnoticed chemical actions taking place during long periods of time, produce most remarkable results. This has been well illustrated by M. Daubrée, who has shown that in the midst of masses of concrete which the Romans built up around the hot springs of Plombières and other localities, many crystalline minerals have been formed, in the course of 2,000 years, by the action of the waters upon the ingredients of the concrete.
- 148 -
But most of the crystals of minerals which have been thus artificially formed are of minute, indeed often of microscopic, dimensions. In the underground reservoirs beneath volcanoes, however, we have all the necessary conditions for the formation of crystals of minerals on a far grander scale. High temperatures, pressures far greater than any we can command at the earth's surface, the action of superheated steam and many acid gases on the various constituents of both igneous and sedimentary rocks, and, above all, time of almost unlimited duration; these constitute such a set of conditions as may fairly be expected to result in the formation of crystals, similar to those artificially produced but of far greater size and beauty.
If we visit those parts of the earth's surface where great masses of fused volcanic rock have slowly cooled down in contact with sedimentary materials, we shall not be disappointed in our expectations. Diamonds, rubies, sapphires, emeralds, topazes, garnets, and a host of equally beautiful, if less highly prized, crystalline substances, are found in such situations, lying in the subterranean chemical laboratories in which they have been formed, but now, by the action of denuding forces, revealed to our view.
In some cases it is not necessary to penetrate to these subterranean laboratories in order to find these beautiful gems and other crystallised minerals; for the steam jets which issue from volcanic fissures carry up fragments of rock torn from the side of the vent, - 149 - and in the cavities and fissures of such ejected masses beautiful crystallised products are often found. Such rock-fragments containing minerals finely crystallised are found abundantly on the flanks of Vesuvius and other active volcanoes, and among the materials of the Laacher See and other extinct volcanoes.
But it is not only the finely crystallised minerals and gems which we owe to volcanic action. The various metallic minerals have nearly all been brought from deep-seated portions of the earth's crust and deposited upon the sides of rock-fissures by the agency of the same volcanic forces. It is these forces which have, in the first instance, opened the cracks through the solid rock masses; and, in the second place, have brought the metallic sulphides, oxides, and salts—either in fusion, in solution, or in a vaporised condition—from the deep-seated masses within the earth, causing them to crystallise upon the sides of the fissures, and thus form those metallic lodes and veins which are within reach of our mining operations.
There is still one other important class of minerals which owe the existence, though indirectly, to volcanic agencies. The cavities of igneous rocks, especially the vesicles formed by the escape of steam, constitute, when filled with water, laboratories in which complicated chemical reactions take place. The materials of the lava are gradually dissolved and re-crystallised in new combinations. By this means the most beautiful examples of such minerals as the agates, the - 150 - onyxes, the rock-crystals, the Iceland-spars, and the numerous beautiful crystals classed together as 'Zeolites' have been formed. No one can visit a large collection of crystalline minerals without being struck with the large number of beautiful substances which have thus been formed as secondary products from volcanic materials.
- 151 -
From what has been said in the preceding chapters it will be seen that while some of the materials ejected from volcanic vents are, by the movements of the air and ocean, distributed over every part of the face of the globe, another, and by far the larger, part of the matter so ejected, accumulates in the immediate vicinity of the vent itself. By this accumulation of erupted materials, various structures are built up around the orifices from which the ejections take place, and the size and character of these structures vary greatly in different cases, according to the quantity and nature of the ejected materials, and the intensity of the eruptive forces by which they were thrown from the orifice. We shall proceed in the present chapter to notice the chief varieties in the forms and characters of the heaps of materials accumulated round volcanic vents.
These heaps of materials vary in size from masses no bigger than a mole-heap up to mountains like Etna, Teneriffe, and Chimborazo. The size of volcanic mountains - 152 - is principally determined by the conditions of the eruptive action at the vent around which they are formed. If this action exhausts itself in a single effort, very considerable volcanic cones, like the Monte Nuovo with many similar hills in its vicinity, and the Puys of Auvergne, may be formed; but if repeated eruptions take place at longer or shorter intervals from the same vent, there appears to be scarcely any limit to the size of the structures which may, under such conditions, be formed. It is by this repeated action from the same volcanic vent going on for thousands or even millions of years, that the grandest volcanic mountains of the globe have been built up. Such volcanoes have sometimes a diameter at their base of from 30 to 100 miles, and an elevation of from 10,000 to 25,000 feet.
The form of volcanic mountains is determined in part by the nature of the materials ejected, and in part by the character of the eruptive action.
From what has been said in the preceding chapter, it will be gathered that the volcanoes built up by ejections of fragmentary materials differ in many striking particulars from those formed by the outwelling of lavas from volcanic vents. In a less degree, the volcanoes composed of the same kind of volcanic materials also vary among themselves.
When masses of scoriæ in a semi-fluid condition are thrown to only a little distance above the volcanic vent, so that they have not time to assume a perfectly solid condition before they fall round the vent, the rugged - 153 - masses of lava unite to form heaps of most irregular shape. In such cases, the falling fragments being in a semi-plastic state, stick to the masses below, and do not tend to roll down the sides of the heap. Irregular heaps of such volcanic scoriæ abound on the surfaces of lava-streams, being piled up around each 'bocca' or vent which the steam-jets escaping from the lava-currents form at their surfaces. Such irregular accumulations of scoriæ were observed on the lavas of Vesuvius during the eruptions of 1822, 1855, and 1872, and have also been described in the case of many other volcanoes. In fig. 26 (p. 101) we have given representations of a group of such irregular scoria-cones which was observed by Schmidt on the Vesuvian lava of 1855. It will be seen from this drawing that there is scarcely any limit to the steepness of the sides of such scoria-heaps, in which the materials are in an imperfectly solidified condition when they reach the ground.
But in the majority of cases, the scoriæ ejected from volcanic vents are thrown to a great height, and are in a more or less perfectly solidified condition when they fell to the ground again. In such cases the fragments obey the ordinary mechanical laws of falling bodies, rolling and sliding over one another, till they acquire a slope which varies according to the size and form of the fragments. In this way the great conical mounds are formed which are known as 'cinder-cones,' or more properly as 'scoria-cones.' Scoria-cones usually vary in the slope of their sides from 35° to - 154 - 40° and may differ in size from mere monticules to hills a thousand feet or more in height. Scoria-cones of this character abound in many volcanic districts, as the Auvergne, where they may be numbered by thousands. The materials forming such scoria-cones vary in size from that of a nut to masses as large as a man's head, and fragments of even larger dimensions are by no means uncommon.
When the lava in a volcanic vent is perfectly glassy, instead of being partially crystalline in structure, we find not scoriæ but pumice ejected. In such cases, as in the Lipari Islands for example, we see cones entirely built up of pumice. Such pumice-cones resemble in the angle of their slope (see fig. 41, facing p. 124), the ordinary scoria-cones, but are of a brilliant white colour, appearing as if covered with snow.
Ordinary scoriæ are usually of a black colour when first ejected, but after a short time the black oxide of iron (magnetite) which they contain, attracts the oxygen of the air and moisture, and assumes the reddish-brown colour of iron-rust. Under such circumstances the heaps of black material gradually acquire the red-brown colour which is characteristic of so many of the scoria-cones around Etna, and in the Auvergne and the Eifel. The moisture of the air, and the rain falling upon these loose cindery heaps, cause them to decompose upon their surfaces; the action is facilitated by the growth of the lower forms of vegetation, such as mosses and lichens, and thus at last a soil is produced - 155 - on the surfaces of these conical piles of loose materials which may support an abundant vegetation. Cinder- or scoria-cones are not uncommonly found retaining in a most perfect manner their regular, conical form, the lips of their craters being sharp and unbroken as if the cone were formed but yesterday, while their slopes may nevertheless be covered with a rich soil supporting abundant grass and forest-trees. It may at first sight seem difficult to understand how a loose mass of scoriæ could have so long withstood the action of the rain and floods, retaining so perfectly its even slopes and sharp ridges. A little consideration will, however, convince us that it is the very loose and pervious nature of the materials of which scoria-cones are composed, which tends to their perfect preservation. The rain at once sinks into their mass, before it has time to form rivulets and streams which would wear away their surfaces and destroy the regularity of their outlines.
Scoria- and pumice-cones are frequently found to be acted upon by acid vapours to such an extent that the whole of the materials is reduced to a white pulverulent mass. In these cases the oxides of iron and the alkalis have united with the sulphuric or hydrochloric or carbonic acids, the compounds being carried away in solution by the rain-water falling on the mass; the materials left are silica, the hydrated silicate of alumina, and hydrated sulphate of lime (gypsum), all of which are of a white colour.
Cinder- or scoria-cones, and pumice-cones, are often - 156 - found raised by the action of winds to a greater elevation on one side than the other, in the manner already described. One side of the cone is often seen to be more or less completely swept away by an outwelling stream of lava, and thus breached cones are formed (see fig. 40, p. 123). Not unfrequently we find a number of cones which are united more or less completely at their bases, as in Vulcanello (fig. 6, p. 43), the several vents being so near together that their ejections have mingled with one another. Cones composed entirely of fragmentary materials often show an approach to the beautifully curved slopes which we have described as being so characteristic of volcanoes, as may be seen in fig. 41, facing p. 124. In the case of scoria- and pumice-cones this curvature is probably due to the rolling downnwards and outwards of the larger fragments.
We have already pointed out that with the scoriæ there are often ejected fragments torn from the sides of the volcanic vents. Sometimes such fragments are so numerous as to make up a considerable portion of the mass of the volcanic cones. Thus in the Eifel we find hills, of by no means insignificant size, completely built up of small scoriæ and broken fragments of slate torn from the rocks through which the volcanic fissures have been opened. Occasionally we see that few or no scoriæ have been ejected, and the volcanic vents are surrounded simply by heaps of burnt slate.
The smaller fragmentary materials ejected from - 157 - volcanic vents—such as lapilli and dust—rest in heaps, having a different angle of slope from those formed by scoriæ. In many cases, as we have seen, such finely-divided materials descend in the condition of mud, which flows evenly over the surface of the growing cone and consolidates in beds of very regularly stratified 'tufa' or 'tuff.'
The 'tuff-cones' thus formed differ in many important respects from the scoria-cones already described. The slope of their sides varies from 15° to 30°, and is almost always considerably less than in scoria- and pumice-cones. The tuff-cones undergo much more rapid degradation from rain and moisture than do the scoria-cones; for, though the materials of the former 'set,' as we have seen, into a substance of considerable hardness, yet this substance, being much less pervious to water than the loose scoria heaps, permits of the formation of surface-streams which furrow and wear away the sides of the cones. Sometimes the sides of the crater are found to be almost wholly removed by atmospheric denudation, and only a shallow depression is found occupying the site of the crater; such a case is represented in fig. 59. We not unfrequently find the whole slopes of such cones to be traversed by a series of radiating grooves passing from the summit to the base of the mountains, these channels being formed by water, which has collected into streams, flowing down the slopes of the mountains. The volcanic cone, under these circumstances, frequently presents the - 158 - appearance of a partially opened umbrella. Owing to the impervious character of the materials composing tuff-cones, their craters are frequently found to be occupied by lakes.
Tufas have usually a white or yellowish-brown colour, and these are the colours exhibited by the cones composed of this material before they become covered by vegetation. Tufas scoriæ, and lavas usually crumble down to form a very rich soil, and many of the choicest wines are produced from grapes grown on the fertile slopes of volcanic mountains. When, however, as not unfrequently happens, the materials are finely divided and incoherent, they are so easily driven about by the winds that cultivation of any kind is rendered almost impossible. In the Islands of Stromboli and Vulcano the gardens have to be surrounded by high fences to prevent them from being overwhelmed by the ever-shifting masses of volcanic sand.
- 159 -
There are some cones which are composed in part of scoriæ and in part of tufa. Hence we are sometimes at a loss whether to group them with the one class of cones or the other. But in the majority of cases, scoria- and tuff-cones present the sufficiently well-marked and distinctive characters which we have described.
Lava-cones differ quite as greatly in their forms as do the cones composed of fragmentary materials, the variations being principally determined by the degree of liquidity of the lavas.
We sometimes find that outwelling masses of lava, when issuing in small quantities from a vent, accumulate in cauliflower-shaped masses, or sometimes in the form of a column, or bottle. Professor J. D. Dana describes many such fantastically-formed masses of lava as being found in Hawaii, one of which is represented in fig. 25 (p. 100).
When the lava issues from the vent in great quantities it tends to flow on all sides of it, and to build up a great conical heap above the orifice. If the lava be very liquid it flows to great distances, resting at a very slight slope. Thus we find that the volcanoes of Hawaii have been built up of successive ejections of very liquid lava, which have formed cones having a slope of only 6° to 8°, but of such enormous dimensions that the diameter of their bases is seventy miles and their height 14,000 feet.
- 160 -
If, on the other hand, the lava be viscid, or very imperfectly liquid in character, it tends to accumulate immediately around the vent; fresh ejections force the first extruded matter outwards, in the manner so well illustrated by Dr. Reyer's experiments, and at last a more or less steep-sided bulbous mass is formed over the vent. Such bulbous masses, composed of imperfectly fluid lavas, occur in many volcanic districts, and constitute hills of considerable size. From the tendency of matters thus extruded to choke up the vents, however, these volcanoes composed of viscid lavas cannot be expected to attain the vast dimensions reached by some of those composed of very liquid lavas. The difference in the forms of lava-cones composed of very fluid or of somewhat viscid materials is illustrated in fig. 58. When the interior of such steep-sided volcanic mountains composed of viscid materials is exposed by the action of denuding forces, the peculiar internal structure we have described is displayed by - 161 - them. In the Chodi-Berg of Hungary, a great bulbous mass of andesitic rock, this endogenous structure is admirably displayed. It is also well seen in the excavation of the hill of the Grand Sarcoui, a similar mass, composed of altered trachyte, which has been erupted in the midst of a scoria-cone in the Auvergne. See fig. 44 (p. 126).
Most of the great volcanic mountains of the globe belong to the class of 'composite cones,' and are built up by alternate ejections of fluid lava and fragmentary materials. The slope of the sides in such composite cones is subject to a wide range of variation, being determined in part by the degree of liquidity of the lavas, in part by the nature of the fragmentary materials ejected, and in part by the proportions which the fragmentary and lava-ejections bear to one another.
But there is another set of causes which tends to modify the form and character of these composite, volcanic cones. As we have already pointed out, the sides of such cones are liable to be rent asunder from time to time, and the fissures so produced are injected with masses of liquid lava from below. These fissures, rent in the sides of volcanic cones, often reach the surface and eruptive action takes place, giving rise to the formation of a cone, or series of cones, upon the line of the fissure (fig. 61). Such small cones thrown up on the flanks of a great volcanic mountain are known as 'parasitic cones'; though subordinate to the great mountain mass, they may be in themselves of - 162 - considerable dimensions. Among the hundreds of parasitic cones which stud the flanks of Etna, there are some which are nearly 800 feet in height.
The building up of parasitic cones upon the flanks of a volcanic mountain tends, of course, to destroy its regular conical form. This may be well seen in Etna, which, by the accumulation of materials upon its flanks, has become a remarkably 'round-shouldered' mountain. (See figs. 62 and 63.) At the same time it must - 163 - be remembered that materials erupted from the central vent tend to fill up the hollows between these parasitic cones, and thus to restore to the mountain its regularly conical form.
| a, a, a. The semi-circular crater-ring of Epomeo. | |||
| b, c, d. Lava-currents which have flowed from the principal crater. | |||
| e, f, g, h. Plateaux formed by ancient lava-currents. | |||
| k. | Montagnone. | Parasitic cones and craters on the slopes of the mountain. | |
| l. | Monte Rotaro. | ||
| m. | Monte Tabor. | ||
| n. | Castiglione. | ||
| o. | Lago di Bagno. | ||
| p. | The Cremate. | ||
| r. Lava-stream of the Arso, which flowed from the Cremate in 1301. | |||
| x, x, x. Raised beaches on the shores of the island, showing that it has recently undergone elevation. | |||
- 164 -
The Island of Ischia is a good example of a great volcanic cone the flanks of which are covered with numerous small parasitic cones. While the great central volcano has evidently been long extinct, and one side of its crater-wall is completely broken down, some of the small parasitic cones around its base have been formed within the historical period—one of them as recently as the year 1302. Fig. 64 is a plan of the Island of Ischia, showing the numerous parasitic cones scattered over the slopes of the principal cone.
In one case we find that a parasitic cone, the Monte Rotaro, has itself a similar smaller cone, which is parasitic to it, at its foot; this secondary parasitic cone gives off a small lava-stream of trachyte, which has flowed down to the sea. (See fig. 65.)
- 165 -
Most great volcanic mountains exhibit a tendency towards a subsidence of their central portions, which may take place either during or subsequently to their period of activity. When we examine the strata upon which a volcano has been built up, but which are now exposed to our study by denuding forces, we usually find that they incline towards the centre of the eruptive activity. (See figs. 66 and 67.) Two causes may contribute to bring about this result. In the first instance, we must remark that the piling up of materials around the volcanic vent causes the subjacent - 166 - strata to be subjected to a degree of pressure far is excess of that which acts upon the surrounding rocks. And secondly, it must be borne in mind that the continual removal of material from below the mountain must tend to the production of hollows, into which the overlying strata will sink. The effect of this central subsidence is to give to the flanks of volcanic cones those beautifully curved outlines which constitute so striking a feature in Vesuvius (see fig. 17, p. 87), Fusiyama (see fig. 77, No. 1, facing p. 178), and many other volcanic mountains.
There seems, at first sight, to be scarcely any limit to the dimensions which these great composite volcanic cones may attain: the lateral eruptions tending to enlarge the area of the base of the mountain, and, by the injection of the fissures, to knit together and strengthen its structure, while the central eruptions continually increase the elevation of the mass. Great, however, as is the force which is concerned in the production of our terrestrial volcanoes, it has its limits; and, at last, the piling up of materials will have gone on to such an extent, that the active forces beneath the volcano are no longer competent either to raise materials to the elevated summit of the mountain or to tear asunder its strengthened and fortified flanks. Under these circumstances, the volcanic forces, if they have not already exhausted themselves, will be compelled to find weak places in the district surrounding the volcano, at which fissures may be produced and the phenomena of eruption displayed.
- 167 -
Some volcanic cones exhibit evidence that during the series of eruptions by which they have gradually been built up, the centre of volcanic action has shifted to another point within the mountain. Thus Lyell has shown, in the case of Etna, that during the earlier periods in the history of the mountain the piling up of materials went on around a centre which is now situated at a distance of nearly four miles from the present focus of eruptive activity. Some of our old British volcanoes, of which the denuded wrecks exist in the Western Isles of Scotland, show similar evidence of a shifting of the axis of eruption.
One of the most conspicuous features of a volcanic cone is the great depression or crater found at its summit. In describing the internal structure of volcanic cones, we have seen how these craters are produced and acquire their inverted conical form, by the slipping and rolling back of materials towards the centre of eruptive action.
Almost all volcanic cones exhibit craters, but in those which are formed entirely by the outwelling of viscid lavas the central depression is often slight and inconspicuous, and occasionally altogether wanting. It frequently happens, however, that eruptive action has ceased at the centre of a volcano, and its summit-crater may by denudation be entirely destroyed, while new and active craters are formed upon its flanks. Stromboli furnishes us with an admirable example of this kind (see fig. 1, facing p. 10). Other volcanoes - 168 - may exhibit several craters, one at the summit of the mountain and others upon its flanks. Of this we find a good example in Vulcano (fig. 6, p. 43).
When a volcano has been built up by regular and continuous eruptions from the same volcanic vent, the size of the crater remains the same, while the volcano continually grows in height and in the diameter of its base. The size of the crater will be determined by the eruptive force at the volcanic centre, the size of the mountain by the duration of the volcanic activity and the quantity of material ejected. In the earliest stage of its history, such a volcano will resemble Monte Nuovo, which has a crater reaching down almost to the base of the mountain; in the later stages of its history, such a volcano will resemble Cotopaxi (fig. 68) and Citlaltepetl (fig. 69), in which the crater, though of far - 169 - greater absolute dimensions than that of Monte Nuovo, bears but a small proportion to the vast cone at the summit of which it is situated.
In the great majority of volcanoes, however, eruptive action does not go on by any means regularly and continuously, but terrible paroxysmal outbursts occur, which suddenly enlarge the dimensions of the crater to an enormous extent.
In the year 1772, there occurred a volcanic eruption in the Island of Java, which is perhaps the most violent and terrible that has happened within the historical period. A lofty volcanic cone, called Papandayang, 9,000 feet high, burst into eruption, and, in a single night, 30,000,000,000 cubic feet of materials were - 170 - thrown into the atmosphere, falling upon the country around the mountain where no less than forty villages were buried. After the eruption, the volcano was found to have been reduced in height from 9,000 to 5,000 feet, and to present a vast crater in its midst, which had been formed by the ejection of the enormous mass of materials.
Many similar cases might be cited of the removal of a great part of a mountain-mass by a sudden, paroxysmal outburst. In some cases, indeed, the whole mass of a mountain has been blown away during a terrific eruption, and the site of the mountain is now occupied by a lake. This is said to have been the case with the Island of Timor, where an active volcano, which was visible from a distance of 300 miles at sea, has entirely disappeared.
The removal of the central portion of great volcanic mountains by explosive action, gives rise to the formation of those vast, circular, crater-rings of which such remarkable examples occur in many volcanic districts. These crater-rings present a wall with an outer slope agreeing with that of the volcanic cone of which they originally formed a part, but with steep inner cliffs, which exhibit good sections of the beds of tuff, ash, and lava with the intersecting dykes of which the original volcano was built up. Near Naples, one of these crater-rings, with sloping outer sides and steep inner ones, is employed to form the royal game-preserve of Astroni, the only entrance to the crater being closed by gates.
- 171 -
As these crater-rings are usually composed of materials more or less impervious to water, they often become the site of lakes. The beautiful circular lake of Laach, in the Rhine Provinces, with the numerous similar examples of Central Italy—Albano, Nemi, Bracciano, and Bolsena—the lakes of the Campi Phlegræi (Agnano, Avernus, &c.), and some similar lakes in the Auvergne, may be adduced as examples of crater-rings which have become the site of lakes.
One of the most beautiful of the crater-lakes in the Auvergne is Lac Paven (fig. 70), which lies at the foot of a scoria-cone, Mont Chalme, and is itself surrounded by masses of ejected materials. The crater-lake of Bagno, in Ischia (fig. 71), has had a channel cut between it and the sea, so that it serves as a natural harbour. The lake of Gustavila, in Mexico (fig. 72), is an example of a crater-lake on a much larger scale.
- 172 -
In many of these crater-rings the diameter of the circular space enclosed by them is often very great indeed as compared with the height of the walls.
Two of the largest crater-rings in the world are found in Central Italy, and are both occupied by lakes, the circular forms of which must strike every observer. The Lago di Bracciano, which lies to the north-west of Rome, is a circular lake six and a half miles in diameter, surrounded by hills which at their highest point rise to the height of 1,486 feet above the sea, while the surface - 173 - of the waters of the lake is 640 feet above the sea-level. The Lago di Bolsena is somewhat less perfectly circular in outline than the Lago di Bracciano; it has a length from north to south of ten-and-a-quarter miles and a breadth from east to west of nine miles; the surface of the waters of this lake is 962 feet above that of the waters of the Mediterranean. The lake of Bolsena, like that of Bracciano, is surrounded by hills composed of volcanic materials; the highest points of this ring of hills rise to elevations of 684, 780, and 985 feet respectively above the waters of the lake.
In these great circular lakes of Bolsena and Bracciano, as well as in the smaller ones of Albano, Nemi, and the lakes of Frascati in the same district, the vast circular spaces enclosed by them, the gradual outer slope of the ring, and the inner precipices which bound the lake, all afford evidence of the explosive action to which they owe their origin.
But while the vast crater-rings we have mentioned are frequently found to be occupied by lakes, there are many other similar crater-rings which remain dry, either from the materials of which they are composed being of more pervious character, or from rivers having cut a channel through the walls of the crater, in this way draining off its waters.
Thus in the Campi Phlegræi, while we have the craters of Agnano and Avernus forming complete circular lakes, Astroni has only a few insignificant lakelets on its floor, and the Pianura, the Piano di Quarto, - 174 - which have each a diameter of three or four miles, with many others, remain perfectly dry. In the vicinity of the great crater-lakes of Central Italy we find the crater-ring of the Vallariccia, which has evidently once been a lake but is now drained, its floor being covered with villages and vineyards.
A comparison of these vast crater-rings leads us to the conclusion that in the majority of cases, if not in every instance, they are composed almost entirely of volcanic tuff and dust. In the case of the more solidly-built composite volcanic cones, the volcanic forces, as we have seen, produce fissures in the mass, and along these fissures parasitic cones are thrown up, the tension of the mass of imprisoned vapours below the mountain being thus from time to time relieved. But in the case of a volcanic cone composed of loose fragmentary materials, such temporary relief is impossible. The cracks, as soon as they originate, will be filled up and choked by the falling in of materials from above and at their sides. In this way the eruptive action will be continually repressed, till at last the imprisoned vapours acquire such a high state of tension that the outburst, when it occurs, is of the most terrible character, and the whole central mass of the volcano is blown into the air. It may often seem surprising that the ejection of such vast masses of material from the centre of a volcanic cone does not effect more in the way of raising the height of the crater-walls. But it must be remembered that, in the case of craters of such vast area, the majority of the - 175 - ejected materials must fall back again within its circumference. By repeated ejections these materials will at last be reduced to such an extreme state of comminution that they can be borne away by the winds, and spread over the country to the distance of hundreds or thousands of miles. After great volcanic outbursts enormous areas are thus found covered with fine volcanic dust to the depth of many inches or feet.
Sometimes, as in the case of the Lago di Bracciano, the eruptive forces appear to have entirely exhausted themselves in the prodigious outburst by which the great crater was produced. But in other cases, as in that of the Lago di Bolsena, the eruptive action was resumed at a later date, and small tuff-cones were thrown up upon the floor of the crater; these now rise as islands above the surface of the lake. In other cases, again, the eruptive action was resumed after the - 176 - formation of the great crater-ring, with such effect that bulky volcanic cones were built up in the midst of the crater-ring which surrounds them like a vast wall; examples of this are exhibited in the extinct volcanoes of Rocca Monfina and Monte Albano. Some of the grandest volcanoes of the globe, such as Teneriffe (fig. 73), the volcanoes of Mauritius and Bourbon (figs. 74 and 75), and many others that might be cited, are thus found to be surrounded by vast crater-rings. Vesuvius itself is surrounded by the crater-ring of Somma (fig. 76).
- 177 -
This formation of cone within crater, often many times repeated, is very characteristic of volcanoes. The craters mark sudden and violent paroxysmal outbursts, the cones are the result of more moderate but long-continued ejection. Sometimes, as at Vesuvius in 1767 (fig. 15, p. 85), we find a nest of craters and cones which very strikingly exemplifies this kind of action.
We shall point out, hereafter, that at most volcanic centres the ejection of trachytic lavas precedes that of the basaltic lavas. Now it is these trachytic lavas which principally give rise to the formation of the light lapilli of which tuff-cones are formed. Hence it is that we so frequently find, as in the case of Vesuvius, Rocca-Monfina, and many other volcanoes, that a great crater-ring, largely composed of tuffs, encloses a cone built up of more basic lavas.
- 178 -
In fig. 77 we have shown by a series of outline sections the various forms assumed by volcanoes in consequence of the different kinds of eruptive action going on in them:—
1. Is an outline of Fusiyama, an almost perfect cone, with a small crater at its summit. The sides of this volcano admirably illustrate the beautiful double curves characteristic of volcanic cones.
2. Hverfjall in Iceland, a volcanic cone with a large crater, reaching almost to its base.
3. The crater-lake of Bracciano, in which the area of the crater is out of all proportion to the height of the crater-walls.
4. Rocca-Monfina, in Southern Italy, a tuff-cone of large dimensions, in the midst of which an andesitic lava-cone has been built up.
5. Teneriffe, in the Canary Islands, in which a perfect volcanic cone has been built up in the centre of an encircling crater-ring.
6. Vulcano, in the Lipari Islands, in which, by the shifting of the centre of volcanic activity along a line of fissure, a series of overlapping volcanic cones has been produced.
- 179 -
While speaking of the varieties of form assumed by volcanic cones and craters, we must not forget to notice the effects which are produced by denuding forces upon them. In the case of submarine volcanoes, like the celebrated island called by the English Graham Isle, by the French Isle Julie, and by the Germans the Insel Ferdinandez (fig. 78), which was thrown up off the coast of Sicily in 1831, it was evident that volcanic outbursts taking place at some depth below the level of the sea gradually piled up a cone of scoriæ with a crater in its midst. By constant accessions to its mass, this scoria-cone was eventually raised above the sea-level, but the action of the waves upon the loose materials soon destroyed the crater-walls and eventually reduced the island to a shoal. It is evident that in all cases in which eruptions take place beneath the sea-level, and the loose materials are exposed during their accumulation to the beating of the sea-waves, the form of the volcanic cone so produced will be greatly modified by the interaction of the two sets of opposed causes, the eruptive forces from below and the distributive action of the sea-waves.
- 180 -
Craters when once formed are often rent across, along the line of the fissure above which they are thrown up. Thus the crater of Vesuvius was in 1872 rent completely asunder on one side, so that it was possible to climb through the fissure thus produced and reach the bottom of the crater. Streams flowing down the sides of the crater, and escaping through such a rent, may in the end greatly modify the form and disguise the characters of a volcanic crater. Of this kind of action we have a striking example in the Val del Bove of Etna.
Volcanoes, as we shall point out in the sequel, are after their extinction frequently submerged beneath the waters of the ocean. The sea entering the craters, eats back their cliff-like sides and enlarges their areas. Such denuded waters are called 'calderas,' the channels into them 'barrancos.'
Sometimes the action of the waves upon a partially submerged volcano has led to the cutting back of its slopes into steep cliffs, at the same time that the crater-ring is enlarged. In such cases we have left a more or less complete rocky ring, composed of alternating lavas and fragmentary materials. Of such a ruined crater-ring, the Island of St. Paul in the South Atlantic affords an admirable example.
When the action of denudation has gone still further, all the lavas and tuffs composing the cone may be completely removed and nothing left but masses of the hard and highly-crystalline rocks which have cooled - 181 - down slowly in the heart of the volcano. An example of this kind is afforded to us by St. Kilda, the remotest member of the British Archipelago.
But although the majority of volcanic craters are clearly formed by explosive action, there are some craters, like those of Kilauea in Hawaii, which probably owe their origin to quite a different set of causes. In this case the explosive action at the vent is but slight, and the crater, which is of very irregular form, appears to have originated in a fissure, which has been slowly enlarged by the liquid lavas encroaching upon and eating away its sides. Such craters as these, however, appear to be comparatively rare.
Besides the great volcanic mountains composed of lava, scoriæ, tuff and ash, there are other structures which are formed around volcanic vents even when these do not eject molten rock-masses. The water which issues in these cases either as steam or in a more or less highly heated condition frequently carries materials in suspension or solution, and these sometimes accumulate in considerable quantities around the vent.
When fissures are formed in the midst of loose argillaceous materials, such as are frequently produced by the decomposition of volcanic rocks, the waters which issue through them are sometimes so charged with muddy matter that this accumulates to form cones having all the general characters of volcanic mountains, and which occasionally rise to the height of 250 feet. - 182 - The gases and vapours which issue from these 'mud-volcanoes' are those which are known to be emitted from volcanic vents at which the action going on is not very intense. Daubeny and others have suggested that these mud-volcanoes may be the result of actions which have little or no analogy with those which take place at ordinary volcanic vents, and that the combustion of subterranean beds of sulphur and similar causes would be quite competent to their production. But inasmuch as these mud-volcanoes are almost always situated in regions in which the more powerful volcanic action has only recently died away, and the gases and vapours emitted by them are very similar in character to those which issue from volcanoes, there does not appear to be any good reason for doubting that they should be classed as truly volcanic phenomena.
Mud-volcanoes are found in Northern Italy near Modena, in Sicily near Girgenti, on the shores of the Sea of Azof and the Caspian, in Central America, and in other parts of the globe. The gas frequently escapes from them with such violence that mud is thrown into the air to the height of several hundreds of feet. Sometimes this gas is inflammable, consisting of sulphuretted hydrogen, hydrogen, or some hydrocarbons, and these gases occasionally take fire, so that true flames issue from these mud-volcanoes. In other cases the mud-volcanoes appear to be formed by either hot or cold springs containing large quantities of suspended materials, and the liquid mud issues from the vent without any violent eruptive action.
- 183 -
The soluble materials which waters issuing from volcanic vents deposit on their sides are chiefly silica and carbonate of lime.
Hot springs, whether intermittent or constant, often contain large quantities of silica in solution. The solution of this silica is effected, at the moment of its separation from combination with the alkali or alkaline earths, during the decomposition of volcanic rocks, and is favoured by the presence of alkaline carbonates in the water, and the high temperature and the pressure under which it exists in the subterranean regions. When the water reaches the surface and, being relieved from pressure, begins to cool down the silica is deposited. By this deposited silica the basins around the geysers of Iceland are formed. Sometimes conical structures are built up around the vents of hot springs by the deposition of silica from their waters. - 184 - Examples of this kind abound in the National Park of Colorado, where they have received fanciful names, such as the Beehive, Liberty Gap, &c. This deposited silica is known to geologists as sinter. The forms of some of the structures which surround the orifices of geysers is shown in fig. 79. The 'Liberty Cap' is an extinct geyser-cone fifty feet high and twenty feet in diameter.
Hot and cold springs rising in volcanic regions are often highly charged with carbonic acid, and in passing through calcareous rocks dissolve large quantities of carbonate of lime. Upon exposure to the atmosphere, the free carbonic acid escapes and the carbonate of lime is deposited in the form known as 'travertine.' Such springs occur in great numbers in many volcanic regions. In the Auvergne great rock-masses occur formed of carbonate of lime deposited from a state of solution and taking the form of natural aqueducts and bridges. In Carlsbad the numerous hot springs have deposited masses of pisolitic rock (Strudelstein) which have filled up the whole bottom of the valley, and upon these deposits the town itself is mainly built. In Central Italy the deposits of travertine formed by calcareous springs are of enormous extent and thickness: St. Peter's and all the principal buildings of Rome being constructed of this travertine or 'Tibur-stone.'
When springs charged with silica or carbonate of lime rise upon the slope of a hill composed of loose volcanic materials, they give rise to the remarkable structures known as sinter- and travertine-terraces (see - 185 - fig. 80). The water flowing downwards from the vent forms a hard deposit upon the lower slope of the hill, while the continual deposition of solid materials within the vent tends to choke it up. As a new vent cannot be forced by the waters through the hard rock formed below, it is originated a little higher up. Thus the site of the spring is gradually shifted farther and farther back into the hill. As deposition takes place along the surfaces over which this water flows, terraces are built up enclosing basins. Of structures of this kind we have remarkable examples in the sinter-terraces of Rotomahana in New Zealand and the travertine-terraces of the Gardiner's River in the Yellowstone Park district of the Rocky Mountains.
- 186 -
That a volcanic vent, when once established, may display intense activity during enormous periods of time, there cannot be the smallest reason for doubting; for the accumulation of materials around some existing volcanic centres must certainly have been going on during many thousands, perhaps millions, of years. To us, whose periods of observation are so circumscribed, it may therefore at first sight appear a hopeless task to trace the 'life-history of a volcano,' to discover the stages of its development, and to indicate the various episodes which have occurred during the long periods it has been in existence. But when it is remembered that we have the opportunity of studying and comparing hundreds of such volcanoes, exhibiting every varying phase of their development, we shall see that such an attempt is by no means so unpromising as it at first sight appears to be. In the present chapter, we shall give an account of the results which have already been obtained by inquiries directed to this object.
- 187 -
There is not the smallest room for doubt that during the past history of our globe, exhibitions of subterranean energy have occurred at many different parts of its surface. There is further evidence that at the several sites where these displays of the volcanic forces have taken place, the succession of the outbursts has run through a regular cycle, gradually increasing in intensity to a maximum, and then as gradually dying away.
A little consideration will show that the first portion of this cycle of events is the one which it is most difficult to examine and study. The products of the earlier and feeble displays of volcanic activity, at any particular centre, are liable to be destroyed, or masked, during the ejection of overwhelming masses of materials in the later stages of its more matured energy. That the feeble displays of volcanic force now exhibited in some localities will gradually increase in intensity in the future, and eventually reach the grandest stage of development, there can be no reason for doubting. But, unfortunately, we are quite unable to discriminate these feeble manifestations, which are the embryonic stages in the development of grand exhibitions of the volcanic forces, from slight outbursts which die away and make no farther sign.
From what has been proved concerning the true nature of volcanic action, however, it is certain that the first step towards the exhibition of such action, at any particular locality, must be the production of an - 188 - aperture in the earth's crust. Only by means of such an aperture can the vapours, gases, and rocky materials reach the surface, and give rise to the phenomena there displayed. There is reason to believe that all such apertures are really of the nature of fissures, or cracks, which have been opened through the superjacent strata by the efforts of the repressed subterranean forces.
Some recent writers have, it is true, endeavoured to draw a distinction between what they call 'fissure-eruptions,' and eruptions taking place from volcanic cones. But all volcanic outbursts are truly 'fissure-eruptions'—the subterranean materials finding their way to the surface through great cracks, which, in a more or less vertical position, traverse the overlying rock-masses. It is true that in many cases portions of these cracks soon get choked up, while other portions become widened, and the volcanic energy is concentrated at such spots. Thus the materials ejected from these fissures are usually emitted in greatest quantities at one or more points along the fissure, and a single great volcanic vent, or a row of smaller vents, is established upon the line at which the fissure reaches the surface.
We have seen that the amount of explosive action taking place at different volcanic vents varies according to the proportion of imprisoned water contained in the lava. In the cases where there is much explosive action, vast accumulations of scoriæ, lapilli, and dust - 189 - take place, and cones of great size are built up; but in those cases where the explosive action is small the lavas flow quietly from the vent, and only small scoriæ-cones are thrown up, these being probably soon swept away by the lava-currents themselves or by denuding agencies. But both kinds of eruption have equal claims to be called 'fissure-eruptions.'
In the expansive force of great masses of imprisoned vapour, we have a competent cause for the production of the fissures through which volcanic outbursts take place. Such fissures are found traversing the rocks lying above volcanic foci, and often extending to distances of many miles, or even hundreds of miles, from the centres of activity. Some of these cracks are found to be injected with fused materials from below, others have been more or less completely filled with various minerals that have been volatilized, or carried by superheated waters from the deeper regions of the earth's crust. That many of the cracks thus produced in the superjacent rocks, by the heaving forces of imprisoned vapour seeking to escape, never reached the surface, we have sufficient proof in many mining regions.
If we now transfer our attention from the deeper portions of the earth's crust to the surface, we can well understand how the attempts of the imprisoned vapours to force a passage for themselves through the solid rock-masses would lead to shocks and jars among the latter. Each of these shocks or jars would give - 190 - rise, in the surrounding portions of the earth's crust, to those vibrations which we know as earthquakes. The close connection between most earthquakes and volcanic phenomena is a fact that does not admit of the smallest doubt; and though it would be rash to define all earthquakes as 'uncompleted efforts to establish a volcano,' yet, in the efforts of the repressed subterranean forces to find a vent by the production of fissures in the overlying rock-masses, we have a cause competent to the production of those shocks which are transmitted to such enormous distances as waves of elastic compression.
We have seen that the production of the fissure upon which the small volcano of Monte Nuovo was thrown up was preceded by a succession of earthquakes, which for a period of over two years terrified the inhabitants of the district, and might have warned them of the coming event. In the same manner, doubtless, the period before the appearance of volcanic phenomena in a new area would be marked by powerful subterranean disturbances within it, due to the efforts of the imprisoned vapours to force for themselves a channel to the surface.
In the case of Monte Nuovo, we have seen that the fissure, when produced, emitted water—at first in a cold, then in a boiling condition—and, eventually, steam and scoriæ. It is probable that through the first cracks which reached the surface, during the heaving of the subterranean forces, water, charged with carbonic - 191 - acid, flowed abundantly, and that these cold springs, charged with carbonic acid and carbonate of lime, would be succeeded by others which were hot and contained silica in solution. In Hungary, the Western Isles of Scotland, and many other volcanic districts, we find abundant evidence that, before the eruption of lavas in the area, great masses of travertine and siliceous sinter were formed by the action of cold and hot springs.
As the volcanic action became more intense by the more perfect opening of the fissures, the evolution of carbonic add gas would be succeeded by the appearance of sulphurous acid, sulphuretted hydrogen, boracic acid, and hydrochloric acid, which recent studies have shown to be successively emitted from volcanic vents as the temperature within them rises. At last lava or molten rock becomes visible within the fissures, and the ejection of the frothy masses—scoriæ, pumice, lapilli and dust—commences, and this is sometimes succeeded by the outflow of currents of lava.
That volcanoes originate upon lines of fissure in the earth's crust we have the most convincing proofs. Not only have such fissures been seen in actual course of formation at Vesuvius, Etna, and other active volcanoes, but a study of the volcanoes dissected by denudation affords the most convincing evidence of the same fact. The remarkable linear arrangement seen in groups of volcanoes, which is conspicuous to the most superficial observer, confirms this conclusion.
- 192 -
- 193 -
We have described the action going on at Stromboli as typical of that which occurs at all volcanic vents. Stromboli is, however, one among a group of islands all of which are entirely of volcanic origin. The volcanoes of this group of islands, the Æolian or Lipari Islands, are arranged along a series of lines which doubtless mark fissures in the earth's crust. These fissures, as will be seen by the accompanying map (fig. 81), radiate from a centre at which we have proofs of the former existence of a volcano of enormous dimensions. It is a very interesting fact, which the studies of Prof. Suess have established, that the earthquakes which have so often desolated Calabria appear to have originated immediately beneath this great centre of volcanic activity.
When two volcanic cones are thrown up on the same line of fissure, their full development is interfered with, and irregularities in their form and characters are the consequence. In the plan (fig. 82) and the section (fig. 83) an example is given of the results of such a shifting of the centre of eruption along a line of fissure. - 194 - By the second outburst, one-half of the first-formed cone has been removed, and the second-formed overlaps the first.
Sometimes a number of scoria- or tuff-cones are thrown up in such close proximity to one another along a line of fissure, that they merge into a long irregular heap on the summit of which a number of distinct craters can be traced. An example of this kind was furnished by the line of scoria-cones formed above the fissure which opened on the flanks of Etna in 1865 (see fig. 84).
- 195 -
Even in the case of great composite cones, however, we sometimes find proofs of the centre of eruption having shifted its place along the line of fissure. No better example of this kind could possibly be adduced than that of the Island of Vulcano, with the peninsula of Vulcanello, which is joined to it by a narrow isthmus (see the map, fig. 81, p 192). In fig. 85 we have - 196 - given an enlarged plan of this island which will make its peculiar structure more intelligible (see also the section given in fig. 77, No. 6, facing p. 178).
The south-eastern part of the island consists of four crater-rings, one half of each of Which has been successively destroyed, through the shifting of the centre of eruption towards the north-west, along the great line of fissure shown in the general map (fig. 81). The last formed of these four crater-rings is the one which is now most complete, and culminates in Monte Saraceno (1581 ft.), a in the plan, the highest point in the island. The older crater-rings have been in part removed by the inroads of the waters of the Mediterranean on the shores of the island. In the centre of the great crater, b, which we have just described, rises the present active cone of Vulcano, 1,266 feet high, and having a crater, c, about 600 yards in diameter and more than 500 feet in depth. From this cone, a great stream of obsidian, e, flowed in the year 1775, and a small crater, d, the Fossa Anticha, has been opened in the side of the cone. The continuation of the same line of fissure is indicated by a ruined tuff-cone, f, known as the Faraglione, and the three scoria-cones of Vulcanello, g, h, which have been thrown up so close to one another as to have their lower portions merged in one common mass, as shown in fig. 86.
Even in volcanoes of the largest dimensions we sometimes find proofs of the centre of eruption having shifted along the line of fissure. Lyell showed that - 197 - such a change in the position of the central axis of the volcano had taken place in Etna, and the same phenomenon is exhibited in the clearest manner' by some of the ancient volcanoes of the Inner Hebrides, which have been dissected by the denuding forces.
In the case of the Lipari Islands, the fissures along which the volcanic mountains have been thrown up radiate from a common centre, and a similar arrangement can be traced in many volcanic regions, especially those in which a great central volcano has existed. In other cases, however, as in the Campi Phlegræi, the volcanic vents appear to be formed along lines which assume a parallel arrangement, and this doubtless marks the relative position of the original fissures - 198 - produced in the earth's crust when these volcanoes were formed. In some other cases we find evidences of the existence of a principal fissure from the sides of which smaller cracks originated. These three kinds of arrangements of volcano-producing fissures are equally well illustrated when we study those denuded districts, in which, as we have seen, the ground-plans of volcanic structures are revealed to our view.
There is now good ground for believing that in volcanic vents, at which long-continued eruptive action takes place, the lavas of different chemical composition make their appearance in something like a definite order. It had been remarked by Scrope and other geologists at the beginning of the present century, that in many volcanic areas the acid or trachytic lavas were erupted before the basic or basaltic.
Von Richthofen, by his studies in Hungary and the volcanic districts of the Rocky Mountains, has been able to enunciate a law governing the natural order of succession of volcanic products; and although some exception to this law may be mentioned, it is found to hold good for many other districts than those in which it was first determined.
In a great number of cases it has been found that the first erupted rocks in a volcanic district are those of intermediate composition which are known as andesites. These andesites, which are especially characterised by the nature of their felspar, sometimes contain free quartz and are then known as quartz-andesites - 199 - or dacites, from their abundance in Transylvania, the old Roman province of Dacia.
Von Richthofen suggests that another class of volcanic rocks, to which he gives the name of 'propylites,' were in every case erupted before the andesites, and in support of his views adduces the fact that in many instances propylites are found underlying andesites. But the propylites are, in chemical composition, identical with the andesites, and like them present some varieties in which quartz occurs, and others in which that mineral is absent. In their microscopic characters the propylites differ from the andesites and dacites only in the fact that the former are more perfectly crystalline in structure, being indeed in many cases quite undistinguishable from the diorites or the plutonic representatives of the andesites. The propylites also contain liquid cavities, which the andesites and dacites as a rule do not, and the former class of rocks, as Prof. Szabo well points out, are usually much altered by the passage of sulphurous and other vapours, in consequence of which they frequently contain valuable metallic ores.
The extrusion of these andesitic lavas is sometimes accompanied, and sometimes preceded or followed, by eruptions of trachytic lavas—that is, of lavas of intermediate composition which have a different kind of felspar from that prevailing in the andesites.
In the final stages of the eruptive action in most volcanic districts the lavas poured forth belong to the classes of the rhyolitic or acid, and the basaltic or basic lavas.
- 200 -
These facts are admirably illustrated in the case of the volcanic district of the Lipari Islands, to which we have had such frequent occasion to refer. The great central volcano of this district, which now in a ruined condition constitutes a number of small islets (see the map, fig. 81, p. 192), is composed of andesitic lavas. The other great volcanoes thrown up along the three radiating lines of fissure are composed of andesitic and trachytic rocks. But all the more recent ejections of the volcanoes of the district have consisted either of rhyolites, as in Lipari and Vulcano, or of basalts, as in Stromboli and Vulcanello.
Von Richthofen and the geologists who most strongly maintain the generalisations which he has made concerning the order of appearance of volcanic products, go much farther than we have ventured to do, and insist that in all volcanic districts a constant and unvarying succession of different kinds of lavas can be made out. It appears to us, however, that the exceptions to the law, as thus precisely stated, are so numerous as to entirely destroy its value.
The generalisation that in most volcanic districts the first ejected lavas belong to the intermediate group of the andesites and trachytes, and that subsequently the acid rhyolites and the basic basalts made their appearance, is one that appears to admit of no doubt, and is found to hold good in nearly all the volcanic regions of the globe which have been attentively studied.
The Tertiary volcanic rocks of our own country, those - 201 - of North Germany, Hungary, the Euganean Hills, the Lipari Islands, and many other districts in the Old World, together with the widespread volcanic rocks of the Rocky Mountains in the New World, all seem to conform to this general rule.
In connection with this subject, it may be well to refer to the ideas on the composition of volcanic rocks which were enunciated by Bunsen, and the theoretic views based on them by Durocher. Bunsen justly pointed out that all volcanic rocks might be regarded as mixtures in varying proportions of two typical kinds of materials, which he named the 'normal trachytic' and the 'normal pyroxenic' elements respectively. The first of these corresponds very closely in composition with the acid volcanic rocks or rhyolites, and the second with the basic volcanic rocks or basalts. Durocher pointed out that if quantities of these different materials existed in admixture, the higher specific gravity of the basic element would cause it gradually to sink to the bottom, while the acid element would rise to the top. Carrying out this idea still further, he propounded the theory that beneath the earth's solid crust there exist two magmas, the upper consisting of light acid materials, the lower of heavy basic ones; and he supposed that by the varying intensity of the volcanic forces we may have sometimes one or the other magma erupted and sometimes varying mixtures of the two.
The study of volcanic rocks in recent years has not lent much support to the theoretic views of Durocher - 202 - concerning the existence of two universal magmas beneath the earth's crust; and there are not a few facts which seem quite irreconcilable with such a theory. Thus we find evidence that in the adjacent volcanic districts of Hungary and Bohemia, volcanic action was going on during the whole of the latter part of the Tertiary period. But the products of the contemporaneous volcanic outbursts in adjacent areas were as different in character as can well be imagined. The volcanic rocks all over Hungary present a strong family likeness; the first erupted were trachytes, then followed andesites and dacites in great abundance, and lastly rhyolites and basalts containing felspar. But in Bohemia, the lavas poured out from the volcanoes during the same period were firstly phonolites and then basalts containing nepheline and leucite. It is scarcely possible to imagine that such very different classes of lavas could have been poured out from vents which were in communication with the same reservoirs of igneous rock, and we are driven to conclude that the Hungarian and Bohemian volcanoes were supplied from different sources.
But the undoubted fact that in so many volcanic regions the eruption of andesitic and trachytic rocks, which are of intermediate composition, is followed by the appearance of the differentiated products, rhyolite and basalt, which are of acid and basic composition respectively, lends not a little support to the view that under each volcanic district a reservoir of more or less completely molten rock exists, and that in these reservoirs - 203 - various changes take place during the long periods of igneous activity. During the earlier period of eruption the heavier and lighter elements of the contents of these subterranean reservoirs appear to be mingled together; but in the later stages of the volcanic history of the district, the lighter or acid elements rise to the top, and the heavier or basic sink to the bottom, and we have separate eruptions of rhyolite and basalt. We even find some traces of this action being carried still further. Among the basalts ejected from the volcanoes of Northern Germany, Bohemia, Styria, Auvergne, and many other regions, we not unfrequently find rounded masses consisting of olivine, enstatite, augite, and other heavier constituents of the rock. These often form the centre of volcanic bombs, and are not improbably portions of a dense mass which may have sunk to the bottom of the reservoirs of basaltic materials.
In consequence of the circumstance that the eruption of lavas of intermediate composition usually precedes that of other varieties, we usually find the central and older portions of great volcanoes to be formed of andesites, trachytes, or phonolites, while the outer and newer portions of the mass are made up of acid or basic lavas. This is strikingly exemplified in the great volcanoes of the Auvergne and the Western Isles of Scotland, in all of which we find that great mountain masses have, in the first instance, been built up by extrusions of lava of the intermediate types, and that through this central core fissures have been opened conveying - 204 - basic lavas to the surface. From these fissures great numbers of basaltic lava-streams have issued, greatly increasing the height and bulk of the volcanic cones and deluging the country all around.
The lavas of intermediate composition—the andesites, trachytes, and phonolites—possess, as we have already seen, but very imperfect liquidity as they flow from the volcanic vents. Hence we find them either accumulating in great dome-shaped masses above the vent or forming lava-streams which are of great bulk and thickness, but do not flow far from the orifices whence they issue. The more fusible basaltic lavas, on the other hand, spread out evenly on issuing from a vent, and sometimes flow to the distance of many miles from it. This difference in the behaviour of the intermediate and basic lavas is admirably illustrated in the volcanic districts of the Auvergne and the Western Isles of Scotland.
In other cases, like Vesuvius, we find that great volcanic cones of trachytic tuff have been built up, and that these masses of fragmentary trachytic materials have been surrounded and enclosed by the ejection, at a later date, of great outbursts of basaltic lavas. In still other cases, of which Rocca Monfina in Southern Italy constitutes an excellent example, we find that a great crater-ring of trachytic tuffs has been formed in the first instance, and in the midst of this a cone, composed of more basic materials, has been thrown up.
- 205 -
In all these volcanoes we see the tendency towards the eruption of intermediate lavas in the first instance, and of basaltic and acid lavas at a later date. Valuable, however, as are the early generalisations of Scrope, and the more precise law enunciated by Von Richthofen concerning the 'natural order of succession of volcanic products,' we must not forget that there are to be found a considerable number of exceptions to them. There are some volcanic centres from which only one kind of lava has been emitted, and this may be either acid, basic, or intermediate in composition; and on the other hand, there are districts in which various kinds of lava have been ejected from the same vents within a short period of time, in such a way as to defy every attempt to make out anything like a law as to the order of their appearance. Nevertheless the rules which we have indicated appear to hold good in so great a number of cases that they are well worthy of being remembered, and may serve as a basis on which we may reason concerning the nature of the action going on beneath volcanic vents.
From the study of the external appearances of volcanic mountains, combined with investigations of those which have been dissected by denudation, we are able to picture to our minds the series of actions by which the great volcanic mountains of the globe have been slowly and gradually built up.
In the first instance the eruptions appear to have taken place at several points along a line of fissure, but gradually all of these would become choked up except - 206 - one which became the centre of habitual eruption. From this opening, ejections, firstly of lavas of intermediate composition, and afterwards of basic materials, would take place, until a volcano of considerable dimensions was built up around it. But at last a point would be reached in the piling up of this cone, when the volcanic forces below would be inadequate to the work of raising the liquid lava through the whole length of the continually upward-growing tube of the volcano. Under these circumstances the expansive force of the imprisoned steam would find it easier to rend asunder the sides of the volcanic cone than to force the liquid material to the summit of the mountain. If these fissures reached the surface explosive action would take place, in consequence of the escape of steam from the glowing mass, and scoria-, tuff-, and lava-cones would be formed above the fissure. In this way, as we have already pointed out, the numerous 'parasitic cones' which usually abound on the flanks of the greater volcanic mountains have been formed. The extrusion of these masses of scoriæ and lava on the flanks of the mountain tends, not only to increase the bulk of the mass, but to strengthen and fortify the sides. For by the powerful expansive force at work below, every weak place in the cone is discovered and a fissure produced there; but by the extrusion of material at this fissure, and still more by the consolidation of the lava in the fissure, the weak place is converted into one of exceptional strength.
- 207 -
As the sides of the cone are thus continually repaired and strengthened they are rendered more capable of withstanding the heaving forces acting from below, and these forces can then only find vent for themselves by again raising the liquefied lava to the central orifice of the mountain. Many volcanoes, like Etna, exhibit this alternation of eruptive action from the crater at the summit of the mountain, and from fissures opened upon its flanks, the former tending to raise the height of the volcanic pile, the latter to increase its bulk.
But at last a stage will be reached when the volcanic forces are no longer able either to raise the lava up the long column of the central vent on the one hand, or to rend asunder the strongly-built and well-compacted flanks of the mountain on the other. It is probably under these conditions, for the most part, that the lavas find their way between the masses of surrounding strata and force them asunder in the way that we have already described.
In the case of the more fluid basaltic lavas, as was pointed out so long ago by Macculloch, the liquefied materials may find their way between the strata to enormous distances from the volcanic centre. Such extended flat sheets of igneous rock retain their parallelism with the strata among which they are intruded over large areas, and did not probably produce any marked phenomena at the surface.
But in the case of less fluid lavas, such as those of intermediate or acid composition, for example, the - 208 - effect would be far otherwise. Such lavas, not flowing readily from the centre of eruption, would tend to form great bulky lenticular masses between the strata which they forced asunder, and, in so doing, could not fail to upheave and fissure the great mountain-mass above. Vast lenticular masses of trachytic rock, thus evidently forced between strata, have been described by Mr. G. K. Gilbert, as occurring in the Henry Mountains of Southern Utah, and by him have been denominated 'laccolites,' or stone-cisterns. Whether the great basaltic sheets, like those described by Macculloch, and those more bulky lenticular reservoirs of rock of which Mr. Gilbert has given us such an admirable account, were in all cases connected with the surface, may well be a matter for doubt. It is quite possible that, in some cases, liquefied masses of rocky materials in seeking to force their way to the surface only succeeded in thus finding a way for themselves between the strata, and their energy was expended before the surface was reached and explosive action took place. But it is an undoubted fact that beneath many of the old volcanoes, of which the internal structure is now revealed to us by the action of denuding forces, great intrusive sheets and laccolites abound; and we cannot doubt that beneath volcanoes now in a state of eruption, or in those which have but recently become extinct, similar structures must be in course of formation.
That great upheaving forces have operated on - 209 - volcanoes, subsequently to the accumulation of their materials, we have sufficient evidence in the Val del Bove of Etna, the Caldera of Palma, the Corral of Madeira, &c. In all of these cases we find a radial fissure ('barranco') leading into a great crateral hollow; and these radial fissures are of such width and depth that their origin can only be referred to a disruptive force like that which would be exercised by the intrusion of masses of more or less imperfectly fluid material between the subjacent strata. These facts, of course, lend no countenance to the views formerly held by many geologists, both in Germany and France, that the materials of which volcanoes are built up were deposited in an approximately horizontal position, and were subsequently blown up like a gigantic bubble. In Etna, Palma, and Madeira we find abundant proofs that the mass existed as a great volcanic cone before the production of the fissures (barrancos), which we have referred to the force exercised during the intrusion of great igneous masses beneath them.
But besides the horizontally-disposed intrusive sheets and laccolites, great, radiating, vertical fissures are produced by the heaving forces acting beneath those volcanic centres which have been closed up and 'cicatrised' by the exudation from them of subterranean materials. These vertical intrusions, which we call dykes, like the horizontal ones, differ in character, according to the nature of the materials of which they are composed. Dykes of acid and intermediate - 210 - lava are usually of considerable width, and do not extend to great distances from the centres of eruption. Dykes composed of the more-liquid, basic lavas, on the other hand, may extend to the distance of hundreds of miles from the central vent. The way in which comparatively narrow, basaltic dykes are found running in approximately straight lines for such enormous distances is a very striking fact, and bears the strongest evidence to the heaving and expanding forces at work at volcanic centres, during and subsequently to the extrusion of the igneous products at the surface.
These basaltic dykes occur in such prodigious numbers around some volcanic vents, that the whole of the stratified rocks in the immediate vicinity are broken up by a complete network of them, crossing and interlacing in the most complicated fashion. Farther away from the vents, similar dykes are found in smaller numbers, evidently radiating from the same centre, and sometimes extending to a distance of more than a hundred miles from it. Nowhere can we find more beautiful illustrations of such dykes than in the Western Isles of Scotland. When composed of materials which do not so easily undergo decomposition as the surrounding rocks, they stand up like vast walls; but when, on the other hand, they are more readily acted on by atmospheric moisture than are the rocks which enclose them, they give rise to deep trenches with vertical sides, which render the country almost impassable.
- 211 -
The lava consolidating in these horizontal intrusions (sheets and laccolites), and the vertical intrusions (dykes), is usually more crystalline in structure than the similar materials poured out at the surface. In the same dyke or sheet, when it is of great width, we often find every variation—from a glassy material formed by the rapid cooling of the mass where it is in contact with other rocks, to the perfectly crystalline or granitic varieties which form the centre of the intrusion. It is in these dykes and other intrusions that we find the most convincing evidence of the truth of the conclusions, which we have enunciated in a former chapter, concerning the dependence of the structure of an igneous rock upon the conditions under which it has consolidated. One material is found, under varying conditions, assuming the characters of obsidian, rhyolite, quartz-felsite, or granite; another, under the same set of conditions, taking the form of tachylyte, basalt, dolerite, and gabbro.
That these great intrusive masses, sheets and dykes, in their passage between the sedimentary rocks sometimes find places where the overlying strata are of such thinness or incoherence that the liquefied rocks are able to force a way for themselves to the surface, we have the clearest proof. In some dykes we find the rock in their upper portions losing its compact character and becoming open and scoriaceous, showing that the pressure had been so far diminished as to allow of the imprisoned water flashing into steam.
- 212 -
All round great volcanoes which have become extinct we frequently find series of small volcanic cones, which have evidently been thrown up along the lines where the great lava-filled fissures, which we have been describing, have reached the surface and given rise to explosive action there. The linear arrangement of these small cones, which are thrown up in the plains surrounding vast volcanic mountains that have become extinct, is very striking. The numerous 'puys' of the Auvergne and adjoining volcanic regions of Central France are for the most part small scoria- and lava-cones which were thrown up along great lines of fissure radiating from the immense, central, volcanic mountains of the district, after they had become extinct. These scoria-cones and the small lava-streams which flow from them, as was so well shown by Mr. Scrope, mark the latest efforts of the volcanic forces beneath the district before they finally sank into complete extinction. In the Western Isles of Scotland, as I have elsewhere shown, we can study the formation of these later-formed cones in the plains around extinct volcanic mountains, with the additional advantage of having revealed to us, by the action of the denuding forces, their connection with the great radiating fissures.
It has been shown that the several stages in the decline of each volcanic outburst is marked by the appearance at the vent of certain acid gases. In the same way, after the ejection of solid materials from a volcanic vent has come to an end, certain gaseous - 213 - substances continue to be evolved; and as the temperature at the vents declines, the nature of the volatile substances emitted from them undergoes a regular series of changes.
M. Fouqué, by a careful series of analyses of the gases which he collected at different gaseous vents, or fumaroles as they are called, in the crater of Vulcano, has been able to define the general relations which appear to exist between the temperature at a volcanic orifice and the volatile substances which issue from it. He found that in fumaroles, in which the temperature exceeded 360° centigrade, and in which in consequence strips of zinc were fused by the stream of issuing gas, the analysis of the products showed sulphurous acid and hydrochloric add to be present in large quantities, and sulphuretted hydrogen and carbonic acid in much smaller proportions. Around these excessively heated fumaroles, the lips of which often appear at night to be red-hot, considerable deposits of sulphide of arsenic, chloride of iron, chloride of ammonium, boracic acid, and sulphur were taking place.
It was found, however, that as the temperature of the vent declined, the emission of the sulphurous acid and hydrochloric acid diminished, and the quantity of sulphuretted hydrogen and carbonic acid mingled with them was proportionately increased.
In the same way it appears to be a universal rule that when a volcanic vent sinks into a condition of temporary quiescence or complete extinction the powerfully - 214 - acid gases, hydrochloric acid and sulphurous acid, make their appearance in the first instance, and at a later stage these are gradually replaced by sulphuretted hydrogen and carbonic acid.
Of these facts we find a very beautiful illustration in the Campi Phlegræi near Naples. With the exception of Monte Nuovo, the volcano which has most recently been in a state of activity in that district is the Solfatara. From certain apertures in the floor of the crater of the Solfatara there issue continually watery vapours, sulphurous acid, sulphuretted hydrogen, hydrochloric acid, and chloride of ammonium. The action of these substances upon one another, and upon the volcanic rocks through which they pass, gives rise to the formation of certain chemical products which, from a very early period, have been collected on account of their commercial value. The action of these add gases upon the surrounding rocks is very marked; efflorescent deposits of various sulphates and chlorides take place in all the crevices and vesicles of the rock; sulphur and sulphide of arsenic are also formed in considerable quantities; and the trachytic tuffs, deprived of their iron-oxide, alkaline earths and alkalies, which are converted into soluble sulphates and chlorides, are reduced to a white, powdery, siliceous mass. Many volcanoes, which have sunk into a state of quiescence or extinction like the Solfatara of Naples, exhibit the same tendency to give off great quantities of the powerfully-acid gases which act upon the surrounding rocks, and - 215 - deprive them of their colour and consistency. Such volcanoes are said by geologists to have sunk into the 'solfatara stage.'
At the Lake of Agnano and some other points in the Campi Phlegræi, however, we find fissures from which the less-powerfully acid gases, sulphuretted hydrogen and carbonic acid, issue. These gases as they, are poured forth from the vents are found to be little, if at all, above the temperature of the atmosphere. Sulphuretted hydrogen is an inflammable gas, and in the so-called salses and mud-volcanoes, at which it is ejected in considerable quantities, it not unfrequently takes fire and bums with a conspicuous flame. Carbonic acid on account of its great density tends to accumulate in volcanic fissures and craters rather than to mingle with the surrounding atmosphere. At the so-called Grotto del Cane, beside the Lago Agnano, it is the custom to show the presence of this heavy and suffocating gas by thrusting a dog into it, the poor animal being revived, before life is quite extinct, by pouring cold water over it. At the Büdos Hegy or 'stinking hill' of Transylvania, carbonic acid and sulphuretted hydrogen are emitted in considerable quantities, and it is possible to take a bath of the heavy gas, the head being kept carefully above the constant level of the exhalations.
Although the stories of the ancient Avernian lake, across which no bird could fly without suffocation, and of the Guevo Upas, or Poison Valley of Java, which it has been said no living being can cross, may not - 216 - improbably be exaggerations of the actual facts, yet there is a basis of truth in them in the existence of old volcanic fissures and craters which evolve the poisonous sulphuretted hydrogen and carbonic acid gases.
Besides the gases which we have already named, and which are the most common at and characteristic of volcanic vents, there are some others which are not unfrequently emitted. First among these we must mention boracic acid, which, though not a remarkably volatile substance, is easily carried along in a fine state of division in a current of steam. At Monte Cerboli and Monte Rotondo in Tuscany, great quantities of steam jets accompanied by sulphuretted hydrogen and boracic acid issue from the rocks, and these jets being directed into artificial basins of water, the boracic acid is condensed and is recovered by evaporation. We have already noticed that boracic add is evolved with the gases at Vulcano and other craters; and the part which this substance plays in volcanic districts is shown by the fact that many of the rocks, filling old subterranean volcanic reservoirs, are found to be greatly altered and to have new minerals developed in their midst through the action upon them of boracic acid.
Ammonia and various compounds of carbon, nitrogen, and hydrogen are among the gases evolved from volcanic vents. In some cases these gases may be produced by the destructive distillation of organic materials in the sedimentary rocks through which volcanic outbursts take place. But it is far from impossible - 217 - that under the conditions of temperature and pressure which exist at the volcanic foci, direct chemical union may take place between substances, which at the surface appear to be perfectly inert in each other's presence.
When the temperature at volcanic fissures is no longer sufficiently high to cause water to issue in the condition of vapour or steam, as is the case at the 'stufas' which we have described, it comes forth in the liquid state. Water so issuing from old volcanic fissures may vary in its temperature, from the boiling point downwards.
When the water issues at a temperature little removed from the boiling point, it is apt to give rise to intermittent springs or geysers, the eruptions of which exhibit a remarkable analogy with those of ordinary volcanoes. Geysers may indeed be described as volcanoes in which heated water, instead of molten rock, is forced out from the vent by the escaping steam. They occur in great abundance in districts in which the subterranean action is becoming dormant or extinct, such as Iceland, the North Island of New Zealand, and the district of the National Park in the Rocky Mountains.
Many attempts have been made to explain the exact mechanism by which the intermittent action of geysers is produced, but it is not at all probable that any one such explanation will cover all the varied phenomena exhibited by them. Like volcanic outbursts, - 218 - geyser eruptions doubtless originate in the escape of bubbles of steam through a liquid mass, and this liberation of steam follows any relief of pressure. In districts where vast masses of lava are slowly cooling down from a state of incandescence, and surface waters are finding their way downwards while subterranean waters are finding their way upwards, there can be no lack of the necessary conditions for such outbursts. Sometimes the eruptions of geysers take place at short and regular intervals, at other times they occur at wide and irregular intervals of time. In some cases the outbursts take place spontaneously, and at others the action can be hastened by choking up the vent with stones or earth.
Other hot springs, like the Strudel of Carlsbad, rise above the surface in a constant jet, while most of them issue quietly and flow like ordinary springs.
Although the violent and paroxysmal outbursts of volcanic mountains arrest the attention, and powerfully impress us with a sense of the volcanic activity going on beneath the earth's surface, yet it may well be doubted whether the quantity of heat, which the earth gets rid of by their means, at all approaches in amount that which is quietly dissipated by means of the numerous 'stufas,' gaseous exhalations, and thermal springs which occur in such abundance all over its surface. For while the former are intermittent in their action, and powerful outbursts are interrupted by long periods of rest, the action of the latter, though feeble, is usually continuous.
- 219 -
Most people may regard the hot spring of Bath as a very slight manifestation of volcanic activity. This spring issues at a constant temperature of 49° C, or 120° Fahr. As, however, no less than 180,000 gallons of water issue daily from this source, we may well understand how great is the amount of heat of which the earth's crust is relieved by its agency. It may indeed be doubted whether its action in this way is not at least equal to that of a considerable volcano which, though so much more violent, is intermittent in its action.
Nor are thermal springs by any means ineffective agents in bringing materials from the interior of the earth's crust and depositing it at the surface. The Bath spring contains various saline substances, principally sulphates and chlorides, in solution in its waters. These are quietly carried by rivers to the sea, and are lost to our view. The spring has certainly maintained its present condition since the time of the Romans, and I find that if the solid materials brought from the interior of the earth during the last 2,000 years had been collected, they would form a solid cone equal in height to Monte Nuovo. Yet we usually regard the Campi Phlegræi as a powerfully-active volcanic district, and the subterranean action in our own country as quite unworthy of notice.
When we remember the fact that on the continent of Europe the hot and saline springs may be numbered by thousands, and that they especially abound in districts - 220 - like Hungary, the Auvergne, the Rhine provinces, and Central Italy, where volcanic action has recently become extinct, we shall be able to form some slight idea of the work performed by these agents, not only in relieving the earth's crust of its superfluous heat, but in transporting materials in a state of solution from the interior of that crust and depositing them at the surface. The vast deposits of siliceous sinter and of travertine also bear witness to the effects produced by hot and mineral springs.
Nor is the work of these springs confined to the surface. Mr. John Arthur Phillips has shown that metallic gold and the sulphide of quicksilver (cinnabar) have been deposited with the silica and other minerals formed on the sides of a fissure from which hot springs issue at the surface. There cannot be any doubt that the metallic veins or lodes, which are the repositories of most of the metals employed in the arts, have been formed in cracks connected with great volcanic foci, the transfer of the various sulphides, oxides, and salts which fill the vein having been effected either by solution, sublimation, or the action of powerful currents of steam.
As the igneous activity of the district declines, the temperature of the issuing gases and waters diminishes with it, until at last the volcanic forces appear to wholly abandon that region and to be transferred to another.
Yet even after all or nearly all indications of the volcanic agencies cease to make themselves visible at - 221 - the surface, occasional tremblings of the earth's crust show that perfect equilibrium has not been restored below, but that movements are taking place which result in shocks that are transmitted through the overlying and surrounding rock-masses as earthquake vibrations.
Such is the cycle of changes which appears to take place at each district of the earth's surface, as it successively becomes the scene of volcanic activity.
The invasion of any particular area of the earth's surface by the volcanic forces appears to be heralded by subterranean shocks causing earthquake vibrations. Presently the origination of fissures is indicated by the rise of saline and thermal springs, and the issuing of carbonic acid and other gases at the surface. As the subterranean activity becomes more pronounced, the temperature of the springs and emitted gases is found to increase, and at last a visible rent is formed at the surface, exposing the incandescent materials below.
From this open fissure which has thus been formed, the gas and vapours imprisoned in the incandescent rock-materials escape with such violence as to disperse the latter in scoriæ and dust, or to cause them to well out in great streams as lava-flows. Usually the action becomes concentrated at one or several points at which the ejected materials accumulate to form volcanic cones.
Sometimes the volcanic activity dies away entirely after these cones are thrown up along the line of fissure, - 222 - but at others some such centre becomes for a longer or shorter time the habitual vent for the volcanic forces in the district, and by repeated ejections of lavas and fragmentary materials at longer or shorter intervals the cone increases both in height and bulk.
When the height of the cone has grown to a certain extent, it becomes more easy for the volcanic energies below to rend the sides of the cone than to raise the molten materials to its summit. In this way lateral or parasitic cones are thrown up on the flanks of the volcanic mountain, the mass being alternately elevated and strengthened by the ejections from the summit and sides respectively.
When the volcanic energies no longer suffice to raise the fluid materials to the summit, nor to rend the sides of the volcano, fissures with small cones may be formed in the plains around the great central volcano.
At last, however, this energy diminishes so far that rock materials can no longer be forced to the surface, the fissures become sealed up by consolidating lava, and the volcanic cones fall into a condition of extinction and decay.
The existence of heated materials at no great depth from the surface is indicated by the outburst of gases and vapours, the formation of geysers, mud-volcanoes, and ordinary thermal springs. But as the underlying rocks cool down, the issuing jets of gas and vapour lose their high temperature and diminish in quantity, the geysers and mud-volcanoes become extinct, and the thermal - 223 - springs lose their peculiar character or disappear, and thus all manifestations of the igneous energies in the district gradually die away.
Such a cycle of changes probably requires many hundreds of thousands, or even many millions, of years for its accomplishment; but by the study of volcanoes in every stage of their growth and decline we are able to reconstruct even the minutest details of their history.
- 224 -
It is not by any means an easy task to frame an estimate of the number of volcanoes in the world. Volcanoes, as we have seen, vary greatly in their dimensions—from vast mountain masses, rising to a height of nearly 25,000 feet above the sea-level, to mere molehills; the smaller ones being in many cases subsidiary to larger, and constituting either parasitic cones on their flanks, or 'puys' around their bases. Volcanoes likewise exhibit every possible stage of development and decay: while some are in a state of chronic active eruption, others are reduced to the condition of solfataras, and others again have fallen into a more or less complete state of ruin through the action of denuding forces.
Even if we confine our attention to the larger volcanoes, which merit the name of 'mountains,' and such of these as we have reason to believe to be in a still active condition, our difficulties will be diminished, but not by any means removed. Volcanoes, as we have - 225 - seen, may sink into a dormant condition that may endure for hundreds or even thousands of years, and then burst forth into a state of renewed activity; and it is quite impossible, in many cases, to distinguish between the conditions of dormancy and extinction. Concerning certain small areas in Southern Europe, Western Asia, and Northern Africa, historical records, more or less reliable, extend back over periods of several thousands of years; but with regard to the greater part of the rest of the world we have no information beyond a few hundred years, and there are considerable areas which have been known only for far shorter periods, while some are as yet quite unexplored. In districts almost wholly uninhabited, or roamed over by nomadic tribes, legend and tradition constitute our only guides—and very unsafe ones they are—in the attempt to determine what volcanoes have recently been in a condition of activity.
We shall, however, probably be within the limits of truth in stating that the number of great habitual volcanic vents upon the globe, which we have reason to believe are still in an active condition, is somewhere between 300 and 350. Most of these active volcanic vents are marked by more or less considerable mountains, composed of the materials ejected from them. If we include the mountains which exhibit the external conical form, the crateral hollows, and other features of volcanoes, but concerning the activity of which we have no record or tradition, the number will - 226 - fall little, if anything, short of 1,000. The mountains composed of volcanic materials, but which have lost through denudation the external form of volcanoes, are still more numerous. The smaller temporary openings which are usually subordinate to the habitual vents, that have been active during the periods covered by history and tradition, must be numbered by thousands and tens of thousands. The still feebler manifestations of the volcanic forces—such as are exhibited in 'stufas,' or steam-jets, geysers, or intermittent hot springs, thermal and mineral waters, fumaroles, emitting various gases, salses or spouting saline and muddy springs, and mud volcanoes—may be reckoned by millions. It is not improbable that these less powerful manifestations of the volcanic forces, to a great extent make up in number what they want in individual energy; and the relief which they afford to the imprisoned activities within the earth's crust may be scarcely less than that which results from the occasional outbursts at the 300 or 350 great habitual volcanic vents.
In taking a general survey of the volcanic phenomena of the globe, no fact comes out more strikingly than that of the very unequal distribution, in different districts, both of the great habitual volcanic vents, and of the minor exhibitions of subterranean energy.
Thus, on the whole of the continent of Europe, there is but one habitual volcanic vent—that of Vesuvius—and this is situated upon the shores of the - 227 - Mediterranean. In the islands of the Mediterranean, however, there are no less than six volcanoes; namely, Stromboli and Vulcano, in the Lipari Islands; Etna, in Sicily; Graham's Isle, a submarine volcano, off the Sicilian coast; and Santorin and Nisyros, in the Ægean Sea.
The African continent is at present known to contain about ten active volcanoes—four on the west coast, and six on the east coast; about ten other active volcanoes occur on islands close to the African coasts. In Asia, twenty-four active volcanoes are known, but no less than twelve of these are situated in the peninsula of Kamtschatka. No volcanoes are known to exist in the Australian continent.
The American continent contains a greater number of volcanoes than the divisions of the Old World. There are twenty in North America, twenty-five in Central America, and thirty-seven in South America.
Thus, taken altogether, there are about one hundred and seventeen volcanoes situated on the great continental lands of the globe, while nearly twice as many occur upon the islands scattered over the various oceans.
Upon examining further into the distribution of the continental volcanoes, another very interesting fact presents itself. The volcanoes are in almost every case situated either close to the coasts of the continent, or at no great distance from them. There are, indeed, only two exceptions to this rule. In the - 228 - great and almost wholly unexplored table-land lying between Siberia and Tibet four volcanoes are said to exist, and in the Chinese province of Mantchouria several others. More reliable information is, however, needed concerning these volcanoes, situated, unlike all others, at a great distance from the sea.
It is a remarkable circumstance that all the oceanic islands which are not coral-reefs are composed of volcanic rocks; and many of these oceanic islands, as well as others lying near the shores of the continents, contain active volcanoes.
Through the midst of the Atlantic Ocean runs a ridge, which, by the soundings of the various exploring vessels sent out in recent years, has been shown to divide the ocean longitudinally into two basins. Upon this great ridge, and the spurs proceeding from it, rise numerous mountainous masses, which constitute the well-known Atlantic islands and groups of islands. All of these are of volcanic origin, and among them are numerous active volcanoes. The Island of Jan Mayen contains an active volcano, while Iceland contains thirteen, and not improbably more; the Azores have six active volcanoes, the Canaries three; while about eight volcanoes lie off the west coast of Africa. In the West Indies there are six active volcanoes; and three submarine volcanoes have been recorded within the limits of the Atlantic Ocean. Altogether, no less than forty active volcanoes are situated upon the great submarine ridges which traverse the Atlantic longitudinally.
- 229 -
But along the same line the number of extinct volcanoes is far greater, and there are not wanting proofs that the volcanoes which are still active are approaching the condition of extinction. At a somewhat earlier period of the earth's history the whole line of the present Atlantic Ocean was in all probability traversed by a chain of volcanoes on the very grandest scale; but submergence has taken place, and only a few portions of this great mountain range now rise above the sea-level, forming the isolated islands and island-groups of the Atlantic. Here and there among these a still active volcano exists.
But if the great medial chain of the Atlantic presents us with an example of a chain of volcanic mountains verging on extinction, we have in the line of islands separating the Pacific and Indian Oceans an example of a similar range of volcanic vents which are in a condition of the greatest activity. In the peninsula of Kamtschatka there are twelve active volcanoes, in the Aleutian Islands thirty-one, and in the peninsula of Alaska three. The chain of the Kuriles contains at least ten active volcanoes; the Japanese Islands and the islands lying to the south of Japan twenty-five. The great group of islands lying to the south-east of the Asiatic continent is at the present time the grandest focus of volcanic activity upon the globe. No less than fifty active volcanoes occur here. Farther south, the same chain is probably continued by the four active volcanoes of New Guinea, one or more - 230 - submarine volcanoes, and several vents in New Britain, the Solomon Isles, and the New Hebrides, the three active volcanoes of New Zealand, and possibly by Mount Erebus and Mount Terror in the Antarctic region. Altogether, no less than 150 active volcanoes exist in the chain of islands which stretch from Behring's Straits down to the Antarctic circle; and if we include the volcanoes on Indian and Pacific islands which appear to be situated on lines branching from this particular band, we shall not be wrong in the assertion that this great system of volcanic mountains includes at least one half of the habitually active vents of the globe.
A third series of volcanoes starts from near the last in the neighbourhood of Behring's Straits, and stretches along the whole western coast of the American continent. In this great range there are about eighty active volcanoes.
In considering the facts connected with the distribution of volcanoes upon the globe, the one which, by its striking character, seems to demand our attention in the first instance is that of the remarkable linear arrangement of volcanic vents. We have already seen that small scoria-cones are often thrown up on the flanks, or at the base, of a great volcanic mountain, along lines which are manifestly lines of fissure. In the eruption of Etna, in 1865, and again in that of 1874, Professor Silvestri, of Catania, witnessed the actual opening of great fissures on the north-east and - 231 - north sides of the mountain: and along the bottom of these cracks the glowing lava was clearly visible (fig. 84, page 194). In the course of a few days, there were thrown up a number of small scoria-cones along these lines of fissure—those formed on the fissure of 1865 being seven in number, and those on the fissure of 1874 being no less than thirty-six in number. Precisely familiar phenomena were witnessed upon the slopes of Vesuvius, in 1760, when a fissure opened on the south side of the mountain, and fifteen scoria-cones, which are still visible, were thrown up along it.
We have already considered the evidence pointing to the conclusion that systems of volcanoes, like that of the Lipari Islands, are similarly ranged along lines of fissures, and there is equally good ground for believing that the great linear bands of volcanoes, which, as we have seen, stretch for thousands of miles, have had their positions determined by great lines of fissure in the earth's crust. While, however, the smaller fissures, upon which rows of scoria-cones are thrown up, seem to have been in many cases opened by a single effort of the volcanic forces, the enormous fissures, which traverse so large a portion of the surface of the globe, are doubtless the result of numerous manifestations of energy extending over vast periods of time.
The greatest of these bands along which the volcanic forces are so powerfully exhibited at the present day, is the one which stretches from near the Arctic circle at Behring's Straits to the Antarctic circle at South - 232 - Victoria. The line followed by this volcanic band, which, as we have seen, includes more than one half of the active volcanoes of the globe, is a very sinuous one, and it gives off numerous offshoots upon either side of it. The great focus of this intense volcanic action may be regarded as lying in the district between the islands of Borneo and New Guinea. From this centre there radiate a number of great lines, along which the volcanic forces are exhibited in the most powerful manner. The first of these extends northwards through the Philippine Isles, Japan, the Kurile Islands, and Kamtschatka, giving off a branch to the east, which passes through the Aleutian Islands and the peninsula of Alaska. This band, along which the volcanic forces are very powerfully active, is continued towards the south-east in the New Britain, the Solomon Islands, Santa Cruz, the New Hebrides, New Zealand, and South Victoria. East and west from the great central focus there proceed two principal branches. The former of these extends through the Navigator Islands and Friendly Islands as far as Elizabeth Islands. The latter passes through Java, and then turns north-westward through Sumatra, the Nicobar Islands, the Andaman Islands up to the coast of Burmah.
The great band which we have been describing exhibits the most striking examples of volcanic activity to be found upon the globe. Besides the 150 or more volcanoes which are known to have been in a state of activity during the historical period, there are several - 233 - hundred very perfect volcanic cones, many of which appear to have but recently become extinct, if indeed, they are not simply in a dormant condition. For long distances these chains of volcanic cones are almost continuous, and the only very considerable breaks in the series are those between New Zealand and the New Hebrides on the one hand, and between the former islands and South Victoria on the other.
Much less continuous, but nevertheless very important, is the great band of volcanoes which extends along the western side of the great American continent, and contains, with its branches, nearly a hundred active volcanoes. On the north this great band is almost united with the one we have already described by the chain of the Aleutian and Alaska volcanoes. In British Columbia about the parallel of 60° N. there exist a number of volcanic mountains, one of which, Mount St. Elias, is believed to be 18,000 feet in height, and several of these have certainly been seen in a state of eruption. Farther south in the part of the United States, territories drained by the Columbia River, a number of grand volcanic mountains exist, some of which are probably still active, for geysers and other manifestations of volcanic activity abound. From the southern extremity of the peninsula of California an almost continuous chain of volcanoes stretches through Mexico and Guatemala, and from this part of the volcanic band a branch is given off which passes through the West Indies, and forms a connection with the great - 234 - volcanic band of the Atlantic Ocean. In South America the line is continued by the active volcanoes of Ecuador, Bolivia and Chili, but at many intermediate points in the chain of the Andes extinct volcanoes occur, which to a great extent fill up the gaps in the series. A small offshoot to the westward passes through the Galapagos Islands. The great band of volcanoes which stretches through the American continent is second only in importance, and in the activity of its vents, to the band which divides the Pacific from the Indian Ocean.
The third volcanic band of the globe is that which traverses the Atlantic Ocean from north to south. This series of volcanic mountains is much more broken and interrupted than the other two, and a greater proportion of its vents are extinct. This chain, as we shall show in a future chapter, attained its condition of maximum activity during the distant period of the Miocene, and now appears to be passing into a state of gradual extinction. Beginning in the north with the volcanic rocks of Greenland and Bear Island, we pass southwards, by way of Jan Mayen, Iceland, and the Faroe Islands, to the Hebrides and the north of Ireland. Thence by way of the Azores, the Canaries and the Cape de Verde Islands, with some active vents, we pass to the ruined volcanoes of St. Paul, Fernando de Noronha, Ascension, St. Helena, Trinidad and Tristan d'Acunha. From this great Atlantic band two branches proceed to the eastward, one through Central Europe, where all the vents are now extinct, and the other - 235 - through the Mediterranean to Asia Minor, the great majority of the volcanoes along the latter line being now extinct, though a few are still active. The vol canoes on the eastern coast of Africa may be regarded as situated on another branch from this Atlantic volcanic band. The number of active volcanoes on this Atlantic band and its branches, exclusive of those in the West Indies, does not exceed fifty.
From what has been said, it will be seen that, not only do the volcanoes of the globe usually assume a linear arrangement, but nearly the whole of them can be shown to be thrown up along three well-marked bands and the branches proceeding from them. The first and most important of these bands is nearly 10,000 miles in length, and with its branches contains more than 150 active volcanoes; the second is 8,000 miles in length, and includes about 100 active volcanoes; the third is much more broken and interrupted, extends to a length of nearly 1,000 miles, and contains about 50 active vents. The volcanoes of the eastern coast of Africa, with Mauritius, Bourbon, Rodriguez, and the vents along the line of the Red Sea, may be regarded as forming a fourth and subordinate band.
Thus we see that the surface of the globe is covered by a network of volcanic bands, all of which traverse it in sinuous lines with a general north-and-south direction, giving off branches which often run for hundreds of miles, and sometimes appear to form a connection between the great bands.
- 236 -
These four bands of volcanic vents, running in a general north-and-south direction, separate four unequal areas within which the exhibitions of volcanic activity are feeble or quite unknown. The two grandest of the bands of volcanic activity, with their branches, form an almost complete series encircling the largest of the oceans.
To this rule of the linear arrangement of the volcanic vents of the globe and their accumulation along certain well-marked bands, there are two very striking exceptions, which we must now proceed to notice.
In the very centre of the continent formed by Europe and Asia, the largest unbroken land-mass of the globe, there rises from the great central plateau the remarkable volcanoes of the Thian Shan Range. The existence of these volcanoes, of which only obscure traditional accounts had reached Europe before the year 1858, appears to be completely established by the researches of the Russian traveller Semenof. Three volcanic vents appear to exist in this region: the active volcanoes of Boschan and Turfan or Hot-schen, and the solfatara of Urumtsi. At a point situated about half-way between these three volcanoes and the sea, another active vent, that of Ujung-Holdongi, is said to exist. Other volcanic phenomena have been stated to occur in the great plateau of Central Asia, but the existence of some at least of these appears to rest on very doubtful evidence. The only accounts which we have of the eruptions of these Thian Shan volcanoes are contained - 237 - in Chinese histories and treatises on geography; and a great service would be rendered to science could they be visited by some competent explorer.
The second exceptionally-situated volcanic group is that of the Sandwich Islands. While the Thian Shan volcanoes rise in the centre of the largest unbroken land-mass, and stand on the edge of the loftiest and greatest plateau in the world, the volcanoes of the Sandwich Islands rise almost in the centre of the largest ocean and from almost the greatest depths in that ocean. All round the Sandwich Islands the sea has a depth of from 2,000 to 3,000 fathoms, and the island-group culminates in several volcanic cones which rise to the height of nearly 14,000 feet above the sea-level. The volcanoes of the Sandwich Islands are unsurpassed in height and bulk by those of any other part of the globe.
With the exception of the two isolated groups of the Thian Shan and the Sandwich Islands, nearly all the active volcanoes of the globe are situated near the limits which separate the great land- and water-masses of the globe—that is to say, they occur either on the parts of continents not far removed from their coast-lines, or on islands in the ocean not very distant from the shores.
The fact of the general proximity of volcanoes to the sea, is one which has frequently been pointed out by geographers, and may now be regarded as being thoroughly established. Even the apparently anomalous - 238 - case of the Thian Shan volcanoes is susceptible of explanation if we remember the fact, now well ascertained by geological researches, that as late certainly as Pliocene times, a great inland sea spread over the districts where the Caspian, the Sea of Aral, and many other isolated lakes are now found. Upon the southern shore of this sea rose the volcanoes of the Thian Shan, some of which have not yet fallen into a state of complete extinction.
But although the facts concerning the general proximity of volcanoes to the ocean may be admitted to be thoroughly established, yet inferences are sometimes hastily drawn from these facts which the latter, if fairly considered, will not be found to warrant. It is frequently assumed that we may refer all the remarkable phenomena of volcanic action to the penetration of sea-water to a mass of incandescent lava in the earth's crust, and to the chemical or mechanical action which would result from this meeting of sea-water and molten rock. And this conclusion is supposed to find support in the circumstance that many of the gases and volatile substances emitted from volcanic vents are such as would be produced by the decomposition of the various salts contained in sea-water.
This argument in favour of the production of volcanic outbursts by the irruption of sea-water into subterranean reservoirs, involves, as Mr. Scrope long ago pointed out, a curious example of reasoning in a circle. It is assumed, on the one hand, that the heaving - 239 - subterranean movements, which give rise to the fissures by which steam and other gases escape to the surface, are the result of the passage of water to heated masses in the earth's crust. But, on the other hand, it is supposed that it is the production of these fissures which leads to the influx of water to the heated materials. If it is the passage of water through these fissures which produces the eruptions, it may be fairly asked, what is it that gives rise to the fissures? And if, on the other hand, there exist subterranean forces competent to produce the fissures, may they not also give rise to the eruptions through the openings which they have originated? Nor does the chemical argument appear to rest upon any surer ground. It is true that many of the volatile substances emitted from volcanic vents are such as might be produced by the decomposition of sea-water, but, upon the other hand, there are not a few substances which cannot possibly be regarded as so produced, and, all the materials may equally well be supposed to have been originally imprisoned in the masses of subterranean lava.
The problem before us is this. Granting that it is proved that active volcanoes are always in close proximity to the ocean, are we to explain the fact by supposing that the agency of sea-water is necessary to volcanic outbursts, or by regarding the position of the coast-lines as to some extent determined by the distribution of volcanic action upon the surface of the globe? The first supposition is the one which perhaps - 240 - most readily suggests itself, but the latter, as we shall hereafter show, is one in favour of which not a few weighty arguments may be advanced.
Another problem which suggests itself in connection with the distribution of volcanoes is the following. Are the great depressed tracts which form the bottom of the oceans, like the elevated tracts which constitute the continents, equally free from exhibitions of volcanic energy?
When we remember the fact that the area of the ocean beds is two and three-quarter times as great as that of the continents, it will be seen how important this question of the existence of volcanoes at the bottom of the ocean really is.
The fact that recent deep-sea soundings have shown the deepest parts of the ocean to be everywhere covered with volcanic débris is by no means conclusive upon this question; for, as we have seen, the ejections of sub-aerial volcanoes are by the wind and waves distributed over every part of the earth's surface.
Submarine volcanic outbursts have occurred in many parts of the globe, but it may well be doubted whether any such outburst has ever commenced at the bottom of a deep ocean, and has succeeded in building up a volcanic cone reaching to the surface. Most, if not all, of the recorded submarine outbursts have occurred in the midst of volcanic districts, and the volcanic cones have been built up in water of no great depth. Indeed, when it is remembered that - 241 - the pressure of each 1,000 fathoms of water is equivalent to a weight of more than one ton on every square inch of the ocean-bottom, it is difficult to imagine the ordinary explosive action of volcanic vents taking place at abysmal depths. If, however, fissures were opened in the beds of the ocean, quiet outwellings of lava might possibly occur.
The solution of this problem of the probable existence of volcanic outbursts on the floor of the ocean can only be hoped for from the researches of the geologist. The small specimens of the ocean-beds brought up by deep-sea sounding-lines, taken at wide distances apart, and including but a few inches from the surface, can certainly afford but little information upon the question. But the geologist has the opportunity of studying the sea-bottoms of various geological periods which have been upheaved and are now exposed to his view. It was at one time supposed by geologists that in the so-called 'trap-rocks' we have great lava-sheets which must have been piled upon one another, without explosive action. But the more accurate researches of recent years have shown that between the layers of 'trap-rock,' in every part of the globe, traces of terrestrial surfaces and freshwater deposits are found; and the supposed proofs of the absence of explosive action break down no less signally upon re-examination; for the loose, scoriaceous materials would either be removed by denudation, or converted into hard and solid rocks by the infilling of their - 242 - vesicles and air-cavities with crystalline minerals. It is not possible, among the representatives of former geological periods, to point to any rocks that can be fairly regarded as having issued from great submarine fissures, and it is therefore fair to conclude that no such great outbursts of the volcanic forces take plane at the present day on the deep ocean-floors.
In connection with the question of the relation between the position of the volcanic bands of the globe and the areas covered by the ocean, we may mention a fact which deep-sea soundings appear to indicate, namely, that the deepest holes in the ocean-floor are situated in volcanic areas. Near Japan, the soundings of the U.S. ship 'Tuscarora' showed that at two points the depth exceeded 4,000 fathoms; and the deepest sounding obtained by H.M.S. 'Challenger,' amounting to 4,575 fathoms, was taken in the voyage from New Gruinea to Japan, in the neighbourhood of the Ladrone Islands. Depths nearly as great were found in the soundings carried on in the neighbourhood of the volcanic group of the West Indian Islands. It must be remembered, however, that at present our knowledge of the depths of the abysmal portions of the ocean is very limited. A few lines of soundings, often taken at great distances apart, are all we have to guide us to any conclusions concerning the floors of the great oceans, and between these lines are enormous areas which still remain altogether unexplored. It may be wise, therefore, to suspend our judgment upon - 243 - such questions till more numerous facts have been obtained.
Another fact concerning the distribution of volcanoes which is worthy of remark is their relation to the great mountain-ranges of the globe.
Many of the grandest mountain-chains have bands of volcanoes lying parallel to them. This is stinkingly exhibited by the great mountain-masses which lie on the western side of the American continent. The Rocky Mountains and the Andes consist of folded and crumpled masses of altered strata which, by the action of denuding forces, have been carved into series of ridges and summits. At many points, however, along the sides of these great chains, we find that fissures have been opened and lines of volcanoes formed, from which enormous quantities of lava have flowed and covered great tracts of country. At some parts of the chain, however, the volcanoes are of such height and dimensions as to overlook and dwarf the mountain-ranges by the side of which they lie. Some of the volcanoes lying parallel to the great American axis appear to be quite extinct, while others are in full activity.
In the Eastern continent we find still more striking examples of the parallelism between great mountain-chains and the lands along which volcanic activity is exhibited. Stretching in a more or less continuous chain from east to west, through Europe and Asia, we find the mountain-masses known in different parts of - 244 - their course as the Pyrenees, the Alps, the Balkan, the Caucasus, which form the axis of the Eastern continent. These chains consist of numerous parallel ridges, and give off branches on either side of them. They are continued to the eastward by the Hindoo Koosh and the Himalaya, with the four parallel ranges that cross the great Central-Asian plateau. Now, on either side of this grand axial system of mountains, we find a great parallel band of volcanoes. The northern volcanic band is constituted by the eruptive rocks of the Auvergne, the Eifel, the Siebengebirge, Central Germany, Bohemia, Hungary, and Transylvania, few, if any, of the vents along this northern band being still active. The remarkable volcanoes of the Thian Shan range and of Mantchouria may not improbably be regarded as a continuation of the same great series.
The southern band of volcanoes, lying parallel to the great mountain axis of the Old World, also consists for the most part of extinct volcanoes, but includes not a few vents which are still active. In this band we include the extinct volcanoes of Spain and Sardinia, the numerous extinct and active vents of the Italian peninsula and islands, and those of the Ægean Sea and Asia Minor. We may, perhaps, consider the scattered volcanoes of Arabia and the northern part of the Indian Ocean as a continuation of the same series. Both of these bands may be regarded as offshoots from the great mid-Atlantic volcanic chain, and the condition of the vents, both in the principal band and its offshoots, - 245 - is such as to indicate that they form parts of a system which is gradually sinking into a state of complete extinction.
There are some other volcanic bands which exhibit a similar parallelism with mountain chains; but, on the other hand, there are some volcanoes between which and the nearest mountain axes no such connection can be traced.
There is yet one other fact concerning the mode of distribution of volcanoes upon the surface of the globe, to which we must allude. It was first established by Mr. Darwin as one of the conclusions derived from the valuable series of observations made by him during the voyage of H.M.S. 'Beagle,' and relates to the position of active volcanoes with respect to the portions of the earth's crust which are undergoing upheaval or subsidence.
From the relative position of the different kinds of coral-reefs, and the fact that reef-forming corals cannot live at a depth of more than twenty fathoms beneath the sea-level, or above tide-mark, we are led to the conclusion that certain areas of the earth's surface are undergoing slow elevation, while other parts are as gradually subsiding. This conclusion is confirmed by the occurrence of raised beaches, which are sometimes found at heights of hundreds, or even thousands, of feet above the sea-level, and of submerged forests, which are not unfrequently found beneath the waters of the ocean.
By a study of the evidences presented by coral-reefs, - 246 - raised beaches, submerged forests, and other phenomena of a similar kind, it can be shown that certain wide areas of the land and of the ocean-floor are at the present time in a state of subsidence, while other equally large areas are being upheaved. And the observations of the geologist prove that similar upward and downward movements of portions of the earth's crust have been going on through all geological times. Now, as Mr. Darwin has so well shown in his work on 'Coral-Reefs,' if we trace upon a map the areas of the earth's surface which are undergoing upheaval and subsidence respectively, we shall find that nearly all the active volcanoes of the globe are situated upon rising areas, and that volcanic phenomena are conspicuously absent from those parts of the earth's crust which can be proved at the present day to be undergoing depression.
- 247 -
It is only in comparatively recent times that the important doctrine of geological continuity has come to be generally accepted, as furnishing us with a complete and satisfactory explanation of the mode of origin of the features of our globe. The great forces, which are ever at work producing modifications in those features, operate so silently and slowly, though withal so surely, that without the closest and most attentive observation their effects may be easily overlooked; while, on the other hand, there are so many phenomena upon our globe which seem at first sight to bear testimony to the action of sudden and catastrophic forces, very different to any which appear to be at present at work, that the tendency to account for all past changes by these violent actions is a very strong one. In spite of this tendency, however, the real potency of the forces now at work upon the earth's crust has gradually made its way to recognition, and the capability of these forces, when their effects are accumulated through sufficiently long periods - 248 - of time, to bring about the grandest changes, is now almost universally admitted. The modern science of geology is based upon the principle that the history of the formation and development of the earth's surface-features, and of the organisms upon it, has been continuous during enormous periods of time, and that in the study of the operations taking place upon the earth at the present day, we may find the true key to the changes which have occurred during former periods.
In no branch of geological science has the doctrine of continuity had to encounter so much opposition and misconception as in that which relates to the volcanic phenomena of the globe. For a long time students of rocks utterly failed to recognise any relation between the materials which have been ejected from active volcanic vents and those which have been formed by similar agencies at earlier periods of the earth's history. And what was far worse, the subject became removed from the sphere of practical scientific inquiry to that of theological controversy, those who maintained the volcanic origin of some of the older rocks being branded as the worst of heretics.
With the theological aspects of the great controversy concerning the origin of basalt and similar rocks—a controversy which was carried on with such violence and acrimony during the latter half of the eighteenth century—we have here nothing to do. But it may not be uninstructive to notice the causes of the strange misconceptions which for so long a period stood in the - 249 - way of the acceptance of rational views upon the subject.
At this period but little had been done in studying the chemical characters of aqueous and igneous rock-masses respectively; and while, on the one hand, the close similarity in chemical composition between the ancient basalts and many modern lavas was not recognised, the marked distinction between the composition of such materials and most aqueous sediments remained, on the other hand, equally unknown. Nor had anything been yet accomplished in the direction of the study of rock-masses by the aid of the microscope. Hence there could be no appeal to those numerous structural peculiarities that at once enable us to distinguish the most crystalline aqueous rocks from the materials of igneous origin.
On the other hand, there undoubtedly exist rocks of a black colour and crystalline structure, sometimes presenting a striking similarity in general appearance to the basalts, which contain fossils and are undoubtedly of aqueous origin. Thus on the shore near Portrush, in the North of Ireland, and in the skerries which lie off that coast, there occur great rock-masses, some of which undoubtedly agree with basalt in all their characters, while others are dark-coloured and crystalline, and are frequently crowded with Ammonites and other fossils. We now know that the explanation of these facts is as follows. Near where the town of Portrush is now situated, a volcanic vent was opened - 250 - in Miocene times through rocks of Lias shale. From this igneous centre, sheets and dykes of basaltic lava were given off, and in consequence of their contact with these masses of lava, the Lias shales were baked and altered, and assumed a crystalline character, though the traces of the fossils contained in them were not altogether obliterated. In the last century the methods which had been devised for the discrimination of rocks were so imperfect that no distinction was recognised between the true basalt and the altered shale, and specimens of the latter containing Ammonites found their way to almost every museum in Europe, and were used as illustrations of the 'origin of basalt by aqueous precipitation.'
Another source of the widely-spread error which prevailed concerning the origin of basalt, was the failure to recognise the nature of the alterations which take place in the character of rock-masses in consequence of the passage through them, during enormous periods of time, of water containing carbonic acid and other active chemical agents. The casual observer does not recognise the resemblance which exists between certain ornamental marbles and the loose accumulations of shells and corals which form many sea-beaches; but close examination shows that the former consist of the same materials as the latter, bound together by a crystalline infilling of carbonate of lime, which has been deposited in all the cavities and interstices of the mass. In the same way, as we have already seen, the - 251 - vesicles and interstices of heaps of scoriæ may, by the percolation of water through the mass, become so filled with various crystalline substances, that its original characters are entirely masked.
But the progress of chemical and microscopic research has effectually removed these sources of error. Many rocks of aqueous origin, formerly confounded with the basalts, have now been relegated to their proper places among the different classes of rocks; while, on the other hand, it has been shown that the chemical and physical differences between the ancient basalts and the modern basic lavas are slight and accidental, and their resemblances are of the closest and most fundamental character.
The notion of the aqueous origin of basalt, which was so long maintained by the school of Werner, has now been entirely abandoned, and the so-called 'trap-rocks' are at the present day recognised as being as truly volcanic in their origin as the lavas of Etna and Vesuvius.
There is, however, a vestige of this doctrine of Werner, which still maintains its ground with obstinate persistence. Many geologists in Germany who admit that volcanic phenomena, similar to those which are going on at the present day, must have occurred during the Tertiary and the later Secondary periods, nevertheless insist that among the earlier records of the world's history we find no evidence whatever of such volcanic action having taken place. By the geologists who hold - 252 - these views it is asserted that while the granites and other plutonic rocks were formed during the earlier periods of the world's history, true volcanic products are only known in connection with the sediment of the later geological periods.
Some geologists have gone farther even than this, and asserted that each of the great geological periods is characterised by the nature of the igneous ejections which have taken place in it. They declare that granite was formed only during the earliest geological periods, and that at later dates the gabbros, diabases, porphyries, dolerites and basalts, successively made their appearance, and finally that the modern lavas were poured out.
A little consideration will suffice to convince us that these conclusions are not based upon any good evidence. The plutonic rocks, as we have already seen, exhibit sufficient proofs in their highly crystalline character, and in their cavities containing water, liquefied carbonic acid, and other volatile substances, that they must have been formed by the very slow consolidation of igneous materials under enormous pressure. Such pressures, it is evident, could only exist at great depths beneath the earth's surface. Mr. Sorby and others have endeavoured to calculate what was the actual thickness of rock under which certain granites must have been formed, by measuring the amount of contraction in the liquids which have been imprisoned in the crystals of these rocks. The conclusions arrived at are of a - 253 - sufficiently startling character. It is inferred that the granites which have been thus examined must have consolidated at depths varying from 30,000 to 80,000 feet beneath the earth's surface. It is true that in arriving at these results certain assumptions have to be made, and to these exception may be taken, but the general conclusion that granitic rocks could only have been formed under such high pressures as exist at great depths beneath the surface, appears to be one which is not open to reasonable doubt.
If, then, granites and similar rocks were formed at the depth of some miles, it is evident that they can only have made their appearance at the surface by the removal of the vast thickness of overlying rocks; and the sole agency which we know of that is capable of effecting the removal of such enormous quantities of rock-materials, is denudation. But the agents of denudation—rain and frost, rivers and glaciers, and sea-waves—though producing grand results, yet work exceeding slowly; and almost inconceivably long periods of time must have elapsed before masses of rock several miles in thickness could have been removed, and the subjacent granites and other highly crystalline rocks have been exposed at the surface.
It is an admitted fact that among the older geological formations, we much more frequently find intrusions of granitic rocks than in the case of younger ones. It is equally true that among the sediments formed during the most recent geological periods, no true granitic rocks - 254 - have been detected. But if, as we insist is the case, granitic rocks can only be formed at a great depth from the surface, the £acts we have described are only just what we might expect to present themselves under the circumstances. The older a mass of granitic rock, the greater chance there is that the denuding forces operating upon the overlying masses, will have had an opportunity of so far removing the latter as to expose the underlying crystalline rocks at the surface. And, on the other hand, the younger crystalline rocks are still, for the most part, buried under such enormous thicknesses of superincumbent materials that it is hopeless for us to search for them. Nevertheless, it does occasionally happen that, where the work of denudation has been exceptionally rapid in its action, such crystalline rocks formed during a comparatively recent geological period, are exposed at the surface. This is the case in the Western Isles of Scotland and in the Pyrenees, where masses of granite and other highly crystalline rocks are found which were evidently formed during the Tertiary period.
The granites which were formed in Tertiary times present no essential points of difference from those which had their origin during the earlier periods of the earth's history. The former, like the latter, consist of a mass of crystals with no imperfectly crystalline base or groundmass between them; and these crystals include numerous cavities containing liquids.
Between the granites and the quartz-felsites every - 255 - possible gradation may be found, so that it is impossible to say where the one group ends and the other begins; indeed, many of the rocks called 'granite-porphyries' have about equal claims to be placed in either class. Nor is the distinction between the quartz-felsites and rhyolites any more strongly marked than that between the former class of rocks and the granites; some of the more crystalline rhyolites of Hungary being quite undistinguishable, in their chemical composition, their mineralogical constitution, and their microscopic characters, from the quartz-felsites. The more crystalline rhyolites are in turn found passing by insensible gradations into the glassy varieties and finally into obsidian.
A piece of granite and a piece of pumice may at first sight appear to present so many points of difference, that it would seem quite futile to attempt to discover any connection between them. Yet, if we analyse the two substances, we may find that in ultimate chemical composition they are absolutely identical. There is nothing irrational, therefore, in the conclusion that the same materials under different conditions may assume either the characters of granite on the one hand, or of pumice on the other; the former being consolidated under circumstances in which the chemical and crystalline forces have had the freest play and have used up the whole of the materials to form crystallised minerals, while the latter has cooled down and solidified rapidly at the surface, in such a way that only incipient crystallisation has occurred, and the glassy - 256 - mass has been reduced to a frothy condition by the escape of steam-bubbles from its midst This conclusion receives the strongest support from the fact that examples of every stage of the change, between the glassy condition of pumice and the crystalline condition of granite, may be detected among the materials of which the globe is built up.
There is still another class of facts which may be adduced in support of the same conclusion. Many lavas, as we have seen, contain crystals of much larger dimensions than those constituting the mass of the rock, which is then said to be 'porphyritic' in structure. The porphyritically embedded crystals, when carefully examined, are often seen to be broken and injured, and to exhibit rounded edges, with other indications of having undergone transport. When examined microscopically, too, they often present the cavities containing liquids which distinguish the crystals of plutonic rocks. All the facts connected with these porphyritic lavas point to the conclusion that while the crystals in their groundmass have separated from the liquefied materials near the surface, the large embedded crystal, have been floated up from great depths within the earth's crust, where they had been originally formed.
The careful consideration of all the facts of the case leads to the conclusion that where pumice, obsidian, and rhyolite are now being ejected at the surface, the materials which form these substances are, at various - 257 - depths in the earth's interior, slowly consolidating in the form of quartz-felsite, granite-porphyry and granite. It may be that we can nowhere point to the example of a mass of rock which can be traced from subterranean regions to the surface, and is, under such conditions, actually seen to pass from the dense and crystalline condition of granite to the vesicular and glassy form of pumice; but great granitic masses often exhibit a more coarsely crystalline condition in their interior, and the offshoots and dykes which they give off not infrequently assume the form of quartz-felsite; while, on the other hand, the more slowly consolidated rocks found in the interior of some rhyolite masses are not distinguishable in any way from some of the true quartz-felsites.
That which is true of the lavas of acid composition is equally true of the lavas of intermediate and basic character. The andesites, the trachytes, the phonolites, and the basalts have all their exact representatives among the plutonic rocks, and these have a perfectly crystalline or granitic structure. The plutonic and the volcanic representatives of each of these groups are identical in their chemical composition, and numerous intermediate gradations can be found between the most completely granitic and the most perfectly vitreous or glassy types. In illustration of this fact, we may again refer to the series of microscopic sections of rocks given in the frontispiece.
Another objection to the conclusion that the volcanic - 258 - products of earlier periods of the earth's history were identical in character with those which are being ejected at the present day is based on the fact of the supposed non-existence of the scoriaceous and glassy materials which abound in the neighbourhood of the active volcanic vents. Where, it is asked, do we find among the older rocks of the globe the heaps of lapilli, dust, and scoriæ, with the glassy and pumiceous rocks that now occur so abundantly in all volcanic districts?
In reply to this objection, we may point out that these accumulations of loose materials are of such a nature as to be capable of easy removal by denuding agents, and that as they are formed upon the land they will, if not already washed away by the action of rain, floods, rivers, &c., run great risk of having their materials distributed, when the land sinks beneath the waters of the ocean and the surface is covered by new deposits. With respect to the glassy rocks it must be remembered that the action of water, containing carbonic acid and other substances, in percolating through such masses has a tendency to set up crystalline action, and these glassy rocks easily undergo 'devitrification'; it would therefore be illogical for us to expect glassy rock-masses to retain their vitreous character through long geological periods, during which they have been subjected to the action of water and acid gases.
But careful observation has shown that the scoriaceous and vitreous rocks are by no means absent among the igneous materials ejected during earlier - 259 - periods of the earth's history. Their comparative infrequency is easily accounted for when we remember, in the first place, the ease with which such materials would be removed by denuding forces, and in the second place, the tendency of the action of percolating water to destroy their characteristic features, by filling up their vesicles with crystalline products and by effecting devitrification in their mass.
If we go back to the very oldest known rock-masses of the globe, those which are found underlying the fossiliferous Cambrian strata, we find abundant evidence that volcanic action took place during the period in which these materials were being accumulated. Thus, in the Wrekin, as Mr. Allport has so well shown, we find clear proofs that before the long-distant period of the Cambrian, there existed volcanoes which ejected scoriæ, lapilli, and volcanic dust, and also gave rise to streams of lava exhibiting the characteristic structures found in glassy rocks. In these rocks, which have undergone a curious alteration or devitrification, we still find all those peculiar structures—the sphærulitic, the perlitic, and the banded—so common in the rhyolites of Hungary, with which rocks the Wrekin lavas, in their chemical composition, precisely agree. Prof. Bonney, too, has shown that the rocks of Charnwood Forest, which are also probably of pre-Cambrian age, contain great quantities of altered volcanic agglomerates, tuffs, and ashes. I have found the sphærulitic, perlitic, and banded structures exhibited by British lavas of the - 260 - Cambrian, Silurian, Devonian and Carboniferous periods, as well as in those of Tertiary age; and in connection with these different lavas we find vast accumulations, sometimes thousands of feet in thickness, of volcanic agglomerates and tuffs which have undergone great alteration.
All these facts point to one conclusion—namely, that during all past geological periods, materials similar to those which are now being extruded from volcanic vents were poured out on the earth's surface by analogous agencies. If we could trace the lava-streams of the present day down to the great subterranean reservoirs from which their materials have been derived, we should doubtless find that at gradually increasing depths, where the pressure would be greater and the escape of heat from the mass slower, the rocky materials would by degrees assume more and more crystalline characters. We should thus find obsidian or rhyolite insensibly passing into quartz-felsite and finally into granite; trachyte passing into orthoclase-porphyry and syenite; and basalt passing into dolerite, augite-porphyry, and gabbro.
On the other hand, if we could replace the great masses of stratified rocks which must once have overlain the granites, syenites, diorites, and gabbros, we should find that, as we approached the original surface, these igneous materials would gradually lose their crystalline characters, and when they were poured out at the surface would take the forms of rhyolite, trachyte, andesite, - 261 - and basalt—all of which might occasionally assume the glassy forms known as obsidian or tachylyte.
But while we insist on the essential points of similarity between the lavas poured out upon the surface of the earth during earlier geological periods and those which are being extruded at the present day, we must not forget that by the action of percolating water and acid gases, the mineral constitution, the structure, and sometimes even the chemical composition of these ancient lavas may undergo a vast amount of change. In not a few cases these changes in the characters of a lava may be carried so far that the altered rock bears but little resemblance to the lava from which it was formed, and it may be found desirable to give it a new name. Among the rocks of aqueous origin we find similar differences in the materials deposited at different geological periods. Clay, shale and clay-slate have the same composition, and the two latter are evidently only altered forms of the first mentioned, yet so great is the difference in their characters that it is not only allowable, but desirable, to give them distinctive names.
In the same way, among the deposits of the earlier geological periods we find rocks which were doubtless originally basalts, but in which great alterations have been produced by the percolation of water through the mass. The original rock has consisted of crystals of felspar, augite, olivine, and magnetite distributed through a glassy base. But the chemical action of water and carbonic acid may have affected all the - 262 - ingredients of the rock. The outward form of the felspar crystals may be retained while their substance is changed to kaolinite, various zeolites, and other minerals; the olivine maybe altered to serpentine and other analogous minerals; the magnetite changed to hydrous peroxide of iron; the augite may be changed to uralite or hornblende; and the surrounding glassy mass more or less devitrified and decomposed. The hard, dense, and black rock known as basalt has under these circumstances become a much softer, earthy-looking mass of a reddish-brown tint, and its difference from basalt is so marked that geologists have agreed to call it by another name, that of 'melaphyre.' Even in their ultimate chemical compositions the 'melaphyres' differ to some extent from the basalts, for some of the materials of the latter may have been removed in solution, and water, oxygen, and carbonic acid have been introduced to combine with the remaining ingredients.
But if we carefully study, by the aid of the microscope, a large series of basalts and melaphyres, we shall find that many rocks of the former class show the first incipient traces of those changes which would reduce them to the latter class. Indeed, it is quite easy to form a perfect series from quite unaltered basalts to the most completely changed melaphyres. Hence we are justified in concluding that all the melaphyres were originally basalts, just as we infer that all oaks were once acorns.
- 263 -
Now changes, similar to those which we have seen to take place in the case of basaltic lavas, are exhibited by the lavas of every other class, which have been exposed to the influence of the same agencies,—namely, the passage of water and acid gases. But inasmuch as the minerals composing the basic lavas are for the most part much more easily affected by such agencies than are the minerals of acid lavas, the ancient basic rocks are usually found in a much more highly altered condition than are the acid rocks of equivalent age.
We thus see that each of the classes of modern lavas has its representative in earlier geological periods, in the form of rocks which have evidently been derived from these lavas, through alterations effected by the agency of water and acid-gases that have permeated their mass. Thus, while the basalts are represented among the ancient geological formation by the melaphyres, the andesites are represented by the porphyrites, and the trachytes and rhyolites by different varieties of felstones. And, as we can form perfect series illustrating the gradual change from basalt to melaphyre, so we can arrange other series demonstrating the passage of andesites into porphyrites, and of trachytes and rhyolites into felsites.
It must be remembered, however, that these changes do not take place in anything like determinate periods of time. Occasionally we may find lavas of ancient date which have undergone surprisingly little alteration, and in other cases there occur lavas belonging to a - 264 - comparatively recent period which exhibit very marked signs of change.
The alteration of the lavas and other igneous rocks does not, however, stop with the production of the melaphyres, porphyrites, and felstones. By the further action of the water and carbonic acid of the atmosphere, the basic lavas are reduced to the soft earthy mass known as 'wacke,' and the intermediate and acid lavas to the similar material known as 'claystone.' As the passage of water and carbonic acid gas through these rock-masses goes on, they are eventually resolved into two portions, one of which is insoluble in water and the other is soluble. The insoluble portion consists principally of quartz, the crystals of which are almost unattacked by water and carbonic acid, and the hydrated silicate of alumina. All the sands and clays, which together make up more than nine-tenths of the stratified rocks of the globe, are doubtless derived, either directly or indirectly, from these insoluble materials separated during the decomposition of volcanic and plutonic rocks. The soluble materials, which consist of the carbonates, sulphates and chlorides of lime, magnesia, soda, potash, and iron, give rise to the formation of the limestones, gypsum, rock-salt, ironstones, and other stratified masses of the earth's crust. We thus see how the igneous materials of the globe, by their decomposition, famish the materials for the stratified rock-masses. The relations of the different plutonic and volcanic rocks to one another and to the materials - 265 - which are derived from them are illustrated in the following table.
| Plutonic Rocks | Unaltered lavas |
Altered lavas | Decomposed Rocks |
|||||
| Granite | { | Quartz-felsite ('quartz-porphyry') |
} | Rhyolite and Obsidian |
Felstone | Claystones | ||
| Syenite | { | Orthoclase-porphyry | } | Trachyte | ||||
| Diorite | { | Hornblende-porphyry | } | Andesite | Porphyrite | |||
| Miascite | { | Liebnerite porphyry | } | Phonolite | ? | — | ||
| Gabbro | { | Augite-porphyry and Dolerite |
} | Basalt | Melaphyre | Wacke | ||
Some petrographers, indeed, have maintained the principle that rocks belonging to widely separated geological periods, even when they exhibit no essential points of difference, should nevertheless be called by distinct names. But such a system of classification is calculated rather to hinder than to advance the cause of science. If the palæontologist were to adopt the same principle and give distinct names to the same fossil, when it was found to occur in two different geological formations, we can easily understand what confusion would be occasioned, and how the comparison of the fauna and flora of the different formations would be thereby rendered impossible. But the naturalist, in his diagnosis of a species, wisely confines himself to the structure and affinities of the organism before him; and in the same way the petrographer, in giving a name to a rock, ought to be guided only by his studies of its chemical composition, its mineralogical constitution, and its structure, putting altogether out of view its - 266 - geographical distribution and geological age. Only by strict attention to this principle can we hope to arrive at such comparisons of the rocks of different areas and different periods, as may serve as the basis for safe inductions.
Before leaving this question of the relation which exists between the igneous rocks of different ages, it may be well to notice several facts that have been relied upon, as proving that the several geological periods are distinguished by characteristic igneous products.
It has frequently been asserted that the acid igneous rocks are present in much greater quantities in connection with the older geological formations than axe the basic; while, on the other hand, the basic igneous rocks are said to have been extruded in greater abundance in the more recent geological periods. But in considering this question it must not be forgotten that, as a general rule, the basic rocks undergo decomposition and disintegration far more rapidly than do the acid rocks. In consequence of this circumstance the chance of our finding their recognisable representatives among the older formations, is much less in the case of the former class of rocks than in the latter. As a matter of fact, however, we do find great masses of gabbro, diabase, and melaphyre associated even with the oldest geological formations, while trachytes and rhyolites abound in many volcanic districts where active vents exist at the present day. Upon a general - 267 - review of the subject, it may well be doubted whether the supposed preponderance of acid igneous materials in the earlier periods of the earth's history, and of basic igneous materials during the later periods, rests on any substantial basis of observation.
Another difference which has frequently been relied upon, as distinguishing the older igneous rocks from those of more recent date, is the supposed fact that the former are characterised by the presence of hornblende, the latter by the presence of augite. It may be admitted that this distinction is a real one, but its significance and value are greatly diminished when we remember the relations which exist between the two minerals in question. Hornblende and augite are interesting examples of a dimorphous substance; in chemical composition they are identical, or rather they are liable to variation between the same limits, but in their crystalline forms and optical characters they differ from one another. It has been proved that hornblende is the stable, and augite the unstable condition of the substance in question. If hornblende be fused and allowed to cool, it crystallises in the form of augite. On the other hand, augite-crystals in rocks of ancient date are found undergoing gradual change and passing into hornblende. The mineral uralite has the outward form of augite, but the cleavage and optical properties of hornblende; and there are not wanting many facts pointing to the conclusion that rocks which now contain hornblende were originally augitic masses, in which - 268 - the unstable mineral in their midst has been gradually converted into the stable one.
There are, however, two minerals which up to the present time have been found in association only with the older and newer rock-masses respectively. These are muscovite, or the white form of mica, which occurs in so many granites, but has not yet been discovered in any modern representative of that rock; and leucite, which is not yet known in rocks of older date than the Tertiary.
When we remember that muscovite would appear to be a product of deep-seated igneous action, and is only found in rock-masses that have been formed under such conditions, we shall be the less surprised at its non-occurrence in rocks of recent date, especially if we bear in mind the fact that very few of the younger granitic rocks have as yet been exposed at the surface by denudation.
With respect to leucite, on the other hand, it must be remembered that it is a very unstable mineral which appears to be easily changed into felspar. It is by no means improbable, therefore, that some ancient igneous rocks which now contain felspar were originally leucitic rocks.
To the view that the action of volcanic forces upon the globe during past geological times was similar in kind to that which we now observe going on around us, still another objection has been raised. It has been asserted that some of the deposits of igneous rock - 269 - associated with the older geological formations are of such a nature that they could not possibly have been accumulated around volcanic vents of the kind which we see in operation around us.
Mr. Mallet has declared that the igneous products of the Palæozoic period differ fundamentally in character from those materials formed by volcanic action during the later Secondary and the Tertiary periods. Upon what observations these generalisations are based he has given us no information, and the enormous mass of facts which have been collected in recent years concerning the structure of the lavas and fragmental volcanic deposits of the pre-Cambrian, Cambrian, Silurian, Devonian and Carboniferous periods, all point to a directly opposite conclusion. The more carefully we carry on our investigations concerning these ancient lavas, by the aid of chemical analysis and microscopic study, the more are we convinced of the essential identity of the ancient and modern volcanic rocks, both in their composition and their minute structure. Of great masses of dust produced by crushing, such as Mr. Mallet has supposed to have been formed during the earlier geological periods, there is not the smallest evidence; but we everywhere find proofs, when the rocks are minutely examined, of the vesicular structure so characteristic of materials produced by explosive volcanic action.
It has frequently been asserted that in the great districts covered by basaltic lavas which we find in the - 270 - Rocky Mountains of North America, in the Deccan of India, in Abyssinia, and even in the Western Isles of Scotland, we have proofs of the occurrence, during earlier geological periods, of volcanic action very different in character from that which at present takes place on our globe. It has been asserted that the phenomena observed in these districts can only be accounted for by supposing that great fissures have opened in their midst, from which lavas have issued in enormous floods unaccompanied by the ordinary explosive phenomena of volcanoes.
It must be remembered, however, that none of the districts in question have been subjected to careful and systematic examination with a view to the discovery of the vents from which these masses of lava have issued, with the exception of that which occurs in our own islands. In this case, in which superficial observers have spoken of the district as being covered with horizontal lava-sheets piled upon one another to the depth of 3,000 feet, careful study of the rock-masses has shown that the accumulations of basalt really consist of a great number of lava-currents which have issued at successive epochs covering enormous periods of time. During the intervals between the emission of these successive lava-currents the surfaces of the older ones have been decomposed, and formed soils upon which forests have grown up; they have been eroded by streams, the valleys so formed being filled with gravels; and lakes have been originated on their - 271 - surfaces in which various accumulations have taken place.
It has been demonstrated, moreover, that the basal-wrecks of no less than five volcanic mountains, each of which must have rivalled Etna in its proportions, existed within this area, and the connection of the lava-currents, which have deluged the surrounding tracts, with these great volcanoes has been clearly proved. It is probable that when more careful and systematic researches are carried on in the other districts, in which widely-spread sheets of basaltic rocks exist, similar volcanic vents will be discovered. It must also be remembered that if such a country as Iceland were subjected to long-continued denudation, the mountain peaks and cones of loose materials would be worn away, the whole island being thus reduced to a series of plateaux composed of lava-sheets, the connection of which with the crystalline materials filling the great volcanic vents, a superficial observer might altogether fail to recognise.
But even where we cannot trace the former existence of great volcanic mountains, like those which once rose in the Hebrides, it would nevertheless be very rash to conclude that the vast plateaux of lava-rock must have been formed as gigantic floods unaccompanied by ordinary volcanic action. Mr. Darwin has pointed out that in crossing districts covered by lava, he was frequently only able to determine the limits of the different currents of which it was made up, by an examination of the age of the trees and the nature of the vegetation - 272 - which had sprung up on them. And everyone who has travelled much in volcanic districts can confirm this observation; what appears at first sight to be a great continuous sheet of lava proves upon more careful observation to be composed of a great number of distinctly different lava-currents, which have succeeded one another at longer or shorter intervals.
We must remember, too, how various in kind are the volcanic manifestations which present themselves under different circumstances. Sometimes the amount of explosive action at a volcanic vent is very great, and only fragmental ejections take place, composed of the frothy scum of the lava produced by the escape of gases and vapours from its midst. But in other cases the amount of explosive action may be small, and great volumes of igneous materials may issue as lava-streams. In such cases, only small scoriæ-cones would be formed around the vents, and one half of such cones is commonly swept away by the efflux of the lava-currents, while the remainder may be easily removed by denuding action or be buried under the lava-currents issuing from other vents in the neighbourhood. Thus it may easily come to pass that what a superficial observer takes for an enormous mass of basaltic lava poured out from a great fissure at a single effort, may prove upon careful observation to be made up of innumerable lava-currents, each of which is of moderate dimensions; and it may further be found that these lava-currents, instead of being the product of a single paroxysmal effort - 273 - from one great fissure, have been accumulated by numerous small outbursts taking place at wide intervals, from a great number of minor orifices.
Having then considered the arguments which have been adduced in support of the view that the volcanic phenomena of former geological periods differ from those which are still occurring upon the globe, we may proceed to state the general conclusions which have been drawn from the study of the volcanic rocks of the different geological periods.
From a survey of the volcanic rocks of different ages, we are led to the interesting and important conclusion that the scene of volcanic action has been continually shifting to fresh areas at different periods of the earth's history. We find repeated proofs that the volcanic energy has made its appearance at a certain part of the earth's crust, has gradually increased in intensity to a maximum, and then as slowly declined. But as these manifestations have died away at one part of the earth's surface, they have gradually made their appearance at another. In every district which has been examined, we find abundant proofs that volcanic energy has been developed at certain periods, has disappeared during longer or shorter periods, and then reappeared in the same area. And on the other hand, we find that there is no past geological period in which we have not abundant evidence that volcanic outbursts took place at some portion of the earth's surface.
To take the case of our own islands for example. - 274 - We know that during the pre-Cambrian periods volcanic outbursts occurred, traces of which are found both in North and South Wales, in the Wrekin Chain in Shropshire, in Charnwood Forest, and in parts of Scotland and Ireland.
In Cambro-Silurian times we have abundant proofs, both in North Wales and the Lake district, that volcanic action on the very grandest scale was taking place during the Arenig and the older portion of the Llandeilo periods, and again during the deposition of the Bala or Caradoc beds. The lavas, tuffs, and volcanic agglomerates ejected during these two periods have built up masses of rock many thousands of feet in thickness. Snowdon and Cader Idris among the Welsh mountains, and some of the higher summits of the Lake district, have been carved by denudation from the vast piles of volcanic materials ejected during these periods.
In Devonian or Old-Red-Sandstone times, volcanic activity was renewed with fresh violence upon that part of the earth's surface now occupied by the British Islands. Along the line which now forms the Grampians there rose a series of volcanoes of the very grandest dimensions. Ben Nevis, and many others among the higher Scotch mountains, have been carved by denudation from the hard masses of granite, quartz-felsite, and other plutonic rocks which formed the central cores of these ancient volcanic piles. The remains of the great lava-sheets, and of the masses of volcanic agglomerate ejected from these grand Devonian volcanoes, - 275 - make up hill-ranges of no mean altitude, like the Sidlaws, the Ochils, and the Pentlands.
The volcanic action of the Devonian period was prolonged into Carboniferous times, but was then evidently diminishing gradually in violence. Instead of great central volcanoes, such as existed in the earlier period, we find innumerable small vents which threw out tuffs, agglomerates and lavas, and were scattered over the districts lying around the bases of the now extinct Devonian volcanoes. In the central valley of Scotland and in many parts of England, we find abundant proofs of the existence of these small and scattered volcanic vents during Carboniferous times. The well-known hill of Arthur's Seat, which overlooks the city of Edinburgh, and many castle-crowned crags of the Forth and Clyde valleys, are the worn and denuded relics of these small volcanoes. There are some indications which point to the conclusion that the volcanic action of the Newer Palæozoic epoch had not entirely died out in Permian times, but the evidence upon this point is not altogether clear and satisfactory.
During nearly the whole of the Secondary or Mesozoic periods the volcanic forces remained dormant in the area of the British Isles. Some small volcanic outbursts, however, appear to have occurred in Triassic times in Devonshire. But in other areas, such as the Tyrol, South-eastern Europe and Western America, the Triassic, Jurassic, and Cretaceous periods were marked by grand manifestations of volcanic activity.
- 276 -
The volcanic forces which had during the long Mesozoic periods deserted our part of the earth's surface, appear to have returned to it in full rigour in the Tertiary epoch. In the Newer-Palæozoic periods the direction of the great volcanic band which traversed our islands appears to have been from north-east to south-west; but in Tertiary times a new set of fissures were opened running from north to south. There is evidence that during the Eocene or Nummulitic period, the first indications of the subterranean forces having gathered strength below the district were afforded by the issue of calcareous and siliceous springs, and soon fissures were opened which emitted scoriæ, tuffs, and lavas. The intensity of the volcanic action gradually increased till it attained its maximum in the Miocene period, when a great chain of volcanic mountains stretched north and south along the line of the Inner Hebrides, the north-east of Ireland, and the sea which separates Great Britain from Ireland. The basal-wrecks of a number of these volcanoes can be traced in the islands of Skye, Mull, Rum, and parts of the adjoining mainland. We have already seen that along this great band of volcanic action, which traverses the Atlantic Ocean from north to south, a number of active vents still exist, though their energy is now far less intense than was the case in former times. The only vestiges of the action of these now declining volcanic forces, at present found in our islands, are the hot springs of Bath and a few other warm and mineral - 277 - springs; but in connection with this subject it must be remembered that our country occasionally participates in great earthquake-vibrations, like that which destroyed Lisbon in the year 1759.
If we were to study any other part of the earth's surface, we should arrive at precisely the same conclusion as those to which we have been conducted by our examination of the British Islands—namely, that during past geological times the subterranean forces had made themselves felt in the area, had gradually attained a maximum, and then as gradually declined, passing through all those varied cycles which we have described in a former chapter. And we should also find that these periods of volcanic activity alternated with other periods of complete quiescence which were of longer or shorter duration. But on comparing two different districts, we should discover that what was a period of volcanic activity in the one was a period of repose in the other, and vice versâ.
From these facts geologists have been led to the conclusion which we have already enunciated—namely, that the subterranean forces are in a state of continual flux over the surface of the globe. At one point of the earth's crust these forces gradually gather such energy as to rend asunder the superincumbent rock-masses and make themselves manifest at the surface in the series of phenomena characteristic of volcanic action. But after a longer or shorter interval of time—an interval which must probably be measured by millions of - 278 - years—the volcanic forces die out in that area to make their appearance in another.
Hence, although we may not be able to prove the fact by any mathematical demonstration, a strong presumption is raised in favour of the view that the subterranean energy in the earth's crust is a constant quantity, and that the only variations which take place are in the locality of its manifestation.
Upon this question whether the amount of this subterranean energy within the earth's crust is at the present time increasing, stationary, or declining, we are not altogether destitute of evidence. There are some considerations connected with certain astronomical hypotheses, to which we shall hereafter have to refer, that might lead us to entertain the view that the subterranean activity was once far greater than it is at present, and that during the long periods of the earth's past history it has been slowly and gradually declining. And those who examine the vast masses of igneous materials which have been poured out from volcanic vents during the earlier periods of the earth's history may be inclined, at first sight, to point to them as affording conclusive proof of this gradual decline.
But a more careful study of the rocks in question will probably cause a geologist to pause before jumping to such a conclusion. If we look at the vast masses of volcanic materials erupted in Miocene times in our own island and in Ireland, for example, we might be led to imagine that we have the indications of a veritable - 279 - 'Reign of Fire,' and that the evidence points to a condition of things very different indeed from that which prevails at the present day. But in arriving at such a conclusion we should be neglecting a most important consideration, the disregard of which has been the fertile parent of many geological errors. Many independent lines of evidence all point to the inference that these volcanic ejections are not the result of one violent effort, but are the product of numerous small outbreaks which have been scattered over enormous periods of time.
When we examine with due care the lavas, tuffs, and other volcanic ejections which constitute such mountain-masses as those of the Hebrides, of the Auvergne, and of Hungary, we find clear proofs that the ancient Miocene volcanoes of these districts were clothed with luxuriant forests, through which wild animals roamed in the greatest abundance. The intervals between the ejections of successive lava-streams were often so great, that soils were formed on the mountain-slope, and streams cut deep ravines and valleys in them.
The island of Java is situated near the very heart of what is at the present day the most active volcanic centre on the face of the globe, yet vegetable and animal life flourish luxuriantly there, and the island is one of the richest and most fertile spots upon the face of the globe. Not all the terrors of occasional volcanic outbreaks will ever drive the Neapolitan vine-dressers - 280 - from the fertile slopes of Vesuvius, for its periods of repose are long, and its eruptions are of short duration.
These considerations lead the geologist to conclude that the evidence afforded by the ancient volcanic rocks is clear and positive in support of the view that the manifestations of the subterranean forces in the past agree precisely in their nature and in their products with those taking place around us at the present time. On the question of great secular changes having occurred in the amount of volcanic energy in past geological periods, the evidence must be pronounced negative, or at the best doubtful.
But even if the geologist confesses himself unable to establish the fact of any decline in the subterranean energies during the vast periods of which he takes cognisance, it must be remembered that such decline may really be going on; for vast as was the duration of the geological epochs, they probably constitute but a fraction of those far grander periods which are required by the speculations of the physical astronomer.
- 281 -
The first impression which is produced upon the mind, when the phenomena of volcanic action are studied, is that here we have exhibitions of destructive violence the effects of which must be entirely mischievous and disastrous to the living beings occupying the earth's surface. A little consideration will convince us, however, that the grand and terrible character of the displays of volcanic energy have given rise to exaggerated notions concerning their destructive effects. The fact that districts situated over the most powerful volcanic foci, like Java and Japan, are luxuriant in their productions, and thickly inhabited, may well lead us to pause ere we condemn volcanic action as productive only of mischief to the living beings on the earth's surface. The actual slopes of Vesuvius and Etna, and many other active volcanoes, are abundantly clothed with vineyards and forests and are thickly studded with populous villages.
As a matter of fact, the actual amount of damage - 282 - to life and property which is effected by volcanic eruptions is small. Usually, the inhabitants of the district have sufficient warning to enable them to escape with their lives and to carry away their most valuable possessions. And though fertile tracts are covered by loose dust and ashes, or by lava- and mud-currents, yet the sterility thus produced is generally of short duration, for by their decomposition volcanic materials give rise to the formation of the richest and most productive soils.
Earthquakes, as we have already seen, are far more destructive in their effects than are volcanoes. Houses and villages, nay even entire cities, are, by vibrations of portions of the earth's crust, reduced to heaps of ruins, and famines and pestilences too frequently follow, as the consequence of the disorganisation of our social systems by these terrible catastrophes.
It may well be doubted, however, whether the annual average of destruction to life and property caused by all kinds of subterranean action, exceeds that produced either by floods or by hurricanes. Yet we know that the circulation of water and air over our globe are beneficial and necessary operations, and that the mischief occasionally wrought by the moving bodies of water and air is quite insignificant compared with the good which they effect.
In the same way, we shall be able to show that the subterranean energies are necessary to the continued existence of our globe as a place fitted for the habitation - 283 - of living beings, and that the mischievous and destructive effects of these energies bear but a small and insignificant proportion to the beneficial results with which they must be credited.
We have had frequent occasion in the preceding pages to refer to the work—slow but sure, silent but effective—wrought by the action of the denuding forces ever operating upon the surface of our globe. The waters condensing from the atmosphere and falling upon the land in the form of rain, snow, or hail, are charged with small quantities of dissolved gases, and these waters penetrating among the rock-masses of which the earth's crust is composed, give rise to various chemical actions of which we have already noticed such remarkable illustrations in studying the ancient volcanic products of our globe. By this action the hardest and most solid rock-masses are reduced to a state of complete disintegration, certain of their ingredients undergoing decomposition, and the cementing materials which hold their particles together being removed in a state of solution. In the higher regions of the atmosphere this work of rock-disintegration proceeds with the greatest rapidity; for there the chemical action is reinforced by the powerful mechanical action of freezing water. On high mountain-peaks the work of breaking up rock-masses goes on at the most rapid rate, and every craggy pinnacle is swathed by the heaps of fragments which have fallen from it. The Alpine traveller justly dreads the continual fusillade of falling rock-fragments which - 284 - is kept up by the ever-active power of the frost in these higher regions of the atmosphere; and fears lest the vibrations of his footsteps should loosen, from their position of precarious rest, the rapidly accumulating piles of detritus. No mountain-peak attains to any very great elevation above the earth's surface, for the higher we rise in the atmosphere the greater is the range of temperature and the more destructive are the effects of the atmospheric water. The moon, which is a much smaller planet than our earth, has mountains of far greater elevation; but the moon possesses neither an atmosphere nor moisture on its surface, to produce those levelling effects which we see everywhere going on around us upon the earth.
The disintegrated materials, produced by chemical and mechanical actions of the atmospheric waters upon rock-masses, are by floods, rivers, and glaciers, gradually transported from higher to lower levels; and sooner or later every fragment, when it has once been separated from a mountain-top, must reach the ocean, where these materials are accumulated and arranged to form new rocks.
Over every part of the earth's surface these three grand operations of the disintegration of old rock-masses, the transport of the materials so produced to lower levels, and the accumulation of these materials to form new rocks, is continually going on. It is by the varied action of these denuding agents upon rocks of unequal hardness, occupying different positions in - 285 - relation to one another, that all the external features of hills, and plains, and mountains owe their origin.
It is a fact, which is capable of mathematical demonstration, that by the action of these denuding forces the surface of all the lands of the globe is being gradually but surely lowered; and this takes place at such a rate that in a few millions of years the whole of the existing continents must be washed away and their materials distributed over the beds of the oceans.
It is evident that there exists some agency by which this levelling action of the denuding forces of the globe is compensated; and a little consideration will show that such compensating agency is found in the subterranean forces ever at work within the earth's crust. The effects of these subterranean forces which most powerfully arrest our attention are volcanic outbursts and earthquake shocks, but a careful study of the subject proves that these are by no means the most important of the results of the action of such forces. Exact observation has proved that almost every part of the earth's surface is either rising or falling, and the striking and destructive phenomena of volcanoes and earthquakes probably bear only the same relation to those grand and useful actions of the subterranean forces, which floods do to the system of circulating waters, and hurricanes to the system of moving air-currents.
If we ride in a well-appointed carriage with good springs, upon a railway which is in excellent order, the movement is almost imperceptible to us; and the rate - 286 - of speed may be increased indefinitely, without making itself apparent to our senses. The smallest impediment to the evenness of the movement—such as that produced by a small object placed upon the rails—at once makes itself felt by a violent jar and vibration. How perfectly insensible we may be of the grandest and most rapid movements is taught us by the facts demonstrated by the astronomer. By the earth's daily rotation, we are borne along at a rate which in some places amounts to over 1,000 miles an hour; and by its annual revolution we are every hour transported through a distance of 70,000 miles; yet concerning the fact and direction of these movements we are wholly unconscious.
In the case both of the railway train and of our planet, we can only establish the reality of the movement, and its direction and rate, by means of observations upon external objects, which appear to us to have a movement in the opposite direction. In the same way we can only establish the fact of the movement of portions of the earth's crust by noticing the changing positions of parts of the earth's surface in relation to the constant level of the ocean. When this is done we find abundant proof that while some parts of the earth's crust are rising, others are as undoubtedly undergoing depression.
We shall be able to form some idea of the vastness of the effects produced by the subterranean forces, by a very simple consideration. It is certain that during - 287 - the enormous periods of time of which the records have been discovered by the geologist, there have always been continents and oceans upon the earth's surface, just as at present, and it is almost equally certain that the proportions of the earth's surface occupied by land and water respectively, have not varied very widely from those which now prevail. But, at the same time, it is an equally well-established bet that the denuding forces ever at work upon the earth's surface would have been competent to the removal of existing continents many times over, in the vast periods covered by geological records. Hence we are driven to conclude that the subterranean movements have in past times entirely compensated for the waste produced by the denuding forces ever at work upon our globe. But this is not all. The subterranean forces not only produce upheaval; in a great many cases the evidences of subsidence are as clear and conclusive as are those of upheaval in others. Hence we are driven to conclude that the forces producing upheaval of portions of the earth's crust are sufficient, not only to balance those producing subsidence, but also to compensate for the destructive action of denuding agents upon the land-masses of the globe.
It is only by a careful and attentive study and calculation of the effects produced by the denuding agents at work all around us, aided by an examination of the enormous thicknesses of strata formed by the action of such causes during past geological times, that - 288 - we are able to form any idea of the reality and vastness of the agents of change which are ever operating to modify the earth's external features. When we have clearly realised the grand effects produced on the surface of the globe by these external forces, through the action of its investing atmosphere and circulating waters, then, and only then, shall we be in a position to estimate the far greater effects resulting from the internal forces, of which the most striking, but not the most important, results are seen in the production of volcanic eruptions and earthquake-shocks.
Another series of facts which serve to convince the geologist of the reality and potency of the forces ever at work within the earth's crust, and the way in which these have operated during past geological periods, is found in the disturbed condition of many of the stratified rock-masses of which it is composed. Such stratified rock-masses, it is clear, must have been originally deposited in a position of approximate horizontality; but they are now often found in inclined and even vertical positions; they are seen to be bent, crumpled, puckered, and folded in the most remarkable manner, and have not unfrequently been broken across by dislocations—'faults'—which have sometimes displaced masses, originally in contact, to the extent of thousands of feet. The slate-rocks of the globe, moreover, bear witness to the fact that strata have been subjected to the action of lateral compression of enormous violence and vast duration; while in the metamorphic - 289 - rocks we see the effects of still more extreme mechanical strains, which have been in part transformed into chemical action. No one who has not studied the crushed, crumpled, fractured, and altered condition of many of the sedimentary rocks of the globe, can form the faintest idea of the enormous effects of the internal forces which have been in operation within the earth's crust during earlier geological periods. And it is only by such studies as these that we at last learn to regard the earthquake and volcanic phenomena of our globe, not as the grandest and most important effects of these forces, but as their secondary and accidental accompaniments. 'Volcanoes,' it has been said, 'are the safety-valves of the globe;' and when we come to realise the real extent and nature of the internal forces ceaselessly working in the earth's crust we shall scarcely be disposed to regard the simile as an overstrained one.
The first geologist who attempted to show the exact relations existing between those subterranean forces which cause the movements of continental masses of land, and those more startling displays of energy which are witnessed in volcanic outbursts, was the late Mr. Poulett Scrope. At a somewhat later date Mr. Darwin, in his remarkable paper 'On the Connexion of certain Volcanic Phenomena in South America, and on the Formation of Mountain-chains and Volcanoes as the effect of Continental Elevations,' threw much new and important light upon the question.
- 290 -
While, on the one hand, we are led by recent geological investigations to reject the notions which were formerly accepted, by which mountain-ranges were supposed to be suddenly and violently upheaved by volcanic forces, we are, on the other hand, driven to conclude that without the action of these subterranean forces, the irregularities which are exhibited on the earth's surface could not have had any existence.
It is true that the actual forms of the mountain-ranges are due directly to the action of denuding forces, which have sculptured out from the rude rocky masses all the varied outlines of peaks and crags, of ravines and valleys. But it is none the less true that the determining causes which have directed and controlled all this earth-sculpture, are found in the relative positions of hard and soft masses of rock; but these rock-masses have acquired their hardness and consistency, and have assumed their present positions, in obedience to the action of subterranean forces. Hence we see that though the formation of mountain-ranges is proximately due to the denuding forces, which have sculptured the earth's surface, the primary cause for the existence of such mountain-chains must be sought for in the fact that subterranean forces have been at work, folding, crumpling, and hardening the soft sediments, and placing them in such positions that, by the action of denudation, the more indurated portions are left standing as mountain-masses above the general surface.
The old notion that mountain-chains are due to a - 291 - vertical upthrust from below, finds but little support when we come to study with due care the positions of the rock-masses composing the earth's crust. On the contrary, we find that mountain-ranges are usually carved out of the crushed and crumpled edges of strata which have along certain lines been influenced by great mechanical strains, and subjected to more or less induration and chemical alteration. When we compare these folded and contorted portions of the strata with those parts of the same beds which are not so affected, we find the effects produced in the former are not such as would result from an upthrust from below, but from movements by which a tangential strain would be brought about. If we imagine certain lines of weakness to exist in the solid crust of the earth, then any movements in the portions of the crust between these lines of weakness would cause crushing and crumpling of the strata along the latter.
Recent investigations of Dana and other authors have thrown much new light upon the question of the mode of formation of mountain-chains, and the relation between the movements by which they are produced and the sudden and violent manifestations of force witnessed in volcanic outbursts. We cannot, perhaps, better illustrate this subject than by giving a sketch of the series of operations to which the great Alpine chains owe their origin.
There are good grounds for believing that the great mountain-axis of Southern Europe, with its continuation - 292 - in Asia, had no existence during the earlier geological periods. Indeed, it has been proved that all the higher among the existing mountain-chains of the globe have been almost entirely formed in Tertiary times. The reason of this remarkable fact is not far to seek. So rapid is the work of denudation in the higher regions of the atmosphere, that the elevated crags and pinnacles are being broken up by the action of moisture and frost at an exceedingly rapid rate. This fact is attested by the existence of those enormous masses of angular rock-fragments which are found lodged on every vantage-ground among the mountain-summits, as well as by the continually descending materials which are borne by glaciers and mountain-torrents to the valleys below. Where such a rate of disintegration as this is maintained, no elevated mountain-crests could exist through long geological periods. It is true we find in all parts of the globe relics of many mountain-chains which were formed before the Tertiary period; but these have by long-continued denudation been worn down to 'mere stumps.' Of such worn-down and degraded mountain-ranges we have examples in the Scandinavian chains, and some of the low mountain-regions of Central Europe and North America.
Let us now proceed to illustrate this subject by briefly sketching the history of that series of operations by which the great mountain-chains of the Alpine system have been formed.
The first stage of that grand series of operations - 293 - appears from recent geological researches to have consisted in the opening of a number of fissures running along a line near to that at which, in a long subsequent period, the elevation of the mountain-masses took place. This betrayal of the existence of a line of weakness in this part of the earth's crust occurred in the Permian period, and from that time onward a series of wonderful movements and changes have been going forward, which have resulted in the production of the Alpine chains as we now see them.
From the great fissures opened in Permian times along this line of weakness, great quantities of lava, scoriæ, and tuff were poured out, and these accumulated to form great volcanic mountains, which we can now only study at a few isolated spots, as in the Tyrol, Carinthia, and about Lake Lugano. Everywhere else, these Permian volcanic rocks appear to be deeply buried under the later-formed sediments, from which the Alpine chains have been carved. Few and imperfect, however, as are the exposures of these ancient rhyolite and quartz-andesite lavas and agglomerates formed at the close of the Palæozoic epoch, their greatly denuded relics form masses which are in places more than 9,000 feet in thickness. From this fact we are able to form some slight idea of the scale upon which the volcanic outbursts in question must have taken place during Permian times.
The second stage in the series of operations by which the Alpine chains have been formed, consisted - 294 - in a general sinking of the surface along that line of weakness in the earth's crust, the existence of which had been betrayed by the formation of fissures and the eruption of volcanic rocks. We have already had occasion to remark how frequently such subsidences follow upon the extrusion of volcanic masses at any part of the earth's surface; and we have referred these downward movements in part to the removal of support from below the portion of the crust affected, and in part to the weight of the materials piled upon its surface by the volcanic forces.
The volcanic energy which had been manifested with such violence during the Permian period, does not appear to have died out altogether during the succeeding Triassic period. A number of smaller volcanic vents were opened from time to time, and from these, lavas, tuffs, and agglomerates, chiefly of basic composition, were poured out. The relics of these old Triassic volcanoes are found at many points along the Alpine chain, but it is evident that the igneous forces were gradually becoming exhausted during this period, and before the close of it they had fallen into a state of complete extinction.
But the great subsidence which had commenced in the Triassic period, along what was to become the future line of the Alpine chain, was continued almost without interruption during the Rhætic, the Jurassic, the Tithonian, the Neocomian, the Cretaceous and the Nummulitic periods. With respect to the strata formed - 295 - during all these periods, it is found that their thiknesses, which away from the Alpine axis may be measured by hundreds of feet, is along that axis increased to thousands of feet. The united thickness of sediments accumulated along this great line of subsidence between the Permian and Nummulitic periods probably exceeds 60,000 feet, or ten miles. The subsidence appears to have been very slow and gradual, but almost uninterrupted, and the deposition of sediments seems to have kept pace with the sinking of the sea-bottom, a fact which is proved by the circumstance that nearly the whole of these sediments were such as must have been accumulated in comparatively shallow water.
By the means we have described there was thus formed a 'geosynclinal,' as geologists have called it, that is, a trough-like hollow filled with masses of abnormally thickened sediments, which had been piled one upon another during the long periods of time in which almost uninterrupted subsidence was going on along the Alpine line of weakness in the earth's crust. In this way was brought together that enormous accumulation of materials from which the hard masses of the Alpine chains were subsequently elaborated, and out of which the mountain-peaks were eventually carved by denudation.
The third stage in this grand work of mountain-making commenced in the Oligocene period. It consisted of a series of movements affecting the parts of - 296 - the earth's crust on either side of the line of weakness which had first exhibited itself in Permian times. By these movements a series of tangential strains were produced, which resulted in the violent crushing, folding, and crumpling of the sedimentary materials composing the geosynclinal.
One effect of this action was the violent flexure and frequent fracture of these stratified masses, which are now found in the Alpine regions assuming the most abnormal and unexpected positions and relations to one another. Sometimes the strata are found tortured and twisted into the most complicated folds and puckerings; at others they are seen to be completely inverted, so that the older beds are found lying upon the newer; and in others, again, great masses of strata have been traversed by numerous fractures or faults, the rocks on either side of which are displaced to the extent of thousands of feet.
Another effect of the great lateral thrusts by which the thick sedimentary masses of the geosynclinal were being so violently disturbed, was the production of a great amount of induration and chemical change in these rocks. Masses of soft clay, of the age of that upon which London is built, were by violent pressure reduced to the condition of roofing-slate, similar to that of North Wales. One of the most important discoveries of modern times is that which has resulted in the recognition of the fact of the mutual convertibility of different kinds of energy. We now know that mechanical force may - 297 - be transformed into heat-force or chemical force; and of such transformations we find abundant illustrations in the crushed and crumpled rock-masses of the Alpine chains.
Under the influence of these several kinds of force, not only was extreme consolidation and induration produced among the rock-masses, but chemical affinity and crystalline action had the fullest play among the materials of which they were composed. In many cases we find the originally soft muds, sands, and shell-banks converted into the most highly crystalline rocks, which retain their primary chemical composition, but have entirely lost all their other original features.
To the mass of folded, crumpled, and altered strata, formed from a geosynclinal by lateral pressure, geologists have given the name of a 'geanticlinal.' The formation of the Alpine geanticlinal was due to movements which commenced in the Oligocene period, attained their maximum in the Miocene, and appear to have declined and almost altogether died out in the Pliocene period.
The movements which resulted in the crushing and crumpling of the thickened mass of sediments along the Alpine line of weakness, also gave rise to the formation of a series of fissures from which volcanic action took place. These fissures were not, however, formed along the original line of weakness, for this had been strengthened and repaired by the deposition of ten-miles' thickness of sediments upon it, but along new - 298 - fissures opened in directions parallel to the original lines of weakness, and in areas where a much less considerable amount of deposition had taken place since Permian times.
We have abundant evidence that, just at the period when those great movements were commencing which resulted in the formation of the great Alpine and Himalayan geanticlinal, earth-fissures were being opened upon either side of the latter from which volcanic outbursts took place. At the period when the most violent mountain-forming movements occurred, these fissures were in their most active condition, and at this time two great volcanic belts stretched east and west, on either side of, and parallel to, the great Alpine chain. The Northern volcanic band was formed by the numerous vents, now all extinct, in Auvergne, Central Germany, Bohemia, and Hungary, and was probably continued in the volcanoes of the Thian Shan and Mantchouria. The Southern volcanic band was formed by the numerous vents of the Iberian and Italian peninsulas, and the islands of the Mediterranean, and were continued to the eastward by those of Asia Minor, Arabia, and the North Indian Ocean. As the earth-movements which produced the geanticlinal died away, the volcanic energy along these parallel volcanic bands died away at the same time. In studying the geology of Central and Southern Europe, no fact comes out more strikingly than that of the synchronism between the earth-movements by - 299 - which the geanticlinal of the Alps was formed, and the volcanic manifestations which were exhibited along lines of fissure parallel to that geanticlinal. The earth-movements and the volcanic outbursts both commenced in the Oligocene period, gradually attained their maximum in the Miocene, and as slowly declined in the Pliocene.
The fourth stage in the great work of mountain-building in the case of the Alps consisted in the operation of the denuding forces, the disintegrating action of rain and frost, the transporting action of rivers and glaciers, by which the Alpine peaks were gradually sculptured out of the indurated and altered masses constituting the geanticlinal. The action of this fourth stage went on to a great extent side by side with that of the third stage. So soon as the earth-movements had brought the submerged sedimentary masses of the geosynclinal under the action of the surface tides and currents of the ocean, marine denudation would commence; and, as the work of elevation went on, the rock-masses would gradually be brought within the reach of those more silently-working but far more effective agents which are ever operating in the higher regions of the atmosphere. It is impossible to say what would have been the height of the Alpine chain if the work of denudation had not to a great extent kept pace with that of elevation. Only the harder and more crystalline masses have for the most part escaped destruction, and stand up in high craggy summits; - 300 - while flanking hills, like the well-known Rigi, are Been to be composed of conglomerates thousands of feet in thickness, composed of their disintegrated materials. It is a remarkable fact, as showing how enormous was the work of elevation daring the formation of the geanticlinal, that some of the youngest and least consolidated rocks of the Nummulitic period are still found at a height of 11,000 feet in the Alps, and of 16,000 feet in the Himalaya.
From what has been said, it will be seen that mountain-chains may be regarded as cicatrised wounds in the earth's solid crust. A line of weakness first betrays itself at a certain part of the earth's surface by fissures, from which volcanic outbursts take place; and thus the position of the future mountain-chain is determined. Next, subsidence during many millions of years permits of the accumulation of the raw materials out of which the mountain-range is to be formed; subsequent earth-movements cause these raw materials to be elaborated into the hardest and most crystalline rock-masses, and place them in elevated and favourable positions; and lastly, denudation sculptures from these hardened rock-masses all the varied mountain forms. Thus the work of mountain-making is not, as was formerly supposed by geologists, the result of a simple upheaving force, but is the outcome of a long and complicated series of operations.
The careful study of other mountain-chains, especially those of the American continent, has shown that - 301 - the series of actions which we have described as occurring in the Alps, took place in the same order in the formation of all mountain-masses. It is doubtful whether the line of weakness is always betrayed in the first instance by the formation along its course of volcanic fissures. But in all cases we have evidence of the production of a geosynclinal, which is afterwards, by lateral pressure, converted into a geanticlinal, and from this the mountain-chains have been carved by denudation. Professor Dana has shown that the geosynclinal of the Appalachian chain was made up of sediments attaining a thickness of 40,000 feet, or eight miles; while Mr. Clarence King has shown that a part of the geosynclinal of the Rocky Mountains was built up of no less than 60,000 feet, or twelve miles of strata.
It has thus been established that a very remarkable relation exists between the forces by which continental masses of land are raised and depressed, and mountain-ranges have been developed along lines of weakness separating such moving continental masses, and those more sudden and striking manifestations of energy which give rise to volcanic phenomena. It is in this relation between the widespread subterranean energies and the local development of the same forces at volcanic vents, that we must in all probability seek for the explanation of those interesting peculiarities of the distribution of volcanoes upon the face of the globe which we have described in a former chapter. The - 302 - parallelism of volcanic bands to great mountain-chains is thus easily accounted for; and in the same way we may probably explain the position of most volcanoes with regard to coast-lines. We have already pointed out the objections to the commonly-received view that volcanoes depend for their supplies of water on the proximity of the ocean. This proximity of the ocean to volcanic vents we are thus inclined to regard, not as the cause, but as the effect of the subterranean action. The positions of both volcanoes and coast-lines are determined by the limits of those great areas of the earth's crust which are subjected to slow vertical movements, often in opposite directions.
Terrible and striking, then, as are the phenomena connected with volcanic action, such sudden and violent manifestations of the subterranean energy must not be regarded as the only, or indeed the chief, effects which they produce. The internal forces continually at work within the earth's crust perform a series of most important functions in connection with the economy of the globe, and were the action of these forces to die out, our planet would soon cease to be fit for the habitation of living beings.
There is no fact which the geological student is more constantly called upon to bear in mind than that of the potency of seemingly insignificant causes which continue in constant operation through long periods of time. Indeed these small and almost unnoticed agencies at work upon the earth's crust are often found, - 303 - in the long ran, to produce far grander effects than those of which the action is much more striking and obvious. It is to the silent and imperceptible action of atmospheric moisture and frost that the disintegration of the solid rock-masses must be mainly ascribed; and the noisy cataract and ocean-billow produce effects which are quite insignificant compared with those which must be ascribed to the slight and almost unnoticed forces. Great masses of limestone are built up of the remains of microscopic organisms, while the larger and higher life-forms contribute but little to the great work of rock-building.
In the same way it is to the almost unnoticed action of the subterranean forces in raising some vast areas of the earth's crust, in depressing others, and in bringing about the development of mountain-chains between them, that we must ascribe a far more important part in the economy of our globe than to the more conspicuous but less constant action of volcanoes.
A few simple considerations will serve to convince us, not only of the beneficial effects of the action of the subterranean energies within the earth's crust, but of the absolute necessity of the continued operation of those energies to the perpetuation of that set of conditions by which our planet is fitted to be the habitation of living beings.
We have already referred to the prodigious effects which are constantly being produced around us by the action of the external forces at work upon the globe. - 304 - The source of these external forces is found in the movements and changes which are ever going on within the aqueous and atmospheric media in which the globe is enveloped. The circulation of the air, influencing the circulation of the waters in the shape of clouds, rain, snow, rivers, glaciers, and oceans, causes the breaking up of even the hardest rock-masses, and the continual removal of their disintegrated fragments from higher to lower levels. This work goes on with more or less regularity over every part of the land raised above the level of the ocean, but the rate of destruction in the higher regions of the atmosphere is far more rapid than at lower levels. Hence the circulating air and water of the globe are found to be continually acting as levellers of the land-masses of the earth.
It is by no means a difficult task to calculate the approximate rate at which the various continents and islands are being levelled down, and such calculations prove that in a very few millions of years the existing forces operating upon the earth's surface would reduce the whole of the land-masses to the level of the ocean.
But a little consideration will convince us that the circulation of the air and waters of the globe are themselves dependent upon the existence of those irregularities of the land-surfaces which they are constantly tending to destroy. Without elevated mountain ridges the regular condensation of moisture, and its collection and distribution in streams and rivers over every part - 305 - of the land surfaces, could not take place. Under these circumstances the unchecked evaporation of the oceanic waters would probably go on, till the proportion of water-vapour increased to such an extent in the atmosphere as effectually to destroy those nicely-balanced conditions upon which the continued existence of both vegetable and animal life depend.
But the repeated upward and downward movements which have been shown to be going on in the great land-masses of the globe, giving rise in turns to those lateral thrusts and tangential strains to which mountain-chains owe their formation, afford a perfect compensation to the action of the external forces ever operating upon the earth's surface.
If, however, the uncompensated effect of the external forces acting on the earth's crust is calculated to bring about the destruction of those conditions upon which the existence of life depends, the uncompensated effect of the internal forces acting on the earth's crust are fraught with at least equal dangers to those necessary conditions.
In our nearest neighbour among the planets—the moon—the telescope has revealed to us the existence of a globe, in which the internal forces have not been checked and controlled by the operation of any external agencies—for the moon appears to be destitute of both atmosphere and water.
Under these circumstances we find its surface, as we might expect, to be composed of rocks which appear - 306 - to be entirely of igneous origin; the mountain-masses, unworn by rain or frost, river or glacier, being of most prodigious dimensions as compared with those of our own globe, while no features at all resembling valleys, or plains, or alluvial flats are anywhere to be discerned upon the lunar surface.
But by the admirable balancing of the external and internal forces on our own globe, the conditions necessary to animal and vegetable existence are almost constantly maintained, and those interruptions of such conditions, produced by hurricanes and floods, by volcanic outbursts and earthquakes, may safely be regarded as the insignificant accidents of what is, on the whole, a very perfectly working piece of machinery.
The ancients loved to liken the earth to a living being—the macrocosm of which man was the puny representative or microcosm; and when we study the well-adapted interplay of the forces at work upon the earth's crust, both from within and without, the analogy seems a scarcely strained one. In the macrocosm and the microcosm alike, slight interferences with the regular functions occasionally take place, and both of them exhibit the traces of a past evolution and the germs of an eventual decay.
- 307 -
In entering upon any speculations or enquiries concerning the nature of the interior of our globe, it is necessary before all things that we should clearly realise in our minds how small and almost infinitesimal is that part of the earth's mass which can be subjected to direct examination. The distance from the surface to the centre of our globe is nearly 4,000 miles, but the deepest mines do not penetrate to much more than half a mile from the surface, and the deepest borings fall far short of a mile in depth. Sometimes, it is true, the geologist finds means for drawing inferences as to the nature of the rocks at depths of ten or fifteen miles below the surface; but the last-named depth must be regarded as the utmost limit of that portion of our globe which can be made the object of direct observation and study. This thin exterior film of the earth's mass, which the geologist is able to investigate, we call the 'crust of the globe'; but it must be remembered that in using this term, it is not intended to imply that - 308 - the outer part of our globe differs in any essential respect from the interior. The term 'crust of the globe' is employed by geologists as a convenient way of referring to that portion of the earth which is accessible to their observation.
But if we are unable to make direct investigations concerning the nature of the internal portions of the globe, there are nevertheless a number of facts from which we may draw important inferences upon the subject. These facts and the inferences based upon them we shall now proceed to consider.
First in importance among these we may mention the results which have been obtained by weighing our globe. Various methods have been devised for accomplishing this important object, and the conclusions arrived at by different methods agree so closely with one another, that there is no room for doubt as to the substantial accuracy of those results. It may be taken as proved beyond the possibility of controversy that our globe is equal in weight to five and a half globes of the same size composed of water, or, in other words, that the average density of the materials composing the globe is five and a half times as great as that of water.
Now the density of the materials which compose the crust of the globe is very much less than this, varying from about two-and-one-third to three times that of water. Hence we are compelled to conclude that the interior portions of the globe are of far greater density than the exterior portions; that, as a matter of fact, - 309 - the mass of the globe is composed of materials having twice the density of the rocks exposed at the surface.
It has been sometimes argued that as all materials under intense pressure appear to yield to an appreciable extent, and to allow their particles to be packed into a smaller compass, we may find in this fact an explanation of the great density of the internal parts of the globe. It has in fact been suggested that under the enormous pressure which must be exerted by masses of rock several thousand feet in thickness, the materials of which our earth is composed may be compelled to pack themselves into less than one-half the compass which they occupy at the surface. But the ascription of such almost unlimited compressibility to solid substances can be supported neither by experiment nor analogy. Various considerations point to the probability that solid bodies yield to pressure up to a certain limit and no farther, and that when this limit is reached an increase in pressure is no longer attended with a reduction in bulk.
If then we are compelled to reject the idea of the unlimited compressibility of solid substances, we must conclude that the interior portions of our globe are composed of materials of a different kind from those which occur in its crust. And this conclusion, as we shall presently see, is borne out by a number of independent facts.
The study of the materials ejected from volcanic vents proves that even at very moderate depths there - 310 - exist substances differing greatly in density, as well as in chemical composition. The lightest lavas have a specific gravity of 2·3, the heaviest of over 3. And that materials of even greater density are sometimes brought by volcanic action from the earth's interior, we have now the clearest proofs.
But in considering a question of this kind, it will be well to remember that analogy may furnish us with hints upon the subject which may prove to be by no means unimportant. There is no question upon which modern science has wrought out a more complete revolution in our ideas, than that of the relation of our earth to the other bodies of the universe. We know, as the result of recent research, that our globe is one of a great family of bodies, moving through space in similar paths and in obedience to the same laws. A hundred years ago the primary and secondary planets of the solar system could be almost numbered upon the fingers; now we recognise the fact that they exist in countless millions, presenting every variety of bulk from masses 1,400 times as large as our earth down to the merest planetary dust. Between the orbits of Mars and Jupiter, more than 200 small planets have been recognised as occurring, and every year additions are made to the number of these asteroids. Comets have now been identified with streams of such planetary bodies, of minute size, moving in regular orbits through our system. The magnificent showers of 'shooting-stars' have been proved to be caused by - 311 - the passage of the earth through such bands of travelling bodies, and 'the zodiacal light' finds its most probable explanation in the supposition that the sun is surrounded by a great mass of such minute planets. Every increase in the power of the telescope reveals to us the existence of new secondary planets or moons, revolving about the primaries; and the wonderful system of the Saturnian rings is now explained by the proved existence of great streams of such secondary planets circling around it. The solar system was formerly conceived of as a vast solitude through which a few gigantic bodies moved at awful distances from one another. Now we know that the supposed empty void is traversed by countless myriads of bodies of the most varied dimensions, all moving in certain definite paths, in obedience to the same laws, ever acting and reacting upon each other, and occasionally coming into collision.
There are not wanting further facts to prove that the other planets are like our own in many of their phenomena and surroundings. In some of them atmospheric phenomena have been detected, such as the formation of clouds and the deposition of snow, so that the external forces at work on our globe act upon them also. And that internal forces, like those we have been considering in the case of our earth, are at work in our neighbours, is proved by the great solar storms and the condition of the moon's surface.
But the results of spectrum-analysis in recent years have furnished new facts in proof of the close relationship - 312 - of our earth to the numerous similar bodies by which it is surrounded. So far as observation has yet gone we have reason for believing that not only the members of the solar system, but the more distant bodies of the universe, are all composed of the same elementary substances as those which enter into the composition of our globe.
The most satisfactory information concerning the composition and nature of other planetary bodies is derived from the study of those small planets which occasionally come into collision with our globe, and which have their own proper motion in space thereby arrested. These meteorites, as such falling planetary bodies are called, have justly attracted great attention, and their fragments are treasured as the most valuable objects in our museums.
The first fact concerning these meteorites, which it is necessary to notice, is that they are composed of the same chemical elements as occur in the earth's crust. No element has yet been found in any meteorite which was not previously known as existing in the earth, and of the sixty-five or seventy known terrestrial elements no less than twenty-two have already been detected in meteorites.
There are, however, a dozen elements which occur in overwhelming proportions in the earth's crust. We shall probably not be going too far in saying that these twelve elements—namely, oxygen, silicon, aluminium, calcium, magnesium, sodium, potassium, iron, carbon, - 313 - hydrogen, sulphur, and chlorine—make up amongst them not less than 999 out of 1,000 parts of the earth's crust, and that all the other fifty or sixty elements are 80 comparatively rare that they do not constitute when taken altogether more than one part in 1,000 of the rocks of the globe. Now all of these twelve common terrestrial elements occur in meteorites, and the fact that the rarer terrestrial elements have not as yet been found in them will not surprise anyone, who remembers how small is the bulk of all the specimens of these meteorites existing in our museums.
We have hitherto insisted on the points of resemblance in the chemical composition of meteorites and that of the rocks of the globe, but we shall now have to indicate some very important points in which they differ.
While in the rocks composing the earth's crust oxygen forms one-half of their mass, and silicon another quarter, we find that in the meteorites these elements, though present, play a much less important part. The most abundant element in the meteorites is iron; and nickel, chromium, cobalt, manganese, sulphur, and phosphorus, are much more abundant in these extra-terrestrial bodies than they are in the earth's crust.
We have already referred to the remarkable fact that in our earth's crust nearly all the other elementary substances are found combined in the first instance with oxygen, and that most rocks consist of the oxide of silicon combined with the oxides of various metals. - 314 - But this is by no means the case with the meteorites. In them we find metals like iron, nickel, cobalt, &c., in their uncombined condition, and forming alloys with one another. The same and other metals also occur in combination with carbon, phosphorus, chlorine, and sulphur, and some of the substances thus formed are quite unknown among terrestrial rocks. Compounds of the oxide of silicon with the oxides of the metals such as form the mass of the crust of the globe do occur in meteorites, but they play a much less important part than in the case of the terrestrial rocks.
Among the substances found in meteorites are several which do not exist among the terrestrial rocks—some, indeed, which it seems impossible to conceive of as being formed and preserved under terrestrial conditions. Among these we may mention the phosphide of iron and nickel (Schreibersite), the sulphide of chromium and iron (Daubréelite), the protosulphide of iron (Troilite), the sulphide of calcium (Oldhamite), the protochloride of iron (Lawrencite), and a peculiar form of crystallised silica, called by Professor Maskelyne 'Asmanite.'
There are other phenomena exhibited by meteorites which indicate that they must have been formed under conditions very different to those which prevail upon the earth's surface. Thus we find that fused iron and molten slag-like materials have remained entangled with each other, and have not separated as they would do if a great body like the earth were near to exercise the - 315 - varying force of gravity upon the two classes of substances. Again, meteorites are found to have absorbed many times their bulk of hydrogen gas, and to exhibit peculiarities in their microscopic structure which can probably be only accounted for when we remember that they were formed in the interplanetary spaces, far away from any great attracting body.
But in recent years a number of very important facts have been discovered which may well lead us to devote a closer attention to the composition and structure of meteorites. It has been shown, on the one hand, that some meteorites contain substances precisely similar to those which are sometimes brought from the earth's interior during volcanic outbursts; and, on the other hand, there have been detected, among some of the ejections of volcanoes, bodies which so closely resemble meteorites that they were long mistaken for them. Both kinds of observation seem to point to the conclusion that the earth's interior is composed of similar materials to those which we find in the small planets called meteorites.
M. Daubrée has proposed a very convenient classification for meteorites, dividing them into the following four groups:—
I. Holosiderites; consisting almost entirely of metallic iron, or of iron alloyed with nickel, stony matter being absent; but sulphides, phosphides, and carbides of several metals are often diffused through the mass. The polished surfaces of these meteoric - 316 - irons, when etched with acid, often exhibit a remarkable crystalline structure.
II. Syssiderites; in which a network of metallic iron encloses a number of granular masses of stony materials.
III. Sporadosiderites; which consist of a mass of stony materials, through which particles of metallic iron are disseminated.
IV. Asiderites; containing no metallic iron, but consisting entirely of stony materials.
There are, besides the meteorites belonging to these principal groups, a few of peculiar and exceptional composition, which we need not notice further for our present purpose.
From the above classification it will be seen that most meteorites consist of a mixture in varying proportions of metallic and stony materials. Sometimes the metallic constituents are present in greater proportions than the stony, at other times the stony materials predominate, while occasionally one or other of these elements may be wholly wanting.
The stony portions of meteorites, upon careful examination, prove to be built up of certain minerals, agreeing in their chemical composition and their crystalline forms with those which occur in the rocks of the earth's crust. Among the ordinary terrestrial minerals occurring in the stony portions of meteorites, we may especially mention olivine, enstatite, augite, anorthite, chromite, magnetite, and pyrrhotite.
- 317 -
The minerals which occur in meteorites are in every case such as are found in the more basic volcanic rocks—quartz, and the acid felspars, with the other minerals which occur in acid rocks, being entirely absent in the 'extra-terrestrial' rocks.
Now, besides the three great classes of lavas which we have described as being ejected from volcanic vents, there are some rarer materials occasionally brought from the earth's interior by the same agency, that present a most wonderful resemblance to the stony portions of meteorites. These materials we may call 'ultra-basic rocks.' Their specific gravity is very high, usually exceeding 3, and they contain a very low percentage of silica; on the other hand, the proportion of iron and magnesia is often much greater than in ordinary terrestrial rocks. But the most remarkable fact about these ultra-basic rocks is, that they are almost entirely composed of the minerals which occur in meteorites; namely, olivine, enstatite, augite, anorthite, magnetite, and chromite.
The ultra-basic rocks often occur under very peculiar conditions. Sometimes they are found forming ordinary volcanic protrusions through the sedimentary rocks. The rocks named pikrites, lherzolites, dunites, &c., are examples of such igneous protrusions composed of these ultra-basic materials, and probably all the true serpentines are rocks of the same class which have absorbed water and undergone great alteration. The ultra-basic rocks sometimes contain platinum and other - 318 - metals in the free or uncombined state. But not unfrequently we find among the ordinary ejections of volcanoes, nodules and fragments of such ultra-basic materials, which have clearly been carried up with the other lavas from great depths in the earth's crust. Thus in Auvergne, the Eifel, Bohemia, Styria, and many other volcanic districts, the basaltic lavas and tuffs are found to contain nodules composed of the minerals which are so highly characteristic of meteorites. Such nodules, too, often form the centres of the volcanic bombs which are thrown out of craters during eruptions.
We thus see that materials identical in composition and character with the stony portions of meteorites, exist within the earth's interior, and are thrown out on its surface by volcanic action. A still more interesting discovery has been made in recent years; namely, that materials similar to the metallic portion of meteorites, and consisting of nickeliferous iron, also occur in deep-seated portions of the earth's crust, and are brought to the surface during periods of igneous activity.
In the year 1870, Professor Nordenskiöld made a most important discovery at Ovifak, on the south side of the Island of Disko, off the Greenland coast. On the shore of the island a number of blocks of iron were seen, and the chemical examination of these proved that, like ordinary metallic meteorites, they consisted of iron alloyed with nickel and cobalt.
- 319 -
Now, when the facts concerning the masses of native iron of Ovifak were made known, the first and most natural explanation which presented itself to every mind was, that these were a number of meteorites which at some past period had fallen upon the earth's surface.
| Metallic iron. | |
| Opaque crystals of magnetite (black oxide of iron). | |
| Transparent crystals of felspar, augite, and olivine. |
But a further examination of the locality revealed a number of facts which, as Professor Steenstrup pointed out, it is very difficult to reconcile with the theory that the Ovifak masses of iron are of meteoric - 320 - origin. The district of Western Greenland, where these masses were discovered, has been the scene of volcanic outbursts on the grandest scale during the Miocene period. In close proximity to the great iron masses, there are seen a number of basaltic dykes; and, when these dykes are carefully examined, the basaltic rock of which they are composed is seen to be full of particles of metallic iron. In fig. 87, we have a drawing made from a section of the Ovifak basalts magnified four or five diameters. The rock-mass is seen to be composed of black, opaque magnetite, and transparent crystals of augite, labradorite, olivine, &c.; while, through the whole, particles of metallic iron are found entangled among the different crystals in the most remarkable manner.
It has been suggested that this singular rock might have been formed by a meteorite falling, in Miocene times, into a lava-stream in a state of incandescence. But the relation of the metallic particles to the stony materials is such as to lend no support whatever to this rather strained hypothesis.
A careful study of all the facts of the case by Lawrence Smith, Daubrée, and others well acquainted with the phenomena exhibited by meteorites, has led to the conclusion that the large iron-masses of Ovifak, as well as the particles of metallic iron diffused through the surrounding basalts, are all of terrestrial origin, and have been brought by volcanic action from the earth's interior. It is probable that, just as we find in many - 321 - basaltic lavas nodules of ultra-basic materials similar to the stony parts of meteorites, so in these basalts of Ovifak we have masses of iron alloyed with nickel, similar to the metallic portions of meteorites. Both the stony and metallic enclosures in the basalt are in all probability derived from deeper portions of the earth's crust. By the weathering away of the basalt of Ovifak, the larger masses of metallic iron have been left exposed upon the shore where they were found.
There are a number of other facts which seem to support this startling conclusion. Thus it has been shown by Professor Andrews that certain basalts in our own islands contain particles of metallic iron of microscopic dimensions, and it is not improbable that some of the masses of nickeliferous iron found in various parts of the earth's surface, which have hitherto been regarded as meteorites, are, like those of Ovifak, of terrestrial origin.
Another piece of evidence pointing in the same direction, is derived from those great fissures communicating with the interior of our globe which become filled with metallic minerals, and are known to us as mineral-veins. In these mineral-veins the native metals, their alloys, and combinations of these with sulphur, chlorine, phosphorus, &c., are frequently present. But oxides of the metals, except as products of subsequent alteration, occur far less frequently than in the earth's crust generally. Hence we are led to conclude that the substances which in the outer part of the earth's crust always exist - 322 - in combination with oxygen, are at greater depths in a free and uncombined condition.
Nor is it a circumstance altogether unworthy of attention that the researches of Mr. Norman Lockyer and other astronomers, based on the known facts of the relative densities of the several members of the solar system, and the ascertained relations of the different solar envelopes, have led to conclusions closely in accord with those arrived at by geologists. These researches appear to warrant the hypothesis that the interior of our globe consists of metallic substances uncombined with oxygen, and that among these metallic substances iron plays an important part. Our globe, as we know, is a great magnet, and the remarkable phenomena of terrestrial magnetism may also not improbably find their explanation in the fact that metallic iron forms 80 large a portion of the earth's interior.
The interesting facts which we have been considering may be made clearer by the accompanying diagram (fig. 88). The materials ejected from volcanic vents (lavas) are in almost all cases compounds of silicon and the various metals with oxygen. In the lighter or acid lavas oxygen constitutes one-half of their weight, and the proportion of metals of the iron-group is very small. As we pass to the heavier intermediate and basic lavas, we find the proportion of oxygen diminishing, and the metals of the alkaline earths (magnesium and calcium) with the metals of the iron-group increasing, in quantity. In the small and interesting group of the ultra-basic lavas the proportion of oxygen is comparatively small, and the proportion of magnesium and iron very high. So much for the terrestrial rocks.

- 323 -
Now let us turn our attention to the extra-terrestrial rocks or those found in meteorites. The Asiderites are quite identical in composition with the ultra-basic lavas of our globe, but in the Sporadosiderites and the Syssiderites we find the proportion of oxygen rapidly diminishing, and that of metallic iron increasing. Finally, in the Holosiderites the oxygen entirely disappears, and the whole mass becomes metallic.
From the Holosiderites at one end of the chain to the add lavas at the other, we find there is a complete and continuous series; the rocks of terrestrial origin overlapping, in their least oxydized representatives, the most highly oxydized representatives of the extra-terrestrial rocks. But the discovery at Ovifak of the iron-masses, and the basalts with iron disseminated, has afforded another very important link, placing the terrestrial and extra-terrestrial rocks in closer relations with one another.
All these facts appear to point to the conclusion that the earth's interior consists of metallic substances either quite uncombined or simply alloyed with one another, and among these iron is very conspicuous by its abundance. The outer crust, which is probably of no great thickness, contains an enormous proportion of oxygen and silicon combined with the materials which constitute the interior portions of our globe. It may - 324 - be, as has been suggested by astronomers, that our earth consisted at one time of a solid metallic mass surrounded by a vaporous envelope of metalloids, and that the whole of the latter, with the exception of the constituents of the atmosphere and ocean, have gradually entered into combination with the metals of the nucleus to form the existing crust of the globe. But of this period the geologist can take no cognisance. The records which he studies evidently commenced at a long subsequent period, when the conditions prevailing at the earth's surface differed but little, if at all, from those which exist at the present day. Equally little has the geologist to do with speculations concerning a far distant future when, as some philosophers have suggested, the work of combination of the waters and atmosphere of the earth's surface with the metallic substances of its interior shall be completed, and our globe, entirely deprived of its fluid envelopes, reduced to the condition in which we find our satellite, the moon.
There is another class of enquiries concerning the earth's interior to which the attention of both geologists and astronomers has long been directed—that, namely, which deals with the problem of the physical condition of the interior of our globe.
The fact that masses of molten materials are seen at many points of the earth's surface to issue from figures in the crust of our globe, seems at first sight to find a simple explanation if we suppose our planet to - 325 - consist of a fluid central mass surrounded by a solid crust. Hence we find that among those who first thought upon this subject, this hypothesis of a liquid centre and a solid crust was almost universally accepted. This hypothesis was supposed to find further support in the fact that, as we penetrate into the earth's crust by mines or boring operations, the temperature is found to continually increase. It was imagined, too, that this condition of our planet would best agree with the requirements of the nebular hypothesis of Laplace, which explains the formations and movements of the bodies of the solar system by the cooling down of a nebulous mass.
But a more careful and critical examination of the question has led many geologists and astronomers to reject the hypothesis that the earth consists of a great fluid mass surrounded by a comparatively thin shell of solid materials.
Volcanic outbursts and earthquake tremors, though so terrible and destructive to man and his works, are but slight and inconsiderable disturbances in a globe of such vast dimensions as that on which we live. The condition of the crust of the globe is, in spite of volcanic and earthquake manifestations, one of general stability; and this general stability has certainly been maintained during the vast periods covered by the geological record. Such a state of things seems quite irreconcilable with the supposition that, at no great depth from the surface, the whole mass of the globe is in a - 326 - liquid condition. If, on the other hand, it be supposed that the solid crust of the globe is several hundreds of miles in thickness, it is difficult to understand how the local centres of volcanic activity could be supplied from such deep-seated sources.
There are other facts which seem equally irreconcilable with the hypothesis of a fluid centre and a thin solid crust in our globe. If all igneous products were derived from one central reservoir, we might fairly expect to find a much greater uniformity of character among those products than really exists. But in some cases, materials of totally different composition are ejected at the same time from closely adjoining volcanic districts. Thus in Hungary and Bohemia, as we have seen, lavas of totally different character were being extruded during the Miocene period. In the island of Hawaii, as Professor Dana has pointed out, igneous ejections have taken place at a crater 14,000 feet above the sea-level, while a closely adjoining open vent at a level 10,000 feet lower exhibited no kind of sympathy with the disturbance. Whatever may be the cause of volcanic action, it seems clear that it does not originate in a universal mass of liquefied material situated at no great depth from the earth's surface.
The conclusions arrived at by astronomers and physicists is one quite in accord with those which geologists have reached by totally different methods. It is now very generally admitted that if the earth were not a rigid mass, its behaviour under the attract - 327 - live influences of the surrounding members of the solar system would be very different to what is found to be the case.
That the earth is in a solid condition to a great depth from the surface, and possibly quite to the centre, is a conclusion concerning which there can be little doubt; and in the next chapter we shall endeavour to show that such a condition of thirds is by no means incompatible with those manifestations of internal energy, the phenomena of which we are considering in this work. The question, therefore, of the complete solidity of our globe, or of its consisting of a solid and a liquid portion, is one of speculative interest only, and is in no way involved in our investigations concerning the nature and origin of volcanic activity. We may conclude this chapter by enumerating the several hypotheses which have at different times been maintained concerning the nature of the interior of our globe.
First. It has been suggested that the earth consists of a fluid or semi-fluid nucleus surrounded and enclosed in a solid shell. Some have maintained this shell to be of such insignificant thickness, as compared with the bulk of the interior liquid mass, that portions of the latter are able to reach the earth's surface through movements and fractures of the outer shell, and that in this manner volcanic manifestations originate. Others, impressed with the general stability and rigidity of the globe as a whole, have maintained that the outer solid shell must have a very considerable thickness, amounting - 328 - probably to not less than several hundreds of miles. But through a shell of such thickness it is difficult to conceive of the liquid masses of the interior finding their way to the surface, and those who have held this view are driven to suggest some other means by which local developments of volcanic action might be brought about.
Secondly. Some physicists have asserted that a globe of liquid matter radiating its heat into space, would tend to solidify both at the surface and the centre, at the same time. The consequence of this action would be the production of a sphere with a solid external shell and a solid central nucleus, but with an interposed layer in a fluid or semi-fluid condition. It has been pointed out that if we suppose the solidification to have gone so far, as to have caused the partial union of the interior nucleus and the external shell, we may conceive a condition of things in which the stability and rigidity is sufficient to satisfy both geologists and astronomers, but that in still unsolidified pockets or reservoirs, filled with liquefied rock, between the nucleus and the shell, we should have a competent cause for the production of the volcanic phenomena of the globe. In this hypothesis, however, it is assumed that the cooling at the centre and the surface of the globe would go on at such rates that the reservoirs of liquid material would be left at a moderate depth from the surface, so that easy communication could be opened between them and volcanic vents.
- 329 -
Thirdly. It has been maintained that the earth may have become perfectly solid from the centre to the surface. Those who hold this view endeavour to account for the phenomena of volcanoes in one of two ways. It may be, they say, that the deep-seated rock-masses, though actually solid, are in a state of potential liquidity; that though reduced to a solid state by the intense pressure of the superincumbent masses, yet such is the condition of unstable equilibrium in the whole mass, that the comparatively slight movements and changes taking place at the earth's surface suffice to bring about the liquefaction of portions of its crust and consequent manifestations of volcanic energy. But It may be, as other supporters of the doctrine of the earth's complete solidity have maintained, that the phenomena of volcanoes have no direct connection with a supposed incandescent condition of our planet at all, and that there are chemical and mechanical forces at work within our globe which are quite competent to produce at the surface all those remarkable phenomena which we identify with volcanic action.
From this summary of the speculative views which have been entertained upon the subject of the physical condition of the earth's interior, it will be clear that at present we have not sufficient evidence for arriving at anything like a definite solution of the problem. The conditions of temperature and pressure which exist in the interior of a globe of such vast dimensions as our earth, are so far removed from those which we can - 330 - imitate in our experimental enquiries, and it is so unsafe to push the application of laws arrived at by the latter to the extreme limits required by the former, that we shall do well to pause before attempting to dogmatise on such a difficult question.
In the next chapter we shall endeavour to grapple with a somewhat more hopeful task, to point out how far observation and experiment have enabled us to offer a reasonable explanation of the wonderful series of phenomena which are displayed during outbursts of volcanic activity.
- 331 -
Every completed scientific investigation must consist of four series of operations. In the first of these an attempt is made to collect the whole of the facts bearing on the question, by means of observation and experiment; the latter being only observation under conditions determined by ourselves. In the second stage of the enquiry, the attention is directed to classifying and grouping the isolated facts, so as to determine their bearings upon one another, and the general conclusions to which they appear to point. In the third stage, it is sought to frame an hypothesis which shall embrace all the observed facts, and shall be in harmony with the general conclusions derived from them. In the fourth stage, this hypothesis is put to the most rigid test; comparing the results which must follow, if it be true, with the phenomena actually observed, and rejecting or amending our hypothesis accordingly. Every great scientific theory has thus been - 332 - established by these four processes—observation, generalisation, hypothesis, and verification.
The enquiry concerning the nature and causes of volcanic action is far from being a completed one. It is true that many hypotheses upon the subject have been framed, but in too many instances these have not been based on accurate observations and careful generalisations, and can be regarded as little better than mere guesses. Indeed, the state of the enquiry at the present time would seem to be as follows. Although much remains to be done in the direction both of observation and experiment, the main facts of the case have been established upon irrefragable evidence. The classification and comparison of these facts have led to the recognition of certain laws, which seem to embrace all the known facts. To account for these facts and their demonstrated relations to one another, certain tentative hypotheses have been suggested; but in no case can it be truly said that these latter have so far stood the test of exact enquiry as to deserve to rank as demonstrated truths. A complete and consistent theory of volcanic action still remains to be discovered.
In accordance with the plan which we have sketched out for ourselves at the commencement of this work, we shall aim at following what has been the order of investigation and discovery in our study of volcanic action; and in this concluding chapter we shall indicate the different hypotheses by which it has been proposed to account for the varied phenomena, which - 333 - we have discussed in the preceding pages, and their remarkable relations to one another. We shall endeavour, in passing, to indicate how far these several hypotheses appear to be probable, as satisfying a larger or smaller number of those conditions of the problem which have been established by observation, experiment, and careful reasoning; but we shall at the same time carefully avoid such advocacy of any particular views as would tend to a prejudgment of the question. Hypothesis is, as we have seen, one of the legitimate and necessary operations in scientific investigation. It only becomes a dangerous and treacherous weapon when it is made to precede rather than to follow observation and experiment, or when being regarded with paternal indulgence, an attempt is made to shield it from the relentless logic of facts. Good and bad hypotheses must be allowed to 'grow together till the harvest;' such as are unable to accommodate themselves to the surrounding conditions imposed by newly-discovered facts and freshly-established laws will assuredly perish; and in this 'struggle for existence' the true hypothesis will in the end survive, while the false ones perish.
It may well happen, however, that among the hypotheses which have up to the present time been framed, none will be found to entirely satisfy all the conditions of the problem. New discoveries in physics and chemistry have suggested fresh explanations of volcanic phenomena in the past, and may continue to - 334 - do so in the future; and the true theory of volcanic action, when it is at last discovered, may combine many of the principles which now seem to be peculiar to different hypotheses.
Let us, in the first place, enquire what are the facts which must be accounted for in any theory of volcanic action. We have already been led to the conclusion that the phenomena exhibited by volcanoes were entirely produced by the escape of imprisoned water and other gases from masses of incandescent and fluid rock. Our subsequent examination of the problem confirmed the conclusion that in all cases of volcanic outburst we have molten rock-materials from which water and other gases issue with greater or less violence. The two great facts to be accounted for, then, in any attempted explanation of volcanic phenomena, are the existence of this high temperature at certain points within the earth's crust, and the presence of great quantities of water and gas, imprisoned in the rocks. We shall perhaps simplify the enquiry if we examine these two questions separately, and, in the first place, review those hypotheses which have been suggested to account for high temperatures in the subterranean regions, and, in the second place, examine those which seek to explain the presence of large quantities of imprisoned water and gases.
That a high temperature exists in the earth's crust at some depth from the surface is a £act which does not admit of any doubt. Every shaft sunk for mining - 335 - operations, and every deep boring made for the purpose of obtaining water, proves that a more or less regular increase of temperature takes place as we penetrate downwards. The average rate of this increase of temperature has been estimated to be about 1° Fahrenheit for every 50 or 60 feet of depth.
Now if it be assumed that this regular increase of temperature continues to great depths, a simple calculation proves that at a depth of 9,000 feet a temperature of 212° Fahrenheit will be found—one sufficient to boil water at the earth's surface—while at a depth of 28 miles the temperature will be high enough to melt cast-iron, and at 34 miles to fuse platinum.
So marked is this steady increase of temperature as we go downwards, that it has been seriously proposed to make very deep borings in order to obtain supplies of warm water for heating our towns. Arago and Walferdin suggested this method for warming the Jardin des Plantes at Paris; and now that such important improvements have been devised in carrying borings to enormous depths, the time may not be far distant when we shall draw extensively upon these supplies of subterranean heat. At the present time the city of Buda-Pesth is extensively supplied with hot-water from an underground source. Should our coal-supply ever fail it may be well to remember that we have these inexhaustible supplies of heat everywhere beneath our feet.
But although we may conclude that at the moderate - 336 - depths we have indicated such high temperatures exist, it would not be safe to infer, as some have done, that at a distance of only 40 or 50 miles from the surface the materials composing our globe are in a state of actual fusion. Both theory and experiment indicate that under increased pressure the fusing point of solid bodies is raised; and just as in a Papin's digester we may have water retained by high pressure in a liquid condition at a temperature far above 212° F., so in the interior of the earth, masses of rock may exist in a solid state, at a temperature far above that at which they would fuse at the earth's surface. We may speak of such rock-masses, retained in a solid condition by intense pressure, at a temperature far above their fusing point at the earth's surface, as being in a 'potentially liquid condition.' Upon any relief of pressure such masses would at once assume the liquid state, just as the superheated water in a Papin's digester immediately flashes into steam upon the fracture of the strong vessel by which it is confined. We have already seen how the action at volcanic vents often appears to indicate just such a manifestation of elastic forces, as would be exhibited by the relief of superheated masses from a state of confinement by pressure.
In reasoning upon questions of this kind, however, we must always be upon our guard against giving undue extension to principles and laws which seem to be clearly established by experiment at the earth's surface. It is well to remember how exceedingly limited is our - 337 - command of extreme pressures and high temperatures, when compared with those which may exist within a body of the dimensions of our globe.
If we were to imagine a set of intelligent creatures, who were able to command only a range of temperatures from 50° to 200° F., engaged upon an investigation of the properties of water, we shall easily understand how unsafe it may be to extend generalisations far beyond the limits covered by actual experiment. Such beings, from their observation of the regular changes of volume of water at all the temperatures they could command, might infer that at still higher and lower temperatures the same rates of expansion and contraction would be maintained. Yet, as we well know, such an inference would be quite wide of the truth; for a little above 200° F. water suddenly expands to 1,700 times its volume, and not far below 50° F. the contraction is suddenly changed for expansion.
It has been argued by the late Mr. David Forbes and others that, inasmuch as experiment has shown that—though the fusing points of solids are raised by pressure, yet that this rise of the fusing points goes on in a diminishing ratio as compared with the pressures applied—a limit will probably be reached at which the most intense pressure will not be sufficient to retain substances at a high temperature in their solid state. The fact that gases cannot be retained in a liquid condition by the most intense pressure at a temperature above their critical point, may seem by - 338 - analogy to favour the same conclusion. Hence, David Forbes, Dana, and other authors, have argued in favour of the existence of a great liquid nucleus in our globe covered by a comparatively thin, solid crust. And if we accept the supposed proofs of a constant increase of temperature from the surface to the centre of the globe, such a conclusion appears to be at least as well founded as that which regards the central masses of the earth as maintained in a solid condition by intense pressure.
A little consideration will, however, convince us that the facts which have been relied upon as proving the intensely heated condition of the central masses of our globe, are by no means so conclusive as has been supposed.
The earth's form, which mathematicians have shown to be exactly that which would be acquired by a globe composed of yielding materials rotating on its axis at the rate which our planet does, has often been adduced as proving that the latter was not always in a rigid and unyielding condition. In the same way, all the remarkable facts and relations of the bodies of the solar system, which have been shown by astronomers to lend such support to the nebular hypothesis, have been thought, at the same time, to favour the view that our earth is still in a condition of uncompleted solidification.
But it is quite admissible to accept the nebular hypothesis and the view that our globe attained its present form while still in a state of fluidity, and at the same time to maintain that our earth has long since - 339 - reached its condition of complete solidification. And there are not a few facts which appear to lend support to such a conclusion.
If the rapid rate of increase in temperature which has been demonstrated to occur at so many parts of the earth's surface be maintained to the centre, then, as argued by David Forbes and Dana, it is difficult to conceive of our earth as being in any other condition than that of a liquid mass covered by a comparatively thin crust. The objection to this view, both upon geological and astronomical grounds, we have pointed out in the previous chapter.
Before accepting as a demonstrated conclusion this notion of a constant increase of temperature from the surface to the centre of our globe, it may be well to re-examine the facts which are relied upon as proving it.
That there is a general increase of temperature so far as we are able to go downwards in the earth's crust, there can, as we have seen, be no doubt whatever. Yet it may be well to bear in mind how very limited is the range of our observation on the subject. The deepest mines extend to little more than half-a-mile from the surface, and the deepest borings to little more than three-quarters of a mile, while the distance from the earth's surface to its centre is nearly 4,000 miles. We may well pause before we extend conclusions, derived from such very limited observations, to such enormous depths.
But when we examine critically these observations - 340 - themselves, we shall find equal grounds for caution in generalising from them. There is the greatest and most startling divergence in the results of the observations which have been made at different points at the earth's surface. Even when every allowance is made for errors of observation, these discrepancies still remain. In some places the increase of temperature as we go downwards is so rapid that it amounts to 1° Fahrenheit for every 20 feet in depth, while in other cases, in order to obtain the same increase in temperature of 1° Fahrenheit, we have to descend as much as 100 feet.
Now if, as is so often assumed, this increase of temperature as we go downwards be due to our approach to incandescent masses forming the interior portions of the globe, it is difficult to understand why greater uniformity is not exhibited in the rate of increase in different areas. No difference in the conducting powers of the various rock-materials is sufficient to account for the fact that in some places the rate of increase in temperature in going downwards is no less than five times as great as it is in others.
Again, there are some remarkable facts concerning the variation in the rate of increase in temperature with depth which seem equally irreconcilable with the theory that the heat in question is directly derived from a great, central, incandescent mass. M. Walferdin, by a series of careful observations in two shafts at Creuzot, proved that down to the depth of 1,800 feet the increase of temperature amounted to 1° Fahrenheit for every 55 - 341 - feet of descent, but below the depth named, the rate of increase was as much as 1° Fahrenheit for every 44 feet. On the other hand, in the great boring of Grenelle at Paris, the increase in temperature down to the depth of 740 feet amounted to 1° Fahrenheit for every 50 feet of descent, but from 740 feet down to 1,600 feet, the rate of increase diminished to 1° for 75 feet of descent. The same remarkable fact was strikingly shown in the case of the deepest boring in the world—that of Sperenberg, near Berlin, which attained the great depth of 4,052 feet. In this case, the rate of increase in temperature for the first 1,900 feet, was 1° Fahrenheit for every 55 feet of descent, and for the next 2,000, it diminished to 1° Fahrenheit for every 62 feet of descent. In the deep well of Buda-Pesth there was actually found a decline in temperature below the depth of 3,000 feet.
Perhaps the most interesting fact in connection with this question which has been discovered of late years, is that in districts which have recently been the seat of volcanic agencies, the rate of increase in temperature, as we go downwards in the earth's crust, is abnormally high. Thus at Monte Massi in Tuscany, the temperature was found to increase at the rate of 1° Fahrenheit for every 24 feet of descent. In Hungary several deep wells and borings have been made, which prove that a very rapid increase of temperature occurs. The deep boring at Buda-Pesth penetrates to a depth of 3,160 feet, and a temperature of - 342 - 178° Fahrenheit has been observed near the bottom. The rate of increase of temperature in this boring was about 1° for every 23 feet of descent. In the mines opened in the great Comstock lode, in the western territories of the United States, an abnormally high temperature has been met with amounting in some cases to 157° Fahrenheit. Although this is the richest mineral-vein in the world, having yielded since 1859, when it was first discovered, 60,000,000l. worth of gold and silver, this rapid increase in temperature in going downwards threatens in the end to entirely baffle the enterprise of the miner. The rate of increase in temperature in the case of the Comstock mines has been estimated at 1° Fahrenheit for every 46 feet of descent, between 1,000 and 2,000 feet from the surface, but as much as 1° Fahrenheit for every 25 feet, at depths below 2,000 feet.
The facts which we have stated, with others of a similar kind, have led geologists to look with grave feelings of doubt upon the old hypothesis which regarded the increase of temperature found in making excavations into the earth's crust as a proof that we are approaching a great incandescent nucleus. They have thus been led to enquire whether there are any conceivable sources of high temperatures at moderate depths—temperatures which would be quite competent to produce locally all the phenomena of volcanic action.
There are not wanting other facts which seem to point to the same conclusion: namely, that volcanic - 343 - action is not due to the existence of a universal reservoir of incandescent material occupying the central portion of our globe, but to the local development of high temperatures at moderate depths from the surface.
The close connection between the phenomena of volcanoes and earthquakes cannot be doubted. It is true that some of those vibrations or tremors of the earth's crust, to which we apply the name of earthquakes, occur in areas which are not now the seat of volcanic action; and it is equally true that the stratified rock-masses of our globe, far away from any volcanic centres, exhibit proofs of violent movement and fracture, in the production of which, concussions giving rise to earthquake vibrations, could scarcely fail to have occurred. But it is none the less certain that earthquakes as a rule take place in those areas which are the seats of volcanic action, and that great earthquake-shocks precede and accompany volcanic outbursts. Sometimes, too, it has been noticed that the manifestation of activity at a volcanic centre is marked by the sudden decline of the earthquake-tremors of the district around, as though a safety-valve had been opened at that part of the earth's surface.
Mr. Mallet has shown that by the careful study of the effects produced at the surface by earthquake-vibrations, we may determine with considerable accuracy the point at which the shock or concussion occurred which gave rise to the vibration. Now it is a most remarkable - 344 - fact that such calculations have led to the conclusion that, so far as is at present known, earthquake shocks never originate at greater depths than thirty miles from the surface, and that in some cases the focus from which the waves of elastic compression producing an earthquake proceed is only at the depth of seven or eight miles. As we have already seen, there can be no doubt that in the great majority of instances the forces originating earthquake-vibrations and volcanic outbursts are the same, and independent lines of reasoning have conducted us to the conclusion that these forces operate at very moderate distances from the earth's surface.
Under these circumstances, geologists have been led to enquire whether there are any means by which we can conceive of such an amount of heat, as would be competent to produce volcanic outbursts, being locally developed at certain points within the earth's crust. Recent discoveries in physical science which have shown the close relation to one another of different kinds of force, and their mutual convertibility, have at least suggested the possibility of the existence of causes by which such high temperatures within certain portions of the earth's crust may be originated.
When, at the commencement of the present century, Sir Humphry Davy discovered the remarkable metals of the alkalies and alkaline earths, and at the same time demonstrated the striking phenomena which are exhibited if these metals be permitted to unite with oxygen, he at once perceived that if such metals existed - 345 - in an uncombined condition within the earth's crust, the access of water and air to the mass might give rise to the development of such an amount of heat, as would be competent to produce volcanic phenomena at the surface. It is true that at a later date Davy recognised the chemical theory of volcanoes as being beset with considerable difficulties, and was disposed to abandon it altogether. It was argued, with considerable show of reason, that if the heat at volcanic centres were produced by the access of water to metallic substances, great quantities of hydrogen would necessarily be evolved, and this gas ought to be found in prodigious quantities among the emanations of volcanoes. The fact that such enormous quantities of hydrogen gas are not emitted from volcanic vents has been held by many authors to be fatal to the chemical theory of volcanoes.
But the later researches of Graham and others have made known facts which go far towards supplying an answer to the objections raised against the chemical theory of volcanoes. Various solids and liquids have been shown to possess the power of absorbing many times their volume of certain gases. Among the gases thus absorbed in large quantities by solids and liquids, hydrogen is very conspicuous. In some cases gases are absorbed by metals or other solids in a state of fusion, and yielded up again by them as they cool.
It is a very remarkable circumstance that some meteorites are found to have absorbed large quantities of hydrogen gas, and this is given off when they are - 346 - heated in vacuo. Thus it has been demonstrated that certain meteorites have contained as much as forty seven times their own volume of hydrogen gas.
We have already pointed out that there are reasons for believing the internal portions of our globe to be composed of materials similar to those found in meteorites. If such be the case, the access of water to these metallic substances may result in the formation of oxides, attended with a great local development of heat, the hydrogen which is liberated being at once absorbed by the surrounding metallic substances. That this oxidation of the metallic substances in the interior of our globe by the access of water and air from the surface is continually going on, can scarcely be doubted. We may even look forward to a far-distant period when the whole of the liquid and gaseous envelopes of the globe shall have been absorbed into its substance, and our earth thereby reduced to the condition in which we now find the moon to be.
There is a second method by which high temperatures might be locally developed within the earth's crust, which has been suggested by Vose, Mallet, and other authors.
We have good grounds for believing that the temperature of our globe is continually diminishing by its radiation of heat into space. This cooling of our globe is attended by contraction, which results in movements of portions of its crust. It may at first sight appear that such movements would be so small and insignificant - 347 - as to be quite unworthy of notice. But if we take into account the vast size of our earth it will be seen that the movements of such enormous masses may be attended with the most wonderful results.
It has been shown that if a part of the earth's crust fifty miles in thickness were to have its temperature raised 200° Fahrenheit, its surface would be raised to the extent of 1,000 or 1,500 feet Le Conte has pointed out that if we conceive the conduction of heat to take place at slightly different rates along different radii of our globe, we should at once be able to account for the existing inequalities of the earth's surface, and for all those continental movements which can be shown to have taken place in past geological periods.
But if we admit, as we have good grounds for doing, that the loss of heat from the external portions of our globe goes on more rapidly than in the case of the central masses, we have thereby introduced another powerful agent for the production of high temperatures within the earth's crust. The external shell of the globe will tend to contract upon the central mass, and in so doing a series of tangential strains will result which will be capable of folding and crumpling the rocks along any lines of weakness. That such crushing and crumpling has during all geological periods taken place along lines of weakness in the earth's crust, is proved, as we have seen, by the phenomena presented by mountain-ranges. Now these crushings, crumplings, and other violent movements of great - 348 - rock-masses must result in the development of a vast amount of heat, just as the forcing down of a break upon a moving wheel produces heat. This conclusion is strikingly confirmed by the well-known geological fact that nearly all rocks which have undergone great movement and contortion are found to present evidence of having been subjected to such chemical and crystalline actions, as would result from the development of a high temperature within their mass.
Let us sum up briefly the various methods which have been suggested to account for the high temperatures within certain parts of the earth's crust by which volcanic phenomena are produced.
Our globe may be conceived of as an incandescent liquid mass surrounded by a cooler, solid shell. If we regard this liquid interior mass as supplying directly the various volcanic vents of the earth, it must be conceded that the outer shell is of comparatively slight thickness. But astronomers are almost universally agreed that such a thin outer shell and inner liquid mass are quite incompatible with that rigidity which our planet exhibits under the attractions of its neighbours. Geologists are almost equally unanimous in regarding this hypothesis of a liquid nucleus and thin, solid shell as contradicted by the stability of the conditions which have been maintained during such long past periods, and which exist at the present day. The extent and character of volcanic action do not indicate a condition of general instability in our earth, but one - 349 - of stability subject to small and local interferences The grandest volcanic disturbances appear small and insignificant, if we take into account the vast dimensions of the globe upon which they are displayed.
If, on the other hand, we consider the outer solid shell to be of great thickness, we are met by the difficulty of accounting for the upheaval of liquid matter through such vast thicknesses of a solid shell. The differences in character of lavas extruded from closely adjoining volcanic districts seem equally difficult of explanation on any theory of a central, fluid nucleus and a solid, outer shell. Nor is the distribution of heat within the earth's crust so uniform as might be anticipated, if the source of that heat be a great central mass of highly heated materials.
Under these circumstances, geologists and physicists have enquired whether any other conditions can be imagined as existing in the earth's interior, which would better account for the observed phenomena than does the hypothesis of a liquid nucleus and a solid outer shell. Two such alternative hypotheses have been suggested.
Mr. Hopkins, adopting the theory that the earth has solidified both at the centre and its outer surface, endeavoured to explain the occurrence of volcanoes and earthquakes by supposing that cavities of liquid material have been left between the solid nucleus and the solid shell, and these cavities full of liquid material constitute the sources from which the existing volcanoes - 350 - of the globe draw their supplies. But this hypothesis is found to be beset with many difficulties when we attempt to apply it to the explanation of the phenomena of volcanic action. It entirely fails, among other things, to account for the remarkable fact that during past geological periods the scene of volcanic action has been continually shifting over the surface of the earth, so that there is probably no considerable area of our globe which has not at one time or other been invaded by the volcanic forces.
By some other theorists, who have felt the full force of this last objection, an attempt has been made to explain the phenomena of volcanoes by supposing that the globe is solid from its surface to its centre, but that the internal portions of the globe are at such a high temperature that they are only retained in a solid condition by the enormous pressure to which they are subjected. The central masses of the globe are thus regarded as being in an actually solid, but in a potentially liquid condition, and any local relief of pressure is at once followed by the conversion of solid to liquefied materials, in the district where the relief takes place, resulting in the manifestation of volcanic phenomena at the spot. It may be granted that this hypothesis better accords with the known facts of Vulcanology than any of those which we have previously described, but it is impossible to shut our eyes to the fact that not a few serious difficulties still remain. Thus it is based upon the assumption that the law of - 351 - the elevation of the point of fusion by pressure is true at temperatures and pressures almost infinitely above those at which we are able to conduct observations; but neither experiment nor analogy warrant this conclusion, for the former shows that the elevation of the point of fusion by pressure goes on in a continually diminishing ratio, and the latter famishes us with the example of volatile liquids which, above their critical points, obstinately remain in a gaseous condition under the highest pressures. Nor is it easy upon this hypothesis to account for the very irregular distribution of temperatures within the earth's crust, as demonstrated by observations in mines, wells, and borings. The hypothesis further requires the assumption that, at such very moderate depths as are required for the reservoirs of volcanoes, the effects of pressure and temperature on the condition of rock-materials are so nicely balanced that the smallest changes at the surface lead to a disturbance of the equilibrium.
It is the weight of these several objections that has led geologists in recent years to regard with greater favour those hypotheses which seek to account for the production of high temperatures within parts of the earth's crust, without having recourse to a supposed incandescent nucleus. If it can be shown that there are any chemical or mechanical forces at work within the crust of the globe which are capable of producing local elevations of temperature, then we may conceive of a condition of things existing in the earth's interior - 352 - which is free from the objections raised by the astronomer on the score of the earth's proved rigidity, and by the geologist on the ground of its general stability, and which at the same time seems to harmonise better with the observed facts of the distribution of temperature within the earth's crust. How far the existence of such chemical and mechanical agencies capable of producing high temperatures within the crust of the globe have been substantiated, we have already endeavoured to point out.
It must be admitted, then, that the questions of the nature of the earth's interior and the cause of the high temperatures which produce volcanic phenomena, are still open ones. We have not yet got beyond the stage of endeavouring to account for the facts observed by means of tentative hypotheses. Some of these, as we have seen, agree with the facts, so far as they are at present known, much better than others; but the decision between them or the rejection of the whole of them in favour of some new hypothesis, must depend on the results of future observation and enquiry.
It may be well, before leaving this subject, to remark that they are all equally reconcilable with the nebular theory of Kant and Laplace. Granting that the matter composing our globe has passed successively through the gaseous and liquid conditions, it is open to us to imagine the earth as now composed of a liquid nucleus with either a thick or a thin solid shell; of a solid nucleus and a solid shell with more or less liquid - 353 - matter between them; or, lastly, to conceive of it as having become perfectly solid from the centre to the surface.
But it is not upon the existence of a high temperature within certain parts of the earth's crust that the production of volcanic activity alone depends. The presence of water and other liquid and gaseous substances in a state of the most intimate admixture with the fused rock-masses, is, as we have seen, the main cause of the violent displays of energy exhibited at volcanic centres. And We shall now proceed to notice the hypotheses which have been suggested to account for the presence of these liquid and gaseous bodies in the midst of the masses of incandescent materials poured out from volcanic vents.
There is an explanation of this presence of water and various gases in the masses of molten rock-materials within the earth's crust which at once suggests itself, and which was formerly very generally accepted. Volcanoes, as we have seen, are usually situated near coast-lines, and if we imagine fissures to be produced by which sea-water finds access to masses of incandescent rock-materials, then we can regard volcanic outbursts as resulting from this meeting of water with rock-masses in a highly healed condition. This supposition has been thought to receive much support from the fact that many of the gases evolved from volcanic vents are such as would be produced by the decomposition of substances present in sea-water.
- 354 -
But it frequently happens that an explanation which at first sight appears to be very simple and obvious, turns out on more critical examination to be quite the reverse, and this is the case with the supposed origination of volcanic outbursts by the access of sea-water to incandescent rock-material by means of earth-fissures. It is difficult to understand how, by such means, that wonderfully intimate union between the liquefied rock and the water, evolved in such quantities during volcanic outbursts, could be brought about; and moreover, we can scarcely regard the production of fissures in the earth's crust as being at the same time both the cause and the effect of this influx of water to the deep-seated rock-masses at a high temperature.
During recent years the attention of both geologists and physicists has been directed to a remarkable property exhibited by many liquids and solids, as supplying a possible explanation of the phenomena of volcanic action. The property to which we refer is that whereby some liquid and solid substances are able to absorb many times their volume of certain gases—which gases under different conditions may be given off again from the liquids or solids. This power of absorption is a very remarkable one; it is not attended with chemical combination, but the amount of condensation which gases must undergo within the solid or liquid substances is sometimes enormous. Water may be made to absorb more than 1,000 times its volume of ammonia, and more than 500 times its volume of hydrochloric - 355 - acid. Alcohol may absorb more than 300 times its volume of sulphurous acid. Charcoal may absorb 100 times its volume of ammonia, 85 times its volume of hydrochloric acid, 65 times its volume of sulphuretted hydrogen, 55 times its volume of sulphurous acid, and 35 times its volume of carbonic acid. Platinum-black absorbs many times its volume of oxygen and other gases.
This power of absorption of gases varies in different solids and liquids according to the conditions to which they are subjected. Dr. Henry showed it to be a general law in liquids that, as the pressure is augmented, the weight of the gas absorbed is proportionately increased.
Sometimes this absorption of gases takes place only at high temperatures. Thus silver in a state of fusion is able to absorb 22 times its volume of oxygen gas. When the metal is allowed to cool this gas is given off, and if the cooling takes place suddenly a crust is formed on the surface, and the phenomenon known as the 'spitting of silver' is exhibited. Sometimes during this operation miniature cones and lava-streams are formed on the surface of the cooling mass, which present a striking resemblance to those formed on a grand scale upon the surface of the globe. Similar phenomena are exhibited by several other metals and by the oxide of lead.
The researches of Troost and others have shown that molten iron and steel possess the property of absorbing considerable quantities of oxygen, hydrogen, - 356 - carbonic acid, and carbonic oxide, and that these gases are given off in the operation known as 'seething,' when either the pressure or the temperature is diminished.
Hochstetter has shown that in the process of extracting sulphur from the residues obtained during the manufacture of soda, some very interesting phenomena are manifested. The molten sulphur is exposed to a temperature of 262° Fahrenheit, and a pressure of two or three atmospheres, in the presence of steam; under these circumstances it is found that the sulphur absorbs a considerable quantity of water, which is given off again with great violence from the mass as it undergoes solidification. The hardened crust which forms on the surface of the molten sulphur is agitated and fissured, miniature cones and lava-streams being formed upon it, which have a striking resemblance to the grander phenomena of the same kind exhibited upon the crust of the globe.
The observations which we have described prove conclusively that many liquids and solids in a molten condition have the power of absorbing many times their volume of certain gases, and that this action is aided by heat and pressure.
That the molten materials which issue from volcanic vents have absorbed enormous quantities of steam and other gases, we have the most undisputable evidence. The volume of such gases given off during volcanic outbursts, and while the lava-streams are flowing and consolidating, is enormous, and can only be accounted - 357 - for by supposing that the masses of fluid rock have absorbed many times their volume of the gases. But we have another not less convincing proof of the same fact in the circumstance that volcanic materials which have consolidated under great pressure—such as granites, gabbros, porphyries, &c.—exhibit in their crystals innumerable cavities containing similar gases in a liquefied state.
It is to the violent escape of these gases from the molten rock-masses, as the pressure upon them is relieved, that nearly all the active phenomena of volcanoes must be referred; and it was the recognition of this bet by Spallanzani, while he was watching the phenomena displayed in the crater of Stromboli, which laid the foundations of the science of Vulcanology.
But here another question presents itself to the investigator of the phenomena of volcanoes: it is this. At what period did the molten rock-masses issuing from vents absorb those gaseous materials which are given off so violently from their midst during eruptions? Two different answers to this question have been suggested. It may be that the original materials of which our globe was composed consisted of metallic substances in a state of fusion which had absorbed many gases, and that, in the fluid masses below the solid crust, vast quantities of vapour and gas are stored up, which are being gradually added to the atmosphere during volcanic outbursts. The fact that meteorites, which, as we have seen, in all probability closely resemble the - 358 - materials forming the earth's interior, sometimes yield many times their volume of hydrogen and other gases, may be thought to lend some support to this idea. If it be the correct one, we must regard our globe as gradually parting with its pent-up stores of energy, in those absorbed gases and vapours held in bondage by the solid and fluid materials of its interior.
But there is another hypothesis which is, to say the least, equally probable. Water containing various gases in solution is continually finding its way downwards by infiltration into the earth's crust. Much of this water, after passing through pervious beds, reaches some impervious stratum and is returned to the surface in the form of springs. But that some of this percolating water penetrates to enormous depths is shown by the fact that the deepest mines and borings encounter vast underground supplies of water. When we remember that nearly three-fourths of the earth's surface is covered by the waters of the ocean, and that the average depth of these oceanic waters is more than 10,000 feet, we may easily understand how great a portion of the earth's crust must be penetrated by infiltrating waters which can find no outlet in springs. The penetration of the waters of the ocean into the earth's crust will be aided, too, by the enormous pressure amounting to not less than several tons to the square-inch upon the greater part of the ocean-floor. It might be thought that this downward penetration of water would be counteracted by the upward current - 359 - of steam that would be produced as these subterranean waters reach the hotter portions of the earth's crust. But the experiments of Daubrée have conclusively shown that the penetration of water through rocks takes place in opposition to the powerful pressure of steam in the contrary direction. Hence, we may assume that certain quantities of water, containing various gases and solids in solution, are continually finding their way by capillary infiltration from the surface to the deeply seated portions of the earth's crust, there to undergo absorption by the incandescent rock-masses and to produce oxidation of some of their materials.
The deep-sea soundings of the 'Challenger' have shown that the floor of the ocean is constantly maintained at a temperature but little above that of the freezing point of water. This low temperature is probably produced by the absorption of heat from the earth's crust by the waters of the ocean, which distribute it by means of convection currents on the grandest scale. Hence, the isogeotherms, or lines indicating the depths at which the same mean temperature is found within the earth's crust, are probably depressed beneath the great ocean-floors, and rise towards the land-masses. It is to this circumstance, combined with that of the enormous pressure of water on the ocean-beds, that we must probably ascribe the general absence of volcanoes in the deep seas and their distribution near coast-lines.
We have thus briefly reviewed the chief hypotheses - 360 - which have been suggested in order to account for the two great factors in all volcanic phenomena—namely, the presence of highly heated rock-masses within the earth's crust, and the existence of various vapours and gases in a state of most intimate mechanical, but not chemical, union with these incandescent materials. It must be admitted that we do not at present appear to have the means for framing a complete and consistent theory of volcanic action, but we may hopefully look forward to the time when further observation and experiment shall have removed many of the existing difficulties which beset the question, and when by the light of such future researches untenable hypotheses shall be eliminated and the just ones improved and established.
But if we are constrained to admit that a study of the observed phenomena and established laws of volcanic action have not as yet enabled us to frame any complete and satisfactory theory on the subject, we cannot lose sight of the fact that all modern speculation upon this question appears to be tending in one definite direction. It is every day becoming more and more clear that our earth is bound by ties of the closest resemblance to the other members of that family of worlds to which it belongs, and that the materials entering into their constitution, and the forces operating in all are the same.
We have had occasion in a previous chapter to point out that there are the strongest grounds for believing the interior of our globe to consist of similar materials - 361 - to those found in the small planetary bodies known as meteorites. That the comets are merely aggregations of such meteorites, and that the planets differ from them only in their greater dimensions, may be regarded as among the demonstrated conclusions of the astronomer. The materials found most abundantly in meteorites and in the interior of our globe are precisely the same as those which are proved to exist in an incandescent state in our sun. Hence we are led to conclude that the whole of the bodies of the solar system are composed of the same chemical elements.
That the forces operating in each of these distant bodies present striking points of analogy is equally clear. The sun is of far greater dimensions than our earth, and is still in great part, if not entirely, in a gaseous condition. The great movements in the outer envelopes of the sun exhibited in the 'sun-spots' and 'solar prominences,' recall to the mind the phenomena of volcanic activity upon our globe. But the vast energy still existing in the intensely heated mass of the sun, and the wonderful mobility of its gaseous materials, give rise to appearances beside which all terrestrial outbursts seem to sink into utter insignificance. Vast cavities of such dimensions that many globes of the size of our earth might be swallowed up in them are formed in the solar envelopes in the course of a few days or hours. Within these cavities or sun-spots incandescent vapours are observed, rushing upwards and downwards with almost inconceivable velocity.
- 362 -
The drawings made by Secchi, and reproduced in figs. 89 and 90, will give some idea of the appearances presented by these great holes in the solar envelopes.
In fig. 89 a group of sun-spots is represented and, in their circular outlines and tendency to a linear arrangement, they can scarcely fail to remind anyone familiar with volcanic phenomena of terrestrial craters, though their dimensions are so much greater.
In fig. 90 the sun-spot represented shows the presence of large floating masses of incandescent materials rushing upwards and downwards within the yawning gulf.
- 363 -
From fig. 91, taken from a drawing by Mr. Norman Lockyer, we may understand the movements of these great protuberances of incandescent gas which are seen on the sides of the sun-spots.
The so-called solar prominences present even more striking resemblances to the volcanic outbursts of our globe.
- 364 -
Two drawings made by Mr. Norman Lockyer will serve to give some idea of the vast dimensions of these solar prominences, and of the rapid changes which take place in their form.
The masses of incandescent gas were estimated as being no less than 27,000 feet in height, yet in ten minutes they had totally changed their form and appearance, as shown in fig. 93.
Even still more striking are the changes recorded - 365 - by Professor Young, of New-Haven, in a solar prominence, which he observed on September 7, 1871.
That astronomer described a mass of incandescent gas rising from the surface of the sun to the height of 54,000 miles. In less than twenty-five minutes he saw the whole mass torn to shreds and blown upwards, some of the fragments being in ten minutes hurled to the height of 200,000 miles above the sun's surface. The masses of incandescent gas thus hurled upwards were of enormous dimensions, the smallest being estimated as having a greater area than the whole of the British Islands, and the force with which they were urged upwards was so great that they acquired a velocity of 166 miles per second. The accompanying woodcut shows the successive appearances presented by this grand eruptive outburst on the surface of the sun.
- 366 -
- 367 -
The moon, which is of far smaller size than our earth, exhibits on its surface sufficiently striking evidences of the action of volcanic forces. Indeed the dimensions of the craters and fissures which cover the whole visible lunar surface are such that we cannot but infer volcanic activity to have been far more violent on the moon than it is at the present day upon the earth. This greater violence of the volcanic forces on the moon is perhaps accounted for by the fact that the force of gravity on the surface of the moon is only one-sixth of that at the surface of the earth; and thus the eruptive energy will have a much less smaller resistance to overcome in bursting asunder the solid crust and accumulated heaps of ejected materials on its surface. But the volcanic action on the moon appears now to have wholly ceased, and the absence of both water and atmosphere in our satellite suggests that this extinction of volcanic energy may have been caused by the complete absorption of its gaseous envelope. The appearance presented by a portion of the moon's surface is shown in fig. 95.
The sun and the moon appear to exhibit two widely separated extremes in the condition assumed during the cooling down from a state of incandescence - 368 - of great globes of vaporised materials. The several planets, our own among the number, probably exhibit various intermediate stages of consolidation.
Our earth is, as we have seen, closely allied to the other bodies of the solar system in its movements, its relations, and its composition; and a true theory of - 369 - terrestrial vulcanicity, when it is discovered, may be expected not only to afford an explanation of the phenomena displayed on our own globe, but to account for those displays of internal energy which have been manifested in other members of the same great family of worlds.
- 371 -
[The subjects illustrated in the engravings are indicated by italics, the names of authors are in Capitals.]
ABICH, cited, 122
— researches of, 4
Absorption of gases by liquids and solids, 354, 355
Acid lavas, 48
Æolian Islands. See Lipari Islands
Æolus, origin of myth, 35
Africa, volcanoes of, 227
— South, diamonds of, 147
Agates, formation of, 150
Allport, Mr., cited, 259
Alps, formation of, 292
Altered lavas, names given to, 261
America, volcanoes of, 227
Amygdaloids, formation of, 140, 141
Andesites, 50, 59
Andesite-volcanoes, 126
Andrews, Professor, cited, 321
Anne Boleyn and Etna, 3
Armstrong, Sir W., hydro-electric machine, 29
Arthur's Seat, 275
Artificial stone, 55
Asia, volcanoes of, 227
Asiderites, 316
Asmanite, 314
Astroni, crater-ring of, 170
Atlantic, volcanoes in, 223
Auvergne, breached cones of, 123, fig. 40
— denuded cones in, 124, fig. 42
— incrusting springs of, 184
— puys of, 152, 212
— volcanic cones in, 79
BALL-AND-SOCKET structure in basaltic columns, 107
Barrancos, formation of, 209
Basalt, controversy concerning origin of, 249
Basalts, 49, 50, 59
Basaltic columns of Bohemia, 107
— — of Central Germany, 107
— — of Monte Albano, 107
— — from the Giant's Causeway, 107, fig. 29
Basic lavas, 48
Bath, hot spring of, 219
Ben Nevis, 274
Bohemia, volcanoes of, 126
— lavas of, 103
Boiling. See Ebullition
Bonney, Professor, cited, 69, 109, 259
Boracic acid at volcanic vents, 216
- 372 -
Bourbon, volcano of, 176, figs. 74, 75
Bracciano, crater-lake of, 178, fig. 77
Breached cones, 123, fig. 40
Babbles of steam, escape from lava, 21
Bubbles, spontaneous movement of, in liquid cavities, 62, fig. 8
— — cause of, 65
Buch, Von, researches of, 4
Buda-Pesth, deep well of, 335, 341
Büdos Hegy, Transylvania, 215
Bunsen, cited, 201
Burning, does not take place at volcanoes, 2
CADER IDRIS, 274
'Calderas,' formation of, 180
Caldera of Palma, 209
Cambro-Silurian volcanoes of British Islands, 274
Campi-Phlegræi, map of, fig. 11
— — volcanoes of, 79
— — tuff-cones of, 118
— — fissures in, 197
Carbonic acid in cavities of crystals, 63
Carboniferous volcanoes of British Islands, 275
Carlsbad, Strudel of, 218
— Strudelstein of, 184
Caspian Sea, mud-volcanoes of, 182
Catacecaumene, volcano cones in, 79
Cause of proximity of volcanoes to sea, 239
Central Asia, volcanoes of, 236
— America, mud-volcanoes, 182
— Pacific, volcanoes of, 236
'Challenger,' H.M.S., voyage of, 73
— — soundings of, 359
Chance, Messrs., of Birmingham, 55
Charnwood Forest, ancient volcanic rocks of, 259
Chemical deposits at Vulcano, 44
— — on surfaces of lavas, 110
— elements present in lavas, 46
— theory of volcanoes, 344, 346
Chiaja di Luna, 108
Chimborazo, size of, 44
— 151
Chodi-Berg, Hungary, 161
Citlaltepetl, view of, 169, fig. 69
Coast-lines, proximity of volcanoes to, 228
Cole, Mr. Grenville, 110
Colours of lavas, 49
Columns in lava, 105
— — dimensions of, 105
— radiating in intrusive masses, 136
Columnar structure in lavas, 104
— — origin of, 105
Columnar lava-stream on the Ardèche, 107, fig. 28
Combustion, does not take place at volcanoes, 2
Composite cones, 128, 161
Comstock mines, temperature of, 342
Concentric jointing in lava, 108, fig. 30
Cones composed of viscid lava, 129, fig. 43
— miniature on lava-streams, 100, 101, figs. 25, 26
— natural sections of, 129
— shifting of axis in, 167
Coolin Hills, Skye, 144
Cotopaxi, volcanic dust of, 69
— view of, 168, fig. 68
Craters, formation of, 82
— origin of, 167
— position of, 167
— fissuring of sides, 180
Crater of Stromboli, aperture at bottom of, 15
Crater-lakes, formation of, 171
— of Agnano, 171
— of Albano, 171
- 373 -
— of Avernus, 171
— of Bagno, 171, fig. 71
— of Bolsena, 171
— of Bracciano, 171
— of Frascati, 173, 175
— of Gustavila, 171, fig. 72
— of Laach, 171
— of Nemi, 171
Crater-rings, formation of, 170
Crater-ring of Somma, 177, fig. 76
Crater-ring of Pianura, 174
— — of Piano di Quarto, 174
— — of Vallariccia, 174
Creuzot, shafts at, 340
'Critical point' of liquids, 63
Crust of globe, definition of, 308
Crystals in lavas, 51
— — formed of crystallites, 54-57
— — formed in subterranean reservoirs, 60
— — interruption in growth of, 60
— pressure under which formed, 65
— deposited on surface of lava, 110
— porphyritic, origin of, 256
Crystalline minerals formed beneath volcanoes, 146, 147
— — ejected from volcanoes, 147
Crystallised minerals of volcanoes, 46
Crystallites, aggregates of, 54, Frontispiece
Crystallites in lavas, 53, Frontispiece
Crypto-crystalline base, 57
'Cupolas,' 135
Corral of Madeira, 209
DACITES, 198
Dana, Professor, J. D., cited, 100, 159, 291, 301, 327, 338, 339
Darwin, Mr., cited, 245, 246, 271, 289
Daubeny, cited, 182
Daubrée, M., cited, 147, 315, 320, 358
Daubréelite, 314
Davy, Sir Humphry, chemical theory of volcanoes, 344, 345
Deccan of India, 103
Density of the earth, 306
Denuded cones and craters, 158, fig. 59
Denudation, effects of, on volcanoes, 114
Deposits about volcanic fissures, 42
Detonations at Vesuvius, 26
Devonian volcanoes of British Islands, 274
Diorite, 59
Dolomieu, cited, 4, 39
Durocher, cited, 201
Dykes, formation of, 116, 117, 209, 210
— structure of rock in, 211
— pseudo-, 119
Dynamical theory of volcanoes, 347, 348
EARTH'S interior, nature of, 309
— — physical condition of, 325
— — hypothesis concerning, 328-330
— relation to other planets, 310, 311
Earthquakes, depth of origin of, 343, 344
— connection with volcanoes, 343
— accompanying Vesuvian eruption of 1872, 27
Ebullition, compared to volcanic eruptions, 19, 20
Eifel, volcanic cones of, 45
Ejected blocks, 45
— materials, height to which thrown, 72
— — stratification of, 117-119
Elements, pyroxenic and trachytic, theory of, 201
- 374 -
Elevation-craters, theory of, 135, 200
Erroneous opinions, sources of, in regard to volcanoes, 2
Eruptions, feeble and violent compared, 31
— prediction of, not possible, 32
— intervals between, 33
— of varying intensity, 33
— and barometric pressure, 36
— effects of repetition of from same fissure, 80
Eruptive action in sun and moon, 360-369
Etna, ideas of ancients concerning, 3
— and Anne Boleyn, 3
— observatory on, 37
— size of, 44
—, 151
— eruptions at summit and on flanks, 207
Etna, dyke and lava-stream in, 133, fig. 54
Etna, views of, 162, 163, figs. 62, 63
Euganean Hills, 139
— — volcanoes of, 201
Europe, volcanoes of, 227
Extra-terrestrial rocks, 316
Extra-terrestrial rocks, relation to ultra-basic rocks, 322, fig. 88
FELSTONES, 263
Ferric-chloride, mistaken for sulphur, 41
Fissure on flanks of Etna, 194, fig. 84
Fissure-eruptions, 188
Fissures, volcanic cones on, 194
— systems of, 198
Fingal's Cave, 106
Flames, phenomena mistaken for, 2
— at volcanoes, feebly luminous, 17
— false appearance of, in volcanoes, 17
Flames at volcanic vents, 41
Flashing lighthouse, compared to Stromboli, 10
Floods, accompanying volcanic outbursts, 30
Forbes, Mr. David, cited, 337, 339
Fossils, from beneath Vesuvius, 45
— supposed in basalt, 250
Fouqué, M., cited, 110, 213
Fumaroles, gases emitted from, 213
Fusiyama, form of, 90, 166
Fusiyama, 178, fig. 77
GABBRO, 59
Gardiner's river, travertine terraces of, 185
Gases emitted from volcanoes, 40
— — volcanic vents, 212-216
Geanticlinals, formation of, 297
Gems, formation of, 147
— mode of occurrence, 148
Geological continuity, doctrine of, 247
Geosynclinals, formation of, 294
Geysers, formation of, 217
— intermittent action of, 218
— of Colorado, 184, 217
— of Iceland, 184, 217
Giant's Causeway, 108
Gilbert, Mr. G. K., cited, 208
Girgenti, mud-volcanoes of, 182
Glass, formed by fusion of lavas, 52
Glasses, composed of certain silicates, 58
Glassy base, 57
Goethe, cited, 112
Graham Isle, 178, 179, fig. 78
Graham, cited, 345
Grand Sarcoui, Auvergne, 161
Granite, 59
Granite of Secondary and Tertiary ages, 254
- 375 -
Granitic rocks, position beneath volcanoes, 145
Great earth movements, nature of, 286
Great volcanic bands of the globe, 232-234
Grenelle, boring of, 341
Greystones, 49
Groundmass of lavas, 52
Grotto del Cane, 215
Guevo Upas, Java, 215
Guiscardi, Professor, referred to, 45
Gustavila, crater-lake of, 172, fig. 72
HAMILTON, Sir W., researches of, 4, 75, 84
— — observations on Vesuvius, 80
Hannay, Mr., referred to, 147
Hartley, Mr. Noel, referred to, 65
Hawaii, volcanoes of, 100, 125
— — lava-masses of, 159
— — volcanic eruptions at different levels, 327
Hebrides, volcanoes of, 271
Henry, Dr., cited, 355
Henry Mountains, Southern Utah, 208
Hephæstus, forge of, 3
Hochstetter, cited, 135, 356
Holosiderites, 315
Hopkins, Mr., cited, 349
Hot springs, numbers of, 219
Humboldt, researches of, 4
Hungary, lavas of, 96, 103
— volcanoes of, 126, 201
— deep wells of, 341
Hverfjall, Iceland, 178, fig. 77
Hydro-electric machine of Sir W. Armstrong, 29
Hypothesis, value of, 331-333
ICE under lava of Vesuvius in 1872, and of Etna, 110
Iceland, volcanic dust of, carried to Norway, 72
Indian Ocean, volcanoes in, 229
Insel Ferdinandez, 178, 179, fig. 78
Intermediate lavas, 48
Intervals between Eruptions, 33
Ireland, north-east of, 103
Iron in Ovifak-basalts, 319, fig. 87
Iron, seething of, 356
— of Ovifak, terrestrial origin of, 320
Ischia, eruption in 1301, 164
— crater-lake of Bagno in, 172, fig. 71
— plan of, 163, fig. 64
— parasitic cones in, 164, fig. 65
Island of Bourbon, 93
Isle Julie, 178, 179, fig. 78
Isogeotherms, 359
JANSSEN, referred to, 42
Joint-structures in lava, 104-110
KAMMERBÜHL, 112-114, fig. 33
— section of, 114, fig. 34
— section in side of, 118, fig. 36
Kant, nebular hypothesis of, 352
Kilauea, volcano of, 71, 138
— crater of, 181
King, Mr. Clarence, cited, 301
LAACHER SEE, minerals ejected at, 149
Lac Paven, Auvergne, 171, fig. 70
'Laccolites,' formation of, 208
Lago di Bolsena, 173, 175
Lago di Bracciano, dimensions of, 172, 173
Lake Avernus, 215
- 376 -
Lapilli, 70
Laplace, nebular hypothesis of, 325, 352
Lavas, action of acid gases on, 41
— resemblance to slags, 46
— chemical elements in, 46
— oxygen in, 47
— silicon in, 47
— proportion of silica and other oxides in, 47
— silicates in, 47
— acid, intermediate, basic, 48
— specific gravities of, 49
— colours of, 49
— microscopic study of, 50
— fusibility of, 51
— minerals in, 51
— artificially fused, 51
— crystals in, 51, 93
— ground mass of, 52
— crystalline forms of, 59
— of Bohemia, 103
— of Hungary, 96, 103
— of Kilauea, 95
— of Lipari, 96
— of Niedermendig, 103
— of Vesuvius, 104
— of Volvic, 95
— of Volcano, 95
— presence of water In, 102
— chemical deposits on, 110
— different fluidity of, 204
— augite and hornblende in, 267
Lava, cascade of, 93, fig. 18
Lava-cones, composed of liquid lava, 125
— — of viscid lava, 126, 127
— characters of, of liquid lava, 159
— — of viscid lava, 160
Lava-cones, outlines of, 160, fig. 60
Lava, in deep-seated reservoirs, 138
— consolidation of, at great depths, 139
Lava-fountains, 94
Lava-sheets, intrusive, 136, 137, fig. 56
'Lava' ornaments of Naples, 45
'Lava,' slow-cooling of, 110
— a bad conductor of heat, 110
— ice under, 110
Lava-streams, nature of movements, 92
— difference in liquidity of, 92
— miniature cones on, 100, 101
— vast dimensions of, 102
— structure of, 103
— position of columns in, 106
— sinking of surface of, 111
'Lave di fango,' 30
'Lave di fuoco,' 30
Lawrencite, 314
Laws of volcanic action, 38
Le Conte, cited, 347
Leucite, absence from ancient lavas, 268
Lightning, accompanying volcanic outbursts, 28
Linear arrangement of volcanic vents, 191
— — of volcanoes, 231
Lipari Islands, 3, 39
— — fissures in, 197
— — pumice-cones in, 154
— — order of appearance of lavas in, 200
— — breached pumice-cones in, 124, fig. 41
— — map of, 192, fig. 81
— — lavas of, 96, figs. 20, 21
Liquids in cavities of crystals, 63
Liquid cavities in lavas, 60, fig. 7
— — spontaneous movement of bubbles in, 62, fig. 8
— — spontaneous movement of bubbles in, cause of, 65
Lockyer, Mr. Norman, cited, 322, 363, 364
Lunar craters, 368, fig. 95
Lyell, Sir Charles, cited, 135, 167, 197
MACCULLOCH, cited, 207, 208
Madeira, cliff-section in, 128, fig. 47
- 377 -
Magmas, theory of, 201
— objections to, 202, 203
Mallet, Mr., cited, 269, 343, 346
Mamelons of Bourbon, 126, 127, figs. 45, 46
Maskelyne, Professor, cited, 314
Massa di Somma, destruction of, 26
Mauna Loa, 138
Metamorphism around volcanic vents, 145
Meteorites, nature of, 312
— composition of, 313
— minerals of, 314
— classification of, 315
Melaphyres, 262
Miascite, 59
Michel Lévy, M., 110
Micro-crystalline base, 58
Microliths. See Crystallites
Microscopic study of lavas, 50
Minerals in lavas, 51
— of Vesuvius, 46
Mineral-veins, formation of, 149
— connection with volcanoes, 220
— nature of materials in, 321
Misenum, Cape of, section of tuff-cone of, 121, fig. 38
Modena, mud-volcanoes of, 182
Mont Dore, section at, 130, fig. 48
Monte Cerboli, Tuscany, 216
Monte Massi, Tuscany, well at, 341
Monte Nuovo, history of formation of, 76
— — description of, 77, 78, fig. 10
— — 152
— — crater of, 168
— — production of fissure at, 190
Monte Rotondo, Tuscany, 216
Moon, effect of internal forces on, 305
Mountains, all volcanoes not, 2
Mountain-chains, formation of, 291
— — all of recent date, 292
Mud-streams at volcanoes, 30
Mud-volcanoes, formation of, 181, 182
Mull, dissected volcano of, 142-4, figs. 57, 58
Muscovite, absence of, from modern lavas, 268
NEBULAR hypothesis of Laplace, 325, 352
— — of Kant, 352
New Zealand, geysers of, 217
— — volcanoes of, 135
— — volcanic cones in, 79
Niedermendig, lava of, 103
Nordenskiöld, Professor, cited, 318
OBSERVATORY on Vesuvius, 24, 37
— on Etna, 37
Obsidian, 59
Oceans, depth of, in volcanic areas, 242
Oceanic islands, volcanoes in, 228
Oliver, Capt. S. P., 92
Oldhamite, 314
Outlines of Vesuvius, 87, fig. 17
Ovifak, iron-masses of, 319
Oxidation of materials of globe, 324
Oxygen, proportion in lavas, 47
PACIFIC, volcanoes in, 229
Palmieri, Professor, cited, 25, 37
Papandayang, eruption of, 169
Papin's digester, nature of action in, 22
Parasitic cones, formation of, 161, 162, fig. 61
Pele's Hair, 71
Perlitic structure, 109
Phillips, Mr. J. A., cited, 220
Phonolites, 50, 59
- 378 -
Phonolite-volcanoes, 126
Photograph of Vesuvius eruption, 24, fig. 5
'Pine-tree, appendage of Vesuvius, 29
Pitchstones, porphyritic, 60
Plateaux formed of lava-sheets, 270
Pliny, Elder, death of, 7
Plombières, hot springs of, 147
Plutonic rocks, 61
Pompeii, nature of materials covering, 117
Ponza Islands, 39
Ponza, sections in, 131, 132, figs. 51, 52
Porphyrites, 263
Porphyritic pitchstones, 60
Potentially liquid rock, 250
Pre-Cambrian volcanoes of British Islands, 274
Presence of water in lavas, 353
Pressure under which crystals were formed, 65
Predazzo, ancient volcano of, 165, fig. 67
Propylites, 199
Pseudo-dykes, 119
Pumice, how formed, 68
— cause of white colour of, 71
— floating on ocean, 73
— on ocean-beds, 73
Pumice-cones, 154
Puy de Pariou, Auvergne, 193, 194, figs. 82, 83
Puzzolana, 89
RAIN, accompanying volcanic outbursts, 30
Rate of movement of lava-streams, 97
Rath, Professor Vom, 72
Red clay of ocean-beds, 74
Red Mountains, Skye, 144
Reservoirs beneath volcanoes, 145
Reyer, Dr. Ed., experiments of, 125, 160
Reykjanes, eruption of, in 1783, 102
Rhyolites, 50, 59
Richthofen, Von, cited, 196, 199, 200, 205
Rocca-Monfina, 178, fig. 77
— —, 204
Rock-masses, movements of, 288
Rocky Mountains, 103
— — volcanoes of, 201
Rotomahana, sinter-terraces of, 185
Ropy-lavas, 98, fig. 24
SALINA, section in, 132, fig. 53
Sandwich Islands, lavas of, 125
San Sebastiano, destruction of, 26
San Stephano, section in, 131, fig. 50
Santorin, 42
Sarcoui, Grand Puy of, 126, fig. 44
Sciarra del fuoco, 13
Scoria, how formed, 68, 70
Scoria-cones, altered by acid gas, 155
— breached, 156
— characters of, 153
— preservation of, 155
— red colour of, 154
Scoria-cone in Vesuvius, 122, fig. 39
Scoria-cone near Auckland, N. Z., 165, fig. 66
Schmidt, referred to, 153
Schreibersite, 314
Scrope, Mr. Poulett, cited, 5, 69, 106, 135, 198, 205, 212, 238, 289
Sea of Azof, mud-volcanoes of, 182
Secchi, Father, cited, 362
Shiant Isles, 105
Silica, presence in lavas, 47
Silicates in lavas, 47
Silicon, proportion in lavas, 47
- 379 -
Siliceous sinter, deposits of, 220
Silver, spitting of, 355
Silvestri, Professor, cited, 230
Similarity of lavas of different ages, 260
Sinter-cones, forms of, 183, fig. 79
Skye, dissected volcano of, 144
Slags, compared with lavas, 46
Smith, Lawrence, cited, 320
Smoke, appearance of, due to steam, 2
Snowdon, 274
Solar prominences, 364-366, figs. 92, 93, 94
Solfatara of Naples, 214
Solfatara-stage of volcanoes, 215
Somma, 133
— crater-ring of, 83
Sorby, Mr. H. C., referred to, 59, 252
Spallanzani, early researches of, 4
— observations on Stromboli, 8
— cited, 39, 367
Specific gravities of lavas, 49
— — of glassy and crystalline rocks, 59
Spectroscope in vulcanology, 41
Spectrum-analysis, results of, 311
Specular-iron, deposited on lava-streams, 110
Sperenberg, boring of, 341
Sphærulites, 54, Frontispiece
Sporadosiderites, 316
Stability of crust of globe, 326
Staffa, Isle of, 106
Steenstrup, cited, 319
Steam-engine compared to volcano, 8
Steam, emitted by lava of Vesuvius, 27
Sternberg, referred to, 113
St. Kilda, 181
Stokes, Professor, 65
St. Paul, Island of, 180
Stromboli, 42, 158
— apertures at bottom of crater, 15
— appearances in crater of, 16
— — at night, 10
— compared with Vesuvius, 23
— crater of, 13
— dependence of eruptions on atmospheric conditions, 34
— eruption of, 14, fig. 4
— general features of, 11
— map of, 11, fig. 2
— observations by Spallanzani, 8
— resemblance to flashing light, 10
— section of, 13, fig. 8
— soundings around, 12
— vapour-cloud above, 9
— violent eruptions of, 23
Strombolian stage, 23
Stufas, nature of, 217
Submarine volcanoes, 179
Subterranean forces, beneficial effects of, 303
Subsidence in centre of volcanoes, 165
Sulphur, absorption of water by molten, 356
— deposited on lava-streams, 110
— how formed at volcanoes, 18
— not the cause of volcanic outbursts, 18
Surfaces of lava-streams, 97-99, figs. 22, 23
Sun-spots, 361-363, figs. 89, 90, 91
Syenite, 59
Syssiderites, 316
Szabo, Professor, cited, 199
TACHYLYTE, 59
Tertiary volcanoes of British Islands, 276
Terraces, sinter- and travertine-formation of, 185, fig. 80
Temperature, increase in deeper parts of earth's crust, 335
— rate of increase in different areas, 340
Teneriffe, 44, 151
- 380 -
Teneriffe, 178, fig. 77
— peak of, 175, fig. 73
Tenon-and-mortise structure in basaltic columns, 107
Theodosius and Vulcano, 3
Thunder, accompanying volcanic outbursts, 28
Trachytes, 49, 50, 69
Trap-rocks, origin of, 241
Trass, 90
Travertine or Tibur-stone, 184
— deposits of, 220
Triassic volcanoes of British Islands, 275
Tridymite deposited on lava-streams, 110
Troilite, 314
Troost, cited, 355
Tufa, or tuff, 90
Tuff-cones, character of, 157
— denudation of, 157, 158
Typhon, fable of, 3
ULTRA-BASIC lavas, 50, 66
— rocks, 317
VAL DEL BOVE, Etna, 133, 180, 209
— — dykes in, 134, fig. 55
Vapour-cloud over Vesuvius, 26, 29
— — Stromboli, 9
Ventotienne, Island of, section at, 130, fig. 49
Vesuvius, 37
— changes in form of, 81
— compared with Stromboli, 23
— crater of in 1756, 84, fig. 14
— — of in 1767, 85, fig. 16
— — of in 1822, 82, fig. 13
— — of in 1843, 86, fig. 16
— detonations at, 26
— early history of, 83
— eruption of year 79, 84
— — of 1822, 69
— — of April 1872, 24
— — of October 1822, 24
— ejected blocks of, 45
— first eruption of, 7
— form of, 166
— fossils of, 45
— growth of cone of, 80
— history of, 204
— last eruption of, 7
— lava-stream of 1855, 101
— lava-streams of 1858, 1872, 97
— lavas of, 104
— minerals of, 46
— — ejected at, 149
— observatory on, 24, 37
— outlines of, 87
— pine-tree appendage of, 29
— scoria-cones in lava, 122
— — on lava of 1855, 153
— steam emitted by lava of, 27
— vapour-cloud over, 26, 29
Vesuvian stage, 23
— eruption, photograph of, 24, fig. 5
Viscid lavas of Lipari Islands, 94-96
Vitreous lavas, devitrification of, 259
Volcanic action, laws of, 32
— bombs, 70, 71
— cycles, nature of, 221, 222
— — duration of, 223
— cones, internal structure of, 115-122
— — experimental illustration of formation of, 120, fig. 37
— — limits to height of, 166
— — form of, 152
— — dimensions of, 152
— — irregular development of, 90
— — slopes of sides of, 91
— — composed of ejected rock-fragments, 156
— — curved slopes of, 156
— débris on sea-bottom, 240
— dust, fineness of, 69
— districts, areas of upheaval, 245
— ejections, alteration of, 258
- 381 -
— eruptions, compared to ebullition, 19, 20
— forces, compensate for denudation, 283
— — intensity at former periods, 278
— — necessity for action of, 285
— — shifting of from one area to another, 277
— mountains, origin of conical forms, 89
— — mode of growth, 89
— phenomena of the past similar to those at present, 273
— products, order of appearance of, 198, 199
Volcanic rocks, 61
— — similarity of ancient and modern, 253
Volcano, origin of name, 3
— craters of, 167
— Island of. See Vulcano.
— compared to steam-engine, 8
Volcanoes, blocks, ejected from, 45
— built up of ejected fragments, 74
— destruction caused by, 281
— dissected by denudation, 115, 139
— erroneous ideas concerning, 1
— ejection of different materials from, 205
— known to ancients, 3
— life-history of, 186
— number of, 224, 225
— of Africa, 227
— of America, 236
— of Asia, 236
— of Bohemia, 126
— of Central Asia, 236
— of Central Pacific, 236
— of Europe, 227
— of Hungary, 126
— position in relation to mountain chains, 243
— popular ideas concerning, 1
— reservoirs beneath, 145
Volvic lava of, 103
Vose, cited, 346
Vulcan, forge of, 3
Vulcano, island of, 3, 158
Vulcano and Theodosius, 3
Vulcano, 178, fig. 77
— and Vulcanello, view of, 43, fig. 6
— chemical deposits at, 44
— eruption in 1786, 43
— — in 1873, 43
— — lava-stream in, 95, fig. 19
— —, 103, fig. 27
— plan of, 195, fig. 85
— section of volcanic cone in, 116, fig. 35
— section in, 129
— shifting of centre of eruption in, 196
Vulcanello, craters of, 197, fig. 86
Vulcanology, origin of the science, 4
— earliest treatise on, 5
WALFERDIN, M., cited, 340
Water in lavas, 353
— penetration through rocks, 358
— presence of in lavas, 102
— and saline solutions in cavities of crystals, 63
Werner, cited, 201
Western Isles of Scotland, 103, 139, 142
— — volcanoes of, 212
Whymper, Mr., 69
Woodward, Mr., experiments of, 119
Wrekin, ancient volcanic rocks of, 259
YOUNG, Professor, cited, 365
ZEOLITES, formation of, 150
- 382 -
PRINTED BY
SPOTTISWOODE AND CO. LTD., NEW-STREET SQUARE
LONDON
THE
INTERNATIONAL SCIENTIFIC SERIES.
Each Book Complete in One Volume. Crown 8vo. cloth, 5s.
unless otherwise described.
I. FORMS of WATER: in Clouds and Rivers, Ice and Glaciers. By J. Tyndall, LL.D., F.R.S. With 26 Illustrations. Twelfth Edition.
II. PHYSICS and POLITICS; or, Thoughts on the Application of the Principles of 'Natural Selection' and 'Inheritance' to Political Society. By Walter Bagehot. Tenth Edition.
III. FOODS. By Edward Smith, M.D., L.L.B., F.R.S. With 156 Illustrations. Tenth Edition.
IV. MIND and BODY: the Theories of their Relation. By Alexander Bain, LL.D. With Four Illustrations. Ninth Edition.
V. The STUDY of SOCIOLOGY. By Herbert Spencer. Eighteenth Edition.
VI. The CONSERVATION of ENERGY. By Balfour Stewart, M.A., LL.D., F.R.S. With 14 Illustrations. Eighth Edition.
VII. ANIMAL LOCOMOTION; or, Walking, Swimming, and Flying. By J. B. Pettigrew, M.D., F.R.S., &c. With 130 Illustrations. Fourth Edition.
VIII. RESPONSIBILITY in MENTAL DISEASE. By Henry Maudsley, M.D. Fifth Edition.
IX. The NEW CHEMISTRY. By Professor J. P. Cooke, of the Harvard University. With 31 Illustrations. Eleventh Edition.
X. The SCIENCE of LAW. By Professor Sheldon Amos. Eighth Edition.
XI. ANIMAL MECHANISM: a Treatise on Terrestrial and Aërial Locomotion. By Professor R. J. Marey. With 117 Illustrations. Fourth Edition.
XII. The DOCTRINE of DESCENT and DARWINISM. By Professor Oscar Schmidt (Strasburg University). With 26 Illustrations. Eighth Edition.
XIII. The HISTORY of the CONFLICT between RELIGION and SCIENCE. By J. W. Draper, M.D., LL.D. Twenty-second Edition.
XIV. FUNGI: their Nature, Influences, Uses, &c. By M. C. Cooke, M.A., LL.D. Edited by the Rev. M. J. Berkeley, M.A., F.R.S. With Illustrations. Fifth Edition.
XV. The CHEMISTRY of LIGHT and PHOTOGRAPHY. By Dr. Hermann Vogel. With 100 Illustrations. Sixth Edition.
XVI. The LIFE and GROWTH of LANGUAGE. By William Dwight Whitney. Sixth Edition.
XVII. MONEY and the MECHANISM of EXCHANGE. By W. Stanley Jevons, M.A., F.R.S. Eleventh Edition.
XVIII. The NATURE of LIGHT, with a General Account of PHYSICAL OPTICS. By Dr. Eugene Lommel. With 188 Illustrations and a Table of Spectra In Chromo-lithography. Sixth Edition.
XIX. ANIMAL PARASITES and MESSMATES. By Monsieur Van Beneden. With 88 Illustrations. Fourth Edition.
London: KEGAN PAUL, TRENCH, TRÜBNER, & CO., Ltd.
The International Scientific Series—continued.
XX. FERMENTATION. By Professor Schützenberger. With 98 Illustrations. Fourth Edition.
XXI. The FIVE SENSES of MAN. By Professor Bernstein. With 91 Illustrations. Seventh Edition.
XXII. The THEORY of SOUND in its RELATION to MUSIC. By Professor Pietro Blaserna. With numerous Illustrations. Sixth Edition.
XXIII. STUDIES in SPECTRUM ANALYSIS. By J. Norman Lockyer, F.R.S. With Six Photographic Illustrations of Spectra, and numerous Engravings on Wood. Fifth Edition. 6s, 6d.
XXIV. A HISTORY of the GROWTH of the STEAM ENGINE. By Professor R. H. Thurston. With numerous Illustrations. Fifth Edition.
XXV. EDUCATION as a SCIENCE. By Alexander Bain, LL.D. Ninth Edition.
XXVI. The HUMAN SPECIES. By Professor A. de Quatrefages, Membre de l'Institut. Fifth Edition.
XXVII. MODERN CHROMATICS. With Application to Art and Industry. By Ogden N. Rood. Third Edition. With 130 original Illustrations.
XXVIII. The CRAYFISH: an Introduction to the Study of Zoology. By T. H. Huxley, F.R.S. Sixth Edition. With 83 Illustrations.
XXIX. The BRAIN as an ORGAN of MIND. By H. Charlton Bastian, M.D. Fourth Edition. With 184 Illustrations.
XXX. The ATOMIC THEORY. By Professor A. Wurtz. Translated by E. Cleminshaw, F.R.S. Seventh Edition.
XXXI. The NATURAL CONDITIONS of EXISTENCE as they affect Animal Life. By Karl Semper. Fifth Edition. With 3 Maps and 106 Woodcuts.
XXXII. GENERAL PHYSIOLOGY of MUSCLES and NERVES. By Prof. J. Rosenthal. Fourth Edition. With 75 Illustrations.
XXXIII. SIGHT: an Exposition of the Principles of Monocular and Binocular Vision. By Joseph Le Conte, LL.D. Third Edition. With 132 Illustrations.
XXXIV. ILLUSIONS: a Psychological Study. By James Sully. Fourth Edition.
XXXV. VOLCANOES: what they are and what they teach. By John W. Judd, F.R.S. Fifth Edition. With 96 Illustrations.
XXXVI. SUICIDE: an Essay on Comparative Moral Statistics. By Professor H. Morselli. Third Edition.
XXXVII. The BRAIN and its FUNCTIONS. By J. Luys, Physician to the Hospice de la Salpêtrière. With numerous Illustrations. Third Edition.
XXXVIII. MYTH and SCIENCE: an Essay. By Tito Vignoli. Fourth Edition.
XXXIX. The SUN. By C. A. Young, Ph.D., LL.D. Fifth Edition. With numerous Illustrations.
XL. ANTS, BEES, and WASPS. A Record of Observations on the Habits of the Social Hymenoptera. By Sir John Lubbock, Bart., M.P. Fourteenth Edition. With 5 Chromo-lithographic Plates.
XLI. ANIMAL INTELLIGENCE. By George J. Romanes. LL.D., F.R.S. Sixth Edition.
XLII. The CONCEPTS and THEORIES of MODERN PHYSICS. By J. B. Stallo. Third Edition.
London: KEGAN PAUL, TRENCH, TRÜBNER, & CO., Ltd.
The International Scientific Series—continued.
XLIII. DISEASES of MEMORY. An Essay in the Positive Psychology. By Th. Ribot. Fourth Edition.
XLIV. MAN BEFORE METALS. By N. Joly, Correspondent de l'Institut de France. Fifth Edition. With 148 Illustrations.
XLV. The SCIENCE of POLITICS. By Prof. Sheldon Amos. Third Edition.
XLVI. ELEMENTARY METEOROLOGY. By Robert H. Scott. With 11 Plates and 40 Figures in Text. Seventh Edition.
XLVII. The ORGANS of SPEECH. By Georg Hermann von Meyer. With 47 Illustrations.
XLVIII. FALLACIES: a View of Logic from the Practical Side. By Alfred Sidgwick. Second Edition.
XLIX. The ORIGIN of CULTIVATED PLANTS. By Alphonse De Candolle. Second Edition.
L. JELLY FISH, STAR FISH, and SEA URCHINS. Being a Research on Primitive Nervous Systems. By G. J. Romanes, LL.D., F.R.S. Second Edition.
LI. The COMMON SENSE of the EXACT SCIENCES. By the late William Kingdon Clifford. Third Edition. With 100 Figures.
LII. PHYSICAL EXPRESSION: its Modes and Principles. By Francis Warner, M.D., F.R.C.P. Second Edition. With 50 Illustrations.
LIII. ANTHROPOID APES. By Robert Hartmann. With 63 Illustrations. Second Edition.
LIV. The MAMMALIA in their RELATION to PRIMEVAL TIMES. By Oscar Schmidt. Second Edition. With 51 Woodcuts.
LV. COMPARATIVE LITERATURE. By H. Macaulay Posnett, LL.D.
LVI. EARTHQUAKES and other EARTH MOVEMENTS. By Prof. John Milne. With 88 Figures. Fourth Edition, revised.
LVII. MICROBES, FERMENTS, and MOULDS. By E. L. Trouessart. With 107 Illustrations. Third Edition.
LVIII. GEOGRAPHICAL and GEOLOGICAL DISTRIBUTION of ANIMALS By Prof. A. Heilprin. Second Edition.
LIX. WEATHER: a Popular Exposition of the Nature of Weather Changes from Day to Day. By the Hon. Ralph Abercromby. With 96 Figures. Fourth Edition.
LX. ANIMAL MAGNETISM. By Alfred Binet and Charles Fére. Fourth Edition.
LXI. MANUAL of BRITISH DISCOMYCETES, with descriptions of all the Species of Fungi hitherto found in Britain included in the Family, and Illustrations of the Genera. By William Phillips, F.L.S. Second Edition.
LXII. INTERNATIONAL LAW. With Materials for a Code of International Law. By Professor Leone Levi.
LXIII. The GEOLOGICAL HISTORY of PLANTS. By Sir J. William Dawson. With 80 Illustrations.
LXIV. The ORIGIN of FLORAL STRUCTURES THROUGH INSECT and other AGENCIES. By Prof. G. Henslow. Second Edition.
LXV. On the SENSES, INSTINCTS, and INTELLIGENCE of ANIMALS, with special reference to INSECTS. By Sir John Lubbock, Bart., M.P. With 118 Illustrations. Third Edition.
London: KEGAN PAUL, TRENCH, TRÜBNER, & CO., Ltd.
The International Scientific Series—continued.
LXVI. The PRIMITIVE FAMILY in its ORIGIN and DEVELOPMENT. By C. N. Starcke. Second Edition.
LXVII. PHYSIOLOGY of BODILY EXERCISE. By Fernand Lagrange, M.D. Second Edition.
LXVIII. The COLOURS of ANIMALS: their Meaning and Use, especially considered in the case of Insects. By E. B. Poulton, F.R.S. With Chromolithographic Frontispiece and upwards of 60 Figures in Text. Second Edition.
LXIX. INTRODUCTION to FRESH-WATER ALGÆ. With an Enumeration of all the British Species. By M. C. Cooke, LL.D. With 13 Plates Illustrating all the Genera.
LXX. SOCIALISM: NEW and OLD. By William Graham, M.A., Professor of Political Economy and Jurisprudence, Queen's College, Belfast. Second Edition.
LXXI. COLOUR-BLINDNESS and COLOUR-PERCEPTION. By F. W. Edridge-Green, M.D. With 3 Coloured Plates.
LXXII. MAN and the GLACIAL PERIOD. By G. F. Wright, D.D. With 111 Illustrations and Maps. Second Edition.
LXXIII. HANDBOOK of GREEK and LATIN PALÆOGRAPHY. By Sir E. Maunde Thompson, K.C.B. With Tables of Alphabets and Facsimiles. Second Edition.
LXXIV. A HISTORY of CRUSTACEA: Recent Malacostraca. By Thomas R. R. Stebbing, M.A. With 19 Plates and 32 Figures in Text.
LXXV. The DISPERSAL of SHELLS: an Inquiry into the means of Dispersal possessed by Fresh Water and Land Mollusca. By H. Wallis Kew, F.Z.S. With Preface by A. R. Wallace, F.B.S., and Illustrations.
LXXVI. RACE and LANGUAGE. By André Lefèvre, Professor in the Anthropological School, Paris.
LXXVII. The ORIGIN of PLANT STRUCTURES by SELF-ADAPTATION TO THE ENVIRONMENT. By Rev. G. Henslow. M.A., F.L.S., F.G.S., &c., author of 'The Origin of Floral Structures,' &c.
LXXVIII. ICE-WORK PRESENT and PAST. By Rev. T. G. Bonney, D.Sc., LL.D., F.R.S., &c., Professor of Geology at University College, London; Fellow of St. John's College, Cambridge.
LXXIX. A CONTRIBUTION to our KNOWLEDGE of SEEDLINGS. By Rt. Hon. Sir John Lubbock, Bart., M.P., F.R.S.
LXXX. The ART of MUSIC. By Sir C. Hubert H. Parry, Mus. Doc.
LXXXI. The POLAR AURORA. By Alfred Angot. Illustrated.
LXXXII. WHAT is ELECTRICITY? By J. Trowbridge. Illustrated.
LXXXIII. MEMORY. By F. W. Edridge-Green, M.D. With Frontispiece.
LXXXIV. The ELEMENTS of HYPNOTISM. By B. Harry Vincent. With Diagrams. Second Edition.
LXXXV. SEISMOLOGY. By John Milne, F.R.S., F.G.S., &c., Author of 'Earthquakes.' With 63 Figures.
LXXXVI. On BUDS and STIPULES. By the Right Hon. Sir John Lubbock, Bart, M.P., F.R.S., D.C.L., LL.D. With 4 Coloured Plates and 340 Figures in the Text.
LXXXVII. EVOLUTION by ATROPHY, in Biology and Sociology. By Jean Demoor, Jean Massart, and Emile Vandervelde. Translated by Mrs. Chalmers Mitchell. With 84 Figures.
London: KEGAN PAUL, TRENCH, TRÜBNER, & CO., Ltd.
Transcriber Note
Minor typos corrected. Listing of "The International Scientific Series" was split between the front and end of book but are here moved to the end. The list was also reformatted. Figures 12, 60, 77, 79, and 80 were originaly printed as negative images. Here the positive is shown with a link to the original views. The captions for the map key in Figure 58 were reformatted into a table. Figure 41 was relocated as it followed Figure 42 in the printed version.