Home-made Toy Motors

This ebook is for the use of anyone anywhere in the United States and most other parts of the world at no cost and with almost no restrictions whatsoever. You may copy it, give it away or re-use it under the terms of the Project Gutenberg License included with this ebook or online at https://www.gutenberg.org/license. If you are not located in the United States, you'll have to check the laws of the country where you are located before using this ebook.

Title: Home-made Toy Motors

Author: Alfred Powell Morgan

Release Date: December 14, 2020 [EBook #64046]

Language: English

Character set encoding: UTF-8

*** START OF THIS PROJECT GUTENBERG EBOOK HOME-MADE TOY MOTORS ***

Produced by James Simmons.

This file was produced from page images at the Internet Archive.

Transcriber's Note

This book was transcribed from scans of the original found at the Internet Archive.

Book Cover Image

ARTS AND SCIENCES No. 9

Home-made

Toy Motors

A Practical Handbook Giving Detailed Instructions for Building

Simple but Operative

Electric Motors

BY

A. P. Morgan

COLE & MORGAN, Inc.

Publishers of the Arts and Sciences Series

P. O. BOX 473 CITY HALL STATION

NEW YORK, N. Y.

COPYRIGHT 1919

BY

COLE & MORGAN, Inc.

CHAPTER I. EXPLAINING HOW AN ELECTRIC MOTOR OPERATES. SOME PRINCIPLES OF MAGNETISM. THE DIFFERENCE BETWEEN A SHUNT AND A SERIES MOTOR.

An Electric Motor is a device for transforming electricity into mechanical power. A generator, or dynamo, is constructed in almost the same identical manner as a motor but its purpose is just the opposite. A dynamo transforms mechanical power into electricity. A dynamo produces electric current, but a motor consumes it. Some machines can be used either as a motor or dynamo—not all however.

Of course most experimenters have in all probability seen many electric motors, but it is more than likely that the exact operation is not thoroughly understood. Here is your chance to learn.

The little motors described in this book can each be made in two or three hours out of a few scraps of sheet iron, magnet wire and screws. The cost of the necessary materials is practically negligible.

One of the main advantages of these little motors is that they illustrate the actual principles that are used in the large motors, such as are employed everywhere for practicable power purposes.

The iron parts may be made out of sheet iron or the ordinary so-called "tin" used in cocoa cans, etc. Thin tin can be cut with an ordinary pair of shears. Sheet iron such as is used in making stovepipes, etc., is an excellent material to use in making these little motors. Sheet iron is usually heavier than tin and will have to be cut with a pair of "snips." Greater skill will also then be required in bending the parts. It is worth while noting however, that the extra difficulty involved in using the heavier material is worth the trouble because it makes possible a more powerful and efficient motor.

The first and easiest type of motor to make is the "Simplex."

The Principle on which an Electric Motor Operates is really very simple. If a current of electricity is passed through a copper wire, the wire will attract to itself iron filings, etc., as long as the current continues to flow. As soon as the current is shut off, the filings drop away because the magnetism immediately disappears with the cessation of the current.

FIG. 1.—If a current of electricity is passed through a wire, the wire will attract to itself iron filings.
FIG. 1.—If a current of electricity is passed through a wire, the wire will attract to itself iron filings.

If a wire, carrying a current of electricity is formed into a loop, the entire space enclosed by the loop will possess the properties of a magnet.

By forming the wire into several loops or a spiral the combined effect of all the individual turns is concentrated in a small space and a much more powerful field is produced. If the coil is provided with an iron core, the magnetism is much more concentrated and will exercise a very powerful attractive effect upon any neighboring masses of iron or steel. Such a coil is called an electromagnet.

FIG. 2.—If a wire carrying a current of electricity is formed into a loop, the space enclosed by the loop will become magnetic.
FIG. 2.—If a wire carrying a current of electricity is formed into a loop, the space enclosed by the loop will become magnetic. The arrows represent the paths of the lines of magnetic force.

Electromagnets play a very important part in the construction of electric motors. The strength of an electro magnetic coil is proportional to its ampere turns. The number of ampere turns in a coil is obtained by multiplying the number of amperes flowing through the coil by the number of turns of wire composing it.

FIG. 3.—By forming the wire into several loops or a spiral so that the effect of the individual turns is concentrated in a small space, an Electromagnet is made.
FIG. 3.—By forming the wire into several loops or a spiral so that the effect of the individual turns is concentrated in a small space, an Electromagnet is made.

You can easily see the effect of turns of wire on an electromagnet by winding two or three turns of wire around a nail and connecting it to a battery. These two or three turns will probably create enough magnetism to enable the nail to lift up one or two ordinary carpet tacks.

FIG 4—The strength of an electromagnet is proportional to the ampere turns.
FIG 4—The strength of an electromagnet is proportional to the ampere turns. The magnet illustrated above does not possess sufficient turns to be very strong.

Then increase the number of turns to forty or fifty and note that the magnetism of the nail has increased greatly and that it now possesses power to pick up a larger number of tacks at a time.

From this one may be led to believe that the more turns of wire an electromagnet possesses, the stronger it will be, and while to a certain extent this is true, it should be remembered that it is not simply turns that count but ampere turns and if the number of turns of wire is increased beyond a certain point the resistance of the coil to the electric current will become so great that the current in amperes flowing through the coil is greatly reduced and consequently also the magnetism is decreased.

FIG. 5.—An increase in the number of turns of wire has resulted in considerable increase in the magnetism and this magnet is able to lift a much greater weight than that shown in Figure 4.
FIG. 5.—An increase in the number of turns of wire has resulted in considerable increase in the magnetism and this magnet is able to lift a much greater weight than that shown in Figure 4.

It will be found that the magnetism of an electromagnet is strongest at the ends. These places are called the poles.

If you bring one pole of a small electromagnet, formed by winding a nail with a few turns of wire, near a compass needle, you will find that it will attract one end of the compass needle and repel the other. The end of the compass needle which points North is called a North pole. The ends of the electromagnet which attracts the North pole of the compass needle is a South pole.

One of the most important laws of magnetism is that like poles repel each other and unlike poles attract each other. A North and a South pole therefore tend to pull toward each other, whereas two North poles or two South poles repel one another.

Figure 6 illustrates the principle of an electric motor.

It consists of a bar of iron marked "A" called the Armature and wound with a coil of wire called the armature winding. The armature is the part of the motor which revolves.

FIG. 6.—The Principle of the Electric Motor.
FIG. 6.—The Principle of the Electric Motor.

Each end of the armature winding is connected to one half of a brass ring called the commutator and marked "C, C," in the illustration. The two halves of the commutator are insulated from each other and are mounted on the armature shaft so that they revolve together with the armature.

The armature revolves between the ends of a horseshoe shaped piece of iron called the field. The field is also wound with a coil of wire called the field winding or sometimes the field coil.

The armature and the field are both electromagnets.

Two strips of copper, "B, B," bear against the commutator. These are the brushes, and their purpose is to lead the current to the armature coil.

One brush is connected to one end of the field coil. The other end of the field coil and the other brush are connected to a source of electric current.

As soon as the current is turned on, the armature and the field both become magnets. The North pole of the field attracts the South pole of the armature and vice-versa. The armature starts to move so that the poles will come opposite but as the commutator moves around and is turned over, the current flows through the armature coil in the opposite direction. This reverses the magnetism of the armature and that which was the South pole become the North pole and vice-versa.

FIG. 7.—Diagrams showing the difference between a Shunt and a Series Motor.
FIG. 7.—Diagrams showing the difference between a Shunt and a Series Motor.

The armature poles will therefore have to move 180 degrees in order that the South pole may come opposite the North pole of the field. Before it gets there, however, the commutator will have turned over again, reversing the current in the armature and making it necessary to continue its journey again. This process keeps up and so the armature revolves always trying to seek a new position which it is prevented from remaining at by the action of the commutator.

Motors are said to be series or shunt wound depending on whether all the current flowing through the armature also passes through the field or whether it divides between the two as shown in Figure 7.

CHAPTER II. THE CONSTRUCTION OF SIMPLE TOY ELECTRIC MOTORS.

The Simplex Motor is an interesting little toy which can be made in a couple of hours, and when finished it will make an instructive model.

As a motor itself, it is not very efficient, for the amount of iron used in its construction is necessarily small. The advantage of this particular type of motor and the method of making it is that it demonstrates the actual principle and the method of application that is used in larger machines.

FIG. 8.—Details of the Armature for the Simplex Two-pole Motor.
FIG. 8.—Details of the Armature for the Simplex Two-pole Motor.

The field of the motor is of the type known as the "simplex" while the armature is the "Siemen’s H" or two-pole type. The field and the armature are cut from ordinary tin-plated iron, such as is used in the manufacture of tin cans and cracker boxes.

The simplest method of securing good flat material is to get some old scrap from a plumbing shop. An old cocoa tin or baking-powder can may, however, be cut up and flattened and will then serve the purpose almost as well.

FIG. 9.—Showing the Armature assembled on the shaft ready for winding.
FIG. 9.—Showing the Armature assembled on the shaft ready for winding.

The Armature—Two strips of tin, one-half of an inch by one and one-half inches, are cut to form the armature. They are slightly longer than will actually be necessary, but are cut to length after the bending operations are finished. Mark a line carefully across the center of each strip. Then taking care to keep the shape symmetrical so that both pieces are exactly alike, bend them into the shape shown in Figure 8. The small bend in the center is most easily made by bending the strip over a knitting-needle and then bending it back to the required extent.

FIG. 10.—A front view of the Field Frame.
FIG. 10.—A front view of the Field Frame.

A piece of knitting-needle one and seven-eighths inches long is required for the shaft. Bind the two halves of the armature together in the position shown in Figure 9. Bind them temporarily with a piece of iron wire and solder them together. The wire should be removed after they are soldered.

FIG. 11.—The completed Field Frame, ready for winding.
FIG. 11.—The completed Field Frame, ready for winding.

The Field Magnet is made by first cutting out a strip of tin five-eighths of an inch wide by five inches long and then bending it into the shape shown in Figure 11. The easiest way of doing this with the most accuracy is to cut out a piece of wood as a form, and then bend the tin over the form. The dimensions shown in Figure 10 should be used as a guide when making the form.

FIG. 12.—The Bearings.
FIG. 12.—The Bearings.

Two small holes should be bored in the feet of the field magnet to receive No. 8 wood screws, the purpose of which is to fasten the field to the base.

The Bearings are shown in detail in Figure 12. They are easily made by cutting from sheet tin. Care should be taken to make the bearings accurately so that the armature will be in the proper position when the motor is assembled. Two small washers, serving as collars, should be soldered to the shaft as shown in Figure 13.

The Commutator Core is formed by cutting a strip of paper three-eighths of an inch wide and about five inches long. It should be given a coat of shellac on one side and allowed to dry until it gets sticky. The strip is then wrapped around the shaft until its diameter is three-sixteenths of an inch. The sticky shellac should be sufficient to hold the paper tightly in position when dry.

The Base is cut from any ordinary piece of wood and is in the form of a block about two and one-half by one and seven-eighths by one-half inches thick.

FIG. 13.—Side view of the Armature and Commutator Core assembled on the Shaft before winding.
FIG. 13.—Side view of the Armature and Commutator Core assembled on the Shaft before winding.

Assembling the Motor—The parts must be carefully prepared for winding by covering with paper. Cut a strip of paper five-eighths of an inch wide and one and three-eighths inches long and give it a coat of shellac on one side. As soon as it becomes sticky, wrap it around one of the two upper vertical parts of the field magnet as indicated in Figure 11. Both sides of the field should be insulated with paper in this manner. The armature is insulated in exactly the same way, taking care that the paper covers the entire flat portion.

The field and armature are now ready for winding. It is necessary to take proper precautions to prevent the first turn from slipping out of place.

The field should be wound first. This is accomplished by looping a small piece of tape or cord over it at the point indicated by "A" in Figure 15. The next two turns are then taken over the ends of the loop so as to embed them. Wind on three layers of wire on one side and then run the wire across to the other side and wind on three layers there. The third layer of wire in the second coil should end at "B." It should be fastened into position by a loop of string so that it will not unwind.

FIG. 14.—Showing the Motor assembled on the Base so that all the parts may be lined up before winding.
FIG. 14.—Showing the Motor assembled on the Base so that all the parts may be lined up before winding.

This method divides the field winding into two parts, both of which are connected together. The outside layer of the first coil is connected to the inside layer of the second coil. The two coils really form one continuous winding divided into two parts. After the winding is finished, give it a coat of shellac.

The winding of the armature is somewhat more difficult. The wire used for winding both the armature and the field should be No. 25 or No. 26 B. & S. Gauge double cotton-covered.

FIG. 15.—The Field Frame with the Winding in position.
FIG. 15.—The Field Frame with the Winding in position.

In order to wind the armature, cut off about seven feet of wire and double it back to find the center. Then place the wire diagonally across the center of the armature so that there is an equal length on both sides. Place a piece of paper under the wire at the crossing point to insulate it. Then, using one end of the wire, wind four layers on half of the armature. Tie the end down with a piece of thread and wind on the other half.

The ends of the wire are cut and scraped to form the commutator segments. Figure 17 shows how this is done.

FIG. 16.—The Armature Winding before the Commutator is completed.
FIG. 16.—The Armature Winding before the Commutator is completed.

Bend the wires as shown so that they will fit closely to the paper core. Bind them tightly into position with some silk thread. Use care so that the two wires do not touch each other. Cut the free ends of the wire off close to the core.

When finished, the relative positions of the armature and the commutator should be as shown in Figure 17.

Figure 14 shows how the motor is assembled. The windings are not shown for the sake of clearness. The armature should be exactly in the center of the field. The bearing holes should be in the correct position and should permit the armature to revolve freely.

FIG. 17.—The completed Armature showing how the Commutator is constructed.
FIG. 17.—The completed Armature showing how the Commutator is constructed.

The armature should not scrape against the field at any point, but should clear it by about one-sixteenth of an inch.

The brushes are made by flattening a piece of wire by a few light hammer blows.

The brushes are fastened under a small clamp formed by a strip of tin held down at each end with a wood screw. They can be adjusted to the best advantage only under actual working conditions when the current is passing through the motor. One or two dry cells should be sufficient to operate the motor.

The completed motor is shown in Figure 19.

One end of the winding is connected to one of the brushes. The other brush and the other end of the field form the terminals to which the battery is connected.

The motor, being of the two-pole armature type, must be started when the current is turned on, by giving it a twist with the fingers.

FIG. 18.—Details of the Commutator.
FIG. 18.—Details of the Commutator.

Put a drop of oil on the bearings, make sure that the brushes bear firmly but not tightly against the commutator, connect the battery and your motor is ready to run. It will spin at a high rate of speed.

FIG. 19.—The completed Motor.
FIG. 19.—The completed Motor.

SIMPLEX MOTOR WITH THREE-POLE ARMATURE.

The form of "Simplex" motor which has just been described has only one drawback which prevents it from being a first class motor in every respect, namely, the armature has only two poles and the motor is therefore not self-starting, but must be given a twist with the fingers in order to start it rotating. A Two-pole armature is the easiest for the young experimenter to make and that is the reason that it has been described first.

All large power motors are provided with armatures having a large number of poles so as to be self-starting and to give as steady a pull as possible.

The Armature—The method of making a three-pole armature is practically the same as that of making one having only two poles. Three strips of tin, one-half an inch by one and one-half inches are necessary. They are purposely made a little longer than is actually required in order to form the armature and are cut to length after the finish of the bending operations.

FIG. 20.—Details of the Three-pole Armature.
FIG. 20.—Details of the Three-pole Armature.

Mark a line carefully across the center of each strip. Then bend them into the shape shown in Figure 20, taking care to keep the shape symmetrical so that all three pieces are exactly alike. The bend in the center which must fit over the shaft is most easily made by bending the strips over a knitting-needle and then bending them back the required amount.

The Shaft is formed by a piece of knitting-needle, one and seven-eighths of an inch long. Assemble the three pieces, forming the armature, on the shaft as shown in Figure 21. Bind them temporarily together with a piece of iron wire and then solder them along the edges. The iron wire should be removed after they are soldered.

The Commutator Core is formed by cutting a strip of paper, three-eighths of an inch wide and about five inches long. It should be given a coat of shellac on one side and allowed to dry until it becomes sticky.

FIG. 21.—The Three-pole Armature assembled on the shaft.
FIG. 21.—The Three-pole Armature assembled on the shaft.

The strip is then wrapped around the shaft until its diameter is three-sixteenths of an inch. The sticky shellac should be sufficient to hold the paper tightly in position when dry and to form a hard, firm core.

The illustration in Figure 22 shows the position of the core on the shaft in relation to the rest of the armature.

The Winding of the Armature may seem somewhat more difficult at first than was the case with the two-pole armature, but it is really very easy. The wire used for this purpose should be No. 25 or No. 26 B. & S. Gauge, double cotton-covered. Single cotton-covered wire for this purpose is liable to give trouble on account of short circuits.

In order to wind the armature, cut three pieces of wire about three and one-half feet long. Wrap a strip of paper around each section of the armature so that the sharp edges of the tin will not cut through the insulation on the wire and then wind four layers of wire on each section of the armature.

FIG. 22.—Showing the Armature and Shaft with the Commutator Core in position.
FIG. 22.—Showing the Armature and Shaft with the Commutator Core in position.

Each section should be wound in the same direction as the others. The ends of the wires should be scraped free from insulation and connected together as follows: Connect the outside end of one section to the inside end of the next section. We will presume that the three sections of the armature are lettered "A, B, and C." Connect the outside end of "A" to the inside of "B"; the outside of "B" to the inside end of "C" and the outside of "C" to the inside of "A."

Those portions of the wire forming the connections between the three sections, are used to form the commutator segments, in the same manner as the ends of the wires in the case of the two-pole armature, only in this instance there are three sections to the armature.

FIG. 23.—Diagram showing how the coils are connected together so as to form a continuous winding.
FIG. 23.—Diagram showing how the coils are connected together so as to form a continuous winding.

Bend the wires so that they will fit closely to the paper core and bind them tightly into position with some silk thread. A section of the commutator should come opposite the space between each section of the armature.

The Field Magnet is exactly like that used in making the Simplex motor with the two-pole armature. It is made by first cutting out a strip of tin five-eighths of an inch wide by five inches long and then bending it into the shape shown in Figures 10 and 11. The easiest way of doing this with reasonable accuracy is to cut out a piece of wood for a form and then bend the tin over the form.

Two small holes should be bored in the feet of the field magnet so as to enable the field to be fastened to the base.

The field is wound with the same size of wire used on the armature. The winding is started by looping a small piece of tape or cord over the frame at the point indicated by "A" in Figure 15. The next two turns are then wound over the ends of the loop so as to hold them down. Wind on three layers of wire on one side and then run the wire across to the other side and wind on three layers there. The third layer of wire in the second coil should end at B. It should be fastened in position by a loop of string so that it will not unwind.

This method divides the field winding into two parts, both of which are connected together. The outside layer of the first coil is connected to the inside layer of the second coil. The two coils really form one continuous winding divided into two parts. The illustration in Figure 23 should make this clear. After the winding is finished, give it a coat of shellac.

The Bearings are shown in detail in Figure 12. They are easily made. Care should be taken to make the bearings very accurate so that the armature will be in the proper position when the motor is assembled.

Two small washers, serving as collars to bear against the inside of the bearings and keep the armature in the field should be soldered to the shaft as shown in Figure 13.

The Base is cut from any ordinary piece of wood and should be in the form of a rectangular block about two and one-half inches by one and seven-eighths inches wide, and one-half inch thick.

The completed motor is shown in Figure 24. Be sure that the armature does not scrape against the field at any point but clears it by about one-sixteenth of an inch all around. The brushes are fastened under a small clamp made from a strip of tin held down at each end by a small wood screw. The brushes are made by flattening the end of a piece of copper wire with a few light hammer blows. The brushes can be best adjusted under actual working conditions when the current is passing through the motor.

One end of the field winding is connected to the brush marked "C," in Figure 24. The other brush, "A" and the other end of the field winding, "B," form the terminals to which the battery is connected. This forms what is known as a series connected motor, because the armature and the field are in series and the current must pass from one to the other.

FIG. 24.—The completed Three-pole Motor.
FIG. 24.—The completed Three-pole Motor.

After you have finished assembling the motor, put a drop of oil on the bearings, make certain that the brushes are properly adjusted, connect the battery, and your motor is ready to run. One or two dry cells should furnish sufficient current to run the motor at high speed.

HOW TO MAKE THE SIMPLEX OVERTYPE MOTOR.

The method of construction which has been outlined in making the two Simplex motors, just described, also lends itself to the construction of many other simple and interesting forms of motors.

Figure 25 shows a form of motor which is essentially the same as that shown in Figure 24 except that the field has been turned upside down and the armature is at the top of the motor instead of the bottom.

FIG. 25.—The Simplex "Overtype" Motor.
FIG. 25.—The Simplex "Overtype" Motor.

The detailed dimensions of the field are shown in Figure 26. It is made by cutting out a. strip of tin five-eighths of an inch wide and five inches long. This strip is then bent into the shape shown in Figures 26 and 27. This form of field is really very similar to that shown in Figure 15 except that the two feet are omitted and it has been turned upside down. The method of making ft is the same.

FIG. 26.—Details of the Field Frame for the "Overtype" Motor.
FIG. 26.—Details of the Field Frame for the "Overtype" Motor.

The field should be wound with either No. 25 or No. 26 B. & S. Gauge double cotton-covered wire. It should be carefully prepared for winding by a strip of shellaced paper around each of the two straight parts of the field magnet where the winding is to be placed. Then proceed with the winding in exactly the same manner as in the case of the field shown in Figure 15.

The armature used is of the the three-pole type and is exactly the same as that shown in Figures 20, 21 and 22.

FIG. 27.—Showing how the Field is Wound.
FIG. 27.—Showing how the Field is Wound.

The bearings will have to be made much higher on account of the armature being higher than the base. The details of the bearings are shown in Figure 28. They are cut out of sheet tin. Care should be taken to make them accurately so that the armature will be in the proper position when the motor is assembled.

The base is a block of wood two and one-half inches long, one and seven-eighths of an inch wide and one-half inch thick.

The field is fastened to the base by four small wood screws. The exact method of assembling the motor is probably best understood by studying the illustration in Figure 25.

FIG. 28.—The Bearings.
FIG. 28.—The Bearings.

THE MANCHESTER MOTOR.

Those readers who have made the motors already described, are no doubt anxious to proceed with the construction of some models which bear a greater resemblance to the large motors commonly employed to furnish power.

Figure 29 shows a motor of the "Manchester" type.

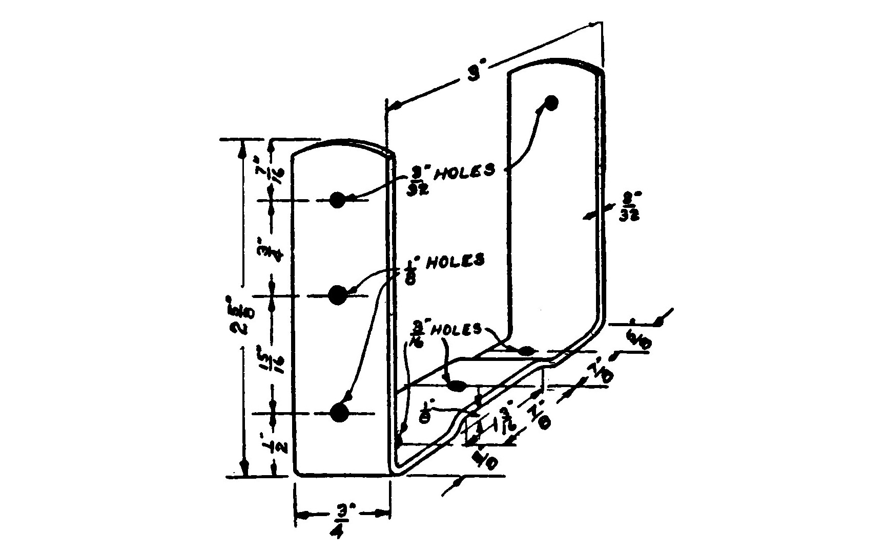
The Field of this machine is made from a strip of heavy sheet tin, one-half inch wide and about six inches long, bent to shape and joined in the center of the bottom pole piece, just above the pedestal. It is best to cut the strip a little long and then reduce it to the exact length required after the bending operations have been finished. The illustration in Figure 30 shows the details and dimensions of the field.

The field should be bent into shape with the aid of a pair of pliers and a wooden form, in the same manner employed in making the motors already described.

FIG. 28.—The Manchester Motor.
FIG. 28.—The Manchester Motor.

The field frame is supported by a "pedestal." The pedestal is formed by another strip, one-half inch wide, soldered to the field at right angles, underneath the joint in the lower pole piece.

The pedestal should be firmly soldered to the field, care being taken to see that the solder runs well into the joints. Then bend the ends of the pedestal down to form two "feet" as shown in the illustration. The feet should be bent so as to bring the center of the armature tunnel five-eighths of an inch above the base.

Two small holes should be bored in the pedestal, at each side, so that the motor can be screwed fast to a wooden base.

FIG. 30.—Details of the Field Frame.
FIG. 30.—Details of the Field Frame.

Winding the Field—It will be necessary to proceed with the winding of this motor in a slightly different manner from that followed in making the other motors. The wire cannot be wound on as easily as before and it will be necessary to wind the required length of wire onto a small spool or bobbin, which can be passed through the field. Double cotton-covered wire is the best for the purpose. Either No. 25 or No. 26 B. & S. Gauge may be used. A strip of paper should be wrapped around the field frame at all points where the wire is liable to touch, so as to guard the insulation against possible abrasion.

Figure 32 shows the method which should be followed in winding the coils. Both parts of the winding should be started at the bottom of the field and wound in the direction indicated. "B" and "D" are the starting ends Wind on three layers of wire in each coil. The terminals, "B" and "C," should be connected together after the winding is finished.

The Armature—The method of making the armature is exactly the same as that which has already been described. Three strips of tin, one-half inch wide and one and one-half inches long are required. They are purposely made slightly longer than is actually necessary and are cut to length after the finish of the bending operations.

FIG. 31.—Details of the Field Pedestal.
FIG. 31.—Details of the Field Pedestal.

Mark a line carefully across the center of each of the three strips and then bend them into the shape shown in Figure 20, making certain to keep the shape symmetrical so that all three, pieces are exactly alike. The bend in the center of each strip should fit nicely over the shaft. This result is most easily reached by bending the strips over a knitting-needle and then bending them back the required amount.

FIG. 32.—Showing how the Field Coils are Wound.
FIG. 32.—Showing how the Field Coils are Wound.

The Shaft is a piece of knitting-needle one and seven-eighths of an inch long. Assemble the three strips on the shaft as shown in Figure 21 and bind them temporarily together with a piece of iron wire. Then solder the edges together and remove the wire.

The Commutator Core is formed of a strip of paper, three-eighths of an inch wide and about five inches long, wrapped around the shaft until the diameter of the small cylinder thus formed is three-sixteenths of an inch. The paper strip should be given a coat of shellac on one side and allowed to dry until it becomes sticky before it is wrapped around the shaft. The sticky shellac should be sufficient to hold the paper tightly in position when dry and to form a hard, firm core when dry.

The Winding of the Armature is not difficult. The size of the wire used should be No. 25 or No. 26 B. & S. Gauge, double cotton-covered.

Wrap a strip of paper around each section of the armature so that the wire will be protected from any sharp edges on the tin which might cut through the insulation.

Wind four layers of wire on each section of the armature. Each section should be wound in the same direction as the others. The terminals of the wires should be scraped clean and connected together in the following manner: Connect the outside end of one section to the inside end of the next section. We will presume that the three sections of the armature are lettered "A", "B" and "C." Connect the outside end of "A" to the inside of "B"; the outside of "B" to the inside end of "C" and the outside end of "G" to the inside of "A."

The portion of the wires forming the connections between the three armature coils are used to form the three sections of the commutator.

Bend the wires so that they will fit closely to the paper core and bind them tightly into position with silk thread.

Two Bearings are required to support the armature. They are cut out of sheet iron or brass and are shown in detail in Figure 12. Extra care should be exercised in making the bearings to insure their accuracy so that the armature will be in the proper position when the motor is assembled and run freely.

Two small washers or wire rings, to serve as collars and keep the armature in the center of the field, should be soldered to the shaft as shown in Figure 22.

The Base is a square block of wood, two and one-half inches wide, two and one-half inches long and three-eighths of an inch thick.

The completed Manchester motor is shown in Figure 29. The brushes are made by flattening the ends of two pieces of copper wire. Each brush is fastened under a small clamp made from a strip of tin held down at each end by a small round-headed wood screw.

Be sure that the armature is exactly in the center of the field, does not scrape at any point and turns perfectly freely.

The armature and the field windings should be connected in series. The terminals of the field marked "B" in Figure 32 should be connected to the brush clamp marked "C" in Figure 29. The terminal of the field marked "C" in Figure 32 forms one terminal of the motor. The other is the brush clamp "A."

Oil the bearings of the motor, adjust the brushes and it will be ready to run.

CHAPTER III. A Magnetic Attraction Motor. A Motor Having a Laminated Field and Armature Frame. How to Make an Experimental Induction Motor. How to Make an Electric Engine.

A MAGNETIC ATTRACTION MOTOR.

This motor differs from those which have already been described, in that no wire is wound on the armature.

The Field Coils consist of two electro-magnets wound upon iron cores one and one-eighth inches long and five-sixteenths inches in diameter. Each core is fitted with two fibre heads, one-sixteenth of an inch thick and seven-eighths of an inch in diameter so as to form a bobbin as shown in Figure 33. The bobbins are wound with No. 22 B. & S. Gauge single cotton-covered magnet wire. The magnets are connected in series so that the current flows through them in opposite directions.

FIG. 33.—Details of the Magnet Bobbins.
FIG. 33.—Details of the Magnet Bobbins.

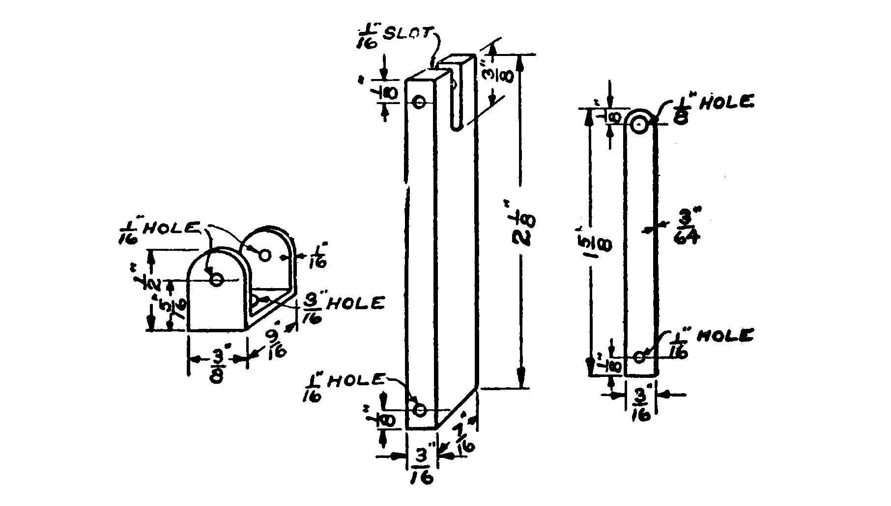
The Armature is a strip of soft iron one and three-quarters inches long, three-eighths of an inch wide and three thirty-seconds thick. A one-eighth inch hole bored through the center of the armature and the latter forced upon a shaft one and seven-eighths inches long.

The lower end of the shaft is pointed and rests in a small hole in the magnet yoke, half way between the two coils.

The magnet-yoke is a strip of soft Iron or steel two and one-half inches long, seven-eighths inches wide and one-eighth of an inch thick.

FIG. 34.—The completed Electromagnets mounted on the Yoke.
FIG. 34.—The completed Electromagnets mounted on the Yoke.

The magnets are mounted on a wooden base, five inches long, three inches wide and three-eighths of an inch thick, by means of two 8-32 machine screws which pass upward from the bottom of the base into the bottom of the magnets. The yoke is placed under the' magnets, between them and the base. The screws pass through two holes, one and one-eighth inches apart.

The armature is supported in position over the electromagnets by means of a standard bent out of a strip of sheet brass. The details of the standard are shown in Figure 36. The standard is fastened to the base by means of two small wood screws.

FIG. 35.—Details of the Armature Shaft.
FIG. 35.—Details of the Armature Shaft.

The armature should just clear the top of the electromagnets when the lower end of the shaft is resting in the socket in the yoke. The shaft should be perfectly vertical and revolve freely without friction.

The lower end of the shaft carries a small brass contact which is forced into position. The exact shape and dimensions of this contact are shown in Figure 37. The holes through the center should be slightly smaller than the diameter of the shaft, so that when the contact is forced into position it will remain secure and not move.

The Brush which bears against the contact is illustrated in Figure 38. This is cut out of spring copper or brass and made according to the shape and dimensions shown in the illustration. The brush is fastened to the base by means of a round-headed brass wood screw.

The proper method of assembling the motor and its appearance when finished are best understood from the illustration in Figure 39.

FIG. 36.—Details of the Standard which forms the upper bearings.
FIG. 36.—Details of the Standard which forms the upper bearings.

The Binding Posts consist of machine screws provided with hexagonal nuts and thumb screws, such as that supplied on dry batteries. One binding post passes through the end of the brush and connects with it. The other binding post is mounted at the left hand forward corner of the base. One terminal of the electromagnets leads to this binding post. The other terminal is placed under the head of one of the screws which hold the standard to the base.

FIG. 37.—The Brass Contact.
FIG. 37.—The Brass Contact.

The contact and the brush will have to be most carefully adjusted before the motor will run. The tip of the contact should make contact with the brush just before the armature starts to swing over the electromagnets and break the circuit just as the armature is actually over. The exact position will have to be found by a little experimenting. It is very necessary that the brush should be so adjusted that it only touches the ends of the contact as it swings around.

FIG. 38.—The Brush which bears against the Contact.
FIG. 38.—The Brush which bears against the Contact.
FIG. 39.—The completed Magnetic Attraction Motor.
FIG. 39.—The completed Magnetic Attraction Motor.

The operation of the motor is very simple. When a battery is connected to the binding posts the circuit is not complete so that the coils are magnetized and can attract the armature until the contact touches the brush. When the contact and the brush touch, however, the circuit is completed and the armature will be drawn toward the electromagnets. As soon as it reaches a position over the ends of the cores, the circuit should be broken so that the momentum will carry the armature past and around into such position that the opposite end of the contact touches the brush and the operation is repeated.

A magnetic attraction motor of this type will usually have to be started by giving the shaft a twist with the fingers.

HOW TO CONSTRUCT A MOTOR HAVING A LAMINATED ARMATURE AND FIELD FRAME

It is an easy matter to make a strong electric motor suitable to operate on batteries by the exercise of a little careful workmanship.

FIG. 40.—The completed Electric Motor.
FIG. 40.—The completed Electric Motor.

The field frame and armature of the motor shown in Figure 40 are laminated, that is, built up of separate sheets of iron. They may be made out of sheet tin or ordinary stove pipe iron. The cheapest and simplest method of securing good flat material is to get some old scrap from a tinner’s or plumbing shop.

The Details of the Field are shown in Figure 41. The exact shape and dimensions can be understood by reference to the illustration. Lay out one lamination very carefully as a pattern. Cut it out and smooth up the edges, making certain that it is perfectly true to size and shape. Then use it as a template to lay out the other laminations by placing it on the metal and scribing a line around the edges with a sharp pointed needle. Enough laminations should be cut out to make a pile five-eighths of an inch high when tightly pressed together.

FIG. 41.—Details of the Field Frame.
FIG. 41.—Details of the Field Frame.

The Armature is made in exactly the same manner as the field frame, that is, by cutting out a pattern according to the shape and dimensions shown in Figure 43 and using it as a template to lay out the other laminations. Enough should be cut to make a pile five-eighths of an inch high when tightly squeezed together.

The armature is one and three-sixteenths inches in diameter. The hole in the field frame which accommodates the armature is one inch and one-quarter in diameter so that there is a space in between for the armature to revolve in.

The hole through the center for the shaft should be of such diameter that the laminations will force very tightly on a shaft one-eighth of an inch in diameter. The laminations should be very carefully flattened and then forced over the steel shaft which is two and one-eighth inches long. Clean up all the rough edges with a file and smooth the outside so that it will revolve properly in the field without scraping.

Figure 44 illustrates the armature assembled on the shaft and ready to be wound.

The Armature Windings consist of four layers of No. 22 B. & S. Gauge double cotton covered magnet wire wound around each leg. The iron should be very carefully insulated with shellaced paper before the wire is put in position so that there will not be any danger of short circuit due to the sharp edges of the metal cutting through the insulation. Each leg should contain the same number of turns of wire and all should be wound in the same direction.

FIG. 42.—The Assembled Field ready for Winding.
FIG. 42.—The Assembled Field ready for Winding.

The Commutator is illustrated in Figure 45. It consists of a piece of brass tubing seven-sixteenths of an inch long, five-sixteenths inside and three-eighths of an inch outside. It should be forced onto a piece of fibre five-sixteenths of an inch in diameter and seven-sixteenths of an inch long. Split the tube, into three equal parts by dividing it longitudinally with a hacksaw. Make a fibre ring which will force onto the tube very tightly when it is in position on the fibre core and so hold the three commutator sections firmly in position. The sections should be arranged so that there is a small space between each two and they are perfectly insulated from each other. The fibre core should have a one-eighth inch hole through the center so that it may be forced tightly onto the shaft and up against the armature after the windings are in position. The commutator should be in such a position that the split between each two sections comes directly opposite the centre of each winding. Suppose that the windings are lettered "A", "B", and "C", the commutator section between "A" and "B" is numbered 1, that between "A" and "C" is No. 2, and the one between "C" and "B" is No. 3. Then the inside terminal of "B" is connected to the outside terminal of "A" and soldered to the end of commutator section No. 1 close to the winding. The inside end of "B" is connected to the outside terminal of "C" and to commutator section No. 2. The inside end of winding "C" is connected to the outside of "B" and to commutator section No. 3. The connection of the armature windings to the commutator are represented by the diagram in Figure 45.

FIG. 43.—Details of the Armature Laminations.
FIG. 43.—Details of the Armature Laminations.

The Field Winding consists of five layers of No. 18 B. & S. double cotton covered wire. A much neater job may be made of this part of the work if two fibre heads are cut to slip over the field and support the ends of the winding as shown in the illustration in Figure 40.

FIG. 44.—The Armature assembled on the Shaft ready to Wind.
FIG. 44.—The Armature assembled on the Shaft ready to Wind.

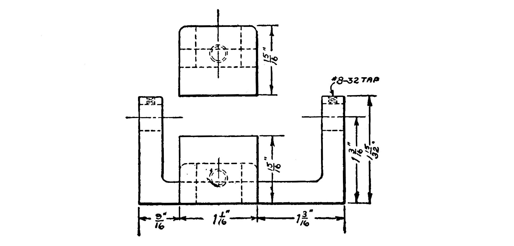
The Bearings are illustrated in Figure 46. They are made out of three-eighths inch brass strip one-sixteenth of an inch thick by bending and drilling as shown in the illustration. The location of the holes is best understood from the drawing. The larger bearing is assembled on the field at the side towards the commutator.

Assembling the motor is a comparatively easy matter if it is done properly and carefully. The bearings are mounted on the field frame by screws passing through the holes "B" and "B" into a nut on the outside of the bearing at the opposite side of the field.

The armature should revolve freely without binding and without any danger of scraping against the field. Slip some small fibre washers over the ends of the shaft between the armature and the bearings so as to take up all end play.

The Brushes are made of spring copper according to the shape and dimensions shown in Figure 47. They can be cut out with a pair of snips.

Each brush is mounted on a small fibre block supported on the large motor bearing. The holes marked "A" and "C" in the illustration should be threaded with a 4-36 tap. The hole "B" should be made one-eighth of an inch in diameter and drilled all the way through the block.

The holes, "A" and "C" are used to fasten the blocks to the bearing. The brushes are fastened to the blocks by means of a 6-32 screw with a nut on the lower end.

The Base is a rectangular block, three inches wide, three and one-half inches long and three-eighths of an inch thick. The motor is fastened to the base by four small right angled brackets bent out of strip brass and secured to the field frame by two machine screws passing through the holes, "H" and "H", into a nut at the opposite end.

FIG. 45—The Commutator and Method of connecting the Armature Coils.
FIG. 45—The Commutator and Method of connecting the Armature Coils.

One terminal of the field winding is connected to a binding post mounted on the base. The other terminal of the field is connected to the right hand brush. The end of the wire should be placed under the head of the screw which holds the brush to the fibre block. The brush should be on the under side of the block so that it bears against the under side of the commutator.

FIG. 46.—The Bearings.
FIG. 46.—The Bearings.

The left hand brush bears against the upper side of the commutator and is connected to a second binding post on the base of the motor. This makes it a "series" motor, that is, the armature and the field are connected in series.

FIG. 47.—Brush and Supporting Block.
FIG. 47.—Brush and Supporting Block.

The motor is now ready to run. Put a drop of oil on each bearing and make certain that the curved portion of the brushes bear firmly against the centre of the commutator on opposite sides. The armature having three poles, should start without assistance and run at high speed as soon as the current-is applied. Two cells of dry or other battery should be sufficient. The motor may be fitted with a small pulley so that its power may be utilized for driving small models.

HOW TO MAKE AN EXPERIMENTAL INDUCTION MOTOR.

A motor having a three-pole armature will run on alternating current as well as on direct current and can be operated on the 110 volt A. C. current in series with a suitable resistance. The average experimenter is probably aware of this but did you know that it can also be operated on alternating current as an induction motor and that it will then run without brushes and without current being led into the armature?

In order to make an induction motor out of an ordinary three-pole battery motor such as that shown in Figure 48 it is merely necessary to remove the brushes and bind a piece of bare copper wire around the commutator so that it short circuits the segments.

The alternating current should be led into the field coil. A step down transformer will prove very useful for producing a low voltage alternating current which may be connected directly to the field coil. If a transformer is not available, the 110 v. alternating current can be used, provided that a proper resistance such as a lamp bank, be placed in series with the motor.

If the current is turned on and the armature is then speeded up by giving it a couple of sharp twists, or winding a string around the shaft and then pulling it as one would spin a top, the motor will continue to revolve at a good rate of speed.

FIG. 48.—A well known Three-pole Battery Motor.
FIG. 48.—A well known Three-pole Battery Motor.

It may prove easier to start the motor if the armature is speeded up before the current is turned on. As soon as a good speed is reached, turn on the current and the armature should continue to run.

Commercial induction motors are self starting, and are provided with a hollow armature, which contains a centrifugal governor. When the motor is at rest or starting, four brushes press against the commutator and divide the armature coils into four groups. After the motor has attained the proper speed the governor is thrown out by centrifugal force and pushes the brushes away from the commutator. At the same time a metal ring is pressed against the interior of the commutator, short circuiting all the sections and making each coil a complete circuit of itself.

It would be very difficult to provide a small three-pole toy motor with such a governor and short-circuiting device in order to make it self-starting.

It is however possible to accomplish this in another way, by a very simple device.

This consists in providing the armature with another set of coils for use in starting only. The brushes are allowed to remain on the motor but are only used for starting. The leads of the armature winding are removed from the commutator and are all connected together. Then two or three layers of wire are wound over the coils to form new coils which are similar to the old ones but smaller.

FIG. 49.—Showing how a Three-pole Motor may be provided with "Starting Coils" and connected to form an Experimental Induction Motor.
FIG. 49.—Showing how a Three-pole Motor may be provided with "Starting Coils" and connected to form an Experimental Induction Motor.

These new coils are connected to the commutator in the same way as the old ones were before being removed, just as if the motor was to be used in the ordinary manner.

A two-point switch will be necessary in order to complete the arrangements. The connections should be made as in Figure 49. The switch should be thrown to the right, on contact A, for starting so that the current flows through the field and through the extra coils on the armature in the ordinary way. As soon as the motor has reached its speed, throw the switch to the left so that the current flows through the field only and the motor will continue to run by induction.

HOW TO BUILD AN ELECTRIC ENGINE

An electric engine is really a form of electric motor but differs from the most common form of the latter in that the armature, instead of revolving, oscillates back and forth, like the piston of a steam or gasoline engine. Electric engines are not as efficient as electric motors from the standpoint of the amount of power delivered in proportion to the current used, but they make very interesting models and the young experimenter will derive fully as much pleasure in constructing one as from the construction of an electric motor.

FIG. 50.—The completed Engine.
FIG. 50.—The completed Engine.

Various forms of electric engines were made before the first practical electric motor was invented. They amounted to little more than curiosities however, and could only be used where the expense of electric current was not to be regarded.

The engine illustrated in Figure 50 is of the double action type. It is provided with two electromagnets arranged so that one pulls the armature forward and the other pulls it back. The motion of the armature is transmitted to the shaft by means of a connecting rod and crank. It is very simple to build and the design is such that it will operate equally well whether it is made large or small. If you do not happen to have all the necessary materials to build an engine according to the dimensions shown in the drawings, you can make it just one-half that size, and it will work equally well although it will, of course, not give as much power.

FIG. 51.—The Base.
FIG. 51.—The Base.

The complete engine is shown in Figure 50. All the various parts have been marked so that you can easily identify them in the other drawings. It is well to study this illustration carefully so that you will understand just how all the parts are arranged.

The Base is illustrated in Figure 51. It is made of a piece of hardwood, seven inches long, three and one-half inches wide, and one-half an inch thick.

The Electromagnets will largely determine the dimensions of the rest of the engine. The magnets shown in Figure 52 are made of three-eighths inch round iron two and one-half inches long, provided with two fibre washers one and one-eighths inches in diameter. On end of each of the steel cores is drilled and tapped to received an 8-32 screw. The experimenter may possibly be able to secure some old magnet cores fitted with fibre heads from an old telephone bell or "ringer" as they are sometimes called. A suitable bolt may be made to serve the purpose by cutting it off to the right dimensions with a hack saw. If a drill and tap are not available for drilling and tapping the end so that the core can be properly mounted in the frame of the engine, it is possible, to use the threaded portion of a bolt to good advantage, by the exercise of a little ingenuity. The hole in the frame should then be made larger so that the end of the bolt will slip through, instead of an 8-32 screw and the core clamped in position by a nut on each side.

The fibre washers are spaced two and one-sixteenth inches apart. The space in between should be wound full of No. 18 B. & S. Gauge cotton covered magnet wire. Before winding in the wire, cover the core with a layer of paper so that the wire does not touch the metal. The ends of the wire should be led out through small holes in the fibre heads.

FIG. 52.—Details showing the size of the Magnet Bobbin.
FIG. 52.—Details showing the size of the Magnet Bobbin.

It is not absolutely necessary to use No. 18 B. &.S. Gauge wire in winding the magnets, but it is the size which will give the best results on the average battery. If you use larger wire, the engine will require more current from the battery. If you use finer wire, a battery of higher voltage will be necessary. The current consumption will, however be less.

The electromagnets are mounted in the frame of the engine by means of two screws passing through the holes E and D. The details of the frame are illustrated in figure 53. It is made of a strip of wrought iron or cold rolled steel, five and five-eighths inches long, an inch and one-eighth wide and one-eighth inch thick.

The material for making this part of the engine and also the bearings can best be obtained at some blacksmith shop or hardware store. Heavy galvanized iron can be used but it is not usually thick enough, and it may be necessary to use two thicknesses. The ends of the strip are rounded and bent at right angles so as to form a U-shaped piece with sides one and three-quarters inches high.

The holes, "D" and "E", should be large enough to pass an 8-32 screw. The holes, "A", "B" and "C" should be about one-eighth of an inch in diameter. They are used to pass the screws which hold the frame of the engine to the wooden base.

FIG. 53.—The Frame which supports the Electromagnets.
FIG. 53.—The Frame which supports the Electromagnets.

The Bearings are shown in Figure 54. They are made U-shaped and are out of a strip of iron or steel in the same manner as the frame of the engine, but are three-quarters of an inch wide instead of an inch and one-eighth. The dimensions will be understood best by referring to the drawing. The 3/32 inch holes near the top of each side are the bearing holes for the end of the shaft.

The one-eighth inch holes just below are used to fasten the brush holder in position. The holes in the bottom serve to fasten the bearings to the base.

FIG. 54.—The Main Bearings.
FIG. 54.—The Main Bearings.

The Shaft will probably prove the most difficult part of the engine to make properly. The details are given in Figure 55. It is made of a piece of one-eighth inch steel rod bent so that a crank is formed in the middle. The crank should be bent so that it has a "throw" of one-half an inch, that is, offset one-quarter of an inch so that the connecting rod moves back and forth a distance of one-half an inch. The finished shaft should be three inches long. The piece of steel used should be longer than this and so that it can be cut off to exact dimensions after the shaft is finished. A second crank should be bent in one end of this so as to form an offset contact for the brushes. This second crank will have to be at right angles to the first one and should be much smaller. The ends of the shaft are turned or filed down to a diameter of three-thirty-seconds of an inch for a distance of about the same amount so that they will fit in the bearing holes and turn freely, but not allow the shaft to slip through. The work of making the shaft will require a small vise, a light hammer, files and a couple of pliers. One pair of pliers should be of the round nosed type and the other a pair of ordinary square jawed side cutters. It may require two or three attempts before a perfect shaft is secured. When finished, it should be perfectly true and turn freely in the bearings. The bearings can be adjusted slightly by bending, so that the shaft will fit in the holes and be free, but yet not loose enough to slip out.

The Armature is a strip of soft iron, two and one-eighth inches long, seven-sixteenths of an inch wide and three-sixteenths of an inch thick. A one-sixteenth inch slot, three-eighths of an inch long is cut in one end. A one-sixteenth inch hole is drilled through from one side to the other, one-eighth of an inch from each end. The hole which passes through the slot is used tu pass the pin which pivots the armature to the connecting rod. The other hole is used to mount the armature in its bearing. The armature bearing is a small edition of the one which is used to support the engine shaft. The details and the dimensions are given in the lower left hand side of Figure 56. The armature is shown in the center of the same illustration. The connecting rod is illustrated at the right. This is made from a strip of three-sixty-fourths inch brass, three sixteenths of an inch wide and one and five-eighths inches long. The one-eighth inch hole should be drilled close to one end and a one-sixteenth inch hole close to the other.

FIG. 55.—The Shaft.
FIG. 55.—The Shaft.

The Brushes are two strips of thin phosphor bronze sheet, two and three-sixteenths inches long and nine thirty-seconds of an inch wide. They are illustrated in Figure 57. The block upon which they are mounted is hard fibre. It is one and five-eighths inches long and three-eighths of an inch square.

It may be possible to secure a flywheel for the engine from some old toy. It should be about three and one-half inches in diameter. A flywheel can be made out of sheet iron or steel by following the suggestion in Figure 58, which shows a wheel cut out of one-eighth inch sheet steel. It is given the appearance of having spokes by boring six three-quarter inch holes through the face as shown. The hole in the center of the wheel should be one-eighth of an inch in diameter. The wheel is slipped over the shaft and fastened in position by soldering.

The parts are now all ready to assemble into the complete engine. Mount the electromagnets in the frame and fasten the frame down to the wooden base so that one end of the frame comes practically flush with the left hand edge of the base. Fasten the bearing across the frame at right angles by a screw passing through the center hole in the bottom of the bearing through the hole A and into the base. The bottom of the bearing should be bent slightly so as to straddle the frame. The bearing should be secured and prevented from turning or twisting by two screws passed through the other two holes in the bottom Use round headed wood screws in mounting the bearing and the frame.

FIG. 56.—Showing the Armature, Armature Bearing and the Connection Rod.
FIG. 56.—Showing the Armature, Armature Bearing and the Connection Rod.

The armature bearing should be mounted on the frame directly between the two electromagnets. Then place the armature in position by slipping a piece of one-sixteenth inch brass rod through the bearing holes and the hole in the lower part of the armature.

Solder the flywheel in position on the shaft and snap the latter into the bearings. Adjust the bearings so that the shaft will turn freely. The connecting rod should be slipped over the shaft before it is placed in the bearings. Fasten the other end of the connecting rod to the armature by means of a piece of one-sixteenth inch brass rod which passed through the small holes bored for that purpose. When the flywheel is spun with the fingers, the armature should move back and forth between the two electromagnets and almost, but not quite, touch the two magnet poles.

FIG. 57.—Details of the Brushes and Brush Holder.
FIG. 57.—Details of the Brushes and Brush Holder.

All the moving parts should be fitted firmly together but be free enough so there is no unnecessary friction and so that the engine will continue to run for a few seconds when the flywheel is spun with the fingers.

The brushes, supported on their fibre blocks, should be mounted on the bearing by means of two screws passing through the holes in the bearing into the block. The position of the brushes should be such that the shaft passes between the two upper ends but does not touch them unless the small "contact" crank mentioned above is in proper position to do so. The proper adjustment of the brushes so that they will make contact with the shaft at the proper moment will largely determine the speed and power which the finished engine will develop.

FIG. 58.—Showing how a Flywheel may be made out of sheet iron.
FIG. 58.—Showing how a Flywheel may be made out of sheet iron.

Two binding posts should be mounted on the right hand end of the base so that the engine can be easily connected to a battery. Connect one terminal of the right hand electromagnet to one of the binding posts. Run the other terminal of the electromagnet to the brush on the opposite side of the shaft. Connect one terminal of the left hand electromagnet to the other binding post and run the other terminal to the brush on the opposite side of the shaft. Save for a few minor adjustments, the engine is now ready to run. Connect two or three cells of dry battery to the two binding posts and turn the flywheel so that it moves from right to left across the top. Just as the crank passes "dead center" and the armature starts to move back away from the left hand magnet, the small contact crank on the shaft should touch the left hand brush and send the current through the right hand magnet. This will draw the armature over to the right. Just before the armature gets all the way over to the right, the contact should break connection with the left hand brush and interrupt the current so that the inertia of the flywheel will cause it to keep moving and the armature to start to move over toward the left hand magnet at which point the contact on the shaft should commence to bear against the right hand brush, thus throwing the left hand magnet into circuit and drawing the armature over to that side. If the brushes and the cranks are in proper relation to each other the engine will continue to repeat this operation and gradually gain speed until it is running at a good rate.

The appearance of the engine can be improved by painting the metal parts black and the flywheel red. The magnets can be wrapped with a piece of bright red cloth to protect the wire against injury and also lend attraction to its appearance in this way.

CHAPTER IV SMALL POWER MOTORS

In order for a motor to develop any appreciable amount of power it must be much larger than any of those which have been described in these pages so far, and must be constructed in a most painstaking manner. It will be necessary to use a great deal more iron in the field and armature and also to make the space between them as small as possible. A motor having a small separation between the field poles and the armature will develop more power than one having a greater separation.

FIG. 59.—A Vertical Battery Power Motor.
FIG. 59.—A Vertical Battery Power Motor.

The most efficient types of small power motors have laminated field and armature frames, that is, they are built up of a large number of thin metal punchings. The amateur experimenter who has limited facilities for carrying out his work would find it difficult to make parts of this sort to good advantage and so the motors described here have been designed with cast iron armatures and field frames.

Those who wish to secure a set of castings from their own patterns can possibly save part of the expense if they do not consider the extra labor of first making the patterns.

Two types of motors are described, one vertical and the other horizontal. Both are intended to operate on a battery current of 3-6 volts and if carefully built will deliver a surprising amount of power.

FIG. 60.—Details of the Field Frame of the Vertical Motor.
FIG. 60.—Details of the Field Frame of the Vertical Motor.

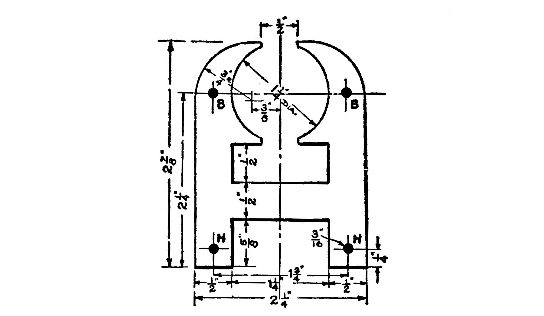
A VERTICAL POWER MOTOR

The Field Frame is shown in detail in Figure 60. The exact shape and dimensions are best understood by a careful examination of the drawing.

The pattern for the field may be made of the same shape and practically the same size as indicated for the finished casting because the "rapping" or jarring which the pattern will receive in the foundry in order to free it from the sand mould will enlarge the mould sufficiently in a casting of small size to make up for any shrinkage which takes place upon the cooling of the iron.

The only exception to this is in the tunnel where the armature rotates. This should measure one and three-quarter inches in diameter when finished and should be slightly smaller in the rough casting so that there is enough material to allow for truing and bringing to equal size.

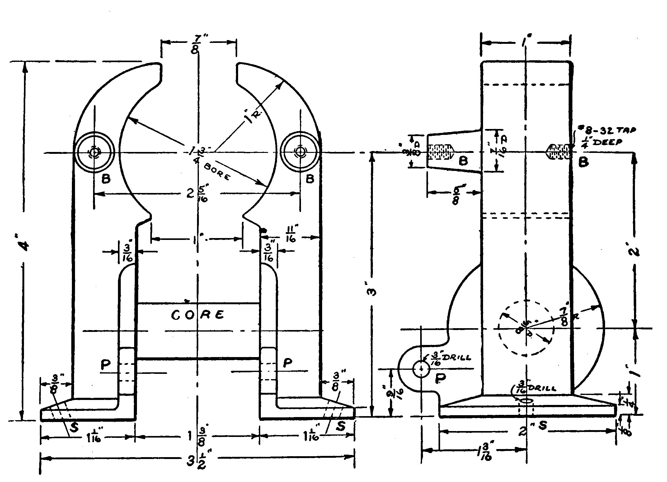
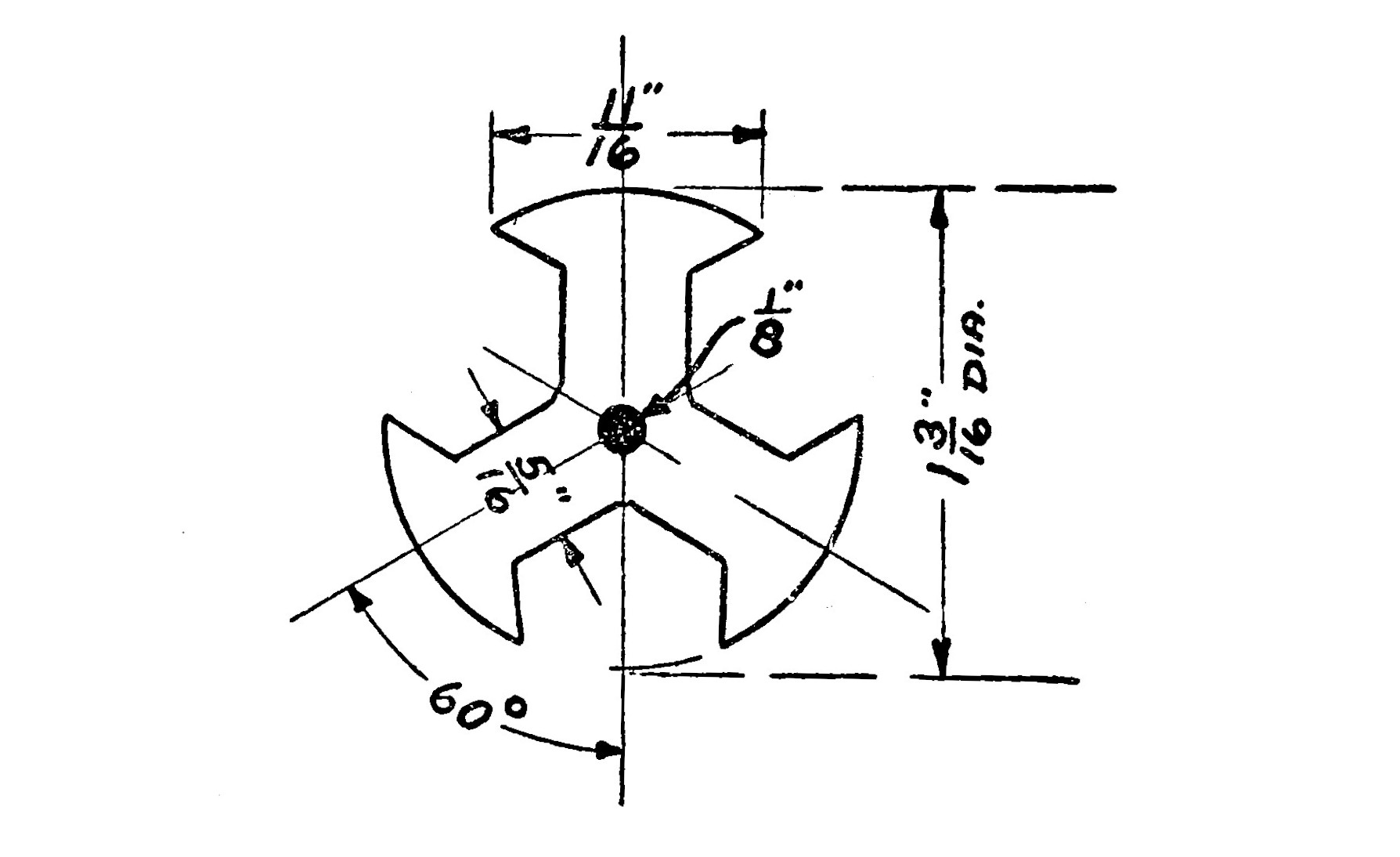
The Armature may be of two types, three pole or six pole. The three-pole armature is the simpler, but the six-pole type is the smoother running and gives the steadier power. The details and dimensions are shown in Figures 61 and 62. One of the armatures should be selected and a pattern built.

FIG. 61.—Three-pole Armature.
FIG. 61.—Three-pole Armature.

After the patterns are finished they should be given a coat of shellac and carefully rubbed with fine sandpaper so that they are perfectly smooth. Otherwise the sand is liable to stick in moulding and produce an imperfect casting.

Castings may be obtained from any foundry which is equipped to make grey iron castings. They should be as soft as possible. The cost will depend upon the quantity which are ordered. If only one set is required, the charge will probably be based upon the time required for making the moulds but if several sets are ordered the price may be based upon the weight.

After the castings have been received from the foundry, the first operation is to carefully remove all rough spots and burrs with a file.

Those who have a lathe or large drill press can easily finish the tunnel by turning or reaming. In the absence of these facilities, hand filing can be made to suffice, if carefully done.

The holes marked "BBBB" should be drilled with a No. 29 drill and tapped 8-32. These holes must be very carefully located because they serve to fasten the bearings. Each hole should be exactly opposite the other, two and five-sixteenth inches apart and on a line passing exactly through the centre of the tunnel.

The holes, "PP" and "SS", are three-sixteenths of an inch in diameter. The former support the Binding Posts and the latter pass the screws which fasten the motor to the wooden base.

FIG. 62.—Six-pole Armature.
FIG. 62.—Six-pole Armature.

The armature, in the case of either the six or three pole type, has a three-sixteenth inch hole drilled along the axis to accommodate a steel shaft of the same diameter.

The armature casting should be accurately turned to a diameter of one and twenty-three thirty-seconds of an inch so that it will revolve in the tunnel without touching the field but still be very close to it.

Two holes bored through one of the pole pieces at right angles to the shaft with a No. 37 drill and threaded with a 6-32 tap will allow the armature to be clamped tightly to the shaft with two headless set screws.

The Field Winding consists of No. 16 double cotton insulated wire. Before the winding is put on, the core should be insulated with one or two layers of shellaced paper. Two circular pieces of shellaced paper should be placed against the flanges at the end of the core, so that the winding space is thoroughly insulated and there is no liability of the wire touching the iron at any point. The wire should be wound in smooth even layers. The winding space is completely filled. The outside layer may be finished by a coat of shellac.

The three-pole armature is much easier to wind than the six pole type. The wire used should be No. 24 B. & S. Gauge, double cotton covered. Before the wire is wound on, cover the winding space with shellaced paper so that the wire will not touch the iron at any point. Each coil should be wound in the same direction as the others starting at the same end and as close as possible to the inside.

FIG. 63.—Showing how the Coils on a Three-pole Armature are connected to the Commutator.
FIG. 63.—Showing how the Coils on a Three-pole Armature are connected to the Commutator.

The outside end of each coil should be connected to the inside of the next coil as shown in Figure 63. The diagram indicates only one layer of wire in each coil for the sake of clearness.

The winding upon the armature shown in Figure 64 is divided into six coils. Each coil consists of as many turns as possible of No. 24 B. & S. Gauge, cotton covered wire to fill the space completely and all coils are wound in the same direction. The illustrations show the various stages of the bindings with the two, four and six coils in place. The winding spaces on the armature should be carefully insulated with shellaced paper before the coils are placed in position.

After the winding has been finished the next step is to make the shaft and commutator. The shaft is a piece of three-sixteenths steel, three and one-quarter inches long. The shaft passes through the centre of the armature and is locked-in position by the two set screws.

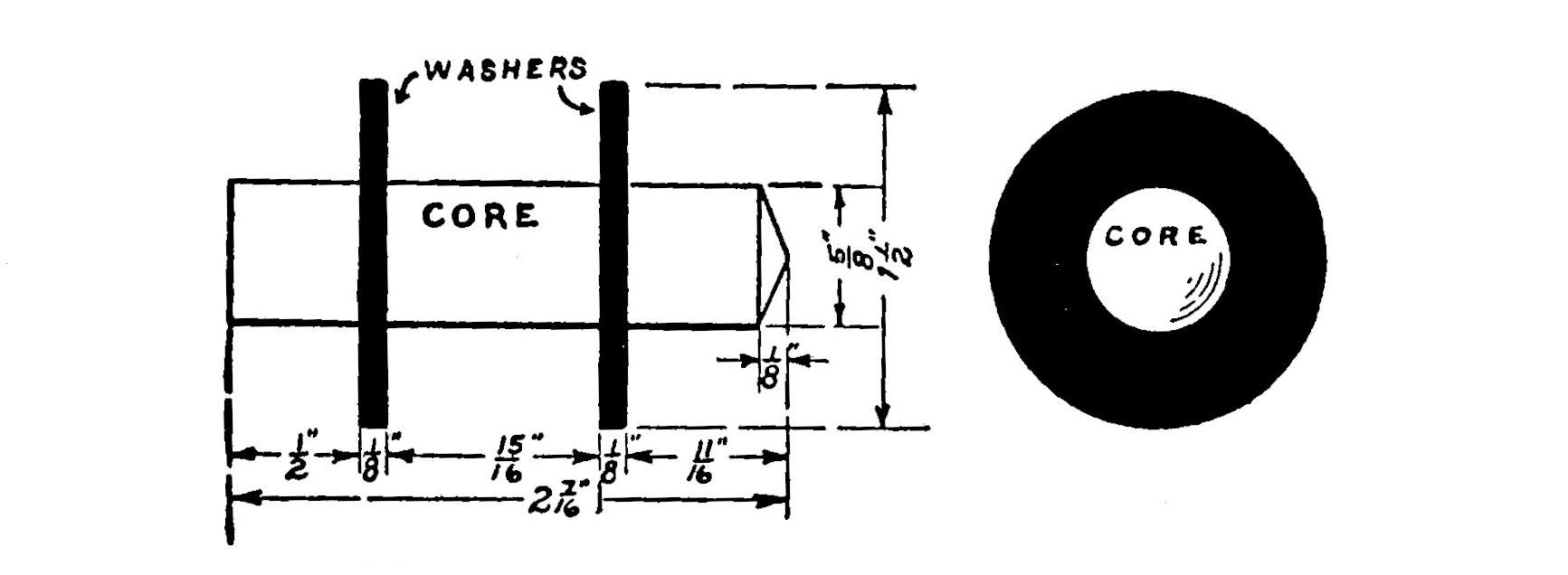
The Commutator is probably one of the most difficult parts of the motor to make. It consists of three circular brass sections insulated from one another on a fibre bushing.

The fibre bushing is a hollow cylinder, five-sixteenths of an inch in diameter and seventeen thirty-seconds of an inch long. The bushing should force tightly on the shaft. The segments are make by turning a piece of three-quarter inch brass rod in a lathe until it is one-half an inch in diameter for a distance of about seven-sixteenths of an inch. A five-sixteenths inch hole should be bored through the center so that it will fit tightly upon the fibre bushing.

FIG. 64.—Showing how the Coils on a Six-pole Armature are arranged and connected.
FIG. 64.—Showing how the Coils on a Six-pole Armature are arranged and connected.

Then cut the brass off one-half inch from the end so that it leaves a flange at one end, three-quarters of an inch in diameter. Saw it lengthwise into three equal parts and mount it upon the fibre bushing with a small strip of mica between each two sections to fill in the space made by the saw cuts. The sections are held together by a fibre ring, three quarters of an inch in diameter outside and one-half an inch in diameter inside. The ring should fit very tightly over the commutator and be forced down flush against the shoulder. After the ring is in position, file any mica which may project out of the slots down even with the surface of the segments and force the commutator onto the shaft with the shoulder against the armature. The commutator must fit very tightly so that there is not any possibility of moving it after it is in position.

FIG. 65.—Details of the Commutator.
FIG. 65.—Details of the Commutator.

The sections should bear a certain relative position to the armature windings. The diagrams in Figures 63 and 64 show the proper position for the three and six pole armature respectively.

The coils are connected to the commutator by soldering the terminals to the shoulder on each segment. This work should be very carefully done so as to insure a neat job and connection of the proper terminal to the proper section.

FIG. 66.—Details of the Bearings, Shaft, and Pulley.
FIG. 66.—Details of the Bearings, Shaft, and Pulley.

CONNECTIONS FOR THE THREE POLE ARMATURE

The inside terminal of coil A and the outside terminal of coil B should be connected to Section 1, the inside terminal of coil B and the outside terminal of coil C should be connected to Section 3, the inside terminal of coil C, and the outside terminal of coil A should be connected to Section 2.

CONNECTIONS FOR THE SIX-POLE ARMATURE

The inside terminal of coil A and the inside terminal of coil B should be connected to section 2, the outside terminal of coil C and the outside terminal of coil D should be connected to Section 3, the outside terminal of coil E and the outside terminal of coil F should be connected to Section 1, the outside terminal of coil A and the inside terminal of coil C should be connected to Section 1, the inside terminal of coil D and the inside terminal of coil E should be connected to Section 2, the inside terminal of coil F and the outside terminal of coil D should be connected to Section 3.

FIG. 67.—The Brushes and Brush Holder.
FIG. 67.—The Brushes and Brush Holder.

The wires leading from the coils to the commutator should be just as short as it is possible to make them and after being soldered should be bound down tightly with linen thread or string.

The bearings are both cast from brass. The details are shown in Figure 66 It will be necessary to make up wooden patterns and send them to a foundry. The location of the holes can be ascertained from the illustration.

FIG. 68.—Details of the Field Frame for the Horizontal Power Motor.
FIG. 68.—Details of the Field Frame for the Horizontal Power Motor.

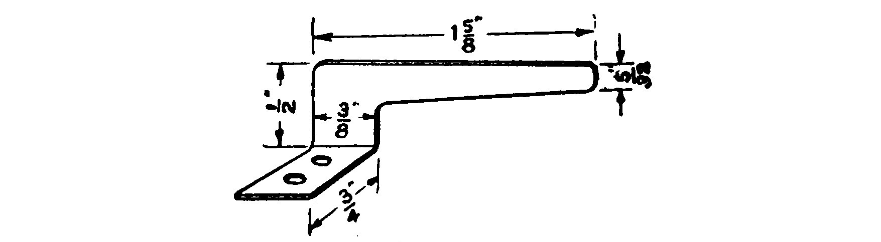
Each of the brushes consists of a piece of strip copper, one-quarter of an inch wide and one and three-eighths inches long mounted in a brush holder made of one-quarter inch brass rod. The brush holder is one inch long and is turned down to a diameter of one-eighth of an inch at one end for a distance of nine-sixteenths of an inch and then threaded with a 6-32 die. The opposite end is slotted to receive the brush. The threaded portion of the holder is slipped through the holes, "B and B", in the bearing and prevented from making contact with the latter by a fibre bushing.

FIG. 69.—Front view of the Field Frame.
FIG. 69.—Front view of the Field Frame.
FIG. 70.—The Field Magnet Bobbin.
FIG. 70.—The Field Magnet Bobbin.

A fibre washer should also be slipped over the holder on each side of the bearing. Two hexagonal nuts are placed on the threaded stem. One serves to clamp the holder in position and the other to hold the wire used to make connection with the brush. The right hand brush should bear against the under side of the commutator and the left hand brush against the upper side.

After the armature has been assembled in the bearings and mounted on the field frame it should revolve freely without friction and without any possibility of its striking against the field poles.

The binding posts are mounted in the holes, "PP" in the lower parts of the field frame. They are insulated by two fibre or paper busings. The left hand binding post is connected to the inside terminal of the field winding. The outside terminal of the field winding is connected to the left hand binding post. The right hand binding post is connected to the right hand brush.

The base of the motor is a wooden block of suitable size.

FIG. 71.—Details of the Shaft, Rocker Arm, Bearing and Pulley.
FIG. 71.—Details of the Shaft, Rocker Arm, Bearing and Pulley.

The motor is of the series type because all the current flows through both the field and armature. A current of 2 to 6 volts will operate the motor. The pulley or gear required in order that the motor may be used as a source of power will depend upon the work for which the motor is to be employed. A small grooved pulley such as as that shown in Figure 63 may be fastened to the shaft with a set screw and will prove most useful for general purposes.

A HORIZONTAL POWER MOTOR.

The horizontal motor does not differ very materially from the vertical one just described.

The field frame is, however, made in two pieces, and the bearings are cast directly on the frame. The details and dimensions are given in Figures 68, 69 and 70.

FIG. 72.—Rear view of the completed Horizontal Motor.
FIG. 72.—Rear view of the completed Horizontal Motor.

The field winding consists of six layers of No. 18 B. & S. Gauge double cotton-covered wire wound on a spool or bobbin.

The core of the bobbin consists of a piece of five-eighths round steel or iron rod, two and seven-sixteenths inches long. Two circular fibre heads, one-eighth of an inch thick and one and one-half inches in diameter are mounted on the core one-half an inch from one end and fifteen-sixteenths of an inch apart. The ends of the core are set in the holes, "C, C," in the two parts of the field frame and held in position by two set screws threading into the holes "S" and "S."

Either the three-pole or the six-pole armature may be used. The commutator and brushes are identical with those used in the vertical type of motor.

The shaft is three-sixteenths of an inch in diameter and four inches long. The brushes are mounted upon a brush arm which is shown in detail in Figure 63. This is made of three-sixteenths inch sheet brass. The brushes must be insulated from the arm by fibre washers and bushings in the same manner as they were from the bearings on the vertical motor.

FIG. 73.—Side view of the Horizontal Motor.
FIG. 73.—Side view of the Horizontal Motor.

The holes in the bearings on the field frame are drilled out three-eighths of an inch in diameter and then brushed with a piece of three-eighths inch brass rod five-sixteenths of an inch in diameter having a three-sixteenths inch hole through the center.

Any of the Following

Practical Books

will be sent At Once, Post-paid on receipt of price.

There is very little danger of losing currency in a letter if the following directions are observed:

Cut a circular hole the diameter of

the coin in a piece of cardboard, of

sufficient size to fit closely in the

envelope. The cardboard should

be no thicker than the coin.

Insert the coin in the hole and paste

a piece of paper on both sides of

the cardboard to prevent the coin

from falling out.

COLE & MORGAN

Publishers of the Arts and Sciences Series

P.O. Box 473, City Hall Station New York, N. Y.

Experimental Wireless Construction

EIGHTY-SIX PAGES NINETY-THREE ILLUSTRATIONS

Only 30 Cents, Postpaid

Book Cover Experimental Wireless Construction

Here at last is the book which every young experimenter interested in constructing his own wireless apparatus has been looking for.

A book which tells how to build apparatus which anyone would be proud to own. It is a more advanced book than "Wireless Construction and Installation for Beginners," and describes apparatus which is much more elaborate and sensitive. The instruments have all been the subject of considerable experimental work and study. All the apparatus has been put to practical test and carefully improved by clever experts. By purchasing this book you get the benefit of vast knowledge and experience and are enabled to build far better instruments than by following your own designs and haphazard methods.

Partial Contents

Chapter I.—THE AERIAL. Chapter II.—SPARK COILS. Chapter III.—TRANSMITTING APPARATUS AND ITS CONSTRUCTION. Chapter IV.—THE RECEIVING APPARATUS AND ITS CONSTRUCTION. Chapter V.—ARRANGEMENT AND OPERATION OF THE APPARATUS. COMPLETE DETAILS ARE GIVEN WITH WORKING DRAWINGS.

Sent anywhere postpaid for 30 Cents

The Boy Electrician

Practical Plans for Electrical Toys and Apparatus, with an Explanation

of the Principles of Everyday Electricity.

By ALFRED P. MORGAN.

Author of "Wireless Telegraph Construction for Amateurs" and "Wireless

Telegraphy and Telephony," etc.

With full-page Illustrations and 324 Working Drawings and Diagrams

by the author. 8vo., Cloth, Net Price, $2.25.

Book Cover The Boy Electrician

This is the age of electricity. The most fascinating of all books for a boy must therefore be one dealing with the mystery of this ancient force and modern wonder, even a mere list of whose services is impossible. The best qualified of experts to instruct boys, Alfred P. Morgan, has in a book far superior to any other of its kind told not only how to make all kinds of motors, telegraphs, telephones, batteries, etc., and to do so economically, but has explained the principles upon which these depend for operation, and how the same thing is done in the every-day world be well presented and so attractive is this really great book that it will be an education for any bright boy to have it, as well as the best kind of a moral safeguard, by leaving no time or thought for evil, and a means of future benefit beyond the power of any one to reckon. Glancing over the pages of this book, one cannot but be impressed by the excellent illustrations, clearness of expression and the large number of subjects that are covered. It is beyond doubt the best book in this line that has ever been written or published. It is a book that will delight every boy who has a leaning towards electrical experiments. The author writes in a clear and chatty style and while he has a thorough technical knowledge of his subject he has succeeded in treating it in a simple manner so that it is readily intelligible to his young readers.

Among the Chapter Headings and Contents are:

Magnets and Magnetism—Static Electricity—Static Electric Machines—Cells and Batteries—Electro-Magnetism and Magnetic Induction—Electrical Units—Electrical Appurtenances—Electrical Measuring Instruments—Bells, Alarms and Annunciators—Electric Telegraphs—Microphones and Telephones—Induction Coils—Transformers—Wireless Telegraphy—Wireless Telephony—Electric Motors—Dynamos—An Electric Railway—Miniature Lighting—Miscellaneous Electrical Apparatus.

READ WHAT HAS BEEN SAID OF IT.

"Even a casual glance through the many pages of the book does not fail to emphasize the fact that Mr. Alfred P. Morgan has indeed succeeded well in giving the juvenile electricians a work that has long been sought."—Popular Electricity.

"We have no hesitation in commending the book to the attention of the juvenile audience for which it is intended."—Boston Post.

"A great book for enterprising boys. Bright boys will highly appreciate it and feel like thanking the wideawake publishers for putting such a reliable and interesting work in the field."—New Haven Journal.

"The book covers the subject of electricity thoroughly in all its phases and is a splendid acquisition to any boy’s library."—Detroit Times.

"In this age of electricity a book like the present one is both fascinating and valuable especially to boys. The book is attractive with its many illustrations and will prove of much educational value for any bright boy."—Zion’s Herald.

"This is an admirably complete and explicit handbook for young boys who fall under the spell of tinkering with electrical apparatus."—Boston Transcript.

"Well presented and attractive this book will be a source of great benefit and delight for any bright boy."—New Orleans Times-Picayune.

Price, $2.25 Postpaid

COUNTLESS OTHER MAGAZINES, NEWSPAPERS AND LIBRARIES HAVE

ENDORSED THIS GREAT BOOK. SEND FOR A COPY NOW.

If you are interested in this great book, write for our 8-page special

descriptive circular.

Wireless Telegraphy and Telephony Simply Explained

By ALFRED P. MORGAN.

A NEW BOOK by the author of "Wireless Telegraph Construction for Amateurs."

Book Cover Wireless Telegraphy and Telephony Simply Explained

This is undoubtedly one of the most complete and comprehensive treatises on the subject ever published, and a close study of its pages will enable one to master all the details of the wireless transmission of messages. The author has tilled a long-felt want and has succeeded in furnishing a lucid, comprehensible explanation in simple language of the theory and practice of wireless telegraphy and telephony. The book treats the subject from an entirely new standpoint. Several very novel and original ideas have been carried out in its making. It is well illustrated by over one hundred and fifty interesting photographs and drawings.. All diagrams have been made’ in perspective showing the instruments as they actually appear in practice. The drawings are carefully keyed and labeled. Many of the photographs are accompanied by phantom drawings which reveal the name and purpose of each part.

It is a book which the wireless experimenter cannot afford to be without. It will prove even more valuable to the layman.

Among the contents are: Introductory. Wireless Transmission and Reception. The Ether. Electrical Oscillations. Electro magnetic Waves. The Means for Radiating and Intercepting Electric Waves. Aerial Systems. Earth Connection. The Transmitting Apparatus. Current Supply. Spark Coils and Transformers. Condensers. Helixes. Spark Gaps. Anchor Gaps. Aerial Switches, Etc. The Receiving Apparatus. Detectors, Etc. Tuning Coils and Loose Couplers. Variable Condensers. Tuning and Coupling. Directive Wave Telegraphy. The Dignity of Wireless. Its Applications and Service. Wireless in the Army and Navy. Wireless on an Aeroplane. How a Message is Sent and Received. The Wireless Telephone. The Ear. How We Hear. Sound and Sound Waves. The Vocal Cords. The Structure of Speech. The Telephone Transmitter and Receiver. The Photophone. The Thermophone. The Selenium Cell.

Handsomely Bound in Cloth with Embossed Cover. (Postpaid, $1.00)

Build Your Own Wireless Instruments

Complete Up-to-the-Minute Authentic Practical

WIRELESS TELEGRAPH CONSTRUCTION FOR AMATEURS

By ALFRED POWELL MORGAN

3d EDITION

220 Pages 163 Illustrations

Book Cover WIRELESS TELEGRAPH CONSTRUCTION FOR AMATEURS

Price, $1.50, Postpaid

Handsomely Bound in Silk Cloth

Thoroughly up to date and unusually complete. Given in minute detail, full directions for constructing wireless apparatus and various outfits capable of receiving from 100 to 1,500 miles and transmitting 3 to 100 miles. Also clearly explains the purpose and action of each instrument.

Directions for Operating and Adjusting, etc.

A SPLENDID TREATISE OF WIRELESS ALONG CONSTRUCTIVE LINES

Price, $1.50, Postpaid

The value of this book has been greatly increased by the addition of much new subject matter and many illustrations of recent interest.

The new text explains fully how to build the most recent forms of Quenched Gaps, Rotary Gaps, Dough-Nut Tuners, Kick-back Preventers, Audion Detectors and numerous other instruments, accompanied by dimensioned working drawings Several very interesting and instructive photographs have been included.

I.—Introduction. II. The Apparatus. III.—Aerials and Earth Connections. IV.—Induction Coils. V.—Interrupters. VI.—Transformers. VII.—Oscillation Condensers and Leyden Jars. VIII.—Spark Gaps or Oscillators. IX.—Transmitting Helixes X.—Keys. XI.—Aerial Switches and Anchor Gaps. XII.—Hot Wire Ammeter. XIII.—Oscillation Detectors. XIV.—Tuning Coils and Tuning Transformers. XV.—Receiving Condensers. XVI.—Telephone Receivers and Headbands. XVII.—Operation. XVIII.—The Amateur and the Wireless Law. How to Secure a License. Oscillation Helix. Quenched Spark Gap. Rotary Gaps. Kick-Back. The Variometer. New Crystal Detectors. The Audion.—Appendix.

ENDORSED BY WIRELESS CLUBS THROUGHOUT THE COUNTRY AS BEING THE MOST PRACTICAL BOOK PUBLISHED ON WIRELESS.

IF YOU ARE INTERESTED IN WIRELESS YOU NEED THIS BOOK

LESSONS IN WIRELESS TELEGRAPHY

(WRITTEN SO THAT YOU CAN UNDERSTAND THEM)

Book Cover Lessons in Wireless Telegraphy

Our new book contains a systematic elementary course in the principles of Wireless Telegraphy and the electrical laws upon which it depends. It contains more reliable and practical information than any other book of its kind.

IF YOU OWN A WIRELESS OUTFIT it will give you a thorough grounding in the principles and care of the efficiency of your apparatus.

IF YOU INTEND PURCHASING OR OPERATING WIRELESS TELEGRAPH APPARATUS you could not desire a more complete or concise explanation of matters it is essential to understand.

IF YOU ARE A LAYMAN the book will prove valuable and interesting. It is something that you can well afford to read for it will give you a clear conception of one of the greatest wonders of the age.

Price, 30 Cents, Postpaid.

The book is divided into thirty lessons, each lesson dealing with a separate subject and following in a logical order so that repetition and possibility of confusion are completely avoided. It is profusely illustrated with perspective drawings and diagrams, each being carefully keyed so that parts may be readily discerned.

It not alone describes the actual workings and construction of the instruments that go to make up a wireless station in sufficient detail to prove of great value to the experienced student but treats the subject in such a manner that even the beginner will have no trouble to clearly grasp the matter.

Among the lists of contents may be mentioned a careful discussion and explanation of such subjects as the "why and the wherefore" of Magnetism, Magnetic Induction, Primary Cells, Storage Batteries, the Dynamo, the Alternator, the Motor Generator, the Induction Coil, the Transformer, the Condenser, Volts, Amperes, Watts, Coulombs, Ohm’s Law, Electric Waves, the Ether, Oscillations, the Aerial, Spark Gaps, Quenched Gaps, Rotary Gaps, Helixes, Coupling, Tuning, Detectors, Tuning Coils, Loose Couplers, Variometers, Condensers, Hot Wire Ammeters, Circuits and Diagrams, etc., etc., etc.

Each subject is discussed in detail and in all its branches. For instance, the lesson dealing with aerials describes vertical aerials, pyramid aerials, flat top aerials, umbrella aerials, loop aerials, etc., and peculiarities or advantages. The lesson on detectors deals with Electrolytic, Perikon, Silicon, Pyron, Carborundum, Magnetic and Audion Detectors, etc. The lesson on the theory and arrangement of circuits will be found invaluable.

THIS IS THE BOOK THAT YOU HAVE BEEN LOOKING FOR.

Home Made Electrical Apparatus

Three of the most popular books ever published, filled with just the sort of information you have been looking for. Each volume is printed on heavy paper and contains 72 pages and over 60 illustrations and working drawings for making every sort of electrical apparatus, all of which has actually been built by the author.

Written so that you can completely understand them.

Book Cover Home Made Electrical Apparatus

VOLUME I, No. 7—80 Pages—66 Illustrations

Chapter I—STATIC ELECTRICAL APPARATUS—Static Electricity. How to Build a Wimshurst Machine. Experiments with Static Electrical Apparatus.

Chapter II—CELLS AND BATTERIES.

Chapter III—HOW TO REDUCE THE 110 VOLT D. C. OR A. C. TO A LOWER VOLTAGE FOR EXPERIMENTAL PURPOSES.

Chapter IV—HOW AN ALTERNATING CURRENT MAY BE CHANGED INTO DIRECT CURRENT BY MEANS OF AN ELECTROLYTIC RECTIFIER.

Chapter V—HOW TO BUILD A STEP-DOWN TRANSFORMER FOR REDUCING THE 110 VOLT A. C. FOR EXPERIMENTAL PURPOSES.

VOLUME II, No. 8—72 Pages—55 Illustrations

Chapter VI—ELECTRICAL MEASURING INSTRUMENTS. Galvanometers, Ammeters, Voltmeters, etc.

Chapter VII—CURRENT CONTROL DEVICES. How to Make a Pole Changing Switch or Current Reverser. How to Reverse Small Motors. Battery Rheostats.

Chapter VIII—HOW TO MAKE A TELEGRAPH KEY AND SOUNDER. How to Install a Telegraph Line and Learn to Operate. Learning the Morse Code.

Chapter IX—HOW TO MAKE AND INSTALL A TELEPHONE.

Chapter X—MEDICAL COILS AND SHOCKING COILS.

Chapter XI—THE CONSTRUCTION OF SPARK COILS. A one-quarter inch Coil, a one-half inch Coil, a one inch Coil. Experiments with Spark Coils.

VOLUME III, No. 9—80 Pages—73 Illustrations

Chapter XII—HOW TO MAKE A DYNAMO-MOTOR.

Chapter XIII—HOW TO MAKE A TOY BATTERY MOTOR.

Chapter XIV—HOW TO BUILD AN ELECTRIC ENGINE.

Chapter XV—MINIATURE BATTERY LAMP LIGHTING.

Chapter XVI—COHERER OUTFITS FOR WIRELESS TELEGRAPHY.

Chapter XVII—HOW TO BUILD A TESLA HIGH FREQUENCY COIL. Experiments with High Frequency Currents.

Chapter XVIII—AN EXPERIMENTAL WIRELESS TELEPHONE.

Chapter XIX—MISCELLANEOUS APPARATUS. Electrolysis of Water. Electro-Plating. Electricity from Heat. A Handy Light. An Experimental Arc Lamp. A Magnetic Diver. Magnetic Fish. A Magnetic Clown. An Electric Breeze. A Static Motor.

Price Postpaid, 30 cents per volume

All three volumes can be supplied bound together with handsome cloth cover for $1.25 postpaid.

Vacuum Tubes in Wireless Communication

By ELMER E. BUCHER

The only Text Book on the market devoted solely to the various applications of the Oscillation Valve.

Book Cover Vacuum Tubes in Wireless Communication

An elementary text book for students, operators, experimenters and engineers. Naval wireless men find this book especially helpful. Tells in understandable language the fundamental operating principle of the vacuum tube. Shows over 100 different circuits for the practical use of the Vacuum Tube as a Detector, Radio or Audio Frequency Amplifier, Regenerative Receiver, Beat Receiver, and Generator of Radio Frequency Currents.

More than 100 diagrams reveal, step by step, in simple and direct form, the uses of the vacuum tube.

Cloth. Size 6 x 9 inches. 202 pages. 159 diagrams and illustrations. Price, $1.75. Postage, 10 cents.

Practical Wireless Telegraphy

By ELMER E. BUCHER

More than 65,000 copies of this book have been sold to date. It is used in practically every school, college, library and training camp in this country.

Book Cover Practical Wireless Telegraphy

Practical Wireless Telegraphy is the recognized standard wireless text book. It furnishes much information of utmost value in regard to the very latest styles of wireless sets now in use.

It is the first wireless text book to treat each topic separately and completely, furnishing a progressive study from first principles to expert practice. Starting with elementary data, it progresses, chapter by chapter, over the entire field of wireless—fundamentals, construction and practical operation.

Size 6 x 9 inches. 352 pages. 340 illustrations. Handsomely bound in full cloth. Price, $1.75. Postage, 10 cents.

Radio Telephony

By ALFRED N. GOLDSMITH, Ph D.

It is the only book treating the subject of Radio Telephony in all its aspects.

Book Cover Radio Telephony

This complete text on radio telephony is intended for radio engineers, operators and experimenters, also radio electricians in the Navy, men in the Signal Corps and especially men in the Aviation Service who handle radio equipment. Students and others who desire to be clearly informed concerning this newest and most interesting branch of electric communication need this book.

It is written in clear style, and pre-supposes very little knowledge of radio. Fully illustrated with wiring diagrams and previously unpublished photographs of "wireless telephone" apparatus.

There are over 400 separate topics listed in a carefully prepared index.

Size 6 x 9 inches. 256 pages. 226 illustrations. Full cloth, stamped in gold. Price, $2.00. Postage, 10 cents.

The Operation of Wireless Telegraph Apparatus

Do your Wireless friends come to you for advice on constructing and operating their apparatus or do you go to them for information?

Book Cover The Operation of Wireless Telegraph Apparatus

Here is a chance for YOU to become the authority.

This book is a necessity to every Progressive Experimenter.

It shows how to obtain the very highest efficiency from any station, and how to comply with the law. How to tune, adjust your detector, spark gap, phones, etc.

Price, 30 Cents, Postpaid.

This book was written for the wireless experimenter who has passed the amateur stage, but explains how the beginner also can obtain the very best results from his station. It contains much useful information to this end and many "kinks".

IT SHOWS HOW to receive or send on long or short wave lengths with highest efficiency, to tune for longest distance reception of messages, to use the buzzer test, how to test and connect condensers, receivers, etc., how to use receiving transformers, variometers, etc., all with highest efficiency in view.

IT ALSO DESCRIBES the construction and use of a simple, inexpensive wave meter to tune the station to any desired wave length, and tells how to obtain a sharp wave and a pure wave.

Model Flying Machines

HOW TO BUILD AND FLY THEM

Will prove interesting and valuable.

Have you ever built and flown a Model Racer?

If not, you have missed something.

Price, 25 Cents, Postpaid.

Book Cover Model Flying Machines

Model Aeroplaning is one of the most fascinating and instructive of sports.

Thousands of young men and boys have formed Model Aero Clubs and organized Flying Contests throughout the country.

"MODEL FLYING MACHINES" of the Arts and Sciences series is the only book giving reliable data and instructions for the construction of practical Model Aeroplanes.

IF YOU ARE A BEGINNER, this is the book that you ought to have. It will start you right. It tells how to build seven different types of machines, starting with the simplest Monoplane and finishing with several Long Distance Racing Models.

IF YOU ARE INTERESTED IN MODEL AEROPLANING, this book will prove the one you have been looking for. Gives valuable "Kinks". Tells how to carve propellers, make winders, adjust and fly machines, etc. Fully illustrated with large size, detailed working drawings, showing the exact size of each part. Twelve full-page plates.

Printed on first-class paper. Heavy cover in three colors.

Sent postpaid by return mail upon receipt of 25 cents.

EVERY MODEL AVIATOR OUGHT TO HAVE A COPY

*** END OF THIS PROJECT GUTENBERG EBOOK HOME-MADE TOY MOTORS ***

A Word from Project Gutenberg

We will update this book if we find any errors.

This book can be found under: https://www.gutenberg.org/ebooks/64046

Creating the works from print editions not protected by U.S. copyright law means that no one owns a United States copyright in these works, so the Foundation (and you!) can copy and distribute it in the United States without permission and without paying copyright royalties. Special rules, set forth in the General Terms of Use part of this license, apply to copying and distributing Project Gutenberg™ electronic works to protect the Project Gutenberg™ concept and trademark. Project Gutenberg is a registered trademark, and may not be used if you charge for the eBooks, unless you receive specific permission. If you do not charge anything for copies of this eBook, complying with the rules is very easy. You may use this eBook for nearly any purpose such as creation of derivative works, reports, performances and research. They may be modified and printed and given away – you may do practically anything in the United States with eBooks not protected by U.S. copyright law. Redistribution is subject to the trademark license, especially commercial redistribution.

The Full Project Gutenberg License

Please read this before you distribute or use this work.

To protect the Project Gutenberg™ mission of promoting the free distribution of electronic works, by using or distributing this work (or any other work associated in any way with the phrase “Project Gutenberg”), you agree to comply with all the terms of the Full Project Gutenberg™ License available with this file or online at https://www.gutenberg.org/license.

Section 1. General Terms of Use & Redistributing Project Gutenberg™ electronic works

1.A. By reading or using any part of this Project Gutenberg™ electronic work, you indicate that you have read, understand, agree to and accept all the terms of this license and intellectual property (trademark/copyright) agreement. If you do not agree to abide by all the terms of this agreement, you must cease using and return or destroy all copies of Project Gutenberg™ electronic works in your possession. If you paid a fee for obtaining a copy of or access to a Project Gutenberg™ electronic work and you do not agree to be bound by the terms of this agreement, you may obtain a refund from the person or entity to whom you paid the fee as set forth in paragraph 1.E.8.

1.B. “Project Gutenberg” is a registered trademark. It may only be used on or associated in any way with an electronic work by people who agree to be bound by the terms of this agreement. There are a few things that you can do with most Project Gutenberg™ electronic works even without complying with the full terms of this agreement. See paragraph 1.C below. There are a lot of things you can do with Project Gutenberg™ electronic works if you follow the terms of this agreement and help preserve free future access to Project Gutenberg™ electronic works. See paragraph 1.E below.

1.C. The Project Gutenberg Literary Archive Foundation (“the Foundation” or PGLAF), owns a compilation copyright in the collection of Project Gutenberg™ electronic works. Nearly all the individual works in the collection are in the public domain in the United States. If an individual work is unprotected by copyright law in the United States and you are located in the United States, we do not claim a right to prevent you from copying, distributing, performing, displaying or creating derivative works based on the work as long as all references to Project Gutenberg are removed. Of course, we hope that you will support the Project Gutenberg™ mission of promoting free access to electronic works by freely sharing Project Gutenberg™ works in compliance with the terms of this agreement for keeping the Project Gutenberg™ name associated with the work. You can easily comply with the terms of this agreement by keeping this work in the same format with its attached full Project Gutenberg™ License when you share it without charge with others.

1.D. The copyright laws of the place where you are located also govern what you can do with this work. Copyright laws in most countries are in a constant state of change. If you are outside the United States, check the laws of your country in addition to the terms of this agreement before downloading, copying, displaying, performing, distributing or creating derivative works based on this work or any other Project Gutenberg™ work. The Foundation makes no representations concerning the copyright status of any work in any country outside the United States.

1.E. Unless you have removed all references to Project Gutenberg:

1.E.1. The following sentence, with active links to, or other immediate access to, the full Project Gutenberg™ License must appear prominently whenever any copy of a Project Gutenberg™ work (any work on which the phrase “Project Gutenberg” appears, or with which the phrase “Project Gutenberg” is associated) is accessed, displayed, performed, viewed, copied or distributed:

This eBook is for the use of anyone anywhere in the United States and most other parts of the world at no cost and with almost no restrictions whatsoever. You may copy it, give it away or re-use it under the terms of the Project Gutenberg License included with this eBook or online at https://www.gutenberg.org . If you are not located in the United States, you'll have to check the laws of the country where you are located before using this ebook.

1.E.2. If an individual Project Gutenberg™ electronic work is derived from texts not protected by U.S. copyright law (does not contain a notice indicating that it is posted with permission of the copyright holder), the work can be copied and distributed to anyone in the United States without paying any fees or charges. If you are redistributing or providing access to a work with the phrase “Project Gutenberg” associated with or appearing on the work, you must comply either with the requirements of paragraphs 1.E.1 through 1.E.7 or obtain permission for the use of the work and the Project Gutenberg™ trademark as set forth in paragraphs 1.E.8 or 1.E.9.

1.E.3. If an individual Project Gutenberg™ electronic work is posted with the permission of the copyright holder, your use and distribution must comply with both paragraphs 1.E.1 through 1.E.7 and any additional terms imposed by the copyright holder. Additional terms will be linked to the Project Gutenberg™ License for all works posted with the permission of the copyright holder found at the beginning of this work.

1.E.4. Do not unlink or detach or remove the full Project Gutenberg™ License terms from this work, or any files containing a part of this work or any other work associated with Project Gutenberg™.

1.E.5. Do not copy, display, perform, distribute or redistribute this electronic work, or any part of this electronic work, without prominently displaying the sentence set forth in paragraph 1.E.1 with active links or immediate access to the full terms of the Project Gutenberg™ License.

1.E.6. You may convert to and distribute this work in any binary, compressed, marked up, nonproprietary or proprietary form, including any word processing or hypertext form. However, if you provide access to or distribute copies of a Project Gutenberg™ work in a format other than “Plain Vanilla ASCII” or other format used in the official version posted on the official Project Gutenberg™ web site (https://www.gutenberg.org), you must, at no additional cost, fee or expense to the user, provide a copy, a means of exporting a copy, or a means of obtaining a copy upon request, of the work in its original “Plain Vanilla ASCII” or other form. Any alternate format must include the full Project Gutenberg™ License as specified in paragraph 1.E.1.

1.E.7. Do not charge a fee for access to, viewing, displaying, performing, copying or distributing any Project Gutenberg™ works unless you comply with paragraph 1.E.8 or 1.E.9.

1.E.8. You may charge a reasonable fee for copies of or providing access to or distributing Project Gutenberg™ electronic works provided that

  • You pay a royalty fee of 20% of the gross profits you derive from the use of Project Gutenberg™ works calculated using the method you already use to calculate your applicable taxes. The fee is owed to the owner of the Project Gutenberg™ trademark, but he has agreed to donate royalties under this paragraph to the Project Gutenberg Literary Archive Foundation. Royalty payments must be paid within 60 days following each date on which you prepare (or are legally required to prepare) your periodic tax returns. Royalty payments should be clearly marked as such and sent to the Project Gutenberg Literary Archive Foundation at the address specified in Section 4, “Information about donations to the Project Gutenberg Literary Archive Foundation.”

  • You provide a full refund of any money paid by a user who notifies you in writing (or by e-mail) within 30 days of receipt that s/he does not agree to the terms of the full Project Gutenberg™ License. You must require such a user to return or destroy all copies of the works possessed in a physical medium and discontinue all use of and all access to other copies of Project Gutenberg™ works.

  • You provide, in accordance with paragraph 1.F.3, a full refund of any money paid for a work or a replacement copy, if a defect in the electronic work is discovered and reported to you within 90 days of receipt of the work.

  • You comply with all other terms of this agreement for free distribution of Project Gutenberg™ works.

1.E.9. If you wish to charge a fee or distribute a Project Gutenberg™ electronic work or group of works on different terms than are set forth in this agreement, you must obtain permission in writing from both the Project Gutenberg Literary Archive Foundation and The Project Gutenberg Trademark LLC, the owner of the Project Gutenberg™ trademark. Contact the Foundation as set forth in Section 3. below.

1.F.

1.F.1. Project Gutenberg volunteers and employees expend considerable effort to identify, do copyright research on, transcribe and proofread works not protected by U.S. copyright law in creating the Project Gutenberg™ collection. Despite these efforts, Project Gutenberg™ electronic works, and the medium on which they may be stored, may contain “Defects,” such as, but not limited to, incomplete, inaccurate or corrupt data, transcription errors, a copyright or other intellectual property infringement, a defective or damaged disk or other medium, a computer virus, or computer codes that damage or cannot be read by your equipment.

1.F.2. LIMITED WARRANTY, DISCLAIMER OF DAMAGES – Except for the “Right of Replacement or Refund” described in paragraph 1.F.3, the Project Gutenberg Literary Archive Foundation, the owner of the Project Gutenberg™ trademark, and any other party distributing a Project Gutenberg™ electronic work under this agreement, disclaim all liability to you for damages, costs and expenses, including legal fees. YOU AGREE THAT YOU HAVE NO REMEDIES FOR NEGLIGENCE, STRICT LIABILITY, BREACH OF WARRANTY OR BREACH OF CONTRACT EXCEPT THOSE PROVIDED IN PARAGRAPH 1.F.3. YOU AGREE THAT THE FOUNDATION, THE TRADEMARK OWNER, AND ANY DISTRIBUTOR UNDER THIS AGREEMENT WILL NOT BE LIABLE TO YOU FOR ACTUAL, DIRECT, INDIRECT, CONSEQUENTIAL, PUNITIVE OR INCIDENTAL DAMAGES EVEN IF YOU GIVE NOTICE OF THE POSSIBILITY OF SUCH DAMAGE.

1.F.3. LIMITED RIGHT OF REPLACEMENT OR REFUND – If you discover a defect in this electronic work within 90 days of receiving it, you can receive a refund of the money (if any) you paid for it by sending a written explanation to the person you received the work from. If you received the work on a physical medium, you must return the medium with your written explanation. The person or entity that provided you with the defective work may elect to provide a replacement copy in lieu of a refund. If you received the work electronically, the person or entity providing it to you may choose to give you a second opportunity to receive the work electronically in lieu of a refund. If the second copy is also defective, you may demand a refund in writing without further opportunities to fix the problem.

1.F.4. Except for the limited right of replacement or refund set forth in paragraph 1.F.3, this work is provided to you ‘AS-IS,’ WITH NO OTHER WARRANTIES OF ANY KIND, EXPRESS OR IMPLIED, INCLUDING BUT NOT LIMITED TO WARRANTIES OF MERCHANTABILITY OR FITNESS FOR ANY PURPOSE.

1.F.5. Some states do not allow disclaimers of certain implied warranties or the exclusion or limitation of certain types of damages. If any disclaimer or limitation set forth in this agreement violates the law of the state applicable to this agreement, the agreement shall be interpreted to make the maximum disclaimer or limitation permitted by the applicable state law. The invalidity or unenforceability of any provision of this agreement shall not void the remaining provisions.

1.F.6. INDEMNITY – You agree to indemnify and hold the Foundation, the trademark owner, any agent or employee of the Foundation, anyone providing copies of Project Gutenberg™ electronic works in accordance with this agreement, and any volunteers associated with the production, promotion and distribution of Project Gutenberg™ electronic works, harmless from all liability, costs and expenses, including legal fees, that arise directly or indirectly from any of the following which you do or cause to occur: (a) distribution of this or any Project Gutenberg™ work, (b) alteration, modification, or additions or deletions to any Project Gutenberg™ work, and (c) any Defect you cause.

Section 2. Information about the Mission of Project Gutenberg™

Project Gutenberg™ is synonymous with the free distribution of electronic works in formats readable by the widest variety of computers including obsolete, old, middle-aged and new computers. It exists because of the efforts of hundreds of volunteers and donations from people in all walks of life.

Volunteers and financial support to provide volunteers with the assistance they need, is critical to reaching Project Gutenberg™'s goals and ensuring that the Project Gutenberg™ collection will remain freely available for generations to come. In 2001, the Project Gutenberg Literary Archive Foundation was created to provide a secure and permanent future for Project Gutenberg™ and future generations. To learn more about the Project Gutenberg Literary Archive Foundation and how your efforts and donations can help, see Sections 3 and 4 and the Foundation web page at http://www.pglaf.org .

Section 3. Information about the Project Gutenberg Literary Archive Foundation

The Project Gutenberg Literary Archive Foundation is a non profit 501(c)(3) educational corporation organized under the laws of the state of Mississippi and granted tax exempt status by the Internal Revenue Service. The Foundation's EIN or federal tax identification number is 64-6221541. Its 501(c)(3) letter is posted at https://www.gutenberg.org/fundraising/pglaf . Contributions to the Project Gutenberg Literary Archive Foundation are tax deductible to the full extent permitted by U.S. federal laws and your state's laws.

The Foundation's principal office is in Fairbanks, Alaska, with the mailing address: PO Box 750175, Fairbanks, AK 99775, but its volunteers and employees are scattered throughout numerous locations. Its business office is located at 809 North 1500 West, Salt Lake City, UT 84116, (801) 596-1887, email business@pglaf.org. Email contact links and up to date contact information can be found at the Foundation's web site and official page at http://www.pglaf.org

For additional contact information:

Dr. Gregory B. Newby
Chief Executive and Director

Section 4. Information about Donations to the Project Gutenberg Literary Archive Foundation

Project Gutenberg™ depends upon and cannot survive without wide spread public support and donations to carry out its mission of increasing the number of public domain and licensed works that can be freely distributed in machine readable form accessible by the widest array of equipment including outdated equipment. Many small donations ($1 to $5,000) are particularly important to maintaining tax exempt status with the IRS.

The Foundation is committed to complying with the laws regulating charities and charitable donations in all 50 states of the United States. Compliance requirements are not uniform and it takes a considerable effort, much paperwork and many fees to meet and keep up with these requirements. We do not solicit donations in locations where we have not received written confirmation of compliance. To SEND DONATIONS or determine the status of compliance for any particular state visit https://www.gutenberg.org/fundraising/donate

While we cannot and do not solicit contributions from states where we have not met the solicitation requirements, we know of no prohibition against accepting unsolicited donations from donors in such states who approach us with offers to donate.

International donations are gratefully accepted, but we cannot make any statements concerning tax treatment of donations received from outside the United States. U.S. laws alone swamp our small staff.

Please check the Project Gutenberg Web pages for current donation methods and addresses. Donations are accepted in a number of other ways including checks, online payments and credit card donations. To donate, please visit: https://www.gutenberg.org/fundraising/donate

Section 5. General Information About Project Gutenberg™ electronic works.

Professor Michael S. Hart is the originator of the Project Gutenberg™ concept of a library of electronic works that could be freely shared with anyone. For thirty years, he produced and distributed Project Gutenberg™ eBooks with only a loose network of volunteer support.

Project Gutenberg™ eBooks are often created from several printed editions, all of which are confirmed as not protected by copyright in the U.S. unless a copyright notice is included. Thus, we do not necessarily keep eBooks in compliance with any particular paper edition.

Each eBook is in a subdirectory of the same number as the eBook's eBook number, often in several formats including plain vanilla ASCII, compressed (zipped), HTML and others.

Corrected editions of our eBooks replace the old file and take over the old filename and etext number. The replaced older file is renamed. Versions based on separate sources are treated as new eBooks receiving new filenames and etext numbers.

Most people start at our Web site which has the main PG search facility:

https://www.gutenberg.org

This Web site includes information about Project Gutenberg™, including how to make donations to the Project Gutenberg Literary Archive Foundation, how to help produce our new eBooks, and how to subscribe to our email newsletter to hear about new eBooks.