Transcriber’s Note:
The cover image was created by the transcriber and is placed in the public domain.
Death from lobar pneumonia, bronchopneumonia and measles, fatal with few exceptions in consequence of complicating pneumonia, constituted in 1916 approximately one-sixth (16.8 per cent) of the mortality in the army,[1] whereas in 1917 the same diseases were responsible for nearly two-thirds (61.7 per cent) of all deaths. During the first half of 1918 the incidence of pneumonia steadily increased and in some army camps there were extensive outbreaks of unusually severe pneumonia.
In July, 1918, the Surgeon General assigned a group of medical officers to the study of the pneumonias prevalent in the army and stationed them at Camp Funston, Kansas. At the base hospital of this camp all cases of pneumonia occurring among troops assembled in the camp were studied, but during the month of August there were few cases of pneumonia and these were of mild type.
Pneumonia which occurred at Camp Funston during August was almost wholly limited to recently recruited colored troops from southern states (Louisiana, Mississippi). There was a low rate of mortality, and few complications. This pneumonia exhibited a noteworthy difference in etiology from that usually seen in civil life, for it was associated with a high incidence of those types of pneumococci which occur in the mouths of healthy men, namely, Pneumococcus atypical II,[2] Type III, and the group of microorganisms represented by Type IV. Pneumococcus Type I was encountered in only a few instances and Type II was not found, although these two microorganisms are responsible for two-thirds of the lobar pneumonia which occurs in civil life.
12During the investigation at Camp Funston the Commission had the courteous cooperation of Major Willard Stone, Director of Medical Service, and received much valuable assistance from Lieutenant A. McGlory, Registrar of the Base Hospital.
A review of the accurately compiled records of the base hospital was made in order to obtain a history of the pneumonias and other respiratory diseases which had occurred throughout the existence of the camp, established in September, 1917. It soon became evident that a disease recognized as influenza had been prevalent throughout this period and its incidence had shown a close parallel with that of acute bronchitis. At the same time there had been much pneumonia and a high death rate from this disease. The chart[3] which was constructed showed that the disease which had been designated influenza assumed epidemic proportions in March, 1918. Any doubt that may have been entertained concerning the nature of the disease is dispelled by the characters of this epidemic which, beginning at the end of February, reached its height on March 12 and rapidly subsided; 1,127 men with influenza entered the base hospital between March 4 and March 29 and many more were treated in the infirmaries of the camp. In April there was a second wave of influenza and in May a third, each in large part limited to newly drafted men brought into the camp shortly before these outbreaks. Corresponding to the epidemic of influenza there was a great increase of pneumonia, reaching a maximum about one week after the height of the incidence of influenza; subsequently the incidence of pneumonia increased after each one of the secondary waves of influenza. Pneumonia following measles occurred throughout the history of the camp; in November and December, 1917, there was a severe outbreak of pneumonia following measles and the mortality was high. Our 13conclusions in regard to the pneumonias which occurred during the history of Camp Funston were as follows:
1. Pneumonia of a relatively stationary camp population, such as that which occurred among white troops during the period of our investigation, was in considerable part caused by Pneumococcus Types I and II and resembled the pneumonia of civil life.
2. Pneumonia of newly drafted colored troops from southern states during the period of our investigation was caused in great part by pneumococci of those types which occur in the mouths of healthy men, namely, Types IV, III and atypical II.
3. Pneumonia caused by influenza occurred after the epidemic of influenza which we have described. The report states: “With the information available it is not possible to draw a sharp line between (1) the pneumonia of the stable camp population, (2) the pneumonia of the newly drafted southern troops, and (3) the pneumonia following influenza. It is possible that influenza, in greater or less degree, also acts as a predisposing factor in the production of the first and second varieties.”
4. Pneumonia with measles was a frequent and unusually fatal type of the disease. The most important causes of pneumonia during the history of the camp were influenza and measles.
Evidence is not lacking that influenza occurred in epidemic form in other widely separated camps in the United States during the spring of 1918. Vaughan and Palmer[4] state that a disease strongly resembling influenza became prevalent in the Oglethorpe camps about March 18, 1918, and continued three weeks; during this time the number sent to hospital or to quarters with this disease was 1,468 in a total strength of 28,586. Pneumonia does not appear to have followed this epidemic.
14Miller and Lusk[5] found the ordinary type of pneumonia prevalent at Camp Dodge, Iowa, until March 18 to 20, 1918, when abruptly the streptococcus type predominated and there was a great increase in the rate of mortality. A mild tracheitis, they state, was widespread in the camp during March.
In March, 1918, one member of our commission saw an outbreak of influenza at Fort Sam Houston which was identical in its clinical characters with the disease which appeared as a pandemic in the fall of 1918.
The report of the Surgeon General[6] for 1919 shows that there was a sharp increase of the incidence of influenza in the army during March, reaching a maximum in April. The rate of influenza for 1,000 troops fell to its original level through May and June and finally rose to a great height in September and October.
Influenza in epidemic form made its appearance in the army camps of the United States during March, 1918. The symptomatology of the disease associated with its peculiar epidemiology as seen at Camp Funston make its recognition unquestionable. The disease had doubtless been present in this camp since its establishment in September, 1917, but did not assume epidemic proportions until the spring of 1919.
Pneumonia followed the epidemics of influenza which occurred in the spring of 1918 and exhibited characters similar to those of the pneumonias which followed the pandemic of September and October, 1918. In both instances the height of the outbreak of pneumonia has been one week after the maximum incidence of influenza.
Influenza became epidemic in Spain about the middle of May and in other countries received the name “Spanish influenza” which is not more applicable than the designation “Russian influenza” often applied to the disease during the pandemic of 1889–90.
15The studies of MacNeal[7] have shown that the first epidemic of influenza in the American Expeditionary Force in France occurred about April 15, 1918, at a rest camp near Bordeaux, reached its height on April 22 and ceased May 5. The disease was of a mild character with few complications. Localized epidemics were reported from various camps and hospitals during May and June, when the disease, MacNeal states, had become widespread in all sections of the American Expeditionary Force in France and in the French and British armies as well. Influenza had become epidemic in the Italian navy in the first two weeks of May. The belief that the disease was introduced from America, the author thinks, is “probably completely disproved by the fact that the epidemic was subsequently introduced into America in August and September and found there a most fertile soil for its spread.” This view is disproved by the demonstration that influenza had appeared as scattered epidemics in the army camps in March, 1918. There is little reason to doubt that influenza in the American Expeditionary Force was brought from America.
At the end of August our commission was transferred from Camp Funston to Camp Pike, where throughout the history of the encampment pneumonia had been so prevalent that it had given the camp the rank of third in death rate from lobar pneumonia and fourth in death rate from bronchopneumonia among 32 camps established in this country. We arrived at Camp Pike September 5 and were stationed at the base hospital. Our work was facilitated by the hearty cooperation of the commanding officer, Major Morton R. Gibbons, who neglected no opportunity to promote the investigation. Our work was cordially aided by Major Carl R. Comstock, Director of the Medical Service, and by Major Henry H. Lissner, who later occupied this position. Work in the laboratory of the hospital received the valuable cooperation of Major Allen J. Smith, Director of 16the Laboratory, who placed at our disposal every facility available. Lieutenant James R. Davis, who was for a time in charge of the laboratory, effectively assisted the work.
The commission consisted of the following officers: E. L. Opie, Colonel, M. R. C.; Allen W. Freeman, Major, M. C.; Francis G. Blake, Major, M. R. C., James C. Small, Lieutenant, M. C. and Thomas M. Rivers, Lieutenant, M. C. Major Freeman acted as epidemiologist and will publish a report upon the epidemiology of influenza and pneumonia at Camp Pike. On October 11 the laboratory car “Lister” in charge of Lieutenant Warren H. Butz was assigned to the commission. Lieutenant Harry D. Bailey was attached to the commission on October 14 and later assisted in its work. Valuable technical assistance was given by Sergeant Charles Behre, by Wm. E. Hoy, detailed from the Army Medical Museum, and by Thomas Payne.
Study of the pathology of the lesions concerned was completed in the Pathological Laboratory of Washington University School of Medicine.
The existence of an epidemic of influenza at Camp Pike was recognized on September 23, when 214 cases of influenza were admitted to the base hospital. Preceding this date and beginning September 1 there had been a gradual increase of the number of patients admitted with the diagnosis of acute bronchitis. It is noteworthy that the demonstration of B. influenzæ had been regarded as essential for a diagnosis of influenza and since this microorganism had not been found, instances of acute inflammation of the respiratory passages with the symptoms of influenza were classified under a variety of names.
After September 23 influenza was recognized by its symptoms. The number of cases increased with great rapidity and on September 27 reached over 1,000 per day; this number was approximately maintained during one week and after October 3 the epidemic gradually subsided. Among 52,551 men in the camp, including those who arrived 17during October, 12,393 were attacked by influenza; of these 1,499 suffered with pneumonia and 466 died. The height of the outbreak of pneumonia followed approximately one week after that of influenza. The statistics from September 20 to October 14 collected by Major Freeman show that pneumonia following influenza, like the pneumonia at Camp Funston during the interepidemic period, has a conspicuous tendency to select men who have been in the camp less than one month, designated in Table I as new recruits:
| Table I | |||||
|---|---|---|---|---|---|
| POPULATION | INFLUENZA | PNEUMONIA | |||
| No. | Per cent. | No. | Per cent. | ||
| Men in camp more than one month | 27,782 | 4,462 | 15.6 | 493 | 1.7 |
| New recruits | 23,769 | 7,263 | 30.6 | 1006 | 4.2 |
| Total | 51,551 | 11,725 | 22.7 | 1499 | 2.9 |
New recruits were nearly two and a half times as susceptible to pneumonia as men who had been in camp more than one month. This statement does not take into consideration differences in the environment and mode of living of the new men.
In view of the existing uncertainty concerning the bacteriology of influenza and its associated pneumonias, the commission has availed itself of the opportunity afforded by the epidemic of influenza to determine what bacteria were present in the nasopharynx and sputum in these diseases. The examinations have been necessarily limited to a small proportion of the immense number of patients admitted to the hospital with influenza and pneumonia. Autopsies on those who have died with pneumonia have offered a more direct means of determining the relation of bacteria to inflammation of the bronchi and lungs. An attempt has been made to classify the pneumonias following influenza and to determine their relation to the complex bacterial flora of the injured respiratory passages. These studies have shown very early the threatening prevalence of streptococcus 18pneumonia, and appropriate measures have been taken to combat the spread of this infection. No better illustration could be furnished to demonstrate the value of routine performance of autopsies as a means for the recognition of obscure epidemic disease.
In view of the wide difference of opinion concerning the pathology of influenzal pneumonia special study has been given to the lesions of the disease, because the epidemic has furnished the unique opportunity of examining all instances of pneumonia accurately referable to an epidemic of influenza attacking a large but definitely defined group of individuals (50,000 troops). In a civil hospital there is often great difficulty in deciding, even in the presence of an epidemic, if death from pneumonia is the result of influenza, but at Camp Pike the relation of the heightened death rate to the epidemic has excluded all save a trivial error in determining the relation of fatal pneumonia to influenza.
At the direction of Col. F. F. Russell, who has promoted the work of the commission by unfailing aid, a special study has been made of the relation of hemolytic streptococcus to the complications of measles.
During the later period of the investigation at Camp Pike experiments were performed on monkeys to determine the pathogenicity of B. influenzæ and of microorganism isolated from the pneumonias following influenza. Typical lobar pneumonia was produced in monkeys by intratracheal injection of pneumococci. These experiments are described in an appendix.
The Surgeon General has approved the publication of this report but the authors alone are responsible for the views expressed.
| CHAPTER I | ||
| PAGE | ||
|---|---|---|
| The Etiology of Influenza. (By Francis G. Blake, M.D.; Thomas M. Rivers, M.D.; James C. Small, M.D.) | 25 | |
| Discussion, 43; Conclusions, 49. | ||
| CHAPTER II | ||
| Clinical Features and Bacteriology of Influenza and Its Associated Purulent Bronchitis and Pneumonia. (By Francis G. Blake, M.D., and Thomas M. Rivers, M.D.) | 51 | |
| Influenza, 52; Purulent Bronchitis, 56; Pneumonia, 59; Hemolytic Streptococcus Pneumonia Following Influenza, 70; Bacillus Influenzæ Pneumonia Following Influenza, 72; Summary, 73; Discussion, 76. | ||
| CHAPTER III | ||
| Secondary Infection in the Ward Treatment of Influenza and Pneumonia. (By Eugene L. Opie, M.D.; Francis G. Blake, M.D.; James C. Small, M.D.; and Thomas M. Rivers, M.D.) | 83 | |
| Secondary Infection with S. Hemolyticus in Pneumonia, 84; Secondary Infection with Pneumococcus in Pneumonia, 91; Secondary Contact Infection in Influenza, 95; Methods for the Prevention of Secondary Contact Infection in Influenza and Pneumonia, 98; Summary, 106. | ||
| CHAPTER IV | ||
| The Pathology and Bacteriology of Pneumonia Following Influenza. (By E. L. Opie, M.D.; F. G. Blake, M.D.; and T. M. Rivers, M.D.) | 107 | |
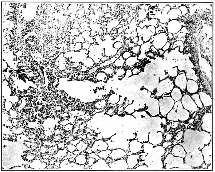
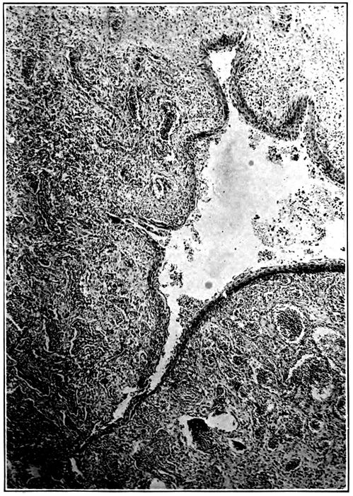
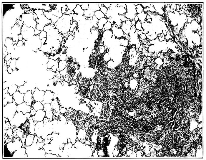
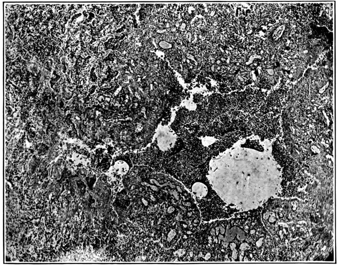
| Bronchitis, 142; Lobar Pneumonia, 154; Bronchopneumonia, 162; Peribronchial Hemorrhage and Pneumonia, 189; Suppurative Pneumonia with Necrosis and Abscess Formation, 199; Interstitial Suppurative Pneumonia, 209; Suppurative Pneumonia with Multiple Clustered Abscesses Caused by Staphylococci, 225; Empyema, Pericarditis and Peritonitis, 232; Bronchiectasis, 239; Unresolved Bronchopneumonia, 261. | ||
| 20CHAPTER V | ||
| Secondary Infection in the Ward Treatment of Measles. (By James C. Small, M.D.) | 282 | |
| Hemolytic Streptococci with Measles at Camp Pike, 297; Complications of Measles, 303; The Dissemination of Hemolytic Streptococci in Wards, 315; Carriers of Hemolytic Streptococci, 321. | ||
| CHAPTER VI | ||
| The Pathology and Bacteriology of Pneumonia Following Measles. (By Eugene L. Opie, M.D.; Francis G. Blake, M.D.; James C. Small, M.D.; and Thomas M. Rivers, M.D.) | 334 | |
| Changes in Bronchi, 336; Lobar Pneumonia, 337; Bronchopneumonia, 340; Suppurative Pneumonia, 347; Pneumonia Associated with Acute Infectious Diseases other than Influenza and Measles, 353. | ||
| CHAPTER VII | ||
| Summary of the Investigation and Conclusions Reached. (By Eugene L. Opie, M.D.) | 359 | |
| Lobar Pneumonia, 362; Bronchopneumonia, 363; Streptococcus Pneumonia, 365; Staphylococcus Pneumonia, 366; Empyema, 366; Bronchiectasis, 367; Unresolved Bronchopneumonia, 368; B. Influenzæ, 369; Pneumococcus, 372; S. Hemolyticus, 374; Nonhemolytic Streptococci, 376; Staphylococci, 377; Pneumonia of Measles, 378; The Transmission of Streptococcus Pneumonia, 381; Transmission of Pneumococcus Pneumonia, 383; Prevention of the Transmission of Pneumonia, 383. | ||
| APPENDIX | ||
| Experimental Inoculation of Monkeys with Bacillus Influenzæ and Microorganisms Isolated from the Pneumonias of Influenza. (By Eugene L. Opie, M.D.; Allen W. Freeman, M.D.; Francis G. Blake, M.D.; James C. Small, M.D.; and Thomas M. Rivers, M.D.) | 387 | |
| Inoculation of the Nose and Pharynx with B. Influenzæ, 389; Introduction of Bacillus Influenzæ into the Trachea, 391; Introduction of B. Influenzæ and S. Hemolyticus into the Trachea, 392; Introduction of B. Influenzæ and of Pneumococcus or of Pneumococcus Alone into the Trachea, 393. | ||
| CHARTS | PAGE | |
|---|---|---|
| 1. | The onset of cases of pneumonia shown by autopsy to be uncomplicated by secondary infection with hemolytic streptococcus and of cases of streptococcus pneumonia | 141 |
| 2. | The date of onset of cases in which autopsy demonstrated lobar pneumonia | 161 |
| 3. | Shows the relation of the epidemic of measles to that of influenza at Camp Pike, and the relations of the pneumonia following measles to both measles and influenza | 293 |
| 4. | Shows the time interval between the onset of measles and the onset of the subsequent pneumonia in the 56 cases of pneumonia following measles at Camp Pike | 306 |
| 5. | Shows the time relation between the identification of hemolytic streptococci in the throats and the development of otitis media in 27 cases shown to be due to hemolytic streptococci | 314 |
| FIG. | ||
| 1. | Acute bronchitis showing engorgement of blood vessels of mucosa and elevation of epithelium by serum and blood | 146 |
| 2. | Acute bronchopneumonia with nodules of peribronchiolar consolidation and purulent bronchitis | 167 |
| 3. | Acute bronchopneumonia with peribronchiolar consolidation | 169 |
| 4. | Acute bronchopneumonia with peribronchiolar consolidation | 170 |
| 5. | Bronchopneumonia with hemorrhagic peribronchiolar consolidation | 174 |
| 6. | Acute bronchopneumonia with confluent gray lobular consolidation in lower part of upper lobe and hemorrhagic peribronchiolar pneumonia in lower lobe; purulent bronchitis | 180 |
| 7. | Bronchopneumonia with purulent bronchitis and peribronchial hemorrhage | 190 |
| 8. | Streptococcus pneumonia with massive necrosis | 201 |
| 9. | Abscess below pleura with perforation caused by hemolytic streptococci | 202 |
| 10. | Interstitial suppurative pneumonia; interstitial septa are the site of suppuration and lymphatics are distended with purulent fluid; empyema | 211 |
| 11. | Suppurative interstitial pneumonia | 212 |
| 12. | Suppurative interstitial pneumonia | 216 |
| 13. | Suppurative interstitial pneumonia showing a dilated lymphatic | 217 |
| 2214. | Endophlebitis occurring in association with suppurative pneumonia | 219 |
| 15. | Abscesses in two clusters caused by S. aureus in upper part of right upper lobe | 227 |
| 16. | Abscesses in cluster caused by S. aureus at apex of right lobe | 228 |
| 17. | Acute bronchiectasis showing fissures penetrating into bronchial wall and at one place entering alveolar tissue | 246 |
| 18. | Acute bronchiectasis showing fissures in the bronchial wall extending into neighboring alveoli which in zone about are filled with fibrin | 247 |
| 19. | Acute bronchiectasis; the bronchial wall indicated by engorged mucosa shows a varying degree of destruction, fissures extending into and through the bronchial wall | 248 |
| 20. | Acute bronchiectasis with destruction of bronchial wall exposing alveoli filled with fibrin | 249 |
| 21. | Bronchiectasis with fissures extending through the bronchial wall into alveolar tissue which is site of fibrinous pneumonia | 251 |
| 22. | Regeneration of epithelium over fissures which have been formed in the wall of a bronchus | 252 |
| 23. | Squamous epithelium growing over the defect in the bronchial wall | 253 |
| 24. | Acute bronchiectasis with fissures extending through bronchial wall which is marked by great engorgement of blood vessels | 255 |
| 25. | Advanced bronchiectasis throughout lower left lobe | 258 |
| 26. | Unresolved bronchopneumonia with tubercle-like nodules of peribronchiolar consolidation best seen in lower lobe; bronchiectasis | 268 |
| 27. | Unresolved pneumonia with peribronchial formation of fibrous tissue; bronchiectasis | 270 |
| 28. | Unresolved pneumonia with bronchiectasis showing new formation of fibrous tissue about a greatly dilated bronchus of which the epithelial lining has been lost | 271 |
| 29. | Lobar pneumonia following measles | 338 |
| 30. | Unresolved bronchopneumonia with measles showing new formation of fibrous tissue about a bronchus and in immediately adjacent alveolar walls | 342 |
| 31. | Unresolved bronchopneumonia with measles showing a nodule of chronic fibrous pneumonia surrounding a respiratory bronchiole | 343 |
| 32. | Unresolved bronchopneumonia with measles showing chronic pneumonia about a respiratory bronchiole and alveolar duct | 344 |
| 33. | Experimental lobar pneumonia in the stage of gray hepatization produced by injection of Pneumococcus III into the trachea of a monkey | 395 |
The bacteriologic investigation which will be described was made at Camp Pike, Arkansas, during the period of the influenza epidemic from September 6 to December 5, 1918. The data presented are limited to observations made during life in uncomplicated cases of influenza and to control studies in normal individuals, and in cases of measles. Bacteriologic studies made at autopsy will be described in a subsequent part of this report.
Because of the wide variations in opinion concerning the relationship of various bacteria to influenza that have arisen during the progress of the recent pandemic, a brief review of the salient features of the earlier literature seems advisable. In 1892 Pfeiffer[8] found a small, Gram-negative, hemophilic bacillus in all cases of influenza, often in almost pure culture, both during life and at autopsy. He stated that the organism was found only in cases of influenza or in those convalescent from the disease. Similar bacilli occasionally found in other conditions he classified as pseudoinfluenza bacilli. He furthermore showed that freshly isolated cultures were pathogenic for monkeys, producing a disease not unlike influenza, though lacking in what he considered 26the characteristic lung lesions. He therefore felt justified in claiming that this bacillus, which he designated B. influenzæ, was the cause of epidemic influenza. Pfeiffer’s work, though hailed by many as unassailable, has failed to stand the test of time in two respects. It has been definitely shown, by Wollstein[9] in particular, that there is no justification for recognizing a group of pseudoinfluenza bacilli, organisms so classified by Pfeiffer being indistinguishable from B. influenzæ. Furthermore, numerous investigations have demonstrated that B. influenzæ may frequently be found in a variety of diseases affecting the respiratory tract and in a small proportion of normal individuals. Kretz[10] found it 47 times in 950 examinations, usually associated with disease of the respiratory tract. Süsswein,[11] Liebscher,[12] Jehle,[13] Wollstein,[9] Davis[14] and many others have demonstrated its presence in cases of measles. Lord[15] isolated B. influenzæ in 30 per cent of 186 sputums from patients with acute and chronic infection of the respiratory tract. Boggs[16] found it in frequent association with chronic bronchiectasis. Wollstein[9][17] showed that it was often present in the respiratory diseases of infants, and was not an infrequent cause of meningitis. Rosenthal[18] found that one in six of normal individuals harbors influenza bacilli and therefore considered it purely a saprophyte, a position, of course, thoroughly untenable in the face of indisputable evidence that it may be highly pathogenic. The widely accepted statement that B. influenzæ is nonpathogenic for animals has apparently served in considerable degree to shake belief in its etiologic relationship to epidemic influenza. It would appear, however, that this opinion is not founded upon fact. Reference is again made 27to the work of Wollstein[19], who has shown that virulent strains of B. influenzæ, when freshly isolated from the human host, are highly pathogenic for rabbits and monkeys and that nearly all strains are more or less pathogenic for mice and guinea-pigs.
None of these modifications of Pfeiffer’s original work, however, would seem to constitute any valid reason for abandoning the conception of the etiologic importance of B. influenzæ. On the contrary, they are quite in harmony with well-established facts concerning other bacteria which cause infections of the respiratory tract. Such bacteria are frequently found in normal individuals leading a saprophytic existence, are often associated with other disease conditions, and tend to show marked variations in virulence.
Since the outbreak of scattered epidemics of influenza beginning in 1915–16, which finally culminated in the pandemic of 1918–19, a vast amount of literature on the subject has appeared. No attempt has been made thoroughly to analyze this, because much of it is not available, much of it abounds in contradictions which it is difficult to harmonize at the present time, and much of it has been written on the basis of insufficient data gathered under the handicap of war conditions by men without sufficient time to undertake special investigation, or it is feared, in many instances, not sufficiently qualified by previous bacteriologic training.
The sum and substance of opinion in 1918 would seem to be best summarized by quoting from the published report compiled by the British Medical Research Commission:[20] “Although Pfeiffer may yet furnish reasons why the verdict should not be pronounced, there is already sufficient material to shake the orthodox conception out of its high altar. Two facts stand out prominently: the generally acknowledged, or by some reluctantly admitted, absence of B. influenzæ from organs on postmortem examinations, and 28the universally recorded findings of diplostreptococci, singly or in association with the Pfeiffer bacillus.” Comment on this opinion will be made in the general discussion at the end of this paper.
In undertaking a study of the bacteriology of influenza, it seemed essential to bear in mind certain clinical features of the disease which will be discussed in greater detail in a subsequent paper. It suffices to say for our present purpose that it is felt that influenza in itself should be regarded as a self-limited disease of short duration (two to five days in most instances), the most prominent local manifestation of which is a rapidly progressing attack upon the mucous membranes of the respiratory tract. Among the cases observed during the epidemic at Camp Pike uncomplicated influenza never proved fatal and death invariably was associated with a complicating pneumonia. In a large majority of cases pneumococci, S. hemolyticus, or less frequently other bacteria in addition to B. influenzæ were associated with the pneumonia. It is felt, therefore, that in any attempt to determine the primary cause of influenza bacteriologic studies made during life in early uncomplicated cases of the disease are of primary importance and that the bacteriology of the sputum of patients with complicating pneumonia and the bacteriology of autopsies can only properly be used as valuable supplements to data so obtained.
Since cultures from the respiratory tract must often of necessity contain many bacteria which play no part in the production of influenza, it is essential to have a working knowledge of the bacteria that may be encountered by the methods employed. It is also important that such knowledge as may have been gained in interepidemic periods be amplified by study of the bacterial flora present at various periods throughout the course of an epidemic, both in normal individuals and in other disease conditions. These points have been borne in mind throughout the present 29study and such observations have formed an essential part of the work.
Methods.—In an investigation of this nature the culture methods employed should be suitably directed to determine primarily what bacteria are present and in what relative proportion they exist. The use of culture or animal inoculation methods that are highly selective in character, enhancing the growth of certain bacteria and retarding or inhibiting the growth of others, are of great additional value, but can only properly be used secondarily in order to augment the results obtained by nonselective culture methods. As the most suitable medium for the purpose in hand plain meat infusion agar, titrating 0.1+ to 0.3+ to phenolphthalein, to which 5 per cent of sterile defibrinated horse blood was added, was used. Since growth on freshly poured plates is greatly superior to that on plates that have been stored, the agar was melted as needed, the blood being added when the medium had cooled to approximately 45° C. Cultures from the nose and throat were made by swabbing the mucous membranes with a sterile applicator, touching the applicator to a small area on the surface of a blood agar plate, and spreading the inoculum over the surface of the medium with a platinum needle, insuring as wide a separation as possible. Direct cultures of selected and washed specimens of sputum were made when possible. In many instances, of course, it was impossible to get sufficiently satisfactory specimens to permit of washing, especially when cultures were made very early in the disease. To supplement direct culture of the sputum the mouse inoculation method as employed for the determination of pneumococcus types was used. This is, of course, a highly selective method, of particular value in the detection of pneumococcus and B. influenzæ when they are present in relatively small numbers as compared with other bacteria. Plates were examined after twenty to twenty-four 30hours’ incubation and again at the end of thirty-six to forty-eight hours when necessary.
In the present study, attention has been centered upon B. influenzæ, S. hemolyticus, and the various immunologic types of pneumococci, other organisms encountered having played no significant part in the cases studied except in rare instances. B. influenzæ was identified by its morphologic, staining and cultural characteristics and conformed to the classical description given by Pfeiffer. S. hemolyticus was identified by its morphologic, staining, and cultural characteristics on blood agar, supplemented by a confirmatory hemolytic test with washed sheep corpuscles, and bile solubility test. Pneumococci were identified by morphologic, staining and cultural characteristics, bile solubility test, and agglutination with specific antipneumococcus immune sera. Note was made in most instances of the presence of other organisms, such as members of the Gram-negative diplococcus, staphylococcus, diphtheroid and streptococcus viridans groups, but no attempt was made further to isolate or identify them.
Bacillus Influenzæ in Cases of Influenza.—On October 10, 1918, at the height of the epidemic at Camp Pike, search for B. influenzæ was made in a group of 23 consecutive cases of uncomplicated influenza from one to six days after the onset of the disease. From each individual simultaneous cultures on blood agar plates were made (a) from the nose, (b) from the throat, and (c) from the sputum, and the sputum from each case was injected into the peritoneal cavity of a white mouse. A similar study of 5 consecutive cases was made on November 19. The results are presented in Table II.
By means of multiple cultures taken simultaneously from different portions of the respiratory tract no difficulty was encountered in demonstrating B. influenzæ in all these cases of uncomplicated influenza. Not only was B. influenzæ found in all cases, but often in very large numbers predominating 31over all other bacteria on at least one of the plates from each patient, and in occasional instances occurring in nearly pure culture. One culture made about two hours after onset of the initial coryza is of interest. There was at the time a profuse serous nasal discharge. One drop of this allowed to fall on the surface of a blood agar plate gave a practically pure culture of B. influenzæ.
| Table II | |||||
|---|---|---|---|---|---|
| Presence of B. Influenzæ in 28 Cases of Influenza | |||||
| NO. | DAY OF DISEASE | NOSE | THROAT | SPUTUM CULTURE | SPUTUM PASSED THROUGH MOUSE |
| 1 | 1 | + | + | + | + |
| 2 | 4 | − | + | + | + |
| 3 | 5 | − | − | + | − |
| 4 | 4 | − | − | + | + |
| 5 | 3 | − | − | + | + |
| 6 | 4 | − | + | + | c |
| 7 | 2 | − | + | − | c |
| 8 | 4 | + | + | + | − |
| 9 | 5 | − | + | + | + |
| 10 | 2 | + | − | − | − |
| 11 | 2 | − | + | c | + |
| 12 | 3 | c | + | + | + |
| 13 | 3 | − | − | − | + |
| 14 | 2 | − | − | + | + |
| 15 | 3 | c | − | − | + |
| 16 | 1 | − | + | + | + |
| 17 | 3 | − | + | − | + |
| 18 | 4 | + | + | c | + |
| 19 | 6 | − | − | + | + |
| 20 | 1 | − | + | + | + |
| 21 | 2 | − | + | − | + |
| 22 | 4 | + | − | + | + |
| 23 | 3 | c | − | − | + |
| 24 | 2 | + | − | − | − |
| 25 | 1 | − | − | + | + |
| 26 | 5 | − | − | + | + |
| 27 | ? | − | + | − | + |
| 28 | 1 | − | − | + | + |
| 6 | 14 | 17 | 22 | ||
| c indicates that the plate was contaminated. | |||||
During the latter part of November and in early December a small secondary wave of influenza occurred at Camp Pike. In a series of 48 consecutive cases, B. influenzæ was readily found in all by means of combined throat cultures 32and mouse inoculation of the sputum, 33 times (68.7 per cent) in the throat cultures, 39 times (81.3 per cent) in the sputum. These cases were cultured on admission to the receiving ward of the hospital within twenty-four to forty-eight hours after onset and were all early cases of influenza without complications at the time the cultures were made. In 90 more consecutive cases in this series 62 or 68.9 per cent showed B. influenzæ in a single throat culture taken on admission.
A summary of all cultures made in cases of uncomplicated influenza is presented in Table III.
| Table III | |||
|---|---|---|---|
| Presence of B. Influenzæ in Cases of Influenza | |||
| METHOD | NUMBER OF CASES CULTURED | B. INFLUENZÆ FOUND | |
| NUMBER | PER CENT | ||
| Nose culture | 28 | 6 | 21.4 |
| Throat culture | 166 | 109 | 65.7 |
| Sputum culture | 28 | 17 | 60.7 |
| Sputum (mouse passage) | 76 | 61 | 80.3 |
| Combined nose, throat and sputum cultures and sputum inoculation | 28 | 28 | 100 |
| Combined throat cultures and sputum inoculation | 48 | 48 | 100 |
Of any single method used the intraperitoneal inoculation of a white mouse with a specimen of the patient’s sputum proved the most efficient in demonstrating the presence of B. influenzæ. No single method served to demonstrate B. influenzæ in all cases, but by simultaneous cultures from the nose, throat, and deeper air passages no difficulty was met in showing that B. influenzæ was invariably present, usually in abundance somewhere in the respiratory tract during the acute stage of the disease. This result is not out of harmony with the rapidly progressive character of the attack upon the mucous membranes of the respiratory tract in influenza.
Of interest in this connection are certain observations which suggest that the presence of B. influenzæ in predominant 33numbers at least is in many cases coincident with the acute stage of influenza and that the organisms show a tendency rapidly to diminish in abundance with the progress of the disease to recovery. In 82 cases of influenza cultured on the day of admission to the hospital, B. influenzæ was present in 52 (63.4 per cent) of the throat cultures. Repeated throat cultures in this group of cases from the fourth to the eighth day after admission when the temperature had fallen to normal, showed that B. influenzæ was still present in demonstrable numbers in the throat of only 25 cases or 30.5 per cent. Not only was there a material reduction in the number of patients in whom B. influenzæ could be demonstrated by the throat culture method, but the contrast in the predominance of B. influenzæ on the plates made early in the disease with those made during convalescence was often very striking. It is only fair to say, however, that some cases continued to carry B. influenzæ in their throats in large numbers throughout the period of observation.
Presence of Pneumococcus in Cases of Influenza.—It seemed of some importance to determine the prevalence of pneumococcus in cases of influenza, not because of any possibility that pneumococci might bear an etiologic relationship to the disease, but more by way of comparison with the prevalence of B. influenzæ, since both organisms are found in the mouths of normal individuals and are also frequently found together in the pneumonias that complicate influenza. The results obtained in cases of influenza early in the disease before the development of either a purulent bronchitis or of pneumonia are presented. The presence of pneumococcus was determined by the intraperitoneal inoculation of white mice with the saliva or sputum.
Twenty-four cases examined on September 27 and 28 gave the results shown in Table IV. These patients had been in the hospital from two to five days at the time the determinations were made.
| 34 | ||
| Table IV | ||
|---|---|---|
| Pneumococcus in Cases of Influenza | ||
| NUMBER | PER CENT | |
| Pneumococcus, Type I | 0 | 0 |
| Pneumococcus, Type II | 0 | 0 |
| Pneumococcus, Atypical II | 0 | 0 |
| Pneumococcus, Type III | 2 | 8.3 |
| Pneumococcus, Group IV | 15 | 62.5 |
| No pneumococci found | 7 | 29.2 |
From November 27 to December 1, the pneumococci present in 47 consecutive cases of influenza were determined. In this group specimens of sputum were collected shortly after admission of the patients to the receiving ward of the hospital. The results are shown in Table V.
| Table V | ||
|---|---|---|
| Pneumococci in Cases of Influenza | ||
| NUMBER | PER CENT | |
| Pneumococcus, Type I | 0 | 0 |
| Pneumococcus, Type II | 0 | 0 |
| Pneumococcus, Atypical II | 2 | 4.3 |
| Pneumococcus, Type III | 0 | 0 |
| Pneumococcus, Group IV | 25 | 53.2 |
| No pneumococci found | 20 | 42.5 |
The results obtained show that pneumococci found in early uncomplicated cases of influenza, both early and late in the course of the epidemic, differ in no respect from those found in the mouths of normal individuals at any time.
Similar studies of the prevalence of S. hemolyticus as determined by throat cultures in early cases of influenza are shown in Table VI.
The only point of interest in these observations is the increased prevalence of S. hemolyticus in cases examined late in the epidemic of influenza as compared with that found early in the epidemic. The significance of this will be discussed in other parts of this report.
| 35 | ||||
| Table VI | ||||
|---|---|---|---|---|
| S. Hemolyticus in Cases of Influenza | ||||
| DATE | NUMBER OF CASES CULTURED | S. HEMOLYTICUS FOUND | S. HEMOLYTICUS NOT FOUND | PER CENT POSITIVE FOR S. HEMOLYTICUS |
| Sept. 25–26 | 100 | 6 | 94 | 6 |
| Nov. 27–Dec. 5 | 138 | 39 | 99 | 28.3 |
Presence of Bacillus Influenzæ in Normal Men.—For comparison with the results obtained in cases of influenza a fairly extensive study of the prevalence of B. influenzæ in normal individuals has been made at various times prior to and throughout the course of the epidemic. This was deemed of special importance, since it was obvious that the results obtained by previous workers during interepidemic periods would not in all probability coincide with those obtained in the presence of a widespread epidemic of influenza where the opportunity for the dissemination of B. influenzæ was almost unlimited.
From the results obtained in the multiple cultures in cases of influenza it is obvious that only like methods can be compared. The results obtained in normal individuals have, therefore, been tabulated in groups dependent upon the culture method employed. These groups have been subdivided according to the time and the place of the study, such explanatory notes as seem necessary being added. (See Tables VII-IX.)
The most striking feature of the figures presented in Table VII is the wide variation in the incidence of B. influenzæ in different groups varying all the way from 11.1 to 68 per cent. Analysis of these differences brings out certain points of great interest. It is apparent that the percentage of cases carrying B. influenzæ depended in large part upon the prevalence of respiratory diseases in the group from which the data were obtained. In the studies made at Camp Funston prior to the fall outbreak of influenza in epidemic proportions, it is noteworthy that “bronchitis” and pneumonia were prevalent throughout the summer in those groups showing a relatively high incidence of B. influenzæ. At the time these studies were made the presence of influenza in these organizations was not recognized, but in view of knowledge gained throughout the course of the epidemic at Camp Pike, it seems not improbable that influenza in mild form was present throughout the summer in certain organizations at Camp Funston. This would seem more likely in view of the fact that this commission has clearly demonstrated that a considerable epidemic of influenza swept through Camp Funston in March, 1918, and was followed by recurring smaller epidemics in April and May.[21] In contrast with these groups showing a high incidence of B. influenzæ is that of the 210th Engineers, an organization entirely free from respiratory diseases during the period of our study.
| 36 | ||||||
| Table VII | ||||||
|---|---|---|---|---|---|---|
| Incidence of B. Influenzæ in Normal Men as Determined by Intraperitoneal Inoculation of White Mice With Saliva or Sputum | ||||||
| DATE | PLACE | ORGANIZATION | NUMBER EXAMINED | B. INFLUENZÆ PRESENT | PER CENT POSITIVE FOR B. INFLUENZÆ | REMARKS |
| 1918 | ||||||
| Aug. 13 | Camp Funston, Kans. Detention Camp, No. 2 | 22 Prov. Colored Co. 164th Depot Brigade | 25 | 6 | 24 | Bronchitis and pneumonia were prevalent in this organization of recently drafted negroes during July and August, 1918 |
| Aug. 18 | Camp Funston, Kans. Detention Camp, No. 2 | Co. D. 3rd Dev. Bn. | 25 | 11 | 44 | Recently drafted southern negroes not fit for full military duty. Bronchitis and pneumonia were prevalent in this organization during July and August, 1918 |
| Aug. 20 | Camp Funston, Kan. | 70th Inf. | 25 | 11 | 44 | 25 men presenting themselves at sick call for various complaints; not strictly normal; respiratory diseases not prevalent |
| Aug. 22 | Ft. Riley, Kan. | Quarters 4 M M.O.T.C. | 32 | 16 | 50 | Recently drafted white men of 4 to 8 weeks’ service. Pneumonia fairly prevalent in this organization |
| Aug. 26 | Camp Funston, Kan. | 210th Eng. | 27 | 3 | 11.1 | About one mile distant from Camp Funston proper. No sickness in this organization |
| Nov. 12 | Hot Springs, Ark. | Drafted men assembled to entrain for camp | 50 | 11 | 22 | 50 men selected from isolated farm communities; 12 gave a history of “influenza” within the preceding 8 weeks |
| Nov. 25 | Camp Pike, Ark. | Miscellaneous | 26 | 13 | 50 | 12 of this group had influenza during the epidemic |
| Dec. 10 | Camp Pike, Ark. | Miscellaneous | 25 | 17 | 68 | 12 of this group had influenza during the epidemic |
| Summary: | Normals | 235 | 88 | 37.4 | ||
| Cases of influenza (for comparison) | 76 | 61 | 80.3 | |||
37On November 12 search was made for B. influenzæ in 50 normal drafted men who had assembled at Hot Springs, Ark., on that date preparatory to entraining for Camp Pike. These men were all from isolated farming communities where influenza was only moderately prevalent and where there was little opportunity for the wide dissemination of B. influenzæ such as occurs when large bodies of men are assembled in camps. Twelve of the 50 gave a history of influenza within the preceding eight weeks. The cultures were made by the same methods as those used at Camp Pike, the laboratory car “Lister” being taken to Hot Springs for that purpose. The incidence of B. influenzæ was only 22 per cent. In striking contrast with this figure are the figures of 50 and 68 per cent obtained in the last two groups studied at Camp Pike after the epidemic had swept through the camp: 24 of the 51 men in these groups had influenza during the epidemic.
It is of interest to record that the incidence of pneumococcus in these cases was approximately the same in all groups and bore no relation to the prevalence of influenza, bronchitis, or pneumonia.
| 38 | ||||||
| Table VIII | ||||||
|---|---|---|---|---|---|---|
| Incidence of B. Influenzæ in Normal Men as Determined by Throat Cultures on Blood Agar Plates | ||||||
| DATE | PLACE | ORGANIZATION | NUMBER EXAMINED | B. INFLUENZÆ PRESENT | PER CENT POSITIVE FOR B. INFLUENZÆ | REMARKS |
| Sept. 14–Oct. 5 | Camp Pike, Ark. | Med. Detachment, Base Hos.; personnel on measles wards | 82 | 14 | 17.1 | 82 throat cultures in 42 individuals |
| Nov. 5–9 | Camp Pike, Ark. | Miscellaneous | 296 | 71 | 23.9 | Number among this group who had had influenza not recorded |
| Nov. 12 | Hot Springs, Ark. | Drafted men assembled to entrain for camp | 64 | 0 | 0 | Men, in large part from isolated farm communities; 13 gave a history of “influenza” within the preceding 8 weeks |
| Nov. 25 | Camp Pike | Miscellaneous | 26 | 13 | 50 | 12 of this group had influenza during the epidemic |
| Dec. 10 | Camp Pike | Miscellaneous | 25 | 13 | 52 | 12 of this group had influenza during the epidemic |
| Summary | Normals | 493 | 111 | 22.5 | ||
| Cases of influenza (for comparison) | 166 | 109 | 65.7 | |||
The results obtained by throat culture are quite similar to those obtained by the mouse inoculation method. The entire absence of B. influenzæ in the group of 64 throat cultures made in the draft men assembled at Hot Springs as compared with the relatively high incidence in the last two groups examined at Camp Pike is very striking.
In consideration of the figures presented in Table IX it is important to remember that the group of 50 men from Hot Springs were all from isolated farm communities, had not previously been assembled and had not been in continuous contact with a widespread epidemic of influenza. On the other hand, the two groups of normal men at Camp Pike were studied immediately after the epidemic had swept through the camp and had been constantly in contact with epidemic influenza for a period of three months, 24 of the 51 actually having had the disease during this period. The fact that in the group of men from Hot Springs, B. influenzæ was found only by the mouse inoculation method is noteworthy, since it indicates that the organism was present in relatively small numbers and could be detected only by a highly selective method.
| Table IX | ||||||||
|---|---|---|---|---|---|---|---|---|
| Incidence of B. Influenzæ in Normal Men Contrasted With That in Early Cases of Influenza as Determined by Multiple Cultures from Nose, Throat, and Sputum | ||||||||
| DATE | PLACE | GROUP | NUMBER EXAMINED | PER CENT SHOWING B. INFLUENZÆ | ||||
| NOSE | THROAT | SPUTUM DIRECT CULTURE | SPUTUM MOUSE INOCULATION | BY MULTIPLE CULTURES | ||||
| Nov. 12 | Hot Springs, Ark. | Normal draft men assembled to entrain for camp | 50 | 0 | 0 | 0 | 22 | 22 |
| (4 cultures only) | (31 cultures only) | |||||||
| Nov. 25 | Camp Pike | Normal men; 12 had influenza during the epidemic | 26 | 38.6 | 50 | 34.6 | 50 | 80.8 |
| Dec. 10 | Camp Pike | Normal men; 12 had influenza during the epidemic | 25 | 48 | 52 | 24 | 68 | 88 |
| Oct. 10 and Nov. 19 | Camp Pike | Patients with influenza in Base Hos. | 28 | 21.4 | 50 | 60.7 | 78.6 | 100 |
Summary of the results obtained in normal men shows that the incidence of B. influenzæ in normal individuals from isolated communities or in groups free from respiratory diseases prior to the occurrence of the fall epidemic 40was relatively low, namely, 10 to 20 per cent; that in observations made before the fall epidemic in groups in which “bronchitis” and pneumonia were fairly prevalent, B. influenzæ was found much more frequently, namely, in 25 to 50 per cent of the cases; and that in groups studied at intervals during the epidemic the incidence of B. influenzæ rapidly rose, reaching 85 per cent at the end of the epidemic. In contrast with this, B. influenzæ was found in 100 per cent of cases of influenza without reference to the time at which they occurred during the epidemic. It is obvious that the high percentage of normal men carrying B. influenzæ found at the end of the epidemic can depend only on the wide dissemination of B. influenzæ that must occur during epidemic times.
Bacillus Influenzæ in Measles.—Since the presence of B. influenzæ in other diseases than influenza has been advanced as an argument against its causal relationship to influenza, an extensive study of the incidence of B. influenzæ in the throats of measles patients was made during the period of the epidemic of influenza at Camp Pike from September 10 to October 20. In all a total of 830 throat cultures in 487 cases of measles were made, many cases being cultured repeatedly at weekly intervals. The results have been condensed as far as possible and are presented in Tables X, XI, XII.
| Table X | |||
|---|---|---|---|
| Incidence of B. Influenzæ in 400 Consecutive Cases of Measles as Determined by Throat Culture at Time of Admission to the Base Hospital | |||
| DATE | NUMBER OF CASES | B. INFLUENZA FOUND | |
| NUMBER | PER CENT | ||
| Sept. 16–Oct. 4 | 100 | 27 | 27 |
| Oct. 4–Oct. 10 | 100 | 32 | 32 |
| Oct. 10–Oct. 15 | 100 | 32 | 32 |
| Oct. 15–Oct. 19 | 100 | 48 | 48 |
The prevalence of B. influenzæ in cases of measles during the period of the influenza epidemic corresponded very closely with that found in normal individuals under similar circumstances. The increasing proportion of cases carrying B. influenzæ as the epidemic of influenza advanced is further evidence of the wide dissemination of the organism during the epidemic.
| 41 | |||
| Table XI | |||
|---|---|---|---|
| Incidence of B. Influenzæ in 830 Throat Cultures in 487 Cases of Measles; Cultures Repeated at Weekly Intervals | |||
| DATE | NUMBER OF CASES | B. INFLUENZA FOUND | |
| NUMBER | PER CENT | ||
| Sept. 10–15 | 47 | 15 | 31.9 |
| Sept. 16–29 | 106 | 33 | 31.1 |
| Sept. 30–Oct. 6 | 122 | 38 | 31.1 |
| Oct. 7–13 | 235 | 96 | 40.8 |
| Oct. 14–20 | 320 | 157 | 49.1 |
| Total | 830 | 339 | 40.8 |
| Table XII | ||||||
|---|---|---|---|---|---|---|
| Total Number of B. Influenzæ Carriers Among 223 Cases of Measles as Determined by Repeated Throat Cultures at Weekly Intervals after Admission to Hospital | ||||||
| TIMES CULTURED | NUMBER OF CASES | NUMBER OF CULTURES | B. INFLUENZÆ FOUND | TOTAL CARRIERS IN ONE OR MORE CULTURES | ||
| NUMBER | PER CENT | NUMBER | PER CENT | |||
| 2 | 129 | 1st | 37 | 28.7 | 82 | 63.6 |
| 2nd | 63 | 48.8 | ||||
| 3 | 69 | 1st | 20 | 28.9 | 52 | 75.4 |
| 2nd | 31 | 44.9 | ||||
| 3rd | 33 | 47.8 | ||||
| 4 | 25 | 1st | 6 | 24 | 21 | 84.0 |
| 2nd | 10 | 40 | ||||
| 3rd | 13 | 52 | ||||
| 4th | 14 | 56 | ||||
It is evident from the figures presented in Table XII that a large percentage of the measles cases studied were at one time or another carriers of B. influenzæ. In consideration of this fact, it must be borne in mind that all these cases were cultured during the period when the influenza epidemic was at its height and that many of these cases had influenza while in the hospital for measles. No data are available as to the exact number, since a definite diagnosis of influenza could hardly be made during the acute stage of measles. It is probable that approximately 25 per cent 42developed influenza, since that was the incidence of influenza in the total population of Camp Pike. The consistent increase in the percentage of influenza carriers clearly demonstrates that this was due to wide dissemination of B. influenzæ with the progress of the epidemic. Another point of exceeding interest is that the percentage of measles cases carrying B. influenzæ in the throat was lowest during the acute stage of the disease and increased during convalescence. This is in direct contrast with the results found in cases of influenza where the number of cases carrying B. influenzæ in the throat was highest during the acute stage and rapidly diminished in uncomplicated cases with the onset of convalescence.
Summary.—Multiple cultures made simultaneously from the nose, throat and lower respiratory tract showed that B. influenzæ was invariably present in all cases of influenza from the onset of the disease. Not only was B. influenzæ present in all cases, but it was frequently present in predominant numbers, sometimes in nearly pure culture. In the majority of cases that went on to rapid recovery without the development of an extensive bronchitis or complicating pneumonia, the predominance of B. influenzæ over other organisms rapidly diminished coincident with onset of convalescence. Many cases, however, continued to carry B. influenzæ in large numbers in the throat throughout convalescence. No data on the possible duration of the carrier state have been obtained. By the culture methods employed no other organism has been found that would suggest any etiologic relationship to the disease. The two organisms most frequently associated with B. influenzæ in postinfluenzal pneumonias, pneumococcus and S. hemolyticus, have not differed in their incidence in early uncomplicated cases of influenza from that found in normal individuals.
The incidence of B. influenzæ in normal men, in different groups studied, has varied between 11.1 and 88 per cent. 43This wide variation has depended upon the prevalence of respiratory diseases, more particularly influenza, in the groups studied and the opportunity thereby offered for the wide dissemination of B. influenza. With the progress of the epidemic, the number of normal men carrying B. influenzæ has steadily increased until it reached its maximum at the end of the epidemic.
The incidence of B. influenzæ in cases of measles studied during the epidemic of influenza has been relatively high though never equaling that found in cases of influenza. As in normal men, the incidence in cases of measles has steadily increased during the period of the epidemic. Repeated throat cultures at weekly intervals in cases of measles have shown that approximately 80 per cent became temporary carriers of B. influenzæ at one time or another during the period of the epidemic. Many of these cases had influenza during the time that they were in the hospital. The carrier state in cases of measles was found to bear no relation to the acute stage of the disease since the number of carriers at the time of admission to the hospital was considerably lower than that found during convalescence as determined by repeated cultures in the same cases.
The bacteriologic studies in cases of influenza described in this report fully support Pfeiffer’s claim that B. influenzæ is invariably present in the disease. It is particularly important to note that these results were obtained in early uncomplicated cases of influenza and are not dependent upon cultures made from cases complicated by pneumonia or obtained at autopsy. In view of this fact the tendency so apparent in much of the recent literature to relegate B. influenzæ to a place of secondary or minor importance in the disease seems hardly justifiable. It would seem that this tendency is largely dependent upon three factors: first, the failure of many to find B. influenzæ either during life or 44at autopsy in any considerable proportion of cases; second, the frequent failure to draw a clear distinction between influenza itself and the pneumonia to which it predisposes with a consequent overemphasis upon autopsy bacteriology where a considerable variety of secondary organisms have attracted particular attention; and third, an incorrect interpretation of the undoubtedly large number of B. influenzæ carriers found among normal individuals and those with other diseases during the period of the epidemic and to less extent in interepidemic times.
Since the majority of workers who are thoroughly familiar with the technic of cultivating B. influenzæ have encountered little difficulty in finding it in a large majority of cases, it is felt that the considerable number of negative reports that have appeared can depend only upon the unfamiliarity of those who have failed to find it with the proper bacteriologic methods. This is quite apparent in many of the reports that have been published, and is not surprising in the face of the excessive demand for well-trained bacteriologists occasioned by the war.
One important feature in the successful isolation of B. influenzæ from all cases that has been brought out in the course of the work here reported, is the necessity of making simultaneous cultures from all portions of the respiratory tract, since by no single culture method was it found possible to find the organism in all cases. It has been pointed out that one of the most characteristic local phenomena of the disease is the rapidly progressing attack upon the mucous membranes of the respiratory tract. It seems quite possible that B. influenzæ in predominant numbers at least may be found in many cases only at the crest of the wave, if we may speak of it as such. By way of analogy is the well-recognized fact that the successful isolation of streptococcus from cases of erysipelas often depends upon taking cultures from the margin of the advancing lesion. While definite proof is lacking for this opinion, it would seem to 45receive some support from the observation that B. influenzæ rapidly disappears from the throat with the onset of convalescence in a considerable proportion of cases. It is felt that these observations, establishing the predominance of B. influenzæ in the early acute stages of the disease, are of considerable significance, especially when exactly the reverse condition was found in studying the incidence of the organism in cases of measles.
In consideration of the primary cause of influenza, attention has often been focused upon the many different bacteria found in autopsy cultures. The most prominent of these are the ill-defined diplostreptococci of the European writers, the various immunologic types of pneumococci, and S. hemolyticus. Other microorganisms less frequently found are staphylococci, M. catarrhalis, nonhemolytic streptococci, and B. mucosus capsulatus. It is not within the scope of this paper to discuss their relation to the various types of pneumonia found at autopsy, but their very multiplicity would seem sufficient prima facie evidence that they bear no etiologic relationship to influenza and must be regarded only as secondary invaders. If any further support for this opinion were necessary, it may be found in the studies upon the incidence of pneumococcus and S. hemolyticus in early cases of influenza described in this report. Both were found to occur in the same proportions in which they may be found in normal individuals at any time.
Although Pfeiffer maintained that B. influenzæ was found only in true epidemic influenza, the incorrectness of this contention has been thoroughly established by many reliable investigators and it has been shown beyond question that influenza bacilli may always be found in a small proportion of normal individuals and are not infrequently found in other respiratory diseases.
The fairly extensive study that has been made of the incidence of B. influenzæ in normal men and in cases of measles has clearly demonstrated that the proportion of carriers 46found in any group depends upon the prevalence of influenza in the group studied and that with the progress of the epidemic the percentage of carriers has steadily increased. When one considers that the opportunity for the dissemination of B. influenzæ by contact infection is almost unlimited during an epidemic of the proportions of that which has swept over the country, this is not at all surprising. That such a large number of normal individuals became carriers of B. influenzæ during the epidemic would seem to be sufficient evidence that actual dissemination does occur and to controvert the theory that in actual cases of influenza, conditions are established in the respiratory tract whereby B. influenzæ, always present in small numbers, is enabled to “grow out” and become the predominant organism. From a consideration of all the observations made as to the incidence of B. influenzæ in various conditions it would appear that the carrier condition is quite analogous to that found with many other bacteria, and may be divided into three groups: (a) acute carriers, those having influenza, (b) contact carriers, those who during epidemic times become temporary carriers of the organism without contracting the disease, and (c) chronic carriers, the relatively small number of normal individuals or those with chronic respiratory conditions who carry B. influenzæ over long periods of time. From the facts at hand this would seem to be the most probable explanation of the conditions found. It is certainly true that the established presence of pneumococcus, B. diphtheriæ, meningococcus and many other organisms in a varying proportion of normal individuals is not regarded as sufficient evidence to exclude them as the etiologic agents of the diseases which they cause.
It is quite obvious that if B. influenzæ is to be regarded as the cause of epidemic influenza, it must change quite rapidly under certain circumstances from a relatively saprophytic organism to a relatively virulent pathogenic organism, and conversely return to its avirulent state following 47the passage of an epidemic. Animal experimentation has taught us that virulence is acquired by the rapid passage of an organism from host to host. That an opportunity for the rapid transference of B. influenzæ from man to man was provided by the assembling of large groups of individuals relatively susceptible to respiratory diseases in our camps and cantonments is by no means impossible. It has been clearly shown by Vaughn and Palmer[22] that men from rural districts are very susceptible to respiratory diseases and that the camps in which such men were assembled suffered most heavily in this respect during the winter of 1917–18. This Commission has clearly demonstrated that an epidemic of influenza swept through Camp Funston[21] in the spring of 1918 and that a similar epidemic occurred at Camp Pike. Accumulating evidence will undoubtedly show that like epidemics existed in many of our southern camps (Vaughn and Palmer,[22] Soper[23]). It is of considerable interest that B. influenzæ was found in almost one-half of the cases of bronchopneumonia studied by Cole and MacCallum[24] at Fort Sam Houston in February and March, 1918. This relation is especially noteworthy, since an epidemic of influenza was seen by one of us (Blake) among the troops at Kelly Field and Fort Sam Houston during these months. That similar conditions existed in European armies as early as 1916–17 is suggested by the reports of Hammond, Rolland, and Shore[25] and of Abrahams, Hallows, Eyre, and French[26] on epidemics of “purulent bronchitis” with bronchopneumonia in the British army. B. influenzæ was found abundantly in these cases.
Theoretically, under the conditions outlined above, ideal opportunities have been provided for B. influenzæ to build up sufficient virulence to enable it to produce the pandemic of 1918–19. While it is thoroughly recognized that these 48considerations are in the main hypothetical, it is felt that they are by no means beyond the bounds of possibility, and for that reason are offered as suggestions worthy of further investigation.
It is, of course, perfectly possible on the basis of the observations presented still to regard B. influenzæ as a secondary invader which makes its appearance in all cases of influenza simultaneously with the onset of clinical symptoms. Final proof of its causal relationship to the disease must depend upon the production of influenza by experimental inoculation. Results hitherto obtained in attempts to produce the disease experimentally have been contradictory. Pfeiffer[8] claimed to have produced a disease in monkeys in some respects resembling influenza by the intratracheal injection of freshly isolated cultures of B. influenzæ. Wollstein,[19] in studies upon the pathogenicity of various strains, has shown that B. influenzæ is generally pathogenic for mice and guinea-pigs without respect to source or virulence for man. Pathogenicity for rabbits and monkeys, on the other hand, was possessed only by strains that were highly virulent for man. She furthermore pointed out that for successful animal experimentation, it is imperative that inoculations be carried out immediately after the isolation of the bacilli because they rapidly lose virulence by subculture on artificial media. It is felt that failure to appreciate these facts has been responsible for the often repeated statement that B. influenzæ is not pathogenic for animals.
In a series of animal experiments carried out by this commission recorded in an appendix to this report, sixteen-hour cultures of B. influenzæ freshly isolated from early cases of influenza were demonstrated to be pathogenic for monkeys, both by inoculation of the nasal and pharyngeal mucosa and by intratracheal injection. Monkeys so inoculated developed coryza, epistaxis, tracheitis, bronchitis, and extreme prostration. Experiments with forty-eight-hour 49cultures of strains preserved by subculture during from ten to fifteen days failed to demonstrate pathogenicity for monkeys. Proof that these monkeys had influenza can depend only upon the demonstration that they suffered with a disease having the clinical character and pathologic lesions of influenza.
The reported failure to produce influenza in man by direct inoculation with freshly isolated cultures of B. influenzæ in experiments conducted on volunteers by the United States Public Health Service[27] at Gallops Island, Boston, is interesting, but would seem to lack definite significance since attempts to transmit the disease from man to man by direct contact also failed. Since all the subjects of these experiments had been previously exposed to influenza during the epidemic, 30 per cent actually having contracted the disease, it would seem probable that the remaining 70 per cent were only very slightly if at all susceptible. It is noteworthy that the attack rate of influenza in most army groups was approximately 20 to 30 per cent during the epidemic, the remaining 70 to 80 per cent failing to contract the disease though equally exposed. No other explanation presents itself except that influenza is no longer transmissible when clinical symptoms have appeared.
1. Consideration of all the evidence available makes it seem highly probable that B. influenzæ is the specific etiologic agent of epidemic influenza, because (a) it is always present in early uncomplicated cases of influenza; (b) it is predominantly so during the acute stage of the disease in cases going on to rapid recovery without development of complications; (c) its presence in varying numbers in normal individuals and in other diseases of the respiratory tract is not valid evidence against its etiologic relationship to influenza, but on the contrary is quite in harmony with 50what should be expected from our knowledge of other bacteria known to be the etiologic agents of various respiratory diseases; (d) its rapidly increasing prevalence in normal individuals simultaneously with the progress of the epidemic indicates that actual dissemination of B. influenzæ readily occurs and is very widespread during pandemic times; (e) cultures of B. influenzæ freshly isolated from early acute cases of influenza are pathogenic for animals, and may produce in monkeys a disease closely resembling influenza.
2. Final proof of the exact relationship of B. influenzæ to influenza must depend upon (a) more definite knowledge of the immunology both of the organism and of the disease, and (b) knowledge of the pathologic lesions of influenza and the production of these lesions in animals by inoculation with B. influenzæ.
The material presented in this section of the report consists of clinical and bacteriologic observations made during the course of an investigation of influenza and its associated bronchitis and pneumonia at Camp Pike, Ark., between September 6 and December 15, 1918, comprising part of a correlated study of the epidemiology, bacteriology, pathology, and clinical features of these diseases. The bacteriologic studies are in the main limited to those made during life, those made at necropsy being reported in another section of this report.
Methods.—All cases upon which the clinical and bacteriologic data presented are based, were examined by the authors and our own clinical histories and physical examinations were recorded. This was considered of special importance, since in studying a group of diseases in which secondary infection of the respiratory tract might supervene at any time, it was essential to determine as far as possible the exact clinical condition of the patient at the time when bacteriologic examinations were made. The bacteriologic methods employed were the direct culture of nose and throat swabbings and of selected and washed specimens of sputum on the surface of 5 per cent defibrinated horse blood agar plates, the intraperitoneal inoculation of white mice with specimens of sputum according to the method described by Blake[28] for the determination of 52pneumococcus types, and in some cases the method of Avery.[29] B. influenzæ pneumococci and hemolytic streptococci were identified by the methods described elsewhere. Note was made in most instances of the presence of other organisms such as members of the Gram-negative diplococcus group, staphylococci, diphtheroids, and members of the streptococcus viridans group, but no attempt was made to further isolate or identify them since they played no significant part in the cases studied except in rare instances.
The fall epidemic of influenza at Camp Pike began about September 1, 1918, and reached epidemic proportions on September 23 when 214 cases were admitted to the base hospital. The epidemic was at its height from September 27 to October 3, during which period there were in the neighborhood of 1,000 new cases daily. From this date until October 31 the number of new cases occurring daily steadily decreased and by the latter date the epidemic was over. Scattered cases continued to occur, however, throughout November, and during the last week of this month and the first week of December a second epidemic wave of relatively mild character occurred. From September 1 to October 31 the total number of cases of influenza reporting sick was 12,393. During the same period there were 1,499 cases of pneumonia with 466 deaths.
Influenza as observed at Camp Pike differed in no essential respects from that occurring elsewhere. In brief, it presented itself as a highly contagious, self-limited infectious disease of relatively short duration in most instances, the principal manifestations of which were sudden onset with high fever, profound prostration, severe aching pains in back and extremities, conjunctival injection, flushing of the face, neck, and upper thorax often amounting to a true erythema, and a rapidly progressing attack upon the mucous 53membranes of the respiratory tract as manifested by coryza, pharyngitis, tracheitis and bronchitis with a marked tendency to hemorrhage; in itself it is rarely serious, but in reality serious because of the large number of individuals attacked and temporarily incapacitated and because it predisposed to widespread and highly fatal secondary infection of the lungs.
Clinical Features.—A clinical study of 100 consecutive cases of influenza admitted during the height of the epidemic was made.
The onset was sudden, in most instances being initiated with marked sensations of chilliness in 82 cases. Although a severe chill was probably relatively uncommon, 44 of these patients considered the symptom of sufficient severity to describe it as such. This was accompanied by extreme general malaise with severe aching pains throughout the whole body. Intense backache was complained of in 40 cases, headache in 54 cases. A varying degree of prostration, sometimes leading to complete collapse, was almost universal; 5 patients complained of extreme asthenia and 2 of marked dizziness. At time of admission to the hospital the face, neck and upper chest exhibited a uniform erythematous flush, never macular in appearance. The conjunctivæ were deeply injected, but lacrimation was not noticeable and a true exudative conjunctivitis was not encountered. Onset was accompanied by a sharp elevation of temperature ranging from 100° F. to 106° F., in most cases being between 102° F. and 105° F., at the time of admission. No constant type of temperature curve was maintained. Excluding the 15 cases in this group that developed pneumonia, the temperature was well sustained throughout the course of the disease in 46, irregular in 33, and definitely remittent in 6. The duration of the fever varied between one and seven days, the temperature having returned to normal in all but 19 of the 85 cases by the end of four days. The duration of fever was one day in 18 cases, two days in 5412, three days in 19, four days in 17, five days in 10, six days in 4, and seven days in 5. Of the 4 cases with fever for six days, 2 had a fairly extensive bronchitis, 1 a laryngitis. Of the 5 cases with fever of seven days’ duration, 3 had signs of an extensive bronchitis, 2 of only a mild bronchitis.
The pulse was relatively slow in rate as compared with the degree of temperature elevation, running between 90 and 100 beats per minute in the large majority of cases. At the height of the disease it was full and easily compressed. No irregularities were noticed. With recovery it fell promptly to normal. The respiratory rate showed only moderate elevation, being between 20 and 26 in most cases. In a few instances a rate as high as 32 was recorded at time of admission to the hospital, but this promptly fell with rest in bed. A respiratory rate rising above 26 after the third or fourth day of the disease nearly always indicated a beginning pneumonia. With recovery the rate promptly fell to normal. Cyanosis did not occur in the absence of pneumonia.
Aside from the manifestations of a profound toxemia, influenza was preeminently characterized by symptoms of respiratory tract infection. The appearance of respiratory symptoms occurred at varying intervals after the onset of the disease, being well developed by the end of twenty-four hours in most cases. A progressive attack upon the mucous membranes of the respiratory tract was universal, beginning with coryza and pharyngitis and progressing to tracheitis or vice versa. Further extension of the infection to the bronchi, however, was by no means universal, 49 cases in the group studied recovering without developing evidence of bronchitis. Sore throat was rarely complained of, and laryngitis, possibly due to secondary infection, occurred only once. The progress of the infection was marked subjectively by sensations of irritation, stinging, and a feeling of tightness. A profuse, thin, mucoid exudate appeared; 55the pharyngeal walls and the soft palate showed a characteristic deep red granular appearance. The onset of tracheitis began with a sense of burning and tightness beneath the sternum accompanied by a harassing cough, at first nonproductive, later with the outpouring of an exudate becoming productive. The sputum varied in character between a scanty, thin, mucoid sputum and a profuse, frankly purulent sputum in cases subsequently developing an extensive bronchitis. Hemorrhage from the mucous membranes was common. Epistaxis occurred in 12 per cent of the cases and was often profuse. The sputum contained fresh blood in varying amounts in 24 per cent of the cases; 51 per cent of the cases developed signs of bronchitis. In 15 of these the bronchitis was mild, probably limited to the larger bronchi, physical examination showing only inconstant sibilant and musical râles. The sputum in these cases was neither profuse nor frankly purulent; 36 cases developed a fairly extensive purulent bronchitis as manifested by more or less diffusely scattered moist râles and by moderately copious mucopurulent or frankly purulent sputum. This bronchitis was not accompanied by an increase in the respiratory rate or by cyanosis unless pneumonia subsequently developed.
Gastrointestinal symptoms were insignificant: 8 patients complained of nausea early in the disease and 6 of them vomited. Diarrhea occurred in only 1 case, constipation being the rule. The spleen was palpable in 21 cases, but this is of doubtful significance, since nearly all the patients came from malarial regions. Jaundice was not noted. Aside from the profound depression, sometimes amounting to stupor, mental symptoms were not noted except in 1 case which showed a mild delirium.
Influenza, although per se a self-limited disease of short duration, frequently leads to the development of serious complications, the most important of which are pneumonia and purulent bronchitis with a varying degree of bronchiectasis. 56In the group of 100 cases of influenza studied, purulent bronchitis developed in 36 instances, pneumonia in 15; in 3 cases there was lobar pneumonia, in 12 bronchopneumonia. Further discussion of these complications is reserved for the sections dealing with them in detail. Other complications were relatively rare. Otitis media occurred in one case and frontal sinusitis in one. No fatalities were observed among cases of uncomplicated influenza, the deaths that occurred being invariably associated with a secondary pneumonia due in nearly all instances to secondary infection with pneumococci or hemolytic streptococci.
It has been stated that a considerable number of cases of influenza developed a more or less extensive purulent bronchitis. This term is used as descriptive of a group of cases showing clinically evidence of a diffuse bronchitis as manifested by numerous medium and fine moist râles scattered throughout the chest and evidence of a definitely purulent inflammatory reaction as indicated by the expectoration of fairly copious amounts of mucopurulent or frankly purulent sputum. This condition is regarded as quite distinct, on the one hand, from the common type of mucoid bronchitis frequently associated with “common colds” and a fairly common feature of uncomplicated cases of influenza, in which physical examination of the chest reveals only transient sibilant and musical râles without evidence of extension to finer bronchi, and, on the other hand, from bronchopneumonia.
Bacteriology.—Thirteen cases of purulent bronchitis following influenza in none of which was there any evidence of pneumonia at the time cultures of the sputum were made nor later were subjected to careful bacteriologic study. Specimens of bronchial sputum were collected in sterile Petri dishes and selected portions thoroughly washed to remove surface contaminations before bacteriologic examinations 57were made. The results are shown in Table XIII.
| Table XIII | |||
|---|---|---|---|
| Bacteriology of the Sputum in Cases of Purulent Bronchitis Following Influenza | |||
| CASE | STAINED FILM OF SPUTUM | DIRECT CULTURE ON BLOOD AGAR PLATE | MOUSE INOCULATION |
| GJ | B. influenzæ + + + | B. influenzæ + + + + | B. influenzæ |
| Gram + diplococci + | Pneumococcus + | Pneumococcus (type undetermined) |
|
| WAL | B. influenzæ + + | B. influenzæ + + + | |
| Gram + diplococci + + | Pneumococcus IV + + | ||
| TH | B. influenzæ + + + | B. influenzæ + + + + | |
| Gram + diplococci + + + | Pneumococcus IV + + | ||
| LH | B. influenzæ + | B. influenzæ + + | |
| Gram + diplococci + | Pneumococcus IV + + | ||
| FBD | Gram + diplococci + + + + | Pneumococcus IV + + + | Pneumococcus IV |
| B. influenzæ + | B. influenzæ | ||
| Wa | B. influenzæ + + | B. influenzæ + + | |
| Gram + diplococci + + | Pneumococcus IV + + | ||
| Sh | B. influenzæ + + + | B. influenzæ + + | |
| Gram + diplococci + + | Pneumococcus IV + + + | ||
| Wal | Gram + diplostrep + + + | S. viridans + + | |
| B. influenzæ + | B. influenzæ + + | ||
| CLF | B. influenzæ + + + + + | B. influenzæ | |
| Gram + diplococci + | Pneumococcus IV | ||
| NCC | B. influenzæ + + | B. influenzæ + + + | B. influenzæ |
| Gram − micrococcus + | M. catarrhalis + + | M. catarrhalis | |
| Gram + diplostrep. + | S. viridans + + | ||
| JCM | B. influenzæ + + + | B. influenzæ + + + + | B. influenzæ |
| Gram + streptococcus + | S. hemolyticus + | S. hemolyticus | |
| Gram − micrococcus + | M. catarrhalis + | Pneumococcus IV | |
| Gram + diplococcus + | |||
| Bl | B. influenzæ + | B. influenzæ | |
| Gram + diplococcus + | Pneumococcus IIa | ||
| Bu | B. influenzæ + + + + | B. influenzæ + + + | B. influenzæ |
| Gram + diplococcus + + + + | Pneumococcus IV + + + | Pneumococcus IV | |
From the data presented in Table XIII it is evident that a mixed infection existed in all cases. The results obtained by stained sputum films and by direct culture on blood agar plates are of special significance. B. influenzæ was present in all cases, being the predominant organism in 6 cases, abundantly present in others, and few in number in 2. Of other organisms the pneumococcus was most frequently found, occurring in 11 of the 13 cases, in all but 2 instances being present in considerable numbers. S. viridans was encountered twice, once in association with a Gram-negative 58micrococcus resembling M. catarrhalis culturally. S. hemolyticus was found once, together with M. catarrhalis and a few pneumococci, Type IV, coming through in the mouse only and of doubtful significance. The stained sputum films and direct cultures always showed these organisms present in sufficient abundance to indicate that they were present in the bronchial sputum and were not merely contaminants from the buccal mucosa.
It seems quite probable from these results that purulent bronchitis following influenza is, in most cases at least, due to mixed infection of the bronchi and should be looked upon as a complication of influenza. Whether the condition may be caused by infection with B. influenzæ alone is difficult to say. No evidence that it may be caused by B. influenzæ alone was obtained in the cases studied. It is not intended to enter here into a discussion as to whether B. influenzæ should be regarded as a secondary invader or not; the other organisms encountered certainly are. It would seem most probable that purulent bronchitis is caused by the mixed infection of B. influenzæ and various other organisms, commonly the pneumococcus, but that the condition is initiated by the invasion of the bronchi by these other organisms in the presence of a preceding infection with B. influenzæ.
Clinical Features.—Purulent bronchitis following influenza began insidiously without any prominent symptoms to mark its onset. About the third or fourth day of influenza, when recovery from the primary disease might be looked for, the patient would begin to cough more frequently, raising increasing amounts of mucopurulent sputum. This sputum was yellowish green in color, copious in amount, and often somewhat nummular in character, sometimes streaked with blood. These symptoms were accompanied by the appearance of coarse, medium and fine moist râles more or less diffusely scattered throughout the chest and usually most numerous over the lower lobes. The percussion note, breath and voice sounds, and vocal 59and tactile fremitus remained normal. There was no increase in the respiratory rate or pulse rate, and cyanosis did not develop in the absence of a beginning pneumonia. Many such cases, of course, developed bronchopneumonia; in this event areas showing diminished resonance, suppressed breath sounds, and fine crepitant râles with the “close to the ear” quality would appear, the respiratory rate would become increased and cyanosis would become evident. In those cases of purulent bronchitis not developing pneumonia, a moderate elevation of temperature, rarely above 101° F., and irregular in character usually occurred and persisted for a few days or a week.
Many cases maintained a persistent cough, raising considerable amounts of sputum throughout the period of their convalescence in the hospital, which was often considerably prolonged when this complication of influenza occurred. Although no clinical data are available on such cases over a prolonged period of observation, it seems probable that some of them, at least, had developed some degree of bronchiectasis. This would seem all the more probable, since many cases of pneumonia following influenza showed at autopsy extensive purulent bronchitis with well-developed bronchiectasis. Bronchiectasis will be discussed in greater detail in another section of this report. It is this group of cases with more or less permanent damage to the bronchial tree that makes this type of bronchitis following influenza a serious complication of the disease.
The opportunity presented for a correlated study of the clinical features, bacteriology, and pathology of pneumonia following influenza throughout the period of the epidemic at Camp Pike from September 6, 1918, to December 15, 1918, made it evident that this pneumonia could be regarded as an entity in only one respect, namely, that influenza was the predisposing cause. Clinically, bacteriologically, and 60pathologically it presented a very diversified picture ranging all the way from pneumococcus lobar pneumonia to hemolytic streptococcus interstitial and suppurative pneumonia with the picture modified to a varying extent by the preceding or concomitant influenzal infection.
One hundred and eleven consecutive cases in which careful clinical and bacteriologic studies were made form the basis of the material presented. Of these cases, 38 came to necropsy so that ample opportunity was presented to correlate the clinical and bacteriologic studies made during life with the pathology and bacteriology at necropsy. It has seemed advisable to group the cases primarily on an etiologic basis with secondary division according to clinical features in so far as this can be done. Bacteriologic studies showed that at the time of onset these pneumonias were either pneumococcus pneumonias or mixed pneumococcus and influenza bacillus pneumonias in nearly all instances. Certain of these cases later became complicated by a superimposed hemolytic streptococcus or a staphylococcus infection. In a few instances hemolytic streptococcus pneumonia directly followed influenza without an intervening pneumococcus infection. B. influenzæ was present in varying numbers in nearly all cases. In only 2 instances however, was it found unassociated with pneumococci or hemolytic streptococci, once alone and once with S. viridans.
Clinically the cases fell into four main groups: (1) Lobar pneumonia; (2) lobar pneumonia with purulent bronchitis; (3) bronchopneumonia (pneumococcus); (4) bronchopneumonia (streptococcus). It should be borne in mind, however, that the picture was a complex one and that correct clinical interpretation was not always possible, since many cases did not conform sharply to any one type and superimposed infections during the course of the disease often modified the picture.
Pneumococcus Pneumonia Following Influenza.—Bacteriologic examination of selected and washed specimens of 61sputum coughed from the lungs at time of onset of pneumonia showed the various immunologic types of pneumococcus to be present in 105 cases. The incidence of the different types is shown in Table XIV.
| Table XIV | ||||
|---|---|---|---|---|
| Types of Pneumococcus in 105 Cases of Pneumococcus Pneumonia Following Influenza | ||||
| LOBAR PNEUMONIA | BRONCHOPNEUMONIA | TOTAL | PER CENT | |
| Pneumococcus, Type I | 8 | 0 | 8 | 7.6 |
| Pneumococcus, Type II | 3 | 1 | 4 | 3.8 |
| Pneumococcus, II atyp. | 12 | 7 | 9 | 18.1 |
| Pneumococcus, Type III | 3 | 3 | 6 | 5.7 |
| Pneumococcus, Group IV | 32 | 36 | 68 | 64.8 |
The most noteworthy feature of the figures in Table XIV is the high proportion of pneumonias due to types of pneumococci found in the mouths of normal individuals, 93 cases or 88.6 per cent, being caused by Pneumococcus Types II atypical, III, and IV. This is in harmony with the results generally reported and is in all probability due to the fact that in patients with influenza pneumococci, which under normal conditions would fail to cause pneumonia, readily gain access to the respiratory tract and produce the disease. It is also of interest that with one exception the highly parasitic pneumococci of Types I and II were associated with pneumonias clinically lobar in type.
Superimposed infection of the lungs with other types of pneumococci than those primarily responsible for the development of pneumonia occurred not infrequently in this group of cases either during the course of the disease or shortly after recovery from the first attack of pneumonia. Pneumococcus Type II infection was superimposed upon or shortly followed pneumonia caused by Group IV pneumococci in 4 instances, by Pneumococcus II atypical in 1 instance. In 1 case pneumonia due to Pneumococcus II atypical occurred three days after recovery from a Pneumococcus Type I pneumonia, in another case Pneumococcus 62Type III infection was superimposed upon a pneumonia originally due to a pneumococcus of Group IV. These cases are presented in detail in another section of this report, and in several instances were shown to be directly due to contact infection from patients in neighboring beds.
In a similar manner, superimposed infection with S. hemolyticus at some time during the course of the pneumonia occurred in 13 cases in this group, with fatal result in all but one. Streptococcus infection occurred in pneumonia due to Pneumococcus II atypical once, to Pneumococcus Type III once, and to pneumococci of Group IV eleven times. Nine of these cases were free from hemolytic streptococci at the time of onset of the pneumonia, 4 showed a very few colonies of hemolytic streptococci in the first sputum culture made.
B. influenzæ was found in the sputum coughed from the deeper air passages in the majority of cases, being present in 80, or 76.2 per cent, of the 105 cases. In the 58 cases of lobar pneumonia it was found 41 times, or 70.7 per cent, in the 47 cases of bronchopneumonia 39 times, or 82.9 per cent. The abundance of B. influenzæ in the sputum varied greatly in different cases. Microscopic examination of stained sputum films and direct culture of the sputum on blood agar plates showed that in general it was more abundant in the mucopurulent sputum from cases of bronchopneumonia than in the mucoid rusty sputum from cases of lobar pneumonia. This was by no means an invariable rule, however, since in the former the bacilli were sometimes very few in number, in the latter quite abundant. Whether B. influenzæ shared in the production of the actual pneumonia in these cases is difficult to decide and cannot be stated on the basis of the bacteriologic and clinical observations which have been made.
Clinical Features.—One of the most striking aspects of pneumococcus pneumonia following influenza was the diversity of clinical pictures presented. These varied all 63the way from the classical picture of lobar pneumonia to that of bronchopneumonia of all grades of severity from the rapidly fatal coalescing type to that of very mild character with very slight signs of consolidation. For this reason it is questioned whether there is any real justification for speaking of a typical influenzal pneumonia, an opinion that seems well supported by the diversified picture found at the necropsy table.
For purposes of presentation, pneumococcus pneumonia following influenza may be divided into three clinical groups: (1) Lobar pneumonia; (2) lobar pneumonia with purulent bronchitis; (3) bronchopneumonia. No accurate data are available as to the relative frequency with which these three types occurred at Camp Pike. In the group of 105 cases studied there were 58 cases of lobar pneumonia, 11 of which had purulent bronchitis, and 47 cases of bronchopneumonia. The majority of these cases, however, occurred during the early days of the epidemic of influenza and probably show a considerably higher proportion of lobar pneumonias than actually occurred in the total number of pneumonias throughout the epidemic. This is indicated by the fact that of 100 consecutive cases of influenza selected for observation at the height of the epidemic, 3 developed clinical evidence of lobar pneumonia and 12 of bronchopneumonia.
(1) Lobar pneumonia presenting the typical clinical picture with sudden onset, tenacious rusty sputum, sustained temperature, and physical signs of complete consolidation of one or more lobes occurred in 47 cases; 36 cases in this group definitely followed influenza. In 11 cases no certain clinical evidence of a preceding influenza was obtained, and it is probable that some of these represent cases of pneumonia occurring independently of the epidemic of influenza.
The onset of pneumonia in this group of cases occurred from four to nine days after the onset of influenza and with few exceptions was ushered in by a chill and pain in the 64chest. In several instances the patient had apparently recovered from influenza as evidenced by fall of temperature to normal. After twenty-four to seventy-two hours of normal temperature the patient would have a chill and develop lobar pneumonia. In the majority of cases, however, lobar pneumonia developed while the patient was still sick with influenza. The course of the disease, symptomatology and physical signs were quite characteristic of lobar pneumonia and require no special comment. Recovery by crisis occurred in 21 cases, by lysis in 8. Pneumococcus empyema developed in 3 cases, fibrinopurulent pericarditis in 3 and all but 1 of these 6 cases terminating fatally.
In Table XV 5 fatal cases of lobar pneumonia, which illustrate some of the unusual features of the disease when it follows influenza, have been summarized. The first 2 cases represent examples of recurring attacks of pneumonia which developed shortly after recovery from the first attack, in both instances being due to types of pneumococci different from those causing the first attack. The third case represents an example of superimposed infection of the lungs with hemolytic streptococci and staphylococci during the course of a pneumonia due to Pneumococcus IV and disappearance of the latter organism from the tissues so that it was not found at time of necropsy. The last 2 cases are examples of fulminating rapidly fatal cases of lobar pneumonia associated with mixed infections of pneumococci and hemolytic streptococci, the streptococci probably being secondary in both cases. Cases like the few examples cited above, which occurred not infrequently throughout the epidemic of influenza, serve to illustrate the difficulties which may be met in attempting to correlate the clinical, bacteriologic and pathologic features of pneumonia following influenza unless careful bacteriologic examinations are made both during life and at the necropsy table in the same group of cases.
| Table XV | |||||||
|---|---|---|---|---|---|---|---|
| Cases of Lobar Pneumonia Following Influenza | |||||||
| CASE | ONSET OF INFLUENZA | ONSET OF PNEUMONIA | SPUTUM EXAMINATION | COURSE OF PNEUMONIA | NECROPSY | ||
| DATE | BACTERIOLOGY | DIAGNOSIS | BACTERIOLOGY | ||||
| Pul | Sept. 7 | Sept. 9 1st attack bronchopn. | Sept. 10 | Pn. IV ++++ B. inf. +++ |
Recovery by crisis on Sept. 14. On Sept. 21 developed lobar pneumonia. Died Sept. 30 | Lobar pneumonia. Gray hepatization L.L, L.U, R.L. | H.B. Pn. II Br. Pn. II ++++ B. inf. +++ R.L. Pn. II + + |
| Lew | Sept. 16 | Sept. 20 chill | Sept. 22 | Pn. I +++ B. inf. + |
Lobar pn., recovery by crisis Sept. 29. Developed 2nd attack lobar pn. on Oct. 2. Died Oct. 8 | Lobar pneumonia. Gray hepatization R.U. Fibrinopurulent pleurisy | H.B. Pn. II atyp. Br. B. inf. ++++ Pn. IIa +++ S. hem. + Staph. + R.U. Pn. IIa ++++ |
| Col | Sept. 20 | Sept. 24 | Sept. 27 | Pn. IV ++ | Severe lobar pneumonia. Died on Sept. 30 | Lobar pneumonia. Red hepatization all lobes. Serofibrinous pl., rt. 125 c.c. | H.B. S. hem. Br. S. hem. ++++ Staph. + L.L. S. hem. ++++ Staph. + |
| Gar | Sept. 23 | Sept. 28 | Sept. 30 | Pn. IV ++ S. hem. + B. inf. + |
Fulminating rapidly fatal lobar pneumonia. Died Sept. 30 | Lobar pneumonia. Engorgement and red hepatization L.U., R.U. | H.B. S. hem. Br. S. hem. ++++ B. inf. +++ L.U. S. hem. ++++ |
| Hol | Sept. 25 | Sept. 30 | Sept. 30 | Pn. III ++ B. inf. ++ |
Fulminating rapidly fatal lobar pneumonia. Died Oct. 1. | Lobar pneumonia. Engorgement all lobes | H.B. sterile Br. B. inf. ++++ Pn. III ++ S. hem. + R.L. Pn. III ++++ B. inf. ++ S. hem. + |
| L.L. R.L., etc., indicates lobes involved. H. B. = Heart’s blood. Br. = bronchus. | |||||||
66(2) There were 11 cases of lobar pneumonia with purulent bronchitis in the group studied. Clinically, they closely resembled the cases in the preceding group except in so far as the picture was modified by the presence of the purulent bronchitis. All directly followed influenza. The sputum, instead of being rusty and tenacious, was profuse and mucopurulent, usually streaked with blood. Stained films and direct culture on blood agar plates showed pneumococci in abundance and B. influenzæ in varying numbers, in only two instances the predominant organism. The physical signs were those of lobar pneumonia with, in addition, those of a diffuse bronchitis as manifested by medium and coarse moist râles throughout both chests. Five cases recovered by crisis; 6 terminated fatally and in all of them the clinical diagnosis of lobar pneumonia with purulent bronchitis was confirmed at necropsy.
(3) Forty-seven cases in the group studied presented the clinical picture of bronchopneumonia. The onset of pneumonia in these cases was in most instances insidious and appeared to occur as a continuation of the preceding influenza. The temperature, instead of falling to normal after from three to four days, remained elevated or rose higher, the respiratory rate began to rise, a moderate cyanosis appeared, the cough increased, and the sputum became more profuse, usually being mucopurulent and blood streaked, sometimes mucoid with fresh blood. The pulse showed little change at first, being only moderately accelerated. Pleural pain, so characteristic of the onset of lobar pneumonia, was rarely complained of, but a certain amount of substernal pain was common, probably due to the severe tracheobronchitis. Physical examination at this time revealed small areas showing relative dullness, diminished or nearly absent breath sounds, and fine crepitant râles. These areas usually appeared first posteriorly over the lower lobes.
67The subsequent course of the disease showed the widest variation from mild cases with limited pulmonary involvement going on to prompt recovery in four or five days with defervescence by lysis or crisis to those presenting the picture of a rapidly progressive and coalescing pneumonia with fatal outcome. In the milder cases the diagnosis of pneumonia depended in considerable part upon the general symptoms of continued fever, increased respiratory rate, and slight cyanosis. Definite pulmonary signs were always present if carefully looked for, though sometimes not outspoken. Areas of bronchial breathing and bronchophony often appeared late, sometimes not until the patient was apparently recovering. In the severe cases cyanosis became intense and an extreme toxemia dominated the picture. In certain of these cases there was an intense pulmonary edema. The respiratory rate showed wide variation, the breathing in some cases being rapid and gasping, in others comparatively quiet. Progressive involvement of the lungs occurred with the development of marked dullness, loud bronchial breathing and bronchophony. Abundant medium and coarse moist râles were heard throughout the chest, probably due in considerable part to the extensive bronchitis almost universally present. An active delirium was not uncommon. Signs of pleural involvement, even in the most severe and extensive cases, rarely occurred, except in those cases in which a hemolytic streptococcus infection supervened.
Of the 47 cases in this group, 29 recovered; 14 by crisis, 15 by lysis. The average duration of illness from the onset of influenza until recovery from the pneumonia was ten days, the majority of these cases being relatively mild in character with pneumonia of three to six days’ duration. Empyema with ultimate recovery occurred in 1 of these cases, Pneumococcus Type II being the causative organism.
There were 18 fatal cases in the group. Nine of these are summarized in Table XVI as illustrative of the frequently 68complex character of bronchopneumonia following influenza and because of the interest attaching to the bacteriologic examinations made during life and at necropsy. Case 70 is a typical instance of the rapidly progressive type of confluent lobular pneumonia with extensive purulent bronchitis, intense cyanosis, and appearance of suffocation, with which pneumococci, in this case Pneumococcus IV, and B. influenzæ are commonly associated. Case 59 is illustrative of the small group of bronchopneumonias following influenza which die, often unexpectedly, after a long drawn out course, in this instance three weeks after onset. Examination of the sputum at the time the pneumonia began, showed Pneumococcus Type IV and B. influenzæ. At necropsy there was a lobular pneumonia with clustered small abscesses, probably due to a superimposed infection with S. aureus. There was a well-developed bronchiectasis in the left lower lobe. Cultures taken at autopsy showed a sterile heart’s blood, which is not infrequently the case in cases of pneumococcus lobular pneumonia after influenza. Cultures from the consolidated portions of the lung showed no growth, the pneumococcus having disappeared as might be expected from the duration of the case. B. influenzæ together with staphylococci were found in the bronchi. In Cases 50 and 56 a second attack of pneumonia caused by a different type of pneumococcus from that responsible for the first attack occurred, the second attack in both instances being due to contact infection with Pneumococcus Type II from a patient in a neighboring bed suffering with Pneumococcus Type II pneumonia. Both cases showed at necropsy the type of confluent lobular pneumonia so commonly found in pneumococcus pneumonias following influenza. Case 107 illustrates well the extent to which mixed infections may occur, especially when cases are treated in crowded hospital wards. The sputum at time of onset showed Pneumococcus IV in abundance and a few staphylococci. At necropsy there was a confluent lobular pneumonia with clustered abscesses, purulent bronchitis, and bronchiectasis in the left lower lobe. The heart’s blood was sterile, the lungs showed Pneumococcus Type III and staphylococci. B. influenzæ was not found, but through oversight, no cultures were taken from the bronchi. Cases 92, 99, 102, and 104 are all examples of superimposed hemolytic streptococcus infection occurring in the presence of a Pneumococcus Type IV pneumonia, with the picture of interstitial suppuration, abscess formation, and empyema due to S. hemolyticus on the background of a pneumococcus lobular pneumonia found at necropsy. All showed abundant pneumococci and B. influenzæ in the sputum and were free from hemolytic streptococci at time of onset of pneumonia, except Case 92 which showed 2 colonies of S. hemolyticus in the first sputum culture made. At time of death the pneumococci had disappeared in all cases and were replaced by hemolytic streptococci.
| Table XVI | |||||||
|---|---|---|---|---|---|---|---|
| Cases of Bronchopneumonia Following Influenza | |||||||
| CASE | ONSET OF INFLUENZA | ONSET OF PNEUMONIA | SPUTUM EXAMINATION | COURSE OF PNEUMONIA | NECROPSY | ||
| DATE | BACTERIOLOGY | DIAGNOSIS | BACTERIOLOGY | ||||
| 70 | Sept. 18 | Sept. 21 | Sept. 22 | B. inf. ++++ Pn. IV ++ |
Diffuse bronchitis with rapidly progressive confluent bronchopneumonia. Died Sept. 24 | Nodular and diffuse confluent lobular pneumonia. Purulent bronchitis. Bronchiectasis | H.B. sterile Br. B. inf. ++++ Pn. IV ++ Lun. B.inf. +++ Pn. IV +++ |
| 59 | Sept. 13 | Sept. 18 | Sept. 19 | Pn. IV +++ B. inf. + |
Bronchopneumonia with long drawn out course. Died Oct. 4 | Lobular pneumonia, with clustered abscesses. Bronchiectasis | H.B. sterile Br. B.inf. +++ Staph. ++ R.L. no growth. |
| 50 | Sept. 14 | Sept. 17 | Sept. 18 | Pn. IV +++ | Mild bronchopneumonia improving on Sept. 24. On Sept. 26 became suddenly worse and died on Sept. 30 | Nodular and confluent lobular pneumonia. Purulent bronchitis | H.B. sterile Br. B.inf. +++ Staph + R.L. Pn. II +++ B.inf. + L.U. Pn. II +++ |
| 56 | Sept. 10 | Sept. 17 | Sept. 18 | Pn. IIa +++ | Bronchopneumonia with recovery by crisis on Sept. 19. Developed a second attack of pneumonia and died Sept. 29 | Confluent lobular pneumonia | H.B. Pn. II Br. Pn. II +++ B.inf. ++ L.L. Pn. II +++ B.inf. + |
| 107 | Sept. 27 | Sept. 29 | Oct. 1 | Pn. IV +++ B. inf. + Staph. + |
Diffuse bronchitis and severe bronchopneumonia. Died Oct. 5 | Confluent lobular pneumonia with clustered abscesses. Pur. bronchitis and bronchiectasis | H.B. sterile R.L. Pn. III ++ Staph. ++ L.L. Staph. ++ |
| 92 | Sept. 23 | Sept. 28 | Oct. 1 | B. inf. +++++ Pn. IV +++ S. hem. 2 col. |
Severe bronchopneumonia with empyema. Died Oct. 5 | Lobular pneumonia. Empyema. Purulent bronchitis | H.B. S.hem. Br. B.inf. +++ S.hem. +++ R.L. S.hem. +++ B.inf. ++ Emp. S.hem. |
| 99 | Sept. 24 | Sept. 29 | Oct. 1 | B. inf. ++++ Pn. IV ++ S. vir. + |
Diffuse purulent bronchitis with bronchopneumonia. Died Oct. 7 | Bronchopneumonia. Purulent bronchitis | H.B. S.hem. Br. B.inf. +++ Lun. S.hem. +++ S.hem. ++ B. inf. + |
| 102 | Sept. 24 | Sept. 28 | Oct. 1 | Pn. IIa +++ B. inf. ++ |
Severe bronchopneumonia with empyema. Died Oct. 4 | Lobular pneumonia with interstitial suppuration. Pur. bronchitis. Empyema | H.B. S.hem. Br. B.inf. +++ S.hem. +++ R.L. S.hem. +++ |
| 104 | Sept. 26 | Oct. 1 | Oct. 1 | B. inf. ++++ Pn. IV +++ |
Diffuse purulent bronchitis with severe bronchopneumonia. Developed streptococcus empyema. Died Oct. 11 | Nodular bronchopneumonia with interstitial suppuration. Pur. bronchitis and bronchiectasis. Empyema. | H.B. S.hem. R.L. S.hem. ++++ Emp S.hem. |
70The cases cited in the preceding paragraph are illustrative examples from a series of over 250 necropsies which are described in another section of this report. They serve to indicate clearly the extent to which mixed and superimposed infections of the lungs may occur in pneumonia following influenza and leave little doubt that a considerable proportion of the deaths from influenzal pneumonia are due to this circumstance.
But 4 cases of hemolytic streptococcus pneumonia directly following influenza without an intervening pneumococcus infection of the lungs occurred in the group of cases studied clinically. Superimposed infection with S. hemolyticus, however, occurred not infrequently during the course of pneumococcus pneumonia following influenza, as has been stated above. This occurred 3 times in lobar pneumonia and 10 times in bronchopneumonia, with fatal outcome in all but 1 case.
71Bacteriology.—Bacteriologic examination of the sputum in the 4 cases of streptococcus pneumonia directly following influenza showed S. hemolyticus present in abundance. B. influenzæ was also present in large numbers in 3 cases, but was not found in the fourth. In 1 case a Gram-negative micrococcus resembling M. catarrhalis was also present in large numbers in the sputum. Pneumococci were not found either by direct culture on blood agar plates or by inoculation of the sputum intraperitoneally in white mice.
In the 13 cases of superimposed hemolytic streptococcus infection occurring during the course of pneumococcus pneumonia, bacteriologic examination of the sputum by direct culture and by mouse inoculation shortly after onset of the pneumonia showed Pneumococci (atypical II once, Type III once, Group IV eleven times) B. influenzæ present in large numbers, and no hemolytic streptococci except in 4 instances in which a very few organisms were present. Subsequent invasion of the lower respiratory tract by S. hemolyticus was shown to occur by means of cultures of empyema fluids or by cultures made at necropsy.
Clinical Features.—The 4 cases of hemolytic streptococcus pneumonia following influenza that occurred in this series resembled in all respects the secondary streptococcus pneumonias of the winter and spring of 1918 and presented no features requiring special comment. The onset resembled that of pneumococcus bronchopneumonia, the disease appearing to develop as a continuation of the preceding influenza. The sputum was profuse and mucopurulent in 3 cases, mucoid and bloody in the other. Two cases ran a severe and rapid course with the development of empyema early in the disease and fatal outcome. The other 2 cases ran only moderately severe courses without developing empyema and recovered by lysis in twenty and fifteen days, respectively, after the onset of influenza. Clinical differentiation between streptococcus and pneumococcus 72bronchopneumonia following influenza did not seem possible without bacteriologic examination of the sputum except in those cases of the streptococcus group which developed an extensive pleural effusion early in the disease.
The advent of superimposed hemolytic streptococcus infection of the lower respiratory tract during the course of pneumococcus pneumonia following influenza presented no clinical features that made diagnosis certain without bacteriologic examination. The sudden occurrence of a pleural exudate during the course of the disease seemed of particular significance, especially since empyema in the bronchopneumonias following influenza was exceedingly rare in the absence of hemolytic streptococcus infection. Other suggestive symptoms were a chill during the course of the disease, a sudden turn for the worse in cases apparently doing well, or the development of a cherry red cyanosis. None of these features, however, was sufficiently constant or distinctive of streptococcus invasion to be depended upon and when they occurred, were merely indications for further bacteriologic examination.
Bacteriologic evidence that cases of pneumonia following influenza might be due to B. influenzæ alone was very meager in the group of cases studied clinically at Camp Pike; in fact, no convincing evidence was obtained that such cases occurred. In one case B. influenzæ alone was found in the sputum coughed from the deeper air passages, and in another case B. influenzæ with a few colonies of S. viridans was found. Both were cases of bronchopneumonia, mild in character, and recovered promptly. They presented no clinical features by which they could be distinguished from cases of pneumococcus bronchopneumonia.
It has been previously stated that B. influenzæ was found in all early uncomplicated cases of influenza somewhere in the respiratory tract; that it was present together with 73other organisms, notably pneumococcus in the sputum from cases of purulent bronchitis following influenza; and that it was found in the sputum coughed from the lung in approximately 80 per cent of cases of pneumonia complicating influenza. In 35 cases it was very abundant, often being the predominating organism. In all these cases, however, pneumococci or hemolytic streptococci were also present in considerable numbers at the time of onset of the pneumonia. It is impossible to say merely from the clinical and bacteriologic data under consideration what part B. influenzæ played in the development of the actual pneumonia in these cases. Discussion of this subject is therefore reserved for the section of this report dealing with the pathology and bacteriology of pneumonia following influenza.
Influenza as observed at Camp Pike presented itself as a highly contagious infectious disease, the principal clinical manifestations of which were, sudden onset with high fever, profound prostration with severe aching pains in the head, back and extremities, erythema of the face, neck and upper chest with injection of the conjunctivæ, and a rapidly progressive attack upon the mucous membranes of the respiratory tract as evidenced by coryza, pharyngitis, tracheitis and bronchitis with their accompanying symptoms. In the majority of cases it ran a short self-limited course, rarely of more than four days’ duration, and was never fatal in the absence of a complicating pneumonia.
Bacteriologic examination in early uncomplicated cases of the disease showed the B. influenzæ of Pfeiffer to be present in all cases, often in predominating numbers. It was found more abundantly present during the acute stage of the disease than during convalescence in uncomplicated cases. No other organisms of significance were encountered by the methods employed.
74Purulent bronchitis of varying extent developed in approximately 35 per cent of the cases and often prolonged the course of the illness to a considerable extent. Bacteriologic studies showed that it was invariably associated with a mixed infection of the bronchi with B. influenzæ and other bacteria, in most instances the pneumococcus, and indicated that it should be regarded as a complication rather than as an essential part of influenza. Its clinical features consisted of a mild febrile reaction, frequent cough with the raising of considerable amounts of purulent sputum, and the physical signs of a more or less diffuse bronchitis. It led to a varying degree of bronchiectasis in at least some instances.
Pneumonia complicating influenza presented a very diversified picture and appeared to have only one constant character, namely, that influenza was the predisposing cause. It may be best classified on an etiologic basis since the clinical features to some extent and the pathology to a much greater extent depended upon the infecting bacteria in a given case.
Bacteriologic examination showed that a very large proportion of the cases was due to infection with the different immunologic types of pneumococci or to a mixed infection with B. influenzæ and pneumococci. The types of pneumococci commonly found in normal mouths, namely, II atypical, III, and IV, comprised approximately 88 per cent of these, the highly parasitic Pneumococci Types I and II, but 12 per cent. A small number of cases were due to hemolytic streptococci or to mixed infection with B. influenzæ and S. hemolyticus. No certain evidence was obtained that pneumonia was due to B. influenzæ alone. This organism was present in varying numbers, however, in approximately 80 per cent of the sputums examined, and it seems fairly certain that it must have played at least a part in the development of the pneumonia in many of the cases in which it was found. Superimposed infections 75with other types of pneumococci than those primarily responsible for the development of pneumonia, with hemolytic streptococci and with Staphylococcus aureus occurred frequently in cases of pneumococcus or mixed pneumococcus and B. influenzæ pneumonia and undoubtedly contributed to a considerable extent in increasing the number of deaths.
Three clinical types of pneumococcus pneumonia following influenza occurred: lobar pneumonia, lobar pneumonia with purulent bronchitis, and bronchopneumonia. Lobar pneumonia was usually sudden in onset and ran the characteristic course of the primary disease. Lobar pneumonia with purulent bronchitis similarly ran the characteristic course of the primary disease but presented the unusual picture of lobar pneumonia with mucopurulent rather than rusty, tenacious sputum and numerous moist râles throughout the unconsolidated portions of the lungs. The cases of bronchopneumonia ran a very variable course from mild cases of a few days’ duration and meager signs of consolidation to rapidly progressive cases with signs of extensive pulmonary involvement. Purulent bronchitis was very frequently associated with bronchopneumonia.
Hemolytic streptococcus pneumonia following influenza presented the clinical picture of bronchopneumonia and was not readily distinguished on clinical grounds from pneumococcus bronchopneumonia except in those cases which developed a pleural exudate early in the disease. The advent of tertiary infection of the lower respiratory tract with hemolytic streptococci in cases of secondary pneumococcus pneumonia presented no symptoms sufficiently constant or certain to make clinical diagnosis easy. The development of empyema in pneumococcus bronchopneumonia usually meant streptococcus infection.
Pure B. influenzæ pneumonia, if such cases existed, presented no diagnostic features by which it could be distinguished from pneumococcus bronchopneumonia following influenza. It was impossible to determine on clinical and 76bacteriologic grounds alone what part the prevalent influenza bacilli played in the causation of the actual pneumonia.
That wide variations in the conception of influenza have arisen during the recent pandemic, even a hasty review of the literature makes clear. In its essence this divergence of opinion seems to depend upon whether pneumonia is considered an essential part of influenza or a complication due either to the primary cause of influenza or to secondary infection. One extreme is expressed by Dunn[30] who says “the so-called complication is the disease,” the other by Fantus[31] who finds influenza a relatively mild disease with pneumonia a relatively infrequent and largely preventable complication.
A similar divergence of opinion prevails with respect to the bacteriology of influenza. There is fairly general agreement that the members of the pneumococcus and streptococcus groups and to a less extent other organisms are responsible for a large proportion of the secondary pneumonias, and but few observers hold that they possess any etiologic relationship to influenza. No such uniformity of opinion exists, however, with respect to the relation of B. influenzæ to influenza and to the complicating pneumonia. By some it is considered the primary cause of influenza, by others it is regarded as a secondary invader responsible for a certain proportion of the secondary pneumonias, and by still others it is not considered to bear any relation either to influenza or its complications.
A limited number of references to the extensive literature of the recent pandemic will amply serve to illustrate the various points of view that have developed.
Keegan[32] regards pneumonia as a complication and considers that B. influenzæ, the probable cause of influenza, is 77the primary cause of the pneumonia which may or may not be still further complicated by pneumococcus or streptococcus infection as a terminal event. Christian[33] states that epidemic influenza causes a clinically demonstrable bronchitis and bronchopneumonia in the larger proportion of cases, and lays particular emphasis upon the fact that it is quite incorrect to consider fatalities in the epidemic as due to influenza uncomplicated by bronchopneumonia. Blanton and Irons[34] speak of influenza as an “antecedent respiratory infection” of undetermined etiology, and believe that pneumonia when it occurs is due to autogenous infection by a variety of secondary invaders, principally of the pneumococcus and streptococcus groups. Hall, Stone, and Simpson[35] regard pneumonia strictly as a complication and quite distinct from influenza itself. Synnott and Clark[36] believe that the infection is characterized by a progressive intense exudative inflammation of the respiratory tract often terminating in an aspiration pneumonia with a variety of conditions found at autopsy and a multiplicity of secondary organisms responsible for the fatal termination. B. influenzæ was usually found but always with other organisms. Friedlander and his collaborators[37] speak of a fulminating fatal type of influenza with acute inflammatory pulmonary edema, but regard true bronchopneumonia as secondary, due to infection with pneumococcus or S. hemolyticus. B. influenzæ was not found more frequently than under normal conditions. Brem[38] and his collaborators present a clear cut clinical picture both of influenza and the secondary pneumonia to which it predisposes, regarding the latter as definitely due to secondary infection with pneumococcus, streptococcus or B. influenzæ, the virus of influenza being unknown. Ely[39] and his collaborators 78make no distinction between influenza and pneumonia, and apparently consider the epidemic due to a hemolytic streptococcus of indefinite and inconstant characters. The Camp Lewis Pneumonia Unit[40] states “the process [influenza], whether mild or severe, is etiologically and pathologically the same; * * *.” B. influenzæ was not found. In a report of The American Public Health Association[41] it is stated that deaths resulting from influenza are commonly due to pneumonias resulting from an invasion of the lungs by one or more forms of streptococci, by one or more forms of pneumococci, or by the so-called influenza bacillus. This invasion is apparently secondary to the initial attack. Wolbach[42] found B. influenzæ in a high proportion of cases, not infrequently in pure culture in the lung, and believes that there is a true influenzal pneumonia whether B. influenzæ is the cause of the primary disease or not. Spooner, Scott and Heath[43] isolated B. influenzæ in a high percentage of cases and consider it reasonable to suppose that it was the prime factor in the epidemic. Kinsella[44] found B. influenzæ infrequently and regards it as a secondary invader. MacCallum[45] regards B. influenzæ as a secondary invader and believes that it is responsible for a form of purulent bronchitis and bronchopneumonia following certain cases of influenza. Pritchett and Stillman[46] found B. influenzæ in 93 per cent of cases of influenza and bronchopneumonia. Hirsch and McKinney[47] state that B. influenzæ played no rôle in the epidemic at Camp Grant and apparently consider it due to a specially virulent pneumococcus.
No further references to the extensive literature of the recent pandemic seem necessary, since those cited above serve to illustrate the various points of view that exist. 79A similar diversity of opinion may be found in the reports from foreign sources.
It would appear that much of the divergence of opinion that has been formed has depended to a considerable extent upon the conditions under which cases have been observed. This is clearly brought out by contrasting the experience of Fantus[39] dealing with private cases in civilian practice, where pneumonia was relatively uncommon, with that of others dealing only with cases in large hospitals, where those admitted have been in large part selected seriously ill patients with a high incidence of pneumonia, the milder cases comprising from 60 to 90 per cent of those attacked by influenza never reaching the hospital. Variations in opinion with respect to the bacteriology of the epidemic, especially in regard to B. influenzæ, would appear to be due for the most part to differences in bacteriologic technic, in some degree to differences in interpretation. Accumulating evidence can leave little doubt that B. influenzæ was at least extraordinarily and universally prevalent throughout the period of the epidemic and thereafter, and that earlier reports of failure to find it were due to the use of methods unsuitable for its detection and isolation.
The opportunity afforded the commission at Camp Pike to devote their full time to a systematic and correlated group study of the epidemic simultaneously from many aspects throughout its whole course made it apparent that influenza per se is in the large majority of instances, in spite of the initial picture of profound prostration, a relatively mild disease which tends to rapid spontaneous recovery. This opinion is supported by the fact that the disease during the first waves of the epidemic in this country, which it is now recognized occurred pretty generally in the army camps during the spring of 1918, was so mild that it attracted only passing attention, since the disease at that time was not sufficiently virulent to predispose to any alarming amount of pneumonia. With the return of 80the epidemic in the late summer and early fall, however, the disease had attained such a high degree of virulence that it predisposed to an appalling amount of severe and often rapidly fatal pneumonia, which often detracted attention from the real nature of the preceding disease. Yet even during the fall epidemic from 60 to 90 per cent of the cases of influenza proceeded to rapid recovery without developing complications. On this ground alone it would seem only logical to regard pneumonia strictly as a complication of influenza rather than as an essential part of the disease, irrespective of whether the pneumonia may be caused by the primary cause of influenza or not. The complexity of the clinical features, the bacteriology and pathology of the pneumonias following influenza lend further support to this opinion.
It seems better, therefore, to consider influenza first as a disease by itself and subsequently to take up the question of pneumonia and the relation of influenza to it.
The most striking clinical features of influenza are its epidemic character, its involvement of the respiratory tract, its extremely prostrating effect, and the often surprising rapidity with which the individual cures himself. These features strongly suggest that the etiologic agent of the disease is an organism subject to rapid changes in virulence; that it is confined to the respiratory tract where it produces a superficial inflammatory reaction giving rise to the characteristic symptoms of coryza, pharyngitis and tracheitis; that it elaborates a poison, possibly a true toxin, readily absorbed by the lymphatics, the effect of which is manifested in the profound prostration, severe aching pains, erythema, and leucopenia; and that it may either disappear promptly from the respiratory mucous membrane at time of recovery or may persist, leading a relatively saprophytic existence for an indefinite period of time, being no longer harmful to the individual, at least more than locally, because of an acquired immunity. Furthermore, 81in our opinion, the very brief incubation period suggests that the disease is bacterial in origin, rather than that it is analogous to the exanthemata, the majority of which present a comparatively long, fairly constant, incubation period.
B. influenzæ has characteristics in accord with the clinical features of influenza. It is an organism of very labile virulence; it is always present in our experience on the mucous membranes of the respiratory tract in early uncomplicated cases of influenza, often in overwhelming numbers; in only very exceptional instances, in adults at least, does it invade the body producing a general infection, as the numerous reports of negative blood cultures testify; recent investigations by Parker[48] and others indicate that it is capable of producing a toxin quickly fatal for rabbits; it is predominantly present in the respiratory tract during the active stage of the disease and disappears in a considerable proportion of cases at time of recovery, while in others, more particularly those that develop an extensive secondary bronchitis and bronchiectasis it may persist for an indefinite period of time.
It is, of course, fully appreciated that the foregoing is in the main merely argumentative reasoning and it is put forth only to suggest that B. influenzæ merits a much closer scrutiny with respect to its etiologic relationship to influenza than the trend of present opinion has awarded it.
Although there remains some difference of opinion as to the relation of influenza to pneumonia, the majority of observers concur in regarding pneumonia as a complication and this would seem to be the only logical interpretation of the facts available. The same may be said with respect to purulent bronchitis and bronchiectasis. It is of considerable significance in this connection that pneumonia following influenza presents no uniform clinical picture, no uniform bacteriology and no uniform pathology. Whether the 82predisposition of patients with influenza to contract pneumonia is preponderantly due to lowering of general resistance to infection by the extremely prostrating effect of the disease and the inhibition of leucocytic defense, or to a destruction of local resistance against bacterial invasion by reason of profound injury to the bronchial mucosa, or to a combination of both factors, is difficult to say. It seems most probable that both are concerned. At any rate it seems clear that in the presence of influenza a considerable variety of organisms which under ordinary conditions do not find lodgement in the lungs are able to gain access to the lower respiratory tract and produce pneumonia.
One of the most pressing problems that presented itself in the care of influenza and pneumonia patients in the army cantonments during the recent epidemic was the danger of secondary contact infection because of the overcrowding of the base hospitals, nearly all of which were taxed far beyond the limits of their capacity. That this danger was very real was fully demonstrated by certain studies in ward infection that this commission was able to make at Camp Pike[49]. It is the purpose of the present section of the report to present these studies and to discuss the means whereby this danger may be most successfully met.
It is perhaps well, first to define exactly what is meant by secondary contact infection in influenza and pneumonia. In our experience at Camp Pike it was found that a very large percentage of the pneumonias following influenza were accompanied by secondary infection with pneumococcus, some few being caused by hemolytic streptococcus. The types of pneumococcus encountered were almost entirely those that are found normally in the mouths of healthy men, approximately 85 per cent being Types II atypical, III, and IV. It has been generally accepted that infection with these types of pneumococci is usually autogenous—that is, that under the proper conditions of lowered resistance an individual becomes infected with the pneumococcus that he carries in his own mouth. Many observations 84made during the course of the present work have suggested that this is probably not so in many instances and that the influenza patient may not be so much in danger from the pneumococcus that he normally carries in his own mouth as he is from that carried by his neighbor, in other words, he is in danger from contact infection. The same considerations hold true with respect to hemolytic streptococcus infection. Secondary contact infection in cases of already existing pneumonia following influenza were found to occur frequently. These were for the most part caused by hemolytic streptococcus infection superimposed upon a pneumococcus pneumonia. Many instances of double pneumococcus infection, however, either coincident with or following one another were encountered.
Pneumonia caused by streptococci was repeatedly observed[50] during the pandemic of influenza which occurred in 1889–90. With clearer recognition of the characters which distinguish varieties of streptococci several observers have shown that secondary infection with hemolytic streptococci may occur during the course of pneumonia and though definite evidence has been lacking have suggested that it may be acquired within hospital wards. That a similar secondary infection with S. hemolyticus in pneumococcus pneumonias following influenza occurred not infrequently at Camp Pike during the epidemic was shown by bacteriologic studies made during life and at autopsy in a considerable series of cases. During the early days of the epidemic of influenza, secondary streptococcus infection was almost entirely limited to certain wards which were opened for the care of the rapidly increasing number of patients with pneumonia. During this period these wards were overcrowded, organization was incomplete, and the opportunities for transfer of infection from patient to patient 85were almost unlimited. The spread of streptococcus contagion and its fatal effect may be clearly brought out by comparison of these wards with wards that had long been organized for the care of patients with pneumonia.
Ward 3 had been in use for the care of patients with pneumonia for some time prior to the outbreak of influenza. It was provided with sheet cubicles and conducted by medical officers, nurses and enlisted men accustomed to the care of patients with pneumonia, ordinary precautions being taken against transfer of infection from one patient to another. The data in Table XVII show the average number of patients in the ward, the number of new cases of pneumonia admitted, and the number of deaths among patients admitted during the corresponding period, for three periods of ten days each from September 6 to October 5. The types of infection in fatal cases as determined by cultures taken at autopsy are also shown.
| Table XVII | |||||||
|---|---|---|---|---|---|---|---|
| Pneumonia in Ward 3 | |||||||
| AVERAGE NUMBER OF PATIENTS IN WARD | NUMBER OF PATIENTS ADMITTED | TOTAL DEATHS AMONG PATIENTS ADMITTED DURING THE CORRESPONDING PERIOD | CULTURES AT AUTOPSY | ||||
| NUMBER | PER CENT | PNEUMOCOCCUS | S. HEMOLYTICUS | UNDETERMINED (NO AUTOPSY) | |||
| Sept. 6–15 | 18.6 | 11 | 3 | 27.2 | 3 | 0 | 0 |
| Sept. 16–25 | 46.1 | 52 | 16 | 30.7 | 13 | 1 | 2 |
| Sept. 26–Oct. 5 | 58.6 | 23 | 8 | 34.7 | 5 | 1 | 2 |
During the period from September 6 to 15, just prior to the outbreak of influenza in epidemic proportions, the ward had an average population of 18.6 patients. The total number of new patients admitted was 11, of whom 3 died, a mortality of 27.2 per cent. All these cases were pneumococcus pneumonias as determined by bacteriologic examination of the sputum at time of admission. The 3 fatal cases showed pneumococcus infection at autopsy. During the second period, from September 16 to 25, with the outbreak 86of the epidemic of influenza, the ward rapidly filled with new cases of pneumonia, attaining an average population of 46.1 patients. Of the 52 new cases admitted 16 died, a mortality of 30.7 per cent. Again all the cases admitted during this period in which bacteriologic examination of the sputum was made, were found to be pneumococcus pneumonias with one exception. This case, admitted on September 21 and dying two days later, had a hemolytic streptococcus pneumonia. Fortunately, though quite by accident, he was placed in a bed at one end of the porch and no transmission of streptococcus infection to other cases in the ward took place. At autopsy 13 cases showed pneumococcus infection; the foregoing case, hemolytic streptococcus. During the third period from September 26 to October 5 the ward became even more crowded, having an average of 58.6 patients; 23 new cases were admitted, 8 of whom died, a mortality of 34.7 per cent. Autopsy showed that 5 of these were pneumococcus pneumonias and 1 was caused by hemolytic streptococcus infection. It is noteworthy that the death rate from pneumonia gradually increased as the ward became more and more crowded. This may possibly be attributed in part to the increasing severity of the pneumonia during the early days of the influenza epidemic. That it was in part directly due to secondary contact infection with pneumococcus will be shown when the transmission of pneumococcus infection is discussed. In spite of the overcrowding of the ward the introduction of 2 cases of streptococcus pneumonia did not cause an outbreak of streptococcus infection. Whether this was due to precautions taken against the transfer of infection or was merely a matter of good luck is difficult to say, in view of the fact that a considerable amount of transfer of pneumococcus infection from one patient to another did occur.
Ward 8 had long been used for the care of colored patients with pneumonia. As in Ward 3 cubicles were in use 87and ordinary precautions against the transfer of infection were used. The data are presented in Table XVIII.
| Table XVIII | |||||||
|---|---|---|---|---|---|---|---|
| Pneumonia in Ward 8 | |||||||
| AVERAGE NUMBER OF PATIENTS IN WARD | NUMBER OF PATIENTS ADMITTED | TOTAL DEATHS AMONG PATIENTS ADMITTED DURING THE CORRESPONDING PERIOD | CULTURES AT AUTOPSY | ||||
| NUMBER | PER CENT | PNEUMOCOCCUS | S. HEMOLYTICUS | UNDETERMINED (NO AUTOPSY) | |||
| Sept. | |||||||
| 6–20 | 25.5 | 18 | 2 | 11.1 | 2 | 0 | 0 |
| Sept. 21–Oct. 5 | 46.1 | 59 | 20 | 33.9 | 10 | 1 | 9 |
During the period from September 6 to 20, prior to the outbreak of influenza in epidemic proportions among the colored troops, the ward had an average population of 25.5 patients; 18 new cases of pneumonia were admitted during this period, all of whom were pneumococcus pneumonias as determined by bacteriologic examination of the sputum at time of admission to the ward. Only 2 died, a mortality of 11.1 per cent, autopsy cultures showing pneumococcus in both cases. All these patients were treated on the porch of the ward while they were acutely sick. During the second period from September 21 to October 5, when the influenza epidemic was at its height, the ward rapidly filled with active cases of pneumonia and became distinctly crowded. It contained an average of 46.1 patients, but had actually reached a population of 64 patients at the end of the period. Of the 59 new cases admitted, 20 died, a mortality of 33.9 per cent, 10 with pneumococcus pneumonia, one with hemolytic streptococcus pneumonia. In 9 there was no autopsy. The conditions in Ward 8 were quite analogous to those in Ward 3. In spite of the overcrowding during the second period no outbreak of secondary infection with S. hemolyticus occurred, but secondary pneumococcus infection did occur as will be shown below.
88In contrast with these two wards are Wards 1 and 2 in which widespread secondary contact infection with S. hemolyticus took place. Ward 2 was opened September 26, at the beginning of the period when 20 new wards for pneumonia were organized. From September 26 to October 1 the cubicle system was not in use, the ward was crowded, organization was imperfect, and few precautions were taken to prevent transfer of infection from one patient to another. On October 2 the cubicle system was installed and precautions against transfer of infection were instituted. The data are shown in Table XIX.
| Table XIX | ||||||||
|---|---|---|---|---|---|---|---|---|
| Pneumonia in Ward 2 | ||||||||
| AVERAGE NUMBER OF PATIENTS IN WARD | NUMBER OF PATIENTS ADMITTED | TOTAL DEATHS AMONG PATIENTS ADMITTED DURING THE CORRESPONDING PERIOD | CULTURES AT AUTOPSY | |||||
| NUMBER | PER CENT | PNEUMOCOCCUS | S. HEMOLYTICUS | UNDETERMINED (NO AUTOPSY) | ||||
| Sept. 26 | 10 | 10 | 40 | 27 | 67.5 | 0 | 23 | 4 |
| Sept. 27 | 27 | 17 | ||||||
| Sept. 28 | 40 | 13 | ||||||
| Sept. 29 | 51 | 12 | 17 | 6 | 35.3 | 2 | 2 | 2 |
| Sept. 30 | 49 | 1 | ||||||
| Oct. 1 | 43 | 4 | ||||||
| Oct. 2 | 47 | 6 | 10 | 4 | 40.0 | 2 | 1 | 1 |
| Oct. 3 | 42 | 0 | ||||||
| Oct. 4 | 41 | 4 | ||||||
During the first three days 40 patients with pneumonia were admitted to the ward. Of these 40 patients, 27 died, a mortality of 67.5 per cent. Cultures at autopsy showed that 23 of these died with hemolytic streptococcus infection, none of pneumococcus infection. In four there was no autopsy. To appreciate the full significance of these figures it must be emphasized that these patients at time of admission to the ward in no way differed from those admitted to Ward 3 during the corresponding period and were not in any sense selected cases. The type of infection in 9 of these patients had been determined by bacteriologic examination 89of the sputum just prior to or immediately after admission to the ward before opportunity for secondary contact infection in this ward had occurred. All 9 were shown to have pneumococcus pneumonia free from hemolytic streptococci at that time. All 9 died, 7 with secondary streptococcus infection as shown by cultures taken at autopsy, 1 with a secondarily acquired Pneumococcus Type III infection—sputum showed a Pneumococcus Type IV on admission—and in 1 there was no autopsy. In view of the fact that bacteriologic examination of the sputum in cases of pneumonia following influenza had shown that the large majority of them were due to pneumococcus infection, it is probable that most of the other cases of pneumonia admitted to this ward were pneumococcus pneumonias at time of admission, and that they acquired the streptococcus infection after admission.
During the next three days 17 new patients were admitted, of whom 6 died, a mortality of 35.3 per cent. Cultures at autopsy showed pneumococcus infection in 2, streptococcus in 2. It is noteworthy that the porch was first put into use on September 29. Of the 12 patients admitted on this date, 8 were treated throughout the acute stage of their illness on the porch. Of these 8 patients but one died, of a Pneumococcus Type IV infection and none became infected with S. hemolyticus. From October 4 to October 6, 10 patients were admitted, of whom 4 died. Cultures at autopsy showed pneumococcus infection in 2, hemolytic streptococcus in 1.
The widespread prevalence of hemolytic streptococcus infection in this ward as compared with its almost entire absence in Wards 3 and 8 is very striking. Cultures made during life and at autopsy have shewn clearly that it was due to rapid spread of contagion throughout the ward. The almost unlimited opportunities for transfer of infection from patient to patient, during the first six days the ward was in use, undoubtedly greatly facilitated this spread. 90From the data available it is impossible to state exactly when and by which patients hemolytic streptococcus infection was introduced into the ward, but it must have been very early since the death rate was very high from the beginning, and the first 23 cases coming to autopsy died with streptococcus infection.
Ward 1 was opened on September 24. From that date until October 2 no cubicles were in use and few precautions were taken against transfer of infection. On October 2 cubicles were installed and ordinary precautions to prevent transfer of infection were instituted. On October 6 the ward was closed to further admissions. The data presented in Table XX are divided into two periods, because on September 29 and 30, 4 patients with streptococcus pneumonia were admitted to the ward.
| Table XX | |||||||
|---|---|---|---|---|---|---|---|
| Pneumonia in Ward 1 | |||||||
| AVERAGE NUMBER OF PATIENTS IN WARD | NUMBER OF PATIENTS ADMITTED | TOTAL DEATHS AMONG PATIENTS ADMITTED DURING THE CORRESPONDING PERIOD | CULTURES AT AUTOPSY | ||||
| NUMBER | PER CENT | PNEUMOCOCCUS | S. HEMOLYTICUS | UNDETERMINED (NO AUTOPSY) | |||
| Sept. 24–29 | 35.8 | 34 | 11 | 32.3 | 5 | 3 | 3 |
| Sept. 30–Oct. 5 | 55.3 | 40 | 24 | 60.0 | 6 | 14 | 4 |
During the first period from September 24 to 29 the ward contained an average of 35.8 patients, being only moderately crowded; 34 cases of pneumonia were admitted, of whom 11 died, a mortality of 32.3 per cent. It is noteworthy that deaths among this group which occurred prior to September 30 were due to pneumococcus infection with one exception, a patient entering the ward on September 26 and dying the following day. Of the other 2 patients in this group who died with hemolytic streptococcus pneumonia, 1 was admitted to the ward on September 25, was 91shown to be free from S. hemolyticus on September 30, and died on October 12 with a secondarily acquired streptococcus pneumonia and empyema; the other was admitted on September 29 with streptococcus pneumonia and died the following day.
During the second period from September 30 to October 5 the ward contained an average of 55.3 patients, being very overcrowded; 40 new cases of pneumonia were admitted of whom 24 died, a mortality of 60 per cent. Cultures taken at autopsy showed that 6 died of pneumococcus pneumonia, 14 with hemolytic streptococcus infection. As in Ward 2, patients admitted to this ward were in no way selected and were probably, as experience has shown, in large part pneumococcus pneumonias at time of admission. The widespread dissemination of hemolytic streptococcus and its fatal effect following the introduction of the organism on September 29 and 30 is only too evident.
| Table XXI | |||||
|---|---|---|---|---|---|
| Secondary Infection with Pneumococcus Type II | |||||
| NAME | BED OCCUPIED | ADMITTED | PNEUMOCOCCUSIN SPUTUM ON ADMISSION | SECONDARY INFECTION | |
| DATE | PNEUMOCOCCUS AT AUTOPSY | ||||
| Pvt. Wolfe | No. 6 | Sept. 17 | IV | Sept. 23 | II[51] |
| Pvt. Pullam | No. 5 | Sept. 9 | IV | Sept. 24 | II |
| Pvt. Swain | No. 3 | Sept. 16 | II | ||
The foregoing studies have shown that hemolytic streptococcus infection may spread by contagion throughout an entire ward with great rapidity. Other observations have demonstrated that pneumococcus infection may be transmitted in the same way. Only three instances of this nature will be cited. The first occurred in Ward 3 (Table XXI). Between September 6 and 16 no cases of pneumonia caused by Pneumococcus Type II had been admitted to the ward. On September 16 Pvt. Swain was admitted to the ward and placed in Bed 3. Bacteriologic examination of his sputum showed that his pneumonia was caused by Pneumococcus Type II. At this time Pvt. Pullam, who had been admitted to the ward on September 9 with a pneumococcus Type IV pneumonia, occupied Bed 5 separated from Bed 3 by one intervening bed. He had had his crisis on September 14 and was doing well, his temperature being normal. On September 24 he developed a second attack of pneumonia and died on September 30. Cultures at autopsy showed Pneumococcus Type II in heart’s blood and lung, Pneumococcus Type II and B. influenzæ in the right bronchus. Pvt. Wolfe was admitted to the ward with bronchopneumonia on September 17 and placed in Bed 6 next to Pvt. Pullam. Pneumococcus Type IV and B. influenzæ were found in his sputum. His temperature had fallen to normal by lysis on September 21 and he was doing well. On September 23 his temperature suddenly rose and he developed a second attack of pneumonia. Pneumococcus Type II was isolated by blood culture on this date. He recovered. In both instances Pneumococcus Type II was acquired after the admission of a patient with a Pneumococcus Type II pneumonia, the opportunity for contact infection having been favored by the association of these patients in adjoining beds.
| 93 | |||||
| Table XXII | |||||
|---|---|---|---|---|---|
| Secondary Infection with Pneumococcus Type II | |||||
| NAME | BED OCCUPIED | ADMITTED | PNEUMOCOCCUS IN SPUTUM ON ADMISSION | SECONDARY INFECTION | |
| DATE | PNEUMOCOCCUS AT AUTOPSY | ||||
| Pvt. Smith | No. 26 | Sept. 18 | II | II | |
| Pvt. Thompson | No. 28 | Sept. 17 | Atyp. II | Sept. 21 | II |
| Pvt. Linehan | No. 30 | Sept. 16 | IV | Sept. 26 | II |
The second instance is almost identical and occurred on the opposite side of Ward 3 at about the same time (Table XXII). Pvt. Linehan was admitted on September 16 and placed in Bed 30. Pneumococcus Type IV was found in his sputum. Pvt. Thompson was admitted the following day with a Pneumococcus II atypical pneumonia and placed in Bed 28. The next day Pvt. Smith was admitted and placed in Bed 26. Pneumococcus Type II was found in his sputum. On September 19 Pvt. Thompson recovered by crisis and was doing well. On September 21 he had a chill, his temperature rose to 104.4° F. and he developed a second attack of pneumonia. He died on September 29; cultures at autopsy showing Pneumococcus Type II in heart’s blood and left pleural cavity, Pneumococcus Type II and B. influenzæ in bronchus and lung. Pvt. Linehan had begun to improve on September 24 and his temperature was falling by lysis. On September 26 he became worse, developed signs of pericarditis and died on September 30. Cultures from lungs and bronchus at autopsy showed Pneumococcus Type II and B. influenzæ. In both instances the fatal secondary infection with Pneumococcus Type II was undoubtedly acquired from Pvt. Smith in the nearby bed.
The third instance occurred in Ward 8 (Table XXIII). Pvts. Lewis and Scott were admitted on September 21 and were placed in adjoining beds, 50 and 51. Lewis showed Pneumococcus Type I in his sputum, Scott Pneumococcus II atypical. The following day Pvts. Pighee, Jones, and Columbus were admitted and given Beds 48, 49 and 53 respectively. All showed Pneumococcus II atypical in the sputum. Pvt. Lewis with Pneumococcus Type I pneumonia recovered by crisis on September 29. His temperature remained normal until October 2 when it suddenly rose to 104.2° F. He developed a second attack of pneumonia and died on October 8. Cultures at autopsy from heart’s blood and lung showed Pneumococcus II atypical, from the bronchus Pneumococcus II atypical and B. influenzæ. It is, of course, impossible to say from which one of his neighbors Pvt. Lewis acquired his second pneumococcus infection.
| 94 | |||||
| Table XXIII | |||||
|---|---|---|---|---|---|
| Secondary Infection with Pneumococcus II Atypical | |||||
| NAME | BED OCCUPIED | ADMITTED | PNEUMOCOCCUS IN SPUTUM ON ADMISSION | SECONDARY INFECTION | |
| DATE | PNEUMOCOCCUS AT AUTOPSY | ||||
| Pvt. Pighee | No. 48 | Sept. 22 | Atyp. II | ||
| Pvt. Jones | No. 49 | Sept. 22 | Atyp. II | ||
| Pvt. Lewis | No. 50 | Sept. 21 | I | Oct. 2 | Atyp. II |
| Pvt. Scott | No. 51 | Sept. 21 | Atyp. II | ||
| Pvt. Columbus | No. 53 | Sept. 22 | Atyp. II | ||
It is noteworthy that these instances of secondary contact infection with pneumococci occurred in wards where every precaution was supposedly taken to prevent transfer of infection from one patient to another. It is true however that the wards were greatly overcrowded at the time. Many other instances of secondary pneumococcus infection in cases of pneumonia following influenza were encountered in which it was impossible to trace the source of infection, many combinations of different types of pneumococcus being found. There were two instances in which Pneumococcus Type IV was found in the sputum by inoculation of white mice shortly after onset of pneumonia, whereas secondary infection with other types was found at autopsy, one with Pneumococcus Type II, one with Pneumococcus Type III. In 2 cases by inoculation of white mice, two types of pneumococcus were found simultaneously in the sputum coughed from the lung, in one Pneumococcus Types III and IV, in the other Pneumococcus Types I and IV. There were 5 cases in which two types of pneumococcus were found in cultures at autopsy as shown in Table XXIV. Combined pneumococcus infections of this nature are almost never encountered in pneumonia occurring under normal conditions in the absence of epidemic influenza.
| 95 | |||
| Table XXIV | |||
|---|---|---|---|
| Mixed Pneumococcus Infections in Pneumonia | |||
| NAME | CULTURES AT AUTOPSY | ||
| HEART’S BLOOD | BRONCHUS | LUNGS | |
| Pvt. Gal. | Pn. Type III | Pn. Type III | |
| B. influenzæ | Pn. Type IV | ||
| Staphylococcus | B. influenzæ | ||
| Pvt. Sug. | Pn. Type III | Pn. Type III | Pn. Type III |
| Pn. Type IV | Pn. Type IV | ||
| B. influenzæ | B. influenzæ | ||
| Staphylococcus | |||
| Pvt. Hig. | S. hemolyticus | Pn. Type II | |
| Pn. Type IV | |||
| S. hemolyticus | |||
| Staph. aureus | |||
| Pvt. Can. | Pn. Type I | Pn. Type III | |
| S. hemolyticus | |||
| Pvt. Fer. | Sterile | Pn. Type IV | Pn. Type I |
| B. influenzæ | Pn. Type IV | ||
| Staphylococcus | B. influenzæ | ||
The foregoing data show that infection with one type of pneumococcus may readily be superimposed upon or closely follow infection with another type. Cases have been cited in which it was clearly demonstrated that this was due to contact infection. It is furthermore evident that pneumonia caused by one type of pneumococcus affords no reliable immunity against pneumonia caused by another type. The same conditions that favored the spread of hemolytic streptococcus infection also favored the transfer of pneumococcus infection from patient to patient.
The material so far presented has dealt with contact infection in cases of pneumonia following influenza. That a similar contact infection in cases of influenza treated in crowded hospital wards is responsible in considerable degree for the development of pneumonia in cases of influenza seems quite probable. It has already been stated that this pneumonia was found in large part to be caused by 96infection with types of pneumococcus that are found in the mouths of normal individuals. It has been fairly definitely established by Stillman[52] that lobar pneumonia caused by pneumococcus Types I and II is in all probability due to contact infection, and definite instances of such infection by Pneumococcus Type II have been reported above. In a recent communication Stillman[53] has furthermore shown that of the various groups of Pneumococcus II atypical those most frequently associated with pneumonia are rarely found in normal mouths, while those infrequently associated with pneumonia are more commonly found. Whether similar considerations will hold true for pneumococci of Group IV can only be determined by further investigation. It has been stated that certain observations made during the course of this work have suggested that cases of pneumonia which complicate influenza may be due to contact rather than to autogenous infection. The data available are far too limited to establish this fact and it would require a very extensive study to furnish conclusive evidence.
Certain general observations have suggested this point of view. It is well recognized that the incidence of pneumonia in patients with influenza has been much higher where overcrowding has existed. It would seem probable that this has been in large part due to the greater opportunity for the dissemination of organisms capable of producing pneumonia and the consequently increased opportunity for secondary contact infection among patients treated under such conditions. The not infrequent occurrence of influenzal pneumonia due to combined infections of the different types of pneumococci, hemolytic streptococci, staphylococci, and other bacteria, instances of which have been cited, is in harmony with this view, especially since pneumonia under ordinary conditions is rarely found to be associated with mixed infections of this nature. It 97is true that healthy individuals occasionally carry more than one type of pneumococcus simultaneously in the mouth, though this is very infrequent, and autogenous infection occurring in such individuals might account in some instances for the mixed pneumococcus infections encountered. By way of analogy it has been clearly shown in other studies by the Commission on the relation of hemolytic streptococcus carriers to the complications of measles, that secondary infection of the respiratory tract with S. hemolyticus is in very large part due to contact infection, the chronic carrier rarely developing complications due to this organism.
To obtain further light on this question the type of pneumococcus present in the mouths of 46 consecutive cases of early uncomplicated influenza was determined by the mouse inoculation method at time of admission to the receiving ward of the hospital before the patients had been associated, with the purpose of determining if cases among this group which subsequently developed pneumonia might be shown to have acquired a pneumococcus which they did not carry at time of admission. This group of patients was treated in a special ward set apart for the purpose. The patients were assigned to beds in rotation and confined in bed until thoroughly convalescent. Beds were well separated and cubicles, masks and gowns were in use. Cultures were made from the ward personnel. By these procedures an accurate record was kept of all sources of pneumococcus infection. The types of pneumococcus found in the mouths of these patients at time of admission are shown in Table XXV.
| 98 | ||
| Table XXV | ||
|---|---|---|
| Types of Pneumococci in the Mouths of Influenza Patients | ||
| PNEUMOCOCCUS | NUMBER | PER CENT |
| Pneumococcus, Type I | 0 | 0 |
| Pneumococcus, Type II | 0 | 0 |
| Pneumococcus, II atypical | 1 | 2.2 |
| Pneumococcus, Type III | 0 | 0 |
| Pneumococcus, Group IV | 25 | 54.3 |
| No pneumococci found | 20 | 43.5 |
Only 1 patient in this group developed pneumonia. At time of admission he had no pneumococcus in his mouth as determined by inoculation of a white mouse with his sputum. Examination of the sputum by the same method at time of onset of pneumonia three days after admission showed Pneumococcus Type III. The only ascertainable source of infection in this case was one of the ward attendants who carried Pneumococcus Type III in his throat in sufficiently large numbers to be demonstrable by direct culture and who frequently came in contact with the patient. In this instance the development of pneumonia was probably due to contact infection. An extensive study of this nature would be necessary to determine in what proportion of cases pneumonia following influenza is caused by secondary contact infection and in what proportion to autogenous infection. It is at least evident that contact infection with a type of pneumococcus found in the mouth of normal individuals may occur in influenza and be responsible for the development of pneumonia. Therefore every precaution should be taken to prevent it.
The methods at present in vogue for preventing the spread of contagion in wards devoted to the care of patients with influenza and pneumonia may be briefly enumerated: The separation of patients by means of sheet or screen cubicles, the wearing of masks and gowns by the ward personnel and to some extent by convalescent patients who are up and about the ward, and in some hospitals the separation of streptococcus carriers from noncarriers as determined by throat culture at time of admission. That these methods are of some value in preventing spread of infection cannot be denied, and it is probable that they are fairly 99effective under ordinary conditions when conscientiously carried out. That they inevitably break down in the presence of an overwhelming epidemic when hospital wards become overcrowded is only too evident. Under such conditions the sheets hung between the beds are constantly being displaced and are slight proof against a patient’s curiosity as to the identity and condition of the man in the adjoining bed; masks cannot be worn by patients seriously ill with pneumonia, during the very time when they are most dangerous and in greatest danger and those worn by the ward personnel are very rarely sufficiently well made to prevent spread of contagion by droplet infection as the studies of Haller and Colwell[54] and Doust and Lyon[55] have shown; the separation of streptococcus carriers from noncarriers as at present carried out cannot keep pace with the ever increasing influx of patients nor with the rapidity of the spread of the hemolytic streptococcus, in part because of the time required to make the bacteriologic diagnosis, in part because the amount of work involved cannot be accomplished by the laboratory personnel available. That this is so will be shown in data presented below. Not only do these methods break down in the face of an epidemic, but they often provide a false sense of security.
In searching for a solution of the problem it is essential to have the following considerations clearly in mind. Every patient with influenza must be considered a potential source of pneumococcus or hemolytic streptococcus infection for his neighbor until he is proved otherwise by bacteriologic examination. Every person engaged in the care of patients with respiratory diseases must also be regarded as a potential source of danger. Pneumonia cannot be regarded as one disease but must be looked upon as a group of different diseases, with more or less similar physical signs and symptoms, it is true, but caused by a considerable variety of bacteria, infection with any one of which not 100only provides no protection against infection with another, but may even render the individual more susceptible to secondary infection. Therefore, every patient with pneumonia must be regarded as an actual source of danger to his neighbor, at least until it is established that he has the same type of infection. All these considerations are especially true in the presence of influenza, for it has become evident that many organisms readily gain access to the lung and produce pneumonia in patients with influenza which under ordinary circumstances fail to cause disease of the respiratory organs.
Since secondary infection in respiratory disease is undoubtedly spread in large part by droplet and contact infection, the prevention of secondary infection must depend upon the elimination of these methods of transmission. Three solutions present themselves: (1) Ward treatment with absolute elimination of overcrowding and much wider separation of patients than has hitherto been deemed necessary; (2) segregation of patients according to type of bacterial infection; (3) effective individual isolation of every patient.
It has been clearly shown that treatment of influenza and pneumonia in overcrowded wards even with the use of such precautions to prevent transfer of infection as cubicles, masking of attendants and patients, etc., is attended by serious danger of contact infection and that such infection will almost inevitably occur. This is not at all surprising when it is remembered that we are treating in the same ward, in the case of pneumonia, a group of what are in reality entirely different diseases, all of which may be transmitted from one patient to another, and in the case of influenza a group of individuals who carry a variety of potentially pathogenic bacteria. No one would expect to treat cases of scarlet fever, measles, and diphtheria together in a hospital ward without having contact infection result. Among patients ill with influenza and postinfluenzal 101pneumonia, certainly streptococcus pneumonia and to some extent pneumococcus pneumonia may be transmitted quite as readily as any of these diseases. In view of these considerations it must be apparent if ward treatment of these diseases is to be continued without respect to type of bacterial infection, not only that overcrowding is absolutely contraindicated but also that much wider separation of patients than has hitherto been regarded as necessary is imperative. Furthermore, beds should be separated by permanent cubicles that cannot readily be displaced. Patients should be confined to their cubicles until thoroughly convalescent and when up and about should not be allowed to enter cubicles occupied by patients still sick. Medical officers, nurses and attendants who come into contact with the patients should use the same rigid precautions that are used in the care of patients with typhoid or erysipelas or meningitis with the additional use of means to prevent droplet infection of the patients, always bearing in mind that the respiratory tract in patients with influenza or postinfluenzal pneumonia is as susceptible to secondary infection as the postpartum uterus or an open surgical wound. In other words, the most rigid aseptic technic should be maintained. The recognition of a case of streptococcus pneumonia in a ward should be an indication for immediate quarantine of the ward until it has been shown by bacteriologic examination that there is no longer danger of spread of streptococcus contagion. This is done in the case of meningitis or diphtheria, neither of which diseases is comparable with streptococcus pneumonia in rapidity of spread or in resulting fatality.
Segregation of patients in wards according to type of bacterial infection while theoretically an improvement over the indiscriminate mixing of patients with many different types of infection presents many practical difficulties which make it impossible to carry out in the presence of an overwhelming epidemic. It is quite obvious that grouping of 102influenzal patients on the basis of the types of pneumococci that they carry in their mouths is impossible since the great majority of mouth pneumococci belong to Group IV and comprise a heterologous immunologic group. The separation of influenza patients who carry S. hemolyticus from those who do not would appear to offer a more hopeful field. Since we cannot make an immediate distinction between streptococcus carriers and noncarriers by inspection of the patient, this procedure requires the taking of throat cultures at time of admission to the hospital, the holding of patients for eighteen to twenty-four hours in receiving wards until the bacteriologic diagnosis has been made, and their subsequent distribution to streptococcus and nonstreptococcus wards. This is feasible when the admission rate is low and the number of streptococcus carriers found at time of admission is small. In the presence of an influenza epidemic it immediately becomes impossible to carry out in base hospitals as now constituted, since the demand for beds under such conditions at once converts a large part of the hospital into a group of receiving wards with little room remaining for subsequent separation of patients. The amount of bacteriologic work involved at once becomes prohibitive and the time required to make the bacteriologic diagnosis defeats its purpose since it allows the spread of hemolytic streptococcus to occur in the receiving wards during the interval.
The foregoing statements are based on results obtained in an attempt to separate streptococcus carriers from noncarriers in a limited group of cases of influenza at Camp Pike, the investigation being conducted during a secondary wave of influenza between November 27 and December 5. A special group of five wards consisting of one receiving ward and four distributing wards were set aside for the study. Cubicles, masks and gowns were in use and the wards were not crowded. The personnel on these wards did not carry S. hemolyticus in their throats. Patients entering 103the receiving ward were assigned to beds in rotation. Throat cultures were made on blood agar plates at time of admission. The plates were examined promptly the next morning, the diagnosis of S. hemolyticus being made by the characteristic hemolytic colonies and microscopic examination of stained smears. By this method a report reached the receiving ward at 9:30 a.m. and patients were promptly evacuated to the streptococcus and nonstreptococcus wards, where they were again assigned to beds in rotation, remaining confined in bed until convalescent. Confirmation of all strains of hemolytic streptococcus was subsequently carried out by isolation in pure culture, bile solubility test, and hemolytic test with washed sheep corpuscles. All cases free from hemolytic streptococci at time of admission who were sent to the “clean” wards were recultured daily throughout the period of study, those acquiring a hemolytic streptococcus being transferred to a streptococcus ward as soon as the bacteriologic diagnosis was made. The results are shown in Table XXVI.
| Table XXVI | ||||||
|---|---|---|---|---|---|---|
| S. Hemolyticus in Cases of Influenza | ||||||
| DATE | PATIENTS ADMITTED TO RECEIVING WARD | THROAT CULTURES ON ADMISSION. S. HEMOLYTICUS: | “CLEAN” CASES ACQUIRING S. HEMOLYTICUS IN THE HOSPITAL | |||
| + | − | WHILE IN REC. WARD | WHILE IN “CLEAN” WARD | TOTAL | ||
| Nov. 27 | 12 | 4 | 8 | 0 | 2 | 2 |
| Nov. 28 | 8 | 2 | 6 | 0 | 1 | 1 |
| Nov. 29 | 17[56] | 8 | 9 | 1 | 2 | 3 |
| Nov. 30 | 11 | 2 | 9 | 3 | 0 | 3 |
| Dec. 1 | 10 | 5 | 5 | 0 | 0 | 0 |
| Dec. 2 | 37 | 16 | 21 | 1 | 1 | 2 |
| Dec. 3 | 21 | 8 | 13 | 0 | 2 | 2 |
| Dec. 4 | 32[56] | 11 | 21 | 4 | 2 | 6 |
| Dec. 5 | 17 | 10 | 7 | 5 | 0 | 5 |
| Totals | 165 | 66 | 99 | 14 | 10 | 24 |
One hundred and sixty-five cases were admitted to the receiving ward during the period of study as cases of influenza. 104Of these, 137 had influenza; 4 of those with influenza had pneumonia at time of admission, 23 had acute follicular tonsillitis, 3 epidemic cerebrospinal meningitis, 1 scarlet fever, and 1 Vincent’s angina. Sixty-six cases (40 per cent) showed hemolytic streptococcus in the throat at time of admission and were sent to the streptococcus wards; 99 cases (60 per cent) were negative for hemolytic streptococcus on admission, and of these 91 were sent to the “clean” influenza wards. Twenty-four of these clean cases subsequently became positive for S. hemolyticus. It is especially noteworthy that 14 of them acquired a hemolytic streptococcus during the short period that they were held in the receiving ward awaiting the report of the culture taken at time of admission, the first culture taken shortly after admission to the “clean” wards being positive. This result was undoubtedly due to the fact that these cases were unavoidably associated in the receiving ward with many carriers of hemolytic streptococcus. It is evident that cases which were supposedly free from streptococci but which in reality had picked up the organism in the receiving ward were constantly being sent to the “clean” wards. It is furthermore evident that if the precaution had not been taken of reculturing all clean cases on day of admission to the “clean” wards and daily thereafter these wards would soon have become saturated with hemolytic streptococci. Even under these conditions, 10 cases, after varying periods in the “clean” wards, acquired the organism in their throats. When it is stated that it required the full time of two men under very special conditions to carry out this work in a very limited number of cases and that it failed to keep “clean” wards free from hemolytic streptococci, it is only too apparent that the efficient separation of carriers from noncarriers in the presence of an epidemic of influenza is an impossible task.
The segregation of pneumococcus pneumonias following influenza according to type of infection is obviously impossible, 105since they are caused by an almost unlimited variety of immunologic types as far as present knowledge goes.
Even the efficient separation of streptococcus pneumonias from pneumococcus pneumonias would require a considerable team of workers and the closest cooperation between laboratory and ward staffs, so that no case of pneumonia would be sent to a pneumonia ward until the bacteriologic diagnosis had been made. In our experience this is rarely considered feasible even under ordinary conditions, and in the presence of an epidemic is nearly impossible because of the volume of work involved and the delay necessitated by bacteriologic methods. It is, nevertheless, absolutely essential if highly fatal ward epidemics of streptococcus pneumonia are to be prevented.
In view of the considerations discussed above, it is believed that the clear and most fundamental indication for the management of epidemic respiratory diseases in the army is to scatter patients as widely as possible instead of following the time-honored custom of concentrating them. In brief, abandon open ward treatment and adopt effective individual isolation of every case, maintaining as strict a quarantine as is demanded in other highly contagious and infectious diseases. The adoption of a strict aseptic technic in the handling of these patients is an evident corollary. Only by this means can the serious and highly fatal secondary hospital infections, which occur in influenza and pneumonia when these diseases are present in epidemic form, be prevented.
The prevention of secondary infection, prior to admission to the hospital, is another and more difficult problem. That opportunity for secondary contact infection in cases of influenza before patients reach the hospital is great seems unquestionable, since many cases have already developed these infections at time of admission. During the epidemic patients were crowded in regimental infirmaries, in ambulances, and in the receiving office of the hospital 106with every opportunity for droplet infection present. No study has been made of this question, but it seems reasonable that the same methods of prevention should apply, namely, effective separation of patients.
It is not within the scope of this paper to discuss details of method, but anything that is possible becomes feasible as soon as sufficient evidence can be brought to bear that it is a necessity. In the present instance it would seem that any means that can be used to reduce materially the terrific toll taken by respiratory diseases is an absolute necessity.
1. Secondary contact infection with pneumococci not infrequently occurs in patients with pneumonia following influenza when they are treated in hospital wards.
2. Secondary contact infection with S. hemolyticus readily occurs in patients with pneumonia and may spread rapidly throughout an entire ward with highly fatal results.
3. Secondary contact infection may be responsible for the development of pneumonia in patients with influenza.
4. Ward treatment of these diseases is fraught with serious danger which is greatly increased by overcrowding, by imperfect separation of patients by cubicles, and by imperfect aseptic technic of medical officers, nurses, and attendants.
5. It is probable that secondary contact infection can be effectively prevented only by individual isolation and strict quarantine of every patient.
Many observers have described isolated phases of the recent epidemic and of past epidemics of influenza. Few have had an opportunity to follow the pathology of influenza from the onset of an epidemic through a period of several months and to observe the succession of acute and chronic changes which occur in the lungs. Our commission arrived on September 5, 1918, at Camp Pike two weeks before the outbreak of influenza. The commission had previously made a careful study of the clinical course, the bacteriology and to a limited extent the pathology of pneumonia occurring at Camp Funston where there was little if any influenza. Study of the records preserved at the base hospital at Camp Funston had convinced us that this camp had passed through an epidemic of influenza during the spring of 1918, this epidemic being followed by a very severe outbreak of pneumonia. Our investigation at Camp Funston had brought to our attention those phases of pneumonia which with the facilities of a base hospital laboratory could be most profitably studied with a view to determining the causation, the epidemiology and the prevention of the pneumonias prevalent in the American army.
Study of pneumonia after death offers the only opportunity of determining the relation of pulmonary lesions to the considerable variety of microorganism associated with them. Clinical diagnosis furnishes no certain criterion for distinguishing lobar and bronchopneumonia; suppurative 108pneumonia is rarely recognizable during life. The relation of pneumococci, streptococci, staphylococci or B. influenzæ to one or other type of pneumonia can be determined with accuracy only after death; for the demonstration of one or more of these microorganisms in material obtained from the upper respiratory passages in life, though of value, furnishes us no definite evidence that the organism which has been identified has entered the lung and passed from the bronchi to produce pneumonia.
Study of autopsies following examination of the sputum during life has shown that an individual primarily attacked by influenza may suffer with a succession of pneumonias, one microorganism having prepared the way for another. The complexity of the subject is much increased by the truth that pyogenic microorganisms, like the tubercle bacilli, are capable of producing a considerable variety of pulmonary lesions.
Examination of the lungs of a large number of individuals who have died as the result of pneumonia following influenza has disclosed a succession of acute and chronic diseases. Immediately succeeding the height of the epidemic of influenza, death occurred with acute lobar pneumonia or with diffusely distributed hemorrhagic bronchopneumonia caused in the majority of instances by Pneumococcus IV in association with B. influenzæ. Superimposed infection with hemolytic streptococci increased in frequency and in individuals who had occupied certain wards was almost invariable. At a later period, from one to two months following the maximum incidence of influenza chronic lesions, namely, bronchiectasis, unresolved pneumonia, and chronic empyema were common and often occurred as the result of influenza which had had its onset at the height of the epidemic.
When influenza attacked the encampment, about 50,000 troops were quartered in it, and for a considerable period no more troops were brought into the camp and none left 109it. All cases of pneumonia occurring among these troops were brought to the base hospital so that the autopsies which were studied were representative of all the pneumonias following influenza in this limited group of men. It is noteworthy that autopsy disclosed no instance of fatal influenza unaccompanied by pneumonia.
Pneumonia of Influenza.—Knowledge concerning the bacteriology of the pneumonia of influenza dates from the study of the epidemic of 1889–90. The frequency with which Diplococcus lanceolatus occurred in association with influenzal pneumonia was well recognized, although several observers, notably Finkler[57] and Ribbert,[58] found Streptococcus pyogenes so often that they attributed the pneumonia of influenza to this microorganism.
During a subsidiary outbreak of influenza occurring in 1891–92 Pfeiffer[59] discovered the microorganism which he believed was the cause of the disease. Pneumonia, he believed, was caused by the invasion of this microorganism into the lung, and the pneumonia of influenza, if death occurred at the height of the disease, was characterized not only by the presence of the bacillus of influenza, but was recognizable by its anatomic peculiarities. He described lobular patches of consolidation which were separated from one another by air containing tissue or were confluent, so that, although the lobular character was still recognizable, whole lobes might be affected. The consolidated tissue was dark red and within each lobular area were small, yellowish gray spots varying in size from that of a pinhead to a pea. In the mucus of the larynx and trachea were numerous microorganisms, including diplococci and streptococci, among which influenza bacilli were predominant; in the larger bronchi, bacteria other than influenza bacilli were less abundant, whereas in the finer bronchi filled with 110purulent fluid and in the lung tissue influenza bacilli had undivided sway. Pfeiffer stated that the changes described were found when death occurred at the height of the disease, whereas other pulmonary lesions might be sequelæ of this typical influenzal pneumonia.
Observations upon the pathology of influenzal pneumonia made during the epidemic of 1889–92 have been collected in the monograph of Leichtenstern[60] published in 1896. He combats the opinion held by some observers that pneumonia with influenza is always catarrhal and cites many writers to prove that lobar pneumonia not infrequently accompanies the disease. Indeed, some have found “croupous” pneumonia more often than “catarrhal.” Krannhals[61] at Riga found typical fibrinous pneumonia in 53 instances, doubtful forms in 22 and bronchopneumonia in 37. Cruickshank[62] in England found croupous forms predominant. Among 43 autopsies performed upon individuals dead with influenza Birch-Hirschfeld[63] found 11 instances of croupous lobar pneumonia, 8 instances of croupous lobular pneumonia and 24 instances of catarrhal pneumonia. Leichtenstern thinks that the atypical symptomatology of lobar pneumonia with influenza—for example, the purulent character of the sputum—has led many physicians to believe that lobar pneumonia rarely occurs. It is equally true that many instances of confluent lobular pneumonia are mistaken for lobar.
There appears to be no comprehensive description of the pneumonias of influenza based upon the epidemics of 1889–92. Descriptions dating from this period are much obscured by attempts to separate croupous or fibrinous from catarrhal pneumonias. Croupous lobular pneumonia has been recognized, for example, by Birch-Hirschfeld. Leichtenstern describes a form of pneumonia which he regards as 111neither lobar nor lobular although it implicates whole lobes; the consolidated tissue is homogeneous and varies in color from fleshy red to bluish red; it is tough and elastic in consistency. The author thinks that it is an error to regard this lesion as a confluent lobular pneumonia.
Kuskow[64], who has discussed the pathology of influenza in considerable detail, has seldom seen lobar pneumonia but has almost invariably found, even when there is lobar distribution of the lesion, lobular patches of consolidation involving groups of lobules, single lobules or only parts of lobules; the lung tissue has been hyperemic and in places edematous.
Opinions concerning the pathology and bacteriology of the pneumonias of influenza, published since the recent epidemic, have varied almost as much as those just cited. Few observers have had the opportunity of making a considerable number of observations under conditions which determine the relation of the pulmonary lesions to the primary disease.
Keegan[65] has found with influenza a massive and confluent bronchopneumonia, frequently resembling lobar pneumonia but distinguishable particularly in its early stages when the cut section of the consolidated lung has a finely granular character and each bronchiole stands out as a grayish area with intervening dark red alveolar tissue.
Symmers[66] states that the pneumonia of influenza is a confluent lobular exudative and hemorrhagic pneumonia which bears a close resemblance to the pneumonic variety of bubonic plague.
Our commission[67] published a preliminary report on pneumonia following influenza observed at Camp Pike. The occurrence of purulent bronchitis, distention of lungs, 112peribronchial hemorrhage and bronchiectasis were described. B. influenzæ was isolated from the bronchi in approximately 85 per cent of instances of influenzal pneumonia but from the consolidated lung in less than half this number of autopsies. Lobar pneumonia was present in a large proportion of autopsies but was less frequent than bronchopneumonia. Bronchopneumonic consolidation is in part red, lobular and confluent, in part nodular; pneumococci have a predominant part in the production of these lesions. Three types of suppurative pneumonia are described: (a) Abscess caused by hemolytic streptococci usually in contact with the pleura and accompanied by empyema; (b) Suppuration of interstitial tissue of the lung caused by hemolytic streptococci and accompanied by empyema; (c) multiple foci of suppuration clustered about a bronchus of medium size and caused by staphylococci. We have expressed the opinion that B. influenzæ descends into the bronchi; pneumococci, usually Type IV, may enter the lung and produce either lobar or bronchopneumonia. Hemolytic streptococci may descend and infect the pneumonic lung causing death often before suppuration has occurred. Epidemics of such superimposed streptococcus pneumonia in wards of the hospital were described.
LeCount[68] says: “The pneumonia of influenza is commonly referred to as bronchopneumonia. It may be so designated, but it differs from other bronchopneumonias in its predilection for the periphery of the lungs and in the extent to which the inflammation is hemorrhagic.”
MacCallum[69] states that the following types of pneumonia following influenza may be recognized. 1. Pneumococcus pneumonia. The lobular character of the consolidation is in these cases well marked, although it tends to lose its definiteness through the confluence of adjacent areas. The cut surface of the lung shows in the more acute cases a 113peculiar lobular or confluent consolidation which corresponds well with what is commonly written of the stage of engorgement in the description of lobar pneumonia. Later stages in the pneumonia show within these areas patches of rough gray consolidated tissue from which definite plugs of exudate project. 2. Staphylococcal pneumonia. 3. Streptococcal pneumonia. There is lobular pneumonia, the interlobular septa are edematous and, microscopically, bronchi and alveoli are loaded with streptococci. Whole areas of lung, though retaining their form, are entirely necrotic. Lymphatics are distended with exudate containing streptococci in great numbers, but in none of these cases is interstitial bronchopneumonia found. 4. Pneumonia produced by B. influenzæ of Pfeiffer. The lung is studded with palpable shot-like grayish yellow nodules; the bronchi exude thick yellow pus, which contains influenza bacilli. Microscopically, the walls of the bronchi are found to be thickened by mononuclear infiltration and new formation of connective tissue. The walls of the alveoli are thickened and indurated and the alveoli often contain fibrin in process of organization. Absence of conspicuous changes in lymphatics, absence of intense pleural infection and relatively scant numbers of polynuclear leucocytes in the exudate within the alveoli and bronchial walls are, MacCallum states, all that distinguish this pulmonary change from the interstitial bronchopneumonia caused by the hemolytic streptococcus and described by him in previous papers.
Lyon[70] designates the pulmonary lesion following influenza, hemorrhagic pneumonitis, the lung tissue containing serous fluid loaded with red blood corpuscles; in many instances there was such scant consolidation that the process could not be regarded as a true pneumonia. In 35 instances the lesion was lobular in distribution and in 16 114instances was sufficiently extensive to be designated lobar, but it was not typical lobar pneumonia, and, often associated with lobular patches of consolidation, appeared to be a confluent lobular pneumonia.
Goodpasture and Burnett[71] say: “The difficulties of analyzing the pulmonary lesions in any group of influenza pneumonias as they have appeared in this epidemic, are very apparent to anyone who has had an opportunity to observe the bacteriology and pathology of this accompaniment of the disease.” There is an acute outflow of the fluid elements of the blood and of hemorrhage into the lung tissue filling the alveoli in lobular areas and not infrequently in an entire lobe. By a special method of staining these authors have studied the distribution of Gram-negative bacilli with the morphology of B. influenzæ. The fact that in certain very early cases demonstrable bacteria of any kind are scarce or not found at all, has lead them to believe “notwithstanding the demonstration of influenza bacilli in pure culture in the lung in all but one instance, that at this stage organisms are comparatively few within the alveoli, and the primary injury is due to a very potent toxic agent elaborated in and disseminated through the larger air passages. In the later stages or from the beginning, if the injury be slight, the infection focalizes about the bronchi or their terminations, so that the bronchial and lobular distribution becomes very conspicuous.” Typical lobar pneumonia with “croupous” exudate within the alveoli occurs in cases complicated by secondary pneumococcus infection.
Wolbach[72] has found that two types of pneumonia are characteristic of influenza. In cases in which death has occurred within a few days after onset of pulmonary signs, the lung tissue is dark red and “meaty in consistency” and contains abundant blood-tinged serous fluid which drips 115from the cut surface. The other type of lesion is found in patients who have lived for ten days or more after onset of the disease; there is extensive bronchitis, bronchopneumonia, discrete or confluent, and peribronchitis. The lungs are voluminous and the smaller bronchi are distended. Microscopically, there is peribronchitis with extensive infiltration of the interlobular septa and organization in alveoli and bronchioles. This lesion is that designated by MacCallum as “interstitial bronchopneumonia.” Wolbach thinks that the two types of lesion represent different stages of the same process. He regards as distinctive of the pneumonias of influenza the presence of hyalin fibrin lining distended air spaces. With the two types of lesion which have been described, B. influenzæ was the only organism which could be cultivated, and the author associates these distinctive conditions with that microorganism.
Streptococcus Pneumonia.—Finkler emphasized the importance of streptococcus pneumonia as a complication of influenza. In 1888 he described instances of acute primary streptococcus pneumonia observed in 1887 and 1889. This form of pneumonia, Finkler thought, occurred in Bonn in epidemic form before the influenza epidemic of 1889–90 and, he states, exhibited an astonishing similarity to the pneumonia of influenza. He thought that later there was in Bonn a mixed infection of influenza and primary streptococcus pneumonia. In one type of streptococcus pneumonia, described by Finkler, there was lobular consolidation which in multiple patches produced “pseudolobar” consolidation; the consolidated lung was smooth and red, and similar to spleen, rather than hepatized. In another group of instances the lesion merited the name “erysipelas of the lung.” The lesion was an acute interstitial pneumonia in some places, a cellular or occasionally fibrinous pneumonia with involvement of the interstitial tissue in other places. There was edematous swelling and accumulation of leucocytes in the interstices between the alveoli and about 116the blood vessels and bronchi. Finkler stated that the similarity to erysipelas might suggest that the lymphatics contain streptococci, but this relation did not exist although large lymphatic channels were occasionally filled with coagulum. He asserted that the disease was contagious and cited cases which he believed had their origin in hospital wards.
The widespread occurrence of streptococcus pneumonia in the army camps in this country attracted attention during the first months of 1918. Cummings, Spruit and Lynch[73] at Fort Sam Houston, Texas, recognized the prevalence of streptococcus pneumonia, both as a complication of measles and in association with lobar pneumonia, and showed that the microorganism concerned was a hemolytic streptococcus. In 7 autopsies upon individuals with lobar pneumonia, they found pneumococcus alone in 2 instances and pneumococcus and hemolytic streptococcus or hemolytic streptococcus alone in 5 instances. Hemolytic streptococcus was found in all of 24 instances of bronchopneumonia, three-fourths of which followed measles. They recommend the bacteriologic examination of the throat of patients with measles and the segregation of those who harbor hemolytic streptococci.
Cole and MacCallum[74] have published almost simultaneously, with that just cited, a report upon the pneumonia which has occurred at Fort Sam Houston and have shown the importance of hemolytic streptococci in its causation. They have found two varieties of pneumonia, namely, acute lobar pneumonia which does not differ essentially from that which occurs elsewhere and bronchopneumonia which in most cases has followed measles and is caused by S. hemolyticus. They think this infection is usually acquired in the hospital. They believe that the pulmonary lesions are characteristic. In this publication and elsewhere MacCallum 117has designated the lesion “interstitial bronchopneumonia.”
The epidemic of streptococcus pneumonia and empyema occurring at Camp Dodge, Iowa, from March 20 to May 10 is described by Miller and Lusk[75]. During this period there were 400 cases of pneumonia, whereas from September 20, 1917, to March 20 there had been only 276 instances of lobar pneumonia. The type of pneumonia changed, there was more severe intoxication and empyema became very frequent; in 85 of 95 exudates streptococci were found. The outbreak of pneumonia bore no relation to measles. The authors state that a mild tracheitis was prevalent in the cantonment during March, and whenever a large group of soldiers congregated coughing was noticeable.
MacCallum[76] studied the pneumonia at Camp Dodge during May and found 17 instances of the lesion which he had designated interstitial bronchopneumonia; of these, 9 followed measles, although in the earlier part of the epidemic there appear to have been, he states, few such cases. Cultures made at autopsy, except in a few fatal cases of uncomplicated lobar pneumonia caused by the pneumococcus, showed the hemolytic streptococcus in every situation throughout the respiratory tract and pleura.
The pneumonia which occurred at Camp Funston is of special interest to our commission because we were for a time stationed at this camp and had the opportunity of following in the excellent records of the hospital the history of the occurrence of pneumonia during the year following the establishment of the camp in September, 1917. Stone, Phillips and Bliss[77] have described the outbreak of pneumonia which occurred in March, 1918. At this time there was, the authors state, severe pneumonia with frequent empyemas due to hemolytic streptococci. This condition 118which did not follow measles was responsible for the greatly increased death rate in March; 9 deaths occurred in February, 45 in March, 25 in April and 14 in May. They found during March 26 instances of multiple pulmonary abscess. In 29 autopsies they found a pleural lesion which they designate “subcostosternal pus pockets”; it occurs only in association with empyema caused by hemolytic streptococci.
Our commission[78] has shown that an epidemic of influenza, well characterized by its epidemiology and symptoms, preceded and accompanied the outbreak of pneumonia just described. Between March 4 and 29 1,127 men from Camp Funston, which then contained 29,000 men, were sent to the base hospital with influenza and many more were treated in the infirmaries of the camp; on March 11 107 patients with influenza were admitted to the hospital. The greatest incidence of pneumonia in the history of the encampment up to this time occurred between March 9 and 29, immediately following the outbreak of influenza, the maximum incidence of pneumonia occurring five days after the maximum for influenza.
The foregoing observations are cited to prove that streptococcus pneumonia, which occurred during the spring of 1918 at Camp Funston and doubtless at other camps, had its origin in influenza and did not differ in character from that which occurred on a much larger scale in the fall of 1918.
Table of Autopsies.—In order to present as briefly as possible the data upon which the present study has been based, autopsies have been assembled in tabular form in the order of their performance (Table XXVII). During the early period of the epidemic autopsies were performed on all who died with pneumonia, but later, with increase in the number of deaths, this became impossible and autopsies were performed on all those who died in certain wards.
119Comparison of charts representing incidence of influenza and of deaths from pneumonia furnishes evidence that fatal pneumonia during the period of investigation was with few exceptions referable to influenza. During two weeks, namely, from September 1 to 14, before the presence of the epidemic was evident, there were only 2 fatal cases of pneumonia. In most instances the relation of pneumonia to influenza is established by a definite history of influenza having its onset during the epidemic. Bronchopneumonia usually develops gradually as a sequence of influenza in which purulent bronchitis has occurred. Lobar pneumonia may develop in cases of influenza complicated by purulent bronchitis. In some instances there is apparent recovery from influenza indicated by return of temperature to normal; after from one to three days of normal temperature there is typical lobar pneumonia with rusty sputum. In many instances of pneumonia having their onset at the height of the epidemic of influenza, the history indicates that pneumonia was present immediately after the onset of symptoms, so that the onset resembled that of pneumonia rather than of influenza.
Cases of pneumonia following measles have been excluded from the table in order that they may be studied separately and compared with the pneumonias of influenza. It is noteworthy that the lesions of pneumonia following measles have shown a very close resemblance to the pneumonias of influenza, with regard both to pathologic characters and to bacteriology.
Five instances of pneumonia following typhoid fever (Autopsies 245 and 329), scarlet fever (Autopsy 311) or mumps (Autopsies 403 and 417) have been excluded from the table. These secondary pneumonias are grouped as an appendix to the section on pneumonia following measles. It is not improbable that individuals with the diseases named are just as susceptible as others to influenza. Included in the table is an instance (Autopsy 487) in which a definite attack of influenza preceded scarlet fever.
| Table XXVII | ||||||||||||||||||||||
|---|---|---|---|---|---|---|---|---|---|---|---|---|---|---|---|---|---|---|---|---|---|---|
| NO. OF AUTOPSY | RACE | LENGTH OF MILITARY SERVICE | DURATION OF ILLNESS | DURATION OF PNEUMONIA | CLINICAL DIAGNOSIS | PURULENT BRONCHITIS | LOBAR PNEUMONIA | PERIBRONCHIOLAR CONSOLIDATION | HEMORRHAGIC PERIBRONCHIOLAR CONSOLIDATION | LOBULAR CONSOLIDATION | PERIBRONCHIAL CONSOLIDATION | ABSCESS | INTERSTITIAL SUPPURATIVE PNEUMONIA | MULTIPLE ABSCESSES IN CLUSTERS | EMPYEMA | BRONCHIECTASIS | UNRESOLVED BRONCHOPNEUMONIA | ORGANIZING BRONCHITIS | BACTERIA IN SPUTUM | BACTERIA IN BRONCHUS | BACTERIA IN LUNG | BACTERIA IN BLOOD OF HEART |
| 229 | W | 1m | 12+ | 12+ | L | P | + | Pn. I. B. inf. | 0 | |||||||||||||
| 231 | W | 2m | 13 | 4 | B | P | + | |||||||||||||||
| 232 | W | 14d | 9 | 6? | B | + | Pn. IIa. B. inf. | Pn. IIa. | Pn. IIa. | |||||||||||||
| 233 | C | 11m | 5 | 2 | L | + | Pn. IIa. | Pn. | ||||||||||||||
| 236 | W | 3w | 8 | 7+ | L | + | Pn. IV. B. inf. | B. inf. Staph. | 0 | |||||||||||||
| 237 | W | 10d | 8 | 2 | L | + | + | N | E | St. h. | St. h. | |||||||||||
| 238 | W | 2d | 8 | 5 | L | + | Pn. IV. B. inf. | Pn. IV | ||||||||||||||
| 239 | W | 11d | 9 | 5 | L | + | Pn. II. | Pn. II. B. inf. | Pn. II. | |||||||||||||
| 240 | W | 13d | 8 | 4 | L | + | M | + | Pn. IV. | B. inf. | Pn. IV. | |||||||||||
| 241 | W | 14d | 5 | 5 | L | + | Pn. IV. B. inf. | Pn. IV. | ||||||||||||||
| 242 | C | 14d | 7 | 4 | L | P | + | + | Pn. IIa. B. inf. | Pn. IIa. | ||||||||||||
| 243 | W | 15d | 5 | 5 | L | + | M | Pn. IV. | ||||||||||||||
| 244 | C | 1m | 6 | 3 | B | P | M | + | + | + | Pn. IV. B. inf. | Pn. IV. B. inf. | 0 | |||||||||
| 121246 | C | 2m | 6 | 3 | L | P | + | M | Pn. IIa. B. inf. | 0 | ||||||||||||
| 247 | W | 10d | 10 | 5 | L | P | M | + | + | Pn. IV. B. inf. | Pn. IV. | |||||||||||
| 248 | W | 1m | 4 | 2+ | I | + | E | St. h. | St. h. | St. h. | ||||||||||||
| 249 | W | 15d | 12 | 6+ | L | M | + | Pn. III. | ||||||||||||||
| 250 | W | 14d | 11 | 7 | L | M | + | E | Pn. IIa. B. inf. | Pn. IIa. | ||||||||||||
| 251 | W | 25d | 7 | 1 | B | P | + | + | + | + | St. h. | St. h. | ||||||||||
| 252 | W | 21d | 14 | 12 | B | P | M | + | Pn. II. B. inf. St. v. | Pn. II. B. inf. | 0 | |||||||||||
| 253 | W | 12d | 19 | 12+ | B | M | + | + | E | Pn. Ia. | Pn. II. B. inf. Staph. | Pn. II. B. inf. | Pn. II. | |||||||||
| 254 | W | 21d | 7 | 6+ | B | P | + | M | + | Pn. I. B. inf. | Pn. I. Staph | 0 | ||||||||||
| 255 | W | 12d | 5 | 4? | B | P | M | + | + | + | E | St. h. Pn. IIa. Staph. | St. h. | St. h. | ||||||||
| 256 | W | 17d | 8 | 4 | B | P | + | M | Pn. Staph. | Pn. IIa. | Pn. IIa. | |||||||||||
| 257 | C | 21d | 10 | 7+ | L | P | + | B. inf. Staph | Pn. I. | |||||||||||||
| 258 | W | 1m | 6 | 2+ | B | M | + | + | E | St. h. Pn. IV. B. inf. | St. h. | |||||||||||
| 259 | W | 3m | 4 | 1 | B | + | + | + | St. h. Pn. III. Staph. | St. h. | ||||||||||||
| 260 | W | 1m | 2 | 1 | L | + | 0 | |||||||||||||||
| 261 | W | 2m | 7 | 5+ | B | P | + | B. inf. Pn. IV. | 0 | |||||||||||||
| 262 | W | 12d | 5 | 4? | B | + | + | E | St. h. B. inf. | St. h. | St. h. | |||||||||||
| 263 | W | 21d | 7 | 5 | L | P | + | + | E | St. h. B. inf. Staph. | St. h. Staph. | |||||||||||
| 264 | W | 21d | 10 | 7 | L | + | Pn. IV. Staph. | St. h. Staph. | St. h. | St. h. | ||||||||||||
| 265 | W | 14d | 7 | 6+ | L | + | St. h. Staph. inf. | Pn. IV. B. inf. | St. h. | |||||||||||||
| 122266 | W | 1m | 7 | 2 | L | + | + | St. h. | St. h. B. inf. | St. h. | St. h. | |||||||||||
| 267 | W | 2m | 22 | 10 | B | + | Pn. IV. | Pn. II. B. inf. | Pn. II. | Pn. II. | ||||||||||||
| 268 | W | 2m | 6 | 4? | L | + | Pn. III. B. | Pn. III. B. inf. St. h. | Pn. III. B. inf. St. h. | 0 | ||||||||||||
| 269 | W | 25d | 8 | 2 | L | + | Pn. IV. B. | Pn. IV. Staph. | Pn. IV. | 0 | ||||||||||||
| 270 | W | 17d | 18 | 3 | L | + | h | St. h. B. inf. Staph. | St. h. Staph. | St. h. | ||||||||||||
| 271 | W | 2d | 12 | 5 | L | P | + | St. h. Pn. IV. B. inf. | St. h. | St. h. | ||||||||||||
| 272 | W | 3m | 7 | 2 | L | + | St. h. | |||||||||||||||
| 273 | W | 1m | 8 | 4+ | L | + | + | N | E | St. h. B. inf. Staph. | St. h. Pn. IV. Staph. | St. h. | ||||||||||
| 274 | W | 2w | 9 | 5 | B | + | N | Pn. IV. | St. h. Staph. | St. h. | St. h. | |||||||||||
| 275 | W | 4m | 9 | 4 | L | M | + | + | N | St. h. B. inf. Staph. | St. h. B. inf. Staph. | St. h. Pn. IV. | ||||||||||
| 123276 | W | 1m | 6 | 4+ | L | + | St. h. Staph B. inf. | St. h. Pn. IV. B. inf. | St. h. | |||||||||||||
| 277 | W | 21d | 10 | 3 | L | + | St. h. Staph | St. h. Staph | St. h. | |||||||||||||
| 278 | W | 2m | 16 | 6+ | L | + | E | St. h. B. inf. | St. h. | St. h. | ||||||||||||
| 279 | W | L | + | Pn. IV | Pn. IV. | |||||||||||||||||
| 280 | W | 21d | 8 | 8 | L | + | + | + | St. h. B. inf. Staph. | St. h. | St. h. | |||||||||||
| 281 | W | 21d | 9 | 5 | L | + | + | h | St. h. B. inf. | St. h. | ||||||||||||
| 282 | W | 1m | 10 | ? | B | + | + | E | Pn. IV. B. inf. | St. h. B. inf. Pn. II Staph. | St. h. Pn. II. | St. h. Pn. II. | ||||||||||
| 283 | W | 7d | 19 | 8 | B | P | + | + | + | M | + | B. inf. Pn. IV. Staph. | Staph. B. inf. | Pn. IV. | ||||||||
| 284 | W | 21d | 11 | ? | B | P | + | + | E | St. h. B. inf. Staph. | St. h. | St. h. | ||||||||||
| 285 | W | 11 | 9? | B | P | M | + | E | Pn. IIa. B. inf. | St. h. B. inf. | St. h. | St. h. | ||||||||||
| 286 | W | 20d | 9 | 4+ | L | P | M | + | Pn. IV. B. inf. Staph. | 0 | Pn. IV. | |||||||||||
| 287 | W | 3m | 12 | 4 | L | P | + | + | + | Pn. IV. B. inf. Staph. | Pn. IV. B inf. Staph. | Pn. IV. | ||||||||||
| 288 | W | 1m | 10 | 5 | B | P | M | + | h | + | E | + | St. h. B. inf. | St. h. B. inf. | St. h. | St. h. | ||||||
| 289 | W | 19d | 12 | 7 | B | P | M | + | M | + | Pn. IV. B. inf. Staph. | Pn. IV. | Pn. IV. | |||||||||
| 290 | W | 1m | 3+ | 3+ | B | + | St. h. B. inf. | St. h. | St. h. | |||||||||||||
| 291 | W | 2w | 18 | 11 | B | P | + | + | M | + | Pn. IV. B. inf. | B. inf. Staph. | 0 | 0 | ||||||||
| 292 | W | 3m | 5 | 5 | L | + | E | St. h. B. inf. | St. h. | |||||||||||||
| 293 | W | 2m | 3+ | 3+ | L | P | + | Pn. III. B. inf. | Pn. III. B. inf. | Pn. III. | ||||||||||||
| 295 | W | 1m | 12 | 5 | L | P | + | + | E | + | Pn. IV. St. h. | St. h. B. inf. | St. h. | |||||||||
| 124296 | W | 16d | 18 | 3 | L | P | + | + | E | + | St. h. B. inf. | St. h. B. inf. | St. h. | |||||||||
| 297 | W | 1m | 5 | ? | I | P | + | B. inf. Pn. IV. St. h. | Pn. IV. B. inf. | 0 | ||||||||||||
| 298 | C | 21d | 13 | 10 | B | P | + | Pn. IIa. B. inf. | Pn. IIa. | |||||||||||||
| 299 | W | 28d | 9 | 3 | L | P | + | B. inf. Pn. IV. Staph. St. h. | ||||||||||||||
| 300 | C | 22d | 16 | 12+ | L | P | + | M | h | Pn. IIa. B. inf. | Pn. IIa. B. inf. | Pn. IIa. | ||||||||||
| 301 | W | 1m | 7 | 5 | B | + | Pn. IV. B. inf. Staph. St. h. | Pn. IV. | ||||||||||||||
| 302 | C | 5d | 6 | 3+ | B | + | Pn. IV. B. inf. | Pn. IV. | ||||||||||||||
| 303 | W | 1m | 7 | 3+ | L | + | Staph. Pn. IV. B. inf. | Pn. IV. B. inf. | ||||||||||||||
| 304 | W | 4m | 10 | 2? | L | + | St. h. B. inf. | St. h. B. inf. | ||||||||||||||
| 125305 | W | 5m | 3+ | 3+ | L | + | B. inf. St. h. Pn. IV. Staph. | B. inf. St. h Pn. IV. Staph. | ||||||||||||||
| 306 | W | 1y | 6+ | 3 | B | + | B. inf. Pn. IV. Staph. | 0 | 0 | |||||||||||||
| 308 | W | 1m | 6 | 6 | L | + | + | Pn. IV. B. inf. St. h. Staph. | St. h. | Pn. IV. | ||||||||||||
| 309 | W | 1m | 4 | 2? | L | + | E | St. h. | St. h. | |||||||||||||
| 310 | W | 21d | ? | 3? | L | + | Pn. III. B. inf. Staph. | Pn. III. Pn. IV. B. inf. | ||||||||||||||
| 312 | W | 1m | 17 | 7 | L | P | M | + | h | N | + | Pn. IV. B. inf. St. h. | St. h. B. inf. Staph. | St. h. B. inf. | St. | |||||||
| 313 | W | 1y | 5 | 2 | B | + | St. h. B. inf. Staph. | St. h. | St. h. | |||||||||||||
| 314 | W | 1m | 3+ | 3+ | L | P | + | + | Pn. IV. B. inf. Staph. | Pn. IV. | Pn. IV. | |||||||||||
| 315 | W | 1m | 9 | 2 | B | + | Pn. IV. B. inf. Staph. | Pn. IV. | ||||||||||||||
| 316 | W | 1m | 11 | 4 | L | + | B. inf. | Pn. III. B. inf. | Pn. III. | |||||||||||||
| 317 | W | 13d | 9 | 2 | L | + | Pn. IV. B. inf. | Pn. IV. | ||||||||||||||
| 318 | W | 2m | 8 | 3 | L | + | Pn. IV. B. inf. | Pn. IV. B. inf. | ||||||||||||||
| 319 | W | 1m | 4+ | 4+ | B | P | + | St. h. Staph. | St. h. B. inf. Staph. | St. h. | ||||||||||||
| 320 | C | 5m | 1+ | 1+ | L | + | Pn. IIa. | Pn. IIa. | Pn. IIa. | |||||||||||||
| 321 | W | 28d | 4+ | 4+ | L | + | E | B. inf. | Pn. IV. B. inf. | Pn. IV. | ||||||||||||
| 322 | W | 10d | 8 | 6 | L | P | + | + | + | Pn. IV. | Pn. III. Staph. aur. | 0 | ||||||||||
| 323 | W | 2m | 12 | 4 | B | + | Pn. IV. B. inf. Staph. | 0 | ||||||||||||||
| 126324 | W | 22d | 9 | 6 | B | + | Pn. I. B. inf. | 0 | Pn. I. | |||||||||||||
| 325 | W | 1m | 8 | 8 | B | P | M | N | + | + | St. h. B. inf. Staph. | St. h. | St. h. | |||||||||
| 326 | W | 1m | 5+ | 2 | B | P | + | h | St. h. B. inf. Staph. | St. h. B. inf. | St. h. | |||||||||||
| 327 | W | 1m | 4 | ? | B | + | ||||||||||||||||
| 328 | W | 5m | 13 | 3+ | L | P | + | Pn. III. Pn. IV. B. inf. Staph. | Pn. III. Pn. IV. B. inf. | Pn. III. | ||||||||||||
| 330 | W | 1m | 10 | 3 | L | M | N | + | E | Pn. IV. | Pn. IV. | |||||||||||
| 331 | W | 1m | 12 | 11+ | B | P | + | Pn. IV. | ||||||||||||||
| 332 | W | 1m | 17 | 3 | L | P | + | M | h | 0 | ||||||||||||
| 333 | W | 19d | 15 | 7 | L | P | M | + | + | + | Staph. aur. B. inf. St. h. | Staph. aur. Pn. IIa. St. h. | Pn. IIa. | |||||||||
| 334 | W | 14d | 16 | 5 | B | M | N | + | E | St. h. Staph | St. h. | |||||||||||
| 127335 | W | 1m | 7 | ? | ? | + | St. v. B. inf. Staph. Pn. IV. | Pn. IV. | ||||||||||||||
| 336 | W | 2m | 12 | 6 | B | P | M | + | + | 0 | ||||||||||||
| 337 | W | 1m | 9 | 2? | L | + | Pn. IV. | |||||||||||||||
| 338 | W | 1m | 7 | 5+ | B | + | Pn. IV. | |||||||||||||||
| 339 | W | 2m | 9 | 6? | L | + | Pn. IV. | |||||||||||||||
| 340 | W | 35d | 8 | 3 | L | P | + | + | 0 | |||||||||||||
| 341 | W | 3m | 6 | 4+ | + | 0 | ||||||||||||||||
| 342 | W | 2m | 9 | 3? | L | P | + | + | ||||||||||||||
| 343 | W | 1m | 11 | 1? | L | + | E | Pn. IV. | Pn. IV. | |||||||||||||
| 344 | W | 4m | 13 | 6 | L | + | + | E | St. h. | |||||||||||||
| 345 | W | 1d | ? | 7 | L | P | + | + | + | E | Pn. III. St. h Staph. | |||||||||||
| 346 | W | 26d | 16 | 10 | B | P | + | M | + | N | B. inf. Pn. IV. | St. h. B. inf. | St. h. B. inf. | St. h. | ||||||||
| 347 | C | 3d | 10 | 3 | L | P | + | h | St. h. | |||||||||||||
| 348 | C | 4d | 8 | 8 | B | P | + | Pn. IIa. | ||||||||||||||
| 349 | W | 2d | 12 | 6 | L | P | + | Pn. III St. h | Pn. I. | |||||||||||||
| 350 | W | 2m | 6 | 2? | B | + | St. h. | |||||||||||||||
| 351 | C | 4m | 4 | 3+ | L | P | + | |||||||||||||||
| 352 | C | 2m | 8 | 4 | L | P | + | + | + | + | Pn. IIa. | |||||||||||
| 353 | C | 6m | 18 | 18 | L | P | + | E | Pn. I. B. inf. | B. inf. Pn. | Pn. IIa. | Pn. IIa. | ||||||||||
| 354 | W | 15d | 2+ | 2 | L | P | M | h | + | E | St. h. B. inf. Staph. | St. h. | St. h. | |||||||||
| 355 | W | 21d | 7 | 7 | B | P | + | + | E | St. h. B. inf. Pn. IV. Staph. | St. h. B. inf. Staph. | 0 | ||||||||||
| 356 | C | 5d | 8 | 4 | L | + | Pn. IV. | |||||||||||||||
| 357 | W | 1m | 10 | 6+ | L | + | + | + | Pn. IV. B. inf. | Pn. IV. | ||||||||||||
| 358 | W | 1m | 15 | 6? | L | + | E | Pn. IIa. | ||||||||||||||
| 128359 | W | 1m | 7+ | ? | L | M | h | + | Pn. IV. | |||||||||||||
| 360 | W | 36d | 10 | 3 | L | P | + | + | + | 0 | ||||||||||||
| 361 | W | 3m | 8 | 2 | L | + | Pn. IV. | |||||||||||||||
| 362 | W | 4m | 15 | 13+ | L | + | St. h. | |||||||||||||||
| 363 | W | 3m | 8 | 1+ | L | P | + | Pn. IV. | ||||||||||||||
| 364 | W | 6d | 9 | 5+ | B | + | St. h. | |||||||||||||||
| 365 | W | 2m | 11 | 2 | B | + | + | + | Pn. IV. | Pn. IV. | ||||||||||||
| 366 | W | 6d | 8 | 1+ | B | + | M | Pn. IV. | ||||||||||||||
| 367 | W | 22d | 15 | 8+ | L | + | Pn. IV. | |||||||||||||||
| 368 | C | 4d | 15 | 11+ | L | P | + | M | Pn. I. | |||||||||||||
| 369 | W | 68d | 7+ | 4 | B | P | + | + | N | + | E | St. h. | St. h. | St. h. | ||||||||
| 370 | W | 17d | 17 | 14 | L | P | + | + | + | + | + | [No. St. h.] | Staph. aur. Pn. IV. B. inf. | Staph. aur | 0 | |||||||
| 372 | W | 1m | 17 | 5 | L | P | + | + | Mh | + | ||||||||||||
| 373 | W | 4d | 11 | 1? | B | + | St. h. | |||||||||||||||
| 374 | C | 4d | 10 | 5 | L | P | + | + | + | Pn. IV. | ||||||||||||
| 375 | C | 4d | 12 | 6 | L | P | + | + | + | 0 | ||||||||||||
| 129376 | W | 1m | 10 | 7+ | B | P | + | + | M | + | E | + | [No. St h.] | St. h. B. inf. Staph. aur. | St. h. | St. h. | ||||||
| 377 | W | 1m | 7 | 4? | B | P | + | + | Pn. IV. | |||||||||||||
| 378 | W | 1m | 28 | 7 | B | P | + | + | E | + | St. h. B. inf. Pn. IIa. | St. h. B. inf. Pn. IIa. | Pn. IIa. | |||||||||
| 379 | W | 11m | 7 | 1 | B | + | + | E | B. inf. + | ? | Pn. IIa. | |||||||||||
| 380 | W | 3m | 11 | ? | B | P | + | + | + | Pn. III. | Pn. III. | |||||||||||
| 381 | W | 21d | 13 | 9? | L | P | + | + | E | + | St. h. Pn. II. Pn. IV. Staph. aur. | St. h. | ||||||||||
| 382 | W | 1m | 9 | 6+ | L | P | + | 0 | ||||||||||||||
| 383 | W | 2m | 9 | 2 | L | + | + | B. inf. Pn. III. St. h. | Pn. III. | |||||||||||||
| 384 | W | 1m | 13 | 5 | L | + | Pn. IV. | |||||||||||||||
| 385a | W | 3w | 12 | 6? | B | P | + | + | E | St. h. | St. h. | |||||||||||
| 385b | W | 2m | 11 | 4 | L | + | Pn. IV. | |||||||||||||||
| 385c | W | 24d | 17 | 10 | B | P | M | + | + | + | + | St. h. B. inf. | St. h. | |||||||||
| 386 | W | 1m | ? | 5 | L | P | + | + | Pn. III. B. inf. Staph. aur. | Pn. III. | ||||||||||||
| 387 | W | 3w | 19 | 9 | B | P | + | + | + | + | E | + | St. h. B. inf. Staph. aur. Pn. | Staph. alb Pn. II. B. inf. | St. h. | |||||||
| 388 | W | 3m | 11 | 7 | L | P | + | Pn. IV. | ||||||||||||||
| 389 | W | 1m | 15 | 15 | L | P | + | + | E | + | St. h. | St. h. | ||||||||||
| 391 | W | 25d | 13 | 13 | L | P | + | + | + | h | + | Pn. IV. | Pn. IV. | |||||||||
| 392 | W | 1m | 12 | 8+ | L | P | + | M | + | Pn. II. | ||||||||||||
| 393 | W | 1m | 20 | 4 | L | + | Pn. IV. | |||||||||||||||
| 394 | W | 21d | ? | ? | L | P | + | + | h | + | St. h. | |||||||||||
| 395a | W | 1m | 19 | 11? | L | P | M | + | + | E | + | St. h. B. inf. | St. h. | |||||||||
| 395b | W | 3m | 12 | 3? | B | P | + | h | E | Pn. IIa. | Pn. IIa. | |||||||||||
| 396 | W | 2m | 7 | 1+ | B | + | 0 | |||||||||||||||
| 130397 | W | 21d | 22 | 14 | B | P | M | + | + | E | St. h. B. inf. | St. h. | ||||||||||
| 398 | W | 1m | 16 | 6? | B | P | + | M | + | + | 0 | |||||||||||
| 399 | W | 1m | 18 | 4 | L | + | Pn. IIa. | |||||||||||||||
| 400 | W | 1m | 15 | 11+ | L | + | Pn. IV. | |||||||||||||||
| 401 | W | 1m | 13+ | 9 | B | P | + | M | h | + | Pn. IV. | |||||||||||
| 402 | W | 1m | 14 | 8 | B | P | M | + | + | E | + | + | + | Pn. IV. St. h. | ||||||||
| 404 | B | P | + | + | ||||||||||||||||||
| 405 | W | 21d | 13 | 11+ | B | + | M | Pn. | ||||||||||||||
| 406 | C | 2d | 18 | 15? | L | P | + | + | E | Pn. IV. | ||||||||||||
| 408 | C | 1m | 13 | ? | L | P | + | + | 0 | |||||||||||||
| 409 | C | 6d | 12 | 9+ | L | P | + | + | M | 0 | ||||||||||||
| 410 | W | 35d | 13+ | 13+ | L | P | + | + | M | + | E | + | St. h. B. inf. Staph. aur. | |||||||||
| 411 | W | 3m | 16 | 2 | B | P | + | + | Pn. IIa. B. inf. | Pn. IIa. | ||||||||||||
| 412 | W | 1m | 15 | 13? | L | + | M | + | Pn. II. B. inf. | Pn. II. | ||||||||||||
| 131413 | C | 2m | 13 | 8+ | L | P | + | + | Pn. III. B. inf. | Pn. III. | ||||||||||||
| 414 | C | 7d | 18 | 4 | L | P | + | Pn. IIa. B. inf. | Pn. IIa. | |||||||||||||
| 415 | C | 16d | 8 | 6+ | L | P | + | + | + | St. h. | 0 | |||||||||||
| 416 | C | 7d | 14 | 6? | L | P | + | Pn. IV. | Pn. IV. | Pn. IV. | ||||||||||||
| 418 | W | 2m | 19 | 4 | B | + | Pn. IIa. St. v. B. inf. | Pn. IIa. | ||||||||||||||
| 419 | W | 4m | 20 | ? | L | P | + | + | M | + | Pn. II. B. inf. | Pn. II. B. inf. | 0 | |||||||||
| 420 | W | 1m | 11 | 3 | B | P | + | M | + | E | + | + | St. h. B. inf. Staph. aur. | St. h. | ||||||||
| 421 | W | 21d | 19 | 15? | B | P | + | M | + | + | + | Pn. IV. St. h. | St. h. | |||||||||
| 422 | W | 3m | 11+ | 11+ | B | P | + | + | M | + | + | Pn. IIa. B. inf. | 0 | |||||||||
| 423 | W | 1m | 16 | 12? | B | P | + | M | E | + | + | St. h. B. inf. | St. h. | |||||||||
| 424 | W | 5y | 14 | 6 | L | P | + | + | Pn. IV. | |||||||||||||
| 425 | W | 1m | 29 | 14 | B | P | + | + | M | + | + | + | St. h. B. inf. Staph. alb. | St. h. | ||||||||
| 426 | W | 4m | 20 | 13 | ? | + | Pn. IIa. B. inf. | Pn. IIa. | ||||||||||||||
| 427 | W | 1m | 16 | ? | L | P | + | + | St. h. | St. h. | ||||||||||||
| 428 | W | 3w | 25 | 21 | L | P | M | + | + | E | + | St. h. B. inf. | St. h. B. inf. | St. h. | ||||||||
| 429 | C | 2m | 7+ | 5 | L | P | + | + | + | B. inf. Staph. alb | 0 | |||||||||||
| 430 | W | 2m | 16+ | 7 | L | P | + | + | N | St. h. B. inf. Staph. aur. | St. h. | |||||||||||
| 431 | W | 21d | 23 | 18 | L | P | + | + | + | + | 0 | 0 | ||||||||||
| 432 | W | 42d | 19 | 12+? | L | P | + | E | B. inf. Pn. IIa. | Pn. IIa. | ||||||||||||
| 433 | W | 1m | 19 | 17 | B | P | M | + | M | + | E | + | St. h. B. inf. Staph. aur. | 0 | ||||||||
| 132434 | W | 4m | 14+ | 10 | L | + | + | E | St. h. B. inf. Staph. aur. | St. h. Staph. aur. | St. h. | |||||||||||
| 435 | W | 1m | 16+ | 2? | B | + | St. h. B. inf. | B. inf. + | St. h. | |||||||||||||
| 436 | C | 11m | 5 | 3+? | B | + | Pn. IIa. B. inf. Staph. aur. | Pn. IIa. | Pn. IIa. | |||||||||||||
| 437 | C | 5m | 11 | 7? | L | P | + | + | 0 | |||||||||||||
| 440 | W | 1m | 19 | 12? | L | P | + | + | + | M | + | + | B. inf. Staph. aur. | B. inf. Staph. aur. | 0 | |||||||
| 445 | W | 1m | 27 | 16? | P | M | h | + | + | Staph. aur. | Staph. aur. Pn. IV. | St. h. | ||||||||||
| 446 | W | 8d | 13 | ? | P | + | + | 0 | ||||||||||||||
| 447 | W | 8d | 10 | 2 | B | + | Staph. aur. | B. coli. Staph. aur. | 0 | |||||||||||||
| 448 | W | 70d | 17 | 14+ | L | P | + | + | Mh | + | 0 | 0 | 0 | |||||||||
| 449 | W | 2m | 27 | 13+ | B | P | + | + | + | E | + | + | St. h. B. coli. | St. h. B. coli. | St. h. | |||||||
| 452 | W | 4m | 14 | 9 | B | P | M | + | E | St. h. B. inf. | St. h. B. inf. | St. h. | ||||||||||
| 133451 | C | 2m | 7 | 3+ | B | + | E | B. coli. Staph. St. v. | Pn. IIa. B. inf. | Pn. IIa. | ||||||||||||
| 455 | C | 26 | 22+ | B | + | + | E | St. h. B. inf. | St. h. | St. h. | ||||||||||||
| 456 | W | 1m | 23+ | 20+ | L | P | + | E | B. coli. | St. h. | ||||||||||||
| 457 | W | 17m | 17+ | 17+ | B | + | + | + | + | + | Pn. IV. B. inf. | |||||||||||
| 458 | W | 11m | 10 | 8+? | L | + | + | Pn. IV. B. inf. St. v. | 0 | |||||||||||||
| 459 | C | 10d | 6 | 3 | B | P | + | + | Staph. aur. Pn. IV. | 0 | ||||||||||||
| 460 | W | 1m | 17 | 17 | L | P | + | + | M | + | E | + | St. h. B. inf. Staph. | St. h. B. inf. | St. h. | |||||||
| 461 | C | 5d | 14 | 8+ | L | P | + | M | + | Staph. aur. Pn. I. St. h. | Pn. I. | |||||||||||
| 462 | C | 5d | 15+ | 12 | B | + | 0 | |||||||||||||||
| 463 | W | 3m | 20 | 12 | B | P | + | + | Mh | + | + | B. inf. Staph. | B. inf. Staph. | 0 | ||||||||
| 464 | C | 21d | 24 | 17? | L | P | + | B. inf. Pn. I. Staph. | B. inf. Pn. I. | 0 | ||||||||||||
| 465 | W | 1m | 24+ | 11 | LB | P | M | + | E | + | St. h. B. inf. Staph. St. v. | St. h. | St. h. | |||||||||
| 466 | W | 2d | 13 | 3 | B | + | + | Pn. IIa. | Pn. IIa. | Pn. IIa. | ||||||||||||
| 467 | W | 3m | 30 | 25? | B | P | + | + | + | E | + | St. h. B. inf. | 0 | St. h. | ||||||||
| 468 | W | 1m | 22+ | 6 | L | P | + | + | + | Staph. aur. B. inf. St. v. | B. inf. St. v. | 0 | ||||||||||
| 469 | W | 1m | 25 | 12 | B | P | + | + | + | |||||||||||||
| 471 | C | 6+? | 4 | L | P | + | Pn. IV. B. inf. Staph. aur. | Pn. I. Pn. IV. B. inf. | 0 | |||||||||||||
| 472 | W | 1m | 37 | 21 | B | P | + | + | + | + | E | + | + | B. coli. | St. h. B. coli. | St. h. | ||||||
| 134473 | W | 2w | 28+ | 24 | B | P | + | + | E | + | + | + | B. inf. St. v. Staph. M. cat. | St. v. | Pn. III. | |||||||
| 474 | W | 1m | 36 | 31+ | L | + | + | E | St. v. B. inf. M. cat. | St. h. | St. h. B. inf. | |||||||||||
| 476 | W | 7d | 6 | 2 | B | P | M | + | 0 | |||||||||||||
| 477 | W | 5d | 9 | 5 | B | + | + | N | St. h. B. coli. | St. h. B. coli. | St. h. | |||||||||||
| 478 | W | 2m | 9 | 3 | L | + | St. h. | St. h. | ||||||||||||||
| 479 | C | 8d | 29 | 15 | L | P | + | M | N | B. inf. St. h. Staph. M. cat. | St. h. Staph. aur. | St. h. | ||||||||||
| 480 | W | 4m | 31+ | 29 | B | + | + | E | Staph. aur. St. v. | Staph. aur. B. inf. St. v. | B. coli. St. | |||||||||||
| 482 | W | 2m | 11 | 5+ | B | P | + | + | + | M | + | B. inf. Pn. IV. St. h. | B. inf. Pn. IV. | 0 | ||||||||
| 485 | W | 3d | 9+ | 3+ | B | P | M | + | E | St. h. B. inf. Staph. aur. B. coli. | St. h. | St. h. | ||||||||||
| 135487 | W | 21d | 55 | 40 | B | P | + | + | E | + | + | B. inf. St. h. | B. inf. | St. h. | ||||||||
| 488 | W | 4d | 16 | 8 | L | P | M | + | E | + | St. h. Pn. IIa. | St. h. | St. h. | |||||||||
| 489 | C | 8d | 11 | 4 | B | P | + | + | M | + | B. inf. Pn. IV. | Pn. IV. B. inf. | 0 | |||||||||
| 494 | W | 2m | 11 | 3 | L | + | h | + | E | St. h. B. inf. | St. h. B. inf. | St. h. | ||||||||||
| 498 | W | 1y | 6 | 1? | L | + | N | St. v. | St. v. Staph. aur. Staph. alb. | St. v. | ||||||||||||
| 499 | W | 5m | 36 | 5 | B | P | M | E | + | St. h. B. inf. | 0 | St. h. | ||||||||||
| 504 | W | 3m | 6 | 3 | L | M | + | E | St. h. B. inf. Staph. | St. h. | St. h. | |||||||||||
| 506 | W | 8m | 7+ | 2? | B | + | Pn. IV. B. inf. Staph. aur. M. cat. | Pn. IV. Staph. aur. | Pn. IV. | |||||||||||||
136In successive columns the table gives the autopsy number, race, and length of military service. These factors have had an important influence upon the incidence of influenza and pneumonia and have been discussed in a preliminary report.[79] The duration of illness (4th column of table), counted from the date of onset of symptoms of influenza or in some instances, when the earliest symptoms were those of pneumonia, from onset of pneumonia, can usually be determined accurately. The duration of pneumonia (5th column of table) is much more uncertain, because its determination dates from the first recognition of the physical signs of pneumonia.
Clinical Diagnosis.—The clinical diagnosis recorded upon the clinical history of the patient is given in column 6. Many clinicians have been impressed with the difficulty of determining during life the type of pneumonia associated with influenza. The occurrence of purulent bronchitis, the frequent coexistence of lobar and bronchopneumonia and an atypical onset often make the recognition of lobar pneumonia more difficult than usual. The diffuse consolidation of confluent lobular pneumonia increases the difficulty of recognizing bronchopneumonia. In the table (column 6) lobar pneumonia is indicated by L., bronchopneumonia by B. Among 227 autopsies the clinical diagnosis agreed with the condition found at autopsy in 109 instances (48 per cent); in 35 instances (15.4 per cent) both lobar and bronchopneumonia were found at autopsy and a diagnosis of one or other was made during life. In 83 instances (36.6 per cent) the diagnosis made during life was incorrect. Cases admitted to the base hospital at Camp Pike were as carefully studied as the conditions in a base hospital during an epidemic permitted and diagnosis of pneumonia was doubtless as accurate as in other base hospitals. 137Statistics from military and other hospitals based upon clinical diagnosis of the pneumonias of influenza are probably subject to an error of at least 1 in 3 cases, and conclusions based upon them are almost valueless.
The inaccuracy of clinical diagnosis of the pneumonia of influenza is further illustrated by a consideration of lobar pneumonia. This diagnosis on the one hand was made 136 times and was correct 67 times and incorrect 69 times; on the other hand, lobar pneumonia was found at autopsy 98 times and had been diagnosed in only 67 of these cases (68.4 per cent).
Classification of the Pulmonary Lesions of Influenza.— Influenzal pneumonia exhibits the following noteworthy characters:
1. Acute bronchitis with injury or destruction of lining epithelium and accumulation of inflammatory exudate within the lumen.
2. Hemorrhagic pneumonia with accumulation of blood within the alveoli and within and about the bronchi.
3. Susceptibility of bronchi and pulmonary tissue to secondary pyogenic infection with necrosis and suppuration.
4. Bronchiectasis.
5. Tendency to the occurrence of chronic pneumonia following failure of pneumonia to undergo resolution.
All these changes are doubtless referable to the severity of the primary injury to the lower air passages.
In the presence of destructive changes in the bronchi many bacterial species, including B. influenzæ, pneumococci of various types, streptococci (notably hemolytic streptococci) and staphylococci may invade the lungs and produce acute inflammation. The anatomic characters of the pneumonic lesions following influenza are equally varied.
In order to obtain insight into the pathogenesis of these lesions, it is desirable to imitate the historical development of knowledge concerning the characters and causes of disease, namely, first to define accurately the lesions concerned 138and later to determine with what microorganisms these lesions are associated. The difficulties of this undertaking are increased by the multiplicity of the microorganisms concerned and by the well-known truth that the same microorganism, e. g., the tubercle bacillus, may produce widely different anatomic lesions.
In the table of autopsies the following lesions are listed:
Column 7. Purulent bronchitis.—“P” indicates that the small bronchi contain mucopurulent fluid.
Column 8. Lobar pneumonia.—The occurrence of the lesion is indicated by the plus sign (+).
Column 9. Peribronchiolar consolidation.—The presence of nodular patches of consolidation about respiratory bronchioles is indicated by the plus sign (+) when the lesion has been recognized at the time of autopsy. When the lesion has been first recognized by microscopic examination the letter “M” is used.
Column 10. Hemorrhagic peribronchiolar consolidation.—The occurrence of this lesion which represents the preceding on a background of hemorrhage is indicated by the plus sign (+).
Column 11. Lobular consolidation.—The presence of the lesion is indicated by the plus sign (+).
Column 12. Peribronchial consolidation.—Peribronchial pneumonia recognized at the time of autopsy is indicated by the plus sign (+). Peribronchial pneumonia recognized microscopically is indicated by “M.” The presence of peribronchial hemorrhage without consolidation is indicated by “h.”
Column 13. Abscess formation with pneumonia.—Suppuration with abscess formation almost invariably just below the pleura is indicated by the plus sign (+). Necrosis of lung tissue recognized microscopically and unaccompanied by suppuration is indicated by “N.”
Column 14. Suppurative interstitial pneumonia.—This lesion invariably associated with suppurative lymphangitis is indicated by the plus sign (+).
Column 15. Multiple abscess in clusters.—Abscesses in clusters about a bronchus of medium size are indicated by the plus sign (+).
Column 16. Empyema.—The presence of the lesion is indicated by “E.”
Column 17. Bronchiectasis.—“B” indicates the lesion.
Column 18. Unresolved bronchopneumonia.—Presence of the lesion is indicated by the plus sign (+).
Column 19. Organizing bronchitis and bronchiolitis.—“O” indicates the lesion.
The lesions of columns 7 to 12 are acute inflammatory processes, columns 9 to 12 represent different types 139of bronchopneumonia. Columns 13 to 15 represent suppurative lesions. Columns 17 to 19 represent chronic lesions. A survey of the table shows the predominance of acute lesions in the early period of the study and the gradual increase of chronic lesions.
The last four columns of the table of autopsies give the bacteriology of the sputum during life and the bacteria found in the bronchi, in the lungs, and in the blood of the heart after death.
Mortality of Pneumonia Following Influenza.—From September 6 to December 15, 250 autopsies were performed on patients who had died with pneumonia at the base hospital at Camp Pike, and with few exceptions bacteriologic cultures were made from them. Although it was not possible to perform autopsies on all who died, those which were performed afford a fair index of all deaths, for throughout the epidemic of influenza and its outbreak of pneumonia approximately one half of all who died were examined after death. The relation of autopsies to deaths is shown by a comparison by weeks of the number of deaths and number of autopsies during the months of September and October.
| WEEK | DEATHS | AUTOPSIES |
|---|---|---|
| Sept. 1–7 | 1 | 1 |
| Sept. 8–14 | 1 | 1 |
| Sept. 15–21 | 4 | 3 |
| Sept. 22–28 | 15 | 14 |
| Sept. 29–Oct. 5 | 121 | 67 |
| Oct. 6–12 | 191 | 78 |
| Oct. 13–19 | 78 | 43 |
| Oct. 20–27 | 22 | 15 |
| Oct. 28–31 | 8 | 6 |
| 441 | 228 |
For most of these autopsies there is a record of the date of onset of the illness, namely, influenza, which finally resulted in pneumonia and death. Comparison of the number of cases of influenza which developed on any day with the number of fatal cases which had their onset on the same 140day will determine the mortality of influenza at different periods of the epidemic. Chart 1 shows the number of cases of influenza which had their onset on each day from September 1 to October 31 and the number of fatal cases with autopsy which had their origin on corresponding days. The comparison by weeks between autopsies and total number of deaths shows that the autopsies represent with considerable accuracy the deaths. If there is any error it occurs at the height of the outbreak of pneumonia from September 29th to October 5th and not at its beginning, or end. The chart shows that the highest mortality occurred among cases of influenza which had their origin at the beginning of the epidemic from September 21 to October 1, whereas after October 1, though the maximum number of cases of influenza occurred on October 3, very few developed fatal pneumonia.
Mortality from Pneumococcus and Streptococcus Pneumonias.—By referring fatal cases of streptococcus pneumonia back to their date of origin it is possible to determine what proportion of the cases of influenza, which developed on any day, died with infection by hemolytic streptococcus. The accompanying chart (Chart 1) shows that infection with hemolytic streptococci has been very frequent at the beginning of the epidemic of influenza (shown by area with double hatch in chart) that is, from September 20 to 30 and subsequently has gradually diminished so that few cases have had their onset in the second half of the epidemic from September 30 to October 15.
Pneumococcus pneumonia uncomplicated by streptococcus infection (shown by area with single hatch in chart) pursued a course which more closely conformed to the curve representing influenza. The cases of influenza which resulted fatally bore a fairly constant ratio to the total number of cases of influenza from the onset of the epidemic until October 1, but subsequently few cases of influenza developed fatal pneumococcus pneumonia.
141These charts arranged with reference to the onset of fatal pneumonias dissociate very clearly the outbreak of streptococcus pneumonia, which reached its height at the beginning of the influenza epidemic, from the uncomplicated pneumococcus pneumonia which reached its maximum at the midpart of the influenza epidemic and then abruptly abated.
Chart 1—Showing the relation of (a) onset of cases of pneumonia shown by autopsy to be uncomplicated by secondary infection with hemolytic streptococcus, indicated by upper continuous line with single hatch, and of (b) onset of fatal cases of streptococcus pneumonia, indicated by the lower continuous line with double hatch, to (c) the occurrence of influenza, indicated by the broken line. The onset of each case of fatal pneumonia is represented by a single square.
Our study of ward infection in pneumonia furnishes an explanation of the outbreak of fatal streptococcus pneumonia coincident with the initial stage of the influenza epidemic. This outbreak is a true epidemic of streptococcus infection superimposed, in many instances at least, upon preexisting pneumococcus pneumonia, but in some instances, 142doubtless, a primary streptococcus pneumonia, following the bronchitis of influenza. In the absence of secondary streptococcus infection a very large proportion of these individuals would have recovered. This epidemic of streptococcus pneumonia, it has been shown, was the result of unfavorable conditions produced by great overcrowding of the hospital and in the early part of the epidemic by inadequate separation of those with streptococcus infection from those with none. With control of these conditions, streptococcus pneumonia rapidly diminished.
Greater susceptibility to pneumococcus pneumonia in the early than in the late period of the epidemic is perhaps explained by differences in the severity of influenza; the more susceptible individuals were attacked by influenza in the early period, whereas the less susceptible did not acquire the disease until they had been exposed to an immensely increased number of infected individuals. A better explanation is furnished by the greater opportunity at the beginning of the epidemic for the transmission of microorganisms causing pneumonia, for at this time patients with influenza were crowded together and methods to prevent the transmission of infection were little used.
Clinical study has shown that purulent bronchitis (see Fig. 2) occurs in about one-third of the cases of influenza. In a large proportion of cases of bronchitis there is no clinical evidence of pneumonia. The bronchial lesions found in association with the pneumonia of influenza are an index of the ability of the agent, which causes influenza, to injure the bronchi.
In those who have died with pneumonia following influenza the large bronchi (with cartilage) are intensely injected, so that the mucosa has a deep red color which on cross section contrasts very sharply with the pearly white of the cartilage. Superficial injury to the bronchi is 143not infrequently evident in the larger bronchial branches; superficial loss of epithelium is indicated by erosion of the surface, whereas somewhat deeper destructive changes are occasionally evident. Microscopic examination accurately determines the degree of destructive change.
Purulent bronchitis was noted in 134 autopsies (55.6 per cent of autopsies). From the small bronchi, in many instances, purulent fluid welled up upon the cut surface of the lung, whereas in other instances tenacious mucopurulent fluid could be squeezed from small, cut bronchi by pressure upon lung tissue. The consistency of the material within the bronchi varied greatly, ranging from a viscid and tenacious mucus of creamy, yellow color to a thin, turbid, gray fluid. The coexistence of local inflammatory or of general edema of the lungs modifies the character of the material found in the bronchi at autopsy; with edema the purulent exudate is in some instances diluted so that a thin cloudy fluid flows from the small bronchi. In the presence of advanced edema of the lungs the bronchi rarely if ever contain purulent exudate. The underlying changes in the bronchi are more significant than the character of the exudate found at autopsy. Nevertheless, the group of cases in which the diagnosis of purulent bronchitis has been made, because small and medium sized bronchi have contained purulent or mucopurulent exudate, represents instances of readily recognizable bronchitis of considerable severity.
With few exceptions, purulent bronchitis was diffusely distributed in the lungs; occasionally it was observed in one lung alone, and in several instances was limited to the bronchi at the base of a lung, usually of the left lung.
In a considerable proportion of instances of purulent bronchitis abnormal distention of the lungs was noted. On removal from the chest the lungs fail to collapse and retain the size and shape of the thorax. Even after section is made through the organ, parts of the lung fail to collapse 144and have a resistant cushion-like consistency. This condition is present where the lung tissue is air containing and dry, and occurs when very small bronchi contain tenacious mucous exudate which becomes apparent upon the cut surface after the sectioned lung is squeezed. Microscopic examination shows that the alveolar ducts and infundibula are distended with air, though the respiratory bronchioles contain inflammatory exudate. Complete obstruction of the bronchi is followed by absorption of air from the tributary pulmonary tissue with atelectasis. It is not improbable that partial obstruction, permitting the penetration of air with inspiration, produces distention of air containing tissue.
It is furthermore probable that cyanosis, which is a conspicuous feature of many instances of pneumonia following influenza, is referable, in part at least, to obstruction of the bronchi by mucopurulent exudate.
The term pneumonia will refer to those inflammatory changes in the lung which are found within the alveoli; it will include inflammatory changes in the alveoli surrounding the respiratory bronchioles, in the alveolar ducts and infundibula and in their tributary alveoli. Bronchitis will be described by defining the changes which occur (a) in the small bronchi with no cartilage or mucous glands, and (b) in the large bronchi including the primary branches of the trachea.
For convenience of description those bronchi may be designated small, which have no cartilaginous plates in their wall. Larger bronchi have cartilage and mucous glands, the latter situated in considerable part outside the cartilaginous plates. These bronchi, of which the largest are the right and left bronchi formed by bifurcation of the trachea, diminish with repeated branching to a caliber of about 1 mm. Small bronchi are lined by columnar ciliated epithelium; their wall consists of very vascular connective 145tissue containing a layer of smooth muscle and their caliber varies approximately from 1 to 0.5 mm. It is convenient to designate as respiratory bronchioles[80] the terminal ramifications of the bronchi; they are lined by a single layer of columnar ciliated cells passing over into cuboidal nonciliated epithelium and are beset with small air sacs lined by flat cells or epithelial plates similar to those of the alveoli elsewhere. Not infrequently these alveoli occur along only one side of the bronchiole, the remainder of the circumference being covered by a continuous layer of cubical epithelium. The respiratory bronchiole by branching along its course or at its end is continued into several alveolar ducts which unlike the respiratory bronchioles have no cubical or columnar epithelium but are closely beset by alveoli lined by flat epithelial plates. The alveolar duct is recognized by the absence of cubical epithelium and the presence of bundles of smooth muscle which occur in the wall. The infundibula or alveolar sacs arise as branches from the alveolar ducts and like them are beset with alveoli, but smooth muscle does not occur in their walls. The base of the infundibulum is wider than its orifice, which Miller states is surrounded by a sphincter-like bundle of smooth muscle.
Changes in the main bronchi and their primary branches are usually less severe than those in bronchi of smaller size. The epithelium is often intact, the superficial cells being columnar and ciliated, but not infrequently desquamation of superficial cells has occurred and the lower layers alone remain. Occasionally (Autopsy 471) there is necrosis of epithelium with which, although the architecture of cells is preserved, nuclei have disappeared. Accumulation of blood or serum may separate epithelium from the underlying basement membrane (Fig. 1). Complete loss of epithelium occurs, usually in small patches.
146Polynuclear leucocytes are numerous upon the surface of the epithelium and are sometimes fixed in process of migration through epithelium and basement membrane.
Fig. 1.—Acute bronchitis showing engorgement of blood vessels of mucosa and elevation of epithelium by serum and blood. Autopsy 352.
The blood vessels of the mucosa are engorged. There is sometimes edema or hemorrhage, and in the superficial part of the mucosa polynuclear leucocytes are often fairly abundant. When superficial epithelium has been lost, polynuclears are numerous immediately below the surface of the exposed tissue. Fibrin is often present upon the denuded surface and extends for a short distance into the tissue below. In the deeper part of the mucosa, about the muscularis and especially about and between the acini of the mucous glands, the tissue is infiltrated with lymphoid and plasma cells.
Changes in the mucous glands are invariably present. These changes are distention of ducts and acini with mucous, 147degenerative changes occasionally ending in necrosis of cells, disappearance of acini, dense infiltration of interstitial tissue with lymphoid and plasma cells and finally proliferation of this interstitial tissue. The duct of a mucous gland, dilated and filled with mucus, may be surrounded by lymphoid and plasma cells in great number. Acini, similarly dilated, contain mucus and are composed of cubical cells which have discharged their mucous content. In some instances (e. g., Autopsy 257) the cells of the acini have undergone necrosis; the cytoplasm stains homogeneously and the nuclei have disappeared. Where necrosis has occurred, polynuclear leucocytes may penetrate into the dead cells. In association with degenerative changes in the acini there is abundant infiltration of the interstitial tissue within and about the glands with lymphoid and plasma cells. When the acini have disappeared there is proliferation of fibroblasts and new formation of fibrous tissue, and mucous glands are found in which a few atrophied acini are separated by newly formed fibrous tissue.
With the bronchitis of influenza the small bronchi (with no cartilage or mucous glands) show every stage of transition from early acute inflammation characterized by accumulation of polynuclear leucocytes within the lumen, engorgement of blood vessels, and infiltration of the wall with polynuclear leucocytes, through various stages of destructive changes to complete disappearance of the bronchial wall and formation of an abscess cavity at the site of the bronchus. In the early stages of acute bronchitis, hemorrhage is frequently associated with the lesion. Blood may be abundant within the lumen of the bronchus, and in the mucosa red blood corpuscles often infiltrate the tissue around greatly distended blood vessels, or accumulating below the epithelium, separate it from its basement membrane. Hemorrhage is not limited to the wall of the bronchus, but frequently occurs into the alveoli in a zone encircling the bronchus.
148With acute bronchitis there may be desquamation of epithelial cells with partial or complete loss of epithelial lining. In the smallest bronchi the single layer of columnar cells may be separated in places from the underlying tissue, so that intact rows of cells are found within the lumen. In somewhat larger bronchi, lined by epithelium in multiple layers, superficial columnar ciliated cells may be lost. In some instances superficial epithelial cells appear to have lost their cohesion and are separated by narrow spaces; in these instances, polynuclear leucocytes are often numerous between epithelial cells. Epithelium is occasionally separated from its basement membrane by small accumulations of serum or blood. Occasionally necrosis of epithelial cells with disappearance of nuclei is seen and is doubtless caused by the action of bacteria; the affected cells may be raised from the underlying tissue by accumulated serum (Autopsy 253). The changes which have been described bring about partial or complete loss of the ciliated lining of the bronchial tube.
The severity of changes in the bronchial wall is in direct relation to the extent of destruction of the lining epithelium: when the epithelium remains intact polynuclear leucocytes may be found in considerable number immediately below it, but as the lesion progresses, cells in great part mononuclear, namely, lymphoid and plasma cells, accumulate in large number throughout the wall of the bronchus. There is often abundant cellular infiltration within and about the bundles of the muscular coat. The changes assume the character of chronic inflammation.
When the lining epithelium of the bronchus is lost, fibrin tends to accumulate over the surface of the defect, to which it is firmly attached. It remains separated by a conspicuous space from adjacent intact epithelium over which it may project. This superficial network of fibrin merges with a similar network, extending to a variable depth within the tissue. What may well be described as coagulative 149necrosis has often occurred, and structures, such as white fibrous bundles or wall of blood vessels, are marked out by hyaline material which merges with fibrin. When the walls of the blood vessels which are invariably engorged are involved, the lumen is plugged by a fibrinous thrombus.
Little patches of fibrin adherent to the inner surface of the bronchus may occur in spots where epithelium has been lost; with uniform loss of epithelium the entire circumference may be lined with fibrin forming a circular zone occasionally quite uniform in thickness.
Accumulations of polynuclear leucocytes doubtless bring about conditions which cause solution of fibrin or prevent its formation (when disintegration of leucocytes sets free leucoprotease in abundance). The activity of the infecting microorganisms, usually hemolytic streptococci or staphylococci, may cause complete necrosis of a part or all of the bronchial wall. The cavity which is formed may penetrate into lung tissue that has previously undergone pneumonic consolidation.
Further changes caused by the bronchitis of influenza will be considered under peribronchial hemorrhage and edema, peribronchial pneumonia and bronchiogenic abscess. Purulent bronchitis is almost invariably associated with dilatation of the bronchi, the affected bronchi being distended with pus. With increasing dilatation bronchiectasis becomes evident upon gross examination of the tissue, and is much more advanced in the small bronchi than in the larger cartilaginous passages. This subject will be further considered under bronchiectasis.
In association with the acute bronchitis of influenza the epithelium of bronchi not infrequently looses its superficial columnar ciliated cells and assumes some of the characters of a squamous epithelium being covered by polygonal or flat cells (Figs. 17 and 18). The condition is often described a “squamous metaplasia,” although it doubtless represents a stage of regeneration following injury rather 150than a true metaplasia. The basal cells of the epithelium have a cubical or columnar form; above them the cells become polygonal and as the surface is approached, cells are flat and even scale-like. The nuclei of these superficial cells are often lost. There is no close resemblance to the squamous epithelium of the skin, for intercellular bridges are not seen.
This change may occur within six days after onset of influenza, though in most instances the duration of illness has been two weeks or more. It may affect either large or small bronchi, but it is more frequently found in the latter. Whenever ciliated columnar cells are lost, superficial cells tend to become flat. Epithelium on one side of a bronchus may have a squamous character, whereas that elsewhere is columnar and ciliated. The flat epithelium may undergo thickening so that it is 0.1 mm. or more in thickness. It is noteworthy that regenerating epithelium growing over a denuded surface has the squamous character which has been described (Plate XIV, Fig. 22).
Bacteriology of the Bronchitis of Influenza.—With the pneumonia of influenza, bronchitis is invariably present. Cultures have been made from the right or left main bronchus or from the very small bronchi which contained purulent exudate. A routine method of making the culture has been adopted. The right main bronchus, exposed by drawing the right lung out of the chest and toward the midline, was widely seared with a hot knife; the bronchus was partially cut across through the seared surface with a heated knife and a platinum needle inserted into the lumen. The bacteria obtained named in the approximate order of their relative frequency have been: B. influenzæ, pneumococci, hemolytic streptococci, staphylococci (aureus and albus), B. coli, S. viridans, M. catarrhalis, and diphthoid bacilli which have not been identified. Mixed infections occurred in most instances. The following list arranged by grouping 151bacteria in the order cited above, shows how varied have been the combinations which occur:
| B. influenzæ | 3 |
| Pneumococci | 5 |
| S. hemolyticus | 3 |
| Staphylococci | 3 |
| B. coli | 3 |
| S. viridans | 1 |
| B. influenzæ, pneumococci | 17 |
| B. influenzæ, S. hemolyticus | 18 |
| B. influenzæ, staphylococci | 4 |
| Pneumococci, S. hemolyticus | 1 |
| Pneumococci, staphylococci | 3 |
| S. hemolyticus, staphylococci | 4 |
| S. hemolyticus, B. coli | 2 |
| Staphylococci, S. viridans | 1 |
| B. influenzæ, pneumococci, S. hemolyticus | 6 |
| B. influenzæ, pneumococci, staphylococci | 15 |
| B. influenzæ, pneumococci, S. viridans | 2 |
| B. influenzæ, S. hemolyticus, staphylococci | 16 |
| B. influenzæ, S. hemolyticus, M. catarrhalis | 1 |
| B. influenzæ, staphylococci, S. viridans | 1 |
| Pneumococci, S. hemolyticus, staphylococci | 3 |
| Staphylococci, B. coli, S. viridans | 1 |
| B. influenzæ, pneumococci, S. hemolyticus, staphylococci | 7 |
| B. influenzæ, pneumococci, staphylococci, M. catarrhalis | 1 |
| B. influenzæ, S. hemolyticus, staphylococci, B. coli | 1 |
| B. influenzæ, S. hemolyticus, staphylococci, S. viridans | 1 |
| B. influenzæ, S. hemolyticus, staphylococci, M. catarrhalis | 1 |
| B. influenzæ, staphylococci, S. viridans, M. catarrhalis | 1 |
B. influenzæ has been present in the bronchi in 79.3 per cent of instances of pneumonia referable to influenza. Combinations which have been found most frequently are B. influenzæ and pneumococci (17 instances), B. influenzæ and hemolytic streptococci (18 instances), or the same combinations with staphylococci, namely, B. influenzæ, pneumococci and staphylococci (15 instances), and B. influenzæ, hemolytic streptococci and staphylococci (16 instances). There is little doubt that B. influenzæ was not identified in some instances in which it was present; when other microorganisms are very numerous its inconspicuous colonies may be overgrown even though the presence of pneumococci, streptococci 152or staphylococci tends to increase the size of its colonies. Moreover, it is not improbable that the microorganism may disappear from the bronchi. Comparison with observations made upon influenza suggests that multiple methods of examination might have demonstrated a much higher incidence of B. influenzæ. Throat cultures alone made during life demonstrated the presence of B. influenzæ in only 65.7 per cent of patients with acute influenza, whereas when cultures were made from the nose, throat and sputum, and a mouse was inoculated with sputum from each patient, B. influenzæ was found in every instance. After the acute stage of the disease had passed, the number of microorganisms diminished, and in many instances B. influenzæ disappeared from the upper air passages. In some of our autopsies B. influenzæ doubtless present during life has similarly disappeared before death due to pneumonia caused by pneumococci or streptococci. In view of these considerations it is not improbable that B. influenzæ demonstrated by a single culture in 80 per cent of instances has been constantly present.
Table XXVIII represents the incidence of pneumococci, hemolytic streptococci, staphylococci, and B. influenzæ in the bronchi, lungs and blood of those individuals with pneumonia in whom bacteriologic examination has been made at autopsy. The number of cultures made from the bronchi, lungs or blood of the heart is given in the second column of the table and in other columns are given the incidence in number and percentage of the microorganisms which have been mentioned.
| Table XXVIII | |||||||||
|---|---|---|---|---|---|---|---|---|---|
| NO. OF CULTURES | PNEUMOCOCCI | HEMOLYTIC STREPTOCOCCI | STAPHYLOCOCCI | B. INFLUENZÆ | |||||
| NO. POSITIVE | PER CENT POSITIVE | NO. POSITIVE | PER CENT POSITIVE | NO. POSITIVE | PER CENT POSITIVE | NO. POSITIVE | PER CENT POSITIVE | ||
| Bronchus | 121 | 56 | 46.3 | 58 | 47.9 | 61 | 50.4 | 96 | 79.3 |
| Lung | 153 | 68 | 44.4 | 77 | 50.3 | 37 | 24.2 | 70 | 45.7 |
| Blood | 218 | 87 | 39.9 | 85 | 39.0 | 1 | 0.5 | 1 | 0.5 |
153Cultures from the bronchus represent the bacteriology of the bronchitis of influenza. Infection of the lung following influenza doubtless occurs by way of the bronchi, so that the bacteria which cause pneumonia are present in the bronchi before they enter the lung tissue. The figures in Table XXVIII, similar to those previously cited, show the high incidence of B. influenzæ, and the occurrence of pneumococci, hemolytic streptococci and staphylococci each present in approximately half of all autopsies.
The figures in Table XXVIII are an index of the capacity of the microorganisms which enter the bronchi to invade the lungs and finally the blood. Pneumococci were present in the bronchi in 46.3 per cent of instances, in the lungs in only slightly less, and in approximately 40 per cent of autopsies they had penetrated into the blood. Hemolytic streptococci enter the bronchi with the same frequency and exhibit an equal ability to penetrate into the lungs and blood. Staphylococci enter the bronchi in half of these individuals, but penetrate into the lungs in only a fourth of the instances. They have entered the blood only once (Autopsy 263) in this instance in association with hemolytic streptococci. B. influenzæ has been present in the bronchi in approximately 80 per cent of autopsies. It is noteworthy that it has been found in the lung in little more than half this percentage of instances and has entered the blood only once (Autopsy 474), in this instance in association with hemolytic streptococci.
In a limited number of autopsies there was purulent bronchitis recognized by the presence of mucopurulent exudate in small bronchi. It has been stated that this group of cases is not sharply separable from other instances of bronchitis, because in some cases death has occurred before a purulent exudate has accumulated or in other instances a purulent exudate has been displaced by edema. Table XXIX shows the bacteriology of instances of purulent bronchitis:
| Table XXIX | |||||||||
|---|---|---|---|---|---|---|---|---|---|
| NO. OF CULTURES | PNEUMOCOCCI | HEMOLYTIC STREPTOCOCCI | STAPHYLOCOCCI | B. INFLUENZÆ | |||||
| NO. POSITIVE | PER CENT POSITIVE | NO. POSITIVE | PER CENT POSITIVE | NO. POSITIVE | PER CENT POSITIVE | NO. POSITIVE | PER CENT POSITIVE | ||
| Bronchus | 66 | 33 | 50.0 | 32 | 48.5 | 36 | 54.5 | 53 | 80.3 |
The percentages of various bacteria with purulent bronchitis do not differ essentially from those obtained from all autopsies with pneumonia. B. influenzæ is found in approximately 80 per cent of autopsies. In 16 instances cultures were made from the purulent fluid contained in a small bronchus and the incidence of B. influenzæ (namely, 81.4 per cent) has not differed from that in the main bronchus. In 7 of 8 instances in which cultures were made, both from the right main bronchus and from the purulent fluid in a small bronchus, B. influenzæ was found in one or other in all but one autopsy (87.5 per cent); in this instance (Autopsy 472) respiratory disease began thirty-seven days before death and cultures from large and small bronchi at autopsy were overgrown by B. coli. Since observations upon influenza made during life have shown that B. influenzæ is constantly demonstrable when multiple methods are employed for its detection, the figures just cited give support to the suggestion that B. influenzæ is constantly present in the bronchi with the bronchitis of influenza.
The frequency with which the confluent lobular consolidation of bronchopneumonia involving whole lobes or parts of lobes follows influenza has emphasized the desirability of distinguishing carefully between lobar and confluent lobular pneumonia. The pulmonary lesion has been designated lobar pneumonia when it exhibited the well-known characters of this lesion, namely, firm consolidation of large parts of lobes, coarse granulation of the cut surface, 155fibrinous plugs in the bronchi and, on microscopic examination, homogeneous consolidation and fibrinous plugs within the alveoli. With confluent lobular consolidation of bronchopneumonia the consolidated area is in most cases obviously limited by lobule boundaries, and well-defined lobules of consolidation occur elsewhere in the lungs.
Lobar pneumonia occurred in 98 among 241 instances of pneumonia following influenza, namely, in 40.7 per cent of autopsies.
The difficulty of separating lobar and bronchopneumonia following influenza has been increased by the frequent combination of the two lesions in the same individual. There were 34 instances in which lobar and bronchopneumonia occurred together. The anatomic diagnosis of lobar pneumonia was made only when lobes or parts of lobes were firmly consolidated and exhibited the characters of the lesion enumerated above; in several instances, in which there was some doubt concerning the nature of the lesion, microscopic examination was decisive. The associated bronchopneumonic lesions represented all the types which have been associated with influenza. In the group of 34 cases of coexisting lobar and bronchopneumonia, lobular consolidation occurred 10 times, peribronchiolar consolidation 14 times (recognized in all but 4 instances by microscopic examination), hemorrhagic peribronchiolar consolidation 9 times, peribronchial pneumonia 4 times. The intimate relation of these lesions to changes in the bronchi is well shown by the frequent presence of purulent bronchitis. The associated lesions of the bronchi in these cases were as follows: purulent bronchitis in 23 instances; peribronchial hemorrhage in 6; bronchiectasis in 11. The frequency of purulent bronchitis and other bronchial lesions in association with coexisting lobar and bronchopneumonia is in sharp contrast with the occurrence of these lesions in association with lobar pneumonia alone; with 69 instances of 156lobar pneumonia alone purulent bronchitis occurred 17 times and bronchiectasis once.
Lobar pneumonia following influenza passes through the usual stages of red and gray hepatization. Red hepatization was found 16 times, combined red and gray hepatization 28 times, and gray hepatization 20 times. The average duration of pneumonia with red hepatization was 3.7 days, with combined red and gray hepatization 5.1 days and with gray hepatization 7.5 days. These figures, it will be shown later, have some importance in relation to the stage at which hemolytic streptococcus infects lungs the site of lobar pneumonia.
Bacteriology of Lobar Pneumonia.—Table XXX is compiled with the purpose of determining the bacteriology of the bronchi, lungs and heart’s blood in autopsies performed on individuals with lobar pneumonia. In some instances bacteriologic examination of one or other of these organs was omitted; the percentage incidence is an index of the presence of pneumococci, hemolytic streptococci, staphylococci or B. influenzæ in the bronchi, lungs or heart’s blood and measures the invasive power of these microorganisms during the course of lobar pneumonia following influenza.
| Table XXX | |||||||||
|---|---|---|---|---|---|---|---|---|---|
| NO. OF CULTURES | PNEUMOCOCCI | HEMOLYTIC STREPTOCOCCI | STAPHYLOCOCCI | B. INFLUENZÆ | |||||
| NO. POSITIVE | PER CENT POSITIVE | NO. POSITIVE | PER CENT POSITIVE | NO. POSITIVE | PER CENT POSITIVE | NO. POSITIVE | PER CENT POSITIVE | ||
| Bronchus | 44 | 56.9 | 14 | 31.8 | 22 | 37 | 84.1 | 96 | 79.3 |
| Lung | 53 | 77.3 | 13 | 24.5 | 8 | 26 | 49.1 | 70 | 45.7 |
| Blood | 87 | 65.5 | 11 | 12.6 | 1 | 0.5 | |||
Pneumococci, the recognized cause of lobar pneumonia, were found in the lungs in 73.3 per cent of autopsies; failure to find the microorganism in all instances is doubtless the result of its disappearance from the lung, which, it is well known, occurs not infrequently particularly during 157the later stages of the disease. In 65.5 per cent of instances of fatal lobar pneumonia pneumococci have entered the heart’s blood.
Hemolytic streptococci unlike pneumococci were found more frequently in the bronchi than in the lungs; this microorganism which exhibits little tendency to disappear, once it has established itself within the body, found entrance into the bronchi in 31.8 per cent of instances of lobar pneumonia and in 24.5 per cent entered the lungs. Its invasive power is further illustrated by its penetration into the heart’s blood approximately in half this proportion of autopsies.
Staphylococci enter the bronchi in many instances (50 per cent), but relatively seldom (15.1 per cent) invade the lung and rarely if ever penetrate into the blood.
The high incidence, namely, 84.1 per cent, of B. influenzæ in the bronchi is particularly noteworthy; it exceeds that of pneumococci, the well-recognized cause of lobar pneumonia, within the lung. It is found much less frequently within consolidated lung tissue and shows no tendency to invade the heart’s blood. B. influenzæ finds the most favorable conditions for its multiplication within the bronchi.
In view of the frequent occurrence of coexisting lobar and bronchopneumonia it has appeared desirable to determine how far the existence of obvious bronchopneumonia modifies the bacteriology of lobar pneumonia. In Table XXXI the incidence of pneumococci, hemolytic streptococci, staphylococci and B. influenzæ after death with lobar pneumonia on the one hand is compared with their incidence after combined lobar and bronchopneumonia on the other.
Pneumococci are found in the lung more frequently with lobar than with combined lobar and bronchopneumonia. The incidence of hemolytic streptococci and of staphylococci in the lung is on the contrary higher when bronchopneumonia is associated with lobar pneumonia. It is not improbable that these microorganisms have a part in the production of associated bronchopneumonia. The frequency with which microorganisms invade the blood is almost identical in the two groups.
| Table XXXI | |||||||||
|---|---|---|---|---|---|---|---|---|---|
| With Lobar Pneumonia Alone | |||||||||
| NO. OF CULTURES | PNEUMOCOCCI | HEMOLYTIC STREPTOCOCCI | STAPHYLOCOCCI | B. INFLUENZÆ | |||||
| NO. POSITIVE | PER CENT POSITIVE | NO. POSITIVE | PER CENT POSITIVE | NO. POSITIVE | PER CENT POSITIVE | NO. POSITIVE | PER CENT POSITIVE | ||
| Bronchus | 30 | 20 | 66.6 | 9 | 30 | 15 | 50 | 26 | 86.7 |
| Lung | 34 | 29 | 85.2 | 7 | 20.6 | 3 | 8.8 | 18 | 52.9 |
| Blood | 54 | 36 | 66.7 | 7 | 13 | ||||
| With Combined Lobar and Bronchopneumonia | |||||||||
| NO. OF CULTURES | PNEUMOCOCCI | HEMOLYTIC STREPTOCOCCI | STAPHYLOCOCCI | B. INFLUENZÆ | |||||
| NO. POSITIVE | PER CENT POSITIVE | NO. POSITIVE | PER CENT POSITIVE | NO. POSITIVE | PER CENT POSITIVE | NO. POSITIVE | PER CENT POSITIVE | ||
| Bronchus | 14 | 9 | 64.3 | 5 | 34.3 | 7 | 50 | 11 | 78.6 |
| Lung | 19 | 12 | 63.2 | 6 | 31.6 | 5 | 26.3 | 8 | 42.1 |
| Blood | 33 | 21 | 63.1 | 4 | 12.1 | ||||
The relative frequency with which different types of pneumococci produce lobar pneumonia under the conditions existing when Camp Pike was attacked by an epidemic of influenza is indicated by Table XXXII in which instances of lobar pneumonia alone and of combined lobar and bronchopneumonia are listed separately.
Pneumococcus I and II, which are found approximately in two-thirds of instances of lobar pneumonia occurring in cities, have an insignificant part in the production of these lesions. Pneumococcus IV and atypical Pneumococcus II, which are commonly found in the mouth, are the predominant cause of these lesions, and with Pneumococcus III, also an inhabitant of the mouths of normal individuals, have been the cause of two-thirds of all instances of lobar pneumonia observed in this camp.
| Table XXXII | |||||||||||
|---|---|---|---|---|---|---|---|---|---|---|---|
| With Lobar Pneumonia | |||||||||||
| NO. OF CULTURES | PNEUMOCOCCUS I | PNEUMOCOCCUS II | PNEUMOCOCCUS II (Atyp.) | PNEUMOCOCCUS III | PNEUMOCOCCUS IV | ||||||
| NO. POSITIVE | PER CENT POSITIVE | NO. POSITIVE | PER CENT POSITIVE | NO. POSITIVE | PER CENT POSITIVE | NO. POSITIVE | PER CENT POSITIVE | NO. POSITIVE | PER CENT POSITIVE | ||
| Bronchus | 30 | 1 | 3.3 | 1 | 3.3 | 4 | 13.3 | 4 | 13.3 | 10 | 33.3 |
| Lung | 34 | 1 | 2.9 | 2 | 5.9 | 9 | 26.5 | 6 | 17.6 | 11 | 32.4 |
| Blood | 54 | 2 | 3.7 | 2 | 3.7 | 12 | 22.2 | 3 | 5.6 | 17 | 31.5 |
| With Combined Lobar and Bronchopneumonia | |||||||||||
| NO. OF CULTURES | PNEUMOCOCCUS I | PNEUMOCOCCUS II | PNEUMOCOCCUS II (Atyp.) | PNEUMOCOCCUS III | PNEUMOCOCCUS IV | ||||||
| NO. POSITIVE | PER CENT POSITIVE | NO. POSITIVE | PER CENT POSITIVE | NO. POSITIVE | PER CENT POSITIVE | NO. POSITIVE | PER CENT POSITIVE | NO. POSITIVE | PER CENT POSITIVE | ||
| Bronchus | 14 | 2 | 14.3 | 1 | 7.1 | 3 | 21.4 | 3 | 21.4 | ||
| Lung | 19 | 1 | 5.3 | 5 | 26.3 | 6 | 31.6 | ||||
| Blood | 33 | 2 | 6.1 | 3 | 9.1 | 4 | 12.1 | 12 | 36.4 | ||
There is no noteworthy difference in the occurrence of these types of pneumococci among instances of lobar pneumonia, on the one hand, and of combined lobar and bronchopneumonia, on the other. Different types exhibit no noteworthy differences in their ability to penetrate into lungs and blood.
Hemolytic Streptococcus with Lobar Pneumonia.—There can be no doubt that the concurrent infection with microorganisms other than pneumococcus modifies the progress of lobar pneumonia. With lobar pneumonia alone hemolytic streptococci have entered the bronchi in 30 per cent of instances and have penetrated into the lungs in 20.6 per cent; with associated lobar and bronchopneumonia the same microorganism has entered the bronchi in 34.3 per cent of instances and invaded the lung in 31.6 per cent. Hemolytic streptococci are the only microorganisms other than pneumococci which, in association with lobar pneumonia, 160have found their way from the lungs to the blood stream; more than one-third of all instances of lobar pneumonia in which hemolytic streptococci find entrance into the bronchi die with streptococcus septicemia.
Separation of instances of lobar pneumonia into groups on the basis of the occurrence of red or gray hepatization shows that infection with hemolytic streptococcus is more likely to occur during the early stages of the disease. The average duration of lobar pneumonia with red hepatization has been 3.7 days, with red and gray hepatization, 5.1 days, and with gray hepatization, 7.5 days. Infection with hemolytic streptococcus has occurred in association with red or gray hepatization as shown in Table XXXIII.
| Table XXXIII | |||
|---|---|---|---|
| NO. OF AUTOPSIES | NO. WITH HEMOLYTIC STREPTOCOCCUS | PER CENT WITH HEMOLYTIC STREPTOCOCCUS | |
| Lobar pneumonia with red hepatization | 16 | 6 | 37.5 |
| Lobar pneumonia with red and gray hepatization | 28 | 6 | 21.4 |
| Lobar pneumonia with gray hepatization | 20 | 1 | 5.0 |
Notwithstanding the longer duration of the disease and consequent prolongation of exposure to infection, lobar pneumonia, which has reached the stage of gray hepatization, has shown the smallest incidence of infection with hemolytic streptococci. In the stage of gray hepatization there is diminished susceptibility to secondary infection with this microorganism.
Characteristic histologic changes have been found in the lungs of those who have died with lobar pneumonia followed by invasion of lungs and blood by hemolytic streptococci (e. g., Autopsies 273, 430), but with no evidence of suppuration found at autopsy. Within the pneumonic lung occur patches of necrosis implicating both exuded cells and alveolar walls; in some places nuclei have disappeared; elsewhere nuclear fragments are abundant. 161In these patches of necrosis Gram-positive streptococci in short chains occur in immense number. In some instances (e. g., Autopsies 273, 346, 479) interlobular septa are very edematous and often contain a network of fibrin; lymphatics are dilated and contain polynuclear leucocytes in abundance. Streptococci are found within these lymphatics. The histologic changes which have been described represent the earliest stages of abscess formation and interstitial suppuration, lesions almost invariably caused by hemolytic streptococci.
Chart 2.—Showing the relation of (a) date of onset of cases in which autopsy demonstrated lobar pneumonia, indicated by upper continuous line with single hatch, and of (b) date of death of these cases, indicated by lower continuous line with double hatch to (c) the occurrence of influenza, indicated by the broken line, and to (d) the total number of fatal cases of pneumonia, indicated by the broken dotted line. Each case of fatal pneumonia is indicated by one division of the scale as numbered on the left of the chart; cases of influenza are indicated by the numbers on the right of the chart.
Relation of Lobar Pneumonia to Influenza.—Some writers have suggested that lobar pneumonia, heretofore observed during the course of epidemics of influenza, is an 162independent disease with no relation to influenza, both diseases being referable perhaps to similar meteorologic or other conditions. Chart 2, which shows by weeks from September 1 to October 31 the relation of deaths from lobar pneumonia (indicated by double hatch) to deaths from all forms of pneumonia, disproves this suggestion. The two curves follow parallel courses; that representing lobar pneumonia reaches a maximum approximately one week after the outbreak of influenza had reached its height. Lobar pneumonia, like other forms of pneumonia, was secondary to influenza. When a chart is plotted to represent the dates of onset of fatal cases of lobar pneumonia (indicated by single hatch in Chart 2), it becomes evident that the greatest number of these cases of pneumonia had their onset at the beginning of the influenza epidemic, approximately one week before it reached its height. Fatal lobar pneumonia developed less frequently in the latter part of the epidemic; to obtain an explanation of this relation it is necessary to chart separately cases of lobar pneumonia with secondary streptococcus infection, for we have already learned that streptococcus infection was the predominant cause of death in the early period of the influenza epidemic. Exclusion of these instances of secondary streptococcus infection makes no noteworthy change in the character of the chart. Fatal lobar pneumonia, like all forms of fatal pneumonia (p. 140), was more frequent in the first half than in the second half of the epidemic. This difference is referable either to greater virulence of the virus of influenza or to the greater susceptibility of those first selected by the disease or, as more probable, to conditions such as crowding together of patients with influenza, favoring the transmission of microorganisms which cause pneumonia.
For the purpose of the present study it is convenient to group together instances of bronchopneumonia which have 163been unaccompanied, on the one hand, by lobar pneumonia (p. 155) or, on the other hand, by suppuration, which with few exceptions is caused by hemolytic streptococci or by staphylococci. A group of cases in which lobar and bronchopneumonia have occurred in the same individual have already been considered. In many instances, bronchopneumonia is accompanied by abscess formation or by some other form of suppuration; these lesions will be discussed elsewhere.
Bronchopneumonia unaccompanied by lobar pneumonia or by suppuration occurred in 80 autopsies.
Pneumonic consolidation distributed with relation to the bronchi exhibits considerable variety, and an attempt to define a type of bronchopneumonia characteristic of influenza would be futile. Nevertheless, the bronchopneumonia of influenza has in many instances distinctive characters.
Lesions of bronchopneumonia which are frequently found in the autopsies under consideration may be conveniently designated by descriptive terms, indicative of their location in the lung tissue. These lesions, of which two or more often occur in the same lung, are:
1. Peribronchiolar consolidation with which the inflammatory exudate is limited to the alveoli in the immediate neighborhood of the bronchioles.
2. Hemorrhagic peribronchiolar consolidation in which gray patches of peribronchiolar pneumonia occur upon a deep red background produced by hemorrhage into alveoli. Pfeiffer believed that this lesion was characteristic of influenza.
3. Lobular consolidation with which consolidation is limited to lobules or groups of lobules.
4. Peribronchial pneumonia with which small bronchi are encircled by pneumonic consolidation.
Each one of these lesions will be discussed separately.
Following is a list of the bacteria which have been isolated from the consolidated lung of individuals with bronchopneumonia 164unaccompanied by lobar pneumonia or by suppuration:
| B. influenzæ | 1 |
| Pneumococci | 5 |
| S. hemolyticus | 5 |
| S. viridans | 1 |
| B. influenzæ, pneumococci | 9 |
| B. influenzæ, S. hemolyticus | 4 |
| B. influenzæ, staphylococci | 4 |
| Pneumococci, S. hemolyticus | 1 |
| Pneumococci, staphylococci | 2 |
| S. hemolyticus, staphylococci | 1 |
| S. hemolyticus, B. coli | 1 |
| Staphylococci, S. viridans | 1 |
| Staphylococci, B. coli | 1 |
| B. influenzæ, pneumococci, staphylococci | 1 |
| B. influenzæ, pneumococci, S. viridans | 1 |
| B. influenzæ, S. hemolyticus, staphylococci | 2 |
| B. influenzæ, pneumococci, staphylococci, S. viridans | 1 |
| No microorganisms found | 6 |
| 47 |
The similarity of this list to that representing the bacteriology of bronchitis is evident; there is the same multiplicity of microorganisms and the frequent occurrence of mixed infections. B. influenzæ is much less frequently found in the lung. The relative pathogenicity of the large group of microorganisms enumerated above is better indicated by the following list which shows what microorganisms have penetrated into the blood in autopsies performed on individuals with bronchopneumonia:
| Pneumococci | 20 |
| S. hemolyticus | 23 |
| S. viridans | 1 |
| Pneumococci, S. hemolyticus | 2 |
| No bacteria found | 25 |
| Total | 71 |
Table XXXIV shows the percentage incidence of pneumococcus, hemolytic streptococcus, staphylococcus and 165B. influenzæ in the bronchi, lungs and blood and is inserted for comparison with the similar table (Table XXX) showing the incidence of these bacteria in lobar pneumonia.
| Table XXXIV | |||||||||
|---|---|---|---|---|---|---|---|---|---|
| NO. OF CULTURES | PNEUMOCOCCI | HEMOLYTIC STREPTOCOCCI | STAPHYLOCOCCI | B. INFLUENZÆ | |||||
| NO. POSITIVE | PER CENT POSITIVE | NO. POSITIVE | PER CENT POSITIVE | NO. POSITIVE | PER CENT POSITIVE | NO. POSITIVE | PER CENT POSITIVE | ||
| Bronchus | 37 | 19 | 48.6 | 13 | 35.1 | 22 | 59.5 | 28 | 75.7 |
| Lung | 47 | 20 | 42.6 | 14 | 29.8 | 13 | 27.7 | 23 | 48.9 |
| Blood | 70 | 22 | 31.4 | 24 | 34.3 | ||||
Table XXXIV shows that pneumococci have a less important part in the production of broncho than of lobar pneumonia; with lobar pneumonia this microorganism was found in the lungs in 77.3 per cent of instances and in the blood, in 65.5 per cent, whereas with bronchopneumonia it was found in the lungs in 42.6 per cent and in the blood in 31.4 per cent. Hemolytic streptococci (in lungs and blood) and staphylococci (in lungs), on the contrary, were more common with bronchopneumonia, and doubtless have a part in the production of the lesion. Streptococcus viridans, B. coli and M. catarrhalis, which are not infrequently found in the bronchi (p. 151), occasionally enter the lungs with bronchopneumonia but are rarely found with lobar pneumonia. B. influenzæ has been found in less than 80 per cent of instances in the bronchi and in about half of the lungs, maintaining an incidence approximately the same as that with lobar pneumonia.
Table XXXV shows the types of pneumococci found in association with bronchopneumonia and is inserted for comparison with the similar table (Table XXXII) showing types of pneumococci with lobar pneumonia.
With broncho as with lobar pneumonia pneumococci commonly found in the mouth, namely, atypical II, and Types III and IV, have a more important part in production of the lesion than the so-called fixed types, I and II. Atypical Pneumococcus II has been less frequently encountered with broncho than with lobar pneumonia.
| Table XXXV | |||||||||||
|---|---|---|---|---|---|---|---|---|---|---|---|
| NO. OF CULTURES | PNEUMOCOCCUS I | PNEUMOCOCCUS II | PNEUMOCOCCUS II (Atyp.) | PNEUMOCOCCUS III | PNEUMOCOCCUS IV | ||||||
| NO. POSITIVE | PER CENT POSITIVE | NO. POSITIVE | PER CENT POSITIVE | NO. POSITIVE | PER CENT POSITIVE | NO. POSITIVE | PER CENT POSITIVE | NO. POSITIVE | PER CENT POSITIVE | ||
| Bronchus | 37 | 1 | 2.7 | 3 | 8.1 | 14 | 37.8 | ||||
| Lung | 47 | 2 | 4.3 | 2 | 4.3 | 2 | 4.3 | 2 | 4.3 | 12 | 25.2 |
| Blood | 70 | 1 | 1.4 | 1 | 1.4 | 5 | 7.1 | 4 | 5.7 | 11 | 15.9 |
Peribronchiolar Consolidation.—In many instances of bronchopneumonia, usually in association with lobular or confluent consolidation, small firm nodules of consolidation are clustered about the bronchioles (Fig. 2). These nodular foci of consolidation are usually 1.5 to 2 mm. in diameter, being sometimes slightly smaller or slightly larger. They are usually gray and occasionally surrounded by a red halo; sometimes they are yellowish gray. They are clustered about the smallest bronchial tubes to form groups which are from 0.5 to 1 cm. across. A group of nodular foci of consolidation occupies the central part of a lobule of lung tissue. When pneumonia has been of short duration these foci are fairly soft and not sharply defined, and in many instances this form of bronchopneumonia is first recognized by microscopic examination. When the disease has lasted from ten days to two weeks, the consolidated nodules are very firm and sharply circumscribed, closely resembling tubercles. When they have assumed this character, microscopic examination shows that chronic changes indicated by new formation of interstitial tissue have occurred.
The lesion may be designated peribronchiolar consolidation. It has occurred usually in association with other types of pneumonic lesion in 61 instances, being recognized at autopsy in 18 and by microscopic examination in 43.
Fig. 2.—Acute bronchopneumonia with nodules of peribronchiolar consolidation and purulent bronchitis. Autopsy 429.
168In association with this lesion there are almost invariably severe lesions of the bronchi. Purulent bronchitis was noted in 47 of the 61 instances, in which this nodular bronchopneumonia was found at autopsy. An index of the severity of the bronchial injury is the frequency with which bronchiectasis has occurred; dilatation of small bronchi was observed in 24 instances. In 10 instances the bronchi were encircled by conspicuous zones of hemorrhage.
In association with this peribronchiolar lesion the lung is often voluminous and fails to collapse on removal from the chest. Pressure upon the lung squeezes from the smallest bronchi, both in the neighborhood of the nodular consolidation and elsewhere, a droplet of viscid, semifluid mucopurulent material. The presence of this tenacious material throughout the small bronchi doubtless explains the failure of the lung tissue to collapse. Interstitial emphysema has been present in some of these lungs.
A red zone of hemorrhage has occasionally been observed about the foci of peribronchiolar pneumonia. A further stage in the same process is represented by hemorrhage into all of the alveoli separating these patches of consolidation. This hemorrhagic lesion, which will be described in more detail later, has been found repeatedly in the same lung with peribronchiolar pneumonia, being present in 8 among the 61 autopsies cited. Lobular bronchopneumonia accompanied the peribronchiolar lesion 27 times and lobar pneumonia accompanied it 20 times.
When an abscess caused by hemolytic streptococcus is associated with peribronchiolar pneumonia, empyema is present, but otherwise pleurisy is absent or limited to a scant fibrinous exudate.
Fig. 3.—Acute bronchopneumonia with peribronchiolar consolidation; a respiratory bronchiole partially lined by columnar epithelium passes into alveolar duct and the adjacent alveoli are filled by polynuclear leucocytes. Autopsy 333.
Histologic examination demonstrates very clearly the relation of this lesion to the bronchioles (Fig. 3). These passages are filled and distended with an inflammatory exudate consisting almost entirely of polynuclear leucocytes. The respiratory bronchioles are beset with alveoli often limited to one side of the tubule and these alveoli are filled with leucocytes. The alveolar ducts, distinguishable from the bronchioles by the absence of columnar or cubical epithelium and by possession of smooth muscle, are similarly filled with leucocytes; the numerous alveoli which form the walls of the alveolar ducts are distended by an inflammatory exudate. In sections which pass through an alveolar duct and one or more of its infundibula, the further extension of the lesion may be determined (Fig. 4). The infundibulum in proximity with the alveolar duct contains polynuclear leucocytes and the same cells are seen in the alveoli which here form its wall, but the intensity of the inflammatory reaction diminishes toward the periphery, so that the distal part of the infundibulum, which is much distended 170and in consequence more readily definable than usual, is free from inflammatory exudate.
Fig. 4.—Acute bronchopneumonia with peribronchiolar consolidation; a respiratory bronchiole is in continuity with an alveolar duct and two distended infundibula; alveoli about bronchiole, alveolar duct and proximal part of infundibula contain polynuclear leucocytes, the distal part of the infundibula showing no evidence of inflammation. Autopsy 333.
Occasionally there is irregularly distributed hemorrhage and perhaps some edema in the alveoli immediately adjacent to those which form the peribronchiolar focus of inflammation. In such instances small bronchi, that is, air passages, lined by columnar epithelium and devoid of tributary alveoli, may be surrounded by a zone of hemorrhage; immediately surrounding the bronchus, the wall of which shows intense inflammation, alveoli, in a zone of which the radius represents several alveoli, are filled with blood. This hemorrhagic zone is continued from the bronchus over the focus of inflammation which surrounds the bronchiole.
171Another variation in the character of the lesion is doubtless referable to variation in the severity of primary bronchial injury. Alveoli immediately surrounding small bronchi are filled with dense plugs of fibrin. The alveoli which besot the walls of the bronchioles contain fibrin, but the alveolar duct and its tributary alveoli are filled with polynuclear leucocytes.
The bacteria which have been cultivated from the lung in autopsies with peribronchiolar pneumonia are as follows:
| Pneumococcus | 5 |
| S. hemolyticus | 8 |
| B. influenzæ, pneumococcus | 5 |
| B influenzæ, S. hemolyticus | 7 |
| B. influenzæ, staphylococcus | 1 |
| Pneumococcus, staphylococcus | 2 |
| S. hemolyticus, staphylococcus | 2 |
| B. influenzæ, pneumococcus, S. hemolyticus | 2 |
| B. influenzæ, pneumococcus, staphylococcus | 1 |
| B. influenzæ, S. hemolyticus, staphylococcus | 2 |
| Pneumococcus, S. hemolyticus, staphylococcus | 3 |
| No organism | 3 |
| Total | 41 |
The following list which shows the bacteria found in the blood is an index to the pathogenicity of pneumococci and hemolytic streptococci:
| Pneumococcus | 22 |
| S. hemolyticus | 20 |
| Pneumococcus, S. hemolyticus | 1 |
| No organism | 14 |
| Total | 57 |
The percentage incidence of pneumococcus, hemolytic streptococcus, staphylococcus and B. influenzæ in bronchus, lung and blood, given in Table XXXVI, is inserted to indicate with what readiness each one of these microorganisms passes from the bronchus through the lung into the circulating blood.
| 172 | ||||
| Table XXXVI | ||||
|---|---|---|---|---|
| PNEUMOCOCCUS | HEMOLYTIC STREPTOCOCCUS | STAPHYLOCOCCUS | B. INFLUENZA | |
| Bronchus | 39.4% | 57.7% | 60.6% | 84.8% |
| Lung | 43.9% | 61.0% | 21.9% | 43.9% |
| Blood | 40.3% | 36.8% | 0. % | 0. % |
B. influenzæ is present in the bronchi in a very large proportion (84.8 per cent) of those in whom this type of bronchopneumonia has been found at autopsy; it is much less frequently recovered from the lungs. Staphylococci, in part S. albus and in part S. aureus, are less frequently found in the bronchi and are recovered from the lungs in a relatively small proportion of autopsies. The percentage incidence of pneumococci and streptococci in lungs and blood demonstrates the pathogenicity of these microorganisms, for whereas pneumococci and hemolytic streptococci are found in the consolidated lungs in 43.9 and 61.0 per cent of instances of the lesion respectively, they make their way into the blood in 40.3 and 36.8 per cent of instances.
Coexisting infection with pneumococci and hemolytic streptococci has been not uncommon e. g., Autopsy 275 in which both were in the blood; in 2 instances (Autopsies 333 and 378) in which pneumococci were obtained from the blood, hemolytic streptococci were found in the lungs and bronchi; in 3 instances (Autopsies 258, 273 and 445) in which hemolytic streptococci were present in the blood, pneumococci were obtained from the lungs.
In the group of autopsies under consideration, examination of the sputum was made during life and after onset of pneumonia in 11 instances. The microorganisms found in the sputum and at autopsy were as follows:
| SPUTUM | IN BLOOD, LUNGS OR BRONCHUS AT AUTOPSY | ||
|---|---|---|---|
| Autopsy | 240 | Pneum. IV | Pneum. IV |
| 246 | Pneum. atyp. II, B. inf. | ||
| 247 | Pneum. IV, B. inf. | Pneum. IV | |
| 250 | Pneum. atyp. II, B. inf. | Pneum. atyp. II | |
| 253 | Pneum. atyp. II | Pneum. II | |
| 285 | Pneum. atyp. II, B. Inf. | S. hem., B. inf. | |
| 288 | S. hem., B. inf. | S. hem., B. inf. | |
| 173 | 291 | Pneum. IV, B. inf. | Staph., B. inf. |
| 300 | Pneum. atyp. II, B. inf. | Pneum. atyp. II, B. inf. | |
| 312 | Pneum. IV, S. hem., B. inf. | S. hem., B. inf. | |
| 346 | Pneum. IV, B. inf. | S. hem., B. inf. |
In 2 instances (Autopsies 285 and 346) among this small group of cases, pneumococci but no hemolytic streptococci were found in the sputum several days before death, whereas death occurred as the result of secondary invasion with hemolytic streptococci and no pneumococci were found at autopsy. It is probable that this sequence of events is not uncommon. B. influenzæ finds its way into the bronchi and pneumococci follow it; pneumonia limited to peribronchiolar alveoli may occur in consequence of this invasion. Later hemolytic streptococci may follow the same path and cause death with bacteremia.
Hemorrhagic Peribronchiolar Consolidation.—Peribronchiolar pneumonia accompanied by diffuse accumulation of blood within the alveoli is one of the most frequent complications of influenza. The lung tissue is laxly consolidated, and on section there is a homogeneous dull deep red background upon which are seen small gray spots (1.5 to 2 mm. in diameter) grouped in clusters about the smallest bronchi (Fig. 5). Wide areas of lung tissue are implicated and the lesion is more common in the dependent parts of the lung than elsewhere. In common with other forms of bronchopneumonia the lesion is in most instances associated with changes in the bronchi; in 55 instances of hemorrhagic bronchiolar pneumonia purulent bronchitis was found in 43 instances; it is noteworthy that purulent bronchitis often is not evident in the presence of pulmonary edema and edema is not infrequent with this pneumonic lesion.
Microscopic examination demonstrates the presence of acute bronchitis; the lumina of the small bronchi contain polynuclear leucocytes and red blood corpuscles. Accumulation of blood may separate the epithelium from the basement 174membrane. The mucosa immediately below the epithelium contains polynuclear leucocytes in fair abundance and the blood vessels of the bronchial wall are much engorged. Respiratory bronchioles are distended with polynuclear leucocytes and red blood corpuscles. In a zone about each bronchiole, in areas corresponding to the small gray spots seen upon the cut surface of the lung, the alveoli are filled with polynuclear leucocytes. In the lung tissue intervening between these spots of leucocytic pneumonia the alveoli are distended with red blood corpuscles.
Fig. 5.—Bronchopneumonia with hemorrhagic peribronchiolar consolidation.
In favorable sections it is occasionally possible to follow the bronchiole and alveolar duct, both filled with leucocytes, into an infundibulum. The proximal part of the infundibulum contains polynuclear leucocytes, whereas the distal part and its tributary alveoli are filled with serum and red blood corpuscles.
When the lesion has persisted for a short time there is evidence of beginning migration of polynuclear leucocytes from the blood vessels into the alveoli which are filled with 175blood. The alveolar walls contain numerous polynuclear leucocytes and leucocytes which have entered the intraalveolar blood are numerous in contact with the wall but occur in scant number in the center of the alveolar lumen.
Alveolar epithelium in contact with the blood in the lumen is usually swollen and often uniformly nucleated.
The inflammatory process is evidently transmitted from the bronchioles and to a less degree from the small bronchi to the adjacent alveoli. Polynuclear leucocytes fill the lumen of the bronchiole and the alveoli immediately adjacent; at the periphery of the focus of pneumonia, the alveoli may contain fibrin. In such instances small bronchi (lined by a continuous layer of columnar epithelial cells) may be surrounded by alveoli containing fibrin.
In sections from one part of the lung, the alveoli between the peribronchiolar foci of pneumonia may be uniformly filled with red blood corpuscles, whereas in sections from another part pneumonic foci may be surrounded by a zone of intraalveolar hemorrhage or of hemorrhage and edema outside of which some air-containing tissue occurs. There are transitions between this halo of intraalveolar hemorrhage and edema surrounding each bronchiolar focus and complete hemorrhagic infiltration of all intervening alveoli.
Large mononuclear cells are occasionally fairly numerous within the alveoli containing blood. These cells act as phagocytes ingesting red corpuscles, so that at times they are filled with corpuscles. Disintegration of red corpuscles occurs and brown pigment remains within the cell. It is not uncommon to find numerous mononuclear pigment containing cells which resemble those found with chronic passive congestion of the lungs.
Lungs, the site of hemorrhagic peribronchiolar pneumonia, may undergo chronic changes which will be described elsewhere.
The lesion which has been designated hemorrhagic peribronchiolar pneumonia is that which Pfeiffer regarded as 176the characteristic type of influenzal pneumonia. In the small bronchi containing pus and in lung tissue, Pfeiffer states, influenza bacilli are predominant and present in astonishing number in smear preparations. The demonstration of B. influenzæ by cultures from pneumonic lung is mentioned by him but its association with other microorganisms in such cultures is not discussed.
Microorganisms which we have isolated from the lungs of individuals with hemorrhagic peribronchiolar pneumonia are as follows:
| B. influenzæ | 1 |
| Pneumococcus | 2 |
| S. hemolyticus | 10 |
| B. influenzæ, pneumococcus | 7 |
| B. influenzæ, S. hemolyticus | 3 |
| B. influenzæ, staphylococcus | 2 |
| S. hemolyticus, B. coli | 3 |
| B. influenzæ, pneumococcus, staphylococcus | 2 |
| B. influenzæ, S. hemolyticus, staphylococcus | 5 |
| Pneumococcus, S. hemolyticus, staphylococcus | 1 |
| No organisms | 2 |
| Total | 38 |
With this type of pneumonia B. influenzæ has not been isolated in pure culture; B. influenzæ alone is recorded only once (Autopsy 435), but in this instance the culture has been so obscured by contamination that the occurrence of pneumococci or streptococci cannot be excluded; S. hemolyticus has doubtless been present in this lung, for it has been found in the heart’s blood, in the bronchus, and in the peritoneal exudate of the same individual.
The incidence of pneumococci and hemolytic streptococci in this list does not differ materially from that with peribronchiolar pneumonia unaccompanied by extensive intraalveolar hemorrhage, though hemolytic streptococci are somewhat more frequent with the hemorrhagic lesion. The following table shows the frequency with which pneumococci and hemolytic streptococci have penetrated into the blood:
| 177 | |
| Pneumococcus | 11 |
| S. hemolyticus | 24 |
| Pneumococcus, S. hemolyticus | 1 |
| No organism | 12 |
| Total | 48 |
Table XXXVII showing the percentage incidence of pneumococci, hemolytic streptococci, staphylococci and B. influenzæ further emphasizes the similarity between the bacteriology of peribronchiolar pneumonia (Table XXXVI) and the closely related hemorrhagic lesion:
| Table XXXVII | ||||
|---|---|---|---|---|
| PNEUMOCOCCUS | HEMOLYTIC STREPTOCOCCUS | STAPHYLOCOCCUS | B. INFLUENZÆ | |
| Bronchus | 44.0% | 64.0% | 44.0% | 72.0% |
| Lung | 31.6% | 57.9% | 26.8% | 52.6% |
| Blood of heart | 25.0% | 52.1% | 0% | 0% |
Pneumococci have been found in the lungs (31.6 per cent) and blood (25 per cent), somewhat less frequently than with peribronchiolar pneumonia (43.9 and 40.3 per cent respectively), and hemolytic streptococci have been found in the blood more frequently (52.1 per cent) than with the latter (36.8 per cent) but otherwise the bacteriology of the two lesions corresponds closely. The low incidence of B. influenzæ in the bronchi (72 per cent) with hemorrhagic peribronchiolar pneumonia is perhaps incorrect as the result of the relatively small number of bacteriologic examinations (namely, 25), but the incidence of the same microorganism in the lung has been higher (52.6 per cent) than with nonhemorrhagic peribronchiolar lesion (43.9 per cent).
In some instances infection with hemolytic streptococci has occurred after the onset of pneumonia. The following list compares the results of bacteriologic examination of the sputum made after the onset of pneumonia with that of blood, lungs or bronchus after death:
| 178 | |||
| SPUTUM | IN BLOOD, LUNGS OR BRONCHUS AT AUTOPSY | ||
|---|---|---|---|
| Autopsy | 237 | S. hem. | S. hem. |
| 242 | Pneum. atyp. II, B. inf. | Pneum. atyp. II | |
| 247 | Pneum. IV, B. inf. | Pneum. IV | |
| 266 | S. hem. | S. hem., B. inf. | |
| 346 | Pneum. IV, B. inf. | S. hem., B. inf. | |
| 376 | (No. S. hem.) | S. hem., staph., B. inf. | |
Instances of secondary infection with hemolytic streptococcus occur in the list, namely, Autopsies 346 and 376.
From the foregoing studies of the bacteriology of peribronchiolar and hemorrhagic peribronchiolar pneumonia the following conclusions may be drawn: (a) B. influenzæ is found in most instances of these lesions in the bronchi and in about half of all instances in the lungs, but does not occur unaccompanied by other microorganisms. (b) In a considerable number of autopsies pneumococcus is the only microorganism that accompanies B. influenzæ; from the lungs it penetrates into the blood from which it is obtained in pure culture. (c) In a considerable number of instances S. hemolyticus accompanies B. influenzæ, and in some of these instances (representing a large proportion of the relatively small number of cases examined during life), examination of the sputum has demonstrated that infection has been secondary to a pneumonia with which no hemolytic streptococci have been found in the sputum.
Lobular Consolidation.—Consolidation of scattered lobules or groups of lobules has occurred in nearly all instances, namely, 71 of 80 autopsies with bronchopneumonia unaccompanied by lobar pneumonia or by suppuration. When death follows shortly after the onset of pneumonia, patches of consolidation have a dull deep red color; blood-tinged fluid escapes from the cut surface which is almost homogeneous or finely granular. The consolidated tissue seen through the pleura, which is raised above the general level, has a bluish red color. Isolated lobules or groups of lobules which have undergone consolidation may be scattered throughout the lungs, but not infrequently there is confluent consolidation of the greater part of lobes, of 179whole lobes or of almost an entire lung. Such lungs are very heavy and may weigh 1,400 or 1,500 grams; bloody serous fluid exudes from the cut surface. The lesion resembles the red hepatization of lobar pneumonia, but confluent patches of pneumonia are usually well defined by lobule boundaries. The tissue is soft and the granulation of lobar pneumonia is absent. In many instances the lobular or confluent areas of consolidation are reddish gray; in some instances consolidated tissue is in places red and elsewhere gray, and in a smaller group of autopsies there is gray consolidation only (Fig. 6). Red lobular consolidation is often seen in those who have died within the first four days following the onset of pneumonia, but is almost equally frequent after from five to ten days; the average duration of pneumonia in these cases was 5.5 days. Combined red and gray consolidation was more frequently found when pneumonia had lasted more than five days, the average duration of pneumonia being 7.3 days. The greater number of instances of gray consolidation were found after seven days of pneumonia, the average duration of the disease being 10.0 days. These figures are cited to show that lobular, like lobar, consolidation passes gradually from a stage of red to gray hepatization, but the change occurs more slowly and is often long delayed.
Lobular pneumonia, which occurred 71 times among 80 cases classified as bronchopneumonia, may be regarded as an almost constant lesion of the disease. It is found not only in association with other lesions of bronchopneumonia, but with lobar pneumonia of influenza as well.
The bacteriology of this lesion shows no deviation from that of the slightly larger group of bronchopneumonia (p. 163). All types of pneumococcus have been found in association with the lesion, Pneumococcus I in 2 instances, Pneumococcus II in 1 instance; atypical Pneumococcus II and Pneumococcus IV have been found much more frequently. Pneumococci have been found in more than a third of these autopsies (42.9 per cent in the lungs, 33.3 per cent in the blood); hemolytic streptococci in less than one-third (28.5 per cent in the lungs, 30.2 per cent in the blood).
Fig. 6.—Acute bronchopneumonia with confluent gray lobular consolidation in lower part of upper lobe and hemorrhagic peribronchiolar pneumonia in lower lobe; purulent bronchitis.
181The following list shows the bacteriology of a small group of autopsies in which the sputum was examined after onset of pneumonia:
| SPUTUM | BLOOD, LUNGS OR BRONCHUS AT AUTOPSY | ||
|---|---|---|---|
| Autopsy | 233 | Pneum. atyp. II | Pneum. |
| 237 | S. hem. | S. hem. | |
| 242 | Pneum. atyp. II, B. inf. | Pneum. atyp. II | |
| 250 | Pneum. atyp. II, B. inf. | Pneum. atyp. II | |
| 253 | Pneum. atyp. II | Pneum. atyp. II, staph., B. inf. | |
| 266 | S. hem. | S. hem., B. inf. | |
| 274 | Pneum. IV | S. hem. | |
| 291 | Pneum. IV, B. inf. | Staph., B. inf. | |
| 312 | Pneum. IV, S. hem., B. inf. | S. hem., staph., B. inf. |
In one instance of streptococcus pneumonia (Autopsy 274) infection with streptococci occurred subsequent to the examination of the sputum made five days before death; pneumococcus was found in the washed sputum.
With lobar pneumonia there was evidence that superimposed infection occurred more frequently during the stage of red than of gray hepatization. With the lobular consolidation of bronchopneumonia this relation has not been found. Among 27 instances of red lobular consolidation, hemolytic streptococcus has occurred 6 times, namely in 22.2 per cent; among 26 instances of red and gray consolidation, 8 times, namely, in 30.7 per cent; among 13 instances of gray consolidation, 5 times, namely, in 38.5 per cent. Infection with hemolytic streptococci is more frequent when the lesion has persisted to the stage of gray hepatization. This difference between lobar and bronchopneumonia is probably dependent in part at least upon the more severe and persistent lesions of the bronchi with bronchopneumonia.
The histology of consolidation which is definitely limited to secondary lobules or groups of lobules varies considerably. When death occurs in the early stage of the lesion, 182consolidated patches are deep red and somewhat edematous, so that bloody serous fluid escapes from the cut surface of the lung and red blood corpuscles are present in the alveoli in great abundance together with polynuclear leucocytes, fibrin and serum in varying quantity. It is not uncommon to find evidence that the lesion has had its origin in the bronchioles and extended from them to other parts of the lobule. Polynuclear leucocytes may be relatively abundant within and immediately about the bronchioles and alveolar ducts, whereas the intervening alveoli and infundibula are filled with red blood corpuscles among which are polynuclear leucocytes and perhaps some fibrin. It may be evident that bronchiolar pneumonia with hemorrhage into intervening alveoli is in process of transformation into a more diffuse leucocytic pneumonia, for polynuclear leucocytes are making their way from the alveolar wall into the blood-filled lumen and, as the result of the presence of blood, remain for a time close to the lining of the alveolus.
When the consolidated lobules have assumed a gray or reddish gray color, polynuclear leucocytes are more abundant and often almost homogeneously pack every alveolus within the boundaries of the lobule. In some instances there is fibrin partially obscured by the presence of leucocytes in great number.
Although fibrin is less abundant with bronchopneumonia than with lobar pneumonia, nevertheless in a considerable proportion of instances it is a very conspicuous element of the inflammatory exudate within the bronchioles, alveolar ducts and alveoli. It is unusual to find the alveolar ducts and alveoli uniformly plugged with fibrin containing leucocytes; there is a variegated distribution of exudate which has little resemblance to that of lobar pneumonia. Occasionally (Autopsies 242 and 247) polynuclear leucocytes fill the bronchioles, alveolar ducts and infundibula, whereas the surrounding tributary alveoli contain fibrin 183and polynuclear leucocytes in moderate number; red blood corpuscles may be present in sufficient number to give a homogeneously red color to the lobular consolidation.
In association with lobular pneumonia, fibrin within the lung tissue undergoes certain changes which outline very sharply the alveolar ducts and the other structures usually ill defined in preparations of the lung. A remarkable appearance is produced by the deposit of hyalin fibrin upon the surface of the alveolar ducts and infundibula. This lesion has been described by LeCount.
Within the alveolar tissue of the lung, spaces are seen lined by a layer of fibrin which stains homogeneously and very brightly with eosin. They are recognized as alveolar ducts by the presence of scattered bundles of smooth muscle in their wall. The layer of hyaline fibrin overlying the surface of the alveolar duct usually forms a continuous lining and covers over the orifices of the alveoli which surround the alveolar duct. These ducts are rendered still more conspicuous by the character of their contents which exhibits a sharp contrast with that of the surrounding alveoli. The alveoli duct occasionally contains a bubble of air, but more frequently it is filled with serum in which red blood corpuscles are sometimes numerous. There is within the lumen scant fibrin and very few cells, among which polynuclear leucocytes are predominant. In the surrounding alveoli on the contrary leucocytes and fibrin are abundant. A similar change is found in the infundibula very clearly defined by their conical form, which is especially well outlined below the pleura or in contact with interlobular septa. The infundibulum is outlined by hyaline fibrin which passes over the orifices of the tributary alveoli and separates the serous contents of the infundibulum from the cellular fibrinous contents of the alveoli about.
The lesion which has been described is often associated with acute bronchitis and bronchiolitis, and the alveoli immediately about the respiratory bronchioles may be filled 184with polynuclear leucocytes. It is very common to find large bubbles of air sharply defined within the purulent contents of the bronchiole. In some lobules the alveolar ducts, infundibula and alveoli intervening between these foci of leucocytic pneumonia are almost uniformly filled with fibrin and polynuclear leucocytes, but in other places the formation of complete layers of hyaline fibrin is in process. Bubbles of air are often seen within the alveolar ducts, and about them is an irregular layer of fibrin formed by the penetration of air into a channel previously filled with a loose network of fibrin containing serum in its meshes. The fibrin compressed against the walls of alveolar duct and infundibulum remains as a compact layer separating these structures from the alveoli which project from their walls. The bubble of air is doubtless later absorbed and replaced by serum, so that many alveolar ducts are filled with serum almost wholly free from cells, whereas alveoli outside the fibrinous membrane contain a network of fibrin with leucocytes in greater or less abundance.
In association with this fibrinous pneumonia, which has been described, hyaline thrombosis of the capillaries is not uncommon. This hyalin material within the capillaries gives reactions of fibrin, and in sections stained by the Gram-Weigert method for demonstration of fibrin, these thrombosed vessels have the appearance of capillaries irregularly injected with a blue material.
The interstitial tissue surrounding consolidated lobules is often edematous; the lymphatics are distended with serum and contain a moderate number of lymphocytes and polynuclear leucocytes.
Among the lungs which have been studied histologically, pneumococcus has been almost invariably associated with the lobular lesions which have just been described, whether hemorrhagic, leucocytic or fibrinous; the histologic changes accompanying infection of the lung with streptococcus will be described later. Pneumococcus has been cultivated from the consolidated lung and is found in section of the lung. B. influenzæ is found in cultures made from the bronchi. Table XXXVIII includes those instances in which the histology of the consolidated lung accords with the description given above.
| 185 | |||||
| Table XXXVIII | |||||
|---|---|---|---|---|---|
| NO. OF AUTOPSY | CHARACTER OF LOBULAR CONSOLIDATION | PREDOMINANT TYPE OF INFLAMMATORY EXUDATE | CULTURE FROM HEART’S BLOOD | CULTURE FROM LUNG | CULTURE FROM BRONCHUS |
| 242 | Red | Fibrinous | Pneum. atyp. II | ||
| 244 | Red | Leucocytic and hemorrhagic | Pneum. IV B. inf. | Pneum. IV, B. inf. | |
| 247 | Red and gray | Fibrinous | Pneum. IV | ||
| 249 | Red and gray | Fibrinous | Pneum. III | ||
| 252 | Red and gray | Fibrinous | Pneum. II B. inf. | Pneum. II, B. inf., S. vir. | |
| 257 | Red and gray | Leucocytic | Pneum. I | B. inf., staph. | |
| 303 | Red | Fibrinous | Pneum. IV B. inf. | Pneum. IV, B. inf., staph. | |
| 314 | ? | Fibrinous | Pneum. IV | Pneum. IV | Pneum. IV, B. inf., staph. |
| 336 | Red | Fibrinous | |||
| 395 | Red and gray | Leucocytic | Pneum. atyp. II | Pneum. atyp. II | |
| 464 | Red | Leucocytic and hemorrhagic | Pneum. I B. inf. | Pneum. I, B. inf., staph. | |
| 476 | Red | Leucocytic and hemorrhagic | |||
| 498 | Red and gray | Fibrinous | S. aur. | ||
| 506 | Red | Fibrinous | Pneum. IV | Pneum. IV S. aur. | Pneum. IV, B. inf., S. aur., M. catarrh |
186Pneumococcus was found in all but 2 instances, and in one of these (Autopsy 336) the only culture was from the heart’s blood and in the other (Autopsy 498) cultures were unsatisfactory because proper media were not obtainable. Pneumococci of Types I, II, II atypical, III and IV are represented in the list. B. influenzæ has been found in a considerable number of instances in which cultures have been made from the lung and in every instance in which cultures have been made from the bronchi. Staphylococci are often found in the bronchi, but in most instances they do not penetrate into the lung.
Another group of cases of lobular pneumonia are important because in association with necrosis of lung tissue recognized by the microscope hemolytic streptococci have been found in the lungs. In such instances serum is abundant and polynuclear leucocytes are relatively scant though their distribution varies considerably; in some places leucocytes are fairly abundant though elsewhere almost absent, but this distribution bears no obvious relation to the bronchioles. In some instances (Autopsies 274 and 487) red blood corpuscles are numerous but in others (Autopsies 275 and 312) they are inconspicuous. The characteristic feature of the lesion is the occurrence of patches of necrosis within which the nuclei both of exudate and of alveolar walls have partially or completely disappeared. In these areas of necrosis short chains of streptococci are found in immense number whereas in living tissue they are present in moderate number. There has been a relatively inactive inflammatory reaction, great proliferation of streptococci and necrosis of invaded tissue. The bacteriology of instances of lobular pneumonia with necrosis is shown in Table XXXIX.
| 187 | |||||
| Table XXXIX | |||||
|---|---|---|---|---|---|
| NO. OF AUTOPSY | CHARACTER OF LOBULAR CONSOLIDATION | PREDOMINANT TYPE OF INFLAMMATORY EXUDATE | CULTURE FROM HEART’S BLOOD | CULTURE FROM LUNG | CULTURE FROM BRONCHUS |
| 274 | Red | Leucocytic and hemorrhagic | S. hem. | S. hem. | S. hem., staph. |
| 275 | Red and gray | Leucocytic | Pneum. IV S. hem. | S. hem., B. inf., staph. | S. hem., B. inf., staph. |
| 312 | Red and gray | Leucocytic | S. hem. | S. hem., B. inf. | S. hem., B. inf., staph. |
| 478 | Red | Leucocytic and hemorrhagic | S. hem. | S. hem. | |
188Lobular pneumonia, in some of these instances at least, has been caused primarily by pneumococci; necrosis has been the result of secondary invasion by streptococci. In Autopsy 275 Pneumococcus IV has been obtained from the blood, but in the presence of streptococci has presumably disappeared from the lung and bronchus. In the case represented by Autopsy 274, Pneumococcus IV has been found in the sputum five days before death at the onset of pneumonia, but at this time no hemolytic streptococci have been found. In the case represented by Autopsy 312, Pneumococcus IV, B. influenzæ and a few colonies of hemolytic streptococci have been obtained from the sputum two days after recognition of pneumonia and five days before death.
The hemorrhagic and edematous consolidation of the early pulmonary lesions of influenzal pneumonia is their most distinctive feature. Red confluent lobular pneumonia is frequently found in those who have died within the first week following the onset of influenza. The lungs are voluminous and heavy and may weigh as much as 1,500 grams; the pleura which overlies the consolidated area is blue or plum colored and usually shows scant if any evidence of pleurisy. Scattered patches of consolidation are accurately limited to lobules, but in addition there are large areas often involving the greater part of the lobes and not infrequently situated in the lowermost part of the lower lobes. This confluent consolidation may be obviously limited by lobule boundaries. The consolidated tissue is deep red and laxly consolidated; red serous fluid escapes from the cut surface. The lesion not infrequently occurs in association with hemorrhagic peribronchiolar pneumonia.
The histology of this confluent lesion has been studied in Autopsies 242, 244, 303, 336, 464, 474 and 506. The histology varies, because, in some instances, leucocytes, in other instances, fibrin, is abundant, but the presence of red blood corpuscles in large number within the alveoli gives a red color to the consolidated tissue. In these cases pneumococci, 189associated in the lungs or in the bronchi with B. influenzæ, have been the cause of pneumonia. In two autopsies studied histologically (Autopsies 274 and 478) there was red lobular and confluent pneumonia and the blood and lungs contain hemolytic streptococci demonstrated by cultures; microscopic examination showed the presence of a widespread necrosis of the lung tissue.
In the group of autopsies in Table XL there was red confluent lobular pneumonia. These autopsies are separated from those just cited because there was no histologic examination of the tissue.
| Table XL | |||
|---|---|---|---|
| NO. OF AUTOPSY | BACTERIOLOGY OF HEART’S BLOOD | BACTERIOLOGY OF LUNGS | BACTERIOLOGY OF BRONCHUS |
| 289 | Pneum. IV | Pneum. IV | Pneum. IV, B. inf., staph. |
| 297 | Pneum. IV, B. inf. | Pneum. IV, B. inf., S. hem. (a few) | |
| 306 | |||
| 339 | Pneum. IV | ||
| 364 | S. hem. | ||
| 418 | Pneum. atyp. II | Pneum. atyp. II, B. inf., S. vir. | |
| 424 | Pneum. IV. | ||
This group of autopsies confirms the view that the red confluent lobular pneumonia is caused by pneumococci in association with B. influenzæ. Hemolytic streptococci may invade secondarily. In Autopsy 297 a few hemolytic streptococci were found in the bronchus but apparently had not entered the lungs. In the absence of histologic examination it is not possible to determine if the invasion of hemolytic streptococcus (in Autopsy 364) has caused necrosis of the pneumonic tissue.
Fig. 7.—Bronchopneumonia with purulent bronchitis and peribronchial hemorrhage.
In a considerable number of instances, namely, in 19 autopsies, hemorrhage about the small bronchi has been recognizable upon gross examination of the lung. A conspicuous zone of hemorrhage 2 or 3 mm. in thickness surrounds small (with no cartilage) often dilated bronchi and on longitudinal section may be tracted for a considerable distance along the bronchus (Fig. 7). In many additional instances peribronchial hemorrhage has been found by microscopic examination. In some instances the peribronchial zone of hemorrhage is firmer than the tissue elsewhere and it is occasionally difficult to determine whether the lesion is hemorrhage or pneumonia. In 7 instances frank red consolidation of peribronchial tissue was recognized at autopsy; this lesion will be considered later under peribronchial pneumonia. Hemorrhage about bronchi, like other evidences of severe injury to bronchi following influenza, is more frequently found in the lowermost parts of the lungs than elsewhere. It is invariably associated with severe bronchitis; the bronchi have contained purulent 191fluid in 15 of 19 instances of peribronchial hemorrhage and in 10 instances the lesion has been associated with dilatation of the bronchi.
Microscopic examination furnishes further evidence of the severity of the bronchial changes which have brought about hemorrhage into the surrounding alveoli. The lumen of the bronchus contains blood and leucocytes; the epithelium is sometimes raised in places from the underlying basement membrane by blood; blood vessels of the bronchial wall are engorged, and there is hemorrhage into the tissue of the bronchus. More frequently the bronchial epithelium is completely lost and the denuded surface is often covered by a layer of fibrin intimately adherent to the inflamed mucosa. Transitions between simple hemorrhage and pneumonia are found, polynuclear leucocytes being mingled with red blood corpuscles. In several instances the alveoli in immediate contact with the bronchial wall have contained fibrin, whereas those in the surrounding zone have contained blood.
Bacteria found in the bronchi in 10 instances of peribronchial hemorrhage have been as follows:
| Staphylococci | 1 |
| B. influenzæ, pneumococci | 1 |
| B. influenzæ, S. hemolyticus | 2 |
| B. influenzæ, pneumococci, staphylococci | 1 |
| B. influenzæ, S. hemolyticus, staphylococci | 4 |
| No organism found | 1 |
The high incidence of B. influenzæ and the frequent association of B. influenzæ and hemolytic streptococci are noteworthy. The instance in which no organisms were found is probably due to a defect in media and should perhaps be excluded from the list.
The percentage incidence of pneumococci, hemolytic streptococci, staphylococci and B. influenzæ in the bronchus, lungs and blood of the heart is an index of the facility with which these microorganisms penetrate internal organs when the bronchi are the site of this hemorrhagic lesion.
| Table XLI | |||||||||
|---|---|---|---|---|---|---|---|---|---|
| NO. OF CULTURES | PNEUMOCOCCI | HEMOLYTIC STREPTOCOCCI | STAPHYLOCOCCI | B. INFLUENZÆ | |||||
| NO. POSITIVE | PER CENT POSITIVE | NO. POSITIVE | PER CENT POSITIVE | NO. POSITIVE | PER CENT POSITIVE | NO. POSITIVE | PER CENT POSITIVE | ||
| Bronchus | 10 | 2 | 20.0 | 6 | 60.0 | 6 | 60.0 | 8 | 80.0 |
| Lung | 13 | 4 | 30.8 | 7 | 53.8 | 3 | 23.1 | 5 | 38.5 |
| Blood | 17 | 4 | 23.5 | 9 | 52.9 | ||||
When these figures are compared with those for all forms of bronchitis no very noteworthy differences are found; the incidence of pneumococci here is less and that of hemolytic streptococci greater. In association with the severe changes present in the bronchi, hemolytic streptococci which enter the lungs almost invariably find their way into the blood.
In 6 instances there has been frank pneumonic consolidation limited to a zone encircling small and medium-sized bronchi which have often been obviously dilated. On cross section these patches of pneumonia are circular, from 1 to 2 cm. in diameter and each contains a bronchus at its center. When the bronchus is cut longitudinally it is evident that pneumonic consolidation forms a cylindrical sheath about the tube. The consolidation varies in color from red to grayish red. In one instance (Autopsy 253) the consolidated tissue has formed a gray zone in contact with the bronchus and is red in a peripheral zone; microscopic examination shows that the alveoli about the bronchus contain fibrin, whereas those at a greater distance contain red blood corpuscles. In this instance, the associated pneumonia in another part of the lung has been somewhat anomalous and has had characters both of lobar and bronchopneumonia, for scattered in the left lung there have been patches of firm consolidation not more than 2 cm. across. The smaller of these patches are deep red, but the larger are coarsely granular and gray in the center. The patchy 193character of the lesion has suggested bronchopneumonia, but the coarse granulation on section and the presence of fibrinous plugs within the small bronchi have presented a close resemblance to lobar pneumonia. This autopsy is one of the few instances in which Pneumococcus II has been found, Pneumococcus II being present in blood and lungs, B. influenzæ, in lungs and bronchi. In 2 additional instances (Autopsies 374 and 392) peribronchial pneumonia, recognizable at autopsy, has been associated with consolidation having the characters of lobar pneumonia. In one instance, Autopsy 374, the right lung has contained two patches of firm, mottled red and pinkish red coarsely granular consolidation each about 6 cm. across, one situated in the upper lobe and the other in the lower lobe. Elsewhere in the lung, in definite relation to dilated bronchi, occur patches of firm, red, coarsely granular consolidation from 1 to 1.5 cm. in diameter when cut transversely. The bronchus in the center has contained purulent fluid. In the opposite lung similar consolidation has been limited to zones about dilated bronchi which contain purulent fluid. Pneumococcus IV has been obtained from the blood of the heart.
The peribronchial pneumonia which has been described occurs in association with evidence of profound injury to the bronchial wall. In 5 of 6 instances purulent bronchitis has been found at autopsy; in half of these instances bronchiectasis has been noted. The epithelium of the bronchus has been found separated from the underlying tissue by serous exudate, blood and leucocytes; epithelial cells undergo necrosis and disappear, the denuded surface being covered by fibrin. Necrosis extends a varying depth into the wall of the bronchus; blood vessels are engorged, and there is in some instances hemorrhage throughout the wall of the bronchus.
The character of the exudate in the alveoli surrounding the bronchus differs considerably in different instances. In some instances (Autopsies 374 and 392) red blood corpuscles 194are predominant in the alveoli in contact with the bronchial wall, whereas in a peripheral zone polynuclear leucocytes are more abundant. In other instances (Autopsies 253 and 402) alveoli next the bronchial wall contain abundant fibrin and these are surrounded by a zone in which the alveoli are filled with blood.
Peribronchial pneumonia is the result of the direct extension of the inflammatory process through the wall of the bronchus; it occurs when the epithelium of the bronchus is destroyed and the underlying tissues are injured, but may be present in a wide encircling zone even when the lesion has not penetrated the bronchial wall. The distribution of the pneumonia demonstrates very clearly that the inflammatory process does not reach the affected peribronchial alveoli by way of the bronchioles tributary to the bronchus.
The bacteriology of these instances of peribronchial pneumonia is noteworthy. (Table XLII.)
| Table XLII | |||
|---|---|---|---|
| AUTOPSY | BLOOD | LUNG | BRONCHUS |
| 253 | Pneum. II | Pneum. II, B. inf. | Staph., B. inf. |
| 374 | Pneum. IV | ||
| 387 | Pneum. II, S. hem. | Pneum. II, staph., B. inf. | Pneum. II, S. hem., staph., B. inf. |
| 392 | Pneum. II | ||
| 402 | Pneum. IV, S. hem. | ||
| 424 | ? | Pneum. IV | |
Pneumococcus has been found in every instance either in the lungs or blood. Pneumococcus II, which has been uncommon with the pneumonia following influenza at Camp Pike and has occurred only ten times in more than 200 autopsies, has been present in one-half of these cases. The constant association of the lesion with pneumococcus is particularly significant when a comparison is made between the incidence of pneumococcus with peribronchial hemorrhage, on the one hand, and peribronchial pneumonia on the other; pneumococcus has been present in less than a third 195of the instances of hemorrhage but in all instances of pneumonia.
In addition to the instances in which gross peribronchial consolidation has been noted at autopsy, microscopic examination has demonstrated the presence of fibrinous pneumonia surrounding bronchi in a considerable number of autopsies. In a zone encircling small bronchi (with no cartilage) alveoli are filled by plugs of dense fibrin (Fig. 20) containing in variable number polynuclear leucocytes and mononuclear cells. The width of the zone is often equal or greater than the diameter of the bronchus. Alveoli outside the zone of fibrinous inflammation may contain red blood corpuscles or serum, and desquamated epithelial cells are often abundant.
Of 21 instances of peribronchial fibrinous pneumonia 20 were associated with purulent bronchitis. Further evidence of the relation of the lesion to profound injury to the bronchi is its association with bronchiectasis in 17 instances.
Peribronchial fibrinous pneumonia, like other lesions encircling the small bronchi, bears a direct relation to the severity of microscopic changes in the bronchus. The epithelium of the bronchus is either partially or completely lost. Occasionally epithelium is raised by hemorrhage or leucocytes from the underlying tissue but more frequently it is wholly lost and the surface is covered by a layer of fibrin. In the early stages of the lesion, polynuclear leucocytes may be numerous throughout the bronchial wall, indicating that the inflammatory irritant within the lumen is affecting the entire wall and extending its influence to the surrounding pulmonary tissue. Later lymphoid and plasma cells are more abundant than polynuclear leucocytes. Coagulative necrosis and disintegration of the bronchial wall, proceeding from the inner surface outward, may extend more or less deeply, and fibrinous inflammation of adjacent alveoli is often more extensive about that segment 196of the bronchus which shows the greatest change. In some instances segments of the bronchial wall or even the entire wall has disappeared, so that alveoli containing fibrin form part of the wall of the cavity thus formed. When bronchiectasis has occurred, there are often fissures from the lumen through the entire wall extending into the surrounding lung tissue: here fibrinous pneumonia is particularly conspicuous, occurring in a zone about the edges of the defect. This deposition of fibrin within the alveoli adjacent to the injury doubtless has a part in limiting the distribution of bacterial infection. Nevertheless breaks in the continuity of the bronchial wall are not essential to the production of the lesion and the irritant, which is responsible for the lesion, may penetrate through the bronchial wall to surrounding alveoli and from alveoli to other alveoli immediately adjacent.
With this peribronchial pneumonia the smallest bronchi are distended with pus and their walls are infiltrated with polynuclear leucocytes, lymphoid and plasma cells. In a broad zone encircling the bronchus the alveoli are filled with plugs of fibrin. Bronchioles are similarly distended with polynuclear leucocytes; the alveoli which occur upon the wall of the bronchiole are often limited to one side of the wall and are filled with fibrin. This fibrin occasionally projects into the lumen of the bronchiole and forms a continuous layer in contact with the wall on the same side. The alveolar duct and infundibulum are distended with polynuclear leucocytes. The alveoli upon the wall of the alveolar duct and upon the proximal part of the infundibulum are filled with fibrin. The bronchus, bronchiole, alveolar duct and part of the infundibulum are thus surrounded by a continuous zone of alveoli containing fibrin. The alveoli about the distal part of the infundibulum may be filled with polynuclear leucocytes. Lung tissue between adjacent zones of fibrinous pneumonia may contain serum and desquamated epithelial cells.
197Organization of peribronchial fibrin was found in 10 of the 22 autopsies in which peribronchial fibrinous pneumonia had been found. Fibroblasts have invaded the fibrin and newly formed capillaries have penetrated into it. In some instances the interalveolar septa are thickened and infiltrated with lymphoid and plasma cells, and in 7 instances there was chronic pneumonia with thickening and mononuclear infiltration of the interstitial tissue about the bronchi and blood vessels, and elsewhere. The duration of the fatal illness in 12 instances with no organization was usually from ten days to two weeks, though in 3 instances there was no organization although the respiratory disease had lasted from seventeen to nineteen days (average duration with no organization, 13.5 days). The duration of illness in 10 instances with organization of fibrin was slightly less than three weeks (average 18.9 days). These figures do not accurately represent the duration of pneumonia which usually develops after a period of several days following onset of influenza.
This group of instances of peribronchial fibrinous pneumonia has offered an opportunity to study the bacteriology of pneumonia with organization and to determine if it presents any unusual characters. The bacteriology of autopsies with peribronchial fibrinous pneumonia with no organization is shown in Table XLIII:
| Table XLIII | |||
|---|---|---|---|
| AUTOPSY | BLOOD | LUNG | BRONCHUS |
| 289 | Pneum. IV | Pneum. IV | Pneum. IV, B. inf., staph. |
| 372 | |||
| 376 | S. hem. | S. hem. | S. hem., B. inf., S. aur. |
| 409 | 0 | ||
| 410 | S. hem., B. inf. S. aur. | ||
| 412 | Pneum. II | Pneum. II, B. inf. | |
| 420 | S. hem. | S. hem., B. inf. S. aur. | |
| 423 | S. hem. | S. hem., B. inf. | |
| 440 | 0 | B. inf., S. aur. | B. inf., S. aur. |
| 448 | 0 | 0 | 0 |
| 482 | 0 | B. inf., Pneum. IV | B. inf., Pneum. IV, S. hem. |
| 489 | 0 | Pneum. IV, B. inf. | Pneum. IV, B. inf. |
198The bacteriology of instances of peribronchial fibrinous pneumonia with organization of the intraalveolar fibrin is shown in Table XLIV:
| Table XLIV | |||
|---|---|---|---|
| AUTOPSY | BLOOD | LUNG | BRONCHUS |
| 283 | Pneum. IV | Staph., B. inf. | B. inf., Pneum. IV, staph. |
| 291 | 0 | 0 | B. inf., staph. |
| 398 | 0 | ||
| 419 | 0 | Pneum. II, B. inf. | Pneum. II, B. inf. |
| 421 | S. hem. | Pneum. IV, S. hem. | |
| 422 | 0 | Pneum. II atyp., B. inf. | |
| 425 | S. hem. | S. hem., B. inf., S. alb. | |
| 433 | 0 | S. hem., B. inf., S. aur. | |
| 460 | S. hem. | S. hem., B. inf. | S. hem., B. inf., staph. |
| 463 | 0 | B. inf., staph. | B. inf., staph., Pneum. IV |
B. influenzæ has been present in the bronchi in every instance save one in which cultures have been made, and it is probable that in this exceptional instance cultures have remained sterile because the media employed have been defective. The incidence of B. influenzæ in the lung has been unusually high both with and without organization (66.7 per cent with no organization; 77.8 per cent with organization). Streptococci and staphylococci have been found in a considerable proportion of all instances of peribronchial fibrinous pneumonia, but there has been no notable preponderance of these microorganisms when organization has occurred. Organization has been present in instances in which pneumonia is referable to pneumococcus associated with B. influenzæ and unaccompanied by either streptococci or staphylococci (Autopsies 419 and 422). Wadsworth[81] found no organization after inoculation of the lungs of dogs with pneumococcus or with staphylococcus alone, but produced organization when he inoculated animals with both microorganisms.
Injury to bronchi produced in part at least by B. influenzæ exposes the bronchi and lung tissue to repeated infection with a variety of microorganisms; absorption of 199fibrin and regeneration of alveolar epithelium are prevented, resolution fails to occur and organization of fibrin follows.
Three varieties of suppurative pneumonia have occurred in association with influenza.
A. Necrosis and suppuration with formation of one or several abscesses usually below the pleura and almost invariably caused by hemolytic streptococci.
B. Interstitial suppurative pneumonia caused by hemolytic streptococcus.
C. Multiple abscesses in clusters caused by staphylococci.
Suppurative pneumonia with necrosis and abscess formation will be discussed in this section. Pulmonary abscesses which occurred in 43 autopsies may be included in this group; in 4 of these autopsies abscess and interstitial suppurative pneumonia occurred in the same individual. These abscesses were much more frequently situated in the lower than in the upper lobes and more often in the right than in the left lung. In most instances there was one or several abscesses situated below the pleura of one lobe; occasionally abscesses occurred in two lobes of the same lung or in both lungs. The distribution was as follows: Abscess in only one lung occurred in right upper lobe in 6 autopsies; middle lobe, 3; lower lobe, 15; left upper lobe, 2; lower lobe, 16. Abscesses occurred in both right and left lower lobes, twice. The usual situation was at the lower and posterior part of the lower lobe at or near the basal edge, less frequently below the posterior border or upon the basal surface of the lobe. These abscesses in almost every instance were found immediately below the pleural surface, so that they appeared upon the pleura as opaque yellow spots usually surrounded by narrow zones of hemorrhage. In one instance (Autopsy 376) the 200abscess cavity was separated from the pleural cavity by remains of the pleura which was as thin as tissue paper and in other instances perforation had occurred (Fig. 9). In Autopsy 480 the abscess cavity which had perforated the pleura was in free communication with a bronchus of medium size.
In most instances of suppurative pneumonia there have been associated lesions of bronchopneumonia which have been peribronchiolar, hemorrhagic or lobular and have exhibited no unusual characters. The abscess or abscesses are situated within an area of pneumonic consolidation which is not limited by lobule boundaries and has not the characters of bronchopneumonic consolidation. In some instances this consolidation is limited to a zone immediately about the abscess, but often it involves the greater part of a lobe. The tissue is laxly consolidated and flabby; on section it has a dull, conspicuously cloudy appearance and is grayish red, pinkish gray or gray; it is homogeneous or very finely granular. Turbid gray fluid, which sometimes resembles thin pus, oozes from the cut surface.
Widespread necrosis of tissue is not infrequently a conspicuous feature of this pyogenic pneumonia (Fig. 8). Upon a cloudy gray background of consolidation are numerous opaque yellowish gray or yellow patches, occasionally 2 or 3 cm. across, giving a mottled character to the cut surface. Upon the pleura these necrotic patches appear as dull opaque yellow spots. They may be surrounded by a zone of hemorrhage. The opaque material is at first firm but may undergo softening, becoming semisolid and finally purulent. Necrotic patches may be scattered throughout a lobe, but fully formed abscesses are with few exceptions immediately below the pleura (Fig. 9).
Fig. 8.—Streptococcus pneumonia with massive necrosis. Autopsy 354.
Fig. 9.—Abscess below pleura with perforation caused by hemolytic streptococci. Healing suppurative interstitial pneumonia indicated by yellowish gray lines marking interlobular septa at base of lower lobe. Autopsy 474; right lung. (See left lung, Fig. 10.)
203The duration of illness in cases of pneumonia with abscess varied from a week or less (11 instances) to more than four weeks. The duration of the greater number of cases (17 instances) was between one and two weeks. In one instance onset occurred with symptoms of influenza, pneumonia was recognized two days later, and death occurred only four days after the onset of illness. When the duration of the illness was less than a week the symptoms of onset were in some instances those of pneumonia.
Table XLV shows the incidence of pneumococcus, S. hemolyticus, staphylococcus and B. influenzæ in instances of suppurative pneumonia with abscess formation, 4 instances of abscess with interstitial suppurative pneumonia being excluded:
| Table XLV | |||||||||
|---|---|---|---|---|---|---|---|---|---|
| NO. OF CULTURES | PNEUMOCOCCI | HEMOLYTIC STREPTOCOCCI | STAPHYLOCOCCI | B. INFLUENZÆ | |||||
| NO. POSITIVE | PER CENT POSITIVE | NO. POSITIVE | PER CENT POSITIVE | NO. POSITIVE | PER CENT POSITIVE | NO. POSITIVE | PER CENT POSITIVE | ||
| Bronchus | 24 | 5 | 20.8 | 22 | 91.6 | 12 | 50.0 | 18 | 75.0 |
| Lung | 36 | 9 | 25.0 | 30 | 83.3 | 14 | 35.6 | 8 | 22.2 |
| Blood | 37 | 6 | 16.2 | 31 | 83.8 | ||||
In over 80 per cent of instances of pulmonary abscess hemolytic streptococcus has been found in blood, lungs and bronchus and, when cultures have been made, in the inflamed pleural cavity as well. Streptococci have been found in immense number in sections from the necrotic lung tissue and the abscesses which have been formed. It is evident that hemolytic streptococci have caused suppurative pneumonia and death, being found in the blood of the heart just as frequently as in the lungs (83 per cent). The relative unimportance of pneumococci is indicated by their low incidence in the blood (16.2 per cent) when compared with that of lobar pneumonia (65.5 per cent) or of bronchopneumonia (31.4 per cent). B. influenzæ has been found in three-fourths of these autopsies in the bronchus, but its incidence in the lungs has been much smaller.
In 3 instances of suppurative pneumonia with abscess formation no hemolytic streptococci were found; they are as follows:
204Autopsy 380.—Bronchopneumonia with gray and red lobular consolidation in right upper and lower lobes; peribronchiolar nodules of consolidation in left lower lobe; abscess, 1.5 cm. across, below the pleura of the posterior border of the left lower lobe near its base; fibrinopurulent pleurisy (300 c.c.) on right side; serous pleurisy (200 c.c.) on left. Pneumococcus III was found in cultures from the blood of the heart from the right lung and with B. influenzæ from the right pleural cavity. No culture was made from the left lung which contained the abscess. In sections of the abscess gram-positive streptococci in chains of 4 to 8 cocci were numerous.
Autopsy 406.—Acute lobar pneumonia with red hepatization of greater part of right lung; patch of consolidation in lower lobe of left lung containing an abscess cavity 2.5 x 1.5 cm.; localized seropurulent pleurisy (375 c.c.) on left side. Pneumococcus IV was obtained from the blood of the heart; a culture from the lung was contaminated. Tissue from the abscess was not saved for histologic examination.
Autopsy 416.—Suppurative pneumonia with necrosis and abscess formation in right lower lobe; fibrinous pleurisy on right side. Pneumococcus IV was obtained from the blood, right lung and right main bronchus. No streptococci were found in sections from the abscess in the right lung.
The foregoing observations demonstrate that suppurative pneumonia with abscess formation following influenza is with few exceptions caused by S. hemolyticus.
The autopsies (Table XLVI) in which pneumococci have been found in association with hemolytic streptococci in the blood or lungs indicate that pneumococci have had a part in the production of fatal pneumonia.
| Table XLVI | |||
|---|---|---|---|
| AUTOPSY | CULTURE FROM BLOOD | CULTURE FROM LUNGS | CULTURE FROM BRONCHUS |
| 258 | S. hem. | S. hem., Pneum. IV B. inf. | |
| 282 | S. hem., Pneum. II | S. hem., Pneum. II | S. hem., B. inf. Pneum. II, staph. |
| 345 | S. hem., Pneum. II, staph. | ||
| 378 | Pneum. atyp. II | S. hem., Pneum. atyp. II | S. hem., B. inf., Pneum. atyp. II |
| 381 | S. hem. | S. hem., Pneum. II Pneum. IV, staph. | |
| 383 | Pneum. III | S. hem., Pneum. III B. inf. | |
| 387 | S. hem. | Pneum. II, staph., B. inf. | S. hem., pneum., staph., B. inf. |
These autopsies, notably those in which pneumococci have been found in the blood, suggest that infection with 205pneumococci has preceded suppurative pneumonia caused by hemolytic streptococci. In a small number of instances the sputum was examined in life after onset of pneumonia.
| Table XLVII | ||
|---|---|---|
| AUTOPSY | SPUTUM | CULTURES FROM BLOOD, LUNGS AND BRONCHUS |
| 282 | Pneum. IV. B. inf. | S. hem., Pneum. II, staph., B. inf. |
| 288 | S. hem., B. inf. | S. hem., B. inf. |
| 376 | (No S. hem., Oct. 8) | S. hem., staph., B. inf. (Oct. 11) |
In 2 of these 3 cases infection with hemolytic streptococcus occurred subsequent to the onset of pneumonia.
Several observations help to explain the occurrence of abscess in association with the pneumonia of influenza. The fissures which will be described in association with bronchiectasis represent traumatic ruptures of the bronchial wall consequent upon weakening by necrosis and over distention. They expose the injured bronchial wall and the alveolar tissue adjacent to it to infection by the microorganisms contained within the lumen of the inflamed bronchus. Occasionally a favorable microscopic section demonstrates the relation of pulmonary necrosis and consequent suppuration to injuries of the bronchial wall. Peribronchial fibrinous pneumonia occurs about the bronchi of which the epithelial lining has been destroyed, and when a fissure penetrates the bronchial wall fibrinous pneumonia is almost invariably found in a zone about the tear; it doubtless tends to limit the extension of the process. Occasionally, wide areas of necrosis occur within consolidated tissue near the site of the fissure (Autopsy 312 with S. hemolyticus and B. influenzæ, p. 254). Accumulation of polynuclear leucocytes between living and dead tissue may form a line of demarcation (Autopsy 387); finally, fairly large, irregularly formed, abscess cavities are found.
Necrosis and beginning suppuration in contact with the lumen of the bronchus will be described in association with bronchiectasis (Autopsies 312, Fig. 24, and 423, p. 256). In 206the following autopsies upon individuals who have died with pulmonary abscesses, favorable microscopic sections have demonstrated abscess formation in contact with lesions which have penetrated the walls of small bronchi. They help to explain the pathogenesis of abscess in association with influenza.
Autopsy 376.—H. M., white, aged twenty-four, a fireman, resident of Oklahoma, had been in military service one month. Onset of illness occurred October 1, ten days before his death; he was admitted to the base hospital on the fourth day of his illness with the diagnosis of bronchopneumonia.
Anatomic Diagnosis.—Acute bronchopneumonia with patches of lobular and confluent lobular consolidation in both lungs and hemorrhagic peribronchiolar consolidation in right upper lobe; abscess in right upper lobe below pleura; fibrinopurulent pleurisy on right side; purulent bronchitis; bronchiectasis at base of left lobe.
An irregular abscess, 2 x 1 cm., filled with creamy purulent fluid is separated from the interlobular surface of the right upper lobe by a thin membrane representing the pleura. The right pleural cavity contains 200 c.c. of turbid yellow fluid in which is soft fibrin. The bronchi contain purulent fluid in great abundance. The bronchi at the base of the left lower lobe are widely dilated, so that many small bronchi with no cartilage in their wall measure from 3 to 5 mm. in diameter.
Cultures show the presence of hemolytic streptococci in the blood of the heart and in three plates from the lung; B. influenzæ and S. aureus were found in the left bronchus.
The bronchi have wholly or partially lost their epithelium and there is deep erosion of the walls. Cavities containing polynuclear leucocytes occur within the alveolar tissue; in some instances pus containing cavities are surrounded by alveolar tissue, but in other places it is evident, that they have had their origin in bronchi. In a short segment of the circumference the wall of the preexisting bronchus is preserved and consists of squamous epithelium, vascular connective tissue and smooth muscle. The remainder of the bronchus has disappeared and a cavity is produced. The very irregular wall of the cavity is formed by partially destroyed alveoli filled with fibrin and leucocytes.
Autopsy 387.—C. M., white, aged twenty-one, laborer, resident of Mississippi, had been in military service twenty-one days. Illness began on September 22, nineteen days before death, and the patient was admitted to the hospital on the same day with a diagnosis of bronchitis; a diagnosis of bronchopneumonia was made on October 2, nine days before death. The leucocytes on October 3 numbered 8000 (small mononuclear, 36 per cent; large mononuclear, 5 per cent; polynuclear, 59 per cent).
207Anatomic Diagnosis.—Acute bronchopneumonia with consolidation in right upper lobe and hemorrhagic peribronchiolar consolidation in left lower lobe; abscess below pleura in left lower lobe; purulent pleurisy on both sides; edema of mediastinum; purulent bronchitis; bronchiectasis.
There is advanced bronchiectasis, and bronchi with no visible cartilage are dilated to from 4 to 8 mm. in diameter; they contain purulent fluid which wells up from the cut surface. About dilated bronchi there is in places dull red or grayish red consolidation forming an encircling zone. Situated below the pleural surface within an area of consolidation at the posterior border of the left lower lobe there is a spot 3 cm. across where the tissue is yellow and has in places undergone purulent softening. Several smaller abscesses occur nearby.
Cultures from the blood of the heart and from the edematous mediastinum contain hemolytic streptococci. From the abscess are grown S. albus, Pneumococcus II and B. influenzæ. The purulent contents of a small bronchus contains S. hemolyticus, B. influenzæ, S. aureus and a few pneumococci.
Microscopic examination shows that the epithelium of dilated bronchi has disappeared and the denuded surface is covered by fibrin and polynuclear leucocytes; fissures extend from the lumen through the bronchial wall into the surrounding alveolar tissue. A zone of fibrinous pneumonia surrounds these bronchi and fissures in the bronchial wall penetrate into this zone. One dilated bronchus 2.4 mm. in diameter with no cartilage in its wall has vascular connective tissue covered by epithelium on one side, whereas the remainder of the circumference is formed by exposed alveoli filled with fibrin, the bronchial wall having disappeared. A section through a part of the abscess which has been mentioned shows a very irregularly formed cavity approximately 1 x 0.7 cm. Remains of bronchial wall, consisting of very vascular tissue covered by flat epithelium in several layers, indicate the origin of the cavity. Between these remnants of bronchi deep pockets extend into the pulmonary tissue which in the margin of the cavity is the site of fibrinous pneumonia. In one place, in contact with the cavity, a wide area of consolidated tissue has undergone necrosis and both alveolar walls and their contents have lost their nuclei. Leucocytes which are accumulating at the margin of the necrotic patch form a line of demarcation between living and dead tissue.
Abscess may be the result of the profound changes which occur in the bronchi as the result of influenza. Necrosis caused by bacteria within the bronchi weakens and in places destroys the wall. Bacteria penetrate into the surrounding tissue and hemolytic streptococci (or staphylococci) may produce localized abscesses. These abscesses are usually situated near the pleural surface of the lung, because destructive changes causing rupture of the bronchial 208wall occur more frequently in the smaller peripheral bronchi than in the larger bronchi containing cartilage. Abscesses occur more frequently at the bases of the lungs, because the most severe changes in the bronchi occur in the dependent part. (See “Bronchiectasis,” p. 240.)
Healing of Abscess.—The following autopsy is of interest in relation to the treatment of pulmonary abscess and associated empyema.
Autopsy 467.—P. C., white, aged twenty-five, a farmer from Missouri, had been in military service three months. Illness began September 27, thirty days before death, and the patient was admitted the day following onset with headache, backache and cough. Pneumonia with consolidation in the right lower lobe was recognized on the sixth day of illness. On the ninth day 500 c.c. of fluid were withdrawn from the right pleural cavity; there were cyanosis and dyspnea. On the eleventh day 700 c.c. of fluid were withdrawn. On the twelfth day thoracotomy was performed and 100 c.c. of greenish fluid were removed. The patient’s condition improved for a time, but on the twenty-sixth day 1,000 c.c. of straw colored fluid were aspirated from the left pleural cavity and on the twenty-eighth day the same amount of seropurulent fluid was withdrawn.
Anatomic Diagnosis.—Healing abscess of right lower lobe communicating with the pleural cavity; acute purulent pleurisy with closed thoracotomy wound on the right side; purulent pleurisy on the left side; acute bronchopneumonia with lobular consolidation in the left lung; purulent bronchitis; bronchiectasis with formation of spherical bronchiectatic cavities; acute splenic tumor.
At the base of the right chest is a closed thoracotomy wound 2 cm. in length; the right pleural cavity contains 200 c.c. of thick creamy pus and the cavity is lined by a thick tough membrane. The left pleural cavity contains 800 c.c. of white purulent fluid thinner than that on the right side. The right lung is compressed into the posterior and inner part of the chest. The upper lobe is pink and air containing; the posterior and lower part of the lower lobe is red and atelectatic, and fibrous septa are more conspicuous than elsewhere. The pleura of the external surface near the basal edge, in an area 2 cm. across, is depressed and yellowish gray in color. In the center of this area is a small opening communicating with a pocket 0.5 cm. across within the substance of the lung.
In the lower lobe beneath the interlobular surface are two spherical bronchiectatic cavities, each about 1.5 cm. across, with smooth lining in continuity with two branches of the same bronchus of medium size.
Bacteriologic examination showed the presence of S. hemolyticus in the blood of the heart. No growth was obtained from the left lung; the left pleural cavity contained hemolytic streptococci and S. aureus, the latter in 209small number. S. hemolyticus and B. influenzæ were grown from the left main bronchus.
A microscopic section through the abscess and its communication with the pleura shows that its cavity contains polynuclear leucocytes and the wall is formed by granulation tissue covered by fibrin. Some alveoli outside the abscess contain compact balls of fibrin containing a few fibroblasts; this fibrin stains deeply with hematoxylin as if it contained calcium. The surface of the lung is covered by fibrin in process of organization.
In the foregoing instance a pulmonary abscess on the right side has ruptured into the pleura and, completely separated from the adjacent lung by a wall of newly formed tissue, is in process of healing. It shows that these pulmonary abscesses below the pleura may heal provided drainage is established by rupture into the pleural cavity and subsequent evacuation of pleural exudate. It is noteworthy that in this instance empyema extended from the right to the left pleural cavity, both S. hemolyticus and S. aureus were found at autopsy. The thoracotomy wound on the right side was closed at autopsy.
A second type of suppurative pneumonia is characterized by acute inflammation of interstitial tissue between the secondary lobules of the lung and by acute lymphangitis; suppuration involves the interstitial septa and the walls of the lymphatics. The lesion is designated by Kaufmann,[82] Beitzke[83] and others acute interstitial pneumonia. Pneumonia dissecans in which solution of interstitial tissue isolates sections of lung tissue is said to be a consequence of the lesion. Many text books of pathology, overlooking the occurrence of this lesion, limit the consideration of interstitial pneumonia to chronic processes in which the interlobular and interalveolar fibrous tissue is increased.
Acute inflammation and edema of the interlobular septa of the lung with no suppuration is often found with both lobar and bronchopneumonia and is occasionally so far advanced 210that it can be recognized on gross examination of the lungs. In a small area interlobular septa are conspicuous as yellowish lines of edematous appearance which may be 1 to 1.5 mm. in thickness and sometimes form a network with rectangular or polygonal meshes. The gelatinous appearance of the edematous fibrous tissue does not suggest suppuration. Microscopic examination shows that the tissue is distended by edema and contains fibrin and polynuclear leucocytes; the lymphatics are distended and contain a network of fibrin within which leucocytes are numerous. Inflammatory edema of the interstitial tissue has been recognized at autopsy four times in association with bronchopneumonia (Autopsy 253 with Pneumococcus II; Autopsy 335, with Pneumococcus IV and S. viridans; Autopsy 477 with S. hemolyticus and Autopsy 498 with S. viridans); twice with lobar pneumonia (Autopsy 343 with Pneumococcus IV and Autopsy 353 with atypical Pneumococcus II); twice with combined lobar and broncopneumonia (Autopsy 273 with S. hemolyticus and Pneumococcus IV and Autopsy 357 with Pneumococcus IV). Edema of interstitial septa was recognized at autopsy in the immediate neighborhood of an abscess three times (Autopsies 277 and 278 with hemolytic streptococci and Autopsy 282 with hemolytic streptococci and Pneumococcus II). In these instances of inflammation and edema the lymphatics are found distended by fibrinous thrombi, and it is probable that occlusion of lymphatics determines the occurrence of inflammatory edema within the surrounding tissue. Inflammation has not proceeded to suppuration.
With interstitial suppurative pneumonia, interlobular connective tissue is marked by conspicuous yellow lines, 1 to 3 or even 5 mm. in thickness, forming a network with polygonal meshes which represent secondary lobules (Figs. 10 and 11). The distended septa not infrequently have bead-like enlargements at intervals and from the cut surface it is often possible to scrape away creamy yellow pus. These lines of suppuration invariably extend up to the pleura and are often broadest immediately below it. Adjacent septa which have not undergone suppuration are much thickened and have the yellowish gray appearance produced by edema.
Fig. 10.—Interstitial suppurative pneumonia; interstitial septa are the site of suppuration and lymphatics are distended with purulent fluid; empyema. Autopsy 474, left lung. (See right lung) Fig. 9.
Fig 11.—Suppurative interstitial pneumonia; the left lower lobe is the site of almost uniform consolidation and here interstitial septa and their lymphatics are distended with pus. There is more extensive interstitial suppuration in the upper lobe where consolidation is absent. The cloudy appearance of the consolidated lung is well shown. Autopsy 452.
213Suppurative interstitial pneumonia frequently occurs in association with bronchopneumonic consolidation which may be peribronchiolar, hemorrhagic or lobular, but there is in addition consolidation of the pulmonary tissue between the inflamed septa which may affect part of a lobe, an entire lobe, or parts of several lobes; it does not exhibit the characters of confluent lobular pneumonia.
In approximately half of the cases consolidation, associated with interstitial suppuration, has been lobar in distribution (Fig. 11). The tissue is laxly consolidated, finely granular, and has a cloudy red or gray appearance. The coarsely granular surface of lobar pneumonia is absent. The affected lung may weigh 1,500 or 1,650 grams. Occasionally, interstitial septa of air containing lung tissue is the site of suppurative inflammation or edema. In Autopsy 452 the lower lobe, save a small part at the base, is laxly consolidated; interstitial septa in the consolidated area are yellow, 1.5 to 2 mm. in thickness, beaded and exude purulent fluid on pressure. In the adjacent part of the upper lobe there is a patch of consolidation, and a network of yellow thickened septa extends from it far into the surrounding air containing tissue. The weight of the right lung is 635 grams; of the left, 1,650 grams.
The distribution of interstitial suppuration in 21 instances, including 4 in which the lesion has occurred in the same lungs with abscess formation, has been as follows: right upper lobe, 9 instances; middle lobe, 4; lower lobe, 5; left upper lobe, 7; left lower lobe, 6. In 6 of these autopsies more than one lobe of the same lung has been affected by the lesion; in 2 autopsies parts of both lungs have been affected. Localized abscess of the lung is more common in 214the lower than in the upper lobes, but suppuration of the interstitial tissue is more often found in the upper lobes.
The duration of illness with interstitial suppurative pneumonia has varied from six days to five weeks. In over half of the cases death has occurred during the second week of illness.
The bacteriology of these cases is shown in Table XLVIII.
| Table XLVIII | |||||||||
|---|---|---|---|---|---|---|---|---|---|
| NO. OF CULTURES | PNEUMOCOCCI | HEMOLYTIC STREPTOCOCCI | STAPHYLOCOCCI | B. INFLUENZÆ | |||||
| NO. POSITIVE | PER CENT POSITIVE | NO. POSITIVE | PER CENT POSITIVE | NO. POSITIVE | PER CENT POSITIVE | NO. POSITIVE | PER CENT POSITIVE | ||
| Bronchus | 10 | 9 | 90.0 | 5 | 50.0 | 10 | 100.0 | ||
| Lung | 20 | 1 | 5.0 | 17 | 85.0 | 5 | 25.0 | 7 | 35.0 |
| Blood | 21 | 2 | 9.5 | 17 | 81.0 | ||||
S. hemolyticus has been almost invariably present in lungs, heart’s blood and bronchi. In 16 of 21 autopsies hemolytic streptococci have been obtained from the blood in pure cultures, in one instance associated with pneumococcus. With associated empyema, pericarditis or peritonitis, the same microorganism has been found in the pleural cavities, pericardium or peritoneum. Furthermore, microscopic examination has demonstrated the presence of chains of streptococci in the affected interlobular tissue and in much greater abundance in the distended lymphatics.
Nevertheless in 2 instances no streptococci have been found. These cases are as follows:
Autopsy 330.—Illness began with symptoms of influenza ten days before death; signs of pneumonia were recognized three days before death. There is firm, gray red consolidation of the entire left upper lobe; the interlobular septa are here indicated by yellow lines of obvious suppuration and thick puslike fluid exudes from the cut surface of the consolidated tissue. The upper half of the left lower lobe has undergone gray hepatization, but here there is no distention of the interlobular septa. There is fibrinopurulent pleurisy on the left side with accumulation of 400 c.c. of fluid. Pneumococcus IV is 215obtained from the blood of the heart and from the lung. In the suppurating tissue diplococci which stain by Gram’s method are present in large number; there are a few short chains.
Autopsy 379.—Illness began seven days before death with influenza; signs of pneumonia were first recognized the day before death. The middle lobe of the right lung is firmly consolidated; on section there is mottling of deep red and pinkish red and the cut surface is coarsely granular. The interstitial septa are distended by fluid and are grayish yellow. There is fibrinopurulent pleurisy on the right side with accumulation of 600 c.c. of fluid. Pneumococcus atypical II is obtained from the blood of the heart. A large bacillus unstained by Gram’s method is obtained from the right lung and from the right main bronchus. In the bronchus are a few influenza bacilli. In the suppurating and necrotic tissue of the interstitial septa are found diplococci and chains of 4 to 6 cocci in great number; a few large Gram-negative bacilli are found.
In both these autopsies consolidation had the characters of lobar pneumonia, and pneumococci were obtained from the blood of the heart. It is possible that streptococci failed to grow or while present elsewhere were absent at the spot where cultures were made.
It is noteworthy that B. influenzæ was found in the bronchi in every instance (10) in which cultures were made, but was obtained much less frequently from the lung. In one instance (Autopsy 474) this microorganism was found in the blood in association with hemolytic streptococci. There was suppurative interstitial pneumonia in the left lung and abscess in the right lower lobe with rupture into the cavity and empyema. Hemolytic streptococci and B. influenzæ were found in the bronchus, right pleural cavity and blood of the heart.
In 4 instances (Autopsies 251, 259, 295 and 474) interstitial suppurative pneumonia has been associated with abscess formation. In one instance (Autopsy 251) the right middle lobe has been the site of interstitial suppuration and abscess formation; in another (Autopsy 295) the left lower lobe has been the site of both lesions, but in the other 2 instances suppurative interstitial pneumonia and abscess formation have occurred in opposite lungs. In all 2164 autopsies hemolytic streptococci have been found in the blood of the heart and in lungs or bronchi.
Empyema has been present in all but 3 of 21 instances of interstitial suppurative pneumonia.
Fig. 12.—Suppurative interstitial pneumonia, showing an immensely dilated lymphatic containing purulent exudate, a short distance below the pleura. Autopsy 474.
Histologic examination of lungs with interstitial suppuration shows that the interlobular septa are distended by serum and contain a conspicuous network of fibrin. Polynuclear leucocytes are present in varying number, and at times densely infiltrate the distended tissue; it is not uncommon to find a zone of densely crowded polynuclear leucocytes along each edge of the septum, whereas the central part contains comparatively few. Occasionally, there is hemorrhage into the distended connective tissue.
217Within the distended septa occur greatly dilated lymphatics filled with polynuclear leucocytes (Figs. 12 and 13). Thrombosis of the distended lymphatics has usually occurred, and a conspicuous network of fibrin in which are polynuclear leucocytes plugs the lumen. Streptococci in chains of variable length are found in the inflamed interstitial tissue, but are present in far greater number within the distended lymphatics.
Fig. 13.—Suppurative interstitial pneumonia showing a dilated lymphatic. Autopsy 428.
Necrosis of the cells which fill the lymphatics occurs in spots, usually in the center of the thrombus, and occasionally affects the entire contents of the lymphatic; polynuclear leucocytes have lost their nuclei or in some the nucleus has undergone fragmentation. In these spots the network of fibrin has disappeared. Not infrequently the wall of the lymphatic in a small sector or throughout the circumference 218has undergone necrosis, and spots of necrosis may occur in the interlobular septa distended by inflammatory exudate. Wherever necrosis has occurred, chains of streptococci are present in immense number.
Accumulation of polynuclear leucocytes, necrosis of these cells, solution of fibrin at first in the centers of the lymphatic thrombus and later throughout, occasionally with necrosis of the wall of the vessel, result in the formation of an abscess at the site of the distended lymphatic. These lymphatics, dilated by purulent fluid, may have a diameter from 2 to 3 mm. and may cause considerable compression and collapse of immediately adjacent alveoli. Lymphangitis, distention of lymphatics, thrombosis and finally suppuration may occur in the lymphatic vessels encircling the blood vessels and in those situated in the adventitia of the bronchi of medium size.
The alveoli adjacent to the distended septa are filled by inflammatory products; edema is almost invariably present and the alveoli may contain serum and desquamated epithelial cells; fibrin is often present, but more frequently polynuclear leucocytes are predominant. Not infrequently, abscess formation, recognized microscopically, has occurred in contact with septa most often immediately below the pleura. Polynuclear leucocytes are present in immense number and alveolar septa have disappeared; occasionally, with abscess formation there is more or less widespread necrosis of tissue, cells both of the exudate and of the alveolar walls having lost their nuclei.
Lymphatics in many places are distended and plugged by fibrinous thrombi, whereas elsewhere softening of the thrombus has been brought about by suppuration. Suppuration, both within the lymphatic and in adjacent alveoli, appears to be secondary to lymphatic obstruction. In some instances the lymphatic appears to have undergone distention after the thrombus has formed, for between the 219thrombus and the wall of the lymphatic a channel is occasionally found containing uncoagulated lymph.
Fig. 14.—Endophlebitis occurring in association with suppurative pneumonia; the intima contains lymphoid cells in great number; at one spot there is a small thrombus adherent to the intima. Autopsy 325.
Acute endophlebitis has been repeatedly observed in association with interstitial suppurative pneumonia (Fig. 14). The lesion usually occurs in veins situated within the septa which are the site of intensely acute inflammation associated with necrosis. The wall of the vein appears to be so injured by the surrounding changes that polynuclear leucocytes and small mononuclear cells accumulate below the endothelium. Throughout the circumference of the veins, often 0.5 to 1 mm. in diameter, the endothelium is separated from the underlying media by polynuclear leucocytes which form a conspicuous zone encircling the lumen. Some cells of lymphoid type are usually present among the polynuclear leucocytes. Polynuclear leucocytes 220are often adherent to the endothelial lining of the vessel and are not infrequently fixed in the process of passing through the endothelium. The lesion may be more severe (Autopsy 325), so that the endothelium has disappeared, and upon the exposed surface fibrin is deposited; within this fibrin polynuclear leucocytes are numerous and nuclear fragmentation has occurred. The middle coat of the vessel usually contains few cells; some polynuclear leucocytes within it may be stretched out as if in process of wandering through the wall.
In other instances the accumulation of cells below the endothelium is almost wholly mononuclear. Cells of the type of lymphocytes occur, but more abundant are slightly larger cells with more abundant cytoplasm. These cells may form a thick zone below the intima throughout the entire circumference of the lesion. It seems probable that these cells, like the polynuclear leucocytes, are derived from circulating blood within the lumen of the vessel, for small cells of the type of lymphocytes are not infrequently found adherent to the lumen and occasionally one is fixed in process of passing through the endothelium.
This endophlebitis appears to be the result of changes outside the vessel; there is usually necrosis of the adjacent tissue and the production of the lesion is favored by lymph stasis; as the result of injury to the vessel wall, polynuclear leucocytes in response to chemotaxis, or with milder irritation, mononuclear cells, wander through the endothelium and accumulate below it perhaps on account of the greater impermeability of the middle coat to the passage of cells.
The lesion described does not occur exclusively with interstitial suppurative pneumonia caused by hemolytic streptococci, but has been found in association with abscess formation (Autopsies 354 and 383) caused by hemolytic streptococci or (Autopsy 322) caused by staphylococci. In 1 instance it has been found with lobar pneumonia (Autopsy 320) caused by atypical Pneumococcus II and in 2 221instances with combined lobar and bronchopneumonia (Autopsy 357 with Pneumococcus IV; Autopsy 392 with Pneumococcus II). In these 3 instances there has been interstitial inflammation, edema and lymphangitis without suppuration.
Interstitial suppurative pneumonia of long standing may occasionally be accompanied by chronic changes which bring about thickening of the interlobular tissue. In the following autopsy acute suppurative inflammation in the left lung has been associated with conspicuous thickening of interlobular septa in the right lung.
Autopsy 474.—I. H., white, aged twenty-one, was a native of Oklahoma and had been in military service one month. His illness began with influenza thirty-six days before death; he was admitted to the base hospital thirty-one days before his death with signs of pneumonic consolidation of the right lower lobe. Evidence of fluid in the right pleural cavity was obtained two weeks before death, and from 100 to 700 c.c. of thick purulent fluid were aspirated on five occasions. Hemolytic streptococci were found in the aspirated fluid.
Anatomic Diagnosis.—Interstitial suppurative pneumonia in left lung; abscess of right lower lobe with rupture into pleural cavity; thickening of interlobular septa of right lower lobe; double purulent pleurisy with thoracotomy on right side; serofibrinous pericarditis.
The right pleural cavity contains 85 c.c. of thick purulent fluid; the right lung (Fig. 9) is collapsed and pushed to the median line, being bound by firm adhesions to the pericardium. Over the external and basal surfaces is a localized cavity walled off by adhesions. An abscess cavity in the lower part of the lower lobe communicates through a perforation in the basal surface of the lung with the pleural cavity and is in free communication with a small bronchus. About the abscess the lung is red and laxly consolidated, but elsewhere air containing; throughout the lower half of the lower lobe, the interlobular septa are marked by conspicuous yellowish gray lines about 1 mm. in thickness. Between these thickened septa the lung tissue contains air. The lung weighs 600 grams. The left lung (Fig. 10) is voluminous and heavy, weighing 1,320 grams. The surface is 222everywhere covered by thickened pleura and fibrin, the pleural cavity containing 150 c.c. of thick purulent fluid. The lung is consolidated varying in color from a fleshy red to yellowish gray. The surface is very conspicuously marked by yellow lines 2 or 3 mm. thick, corresponding to the interlobular septa which have undergone suppuration. The septa have bead-like swellings along their course, and when pus escapes from the cut surface small cavities remain at the site of these swellings.
Bacteriologic examination has shown hemolytic streptococci in the blood, left lung, right and left pleural cavities, and right bronchus. B. influenzæ has been found in the bronchus, in the right pleura and in the heart’s blood. A few colonies of S. aureus have been found on the plate from the right pleural cavity (site of thoracotomy).
Microscopic examination of the right lower lobe shows that the interstitial septa are much thickened by young fibrous tissue infiltrated with lymphoid and a few plasma cells. Large mononuclear cells with granular cytoplasm are very numerous. A lymphatic is much distended and contains a few polynuclear leucocytes and many lymphoid and large mononuclear cells. There is no suppuration. Sections from the right lung show suppurative lymphangitis with suppurative inflammation of interstitial tissue.
The right lung is the site of a healing lesion of the interstitial tissue which has developed simultaneously with acute interstitial suppurative pneumonia in the left lung. Both lesions are doubtless caused by S. hemolyticus. This healing lesion exhibits little similarity to the interstitial bronchopneumonia described by several observers with both measles and influenza.
The following autopsy furnishes further evidence that interstitial suppurative pneumonia exhibits a tendency to heal. Proliferation of endothelial cells lining the inflamed lymphatics gives rise to phagocytic cells which aid in removing the accumulated leucocytes.
223Autopsy 397.—N. P., white, aged twenty-one, farmer, a native of Oklahoma, had been in military service twenty-one days. Illness began twenty-two days before death, the patient being admitted on the day following onset with influenza, pharyngitis and bronchitis. A diagnosis of lobar pneumonia was made fourteen days before death. The left pleural cavity was aspirated twelve days later and 800 c.c. of thick yellow pus were withdrawn. Hemolytic streptococci were found in the sputum five days before death.
Anatomic Diagnosis.—Interstitial suppurative pneumonia in left upper lobe; acute bronchopneumonia with lobular consolidation in right upper lobe; localized purulent pleurisy on left side with compression and atelectasis of left lung; compensatory emphysema of right lung; purulent bronchitis; beginning serofibrinous pericarditis; chronic passive congestion of liver, spleen and kidneys.
The right lung is very voluminous, free from coal pigment and bright pink save over lobular patches of consolidation which have a bluish red color; the bronchi contain mucopurulent material. The anterior surface of the left lung is bound to the chest wall by firm adhesions, but over the external and posterior surfaces of the lung there is a localized cavity containing 1,100 c.c. of turbid fluid. The left lung is collapsed and airless with deep fleshy red color. In the upper lobe there are scattered patches of consolidation 1.5 to 2.5 cm. across where the tissue is grayish red and coarsely granular. In the adjacent tissue interstitial septa are thickened to 1 or 2 mm. and are conspicuous as gray bands. Along their course occur bead-like swellings from which purulent fluid can be scraped. These septa at one point reach the anterior surface of the lung where the pleural cavity is in large part obliterated by adhesions; here there is an encapsulated pocket 4 x 1.5 cm. containing thick creamy pus.
Bacteriologic examination of the blood shows the presence of hemolytic streptococci; cultures from the lungs contain hemolytic streptococci and B. influenzæ.
Microscopic examination shows that interlobular septa are thickened and infiltrated with plasma cells in large number. Leucocytes in the center of much dilated lymphatics have undergone necrosis and have lost their nuclear stain. About the periphery of the lumen and evidently derived from the swollen endothelial cells which surround it, are numerous large mononuclear cells. They act as phagocytes and ingest polynuclear leucocytes. Multinucleated giant cells, derived from these cells, occur. In several places thrombosed lymphatics in process of organization occur; the lumen is filled with compact fibrin which is invaded by fibroblasts and newly formed capillaries.
The process just described is analogous to that which occurs whenever an unopened abscess heals; mononuclear cells accumulate and act as phagocytes ingesting polynuclear leucocytes.
224The following instance of streptococcus empyema is noteworthy because no suppurative pneumonia has been found in association with it. Nevertheless the character of the changes present in the lung indicate that the organ has been the site of an interlobular inflammation which has healed.
Autopsy 499.—J. H. M., white, aged twenty-four, a farmer from Arkansas, had been in military service five months. Onset of illness began two weeks before his admission to the hospital on November 15 with cough, fever, headache and malaise; on admission there was acute bronchitis. Thirteen days after admission the patient developed parotitis (mumps?); five days later and five days before death pleurisy was recognized on the right side and pneumonia was suspected. Death occurred thirty-six days after onset. The temperature on admission was 103.2° F. and remained elevated during one week falling by lysis; from this time until the pleurisy was recognized it was normal and later it remained approximately 103° F.
Anatomic Diagnosis.—Fibrinopurulent pleurisy on right side; fibrinous pleurisy on left side; fibrinopurulent pericarditis; chronic interstitial (interlobular) pneumonia in process of healing; purulent bronchitis; acute splenic tumor; parenchymatous degeneration of kidneys.
The right pleural cavity contains 1,650 c.c. of grayish yellow fluid containing an abundant sediment of softened fibrin. Part of this fluid, more opaque than the remainder is confined in a localized pocket between the inner surface of the lung and the pericardium. The apex and anterior surface of the right upper lobe, over an area about 7 cm. across, is held by fibrinous adhesions to the chest wall; when this adhesion is broken a pocket is exposed 6.5 x 2.5 cm. containing fibrin and fluid. The pericardial cavity is distended by 350 c.c. of turbid yellow seropurulent fluid. The pericardial surfaces are covered by shaggy, tough gray fibrin.
The right lung is collapsed; the lower and posterior part of the upper lobe is deep red and atelectatic. Throughout the upper lobe the interlobular septa are thickened, often 1 mm. across and very conspicuous; in the lower and anterior tip of the lobe is an area where tissue is firm grayish red and heavier than water. The lower and posterior half of the right lower lobe is firm and airless, and the tissue is reddish gray or gray and in places finely granular on section; interlobular septa are conspicuous. Although the lung is cut into thin sections, no abscesses are found. Bronchi throughout the lung contain mucopurulent fluid.
The left lung over its lower half is covered by a thin layer of fibrin. The tissue is crepitant throughout and moderately edematous. Bronchi contain mucopurulent fluid.
Hemolytic streptococci in pure culture are obtained from the blood of the heart, right pleural cavity and pericardium. No growth is obtained on a plate inoculated with material from the right lower lobe. The right bronchus contains hemolytic streptococci and B. influenzæ.
225The pleural surface of the right lung is covered by a thick layer of fibrin which has undergone advanced organization. Fibrous septa within the lung are much thickened by the presence of newly formed fibrous tissue; the interstices of the tissue are distended and contain fibrin into which fibroblasts and new blood vessels have penetrated. Some lymphatics are plugged with fibrin and contain polynuclear leucocytes, lymphoid and large mononuclear cells. In several places organization of these thrombi is beginning. About the blood vessels are thrombosed lymphatics in which polynuclear leucocytes and mononuclear cells are equally abundant. Alveoli immediately adjacent to blood vessels and to fibrous septa often contain fibrin, and alveoli elsewhere contain desquamated cells in abundance.
In association with hemolytic streptococci in the blood, pleura and pericardium, there has been inflammation of the interlobular septa of the lungs with acute lymphangitis; there has been no suppuration and the lesion is in process of healing with new formation of fibrous tissue. It is evident that this lesion, as well as pleurisy with advanced organization, preceded the exacerbation of the patient’s illness which occurred five days before death. The advanced chronic changes found at autopsy indicate that the pulmonary and pleural lesions had their origin during the illness which was present at the time of admission to the hospital. Interstitial pneumonia caused by hemolytic streptococci was of mild character and did not produce suppuration within the lung; nevertheless, hemolytic streptococci which reached the pleura caused empyema.
In the preliminary report of this commission published in The Journal of the American Medical Association, loc. cit., pg. 111, we described suppurative pneumonia with multiple abscesses caused by staphylococci and cited 4 instances of the lesion which followed influenza. Chickering and Park[84] published in a subsequent number of the same journal 226an account of staphylococcus pneumonia, a lesion which has heretofore attracted very little attention.
In a small group of cases abscesses in the lungs have had characters which serve to distinguish them from the abscesses previously described. Small, sharply circumscribed yellow nodules, which in their centers have undergone suppurative softening, form a cluster upon a red, airless background (Figs. 15 and 16). One or more of these groups several centimeters across, occur in the lungs. It is usually evident that the abscesses are clustered about a medium-sized bronchus, but occasionally with increase in the size of the small cavities the lung tissue assumes a honey-combed appearance.
These clustered abscesses occur in association with bronchopneumonia and have been in all instances associated with purulent bronchitis. The mucosa of the small bronchi may be destroyed so that the surface is eroded. These small clustered abscesses are seen as conspicuous yellow spots immediately below the pleura, but there has been no associated empyema. In 2 instances these abscesses were accompanied by fibrinous pleurisy, but in the remaining autopsies the pleura has been normal. The infrequency of empyema is in contrast with its almost invariable presence when a streptococcus abscess is found below the pleura.
Autopsy 280.—Onset of illness with malaise, headache, cough and fever was on September 24, eight days before death. At autopsy there were hemorrhagic peribronchiolar and lobular bronchopneumonia, clustered foci of suppuration in right lung, purulent bronchitis and fibrinous pleurisy. Hemolytic streptococci were obtained from the consolidated lung and from a bronchus. A culture from the right lung was contaminated. In the bronchus were found B. influenzæ and a few staphylococci. Microscopic examination of the abscesses shows that they contain Gram-staining cocci grouped into staphylococcus-like colonies.
Autopsy 286.—Duration of illness, which began September 25 with symptoms of influenza, was nine days. At autopsy there were lobular and confluent patches of bronchopneumonia, clustered abscesses in the right lung below the pleura, purulent bronchitis, and serofibrinous pleurisy localized in the neighborhood of the abscesses. Pneumococcus IV was obtained from the blood of the heart, and Pneumococcus IV, staphylococci and B. influenzæ from the right main bronchus; growth failed to occur on plates from right and left lungs. Microscopic examination shows the presence of clumps of cocci with staphylococcus grouping in the centers of the small abscesses. Section through one abscess shows its continuity with the wall of a bronchus; along one side of the abscess is epithelium composed of flattened epithelial cells in multiple layers continuous with that of the bronchus; the remainder of the abscess wall is formed by disintegrated lung tissue.
Fig. 15.—Abscesses in two clusters caused by S. aureus in upper part of right upper lobe; confluent lobular consolidation in lower part of lobe. Autopsy 333.
Fig. 16.—Abscesses in cluster caused by S. aureus at apex of right upper lobe. Autopsy 322.
Autopsy 322.—The patient was admitted with influenza eight days before death; signs of pneumonia appeared two days later, and on the following day Pneumococcus IV was obtained from the sputum. At autopsy there were bronchopneumonia with lobar consolidation, abscesses clustered about a bronchus in the right upper lobe and purulent bronchitis. The blood was sterile; S. aureus was obtained from the consolidated part of the left lung; S. aureus and Pneumococcus III from the abscesses of the right lung. Microscopic examination of sections of abscesses showed the presence of Gram-staining cocci in staphylococcus-like colonies, surrounded by necrotic material and polynuclear leucocytes; Gram-negative bacilli resembling B. influenzæ were seen. (See Fig. 16.)
229Autopsy 333.—The onset of influenza was fifteen days before death; a diagnosis of pneumonia was made seven days before death. At autopsy there were confluent bronchopneumonia, clustered abscesses in the right lung and purulent bronchitis (no pleurisy). The blood contained Pneumococcus II atypical. S. aureus and Pneumococcus II atypical were obtained from the abscesses; S. hemolyticus, from the consolidated left lung; S. aureus, B. influenzæ and a few hemolytic streptococci, from the bronchus. (See Fig. 15.)
Autopsy 370.—The patient was admitted seventeen days before death and signs of pneumonia were noted three days after admission. At autopsy there were lobular and confluent bronchopneumonia and small abscesses clustered about bronchi and situated within the gray consolidated lung; purulent bronchitis and patches of atelectasis, with distention of the lungs, so that they failed to collapse on removal. No growth was obtained from the heart’s blood; S. aureus in pure culture was obtained from the abscesses of the right lung; S. aureus, Pneumococcus IV and B. influenzæ were obtained from a small bronchus on the left side.
Autopsy 425.—Illness began with influenza twenty-nine days before death; a diagnosis of pneumonia was made fourteen days before death. At autopsy there were chronic bronchopneumonia with tubercle-like nodules of consolidation with some large patches of consolidation, multiple small abscesses giving a honey-combed appearance to part of the right middle lobe, purulent bronchitis and bronchiectasis. S. hemolyticus was grown from the heart’s blood; S. hemolyticus, B. influenzæ and S. albus from the lung. Sections of an abscess contain clumps of cocci. An abscess cavity has along one side remains of a bronchial wall covered by squamous epithelium; a dilated bronchus, cut longitudinally, terminates in this irregular abscess cavity.
Table XLIX shows the incidence of pneumococci, hemolytic streptococci, staphylococci and B. influenzæ in the foregoing autopsies with abscesses clustered about bronchi:
| Table XLIX | |||||||||
|---|---|---|---|---|---|---|---|---|---|
| NO. OF CULTURES | PNEUMOCOCCI | HEMOLYTIC STREPTOCOCCI | STAPHYLOCOCCI | B. INFLUENZÆ | |||||
| NO. POSITIVE | PER CENT POSITIVE | NO. POSITIVE | PER CENT POSITIVE | NO. POSITIVE | PER CENT POSITIVE | NO. POSITIVE | PER CENT POSITIVE | ||
| Bronchus | 4 | 2 | 50.0 | 2 | 50.0 | 4 | 100.0 | 4 | 100. |
| Lung | 6 | 2 | 33.3 | 3 | 50.0 | 4 | 66.7 | 2 | 33.3 |
| Blood | 6 | 2 | 33.3 | 2 | 33.3 | ||||
Staphylococcus shows in the lung the same tendency to produce localized abscesses which it exhibits in other tissues of the body; it invades the lung by way of the bronchi, 230but shows no ability to invade lymphatics, and in the cases we have examined rarely enters the pleura or the blood. In all of these cases B. influenzæ has been found in the bronchi and perhaps precedes the staphylococcus as an invader of the lower respiratory passages. Pneumococci atypical II, Types III and IV have been found in over half of these cases. The significance of this organism is emphasized by the 2 cases in which it has been found in the heart’s blood at autopsy. It appears not improbable that S. aureus has invaded the lung already the site of bronchopneumonia caused by pneumococci.
Notwithstanding the small number of autopsies, the figures in Table XLIX, showing the incidence of pneumococci, streptococci, staphylococci and B. influenzæ, are cited so that they may be compared with the corresponding figures for the usual type of streptococcus abscess (p. 203). The incidence of hemolytic streptococci is relatively low, whereas that of staphylococci approximates 100 per cent. S. aureus was present in great number in the lung of Autopsies 322 and 333 and in pure culture in the abscess of Autopsy 370. Microscopic examination of sections from the abscesses which have been described, demonstrated the presence of Gram-staining cocci in characteristic staphylococcus-like clumps within the exudate of the abscesses; scattered chains of streptococci were not found. In those instances (Autopsies 280 and 286) in which cultures failed to demonstrate staphylococci, microscopic examination demonstrated staphylococcus-like clumps of bacteria within the abscess cavity. Cultures were usually made from the consolidated lung near the abscess where the pleural surface could be seared, rather than from the pus, so that in some instances the microorganism has doubtless escaped detection although present.
In association with the multiple abscesses which have been described, injury to the bronchi and bronchopneumonia have been invariably present. Purulent bronchitis 231has been present in all instances of this lesion; in 2 instances there has been dilatation of the bronchi, and in 1 instance in which the onset of influenza was twenty-nine days before death, there has been advanced bronchiectasis.
Microscopic examination shows that the epithelium of the bronchi is partially or completely destroyed and that destruction of the underlying tissue, with acute suppurative inflammation, penetrates to a greater or less depth into the wall. When the epithelium of the bronchus is wholly destroyed and the lumen is filled and distended with polynuclear leucocytes, a cross section of the tube has the appearance of a small abscess; but more careful examination often shows that the engorged mucosa is still intact. Occasionally, a network of fibrin forms a layer covering the denuded mucosa. Disintegration of the superficial tissue may extend to the muscularis or through it, and may penetrate the wall of the bronchus. The tissue in contact with the exposed surface contains many polynuclear leucocytes and blood vessels plugged with fibrinous thrombi, but deeper in the tissue lymphoid and plasma cells are more numerous. In 2 instances (Autopsies 286 and 425) favorable sections have demonstrated that the wall of an abscess on one side consists of the remains of a bronchus, covered by epithelium composed of squamous cells, Whereas the remainder of the wall, here very irregular, is formed by partially destroyed alveoli plugged with fibrin. The suppurative process has penetrated the wall of the bronchus on one side and extended into the surrounding alveolar tissue. In other instances, abscess cavities occur within the alveolar tissue of the lung and their relationship to bronchi is not evident. In the mass of polynuclear leucocytes which fill the abscess cavity, are clumps of staphylococci in great abundance, usually forming characteristic colonies which are conspicuous with the low power of the microscope.
No sharp line can be drawn between nonpurulent and purulent pleurisy. A diagnosis of empyema has been made when the fluid in the chest has become opaque and fibrin has undergone softening or solution. The lesion has been designated seropurulent when there has been abundant thin, opaque, gray fluid. Pleurisy has been designated fibrinopurulent when the cavity has contained opaque fluid and ragged soft white or yellowish fibrin adherent to the chest wall; this fibrin is evidently in process of disintegration and there may be numerous shreds and flakes of fibrin which subside to the bottom of the fluid. The amount of fluid in the cavity may occasionally exceed 1,700 c.c.; that in both pleural cavities may exceed 2,500 c.c. The lesion has been designated purulent when fibrin has almost wholly disappeared and the cavity contains thick yellowish white fluid. In 4 of 5 instances in which thoracotomy had been performed, empyema has assumed this otherwise uncommon type.
Some inflammation of the pleura is almost constantly found in association with all forms of pneumonia, but in many instances is so slight that it has no noteworthy significance. Table L shows the incidence of various types of pleurisy.
| Table L | ||||||||
|---|---|---|---|---|---|---|---|---|
| LOBAR PNEUMONIA | BRONCHOPNEUMONIA | SUPPURATIVE PNEUMONIA WITH ABSCESS | INTERSTITIAL SUPPURATIVE PNEUMONIA | |||||
| No. | % | No. | % | No. | % | No. | % | |
| No pleurisy noted | 30 | 46.9 | 44 | 55 | 1 | 2.6 | 1 | 5.9 |
| Serous pleurisy | 5 | 7.8 | 9 | 11.2 | ||||
| Fibrinous pleurisy | 10 | 15.6 | 5 | 6.2 | 1 | 2.6 | ||
| Serofibrinous pleurisy | 12 | 18.2 | 14 | 17.5 | 3 | 7.7 | ||
| Seropurulent pleurisy | 9 | 23.1 | 1 | 5.9 | ||||
| Fibrinopurulent pleurisy | 7 | 10.9 | 5 | 6.2 | 17 | 43.6 | 12 | 70.6 |
| Purulent pleurisy | 3 | 3.7 | 8 | 20.5 | 3 | 17.6 | ||
| Total | 64 | 80 | 39 | 17 | ||||
233Empyema has occurred, on the one hand, in 12.4 per cent of instances of lobar pneumonia and in 9.9 per cent of instances of bronchopneumonia alone. It has occurred, on the other hand, in 87.2 per cent of instances of suppurative pneumonia with abscess formation and in 94.1 per cent instances of interstitial suppurative pneumonia. These suppurative lesions are caused by hemolytic streptococci, and when cultures are made from the pleural exudate this microorganism is isolated.
Of 16 instances in which empyema has occurred in association with lobar pneumonia or bronchopneumonia unaccompanied by suppuration in 6 there has been infection with hemolytic streptococci. Empyema has occurred in the absence of hemolytic streptococci only 10 times.
Empyema Caused by Hemolytic Streptococci.—When necrosis preceding abscess formation has occurred in the lung, streptococci are found in immense numbers in the dead tissue. The pleura overlying the abscess undergoes necrosis and occasionally streptococci are particularly numerous upon the pleural surface of the necrotic tissue. In Autopsy 376 a membrane thin as tissue paper, representing the pleura, separated an abscess containing thick pus from the pleural cavity which was the site of empyema. The abscess may rupture into the pleural cavity and at the same time may be in free communication with a bronchus (Autopsy 480). In one (Autopsy 467) instance an abscess which had ruptured into the pleural cavity had completely discharged its contents and was in process of healing, newly formed fibrous tissue being abundant in its wall.
With few exceptions empyema has accompanied subpleural abscess caused by hemolytic streptococci, being found on the side corresponding to the abscess. Among 39 instances of pulmonary abscess, empyema has been limited to the side of the abscess in 23; it has been present on the opposite side as well in 10 instances. In 2 instances there have been abscesses in both lungs; in one (Autopsy 234385 A) there has been double empyema, and in the other (Autopsy 487) empyema only on the left side. In one instance abscess has been recognized by microscopic examination and its location is not recorded. In 5 instances of abscess formation there has been no empyema. In Autopsy 383 there has been no pleurisy noted; in Autopsy 416 there has been fibrinous pleurisy and in Autopsies 277, 290 and 380, serofibrinous pleurisy.
Empyema has been almost invariably found in association with interstitial suppurative pneumonia. This lesion extends by way of the lymphatics up to the pleural surface and is often more conspicuous just below the pleura than elsewhere. Empyema has been absent in only 3 of 21 examples of the lesion and in one of these there has been serous effusion. In 12 instances interstitial suppuration has occurred only on one side and empyema has been limited to this side; in 5 instances with interstitial suppuration on one side there has been empyema on both sides; in 2 instances with interstitial suppuration in both lungs there has been double empyema.
The amount of fluid in the pleural cavity has varied from less than 100 to 1,500 c.c. The fluid has occasionally been seropurulent or yellow, thick and purulent, but in most instances the exudate is best described as fibrinopurulent. There is yellow or yellowish gray purulent fluid containing flakes of soft ragged fibrin.
The foregoing study has shown, on the one hand, that empyema is a frequent complication of streptococcus pneumonia and, on the other hand, that empyema following influenza with relatively few exceptions is caused by hemolytic streptococci. Empyema caused by this microorganism exhibits in some instances characters not seen with other varieties of pleural inflammation. The tissue between sternum and pericardium is often edematous and the adjacent fat has a firm brawny consistence. In some instances the exudate contains blood, and hemolysis has occurred 235so that the fluid has a diffuse red color. The occurrence of multiple pocketed collections of purulent fluid within the pleural cavity is peculiar to streptococcus empyema. These pockets have been found 6 times in association with abscess and 5 times with interstitial suppurative pneumonia. In the presence of an exudate within the pleural cavity, some part of the lung, usually the anterior surface behind the sternum and costal cartilages, is glued by fibrinous adhesions to the parietal pleura. Here occur pockets containing thin purulent fluid and softened fibrin or thicker creamy pus walled off by fibrin about the edges of the pocket. At the site of the lesion the lung, after it is separated from the chest wall, is marked by a shallow depression surrounded by the fibrin which has walled in the pocket. The little cavity thus formed, varying much in size, is usually oval, the long diameter being from 1 to 3 cm. These pleural pockets may occur over the external surface of the lung (Autopsies 452, 455, and 472) or between the internal surface and pericardium (Autopsy 452). Occasionally with partial fibrinous adhesion between the pleural surfaces there are both scattered pockets containing purulent fluid and a larger encapsulated collection of fluid; in Autopsy 455 the pleural surfaces were adherent and there was 100 c.c. of purulent fluid encapsulated in a space over the external surface of the lung, 12 × 8 cm. In Autopsy 452 the lower part of the pleural cavity was encapsulated and contained 650 c.c. of fluid. This tendency of empyema caused by S. hemolyticus to form encapsulated pockets is doubtless of considerable importance in the treatment of the condition.
Stone, Bliss and Phillips[85] have described these encapsulated pockets as “subcostosternal pus pockets” and have maintained that they are formed about the sternal lymphatic nodes. We have found them so widely scattered that this relation seems improbable.
236Pneumococcus Empyema.—Empyema occurred in association with pneumonia referable to pneumococci 10 times, once with Pneumococcus II; 6 times with Pneumococcus atypical II; once with Pneumococcus III and twice with Pneumococcus IV. The lesion was seropurulent once; fibrinopurulent 8 times and purulent once. Fibrin in several instances was somewhat voluminous. In the following instance voluminous masses of fibrin had an important influence upon the attempted treatment.
Autopsy 473.—A. D. P., white, aged twenty-one, a student from Missouri, had been in military service two weeks. He was admitted to the hospital with influenza twenty-eight days before his death, and four days after admission there were signs of pneumonia. Paracentesis was performed on the right side on the eleventh day after admission; 4 c.c. of cloudy fluid which contained Pneumococcus III were obtained at this time and later in the day 800 c.c. were withdrawn. On the thirteenth day attempted withdrawal of fluid from both pleural cavities failed. On the eighteenth day aspiration of the right pleural cavity yielded only 30 c.c. of fluid. On the nineteenth day 400 c.c. of purulent fluid were withdrawn from the right pleural cavity. On the twenty-fifth day there was cyanosis and delirium. Shortly before death aspiration of the right pleural cavity was attempted, but only 4 c.c. of fluid were obtained.
Anatomic Diagnosis.—Chronic bronchopneumonia with lobular and peribronchiolar consolidation in left lung; fibrinopurulent pleurisy on both sides; purulent bronchitis and bronchiectasis.
On removal of the sternum, encysted purulent pleurisy is found between the inner surface of the right lung and the pericardium; there is here 450 c.c. of very thick creamy, greenish yellow pus entirely separated from the remainder of pleural cavity. The external part of the cavity contains 1,450 c.c. of fluid and voluminous masses of firm fibrin which placed in a measuring cylinder occupy 450 c.c. The left pleural cavity contains 400 c.c. of seropurulent fluid in which there is abundant sediment of fibrinous particles.
The right lung is compressed; the bronchi exude purulent fluid. The left lung is voluminous; in the upper and lower lobes there are small yellowish gray nodules of consolidation, grouped in clusters, and gray patches of lobular consolidation occur. Bronchi are dilated and filled with purulent fluid.
Bacteriologic examination shows the presence of Pneumococcus III obtained in pure culture from the blood of the heart and from the right pleural cavity. S. viridans is grown from the left lung; a plate from the right bronchus contained B. influenzæ, S. viridans and a few colonies of staphylococcus and M. catarrhalis.
237The foregoing case is particularly noteworthy because aspiration failed repeatedly to yield more than a few cubic centimeters of fluid, doubtless because the voluminous masses of fibrin present in the cavity prevented escape of fluid. Aspiration was attempted shortly before death, but only 4 c. c. of fluid were obtained; nevertheless, at autopsy the right pleural cavity contained 2,350 c.c. of exudate. Another factor of much importance in relation to treatment is the encapsulation of 450 c.c. of purulent fluid between the inner surface of the right lung and the pericardium. It is possible that free drainage might have emptied the main cavity and perhaps even freed the encapsulated fluid.
Pericarditis.—Among 241 autopsies on individuals with pneumonia following influenza, pericarditis occurred 23 times; these lesions were classified as follows: Serous pericarditis, 1; serofibrinous pericarditis, 9; seropurulent pericarditis, 1; fibrinopurulent pericarditis, 10; purulent pericarditis, 2.
It is noteworthy that in 12 of 23 instances of pericarditis the lesion was associated with S. hemolyticus infection of the lung and whenever in these instances cultures were made (Autopsies 434, 485, 499 and 504) hemolytic streptococci were obtained from the pericardial exudate in pure culture.
The tendency of interstitial suppurative pneumonia to produce pericarditis is especially evident. Among 21 instances of interstitial suppurative pneumonia pericarditis occurred 6 times (28.6 per cent); among 39 instances of suppurative pneumonia with abscess formation, pericarditis occurred twice (5.1 per cent); whereas among all other autopsies, namely, 181, the lesion occurred 15 times (8.3 per cent).
Pericarditis occurred in association with pneumonia referable to Pneumococcus I, once, (Pneumococcus I isolated from the pericardium); to Pneumococcus II, once; to atypical Pneumococcus II, 5 times (twice isolated from the pericardium); 238and to Pneumococcus IV, twice (once isolated from the pericardium).
Peritonitis.—Purulent peritonitis occurred only twice, in both instances in association with pneumonia caused by hemolytic streptococci. Purulent peritonitis was part of a general serositis involving both pleural cavities, pericardium and peritoneum in 2 noteworthy instances:
Autopsy 465.—J. K., white, aged twenty-two, farmer from Oklahoma, had been in military service one month. He was admitted to the hospital with influenza, sore throat and bronchitis twenty-four days before his death. Signs of pneumonia were recognized thirteen days later and at the same time there was otitis media on the right side. Empyema and pericarditis were found three days before death and two days later 1000 c.c. of cloudy fluid were withdrawn from the chest.
Anatomic Diagnosis.—Suppurative pneumonia with consolidation and abscess in right lower lobe below pleura; purulent pleurisy on right, seropurulent pleurisy on left side; beginning serofibrinous pericarditis; fibrinopurulent peritonitis; purulent bronchitis.
The body is emaciated. The right pleural cavity contains 350 c.c. of thick, creamy yellow pus in which are flakes of fibrin; the right lung is collapsed and lies at the back and inner side of the cavity. The left pleural cavity contains 500 c.c. of turbid, yellow, seropurulent fluid in which is soft fibrin. The lower lobe of the right lung is consolidated throughout, flabby, gray red and finely granular on section. Below the pleura of the posterior border is a wedge-shaped cavity with its base 1.5 cm. across, in contact with the pleural surface. About the cavity consolidated tissue has an opaque, yellow color. Bronchi in both lungs contain mucopurulent fluid. The pericardial cavity contains 20 c.c. of turbid fluid; the left auricular appendage is bound by a thin layer of fibrin to the parietal pericardium.
The peritoneal cavity contains 100 c.c. of thick, creamy, yellow, purulent fluid. Between the diaphragm and liver is a layer of fibrin, in places 1.5 cm. in thickness; fibrin is present upon the peritoneum overlying the kidneys and base of mesentery.
Bacteriologic examination shows the presence of hemolytic streptococci, obtained in pure culture from the blood of the heart, right pleural cavity and peritoneum. From the right bronchus are grown S. hemolyticus, B. influenzæ and a few colonies of S. viridans and staphylococcus.
Autopsy 504.—G. R. C., white, aged twenty-eight, farmer from Alabama, had been in military service three months. Onset of illness occurred six days before death, and two days later he entered the hospital with fever (103.4° F.), pains in the abdomen and vomiting. Consolidation at the bases of the lung was recognized on the day following admission and on the day before death 900 c.c. of greenish brown fluid were aspirated from the left pleural cavity.
239Anatomic Diagnosis.—Interstitial suppurative pneumonia with consolidation in left lower lobe; purulent pleurisy on both sides; purulent pericarditis; purulent peritonitis; parenchymatous degeneration of kidneys; acute splenic tumor.
The body is that of a large well-nourished man. The left pleural cavity contains 975 c.c. of creamy, yellow fluid; right pleural cavity contains 425 c.c. of purulent fluid thinner than that on the left side. The left lung is collapsed; the posterior and lower half of the lower lobe is consolidated, flabby, deep red and fleshy in appearance. The interstitial septa are yellow, thickened with bead-like enlargements and contains creamy purulent fluid which flows away and leaves small cavities. This interstitial suppuration is more advanced below the outer surface of the lobe than elsewhere.
The pericardial cavity contains 25 c.c. of creamy, yellow, purulent, fluid; the epicardium is dull, covered in a few places by a small amount of fibrin and below it are ecchymoses.
The peritoneal cavity contains 100 c.c. of thick, yellow pus; the peritoneal surfaces are injected and between the liver and diaphragm is fibrin.
Bacteriologic examination shows the presence of S. hemolyticus in pure culture from the blood of the heart, the lower lobe of the left lung, pericardium and peritoneum. The right main bronchus contains the same microorganism, B. influenzæ and a few staphylococci.
General serositis has been caused by hemolytic streptococci which in one instance have entered the pleura from a subpleural abscess, and in the other from the suppurating interstitial tissue of the lung. In one of these cases the patient entered the hospital with symptoms suggestive of acute peritonitis.
Acute dilatation of the bronchi is a common result of the bronchitis of influenza, and its frequent occurrence is an index of the severity of the changes in the bronchial wall. In some instances the smaller bronchi in well-localized areas are uniformly dilated; in other instances, large cavities, several centimeters in diameter, are formed and all transitions between the two extremes occur.
The occurrence of bronchiectasis following influenza is mentioned by Leichtenstern[86]. He states that evidence of 240bronchiectasis can persist for weeks or months and nevertheless end with complete restitution of the lungs to normal. Lord[87] has described instances of bronchiectasis occurring in association with infection by B. influenzæ and Boggs[88] has recorded similar observations.
We have had abundant opportunity to observe early stages in the production of bronchiectasis and to study the much discussed pathogenesis of the condition.
The following figures show the predilection of bronchiectasis for the left lung and for the lower lobes: Bronchiectasis occurred 30 times in the left lung alone, 9 times in the right lung alone and 13 times in both lungs, the total being 52. Among 30 instances in which the lesion occurred only in the left lung, in 24 it was limited to the lower lobe, and in 15 of these 24 instances to the base of the lower lobe. Among 9 instances in which dilatation of bronchi occurred only in the right lung, it was limited to the lower lobe in 4 instances and to the base of the lower lobe in 2 of these 4 instances.
When the lesion is limited to the base of the lower lobes small bronchi with no recognizable cartilage in their wall are dilated to a diameter of from 3 to 6 cm. and are distended with thick mucopurulent fluid. The tenacious character of the bronchial contents and the action of gravity doubtless have a part in the production of the dilatation. In several instances dilatation of the bronchi was limited to the basal parts of both upper and lower lobes.
When bronchiectasis occurs throughout a whole lung, usually the left, or in both lungs, the lesion is more advanced and conspicuous (Fig. 26). There is diffuse dilatation of small and medium-sized bronchi. Dilated bronchi with deeply injected mucosa and filled with yellow mucopurulent fluid, are seen throughout the sectioned lung. A bronchus cut longitudinally may have a nearly uniform 241diameter of from 5 to 9 mm. for a distance of 5 or 6 cm., maintaining this diameter to within 1 cm. of the pleural surface, where normally only small bronchi occur.
More advanced bronchiectasis is represented by the occurrence of spherical bronchiectatic cavities, having a diameter from 1 to 2.5 cm. In some instances there have been two or three of these cavities but occasionally there may be many. Cylindrical dilatation of the bronchi usually occurs widely distributed in the lungs. In Autopsy 440 a small bronchus, cut longitudinally, was dilated to a diameter of 5 mm. for a distance of 5 cm. and terminated in a spherical cavity 2 cm. in diameter; there was another smaller spherical cavity nearby and dilated bronchi occurred elsewhere. In Autopsy 467, in the upper part of the lower lobe, two spherical cavities 1 and 1.5 cm. in diameter communicated with a bronchus of medium size.
Autopsies with bronchiectasis are listed in the order of the duration of illness to show the parallel increase in the severity of the lesion (Table LI). In 2 instances (Autopsies 244 and 314) bronchiectatic cavities surrounded by firm fibrous tissue have evidently existed before the onset of the fatal illness, which has lasted in one instance approximately four and in the other six days; these autopsies have been omitted from the table.
The table shows that bronchiectasis observed within twelve days after onset of illness with symptoms of influenza is moderately advanced and almost invariably limited to the left lower lobe and usually to the base of the lobe. Advanced dilatation, indicated by the formation of spherical or cylindrical cavities, occurs with increasing frequency as the duration of the respiratory disease increases.
Bronchiectasis has been almost invariably associated with purulent bronchitis. The dilated bronchi contain mucopurulent material and throughout the lungs the same condition is usually widespread. Among 137 instances of purulent bronchitis bronchiectasis consequent upon influenza has been present in 50.
| 242 | |||||
| Table LI | |||||
|---|---|---|---|---|---|
| NO. OF AUTOPSY | DURATION OF ILLNESS IN DAYS | TYPE OF PNEUMONIA | LOCATION OF BRONCHIECTASIS | CHARACTER OF BRONCHIECTASIS | BACTERIA IN BRONCHUS |
| 394 | 5 ? | Broncho | Rt. base | Dilatation | |
| 359 | 7 + | Lobar and broncho | Lt. lower lobe | Dilatation | |
| 322 | 8 | Abscess (staph.) | Lt. base | Dilatation | |
| 325 | 8 | Interst. suppuration | Lt. base | Dilatation | S. hem., B. inf., staph. |
| 352 | 8 | Lobar and broncho | Lt. lower lobe | Advanced dilatation | |
| 429 | 8 ? | Broncho | Rt. base | Dilatation | |
| 288 | 10 | Abscess | Lt. base | Dilatation | S. hem., B. inf. |
| 374 | 10 | Lobar and broncho | Rt. and lt. lungs | Advanced dilatation | |
| 376 | 10 | Abscess | Lt. base | Dilatation | S. hem. |
| 437 | 11 | Lobar | Rt. lower lobe | Advanced dilatation | |
| 482 | 11 | Broncho | Lt. base | Dilatation | B. inf., Pneum. IV, S. hem. |
| 489 | 11 | Lobar and broncho | Lt. lung | Dilatation | B. inf., Pneum. IV. |
| 287 | 12 | Lobar and broncho | Lt. lower lobe | Advanced dilatation | Pneum. IV., B. inf., staph. |
| 289 | 12 | Broncho | Lt. lower lobe | Advanced | Pneum. IV., B. inf. staph. |
| 295 | 12 | Interst. sup. and abscess | Rt. lung | Advanced dilatation | S. hem., B. inf. |
| 336 | 12 | Broncho | Lt. base | Dilatation | |
| 375 | 12 | Broncho | Rt. and lt. bases | Dilatation | |
| 422 | 12 ? | Lobar and broncho | Lt. base | Dilatation | |
| 381 | 13 | Abscess | Lt. base | Spherical | |
| 391 | 13 | Lobar and broncho | Lt. lung | Dilatation | |
| 401 | 14 ? | Lobar and broncho | Rt. and lt. lungs | Spherical | |
| 402 | 14 | Chronic broncho | Rt. lower lobe | Dilatation | |
| 410 | 14 ? | Abscess | Rt. upper lobe | Dilatation | |
| 333 | 15 | Abscess (staph.) | Lt. upper lobe | Dilatation | S aur., B. inf. S. hem. |
| 389 | 15 | Interst. suppuration | Lt. lung | Advanced dilation | |
| 412 | 15 | Lobar and broncho | Lt. lower lobe | Cylindrical | |
| 398 | 16 | Broncho | Rt. and lt. lungs | Advanced dilatation | |
| 423 | 16 | Broncho | Lt. base | Dilation | |
| 243488 | 16 | Abscess | Lt. lower lobe | Dilatation | S. hem., Pneum. atyp. II. |
| 312 | 17 | Broncho | Rt. and lt. lungs | Dilatation | S. hem., B. inf. staph. |
| 372 | 17 | Broncho | Rt. lung | Dilatation | |
| 385 C | 17 | Interst. suppuration | Lt. base | Dilatation | |
| 448 | 17 | Broncho | Lt. lung | Dilatation | |
| 460 | 17 | Abscess | Lt. lower lobe | Spherical | S. hem., B. inf., staph. |
| 291 | 18 | Broncho | Lt. base | Advanced dilatation | B. inf., staph. |
| 296 | 18 | Abscess | Lt. base | Dilatation | S. hem., B. inf., |
| 387 | 19 | Abscess | Rt. and lt. lungs | Advanced dilatation | S. hem., B. inf., S. aur. Pneum. II. |
| 421 | 19 | Chronic broncho | Rt. lung | Advanced dilatation | |
| 440 | 19 | Chronic broncho | Rt. and lt. lungs | Spherical | B. inf., S. aur. |
| 419 | 20 | Broncho | Rt. lung | Dilatation | Pneum. II, B. inf. |
| 463 | 20 | Chronic broncho | Rt. and lt. lungs | Spherical | B. inf., staph., Pneum. IV |
| 431 | 23 | Chronic broncho | Lt. base | Dilatation | |
| 468 | 23 ? | Lobar and broncho | Lt. lung | Dilatation | S. aur., B. inf., S. vir. |
| 465 | 25 ? | Broncho | Lt. base | Dilatation | S. hem., B. inf., staph., S. vir. |
| 445 | 27 | Broncho | Lt. lower lobe | Spherical | S. aur. |
| 449 | 27 | Abscess | Rt. and lt. lungs | Spherical | S. hem., B. coli. |
| 378 | 28 | Abscess | Lt. base | Cylindrical | S. hem., B. inf., Pneum. atyp. II. |
| 473 | 28 | Chronic broncho | Lt. lung | Advanced dilatation | B. inf., S. vir., staph., M. catarr. |
| 425 | 29 | Abscess (staph.) | Rt. and lt. lungs | Cylindrical | |
| 467 | 30 | Abscess | Rt. lower lobe | Spherical | S. hem., B. inf. |
| 472 | 37 | Chronic broncho | Rt. and lt. lungs | Advanced dilatation | B. coli |
| 487 | 55 | Abscess | Rt. and lt. lungs | Cylindrical | B. inf. S. hem. |
244The bacteriology of autopsies with bronchiectasis is shown in Table LII.
| Table LII | |||||||||
|---|---|---|---|---|---|---|---|---|---|
| NO. EXAMINED | PNEUMOCOCCUS | S. HEMOLYTICUS | STAPHYLOCOCCUS | B. INFLUENZÆ | |||||
| NO. POSITIVE | PER CENT POSITIVE | NO. POSITIVE | PER CENT POSITIVE | NO. POSITIVE | PER CENT POSITIVE | NO. POSITIVE | PER CENT POSITIVE | ||
| Bronchus | 29 | 9 | 31.0 | 15 | 51.7 | 16 | 55.2 | 23 | 79.3 |
| Lung | 37 | 16 | 43.2 | 18 | 48.6 | 10 | 27.0 | 19 | 51.4 |
| Blood | 50 | 12 | 24.0 | 22 | 44.0 | ||||
Comparison of the percentage incidence of the organisms which have to be found associated with bronchiectasis and with purulent bronchitis unaccompanied by bronchiectasis shows that there is no noteworthy difference in the occurrence of pneumococci, hemolytic streptococci or B. influenzæ within the bronchi. When allowance is made for the difficulty of demonstrating B. influenzæ in the presence of a large number of other microorganisms, it is not improbable that this organism has been constantly present in the purulent contents of the bronchi with purulent bronchitis, with and without bronchiectasis. Pneumococci, streptococci and staphylococci are each present in the bronchi in about one-half of the instances of bronchiectasis and mixed infections are very common, S. viridans, B. coli and M. catarrhalis being occasionally found in the bronchi. The table shows that pneumococci, streptococci and staphylococci show no greater tendency to enter the lungs and blood when bronchiectasis and purulent bronchitis coexist than with purulent bronchitis alone.
Moderate dilatation of the small bronchi at the base of the left lung was found in several instances eight days after onset of symptoms referable to the respiratory passages. Advanced, diffuse dilatation of the bronchi was seldom seen before the lapse of two weeks, and bronchiectasis with formation of spherical or cylindrical cavities 245was found with few exceptions three weeks after onset of the fatal illness. Long continued, purulent bronchitis does not necessarily produce dilatation of the bronchi. It is noteworthy that the average duration of the fatal illness in 137 instances of pneumonia and purulent bronchitis with no bronchiectasis was 12.5 days, whereas the average duration of 49 instances of pneumonia with purulent bronchitis and bronchiectasis was only 16.5 days.
Bronchiectasis is almost invariably associated with purulent bronchitis in which tenacious mucopurulent fluid accumulates in the bronchi. It begins at the bases of the lower lobes and is usually more advanced here than elsewhere. Mechanical distention of the small bronchi by viscid fluid, expelled with difficulty, brings about their dilatation and gravity appears to have a part in accentuating the process. Histologic examination of the changes accompanying bronchitis show that lesions which penetrate into the muscular layer and presumably weaken the bronchial wall are not uncommon and partial or complete destruction of the wall may result. To what extent infiltration of the muscular wall by polynuclear leucocytes or by lymphoid and plasma cells is accompanied by changes which weaken the wall may be questioned. When the epithelial lining of the bronchus is destroyed coagulative necrosis of the underlying tissue occurs and may extend a variable distance into the bronchial wall, not infrequently penetrating into or entirely through the muscular layer. These changes furnish an explanation of the occurrence of bronchiectasis following influenza.
Fig. 17.—Acute bronchiectasis showing fissures penetrating into bronchial wall and at one place entering surrounding alveolar tissue; the surrounding alveoli are filled with fibrin. Autopsy 425.
Acute bronchiectasis may be found following influenza after the illness has lasted eight or ten days. There is no increase of fibrous tissue. Small bronchi with no cartilage, which in normal lungs have a diameter approximating 1 mm., are dilated to 3 mm. or more. The surface epithelium is wholly or partially lost. Necrosis occurs in places and extends deep into the tissue, destroying muscle and often penetrating the entire thickness of the wall which in these small bronchi consists in large part of fibrous tissue containing greatly engorged blood vessels. In this necrotic material nuclei are absent and the tissue containing fibrin stains deeply with eosin. In it occur fissures or tears which extend from the lumen a variable distance, very frequently penetrating the entire thickness of the wall and entering adjacent alveoli (Figs. 17 and 19). Alveoli thus exposed almost invariably contain plugs of dense fibrin. Where these rents have occurred, adjacent edges of the bronchial wall, held together by underlying lung tissue, have separated from one another, so that the circumference of the bronchus has been increased (Fig. 18). These breaks in the continuity of the wall may occur in several places, so that a fourth or a third of the circumference may be formed 247by exposed alveolar tissue which has become the site of fibrinous pneumonia (Fig. 20). During life, though the inflamed bronchus is filled by mucopurulent exudate, distention of loose alveolar tissue, uniting the interrupted bronchial wall, is doubtless greater than it appears in the lung fixed by hardening fluids.
Fig. 18.—Acute bronchiectasis showing fissures in the bronchial wall extending into neighboring alveoli which in zone about are filled with fibrin; one fissure has separated widely; peribronchial fibrinous pneumonia (fibrin is black). Autopsy 425.
Recently dilated bronchi have an irregularly stellate lumen as the result of clefts penetrating at intervals into or through the bronchial wall (Fig. 26). Longitudinal fissures mark the lining of these dilated bronchial tubes.
When the fatal illness has lasted more than two weeks, abundant new formation of fibrous tissue occurs in a zone surrounding the dilated bronchus. Adjacent alveolar walls are thickened by young fibrous tissue. Alveoli, much diminished in size, are filled by hyaline fibrin into which fibroblasts 248and newly formed blood vessels have penetrated. These changes are limited to a wide zone in immediate contact with the dilated bronchus, whereas at a greater distance alveolar walls have undergone no thickening and alveoli contain no fibrin.
Fig. 19.—Acute bronchiectasis; the bronchial wall indicated by engorged mucosa shows a varying degree of destruction, fissures extending into and through the bronchial wall. Autopsy 352.
Fig. 20.—Acute bronchiectasis; with destruction of bronchial wall exposing alveoli filled with fibrin; peribronchial fibrinous pneumonia is seen about several bronchi present in the section; Gram Weigert fibrin stain. Autopsy 425.
This stage is well represented by Autopsy 421 after an illness of nineteen days. Bronchiectatic cavities, from 3 to 6 mm. in diameter, are numerous in sections of the lung; their lumina are irregular in outline and often irregularly stellate. Microscopic examination shows the presence of 250clefts which interrupt the bronchial wall at intervals throughout its entire circumference. The original wall is well indicated by the very richly vascularized connective tissue containing scattered muscle bundles and is infiltrated with lymphoid and plasma cells in great number. Where fissures have occurred the adjacent edges of the interrupted wall have separated from one another, leaving a wide interval where underlying alveolar tissue is exposed. Two changes tend eventually to render the fissures inconspicuous, namely, regeneration of epithelium and new formation of fibrous tissue. Exposed alveoli filled with fibrin are in process of organization and epithelium which has assumed a squamous type has grown down over the exposed surfaces of the interrupted bronchial wall. It has begun to cover or in some instances has completely covered the surface of rents entering alveoli plugged with fibrin (Fig. 21). In the periphery of the bronchus alveolar walls are thickened and infiltrated with lymphoid and plasma cells. The same changes affect bronchi containing cartilage which is undergoing atrophy.
The reinforcement of the fissured bronchial wall by new formation of fibrous tissue, by thickening of the interalveolar walls and by organization of fibrin within the alveoli is well shown after four weeks (Autopsy 425; Fig. 28). There are spherical bronchiectatic cavities more than a centimeter in diameter surrounded by a dense fibrous wall in which are atrophied alveoli lined by epithelium of cubical form. Occasionally, the fibrous wall is interrupted and alveoli, plugged with organizing fibrin, are in immediate contact with the lumen. When these plugs of fibrin which are slowly absorbed disappear, evidence of preexisting rents in the bronchial wall are lost, and there are in this lung bronchiectatic cavities of which the wall is a continuous circle of dense fibrous tissue.
Fig. 21.—Bronchiectasis with fissures extending through the bronchial wall into alveolar tissue which is the site of fibrinous pneumonia; epithelium has grown down into these fissures and has covered the exposed surfaces. Autopsy 463.
Fig. 22.—Regeneration of epithelium over fissures which have been formed in the wall of a bronchus; the epithelium in the neighborhood of and within the fissure is squamous.
Epithelium lining the dilated bronchi is at times completely destroyed (Fig. 28), but more frequently it persists in part. That which remains has almost constantly the character of squamous epithelium (Figs. 22 and 23). The lowermost cells are cubical; those above them are polygonal, tending to become flatter as the surface is approached; upon the surface are cells often much flattened and occasionally they have lost their nuclei and stain deeply with eosin as the result of superficial necrosis. The change should not be regarded as metaplasia, for the epithelium assumes this squamous type when the superficial columnar cells have been lost. Actual necrosis of superficial ciliated columnar cells is occasionally seen (Autopsy 352); injured cells have separated from one another and desquamated 253into the lumen of the bronchus. The epithelium which remains after the superficial cells are lost consists of cells which become flatter from base to surface, but the intercellular bridges characteristic of the epithelium of the skin are not found. When epithelium is in process of regeneration, a layer gradually diminishing in thickness extends over the denuded surface, the advancing edge being formed by very flat cells in a single layer. The epithelium growing into fissures which have penetrated the bronchial wall may completely cover the exposed alveolar tissue. The newly formed epithelium may follow a fissure into an alveolus which has been opened and come into contact with the fibrin which fills the alveolus.
Fig. 23.—Squamous epithelium growing over the defect in the bronchial wall shown in Fig. 22 more highly magnified; squamous epithelium is present above and columnar epithelium below.
254Bronchiectasis usually affects the small bronchi with no cartilage. It is not uncommon to find greatly dilated bronchi with no cartilage in close proximity to cartilage containing bronchi of smaller caliber. In one instance (Autopsy 421) a bronchus of medium size with cartilage measured 3 mm. in diameter, whereas two bronchi with no cartilage were dilated to 4 and 6 mm., respectively. Nevertheless, larger bronchi are occasionally the site of superficial loss of epithelium, necrosis extending into the bronchial wall, formation of fissures and stretching of the wall at the spot which is weakened. In association with these changes atrophy of the cartilage may occur (Autopsies 421, 425, 440, 463). Plates of cartilage in process of atrophy are readily recognized by their irregularly indented outline and often by their small size. The fibrous tissue surrounding the cartilage is the site of chronic inflammation and is densely infiltrated with lymphoid and plasma cells among which polynuclear leucocytes are scant. Nevertheless, polynuclear leucocytes are abundant in immediate contact with the cartilage and appear to have an important part in the solution of its matrix, for about them occur indentations of the edge. Leucocytes penetrate into the cartilage.
The necrosis and tears which occur in the wall of the bronchus are not always limited to the bronchus, but may extend deeply into the surrounding tissue. In Autopsies 312 (Fig. 21) and 423 wide areas of necrosis have penetrated deeply into the tissue about the bronchi.
Autopsy 312.—Illness began with influenza on September 26, seventeen days before death; a diagnosis of lobar pneumonia with consolidation of 255the right lower lobe was made ten days after onset and Pneumococcus IV, B. influenzæ and S. hemolyticus were found in the sputum. At autopsy there was bronchopneumonia with red and gray lobular and confluent lobular patches of consolidation and right and left serofibrinous pleurisy; there was purulent bronchitis; no abscesses were seen. Small bronchi throughout both lungs were dilated and often surrounded by a zone of hemorrhage.
Hemolytic streptococci were found in the heart’s blood, in the pleural exudate, consolidated lung and bronchus; B. influenzæ was found in the lung and in a small bronchus, and staphylococci in the contents of a small bronchus.
Fig. 24.—Acute bronchiectasis with fissures extending through bronchial wall which is marked by great engorgement of blood vessels; at one point a fissure has penetrated deep into the alveolar tissue and formed a small cavity containing purulent exudate and surrounded by fibrinous pneumonia. Autopsy 312.
Bronchi which are the site of acute inflammation have lost their epithelium wholly or in part, and deep fissures penetrate the entire thickness of the bronchial wall, extending into the surrounding lung tissue which is the site of fibrinous pneumonia. In some instances plugs of fibrin within the alveoli are bisected by these tears. There is some superficial necrosis along the edge of each fissure, in several places extending outward from defects in the walls of small bronchi dilated to approximately 1.5 mm. There are wide patches of necrosis affecting both alveolar walls and contents 256of alveoli and extending 2 mm. into the lung tissue. When a fissure has penetrated from the lumen of the bronchus into necrotic tissue (Fig. 21), polynuclear leucocytes have accumulated within the necrotic tissue, disintegration of tissue occurs, and a small cavity communicating with the bronchus is formed.
Autopsy 423.—C. H., white, aged twenty-five, resident of Oklahoma, had been in military service one month. Death occurred sixteen days after onset of influenza.
Anatomical Diagnosis.—Chronic bronchopneumonia with peribronchiolar consolidation throughout right lung and in left lower lobe; right purulent pleurisy; purulent bronchitis; bronchiectasis at base of left lung.
The right lung weighs 1,260 grams; in the upper lobe are yellowish gray nodules having the appearance of tubercles clustered about small bronchi; in places similar nodules occur upon a background of pinkish gray consolidation occupying the greater part of the lower lobe. Bronchi contain purulent fluid. The left lung weighs 760 grams; it is edematous and small, yellowish gray nodules of consolidation in the lower lobe are clustered about terminal bronchi. Bronchi at the base of the lower lobe are dilated.
Bacteriologic examination shows the presence of hemolytic streptococci in the blood of the heart; hemolytic streptococci and B. influenzæ in the lung.
Microscopic examination shows that the walls of the bronchi are infiltrated with lymphoid and plasma cells; these cells are very numerous in peribronchiolar patches of consolidation. A small bronchus 1 mm. in diameter has squamous epithelium along one side; on the opposite side, the wall is completely absent and there is superficial necrosis of exposed alveoli filled with fibrin. A deep fissure passes from the bronchus into the consolidated tissue; its edges are necrotic and it is filled with polynuclear leucocytes. A small cavity in contact with the bronchus has been formed. In another part of the lung a distended bronchus has lost its epithelium on one side, and here alveoli filled with fibrin form the wall of the bronchus which is filled with leucocytes. Extending outward from the eroded wall is a focus of necrosis where both alveolar walls and contained exudate have lost their nuclei.
The necrosis which has had its origin in the bronchi is soon followed by accumulation of polynuclear leucocytes, softening and disintegration of tissue. Discharge of the disintegrated tissue through the bronchi results in the formation of a small cavity continuous with the bronchus. These changes are well illustrated by the bronchiogenic abscesses which have been described elsewhere (Autopsies 376, p. 206, and 387, p. 206). When disintegrated tissue 257is discharged by way of the bronchi no accumulation of pus occurs, but cavities will be formed, in part by dilation of bronchi, in part by erosion of the adjacent lung tissue. Histologic examination shows that these changes have produced the advanced bronchiectasis found in Autopsy 445 (Fig. 25).
Autopsy 445.—W. F., white, aged twenty-three, from Mississippi, had been in military service one month. His illness began September 22, twenty-seven days before death, with severe coryza, weakness, nausea and vomiting; great pain in bones, cough and sore throat. He was admitted to the base hospital one week later with diagnosis of influenza and bronchitis. On October 3, sixteen days before death, signs of consolidation were found on the left side over the back and a diagnosis of lobar pneumonia was made. On October 18 there was severe headache, pupils were dilated, and there was rigidity of neck; lumbar puncture was made and pneumococci were found in the fluid obtained. Death occurred on the following day.
Anatomic Diagnosis.—Bronchiectasis with unresolved pneumonia limited to the left lower lobe; acute bronchopneumonia with peribronchiolar consolidation in right lung; purulent bronchitis, peribronchial hemorrhage and organizing bronchiolitis in right lung; adherent pleura on left side; purulent meningitis.
The left upper lobe is crepitant throughout. The outer and posterior two-thirds of the left lower lobe is riddled with cavities often rounded and varying in diameter from 0.5 to 3 cm. but not infrequently irregular in shape and in communication with adjacent cavities (Fig. 25). In places cavities pass in a tortuous course from pleura to the midpart of lung. The lining of these cavities is usually smooth, but in places is covered by gray necrotic material. Communication between the cavities and medium-sized bronchi is occasionally found. The lung tissue between the cavities is in part grayish red and consolidated, in part pink and air containing. The right lung is edematous throughout; the bronchi in the lower part of the right lung contain purulent fluid and are in places surrounded by zones of hemorrhage.
The spleen is very large (14 × 11 × 5 cm.) and firm.
The spinal fluid is cloudy and blood vessels over the lumbar enlargement and lower thoracic region are congested; in the upper thoracic region the cord is covered by purulent exudate.
Bacteriologic examination demonstrates the presence of hemolytic streptococci in the blood of the heart; plates from the left lung contain a few colonies of S. aureus and Pneumococcus IV; plates from the right main bronchus contain S. aureus and a large bacillus which does not stain by Gram’s method. Three plates from the spinal meninges contain Pneumococcus IV.
Fig. 25.—Advanced bronchiectasis throughout lower left lobe. Autopsy 445.
259Microscopic examination shows that the cavities which have been described are lined by very vascular connective tissue containing many cells; there is no epithelial lining and the surface is in places covered by fibrin. On the surface polynuclear leucocytes are numerous, but immediately below, large mononuclear cells occur and frequently contain one or several ingested polynuclear leucocytes. None of the structures peculiar to the bronchi can be identified in the wall of these cavities, and in many places it is evident that lung tissue has undergone destruction, for in places the lining of vascular connective tissue is interrupted and an extension of the cavity penetrating into the lung substance is surrounded by alveoli filled with fibrin; in contact with the cavity there is some necrosis.
The cavities communicate with the bronchi and are lined in part by vascular connective tissue which may in part represent preexisting bronchial walls, but no epithelium is present and the relation to the bronchi cannot be established with certainty. These cavities have extended by necrosis which has broken the vascular connective tissue of their wall and penetrated into adjacent lung tissue. Death has been the result of purulent meningitis caused by pneumococcus, and the histologic changes in the walls of the cavities suggest that the activity of the inflammatory reaction here is subsiding, for large mononuclear cells are numerous and are ingesting polynuclear leucocytes. The changes described would, if continued, result in the formation of cavities lined by fibrous tissue and resembling many of those formed as the result of dilatation of the bronchi.
A study of the progress of the changes which result in the formation of bronchiectatic cavities has shown how the inflammatory irritant within the bronchus destroys the epithelium of the bronchus, penetrates into the deeper tissues and produces fissures which extend through the entire thickness of the bronchial wall at one or usually several places. These longitudinal fissures, which at first often give a stellate outline in cross section to the cavity of the affected bronchus, permit the separation of the edges of the fissure, so that an increase in the circumference occurs. The base of the fissure is formed by surrounding alveolar tissue and its edges are the site of necrosis. Tears may extend into the surrounding alveolar tissue, thus permitting further stretching of the bronchial wall. The consequences 260of rupture of the small bronchi into the adjacent alveoli are to some extent overcome by the inflammatory reaction which plugs the adjacent alveoli with fibrin.
Compression of the lungs by forced expiration, even though the glottis were closed as in coughing, would not dilate the bronchi, because pressure outside and within the bronchi would be equally elevated (Thornton and Pratt[89]). The pressure within the bronchi does not differ greatly from atmospheric pressure, whereas the negative pressure within the pleural cavity may vary from approximately 6 mm. of mercury during quiet inspiration to 30 mm. with forced inspiration. Excess of pressure upon the inner surface of the bronchial walls will vary with coughing and other respiratory efforts, between these limits depending upon the readiness with which pressure is equalized within and without the bronchi by penetration of air into the alveoli. The presence of viscid mucopurulent fluid within bronchioles will obstruct these tubules and retard the entrance of air into alveoli.
Weakening of the bronchial wall by the changes which have been described will cause lasting dilatation of the bronchi. Whatever increases pressure within the bronchi will increase the tendency to dilatation; the bronchi being filled with mucopurulent exudate dilatation usually appears first at the bases of the lung, since gravity increases intrabronchial pressure here. New formation of fibrous tissue within the wall of the bronchus, thickening of adjacent alveolar walls, and organization of fibrin reinforce the weakened bronchial wall and limit the dilatation which follows injury to the wall. Regeneration of epithelium covering the dilated tube will further obscure the early changes which have made dilatation possible. The changes which weaken the bronchial wall permit dilatation at a time when there is no new formation of fibrous tissue. When the bronchial lesion has persisted several weeks, 261chronic pneumonia is associated with it. It has been suggested that the contraction of newly formed fibrous tissue within the substance of the lung might cause bronchi to be enlarged by traction upon their walls. Newly formed connective tissue is most abundant in the wall of the bronchiectatic cavity, and here contraction would tend to diminish the size of the cavity.
Chronic bronchopneumonia is characterized by changes similar to those associated with chronic inflammation in other parts of the body, namely, by thickening of the interstitial tissue of the lung, by accumulation of mononuclear cells, by proliferation of fibrous tissue and by organization of exuded fibrin. In a few instances these changes have begun at the end of two weeks after onset of influenza, but they have been little advanced until three weeks has elapsed; advanced chronic inflammation has occurred after from four to eight weeks. Chronic inflammation primarily affects those structures which are most severely injured by the acute lesion and is most conspicuous in immediate proximity to the small bronchi and bronchioles; the perivascular and interlobular connective tissue are secondarily involved. Corresponding to each of the lesions of the alveolar tissue which have been found with bronchopneumonia, namely, peribronchiolar, hemorrhagic peribronchiolar, lobular and peribronchial consolidation, there is a chronic lesion which develops when pneumonia has failed to resolve.
The term interstitial bronchopneumonia has been used by MacCallum to designate a lesion which he has found in association with measles at Fort Sam Houston. This name he states does not describe accurately the early stage of the lesion, for its interstitial character is not evident at first. In his monograph on “Epidemic Pneumonia in the Army Camp,” published in 1919, MacCallum describes and pictures 262instances of the lesion which we have designated interstitial suppurative pneumonia and classifies them as interstitial bronchopneumonia. We have shown that this lesion, which is the result of infection of the lymphatics with S. hemolyticus, bears no necessary relation to the lesion which is characterized in its early stage by peribronchiolar pneumonia and in its later stages by chronic inflammation with mononuclear infiltration and proliferation of the peribronchial, perivascular and interalveolar tissue. At Fort Sam Houston, nearly every patient with measles was infected with hemolytic streptococci; we observed, following influenza, similar prevalence of hemolytic streptococci in certain wards in the base hospital at Camp Pike. Among the cases at Fort Sam Houston there were doubtless instances both of interstitial suppurative pneumonia caused by hemolytic streptococcus and of chronic bronchopneumonia not referable to this microorganism.
Studying pneumonia following influenza at Camp Lee, Va., and later at Camp Dix, N. J., during the fall of 1918, MacCallum reached the conclusion that “interstitial bronchopneumonia” following influenza was caused by B. influenzæ of Pfeiffer. This lesion attributed to B. influenzæ differed from that previously referred to hemolytic streptococcus in the following characters: the lymphatic channels in the bronchial walls and widened interlobular septa are inconspicuous and none are found distended with exudate; there is no intense infection of the pleura, and polynuclear leucocytes are inconspicuous in the alveolar exudate and in the walls of the bronchi. It seems probable these differences are explained by the absence of hemolytic streptococci which tend to invade lymphatics and produce severe inflammatory changes in the pleura.
Chronic Bronchitis.—The earliest changes in the bronchial wall with bronchitis of influenza are hyperemia, leucocytic infiltration and hemorrhage, and they may occur even though the lining epithelium remains intact. Epithelium 263frequently undergoes partial or complete destruction, and with this severe injury the influence of the inflammatory irritant may extend directly through the wall of the bronchus, for in some instances there is hemorrhage into all the alveoli in a zone encircling the bronchus. Since these alveoli have only indirect communication with the affected bronchus through alveolar tissue not involved in the inflammatory process, it is evident that the surrounding hemorrhage is secondary to the lesion of the bronchus. Fibrinous inflammation in other instances, similarly localized in a zone of alveoli encircling a bronchus, is doubtless the result of direct extension of the inflammatory process through the bronchial wall. After the disease has existed during two or three weeks inflammation is still active immediately below the inner surface of the bronchus; here polynuclear leucocytes are numerous whereas in the deeper parts of the mucosa and about the muscularis leucocytes are scant but lymphoid and plasma cells are very numerous. The severity of the inflammatory reaction may be judged by the abundance and extent of this cellular reaction and is in close relation to the intensity of the changes affecting the mucous membrane of the bronchus. Infiltration of the entire bronchial wall with lymphoid and plasma cells is almost invariable when the primary injury to the bronchus has destroyed the epithelial lining, and this infiltration is not limited to the bronchial wall but extends outward into the contiguous alveolar septa which are thickened by it. The sheath of the pulmonary artery which accompanies the bronchus exhibits a similar change, and the alveolar septa, as a fringe about it, are thickened and infiltrated with mononuclear cells. Interlobular septa continuous with the bronchus often show some infiltration.
A later phase in this series of changes is represented by new formation of fibrous tissue. The bronchial walls and interalveolar septa are thickened by proliferating fibrous tissue, young fibroblasts and newly formed collagen fibrils 264being abundant (Fig. 28; also Fig. 30). This increase of fibrous tissue is especially noteworthy immediately surrounding the walls of the small bronchi, which are often considerably dilated, and about the smaller of those bronchi which have cartilage; with thickening of alveolar walls immediately adjacent to the bronchus every stage in the obliteration of the alveoli may be found. Their walls are thickened and their lumina are diminished in size and often flattened in a direction concentric with the bronchus. Such atrophied alveoli lined by cubical epithelial cells occurring within the thickened peribronchial fibrous tissue give evidence that this tissue has replaced alveoli. Alveoli surrounding and within the new fibrous tissue are frequently filled with fibrin, and organization indicated by penetration of fibroblasts and capillaries into the fibrin may be far advanced. There is some increase of perivascular and interlobular tissue. The bronchiectasis which is almost invariably found with unresolved bronchopneumonia has been described. Squamous transformation of epithelium (page 251) is frequently found in association with the chronic bronchitis of unresolved pneumonia.
Organizing Bronchitis and Bronchiolitis.—When the bronchial epithelium is destroyed, fibrin is deposited upon the denuded surface and may partly or completely fill the lumen of the bronchial tube. The plug of fibrin is adherent to the underlying tissue wherever epithelium is lost but is separated from the bronchial wall by a well-defined space where epithelial lining is still intact. Fibroblasts promptly migrate from the wall of the bronchiole into this fibrin, and fibroblasts, fixed during ameboid movement, are irregularly elongated in a direction toward the fibrin.
Organization of fibrin occurs within the smallest bronchi (diameter 0.3 to 0.5 mm.) or within respiratory bronchioles. It has been found in 8 autopsies. In one instance it has been present eleven days after the onset of influenza, but usually it is seen three or four weeks after onset of symptoms 265of respiratory disease. In the early stages of the lesion a plug of fibrin within the lumen of the bronchus or bronchiole is invaded by fibroblasts, plasma cells and newly formed capillaries. These capillaries have their origin in the wall of the tube and enter the fibrin at points where in consequence of loss of epithelium fibrin is continuous with the connective tissue. When the bronchiole is cut longitudinally, partially or completely organized fibrin may be found adherent at several places with intact epithelium, sometimes beautifully ciliated, between the sites of attachment. The fibrin is finally replaced completely and the lumen of the bronchiole contains a mass of organized fibrous tissue in which young fibroblasts and plasma cells are numerous.
The lesion has been associated with chronic bronchopneumonia in 6 of 8 instances. In Autopsy 445, p. 257, organizing bronchitis and bronchiolitis occurred in the right lung unassociated with other chronic lesion, although there was advanced bronchiectasis with fibrous induration in the left lung. In Autopsy 499 (p. 224) organizing bronchiolitis occurred in association with chronic changes which appear to have followed interstitial suppurative pneumonia caused by S. hemolyticus. Other severe lesions of the bronchi have accompanied organizing bronchitis and bronchiolitis. Purulent bronchitis has been present in 7 of 8 instances; bronchiectasis in 5 of 8 instances.
The bacteriology of autopsies with organizing bronchitis and bronchiolitis is shown in Table LIII.
The bacteriology of these cases presents no constant feature. Invasion of the blood by S. hemolyticus has been present in a large proportion of cultures, namely, in 5 of 7 (71.4 per cent). In one of the 2 instances in which hemolytic streptococci have been found, neither in the blood nor lungs, Pneumococcus III has been found in the blood and S. viridans in the lungs and bronchus; in the other, S. aureus has been found in the lung and bronchus. Staphylococci have been found frequently in the bronchi (60 per cent) and in the lungs (50 per cent). B. influenzæ has been present in the bronchi in the usual proportion of instances (80 per cent). The lesion has occurred in the presence of B. influenzæ combined with streptococci or staphylococci.
| 266 | ||||
| Table LIII | ||||
|---|---|---|---|---|
| AUTOPSY | DURATION OF ILLNESS | BLOOD | LUNGS | BRONCHUS |
| 420 | 11 days | S. hem. | S. hem., B. inf., S. aur. | |
| 402 | 14 days | Pneum. IV, S.hem. | ||
| 370 | 17 days | S. aur. | S. aur., Pneum. IV, B. inf. | |
| 457 | 17+ days | Pneum. IV, B. inf. | ||
| 421 | 19 days | S. hem. | Pneum. IV, S. hem. | |
| 445 | 27 days | S. hem. | Pneum. IV, S. aur. | S. aur. |
| 473 | 28+ days | Pneum. III | S. vir. | B. inf., S. vir., staph., M. catarr. |
| 499 | 36 days | S. hem. | S. hem. B. inf. | |
Thrombosis of lymphatics in the wall of bronchi adjacent to blood vessels and in interlobular septa occurs, and occasionally organization of the fibrinous plug within the lymphatic is in progress (Autopsies 283, 425 and 463). Fibroblasts and capillaries penetrate from the wall of the lymphatic into a mass of hyaline fibrin which fills the lumen.
Unresolved Bronchopneumonia.—The most common type of pneumonic lesion following influenza is characterized by acute inflammation of the alveoli immediately adjacent to the bronchioles and the lesion is associated in many instances with hemorrhage or edema. If this lesion persists unresolved during several weeks, evidences of chronic inflammation are found. Peribronchial, perivascular and interlobular connective tissue is thickened and richly infiltrated with lymphoid and plasma cells, large mononuclear cells and many young fibroblasts. Interalveolar septa adjacent to the walls of bronchi and between alveoli surrounding inflamed bronchioles are implicated in the process. 267Interstitial changes characterize the lesion only in its late stage. It appears undesirable to give the name “interstitial pneumonia” to the early stage of a lesion which begins and in most instances terminates as an acute relatively superficial inflammation of the bronchi, bronchioles and peribronchiolar alveoli.
Chronic bronchopneumonia is often overlooked at autopsy because newly formed connective tissue is not present in sufficient quantity to attract attention (Fig. 26). When the lesion is advanced conspicuous gray white patches of fibrous tissue may be seen about the bronchi (Autopsy 487; Fig. 27) and interlobular septa may be obviously thickened (Autopsy 472). The most distinctive feature of the lungs is the presence of small, firm, gray or yellowish gray nodules of consolidation which resemble miliary tubercles. They represent the peribronchiolar patches of bronchopneumonia present during the acute stage and have assumed the well-defined outline and firm consistence of tubercles because polynuclear leucocytes and red blood corpuscles have in large part disappeared, interstitial tissue is increased, and exudate is in process of organization. These nodules are grouped in clusters about the small bronchi.
With unresolved bronchopneumonia the lungs are very voluminous and fail to collapse after they are removed from the chest and in some instances even after incision. The air containing tissue is usually dry. In our autopsies the lungs have been pink in color and often free from coal pigment, because those suffering with pneumonia have been in considerable part men from rural districts. Thick mucopurulent material exudes from the small bronchi which have been cut across; purulent bronchitis has been present in 20 of 21 instances of chronic bronchopneumonia. Bronchiectasis has been present in 13 instances; dilatation is often advanced, so that throughout the lungs are found bronchi with no cartilage distended to a diameter of 0.5 cm. In addition to the firm peribronchiolar tubercle-like nodules of consolidation there are scattered patches of gray lobular or confluent lobular consolidation. Yellowish nodules, grouped about bronchi and resembling those found elsewhere in air containing tissue, are occasionally seen scattered upon the cut surface of a patch of gray, confluent lobular consolidation (Autopsies 421, 423, 431).
Fig. 26.—Unresolved bronchopneumonia with tubercle-like nodules of peribronchiolar consolidation best seen in lower lobe; bronchiectasis. Autopsy 425.
269Microscopic examination demonstrates the presence of those changes which have been described in association with chronic bronchitis and bronchiectasis. There is abundant new formation of fibrous tissue about the bronchi of small and medium size, thickening of adjacent interalveolar walls and incorporation of alveoli into the thickened bronchial wall (Figs. 27, 28, 30, and 31). In half of the instances of chronic bronchopneumonia there has been peribronchial fibrinous pneumonia, and organization of fibrin within the alveoli is usually well advanced. In one instance (Autopsy 487; Figs. 27 and 28) after an illness of fifty-five days this process has resulted in the formation of conspicuous patches of firm, grayish white fibrous tissue surrounding dilated bronchi. Organization of fibrinous exudate within the lung has not been limited to the alveoli but has occurred in the bronchioles as well. Organizing bronchiolitis has been present in 5 instances (Autopsies 370, 402, 457 and 473).
Increase of fibrous tissue occurs about the blood vessels and in the septa between the lobules, which are infiltrated with mononuclear wandering cells and fibroblasts. Dilatation and thrombosis of the lymphatic vessels have occurred in both situations, and in 3 instances (Autopsies 283, 425 and 463) organization of these fibrinous thrombi has occurred.
Fig. 27.—Unresolved pneumonia with peribronchial formation of fibrous tissue; bronchiectasis. Autopsy 487.
Fig. 28.—Unresolved pneumonia with bronchiectasis showing new formation of fibrous tissue about a greatly dilated bronchus of which the epithelial lining has been lost. Autopsy 487.
Thickening, cellular infiltration and fibrosis of the bronchial walls with interstitial inflammation and fibrosis of immediately adjacent alveolar septa are found about the ramifications of the bronchial tree and may be followed to the smallest bronchi. When the respiratory bronchioles are reached it will be found that the alveoli which stud their walls are implicated in the change. The fibrin which they contain is infiltrated with lymphoid and plasma cells, and with progress of the lesion is invaded by fibroblasts and capillaries. Infiltration and fibroid thickening extends from the bronchiolar wall to the alveolar septa continuous with it (Fig. 31 with measles). Similar changes occur about the alveolar ducts, and about the orifices of the tributary infundibula (Fig. 32), peribronchiolar foci of acute inflammation having assumed the characters of a chronic inflammatory process. Fibrin within the alveoli contains round cells and fibroblasts. With thickening of alveolar walls the alveolar lumina may be much diminished in size and often persist as spaces lined by cubical cells. Polynuclear leucocytes are usually numerous within the alveolar duct and 272in a few alveoli immediately adjacent to it, but elsewhere throughout the focus of inflammation round cells are predominant. The changes which have been described correspond with the transformation of ill-defined, gray or reddish gray spots of consolidation grouped about the terminal bronchi into firm sharply defined grayish white nodules having the consistence and appearance of miliary tubercles.
One of the most constant characters of pneumonia following influenza is its hemorrhagic character. In the earlier stages of pneumonia phagocytosis of red blood corpuscles by large mononuclear cells is frequently seen. In association with the chronic changes which have been described, large mononuclear cells filled with brown pigment, doubtless formed from red corpuscles, are often found within the alveoli. These pigment containing cells are similar to those commonly associated with chronic passive congestion of the lungs.
In one instance (Autopsy 457) hemorrhagic peribronchiolar pneumonia has been found in process of organization. The bronchioles and alveoli adjacent to them contain polynuclear leucocytes, but intervening alveoli almost uniformly contain blood and are the site of new formation of connective tissue. Interalveolar septa are thickened and alveoli which are lined by cubical epithelium are often diminished in size. In many places fibroblasts have penetrated in considerable number into the blood within the alveoli and occasionally newly formed capillaries are found within them.
Lobular patches of pneumonia are often found in process of organization (Autopsies 370, 421, 423, 433, 463, 472 and 473). Microscopic examination shows that whole lobules well defined by thickened septa are the site of chronic interalveolar inflammation and intraalveolar organization of exudate, whereas adjacent lobules are air containing and relatively normal. In the earlier stages of the process fibrin present within the alveoli is invaded by fibroblasts, 273mononuclear wandering cells and blood vessels but in the later stages fibrin has disappeared; the lumina of the alveoli are occupied by cellular fibrous tissue and in places the thickened alveolar walls and intraalveolar fibrous tissue have been fused to form wide patches of new tissue.
With chronic bronchopneumonia confluent lobular consolidation occasionally has a gray ground upon which are scattered small yellow spots clustered about the small bronchi (Autopsies 421, 423 and 431). Microscopic examination has shown that the yellowish spots correspond to dilated bronchioles filled with purulent exudate and surrounded with alveoli containing many polynuclear leucocytes. In the interstitial tissue about the bronchiole and between adjacent alveoli plasma cells are often present in great number. Between these spots of subacute bronchiolar inflammation lung tissue is the site of interalveolar proliferation of fibrous tissue and intraalveolar organization of exudate.
In all instances of chronic bronchopneumonia there has been peribronchial pneumonia in a zone encircling small bronchi with no cartilage and the smallest of the bronchi which have cartilage in their wall; thickening of interalveolar septa, organization of peribronchial fibrinous pneumonia and partial disappearance of alveoli have been described. In the following autopsy peribronchial fibroid pneumonia has been so advanced that conspicuous patches of gray white tissue surrounding bronchi have replaced in some parts of the lung a considerable part of the lung substance.
Autopsy 487.—W. C., white, aged twenty-seven years, a farmer from Mississippi had been in military service twenty-one days. Illness began on September 17, fifty-five days before death, with chill, fever, cough, backache, pain in the chest and coryza. The patient was admitted two weeks after onset with the diagnosis of influenza. Eight days later his sputum was blood tinged and there were signs of bronchopneumonia. One month after admission the patient developed a rash and a diagnosis of scarlet fever was made.
274Anatomic Diagnosis.—Chronic bronchopneumonia with peribronchial fibroid induration; bronchiectasis; purulent bronchitis; abscesses at the bases of both lungs; seropurulent pleurisy on the left side.
The body is much emaciated. The left pleural cavity contains 650 c.c. of opaque, dull yellow, thin, purulent fluid. The surface of the left lung is covered in spots by white partially organized fibrin.
On section of the right lung (Fig. 27) the tissue is found in great part air containing but there are numerous firm, gray patches, irregular in shape and from 1 to 2 cm. across. In these spots the tissue is tough and resembles fibrous tissue; within them are much dilated bronchi. In the central part of the upper lobe is a group of cavities with smooth wall, the largest of these cavities being 12 mm. in diameter; immediately adjacent are dilated bronchi. Between and surrounding these cavities is gray tissue, like that described above. Below the outer surface of the upper lobe is an extensive area 7 cm. from above downward, thickly studded with bronchiectatic cavities, in the walls of which there is tough fibrous tissue. In the middle lobe are several dilated bronchi, the largest of which is 7 mm. in diameter, and elsewhere occur dilated bronchi with thickened walls. At the base of the lung below the pleura are two abscesses, which are yellow in the center and surrounded by hemorrhagic tissue. At the posterior part of the lower lobe there are numerous firm, nodular, yellowish spots grouped in clusters upon a background of red, air containing tissue. The bronchi throughout the lung contain mucopurulent fluid.
In the left lung patches of fibrous tissue are more numerous than on the right side and are irregular in shape, from 1 to 2 cm. across and most abundant in the center of the upper lobe. This fibrous tissue is in great part gray but in places it has a yellowish tinge. The bronchi everywhere are moderately dilated. At the base of the lung below the pleura is an abscess.
The other organs show no noteworthy change.
Bacteriologic Examination.—The fluid in the left pleura and right main bronchus contain S. hemolyticus. B. influenzæ is found in the right lung and right main bronchus.
Microscopic examination shows that the patches of dense fibrous tissue seen at autopsy almost invariably surround dilated bronchi with no cartilage in their walls (Fig. 28) and with a diameter of from 1 to 2 or more millimeters. These bronchi have lost their epithelial lining; they contain polynuclear leucocytes, and their wall in contact with the lumen is infiltrated to a varying distance with the same cells. Their inner surface is very irregular, and superficial necrosis occurs. The limits of the preexisting bronchial wall is no longer recognizable in the dense surrounding fibrous tissue richly infiltrated with lymphoid and plasma cells. In contact with the bronchus, often in a wide zone, all traces of alveoli have been destroyed, but further outward alveoli are represented by spaces lined by cubical epithelium. At the periphery of the zone of fibroid induration alveolar walls are much thickened and richly infiltrated with mononuclear wandering cells; the lumina of the alveoli contain plugs of organized fibrous tissue often covered by flat or cubical epithelium. In the surrounding tissue a few small bronchi are lined by columnar 275epithelium; there is scant new formation of fibrous tissue but the alveolar walls are thickened and infiltrated with cells. Epithelium of the larger bronchi with cartilage in their walls is usually intact and there is about them little peribronchial inflammation.
Advanced induration about the bronchioles represents a late stage of chronic peribronchiolar pneumonia. A bronchiole cut transversely is found in the center of a focus of induration situated within relatively normal air containing lung tissue. Next the bronchiole which in some instances has wholly or partly lost its epithelium there is very cellular fibrous tissue; further from the bronchiole alveoli are much diminished in size, lined by flat or cubical epithelium and separated by thick cellular walls. Plugs of cellular fibrous tissue sometimes fill the alveolar duct. In favorable sections, cut in a plane which shows the alveolar duct opening out into infundibula, it is found that newly formed fibrous tissue surrounds the alveolar duct and extends into the walls of its tributary alveoli; alveoli may be obliterated by this fibrous tissue. Induration of alveolar walls is evident along the proximal part of the infundibula which are readily demonstrable because they are much dilated. (See Fig. 32.) The distal parts of the infundibula are surrounded by alveoli with delicate walls.
One bronchus retains along one side part of its epithelium which has assumed a squamous form. In other places the wall has undergone necrosis which at one spot extends deeply into the surrounding tissue. Necrotic tissue in another part of the circumference is infiltrated with polynuclear leucocytes and separated from the surrounding tissue by a space filled with leucocytes. An abscess communicating with the bronchus is thus formed.
The foregoing instance is an example of the chronic fibroid pneumonias with bronchiectasis which occur as sequelæ of the epidemic of influenza. It is not improbable that a considerable number of those who suffer with chronic bronchitis and bronchiectasis following influenza have less extensive lesions similar to those which have been described.
276Bacteriology of Unresolved Bronchopneumonia.—Bacteria found in the bronchi in 10 instances of chronic bronchopneumonia have been as follows:
| Bacteria in Bronchi with Chronic Bronchopneumonia | |
|---|---|
| B. coli | 1 |
| B. influenzæ and pneumococcus | 1 |
| B. influenzæ and S. hemolyticus | 2 |
| B. influenzæ and staphylococcus | 1 |
| S. hemolyticus and B. coli | 1 |
| B. influenzæ, pneumococcus and staphylococcus | 3 |
| B. influenzæ, S. viridans and M. catarrhalis | 1 |
Bacteria found in the lungs in 17 instances of chronic bronchopneumonia were as follows:
| Bacteria in Lungs with Chronic Bronchopneumonia | |
|---|---|
| B. influenzæ | 1 |
| Staphylococcus | 1 |
| S. viridans | 1 |
| B. influenzæ and pneumococcus | 1 |
| B. influenzæ and S. hemolyticus | 3 |
| B. influenzæ and staphylococcus | 3 |
| Pneumococcus and S. hemolyticus | 1 |
| S. hemolyticus and B. coli | 2 |
| B. influenzæ, S. hemolyticus and staphylococcus | 3 |
| No organism found | 1 |
A noteworthy feature of these lists is the multiplicity of microorganism found, namely, B. influenzæ, S. hemolyticus, pneumococcus, staphylococcus, S. viridans, B. coli, and M. catarrhalis. More than one microorganism is usually found in both bronchus and lung. In the one instance (Autopsy 472) in which B. coli alone has been found in the bronchus, B. coli and S. hemolyticus have been found in the lung and hemolytic streptococcus in the blood; it is evident that B. coli alone has not been responsible for the lesion. In one instance (Autopsy 487) B. influenzæ alone has been found in the lung but hemolytic streptococci have been found in the bronchus, pleura and blood of heart; with S. aureus alone in the lung (Autopsy 370), S. aureus, Pneumococcus IV and B. influenzæ have been found in the bronchus. With S. viridans alone in the lung (Autopsy 473), 277Pneumococcus III has been found in the pleura and in the blood of the heart and has doubtless had an important part in the production of pneumonia; S. viridans, M. catarrhalis and B. influenzæ have been found in the bronchus in this instance.
No single microorganism is associated with the lesions but combinations of B. influenzæ with hemolytic streptococci or staphylococci are common (over 50 per cent). In Autopsy 422 B. influenzæ and Pneumococcus atypical II have been present in the lungs. Among 10 instances in which cultures have been obtained from the bronchus B. influenzæ is found 8 times, and in the 2 instances in which it has not been identified B. coli has been present. B. influenzæ has seldom been found (Table XXVII) in the presence of B. coli, and it is not improbable that B. coli outgrows and obscures the presence of B. influenzæ.
Table LIV shows the per cent incidence of pneumococci, hemolytic streptococci, staphylococci and B. influenzæ in the bronchus, lung and heart’s blood with chronic bronchopneumonia and serves as an index of the readiness with which each of these microorganisms passes from bronchus to lung and from lung to the blood in this disease.
| Table LIV | ||||
|---|---|---|---|---|
| PNEUMOCOCCUS PER CENT POSITIVE |
HEMOLYTIC STREPTOCOCCUS PER CENT POSITIVE |
STAPHYLOCOCCUS PER CENT POSITIVE |
B. INFLUENZÆ PER CENT POSITIVE |
|
| Bronchus | 40.0 | 30.0 | 50.0 | 80.0 |
| Lung | 12.5 | 56.2 | 37.5 | 68.7 |
| Blood | 16.6 | 55.6 | 0 | 0 |
Comparison of Table LIV with the analogous figures for acute bronchopneumonia shows little noteworthy difference. Pneumococci are less frequently found in the lung (12.5 per cent) and in the blood (16.6 per cent) with chronic bronchopneumonia than with acute bronchopneumonia (lung 43.9 per cent; blood, 40.3 per cent). Hemolytic streptococci and staphylococci are not more frequently 278found with unresolved than with acute bronchopneumonia and failure to resolve cannot be referred to either or to both microorganisms, for bronchopneumonia not infrequently remains unresolved in their absence. B. influenzæ is present in the bronchi in at least 80 per cent of instances and perhaps in all; it is usually combined both in the lungs and in the bronchi with one of the pyogenic cocci.
The severity of the injury to the walls of bronchi resulting in continued infection with a variety of bacteria, appears to be the factor determining failure of resolution and the persistence of bronchopneumonia.
The Relation of Unresolved Bronchopneumonia to Interstitial Suppurative Pneumonia Caused by Hemolytic Streptococci.—Hemolytic streptococci have been present in a considerable proportion of those who have had unresolved bronchopneumonia and its occurrence in the bronchi, lung and blood of the heart indicates that it has had an important part in causing death. Unresolved bronchopneumonia, following measles, designated by MacCallum “interstitial bronchopneumonia” in a series of autopsies at Fort Sam Houston in the spring of 1918, was constantly associated with hemolytic streptococci. Among the lesions described as interstitial bronchopneumonia was at least one which was evidently what we have designated interstitial suppurative pneumonia. Lymphangitis was not infrequently found with “interstitial bronchopneumonia” following measles. At Camp Lee and Camp Dix, following the epidemic of influenza, MacCallum found “interstitial bronchopneumonia” with no hemolytic streptococci and noted that lymphatics in the interstitial septa were inconspicuous and that none was found distended with exudate; empyema was not present.
We have shown that interstitial suppurative pneumonia is an acute lesion caused by hemolytic streptococci. Unresolved bronchopneumonia is accompanied by chronic pneumonia and has no necessary relation to this microorganism.
279In a foregoing section we have described instances of interstitial suppurative pneumonia unaccompanied by chronic changes, and in the present section we have described instances of unresolved bronchopneumonia with no infection by hemolytic streptococci. We have pointed out that the incidence of streptococcus infection with unresolved bronchopneumonia does not materially differ from that with acute bronchopneumonia even though the greater duration of the disease gives more opportunity for infection. In some of the autopsies made by MacCallum at Fort Sam Houston, lesions of streptococcus infection doubtless coexisted with unresolved bronchopneumonia.
In the 3 autopsies described below, interstitial suppurative pneumonia with empyema caused by hemolytic streptococcus occurs in association with unresolved bronchopneumonia.
Autopsy 420.—J. E. S., white, aged thirty-two years, born in England and resident of Los Angeles, Cal., had been in military service one month. Onset of illness began on October 3, eleven days before his death. He was admitted to the hospital on the following day with the diagnosis of influenza and acute bronchitis. Pneumonia believed to be lobar was recognized eight days after admission.
Anatomic Diagnosis.—Unresolved bronchopneumonia with hemorrhagic peribronchiolar consolidation in right lung; interstitial suppurative pneumonia with consolidation in left upper lobe; fibrinopurulent pleurisy; purulent bronchitis.
The left pleural cavity contains 200 c.c. of turbid yellow fluid in which are flakes of fibrin. In the inner and upper part of the left upper lobe there is an area of consolidation where the tissue has a cloudy, pinkish gray color and is finely granular on section. Here the interstitial septa are distended by edema, so that they are in places 0.5 c.c. across; in some spots they have a bright yellow color. In the posterior parts of the middle and lower lobes there is flabby consolidation where the tissue has a cloudy, red color with scattered ill-defined yellow spots.
Bacteriologic examination shows the presence of hemolytic streptococci in the blood of the heart; hemolytic streptococci with B. influenzæ and S. aureus in the left lung and S. hemolyticus with S. aureus in the right lung.
Microscopic examination shows that bronchi, bronchioles, alveolar ducts and the greater part of the infundibula are filled with polynuclear leucocytes, whereas the alveoli surrounding these structures contain fibrin. The walls of the small bronchi are thickened and contain mononuclear cells; the adjacent 280alveolar walls are similarly infiltrated and thickened and the fibrin within them is undergoing organization, being invaded by plasma cells, fibroblasts and newly formed blood vessels. In some sections interstitial septa are distended by edema and contain fibrin in abundance; in places the tissue contains polynuclear leucocytes closely packed together. There are lymphatics greatly distended by polynuclear leucocytes with some fibrin, lymphocytes and red blood corpuscles.
Autopsy 428.—D. B., white, aged twenty-five, a farmer from Oklahoma, had been in military service three weeks. Onset of illness was on September 21, twenty-five days before death, with fever, cough and mucopurulent expectoration. The patient was admitted with the diagnosis of acute bilateral bronchitis. Four days later bronchopneumonia was recognized, and subsequently there was otitis media and empyema; 600 c.c. of thin, purulent fluid were aspirated from the right chest three days before death.
Anatomic Diagnosis.—Unresolved bronchopneumonia; suppuration of interstitial tissue of upper right and lower left lobes; purulent bronchitis; fibrinopurulent pleurisy; thoracotomy wound at the base of the right chest; collapse of both lungs; serofibrinous pericarditis.
The left pleural cavity contains 550 c.c. of turbid seropurulent fluid in which are numerous flakes of soft fibrin. The right pleural cavity contains 150 c.c. of similar fluid. The mediastinum is edematous. The pericardial cavity contains 50 c.c. of yellow fluid.
The right lung is moderately collapsed. In the upper and lower lobes are small patches of red, lobular consolidation. The upper third of the upper lobe is laxly consolidated and near its inner surface the interstitial septa are thickened to from 1 to 1.5 mm. in width, and at intervals occur bead-like swellings from which creamy purulent fluid exudes upon the cut surface. In the left lung small patches of gray consolidation occur throughout the lower lobe and here the interstitial septa are thickened, beaded and contain purulent fluid.
Bacteriologic examination shows that the blood contains S. hemolyticus; from the right lung and from the right main bronchus hemolytic streptococci and B. influenzæ are grown.
Microscopic examination shows that the epithelium of the bronchi has undergone hypertrophy; the wall is infiltrated with lymphoid and plasma cells and thickened by new formation of fibrous tissue; there is similar thickening of adjacent alveolar septa and alveoli, often lined by cubical cells, are diminished in size. Connective tissue about the blood vessels and the interstitial septa are thickened and infiltrated with mononuclear cells. In parts of the lung the interstitial septa are edematous and contain polynuclear leucocytes, in some places in great number. Lymphatics are greatly dilated and filled with polynuclear leucocytes which in the center of some lymphatics have undergone necrosis. In one place a small abscess is in contact with a distended lymphatic. Lymphatics contain Gram-staining cocci in pairs and short chains, present in immense number where necrosis has occurred.
Autopsy 433.—B. J., white, aged twenty-seven, from Arkansas, has been in military service one month. Onset of illness was on September 28, nineteen 281days before death, with cough and expectoration. Pneumonic consolidation was recognized two days later and 20 c.c. of cloudy fluid were aspirated from the left chest on the same day. Hemolytic streptococci were found in a culture from the throat nine days before death.
Anatomic Diagnosis.—Unresolved bronchopneumonia with peribronchiolar and confluent lobular consolidation; interstitial suppuration of the right lower lobe; purulent bronchitis; fibrinopurulent pleurisy.
The right pleural cavity contains 700 c.c. of yellowish gray purulent fluid containing flakes of fibrin. The left pleural cavity contains seropurulent fluid localized over the external part of the lung.
The right lung is voluminous and free from consolidation save at the lower and posterior part of the lower lobe where the tissue is deep red and studded with firmer spots of yellow color clustered about the bronchi. In places the interstitial septa are thickened and yellow. Surrounding some of the bronchi near the apex of the left lung are red patches of consolidation.
Culture from heart’s blood remained sterile. S. hemolyticus was grown from right pleural cavity, and S. hemolyticus and B. influenzæ were grown from the right lung. Culture from the left lung contained S. aureus and contaminating microorganisms.
Microscopic examination shows the presence of peribronchiolar patches of pneumonia in which there are few polynuclear leucocytes and many lymphoid and plasma cells; the alveolar walls are thickened and infiltrated with mononuclear cells. In some sections the tissue is wholly consolidated and the site of advanced organizing pneumonia. Interlobular septa and connective tissue about blood vessels are thickened and cellular. Small bronchi have lost their epithelial lining, their walls are thickened and there is peribronchial organizing pneumonia. In some sections the lymphatics are immensely dilated and distended with polynuclear leucocytes. There is necrosis of the walls of the lymphatics and of the polynuclear leucocytes within the lumen.
In the discussion of acute bronchopneumonia it has been shown that S. hemolyticus is not infrequently a secondary invader of a pneumonic lesion perhaps caused by pneumococci. With progress of the disease hemolytic streptococci persist. In the autopsies with unresolved pneumonia just described, hemolytic streptococci have found their way into the lymphatics and produced suppurative lymphangitis with inflammation of the interstitial septa of the lung.
A study of 979 cases of measles was made in the base hospitals of Camps Funston and Pike from July to December, 1918, with the purpose of establishing any existing relation between the prevalence of the hemolytic streptococci and the incidence of the graver complications of measles, especially the pneumonia following measles. The greater number of these cases occurred at Camp Pike coincidently with the influenza epidemic, so that the picture is modified during this period by a summation of the after effects of the two diseases.
The work undertaken includes:
(a) Routine throat cultures on admission of all patients with measles.
(b) Separation and treatment in separate wards of the patients harboring hemolytic streptococci and those free from such streptococci.
(c) Investigation of the bacteriology of all cases under treatment, by weekly throat cultures during the period in the hospital.
(d) Bacteriologic study of the complications of measles during life and at autopsy.
(e) Study of the throat bacteriology of men on duty in the camp, to establish the prevalence of hemolytic streptococci and of B. influenzæ in normal individuals.
The work is further divided into that done at Camp Funston during the latter part of July and throughout August, and that done at Camp Pike during September, October, November and December, 1918.
283Studies at Camp Funston.—The work done at Camp Funston is limited strictly to the identification of hemolytic streptococci in the throats of all patients with measles coming into the base hospital at Ft. Riley and to the same study of a group of normal men on duty. During the period of study hemolytic streptococci were identified by throat culture in about 1 in 5 of all the normal men examined. Two instances of otitis media represent the only complications developing in the 112 cases of measles. Cultures from both patients showed staphylococci. The entire absence of streptococcus complications appears the more surprising in view of the fact that the prevalence of hemolytic streptococci among patients under treatment in the ward was for a time as great as that among the normal men. No special hospital management was instituted on the basis of the findings in throat culture. S. hemolyticus carriers remained in the wards and were treated alongside the “clean” cases. The sheet cubicle system was used for bed patients. Face masks were not worn. Convalescent patients were not segregated, and they assisted in the care of the bed patients and in the ward kitchen. After the initial throat culture on admission, the throats were gargled with argyrol and afterwards sprayed with the same solution three times a day. This solution was also employed to relieve the discomfort caused by the conjunctivitis during the acute stage of the disease.
Throat Culture and Identification of Hemolytic Streptococci.—In general the methods for the isolation and identification of hemolytic streptococci as adopted by the Medical Department of the Army were used. All organisms were isolated in pure culture, grown in broth, examined microscopically and subjected to tests for hemolysis, (a 5 per cent suspension of sheep corpuscles being employed), and for bile solubility.
Beef infusion broth and beef infusion agar constituted the two basic media used. They were prepared so that the 284finished product titrated about 0.3 per cent acid to phenolphthalein.
Broth tubes were carried to the bedside. In swabbing, the attempt was made to produce gagging. This causes the tonsils to protrude from behind the anterior pharyngeal pillars and places a slight tension on the capsule which tends to squeeze material from the crypts. The surfaces of the tonsils thus protruding toward the midline were brushed quickly with a small cotton swab which was lastly touched to the posterior pharyngeal wall and withdrawn so as to avoid touching any other parts. The swab was immediately introduced into a tube of broth, twirled freely under the surface of the liquid and discarded. The material thus washed into the broth was carried to the laboratory and kept in the ice box until plating, which was accomplished with as little delay as possible.
Tubes of melted agar containing 12 c.c. cooled below 45° C., after receiving 0.6 c.c. of sterile defibrinated horse blood, were inoculated with a loopful of this broth. Thorough mixing and pouring into Petri dishes (10 cm. diameter) followed. After cooling, a second loopful was streaked over the surface of one half of the plate. Deep and superficial planting were thus effected on the same plate.
This method was found to be very useful. It can be used with advantage provided one is not called upon to make a great number of cultures when its time consuming factor is a great inconvenience. Another disadvantage is the difficulty of picking single colonies for subculture. In spite of the most careful selection and fishing of a deep colony, subcultures are less likely to be pure than when surface colonies are chosen. By careful regulation of the amount of agar in the tubes, the addition of a measured amount of blood to each enabled one to pour standard blood agar plates. Uniform thorough mixing of the blood is essential so that the plate may present the desired “silky” rather 285than a “curdled” appearance when viewed by transmitted light.
The plates were incubated eighteen to twenty-four hours when subcultures in broth were made from the hemolytic colonies. After growing these for a similar period the additional tests were carried out as indicated above.
Hemolytic Streptococci with Measles.—The incidence of hemolytic streptococci in the throats of patients with measles admitted to the base hospital at Ft. Riley was found to be remarkably small.
| Table LV | |||||
|---|---|---|---|---|---|
| Hemolytic Streptococci with Measles in all Patients Admitted to the Wards at Camp Funston | |||||
| DAYS IN HOSPITAL | APPROXIMATE DAY OF DISEASE | NO. OF PATIENTS CULTURED | NO. WITH HEMOLYTIC STREPTOCOCCI | PER CENT WITH HEMOLYTIC STREPTOCOCCI | |
| First Culture | 0 to 1 | 1 to 8 | 112 | 3 | 2.67 |
| Second Culture | 3 to 10 | 4 to 16 | 86 | 11 | 12.79 |
| Third Culture | 8 to 23 | 12 to 26 | 58 | 14 | 24.14 |
| The first culture represents the findings on admission, in a series of 112 cases; 86 patients being cultured twice; 58 patients three times. | |||||
Of the 112 cases examined on admission only 3, or 2.67 per cent were found to carry hemolytic streptococci. Those patients who were recultured after from three to ten days in the hospital showed an incidence of 12.8 per cent. A third culture including patients from eight to twenty-three days in the hospital, showed an incidence of 24.1 per cent.
Hemolytic Streptococci in the Throats of Normal Men.—A total of 274 throat cultures from normal men on duty at Camp Funston (Table LVI) shows that 21.9 per cent carried hemolytic streptococci at a time when there were few upper respiratory infections in the camp. A small group of men resident in the hospital shows a slightly higher prevalence of hemolytic streptococci (29.3 per cent).
The figures in Table LVI are in sharp contrast with those for measles patients on admission to the hospital.
| 286 | |||
| Table LVI | |||
|---|---|---|---|
| Incidence of Hemolytic Streptococci, Camp Funston. | |||
| NUMBER EXAMINED | HEMOLYTIC STREPTOCOCCI PRESENT | PER CENT WITH HEMOLYTIC STREPTOCOCCI | |
| (a) White Men: | |||
| 70th Infantry | 24 | 4 | 16.7 |
| 210th Engineers, Co. C | 26 | 6 | 23.1 |
| 164th Depot Brigade, Co. 15 | 50 | 10 | 20.0 |
| 164th Depot Brigade, Co. 18 | 51 | 13 | 25.5 |
| 164th Depot Brigade, Co. 28 | 50 | 13 | 26.0 |
| Total | 201 | 46 | 22.9 |
| (b) Colored Men, Detention Camp No. 2: | |||
| 164th Depot Brigade, Prov. Co. 22 | 25 | 6 | 24.0 |
| 3d Development Battalion, Co. A | 24 | 3 | 12.5 |
| 3d Development Battalion, Co. D | 24 | 5 | 20.8 |
| Total | 73 | 14 | 19.2 |
| (c) Men resident in the hospital: | |||
| Laboratory workers | 10 | 3 | 30.0 |
| Patients in surgical ward | 14 | 4 | 28.6 |
| Total | 24 | 7 | 29.3 |
Two organizations from which normal men were chosen for examination furnished a considerable number of cases of measles and offer data (Table LVII, A and B) for further comparison.
| Table LVII | ||||
|---|---|---|---|---|
| A. Hemolytic Streptococci with Measles in 164th Depot Brigade, Company 28. | ||||
| DAYS IN HOSPITAL | NO. OF PATIENTS CULTURED | NO. WITH HEMOLYTIC STREPTOCOCCI | PER CENT WITH HEMOLYTIC STREPTOCOCCI | |
| First Culture | 0 to 1 | 23 | 0 | 0 |
| Second Culture | 3 to 9 | 23 | 4[90] | 17.4 |
| Third Culture | 10 to 21 | 21 | 4 | 19.05 |
| Normal men of Co. 28 | 50 | 13 | 26.00 | |
| B. Hemolytic Streptococci with Measles in Seventieth Infantry | ||||
| First Culture | 0 to 1 | 38 | 0 | 0 |
| Second Culture | 5 to 9 | 25 | 1 | 4.0 |
| Third Culture | 8 to 17 | 12 | 2 | 16.7 |
| Normal men on duty with 70th Infantry | 24 | 4 | 16.7 | |
287No one of the 61 cases of measles from the two organizations was found to be positive on admission to the hospital. Yet among normal men in one of these organizations the incidence of hemolytic streptococci was 26 per cent and in the other, 16.7 per cent. In both organizations the incidence among normal individuals compares closely with that of the patients after a period in the measles wards of the hospital.
Discussion.—Three features of the data collected at Camp Funston are noteworthy. First, the small percentage of S. hemolyticus carriers among the men admitted to the hospital with measles as compared with the percentage found in normal men in the camp. Second, the increase in the number of S. hemolyticus carriers among patients during their stay in the hospital, the increase continuing until it approaches that of the normal men on the outside. Third, the prevalence of hemolytic streptococci in normal throats.
In comparing men arriving at the hospital acutely ill with measles with normal men in the organization from which they came, only one variable can be found on which to base the differences observed in the two groups. This is the advent of the acute disease. The figures seem to suggest a temporary disappearance of hemolytic streptococci from the throats of patients acutely ill with measles, at least, to such an extent that the same cultural methods fail to identify the organisms.
The increase in the S. hemolyticus carriers among patients with measles after a period in the hospital might depend upon two factors: First, the exposure to contact infections in the hospital ward, depending on the length of time in the ward as well as on the character of the ward management; second, the passing of the acute stage of measles with a return of the bacterial flora of the throat to the condition existing before the onset of the acute disease. The first appears the more probable. The second has only 288the support of the observation that the streptococci were absent from the throat during the acute stage of measles or were much less frequently found in patients with measles than in normal men and later their incidence approached that in normal individuals. The rather high incidence of hemolytic streptococci in normal men at Camp Funston may have been due to the very recent assembling of the 10th Division which now occupied the camp. It is probable that the housing of large numbers of men in barracks is attended by the same contact dissemination of mouth organisms that occurs in hospital wards.
Measles at Camp Pike.—All cases of measles coming into the base hospital at Camp Pike between September 15 and December 15, 1918, a total of 867 cases, are included in the report. Upon the arrival of the commission at Camp Pike early in September, a plan for the separation of cases carrying hemolytic streptococci and those free from these organisms was put into operation. The preliminary arrangements included the allotment of suitable wards for treatment of the different classes of cases; a throat culture survey of all patients with measles under treatment at the time; their separation in accordance with the results of bacteriologic examination, and the transfer of each group of patients to its designated ward. By September 15 these preliminary arrangements had been completed. Cases of measles admitted on this date and afterwards were held in an observation ward pending the report upon a throat culture before they were transferred to the treatment wards.
Beginning September 15 the following system of handling measles cases was maintained in the wards of the base hospital.
All patients were received in an observation ward where they remained until the results of a throat culture for hemolytic streptococci could be reported back to the ward. Cases reported positive or negative were immediately transferred to their respective treatment wards. All patients in 289the treatment wards were cultured at intervals of one week and cases found positive were transferred from the “clean” treatment wards to a treatment ward for cases carrying hemolytic streptococci. The ward personnel attending patients in the “clean” treatment wards was examined by throat cultures from time to time with the purpose of eliminating S. hemolyticus carriers. Patients segregated in the streptococcus wards remained there, if uncomplicated, throughout their hospital treatment even though subsequent repeated throat cultures showed that the carrier condition had disappeared. Two wards were provided to care for the pneumonia following measles. One received only patients whose throat cultures were negative for hemolytic streptococci; the other, those positive. It is essential that the throat culture on which this differentiation is made be taken as soon as the complication is reported and that transfer be made promptly on receipt of the report of the culture. To facilitate this transfer, cases of pneumonia complicating measles were reported to the laboratory as soon as diagnosed and cultures were taken at once. The case remained in the measles ward during twenty-four hours, isolated as well as possible, awaiting report of culture before transfer. Within the positive ward for measles pneumonias, distinction was made between streptococcus pneumonias and nonstreptococcus pneumonias harboring hemolytic streptococci in their throats. The two classes of cases were treated in separate sections of the ward.
Ear complications were seen and treated by medical officers from the otological service. These patients remained in the measles wards while in the acute stage of measles, but later were transferred to the service of otology whenever further surgical treatment became necessary.
Within the individual wards for treatment of measles and measles pneumonias, precautions for minimizing the dangers of contact infections were carried out as well as possible. Throughout the study we had the hearty cooperation 290of the base hospital authorities and earnest, well-directed effort to perfect ward management on the part of the ward surgeons and their staffs. Difficulties encountered during the emergency created by the sudden explosion of the influenza epidemic, in spite of the best efforts of all, did much to disrupt the plan which had been instituted for the control and study of the complications of measles. Scarcely had wards been designated and all measles patients on hand differentially allotted to them, when the influenza epidemic appeared and quickly filled the hospital beyond its capacity. Measles wards were taken over for the care of influenza patients. Measles patients, of which there were not a great number at the time, were necessarily crowded together, so that compartments of wards instead of separate wards had to be used in maintaining our separation of the two groups of patients. While the base hospital was yet filled with patients with influenza and influenza pneumonia, admission of patients with measles increased, so that one ward after another was reclaimed for the care of this disease. During this period the measles wards were at times overcrowded and the strictest ward technic could not be practiced. Again new wards were, on occasions, partly filled by admission and transfer before they were properly equipped to receive patients. This disorganization was directly due to the necessity of treating a rapidly increasing number of measles patients before the hospital was cleared of patients with influenza and pneumonia. After this emergency, the system of ward management was rapidly readjusted, and admissions were limited to the normal capacities of the wards.
The cubicle system was used in all wards. Bed patients were not required to wear masks, but the mask was strictly enforced upon all patients leaving the cubicle. All attendants were required to wear gowns, caps and masks while in the wards. An attempt was made to prevent the congregating of convalescents. Guards were posted at the latrine 291doors to limit admission to the capacity of the latrine. Borrowing and lending of any materials between patients were strictly forbidden. Paper sputum cups were provided, kept clean and covered. In the measles pneumonia wards hand disinfectant solutions were provided for use by attendants when they passed from one patient to another. The ward floors were scrubbed at intervals with lysol in water. Dry sweeping of the wards in the morning is regrettable.
Bacteriologic Methods Used in the Study.—The methods used for the identification of hemolytic streptococci here were essentially the same as those used at Camp Funston and described above, the one exception being the use of surface cultures on blood agar instead of the combined surface and deep culture. Blood agar plates containing 5 per cent defibrinated horse blood were poured and used while fresh. The throat swabs were carried to the laboratory in sterile test tubes. The plates were inoculated by touching the swab lightly to the surface of the agar plate at two places, one near either extremity of a given diameter of the plate. On touching the swab to the agar, the swab stick was rolled between the fingers so as to turn it through one revolution and thereby bring all points of the circumference of the cotton swab in contact with the agar surface.
The material thus inoculated on the plates was spread by means of a platinum wire slightly turned over at the end in “hockey stick” fashion. The wire was passed back and forth several times over the point of inoculation and then multiple streaks and cross streaks were made over the agar surface. The initial contact of the wire with the point of inoculation was not repeated. The cross streaking serves to spread and distribute this material evenly over the surface. Well seeded plates by this multiple streak method are the rule and the uniform distribution of well separated colonies over the surface makes it very easy to pick pure cultures, and renders plate reading easy.
292Very early in the course of our study of throat cultures at Camp Pike, the great frequency of abundant growths of B. influenzæ was observed. Consequently, the throat cultures of all measles patients examined from September 15 to October 20 were studied for the identification of B. influenzæ. In all cases identification was based on the cultural, staining and morphologic characteristics. Tests for growth on hemoglobin free media were not made as a routine.
Relation of Measles and Pneumonia Following Measles to the Influenza Epidemic.—The influenza epidemic at Camp Pike was recognized on September 23 because of an alarming increase of hospital admissions. It ran its brief course, and ten days later, October 3, the decline began. The first four days of October rank highest in admissions of patients with pneumonia following influenza. The onset of 20 scattered cases of measles occurred before September 25, and later the number slowly increased reaching its height about the middle of October; after this time a gradual decline began, and continued during about three weeks before the preepidemic level was reached. During this period of six weeks following September 25, 709 cases of measles occurred.
| Table LVIII | ||
|---|---|---|
| Onset of Measles and of Pneumonia Following Measles by Weeks from September 11 to December 11, 1918 | ||
| DATES | MEASLES | PNEUMONIA FOLLOWING MEASLES |
| Sept. 11 to 17 | 18 | 0 |
| Sept. 18 to 24 | 20 | 0 |
| Sept. 25 to Oct. 1 | 74 | 0 |
| Oct. 2 to 8 | 143 | 13 |
| Oct. 9 to 15 | 178 | 9 |
| Oct. 16 to 22 | 158 | 16 |
| Oct. 28 to 29 | 100 | 6 |
| Oct. 30 to Nov. 5 | 56 | 3 |
| Nov. 6 to 12 | 38 | 4 |
| Nov. 13 to 19 | 23 | 1 |
| Nov. 20 to 26 | 29 | 1 |
| Nov. 27 to Dec. 3 | 22 | 1 |
| Dec. 4 to 10 | 8 | 1 |
| Dec. 11 | 0 | 1 |
293Pneumonia following measles began to appear on October 5, and within the week following 16 cases occurred. An equal number of cases appeared each week during about three weeks and fewer scattered cases occurred throughout November and December. Table LVIII shows date of onset of measles and measles pneumonia cases.
Chart 3 presents the occurrence of measles and of the pneumonia following measles by weeks of onset compared with that of epidemic influenza.
Chart 3.—Shows the relation of the epidemic of measles to that of influenza at Camp Pike, and the relations of the pneumonia following measles to both measles and influenza. The large incomplete curve represents influenza; the intermediate curve, measles; the small curve, pneumonia following measles.
294It will be noted from the overlapping of the two curves in Chart 3 that a considerable portion of the measles cases appeared before the influenza had subsided in Camp Pike. This occurrence of the two epidemics at the same time makes it impossible to separate the parts played by each disease in producing the pneumonias and other complications following measles. Analysis of the chart, however, shows that the pneumonia with measles occurred in large part during the first half of the measles epidemic. This is of particular significance since it was during this period that the effects of the influenza wave were felt most severely.
In Table LIX the cases of measles are grouped into fifteen day periods according to their dates of onset and the pneumonias arising from each group are tabulated. This tabulation shows very clearly that the pneumonia complications developed in large part in patients with measles entering the hospital during the influenza period, that is, late in September and during the first half of October.
| Table LIX | ||||||
|---|---|---|---|---|---|---|
| Patients with Measles and with Subsequent Pneumonia | ||||||
| DATES | TOTAL CASES OF MEASLES DURING INTERVALS OF 15 DAYS | TOTAL CASES PNEUMONIA FROM SAME | OF PER CENT INCIDENCE OF PNEUMONIAS | |||
| Sept. 11 to 30 | 86 | 433 | 14 | 42 | 16.28 | 9.7% |
| Oct. 1 to 15 | 347 | 28 | 8.07 | |||
| Oct. 16 to 31 | 270 | 434 | 8 | 14 | 2.96 | 3.2% |
| Nov. 1 to 15 | 91 | 2 | 2.2 | |||
| Nov. 16 to 30 | 56 | 4 | 7.15 | |||
| Dec. 1 to 15 | 17 | 0 | ||||
The high incidence of pneumonia among measles patients coming into the hospital prior to, with, or immediately following the height of the influenza epidemic is very striking. It so happens that half of the total number of measles cases 295considered, date their onsets prior to October 15. From the 433 cases included in this first half, 42 cases of pneumonia arose, while from the 434 cases arising during the two months following October 15, only 14 or one-third as many cases of pneumonia developed. These figures very strongly suggest that influenza played a large part in the production of the pneumonia with measles in this group of cases.
Again the 9.7 per cent incidence of pneumonia in the first half of cases considered, approaches the 12 per cent incidence of pneumonia following influenza observed in the epidemic at Camp Pike, while the incidence of 3.2 per cent in the second half of the cases conforms more nearly to figures for pneumonia following measles in the army prior to the pandemic of influenza.
It has been shown that the prevalence of B. influenzæ at Camp Pike increased with the passing of the wave of influenza (p. 40) and that this increase applied to the measles admissions. For a time the separation of measles patients carrying B. influenzæ as identified by throat culture on admission, from those free from it, was practiced. All cases were then followed up by weekly throat cultures, and cases in negative wards on being identified as positives were transferred.
This practice was discontinued as impractical when it became apparent that about 80 per cent of patients with measles would be found positive for B. influenzæ when repeated throat cultures were made during their hospital treatment. The dissemination of B. influenzæ through the wards from which we were attempting to exclude it took place much faster than we could follow its spread by cultural methods. When this became evident, the practice of separating the two groups of patients with reference to B. influenzæ was discontinued and the great inconvenience of repeated transfer of patients was largely eliminated.
Table LX gives the findings in 426 cases of measles cultured for B. influenzæ during the period when the practice of separating measles patients carrying B. influenzæ from those not carrying the organisms was followed.
| Table LX | |||||||||||
|---|---|---|---|---|---|---|---|---|---|---|---|
| Results of Repeated Throat Cultures for B. Influenzæ on 426 Cases of Measles, Camp Pike, Sept. 15 to Oct. 20, 1918. | |||||||||||
| GROUPS | TOTAL NUMBER CULTURED IN GROUP | GROUP NO. NEGATIVE FOR B. INFLUENZÆ ON ADMISSION | RESULTS OF CULTURES TO DATE | GROUP NO. POSITIVE FOR B. INF. TO DATE | GROUP OF POSITIVES DEVELOPING TO DATE IN CASES NEGATIVE FOR B. INF. ON ADMISSION | PER CENT OF GROUP POSITIVE FOR B. INF. TO DATE | GROUP PER CENT OF POSITIVES TO DATE AMONG CASES NEGATIVE FOR B. INF. ON ADMISSION | ||||
| 1ST CULTURE | 2ND CULTURE | 3RD CULTURE | 4TH CULTURE | NO. IN EACH CLASS | |||||||
| I | |||||||||||
| 1st culture on admission | 426 | − | 274 | 152 | 35.6 | ||||||
| + | 152 | ||||||||||
| II | |||||||||||
| 1st and 2nd culture, after one week in hospital | 201 | 143 | − | − | 75 | 126 | 68 | 62.7 | 47.5 | ||
| − | + | 68 | |||||||||
| + | + | 29 | |||||||||
| + | − | 29 | |||||||||
| III | |||||||||||
| 1st, 2nd and 3rd cultures after two weeks in hospital | 94 | 69 | − | − | − | 22 | 72 | 47 | 77.7 | 68.1 | |
| − | − | + | 18 | ||||||||
| − | + | − | 13 | ||||||||
| − | + | + | 16 | ||||||||
| + | + | + | 8 | ||||||||
| + | − | + | 6 | ||||||||
| + | + | − | 4 | ||||||||
| + | − | − | 7 | ||||||||
| IV | |||||||||||
| 1st, 2nd, 3rd and 4th cultures after three weeks in hospital | 25 | 19 | − | − | − | − | 4 | 21 | 15 | 84 | 79. |
| − | − | − | + | 3 | |||||||
| − | − | + | + | 3 | |||||||
| − | − | + | − | 2 | |||||||
| − | + | + | + | 2 | |||||||
| − | + | − | + | 2 | |||||||
| − | + | + | − | 2 | |||||||
| − | + | − | − | 1 | |||||||
| + | + | + | + | 2 | |||||||
| + | − | − | + | 1 | |||||||
| + | − | + | + | 1 | |||||||
| + | + | + | − | 1 | |||||||
| + | − | − | − | 1 | |||||||
297On admission 35.6 per cent of the patients were found positive for B. influenzæ. Repeated throat cultures were not confined to those appearing negative on this initial culture, but were made on all patients without regard to their being previously positive or negative. By a summation of the results of the weekly cultures of all patients, the percentage of patients carrying B. influenzæ rises from 35.6 per cent on admission, to 62.7 per cent after one week; to 77.7 per cent after two weeks; to 84 per cent after three weeks in the hospital.
To gain some idea of the rate of spread of B. influenzæ in wards receiving only patients whose throat cultures were negative for B. influenzæ on admission, a similar summation of the results of repeated throat cultures on patients in negative wards shows weekly increases from 47.5 per cent after one week, to 68.1 per cent after two weeks; to 79 per cent at the end of three weeks.
These results demonstrate quite clearly that the measles wards were saturated with B. influenzæ during the period of the influenza epidemic. Conditions within the measles wards with regard to B. influenzæ were not at all different from those in the camp community during this period. While no clinical methods could be relied upon to diagnose influenza in the presence of an acute attack of measles, there is every reason to believe that the occurrence of clinical influenza with measles was no less frequent than was its incidence in the camp at large, that is, about 20 to 25 per cent. That influenza played a large part in determining predisposition to the complications of measles in this series seems evident.
Between September 15 and December 15, 1918, 867 cases of measles, admitted to the wards of the base hospital, were 298studied and handled according to the system outlined above. About one half of these cases appeared during the first month of the study. During this month hemolytic streptococci played a very insignificant rôle. This microorganism did not appear with alarming prevalence until after the wards had been thoroughly overcrowded. After the emergency, when better ward conditions were provided, S. hemolyticus carriers continued to develop in the wards and were removed when identified. The first S. hemolyticus carriers to develop in the wards were identified on October 8. The first case of streptococcus pneumonia developed on October 17, while streptococcus otitis as a complication of measles did not begin until a little later. During the latter two months of the study, S. hemolyticus became rampant in the wards. The streptococcus complications date their onset at some time during these two months.
Table LXI shows the number of admissions to the measles wards by weeks and the patients among them found to be carrying hemolytic streptococci. It also shows the number of S. hemolyticus carriers developing each week among patients under treatment in the “clean” wards, as identified by throat cultures repeated at weekly intervals. For purposes of orientation, the number of cases developing streptococcus pneumonia and otitis media with its subsequent mastoiditis are given for each week during the period of observation.
An admission to the measles ward can generally be regarded as an acute case of measles. There are a few exceptions to this statement and these are cases of measles treated in barracks and afterwards transferred to the base hospital. A relatively small number of such cases furnished 16 of the cases positive for hemolytic streptococci on admission to the measles ward.
| Table LXI | |||||||||||
|---|---|---|---|---|---|---|---|---|---|---|---|
| S. Hemolyticus Carriers Identified by Throat Culture Among Admissions; Those Developing Among Patients Under Treatment in the Streptococcus “Clean” Measles Wards; S. Hemolyticus Complications According to Their Dates of Onset | |||||||||||
| GROUPING OF CASES BY WEEKS | ADMISSION CASES | HEMOLYTIC STREPTOCOCCI HOSPITAL CASES DEVELOPING | PRINCIPAL COMPLICATIONS DUE TO HEM. STREP. | ||||||||
| NO. CASES CULTURED | NO. POS. HEM. STREP. | PER CENT POS. HEM. STREP. | NO. CASES CULTURED | NO. POS. HEM. STREP. | PER CENT POS. HEM. STREP. | PNEUM. | OTITIS | MASTOIDITIS | |||
| Sept. 15 to Sept. 21 | 23 | 252 | 1 | 3 | 1.2 | 0 | 0 | 0 | 0 | 0 | 0 |
| Sept. 22 to Sept. 29 | 25 | 1 | 23 | 0 | 0 | 0 | 0 | 0 | |||
| Sept. 30 to Oct. 6 | 95 | 0 | 24 | 0 | 0 | [91]1 | 0 | 0 | |||
| Oct. 7 to Oct. 13 | 109 | 1 | 121 | 4 | 3.3 | 0 | 0 | 0 | |||
| Oct. 14 to Oct. 20 | 223 | 494 | 7 | 19 | 3.8 | 175 | 8 | 4.6 | 1 | 0 | 0 |
| Oct. 21 to Oct. 27 | 156 | 5 | 451 | 35 | 7.7 | 2 | 3 | 0 | |||
| Oct. 28 to Nov. 3 | 71 | 6 | 333 | 29 | 8.7 | 1 | 12 | 1 | |||
| Nov. 4 to Nov. 10 | 44 | 1 | 263 | 45 | 17.1 | 3 | 8 | 11 | |||
| Nov. 11 to Nov. 17 | 31 | 117 | 4 | 13 | 11.1 | 149 | 46 | 30.8 | 0 | 5 | 5 |
| Nov. 18 to Nov. 24 | 41 | 4 | 93 | 7 | 7.5 | 0 | 2 | 2 | |||
| Nov. 25 to Dec. 1 | 19 | 0 | 48 | 7 | 14.6 | 0 | 3 | 2 | |||
| Dec. 2 to Dec. 8 | 26 | 5 | 52 | 12 | 23.1 | 0 | 3 | 0 | |||
| Dec. 9 to Dec. 15 | 4 | 2 | 47 | 12 | 25.5 | 1 | 0 | 0 | |||
300An admission to the measles ward does not indicate admission to the hospital, because a considerable number of cases of measles developed from time to time among patients under treatment in the hospital for other conditions. Since these patients remained in other wards not subject to the same ward management and with no distinction between those positive and those negative for hemolytic streptococci, they cannot be included in figures to show the incidence of hemolytic streptococci in patients with measles at the time of admission to hospital from the camp. Two classifications of the 37 cases, positive when first observed, are necessary.
1. Division of cases according to days in the hospital before first culture was taken:
| Days in Hospital | No. of cases |
|---|---|
| 0–1 (admission) | 15 (2 not acute) |
| 2–7 | 10 |
| More than 7 | 12 |
2. Classification according to stage of the disease:
| During acute stage | 21 cases |
| After acute stage | 16 cases |
The first classification shows only 13 cases positive when cultured on admission to the hospital and also during the acute stage of the disease; the incidence of S. hemolyticus in patients on admission is very low (1.76 per cent).
The second classification shows a slightly higher incidence for cases during the acute stage of the disease, regardless of whether they were admitted to the measles service from camp or from another service of the hospital (2.4 per cent). These findings conform with those at Fort Riley in a smaller series of cases and support the opinion that the hemolytic streptococci temporarily disappear from the throat during the acute onset of measles. Unfortunately controls among normal men in Camp Pike were not taken at intervals throughout the period of three months represented by this study of measles, but all controls taken show a higher incidence than that found among measles 301patients on admissions over a period of time comparable to that of the control series.
The gradual increase in the percentage of patients developing hemolytic streptococci in their throats in wards receiving only streptococcus free cases demonstrates that the admission culture and the subsequent weekly cultures, with the separation of all patients identified as carriers, did not suffice to control the spread of streptococcus in this group of cases. It is interesting to note that the greatest incidence of streptococcus carriers among these patients occurred three weeks after the height of the measles epidemic, when it became about four times that observed at the height of the measles epidemic.
When we consider the time relations of the streptococcus complications, it is noteworthy that they begin to appear somewhat after the appearance of streptococcus carriers and then increase parallel with the increase in the numbers of carriers. The relative number of complications developing among the first carriers which were identified is less than that among the carriers appearing later. This suggests an increase in virulence of hemolytic streptococci attending their wider dissemination.
Tables LXII and LXIII are introduced for the purpose of showing to what extent duration of stay in the hospital increases the individual’s chances of acquiring hemolytic streptococci. Table LXII includes all cases admitted to and treated in the measles wards. On repeated cultures, previous positives and negatives were cultured alike and the total positives reported for each week.
Table LXIII includes only those cases treated in the “clean” wards and known to be negative on previous culture.
| 302 | |||
| Table LXII | |||
|---|---|---|---|
| Incidence of Hemolytic Streptococci in Throats of Measles Cases with Reference to Period in Hospital | |||
| (All cases treated in the wards) | |||
| PERIOD IN MEASLES WARD | NO. CASES CULTURED | NO. POSITIVE FOR HEMOLYTIC STREPTOCOCCI | PER CENT POSITIVE FOR HEMOLYTIC STREPTOCOCCI |
| (Admission) | 867 | 37 | 4.2 |
| 1 week | 768 | 84 | 10.9 |
| 2 weeks | 479 | 109 | 22.8 |
| 3 weeks | 240 | 63 | 26.2 |
| 4 weeks | 133 | 44 | 33.1 |
| 5 weeks | 82 | 26 | 31.7 |
| 6 weeks | 53 | 14 | 26.4 |
| 7 weeks | 25 | 8 | 32.0 |
| 8 weeks | 13 | 1 | 7.7 |
| 9 weeks | 9 | 1 | 11.1 |
| 10 weeks | 6 | 0 | 0 |
| 11 weeks | 5 | 0 | 0 |
| Table LXIII | |||
| Weekly Development of Hemolytic Streptococci in Throats of Patients Treated in “Clean” Wards | |||
| PERIOD IN MEASLES WARD | NO. CASES CULTURED | NO. POSITIVE FOR HEMOLYTIC STREPTOCOCCI | PER CENT POSITIVE FOR HEMOLYTIC STREPTOCOCCI |
| 1 week | 738 | 67 | 9.1 |
| 2 weeks | 424 | 74 | 17.4 |
| 3 weeks | 195 | 34 | 17.4 |
| 4 weeks | 92 | 16 | 17.4 |
| 5 weeks | 46 | 7 | 15.2 |
| 6 weeks | 26 | 4 | 15.4 |
| 7 weeks | 14 | 3 | 21.4 |
| 8 weeks | 8 | 0 | |
| 9 weeks | 5 | 0 | |
| 10 weeks | 4 | 0 | |
| 11 weeks | 3 | 0 | |
A comparison of Tables LXII and LXIII gives some indication of what might have been expected if the carriers had not been removed from the treatment wards at weekly intervals. With the carriers removed from the “clean” cases and segregated in a separate ward so as to be removed effectively as sources of spread of the S. hemolyticus infection to clean cases, the percentage incidence with all cases considered rose to a point nearly twice as high as that ever reached in the wards where clean cases alone were allowed to remain. Had these carriers not been separated, and remained in contact with cases free from hemolytic streptococci, they would have served as just so many more sources of infection, and an incidence of at least twice 303that recorded for all cases combined, or four times that of the treatment wards, might have been expected. These results indicate that the weekly separation of carriers from clean cases did, to a considerable extent, lower the individual’s danger of acquiring S. hemolyticus infection while in the hospital.
In Table LXIV the complications developing in the measles patients under observation at Camp Pike are tabulated. In the division of the complications developing in “carriers” and “noncarriers” of the hemolytic streptococci, reference is made only to the records of the throat cultures. The division is therefore not dependent upon the bacteriology of the complications. For example, only 9 of the 12 cases of pneumonia developing in “carriers” were streptococcus pneumonias. On the other hand, the cases of mastoiditis following otitis media were almost invariably due to hemolytic streptococci. Of the 10 otitis cases occurring in “noncarriers,” 4 developed mastoiditis and 3 of these showed hemolytic streptococci on culture from the mastoid cells at operation. Missed cases of identification of S. hemolyticus by throat culture in cases which develop S. hemolyticus complications may arise from a number of causes. It is desired here only to direct attention to these discrepancies.
Pneumonia Following Measles.—Fifty-six cases of pneumonia following measles occurred during the period of observation in this group of 867 cases of measles. Of these, 9 were streptococcus pneumonias. This gives an incidence for streptococcus pneumonias of 1.04 per cent, while that for all the pneumonia is 6.4 per cent. There were 8 cases of lobar and 48 cases of bronchopneumonia. Seventeen fatal cases occurred giving a mortality rate of 30.4 per cent for the group. Five of these fatal cases occurred among the 9 streptococcus pneumonias. The mortality rate for the streptococcus pneumonia thus was 55.5 per cent; that for the nonstreptococcus group was 25.5 per cent. All 9 cases of streptococcus pneumonia developed empyema. In 7 cases it was diagnosed clinically; in 2 at autopsy only. No cases of empyema developed in the group of nonstreptococcus pneumonias.
| Table LXIV | |||||||
|---|---|---|---|---|---|---|---|
| Complications Developing in 867 Cases of Measles at Camp Pike. Distribution of Complications Between 242 “Carriers” and 625 “Noncarriers” of Hemolytic Streptococci from September 15 to December 15, 1918 | |||||||
| NAME OF COMPLICATION | NUMBER OCCURRING IN | TOTAL NUMBER | PER CENT IN | ||||
| “CARRIERS” OF HEM. STREP. | “NONCARRIERS” OF HEM. STREP. | CASES WITH INCOMPLETE RECORD OF THROAT CULTURES | ALL CASES | HEM. STREP. “CARRIERS” | “NONCARRIERS” OF HEM. STREP. | ||
| Pneumonia | 12 | 44 | 0 | 56 | 6.4 | 5.0 | 7.0 |
| Otitis media | 31 | 11 | 6 | 48 | 5.5 | 12.8 | 1.8 |
| Mastoiditis (following otitis media) | 15 | 4 | 4 | 23 | 2.6 | 6.2 | 0.6 |
| Local meningitis (extension from mastoid) | 2 | 0 | 0 | 2 | |||
| Frontal sinusitis | 1 | 0 | 0 | 1 | |||
| Ethmoidal sinusitis | 0 | 1 | 0 | 1 | |||
| Suppurative arthritis | 1 | 0 | 0 | 1 | |||
| Cervical adenitis | 1 | 0 | 0 | 1 | |||
| Acute bronchitis | 4 | 2 | 0 | 6 | |||
| Acute tonsillitis | 4 | 1 | 0 | 5 | |||
| Acute laryngitis and aphonia | 1 | 0 | 0 | 1 | |||
| Acute pleurisy | 2 | 1 | 0 | 3 | |||
| Erysipelas of face | 0 | 1 | 0 | 1 | |||
| Epidemic meningitis | 0 | 1 | 0 | 1 | |||
| Note.—The percentages of incidence of pneumonia and otitis media in the “carrier” and “noncarrier” groups are at direct variance. It would appear from these findings that streptococci very readily invade the middle ear from the throat and set up grave disorders. The invasion of the lung from the throat occurs with less frequency. Hemolytic streptococci perhaps never initiate the pneumonic processes and can be regarded as more or less accidental secondary invaders. | |||||||
305The relation of these pneumonias following measles, to the influenza epidemic has been discussed. The time relations between the onsets of measles and that of the subsequent pneumonia vary widely. There appears to be nothing constant in the length of time between the onset of measles and that of the pneumonia. In 30 of the cases this period is less than ten days; in the remaining 26 cases, it ranges from ten to thirty-two days (Chart 4).
In the ward treatment of these cases of pneumonia, they were divided into three groups according to their clinical characters and according to the results of throat and sputum cultures.
| (a) | Streptococcus pneumonias | 9 cases |
| (b) | Pneumonia with hemolytic streptococci in the throat without symptoms referable to the streptococcus | 13 cases |
| (c) | Pneumococcus pneumonias not carrying hemolytic streptococci | 34 cases |
The streptococcus-free cases were treated in a separate ward. Cases were admitted to this ward directly from the “clean” measles wards, but only after a throat culture taken prior to their transfer had been negative for the hemolytic streptococcus.
The other two groups were treated together in another ward, but in strictly separate compartments of it. This precaution was carried out on the assumption that patients with an acute streptococcus pneumonia were real sources of danger in the ward because of a heightened virulence of the organism causing the grave symptoms. The pneumonias subsequently developing hemolytic streptococci in their throats, without their presence modifying the course of the pneumonia, came to be regarded as being in the same class with uncomplicated cases of measles carrying hemolytic streptococci, in so far as their being potential sources of danger in a ward is concerned.
Chart 4.—Shows the time interval between the onset of measles and the onset of the subsequent pneumonia in the 56 cases of pneumonia following measles at Camp Pike. Each case is represented by one of the small blocks measured along the ordinate. The onset of measles in all cases is represented by the line at the extreme left of the chart. The onset of pneumonia in each case is indicated by the limit of the block marked off in days to the right of this line.
307(a) Streptococcus Pneumonias.—Nine cases of streptococcus pneumonia developed. Of the 867 cases of measles studied, 242 showed throat cultures positive for the hemolytic streptococci at some period of their stay in the hospital. It appears then that 3.7 per cent of the patients carrying hemolytic streptococci in their throats developed streptococcus pneumonia. Thirty-seven cases had positive throat cultures when first observed on admission to the measles wards. It is significant to note that not a single case of pneumonia of any kind developed among these cases.
MEASLES PNEUMONIA; STREPTOCOCCUS GROUP
Case 98, O. McN. Onset of measles, Sep. 19; admitted to hospital Sep. 21; onset of bronchopneumonia, Oct. 21; of empyema, Oct. 23. Recovered from pneumonia; convalescent in empyema ward.
Bacteriology.—1. Throat culture for: (a) S. hem.: Sep. 21, −; 28, −; Oct. 9, −; 20, −; 23, +; Nov. 2, −; 9, −; 15, −; (b) B. influenzæ: Sep. 21, +; 28, −; Oct. 9, +. 2. Pleural fluid (culture) S. hem. Oct. 23, +.
Case 141, J. G. G. Autopsy No. 438. Onset of measles, Sep. 28; admitted to hospital, Oct. 1; onset of bronchopneumonia, Oct. 6; of otitis media (bilateral), Oct. 12; died, Oct. 18.
Bacteriology.—1. Throat culture for: (a) S. hem., Oct. 2, −; 6, −; 8, −; (b) B. influenzæ, Oct. 2, −; 6, +; 8, +. 2. Autopsy cultures: Heart blood, negative; left lung, Pneumococcus II atypical, B. influenzæ and S. viridans; right lung, S. hem. and B. influenzæ; right bronchus, S. hem. and B. influenzæ.
Case 147, S. W. Autopsy No. 442. Onset of measles, Oct. 1; admitted to hospital, Oct. 2; onset of bronchopneumonia, Oct. 17, with chill and rapid development; died, Oct. 18.
Bacteriology.—1. Throat culture for: (a) S. hem., Oct 2, −; 9 −; 15, −; 18, +; (b) B. influenzæ, Oct. 2, −; 9, −; 15, −; 18, −. 2. Autopsy cultures: Heart blood, S. hem.; right main bronchus, S. hem. and B. influenzæ.
Case 281, T. M. Onset of measles, Oct. 6; admitted to hospital Oct. 9; onset of bronchopneumonia, Oct. 21; of empyema, Oct. 23; recovered from pneumonia; convalescent in empyema ward.
Bacteriology.—1. Throat culture for: (a) S. hem., Oct. 10, −; 20, −; 24, +; Nov. 2, +; 9, +; 15, +; (b) B. influenzæ, Oct. 10, −; 20, +. 2. Culture from pleural fluid, Oct. 23, S. hem.
Case 285, J. H. Onset of measles, Oct. 4; admitted to hospital, Oct 9; onset of lobar pneumonia, Oct. 29; of empyema, Nov. 9; convalescent in empyema ward.
Bacteriology.—1. Throat cultures for: (a) S. hem., Oct. 11, −; 20, −; 24, +; 29, −; Nov. 2, −; 9, −; (b) B. influenzæ, Oct. 11, −. 2. Cultures from pleural fluid, Nov. 9 and 13, S. hem.
308Case 714, W. H. Onset of measles, Oct. 26; admitted to hospital, Oct. 28; otitis media, Nov. 8; onset of bronchopneumonia, Nov. 9; of empyema, Nov. 17; convalescent in pneumonia ward.
Bacteriology.—1. Throat cultures for: S. hem., Oct. 28, −; Nov. 4, −; 12, +; 23, +; 30, +; Dec. 7, +; 12, −. 2. Sputum: Nov. 10, Pneumococcus II atypical, S. hem. and B. influenzæ.
Case 730, W. S. Autopsy No. 491. Onset of measles, Oct. 26; admitted to hospital, Oct. 29; onset of bronchopneumonia, Nov. 10; of empyema, Nov. 11; of cervical adenitis, Nov. 5; died, Nov. 15.
Bacteriology.—1. Throat culture for: S. hem., Oct. 30, −; Nov. 4, +. 2. Sputum: Nov. 10, S. hem. 3. Pleural fluid: Nov. 11, S. hem. Autopsy bacteriology: Heart blood, S. hem.; right main bronchus, B. influenzæ, B. coli; right lung, S. hem. and B. influenzæ; right pleura, S. hem.; peritoneum, S. hem.
Case 751, P. B. Autopsy No. 492. Entered hospital, Oct. 19; onset of measles, Oct. 30; of bronchopneumonia, Nov. 5; of right empyema, Nov. 12; died, Nov. 16.
Bacteriology.—1. Throat cultures for: S. hem., Nov. 1, −; 4, +; 15, +. 2. Sputum: Nov. 13, B. influenzæ and S. hem. 3. Autopsy cultures: Heart blood, S. hem.; right lung, S. hem., Pneumococcus IV, B. influenzæ, B. coli; pericardium, negative; right pleura, S. hem.; peritoneum, S. hem.
Case 880, B. McN. Autopsy No. 507. Onset of measles, Nov. 30; entered hospital, Dec. 3; onset of bronchopneumonia, Dec. 11; of empyema, Dec. 14; died, Dec. 14.
Bacteriology.—1. Throat cultures for: S. hem., Dec. 3, −; 5, −; 12, +. 2. Cultures from pleural fluid, Dec. 14, S. hem. 3. Autopsy cultures: Heart blood, S. hem.; right main bronchus, S. hem., B. influenzæ, staphylococcus (a few); left lung, S. hem.; left pleura, S. hem.
The average period in the hospital before the development of the streptococcus pneumonia is about two weeks. Cases 98 and 285 were in the hospital thirty and twenty days respectively before the onset of pneumonia. There is a record of from one to four negative throat cultures on each case before streptococcus was found in the throat. This enables us to fix the onset of the pneumonia with reference to the appearance of the streptococcus in the throat.
Case 141 stands alone as representing a class in which S. hemolyticus was implanted upon a pneumococcus pneumonia during its course. In this instance two throat cultures on alternate days after the onset of the pneumonia were negative for hemolytic streptococci. Unfortunately 309the last record of a throat culture is for one taken ten days before the fatal termination of the case, and it can only be stated that the S. hemolyticus infection was implanted within the last ten days of the course of the pneumonia, perhaps on or about October 12 when bilateral otitis media developed.
In Cases 285 and 730 hemolytic streptococci were found in the throats five and six days respectively before the onset of pneumonia. They represent the 2 cases of pneumonia which developed in patients isolated in the streptococcus “carrier” ward. Case 285 is of particular interest for several reasons. It is the only case of lobar pneumonia in the group and happens also to be the only case from which B. influenzæ was not obtained. S. hemolyticus was found only once on throat culture, i.e., five days before the onset of the pneumonia. Three throat cultures after the onset of the pneumonia were negative. The case ran the course of a lobar pneumonia. Eleven days after the onset (November 9) a small amount of pleural fluid was diagnosed. Aspirated fluid on this date and again four days later showed many streptococci in smears and pure cultures of S. hemolyticus.
The remaining 6 cases belong to a group in which hemolytic streptococci were first identified in the throats after the cases had been reported to the laboratory as pneumonia suspects to be examined by culture before transfer from the measles ward. In all these cases the culture taken at this time was positive while all cultures taken before were negative. In some cases, e. g., Cases 98, 147, and 281, throat cultures taken only one or two days before the onset of the pneumonia were negative. In these cases the onset of the pneumonia and the appearance of the streptococcus in the throats appear to be simultaneous.
It should be noted that the period between the appearance of the hemolytic streptococci in the throat and the development of the pneumonia is very short in all cases. In this 310small group of cases S. hemolyticus infection which has complicated pneumonia has been acquired at or near the time of onset of the pneumonia.
(b) Pneumonia with Hemolytic Streptococci in the Throat without Symptoms Referable to the Streptococcus.—Thirteen cases of pneumonia associated with measles developed into S. hemolyticus “carriers” without having the course of the disease affected by the presence of the organism in the throat. Cases 705, 872, and 188 are of interest in that hemolytic streptococci were identified in the throats from one to six days prior to the onset of the pneumonia. In spite of their presence, the symptoms, course and outcome of the pneumonia were apparently unaffected. One of these cases (Case 872) died. Autopsy showed lobar pneumonia with no signs of invasion of the lung by hemolytic streptococci. Cultures at autopsy showed that pneumonia was due to a pneumococcus, Type II atypical. A few hemolytic streptococci were found in culture from the right main bronchus.
Of the remaining 10 cases 1 developed S. hemolyticus in a throat culture at the end of the first week of the pneumonia; 3 during the second week; 1 during the third week, and 5 further along in the convalescent period. In 8 cases hemolytic streptococci appeared in the throat, at a time when invasion of the lower respiratory tract by the streptococcus might be expected, and yet none of them developed evidence of streptococcus pneumonia. The 9 cases with hemolytic streptococci appearing late in convalescence are not of particular interest, since the dangers of lower respiratory invasion are much reduced after the acute stage of the pneumonia has passed. Three of these cases (Cases 678, 725 and 398) did however develop ear complications directly referable to the streptococcus invasion of the throat. Two of them terminated in mastoiditis with operation. These cases emphasize the greater tendency of S. hemolyticus to invade the middle ear rather than the lung.
311In 3 fatal cases of pneumococcus pneumonia in which during life no hemolytic streptococci were found by throat culture, a few hemolytic streptococci were found at autopsy in culture from the main bronchi, along with predominating growths of pneumococci and B. influenzæ. In 2 instances there was frank lobar pneumonia and in the third bronchopneumonia; there was no evidence to show that hemolytic streptococci had any relation to the pneumonia which was found.
MEASLES PNEUMONIAS; GROUP CARRYING HEMOLYTIC STREPTOCOCCI
Case 705. Onset of measles, Oct. 25; admitted to hospital, Oct. 27; onset of bronchopneumonia, Nov. 10; acute pleurisy, Nov. 16; convalescent in pneumonia ward.
Bacteriology.—1. Throat cultures for: S. hem., Oct. 27, −; Nov. 4, −; 11, +; 15, +; 23, −; 30, −; Dec. 7, −; 12, −. 2. Sputum: Nov. 10, Pneumococcus II atypical, S. hem. and B. influenzæ.
Case 872. Autopsy No. 508. Onset of measles, Nov. 29; admitted to hospital, Nov. 30; onset of lobar pneumonia, Dec. 10; died, Dec. 14.
Bacteriology.—1. Throat cultures for: S. hem., Nov. 30, −; Dec. 5, +; 10, +; 12, +; 14, +. 2. Autopsy culture: Heart blood, Pneumococcus II atypical; right main bronchus, Pneumococcus II atypical, B. influenzæ, S. hem. (a few); left lung, Pneumococcus II atypical; left pleura, Pneumococcus II atypical.
Case 188. Onset of measles, Oct. 3; admitted to hospital, Oct. 4; onset of bronchopneumonia, Oct. 14; recovered and discharged from hospital, Nov. 24.
Bacteriology.—1. Throat cultures for: (a) S. hem., Oct. 5, −; 8, +; 12, +; 19, +; 20, +; 27, −; Nov. 2, −; 9, +; 15, −; (b) B. influenzæ, Oct. 5, −; 8, −; 12, +; 19, +.
Case 678. Onset of measles, Oct. 23; admitted to hospital, Oct. 25; onset of bronchopneumonia, Nov. 2; of otitis media, Nov. 9; of mastoiditis, Nov. 13; mastoid operation, Nov. 20; still under treatment.
Bacteriology.—1. Throat cultures for: S. hem., Oct. 25, −; Nov. 4, −; 5, −; 12, +. 2. Sputum: Nov. 3, Pneumococcus Type IV, and B. influenzæ. 3. Culture from mastoid bone at operation, Nov. 20, S. hem.
Case 389. Admitted to hospital, Oct. 2, with diagnosis of influenza; onset of bronchopneumonia, Oct. 7; onset of measles, Oct. 13; phlebitis (right leg), Oct. 22; otitis media, Oct. 31; recovered.
Bacteriology.—1. Throat cultures for: (a) S. hem., Oct. 16 −; 20, −; 27, +; Nov. 2, +; 9, +; 15, −; 23, −; 30, −; Dec. 7, −; 12, −; (b) B. influenzæ, Oct. 16, −.
Case 725. Onset of measles, Oct. 18; one week in measles barracks; admitted to hospital, Oct. 27; onset of lobar pneumonia, Oct. 23; otitis media, Nov. 7; mastoid operation, Nov. 20; still under treatment.
312Bacteriology.—1. Throat cultures for: (a) S. hem., Oct. 29, −; Nov. 1, −; 5, −; 12, +; (b) B. influenzæ, Oct. 29, +. 2. Sputum: Nov. 2, Pneumococcus II atypical. B. influenzæ. 3. Culture from mastoid at operation, Nov. 20, S. hem.
(c) Pneumococcus Pneumonias not Carrying Hemolytic Streptococci.—Thirty-four cases of pneumonia following measles went through their entire course in the hospital with no throat culture positive for hemolytic streptococci. In some of these cases there are records of twelve negative throat cultures. Eleven fatal cases occurred in this group. Autopsy findings and bacteriology showed in each instance that S. hemolyticus was not the cause of the pneumonia.
Measles During the Course of Pneumonia.—Eleven cases of pneumonia which developed measles during the course of the pneumonia came under observation. Hemolytic streptococci appeared in the throats of 3 of these patients during convalescence, but there was no evidence that it invaded the lung. In one fatal case autopsy showed that there was no streptococcus pneumonia; pneumonia followed influenza and the onset of measles occurred three days after the onset of bronchopneumonia.
Bacteriology of Pneumonia Following Measles.—When observations made during life are combined with the results of postmortem cultures, the bacteriology of 35 of the 56 cases is available and is as follows: Pneumococcus Type II atypical in 36 per cent, Type IV in 22.9 per cent, Type I in 2.8 per cent, Type III in 2.8 per cent, hemolytic streptococci in 22.4 per cent, and B. influenzæ in 88.6 per cent of these cases.
Otitis Media and Mastoiditis Complicating Measles.—The occurrence of otitis media and mastoiditis complicating measles in patients harboring hemolytic streptococci in their throats has already been presented (Table LXIV). The bacteriology of these complications was not studied by this commission. The records of the base hospital laboratory at Camp Pike contain reports of twenty-nine cultures made at operation from pus in the middle ear and 313the mastoid bone. Hemolytic streptococci were found in 22 of these cases. Throat cultures were in accord with these positive findings in all except a few instances. The throat culture serves as a fairly reliable index of the bacterial nature of these complications. By combining our records of throat cultures with the results of the cultures from the lesions, hemolytic streptococci were obtained from 37 of the 48 cases of otitis media. In 23 cases of mastoiditis following the otitis media, hemolytic streptococci were demonstrated in all except 2. It is evident that the great majority of these complications were due to hemolytic streptococci.
The relation between the appearance of hemolytic streptococci in the throat and the onset of the otitis is recorded in all except 4 of the 31 instances of otitis media occurring in patients with throat cultures positive for hemolytic streptococci. These four patients had positive throat cultures when first observed and represent the only patients who carried hemolytic streptococci when admitted to measles wards and developed complications.
The first of these patients had been under treatment in an otologic ward during a month before measles developed. Measles caused a recurrence of disease of the ear with double mastoiditis requiring bilateral operation. Two other patients had been in the hospital ten and eleven days respectively before they were admitted to the measles ward; on admission to the ward otitis media was present in one patient and in the other it developed six days later. The fourth patient was admitted to the measles wards directly from the camp, and culture from the throat on the day of admission showed the presence of S. hemolyticus. Two weeks later at the time of onset of otitis media, culture from the throat contained no hemolytic streptococci. Repeated cultures during the next three weeks were negative. No complications of otitis media developed and no direct cultures from the ear are recorded.
Chart 5.—Shows the time relation between the identification of hemolytic streptococci in the throats and the development of otitis media in 27 cases shown to be due to hemolytic streptococci. The onset of otitis media is represented by the ordinate marked ○. The number of days before or after the onset of the otitis, within which the throat culture which proved positive for hemolytic streptococci was taken, is marked off along abscissæ to the left and right of ordinate ○ respectively. On the curve plotted these symbols are used: A circle represents a throat culture positive for hemolytic streptococci in a case of otitis media without extension to mastoid. The plus sign represents a throat culture positive for hemolytic streptococci in a case of otitis media with mastoiditis and osteitis.
315In this series of cases (Chart 5) the appearance of S. hemolyticus in the throat and the onset of otitis media are very closely associated in those patients in whom further extensions of the streptococcus infection occurred. In instances in which appearance of streptococci and of otitis media are separated by an interval of more than seven days, no further extension occurred. In 8 cases in which this interval is seven days or less there has been no further extension of the infection.
Beginning October 24 cultures for the identification of carriers of hemolytic streptococci were made from all patients in a ward and repeated at intervals of one week. Prior to this time individual patients had been examined at intervals of one week, so that an entire ward was never studied on any particular day. This system did not identify and remove all “carriers” in a ward at a given time and was abandoned because it failed to show the conditions present. Investigation of wards as units proved much more satisfactory.
The studies made in four of the double wards used for the care of patients with measles are presented in Table LXV. During the time of this study hemolytic streptococci were more prevalent than at an earlier period.
Cultures from the throats of all patients entering these wards were negative for S. hemolyticus on admission. The table showing the incidence of “carriers” of hemolytic streptococci each week in these wards demonstrates:
1. The separation of “carriers” and “noncarriers” by throat culture made on admission does not prevent the increase of streptococcus “carriers” in wards.
2. Removal of all “carriers” found by cultures on admission and at weekly intervals is inadequate.
| 316 | |||||
| Table LXV | |||||
|---|---|---|---|---|---|
| Ward Conditions with Reference to Hemolytic Streptococcus Infection | |||||
| DATE OF CULTURE | NO. PATIENTS CULTURED | NO. POSITIVE HEM. STREP. | PER CENT POSITIVE HEM. STREP. | COMPLICATIONS ASSOCIATED WITH HEM. STREP. WITH DATES OF ONSET | REMARKS |
| Ward 57 | |||||
| 11–3 | 35 | 1 | 2.8 | ||
| 11–10 | 13 | 2 | 15.5 | None | |
| 11–17 | 16 | 6 | 37.5 | ||
| Ward 58 | Wards 57 and 58 served by same ward staff. | ||||
| 11–3 | 38 | 7 | 18.4 | Otitis media: | |
| 11–10 | 11 | 4 | 36.4 | 11–8 1 case | Members of staff cultured on 11–5, 11–12 and 11–19. No positives |
| 11–17 | 6 | 2 | 33.0 | 11–7 1 case | |
| Ward 49 | |||||
| Otitis media: | |||||
| 10–25 | 37 | 7 | 18.9 | 10–25 2 cases | |
| 11–1 | 31 | 3 | 9.7 | 10–26 1 case | |
| 11–8 | 35 | 9 | 25.7 | 10–28 1 case | |
| 11–15 | 32 | 18 | 56.3 | 11–15 1 case | |
| 11–22 | 16 | 7 | 43.8 | 11–18 1 case | |
| 11–27 1 case | |||||
| Ward 50 | Wards 49 and 50 served by same ward staff. | ||||
| 10–25 | 29 | 2 | 3.4 | Otitis media: | |
| 11–1 | 43 | 2 | 4.6 | 11–8 1 case | Ward staff cultured: 11–5 1 positive 11–12 1 positive 11–26 2 positives |
| 11–8 | 32 | 3 | 9.4 | 11–13 1 case | |
| 11–15 | 20 | 11 | 55.0 | 11–22 1 case | |
| 11–22 | 11 | 0 | 0.0 | ||
| Ward 41 | Case of pneumonia developing on 11–9 was transferred to the “clean” pneumonia ward without a throat culture to warrant its transfer; last culture 11–4 negative; culture 11–12 in pneumonia ward positive | ||||
| 10–28 | 45 | 4 | 8.9 | Streptococcus pneumonia: | |
| 11–4 | 34 | 9 | 26.5 | (11–9 1 case) | |
| 11–11 | 12 | 8 | 66.6 | 11–10 1 case | |
| Ward closed—No patients. | Otitis media: | ||||
| 11–21 | 13 | 0 | 0.0 | 10–29 1 case | |
| 11–28 | 8 | 4 | 50.0 | 11–4 1 case | |
| 12–5 | 12 | 4 | 33.3 | 11–5 1 case | |
| 12–12 | 4 | 3 | 75.0 | 11–11 1 case | |
| 11–27 1 case | |||||
| 12–3 1 case | |||||
| Ward 42 | Wards 41 and 42 served by same ward staff. | ||||
| Streptococcus pneumonia: | |||||
| 10–28 | 32 | 0 | 0 | 11–10 1 case | |
| 11–4 | 43 | 7 | 16.3 | 12–11 1 case | |
| Ward closed—No patients. | Otitis media: | Ward staff cultured: 11–5 2 positive 11–12 2 positive 11–26 2 positive 12–2 1 positive |
|||
| 10–21 | 16 | 4 | 25.0 | 10–29 1 case | |
| 11–28 | 12 | 1 | 12.5 | 12–3 1 case | |
| 12–5 | 20 | 10 | 50.0 | 12–6 1 case | |
| 12–12 | 14 | 7 | 50.0 | ||
| 317Ward 59 | The 3 cases of streptococcus pneumonia acquired S. hemolyticus infection while patients in the 16 bed south section of this ward | ||||
| Streptococcus pneumonia: | |||||
| 10–24 | 37 | 6 | 16.2 | 10–17 1 case | |
| 10–31 | 27 | 5 | 18.5 | 10–21 1 case | |
| 11–7 | 9 | 3 | 33.3 | 10–29 1 case | Case developing 10–29 was removed from section a few days before onset of pneumonia |
| 11–12 | 7 | 1 | 14.3 | Otitis media: | |
| 11–1 1 case | |||||
| Ward 60 | Wards 59 and 60 served by same ward staff. | ||||
| Streptococcus pneumonia: | |||||
| 10–24 | 22 | 1 | 4.5 | 10–21 1 case | Ward staff cultured: 11–5 0 positive 11–12 1 positive 11–19 0 positive |
| 10–31 | 17 | 2 | 11.7 | Otitis media: | |
| 11–7 | 8 | 1 | 12.5 | 10–31 1 case | |
| 11–12 | 6 | 1 | 16.6 | ||
When the streptococcus complications are traced back to the wards in which the streptococcus infection of the throat was acquired, it is found that with the exception of Case 141 (already cited) all the streptococcus pneumonias arose from two double wards. Wards 41 and 42 furnished 4 cases at times when streptococcus was rampant in them and 3 of these cases arose within a period of a few days. Wards 59 and 60 furnished 4 cases, very closely associated. In 3 cases the streptococcus infection was acquired in a section of Ward 59 containing 16 beds. These patients were in beds, of which the positions are represented by numbers 2, 5, and 7, along one side of the ward. The fourth instance of pneumonia appeared at the same time in Ward 60, which was attended by the same ward personnel, but no other connection can be established between this case and the other three.
The otitis media appeared in patients scattered throughout those wards for measles in which the weekly incidence of “carriers” was rising rapidly. This relation is illustrated by Wards 58, 50, and 41. The same observation applies to streptococcus pneumonia arising in Wards 41 and 42. In Ward 41 the weekly percentage of carriers are October 28, 8.9, November 4, 26.5 and November 11, 66.6. 318On November 9 and 10 the first 2 cases of streptococcus pneumonia arising from this ward developed. At the same time, November 10, a third case appeared in another part of this same ward unit (Ward 42) where the spread of hemolytic streptococci had been very active. These observations suggest that hemolytic streptococci may build up its virulence as the result of rapid dissemination to such a degree that it is capable of causing grave complications.
The relation of complications to “carriers” in Wards 59 and 60 is different from that in the wards just cited. Wards 59 and 60 were opened on October 9 and before October 17; when the first case of fulminating streptococcus pneumonia occurred, only three “carriers” had been found in them. From October 17 to 24 when the record in Table LXV begins eight “carriers” were removed. The appearance of a case of severe streptococcus pneumonia in an unusually clean ward was followed by the rapid development of “carriers,” and the appearance within twelve days of 3 other cases of streptococcus pneumonia, 2 of which were in beds close to the first case. This sequence suggests focal dissemination of a streptococcus from a case in which it had suddenly assumed high virulence.
An outbreak of infection with S. hemolyticus was recognized on November 12 in a measles-pneumonia ward which had been opened for several weeks and had continued free from streptococcus. In three patients hemolytic streptococci were found by throat cultures. Inquiry revealed that a nurse in this ward, recognized as a streptococcus “carrier” the week before, had been retained on duty. Two patients well advanced in the course of their pneumonias, had acquired S. hemolyticus demonstrated by throat examination. Both patients developed otitis media with mastoid extension requiring operations. Cultures from both at operation showed hemolytic streptococci.
319The third patient, with acute pneumonia, had been sent into the ward on November 11 from Ward 42, which at the time was a highly infected ward; no culture of the throat was made before transfer. This patient developed streptococcus pneumonia with empyema requiring subsequent operation.
Discussion.—At Camp Funston, where the prevalence of S. hemolyticus in the measles wards did not rise above that among normal men in the camp at large, 112 consecutive cases of measles were treated without a single complication due to hemolytic streptococci.
At Camp Pike, the investigation began at the onset of a small epidemic of measles at a time when hemolytic streptococci were an almost negligible factor. The epidemic of measles was followed throughout its course; and, with the passing of the epidemic, there was an increase in the prevalence of hemolytic streptococci which assumed alarming importance in the production of complications.
The epidemic of measles was in part superimposed upon the epidemic of influenza, so that deductions concerning complications strictly due to measles became impossible. It is evident that influenza played a considerable part in producing the complications of measles at Camp Pike.
The dissemination of hemolytic streptococci through measles wards was controlled only in part by the methods used. This partial control may have served to limit the incidence of streptococcus pneumonia, nine instances occurring among 867 cases of measles.
In the ward treatment of measles effort should be directed to prevent the exposure of patients free from hemolytic streptococci to S. hemolyticus “carriers.” By this means the rate of development of S. hemolyticus “carriers” may be reduced.
Measures which should be adopted are as follows:
1. Adequate wards should be prepared in advance for the treatment of measles. The rather gradual onset of epidemics of measles makes this provision possible.
3202. The separation of S. hemolyticus “carriers” from other patients should be enforced. Observation wards, where strict technic to prevent transfer of infection is practiced and where throat cultures are made on admission, are essential. Those wards should be promptly evacuated to wards for the care of S. hemolytic “carriers” on the one hand and for “noncarriers” on the other. As far as possible patients should be admitted to a ward until it is filled and then another ward should receive consecutive cases in the same manner. It is desirable to have all cases in each treatment ward in the same stage of the disease. With this system of ward rotation convalescent wards are necessary, so that cases requiring a period of hospitalization longer than the average may be segregated, thus rendering treatment wards available for another levy of acute cases.
3. Strict ward technic elaborated to prevent transfer of bacterial infection from one patient to another must be employed.
4. Throat culture for identification of “carriers” is laborious but essential. An accurate method for identifying and reporting “carriers” as speedily as possible must be employed. A competent bacteriologist is essential. A twenty-four hour interval between culture and its report is desirable. The following scheme is recommended:
(a) A culture from the throat made on admission to the observation ward (first day in hospital).
(b) A culture made on the first day in the treatment ward (third day in hospital).
(c) A culture made one week later (tenth day in hospital).
If the ward incidence of hemolytic streptococci reaches 10 per cent, especially in a filled ward, the cultures should be repeated on the thirteenth day in the hospital. If the incidence of “carriers” of hemolytic streptococci increase rapidly, cultures on alternate days should be made so that “carriers” may be removed from the ward. Wherever 321possible, culturing of the treatment wards as units should be practiced.
5. Patients developing acute symptoms in any way suggestive of infection with S. hemolyticus should be immediately isolated; culture from the throat should be made at once and final disposal of the patient should depend upon its result.
During the winter of 1917–18, with the establishment of the army camps, it very soon became evident that in many of the serious and fatal complications of measles and other respiratory diseases, hemolytic streptococci were playing a very important rôle. The epidemic prevalence of hemolytic streptococci among hospital cases, and later among men on duty in the camps, was established by bacteriologic studies. Prior to this time in civil life, hemolytic streptococci under epidemic conditions had been studied in milk-borne epidemics of septic sore throat, such as are reported from Chicago in 1911–13[92]; from Boston in 1911[93]; and from Baltimore in 1911–12[94]. Contact air-borne infection has not been emphasized in considering the dissemination of hemolytic streptococci. Smillie[95] reports a few cases of hemolytic streptococcus throat infections which he attributes to contact infection. Conditions within the army camps were such as to suggest the dissemination of hemolytic streptococci by contact air-borne infection. Some knowledge of the percentage of individuals showing positive throat cultures became desirable at the very beginning of studies of contact dissemination of hemolytic streptococci.
Smillie found that only one of 100 normal throats harbored the Beta hemolytic streptococci of Smith and Brown. Levy and Alexander[96] report the presence of hemolytic 322streptococci in 83.2 per cent of healthy men at Camp Taylor, and hemolytic organisms (not definitely identified as streptococci) in 14.8 per cent of recruits arriving at Camp Taylor. Irons and Marine[97] found hemolytic streptococci among 70 per cent of healthy men at Camp Custer.
Among measles patients on admission to the hospital at Fort Sam Houston, Cole and MacCallum[98] report 11.4 per cent and Cummings, Spruit and Lynch,[99] 35 per cent of throat cultures positive for hemolytic streptococci. At Camp Taylor, Levy and Alexander report 77.1 per cent positive among 388 cases of measles on admission to the hospital.
The spread of hemolytic streptococci in measles wards was shown by Cole and MacCallum when on admission 11.4 per cent of cases had positive throat cultures, 38.6 per cent after from three to five days, and 56.8 per cent after from eight to sixteen days in the ward. In our study of hemolytic streptococci with measles at Camp Funston, 2.6 per cent of the cases had positive throat cultures on admission, 12.8 per cent after three to ten days, and 24.1 per cent after eight to twenty-three days in the hospital. In a similar study at Camp Pike we found 1.7 per cent positive on admission; 10.9 per cent after one week; 22.8 per cent after two weeks; 26.2 per cent after three weeks; and, 33.1 per cent after four weeks in the hospital.
Hemolytic Streptococci in the Throats of Normal Men.—The percentage of normal individuals harboring hemolytic streptococci in their throats was investigated in three distinct classes of men, classified according to the degree of exposure to contact infection.
The first group includes men largely from country districts, cultured within an hour after being assembled by their local draft board. The laboratory car “Lister” was sent to Hot Springs, Ark. to meet the November draft of 323men to be sent to Camp Pike. These men were returned to their homes when the armistice was signed, so that there was no opportunity to study them after they had lived under camp conditions.
The second group includes men on duty in Camps Funston and Pike. These men, while largely from country districts, had been living crowded together in the camp for a period varying from a few weeks to several months.
The third group includes normal men resident in the base hospitals at Ft. Riley and Camp Pike. This group includes at Camp Pike the medical personnel of the measles and measles pneumonia wards and represents individuals most exposed to contact infection with hemolytic streptococci. On the other hand, the group includes doctors, nurses and seasoned medical detachment men who are perhaps less susceptible to respiratory infections than are raw recruits.
The results of studies of these groups are presented in Tables LXVI and LXVII.
| Table LXVI | ||||
|---|---|---|---|---|
| Hemolytic Streptococci in Throats of Normal Men Not Resident in the Base Hospital | ||||
| PLACE OF STUDY DATE |
NO. OF CASES | NO. POSITIVE FOR HEM. STREP. | PER CENT POSITIVE FOR HEM. STREP. | REMARKS |
| Camp Funston, Kan., Aug., 1918. |
274 | 60 | 21.9 | Men on duty in camp including 201 white and 73 colored; in great part newly drafted men |
| Camp Pike, Ark., Nov. 5 to Dec. 10, 1918 |
337 | 25 | 7.4 | Largely white men on duty in camp |
| Hot Springs, Ark., Nov. 12, 1918 |
[100]64 | 0 | 0.0 | Men from country districts, assembled by the local draft board |
| Table LXVII | ||||
| Hemolytic Streptococci in Throats of Normal Men Resident in the Base Hospital | ||||
| PLACE OF STUDY DATE |
NO. OF CASES | NO. POSITIVE FOR HEM. STREP. | PER CENT POSITIVE FOR HEM. STREP. | REMARKS |
| Ft. Riley, Kan., Aug., 1918 |
24 | 7 | 29.2 | 14 convalescent patients in a surgical ward; 10 laboratory workers |
| Camp Pike, Ark., Sept. 10 to Nov. 30, 1918. |
153 | 22 | [101]7.5 | Personnel of measles wards |
324The group of men studied at Hot Springs represents individuals among whom there was little chance for contact dissemination of hemolytic streptococci. It is a control series of men from outlying districts examined before their throat bacteriology has been complicated by the interchange of mouth organisms which occurs when a group of men are crowded into close quarters. The entire absence of hemolytic streptococci by the throat culture method is noteworthy. By multiplying the chances of identifying hemolytic streptococci by making parallel cultures from the saliva, and from the peritoneal exudates of mice inoculated with saliva, hemolytic streptococci were found, in small numbers, in 3 instances. The findings in this group were only three throats lightly infected with hemolytic streptococci. They are in direct contrast with the findings among individuals living in camps under crowded conditions and are in accord with the findings among recruits arriving in camp as recorded by Levy and Alexander.
In the second group, men living for a time in camp, the findings at Camp Funston and at Camp Pike show rather 325striking differences. The lower percentage incidence at Camp Pike is the more remarkable since the studies were made soon after the influenza epidemic had swept the camp and made necessary the hospitalization of about 20 to 25 per cent of the camp population.
In the third group, namely, individuals resident in the hospital, percentage rates at Camp Funston are slightly higher than for men resident in camp. This difference disappears for the entire group at Camp Pike if we consider a single throat culture, as we must for the sake of comparison. The majority of these individuals at Camp Pike served in measles wards from which patients carrying hemolytic streptococci were removed at weekly intervals. Seven and one-half per cent of the ward personnel were positives when first cultured. An additional 7.5 per cent acquired the streptococcus while under observation.
Duration of the “Carrier” State.—Unfortunately there are very few observations with regard to the duration of the “carrier” state which can be determined only by repeated cultures at short intervals. We have made no observations of the duration of the “carrier” state in healthy men. Two hundred and forty-two individuals carrying hemolytic streptococci were identified in the ward treatment of measles. All except 37 of these cases were “noncarriers” when first observed. The remaining 205 include 166 contact “carriers” and 39 patients with acute symptoms of infection by hemolytic streptococci.
The complete record of throat cultures on these cases is presented in Table LXVIII.
Group I includes 37 cases positive for hemolytic streptococci on admission.
(a) Twenty-two of these remained positive throughout the period of observation. Four patients became negative after one or two weeks and later showed positive findings, leaving the hospital as positives. These are classified as “irregular.” The results of culture were as follows: Cultured once only, 7; positive after one week, 7; positive after two weeks, 6; positive after three weeks, 2; irregular, 4.
| Table LXVIII | ||||||||||||||
|---|---|---|---|---|---|---|---|---|---|---|---|---|---|---|
| Results of Throat Cultures in 242 Hospital Patients Identified as “Carriers” of Hemolytic Streptococci; Cultures Taken at Weekly Intervals | ||||||||||||||
| GROUP | 1st Culture | 2nd Culture | 3rd Culture | 4th Culture | 5th Culture | 6th Culture | 7th Culture | 8th Culture | 9th Culture | 10th Culture | 11th Culture | 12th Culture | No. of Contact “Carriers.” | No. with Acute Hem. Strep. Complications |
| I | 37 | Cases | ||||||||||||
| + | 7 | |||||||||||||
| + | + | 7 | ||||||||||||
| + | + | + | 6 | |||||||||||
| + | + | + | + | 2 | ||||||||||
| + | − | 8 | ||||||||||||
| + | − | − | 1 | |||||||||||
| + | − | − | − | − | 1 | |||||||||
| + | + | − | 1 | |||||||||||
| + | − | + | 2 | |||||||||||
| + | − | − | − | − | + | + | + | 1 | ||||||
| + | + | − | − | + | + | + | 1 | |||||||
| II | 67 | Cases | ||||||||||||
| − | + | 26 | 3 | |||||||||||
| − | + | + | 12 | 5 | ||||||||||
| − | + | + | + | 2 | 2 | |||||||||
| − | + | − | 9 | 1 | ||||||||||
| − | + | − | − | 0 | 1 | |||||||||
| − | + | + | − | 2 | 1 | |||||||||
| − | + | + | + | + | − | − | + | − | 1 | |||||
| − | + | − | + | 2 | ||||||||||
| III | 74 | Cases | ||||||||||||
| − | − | + | 38 | 5 | ||||||||||
| − | − | + | + | 5 | 3 | |||||||||
| − | − | + | + | + | 4 | 1 | ||||||||
| − | − | + | + | + | + | 0 | 2 | |||||||
| − | − | + | − | − | − | 0 | 1 | |||||||
| − | − | + | − | 4 | ||||||||||
| − | − | + | + | − | − | − | − | 1 | ||||||
| − | − | + | + | − | 0 | 2 | ||||||||
| − | − | + | + | − | − | − | 1 | |||||||
| − | − | + | + | + | + | − | 0 | 1 | ||||||
| − | − | + | − | + | 1 | |||||||||
| − | − | + | − | + | + | 2 | ||||||||
| − | − | + | − | + | + | + | 1 | |||||||
| − | − | + | − | − | + | + | 1 | |||||||
| − | − | + | + | + | − | − | + | 1 | ||||||
| 327IV | 34 | Cases | ||||||||||||
| − | − | − | + | 12 | 4 | |||||||||
| − | − | − | + | + | 5 | |||||||||
| − | − | − | + | + | + | 4 | ||||||||
| − | − | − | + | − | 3 | 1 | ||||||||
| − | − | − | + | − | − | 1 | ||||||||
| − | − | − | + | + | − | 1 | ||||||||
| − | − | − | + | + | + | − | 1 | |||||||
| − | − | − | + | − | − | + | + | 1 | ||||||
| − | − | − | + | + | − | − | − | − | − | 0 | 1 | |||
| V | 16 | Cases | ||||||||||||
| − | − | − | − | + | 1 | 1 | ||||||||
| − | − | − | − | + | + | 1 | 1 | |||||||
| − | − | − | − | + | − | 3 | 1 | |||||||
| − | − | − | − | + | − | − | − | 0 | 2 | |||||
| − | − | − | − | + | − | − | − | − | − | 1 | ||||
| − | − | − | − | + | + | − | 1 | |||||||
| − | − | − | − | + | − | + | 2 | |||||||
| − | − | − | − | + | + | − | + | 1 | ||||||
| − | − | − | − | + | + | − | − | − | + | 1 | ||||
| VI | 7 | Cases | ||||||||||||
| − | − | − | − | − | + | 1 | ||||||||
| − | − | − | − | − | + | + | 2 | |||||||
| − | − | − | − | − | + | − | 3 | |||||||
| − | − | − | − | − | + | − | − | 1 | ||||||
| VII | 4 | Cases | ||||||||||||
| − | − | − | − | − | − | + | 2 | |||||||
| − | − | − | − | − | − | + | + | 1 | ||||||
| − | − | − | − | − | − | + | − | − | − | − | − | 1 | ||
| VIII | 3 | Cases | ||||||||||||
| − | − | − | − | − | − | − | + | 2 | ||||||
| − | − | − | − | − | − | − | + | + | + | 1 | ||||
328(b) Eleven of the patients entering as positives became negative, 10 after one week and 1 after two weeks.
This group of cases furnishes no data concerning the duration of the “carrier” state, since all cases were positive when first observed. In 30 per cent of instances, hemolytic streptococci disappeared within the first two weeks of observation.
Groups II to VIII include 205 patients who became positive at some time during their stay in the hospital. The arrangement in groups depends upon the length of time the patients remained in the hospital before acquiring S. hemolyticus. Ninety-five of these patients had no further cultures after the initial positive culture. Fourteen appear as “irregular,” as defined above. These two classes of cases are omitted in the following summary of these groups. The initial positive culture is arbitrarily considered the day of infection and subsequent cultures mark off weekly intervals.
(a) Thirty-nine patients had acute infections due to hemolytic streptococci. Thirteen of these patients passed from observation after their initial positive culture. The cases with repeated cultures after initial positive may be summarized as in Table LXIX.
| Table LXIX | |||
|---|---|---|---|
| NO. PATIENTS CULTURED | NO. BECOMING NEGATIVE | PER CENT BECOMING NEGATIVE | |
| Recultured after one week | 26 | 7 | 26.9 |
| Recultured after two weeks | 14 | 8 | 57.1 |
| Recultured after three weeks | 7 | 4 | 57.1 |
| Recultured after four weeks | 2 | 2 | 100.0 |
The records within this small group of cases indicate that hemolytic streptococci tend to disappear with the passing of the acute infection.
329(b) One hundred and sixty-six contact “carriers” are included in Groups II to VIII. Eighty-two of these passed from observation after their initial positive culture and 14 appear as “irregular.” The cases with repeated throat cultures after the initial positive are summarized in Table LXX.
| Table LXX | |||
|---|---|---|---|
| NO. PATIENTS CULTURED | NO. BECOMING NEGATIVE | PER CENT BECOMING NEGATIVE | |
| Recultured after one week | 70 | 26 | 37.1 |
| Recultured after two weeks | 22 | 9 | 40.9 |
| Recultured after three weeks | 5 | 5 | 100.0 |
| Recultured after four weeks | 4 | 4 | 100.0 |
These records indicate that contact carriers in great part harbor hemolytic streptococci during short intervals. A longer period of observation after the disappearance of hemolytic streptococci would have been desirable in many instances. Some patients were followed with consistently negative cultures during three, four and five weeks after hemolytic streptococci had disappeared.
It is difficult to explain those instances in which negative cultures are interposed between positives. Where one negative interrupts positive cultures, it is possible that the throat culture failed to demonstrate hemolytic streptococci which were present. Such cases in this series fall within the limits of the percentage error of throat culture identification. Where two or three, or even four negative cultures intervene, reinfection is not impossible.
Relation of S. Hemolyticus “Carriers” to the Complications of Acute Respiratory Diseases.—In the present study of measles it has been shown that pneumonia following measles has been no more common in “carriers” than in “noncarriers.” Nevertheless, pneumonia occurring in badly infected wards has been modified by streptococcus complications.
More cases of otitis media have appeared in “carriers” than in “noncarriers.” The possibility that mild otitis 330media, which would ordinarily pass unnoticed, might become evident as the result of streptococcus invasion must be considered. Levy and Alexander have made an important contribution to our knowledge of the rôle of hemolytic streptococci in measles. They find that “carriers” of hemolytic streptococci among measles patients are especially predisposed to complications following measles.
Their cases were drawn from a camp population highly saturated with S. hemolyticus “carriers.” In the organization from which 89 per cent of their patients with measles came, there were 83 per cent hemolyticus “carriers” among men on duty. Among patients with measles, throat cultures were positive for hemolytic streptococci on admission in 77 per cent. It is evident that all patients with measles have been exposed to hemolytic streptococci during the first day or two after admission. Failure to carry streptococcus would appear to be dependent upon ability to resist it rather than upon lack of opportunity for acquiring it. Of 388 cases observed by Levy and Alexander only 79 were “noncarriers” of hemolytic streptococci on admission, and of these, 27 became positive while under observation; only 52 remain as “noncarriers” of hemolytic streptococci. This small group must be regarded as a highly selected one, composed of individuals more than ordinarily resistant to hemolytic streptococci and perhaps to all complications of measles. The chances are that these 52 cases placed under any circumstances might very well have been among the large number of measles cases in which no complications develop.
Furthermore, it is not unlikely that any complication of measles may be modified by a streptococcus secondarily when about 85 per cent of the cases show S. hemolyticus in the throat. The complications in the cases of Alexander and Levy appear to have been caused in large part by streptococcus, but a complete bacteriologic study of them is not recorded. Complications among streptococcus “carriers” 331are not identical with complications due to the streptococcus, and it is desirable to know what percentage of complications actually due to hemolytic streptococci occurred among the 85 per cent of patients with measles who carried hemolytic streptococci.
Summary.—No hemolytic streptococcus complications occurred in 112 cases of measles observed at Ft. Riley, among which streptococcus “carriers” rose from 2.6 per cent on admission to 24.1 per cent before discharge from the hospital. The percentage of “carriers” of hemolytic streptococci among normal men in the camp supplying these cases was about 25.5 per cent.
The influenza epidemic and a small epidemic of measles occurred in part simultaneously at Camp Pike during September and October, 1918. The complications following measles at Camp Pike were to a considerable extent dependent upon the combined effects of influenza and measles.
Thirty-five per cent of the measles patients showed throat cultures positive for B. influenzæ on admission to the hospital. On repeated cultures, this rose to 84 per cent before discharge.
Ward separation of cases of measles carrying hemolytic streptococci in their throats and cases not carrying these organisms were practiced in handling this epidemic. Of 867 cases of measles treated in this manner, 37 were positive for hemolytic streptococci on admission, and 205 developed positive throat cultures for these organisms during their period of observation in the hospital.
At Camp Pike, the percentage incidence of S. hemolyticus “carriers,” on admission to the measles wards, was 4.2 per cent. In cases recultured after one week, it was 10.9 per cent; after two weeks 22.8 per cent; after three weeks 26.2 per cent; and after four weeks 33.1 per cent. The weekly development of “carriers” in the “clean” treatment wards was during the first week 9.1 per cent; during the second week 17.4 per cent; during the third 332week 17.4 per cent; and during the fourth week 17.4 per cent.
The principal complications of these 867 cases of measles at Camp Pike were: pneumonia, 56 cases; otitis media, 48 cases, with subsequent mastoiditis in 23 cases, 2 of which had extensions to the meninges and brain. The greater part of the pneumonia occurred early in the period of observation, while most of the otitis media occurred later. Incidence of hemolytic streptococci was low during the pneumonia period and high during the prevalence of otitis media.
Hemolytic streptococci complicated 9 of these pneumonias; caused a large percentage of otitis (bacteriology incomplete), and 21 of the 23 cases of mastoiditis.
The bacteriology of 35 of the 56 pneumonias showed: Pneumococcus Type II atypical, in 36 per cent, Type IV in 22.9 per cent, Type I in 2.8 per cent and Type III in 2.8 per cent; hemolytic streptococci in 22.4 per cent; and B. influenzæ in 88.6 per cent.
The culturing of wards as units revealed widespread contact dissemination of hemolytic streptococci, at times 25 to 50 per cent of the patients in a ward becoming “carriers” within the period of a week. Streptococcus pneumonias, otitis media and its complications were furnished in large part by wards in which active dissemination occurred.
Streptococcus complications did not occur among 37 patients who were “carriers” of hemolytic streptococci when admitted to the hospital.
The epidemic dissemination of hemolytic streptococci occurs in measles wards, and is a serious danger. Many, patients whose throats become infected, develop no symptoms. In some instances streptococcus invades, and renders much more serious lesions caused by other microorganisms.
Methods to prevent transfer of infection within the ward and separation of “carriers” from “noncarriers” in different 333wards are efficient in keeping epidemic dissemination of hemolytic streptococci under control. Frequent throat cultures and prompt report of the results of cultures are essential.
The dissemination of B. influenzæ in patients with measles was not controlled by segregation of “carriers” and “noncarriers” of this organism as identified by throat cultures in separate wards.
Among 18 autopsies upon men who have died with pneumonia following measles there are pulmonary lesions representing almost every type of pneumonia which has been found in association with influenza. In most instances pneumonia made its appearance during the second week of measles and death occurred during the third week. Of 16 instances in which the record is definite, pneumonia had its onset during the first week of measles in 4 instances, during the second week in 11 instances, and in one instance (Autopsy 390) perhaps not referable to measles in the fifth week. The duration of pneumonia varied from three to thirty-two days; in 10 instances it did not exceed one week, in 5 instances it was between one and two weeks and in one instance, thirty-two days. When the duration of pneumonia exceeded ten days some evidence of chronic pulmonary disease was found at autopsy.
The same lack of correspondence between clinical diagnosis and pulmonary lesions noted with influenza was found following measles. In accordance with the prevailing opinion concerning the character of pneumonia following measles, the diagnosis of bronchopneumonia was made in 13 instances and in all of these cases bronchopneumonia was found at autopsy. The diagnosis of lobar pneumonia was made 5 times and was correct only once. Nevertheless, lobar pneumonia was present 4 times, but was recognized only once (Autopsy 486.) Failure to recognize lobar pneumonia, was doubtless due in part at least to its association with purulent bronchitis and peribronchiolar pneumonia (Table LXXI).
| Table LXXI | ||||||||||||||||||||||
|---|---|---|---|---|---|---|---|---|---|---|---|---|---|---|---|---|---|---|---|---|---|---|
| NO. OF AUTOPSY | RACE | LENGTH OF MILITARY SERVICE | DURATION OF ILLNESS | DURATION OF PNEUMONIA | CLINICAL DIAGNOSIS | PURULENT BRONCHITIS | LOBAR PNEUMONIA | PERIBRONCHIOLAR CONSOLIDATION | HEMORRHAGIC PERIBRONCHIOLAR CONSOL. | LOBULAR CONSOLIDATION | PERIBRONCHIAL CONSOLIDATION | ABSCESS | INTERSTITIAL SUPPURATIVE PNEUMONIA | MULTIPLE ABSCESSES IN CLUSTERS | EMPYEMA | BRONCHIECTASIS | UNRESOLVED BRONCHOPNEUMONIA | ORGANIZING BRONCHITIS | BACTERIA IN SPUTUM | BACTERIA IN BRONCHUS | BACTERIA IN LUNG | BACTERIA IN BLOOD OF HEART |
| 390 | W | 1m. | 35 | 6 | L | M | + | No S. Hem. | Pneum. II a | |||||||||||||
| 438 | W | 2m. | 22 | 12? | B | P | + | + | + | E | + | B. inf. | S. hem., B. inf. | Pneum. II, S. vir., | 0 | |||||||
| B. inf., S. hem. | ||||||||||||||||||||||
| 439 | W | 10d. | 14 | 11? | B | P | M | + | + | + | + | No S. hem. | B. coli | Pneum. IIa, S. aur. | 0 | |||||||
| 441 | W | 1m. | 16 | 11 | B | P | + | + | + | M | + | B. inf., S. aur. | B. inf., S. aur. | 0 | ||||||||
| 442 | W | 1m. | 17 | 2+ | L | P | M | + | N | + | E | No S. hem. | B. inf., S. hem. | S. hem. | ||||||||
| 443 | W | 21d. | 23 | 14 | B | P | + | M | + | + | No S. hem. | B. inf., B. coli. | B. coli. | 0 | ||||||||
| 444 | W | 1m. | 9 | 3 | B | P | M | + | + | B. inf. | Pneum. IIa, B. inf. | Pneum. IIa, B.inf. | Pneum. II a. | |||||||||
| 450 | W | 29d. | 19 | 5 | B | + | M | B.inf., No. S. hem. | B. inf., Staph. | B. inf. | Pneum. IV. | |||||||||||
| 453 | W | 36d. | 13 | 6 | B | P | + | + | M | + | Pneum. I, B. Inf. | Pneum. I. | Pneum. I. | |||||||||
| 481 | W | 54d. | 4+ | 3? | B | P | + | + | + | + | No S. hem. | B. inf., Pneum. IIa, S.hem. | B. inf. | 0 | ||||||||
| 484 | W | 42d. | 20 | 7 | B | P | + | + | M | + | + | Pneum. IV, B. inf. | B. inf., Diploids | 0 | ||||||||
| 486 | C | 6d. | 17 | 8 | L | P | + | No S. hem. | B. inf., Pneum. IIa, S. hem., Staph. | B. inf. | 0 | |||||||||||
| 491 | W | 2m. | 19 | 5 | B | + | + | E | S. hem. | B. inf., B. coli. | S. hem., B. coli. | S. hem. | ||||||||||
| 492 | W | 49d. | 20? | 11? | L | P | M | + | + | M | + | E | + | + | S. hem., B. inf. | S.hem., Pneum. IV, B. coli., B. inf. | S. hem. | |||||
| 496 | W | 1m. | 43 | 32 | L | P | + | + | + | + | + | B. inf., no S. hem. | B. inf. | 0 | 0 | |||||||
| 505 | C | 4m. | 16 | 6 | B | P | + | No S. hem. | Pneum. II a., S. hem. | Pneum. II a. | Pneum. II a. | |||||||||||
| 507 | C | 5m. | 14 | 3 | B | N | + | E | S. hem. | S. hem., B. inf., S. aur. | S. hem., S. aur. | S. hem. | ||||||||||
| 508 | C | 2m. | 16 | 5 | B | + | M | M | S. hem. | Pneum. IIa, B. inf., S. hem. | Pneum. II a. | Pneum. II a. | ||||||||||
336Changes in Bronchi.—The changes in the bronchi do not differ in character from those associated with pneumonia following influenza. Purulent bronchitis recognized at autopsy by the presence of mucopurulent material in the small bronchi was found in a much larger proportion of instances in this group of autopsies occurring in 13 of 18 instances (72.2 per cent), whereas it was present in only 55.6 per cent of autopsies on individuals with pneumonia following influenza. There was peribronchial hemorrhage recognizable on gross examination in 3 autopsies and microscopically in 3 additional instances.
Bronchiectasis was present in a considerable proportion of these autopsies, dilatation of bronchi being noted in 7, but it was usually moderately advanced and at times limited to the bases of the lungs. The short duration of respiratory disease perhaps explains the infrequency of advanced bronchiectasis. The incidence of the lesion is greater with measles (43.7 per cent) than with influenza (22.4 per cent).
Microscopic changes in the bronchi do not differ from those found after influenza. Evidence of acute inflammation, often hemorrhagic in character, is found within the lumen of the bronchus and in the tissues immediately in contact with the lumen. Not infrequently the epithelium is lost; there is superficial necrosis and deposition of fibrin upon the surface and within the tissue. In the deeper tissues of the bronchial wall there is infiltration with lymphoid and plasma cells, which in the larger bronchi is particularly advanced about the mucous glands of which the acini exhibit degenerative changes. With the onset of chronic changes new formation of fibrous tissue occurs in the wall of the bronchus and in the contiguous interalveolar walls. The lining epithelium often loses its columnar cells and assumes a squamous type.
337Changes in the bronchi with bronchiectasis have been similar to those following influenza. Weakening of the wall permitting dilatation is brought about by necrosis extending outward from the lumen a varying distance into the bronchial wall and permitting the formation tears which diminish resistance to intrabronchial pressure.
Lobar Pneumonia.—Lobar pneumonia following measles occurred in 4 instances. Onset in these cases was on approximately the 9th, 10th, 11th, or 14th day of measles; the onset of bronchopneumonia bore a similar time relation to the onset of measles, the average interval being nine days. Hepatization with lobar pneumonia was in 1 instance red, in 3 instances gray, and in all save 1 instance the consolidation was firm and coarsely granular on section. In the exceptional instance the greater part of the right upper lobe was laxly consolidated and rather finely granular but the microscopic appearance was in all instances that of lobar pneumonia. Lobar pneumonia in 2 of these cases was associated with purulent bronchitis present in parts of the lung that had not undergone consolidation, whereas in the other 2 instances there were acute bronchitis and peribronchiolar pneumonia recognized by microscopic examination.
In one instance hepatization of the lung presented some noteworthy features.
Autopsy 450.—G. D., white, aged twenty-one, a farmer, resident of Arkansas, had been in military service twenty-nine days. Onset of illness began on October 2, nineteen days before death, and on admission on the same day the diagnosis of measles was made. Signs of pneumonia, regarded as bronchopneumonia, were recognized five days before death. Three days later there was otitis media and paracentesis was performed. On October 3 and 10 neither S. hemolyticus nor B. influenzæ was found in the sputum; on October 17 and 20 S. hemolyticus was not found but B. influenzæ was present.
Anatomic Diagnosis.—Acute lobar pneumonia with gray and red hepatization in right upper and lower lobes; edema and peribronchial hemorrhage in left lung.
Fig. 29.—Lobar pneumonia following measles, showing extension of gray hepatization from lower to upper lobe through a defect in the septum separating the two lobes. Autopsy 450.
339The entire lower lobe of the right lung (Fig. 29) with the exception of a narrow air-containing zone in contact with basal surface is firmly consolidated. The greater part of the consolidated tissue is yellowish gray, firm and coarsely granular. The uppermost part of the consolidated tissue is softer than elsewhere as if it has undergone autolysis. The lowermost part of the consolidated tissue in a zone from 2.5 to 3.5 cm. in breadth is firmly consolidated but deep red. The bronchi contain stiff plugs of fibrin. In the upper lobe continuous with the consolidated part of the lower is a semicircular patch of yellowish gray consolidation. It overlies the line of the interlobular cleft at the site of a break in its continuity. Consolidation appears to have spread from the lower lobe into the upper at the site where the alveolar tissue of the two lobes is continuous but is absent from that part of the upper lobe separated from the lower by the interlobular cleft. This semicircular patch of yellowish gray consolidation is separated from air containing tissue of the upper lobe by a zone of red hepatization about 1 cm. in thickness.
Bacteriologic examination showed the presence of Pneumococcus IV in the blood of the heart; B. influenzæ alone was obtained from the right lower lobe and B. influenzæ and staphylococcus from the left main bronchus.
The distribution of lobar pneumonia in the foregoing autopsy indicates that it has spread like a wave from the upper part of the lower lobe (Fig. 32) penetrating into the upper where the alveolar tissue of the two lobes is in contact; gray hepatization is everywhere separated from air containing tissue by an advancing zone of red hepatization.
It may be assumed that lobar pneumonia was caused by Pneumococcus II atypical in 3 instances although it was recovered from the lungs only twice, for in the third instance (Autopsy 486) it was found in the bronchus and in the inflamed pleural cavity; pneumococci were doubtless previously present in the lung, but had disappeared at least from that part from which the culture was made. Pneumococcus IV was evidently the cause of pneumonia in 1 instance (Autopsy 450), for it was found in the blood of the heart although it was absent in the culture from the lung.
Little significance can be attributed to the observation that B. influenzæ was present in pure culture in the lungs from Autopsies 450 and 486, for the presence of Pneumococci IV in the blood of the heart in Autopsy 450 and of 340Pneumococcus II atypical in the pleura in Autopsy 486 furnishes evidence in view of the occurrence of lobar pneumonia that pneumococci had disappeared from the lungs. B. influenzæ was found both in the lungs and bronchus or in the bronchus alone in 3 of these 4 cases.
The relation of hemolytic streptococci to the lesion is of interest. In 3 of 4 instances of lobar pneumonia this microorganism had entered the bronchi but was not found in the lungs or in the heart’s blood; and gross and histologic examination showed none of the lesions which are usually caused by it. In 1 instance (Autopsy 508) hemolytic streptococci, absent from the throat when the patient was admitted to the hospital with measles sixteen days before death, appeared in a culture made five days later and was subsequently found three times; it had penetrated into the bronchus but failed to reach the lung. Observations made upon lobar pneumonia following influenza have shown the relative insusceptibility of lobar pneumonia with gray hepatization to secondary infection with hemolytic streptococci (p. 160). Autopsy 508 demonstrates that occurrence of hemolytic streptococci in the sputum of a patient with pneumonia does not furnish conclusive proof of the existence of streptococcus pneumonia.
Bronchopneumonia.—Bronchopneumonia has been found in every instance of pneumonia following measles save 3, namely in Autopsy 486, Autopsy 505 with lobar pneumonia and Autopsy 507 with interstitial suppurative pneumonia. It is not improbable that further histologic study might have demonstrated small patches of peribronchiolar pneumonia, for purulent bronchitis was present in the two autopsies with lobar pneumonia. This small group of cases has reproduced all of the important features of bronchopneumonia following influenza. Hemorrhagic peribronchiolar consolidation characterized by the presence of small gray spots clustered about terminal bronchi upon a homogeneously red background has been found in 5 of 18 instances of pneumonia 341with measles. Pfeiffer regarded this lesion as characteristic of the pneumonia of influenza. Peribronchiolar patches of consolidation with no surrounding hemorrhage were found in 14 instances, being recognized first by microscopic examination in half of this number. Lobular consolidation occurred in 11 autopsies and peribronchial fibrinous pneumonia was present in a third of the autopsies on patients with pneumonia of measles.
Bronchial, peribronchial and intraalveolar hemorrhage is much more commonly associated with the pneumonias of influenza than with the more familiar types of acute bronchopneumonia. Exuded blood may undergo absorption; and with bronchopneumonia which, persisting unresolved, has assumed the characters of a chronic lesion, it is common to find mononuclear cells often in great abundance filled with brown pigment derived from the hemoglobin of red blood corpuscles.
Autopsy 439 is an example of acute hemorrhagic bronchopneumonia; there are red lobular and confluent lobular patches of consolidation which upon the pleural surface have a blue or purplish color. In the dependent part of the left lung occupying a large part of the lower lobe there is lax, red consolidation marked by gray or yellowish gray spots of peribronchiolar pneumonia and in this lobe bronchi are encircled by zones of hemorrhage. Pneumococcus II atypical was obtained from the lung. In Autopsy 444 the lesion has the same hemorrhagic character although lobular patches are in a stage of grayish red hepatization. Pneumococcus II atypical has been found in the heart’s blood, and with B. influenzæ in lungs and bronchus. Autopsy 441 is an example of the occurrence of conspicuous nodules of peribronchiolar consolidation in some parts of the lungs with the same lesion in other parts on a background of hemorrhage. B. influenzæ and S. aureus have been found in both lungs and bronchi.
342Steinhaus[102] states that the pneumonia of measles is never lobular inflammation but occurs in small patches several of which may be found in a single lobule.
Chronic fibroid pneumonia following measles characterized by cellular infiltration and proliferation of the interstitial tissue of the lung has been described by Bartels,[103] Steinhaus,[104] Hart,[105] MacCallum[104] and others.
Fig. 30.—Unresolved bronchopneumonia with measles showing new formation of fibrous tissue about a bronchus and in immediately adjacent alveolar walls; partially obliterated alveoli occur in the peribronchial fibrous tissue. Autopsy 481.
Fig. 31.—Unresolved bronchopneumonia with measles showing a nodule of chronic fibrous pneumonia surrounding a respiratory bronchiole. Autopsy 481.
The incidence of unresolved bronchopneumonia among instances of bronchopneumonia following measles is higher than that among bronchopneumonias following influenza. There have been 6 instances of chronic or unresolved bronchopneumonia among 18 pneumonias following measles, namely 33.3 per cent. The incidence of unresolved bronchopneumonia among 241 autopsies on pneumonia following influenza has been 21, namely 8.7 per cent. The essential features of this chronic lesion have been as follows: (a) chronic peribronchiolar pneumonia indicated by the presence of firm nodules of peribronchiolar consolidation which have considerable resemblance to miliary tubercles. Induration of the nodule occurs because the walls of alveoli surrounding and adjacent to a respiratory bronchiole (Fig. 31) become thickened and infiltrated with cells and there is organization of exudate within the alveoli. New formation of fibrous tissue (Fig. 32) occurs where the acute inflammatory reaction of peribronchiolar consolidation is most advanced (p. 169 and compare with Figs. 3 and 4), namely, about the respiratory bronchiole, alveolar duct and the 344proximal parts of the infundibula, disappearing as the distal half of the infundibulum is approached. Distention of the alveoli explaining the distention of the lung and its failure to collapse on section is a noteworthy feature of the lesion. (b) Chronic peribronchial inflammation (Fig. 30) with new formation of fibrous tissue about the smaller and medium-sized bronchi extending into immediately adjacent alveolar walls and often associated with organization of peribronchial fibrinous pneumonia. (c) Chronic lobular inflammation with changes similar to those just cited, distributed throughout entire lobules. (d) Moderate thickening of interlobular septa. Bronchiectasis may be associated with the chronic lesion (Autopsies 443, 481, 484, 492 and 496) but with one exception (Autopsy 443) has been only moderately advanced. Suppurative pneumonia with abscess formation has occurred twice (Autopsies 438 and 492).
Fig. 32.—Unresolved bronchopneumonia with measles showing chronic pneumonia about a respiratory bronchiole and alveolar duct; alveoli about the proximal parts of three distended infundibula are filled with polynuclear leucocytes, whereas inflammatory changes disappear as the distal parts of the infundibula are approached. Autopsy 481.
345With acute bronchopneumonia following measles the average duration of pneumonia, determined by the date upon which physical signs of pneumonia were first recognized and in consequence subject to some error, was seven days; in instances of chronic bronchopneumonia the average duration of pneumonia has been fifteen days.
The bacteriology of acute bronchopneumonia following measles is shown in Table LXXII.
| Table LXXII | ||||
|---|---|---|---|---|
| WITH NO SUPPURATION | SPUTUM IN LIFE | BACTERIA IN BLOOD OF HEART | BACTERIA IN LUNGS | BACTERIA IN BRONCHI |
| Autopsy 390 | Pneum. II atyp. | |||
| 439 | 0 | Pneum. II atyp. S. aur. | B. coli | |
| 441 | 0 | B. inf., S. aur. | B. inf., S. aur. | |
| 444 | B. inf. | Pneum. II atyp. | Pneum. II atyp. B. inf. | Pneum. II atyp. B. inf. |
| 453 | Pneum. I | Pneum. I | Pneum. I, B. inf. | |
| With suppuration: | ||||
| 442 | S. hem. | S. hem. | B. inf., S. hem. | |
| 491 | S. hem. | S. hem. | S. hem., B. coli | B. inf., B. coli |
| 507 | S. hem. | S. hem. | S. hem., S. aur. | S. hem., B. inf., S. aur. |
It is noteworthy that pneumococci have been recovered from the heart’s blood or lung in all but 1 (Autopsy 441) of 5 instances of acute bronchopneumonia with no suppuration and is doubtless the cause of this pneumonia. Pneumococcus II atypical has been found in 3 of 4 instances of lobar pneumonia following measles and is present in 3 of these 5 instances of bronchopneumonia.
Where suppuration has been found, hemolytic streptococci have been present in the sputum, in the heart’s blood and either in the lungs (Autopsy 491) or in the bronchi (Autopsy 442) or in both (Autopsy 507). In these instances pneumococci have not been found, though in view of the readiness with which pneumococci disappear from the lungs 346it is possible that they have been the primary cause of bronchopneumonia.
The bacteriology of 6 instances of unresolved bronchopneumonia following measles is given in Table LXXIII.
| Table LXXIII | ||||
|---|---|---|---|---|
| WITH NO SUPPURATION | SPUTUM IN LIFE | BACTERIA IN BLOOD OF HEART | BACTERIA IN LUNGS | BACTERIA IN BRONCHUS |
| Autopsy 443 | 0 | B. coli | B. inf., B.coli | |
| 481 | 0 | B. inf. | B. inf., Pneum. II, atyp., S. hem. | |
| 484 | Pneum. IV., B. inf. | 0 | 0 | B. inf., diphtheroids |
| 496 | Pneum. IV., B. inf. | 0 | 0 | B. inf. |
| With Suppuration: | ||||
| Autopsy 438 | B. inf. | 0 | Pneum. II atyp., S. vir. B. inf. S. hem. | S. hem., B. inf. |
| 492 | St. hem., B. inf. | S. hem. | S. hem., Pneum. IV, B. coli, B. inf. | |
Whereas with acute bronchopneumonia death has been accompanied and perhaps caused by bacterial invasion of the blood by pneumococci or streptococci in 5 of 7 instances, with unresolved or chronic bronchopneumonia, bacteriemia has been present only once, namely, in Autopsy 492 in which with suppurative pneumonia hemolytic streptococci have entered the blood. It is probable that pneumococci have likewise had an important part in the causation in these instances of bronchopneumonia which have run a chronic course but in all save 2 cases (Autopsies 438 and 492) have disappeared from the lungs. Pneumococcus II atypical has been found twice.
B. influenzæ has been found in association with acute bronchopneumonia in the lungs in 1 of 6 examinations and in the bronchi in 5 of 6 examinations. These figures indicate that it is present in small numbers if at all in the consolidated lung tissue but is relatively abundant in the bronchi. With chronic bronchopneumonia B. influenzæ has been 347found in every instance, in half of the examinations of lungs and in all of the examinations of bronchi. In 1 instance (Autopsy 481) B. influenzæ has been found in pure culture in the lung; Pneumococcus II atypical has been found in the bronchus and has perhaps disappeared from the pneumonic lung, since this microorganism is often destroyed in the late stages of pneumonia so that its demonstration at autopsy is no longer possible. In 1 instance B. influenzæ found in the bronchus has been the only microorganism isolated at autopsy, although the sputum during life contained B. influenzæ and Pneumococcus IV.
Suppurative Pneumonia.—Suppurative pneumonia with formation of abscesses has occurred in 2 autopsies with pneumonia following measles (Autopsies 438 and 492), both instances of chronic bronchopneumonia. In Autopsy 438 the lower and posterior part of the left lower lobe has been consolidated and has had on section a cloudy, grayish red color; within this area of consolidation and immediately below the pleural surface there have been opaque, yellow spots where the tissue has been softer than elsewhere. Microscopic examination shows that the tissue has here undergone widespread necrosis so that all nuclear stain has disappeared; at the edges of the necrotic tissue polynuclear leucocytes are often present in large numbers, but necrosis is much more conspicuous than suppuration. In the necrotic tissue and at its edges streptococci are present in vast numbers. Hemolytic streptococci have been grown both from the lung and from the bronchus, but these have not been the only microorganisms present, for Pneumococcus II atypical and S. viridans have been obtained from the lungs and B. influenzæ from lungs and bronchus.
In Autopsy 492 with chronic bronchopneumonia the posterior half of the right lower lobe is laxly consolidated, deep red in color and with the cloudy appearance often associated with streptococcus pneumonia; upon this background are peribronchiolar spots of yellow color, in places well 348seen below the pleura; in the corresponding part of the left lower lobe similar nodules have been converted into small abscesses by central suppuration. There is empyema on the right side, fibrinopurulent pericarditis, and purulent peritonitis. Hemolytic streptococci had been found in the sputum three times, the first examination being thirteen days before death. This microorganism is found in pure culture in the blood of the heart and with Pneumococci IV, B. coli and B. influenzæ in the lung. Hemolytic streptococci were found in the right pleural exudate and peritoneum.
The pneumonias following measles give opportunity to consider the relationship of suppurative interstitial pneumonia to unresolved or chronic bronchopneumonia, which is characterized by infiltration and proliferation of the fibrous tissue of the lungs. A number of those who have studied the pneumonia of measles have recognized that this chronic interstitial lesion is a common sequela of measles. MacCallum has designated the lesion “interstitial bronchopneumonia,” and has included under this name its acute stage in which the interstitial character of the lesion is not more evident than with other forms of acute bronchopneumonia. He has regarded S. hemolyticus as the cause of “interstitial bronchopneumonia” following measles. A review of the autopsies which he has described shows that he has included under the same designation typical instances of interstitial suppurative pneumonia associated with suppurative lymphangitis. Instances of unresolved, chronic or “interstitial” bronchopneumonia and of interstitial suppurative pneumonia which we have observed after measles, demonstrate that the two lesions are distinguishable both by their anatomic characters and by their etiology.
Three instances of suppurative interstitial pneumonia occurred among the pneumonias following measles (Autopsies 442, 491 and 507). The lesion is characterized by suppuration of the interlobular septa and particularly noteworthy is the occurrence of suppurative lymphangitis, 349lymphatics being immensely dilated and distended with purulent fluid so that their irregularly dilated, beaded appearance is recognizable upon the section of the lung. In the group of pneumonias following measles this lesion has not been associated with unresolved or chronic bronchopneumonia; no nodular tubercle-like foci of bronchopneumonia have been found at autopsy, and there has been no thickening of the interstitial tissue. The lesion has accompanied confluent lobular pneumonia in 2 instances (Autopsies 442 and 491). In the third instance (Autopsy 507) there was in the neighborhood of the suppurative lesions diffuse consolidation which had the cloudy, gray red color of streptococcus pneumonia, but this consolidation was not lobular in distribution.
The etiology of interstitial suppurative pneumonia established by study of instances following influenza is confirmed by Table LXXII (p. 345) showing the bacteriology of instances of acute bronchopneumonia following measles. Pneumococci are almost invariably found in uncomplicated instances of bronchopneumonia and hemolytic streptococci have been absent, whereas in 3 instances of suppurative interstitial pneumonia hemolytic streptococci have been found in the sputum during life, in pure culture in the blood of the heart and in the lungs and bronchus (missed in the bronchus in one instance, Autopsy 507). In the 3 instances of the disease B. influenzæ has been found in the bronchi.
Table LXXIII shows that suppuration has accompanied unresolved bronchopneumonia (“interstitial bronchopneumonia”) in 2 instances (Autopsies 438 and 492), but in these instances the interlobular tissue of the lung has not been the site of suppuration and there has been no suppurative lymphangitis. Localized abscesses have been formed; hemolytic streptococci, as with abscesses following influenza, have been found.
Empyema has occurred only 5 times in association with pneumonia following measles and in these 5 instances has 350been associated with suppurative pneumonia caused by hemolytic streptococci. In Autopsy 492 there was fibrinopurulent pleurisy on both sides. Aspiration had been performed 3 times and at autopsy the right pleural cavity contained 150 c.c. of purulent fluid. In small pockets, corresponding to shallow oval depressions upon the anterior surface of the lung, fluid was walled off from the general cavity. The pericardial cavity contained 25 c.c. of turbid yellow fluid containing yellow flakes of fibrin and the peritoneal cavity contained thick purulent fluid. Hemolytic streptococci present in the heart’s blood and lung were recovered from the right pleural cavity and from the peritoneum. Among 3 instances of empyema accompanying interstitial suppurative pneumonia, in 1 (Autopsy 491) there were walled off pockets of fluid similar to those just described. Aspiration of the right pleural cavity had been performed 3 times; at autopsy 100 c.c. of fibrinopurulent fluid was found on the right side and 450 c.c. on the left. There was general purulent peritonitis and the peritoneal cavity contained 350 c.c. of thick yellow pus. Hemolytic streptococci were obtained from the heart’s blood, right lung, right pleural cavity and peritoneum.
Among 4 instances of lobar pneumonia following measles there was serofibrinous pleurisy 3 times; in 1 instance there is no record of pleural change. In 1 instance of lobar pneumonia (Autopsy 505) the right pleural cavity contained 800 c.c. of serofibrinous exudate and the pericardial cavity contained 510 c.c. of opaque, yellow seropurulent fluid; Pneumococcus II atypical in pure culture was obtained from the blood, lung and pleural and pericardial exudates. Among 9 instances of bronchopneumonia following measles there was fibrinous pleurisy 3 times, serofibrinous 3 times, and no recorded lesion of the pleura 3 times. Empyema, like suppurative pneumonia following measles, is in most instances, but not constantly, caused by invasion of hemolytic streptococci.
351The foregoing study has shown that pneumonia which has followed measles has reproduced all of the lesions usually found after influenza. There is no pulmonary lesion peculiar to measles. Lobar pneumonia follows the disease in some instances, but bronchopneumonia with purulent bronchitis is more common. The same tendency to hemorrhagic inflammation found with the pneumonia of influenza is seen after measles. Unresolved pneumonia with chronic inflammatory changes in the interstitial tissue of the lung has all of the characters of the similar lesion following influenza but has been found in a larger proportion of the pneumonias of measles.
B. influenzæ has been found in the bronchi in 14 of 16 examinations, namely in 87.5 per cent of fatal instances of pneumonia. In 1 instance in which B. influenzæ has not been found at autopsy, it has been isolated from the sputum during life. It is not improbable that B. influenzæ has been constantly present in the inflamed bronchi both after influenza and measles. It is noteworthy that the outbreak of pneumonia following measles has been in part coincident with, in part slightly subsequent to, an epidemic of influenza which has exposed every individual in the camp to infection with this disease.
B. influenzæ has been found in the lung with the pneumonia of measles in 7 of 17 examinations, namely, in 41.2 per cent of instances. The microorganism with measles, as with influenza, is found in the inflamed lung only half as frequently as in the bronchi. It appears to be peculiarly adapted for multiplication within the bronchial tubes, and its isolation from the inflamed lung in less than half of the cases of pneumonia is perhaps referable to its presence in the small bronchi and bronchioles. The presence of B. influenzæ in the lungs in pure culture in 3 instances at first sight suggests that the microorganism produces pneumonia, but a more intimate survey of these cases gives little support to this view. In Autopsy 450 B. influenzæ has been 352found in pure culture in the lung, but Pneumococcus IV has been isolated from the blood of the heart and has been with little doubt the cause of typical lobar pneumonia present in this instance. In Autopsy 486 the condition is almost identical, for in the presence of lobar pneumonia B. influenzæ has been found in the lung in pure culture, but Pneumococcus II atypical has been isolated from the pleural cavity and from the bronchus; in both autopsies the pneumococci which have caused lobar pneumonia have disappeared from that part of the consolidated lung from which a culture has been made; and here doubtless its invasion has been effectively resisted although it is still present in other organs. In Autopsy 481 in which B. influenzæ has been isolated from the lung in pure culture, the part of pneumococci in the production of the fatal disease is less evident; in this instance, Pneumococcus II atypical, S. hemolyticus and B. influenzæ have been isolated from the bronchus.
The presence of microorganisms which have a well-established etiologic relation to pneumonia explains the occurrence of pneumonia and makes unnecessary the assumption that B. influenzæ, which is present in the lungs in less than half of the instances examined, is essential to the production of the pneumonic consolidation. In view of the well-recognized etiology of lobar pneumonia we may conclude that this lesion is referable to the pneumococci (Pneumococcus II atypical in 3 instances and Pneumococcus IV in 1 instance) isolated from the autopsies in which this lesion occurred. Pneumococcus (Pneumococcus II atypical in 3 instances and Pneumococcus I in 1 instance) has been isolated from the lungs or heart’s blood in 4 of 5 instances of acute bronchopneumonia unaccompanied by suppuration. With unresolved bronchopneumonia with no suppuration, pneumococci have been in no instance found in the lungs or blood though their presence in the washed sputum during life or in the bronchus at autopsy suggests the possibility that they may have disappeared from the lungs.
353In all instances in which suppuration has occurred hemolytic streptococci have been found in the lungs or blood, or in both. The occurrence of pneumococci in the lungs in 2 of 5 instances of suppurative pneumonia indicates that infection with S. hemolyticus is in some instances at least superimposed upon acute bronchopneumonia caused by pneumococci. Bronchopneumonia in 3 instances has the character of that caused by pneumococci. It is probable that the sequence of infection frequently observed after influenza, namely, bronchial infection by B. influenzæ, followed by pneumonia caused by pneumococci, followed in turn by infection by hemolytic streptococci with necrosis or suppuration, is not uncommon after measles.
Pneumonia Associated with Acute Infectious Diseases Other than Influenza and Measles.—A small group of autopsies have been excluded from the list of those which accompanied the epidemic of influenza, because pneumonia has been associated with an acute infectious disease to which it is perhaps secondary. These few instances of pneumonia, like those following measles reproduce characters of the pneumonia following influenza and may be in part referable to influenza which has attacked an individual suffering with typhoid fever, mumps or scarlet fever.
In 2 instances pneumonia followed typhoid fever and appeared on September 23 and 26 shortly after the epidemic of influenza had become evident. In the following autopsy there was acute lobar pneumonia which appeared ten days after onset of typhoid fever.
Autopsy 245.—O. H., white, aged twenty-one, a farmer, resident of Oklahoma, had been in military service twenty-one days. Onset of illness was on September 13 with chill, headache, cough and nausea. The patient was admitted two days later with the diagnosis of acute bronchitis. On September 20 the abdomen was tense, the spleen was enlarged and rose spots were present. Signs of lobar pneumonia were found September 23. Death occurred September 25, twelve days after onset of typhoid fever and two days after recognition of pneumonia.
Anatomic Diagnosis.—Typhoid fever with necrotic ulcers in lower ileum and in colon; hyperplasia of ileocecal lymphatic nodes; acute splenic tumor; 354parenchymatous degeneration of liver and kidneys; acute lobar pneumonia with gray hepatization in left lower lobe and red hepatization and edema in left upper lobe and in right lung; serofibrinous pleurisy on left side.
The left pleural cavity contains 75 c.c. of yellowish gray turbid fluid. Over the left lower lobe there is a layer of fibrin. The upper half of the lobe is firmly consolidated, pinkish gray and coarsely granular; the bronchi contain plugs of fibrin. The lower and posterior part of the lower lobe is consolidated deep red and edematous. The left upper lobe is edematous and a layer in the lowermost part in contact with the lower lobe is deep red and consolidated. The left lung weighs 1,490 grms. The lower half of the right upper lobe and the posterior border of the lower is consolidated deep red and edematous; the lung weighs 970 grms.
Bacteriologic examination shows that the blood of the heart contains Pneumococcus II atypical.
The foregoing autopsy is of interest because typical lobar pneumonia appears to have spread from the left lower lobe, where consolidation is firm and gray, to the adjacent part of the upper lobe where consolidation is red and edematous.
The second instance of pneumonia following typhoid fever is an instance of suppurative pneumonia caused by S. aureus.
Autopsy 329.—J. B., white, aged twenty-two, laborer, resident of Oklahoma, had been in military service two days before onset of symptoms of typhoid fever. He was admitted to the hospital on August 27 and B. typhosus was found in cultures from the blood on September 2 and 3. Acute bronchitis appeared on September 26 when the epidemic of influenza had almost reached its height. A diagnosis of bronchopneumonia was made on the day preceding death, which occurred forty-one days after onset of typhoid fever and eleven days after onset of bronchitis.
Anatomic Diagnosis.—Typhoid ulcers of ileum; acute splenic tumor; acute bronchopneumonia with red hemorrhagic peribronchiolar and lobular consolidation in right lung; multiple abscesses forming a circumscribed group in left upper lobe; purulent bronchitis.
The pleural cavities contain no excess of fluid. The lungs are voluminous and there is interstitial emphysema. Below the pleura are bluish red spots of lobular consolidation; in the right upper lobe is a large patch of red consolidation marked by yellowish gray spots in clusters. In the external and upper part of the left upper lobe is a patch of gray consolidation within which, beneath the pleura, there are small abscesses grouped to form a cluster 1.5 cm, across.
Bacteriologic examination demonstrates no microorganisms in the blood of the heart; of two cultures from the left lung one contains S. aureus in pure culture, the other S. aureus and a few colonies of Pneumococcus IV. 355Cultures from the left main bronchus and from the mucopurulent exudate in a small bronchus both contain B. influenzæ, S. aureus and Pneumococcus IV.
In the foregoing case bronchitis has appeared thirty days after onset of typhoid fever on September 26, immediately preceding the height of the epidemic of influenza. In association with hemorrhagic bronchopneumonia there is suppurative pneumonia with small abscesses forming a circumscribed group below the pleura; there is no empyema. The lesion has the characters of the staphylococcus abscesses following influenza, and S. aureus is found in association with the lesion; B. influenzæ is identified in two cultures from the bronchi.
In 2 instances pneumonia was associated with parotitis which was diagnosed mumps.
Autopsy 403.—C. T., colored, aged twenty-five, a laborer, resident of Arkansas, had been in military service one month. Illness began September 27 with swelling of face behind jaw and difficult mastication; the patient was admitted to the hospital on the same day with the diagnosis of mumps. Pneumonic consolidation was recognized on October 8. Death occurred October 13, sixteen days after onset of illness and six days after recognition of pneumonia.
Anatomic Diagnosis.—Acute lobar pneumonia with red and beginning gray hepatization of lower and parts of upper and middle right lobes; acute bronchopneumonia with lobular consolidation in left lung; purulent bronchitis; bronchiectasis in left lung.
The lower lobe of the right lung with the exception of the anterior and basal edge is firmly consolidated; the posterior part of the middle lobe and a small corner at the posterior and lower part of the upper lobe is similarly consolidated. The consolidated tissue is gray and coarsely granular on section. The remainder of the lung is dry and voluminous, and the bronchi contain purulent fluid. The left lung contains red and gray patches of consolidation, from 0.2 to 3 cm. across. Bronchi contain purulent fluid and in the lowermost parts of both upper and lower lobes are moderately dilated.
Bacteriologic examination shows that the blood of the heart contains Pneumococcus III.
It is noteworthy that there was in this case, as in many instances of influenza, both lobar and bronchopneumonia. Purulent bronchitis was present and there was bronchiectasis throughout one lung.
356In the following case the diagnosis of mumps may be questioned since the lesion of the parotid has characters of terminal suppurative parotitis.
Autopsy 417.—H.W.D., white, aged twenty-four, a farmer, resident of Oklahoma, had been in military service one month. He said that he had had pneumonia four times. He was admitted to the hospital delirious and the diagnosis of lobar pneumonia was made. Parotitis regarded as mumps appeared five days before death and suppuration occurred on the right side of the face. Death of the patient occurred thirteen days after admission to the hospital.
Anatomic Diagnosis.—Acute bronchopneumonia with lobular consolidation in both lungs; suppurative pneumonia with necrosis and beginning abscess formation in left lung; purulent pleurisy in left side; purulent bronchitis; bronchiectasis; acute parotitis.
The left pleural cavity contains 100 c.c. of purulent fluid of creamy consistence. The left lung is voluminous and bound to the chest wall in places. There are numerous patches of lobular consolidation. At the apex of the lung there is a large area of consolidation, 7 cm. across, where the tissue is cloudy gray and soft in consistence. In the upper lobe is a well-defined patch of grayish yellow color, 6 by 2 cm., with opaque yellow edges; purulent fluid escapes from the cut surface. Bronchi throughout the lung are widely dilated and contain purulent fluid. The right lung is voluminous and contains lobular patches of consolidation; bronchi of this lung are widely dilated.
Bacteriologic examination shows the presence of hemolytic streptococci in the blood of the heart; hemolytic streptococci and B. influenzæ in the lung, and hemolytic streptococci, B. influenzæ and S. aureus in a main bronchus.
In association with bronchopneumonia there have been necrosis and beginning abscess formation with empyema, the suppurative lesions being caused by hemolytic streptococci which had finally entered the blood stream. There was purulent bronchitis, and the lungs had the voluminous character often associated with this lesion; there was beginning bronchiectasis. B. influenzæ was obtained both from the lung and from the bronchus.
In 2 instances (Autopsies 323 and 335) the diagnosis of scarlet fever was made in patients suffering with pneumonia following influenza. These lesions have been included in the list of influenzal pneumonias. In the following instance the patient was admitted with scarlet fever, 357later developed acute follicular tonsillitis, and finally suppurative pneumonia caused by hemolytic streptococcus.
Autopsy 311.—E. J., white, aged twenty-two, a tinsmith and automobile repairer, resident of Arkansas, had been in military service three months. Onset of illness was on September 18 with headache and sore throat. The patient was admitted September 24 with the diagnosis of scarlet fever; two days later there was acute follicular tonsillitis. Pneumonic consolidation on the right side was recognized October 2, three days before death.
Anatomic Diagnosis.—Acute suppurative pneumonia with three small abscesses below pleura of right lower lobe; acute fibrinopurulent pleurisy on both sides; serous pericarditis.
The right pleural cavity contains 1500 c.c. of turbid, dirty yellow fluid containing masses of fibrin; the left cavity has 500 c.c. of similar contents. The pericardium contains 30 c.c. of turbid fluid containing a small quantity of fibrin; there are ecchymoses below the epicardium. The right lung is collapsed and in the lower lobe contains three small subpleural abscesses, the largest of which is 1.5 cm. across.
Bacteriologic examination shows the presence of hemolytic streptococci in pure culture in the blood of the heart and in the right lung. From the right main bronchus are obtained hemolytic streptococci, B. influenzæ, Pneumococcus IV and a few staphylococci.
In this instance there has been infection with streptococcus which is a common sequela of scarlet fever. In the absence of evidence of bronchopneumonia there has been abscess formation below the pleura with empyema and pericarditis. B. influenzæ has been found in the bronchus.
The pneumonias found in association with measles reproduce the characters of the pneumonias described in association with influenza. Particularly noteworthy is the occurrence of lobar pneumonia, hemorrhagic peribronchiolar pneumonia, interstitial suppurative pneumonia, severe bronchitis with bronchiectasis and unresolved bronchopneumonia. In the presence of an epidemic of influenza attacking more than one fourth of the population of a camp, those suffering with diseases, such as measles, typhoid fever, mumps, etc., are unlikely to escape entirely, and it is probable that the tendency to the occurrence of pneumonia present in association with these diseases will be increased. The close resemblance between the pneumonias 358which we have found with the diseases mentioned, on the one hand, and the pneumonias of influenza on the other, both being characterized by the occurrence of hemorrhagic, suppurative and chronic pulmonary lesions, indicates that influenza has had a part in the production of the pneumonia found with measles and some other infectious diseases during the progress of the epidemic of influenza.
There is no reason for believing that the influenza which prevailed in this country differed in any essential feature from that of previous epidemics and particularly of the pandemic of 1889–90. Our studies have shown that an organism with the morphologic and cultural characters of B. influenzæ of Pfeiffer has been constantly found in association with the disease, and so frequently demonstrated in association with its pulmonary complications that there is little doubt of its constant presence. The bronchial and pulmonary complications of influenza present characters which, while varied, are not usually observed in the absence of epidemic influenza, and in this pandemic agree with those of the former pandemic so far as it is possible to determine from the descriptions available.
Especially noteworthy is the severity of the changes within the bronchial passages. Clinical studies have shown that purulent bronchitis has occurred in 36 per cent of instances of influenza. The sputum with this condition has contained B. influenzæ in all instances, but although there were no signs of pneumonia it has been constantly associated with other microorganisms, namely, pneumococci (in 11 of 13 instances), S. hemolyticus, S. viridans, M. catarrhalis, etc.
Identification of the bacteria which have been present in the bronchi of those dead with pneumonia following influenza have determined what microorganisms have penetrated into the lower respiratory passages. B. influenzæ 360has been found so frequently (80 per cent) that there is good reason to believe that it has been constantly present and has not been isolated in every instance because it has been overgrown by other microorganisms on the plates or after long continued illness has disappeared from the bronchi. Mixed infections of B. influenzæ and other microorganisms are constantly found in the inflamed bronchi; combinations of B. influenzæ and pneumococci, B. influenzæ and hemolytic streptococci or these combinations with staphylococci or the four organisms together are common. Other microorganisms such as B. coli, S. viridans, M. catarrhalis and diphtheroid bacilli are not infrequently associated with those which have been mentioned.
Purulent bronchitis has been found in 137 of 241 autopsies; its bacteriology differs in no respect from that which has just been described and indeed no line can be drawn between this condition and the bronchitis invariably present with the pneumonias of influenza. Other evidence of profound injury to the bronchi is the frequent occurrence of hemorrhage in a zone ensheathing the smaller bronchi, and the common occurrence of bronchiectasis when the fatal disease has lasted more than two or three weeks.
Microscopic study demonstrates that the changes in the bronchial walls are such as destroy the defences against invasion by microorganisms. The bronchial epithelium undergoes destruction which is not infrequently limited to the superficial ciliated cells, but often complete loss of epithelium occurs. The mucous glands of the larger bronchi exhibit a special susceptibility to injury, and in the early stages of the lesion profound degenerative changes are found in the secreting cells, whereas at a later stage chronic inflammatory changes are almost invariably present.
Pneumonia following influenza is in most instances bronchopneumonia, but typical lobar pneumonia has been found in autopsies representing 40.7 per cent of pneumonias of influenza. Lobar pneumonia is frequently accompanied by 361purulent bronchitis, and in a considerable number of autopsies (34 of 98 with lobar pneumonia) lobar and bronchopneumonia have occurred in the same individual.
Statistics based upon the clinical diagnosis of lobar and bronchopneumonia following influenza are so inaccurate that they have little if any value. Notwithstanding careful study of the symptomatology of the disease, lobar and bronchopneumonia following influenza are not accurately distinguishable by the means usually employed, and an erroneous diagnosis has been recorded on the patient’s history in 36.6 per cent of 227 fatal cases with autopsy. A diagnosis of suppurative pneumonia is rarely if ever made. The difficulties of diagnosis are in part explained by the frequent association of lobar pneumonia with purulent bronchitis, with bronchopneumonia or with both, and by the occurrence of bronchopneumonia with confluent lobular consolidation involving a large part of a lobe or whole lobes.
There are many defects in the present knowledge of the symptomatology of the pneumonias under consideration. The symptoms of suppurative pneumonia are not clearly defined. Many of these deficiencies might be supplied by further application of the time-honored method of comparing the clinical course of the disease with the changes found at autopsies, supplemented by bacteriologic studies made during life and confirmed after death.
With peribronchial pneumonia bronchi of medium size, on the cut surface of the lung, are surrounded by sharply defined zones of pneumonic consolidation perhaps 0.5 cm. in radius, and this lesion furnishes conclusive proof that the inflammatory process can extend directly through the bronchial wall reaching all alveoli within a limited distance for these alveoli bear no relation to the distribution of the terminal bronchi of the affected bronchus. This peribronchial pneumonia is usually characterized by fibrinous exudate, and pneumococcus has been found either in 362the blood of the heart or in the lung in all of 6 instances in which peribronchial consolidation has been recognized at autopsy; in half of these autopsies Pneumococcus Type II has been isolated and this relationship is especially noteworthy because Type II has been uncommonly associated with the pneumonias of influenza.
Lobar Pneumonia.—The distribution of lobar pneumonia has repeatedly furnished evidence that the process spreads like the peribronchial lesion directly through the tissue of the lung and is not necessarily disseminated by way of the bronchial tree. Pneumococci doubtless enter the lung by way of the bronchi; the occurrence of lobar pneumonia in frequent association with influenza which exhibits a peculiar capacity to destroy the defences of the lower respiratory passages is in harmony with this view. The presence of pneumococci in the blood furnishes no evidence that infection is hematogenous, for bacterial infections, particularly at their onset, are frequently accompanied by bacteriemia. The wave-like spread of lobar pneumonia may be indicated by a narrow zone of red hepatization separating a large patch of firm, gray consolidation from engorged but air containing lung tissue. A semicircular patch of consolidation not infrequently extends from the left lower lobe into the upper lobe at the site where the interlobular cleft is absent. This patch may be firm and gray in continuity with similar consolidation in the lower lobe but surrounded over its convex surface by a zone of red hepatization.
There is no reason to doubt that the lobar pneumonia which we have found with influenza has been constantly caused by pneumococci. We have encountered no instance of lobar pneumonia caused by the capsulated bacillus of Friedländer. The incidence of different types of pneumococci in the lung with lobar pneumonia has been as follows: Type IV, 32.4 per cent; Type II, atypical, 26.5 per cent; Type III, 17.6 per cent; Type II, 5.9 per cent; Type I, 2.9 per cent; no pneumococci found 14.7 per cent. It is noteworthy 363that this distribution of types is in sharp contrast with the lobar pneumonia of civil life with which Types I and II constitute the cause of two-thirds of all instances, and is in agreement with the etiology of the pneumonias found in an army camp (Funston) in the absence of influenza in epidemic proportion.
Bronchopneumonia.—Bronchopneumonia is associated with intense bronchitis penetrating to the finest bronchioles and is characterized by consolidation distributed in such definite relation to the bronchial tree that dissemination of the inflammatory irritant by way of the bronchi is evident. Consolidation occurs (a) in foci affecting alveoli in immediate proximity to the respiratory bronchioles and in consequence clustered about the terminal bronchi, the intervening alveolar tissue containing air; (b) in foci of the same character surrounded by intraalveolar hemorrhage which occupies all alveolar tissue between adjacent foci; (c) throughout whole lobules or groups of lobules, intervening lobules being unaffected; (d) surrounding bronchi of medium size like a sheath.
The lobar pneumonia of influenza is characterized by frequent association with purulent bronchitis and bronchopneumonia. The bronchopneumonia of influenza exhibits characters which serve to distinguish it from other forms of bronchopneumonia; (a) The associated lesions of the bronchi are unusually severe; purulent exudate accumulates within the lumen and the lining membrane is destroyed. (b) Pneumonia is frequently hemorrhagic with accumulation of blood within the alveoli and within and surrounding the bronchi. (c) There is unusual susceptibility of the injured bronchi and of the pulmonary tissue to secondary invasion by streptococci and staphylococci with consequent necrosis and suppuration. (d) Bronchiectasis frequently accompanies bronchitis. (e) Bronchopneumonia frequently fails to resolve and the lesion assumes the character of a chronic pneumonia.
364With bronchopneumonia pneumococci are found with B. influenzæ in the bronchi and lungs in nearly half and in the blood in approximately one-third of instances of the disease, but hemolytic streptococci, staphylococci, S. viridans, B. coli, M. catarrhalis and other microorganisms are very frequently found in various combinations: they undoubtedly have a part in the production of the lesion. Mixed infection of the lung and even of the blood with pneumococci and hemolytic streptococci is often found, and study of the sputum during life has repeatedly shown that pneumococci alone are present shortly after the onset of the disease, whereas hemolytic streptococci appear later or are first discovered at autopsy. In such instances pneumococci have not infrequently disappeared from the lung and at autopsy hemolytic streptococci alone are demonstrable.
The part which B. influenzæ has in the production of bronchopneumonia is of great interest. This microorganism is demonstrable by cultures in at least three-fourths of all instances of bronchopneumonia but is obtained from the inflamed lung tissue in less than half. In no instance of pneumonia have we found B. influenzæ unassociated with other microorganisms, whereas repeatedly pneumococci have been the only microorganism demonstrable in the lung and very frequently the only organism present in the blood. In view of the difficulty of demonstrating the microorganism in plates overgrown by other bacteria, it is probable that its incidence in the bronchi is much higher, if it is not constantly present, whereas its isolation from the lung is in part referable to its presence in the small bronchi where it can be readily demonstrated by cultures or by microscopic preparations. We have been almost uniformly unsuccessful in demonstrating the microorganism in the alveoli of the lung. Goodpasture and Burnett,[106] who 365have devised a special method for the demonstration of B. influenzæ in tissues, have found few of these microorganisms in the alveoli of the lungs.
Pneumonia characterized by the occurrence of small (peribronchiolar) spots of leucocytic pneumonia upon an almost homogeneous background of intraalveolar hemorrhage, was regarded by Pfeiffer as the characteristic lesion produced by his microorganism. B. influenzæ in our autopsies has borne the same relation to this lesion which it has exhibited to other forms of bronchopneumonia; pneumococci have been present with approximately the same frequency and hemolytic streptococci have often been found.
Streptococcus Pneumonia.—The occurrence of streptococcus pneumonia with suppuration occurring in the trail of influenza was frequently observed during the pandemic of 1889–90. It is now well recognized that the streptococcus concerned is one capable of causing hemolysis. Suppurative pneumonia referable to hemolytic streptococci is of two types which are readily separable by their anatomic characters: (a) One or several abscesses are situated below the pleura and accompanied by empyema. Their relation to severe lesions of the bronchi is not infrequently demonstrable, for a destructive lesion of the bronchial wall has penetrated into the surrounding alveolar tissue so that necrosis of tissue and subsequent abscess formation occur in continuity with the bronchial lumen. The localization of the abscess below the pleura is referable to the greater severity of the lesions of the small bronchi which are most numerous at the periphery, to the greater severity of these bronchial lesions at the bases of the lung, and to the relation of lymphatics within the interior of the lung to those of the pleura. It is not improbable that stasis of lymph caused by thrombosis of the lymphatics has a part in the production of abscess. Preceding or accompanying abscess formation, the lung tissue undergoes consolidation and in a wide area about the abscess has a homogeneous gray 366cloudy appearance occasionally mottled by opaque patches of necrosis. (b) Interstitial suppurative pneumonia is a lesion not infrequently found in association with influenza (21 times among 241 autopsies) and rarely, if ever, seen in its absence. There are few references to this lesion in the pathologic literature of the English language and those of German origin in great part refer to the period of the pandemic of 1889–90. The lesion is essentially suppurative lymphangitis, and both thrombosis and suppuration of the lymphatics are widespread throughout the affected lung. In proximity to the inflamed lymphatics and the surrounding interstitial septa, lung tissue throughout parts of the lobes or even throughout a whole (lower) lobe has undergone consolidation and has the gray, cloudy appearance of streptococcus pneumonia.
Staphylococcus Pneumonia.—Abscesses produced by staphylococci differ in anatomic characters and sequelæ from those caused by hemolytic streptococci. Small abscesses occur in one or several localized clusters; these abscesses are grouped about a bronchus and have their origin in its terminal branches. This relation may be readily demonstrated in microscopic sections. The lesion tends to remain localized and pneumonic consolidation is limited to the immediate neighborhood of the group of abscesses. There is no lymphangitis and the lesion is not accompanied by empyema.
Empyema.—Empyema is almost invariably associated with suppurative pneumonia caused by hemolytic streptococci. Among our autopsies purulent fluid has been found in the pleural cavity 55 times; it occurred 15 times among 178 instances of lobar or bronchopneumonia and 50 times among 60 instances of suppurative pneumonia referable to S. hemolyticus. In our experience hemolytic streptococci and pneumococci are the only microorganisms which exhibit a noteworthy capacity to penetrate from the lung to the pleural cavity. We have not found nonhemolytic 367streptococci (e. g., S. viridans) in association with empyema.
Staphylococcus has failed to invade the pleural cavity even when a pulmonary abscess has been present below the pleura, and in the only instances in which staphylococci have been isolated from the pleural cavity thoracotomy had been performed for empyema caused by hemolytic streptococci (2 instances) or an abscess communicating with both bronchus and pleura. B. influenzæ has been found in the pleural cavity with empyema only once and in this instance cannot be regarded as the cause of the lesion, for it has accompanied hemolytic streptococci.
Bronchiectasis.—Bronchiectasis has been frequently found as a sequela of the severe bronchitis of influenza and there has been abundant opportunity to study the lesion in process of development. These observations have furnished a satisfactory explanation of its etiology and pathogenesis. Infection of the bronchi by B. influenzæ, accompanied by a variety of other microorganisms, notably hemolytic streptococci and staphylococci, has caused profound changes in the bronchial wall beginning with destruction of the epithelial surface, and followed by necrosis penetrating partially or completely through the wall and occasionally extending into the surrounding alveolar tissue. The difference between the atmospheric pressure within the bronchi and the lower inspiratory pressure within the surrounding alveoli, accentuated by forced inspiration at intervals and by occlusion of the bronchioles with mucopurulent exudate, ruptures the necrotic tissue and produces longitudinal fissures which are recognizable both macroscopically and microscopically. In consequence of the separation of the edges of these fissures by intrabronchial pressure the circumference is increased. These rents in the wall are limited and partially healed by fibrinous pneumonia about them, by new formation of fibrous tissue from the bronchial wall, and adjacent interalveolar septa, by 368organization of fibrin within adjacent alveoli and finally by growth of epithelium over the denuded surfaces.
Bronchitis caused by B. influenzæ and pyogenic micrococci with necrosis of the bronchi wall is the essential factor in the production of bronchiectasis, but advanced bronchiectasis is found only in those individuals who have survived the onset of illness during several weeks, for dilatation under the influence of positive intrabronchial and negative extra-bronchial pressure occurs slowly.
Unresolved Bronchopneumonia.—Unresolved lobar pneumonia has not been recognized among instances of pneumonia following influenza, but unresolved bronchopneumonia is of frequent occurrence and has well definable gross and microscopic characters. There are purulent bronchitis, bronchiectasis and distention of the lung tissue, so that it fails to collapse; particularly characteristic are the indurated foci of peribronchiolar pneumonia, which being firm and sharply defined, have the appearance of miliary tubercles. When the process is sufficiently long continued there are recognizable patches of fibroid pneumonia. Microscopic examination shows that the lesion is characterized by organization of fibrinous exudate not only within the alveoli but within bronchioles as well, and by thickening of the alveolar walls, thickening of fibrous tissue about the bronchi and blood vessels, and thickening of interstitial septa. These changes may occur as peribronchiolar patches of consolidation, producing tubercle-like nodules, or may involve areas of hemorrhagic peribronchiolar or of lobular consolidation, or may be limited to the immediate neighborhood of bronchi (peribronchial).
No peculiarity of the bacterial flora of the bronchi or of the lung offers a satisfactory explanation of the failure of pneumonic exudate to resolve. Mixed infections have been common and S. hemolyticus, staphylococci, pneumococci, S. viridans, B. coli, etc., have been found in association with B. influenzæ but the incidence of these microorganisms has 369not been greater than with bronchitis. The lesion has occurred in association with B. influenzæ and pneumococci unassociated with other microorganisms. It seems probable that the severity of injury to the bronchial and alveolar walls accompanied by recurring bacterial invasion or by continued infection with B. influenzæ and one or several cocci, is the factor concerned in the inhibition of resolution and the production of chronic pneumonia. If the disease does not result in early death, chronic pneumonia has an opportunity to manifest itself.
In this investigation of the bacteriology and pathology of influenza and its complications, certain microorganisms have been found so frequently that it is desirable to discuss the pathogenicity of each and to define the character of the lesions which it causes.
Bacillus Influenzæ.—The microorganism has been constantly found in association with influenza when cultures and animal inoculations have been made from various parts of the respiratory tract within from one to five days after the onset of the disease at a time when there have been acute symptoms of the disease.
It is often identified with difficulty in the presence of other microorganisms and may be overlooked when a single culture is made. Repeated cultures from the throat alone made from the fourth to the eighth day after admission to the hospital, at a time when temperature had fallen to normal, have demonstrated the presence of B. influenzæ in 30.5 per cent, whereas the incidence of the microorganism in similar cultures on admission had been 63.4 per cent. The incidence of B. influenzæ in the present epidemic of influenza is not less than that found by Pfeiffer in the epidemic which he studied in 1892.
Nevertheless we have found that B. influenzæ is frequently an inhabitant of the mouth and throat of normal individuals. By inoculation of mice with the saliva or sputum of 76 patients with influenza, the microorganism 370has been found in 80.3 per cent; by inoculation of mice with the saliva of 185 normal men at army cantonments, it was found in 41.6 per cent; by inoculation of mice with saliva from 50 recruits immediately after they were assembled from isolated farming communities where only a few cases of influenza had occurred, it was found in 22 per cent. Figures for the same groups examined by a single throat culture were as follows: 65.7 per cent, 25.9 per cent and 0 per cent.
Experiments which we have performed on monkeys show that inoculation of the nasopharynx with B. influenzæ obtained from patients with influenza is followed by ill-defined symptoms associated with the presence of B. influenzæ within the throat. After from two to eleven days the symptoms and the microorganism disappear. Injection of B. influenzæ into the trachea causes bronchitis and the microorganism may be recovered from the inflamed bronchi two or three days after inoculation.
The constant association of B. influenzæ with influenza suggests that it is the cause of the disease. Its widespread occurrence in the throats of normal individuals does not contradict this view, since pneumococci long indistinguishable from those which usually cause lobar pneumonia are commonly found in the throats of healthy men. It is possible that B. influenzæ is a secondary invader, entering the respiratory tract when susceptibility is increased by an unknown virus causing influenza; but there is no convincing evidence in favor of this view. It is desirable to determine if microorganisms having the characters of B. influenzæ found with influenza differ in type from those found in the throats of healthy men and if the invasion of the respiratory tract by B. influenzæ is followed by the appearance of immunity reactions in the serum of the patient. Experiments on monkeys demonstrate the pathogenicity of the microorganism.
371The relation of B. influenzæ to the bronchitis of influenza indicates that it has a part in the production of the pulmonary sequelæ of influenza. The microorganism has been found by a single culture from the bronchial passages in 80 per cent of instances of bronchitis with fatal pneumonia following influenza and is probably constantly present, usually in immense number, in the bronchial mucus. It is obtained from the pneumonic lung in only about 40 per cent of instances, and microscopic examination of prepared tissue shows that a bacillus with the morphology of B. influenzæ is often demonstrable in the bronchial passages but seldom in the alveoli of the lung. The microorganism is well adapted to multiply under conditions present in the bronchi but doubtless readily disappears from the alveoli which are the site of an inflammatory reaction. The microorganism has an important part in the production of the associated mucopurulent and hemorrhagic inflammation of the bronchi, but it is rarely if ever found in pure culture, being associated with a considerable variety of pyogenic cocci and occasionally bacilli. Infection of the bronchi with B. influenzæ in immense numbers offers an explanation of the severity of the inflammatory process within the bronchi, and of the subsequent dilatation and other chronic changes which occur in them. The presence of the microorganism and the accompanying injury to the ciliated epithelium and mucous glands are important factors in lowering the resistance of the bronchial passages to secondary bacterial infection.
We have obtained no evidence that B. influenzæ alone is capable of causing pneumonia. Its occurrence in less than half of all pneumonic lungs is explainable, in part at least, by its presence in the terminal bronchi which are cut across whenever the lung is punctured for culture. B. influenzæ alone has been found only once among 153 pneumonic lungs from which cultures were made, and in this instance (Autopsy 487) S. hemolyticus present in the blood 372of the heart, pleural cavity and bronchus doubtless had a part in the production of the associated pneumonia. Pfeiffer maintained that the lesion we have designated hemorrhagic peribronchiolar consolidation was characteristic of infection with his microorganisms. With this lesion B. influenzæ has been found in the lungs in slightly more than half of our autopsies but never alone, pneumococci being found in a third, hemolytic streptococci in more than a half and staphylococci in a fourth of the lungs examined.
B. influenzæ has relatively little capacity to penetrate from the bronchi into the lung tissue and rarely penetrates into the pleural cavity (once with Pneumococcus III, once with S. hemolyticus and once in pure culture), and only once has it been found in the blood of the heart, in this instance in company with S. hemolyticus. Capacity of the microorganism to penetrate from the bronchi into other tissues, both in man and as our experiments have shown in the monkey, is increased by association with pyogenic cocci.
Pneumococcus.—Lobar pneumonia following influenza, like lobar pneumonia in civil life unassociated with influenza, has been caused by pneumococci, but there is the notable difference that the pneumococci usually found are those types which are commonly present in the mouths of healthy men, namely, Types IV, III and atypical II and not the so-called fixed types, namely, Types I and II, which represent the usual cause of lobar pneumonia unassociated with influenza. It appears that influenza increases susceptibility to lobar pneumonia, so that it is frequently caused by microorganisms which under other conditions are less capable of producing this lesion. The association of the pneumococci usually found in the mouth with the lobar pneumonia of influenza does not exclude the possibility that pneumococci transmitted from one individual to another, when newly recruited troops are brought together, have an important part in the production of pneumonia.
373Bronchopneumonia is frequently caused by pneumococci and the types which are recovered from the lung and blood do not differ from those found with lobar pneumonia, those usually present in the mouth being predominant, but the incidence of pneumococci with bronchopneumonia has been much less than with lobar pneumonia. Both lobar and bronchopneumonia caused by pneumococci have undergone secondary infection with hemolytic streptococci in a large proportion of instances and both pneumococci and streptococci are often recovered at autopsy. Nevertheless, the bacterial flora of the bronchi and lungs is much more varied with broncho than with lobar pneumonia, and it is evident that microorganisms other than pneumococci are capable of causing bronchopneumonia.
In instances of bronchopneumonia associated with pneumococci, fibrin has been abundant in the alveolar exudate.
The pneumococcus exhibits a notable tendency to produce an inflammatory process which extends through the bronchial walls and from one alveolus through the alveolar walls to those adjacent, for in 6 instances in which the bronchi were surrounded by pneumonic consolidation recognizable at autopsy, pneumococci were uniformly the causative agent, Pneumococcus Type II, otherwise rarely found, being present in half of these cases.
Pneumonia caused by one type of pneumococcus does not necessarily confer immunity from other types of pneumococci, and with somewhat limited opportunity we have observed a number of instances in which, following recovery from pneumonia caused by one type of pneumococcus, a second attack of pneumonia, usually fatal, has been associated with pneumococci of a different type. This recurring pneumonia in a considerable proportion of the relatively small number of instances observed has been produced by Pneumococcus Type II which otherwise has been seldom found among the cases which we have studied. The 374virulence of this microorganism doubtless explains its ability to cause recurrent pneumonia.
Streptococcus Hemolyticus.—Secondary infection with S. hemolyticus is a common event during the course of lobar pneumonia following influenza. It is noteworthy that this streptococcus infection of the lung has almost invariably occurred in the stage of red hepatization, whereas with gray hepatization, when the alveoli are filled with polynuclear leucocytes, S. hemolyticus rarely invades the lung. It is possible that infection with S. hemolyticus tends to prolong the stage of red hepatization.
The most significant change produced in the pneumonic lung by streptococci is necrosis. When after death with lobar pneumonia hemolytic streptococci, usually associated with pneumococci, are found both in the lungs and blood of the heart, the lung contains patches of necrosis recognized microscopically, in which the alveolar walls and exuded cells have uniformly lost their nuclei. Microscopic examination demonstrates the presence of chains of streptococci in immense number in these necrotic foci; elsewhere chains of streptococci occur but are much less abundant. In some instances streptococci exhibit a tendency to enter lymphatics and to cause acute lymphangitis with lymphatic thrombosis and edema of the adjacent interstitial tissue.
Hemolytic streptococci have been more frequently found in association with broncho- than with lobar pneumonia. In 24.5 per cent of instances of lobar pneumonia, doubtless in all instances caused by pneumococci, hemolytic streptococci have invaded the lungs and in 12.6 per cent of instances have found their way into the blood. With bronchopneumonia hemolytic streptococci have been obtained from the lungs in 29.8 per cent of instances and from the blood of the heart in 34.3 per cent.
With lobar pneumonia there is little doubt that pneumococcus has been the primary cause of pneumonia, but with bronchopneumonia pneumococci have been less frequently 375found. It is difficult to determine how often hemolytic streptococci have invaded a bronchopneumonic lesion, caused by pneumococci because pneumococci tend to disappear. In numerous instances in which the sputum had been studied during life, it was evident that pneumonia was primarily referable to pneumococci, and hemolytic streptococci made their appearance in the sputum late in the disease or were first recognized at autopsy.
When hemolytic streptococci occur in association with bronchopneumonia, foci of pulmonary necrosis similar to those found under the same conditions with lobar pneumonia have been repeatedly found by microscopic examination. In the patches of necrosis, cocci in chains are much more abundant than in the tissue elsewhere.
In some instances of pneumonia, caused by hemolytic streptococci, opaque gray or yellowish gray patches of necrosis occur upon a background of flaccid homogeneous consolidation which has a peculiar cloudy, gray color. This mottled consolidation may implicate an entire lower lobe and has the characteristic features neither of lobar nor of bronchopneumonia. More frequently the lesion is less widespread and necrosis occurs in one or several spots which undergo softening so that finally a small abscess cavity may be formed; it is surrounded by pneumonic consolidation which is soft and has the cloudy appearance described above. These pulmonary abscesses are almost invariably situated below the pleural surface; the adjacent pleural cavity is infected by streptococci and there is purulent inflammation of the pleura.
Streptococcus infection, which has been described, doubtless has its origin in the bronchi, for in favorable sections it is not infrequently possible to demonstrate that necrosis extends through the bronchial walls into the surrounding alveolar tissue and is followed by suppuration with abscess formation. Localization of abscesses below the pleura is 376in part at least referable to transmission of streptococci by way of the lymphatics.
Streptococci in the lung, as in other tissues, often invade lymphatics and produce an acute inflammatory reaction within and about these vessels. The peculiar lesion which may be designated suppurative interstitial pneumonia is a suppurative lymphangitis associated with inflammation and edema of the interstitial tissue. Lymphatics invaded by streptococci are the site of acute lymphangitis; occlusion by fibrinous thrombi occurs and finally the immensely distended lymphatics, filled with purulent fluid, take a characteristic nodular or beaded form and pus flows from them when they are cut. Streptococci are present in vast numbers. Suppurative inflammation may extend to the surrounding interstitial tissue which is distended by inflammatory edema. This interstitial suppurative pneumonia extends up to the pleural surface and empyema is almost invariably associated with it. The lesion is seldom seen in the absence of influenza.
One of the most significant characters of S. hemolyticus is its ability not only to enter the bronchi and penetrate into the tissue of the lung, but to find its way into more distant structures, namely, the pleural cavity, pericardial sac and peritoneal cavity and to penetrate into the blood. Among 121 examinations, hemolytic streptococci were found in the bronchi in 47.9 per cent; among 153 examinations of the lung it was present in approximately the same proportion, namely, 50.3 per cent; among 218 examinations of the blood it was found in 39 per cent. In 4 of 5 fatal pneumonias in which the organism has penetrated into the bronchi it has ultimately found its way into the blood.
Nonhemolytic Streptococci.—In contrast with S. hemolyticus nonhemolytic types have rarely been encountered in association with the pneumonias of influenza. S. viridans has been found only 5 times among 153 autopsies in which cultures have been made from the lung and has been 377invariably associated with other microorganisms. In no instances have nonhemolytic streptococci been found with empyema. In one autopsy with lobular bronchopneumonia S. viridans has been isolated from the blood of the heart and in this instance it has been found in the bronchus and lung as well. This type of streptococcus is evidently little adapted to invade the bronchi and produce lesions of the lung and adjacent tissues.
Staphylococci.—Staphylococci have been very frequently isolated from the bronchi in association with the pneumonias of influenza, being found in approximately half of our autopsies. Their isolation in cultures from the lung in a fourth of the autopsies examined is in part perhaps referable to their presence in the small bronchi cut across when the lung is punctured for cultures. S. aureus shows little ability to invade the pleura, being found in association with empyema only 3 times; in these autopsies there has been opportunity for entrance from the exterior through thoracotomy wounds in 2 instances and from a bronchus in free communication with an abscess which had ruptured into the pleural cavity in 1 instance.
Abscesses of the lung caused by staphylococci have been found in a small number of autopsies and have exhibited characters which differ from those ordinarily seen in association with S. hemolyticus. Small, sharply defined abscesses are grouped about terminal bronchi, so that they occur in one or several isolated clusters. Microscopic examination demonstrates that these abscesses have arisen by destruction of the bronchial walls and extension of suppuration into the surrounding alveolar tissue; clumps of staphylococci are found in sections through the abscess, and cultures made from the pus within the abscess cavity demonstrate the presence of S. aureus or albus, but the microorganism may be missed if the culture is made from the adjacent lung tissue. It is noteworthy that there is little tendency for the staphylococcus to infect the pleura 378for even though these clusters of abscesses have been situated just below the pleura, there has been no associated empyema.
Staphylococci have scant tendency to enter the blood and have been obtained from the blood of the heart only once, in this instance with hemolytic streptococci.
Pneumonia of Measles.—Pneumonia following measles has been responsible for a considerable part of the deaths occurring in the United States Army during the period of the war. The importance of measles as a factor in the production of pneumonia is illustrated by the history of pneumonia at Camp Funston from the establishment of the camp in September, 1917, until September, 1918. Pneumonia following measles occurred throughout the year; but in association with the high incidence of measles during the second half of November and the first half of December, 1917, there was an outbreak of related pneumonia characterized by frequent empyema and a mortality of 45.3 per cent.
During the period of our investigation at Camp Funston there were 112 cases of measles, but no pneumonia occurred among them. At Camp Pike, during the period of observation, there was an outbreak of measles almost coincident with the epidemic of influenza, and among 867 cases pneumonia occurred in 56, otitis media in 48, and mastoiditis in 23. Pneumonia following measles was almost coincident with that of influenza, and it is not improbable that the epidemic of influenza had an important part in the production of pneumonia in individuals suffering with measles.
In 9 of 56 instances of pneumonia following measles at Camp Pike, S. hemolyticus had invaded the lung and caused pneumonia; among 48 instances of otitis media following measles a very large proportion were caused by hemolytic streptococci, and 21 of 23 instances of mastoiditis were caused by the same microorganism. No complication 379caused by S. hemolyticus occurred among 37 patients who carried this microorganism when admitted to the hospital.
A special study has been made to determine if those patients with measles who carry S. hemolyticus in their throats are especially susceptible to complications during the course of measles. The low incidence of streptococcus “carriers” among those admitted to the hospitals with measles was noteworthy both at Camp Funston (2.67 per cent) and at Camp Pike (4.2 per cent). Indeed, it was found at both places that the incidence of hemolytic streptococci in the throats of normal men in the camp was higher (Camp Funston 21.9 per cent; Camp Pike 7.4 per cent) than that in the throats of those admitted with measles. While in the hospital there was a gradual increase of the incidence of S. hemolyticus, so that in three weeks it had risen to 19 per cent at Camp Funston and to 26.2 per cent at Camp Pike. It seems not improbable that hemolytic streptococci disappear from the throat in the early stages of measles, so that they are not demonstrable by cultural methods. During the course of the disease in the hospital ward the number of those with S. hemolyticus has increased in some wards with great rapidity, infection being apparently transmitted from one individual to those adjacent. At Camp Funston the incidence of S. hemolyticus in the throats of those convalescent with measles was almost identical with that among normal men in organizations from which the patients had come, but at Camp Funston the percentage of hemolytic “carriers” among convalescents was much higher than that obtained among normal men in the camp.
The demonstration of S. hemolyticus in the throat of a patient suffering with pneumonia is not conclusive proof that the lungs have been invaded by this microorganism. Pneumonia in individuals carrying S. hemolyticus in the throat may pursue a favorable course and exhibit no evidence that the microorganism has found its way into the 380lung. In some instances hemolytic streptococci have been found in the bronchi at autopsy yet none have entered the lung or blood and the lung exhibits none of the lesions which are referable to hemolytic streptococci. Nevertheless, the occurrence of S. hemolyticus in cultures from the throat of a patient with pneumonia suggests the probability that he is suffering with streptococcus pneumonia.
Pneumonia following measles studied in 18 autopsies upon patients who died during or shortly after the epidemic of influenza, exhibited all the characters exhibited by the pneumonias of influenza. In 4 instances there was typical lobar pneumonia; bronchopneumonia was found in all but 3 instances, being associated with lobar pneumonia twice. All the noteworthy features of the bronchopneumonia of influenza have been reproduced among these instances of pneumonia with measles; there is severe injury to the bronchi, and purulent bronchitis has been present in 13 instances; pneumonia has frequently had a hemorrhagic character, hemorrhagic peribronchiolar pneumonia occurring in 5 instances; secondary infection of the pneumonic lungs with hemolytic streptococci has been common; bronchiectasis has been associated with bronchitis (in 8 instances) when purulent bronchitis has persisted several weeks; and unresolved bronchopneumonia has been more frequent (6 instances or one-third of the autopsies) than with influenza.
The bacteriology of pneumonia following measles has been the same as that of influenzal pneumonia. B. influenzæ is found with few exceptions in the bronchi and much less frequently in the pneumonic lungs.
Pneumococci have been obtained from the blood or lungs in 5 of 13 instances of lobar or bronchopneumonia unaccompanied by suppuration; when suppuration has been absent no hemolytic streptococci have been found. Pneumococci concerned in the production of pneumonia of measles, as with influenzal pneumonia, have been types usually 381found in the mouth; Pneumococcus II atypical has been found 6 times, Type IV once, Type I once.
Hemolytic streptococci have invaded the pneumonic lung in 5 instances. They have produced subpleural abscesses accompanied by empyema in 2 instances. Interstitial suppurative pneumonia, a lesion repeatedly found in consequence of secondary infection with S. hemolyticus following influenza and rarely found in this country, at least in the absence of an epidemic of influenza, has occurred 3 times among 18 instances of pneumonia following measles.
The foregoing observations show that the pneumonia following measles, which has occurred almost coincidentally with pneumonia accompanying epidemic influenza has reproduced the lesions found with influenzal pneumonia. They indicate that influenza attacking patients with measles has had a part in the production of this pneumonia.
The Transmission of Streptococcus Pneumonia.—The importance of streptococcus as a cause of pneumonia following influenza was recognized during the pandemic of 1889–90. Patients suffering with pneumonia following influenza or measles are susceptible to infection by S. hemolyticus and this streptococcus pneumonia may be transmitted from one patient to another throughout a ward in which patients with pneumonia are assembled. There is no evidence that primary pneumonia caused by S. hemolyticus has prevailed as an epidemic in the army or elsewhere in the absence of preceding infection with influenza or measles.
Our autopsies demonstrate that at least half of all deaths which have occurred at Camp Pike have been caused by hemolytic streptococci which have invaded the lung and entered the blood. It is significant that this mortality had its origin in the first half of the epidemic of influenza at a time when the military and medical organization of the camp was confronted with an unforeseen emergency which overwhelmed all agencies for the care of disease. Curves prepared by referring cases of pneumonia in which autopsy 382demonstrated the nature of the fatal infection back to the date of the onset of influenza, demonstrate that fatal streptococcus pneumonia was frequently acquired during the early period of the epidemic, the maximum number of cases occurring September 23 and 24 and became gradually less common as a sequela of the influenza which began at a later period. Fatal pneumococcus pneumonia had its origin with increasing frequency at a later period, the maximum incidence following influenza which had its onset September 29 and 30. Overcrowding of influenza patients in infirmaries, ambulances and hospital had an important part in the dissemination of streptococcus pneumonia among influenza patients whose disease might otherwise have pursued a benign course.
The most important factor in the high incidence of streptococcus pneumonia has been the spread of the disease in the hospital wards. On September 24 the base hospital contained 2,789 patients, although it had been planned to care for only 2,009. With the progress of the epidemic the number of admissions increased very rapidly, so that on September 30 the hospital contained 3,587 patients and on October 5, 4,233. After September 24 the milder cases of influenza were treated in barracks. The pressing need of diminishing the overcrowding of the hospital was fully recognized and adjacent barracks were transformed into hospital wards; between October 3 and 6, 1,362 patients were transferred from the hospital to these quarters.
In the main hospital, during the period of overcrowding 20 wards for patients with pneumonia were added to the two which already existed. These hastily organized and overcrowded wards have been attacked by outbreaks of streptococcus pneumonia, which during certain periods have been fatal to more than two-thirds of those who have been admitted with pneumonia, whereas in the two long established wards for pneumonia isolated cases of streptococcus infection, which have appeared, have failed to spread to 383other patients and pneumococcus pneumonia with few exceptions has been found in those who have died. In one newly established ward 67.5 per cent of those admitted within a period of three days have died, and in all of the 23 autopsies which have been performed, streptococcus pneumonia has been found. In another ward 50 per cent of all who have been admitted during a period of one week have died, and among the autopsies performed on these individuals pneumococcus pneumonia has been found in 6 and streptococcus pneumonia in 14. The sputum of 9 patients in this ward has been examined on admission, and pneumococci, but no streptococci, have been found. All these patients have died, and infection with S. hemolyticus has been found at autopsy in 7.
Transmission of Pneumococcus Pneumonia.—Our study of secondary ward infection has not only shown that patients with pneumococcus pneumonia following influenza are susceptible to infection by S. hemolyticus, but that patients suffering with pneumonia caused by one type of pneumococcus may be infected with another type during the course of the disease or after convalescence has begun, the second infection being acquired from patients in adjacent beds. Pneumonia caused by Type IV has ended in crisis and has been followed by a period of normal temperature; recurrent pneumonia has been fatal and Pneumococcus Type II has been found in the organs at autopsy. Pneumonia caused by Type I has been followed by recurrent pneumonia caused by Pneumococcus II atypical acquired from a patient in the next bed. These secondary pneumococcus infections acquired within the hospital are apparently not uncommon.
Prevention of the Transmission of Pneumonia.—The essential factor in the management of influenza and pneumonia is such isolation of each patient that microorganisms cannot be transmitted from one to another or from attendants or others to patients. This condition may be fulfilled 384by the separation of patients in rooms or isolated compartments especially constructed for the treatment of pneumonia and by the employment of all possible means to prevent the transmission of infection from one patient to another by physicians, nurses and orderlies. It is desirable to examine attendants to determine if they carry hemolytic streptococci in their mouths and to exclude those who are found to be “carriers.”
Influenza is a self-limited disease which, in the absence of complications implicating the lower respiratory tract, is of relatively mild character. When death occurs as the result of influenza it is with very rare, if any, exceptions referable to pneumonia; we have invariably found pneumonia in those who have died in consequence of influenza. The individual attacked by influenza may carry within his upper respiratory passages pneumococci or hemolytic streptococci capable of invading the bronchi and causing pneumonia, but in most instances the microorganism which produces serious pulmonary complications is derived from others with whom the influenza patient has come into contact. The greatest source of danger to one with influenza is contact with patients who have acquired pneumonia, and this danger is immensely increased when infection with S. hemolyticus makes its appearance among pneumonic patients. Hospital epidemics of streptococcus pneumonia will be prevented when the disease is dreaded as much as puerperal fever or the hospital gangrene of former years, and widespread knowledge of the suppurative pneumonias of influenza will bring a clear recognition of the fatal character of streptococcus infection in patients suffering with pneumococcus pneumonia.
Overcrowding of barracks has been an important factor in the propagation of acute respiratory disease and in the transformation of otherwise trivial influenza into fatal pneumonia. Crowded troop trains have doubtless had a part in disseminating infection among newly assembled 385recruits. Should these dangers be recognized they may be avoided by appropriate measures which will promote rather than retard those military aims which must be placed foremost in time of war. It may be possible by adequate expenditure to avoid the death of thousands of recruits within one month of their entrance into military service.
A second factor in the increase of death rate from pneumonia is the overcrowding and confusion of hospital facilities in the presence of an epidemic disease. When troops are maintained in camps precautions should be taken to provide effective safeguards against the overcrowding of the base hospital.
Isolation of each patient with pneumonia is the most effective way of protecting him from infection and of preventing him from becoming a possible source of danger to others. The effectiveness of this isolation will depend upon the separation of patients by some means more effective than the cubicles composed of sheets heretofore employed, upon an aseptic technic sufficiently rigid to prevent the transfer of pyogenic infection to pneumonia patients, and upon the exclusion from the ward of those who harbor S. hemolyticus.
Even should each patient be completely isolated from his neighbors, no effort should be neglected to determine, as far as possible, the nature of the infection with which he suffers. In the presence of an overwhelming epidemic such as that which attacked our army camps, the bacteriologic work which is required may be far beyond the facilities which are available and in many instances it may be wholly impossible. Nevertheless effective control of streptococcus pneumonia will depend upon its recognition as soon as it appears, and bacteriologic examination of the sputum offers the readiest means for its identification. The routine performance of autopsies will furnish an index of the success of the measures in force, and the discovery 386of suppurative pneumonia will suggest the presence of imminent danger.
However perfect the organization of pneumonia wards and however accurate the aseptic technic in force, it is desirable to separate as far as possible those infected with streptococcus from those who are free from this infection, so that the accuracy of the technic in force may not be put to too severe a test. When streptococcus pneumonia has appeared in a ward it should be closed to further admissions.
Those who are concerned in the planning and construction of military and other similar hospitals might well give special attention to the possibility of epidemics such as those which we have experienced, and special provision might be made to avoid overcrowding in the presence of a demand far in excess of the routine need for hospital facilities. In the construction of these hospitals appropriate provision should be made for the care of patients with pneumonia. Medical officers should receive detailed instruction in the organization and conduct of wards designed for the treatment of pneumonia.
Experiments were undertaken at Camp Pike in December, 1918, to determine whether bacteria freshly isolated from patients suffering with influenza and pneumonia during the outbreak of influenza and its associated pneumonias were capable of producing similar diseases when introduced into the respiratory passages of monkeys. The number of animals available for the study was limited. The attempt was made (a) to determine if B. influenzæ produces in monkeys a disease comparable to influenza of human beings, and (b) to determine so far as possible, with the limited opportunity, the character of the lesions produced by combinations of pneumococcus or S. hemolyticus with B. influenzæ and to compare these lesions with lesions produced by pneumococcus or by hemolytic streptococcus alone.
Pfeiffer[107] found monkeys alone susceptible to invasion by B. influenzæ and obtained no evidence of multiplication of the microorganism within the body of any other animal. A suspension containing mucus from the sputum of a patient with influenza was injected into a monkey. There was elevation of temperature and the animal died after seven days. Lobular patches of atelectasis occurred along the sharp edges of the lungs and the adjacent bronchial 388branches contained mucus. Cultures on agar from the bronchi remained sterile. Microscopic examination showed the presence of bacilli resembling B. influenzæ. Death was caused, the author states, by an abscess at the site of inoculation and not by the process in the lungs. Three monkeys received each 0.5 c.c. of bouillon containing a blood agar culture injected into the lung through the chest wall. There was elevation of temperature lasting from three to five days with return to normal every morning. There was cough but little evidence of illness. B. influenzæ was introduced by a platinum loop into the nose of a monkey. Febrile reaction is recorded lasting four or five days. Pfeiffer found that guinea pigs and mice were resistant to the microorganism. Large doses injected intravenously caused in rabbits intoxication with dyspnea and evidence of profound muscular weakness.
Kamen[108] used a culture of B. influenzæ which was nonpathogenic for mice, but when it was inoculated into the peritoneal cavity with streptococcus both influenza bacilli and streptococci appeared in the blood. Jacobson[109] found that B. influenzæ appeared in the blood and viscera of mice killed by intraperitoneal inoculation of B. influenzæ mixed with cultures of streptococcus either living or killed by heat. B. influenzæ which had successively passed through mice, simultaneously inoculated with killed streptococci, acquired such virulence that it was capable of producing septicemia when inoculated alone.
Richie[110] introduced by lumbar puncture a suspension of two blood agar cultures of B. influenzæ obtained from the meninges of a patient with influenzal meningitis into the subdural space of a rhesus monkey. Death occurred in eighteen hours and there was beginning meningitis. B. influenzæ was present in the exudate in abundance.
389In two species of monkeys Wollstein[111] produced fatal meningitis by injecting suspensions of B. influenzæ into the subdural space by lumbar puncture.
During the course of our investigation of pneumonia and influenza, sputum of approximately 400 normal individuals or patients with influenza was injected into the peritoneal cavity of mice. B. influenzæ was found in approximately 150 instances. In only 4 instances was B. influenzæ found in pure culture in the blood; in all other mice in which B. influenzæ appeared in the blood it accompanied pneumococcus or S. hemolyticus.
Before experiments were performed cultures were made from the throats of all monkeys in order to exclude the presence of B. influenzæ. Blood agar plates inoculated with a swab applied to the nasopharynx failed to show in any instance B. influenzæ, pneumococci, or hemolytic streptococci. Streptococci causing green discoloration of blood agar were usually found.
Inoculation of the Nose and Pharynx with B. Influenzæ.—B. influenzæ was introduced into the nose and pharynx of two healthy monkeys. An actively growing culture of the microorganism made on alkaline blood agar and sixteen hours old was used. The culture was the first subculture from a growth obtained from the nose and throat of a patient with influenza. A cotton swab moistened with broth was applied to the surface of the culture. It was introduced into the nostrils and smeared over the pharynx of the animals. A swab moistened with sterile broth was applied to the nose and pharynx of a third monkey as a control; cultures from this animal kept in a cage removed from those inoculated failed to show B. influenzæ.
Experiment 1
November 21, 1918.—Small female monkey; throat culture: negative. November 23.—10:20 A.M.—White blood corpuscles, 16,700; polynuclear leucocytes, 68 per cent; small lymphocytes, 17.5 per cent; large lymphocytes, 8 per 390cent; large mononuclears, 1 per cent; eosinophiles, 2.5 per cent; basinophiles, 0.5 per cent. 10:30 A.M.—Mucous membranes of nose and throat were inoculated with B. influenzæ as described above. November 25.—The animal appears sick and is huddled in back of its cage; the nose is running. White blood corpuscles, 13,500; polynuclear leucocytes, 44 per cent; small lymphocytes, 30 per cent; large lymphocytes, 22 per cent; large mononuclears, 3 per cent; eosinophiles, 1 per cent. 3:40 P.M.—Free epistaxis occurred after culturing of nose; the swab was discolored with old brownish blood indicating previous epistaxis. Nose culture: B. influenzæ present in abundance; Gram-positive cocci present. Throat culture: negative for B. influenzæ. November 28.—Monkey is more active and appears to be fairly well. Nose and throat cultures: negative for B. influenzæ. December 4.—Monkey is apparently well.
Experiment 2
November 21, 1918.—Small male monkey. Throat culture: negative. November 23.—10:10 A.M.—White blood corpuscles, 10,900; polynuclear leucocytes, 52 per cent; small lymphocytes, 18 per cent; large lymphocytes, 25 per cent; large mononuclears, 3 per cent; eosinophiles, 2 per cent. 10:15 A.M.—Mucous membranes of nose and throat were inoculated by means of moist swab with 4 strains of B. influenzæ recently isolated from acute cases of influenza. November 24.—Monkey is quiet and takes no interest in surroundings. November 25.—Animal appears sick and remains huddled at back of its cage. Nose culture: B. influenzæ present. Throat culture: B. influenzæ present. Swab applied to nose is stained brown with old blood indicating previous epistaxis. November 26.—Animal is still sick; nose is running. White blood corpuscles, 14,400; polynuclear leucocytes, 61 per cent; small lymphocytes, 23 per cent; large lymphocytes, 15 per cent; large mononuclears, 1 per cent. November 27.—White blood corpuscles, 11,300. November 28.—Nose culture: negative for B. influenzæ. Throat culture: B. influenzæ present. November 29.—Animal is active, but still appears sick. White blood corpuscles, 19,300. December 4.—Monkey appears well. Throat culture: B. influenzæ present.
These animals were sick two and six days following inoculation. There was discharge from the nose. In both instances there was epistaxis. The temperature of the animals was subject to such wide variation in relation to external temperature that it could not be used as an index of the progress of the disease. There was no leucocytosis, but in one animal there was some increase in the numbers of leucocytes during recovery. In one animal B. influenzæ present in the nose after two days was absent after four days. In the other animal the organism was repeatedly found in the nose and throat and was still present in the throat eleven days after inoculation. The two animals suffered 391with a self-limited disease resembling many cases of influenza.
Introduction of Bacillus Influenzæ into the Trachea.—In the attempt to reproduce the bronchitis which occurs in a considerable proportion of all cases of influenza and is almost invariably associated with B. influenzæ, this organism was introduced into the trachea of monkeys. In Experiment 3 a suspension containing young cultures of freshly isolated B. influenzæ was introduced into the trachea by a silver catheter passed through the glottis and larynx into the trachea.
Young cultures of B. influenzæ, subcultured only once after isolation from early cases of influenza, were used. The microorganism was recovered in abundance by throat swab two days later and again from the bronchus at autopsy three days after inoculation. Tuberculosis of mesenteric lymph nodes, of intestine and of liver and several small tuberculous nodules in the lung were found at autopsy. A secondary invasion of the lung by staphylococci had occurred. There was bronchitis with an inflammatory infiltration of the subepithelial tissue of the bronchi by lymphoid and plasma cells. Bronchopneumonia was present, and the bronchi and many of the alveoli contained blood. These changes do not differ essentially from the changes found in many instances of pneumonia following influenza.
In three instances cultures of B. influenzæ were injected into the trachea by means of a hypodermic syringe.
In one of these experiments (Experiment 4) intratracheal injection of 2 c.c. salt solution suspension of B. influenzæ (isolated at autopsy from bronchus of the monkey used in Experiment 3), representing growth on 1½ blood agar plates, was made with a needle inserted into trachea just above the suprasternal notch. On the following day a throat culture contained B. influenzæ in abundance. Three days after inoculation the monkey appeared to be very sick and there was profuse nasal discharge. The animal 392coughed and sibilant râles were heard over the chest. There was no leucocytosis. A throat culture contained B. influenzæ. Four days after inoculation the monkey was still sick and weak, but appeared much improved and was killed. The trachea and large bronchi contained thick viscid mucus. In the middle lobe of the right lung was a patch of grayish red, airless tissue, firmer than the lung substance elsewhere. Cultures from the trachea, bronchus and lung contained a variety of microorganisms, but B. influenzæ was not recovered.
In two additional experiments (Experiments 6 and 7) cultures of B. influenzæ forty-eight hours old were injected into the trachea of monkeys. The microorganism was recovered in cultures made from the pharynx two days later. These animals were only slightly sick.
Introduction of B. Influenzæ and S. Hemolyticus into the Trachea.—In view of the frequent association of B. influenzæ and S. hemolyticus in the sputum of patients with streptococcus pneumonia following influenza and in the bronchi and lungs of those who have died with this disease, the two microorganisms were injected simultaneously into the trachea of monkeys.
B. influenzæ and S. hemolyticus in Experiment 7 produced bronchitis and bronchopneumonia. There was acute inflammation of the interstitial tissue of the lung, and acute lymphangitis with numerous polynuclear leucocytes within the lumen of the lymphatics was present. B. influenzæ and S. hemolyticus were present in the trachea at autopsy four days after inoculation. It is probable that part of the injected culture entered the tissue outside the trachea, for an abscess was formed in this situation. It is noteworthy that acute pericarditis occurred and both S. hemolyticus and B. influenzæ were found in the pericardial exudate. B. influenzæ not infrequently exhibits this tendency to penetrate in association with other bacteria localities which it does not invade independently.
393In a second experiment (Experiment 8) in which B. influenzæ and S. hemolyticus were injected into the trachea, both microorganisms were recovered from the throat on the day following inoculation; on the fifth day S. hemolyticus alone was recovered and on the sixth day a throat culture was negative both for S. hemolyticus and B. influenzæ.
Introduction of B. influenzæ and of Pneumococcus or of Pneumococcus Alone into the Trachea.—In two experiments B. influenzæ and Pneumococcus Type III were simultaneously injected into the trachea.
In Experiment 9 a large male monkey was used and intratracheal injection made with syringe and needle of 5 c.c. salt solution suspension of Pneumococcus Type III and B. influenzæ (growth on 5 blood agar plates of mixed cultures of Pneumococcus III and B. influenzæ). On the following day the animal was very sick, lying on the floor of its cage, and was dead two days after inoculation.
The dosage of bacteria in this experiment was large. The lesions in gross appearance and microscopically resembled those seen in many instances of pneumonia following influenza. In the trachea there was loss of ciliated epithelium, congestion of the subepithelial tissue, hemorrhage and infiltration with plasma cells. The lungs were consolidated and red and there were hemorrhage and edema. B. influenzæ, as in human cases, was abundant in the bronchi, less abundant in the consolidated lung, being present though scant in the left lung, and absent in cultures from the right. B. influenzæ as in Experiment 8 with streptococcus had entered the left pericardial cavity in company in this experiment with Pneumococcus III.
In Experiment 10 a very large monkey received by intratracheal injection, made with syringe and needle, 5 c.c. salt solution suspension of Pneumococcus III and 3 strains of B. influenzæ, (2 recently isolated from cases of influenza 394and 1 from autopsy in a case of postinfluenzal pneumonia). The animal died twenty-four hours later.
This simultaneous introduction of B. influenzæ and Pneumococcus III in large quantity has produced rapidly fatal pneumonia with lobar distribution. Hepatization was homogeneous and red, and outside the consolidated parts of the lung there was hemorrhage and edema. The lesion resembled that found when death has occurred within a few days after the onset of pneumonia following influenza, but had no distinctive characters establishing its relation to pneumonia following influenzæ.
In Experiment 11 Pneumococcus III alone in small amount was introduced into the trachea of a small monkey. The animal was very sick, but its condition improved and recovery seemed probable. The animal was killed seven days after inoculation, and typical lobar pneumonia with gray hepatization was found at autopsy.
Experiment 11
November 20, 1918.—Small monkey; throat culture: negative for B. influenzæ, pneumococcus and S. hemolyticus. November 28 and December 6.—Nose and throat cultures again negative for B. influenzæ. December 9—4:30 P.M.—Intratracheal injection with syringe and needle of 0.33 c.c. of an eighteen hour broth culture of Pneumococcus Type III. December 10.—The animal is sick, huddled up in his cage with head down; there is rapid respiration with expiratory grunt and the mucous membranes are moderately cyanotic. There is frequent cough. Throat culture: Pneumococcus III present in abundance. December 15.—The animal appears to be better. Respirations are still rapid but less labored. December 16.—The animal is improving but very weak and emaciated.
Autopsy.—The pleural cavities contain no fluid. On the right side are several strands of fibrin. The right lower lobe with the exception of a small patch at the summit and the lower part of the middle lobe are voluminous, have a dull gray surface covered by a scant layer of fibrin and are firmly consolidated. On section the consolidated tissue has a gray color and is conspicuously granular, the granulation resembling, on a slightly smaller scale, that seen in human lobar pneumonia. The bronchi contain a small amount of viscid fluid.
Bacteriology.—Direct smears from the trachea and the lower lobe of the left lung contain Gram-positive diplococci. Cultures from the trachea and from the blood of the heart contain Pneumococcus III. Cultures from the left lower lobe, from the liver and from the spleen remain sterile.
395Microscopical Examination.—There is abundant infiltration of the subepithelial tissue of the trachea with plasma cells. Superficial ciliated epithelium is in places lost. At one point is a small focus of hemorrhage. Alveoli in the consolidated part of the lungs contain polynuclear leucocytes and fibrin and exhibit the appearance seen in lobar pneumonia in man.
Fig. 33.—Experimental lobar pneumonia in the stage of gray hepatization produced by injection of Pneumococcus III into the trachea of a monkey (Experiment 11). The alveoli are uniformly filled with plugs of fibrinous exudate.
In Experiment 12 B. influenzæ was injected into the trachea and two days later identified in a culture made from the pharynx; four days after inoculation Pneumococcus IV was injected into the trachea. The animal was killed seven days after the first inoculation, and three days after inoculation with pneumococcus. The lower half of the upper lobe of the right lung and the greater part of the lower and 396middle lobes were consolidated. The pleural surface of the consolidated areas was dull red and covered by a small amount of fibrin. The lower lobe, with the exception of a small part at the summit, was very firmly consolidated, on section pinkish gray in the anterior part and deep red in a small zone at the posterior border. The cut section was conspicuously granular. The trachea and bronchi contained mucus. Cultures from the trachea, the right lung and the right pleural cavity contained Pneumococcus IV in pure culture. Alveoli in the consolidated part of the lung were filled with polynuclear leucocytes and fibrin.
Lobar pneumonia has been produced by the introduction of Pneumococcus IV into the trachea. It is doubtful if preceding inoculation of B. influenzæ has influenced the course of the disease.
The foregoing experiments have shown that B. influenzæ introduced into the nasopharynx or into the trachea of monkeys is capable of causing lesions of the mucosa of these structures; the microorganism persists within the nasopharynx or trachea and is recoverable during a variable period of from two to eleven days after inoculation. Spontaneous infection of monkeys with B. influenzæ has not been observed. The animals infected with the microorganism are ill during several days, but the experimental disease like most instances of human influenza is self limited. Following inoculation of the nose and throat of monkeys with B. influenzæ there is discharge from the nose, tendency to epistaxis and absence of leucocytosis.
Bronchitis was produced by the introduction of B. influenzæ into the trachea of monkeys, and the microorganism was recovered from the nasopharynx two and three days following inoculation. There was no leucocytosis. In two experiments death occurred following inoculation, and in both instances it was found that the animal suffered with tuberculosis which had produced only trivial lesions of the 397lungs. In both animals staphylococci were obtained from the internal organs. There was bronchitis with changes in the bronchi which, although not characteristic, resembled those found in association with B. influenzæ in man. It is noteworthy that B. influenzæ is usually found mixed with other bacteria in the bronchi of those who have died with bronchitis and pneumonia following influenza. In the experimental animals there was in places superficial loss of ciliated epithelium, exudation of polynuclear leucocytes, infiltration of the subepithelial tissue with plasma cells and hemorrhage into this tissue.
In one instance simultaneous injection of B. influenzæ and S. hemolyticus, freshly obtained from autopsy upon a man dying with pneumonia following influenza, caused bronchitis and bronchopneumonia; there were acute lymphangitis and infiltration of the interstitial tissue of the lung with polynuclear leucocytes such as occurs in human cases, but the lesion had not proceeded to suppuration.
In man B. influenzæ is usually found in greatest abundance upon the mucosa of the respiratory passages, less frequently it invades the alveoli of the lungs and is almost invariably found in association with other microorganisms. In company with other microorganisms B. influenzæ penetrates into tissues outside the lungs. In Experiment 7 it has entered the pericardium, with streptococcus, and in Experiment 9 with pneumococcus. When B. influenzæ and streptococcus are injected into the peritoneal cavity of a mouse both organisms appear in the blood, whereas in the absence of streptococcus, B. influenzæ seldom leaves the peritoneal cavity.
Typical lobar pneumonia has been produced for the first time in monkeys by injecting pneumococci (in quantity as small as 0.33 c.c. of suspension) into the trachea. With the animals available it has not been possible to adjust the dosage of the two microorganisms so that the influence of one 398upon the other might be determined. Pneumococcus III, in small quantity, introduced into the trachea has produced typical acute lobar pneumonia in the stage of gray hepatization. A similar lesion has been produced with Pneumococcus IV obtained from the lung of a man dead with pneumonia.
1. Report of the Surgeon General, U. S. Army to the Secretary of War, 1918, p. 44.
2. Stillman, F. G.: A Study of Atypical Type II Pneumococci, Jour. Exper. Med., 1919, xxix, 251.
3. Opie, E. L., Freeman, A. W., Blake, F. G., Small, J. C., Rivers, T. M.: Pneumonia at Camp Funston, Jour. Am. Med. Assn., 1919, lxxii, 108.
4. Vaughan, V. C., and Palmer, G. T.: Communicable Diseases in the National Guard and National Army of the United States, Jour. Lab. and Clin. Med., 1918, iii, 635.
5. Miller, J. L., and Lusk, F. B.: Jour. Am. Med. Assn., 1918, lxxi, 702.
6. Report of the Surgeon General to the Secretary of War, 1919, i, 637.
7. MacNeal, W. J.: The Influenza Epidemic of 1918 in the American Expeditionary Forces in France and England, Arch. Int. Med., 1919, xxiii, 657.
8. Pfeiffer: Ztschr. f. Hyg., 1893, xiii, 357.
9. Wollstein: Jour. Exper. Med., 1916, viii, 681.
10. Kretz: Wien. klin. Wchnschr., 1897, x, 877.
11. Süsswein: Wien. klin. Wchnschr., 1901, xiv, 1149.
12. Liebscher: Prag. med. Wchnschr., 1903, xxviii, 85.
13. Jehle: Ztschr. f. Heilk., 1901, xx, n. s. 2, Int. Med.
14. Davis: Jour. Infect. Dis., 1906, iii, 1.
15. Lord: Boston Med. Sur. Jour., 1905, clii, 537, 574.
16. Boggs: Am. Jour. Med. Sc., 1905, cxxx, 902.
17. Wollstein: Am. Jour. Dis. Child., 1911, i, 42.
18. Rosenthal: Comp. rend. Soc. Biol., 1903, lv, 1500.
19. Wollstein: Jour. Exper. Med., 1915, xxii, 445.
20. Med. Sup. October 1, 1918 also Jour. Am. Med. Assn., 1918, lxxi, 1573.
21. Opie, Freeman, Blake, Small, and Rivers: Jour. Am. Med. Assn., 1919, lxxii, 108.
22. Vaughn and Palmer: Jour. Lab. and Clin. Med., 1918, iii, 635.
23. Soper: Jour. Am. Med. Assn., 1918, lxxi, 1899.
24. Cole and MacCallum: Jour. Am. Med. Assn., 1918, lxx, 1146.
25. Hammond, Rolland, and Shore: Lancet, London, 1917, ii, 41.
26. Abrahams, Hallows, Eyre, and French: Lancet, London, 1917, ii, 377.
27. Public Health Reports, U.S.P.H. Service, 1919, xxxiv, 33.
28. Blake: Jour. Exper. Med., 1917, xxvi, 67.
29. Avery: Jour. Am. Med. Assn., 1918, lxx, 17.
30. Dunn: Jour. Am. Med. Assn., 1918, lxxi, 2128.
31. Fantus: Jour. Am. Med. Assn., 1918, lxxi, 1736.
32. Keegan: Jour. Am. Med. Assn., 1918, lxxi, 1051.
33. Christian: Jour. Am. Med. Assn., 1918, lxxi, 1565.
34. Blanton and Irons: Jour. Am. Med. Assn., 1918, lxxi. 1988.
35. Hall, Stone and Simpson: Jour. Am. Med. Assn., 1918, lxxi, 1986.
36. Synnott and Clark: Jour. Am. Med. Assn., 1918, lxxi, 1816.
37. Friedlander, McCord, Sladen and Wheeler: Jour. Am. Med. Assn., 1918, lxxi, 1652.
38. Brem, Bolling and Casper: Jour. Am. Med. Assn., 1918, lxxi, 2138.
39. Ely, Lloyd, Hitchcock, and Nickson: Jour. Am. Med. Assn., 1919, lxxii, 24.
40. Camp Lewis Pneumonia Unit: Jour. Am. Med. Assn., 1919, lxxii, 268.
41. Jour. Am. Med. Assn., 1918, lxxi, 2068.
42. Wolbach: Bull. Johns Hopkins Hosp., 1919, xxx, 104.
43. Spooner, Scott and Heath: Jour. Am. Med. Assn., 1919, lxxii, 155.
44. Kinsella: Jour. Am. Med. Assn., 1919, lxxii, 717.
45. MacCallum: Jour. Am. Med. Assn., 1919, lxxii, 720.
46. Pritchett and Stillman: Jour. Exper. Med., 1919, xxix, 259.
47. Hirsch and McKinney: Jour. Am. Med. Assn., 1918, lxxi, 1735.
48. Parker: Jour. Am. Med. Assn., 1919, lxxii, 476.
49. Opie, Freeman, Blake, Small and Rivers: Jour. Am. Med. Assn., 1919, lxxii, 556.
51. Isolated by blood culture on Sept. 23. Patient recovered.
52. Stillman: Jour. Exper. Med., 1916, xxiv, 651.
53. Stillman: Jour. Exper. Med., 1919, xxix, 251.
54. Haller and Colwell: Jour. Am. Med. Assn., 1918, lxxi, 1213.
55. Doust and Lyon: Jour. Am. Med. Assn., 1918, lxxi, 1216.
56. Held in receiving ward 40 hours because of admission of case of meningococcus meningitis to ward by mistake.
57. Finkler, D.: Infectionen der Lunge durch Streptococcen und Influenza Bacillen, Bonn, 1895.
58. Ribbert: Anatomische und bacteriologische Beobachtungen über Influenza, Deutsch. med. Wehnschr., 1890, xvi, 61, 301.
59. Pfeiffer: Die Aetiologie der Influenza, Ztschr. f. Hyg. 1893, xiii, 357.
60. Leichtenstern, O.: Influenza, Nothnagel’s Specielle Pathologie und Therapie, Wien, 1896, vol. ii, pt. 2.
61. Krannhals: Quoted by Leichtenstern.
62. Cruickshank: Brit. Med. Jour., 1895, i, 360.
63. Birch-Hirschfeld: Schmidt’s Jahrbücher, 1890, ccxxvi, 110.
64. Kuskow, N.: Zur pathologischen Anatomie der Grippe, Virchow’s Archiv., 1895, cxxxix, 406.
65. Keegan, J. J.: The Prevailing Epidemic of Influenza, Jour. Am. Med. Assn., 1918, lxxi, 1051.
66. Symmers, D.: Pathologic Similarity between Pneumonia of Bubonic Plague and of Pandemic Influenza, Jour. Am. Med. Assn., 1918, lxxi, 1482.
67. Opie, E. L., Freeman, A. W., Blake, F. G., Small, J. C., Rivers, T. M.: Pneumonia Following Influenza, Jour. Am. Med. Assn., 1919, lxxii, 556.
68. LeCount, E. R.: The Pathological Anatomy of Influenzal Bronchopneumonia, Jour. Am. Med. Assn., 1919, lxxii, 650.
69. MacCallum, W. G.: Pathology of the Pneumonia Following Influenza, Jour. Am. Med. Assn., 1919, lxxii, 720.
70. Lyon, M. W.: Gross Pathology of Epidemic Influenza at Walter Reed Hospital, Jour. Am. Med. Assn., 1919, lxxii, 924.
71. Goodpasture, E. W. and Burnett, F. L.: The Pathology of Pneumonia Accompanying Influenza, U. S. Naval Medical Bull., 1919, xiii, No. 2.
72. Wolbach: Comments on the Pathology and Bacteriology of Fatal Influenza Cases as Observed at Camp Devens, Mass., Bull. Johns Hopkins Hosp. 1919, xxx, 104.
73. Cummings, J. G., Spruit, C. B., and Lynch, C.: The Pneumonias: Streptococcus and Pneumococcus Groups, Jour. Am. Med. Assn., 1918, lxx, 1066.
74. Cole, R. and MacCallum, W. G.: Pneumonia at a Base Hospital, Jour. Am. Med. Assn., 1918, lxx, 1146.
75. Miller, J. L., and Lusk, F. B.: Epidemic of Streptococcus Pneumonia and Empyema at Camp Dodge, Iowa, Jour. Am. Med. Assn., 1918, lxxi, 702.
76. MacCallum, W. G.: Pathology of the Epidemic of Streptococcus Bronchopneumonia in the Army Camps, Jour. Am. Med. Assn., 1919, lxxii, 720.
77. Stone, W. J., Phillips, B. G., and Bliss, W. P.: A Clinical Study of Pneumonia Based on 871 Cases, Arch. Int. Med., 1918, xxii, 409.
78. Opie, E. L., Freeman, A. W., Blake, F. G., Small, J. C., and Rivers, T. M.: Pneumonia at Camp Funston, Jour. Am. Med. Assn., 1919, lxxii, 108.
79. Jour. Am. Med. Assn., 1919, lxxii, 556.
80. Miller, W. S.: Am. Rev. Tuberc., 1919, iii, 65.
81. Wadsworth, A. B.: A Study of Organizating Pneumonia. Jour. Med. Research, 1918, xxxix, 147.
82. Kaufmann: Spezielle Pathologische Anatomie. 1909, ed. 5, p. 260.
83. Beitzke: Respirations Organe. Aschoff’s Path. Anat., 1913 ed. 3, Vol. II, p. 308.
84. Chickering, H. T. and Park, J. H.: Staphylococcus Aureus Pneumonia, Jour. Am. Med. Assn. 1919, lxxii, 617.
85. Stone, W. J., Phillips, B. G., and Bliss. W. P.: A Clinical Study of Pneumonia Based on 871 Cases. Arch. Int. Med., 1918, xxii, 409.
86. Loc. cit., p. 110.
87. Lord, F. T.: Infections of the Respiratory Tract with Influenza Bacilli, Boston Med. and Surg. Jour., 1905, clii, 537, 574.
88. Boggs, T. R.: Influenza Bacillus in Bronchiectasis, Am. Jour. Med. Sc., 1905, cxxx, 902.
89. Thornton and Pratt: Bull. Johns Hopkins Hosp., 1908, xix, 230.
90. Two cases positive for hemolytic streptococci on this examination were negative on next examination.
91. S. hemolyticus infection implanted upon a pneumococcus pneumonia. Place in Table indicates onset of pneumonia and not appearance of streptococcus complication.
92. Capps, J. A., and Davis, D. J.: Arch. Int. Med., 1914, xiv, 650; Illinois Med. Jour., November, 1912.
93. Windsor, C. E. A.: Jour. Infect. Dis., 1912, x. 73.
94. Hamburger, L. P.: Jour. Am. Med. Assn., April 13, 1912, lviii, 1109.
95. Smillie, W. S.: Jour. Infect. Dis., 1917, xx, 45.
96. Levy and Alexander: Jour. Am. Med. Assn., 1918, lxx, 1827.
97. Irons and Marine: Jour. Am. Med. Assn., 1918, lxx, 687.
98. Cole and MacCallum: Jour. Am. Med. Assn., 1918, lxx, 1146.
99. Cummings, Spruit and Lynch: Jour. Am. Med. Assn., 1918, lxx, 1066.
100. Sputum or saliva cultures on 50 of these men yielded 1 positive for S. hemolyticus. Sputum or saliva injected intraperitoneally into white mice and cultures made from the peritoneal exudate of such mice, yielded 2 additional positives in the same group of 50 men. These 3 positive cases showed very few colonies of hemolytic streptococci.
101. Per cent positive, on one culture only. Repeated throat cultures, average two per person as follows:
Cultured No. Cases Positives Once 153 11 Twice 90 7 3 times 39 3 4 times 15 1
102. Steinhaus: Ziegler’s Beitr. 1901, xxix, 524.
103. Bartels: Virchows Arch. f. path. Anat.; xxi.
104. Loc. cit., p. 116.
105. Hart: Deutsch. Arch. f. Klin. Med., 1904, lxxix, 108.
106. Goodpasture, E. W., and Burnett, F. L.: The Pathology of Pneumonia Accompanying Influenza, U. S. Nav. Med. Bull., 1919, xiii, No. 2, P. 21.
107. Pfeiffer: Ztschr. f. Hyg., 1893, xiii, 357.
108. Kamen, L.: Centralbl. f. Bakteriol., 1901, xxix, Erste Abt. 339.
109. Jacobson, G.: Arch. de méd. expér. et d’anat. path., 1901, xiii, 425.
110. Richie, J.: Journal Path. and Bacteriol., 1910, xiv, 615.
111. Wollstein, M.: Am. Jour. Dis. Child., 1911, i. 42.