The Project Gutenberg eBook of Elementary lathe practice

This eBook is for the use of anyone anywhere in the United States and most other parts of the world at no cost and with almost no restrictions whatsoever. You may copy it, give it away or re-use it under the terms of the Project Gutenberg License included with this eBook or online at www.gutenberg.org. If you are not located in the United States, you will have to check the laws of the country where you are located before using this eBook.

Title: Elementary lathe practice

As adapted to the teaching of machine shop practice in technical schools

Author: T. J. Palmateer


Release date: September 24, 2025 [eBook #76925]

Language: English

Original publication: San Jose: Nolte Bros, 1917

Other information and formats: www.gutenberg.org/ebooks/76925

Credits: Charlene Taylor, A Marshall and the Online Distributed Proofreading Team at https://www.pgdp.net (This file was produced from images generously made available by The Internet Archive/American Libraries.)

*** START OF THE PROJECT GUTENBERG EBOOK ELEMENTARY LATHE PRACTICE ***
TRANSCRIBER’S NOTE

Some minor changes to the text are noted at the end of the book.


Book cover

Elementary Lathe Practice

AS ADAPTED TO THE TEACHING OF

MACHINE SHOP PRACTICE
IN TECHNICAL SCHOOLS.


BY T. J. PALMATEER
INSTRUCTOR IN MACHINE WORK
Leland Stanford Junior University


Copyright 1917, by T. J. Palmateer

FIRST EDITION

1917

Press of Nolte Bros. Union Printer Mark San Jose, California


PREFACE

The object of this instruction book is to help beginners to acquire some familiarity with the more common lathe operations in the shortest practicable period of time. For this purpose three exercises have been designed with the view of giving the student the maximum amount of information in the small amount of time usually allowed for this purpose. The repetition of operations has therefore been avoided wherever it was considered advisable and the time lost in simply cutting off metal has been reduced as much as possible.

It is assumed that beginners will receive oral instruction on the manipulation of the lathe, as in shifting the belt, the feed control, etc. It will also be necessary for the instructor to give a practical demonstration of most of the operations.

The lathe speeds for the different operations as indicated in this book are only approximately correct since the actual cutting speed of the tool in feet per minute varies with the size and kind of lathe used. The instructor is expected to designate the proper speeds although the belt connections given herein will generally be close enough for beginners.

In case it is considered advisable to devote to the elementary lathe operations less time than would be necessary to complete the three exercises presented herein, very good results can be obtained if the student will read all of the instructions carefully and then do only Exercise No. 1 and piece B of Exercise No. 3.

The instructions here given are not intended as fixed rules for it is recognized that some of the operations may be done by other methods with equally good results.

T. J. PALMATEER.

Stanford University, Cal.
January 1917.


[Pg 5]

EXERCISE No. 1.
FIT SHAFT TO COLLAR—RUNNING FIT

Diagram showing machined tube, 6', 3/4 Outer diameter, 13/16 Inner Diameter

Cut off with a power hack-saw a piece of steel 6¹⁄₁₆ inches long from a bar 1 inch in diameter. This will allow ¹⁄₁₆ of an inch for finishing the ends and ³⁄₁₆ of an inch for turning the diameter.

An experienced lathe operator would use a piece of steel ⅝ of an inch in diameter, but for beginners it is better to use larger stock to allow for practice turning.

CENTERING

Center both ends in the centering machine. The size of the center in this shaft should be from ³⁄₁₆ to ¼ of an inch in diameter. Larger work should have deeper centers.

Fig. 1

Fig. 2

Fig. 3 Fig. 4

[6]

If a centering machine is not available, the work may be centered by first locating the center with a pair of dividers and center punch and then using a combination drill and countersink in the lathe as shown in Fig. 1. In this case the work is held by hand to prevent it from turning. As this work is to be turned, it is necessary to center it only approximately true.

Accurate Centering.—When the work is to be centered accurately, it may be done by putting one end in the lathe chuck and the other in a steady rest. A pointed tool is then used in the tool post as shown in Fig. 2. The point of this tool has an angle of 60 degrees, the same as the lathe centers, and is ground like a flat drill so that it cuts on both sides.

After the shaft is centered with this tool, a center hole about ⅛ of an inch in diameter should be drilled. This is done by holding the drill in the tail-stock of the lathe with a drill-chuck, as shown in Fig. 3. The object of this center hole is to give the center of the shaft a bearing on the lathe center a short distance back from the point, as at A in Fig. 4.

PLACING WORK IN LATHE

The work is made to rotate on the lathe centers by fastening a lathe dog to the shaft at the head-stock end, as shown at A in Fig. 5.

Fig. 5

The tail-stock center is adjusted so that the shaft will rotate freely, yet be tight enough to allow no slack, or lost motion. Since the shaft rotates on this center, it should be kept well lubricated by using machine oil, or a mixture of graphite and oil.

To get the best results in turning this sort of work, it is necessary to face both ends before turning and to rough turn the whole piece to within about 0.03, or 0.04 of an inch of the finished size before any part of it is finished. However, it is not always necessary to do this. The object of first rough turning the shaft all over is to remove the internal strains of the steel and to wear the centers down to a good bearing before any finishing cuts are [7]taken. The purpose of facing the ends is to get them square, or true, and smooth.

FINISHING END OF SHAFT

To face the ends, use a regular turning tool starting to cut from the outside and feeding by hand towards the center with the cross feed. Such a tool will leave a ridge near the center, as shown in Fig. 6. This ridge is cut off with a sharp pointed, side cutting tool, as shown in Fig. 7, which is also used for taking the finishing cut across the whole end of the bar. When taking this finishing cut, lard oil, or some other lubricant, should be used.

Fig. 6 Fig. 7

After the finishing cut has been taken, any small ridge, or fin that remains at the edge of the center is removed by slightly changing the angle of the tool in the tool post and allowing about ¹⁄₆₄ of an inch play between the centers. Having the work loose like this when the lathe is running, allows the extreme point of the side tool to extend beyond the edge of the center and cut a smooth end.

The lathe should run slow for the finishing cut and fast when the regular turning tool is used.

TURNING THE SHAFT

The first, or roughing cut, is taken with a high-speed steel tool, or bit, fastened in a tool holder. The tool holder is clamped in the tool post of the lathe so that the point of the tool is at, or a little above, the center, or axis, of the lathe, as in Fig. 8.

If the point of the bit is too high, it is easy to see that, as the shaft rotates, the tool will not cut at all, Fig. 9. In case the tool is set below the center, the cutting action is very poor so that turning tools are never set as in Fig. 10.

[8]

Fig. 8 Fig. 9 Fig. 10

Fig. 11

Speed of the Lathe.—In taking the heavy roughing cuts, the belt may be placed on the second largest step of the cone, while for the finishing cuts the lathe should run a little faster, say with the belt in the next smaller step.

Grinding Turning Tool.—The front, or point, and the sides of the tool are ground at an angle, which is called the clearance. If the tool has too little clearance, it will not cut freely, while if it has too much clearance, the point will be so thin that it will break off or become dull quickly.

The top of the tool is also ground at an angle. This is called the rake. If the tool has too little rake, it will not cut freely and if it has too much, the edge will soon break down.

It requires some practice for a beginner to learn the proper rake and clearance that should be given to a tool. Fig. 11 shows a tool ground with clearance and rake that will give very good results.

Direction Tool Should Travel.—The depth of the first cut should be about ¹⁄₁₆ of an inch and the travel of the tool should always be from the tail-stock end towards the head-stock. If the travel is in the opposite direction, the pressure on the tail-stock center is increased, causing it to heat quickly.

The length of the cut should be as great as possible without the lathe dog striking the tool, or cross-rest.

Adjusting the Lathe to Turn Straight.—After the first cut, the work should be calipered and if it is not the same diameter [9]at both ends the tail-stock should be adjusted so that the lathe will turn straight.

The tail-stock adjustment is made by loosening the main clamping nut B and one of the screws C and then tightening the other screw C on the opposite side of the tail-stock, Fig. 5.

If the shaft is larger at the tail-stock end, the tail-stock should be moved towards the front of the lathe one half the difference between the diameters of the shaft at the two ends.

In doing close work, the tail-stock should be adjusted as closely as possible, but in this case if it is off center only a little, say 0.002 or 0.003 of an inch, it will be close enough providing it is set so that the shaft will be turned larger at the head-stock end. If the tail-stock is set so that the shaft is turned larger at the tail-stock end, the shaft will be too small at the other end after the finishing cut is taken.

Fitting Shaft to the Collar.—After the roughing cut is taken and the lathe has been adjusted so that it turns approximately straight, the end of the shaft is turned for about ¼ of an inch so that it will just fit the hole in the collar, shown in the drawing of Exercise 1. To measure this: first set the inside calipers to the diameter of the hole in the collar, then set the outside calipers to the inside calipers and caliper the shaft as accurately as possible. For a final test of this diameter, remove the work from the lathe and try it with the collar itself.

The advantage of turning but ¼ of an inch at the end of the shaft is this; if the finishing cut were set too deep, only ¼ of an inch of the shaft would be too small, while if this cut were taken the whole length, the entire shaft would be too small.

After the shaft has been turned at the end so that it fits the collar, the rest of the shaft should be turned a little larger, say 0.002 or 0.003 of an inch, in diameter. This will leave enough to finish with a file.

Filing.—The object of filing is to take out the tool marks, but it is also found to be much easier to make a close fit by filing off the last 0.002 or 0.003 of an inch than to take so small a cut with a tool. The amount of allowance for filing depends upon the character of the finishing cut. Since the less filing required the better, the finishing cut should be made as smooth as possible.

The tool used for the roughing cut may also be used for finishing, but it is usually necessary to re-sharpen it. After it is reset in the tool post, the point should be flattened a little wider [10]than the pitch of the feed, say about ¹⁄₃₂ of an inch, and parallel with the work. This is done with an oilstone.

For filing work on a lathe, a single cut file is used. This is called a lathe, or mill file.

The stroke of the file should be slow, steady, and straight across the shaft. The lathe should run a little faster for filing than for turning, the object being to have the work make several revolutions for a single stroke of the file. If the lathe runs too slow and the stroke of the file is too fast, the shaft, instead of being filed round, will have a series of flat places on the surface.

After the work is finished as close to the dog as possible, reverse it in the lathe and finish that part where the dog was fastened.


EXERCISE No. 2.

Diagram of tapered shaft, with threads on each end

The finished shaft in Exercise No. 1 may be used for Exercise No. 2.

Place the shaft in the bench vise and with a rule and scriber lay off the dimensions: 1¾ in., 3 in., and 1¼ in. Then center punch the lines just deep enough so that they can be easily seen when the work is in the lathe.

Turn the large end first.

When it is necessary to turn a fixed distance, or to a line as in this case, it is well to disconnect the feed when the tool is within about ⅛ of an inch from the end of the cut and to feed the tool the rest of the distance by hand. If this is not done, the tool may travel farther than it is intended to.

It is better to turn the portions to be threaded a little under rather than over size. For if they are over size, the threads will not fit the standard size nut, but if under size the threads do not need to be cut so deep in order to fit the nut.

For measuring the diameters of this piece set the calipers as [11]accurately as possible by measuring from the end of the rule, as shown in Fig. 12.

Fig. 12 Fig. 13

Cutting Recess.—The surface at the end as well as the recesses between the threads and the taper are cut with a square-nose, or cutting-off tool, Fig. 13.

This tool should have a sharp smooth edge, the point being set level with the center of the lathe.

To produce a smooth finished surface lard oil should be used with a slow feed and lathe speed.

After the end is turned to size, reverse the work in the lathe and turn the other end and the taper before cutting the threads.

Turning Taper.—The drawing calls for a taper of 1 inch per foot. This is cut by using a taper attachment, or by setting the tail-stock off center. As most lathes are not provided with a taper attachment, the latter method will be used.

If the work was 12 inches long, the tail-stock would be moved off center ½ inch to turn a taper of 1 inch per foot. It being only 6 inches long, the tail-stock is set off center but half that amount, or ¼ inch.

Before taking the finishing cut, caliper both ends to prove that the lathe is cutting the correct taper.

THREAD CUTTING

The threads are cut to fit ½ inch and ⅝ inch nuts having United States Standard threads. These threads are flattened at the top and bottom to the amount of ⅛ of the pitch instead of being sharp pointed as in the case of Standard V-threads.

Pitch.—The pitch of the thread is the distance from the center of one thread to the center of the one adjoining. On the end of the exercise having 13 threads per inch the pitch is ¹⁄₁₃ of an inch so that the width of the flat at the top and bottom of this [12]thread should be ⅛ of ¹⁄₁₃ of an inch, or about .009 of an inch.

Lead.—The lead of the thread is the distance a nut on the screw will travel in making one complete turn. For single threads the pitch and lead are the same, but for double threads the lead is twice the pitch.

Grinding Tool.—The sides of U. S. S. threads form an angle of 60 degrees. To cut this thread in a lathe, a tool the same shape as the threads is used. A gauge for grinding this tool accurately is shown in Fig. 14.

Fig. 14 Fig. 15 Fig. 16

If a U. S. S. thread gauge is not available, the tool can be ground with the aid of a regular thread and center gauge, shown in Fig. 15. With such a gauge the angle can be ground accurately, but it will be necessary to measure the flat point with a rule.

The top of the tool should be ground so that it will be approximately in a horizontal plane when set in the lathe.

Where the thread to be cut is as fine as 13 per inch the flat surface at the point of the tool is so small that the extreme point can be oil-stoned off instead of being taken off with the grinding wheel. The flat point should never be wider than the standard size, but if it is a little too narrow it will make very little difference in ordinary lathe work.

Setting Tool.—To set the tool so that both sides of the thread will have the same angle, the thread gauge is used as shown in Fig. 16. The tool should be set on a level with the center of the lathe.

How Lathe is Geared.—To cut 13 threads per inch the work must make 13 revolutions while the carriage, which carries the tool, travels one inch. For this purpose the lathe spindle is connected [13]to the lead screw with the proper size gears and the lead screw to the carriage by a split nut. This split nut is back of the carriage apron and is opened and closed by the lever E, Fig. 17.

Fig. 17

Fig. 18

A. Index Plate
B. Stud Gear
C. Screw Gear
D. Intermediate or Idle Gear
E. Lever for connecting Carriage to Lead Screw
J. Lever for Disconnecting and Reversing Feed
K. Adjustable Stop for Thread Cutting

If the lead screw of the lathe has 6 threads per inch, the gearing to cut 13 threads per inch must have the same ratio as 6 is to 13. To cut 16 threads the ratio would be 6 to 16.

It is not necessary to figure the size of gears for the different [14]threads as all lathes are provided with an index plate that designates the proper size gears to be placed on the stud B and screw C, Fig. 17, for the desired thread.

To Set Change Gear.—To change these gears, first loosen the nuts holding the stud and screw gears B and C. Next loosen the nut G. This will allow the intermediate gear to drop away from the stud gear B. Then loosen the nut H so that the intermediate gear can be drawn back away from the gear on the lead screw C.

When the gears are put together, they should be set so that there will be a little slack, or lost motion, between the different gears. If they are set too close together, they will make a great deal of noise when running and there is also danger of breaking the teeth.

While all lathes are not designed alike the method of changing the gears is very much the same on all machines except those having the quick change-gear device. With a lathe having such a device, instead of changing the gears on the stud and screw the same result is obtained by shifting a combination of levers.

Why Feed Should Be Disconnected.—The mechanism that controls the feed, or travel, of the tool when cutting threads is independent of that used for the feed when doing plain turning. The two feeds usually run at different speeds so that if they are both in action at the same time the gears in the carriage will break. For this reason all lathes are provided with some means of disconnecting the feed used for plain turning when cutting threads.

To disconnect the feed on the lathe shown in Fig. 17, move the lever J to the central, or neutral, position. This should always be done before starting to cut the threads.

Speed of Lathe.—The lathe should run slower for cutting threads than for plain turning. With most lathes if the belt is on the largest step of the cone it will give about the right speed for cutting the threads in this exercise.

The object of running the lathe slow is to give the operator time to draw back the tool at the end of the cut and to obtain a smoother cut. If the speed of the lathe is too fast, the cutting action will be so quick that the tool, instead of cutting clean and smooth, will tear out the metal leaving a rough surface.

The slower the lathe runs the easier it is to cut the threads, but it will also take longer to do the job. It therefore requires [15]practical experience to determine the proper speed to be used for cutting the different size threads.

Chamfering.—After the lathe and tool are properly set, chamfer off the sharp corners where the threads begin and end with the side of the thread tool. The depth of this cut should be about the same as that of the threads when finished. If the corners are not chamfered, the threads, when cut, will form a very thin edge, or fin, at the ends.

Use of Adjustable Stop.—To regulate the depth of each cut an adjustable stop is used as shown at K. First move the tool so that the point just touches the work, then adjust the screw on the attachment K so that the cross-rest will not go in any farther. Now move the carriage by hand until the point of the tool is a little past the tail-stock end of the work; close the split nut on the lead screw with the lever E; and turn the screw on the attachment K so that the tool can be moved in just enough to take a very light cut.

Start the lathe and when the tool has reached the end of the cut back it out and reverse the lathe. By reversing the lathe the tool is returned to the starting point without disconnecting any of the gearing. The object of drawing the tool back is to prevent it from dragging on the work during its return.

The tool will never travel over the same path on the reverse as on the forward movement of the lathe on account of the slack, or lost motion, in the gears.

This first cut is taken to prove that the lathe is properly geared, so the work should be measured with a rule, or screw pitch gauge.

Adjust the screw at K until the tool can be moved in deeper for the next cut and repeat the operation until the thread is nearly finished. Then the tool should be reset so that it will cut on only one side at a time.

Finishing Side of Thread.—When roughing out the threads, the tool cuts on both sides of the point since it is fed straight into the work. It is much easier, though, to finish the threads smooth if the tool cuts on one side only. This is done by rapping the end of the tool holder so that it is turned in the tool post just enough to change the position of the point of the tool about .01, or .02 of an inch.

To prove that the tool is set over the proper amount, turn the [16]lathe forward by hand a few revolutions, to take out all the slack, or lost, motion in the gears, then move the tool into the groove of the thread until one side just touches the side of the thread. The other side of the tool should then be about .01, or .02 of an inch away from the side of the thread.

After the tool is properly adjusted, set the stop K. The tool is then drawn back and the lathe reversed until the tool is at the end of the work ready for a cut. It usually requires several finishing cuts to take out all the rough marks left by the roughing cuts.

When this side of the thread is finished, the other side is finished in the same manner.

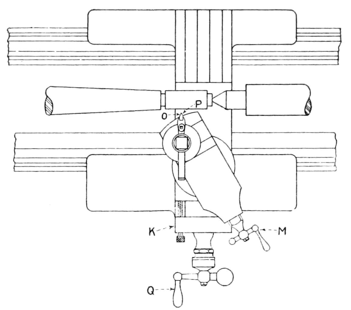
If the lathe is provided with a compound rest, a somewhat different procedure is usually followed since the rest can be set at an angle of 30 degrees with the work, as in Fig. 18.

In this case the tool is moved in by turning the small hand-crank M until the side at O has been cut to the proper depth. While making these first cuts, the stop K is merely used to bring the cross-rest to the same position each time. The tool is then drawn back slightly with the hand-crank M and the stop K adjusted so that the tool can be moved straight in by means of the hand-crank Q. This will finish the other side of the thread at P.

To determine when the thread is cut to the proper size the work is removed from the lathe and tested with a standard nut having U. S. S. threads.

After the threads are cut on this end of the exercise, it is reversed in the lathe and the other end threaded in a similar manner.

To prevent the screw of the dog from marring the portion already threaded two nuts should be screwed on and the dog fastened to the nuts.

How to Reset the Tool.—When cutting threads of this size and larger, the tool usually becomes dull from taking the heavy roughing cuts. It is then necessary to resharpen it before taking the fine finishing cuts.

To reset the tool in the lathe first get the angles correct, as shown in Fig. 16. Then revolve the lathe forward by hand to take up the slack in the gears and move the tool in close to the threads. If the tool is in a position so that it will cut too much off one side of the thread, it may be changed by disengaging the reversing gears with the lever R and turning the lathe by hand. [17]When the tool is in the proper position relative to the groove of the thread, the reverse gear lever R is reset.

In a case where the tool is off the desired position only a very little, it may be corrected by the rapping process.

If the lathe has a compound rest the tool may be brought to the correct position by turning the hand-crank M.

It would be well for beginners to practice thread cutting on a piece of scrap steel before trying to cut them on the exercise.


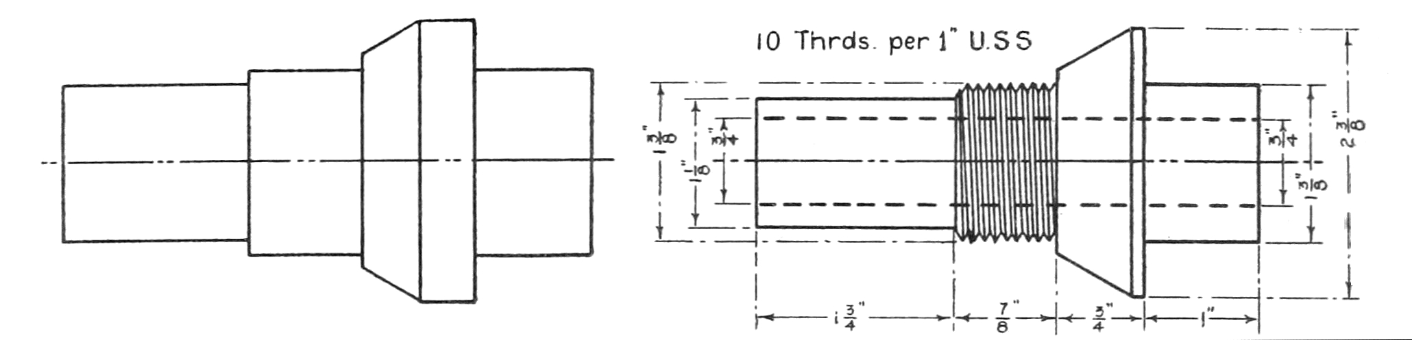
EXERCISE No. 3.
CAST IRON FINISHED ALL OVER.

Two piece, outer casing with inside threads, and inner mandrel with threads.

Sequence of Operations:
1. Finish the inside of Piece A.
2. Drill and Ream the hole in Piece B.
3. Mount B on mandrel and finish outside.
4. Screw A on B and finish the outside of A.

Piece A.

Fig. 19 Rough Casting Fig. 20 Finished Casting

10 Thrds. per 1″ U. S. S.

[18]

USE OF 4-JAW CHUCK.

To machine the inside of piece A it is necessary to hold it in the lathe by means of an independent four-jaw chuck, as shown in Fig. 21. Work of this kind is usually chucked so that the outside surfaces will be within ¹⁄₃₂ of an inch of running true.

Fig. 21

The process of chucking the work is as follows:

Centering Work in the Chuck.—Place the work in the chuck and adjust the jaws until they are all at approximately equal distances from the circles on the face of the chuck. Then put a cutting-off tool loosely in the tool post and move it close to the work and as near as possible to the end of the chuck jaws. Revolve the lathe by hand to prove if the work is centered. If it is not centered to within ¹⁄₃₂ of an inch, readjust the jaws until it is. Now move the cutting-off tool to the end of the work and turn the lathe by hand. If the end runs out of true, rap it with a hammer at such points as will correct its position.

Advantage of Proper Chucking.Fig. 21 shows the work held by the middle step of the cone. One reason for holding it in this way is to permit the rough turning of the larger step while in the chuck. If the work were held by the small end, it would be apt to work loose when taking the heavy roughing cuts on account of the distance that the work projects out and the small diameter on which the chuck grips compared with that of the large end which is to be turned.

ROUGH TURNING AND BORING.

After the work has been properly chucked, rough turn the end and the largest diameter to within ¹⁄₃₂ of an inch of the finished size.

All cast iron has a hard surface, or scale, from ¹⁄₆₄ to ¹⁄₃₂ of an inch deep so that it is necessary to run the lathe slower for the first cut than for those made after the scale has been removed. [19]In taking this first cut the tool should be set deep enough to permit the point to cut under the scale.

Speed of Lathe.—The speed of the lathe in taking the roughing cut on work of this size should be about right if the belt is on the smallest step of the cone and the back gears are used. After the scale is removed, the lathe may be run faster.

A beginner will require experience before being able to determine the proper speeds and feeds for the different kinds of lathe work.

Advantage of Roughing Inside.—As the inside of piece A must fit the outside of the piece B, the 1⅛ inch hole, the threads, and the taper must be machine true with each other, or else A will not fit into B properly. Now if the taper should be finished and the work moved in the chuck before the threads and the 1⅛ inch hole are finished, they would not be true with each other. For this reason it would be well to rough bore the inside to within ¹⁄₃₂ of an inch of the finished size before any of these three parts are finished.

Roughing Inside.—To rough bore the taper use a regular turning tool. Set the compound rest to the correct angle and feed the tool in at that angle.

If the lathe is not provided with a compound rest, the taper may be rough bored by turning both feeds by hand and following the cored surface as closely as possible.

The cored hole in the rough casting, Fig. 19, is ¹⁵⁄₁₆ of an inch in diameter which allows ³⁄₁₆ of an inch for finishing the 1⅛ inch hole and ⁵⁄₁₆ for the portion where the threads are to be cut.

Use of Flat Drill.—To rough bore the hole a 1¹⁄₁₆ flat, or lathe, drill is used as shown in Fig. 21. The holder A is clamped in the tool post so that the slot in it will hold the drill at the center of the lathe. If the drill is held above or below the center, the hole will be drilled larger than the drill. To prove that the slot in the holder is at the center, move it close to the tail-stock center. After the holder is properly set, move it as close to the work as possible and feed the drill into the exercise by turning the hand-crank on the tail-stock.

This drill removes the hard surface, or scale, and also trues up, or centers, the hole to within ¹⁄₆₄, or ¹⁄₃₂ of an inch. Now enlarge the portion of the hole where the threads are to be cut with a 1³⁄₁₆ drill.

[20]

To determine when this drill has been fed in far enough, mark on the drill with a piece of chalk the distance from the end of the work to the point where the recess is to be cut. By sighting across the end of the work the operator can then see when the drill has been fed in the proper distance.

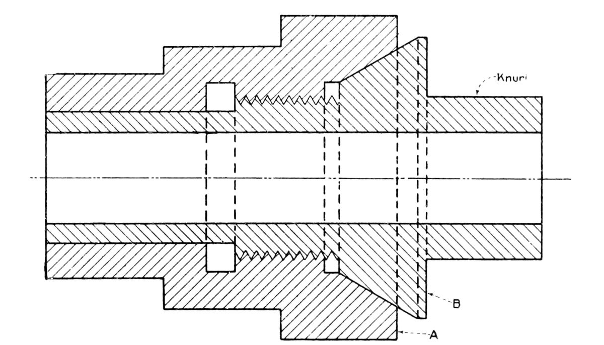
Use of Boring Bar.—To cut the square shoulder where the threads begin and the recess where they end, use a tool and boring bar, as shown in Fig. 22, held in the tool post. The width of this tool is ⁵⁄₃₂ of an inch so that it will be necessary to take two cuts to make the recess wide enough. Such a narrow tool is used because it is less liable to chatter.

Fig. 22

This tool is ground with clearance at the sides as well as at the front and it should also be noticed that it is wider at the cutting edge than back close to the boring bar. This is done so that when the tool is fed into the work there will be little, or no chance of its binding on the side.

To obtain the correct setting for the tool, move the boring bar into the hole and bring it up close to one side. The tool should then be adjusted until its cutting edge is parallel to the elements of this surface.

The work is now all roughed out so that it makes very little difference which of the three fitting parts is finished first.

FINISHING INSIDE

The 1⅛ inch hole has been drilled with a ¹¹⁄₁₆ inch lathe drill, but as such a tool cannot be relied upon to drill true to center, or size, it is necessary to turn it out with a boring tool. With [21]this tool the hole can be bored true to center and within .01 of an inch of the finished size.

The boring bar used in this case is the same as shown in Fig. 22, but the cutter has a rounded point and is similar to the tool used for outside turning except that it is ground with less clearance.

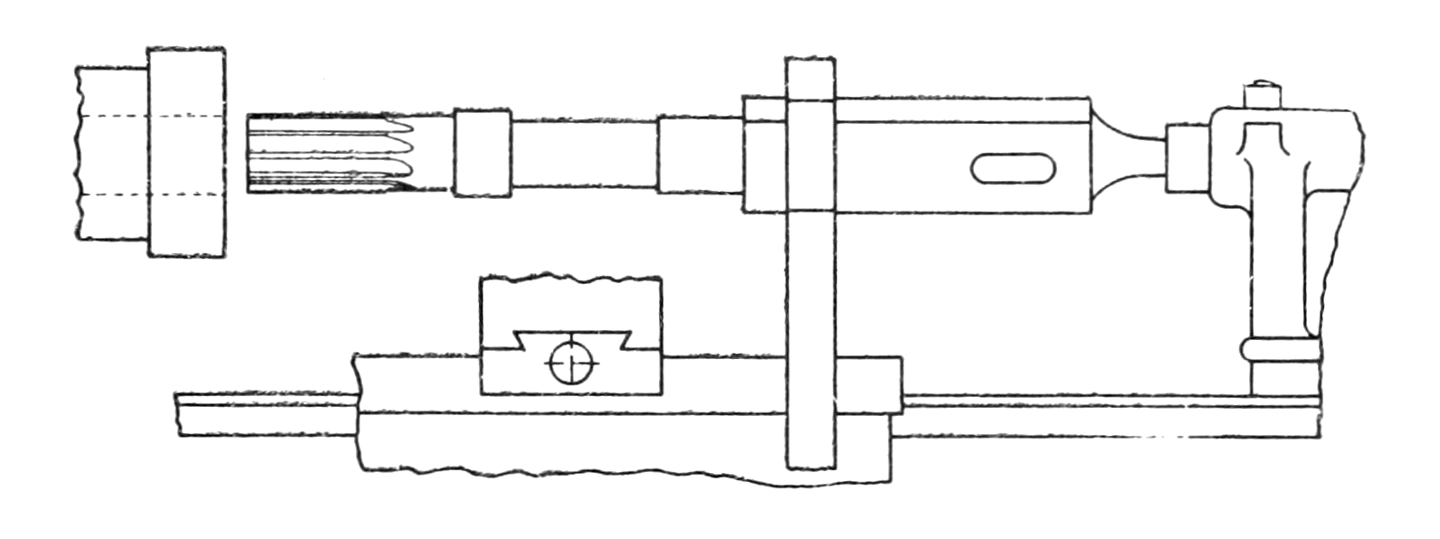
To insure accuracy and conserve time, the hole is then finished with a shell reamer held in the lathe as shown in Fig. 23.

Fig. 23

Reaming the Hole.—Before starting the reamer, the hole should be bored at the end, for a distance of about ⅛ of an inch, to the size which will just permit the reamer to enter. This diameter must be calipered very carefully and should be tested with the reamer itself. The rest of the hole is then bored about .01 of an inch smaller in diameter to allow enough material for finishing with the reamer. Since the reamer used in this case cuts on the sides as well as on the end, the hole must be bored true to center in order to be reamed true.

If the reamer has a tapered shank, it is held in the lathe by a square shank socket and wrench, as shown in Fig. 23, and is fed into the work by turning the hand-crank on the tail-stock.

Fig. 24

In case the reamer has a straight shank, it is held as shown in Fig. 24. Here a dog is fastened to the end of the reamer and prevented from turning by a tool clamped at an angle in the tool post. The end of the tool presses against the dog near the shank of the reamer so that as the reamer is fed into the work the carriage of the lathe is forced along with it. This causes the tool [22]to hold the end of the reamer against the center of the tail-stock.

When reaming work in a lathe, if the tail-stock is off center the hole will be reamed too large at the front end.

Accurate Boring with Boring Bar.—In turning out holes with a boring bar, if all the cuts are started from one end, that end will be bored larger than the other. In case the hole is to be reamed, the reamer will correct this, but if the hole is to be finished with the boring bar it will be necessary to bore the hole from both ends. This is done by reversing the feed of the carriage.

Speed of Lathe.—The speed of the lathe for reaming should be slower than when using the boring bar. If the belt is on the second smallest step of the cone with the back gears in, the lathe should have about the right speed for reaming. When using the boring bar, the belt should be on the largest step of the cone without the back gear.

INSIDE THREADING

The inside threads are cut in very much the same manner as the outside ones. The cutting tool is held in the boring bar and, like all boring tools, is ground with less clearance than tools used for outside work.

To regulate the depth of each cut, the screw in the adjustable stop is placed between the stop and the cross-rest. Then by turning the screw in after a cut has been taken the cross-rest can be drawn back to permit a deeper cut with the tool.

Cause of Threads Breaking.—When cutting threads in cast iron, they will break if the roughing cuts are too heavy and are liable to if they are cut to a sharp point. Another cause for the breaking of cast iron threads is the use of a dull tool, or one with too little clearance.

Finishing Threads.—As a general rule cast iron is machined without using a lubricant, but in finishing threads a little lard oil will aid in producing a smooth finish.

FINISHING ENDS

The end of the work may be finished by taking a very light cut with the turning tool and then scraping it with a lathe scraper, [23]as shown in Fig. 25. To provide a rest for the scraper a tool is clamped in the tool post and as close as possible to the surface being scraped.

Fig. 25 Fig. 26

A scraper is usually made from an old file ground smooth on the two sides and with a little clearance at the end.

FINISHING TAPER

To finish the taper, set the compound rest at an angle of 30 degrees with the axis of the lathe. Such a rest is normally at right angles with the lathe axis so that it must be turned through 60 degrees to cut the 30 degree angle. A regular turning tool may be used to finish this angle, but it should be set so that the straight side will be nearly parallel with the tapered surface.

If the lathe is not provided with a compound rest, the angle may be cut with the side of a tool set at the proper angle. To set this tool, use the thread and center gauge, as shown in Fig. 26.

In case the angle is any other than 30, or 60 degrees, it is necessary to set the tool with a bevel and bevel protractor.

After the taper has been cut, it may be finished smooth by scraping with a lathe scraper in very much the same manner as shown in Fig. 25. The tool that is used as a rest is set in as close as possible to the taper. If this rest is too far away from the surface being finished, the scraper will chatter leaving a rough surface.

[24]

Piece B.

Rough Casting Fig. 27 Finished Casting

10 Thrds. per 1″ U. S. S.

DRILLING AND REAMING.

This piece is first placed in the chuck, as shown in Fig. 28, and the end rough turned to see if it is a good casting. The hole is then drilled with a ²³⁄₃₂ inch twist drill and reamed out to size with a ¾ inch rose reamer.

Fig. 28

Centering Twist Drill.—This drill will not bore a hole in the center unless the point is controlled in some way. To do this, a cutting-off tool is clamped in the tool post with its point well above the center of the lathe and is then moved close to the point of the drill. As the drill starts to cut, it wabbles a little on account of the point being off center. The cutting-off tool is then gradually brought against the drill which is at the same time being slowly fed into the work by turning the hand-crank on the tail-stock. It is necessary to have the drill centered true before it begins to cut the full diameter.

The drill should be placed in the tail-stock so that the cutting edges are vertical. If they are horizontal, it will be difficult to make the drill center.

If the hole in this piece were larger, it would be cast with a core and then machined in the same manner as the 1⅛ inch hole in piece A, but since it is cast solid, the hole can be machined more advantageously by using a twist drill and a rose reamer.

Reaming.—After the hole has been drilled with the ²³⁄₃₂ [25]drill, bore it out with a small boring tool for about ⅛ of an inch from the end to the diameter that will just fit over the reamer and insure its starting true. Ream the hole with the reamer held in the same manner as the twist drill in Fig. 28.

Speed of Lathe.—The lathe should run slower for reaming than for drilling. The speed will be about right for this size reamer if the belt is on the largest step of the cone without the back gears being used. The speed for the drill may be much faster. With a high-speed steel drill, the belt can be run on the second smallest step of the cone. If the drill is made of carbon steel, a slower speed should be used.

Advantage of Rose Reamer.—In drilling long holes like this, the drill is very apt to get off center a little as it is fed deeper into the work, even though it may have been started dead true.

The reamer used in this case is called a rose reamer, or rose bit, and cuts on the end only. For this reason, if the hole is approximately true, say within ¹⁄₆₄ of an inch, it will ream the hole straight and true to size if it is once started true.

FINISHING CORNER

After the hole is bored and reamed, the work may be finished at the end by using a tool ground like a threading tool, but having an angle at the point a little less than 90 degrees, as in Fig. 29.

Fig. 29

The boss, or hub, which is 1⅜ inches in diameter, is finished with one cutting edge of this tool set nearly parallel to the work, the point being a trifle deeper than the rest. This will insure the full depth of cut for the entire length and also a good sharp corner. The direction of feed for this tool should be from the end and towards the square corner or shoulder. If it is fed in the opposite direction the tool is apt to chatter.

This tool is also used to finish the end, but it is turned a little [26]in the tool post so that the other cutting edge is nearly parallel to the surface to be cut. After using this tool, the work may be finished smoother by scraping the ends, as in Fig. 25, and by filing the boss, or hub.

USE OF MANDREL, OR ARBOR

Before this piece can be finished on the outside, it must be forced on a mandrel, or arbor, and placed in the lathe, as shown in Fig. 30. Most commercial shops are provided with hardened steel mandrels for this purpose, but if one is not available it can be made from soft steel in the following manner:

Fig. 30

Making Mandrel.—Cut off a piece of steel of suitable length, say 6 inches, and rough turn it to within ¹⁄₃₂ of an inch of the diameter of the hole. Then turn it at the end for a distance of about ⅛ of an inch to the size that will just fit the hole. The rest of the distance is now turned .002, or .003 of an inch larger and filed for about 3 inches until it will just fit the hole. The next 2 inches are filed with a slight taper so that when the mandrel is pressed into the hole it will fit tight enough to hold the casting while it is being turned. This kind of a fit is called a forced, or driving fit.

When making such a mandrel, it is not necessary to turn that portion to which the dog is fastened.

Mounting Work on Mandrel.—Before pressing the mandrel in, it should be oiled to prevent it from being marred, or scored. Mandrels are usually forced in with a mandrel press, but if one is not available, they may be driven in with a hammer. When this method is used, a piece of lead, or some other soft material, must be held on the end of the mandrel to keep the hammer from marring the center.

FINISHING OUTSIDE OF PIECE B TO FIT A

This casting is rough turned to within ¹⁄₃₂ of an inch of the finished size before any part of it is finished. The 1⅛ inch end is then turned until it fits the corresponding part of the hole in [27]piece A as closely as possible and yet not so tight that it cannot be freely rotated. This kind of a fit is called a close running fit.

Cutting Threads.—The portion to be threaded should be turned a little smaller than the diameter at the bottom of the threads in piece A. This size is measured by means of the inside spring-thread calipers.

There is no recess, or groove, cut at the end of this thread so that if the threading tool is allowed to travel farther than the end of the preceding cut, either the point of the tool or the threads may break. To prevent this, the lathe is stopped when the tool is within a half a thread of the end and the cut finished by turning the lathe by hand. In this way the lathe is kept under control and the tool may be drawn back when it reaches the end of the preceding cut. Experienced lathe operators do not, as a rule, turn the lathe by hand, but control the lathe entirely by the shipper.

The speed of the lathe for cutting this thread will be about right for beginners if the belt is on the second smallest step of the cone and the back gears are thrown in.

Finishing the Angle, or Taper.—The 30 degree angle may be cut by setting the compound rest to the correct angle and using a regular turning tool. In case the tool leaves a few tool marks, they may be removed by filing.

If the lathe is not provided with a compound rest, this angle may be cut by setting a square-nose tool, as in Fig. 31, with the aid of a thread gauge. Any other angle would have to be set with a bevel and bevel protractor.

Fig. 31

This tool is not as wide as the surface to be cut because one that will cut the full width is very liable to chatter. It is therefore better to make several cuts with a narrow tool. The surface can then be finished smooth by filing.

The closeness of the fit of this taper with that in A can be [28]tested by rubbing black paint, which consists of lamp black and oil, on the tapered surface in A. When B is screwed into A, marks will be made on B indicating the high spots. If these are not too high, they may be removed by filing.

FINISHING OUTSIDE OF PIECE A.

Piece A may now be screwed on B and the outside rough turned to within ¹⁄₃₂ of an inch of the finished size.

The ends of the different steps are finished to the proper length with the tool shown in Fig. 29. This same tool can then be used to turn the different diameters to within 0.002 or 0.003 of an inch of the required size. These steps are brought to the final size by filing.

Filing.—The file for this work should be less than 1 inch in width. If it is wider than the steps, a beginner will usually file the portion at the end of each step smaller in diameter than that which is close to the square corners.

The different diameters may be measured accurately with the micrometer calipers.

KNURLING

After piece A is finished, it is removed from B and B is reversed in the lathe so that the boss may be knurled.

In case there is enough room between the dog and the work, when held as in Fig. 30, there is no need to reverse the work for knurling since it can be done in this position.

The boss at the end of B is used as a handle so that if it were left smooth it would be hard to turn by hand. The surface is therefore made rough with a knurling tool as shown in Fig. 32.

Fig. 32

The speed of the lathe should be about the same for knurling as for thread cutting. If the lathe runs too fast, the knurling tool does not cut satisfactorily.

The tool is set so that the face of the rollers is parallel with [29]the surface to be knurled. When starting the cut, the rollers can be forced into the piece easier if about half of their width extends past the end of the work.

The knurling tool should be pressed into the work fast enough so that about one half the depth of the finished knurl will be cut while the lathe makes three or four revolutions. If the tool is forced in too slow, it will cut a finer knurled surface than the rollers are intended to cut.

The tool is fed along the surface in the same manner as in plain turning. The speed at which the carriage of the lathe moves has no effect upon the pitch of the knurled surface since this is controlled by the pitch of the grooves in the rollers. If a finer knurled surface is desired, a knurling tool having rollers with finer grooves would have to be used.


TRANSCRIBER’S NOTE

Illustrations in this eBook have been positioned between paragraphs and outside quotations.

Obvious typographical errors and punctuation errors have been corrected after careful comparison with other occurrences within the text and consultation of external sources.

Some hyphens in words have been silently removed, some added, when a predominant preference was found in the original book.

Except for those changes noted below, all misspellings in the text, and inconsistent or archaic usage, have been retained.

Pg 9: ‘straght’ replaced with ‘straight’
Pg 11: ‘shoull’ replaced with ‘should’
Pg 19: ‘diffrent’ replaced with ‘different.’