The Project Gutenberg eBook of The Strange Adventures of a Pebble

This eBook is for the use of anyone anywhere in the United States and most other parts of the world at no cost and with almost no restrictions whatsoever. You may copy it, give it away or re-use it under the terms of the Project Gutenberg License included with this eBook or online at www.gutenberg.org. If you are not located in the United States, you will have to check the laws of the country where you are located before using this eBook.

Title: The Strange Adventures of a Pebble

Author: Hallam Hawksworth


Release date: November 25, 2021 [eBook #66818]
Most recently updated: October 18, 2024

Language: English

Other information and formats: www.gutenberg.org/ebooks/66818

Credits: Tim Lindell and the Online Distributed Proofreading Team at https://www.pgdp.net (This file was produced from images generously made available by The Internet Archive/American Libraries.)

*** START OF THE PROJECT GUTENBERG EBOOK THE STRANGE ADVENTURES OF A PEBBLE ***
The Strange Adventures of a Pebble, by Hallam Hawksworth

 

THE STRANGE ADVENTURES
OF A PEBBLE

STRANGE ADVENTURES IN NATURE'S WONDERLANDS

THE
STRANGE ADVENTURES
OF A PEBBLE

BY

HALLAM HAWKSWORTH

AUTHOR OF "THE ADVENTURES OF A GRAIN OF DUST"

CHARLES SCRIBNER'S SONS

NEW YORK       CHICAGO       BOSTON

Copyright, 1921, by
CHARLES SCRIBNER'S SONS
A

THE SCRIBNER PRESS


PREFACE

The purpose of this little book is to present the chief features in the strange story of the pebbles; and so of the larger pebble we call the earth. It is hoped that readers of various ages will be entertained, without suspecting that they are being taught.

Several things led the author to believe that such a book might be wanted.

(a) The circumstances under which it was written.

(b) The fact that there seemed to be an opportunity for improvement not only in the popular presentation of scientific topics but in the character and method of review questions and suggestions following such topics in school texts.

(c) Experience has shown that pictures may be made to perform a much more vital function in teaching than is usually assigned to them in the text-books.[1]

[1] On this subject I cannot do better, perhaps, than quote from an article on "The Picture Book in Education," contributed to the New York Evening Post:

"We learn more easily by looking at things than by memorizing words about them. The principle, of course, holds whether the image which the eye receives comes from the object itself or only from the picture of the object. Therefore we should learn to read pictures as well as books.

"New York has long recognized the added efficiency in the teaching process to be obtained from the use of pictures. The Division of Visual Instruction, established thirty years ago, has an international reputation for the extent of its equipment, the simplicity of its methods, and the excellence of its results."

- vi -

(d) In the particular field to which this story relates comparatively little has been written either for reading in the family circle or for use in the school; although the relation of physiography, not only to human history and political and commercial geography but to the whole immense realm of natural science, is so basic and its great principles and processes so striking in their appeal to curiosity and our sense of the grand and the dramatic.[2]

[2] Commenting on the need of popular literature dealing with earth science, Doctor Shaler says:

"In no other fields are large and important truths so distinctly related to human interests so readily traced; yet the treatises dealing with these truths are few in number and generally recondite."

What here appear as chapters were originally little talks for the evening entertainment of the juvenile members of a certain family and the neighboring children, who were attracted by what came to be known as the "pebble parties," during the season at Mount Desert Island. They are here given in substantially the form in which they first saw the light. While they proved entirely intelligible to boys and girls of eight and ten they seemed equally interesting to the older members of the audience, including a youth of eighteen in his last year of high school, whose comments, in the language of his caste, deserve to share the credit for whatever of whimsical humor and colloquial style the author may have succeeded in incorporating into the narrative.

The familiar tone, the number and variety of the chapters, the sub-heads and marginal captions and the character and treatment of the illustrations have a similar origin. They represent the variety of aspects under which it was found necessary to present the facts in order to hold - vii - a capricious audience whose attendance and attention were wholly voluntary.

The use of unfamiliar words and scientific terms has been avoided as much as possible, consistent with the educational purpose of the book. It is to be remembered that educators do not consider it good practice to omit all words which children cannot understand at sight; the theory being that it is by the judicious introduction of words not current on the playground that the intellectual interests and capacities of children are enlarged. With regard to scientific topics (it is further argued) a large proportion of the classics of science written for the general reader and which boys and girls of fourteen and upward should be able to read easily and with pleasure—Shaler, Darwin, and Wallace, for example—contain quite a few scientific terms; and these it would be well that young people learn from context or definition in their previous reading in works of a more elementary nature.

Moreover, while younger children will read a book the general character of which interests them, even though they do not understand every word or get all the thoughts in it, sophisticated youths of the high-school age will have none of it, if they suspect that they are being talked down to. In the story of the pebble the aim, accordingly, has been not only to make a book that young people will not outgrow but one that will be of some interest to adults, particularly to travellers.

Not only in the text is special emphasis laid on the interpretation of landscape, but the character, treatment, and arrangement of the illustrations is intended to train the eye to read the story of the earth drama as recorded in the - viii - forms of valley, mountain, field, and shore. And—since the earth is not, after all, a mere geological specimen—these illustrations include reproductions of paintings, scenery as interpreted by the poet and the artist.

To create an appropriate atmosphere and so add to the vividness of conception, the twelve chapters each deal with a seasonable subject.

Relation to the Text-Book

The relation of this book to the formal study of physiography or geology in the schools will be apparent. The classified and exhaustive treatment of the text-book, while so admirably adapted to organize knowledge already acquired, or reward an appetite already aroused, is not at all adapted for creating this appetite in the first place; a thing so essential to true progress in education. For example, in a text-book, the many aspects of glaciers and their work, which are here distributed in a number of sections (as the discovery of these aspects was distributed in time), are usually dealt with in a single chapter or series of chapters, whose nature the reader at once gathers from the title, "The Work of the Glaciers."

The young reader or school pupil is thus deprived of the element of surprise, of the pleasure of following an unfolding mystery, which was at once the inspiration and reward of men of science to whom we owe these discoveries.

If left to the text-book alone, the student acquires his facts too rapidly and too easily. The result is a loss of both pleasure and profit. The movements of the glaciers and the nature of the movement, which gave Agassiz seven years of keen delight to ascertain, the pupil acquires - ix - through his text-book in something like seven minutes, and without either the pleasure or the profit of Agassiz' gradual and inductive acquirement of this knowledge.

In other words, to begin the study of a given science by means of a text-book, without previously arousing interest in the subject, is to assume a greater zeal on the part of school pupils and college students than, it is reasonable to assume, was possessed by the scientists themselves. It was the attraction of the unknown rather than the rapid acquirement of the known that drew them on to their grand discoveries, their illuminating generalizations.

In recording the pebble's story the endeavor has been to cause the reader to come upon the data on which these generalizations were based, piece by piece, here a little and there a little—as did the scientists themselves.

Interesting as the mere facts of physiographic science finally become to the trained scientist they make little appeal either to the average boy or the average adult, if he must first come in contact with them as they are presented in the text-book; classified, catalogued, labelled in scientific terms and laid away (as it seems to him) in chapter, section, and paragraph, like specimens in a museum.

Since this book is concerned mainly with landscapes and the story of the forces that helped to shape them it does not undertake to deal with mineralogy. Within the fields thus defined it is believed that the larger facts, the great moving causes of things, have been covered as thoroughly as they are in the average elementary text-book. In addition, subjects in great variety are touched upon which do not come within the province of the text-book, but are such as naturally suggest themselves in the broader and - x - richer discussion of such topics in the conversation of cultivated people.

Hide and Seek in the Library

Since the whole purpose of the school is to prepare for the larger world of life and books outside the school, special attention is invited to the department of questions and suggestions following each chapter. As indicated in the introduction to the first of the series, an effort has been made to capitalize the fact that young people enjoy conundrums and curious quests in the field of books quite as well as mere passive reading.

The treatment is somewhat discursive, and in this and other respects is intended to be more like the conversation of cultivated parents with their children than like the review questions of a text-book; the review element being incidental, in recalling the topics out of which these questions and suggestions grow. The correlations in the most modern texts lead into equally wide and varied fields.

If he has succeeded in the aim thus indicated, the author believes this department may easily prove one of the most interesting as well as educatively useful features of the work.

H. H.


- xi -

CONTENTS

CHAPTER PAGE
I. In the Beginning 1
II. The Winter that Lasted All Summer 20
III. The Soul of the Spring and the Lands of Eternal Snow 41
IV. The April Rains and the Work of the Rivers 66
V. The Fairyland of Change 93
VI. The Secrets of the Hills 113
VII. The Stones of the Field 145
VIII. The Desert 161
IX. In the Lands of the Lakes 191
X. The Autumn Winds and the Rock Mills of the Sea 212
XI. The Handwriting on the Walls 234
XII. The End of the World 260
Index 279

- xii -


- xiii -

THE ILLUSTRATIONS

In furtherance of the idea referred to in the preface, that a far more effective use may be made of pictures in teaching than is usual, a very extended use has been made of them in "The Strange Adventures of a Pebble," and, moreover, these pictures have been made to talk, as it were, by means of extended analysis and comment upon their significant features; this for the double purpose of teaching important facts, as only pictures can teach, and of stimulating the invaluable habit of observation and of logical reasoning about things observed.

One of the main purposes of the book, as stated in the preface, is to stimulate interest in further reading and study on the many subjects to which it relates.

The author wishes to make special acknowledgment of the co-operation of the editor of St. Nicholas and the following publishers in supplying the illustrations on the pages indicated:

The Macmillan Co.: 11, 29, 36, 41, 52, 83, 108, 121, 132, 145, 152, 168, 173, 195, 221, 225, 226, 235, 240, 249, 254, 257. The Century Co.: For the following from the St. Nicholas magazine: 38, 47, 70, 184, 199.

D. Appleton and Co.: 12, 22, 60, 97, 102, 136, 141, 224, 236, 241, 243, 245, 247, 252, 257. G. P. Putnam's Sons: 59, 105, 147. E. P. Dutton & Co.: 157. Henry Holt & Co.: 37, 84, 149, 193, 207, 250. Silver Burdett Co.: 28. World's Work: 79. Geological Survey: 13, 23, 114, 130, 194, 238. Wisconsin Survey: 33. Encyclopædia Britannica: 256.


- 1 -

THE STRANGE ADVENTURES
OF A PEBBLE


CHAPTER I

(JANUARY)

In the beginning the earth was without form and void.

Genesis 1:1-2.

IN THE BEGINNING

I. How the Worlds and Myself Were Born

I've been through fire and water, I tell you! From my earliest pebblehood the wildest things you could imagine have been happening to this world of ours, and I have been right in the midst of them.

HOW MR. APOLLO TURNED ON THE LIGHT

The first scenes of all in my strange, eventful history remind me of the old Greek story about Apollo and that boy of his—Phaeton. Apollo's business, you remember, was to take the sun through the skies every day in his golden chariot, so that people could see to get about. It was a ticklish job, as the horses were fiery. As a rule, however, things went fairly well. To be sure, there were overdone days occasionally, just as there are now. Then the crops would wither and the birds and brooks stop singing. This, as the little Greek boys and girls believed, was because Apollo's horses ran too near the earth.

- 2 -

HOW MR. APOLLO TURNED ON THE LIGHT

Behold the sun-god starting on his daily round! Aurora, Goddess of the Dawn, precedes him scattering flowers, the lovely colors of the morning sky. The other figures are the early hours.

The Greek poets used to play with these myth stories a good deal, changing them to suit their poetic fancy. Theocritus, for example, in a beautiful fragment that has come down to us, paints this picture of the breaking day:

"Dawn, up from the sea to the sky,
By her fleet-footed steeds was drawn."

You see, according to this poet's conception, Miss Dawn had a chariot of her own.

But nothing serious happened until one time Phaeton persuaded father to let him drive the sun chariot for a day. The horses, feeling at once a new and weak hand on the reins, tore out of the regular road and went dashing right and left. They even got so near the North Pole that the ice began to melt. They fairly flew down toward the earth, set the mountains smoking, and dried up all the springs and most of the rivers.

THEN THINGS BEGAN TO HAPPEN

They dried up a certain great lake, so that there is to this day the Libyan Desert in Africa, where this lake used to be. They made the very sea shrink so that there were "wide naked plains where once its billows rose."

- 3 -

Finally Mother Earth called on Jupiter Pluvius, as god of thunder, rain, and storms, to stop Phaeton and the runaways and put out the fire.

Struck by a bolt of lightning poor Phaeton fell headlong from the skies, and a world-wide rain put out the world-wide fire.

From a cameo by Da Vinci

THE FALL OF PHAETON

(Museum, Florence)

Now, would you believe it, this queer old Old World story may really be true in its way. Of course there never was a sun god and no spoiled boy who did just that thing; although many spoiled boys have tried to set the world on fire and failed because they thought it would be so easy.

But the earth really has been on fire in a sense; that is, has melted from the heat. And in parts where you would least suspect—the rocks. There's where I got into it. And some of these rocks, not more than ten miles[3] from where you live, are either still molten, or continue to melt from time to time; as you can see when lava comes pouring from volcanoes, such as those of Hawaii.

[3] Straight down, of course.

- 4 -

In the days of the Apollo story most men still thought the earth was the centre of the universe; that the sun, moon, and stars moved around it. But Pythagoras, one of the Greek philosophers, had formed a general notion of the truth that the earth is only one planet in a great system. Then, along in the Sixteenth Century, came Copernicus, and by mathematical calculation—he was a fine hand at figures—began to find out things that showed the wise old Greek had made a happy guess. Then Galileo, Kepler, Newton, and others, each working on different parts of the problem, finally settled the question. They found that there are just worlds of worlds, and that ours is only one of them.


About the time of the American Revolution a great French mathematician, Laplace, worked out a story of the origin of the earth which is, briefly, this:

What we know now as the solar system—the sun with its attendant worlds—was once a single big ball of fiery gas, a nebula. As this nebula cooled it shrank, and as it shrank it whirled faster because it had a smaller track in which to turn, and with an equal amount of force would, of course, get around oftener. The faster it whirled the more the outside of it tended to fly off, as water flies off a whirling grindstone or as a stone flies from a sling. This centrifugal or "fly-away" force was greatest at the sun's equator, and it threw off big rings. Afterward, around some centre of greater density in these rings, the gaseous particles in the rest of the ring gathered, so forming spheres. Then some of the spheres themselves threw off rings in the same way which became what are called - 5 - satellites. The moon, which is our satellite, Laplace supposed to have originated in this way. The ring which Saturn still wears he thought would some day become a satellite.

By permission of the Mount Wilson Observatory

WATCHING THE MAKING OF WORLDS

At first you won't see anything very striking about this picture, perhaps; but doesn't it give you something of a thrill to be told that you are here looking not only at the making of a world, but of worlds of worlds? A whole solar system! In the course of unthinkable time that big, round ball in the center will be the sun, and what appear to be little knots wrapped close around it—they are really far from each other and from the sun—will become rounded worlds like ours. They will be forced into roundness by their own gravity, pulling toward their centers. They don't look any farther apart than the strands in a little sister's braided hair, do they? But remember how small this picture is compared with what it represents. What here show as little dark lines, separating the embryo worlds, are in reality vast spaces, like those you see between the stars at night—millions and millions and millions of miles!

So, you see, the myth story of Phaeton foreshadowed, - 6 - in a way, the science story of Laplace. For, according to the Laplace theory, the world was on fire; and a big rain storm, lasting for ages, with plenty of thunder and lightning, did help put it out.

This theory of Laplace was long accepted as the true one. Indeed, it was only yesterday, comparatively, that other explanations were offered as to how we came to have a world to stand on. The broadest of these new theories—the one that undertakes to explain the most—is that of Professor Chamberlin, of the University of Chicago.

THE SUN AND HIS PEBBLE WORLDS

However the worlds of our solar system may have been made, when they were done there was the sun in the centre and his worlds travelling around him in their ordered orbits. Nearest the sun is Mercury. Then Venus, Earth, Mars, Jupiter, Saturn, Uranus; then, finally, Neptune nearly 3,000,000,000 miles away and with an orbit so big that Christmas comes only once in 60,000 years!

YOU CAN SEE THESE WORLDS IN THE MAKING

Owing to the more powerful telescopes of to-day, and the amount of exploring among the worlds that has been going on since the time of Laplace, several things have been discovered that have brought his theory into question. For one thing, many more nebulæ have been found in space than were known when Laplace worked out his great conception, and among them all not one has been - 7 - found with a central mass surrounded by a ring. Moreover, our sharp-eyed telescopes show that Saturn's ring, which Laplace thought was a solid mass, is really made up of a great number of small satellites: baby worlds. The greater number of these nebulæ are like the ones you see in the illustration on page 5. They consist of very bright centres with spirals streaming out from opposite sides. Just take a look at the picture. Doesn't the shape of those spirals suggest that the central mass is whirling? And notice the little white lumps here and there. The thinner, veil-like portions of the mass, as well as the "lumps," are supposed to be made of particles of matter, but the lumps to be more condensed. All the particles, big and little, are - 8 - known to be revolving about the central mass, much as the earth revolves about the sun. The little white lumps, or knots, in the filmy skein are supposed to be worlds in the making. Being larger than the other particles, they draw the smaller to them, according to the same law of gravitation which makes every unsupported thing on earth fall to the ground, because the earth is so much bigger than anything there is on it. Since these bright little lumps behave so much like the worlds we know as planets, and yet are relatively so small, they are called planetessimals, or "little planets." So Professor Chamberlin's idea of the origin of worlds is known as the "planetessimal theory."

HOW YOU CAN WATCH THE WORLD TURN ROUND

Timepieces, you know, are really machines for keeping track of the apparent movement of the sun. Here is a device, as simple as a sun-dial and much simpler than a clock, by which you can record the actual motion of the earth. Sprinkle the surface of the water in a bowl with chalk dust. On this, sift from a piece of paper powdered charcoal or pencil dust, so as to make a clean-cut band extending across the centre and over the edge of the bowl. In the course of several hours you will find that the black band has swept round from east to west, because the water has stood still while the bowl has been carried from west to east by the whirling world.

According to this theory the earth was once a mere baby world like those white lumps, and grew by gathering in its smaller neighbors from time to time by the power of gravitation. The larger it grew the more particles of solid matter it could draw to itself. Then it drew larger masses, for with increased mass came an increased pull of gravity. In the same way the earth is still growing, for it is thought that the shooting stars or meteors we see at night are little planets being gathered in.

II. How the Continents Came Up Out of the Sea

And before I got to be myself at all, while I was still only a part of the big pebble called the Earth, your geography and I lay at the bottom of the sea.

For ages and ages!

This is one of the stories you will find in the literature of science, of how, along with North America, South - 9 - America, Europe, Asia, Africa, and Australia—have I left out any?—I came to land and brought your geography with me.

I remember hearing a pretty young lady say, once upon a time:

"There," said she, "I'm through with geography forever!"

You see, although she had passed with marks around 90, she still had the idea that geography is a book. You and I know, of course, that the real geography isn't a book at all. It's the world itself.

PUTTING THE CONTINENTS ON THE GLOBE

But there was a time when there was no land. It was all water, and the continents were lifted into their places, much as you model a continent in making a relief map; they were sketched out and then filled in. North America, for example. First of all up came that mass in the northeast in what is now Canada; the Laurentian Highlands, as they are called in your geography. They rose very, very slowly, you understand, only a few feet in a thousand years; for Nature has all the time there is and never hurries. These highlands (they are really granite mountains worn down), along with the other rock formations of our continent, are supposed to be the oldest land on the earth. The continents of Europe and the rest were born later. So you see Columbus didn't discover the New World at all; he really came from the New World and discovered the Old!

Next after the highlands north of the St. Lawrence up came the tops of the mountains you see running along - 10 - the eastern coast, what we now call the Appalachians. Then the Rocky Mountains began to raise their heads and looked eastward toward their brother mountains across a great mediterranean sea, the bottom of which is now the Mississippi Valley. Mediterranean means "middle of the land."

HOW YOUR GEOGRAPHY ROSE OUT OF THE SEA

ADMITTING NEW STATES TO THE MAP

Wisconsin, into which I moved from the Laurentian Highlands in later years, was on the lower end of a long, thin tongue of rock reaching out from these highlands to the southwest. While Wisconsin went on growing, the Alleghanies came up and brought some Middle Atlantic geography with them. Up with all these early settler mountains came, in the course of time, the beginnings of neighbor States. All these big, barren rocks (as they were then), rising and ever rising, age after age, spread more - 11 - surface to the sun. And the sun, and the wind, and the frost, followed by the lowest forms of plant life—the Adams of the vegetable world—gradually worked the surface of the rock into soil; and so, as we may say, got ready for the spring plowing.

LANDS THE SEA HAS SWALLOWED

Parts of the continents as they used to be but which are now beneath the waters are here shown. Compare this with the globe map in your geography. It is estimated that there are 10,000,000 square miles of this land. You'll hear more about this swallowing habit of the sea in Chagter X; but, as you will learn, there's nothing to be frightened about.

By this constant rising and building on of the soil the foundations of our States grew out toward one another in order, according to the constitution of things, "to form a more perfect union." The United States, at a time which, we may say, corresponds to "The Expansion Period" in your school history, grew southward from Wisconsin and westward from the Appalachians until they made continuous land; and there was your Ohio and Indiana and the rest of the North Central group. Below, toward the south, were more big stone islands here and there, the first sketches or blockings out of the Southern States. Florida seems to have been added later, as a final touch; an afterthought, as one of my Wisconsin neighbors puts - 12 - it. And it was much enlarged by those remarkable little world builders, the corals. Mexico and Central America, of course, are a part of the Rocky Mountain system.

From Gilbert and Brigham's "An Introduction to Physical Geography." By permission of D. Appleton and Company

BUT WON'T WE GO UNDER AGAIN?

These little people of the sea-floor furnish one of the most assuring evidences we have that although the continents rose out of the sea, they will never go under the sea again. These are shell creatures found in the slime dredged from the bottom of the deepest parts of the sea. The shells of creatures that live near shore are found in abundance in our rocks, but these types are found only in the deepest seas. So, since the deep down-wrinklings of the earth that make the sea-basins have never risen, it is probable they never will; and consequently that the up-wrinkles—the continents—will continue to stay above the waters.

It's a wonderful old story, isn't it? But more wonderful still, it always seemed to me, is the story of how they found all this out.

- 13 -

Who do you suppose first told about it? The last people you would ever think of, I'm sure—the oysters!

WHAT THE OYSTERS TOLD XENOPHANES

It sounds like a passage from "Alice in Wonderland," or "Through the Looking-Glass," doesn't it? But it's a fact. Away back, more than 2,000 years ago, a wise Greek called Xenophanes, who lived in a place called Colophon, and so was called Xenophanes of Colophon, said that he thought the rocks of the mountain sides must once have been under the sea because of the oyster shells that were found embedded in many of them.

HOW THE OYSTERS TOLD THE GREAT SECRET

Here is a good example of the thing that led wise old Xenophanes of Colophon to make the startling assertion that the mountains were once at the bottom of the sea. These are the shells of oysters embedded in limestone—which, by the way, the shells of the oysters themselves helped make—and this piece of stone is from the top of a high mountain.

"For," said Xenophanes of Colophon, "how else could - 14 - the oyster shells have got there? Who ever heard of oysters climbing a mountain?"

Another evidence that lands come up out of the sea is this: Even before the days of Scott and Maryatt and Fenimore Cooper, men—and, of course, boys—were interested in caves that face upon the sea. They are such jolly places for pirates, and for boys playing pirate, and for mermaids drying their hair. It was plain that down where the waves in storms could reach them the sea itself bored out these caves. But how about those caves in the cliffs high above the waves? The sea must have made them, too, once upon a time when the land was lower in the water. Then the land was raised.

Still more striking was the fact that not only caves but old sea beaches were found on hill and mountain slopes far from the sea, sometimes hundreds of miles inland. You can tell the old beaches by their shape and the way in which the pebbles are sorted by size, just as you find them on beaches to-day.

THE BAKED APPLE AND THE BULGING WORLD

The causes of the rise and fall of the sea coasts are many, and there are things about these movements not yet understood. By what wonderful machinery, then (we might naturally ask), were the continents themselves lifted out of the sea? To this, which would seem much the harder question of the two, the answer is simple; as simple as a baked apple. You know an apple that goes into the oven with a smooth, neat skin comes out covered with wrinkles. Now suppose, instead of a little, hot apple, covered with a thin skin, you have a big, hot earth covered with a thick crust of stone, and the inside of the earth shrinking all the time as the inside of the apple shrank away from its skin. The rock skin would wrinkle, and the wrinkles, rising out of the seas that then covered it everywhere, would make continents.

- 15 -

THE RISE AND FALL OF JUPITER SERAPIS

In this account of the ups and downs of land and sea I must tell you the story of Jupiter Serapis. In the days of the Romans this temple, for his honor, stood on the seashore near Naples. Of that temple only three pillars remain, but they answer a very important question. On these pillars, over twenty feet above sea-level, is a belt of holes bored in the stone by a certain shelled sea-creature, one of the barnacle family; so evidently these pillars must, at some time, have sunk, as shown in the second picture, and then risen again, as shown in the third, which represents them as they stand to-day.

Another interesting thing is that the third picture—observe—shows a volcano that isn't in the other two. Following a series of earthquake shocks in 1538 the earth opened and out popped hot stones and ashes and built themselves into a small volcano right before everybody; for it was all done in a short time, and you may be sure the frightened people kept their eyes on it, and they named it Monte Nuovo, which is Italian for "New Mountain."

- 16 -

"And God said, Let the waters under the heaven be gathered together into one place, and let the dry land appear: and it was so."

According to the planetessimal theory the way in which the seas were made was this:

Owing to the collision—the "bang"—of the planetessimals against the earth, and against each other as they met at the "terminal station," heat was generated. The compression, the squeezing together, of the earth from its own weight—the gravity pull of the whole mass toward the centre—generated still more heat, and the heat and pressure drove the gases out of the rock. These gases included hydrogen and oxygen. These two gases cooling and combining themselves, in a way they have, became water, and there were other gases, such as nitrogen and carbon gas, that helped to make the air.

WHEN THE SEAS WERE ALL IN THE SKY

At first the water was in the form of dense clouds of overhanging vapor which, growing bigger and bigger, finally fell in rain. The heat, made by the pressure of the outside of the earth toward the centre as the earth kept growing, caused volcanic explosions. But there were far more volcanoes in those early days when the earth was settling down, and being "settled up," as it were, by these energetic pioneers in the fields of space—the planetessimals—and - 17 - the surface became pitted with craters. In these great catch basins the rain was stored, and, as for ages the rain kept falling faster than the vapor rose from the earth, many of these bodies of water united, and so formed the lakes, the river systems, the oceans, and the seas.

THE FOUR GREAT FEATURES OF THE BIBLE STORY

All of which, while it differs so much from the theory of Laplace, does not affect the Bible outline of the origin of the earth. For these four great things must still have been: (1) an earth without form, and void; (2) a great deep; (3) upon its face darkness from the continuing masses of black rain-laden clouds which overhung it and shut out the sun; (4) the final dividing up of supply between the vapor of the clouds ("the waters above the earth") and "the waters upon the earth," so that at last the dark cloud curtain disappeared, and the sun began to rule the day. "Let there be light."


But good-by to Phaeton and the story of an original glowing ball which cooled off on the outside. If the earth grew bit by bit instead of being whirled off in one fiery mass by the sun it was never any hotter than it is now, if as hot. It grew hot by being pressed together by its own weight, and by the blows of additional little worlds as they fell upon it.

But on one thing everybody agrees, that the rocks, as you go toward the earth's centre, have been and still are in a molten state; that this rock, when it cools, becomes granite, all full of little crystals like a lump of sugar, and that the Granites are one of the F. F. E.'s.[4]

[4] First Families on Earth.

- 18 -

I, as you see, am a Granite. So, besides going through fire and water—yes, and ice, as you will learn—and having many strange and wearing adventures both by land and sea—I'm "awfully" old. Older than you think. I looked it up in the family record called the "Geological Column"—just the other day. That column gives my age as "80+." This means I'm 80,000,000 years old, going on 81! (The plus sign, in geology language, means "going on"; or, "and then some," as a certain slangful high school freshman puts it.)

But I don't think I show my age. Do you?

HIDE AND SEEK IN THE LIBRARY

Who wants to sit and be talked to all the time? When boys and girls are playing games, the greatest pleasure is in taking part, and it's the same way in the Wonderland of Books. Books mean most to those who "get into the game"; who help chase after the answers to things. This hunting for answers up and down among the books is one of the interesting games we're going to play; and those of you who don't come in will miss a lot of fun. That's all I've got to say! Let's begin like this:

In the Greek myth stories what else was Mr. Apollo supposed to do for the world and its people besides turning on the light?[5]

[5] Answers to all these questions at the ends of chapters will be found in books you can easily get hold of—encyclopædias, dictionaries, and school-books; or books usually found in home, school, or public libraries. Words in parenthesis or italics indicate the headings where the information referred to will be found.

Why doesn't the force of the earth, whirling along as it does at 19 miles a second, cause the wind to blow us all away? (Earth.)

What is the difference between a planet and a sun?

How does the earth compare in size with its brother planets of the sun family?

How often would Christmas come around if we lived on the moon?

- 19 -

What causes different phases of the moon?

Why may we be said to have eclipses of the moon every month?

"Moon" and "month" sound a good deal alike when you come to think of it. Don't you wonder why? "Moon" comes from a word meaning "to measure." You'll find the rest of the word-story of the moon in any dictionary that is big enough to tell about the origin of words.

By the way—speaking of the timekeepers in the sky—don't forget to look up the lives of the great astronomers mentioned in this chapter. You will find, among other things, how Galileo, when only eighteen years of age, helped to give us our clocks and watches by counting his pulse-beats while watching a hanging lamp swing back and forth in the Cathedral of Pisa; how he found out who "The Man in the Moon" really is and what the "Milky Way" is made of; how he invented the wonderful glass for playing hide and seek among the worlds, and with it found four moons in one night!

Yes, and how do you suppose he found that the sun is going round and round like a top, just as the earth does? It was the simplest thing! You'll see!

Old Father Science may be said to be a Santa Claus who keeps a curiosity-shop. His pack is not only full of curious things but he is always "springing surprises on us," as our High School Boy puts it. For example, one of the most curious as well as picturesque evidences that great stretches of land sink under the sea from time to time is furnished by the English swallows. Like many other wealthy people, they spend their winters in Algiers, and they find their way over the Mediterranean, not by any lands they can see between coast and coast—for there are none—but by lands that used to be there, thousands upon thousands of years ago.

But how do the swallows know? They don't. Is it instinct? No. (Whatever instinct is!) Then why do they do it? Look it up and you'll see.[6] Yes, and you'll see that we have habits that we get in the same way; our habits of bowing, for example, because it's the custom, although few people know how it originated.

[6] "Colin Clout's Calendar," by Grant Allen.


- 20 -

CHAPTER II

(FEBRUARY)

Up rose the wild old Winter King
And shook his beard of snow;
"I hear the first young harebell ring,
'Tis time for me to go!
Northward o'er the icy rocks,
Northward o'er the Sea."
Leland.

THE WINTER THAT LASTED ALL SUMMER

It's been just one thing after another with the world and me ever since we were born. First it was the fire, then it was the flood, and then it was the winter that lasted all summer.

Just what started it nobody knows to this day. Some of the theories have been that this particular winter stayed so long because the earth wavered on its axis, or that it flew the track for a while and got too far away from the sun. From our present knowledge of the machinery of the heavens it is certain that the earth's motions could not vary to this extent. One theory that appeals to many scientists to-day is that when so much of the carbon in the air went into the making of our coal beds the earth became unusually cold, and so snows of each successive winter kept piling up instead of melting away during the spring and summer. When there is plenty of this gas in the air the earth's heat does not escape so fast. But with the great amount of carbon taken up in the growth of the - 21 - vast forests that were made into coal, Mother Earth's air blanket grew thinner, so to speak, hence the long, cold spell.

From Norton's "Elements of Geology." By permission of Ginn and Company

WHEN THE ICE SHEETS COVERED THE LAND

But whatever caused it one thing is certain; it was a winter that beat anything the oldest inhabitant ever saw; for the cave men are known to have been on earth during this great winter, which is known as the Ice Age or the Glacial Period. A great big ice cap reached from the - 22 - North Pole far down into the Temperate Zone in North America, Europe, and Asia.

FROM THE CAVEMAN'S DIARY

This is a little note on the Ice Age from the caveman's diary—the picture of a mammoth scratched with a flint on a mammoth's tusk. You can see how the artist kept trying for the true form with different lines, as all real artists do. Artists don't just have a kind of sign that stands for the thing—like a little boy's picture of a man that he always makes in just one way. Notice the action, the natural motion of the animal. The artist means to say: "This is the way he came at me."

I. The Mild Spell and the Menageries

Just before this dreadful winter set in we had a long, open spell; about a million years or so. It was just like summer most of the year in the temperate zone, and much warmer than it is to-day in what is now the land of the little frosty Eskimo.

There weren't any little Eskimos in those days. In fact, there wasn't much of anything that was little. Everything was on a big scale. Think of a mud-turtle twelve feet long! He was all of that. His skull alone was a yard long and he must have weighed a couple of tons. He had for neighbors in the bordering swamps a number of huge creatures that one wouldn't care to meet.

- 23 -

THE KING OF THE DINOSAURS AT LUNCHEON

Contrast the little, almost dainty, fore limbs with the enormous legs. You can't help thinking of the arms of a human being, can you? In fact, this mixed-up creature looks as if nature were even then dreaming of man, the quadruped who, as some Frenchman said, "took to walking on his hind legs that he might conquer the world."

DREADFULNESS OF MR. DINOSAUR

The Dinosaur, for instance. His name means "terrible reptile." Some members of the family were, indeed, terrible creatures. Just see this one at lunch, Mr. Ceratosaurus. He has the head of a queer horse—"probably a night mare," says the High School Boy—teeth and tail and belly scales like a crocodile, a comb that suggests a rooster's, legs like an ostrich, the talons of an eagle, and the dainty little arms of a child. What a combination! Those small fore limbs were used only for grasping. On his hind legs he stalked about, seeking whom he might eat for dinner. He was about fifty feet long when he was all there. At - 24 - this late day scientists usually find only parts of him scattered around.

These Dinosaurs came in sizes and differed considerably as to looks and eating and getting about. Some were as small as cats, some walked on four legs, some—like the gentleman at lunch—walked on two. Some were strict vegetarians, while others would have nothing but meat. The Big Boys of the whole tribe were called the Sauropoda or reptile-footed Dinosaurs. One of these, whose bones were found in Colorado, was sixty-five feet long when complete, and he must have weighed around twenty tons. His family nickname was Diplodocus or "Double Beam," because of his long, beam-like neck and his long, beam-like tail.

GENTLE MR. DIPLODOCUS AND HIS WAYS

Considering the reputation some of the other Dinosaurs had as bad citizens, it is only fair to the Diplodocus to say that he was really a gentle creature, and never disturbed anybody—unless somebody disturbed him first. Then he would give them a switch with that tail of his, and it was a switching they were not likely to forget. But his great delight—indeed, his main occupation in life—was to sit deep in the water, prop himself up with his great long tail, like a kangaroo, with just his head out, like a turtle in a pond. Then he would strain little water bugs and similar things through his teeth. He got his meals in this way, very much as the whales do now.

And elephants! You ought to have seen some of the members of the elephant family that arrived after the reptile age, the mammoths, for instance. These huge creatures - 25 - and many other strange animals were all over the place. It was just like a circus day everywhere all the time. Such elephants don't travel with circuses now, of course, because they were all killed during that dreadful winter, but you can see them in museums, all dressed in their skeletons and neatly held together with wires.

From the mural painting by Charles R. Knight in the American Museum of Natural History

WHEN ELEPHANTS WORE UNDERCLOTHES

This painting on the walls of the American Museum of Natural History in New York City shows herds of reindeer and mammoths in the Ice Age. They didn't mind the cold as elephants do to-day, because of their woolly underclothes. They fed on the shoots and cones of those firs and pines. The reindeer, then as now, ate the lichens we call "reindeer moss," first scraping away the snow with their feet.

HOW THE MAMMOTHS PASSED AWAY

Picture herds of these mammoths huddled together like sheep in dark ravines, and the blinding snow, swept down by the winds, burying them deeper and deeper. That was how they died. You'll notice that they wore their hair long, while the elephants we see in the circuses or at the zoo have hardly any hair at all. This long hair was part of their winter clothing. Under it they wore a close fleece. But this winter was so severe and it lasted so long that even their heavy woollen underwear couldn't save them. Sometimes there would be a thaw, but this was only on the surface and helped turn the snow into ice. - 26 - And winter piled on winter and on the bodies of the mammoths until they were buried under tons and tons of snow and ice.

HOW THE SNOW CHANGED ITSELF INTO ICE

You know snow will get solid, like ice, where it is under pressure, and it will make hard cakes and ice balls under your shoes. Well, this snow of the long winter just "packed its own self" (as a small boy might say) into ice. It did this by piling on and piling on. The weight of the snow above and behind, in the spaces between the mountains and in the mountain valleys, pressed with enormous force on the snow below and in front.

Then what do you think this ice did? It began to move. And of all the things it did from then on!

II. Marvellous Changes in the Old Home Place

Did you notice those scratches on my face? The ice did that. But, of course, that's nothing in itself. And, besides, I'm not one to complain, as you know. I only speak of it to show what big things may be back of little ones, how much you can learn from the study of so common a thing as a little pebble. For the very same ice fields that scratched the faces of little pebbles like me deepened the gorges and canyons among the mountains and shaved the crowns of the old ones—Bald Mountain, in the Adirondacks, for example. They carried off good farming soil by the thousands of acres from one place and piled it in another; they shoved the Mississippi River back and forth; in fact, turned many streams out of their courses—some - 27 - of them the other end to, so that they now flow south where they used to flow north. They took old river systems apart, and with the pieces made new ones—the big Missouri for one. They set Niagara Falls up in business; got all the waterfalls ready that are now turning the wheels of New England factories, and even put in great water storage systems that remind one of the Salt River irrigation works, with their big Roosevelt dam in Arizona, or of the reservoirs which England built in the Nile. Lakes in river systems act as reservoirs, you know, and make them flow more evenly, thus keeping the power of falls more uniform, as in the case of Niagara, and making a uniform depth of water for vessels, as in the case of the St. Lawrence River. The Great Lakes do both of these useful things.

From Norton's "Elements of Geology." By permission of Ginn and Company

THE LITTLE MOUNTAIN IN THE BIG CITY

In one of the parks in New York City you can see this illustration of how the glaciers rounded off the mountain-tops.

- 28 -

THE BEEHIVE MOUNTAIN

This huge mass in the Canadian Rockies is known as the Beehive Mountain. Originally a cliff, it was reshaped by the glaciers. Can't you tell from the picture which was the face of the cliff, and from the information in the text which side the glacier climbed up and on which side it tobogganed down?

There were three great centres—union stations, we might call them—from which the ice trains moved out. These were the points at which the ice gathered to the greatest depth, the tops of the great snow banks. One, as you see by our Ice Age map, was away over on the Pacific Coast of Canada. It is called the Cordilleran Centre, from the vast mountain system of which it is a part. Over what is now the province of Keewatin, Canada, was the Keewatin Centre, while the Labrador Centre stood guard over the highlands of Labrador. The ice from the Keewatin and Labrador fields, you notice, flowed farthest to the south. The Keewatin ice giant travelled away down the Mississippi Valley as far as the mouth of what is now the Missouri, - 29 - while the giant from Labrador got nearly to the mouth of the Ohio.

THE OLD MEN OF THE MOUNTAIN AT THEIR WORK

Don't you always think of a glacier as a big white thing? So it is when it starts to work, but after it has ploughed down the mountain valleys and gathered up a lot of soil—such as the heaps you see in the foreground of the picture—it begins to look as black as a coal-heaver! It gets cracked up into all sorts of odd shapes, too. Doesn't that figure near the centre look like some queer kind of old elephant, with a fierce white eye (it's a big stone) and a snarl on his face?

The reason Old Mr. Labrador didn't reach the mouth of the Ohio—as you can easily guess—was that he didn't go far enough, but could you answer a conundrum like this:

"Why was Mr. Keewatin bound to reach the mouth of the Missouri and stay there for awhile no matter how far he went?"

The answer is easy, when you know it. Because he made the Missouri himself. What we now know as the Missouri River was made of other rivers that the big ice sheet turned around as it advanced and of the water from - 30 - the ice as the glacier melted its way back home. It was something like Mary and the little lamb, all the time, so long as Mr. Keewatin travelled south; for everywhere he went the Missouri was sure to go, because he kept pushing it ahead of him.

HOW THE OLD MEN PUSHED THE MISSISSIPPI ABOUT

As the ice sheets pushed into its valleys, now from the northeast and now from the northwest, the Mississippi River was pushed back and forth as if it were a—well, as if it weren't anything! It is known that the Mississippi was pushed out of bed by this burly guest from the north because its former channels have been traced along the old ice fronts.

In one part of its course the Mississippi actually got misplaced, and hasn't found its way back to its old bed to this day. This you can see at Fort Snelling, Minnesota. At that point the Minnesota River flows in the Mississippi's old valley—which is plainly too big for it—while above Fort Snelling the Mississippi is forced to squeeze its way through a stingy little gorge that used to belong to the Minnesota, and I'm sure would be plenty big enough for it now. It's like the story of a changeling baby in a fairy tale, isn't it? Only in the fairy tale the changeling always gets back to his old home, while the misplaced Mississippi in Minnesota doesn't.

But the glaciers made it up to the Mississippi, in a way, for this rude jostling. They not only left it an enormous extra supply of water as they melted back home—what would a river be without water?—but they actually took some smaller rivers away from the St. Lawrence and made - 31 - them do their pouring into the Mississippi system. Although they didn't owe the Ohio any apology for anything, so far as I know, they did the same thing for it, just to be good fellows, I suppose. All the rivers that now empty into the Ohio above Cincinnati used to flow into Lake Erie, but the glaciers turned them south and they've gone on obediently flowing that way ever since.

A PLOWMAN WHO PLOWED THE FARMS AWAY

That these giants of the north, although they must have looked as cold as ice, really had good hearts is shown by the way Old Mr. Labrador treated New England when he went Down East. New England was at that time covered with good, deep, rich soil, the decay of the granite rocks that had been basking in the sun for ages and growing early grass and vegetables for the live stock of those days. Then along came Old Mr. Labrador with his plow, and set to work. But he plowed so deep that he plowed all the farms away! Of the gigantic furrows that he turned a lot of the slices fell over into New York State; but some, I'm sorry to say, dropped off into the sea. This left New England in a bad way, so far as prizes for farm produce at the country fairs a few thousand years later were concerned.

But then what do you suppose Mr. Labrador did, the good old soul? He took a lot of streams that had been flowing north, blocked them up with pebbles and dirt, making them turn right around and flow south, so that in climbing down from the rocks in these new unworn beds they made waterfalls. And it was from the power made - 32 - by its waterfalls, you know, as your geography tells you, that New England grew to be a great "manu-factur-ing" section.

Courtesy of "The Scientific American."

HOW THE OLD MEN OF THE MOUNTAIN COME TO SCHOOL

You can have glaciers like this right in the schoolroom, and icebergs, too, by means of which the Old Men of the Mountain went to sea. Both the iceberg and its parent, the glacier, are made by the crumpling of white paper around books or any other support. Cliffs of dark-brown grocery-paper bound the deep gully through which the glacier has crept down to the sea. The sea-waves are made with crumpled paper of appropriate colors. (Think what lovely green waves you could make with a piece of old window-shade!) Pieces of white string make good breakers, and powdered chalk can easily be made to turn to snow.

Of course I'm only joking when I speak of these glaciers as if they had minds like the rest of us, but really it almost seems true, when you come to think of all the things they did. Take these New England waterfalls, for instance. The glacier not only made them by turning the rivers around, but, as the ice melted away toward the north the - 33 - land rose again, being relieved of the enormous weight. And in rising the sloping land not only gave more force to the new southward flowing streams but made it more sure that they should go on flowing south. As if the glaciers said:

THE GRAY TEMPLE OF THE WINDS

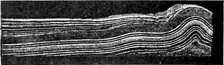
This gray mass of sandstone on the Wisconsin prairies is a piece of architecture with which man has had nothing whatever to do. It is all the work of the winds and the rains; of the sea and of rivers; of water and rivers of ice; and the vertical division of the rock into joints by the shrinking of the earth. The detail, the rounding of the pillars, and so on, is largely the work of the winds and their helpers, the frosts, the rains, and the wind-blown sand.

The original mass was carved out of a big rock-bed by flowing rivers that had their course around it on either side. Then one of these rivers was dammed by ice in the days of the glaciers and a lake was formed in which this rock mass stood as an island. The level prairie you now see around it was made by the sand and gravel deposited in the bottom of this lake. The vertical divisions are cracks in the earth crust called "joints." The horizontal divisions are due in part to this cracking process and in part to "stratification," the layer-like arrangement of the rocks when laid in the bottom of the sea, as explained in Chagter X. The "cornice" is a layer of harder rock which has yielded less to nature's tools.

- 34 -

"I've turned you around and I want you to stay turned around. And I want you to go on running south and dropping over the falls until the people of New England come down to Lowell and Manchester and those places and get ready to put you to work."

Anyhow, that's just what happened. You can look at it any way you want to.

It was in much the same way that Mr. Labrador and his friend Keewatin did that great piece of engineering at the Great Lakes. Where the Great Lakes are now there used to be rivers that were a part of the St. Lawrence system. Then along came the ice sheets, dammed up these rivers, just as small boys dam up roadside rivulets after a rain, and so made big lakes, as the boys make little lakes in these streamlets. But this wasn't all. The glaciers evidently wanted these to be nice big lakes that would stay there for people to ride on in the beautiful summer weather, and to help haul coal and iron ore and other kinds of freight—Michigan peaches and everything. For look what else they did. With pebbles and big stones and dirt they built the lake walls higher, and dug deep basins for them out of the solid rock. Then they poured in a lot of extra water—beautiful blue water, tons and tons of it—and went back home.

The digging into the rock was done with big chisels—what a carpenter would call "round-nosed" chisels. These chisels, of course, were made of ice. They were what are called the "tongues" or "lobes" of glaciers. As a glacier flows along—always on some down grade—there are portions of it—those long lobes or tongues—that move on ahead of the main mass. This is because those parts of - 35 - the ice sheet strike a steeper bit of land than the rest of it, so how could they help moving faster?

THE THOUSAND-YEAR CLOCK AT NIAGARA

You've heard of eight-day clocks and clocks that have to be wound only once a year, but here is a clock that was wound up several thousand years ago and is still going beautifully! In placing the wondrous waterfall in Niagara River the glaciers also started a kind of water-clock by which to record—for those who would take the trouble to study it out—how long ago it was the glaciers visited us. Owing to the constant wearing away of the base of the falls, by the water grinding the pebbles against it, great blocks like the one here shown (known as "The Rock of Ages") come tumbling down. So the falls are constantly retreating up-stream, and the distance from where they once stood to where they are now gives a rough idea of the time that has passed since the Old Men of the Mountain set them up in business—about 25,000 years.

The fronts of these lobes are rounded like the waves flowing up a beach, or syrup travelling over pancakes on a cold winter morning. The reason of this roundness is that the centres of these lobes of ice or water travel fastest because the mass on either side furnishes a kind of ball-bearing for the central part.

But this wasn't all. At the very same time, by the very - 36 - same act, Labrador, Keewatin & Co. set Niagara Falls up in business. In those days there was a Niagara river but no Niagara Falls; at least not the one we know to-day. The ice filled the Ontario Valley so that the streams flowing into it had to turn around and flow south. The Niagara River was one of these streams. Then, as the ice melted, it poured loads of extra water into Lake Erie, so that it was some 30 feet higher than it is at present and began draining out through the new Niagara River, over the rocks that make the falls.

A BIRD'S-EYE VIEW OF NIAGARA

This is a bird's-eye view of the Niagara region. Where the river crosses a bed of limestone below Buffalo, and again where it crosses another just above the crest of the falls, some of the rock has been dissolved away, thus making it rougher, so that slight rapids have formed. Then comes the mighty plunge, after which the water flows through a gorge for about seven miles. Where the gorge bends abruptly at right angles is the great eddy called "The Whirlpool."

NATURE IS THE ART OF GOD

"Nature," as Sir Thomas Browne so finely said, "is the art of God." And nowhere is this art more striking in its - 37 - beauty than in the work done by the glaciers. Those wonderful falls and the blue inland seas we call the Great Lakes, and thousands of smaller lakes scattered all over where the glaciers came, are only a part of this art work. The main ice sheets, you notice, didn't reach down among the mountains of California, but these mountains had small glaciers of their own in those days, just as they have now. Only they were much larger then because, as we have seen, it was such a snowy time all over the northern world. Listen to what these home-made glaciers of California did, and listen to how John Muir tells it:

AND TO THINK WE DID IT ALL!

"It is hard," he says, "without long and loving study, to realize how great was the work done. Before the glaciers came, the range"—he is speaking of the Sierras—"was comparatively simple; one vast wave of stone in which a thousand mountains, domes, canyons, ridges, and so forth lay concealed." To carve them out of the stone "nature chose for a tool, not the earthquake or the lightning, but the tender snow flowers, noiselessly falling - 38 - through unnumbered centuries. The snowflakes said, 'Come, we are feeble; let us help one another. Marching in close, deep ranks let us roll away the stones from these mountain sepulchres, and set the landscape free.'"

It is evident that this was all in the Great Plan of things. For the rocks had to be of a certain kind and laid in a certain way for the little members of this art society of the sky to work these landscapes out. And the rocks were so made and laid when they were at least a mile below the surface on which the glaciers set to work.

"It was while these features were taking form in the depths of the range, the particles of the rocks marching to their appointed places in the dark, that the particles of icy vapor in the sky, marching to the same music, assembled to bring them to the light. Then, after their grand task was done, these bands of snow flowers, the mighty glaciers, were melted and removed, as if of no more importance than dew destined to last but an hour."[7]

[7] "The Mountains of California." John Muir.

- 39 -

HIDE AND SEEK IN THE LIBRARY

How do you suppose warm water—of all things!—could have caused the Ice Age? This theory is one that was offered by a very eminent geologist, Doctor Shaler, of Harvard.[8]

[8] "Nature and Man in America."

In the same book he also explains how the old men of the mountain may have helped to make New York City, although they were never there in their lives, of course.

When you take up geology as a special study—I hope you will—you will find that there were five particularly heavy snowfalls during the long winter. But why not look it up now? If you can't do it just get somebody else in the family to do it for you. Where is father's college geology? In the last two of these storms Mr. Labrador rode all over New England and clear to the sea, where he amused himself for a long time by setting icebergs drifting out over the Atlantic.

How do they know about the icebergs? That's one of the interesting things the books tell.

These books also show how Niagara Falls acts as a great time-clock that tells how long ago it was since the glaciers visited us. According to the record on the "dial" it was somewhere between 20,000 and 30,000 years ago. (Of course this isn't what we would call very close timekeeping; but remember, in the long story of the earth even a hundred thousand years is a mere tick of the clock.)

And the way this clock is running down shows we're going to lose Niagara Falls in the course of time. All falls finally run down in the same way. This is the rather flippant way my high school friend put it:

"First, the water falls over the waterfall; then the waterfall falls, piece by piece, and the water falls no more. It's a sad case."

(You'll see what he meant, quickly enough, when you read up on waterfalls. Your geography tells, doesn't it? Well, then, of course you know.)

But here's a question you can answer right out of this chapter. Which one of the illustrations shows that the mammoths and the cave men lived on earth at the same time?

That the mammoth was seen in the flesh by those remarkable - 40 - artists of the caves is plain, but what do you say to seeing a mammoth in the flesh in these days? Remember the mammoths have all been dead for thousands of years. (Elephant, Mammoth, Siberia.)

What is there about the climate of Siberia that made this strange thing possible?

How did the mammoth get his name? Was it because he was so big—such a "mammoth" creature?[9]

[9] Mammoth, you will find, comes from a word meaning "earth." It didn't mean "big" at all at first. One of the most lovable traits of a good dictionary, I think, is that it tells so many interesting little stories like that about the early life of words; of their days of adventure, so to speak, when there was no telling how they would come out.

How did the mammoths compare in size with the elephants of to-day?

Which was the bigger, the mastodon or the mammoth?

Did we ever have mastodons in North America? And were there mammoths, too?

If you want to see more about what the travelling menageries of the days before the Ice Age looked like hunt up these words: Archelon, dinosaur, ceratosaurus, diplodocus, stegosaurus, triceratops.

See what the geography says about the manufacturing towns of New England and how many of them have water power.

In that remarkable little book by Grant Allen[10] already referred to in the H. & S. at the end of Chapter I, on page 139, you will find what the Ice Age had to do with the fact that the rabbits of Canada and our northern border States wear white clothes in winter, while Br'er Rabbit of our Middle and Southern States keeps his yellow-brown suit on all the year.

[10] "Colin Clout's Calendar."

And on page 204 how a little plant, whose old home was in the Arctics, got stranded on an English hilltop among the mossy clefts of weathered granite, and how the beautiful lady who has a little flower named after her slipper (we all know that slipper) is leaving England because the climate is too mild!

- 41 -

THE SUMMER PASTURES ON THE JUNGFRAU

Here are some of those Swiss cattle in their summer pastures. Doesn't look much like summer, does it? But there's one thing besides the cattle that tells. See that stretch of snow all by itself? That's a snow-bank which has escaped the summer sun because it is protected by the ravine in which it lies. All around it the ground is bare of snow.


CHAPTER III

(MARCH)

With rushing winds and gloomy skies
The dark and stubborn Winter dies;
Far off, unseen, Spring faintly cries,
Bidding her earliest child arise.
Bayard Taylor.

THE SOUL OF THE SPRING AND THE LANDS OF ETERNAL SNOW

And that's how the Old Men of the Mountain visited us in the Ice Age and what they did and how they did it. But now that they have all been back home so long don't - 42 - you think it would be nice and polite to return the call—especially when you remember all they did for us, making beautiful lakes and rivers and waterfalls and mountain scenery?

I. Springtime in the Alps

The best time to do this would be in the spring, because then the kingdom of the glaciers is most beautiful, and the spirit of a glorious new world, just waking up, is abroad everywhere. The glaciers themselves seem to feel so good about it that they start to sing. And like the birds, their joyous springtime mood responds to the quick changes of sun and shade. In our own land when the sky grows cloudy, even for a short time as you may have noticed, birds stop singing. Then when the sky clears they start up again. But, up here in the Alps in the spring when the birds are singing among the mountain meadows, the glaciers, at whose feet these meadows lie, do the very same thing. The songs of the birds are various, and the song of the same bird will differ at different times of day, but the song of the glacier is always the same—a pleasant dreamy tune between the murmur of little voices and the tinkle of distant bells.

The very rocks that the glacier carries on its back seem to catch the spirit of the springtime; for, when the weather is bright, they go strolling. And when they do they remind us a little of that painting by Franz Hals, "The Laughing Cavalier," for they apparently wear a big broad-brimmed hat cocked jauntily on one side.

- 43 -

UP WHERE THE GLACIERS GROW

Here we are, looking down on the roof of the Alps—from a flying-machine, let us say. The sky-line used to be more like the ridge of a house, straight across. In the course of the ages the glaciers and the weather have cut down the softer rock, leaving those peaks. At the top are the snow-fields. Farther down the glaciers begin to form. Still farther down, where the glaciers have begun to melt, you can see a stream—its waters have taken white in the picture because of the foam and the ground-up rock in it called "rock flour"—falling into the woods below, the "timber line" of your geography. Ruskin has a wonderful word-picture of these mountain streams in his "Modern Painters." The index of any edition will tell you where.

THE MAN WHO DISCOVERED THE ICE AGE

The Alps are the most famous of all the homes of the glaciers, not only because of the great number of the glaciers and the beauty of the scenery, but because it was in the Alps that Agassiz, living in a little stone hut among the mountains, studied the glaciers and their ways and proved that it was these strange creatures of snow and ice that had come down during the Ice Age and worked such marvellous changes on the face of the earth. In the Alps, just as Muir found them doing among the glaciers of - 44 - Alaska, the flowers bloom at the very edge of the snow line. And they come on much more rapidly than they do in temperate climates. As fast as the snow melts back blossoms just cover the meadows thick with the deepest, richest colors—blue, red, white, yellow, purple, and every shade of these. Some of these flowers are as pure white as the snows. The queen of beauty among them all, many think, is the Alpine rose. In that pure, clear air its color seems actually to glow like the famous peak, the Jungfrau, at sunrise.

LOUIS AGASSIZ

The great teacher who discovered the Ice Age.

One little flower is in such a hurry, so afraid it will miss the first May party, that it blooms under the ice and melts - 45 - its own way right up through. Then it calls to the bees and the butterflies, in the way that flowers have:

"Good morning! It's spring, and here I am again and how do you do? Come and kiss me!"

The soldanella grows among the thick pebble beds and the big boulders right on the edges of the glaciers. It is a member of the primrose family. It may be pink, white, or blue. The blue flowers are most common. But blue, pink, or white, these baby bells are always born twins; two sisters side by side on the same stalk, showing their dear fairy faces just above those layers of ice. They are such delicate little things you wonder how they can ever stand it. But ice, pshaw, they don't mind it at all.

BLUSHING A WAY THROUGH THE ICE

If you are a bashful boy or girl you can understand how the Misses Soldanella have been able, in spite of their icy covering, to get here to greet us on this lovely May morning. You know how warm your face feels when you blush. It seems to be somewhat the same way with all flowers when they blush into bloom. The blossom becomes quite a little warmer than any other part of the plant. It is the heat of the growing buds and, still more, the heat of the blossoms that melts a passage for the Soldanellas through the ice, for they often blossom before they get above the ice at all.

The higher we climb the brighter the flowers, and they grow in thicker masses, and each kind spreads out into larger fields than they did where we came from down below—great belts of blue gentians, whole fields of golden yellow globe flowers. You'd hardly expect this, would - 46 - you? And you'll be still more surprised at the reason. Did you notice, as shown in their pictures, that the Soldanellas have only the bees for their callers? Just look if you can see any bees where we are now. Not a bee. But butterflies everywhere. And that's the answer. The flowers of the upper meadows are brighter, grow thicker and spread wider—all on account of the butterflies; to get the butterfly "trade."

WHY THE BEES GET OUT OF BREATH

Bees can't climb to such heights because the air is very thin, and, therefore, harder to fly in. Remember their little bodies are heavy and their wings are small. They get out of breath, like a fat man with short legs working his way up Pike's Peak. The butterflies, on the other hand, have small bodies and large wings, and so have the meadows of the higher Alps all to themselves. That the flowers here look so brilliant is partly due to the thinness and clearness of the air and partly to the disposition of the butterflies. A bee is all business, because she has so many mouths to feed at home, and is laying up honey for the days of the long winter. Mr. and Mrs. Butterfly, on the other hand, are gay and carefree society people.

"We have no family waiting to be fed, so why worry?" This is the butterfly philosophy. Only a sip of nectar now and then for their personal wants; for the rest of the day the merry air dance, here, there, everywhere! They flit long distances without lighting. To attract the bee's attention a blossom need be neither large nor bright, as the bee goes straight from flower to flower, wasting no time in aimless flights. But to catch the eye of the butterfly - 47 - the flowers must be brilliantly colored and grow in large masses. So up in the butterfly zone only brilliant flowers, and those having the habit of growing in groups produce seed and have descendants. Those that dress plainly and are not fond of company die out.

HOW THE SOLDANELLA SISTERS GOT TO THE MAY-PARTY THROUGH THE SNOW

Now didn't it turn out just as I said; that the butterflies themselves help brighten the flowers that grow among these ice fields? I have something else quite as curious to tell you: Both the Alpine butterflies and the flowers were left over from the Ice Age. Not in the same sense that we - 48 - pebbles were, for we are the identical little passengers who rode in on the ice trains, and the life of a butterfly, as every one knows, is very short. So is that of a flower. Yet suppose you found that the only other butterflies and flowers like these are found, not among the flowers and butterflies in the lands lower down in the Alps but up toward the Arctic Zone, in Finland and Lapland; in the snow regions of mountains in the temperate zone all over the world? It would look very much as if these flowers and butterflies, or their ancestors, had been left behind there some time or other, wouldn't it? This is what the men of science think, and they reason about it in this way:

HOW THE BUTTERFLIES MISSED THE TRAIN

As the glaciers spread downward from the Far North in the Ice Age they brought all their home things with them—climate, plants, insects, animals. Plant and animal life was driven step by step before the advancing ice. Then, as the ice melted, flowers, butterflies, and all followed their natural climate back. But those that lingered too long in the meadows around the mountain tops could not cross the hot summer plains that now lay between them and the retiring ice sheet; for plants and animals that are used to cold can't stand the heat any more than those from the tropics can stand the cold. So only the flowers and butterflies remained in the temperate zone that found their natural climate among the mountain peaks and stayed there.

Near the top of Mount Washington, the highest peak in New Hampshire, is a colony of the descendants of these butterfly pilgrims from the north who never leave their - 49 - high and wind swept meadows. There are no such butterflies in the hills and plains below, but go into Labrador and you will see plenty of them.

LEFT-OVER PIECES OF THE ICE AGE

Of course you understood all along that these aren't the very same butterflies that came with the glaciers, yet in shady glens in high mountains, where the snow never melts, people do sometimes find masses of ice, which, there is every reason to believe, have been there since the Ice Age. And sometimes thick veins of ice, buried hundreds of feet under pebbles, boulders and soil, are struck in sinking wells. These are known as ice wells; huge ice water tanks that never need filling!

II. A Little Visit with the Glaciers

But if the ice masses in the shady glens and under the old moraines may be said to be pieces of the Ice Age left over, the glaciers of to-day are, in a sense, the Ice Age itself. For these glaciers do, on a smaller scale, what Mr. Labrador and his partners in northern America, Europe, and Asia did on a large scale so many centuries ago. Suppose now, like Agassiz, we trace a glacier to its source. It will be a long journey, all steep, some of it almost straight up, and along chasms of slippery ice with sudden storms that hide the chasms and blind your eyes and take away your breath. The first part of our journey is over a field of ice, gray with the dirt of weathered rock from the mountain sides. Along its borders are those sharp-edged stones neatly packed in rows, that our geography tells us are - 50 - called "lateral moraines." It has another row of these stones sticking up right in the middle of its back, like the sharp-pointed vertebræ of the ceratosaurus.

By noon, as often happens in the Alps as elsewhere at this time of year, a rain comes up and we lunch under the shelter of a tumbled heap of rocks. Watching the downpour drift across the desolate wastes we think what jolly times like this Agassiz and his companions had in their little hall of science under the big stone. After lunch we start again, and although it's stiff going, and it takes a lot of this thin air to make one good breath, we spare a little, now and then, for shouting, to hear the wonderful play of the echoes among the mountains. We go through all kinds of weather—rain, mist, snow. Then suddenly we burst into blinding light. The sun is so dazzling on the snow, now no longer covered with dirt and mountain débris, that we must all put on our colored glasses. In some places, among bare rocks that absorb the sun's heat, it is positively sultry.

The fields around us look like an ocean turned to stone. Waves are formed in the surface ice of the glacier because surface ice moves faster than the main mass beneath. On the bordering mountain walls the ice rises into still greater waves "foaming about the feet of the dark central crests like the surf of enormous breakers." And this great, still image of the parent sea, from which the air currents carried the moisture that made it, has eddies and whirlpools, and like the troubled sea, "whose waters cast up mire and dirt," the glacier, where it swirls along its shores, works pebbles and dirt to the surface. Often this material is carried into the centre of a whirl, as sea weeds and the - 51 - rubbish of the seashore are driven into eddies among the rocks.

Somebody must have been here just ahead of us. Isn't that a dark glove over there? We come closer. What at a distance seems to be a glove proves to be a hole in the ice so deep it looks dark. Lying flat and carefully peering over the edge we look into something strangely beautiful—an ice palace, with icicles in fantastic groups hanging from the roof. Through this roof the sun comes in delicate floods of pale green light, the combination of the yellow rays with the blue of the ice. We drop pebbles into the hole. They rattle down and down with long, dull echoes, dying away. We can hear the murmur of running water. Gusts of cold air come up that bite like the wind on a sharp winter day.

These underground palaces of art start as great cracks in the ice, called "crevasses," from a French word meaning a crevice. They can usually be seen plainly as yawning chasms, but sometimes are so bridged over by the snows that a small, dark hole is all you see. And we might not see that in time. This would be very bad, for these snow bridges are often quite thin. One might like to go down in a crevasse and explore about in this beautiful dream world—but not when one wasn't looking!

Even when one is looking and is as careful as can be it's dangerous. But still you may be sure that the famous men who have studied glaciers have done it, for every true man of science likes to get at the bottom of things. It was Agassiz who first went down in this way into the heart of a glacier. It was while he was making his studies in the Alps, and he came very near being drowned in one - 52 - of the streams that always flow at the bottom of a crevasse, for these crevasses, breaking up the ice, increase the rate of melting. (You know broken ice will not keep so well as a big block.)

WHAT TWO BOYS SAW IN THE FAIRYLAND OF ICE

When you have read John Muir's story of how he climbed down into a crevasse in California in his shirt-sleeves (see H. & S.) you will know that he was the other of the "two boys" I refer to, one of them being Louis Agassiz, whose adventure in this fairy iceland down in the glaciers is told in this chapter. Don't look dangerous at a distance, do they, those crevasses? Remind one of the crimps in a Christmas pie. But notice the difference when you get up close to one of them in the next picture.

BUT THESE SCIENTISTS WILL BE BOYS

Agassiz had been lowered by a rope. When his feet suddenly plunged into the icy stream his shout for help was misunderstood by his friends and he was lowered still further. His second cry, which you may be sure promptly followed the first, showed that something had gone wrong - 53 - and he was drawn out. The worst of it was that coming up he had to steer his course among those huge icicles, any one of which, being worn away or broken loose by the friction of the rope and striking his head, would probably have killed him. But they are always doing things like that—these men of science. They keep on being as curious and enthusiastic about the things they are interested in as any boy.

THOSE LITTLE CURVED LINES WHEN YOU GET UP CLOSE

This is what those little curved lines are—really; great yawning chasms in the ice. The sun is shining from the left; a morning sun, probably, as those tourists are out for a walk. This scene must be pretty well down the glacier's course, far from the upper fields, for you see these people are just in ordinary dress—not in the dress of mountain-climbers, with ropes and Alpine stocks and everything.

- 54 -

It is perfectly safe to climb glaciers as we are doing—in a book—but they are really ticklish things to go about on, as well as down into. To find out all the interesting things you can so easily get through pictures and the printed page took years of skillful study, ingenuity, and endless patience and much courage. What a little further on in this chapter you will learn about the movements of glaciers in seven minutes, it took Agassiz seven long years to find out and make sure of. To Agassiz more than to any other one man the world owes the tremendous idea of the Ice Age and its story. His home among the glaciers of these Alps—named playfully by the devoted scholars who worked with him the "Hôtel des Neuchatelois"—was a rude shelter under a projecting rock. The results of this long study he published in a work in two volumes, and so made known the great facts he had found and the theory about an Ice Age which he based upon them and which is now everywhere accepted. He became professor of geology at Harvard University and as famous a teacher as he was a student of nature. After his great and useful life was ended he was buried in his adopted land with a boulder from the site of the little stone hut on the glacier for his monument.

III. The Soul of the Glacier

Many of the fellow-countrymen of Agassiz, the peasants of the Swiss Alps, believe the glacier is a living thing and has a soul. In the spring the peasants take their sheep - 55 - and cattle into the high meadows called "alps," from which the mountains get their name, and remain there until fall with the glaciers all around them. There are nearly 2,000 glaciers in the Alps, varying from less than a mile to over ten miles in length, and from a few hundred feet to a mile in breadth. So the peasants have every opportunity to get acquainted with their big white neighbors.

"The glacier has a soul," they say, "and a voice, many voices. Sometimes he groans. This is when he is in pain. Listen!"

SOUNDS THAT GIVE ONE THE "CREEPS"

We do hear a sound very like a groan. Even experienced mountain climbers can hardly keep down a "creepy" feeling when they hear it. This sound is made when the ice is cracking into a crevasse and while it is enlarging. These crevasses are formed by various strains in the ice as it moves along. So long as the strain which caused them continues the crevasses keep widening. The "groans" may be said to be "growing pains."

In some places you hear a constant roaring sound. The peasants are not superstitious about this sound however. They know it is made by what they call the "moulins" or mills of the glacier. Water, melting on the surface, makes streams. These, running together, make a larger stream. This stream, coming to a crack in the ice where a crevasse is just beginning, pours down, hollows out a little shaft and joins streams in the interior of the glacier, like that in which Agassiz took a bath when he didn't want to. The - 56 - noise of the water, striking far below, comes up through the shaft, as a voice comes up through a speaking tube. But the crack into which the water falls must be very narrow, so that the water can melt both walls and thus form a shaft; otherwise it merely glides down the nearer wall and makes no sound.

NOISES WE PEBBLES HELP MAKE

Where two ice rivers emptying into a main stream come together you hear a constant dull rattle and rumble. This is made by the blocks of stone and trains of pebbles that have ridden in on the backs of the two glaciers thus going into partnership, falling between the glaciers at the point where they come together. The stones that do not fall over are brought together in the centre of the glacier and so make that spiny backbone of his, the "medial moraine." The rows of stones on the two sides of the glacier, called the "lateral moraines," have fallen piece by piece from the mountain walls as the glacier moved along between them.

But the strangest thing about the voices of the glaciers I have yet to tell. Whenever the sun is shining brightly, as I have said, and the gentians and the globe flowers open their petals and the birds start the chorus of the day, the glacier begins singing, too, humming to itself a pleasant tune. When the sky grows cloudy, even for a short time, the birds stop singing, the flowers cover their faces, the bees and butterflies hurry to shelter, and the glacier's song gradually dies away. Any cloud may bring rain, as far as the flowers and the bees and the butterflies know, and, for the same reason, the winged people hurry to cover - 57 - because they don't want to get their wings wet. The flowers hide their faces to keep the rain from washing their pollen away, and the birds stop singing because, like the rest of us, they don't feel so cheerful under gloomy skies. But the glacier, why does he stop singing too? Because that murmuring tinkle you heard was made by the water melting on the glacier and running into rivulets a little way under its surface. When the sun stops shining the surface ice stops melting, the water gradually quits running and the murmur of the song dies away.

ON THE ROOF OF THE ANDES, WHERE IT'S TOO COLD TO GROW GLACIERS

It is because of these queer human habits of the glacier and, above all, his sensitive response to the moods of days and seasons, that many of the mountain people insist he is not only a living creature, but that he has a soul. We - 58 - think of all this now as the western sun drops behind the snowy summits, the glacier's song grows silent, and we hear, mingling with the vespers of the birds, voices echoing from crag to crag the words of the psalm, "Praise ye the Lord." These are the voices, of the herdsmen speaking to each other from alp to alp—the evening call to prayer.

IV. How the Snow Men, the Glaciers, and the Rocks Go Walking

Now that we have learned how glaciers, wild flowers, and butterflies get up into this high world, by climbing up here ourselves in the beautiful springtime, the next thing, I suppose, is to climb down again. But first just look over the edge here and you can get some notion of how high we are, not merely in feet and figures, as we have it in the table of mountain heights in our geography, but in actual feeling.

"What are those little blocks, all ruled off like a chessboard, away down there?"

"Those are the little Swiss farms with the gray roads between."

"And those small white things among the farms that look like pieces of grit?"

"Those are the Swiss villages."

"And the black specks on the slopes of the mountain?"

"Those are tourists with their guides, coming up. People, no doubt, whom we should like to know, but we shall have an interesting new acquaintance travelling down with us. You've met some of his family, no doubt, for - 59 - he's an ice man. There are several of these ice men always travelling down on the glaciers."

THE OLD MAN OF BALISTAN

Where would you say, judging from the head-dress of the man in the middle, this scene is located? Somewhere in Asia, wouldn't you? For in Asia the natives, particularly the Mahometans, wear turbans, as you would learn by simply looking up "turban" in a dictionary. And wouldn't those summer helmets lead you to suppose that this is a hot climate, in spite of the great ice-pillar and the snow-field? And don't those helmets suggest Englishmen? Now, where in Asia would you find vast mountains, a hot climate, Mahometans, and Englishmen together? Yes, to be sure, in the Himalayas of India. And that's just where an expedition of English scientists came across this grotesque creature of stone and ice one summer day, on a glacier in Balistan. So I just called him "The Old Man of Balistan."

You'll know one of them the moment you see him, for they are queer-looking fellows with only one leg—or rather one leg at a time—and they wear big stone hats. They never go walking without them. They can't.

- 60 -

LOOKS LIKE A BROTHER, BUT HE'S NO RELATION

This "old man" is a creature, not of the snows but of the winds. The capstone—apparently conglomerate, it looks so rough and pebbly—tumbled down from the mountains once upon a time and found a resting place on a bed of softer rock, a section of which became separated from the mass on either side by those earth cracks called "joints." Then the winds and other instruments of weathering got their fingers in these cracks, wore the neighboring sections away, and left this pillar standing. It is broader at the bottom because the winds, checked by the obstacles on the ground, didn't strike with such force as they did higher up.

To the group of boys and girls to whom I first told these stories of my life and adventures nothing was more interesting than this account of the ice men who walk. On that occasion I called them snow men because the boys had just been making a snow man, and these ice men up here, like the glaciers on which they always travel, are made of snow turned to ice. You have heard the expression "clothes make the man," but in the case of these men of the snows it is literally true, so far as their hats are concerned, for it is their hats that make them grow.

"I bite," said the High School Boy, "what's the answer?"

- 61 -

CAN YOU SOLVE THIS PICTURE PUZZLE?

For reply I roughly sketched the picture at the top of the page. From this hint my audience thought out the answer for themselves. See if you can do so before you learn, in the next few paragraphs, what the answer is.

It comes about like this. One day we see a big stone lying on the glacier, and when we come that way again several days later this same stone is standing on a tall pillar of ice. We notice the stone hat is tilted forward a little, apparently to shade this queer man's face, which is always turned directly toward the sun. It sits jauntily on one side—this hat of his—as if he were feeling particularly contented with himself and the world on this sunny day and had started for a stroll.

And it really is because the sun is so bright that the hat is tipped. Moreover it is because of the sunshine that the man takes a stroll. If, after more days of sunshine, we return we see the same stone further down the slope of the glacier and apparently standing on the same leg.

"But does he or it actually walk on that leg?"

(The audience, who at first thought I was joking, had begun to believe I was in earnest.)

- 62 -

Yes, that leg and others. Before this Alpine tourist ends his travels down to the valleys below he may have, all told, as many legs as a centipede, but only one at a time. Like the legs of the amœba and the claws of the crab they are renewed as wanted. A big stone falling from the mountain side upon a glacier protects the ice beneath from the sun's rays, so, as the ice melts down around it, the stone is left standing on a pillar. These "glacier tables" (to use the scientific term) are formed on the south sides of glaciers where there is the most sun. Owing to the slant of the rays the rock is heated most on the south end and so tips in that direction more and more. Finally it falls off and, in so doing, pitches farther down the slope. Then a new pillar is formed and the whole process is gone through again.

(If we should get lost up here any one of these snow men will tell us the way out. The snow man's hat, for the reason stated, always tips toward the south.)

The stones of the winter lands are not only like human beings in the fact that they walk, but like little human beings in the fact that when they are small they can't. In one of the pictures I drew for the boys and girls—that representing the ice pillar from which the stone has slipped—you may be able to make out a little pebble. It got a ride because it was hiding under the big stone. Left to itself "it wouldn't have a leg to stand on," as the saying goes, for small stones are heated through by the sun and so sink down into the ice and form no "legs."

- 63 -

From a photograph copyrighted by Merl La Voy

THE RUSH OF THE AVALANCHE

It's seldom you can get a snap-shot at an avalanche—it's so sudden! Then, when you do get one you must be an expert or your picture will be a blur. This picture was taken by Merl La Voy. An interesting thing about it is that the scene is on Mount McKinley, which, as your geography will tell you, is the highest mountain in North America. The avalanche started near the top, where the greatest fields of loose snow lie. We see it in the act of plunging into a vast crevasse several miles below, and sending up clouds of snow. They look like steam.

MR. GLACIER'S CATERPILLAR TRACTOR

"The glaciers," says Reclus, "seem as motionless as the peaks that tower above them." Nevertheless, as we know, they do move. While the motion is in so many respects like that of a river that glaciers are often called "ice rivers," they have motions and, so to say, "methods" that curiously suggest the inventions of men. Take, for example, the way they climb down a steep hill; for all the world like the "tanks" in the Great War. The tanks, you remember, made nothing of shell holes, rough country, ravines, or trenches, but lumbered and crushed their way - 64 - along, resistless as the Fates. And, you may also recall, the tanks moved by laying sections of themselves—the great cleats on the outside belt—which they picked up again, as they advanced. This was called the "caterpillar tractor" system of travelling.

Now watch the glacier when it comes to an incline much steeper than its ordinary slope. It breaks across in sections at right angles to its bed, and section after section drops down. Then the forward sections crowded upon by those in the rear are pushed up close, freeze together again, and on goes the glacier as good as new.

As a traveller, however, it is a little slow. It made faster time in the old days—in the Ice Age—when glaciers were so much larger, but to-day, at the rate at which ordinary glaciers travel, it may take a boulder as big as Plymouth Rock something like a hundred years to be carried from the upper fields to the heap of stones and soil which your geography calls a "terminal moraine," and where Mr. Glacier says:

"All out! Far as we go."

HIDE AND SEEK IN THE LIBRARY

How would you like to go to school to the pretty Misses Soldanella? They can teach you a lot about botany. If you learn what an unusual thing they do with their leaves, for instance, that will lead you to follow up leaves in general. Leaves are wonderful things. Indeed, it isn't often you find the leaf of a book that will tell you half as much as the leaf of a plant, if you only know how to read it.

In Grant Allen's "Flash Lights on Nature," you will find that the Soldanella sisters store food in their leaves all winter just as we put things away in the cellar, and how this helps them get up so early in the spring; why the fact that the little sisters are not - 65 - very tall makes them hurry so; and why if they didn't hurry they wouldn't get to the party at all!

What other members of the primrose family do you know?

See what you can find about our earliest flowers—hepatica, bloodroot, dog-toothed violet, jack-in-the-pulpit, Dutchman's breeches, anemones.

If you will examine closely many early spring buds and flowers—especially those like the willow and hazel catkins—you will find that they too keep warm and grow in the early spring, not from the warmth of the sun alone but from the fuel they have laid up in their buds.

Did you know that to see the very first flowers of all in the spring you must look up—away above your head? (Maple.)

Any good book on Alaska will tell a number of striking things about how rapidly spring comes on in the lands where glaciers grow.

Get Muir's "Mountains of California" and hear him tell about how he went down into a crevasse in his shirt-sleeves, and of the fairy underworld he found there, and how he hated to come away.

Reclus[11] tells how the glaciers not only come down to call on the farmers, sometimes, but even help them pick cherries!

[11] "The Earth."

I suppose the children who go to the excellent Swiss schools take delight in telling grandmother that Mr. Glacier isn't really a person—as he is in the tales of the winter fireside—but wouldn't both grandmother and the children open their eyes if they knew that in Greenland there is a glacier so big it feeds itself and makes its own snow and its own storms and everything? Hobb's "The Face of the Earth" tells all about it.

And the Encyclopædia Britannica and Hobbs together will tell you how to make a good glacier. There are a half-dozen things you must remember or your glacier won't turn out right. (1) You must take plenty of snow; (2) and keep it in a cool place; (3) but you must warm it a little too, once in a while; (4) your mountain gorges must not be too steep; (5) you must have your mountains set just so; (6) and distribute your storms with care. By doing all these things you get fine, durable glaciers, 100 to 200 feet thick, sometimes 500 and even 1,000 feet thick. But you must be careful, and, of course, it takes time.


- 66 -

CHAPTER IV

(APRIL)

Now the noisy winds are still;
April's coming up the hill!
All the spring is in her train,
Led by shining ranks of rain.
Mary Mapes Dodge.

THE APRIL RAINS AND THE WORK OF THE RIVERS

I always liked the little boy's definition of a river system. "Rivers that empty into other rivers that empty into other rivers that empty into the sea."

What is still more interesting, the sea at the same time is emptying into the rivers; for the waters of all the lands and the waters of all the seas, are one, and what the rivers give to the sea the sea returns in the rain clouds that are blown landward by the winds. The Earth's waters are thus always in circulation like the blood in our bodies. In making this endless circuit they do an immense amount of useful and beautiful work, and have many strange and curious ways of doing it. It's a great family affair of the Waters people. Everybody has a hand in it, from the baby rill that toddles across the country road, the brook it meets in the meadow, the creek that runs through the wood, and the river into which it flows, to the greater river which carries forward these mingled waters to the sea.

- 67 -

THE MISSISSIPPI RIVER SYSTEM

I. What I Brought Back from the Creek

I met a rain-drop once that had followed the thing through, starting where a little creek began, and got such a load of information I could hardly carry it, about the wonderful part the rivers take and have taken in the making and remaking of the world.

We see the April rains carve fairy canyons in the soft clay of the roadside or the creek, but it is hard to realize, as we stand on some pinnacle of the Alps and look out over the deep and wide valleys, the gorges, the cliffs, and mountains cut in two, that all are but the handiwork of - 68 - the rain-drops banded together as flowing waters. For a long time this was questioned by scientific men, because the idea so upset the old theory that great changes in this world of ours came about all of a sudden and from causes not at work in these days. Now, however, nobody doubts that the big things are done by the little people, working together over long periods of time; little snowflakes, little rain-drops, little cells in plants. As a result, the Alps, so far as the expression of their faces is concerned, are as little like the Alps of the past as the face of the old farm of to-day is like the farm of those ancient yesterdays, when the brontosaurus browsed where old Dobbin is nipping the meadow grass and the mammoth ate the leaves of trees that stood where White Face is thoughtfully chewing her cud in the shade.

HOW THEY STUDY GEOGRAPHY IN BOSTON

This is what, in the Boston schools, they call an "umbrella party." "Umbrella party" sounds much more attractive than "geography lesson," but as a matter of fact it is a geography lesson and a fine one. As soon as they get off that brick pavement the boys and girls will see those rain-drops cutting out little Mississippi River systems, filling little Great Lakes, plunging over Niagaras two inches high!

- 69 -

Right where you sit reading, perhaps, the land used to be buried two miles deep beneath rocks which have been worn away by wind and rain and by rivers which vanished long ago. Everything has been so changed that if the old scenery should be put back you would be lost right on the home farm.

WHERE YOU CAN JUMP ACROSS THE MISSISSIPPI

Wrinkles in the earth and in the mountainsides make the first troughs for the streamlets and the rivers, and then the running water itself digs these natural channels deeper. Many rivers begin as streamlets flowing out of springs. The great Mississippi began as a baby, just like the rest of us. You can jump across it still if you go up to its source. Springs not only start rivers in life but go on feeding them. Most large river systems get secret gifts in this way, as they flow along, from thousands of springs that empty into them or their tributaries.

So springs start and feed the rivers. Now what do you suppose starts the springs? Rain-drops stored away in big stone "safes," much as a small boy stores away pennies in his tin bank! The water of rains and melting snows, passing down through the soil, soaks into the little chambers or pores in such rocks as sandstone and limestone, and keeps going on down until it comes to a bed of hard stone, such as slate or granite, into which it cannot soak.

- 70 -

THE SPRING WHEN EMPTY

THE SPRING WHEN FULL

THIS SPRING PLAYS IT'S A TOWN PUMP

These two pictures show an intermittent spring about five miles from Singer Glenn, Virginia, and there called the "Tide Spring." You can see where the idea of the tide comes in, but can you think why the spring seems to have a tide system all its own? You know what a siphon is. Well, think how a kind of siphon might be formed in rock, dissolved out by water flowing underground. Then look at the picture on the next page.

- 71 -

Now rock-beds, as you know, have a slope—some more, some less—owing to the wrinkling of the earth's crust. So the water, slowly trickling through the porous rock, forms a steady stream which runs down along the hard rock, as rain runs down a roof, and finally gushes out at some lower level.

HOW THE LITTLE SPRING WORKS ITS PUMP

This is how the pump of an intermittent spring is worked. Some portions of rock are dissolved by underground waters more readily than others and so cavities are sometimes formed, as shown. As long as the water in the reservoir is below the arch of the siphon-shaped outlet no water escapes, but as soon as it rises to the level of the arch the whole of the water is drawn off. Then the spring ceases to flow until the reservoir fills up again. You can empty water in the same way by using a bent tube of any kind. Can you tell why the water flows up-hill in this way? Remember what you know about air-pressure and then look up "siphon" in your encyclopædia.

You can be sure these companies of rain-drops, hurrying back to the light, don't fail to notice any cracks in the rocks along the way, and at such places they come gushing up with sparkle and dance; and the greater the dip of the rock beds the higher they dance, of course.

But it takes any one rain-drop so long to get back into the sunshine after it starts on its underground journey - 72 - that you'd think it would forget how to dance at all! It isn't just the same rain-drop, to be sure, that goes into the ground and comes out again, because the rain-drops get all mixed up with each other as they move along, but just imagine some one rain-drop that fell, say, on a hilltop on the day a baby was born in a valley five miles away, where there was a spring in a shady hollow near the baby's home. By the time that rain-drop got down to the spring the baby would be old enough to vote!

Yet this is a very good thing for the rivers and the rest of us—this slow travel of the underground water, whether it comes out in springs or simply seeps through the soil as most of that which supplies the rivers does. Otherwise, if all the water of the rains went directly into the rivers we would have floods after every wet spell and empty river beds between times.

Here's another river rebus. How do rivers grow longer at the top? All rivers grow at their source because their headwaters eat back into the rocks and the soil, just as the rain wears away the head of any gully. Where the rock is soft they eat back faster. The Mohawk River in New York State probably wouldn't have amounted to anything if it hadn't done this very thing. From Albany westward past Utica runs a belt of shale, a weak stone, but here so soft that the surface of it crumbles back to clay in every winter's frost. Into this the Mohawk, which in past ages was only a little stream, has eaten back its way until now it is over a hundred miles long.

But sometimes rivers are so big the very first day they come into the world that you may say they are born half grown. You find them, among other places, in the mountains - 73 - of California. Nearly all the water from the melting snows on Mount Shasta sinks at once into the porous lava fields of the mountain slopes, and after wandering about in the hidden veins comes out, filtered and cool, in the form of large springs which make rivers that set out on their life journeys without ever having been babies at all so far as you can see. The Shasta River is one of these. The McCloud is another. It gushes forth suddenly from a lava bluff in a roaring spring seventy-five yards across, two-thirds of the width of the river in its widest part. The River Jordan in the Holy Land begins in one of these great springs at the foot of Mount Hermon.

From Norton's "Elements of Geology." By permission of Ginn and Company

HOW MOST OF EUROPE'S RIVERS GET THEIR START

Most of the important rivers of Europe start as streams of ice-water, flowing out of glaciers. Notice the boulders along the side of the stream. They also came out of the body of the glacier, where, as we shall see when we take up "The Stones of the Field" in Chagter VII, the boulders that rode south with the glaciers got most of their roundness.

We know already what a hand the glaciers had in the Ice Age in shaping the course and conduct of rivers, and - 74 - you may be sure they have something to do with the making of rivers to-day. The under side of a glacier gets warmed from three sources: (1) its own pressure; (2) the friction as it moves; and (3) the heat from the inside of the earth which, on account of this thick ice blanket, can't get away into the air as it does elsewhere. This heat melts the ice and, as we know, there is water melting also on the surface of glaciers and in the crevasses. Beside all this the water of rains falls upon the glacier so that there is plenty of water to make rivers, and we always find streams of water running from a glacier's front. Most of the rivers of Central Europe start in this way.

THE BEAUTY OF THE BRIDAL VEIL

And, although they didn't make the rivers themselves, the Ice Age Glaciers are held responsible for the fact that many little rivers always have to jump to catch the train. That is to say, they come tumbling over falls to join the larger streams into which they empty. The reason of this is that when, in the Ice Age, the glaciers filled the river valleys the larger glaciers in a main valley dug below the tributary valleys and so left the mouths of the tributary rivers high up on the main valley's walls. The famous "Bridal Veil" in the Yosemite is one of these side valley falls. The fall—900 feet—is so great that the water widens to a fleecy foam and waves back and forth in the wind like a gauzy veil and, instead of a roar like Niagara, it makes a rustling sound like silk.

While some rivers come hurrying down like that—as if they really were afraid the larger river would go off and leave them—others, like the Amazon, roll on as stately as - 75 - a Lord Mayor's procession. But the waters of all are on their way to the sea. The rock layers, owing to the wrinkling of the earth as it shrinks, are nowhere level, so flowing water is always on a down grade, sloping toward the sea or toward other land that does slope toward the sea. Then remember too as the sea bottom keeps sinking the continents keep rising, which increases the pitch of the land.

JUMPING TO CATCH THE TRAIN

See the famous Bridal Veil Falls in the Yosemite Valley hurrying down to reach the river below. As the stream descends, it broadens into a beautiful, filmy veil.

- 76 -

All very simple, but none the less grand and impressive. Ruskin, in one of the noblest of his passages, says:

"[All water courses], from the inch-deep streamlet that crosses the village land in trembling clearness to the massy and silent march of the Amazon and the Ganges, owe their play and power to the ordained elevations of the earth; [to] paths prepared for them by which at some appointed rate of journey they must evermore descend, sometimes slow and sometimes swift, but never pausing, the gateways of guarding mountains opened for them in cleft and chasm, and from afar off the great heart of the sea calling them to itself."

That's a poetic way of putting it, but it's a fact nevertheless.

II. The Human Nature in Rivers

There's a lot of human nature in rivers. To begin with, as we might suppose, they do the most playing and the least work when they are young. Brooks will be brooks, you know!

What pretty ways they have in babyhood! Kissing the pebbles, crooning, bubbling, chattering, playing, they are big Mississippis or great oceans that, like Homer's ocean river, flow around the world. Their bubbles are ships, sometimes wrecked on dreadful headlands along the shores.

THE CHANT OF THE WATERFALLS

Waterfalls are found only in young streams and more often as you near the source. Older streams have worn down their beds more nearly to a level and, as we all - 77 - know, more rivers begin among the mountains and highlands than in the lower lands. In the mountain regions there are plenty of rocks and cliffs to jump from, and the rivers, you may be sure, make the most of their opportunities. At such falls as the Bridal Veil they jump so far they are turned into white cascades, and as you climb the cliff beside them and feel the wind wafting spray in your face you hear the music of their songs. The more or less regular dash of the water as it swings back and forth in the wind gives that chanting sound described in waterfall poetry.

"BROOKS WILL BE BROOKS, YOU KNOW!"

Our baby river of the meadow seems to be playing it has a Niagara Falls of its own, "Rock of Ages" and all! See the "huge mass" of rock at the foot of the falls; and the rapids?

- 78 -

Like children these dancing, singing rivers love pictures and color. You see that in the rainbow tints of the spray as the sunlight strikes the air bubbles the waterfall "blows"; in the green of its waters turned to gray in the foam; in the reflections of mountain, sky, and cloud in the smooth stretches below the falls.

And, like pebbles and other little people, rivers love to play in the rain. My! What a time! In a storm, with a gray flood pouring from the sky, you hear, mingled with the voice of wind and rain, the swash and gurgle of the eddies as the river goes along in its dance, wild with the joy of it all. In a mountain stream during a heavy rain, with wind, you can also hear the waves dashing against the rocks along the shore or in the stream, and the smothered, bumping, rumbling made by the boulders on the bottom knocking against each other.

STORM CHORUS OF THE MOUNTAIN TORRENTS

From any high place during a mountain storm you can see twenty, yes, often a hundred torrents, and the noise of the water and the moving stones makes a wonderful storm chorus. Reclus compares the sound made by the stones to dull thunder.

WHERE TO LOOK FOR HIDING RIVERS

Rivers, both young and old, play hide and seek. Possibly the older rivers get to dreaming of their infancy when they were springs, and want to play they are springs again; anyhow, they disappear in the ground in one place and then come out laughing in another as if they really were springs! And how they must chuckle to themselves - 79 - when they fool people into thinking they are brand new rivers! This happens sometimes, and so the river gets a different name at the place where it comes out from the name it bears up to the point where it disappears. Such hide-and-seek rivers are found in regions where it doesn't often rain. The Tujunga, which you cross in going from Los Angeles to San Francisco, is such a river. At one place in its course it comes out of a canyon, looks around a minute, and then disappears in the pebbles, sand and gravel of the plain. Down it goes until it reaches a bed of hard rock. Along this underground bed it runs until it gets to a place north of Cahuenga Peak, where it comes up in springs and flows into the Los Angeles River.

THE LOST RIVERS AND THE THOUSAND SPRINGS

These are the waters of some hidden tributaries of the Snake River gushing out as springs from its beautiful banks. The group is called "The Thousand Springs," and is supposed to be the reappearance of two "Lost Rivers" that disappeared back in the sand wastes.

- 80 -

Mountain lakes are where the lively little torrents stop to sleep. "The sea," says Ruskin, "seems only to pause; the mountain lake to sleep and to dream."

But after this sleep how they laugh and play—those baby rivers—as they go dancing over the pebbles and down the falls; for in these lakes they gather themselves together into a larger volume of water, and so, of course, flow on with increased energy.

"As soon as a stream is fairly over the lake lip it breaks into cascades, never for a moment halting, and scarce abating one jot of its glad energy until it reaches the next basin. Then swirling and curving drowsily (dropping off to sleep again!) through meadow and grove it breaks forth anew into gray rapids and falls, leaping and gliding in glorious exuberance of wild bound and dance down into another and yet another lake basin."[12]

[12] Muir, "The Sierra Nevada Mountains."

Just as it is with human beings, a river seems to grow more thoughtful and thrifty as it grows older; and, best of all, this thought and thrift is for others—for the people of the plant world along its banks and for its old parent, the sea. With the help of pebbles it puts money in its savings bank and pays it out from time to time.

In seasons of flood it carries loads and loads of pebbles along. As the flood goes down these pebbles are dropped and covered with the sediment that settles along its banks. Then these pebbles begin to decay and so enrich the soil. Later along comes another flood, takes the pebbles out of the bank, carries them farther along, and, as the waters - 81 - go down, puts them back in the bank again. In course of time this kind of fresh food from the decaying pebbles gets carried into the sea, where it helps to furnish food and shell material for the shell-fish and raw material to be worked up by the sea's rock mills.

WAYS OF A WANDERING RIVER

III. The Machinery of the Rivers

To do all their great part in the world's work the rivers need only time, enthusiasm, patience, machinery, and tools. All these the rivers have, and the machinery they use and the engineering methods they follow are much more modern than we would suppose. Take, for example, the way in which rivers widen their banks. The current cuts with the greatest force on the outside of bends, and - 82 - the motion and effect is practically that of a circular saw. This sawing is done on the largest scale where the current meanders. Swinging from side to side it cuts away both banks.

And what it cuts away it spreads over the valley by its back-and-forth motion, much as men spread dirt with scrapers when they are grading a road.

That's how crooked rivers make broad valleys. But they have to have the help of us pebbles, too. We're hard to get along without! Notice, the next time the river or the creek is up, the rolling, hopping motion of the pebbles as they are carried along by the rushing water. It is these pebbles grinding on the bottom and sides of the river's bed that help most in this kind of valley deepening and widening. In the same way we pebbles helped dig those grand affairs, the gorges and the canyons in the mountains. The Grand Canyon of the Colorado is a part of our work.

In the widening of valleys the circular saws of crooked streams are very useful, but there are other things at work. The rains dissolve the soil and wash the banks away and slope them down; Jack Frost, with his wedges, pries out both soil and rock; the little farmers with many feet—the burrowing animals and insects—and the famous farmer with no feet at all—the angleworm—loosen soil, and so help the river to carry it away; and the ice, when the river breaks up in the spring, chisels off the banks as it passes.

- 83 -

HOW RIVERS BUILD STONE BRIDGES

Natural bridges are made by the same agency that forms the intermittent springs—the dissolving power of water—and, like the springs, are characteristic of limestone regions because limestone is readily dissolved in water. In the little model of a limestone region "a" and "a" are "sink-holes"—saucer-shaped hollows dissolved and washed into funnels through which the surface water joins underground streams such as you see flowing beneath the two "bs," which are natural bridges in the making.

The lower picture shows just how one of the bridge-builders looks while at work, dissolving and wearing down the rock. The next two pictures will help tell you two other ways in which rivers make their own bridges.

- 84 -

If you have ever been in a machine-shop you must have noticed how a planing-mill works away on a job it has been set to do, without anybody watching it at all; and when it gets done with its job it stops, all by itself. Such machinery is called "automatic," because, to a certain extent, it runs its own affairs. A river, in planing down and reshaping valley scenery, has an automatic stop. When it has cut its valley down to sea level it stops, because, being then no higher than the sea, it can no longer flow toward it.

AFTER A FEW CUPS OF TEA

When winding rivers get a few cups of tea—that is, are in flood—they rush straight ahead and, while much of the water may for a time still go on around the bend, some of it is forced through openings in the rock and in time carves out a bridge. How they do this is shown in the upper diagram on page 83.

But before this automatic stop shuts off their machinery the work that rivers do is immense. The Mississippi River carries enough solid matter to the Gulf every year to make a mountain a mile square and 268 feet high.

- 85 -

YOU KNOW THIS BRIDGE, OF COURSE

The Natural Bridge of Virginia is an example of still another style of river bridge-building. This bridge used to be part of the roof of a cave and remained after the rest of the roof fell in.

When ordinary people want to cross a mountain they have to climb over it. But do you know what a river does? It cuts its way right through and makes what is called a water-gap—a great gate of stone that is always - 86 - open and through which the stream forever flows. All the river used was tools and time. The tools were the sand and pebbles it swept along. So in the course of ages, running like a band saw, the Potomac made the water-gap at Harper's Ferry, the Delaware River the Delaware Water-Gap.

HOW MOUNTAINS HELP MAKE THE WATER GATES

But how could a river do this? It couldn't flow up one side of the mountain and down the other, could it? No, certainly not. What then? Wherever you find a river cutting through a mountain range you may be sure the river was there before the mountains rose, and that the mountains rose so slowly the river kept right on in its old channel and wore down the rock under that channel as fast as the mountains rose; while, on either side, they could rise as high as they wanted to for all the river cared!

GROWING MOUNTAINS AND THE EARTHQUAKES

But suppose, before I had explained how water-gaps are made I had told you I could show you a mountain growing. You wouldn't have believed it. Regions in which mountains are still rising, as on our Pacific Coast, are liable to earthquakes. The reason is that as mountains rise the rock layers of which they are made are strained dreadfully. Every once in a while they crack and the rocks on either side of this crack grind against each other. This makes the earth shake, much as the house shakes when a heavy table is pushed across a bare floor.

If you want to see a job of river engineering that will - 87 - make you catch your breath, look over into some of the river canyons and gorges of the West.

THE GREAT CUMBERLAND WATER-GAP

Here is the famous Cumberland Gap that the river cut through the mountains; so cutting a great figure in United States history, also, you remember. The picture shows the region as it looked in early days.

A mile isn't much straight ahead, but a mile straight down and you on your stomach, with your eyes just over the edge—it's an awful long way! Imagine yourself looking down a wall of rock like that, and the bottom of the abyss so far off that it looks blue—that's a canyon!

AND YET THAT LITTLE RIVER DID IT ALL!

And now we are going down into the vastest canyon in the world, a canyon so vast that it has already swallowed - 88 - practically all the words in the dictionary suitable to such scenery and still remains undescribed—so all the skilled writers say who have tried their hands at it. This is the Grand Canyon of the Colorado. Do you remember how in "Alice in Wonderland" the cat disappeared and left nothing but its smile? Well, the first time you see the Grand Canyon you feel as if it had swallowed you and left nothing but your eyes! And when they tell you that it was all done by that little river that you can just make out threading its way along the bottom, you can't believe it! The total length of the river's gorge—a canyon is just a long gorge—is some 400 miles. The part of it known as the Grand Canyon is a yawning abyss of stone into which the river walls widen for a distance of 42 miles. The Lower Colorado River, that dug this chasm in the rock, flows through a vast table-land where rain seldom falls. But the river, which rises in the Rocky Mountains, has a constant supply of water from the mountain rains and the melting snow. The canyons you see branching from the main gorge in our picture were cut by the Colorado's tributaries. Working together on different sides, they carved out those rock masses that look like oriental temples and have been named accordingly—the temples of Brahma, Osiris, Zoroaster, and so on.

And here in this canyon is a splendid example of how the rivers, in addition to all their other labors, write history. They helped to lay down on the borders of the ancient sea the material out of which the rocks were made. It is in the leaves in such books of stone that the geologist reads the great events of world-making history. Moreover, the rivers may be said to cut the leaves of the book - 89 - when they dig down through them, as in this immense library of the Grand Canyon.

From a photograph copyrighted by Fred Harvey

AND WE PEBBLES HELPED DIG THE GRAND CANYON, TOO!

River water alone couldn't cut those canyons—the Grand Canyon and the rest. The Colorado and its tributaries had to have grinding tools and the tools were the pebbles they dragged over their rock-beds; and thus, in the course of ages, wore them down and down and down.

Busy, busy all the time—these rivers. But although they are always at work they not only never forget to look beautiful but they beautify everything they touch. At the outset the lines of a river valley are rather straight and angular, as if the scenery were just being blocked out by an artist, but as the valley grows older its slopes become more gentle, the angles disappear into rounded forms, and the river itself winds along in graceful lines, exactly - 90 - reproducing what the great English artist Hogarth called "the line of beauty."

THAT MIGHTY RIVER IN THE MEADOWS

Yon stream, whose sources run,
Turned by a pebble's edge,
Is Athabasca, rolling towards the sun,
Through the cleft mountain ledge.
The slender rill had strayed,
But for the slanting stone,
To evening's ocean, with the tangled braid
Of foam-flecked Oregon.
Holmes.

Back of all the work of the rivers from year to year and age to age, there seems always the thought of beauty as well as the thought of use. They are evidently under an eternal law of service, of beauty, and of change.

"The hills are shadows, and they flow
From form to form and nothing stands.
They melt like mists the solid lands;
Like clouds they shape themselves and go."

- 91 -

HIDE AND SEEK IN THE LIBRARY

Isn't Tennyson's "Brook" a beautiful title picture of a baby river and its ways?

Speaking of human nature in rivers and apparent differences in disposition, why is it that some of the rivers of California run right through the mountain ranges from east to west—have evidently cut their way—while others run along, meekly enough, between the ranges? I'm sure from what we have learned about rivers that you can tell how this happened as well as if you had been there when the rivers were made; but if you can't think—after trying real hard—you will find the answer in the Hide and Seek at the end of the next chapter.

Beside being so prominent in the literature of the Bible and so famous in history, the River Jordan is a most curious and interesting stream, and every child should know about it. Here are some of the things you will find: Why it is born partly grown, and doesn't begin as a little stream, like the Mississippi; why it may be said to be in both the tropical and temperate zones[13]; about its two valleys, both of which it uses at the same time.[14]

[13] Britannica.

[14] International.

Another famous river over in that part of the world—it's the biggest river in Western Asia, in fact—was born twins. See if you can find such a river on the map. (The name of it is at the end of the next chapter.) In the days of Alexander the Great these twin rivers, which now unite in one after travelling along independently for a while, were a good day's journey apart clear to the end. In the article on this river in the Britannica, and in books of travel you will find how, by a quaint and ingenious device, the river is made to pump itself up hill and irrigate the fields; how history, clear back to the beginning of civilization, is written in the ruins of cities along its banks; how it used to put in part of its time bounding the Roman empire, and how nowadays it is forced to help support Arab river pirates and wild pigs.

Now let's go over into Africa with Doctor Livingstone and see how a river can grind out a big, deep stone jar in solid rock.[15] - 92 - Rivers grind out these pot-holes much as Indian women and the American pioneers used to grind wheat and corn. (The river, you'll find, uses pebbles for millstones.)

[15] "The Expedition to the Zambesi," page 63. One of these natural water-jars that Doctor Livingstone found was as wide as a well and so deep it kept the water cool even under the broiling African sun.

And what do you think of a waterfall big enough to swallow two Niagaras? (It's the greatest waterfall in the world; so you must have learned its name in your geography.) It's described on page 268 of Doctor Livingstone's book referred to in the foot-note. The natives call it "The Fall of the Thundering Smoke." They wonder how water can smoke, and so that you can see the "smoke" twenty miles away. You'll wonder, too, until you learn the reason.


- 93 -

CHAPTER V

(MAY)

When April steps aside for May,
Like diamonds all the rain-drops glisten;
Fresh violets open every day;
To some new bird each hour we listen.
Lucy Larcom.

THE FAIRYLAND OF CHANGE

What a wonderful world it is, this world of green fields and perfume and blossoms of pink and gold! Where did it come from? How did it get here out of the white winter? That bleak and barren winter that lay all around us everywhere only a few short weeks ago?

Just suppose we had never seen apple trees in bloom, as we are now seeing them everywhere, and somebody should show us a little brown seed, and a piece of bark, and a piece of root, and a green leaf, and a blossom, and an apple, and tell us they grew out of each other—were all made of the very same stuff.

Well, just as sure as anything, you wouldn't believe it. I wouldn't believe it. We simply couldn't! But we've had this sort of thing all around us ever since we can remember, and we've got so used to it we don't see anything wonderful about it. It is wonderful just the same. The Colossus of Rhodes, and Jupiter of Olympia, and the - 94 - lighthouse of Alexandria, and all the other Seven Wonders of the World that people used to go so far to see, weren't anything to it.

And to this day, how it all comes about is as much of a mystery as ever. Yet Nature does it right before our eyes, and over and over and over again! Even I, old as I am, and as much as I know, I don't know how she does it, but I do know how it all started; how Nature first began to change one thing into another. It was when she began making marbles, granites, and other kinds of rock out of other kinds. That was ages before she changed little brown seeds into big trees with pink blossoms and red apples on them, or little brown cocoons into big golden butterflies, or anything like that.

I. In the Fairyland of Change

Ahem! Ahem! (Pebble coughing.)

I caught cold some several million years ago and I haven't got over it yet. That's why I'm a granite pebble instead of a slate pebble, or a sandstone pebble, or anything common. It's a part of the story of the fairyland of change, this cold of mine.

Ahem!

Would you mind getting me a lump of sugar? I don't want it for my cold—it never does that any good—but because a lump of sugar goes so well with this part of my story.

You notice the sugar lump is made up of little crystals, little building blocks just as I am, just as all granites are. And the crystals in the sugar and in the stone were made - 95 - in the same way—by first heating and then cooling the material out of which they are made.

THE CRYSTAL FAIRIES IN THE SUGAR-BOWL]

When the earth's surface first cooled, the melted rock is supposed to have changed to granite. Melted rock, under the same conditions, does that to-day. So, for a while, granite must have been all the kind of rock there was. There was as yet no sandstone, no shells or bones to make limestone, no pebbles to help make conglomerate or "pudding stone," no ground-up rock and soil to make slate.

The rocks of the earth have been made over so many times that it is not probable that any of the granites now "living" (so to speak) are the same rocks that were made - 96 - when the earth first cooled, but you can see that we have a right to say what I was careful to say when I introduced myself to you in the first chapter, that we belong to one of the very oldest families—we Granites.

Ahem!

There is a variety of rock—a crystallized rock—with bands all through it, called gneiss (say "nice"). Gneiss is made from all kinds of rock including, of course, conglomerate; that is to say "pudding stone"[16] warmed over.

[16] "Pudding stone" is a rock with pebbles all through it, like the plums in a Christmas pudding. Its book name is "conglomerate."

"And what they did not eat that night, the queen next morning fried!"

DOWN IN THE GREAT MELTING-POT

But how is old rock warmed over and made into new? You might easily guess that as the heart of the earth is melted rock the rock layers lying next to it would be melted, too, and so started on their way to becoming crystallized rock. Crystallization in rock takes place from the surface down, in the same way that maple syrup turns to sugar, as it does if allowed to stand undisturbed. So, as the central mass of rock is cooling from above toward the centre, we may suppose granite is still being formed away down there, miles under our feet.

But there are other ways in which rocks make their own heat—rocks far above this central molten heart of the world. One of these ways might remind you of how the mother hen gets her chickens to come out of the eggs, for rocks hatch out new rocks by sitting on one another!

- 97 -

THREE CHAPTERS IN THE STORY OF MARBLE

If you're ever in New York City up around 192d Street, you can read the three chapters in the life of a piece of marble right in the rocks themselves, for there you'll see this mass of rock with that granite dike pushing its way through. The rock on either side of the dike is limestone, and this limestone, owing to the heat of the lava which afterward hardened and became a "dike," is full of crystals; that is, began to turn to marble because of the heat. See how the lava crumpled the limestone as it pushed its way up into the original crack?

The pressure of the upper rocks generates heat in those beneath.

Then when these deeply buried rocks come up into the upper world as parts of mountain chains, and the covering of the softer rocks is, by the rivers and by weathering, worn away, we find the granite. The wrinkling of the rocks which makes mountains also creates immense pressure, and this is another great source of made-over rock. Such rock is found almost entirely in mountain regions. Some rocks, as shown in pebbles stretched out like a piece of gum, are heated by pressure without being crystallized. - 98 - Often one of these stretched pebbles is the only thing in a crystallized rock that shows what kind of rock it was originally, all the finer material in it has been so changed. The deeper down in the earth the rocks are the more apt they are to be crystallized, because the rocks piled above them help to hold in the heat, just as thick blankets keep you warmest on a cold winter night.

KINDS OF "METAMORPHIC" ROCK

Rock of any kind may be changed to crystallized rock. Where the conditions are not favorable for crystallization the rock is made more solid, and material soaked out of the rocks above filters down into it. The lower layers of sandstone may become almost as solid as glass, and are then called "quartzite." Clay rocks are hardened into slate. Rocks changed in any of these ways are called "metamorphic" rock, from two Greek words meaning "to form over." But by "metamorphic" is usually meant rock that has been crystallized.

NICE HATCHING TEMPERATURE FOR ROCKS

I compared the hatching of new rocks to the hatching of new chickens, because it is done by the rocks sitting on one another. But chicken hatching and rock "hatching" are alike in still another way. The rocks need heat, but not too much heat. Too much heat melts them. It is only when they have cooled down a good deal that they begin to crystallize; and that, you see, wastes time.

A nice hatching temperature for rocks is between 500 and 1000 degrees Fahrenheit.

But we might also compare Mother Nature's way of - 99 - changing rocks to the cooking that goes on in our kitchens. She uses not only heat, but water and other things, including salt and soda. Both the salt and some of the water in the rocks comes from—you'd hardly guess it—the seas! Not the seas of to-day, but the seas of yesterday, when these rocks were made. Then the pores were filled with water and the water has been kept shut in down there by the rocks above ever since.

From this sea water comes the salt. The salt in the water, when heated, helps to dissolve the rocks so that the different materials in them can separate and come together again in new ways, and so form new rocks. You know when you go to the lavatory to change your hands from dark to light what a lot of difference it makes whether the water is hot or cold and whether you use soap. The soap helps dissolve the dirt on your hands just as the salt helps dissolve the rocks.

The soda which Nature also uses is particularly good for dissolving rock that will hardly dissolve without it; silica, for instance, out of which are made the hardest of the sand grains, the sand in sandstone, the sharp, glassy edges of grass blades, and the blades of wheat, and the stalks of corn. Whenever there is a great deal of silica in rock you find soda mixed right with it. This, having the rocks already salted and mixed with soda before putting them in the oven, Mother Nature has always found so convenient!

ONE PEBBLE MAY PLAY MANY PARTS

I, in my time, may have been many kinds of rock. First, heaved up out of the sea by the earliest wrinkling of - 100 - the cooling earth as granite; then weathered away into soil and carried by rivers to the sea, where I was remade the first time, maybe, as part of the "dough" in a pudding stone; then up again in an earth wrinkle and again back to sea, this time to be made into some one of the clay stones, and then back to granite again.

Anyhow here I am, a little freckled granite pebble talking myself red in the face because I've got so much to say, such wonderful things to tell, and only a few hundred pages to tell it in!

II. How Do They Know?

But, after all, how do they know that one rock changes into another? No one ever caught a rock doing this, did they?

Not quite, but almost. To explain, I must first tell you about the fossils that are found in stone. Haven't you often noticed in marble curious figures that reminded you of sea-shells? They were sea-shells but have been turned to stone, and things similarly changed while still keeping their original form are called "fossils."

When the plants and the shell creatures of the sea die they fall to the bottom, and mud and sand settles over them and closes them in, much as you shut leaves and flowers between the pages of a book. But while the book presses the leaves of flowers out of shape these bodies of the water-plants and shell creatures are slowly enclosed in a soft mass of mud that doesn't change their shapes at all. Then the particles that go to make up the soft bodies of these buried things are slowly dissolved away, and the minerals in the water and mud above them soak in and - 101 - take their places. It's like passenger after passenger in a car getting up and other passengers taking the vacant places. Finally this mass of limey shells becomes buried deep under the sea, is turned to limestone, and when in course of time this part of the seashore rises—as we know shores have a way of doing—or is wrinkled up into a mountain, this limestone becomes a part of the face of the land.

From a photograph by the American Museum of Natural History

STORY OF THE LITTLE JEWEL-BOX

A kind of jewel-box? Yes, the kind geologists call a "geode." It began as a piece of limestone in which the underground waters had dissolved a cavity. But these waters had already, in solution, quartz which they had dissolved from quartz rock, and this quartz, deposited little by little in the cavity, formed into crystals. The quartz also made the surrounding walls more solid, so that when the mass of limestone containing this pocket was cut away by erosion this jewel-box remained, and, being rolled about in streams or by the lap and plunge of waves, it was rounded.

WOULDN'T WE SAY THE SAME THING?

Now suppose where some great granite rock stood up through layers of other kinds of rock—looking as if it had - 102 - pushed itself through like the great granite boss on which Edinburgh Castle stands—you found that wherever this intruder touched the other rock that rock was crystallized. If we had just found all this out for ourselves, as the geology people found it, we would say, just as they said:

FATHER, GRANDFATHER, AND THE CHILDREN IN THE PORPHYRY FAMILY

In this piece of porphyry you see three generations, all living under one roof, as it were. Notice that six-sided crystal near the centre? Compare it with other good-sized crystals that haven't any distinctive shape. The reason for the difference is that the shapeless ones have had some of their substance taken away to form the smaller crystals. The dark mass is lava. In it the big crystals formed. Then, from most of the big crystals the lava reabsorbed material, and this material later turned into little crystals—the "grandchildren" of the three generations.

"I wonder what the granite did to the limestone and the other rocks around it to make them 'sugar,' or, as we say when speaking of rocks, 'crystallize'? Syrup sugars when it is heated and then cooled without stirring. I wonder if this intruding mass that is now granite didn't spout up, - 103 - in melted form, from down in the earth, and heat the rocks on either side as it burst its way through. Then both this hot rock and its neighbors cooled and crystallized. That's it!"

SPLITTING MARBLE ROCKS IN THE QUARRY

This is a scene in a marble-quarry. The men are splitting up a 120-ton block. A writer in Scribner's Magazine, in which this illustration originally appeared, also describes the process. The wedges, carefully greased, are inserted in the drill-holes which, for a horizontal split, are neither close together nor very deep, as that is the natural plane of cleavage between the strata. Two men with sledges go down the line giving each wedge a blow—not too hard. Then two more men follow, and in go the wedges a little farther. You see it wouldn't do to rush matters, or you'd fracture the marble. The operation is so delicate, indeed, that the foreman himself gives the final blows. Then the marble cracks from hole to hole. For the vertical splits the holes, you notice, are closer together. They are also deeper.

In some places you find these granite masses in great bosses, or domelike rocks; elsewhere in long strips, like an iron bar thrust through other rocks; in still other places in great slabs between other rocks, like a warming pan pushed - 104 - between the bed-sheets on a cold winter night; but everywhere it touches other rocks these neighbors are crystallized.

Now, coming back to our friends the fossils, we sometimes find limestone bordering one of these intrusive marble rocks with fossils in it, shading off into limestone containing the same kind of fossils. As you get closer to the granite mass the fossils in the marble gradually fade away until you come to marble in which there are no fossils at all.

So there we get the whole story of the life, not only of marble but of granite, and what happened to them in "The Fairyland of Change" and how it happened:

Chapter I.—The limestone was made in the sea and the shell creatures helped to make it.

Chapter II.—Hot melted rock from the inside of the earth broke its way up through these limestone beds.

Chapter III.—Then, as the melted rock cooled, it changed to granite, and the limestone on either side, being first heated and then cooled, crystallized and changed to marble.

Men of science have still other ways of working out this problem as to whether and how and why one kind of rock changes into another.

"But," we might say, "aren't they satisfied? We are. It's all plain enough to us now that one kind of rock does change into another. Then why do these geologist people go on getting more evidence when they've already got enough? It's like a boy learning two lessons when he only has to recite in one; and whoever heard of such a thing!"

- 105 -

THESE BOYS JUST LOVE TO STUDY

The answer is that this "going on" is one of the many delights of study, particularly in Nature's books, when once you get the habit.

From a photograph by Frith & Co., Ltd., Reigate

THE MARBLE ROCKS AT JABALPUR

The gorge of the "Marble Rocks," near Jabalpur, India, is a mile long and of an unearthly beauty of which even this little picture will give you some idea. The walls gleam white and golden in the sun. They are not really marble but limestone, which, as you will learn in this chapter, is the stone that becomes marble in "the fairyland of change." It looks as if nature had begun the making of marble columns in those cliffs, doesn't it? This is because the cliff is cut up by joints. You can also make out in one of the "pillars" the strata, or horizontal divisions of the rock, as it was laid down in the sea.

Among other things, the scientists search the pockets of the rocks, so to speak, for further evidence as to whether one kind changes into another. Chemistry is a great help in doing this, and, of course, the microscope. They find - 106 - in this way that rocks that are full of crystals, such as granite and marble, and that look so different from the rocks that are not crystallized—such as limestone and sandstone—have in them the very same substances—silica, lime, potash, iron, and so on.

And again they put the oysters on the witness stand. (You remember how, long ago, oysters helped tell that mountains were once a part of the sea bottom.) They put a piece of limestone in a certain acid, and it bubbles and gives off a certain kind of gas. Then they do the same thing to an oyster-shell, and it gives out the same kind of gas. Then they try it on a piece of marble and out comes that very gas again! So all three—the limestone, the oyster-shell, and the marble—must be pretty close relations. Marble is just oyster and other shells warmed up and then allowed to cool.

But they don't stop here—these students of the rocks. It isn't enough that all these facts point to one conclusion. They want to actually try it out. So what do they do but change chalk—which is a kind of very soft limestone—into marble in the laboratory? This they do by heating the chalk and then cooling it under immense pressure.

III. The Fairies of the Fairyland of Change

If there really are fairies in this deep-down fairyland of change—and surely there must be—I should say they were the very same fairies we find in a lump of sugar—the crystals. For it is when these crystals take different shapes—the very thing fairies are always doing, you know—that things change into something else, so different you can - 107 - hardly believe it. One could easily believe that charcoal and coal are related, they look so much alike in the face; but who would say that a piece of charcoal and a diamond were made of the very same stuff? They are. But diamonds are made of crystals and charcoal is not; and that must be it. The carbon of the charcoal was never touched by the wand of the Crystal Fairy.

SIX MEMBERS OF THE CRYSTAL FAMILY

Introducing six interesting members of the crystal family. The crystals of common salt and of gold, among others, take the form shown at A. Alum and diamonds crystallize as shown at C; while B and F belong to a system of crystals which we find built up into ice and arsenic. D and E are building-blocks for green vitriol, borax, and sulphate of soda.

A strange thing is that big crystals are always made up of little crystals. So what looks like one crystal is really a United States of crystals, all like each other and each like all of them put together, much as our federal government repeats the form of the State governments, and the - 108 - State governments duplicate the government at Washington on a smaller scale.

THE SAND GRAINS AND THE CRYSTAL FAIRIES

The crystal fairies often give battered sand grains a new lease of life and these pictures show how they do it. Fig. "a" is a single sand grain which has grown into crystal form; "b" shows parallel growths about a grain; "c" is a group of neighboring grains that have crowded each other so in their growth that the crystal facets have been destroyed. Sounds odd to speak of sand grains "growing," doesn't it? But they do!

But why do the little crystals always come together in just such a way as to make big crystals shaped exactly like themselves?

Goodness knows!

But whatever the how and the why of it may be, not only do the crystal people stick as closely to the family pattern in dress as the Scotch Highlanders do to the plaids of their clans, but the crystals are clannish in another way. When a clay rock, for example, is dissolved by the heat, moisture, and chemicals down in the land of change, the particles of the same kind that are scattered through it hunt each other out, and ever after cling together, like Emmy Lou and her "nintimate friends." You've noticed - 109 - how "spotty" granite is, haven't you? This is because it is made up of different kinds of minerals; but, although the crystals in all follow the granite pattern, the particles of each kind of mineral "flock together." The feldspars and the micas never mix.

JUST TRY IT WITH A PIECE OF PAPER

Now take a piece of writing paper and roll it into a tube and I'll show you something else. Stand the roll up between your two hands and press down on the top. It takes a good deal of pressure to bend or break it, doesn't it? Now lay it on its side and squeeze. It breaks right away.

But how should the crystals in a piece of granite know that a column of anything will stand so much more weight when the pressure comes on the ends than when it comes on the sides? They seem to know; for I'll tell you what they do, away down there in the dark of the earth. The crystals stand at right angles to the pressure on the rock in which they are forming. Sometimes, because of the movements of the earth as it shrinks and cracks, the crystals already formed in granite are crushed over on their sides. Then, in course of time, they form again, but this time they stand upright, with their "heads and shoulders" against the burden—little Atlases supporting the world! And they not only manage to get up and stand up straight when re-formed under pressure, but they stand closer together than they did before; they close up ranks, like soldiers with serious business before them.

A crystal is made up of molecules, that is to say, little parts of itself. You can't see a molecule; you just have to think it. Each different thing in the world—as salt and - 110 - sugar, boys and bumble-bees, little girls and butterflies—is made up of its own kind of molecules or little parts of itself. In order to grasp the idea of certain scientific facts, the men of science thought of the molecules themselves as being made of little bits of themselves, which the scientists called "atoms." Now they find that it is necessary—in order to work out still further their ideas of how things are made and done and changed, in this wonderful mystery we call the world—to imagine these atoms as made up of what they call "electrons." You mustn't think, however, that this is all mere fancy. We can, of course, think of anything as made up of small particles or parts of itself which we can call "molecules," and that these molecules are made of still smaller parts which we can call "atoms." But there is reason to believe that while each different kind of thing is made of its own kind of molecules and their atoms, all the atoms are made of the same thing—electrons or little bits of electricity. For reasons which need not be gone into here, it is known that electrons actually exist. These electrons are so much smaller than an atom that there is as much room for them to move around in an atom as there is for the planets to move around the sun.

And they do move—travelling round and round. There are, even in so small a thing as a grain of sand, untold numbers of these circling worlds; systems like the sun with its planets and other vast star systems of the sky.

And that, it is thought, may be one of the secrets of the continual change of things; clay rock changing to granite, granite to soil, soil to fruit, fruit to children, and so on—everything on the move and the electrons doing the moving—carrying the changes, so to speak—these wonderful little myriad messenger boys of the universe!

- 111 -

HIDE AND SEEK IN THE LIBRARY

Don't imagine, for all I've talked so long about them, that I've told you everything there is to know about the crystal fairies. For example, did you know that if it wasn't for the crystal people we wouldn't have any ice? (Ice.)

You will also find that if it wasn't for ice—ice and the Greeks—we wouldn't have the word "crystal" at all. (Crystal.)

One of the most striking things in the whole conduct of these clever crystal folks you will find in reading about ice. If it wasn't for a peculiar—a very peculiar—habit the ice crystals have, all the waters of the world that ever freeze at all, would freeze solid to the bottom and never would thaw out!

I'll tell you this much about it:

While everything else in the world—including boys and girls—contracts when it gets cold, ice expands, and so becomes lighter than water, and so floats.

And yet the ice crystals know how to contract as well as expand, and that's why ice sometimes builds stone walls, as we will see when we come to study "The Stones of the Field" in July.

Shaking still water that is cold enough to freeze but hasn't frozen makes the crystal fairies get very busy in their ice factories. And it looks very much as if the fairies themselves warmed up with their work; for, after this shaking, the temperature of the water rises ten degrees at the very same time it is freezing!

You will also find that when the weather is cold enough ice itself freezes, gets harder and harder with the cold; that ice will melt ice; that two blocks of ice will grow into one if you give them a chance; that ice crystals are apt to be born twins; that these twin crystals are fond of gardening—at least, they raise "ice flowers"; that the ice crystals are so punctual in their coming and going in water that they are used to help place the markings on thermometers just right, so that we can tell exactly how cold or hot we are.

All this just about the crystals of the ice, but the work of the crystal people in making snowflakes is even more wonderful. In the bound volumes of St. Nicholas for March, 1882, in your Public Library you will find a most interesting account of a man in Vermont who began studying snowflakes and taking their pictures when he was a boy. He's known all over the world as the great authority on snowflakes. In the Encyclopedia Americana you - 112 - will find a long article by him in which he tells the many interesting things he has learned about the ways of the fairies of the snow And how many pictures do you suppose he has in his snowflake gallery now? Over a thousand, and no two alike!

Just to think! Some of these wonderful little people of the fairyland of change sit at the table with us at every meal—the sugar crystals. And they are among the most interesting members of the family. Under the word Sugar you will find that the sugar crystals themselves eat and grow. But what do you suppose they eat? Not sugar. (You may easily guess, however, they have a sweet tooth.)

Yes, and at their home table, before they come to your home table, they have their regular meals, and they are not allowed a second helping until they have eaten the first!

Answers to Conundrums in H. & S. No. 4

The east and west rivers in California were there before the mountains rose and so cut their way through; while the north and south rivers between the ranges owe their origin to the mountains themselves.

The big twin river referred to is the Euphrates.

The greatest falls in the world are the Victoria Falls on the Zambesi.


- 113 -

CHAPTER VI

(JUNE)

The rivers laugh in the valley,
Hills dreaming of their past,
And all things silently opening—
Opening into the Vast.

That pebble is older than Adam,
Secrets it hath to tell.
These rocks—they cry out history,
Could I but listen well.
William C. Gannet: "Sunday on the Hill-Top."

THE SECRETS OF THE HILLS

I. In the Bad Land Library

It has been said[17] that crystals are dreaming of life, they act so like living things. We may imagine the crystals in the granite rocks which first came into being with the cooling of the fire globe, dreaming out the long procession of life and change that followed them.

[17] John Burroughs: "The Breath of Life."

But what nightmares they must have had when they foresaw such creatures as the one on page 23, that grotesque, that unbelievable combination of bird and beast, the cerotosaurus! The bones of such monsters are one of the most astonishing secrets of the hills.

- 114 -

DIFFERENT KINDS OF MOUNTAINS

HOW THE BAD LANDS GOT THEIR NAME

"The Bad Lands are so called because they are bad for travelling—that is, if you're in anything of a hurry!"

The Bad Lands of South Dakota, in which, as in other parts of our great West, so many bones of the ancients have been found, got their name because they are so bad for travelling; that is to say, if you are in anything of a hurry. But if you are just looking around—during your vacation, in June, say—they are anything but bad lands. They are full of interesting secrets. This secret of the ancient bones is only one of them. Another thing they lead us into is the secret history of the hills themselves; and as this particular book is mainly about the face of the earth, the story back of the landscape, as it appears to the traveller, we shall give the rest of this chapter to the origin - 115 - of the Hill family, using the word "hill" in its broadest sense. If you have looked it up in the dictionary you have found that what people call a "hill" depends a good deal on where they are. The Bad Lands are really hills; but in South Dakota, where these particular bad lands are, they also have what they call the Black Hills, which are really mountains, because they "mounted" to get where they are.[18] They wrinkled up, just as the continents themselves did, when they came out of the sea. Most of the great mountain systems of the world were made in this way, but table-lands may be so cut up by streams in course of time that they look like mountains.

[18] Mr. Pebble did not mean to say, I am sure, that the word "mountain" comes from "mount," used in the sense of rising. The original of the word mountain comes from the language of the People of the Seven Hills, the Romans, and means a great mass of rock or earth that sticks up.—Translator.

Painted by Dewitt Parshall. In the possession of the Metropolitan Museum of Art

THE CATSKILLS IN A MIST

- 116 -

The Catskill Mountains are of this type, while real mountains may be so worn down that you would take them for plains. You see, with the Hills and the Mountains, as with other royal families, it isn't the importance of the individual that counts, but the ancestry.

Another kind of real mountain, beside the folded-up kind, is the mountain that is made where a rocky plain is split up into great stone blocks by the movements of the earth crust, as it settles around the shrinking centre. In the settling and crushing together of the rock cover around the shrinking ball within, some of the blocks drop down, and the blocks that are left sticking up make cliffs. Mountain ranges so made have long, gentle slopes on the side opposite the cliffs. Then there are volcanic mountains. Fujiyama, the sacred mountain of Japan, is one of these.

Mountains are also formed where the molten rock on the inside of the earth is forced up under layers of rock nearer the surface. This lifts these rock layers into domes. In the course of time the rivers and the weather wear away the overlying rocks, leaving the hard central core standing out. Harder layers of the overlying rock, wearing down less rapidly than the other layers, often stand out as circular ridges with valleys in between, so that the central core looks like some old ring master at a circus. The Bear Paw Mountains and the Little Snowies of Montana are mountains of this type.

WHERE MOUNTAINS GET THEIR PEAKS

Most mountain peaks, except those of the volcanoes, are remnants of hard rock which have been left standing while the rivers and the weather cut away the softer rock around them.

- 117 -

IN THE HIMALAYAS THEY MIGHT CALL THESE "HILLS"

High as these mountains are—we are right on the roof of the Rockies—if they were in the Himalayas they might be called "hills," because there the scenery grows so much taller. What does the sharpness of the peaks say as to the age of these mountains? Compared with the Appalachians, for example?

In regions of gently rolling country even small hummocks are sometimes called "mountains," while out West, where scenery grows so tall, the Black Hills seem to the people only stepping-stones to the big Rockies. So they call them "hills." In the region of the Himalaya Mountains—mountains that don't think anything, you remember, of climbing up 16,000 to 30,000 feet in the air—a peak of 10,000 feet is often called a "hill."

II. Hills That Were Moved In

Nearly every region has hills, because every region has or has had running streams and the streams have carved - 118 - out the hills. But there are kinds of hills that aren't home-made; they were made elsewhere and moved in. I believe this is the biggest hill secret of all, speaking of hills proper and not of mountains.

From Norton's "Elements of Geology." By permission of Ginn and Company

KAME SCENERY IN NEW YORK STATE

Almost all over the northern part of North America, as well as much of Europe and Asia, there are mounds, heaps, and hills of various shapes and sizes made up of a mixture of pebbles, sand, and clay. In the United States these heaps make a big line of hills, like a procession of ancient Indian chiefs, with bowed heads and stooped shoulders, plodding back to the land of their fathers. And, sure enough, there they go from down East clear across country to the far West and then up North, where, as we know, these hill-moving giants, the glaciers, came from.[19] For, beginning with Perth Amboy, N. J., say, you will - 119 - find them marching on through Elmira, N. Y., skirting the suburbs of Cincinnati, winding their way through Indiana and Iowa up through Wisconsin to the Dakotas and Montana, and so back into Canada.

[19] Did you suspect the giants of this chapter were our old friends the glaciers of the Ice Age, when I first began talking about them?

When the geologists first began digging into these hills they not only found them as full of pebbles as a Christmas pudding is full of plums, but the pebbles were of all kinds—sandstone, limestone, slate, granite.

JACK FROST DIDN'T DO IT!

"These different pieces of stone didn't come from the breaking up by frost of the rock beds on which we now find them," said Some Wise Man, "for then they would all have been of the same kind of rock."

"And besides," said Some Wise Man No. 2, "they would not have been shaped into pebbles with the edges rounded off, as all pebbles are by the waves of lakes or the sea or the water of flowing streams. So these pebbles must have come from somewhere else."

"Yes, and a long way off," remarked Some Wise Man No. 3; "for look, there aren't any rock beds anywhere around here from which some of these pebbles could have been made."

"True enough," said Wise Man No. 4, "and I know what brought these little foreigners. It was a great flood; for water moves not only pebbles and clay, but, in times of flood, good-sized cobblestones."

WHAT IS MEANT BY THE "DRIFT" THEORY

So, for a long time, it was believed that the material in these hills was drifted in by the waters. This was called - 120 - the "drift" theory, and, although it is now known that this theory was not the true one, such heaps of clay and stones are still called "drift."

But the learned men kept on digging into the question and into the hills, and finally more things were observed.

"Did you notice this?" said one. "The material is not separated into layers and divided up into coarse, finer, finest as the sediment of pebbles, sand, and mud is separated and divided when it settles along shores. These pebbles, this sand and clay, are all mixed up."

"Look at this, will you?" (Here imagine a Learned Somebody picking up a pebble with a scratched face like mine.) "Water never scratched anything like that. Here are a lot more of these pebbles, all with their faces scratched."

"And just see how all these scratched pebbles have flat faces," cried another of these famous grown-up boys in these great field excursions. "It looks to me as if they had been ground against something hard—another rock, say; and for a long time."

HOW THE QUESTION WAS FINALLY SETTLED

Well, to make a long story short, they found that the glaciers of the Ice Age, those great bodies of flowing ice, were the only things that could have brought all this material together from such widely separated regions (as shown by the different kinds of pebbles), and left them all mixed up as they were; and the faces of many pebbles scratched and flattened where they had been ground along.

And then, to put the question entirely beyond dispute, they find that the glaciers are carrying down pebbles and - 121 - stuff in just this way to-day, and piling it up in hills in the valleys at the foot of the mountains. Only the hills of to-day are much smaller, because the glaciers themselves are so small compared with the giants of the past.

HOW THE OLD MEN MOVED THE HILL FURNITURE ABOUT

This picture of a glacier in Alaska shows you just how the Old Men of the Mountain moved the hills about, that time. As indicated by the white lines—which, of course, were added to the picture for the purpose—the Alaska glacier melted back, leaving just such heaps of pebbles, boulders, and soil as made certain types of hills. Then from 1910 to 1913 it advanced again, thus picking up the very hills it had laid down and setting them farther along, just as the glaciers did in the Ice Age.

HOW THE HILL FURNITURE WAS MOVED ABOUT

During the Ice Age, when glaciers were all the fashion, they flowed down, and then, as we have seen, melted back - 122 - a certain distance; then they flowed down again. Sometimes in later visits they flowed further than before, and in so doing, you see, picked up some of the very hills they had previously laid down and set them along somewhere else. Sometimes we find different rows of hills, one right alongside the other. This shows where the glacier melted away toward the mountains, paused, then melted again and so on, each time leaving a group of hills and not coming back there and disturbing them any more.

Such hills as we have been speaking of may be steep or gentle, and from a few feet to more than 1,000 feet high, although they are seldom as high as 1,000 feet.

And there are other kinds of hills made by the glaciers. One of the most curious of these remind you of the serpent mounds left by the mound builders in Ohio. These hills are the deposits left by the streams, the veins inside the glacier's great body. The soil in them is also apt to be in layers like the deposits of other rivers. These hills wind along like serpents, because they reproduce the bends in the streams inside the glacier. Such hills are called "eskers." They are seldom more than a few rods wide and 10 feet or so in height. They run for 10, 20, 40, 50, and sometimes 100 miles.

Around Boston, and all along Cape Cod and in parts of New York and Wisconsin, you will see other hills called "drumlins"; and you will see plenty of them, too. It is estimated that there are 6,000 in western New York and 5,000 in southern Wisconsin, and they are all around Boston. Bunker Hill is a drumlin. You wouldn't have to tell an Irish boy what "drumlin" means, as they have these hills in Ireland, too, and from Ireland came the name. The word means "little hill."

- 123 -

But while Mr. Glacier made the drumlins of the stuff he brought with him, he enjoyed himself (at least let us hope so) tobogganing on hills he found ready made. These hills are real mountains; usually the granite heart of the mountain, because only a very strong rock could stand having one of these playful giants riding over him and live to tell the tale. Such glacier "slides" are referred to as "domes" or "round tops" or "bald mountains."

Mr. Agassiz, the great scientist who spent so many years studying the motion of glaciers, could tell from the height of one of these bald and rounded hills how high the glacier was that rode over it. For instance, the glaciers rode over what is known as Blue Mountain in Pennsylvania, which is 1,500 feet high. "Then," Mr. Agassiz would have said, "the glaciers that did that must have been at least 2,000 feet thick; for a glacier can only flow over a rocky mass when it is half as tall again as the rock."

You see it is the mass of it, the pressure of its own weight, that boosts the glacier up the slide. It seems almost like lifting oneself by one's boot-straps, doesn't it?

III. The Ants and the Volcanoes

Beside all the hills we have mentioned there are several others, well worth looking into; ant-hills, for example, not only because ants are so interesting in themselves but because the ants helped to answer what for a long time was one of the puzzles of science, "How are volcanoes made?"

When your mother's mother went to school—or it may have been back in your mother's mother's mother's time—a - 124 - little girl, on being asked in the geography class, "What is a volcano?" was expected to say something like this:

"Please, teacher, it's a mountain with a hole in it."

From a photograph. Copyright by W. P. Romans

SACRED FUJIYAMA AND ITS COUNTERPART
FOUR THOUSAND MILES AWAY

On the top is the famous Fujiyama, the sacred mountain of Japan, and on the bottom Mount Rainier in the State of Washington. Although they are more than four thousand miles apart, the two volcanoes look as if they had been cast in the same mould, owing to the uniform system by which volcanoes are built up.

THE WISE MEN AND THE ANT CRATERS

It does look it, doesn't it? But, what is still more striking, it isn't a mountain with a hole in it at all, if you mean, as the little girl in the geography class meant, that it was once an ordinary mountain and then had a hole put through it. For a long time it was thought that volcanoes were simply mountains through which fire and lava from the interior had forced its way. Finally, however, - 125 - some scientist thought perhaps of his Proverbs 6:6. In any event wise as he must have been—how else could he have been a scientist?—he went to the ant, learned her ways and became wiser. It was by noticing how the ants build their little craters with the sand and clay they carry from their underground homes that men got the idea that volcanoes may be built up in much the same way. So they set to observing Mr. Volcano's habits more closely, and sure enough, the ant had told the answer! The stones, lava, cinders, and the stone dust called "volcanic ash" are shot out by the explosion, and coming down in showers pile around the opening, as the ant piles the pellets around the entrance to her nest. As the explosions keep on the - 126 - crater is piled higher and higher, and the stones, cinders, and things, rolling down the sides, spread the pile out at the bottom, much as the ant drops pellets over the edge of her growing pile, and so both the cone-like ant-hill and the big volcanic cone are built up.

WHY THE VOLCANO DOES NOT SMOKE

But here is something about volcanoes that will surprise most people. They throw mud, they throw stones, but they don't smoke. What we call smoke is the steam that makes—or at least helps make—the explosion. It often has the color of brown smoke because of the rock which has been blown into dust. Neither do volcanoes make "ashes." What is called "ash" is this rock powder, made when the rocks are blown into pieces by the sudden expansion of the water in them into steam.

WHY VOLCANOES SEEM TO FLAME

Neither do volcanoes flame, although they are supposed to. Only rarely does flame issue from a volcano, and then only to a moderate extent, due to the burning of the hydrogen gas. What seem to be huge flames are the lights from the molten lava in the crater shining back on the steam clouds above; and these apparent flames rise and fall and vary in brightness because of the rise and fall of the lava.

But the greatest of volcanic eruptions—that is, the welling up of melted rock from within the earth—have not built cones. The lava spread out into vast plains in India and Abyssinia and in our northwestern coast States. - 127 - Great cracks in the earth cross one another. It is at the crossroads that the volcanoes are apt to form, while out of the cracks leading up to these crossroads the lava spreads in sheets. Mount Shasta began at one of these traffic centres. It is a big brother of the landscape which it overlooks.

"BUT VOLCANOES DO NOT SMOKE!"

This is an eruption of Vesuvius. You would think it was throwing out smoke like a gigantic locomotive, wouldn't you, if you hadn't read the text? The darker masses, which look so much like mingled smoke and steam, are shadows. It is probably eight to ten miles high—that cloud.

Lava, before it cools and for some centuries afterward, - 128 - is the last thing you would think of farming on, perhaps, but leave it to the little chemists of the water and the air and it will decay into the richest land you ever saw. That is why they raise the finest wheat and the best fruit in the world right in the parts of Washington and Oregon that were once covered by the lava flood.

Not only do volcanoes help to supply us with food by making rich soil of the eruptions of the past, but all life might disappear from the earth if they didn't go on exploding.

HOW VOLCANOES BLOW BUBBLES

The surface of lava is apt to bubble like hot mush; and for a similar reason, the expansion of the gases within it. (In the case of the mush it is the mixture of gases we call "air.") When such lava cools you have sponge-like masses such as this.

Plants must have carbon and they get it from the air, - 129 - but the amount of it in proportion to their needs is never large. Moreover, every bit of coal that is formed—and coal is being made to-day just as it was in the coal ages, although not in such quantities—takes carbon from the air and locks it up. Every bit of limestone deposited on the floor of the sea locks up more carbon. But, fortunately, immense quantities of carbon are given back to the air through the gases thrown out by volcanoes, thus offsetting these losses.

From a photograph by the American Museum of Natural History

ROCKS AND BOMBS THROWN BY MOUNT PELÉE

Look at these giant rocks thrown out by Mount Pelée in 1902. Compare them with the man and you will realize how big they are. The rounded rocks in the foreground are volcanic "bombs"—masses of lava discharged by successive outbursts of volcanic gases and given their shape by being whirled through the air.

- 130 -

WHEN IS A VOLCANO DEAD?

This is Mount Rainier with its shroud of snow, reflected in Mirror Lake. To all appearances it is as dead as dead can be; but until after a volcano goes off you never can be entirely sure whether it is dead or not; and then, of course, you know it isn't!

WHEN IS A VOLCANO REALLY DEAD?

When is a volcano dead? You never can tell. A volcano goes off when it wants to, quite regardless of the fact that it has had the reputation for a thousand years of being dead. And the worst of it is volcanoes are like guns—only more so. A gun doesn't shoot any harder because it wasn't supposed to be loaded; but the volcano, if it breaks out unexpectedly, is violent in proportion to the length of time it has been apparently dead. This is the reason. The original vent becomes plugged up with the cooled lava. This plug being harder than the rest of the mountain, - 131 - the next outbreak is forced to take a new course, and the longer the forces of explosion are held back the greater the accumulation of energy and the more violent the discharge.

But why do volcanoes go off at all? Why can't they be quiet and well-behaved like other mountains? Nobody knows for sure. On one thing all scientific men seem to be now agreed; namely, that while the rocks inside the earth are hot enough to melt they are hard as steel, owing to the tremendous pressure of the rocks above them, and one theory about volcanic eruptions is that they are caused by the release of the pressure on this rock in one place and a pressing down in another, as the earth's crust settles and crumples around the centre. Some of this rock—that on which the pressure is released—melts and rises under the folds of rising rock, and so makes the granite hearts of the greater mountains. Some of it wells up through the cracks in the rock and spreads in lava fields, while some of it gushes up and explodes at the points where cracks cross and so make volcanoes.

This is one theory, but there are others. The latest is so big that we will have to take it into the mind in sections.

THE LATEST THEORY OF ERUPTIONS

1. Imagine the interior of the earth divided into three zones. The central zone, of course, is the hottest. Between this central zone and the zone reaching down forty miles or so from the surface is a middle zone. (Think of a doughnut ball inside a doughnut ring, with space between the ball and ring. That will give you the idea.)

2. From what is known of the laws of heat it is assumed - 132 - that the flow of heat from the central to the middle zone is greater than the loss of heat from the central to the outer zone. Thus the heat income of the middle zone would constantly exceed its outlay, and so it would get hotter and hotter.

THE MYSTERIOUS SHAFT OF MOUNT PELÉE

In 1902, after the first explosion, Mount Pelée continued its eruptions for several months, and in the late stages there slowly rose, through the crater, this strange shaft of red-hot lava, like a great iron beam forged by giant hammers in Vulcan's famous blacksmith-shop. As it rose it crumbled and finally fell to pieces. It was forced up by the gases beneath and shaped by the crater through which it came; but can you conceive of anything more weird and awesome?

3. This middle zone is made up of different kinds of rock that require different degrees of heat to melt them. - 133 - So some parts of this zone would melt and form pockets of liquid rock, while other parts were still unmelted.

4. These masses of liquid rock would also tend to melt their own way upward, especially when given a lift by gases; for gases would be given off, also, in this heating and melting process, and tend to work their way toward the surface, carrying with them the liquid rock.

5. Now the greater the pressure under which a thing is kept the more difficult it becomes for it to flow; the less the pressure the more easily it flows and the longer it remains in the fluid state. So as it rose fluid rock would require less heat to keep it fluid and would have more heat left over for melting its way up. Then, being joined by other fluid travelers, the entire mass would finally come to a crack in the earth. Finally, you see, it would be only a matter of five miles or so of comparatively clear track up to the land of the fresh air and the blue sky where the rest of us live and where the volcanologists (the men who make a special study of volcanoes) would be waiting to give it welcome!

THE VOLCANOES AND THE SEA

If you will locate with red ink the volcanoes on the world map you will notice that volcanoes, like mountains, seem fond of the sea. Moreover, while a large proportion of mountain chains are near sea water, and some even dip their feet into it, volcanoes bob up right in the seas themselves. Not only do the land volcanoes make a great circle of fire 22,000 miles long around the rim of the Pacific, but within this immense amphitheater are the islands of our story books "scattered in pleiads" over the ocean. - 134 - These islands are simply the tops of sea volcanoes. Of all the active volcanoes, the great majority are on islands or along the borders of continents.

ON THE FIRING-LINES OF THE VOLCANOES

THE MOUNTAINS AND THE SEA

Last of all in this story of the secrets of the hills, let us speak of the big brothers of the family—the mountains.

You remember in the story of how the continents came up out of the sea about wise old Xenophanes of Colophon, who figured out that the mountains must at one time have been under the sea and why he thought so, don't you? (page 13). Now get your geography and come here a moment; - 135 - I want to show you something else. Turn to the map of North America. Where are the great mountain chains? Nearly all along the borders of the sea. Now look at the map of South America, and where are the mountains? Along the borders of the sea. Then take Europe, Asia, Africa, Australia, and you see the same thing. Usually the main mountain chains are along the sea border or they stand near the borders of what was once a sea; as in case of the Rocky Mountains.

From Norton's "Elements of Geology." By permission of Ginn and Company

A BABY MOUNTAIN THAT STOPPED TO REST

A mountain, as you can readily imagine, isn't made in a day. Here is a little mountain near Hancock, Virginia, that started up ages ago and then stopped to rest; one of the ripples in which the great Appalachian waves died away. This baby mountain has no granite mass in its centre, as big mountains have, because the wrinkling didn't reach down far enough into the earth to release the pressure on the molten rock.

Why should mountains show such a fancy for salt water? It seems strange, doesn't it? I know why it is because I helped make a mountain myself once—up on the Canada Coast it was—and I learned a good deal of the mountains and their ways. I will tell you about the mountains and - 136 - the sea a little later; after I have told you some other things. First of all, this is how the Granite family helped make mountains. As the great stone sides of the mountain rise the enormous pressure on the melted rock farther down in the earth is released, and is forced up under the mountain as it rises. Then, cooling, it crystallizes into granite, as explained on page 131.

MOUNTAINS MADE TO ORDER

Of course nobody ever watched a mountain crumpling up in the way mountains are believed to crumple up, the process is so slow. Yet, to try out the theory, geologists in the universities make layers of different material, corresponding to the strata of different kinds of stone, and then subject this composition to pressure at both ends, as the earth crust is supposed to be pressed in the crumpling process. The result is that these artificial strata take similar forms to those we see in mountain rock. And that's the answer!

Notice the similarity of the rock wrinkles in the baby mountain in Virginia and these imitation mountains of the laboratory.

WHY MOUNTAINS RUN NORTH AND SOUTH

Look at your relief map once more. Which way do the mountains run in North America? In South America? In Africa? They all run in a general north and south direction, don't they? Do you see why? The fact that they were made along the coasts of the oceans would make them run north and south, too, wouldn't it? The same thing explains why the Alps do not run north and south. They were made by the sinking of a sea that runs east - 137 - and west, and so they started out to run east and west, too; then they got a wrench, the particulars of which we need not go into here, and were much mixed up, as we find them to-day.

WHAT HAPPENED WHEN THE EARTH SLOWED UP

But there is another thing that may have helped to make many great mountains run north and south. Bedtime and sunrise used to come a good deal oftener than they do now, for then the earth turned faster on its axis. It turned fastest of all at the equator, just as it does to-day. So the lands in the equatorial belt were pulled up and the belt enlarged. Then, as the speed of the globe slackened, the enlarged belt began to wrinkle because there was not the same amount of centrifugal or "fly-away-from-the-centre" force to make it stand out. So wrinkles came at right angles to the belt, just as do the waist gathers in a dress.

And now about the mystery of the mountains and the sea. When we visit the rock mills of the sea along in October[20] we shall notice, among other things, that the rock is made along the sea border, and that the coarsest sediment settles nearest the land. As a result this part of the deposit is built up faster than that farther off shore, and as it gets heavier and heavier it sinks. The deposits farther away from the shore sink, also, but more slowly because these deposits are not piled up so fast. Now, if you come down on one end of a seesaw what happens to the other end? It goes up, doesn't it? The effect of this sinking of the rocks of the sea upon the rocks of the adjoining - 138 - land is something like that. The rocks that make the continents extend out under the sea, and the weight of the newly laid stone on the sea margin end not only tips the rock beds up, but, sinking in toward the continental mass, wrinkles it up, as the pages of this book will wrinkle if you push them from the front edge. So you get your mountains along the sea border. And they are in parallel ranges, because the land is crumpled up into several folds, like a table-cloth pushed from one side.

[20] Chagter X, "The Autumn Winds and the Rock Mills of the Sea."

"But," you say, "how about the Rocky Mountains? And the Carpathian Mountains in Europe, not to mention several others? They are not on the borders of the sea."

WHY SOME MOUNTAINS ARE FAR FROM THE SEA

That's no sign they weren't near a sea border at some time. Let me just ask you. Suppose you found that most of the great mountain chains are on the borders of seas, and suppose you had figured out the reasons I have just been giving, then what would you do if you found a few mountains far back from the sea? You would probably try to find how they got moved back, wouldn't you? That's just what other men of science did. A study of the rocks of the mountains themselves and other things bearing on the question goes to show that since the mountains were made the sea might have retired from regions where it had previously advanced, as it did in the case of the Mississippi Valley, or the land may have risen between these mountains and the sea. Moreover, the down wash from the mountains themselves sometimes builds wide lands, which, as they extend and shut back the sea, leave the mountains farther and farther away. Much of the - 139 - land extending east from the base of the Rocky Mountains was made in this way. The Mississippi Valley was for ages, you know (page 10) the Mediterranean Sea of North America, lying in the downward fold of our continent between the Rocky Mountains and the Appalachians.

From the painting by David James

THE WAVE

WHY SEA WAVES RISE TO GREET THE MOUNTAINS

One of the strangest, most poetic phases of the relation between the great blue mountains and the great blue sea is that waves, as they approach the shores of continents bordered by mountain ranges, rise higher and higher; and the higher the mountains, the higher rise the waves. These waves are not driven by wind or tide but seem drawn forward by some strange power. This power, however, is no stranger than the one that makes us fall and bump our noses when we stub our toes—the power of gravitation, according to which all masses attract each other. It is the mass in the mountains that exerts a pull on the waves; and the greater the mountains the greater the pull, of - 140 - course. In the Indian Ocean, for example, around the head of the Arabian Sea, the waves rise far above sea level, largely because there is beyond them, on the land, one of the greatest mountain masses in the world.

Wouldn't it give you a queer feeling if you were, say, a sailor, and for the first time saw waves act like that? Uncanny, almost, isn't it?

But do the mountains remember their old parent of the white flowing rocks and beard, Father Neptune? They act as if they did; particularly in the way in which they come to imitate, in time, the shape of the waves of the sea.

Ruskin,[21] speaking to artists about drawing mountains, says:

"Good and intelligent mountain drawing recognizes a great harmony among the summits and their tendency to throw themselves into waves, closely resembling those of the sea itself; sometimes in free tossing toward the sky, but more frequently in the form of breakers, concave and steep on one side, convex and less steep on the other."

[21] "Modern Painters," Chapter IV.

When you stand some day on one of the high peaks of the Rocky Mountains, and look out over the great fields of upheaved stone, you will notice how closely the parallel ridges resemble ranks of waves making toward a shore. Like sea waves also, the vast backs of these waves of stone are long and sloping, while their fronts are comparatively short and much steeper. Another thing that makes you feel as if you were looking out upon a sea whose waves had been changed to stone is the fact that these stone waves are not only green but have white caps; for in the valleys, and far up the sides of the mountains, are the forests with - 141 - the perennial green of their pines, and on the peaks the eternal snows.

"AND EVERY TOSSING OF THEIR BOUNDLESS CRESTS"

Not only is the mounting and forward drive of waves repeated in mountain forms, but also the whirlpools among the rocks when sea waves reach the shore. Says the famous French geographer, Reclus[22]:

"The centre of the Pyrenees resembles a great whirlpool around which the mountains rise like enormous waves."

[22] "The Earth."

Finally we might imagine that the mountains, like the mountain streams, hear the call of the sea and are stirred by it. For, again to quote from Ruskin's wonderful chapter on the nature of the thing we call a mountain:

"Behold as we look farther into it, it is all touched and troubled. The rock trembles through its every fibre, like the chords of an Æolian harp—like the stillest air of spring with the echoes of a child's voice. Into the heart of all - 142 - those great mountains and through every tossing of their boundless crests and deep beneath all their unfathomable defiles, flows that strange quivering of their substance.

"'I beheld the mountains and lo they trembled; and all the hills moved lightly.'"

From Norton's "Elements of Geology." By permission of Ginn and Company

"THAT STRANGE QUIVERING OF THEIR SUBSTANCE"

This picture shows mountain-peaks carved in folded strata in the Rocky Mountains in Montana. How well it illustrates Ruskin's grand lines.

HIDE AND SEEK IN THE LIBRARY

Of course you saw that the Greeks meant the story of Phaeton to account, among other things, for the origin of deserts, but what is there in it that would lead one to believe the Greeks knew there were such things as volcanoes? Read what the encyclopedia says about volcanoes and Vulcan and the physical geography of Greece and the Greek islands.

Where is Mount Stromboli and why is it called "The Lighthouse of the Mediterranean"?

- 143 -

On which of our coasts do we have young and growing mountains, and on which old mountains that are much worn down?

Did you ever notice, on your map of Europe, how the curve of the Carpathian Mountains follows the curve of the shore of the beautiful Adriatic Sea so far away?[23] What does that remind you of in the story of the relation between the mountains and the sea?

[23] How far away is it? The scale of miles on your map will tell.

"Yes," you say, "but if mountains are formed on the borders of the sea why are the Carpathians so far from the Adriatic; and the Alps so far from the Mediterranean and the Rocky Mountains of America and the Altai mountains of Asia so far away from any sea at all?"

Professor Heilprin[24] knew you would say that; at least I suppose he did, for he has explained all this in his little book, written especially for young people, "The Earth and Its Story." After you have read this part of the story write it out in your own words and then copy it into your notebook. You might call your own story, "How Mountains are Moved Back from the Sea."

[24] Professor of Geology in the Academy of Natural Sciences, Philadelphia.

What mountains do the waves of the Indian Ocean rise to salute? How do they compare in size with other mountains that you know of?

How does the carbon in the gases of volcanoes get into the plants?

What does it say in Proverbs 6:6 that might remind one of the fact that the ants helped solve the puzzle as to how volcanoes are made?

As to the hills that were moved in, a Wisconsin writer, who has, among other things, written delightfully of his companionship with the rocks and hills of his State[25] tells about sinking a well 132 feet deep on his farm, and going through this imported scenery all the way.

[25] Charles D Stewart, "Essays on the Spot."

"Somewhere down there," he says, "if I had kept on going I should have struck the original Wisconsin."

And why not be an author yourself? Start a little book of science of your own and learn to make notes on interesting things you have been reading about. For instance, put in it now some of the different things we have learned about the wonder-workers - 144 - of the Ice Age, up to and including this chapter. Call what you write "The Story of the Old Men of the Mountain." At the end of the part you write now you can put "To be continued," just as they do in a story paper; for we are not through with the work of the old men, as you will see.

How did Rome get its seven hills? (You know it was called The City of the Seven Hills.)

The Bible quotation in Ruskin about the trembling of the mountains is from Jeremiah 4:24. How grand it sounds, doesn't it? Like the music of a pipe organ. The Bible has many references to "hills" and mountains. Here are some of the most striking: Psalms 114:4; Exodus 20:18; Deut. 5:23; Rev. 8:8; Micah 1:4; Isaiah 54:10.

Where are the most famous of the Bad Lands of our Western States? Those of South Dakota are perhaps the strangest. Among other strange things is the fact that some of the hills were set on fire by rain—goodness knows how long ago—and these hills are like gigantic stoves for the cattle, who never fail to collect around them on bleak days.

In the article on South Dakota in the Britannica you'll learn all about how the rain started the fire. Then perhaps you will want to look up "spontaneous combustion" and "iron pyrites."

Aren't those ancient monsters whose bones they find in the hills comical looking creatures—now that we are several million years safely away from them? The comic artists (of pen and pencil) are always having fun with them. Arthur Guiterman, for instance, in picturing what spring must have been like in those old days:

"Go-dum, bally hoosh!" is the note of the Icthyosaurus.
"Notorum-dorando!" the blithe Hippocampus replies.
"Chin-chin-orizaba-pelote!" rings the jubilant chorus
Of sweet Pterodactyls that wing the cerulean skies.[26]

[26] "The Laughing Muse."

- 145 -

ON A NEW ENGLAND HILL

"Great lumps of pudding the giants threw,
They tumbled about like rain."

CHAPTER VII

(JULY)

They flung them over to Roxbury Hills;
They flung them over the plain;
And all over Milton and Dorchester too
Great lumps from the pudding the giants threw.
They tumbled about like rain.
The Ballad of the Boulders.

THE STONES OF THE FIELD

In our rambles during the summer vacation season we are constantly coming across boulders; in the mountains, in the fields and by the sea. In the mountains and near rocky headlands or at the foot of the cliffs we take them for granted; they have evidently fallen from the rock walls above them. But haven't you often wondered how they got out on the prairies far from any rock masses? This - 146 - chapter tells about that and other curious things in the lives of the great Boulder family.

I. Big Chief Boulder

Even the Indians who, in those early days, had never gone to school or studied geography, used to wonder how these big stones had travelled to the places where they found them.

Once upon a time the Indians in the wilds of Minnesota found an unusually big granite boulder lying among the hills. So what did they do but paint a head with eagle feathers on one end of the stone. Then they put stripes around its body. You see they thought of Mr. Boulder as a big chief in feathered head-dress and painted for war.

WONDER THE BEGINNING OF KNOWLEDGE

It may seem foolish to make all this fuss about finding a big stone in a field. But these ignorant red men were much wiser than we are if we don't wonder about it too. Wonder is the beginning of knowledge; and the Indians thus took the first step toward one of the great discoveries of geology.

It was just such wondering on the part of scientific men that led to their finding out not only how these big stones got into strange lands but how certain kinds of hills that we have just been reading about were made. For, as you must have already guessed, the moving of these boulders was one of the many jobs Mr. Glacier did for us during the Ice Age. But pretend you don't know the answer. It took the wise men a long time to find it and that's where the fun comes in—in the hide and seek.

- 147 -

From a photograph by Bourne & Shepherd, Calcutta

THE STRANGE OLD INDIAN OF MOUNT ABU

If those Minnesota Indians thought a boulder of the usual shape was some big chief from another land, what would they have thought if they had set eyes on this solemn old creature? He sits by the hour—like Socrates in the market-place—and has sat for ages gazing down at his image in a lake at the foot of Mount Abu in India. He was carved into that shape by sands blown from the North Indian desert acting on the softer parts of the rock. Most Indians, as you know, are silent people, but this old chap, so I hear, never speaks at all!

Yet some day he may, all of a sudden, take a jump! Boulders do that sometimes, as you will see before you have finished this chapter.

ON THE NORTH END OF THE WORLD

Some of the boulders seem to have belonged to Alpine Clubs, for you find them away up on mountain sides; some of them as high as 6,000 feet—that's over a mile you know—above the level of the sea. And often these boulders are not of the same material as the huge pieces of broken rock that fall from the neighboring mountain walls. Moreover the blocks of stone from the mountain are angular; they are not nicely rounded off as are boulders and pebbles. - 148 - It's that way all over the north end of the world as far south as the Ohio in this country and the Alps in Europe.

WOULDN'T IT MAKE YOU NERVOUS, TOO?

This picture is from a story about a little boy who had to cross a field full of big, dark boulders like this at night, and how nervous it made him.

But there's one place in which you never will find boulders, and that's in a country where there are caves of any considerable size. Neither will you find such caves where there are boulders.

Why shouldn't the caves and the boulders live happily together just like other people? The answer is simple. The glaciers of the Ice Age, with their enormous weight, crushed in the roofs of caves in every region over which they flowed; and it was these same glaciers that left the boulders. Since the glaciers went away the underground rivers that hollow out the caves have not had time to make new ones. It takes ages and ages to make a nice big cave.

- 149 -

II. The Train of Thought

These widely scattered boulders furnished the students of the subject with the very best evidence that there was once an Ice Age. First, the geologists noticed, just as the Indians did, that the boulders were of a different kind of rock from that of the regions in which they were found. Up in Wisconsin, running southwest from Waterloo is a train (as it is called) of boulders sixty miles long. The boulders are of a very hard rock called quartzite, while all the rock deposits in that region are of limestone or sandstone.

MR. BOULDER ON HIS PERCH

This is what is called a "perched boulder." Being a harder kind of rock than that on which it was left by the glaciers, it has held out against the winds and weather, while the stone under it has been worn away.

In eastern Wisconsin, along with these stones, have been found pieces of copper, although there are no copper deposits near by. To the northeast of where the fragments - 150 - of copper were found are the great copper deposits of what is now Michigan, and from this region the glaciers brought the copper and scattered it about as they moved south and southwest. So these mysterious stones and other things kept pointing toward the north, in a kind of dumb show.

In mountain rain storms you can see the torrents driving great stones before them, so one of the first theories about the stranded boulders was that, at some time in the earth's history, there had been great floods covering whole continents, sweeping away rocks from the mountains and carrying them here, there, and everywhere. That theory also accounted for the rounded shape of the boulders, for if you have a volume of water big enough and swift enough you can roll boulders wherever you like.

WHAT A QUEER HOBBY-HORSE!

But why should the boulder trains all lead to the north? And how could water carry boulders right across a deep mountain valley and pile them high up on the mountains on the other side? How could water perch one boulder on another or on a flat ledge of rock or on the summits of the cliffs? Boulders so perched are very common, and often they are so nicely balanced that a man can set them rocking; and sometimes a small boy can do it. Every young man who goes to Dartmouth College knows about the rocking stone some half mile east of the college. In the town of Barre is a big boulder with a small boulder on its back, and the small boulder can be set rocking like a child's hobby-horse.

- 151 -

HOW THE MOUNTAIN TORRENTS HELP SHAPE THE BOULDERS]

The only thing that could handle boulders in this way, so it turned out, were the glaciers. By following up the boulders to their homes in the mountains they found on the backs of the glaciers of to-day stones just like those in our fields, and they found them thickly scattered over the ground where the glaciers melted back during the summer months. The glaciers not only pick up boulders from the mountain torrent beds, as they move along, but themselves pluck rocks from mountain sides. Huge blocks of rock, dislodged when water freezes in the cracks of the mountain walls, also fall upon the glacier. It was the boulders held underneath the ice that left their autographs, - 152 - deep grooves on the native bed-rock in the regions into which the glaciers of the Ice Age came.

These great ice rivers filled the mountain valleys, and reaching far up on the mountain sides carried boulders to those heights. Sometimes the glacier left the stones standing on a narrow point on top of other rocks—so making the rocking stones.

HOW THEY KNOW THE OLD MEN DID IT

Here is one of those heaps of boulders, pebbles, and soil that the glaciers of the Ice Age brought and left behind them. They know those ancient glaciers did this, because just such heaps are found under the edges of glaciers to-day.

III.Leaves from the Family Records of the Boulders

What I have said so far of the Boulders is mainly about their travels into foreign lands and how they were received by intellectual people. But there are many other interesting - 153 - things to be found in their family records that you will want to know about, I am sure.

HOW THE BOULDERS RODE ON THE WATER

One of these is how they came to ride on the water, when I said just a little while back that only ice could carry them across mountain valleys, and pile them up on the mountain sides. That was all true; yet, under certain circumstances, boulders have ridden on the water. As the glaciers melted away finally in those early days the water, as you know, helped make rivers and lakes. Then, from the front of the glaciers icebergs broke off and floated away down the rivers or across the lakes. In these icebergs boulders were often imbedded, and so were dropped wherever the iceberg carried them before it dissolved.

HOW THE BOULDERS RODE ON THE WATER

This is a scene in August in Glacier National Park. It illustrates how boulders of the Ice Age travelled by water, when icebergs containing them broke from the glaciers and floated away on rivers and lakes.

- 154 -

Ice helps handle boulders in still another way; but before I tell you what it is I want you to imagine you are an Indian, away back in the days before Indian schools, and see if you wouldn't be as superstitious as they were. Just suppose then that you are a red child of the forest, and that along a certain lake you saw near the shore a lot of boulders scattered about in a disorderly way. This, say, was in the fall. But when you came back the following spring you found them all piled up into a wall along the lake, and you positively knew no member of your tribe or of any other had done the piling. Wouldn't it make you feel a little superstitious?

HOW MR. WINTER BUILDS BOULDER WALLS

It was Mr. Winter that built these walls. With the spring break-up on lake shores big cakes of ice, blown by stiff gales, pry up the boulders along shore, and force them further up the bank. Then another gale and another push, and more stones are crowded up on top of the first course, and so there is built a rude wall. Some of the stones may be crowded together side by side. This makes what is called a "boulder pavement." But even this isn't all of nature's engineering in the handling of boulders. Here is another example. Ice is formed on lakes early in the winter when the air is but little below the freezing point of water. Under these circumstances ice expands. Then, with the first severe cold spell it contracts and so cracks. Water, rising from below, fills these cracks, and is itself, in turn, frozen to ice. Then comes a warm wave, these ice wedges swell, and so the ice sheet expands, pushes up along the shore and, if there are any boulders there moves them about; or sometimes drives them deep into the bank - 155 - so that the following spring it looks as if somebody had been shooting at the bank, using boulders for bullets.

The sun shapes boulders somewhat as the blacksmith shapes iron, but instead of striking with a hammer it strikes with its rays. Rock is a poor conductor of heat, so the heat from the sun only goes into the rock a little way. The result is that the surface expands and so loosens itself from the rock beneath and in course of time falls off. With the cooling of the atmosphere at night just the opposite thing takes place; the surface cools off first and so, contracting, loosens itself from the body of the stone. It seems to be a regular tug of war between the heat of the day and the cool of the night. First of all the corners and sharp edges break away because, being thinner, they are heated and cooled more quickly. The boulders owe their rounded shapes most of all, however, to the fact that they were ground together in the body of the glaciers as those great ice sheets flowed along.

GOOD TALKS BY LEARNED BOULDERS

Of course, the boulders, like other people, differ in their tastes—as you can tell by their talk. The granite boulders have the most to say about travel because they are so hard that they can take longer journeys than weaker rocks, and so have more to tell. But there is another branch of the family that is still more "bookish" as you may say. These are the "pudding stone" boulders—conglomerates. In that most interesting biography, "The Story of a Boulder," Professor Geikie describes a stone that was not only made up of a variety of pebbles, but in which there was a section of sandstone. The sandstone and the conglomerate had been neighbors in some rock ledge just as the pebble - 156 - section and the smooth sand section are always neighbors where the shores descend into the sea. So when the rock mass, which was finally rounded into a boulder, broke away it included portions of both sandstone and conglomerate.

WHERE THE SEA HELPS SHAPE THE BOULDERS

The upper part of this boulder—the sandstone—had in it stems and leaflets of plants of the Coal Age, changed to coal. The pebbles below were fragments of more ancient rocks made at a time when frogs as big as the oxen of to-day lived in the marshes.

"They must have had a croak like a fog-horn," said the High School Boy.

In this story of the boulder, Professor Geikie says:

"I had here a quaint old black letter volume of the Middle Ages giving an account of the events taking place at the time it was written and containing in its earlier pages numerous quotations from the authors of antiquity."

- 157 -

WHICH DO YOU SAY?

The "quotations from the authors of antiquity," were the pebbles, of course, once parts of older rocks.

I have spoken of the boulders as authors. You will also be interested in their relations with artists. Boulders add much to the picturesque effect of the shores of lakes and seas and mountain ravines, as they appear to the traveller, and as artists reproduce them in pictures. They also add to the beauty of streams, by forming rapids. These boulders that are piled in so thick as to make rapids are - 158 - brought in by smaller but swifter tributaries that flow into larger but more sluggish streams. Rapids are favorite topics for landscape artists. They are characteristic of the work of Ruysdael, for example, with whom you have become well acquainted in your picture studies in school.

Of the drawing of stones in general Ruskin says:

"There are no natural objects out of which an artist, or any one who appreciates the form of things, can learn more than out of stones. A stone is a mountain in miniature. The fineness of Nature's work is so great that into a single block a foot or two in diameter she can compass as many changes of form and structure on a small scale as she needs for her mountains on a large one, using moss for forests and grains of crystal for crags."[27]

[27] "Modern Painters."

WHY BOULDERS SOMETIMES TAKE A JUMP

Boulders sometimes jump up, all of a sudden, as if they had sat on a pin. They do this when an earthquake wave passes straight through the globe; from Ecuador, say, to Borneo. Such waves, called "waves of transmission," travel "incog" as it were, not causing any disturbance until they reach the surface again. Then if there happens to be a big rock on the spot, up it jumps—the funniest thing you ever saw!

Harry Furniss, the famous English cartoonist, made this picture just for a joke.

- 159 -

On page 157 you will find two pictures of stones by two famous landscape artists, Claude and Turner. Of the stones in one picture Mr. Ruskin says, "they are massy and ponderous as stones should be"; while the stones in the other picture are "wholly without weight."

In which of the pictures would you say the stones are "massy and ponderous," and in which are they "wholly without weight?"

Now look at the "Hide and Seek" notes below and see if you and Mr. Ruskin think alike.

HIDE AND SEEK IN THE LIBRARY

A boy scout, as you know, is expected, among other things, to be an Indian (a good Indian, of course); to keep his eyes wide open as he goes about in the woods and fields. In that way he is always coming across things to wonder over, such as the big stone the Indians found.

It's just such boys that great men are made of. All the great scientists began in that way.

Take the case of Hugh Miller, for example. In the encyclopedias you will meet him as a famous geologist, along with great artists and inventors and statesmen and other fine company; but at first he was only a boy, like the rest of us. And he had very little chance to go to school, but he went anyhow; went to school, like Lincoln, to all the good books he could get hold of and also to the stones of the field. After a while he got so he could write books himself, and they are among the most readable books you ever saw. You just read his story of "The Old Red Sandstone," and if you don't open your eyes!

The encyclopedia will tell you a great deal about the boy himself and about "Uncle Sandy" and "Uncle James," and how they helped him. But the start of it was this:

One day a mason in Scotland[28] broke off a piece of stone—he was building a wall at the time—and inside of the stone he found—what do you think? A fish! Inside of the stone, mind you!

[28] Hugh was a Scotch boy.

- 160 -

Of course you won't be surprised to hear that it was a queer, outlandish sort of fish, and that it was dead. In fact, it had been dead so long that it also had turned to stone. In short, it was a fossil. But no Pharaoh in his huge pyramid ever became more famous than did that little fish in his tomb of stone.

Yet, would you believe it?—neither the mason nor his fellow workmen thought much about it. They frequently came upon these fossils and, beyond being idly curious at first, paid little attention to them.

This day, however, among these workmen was Hugh Miller, who was also a stone-mason by trade. Hugh got as excited over this fish as a boy. (He was only seventeen at the time, I believe.)

"The story of this queer fish," he said to himself, "must be as good as Sinbad the Sailor, and the Yellow Dwarf, and Jack the Giant Killer, that I used to like so well when I was a little lad;"[29] and he determined to find out all he could about it. He found from the geology books that there was much yet to be learned about such fish, and so he proceeded to study the stones. He opened the stones with his hammer as you open a book. He put in all his leisure time at this work, with the result that he not only became one of the world's famous geologists, but he wrote books in which he made it a point to tell these curious stories of ancient life in the sea, so that people without any previous scientific knowledge could read and enjoy them.

[29] He had read all these stories and a lot more, so my old Chambers' Encyclopedia says.

Besides "The Old Red Sandstone" he wrote "Footprints of the Creator," "The Testimony of the Rocks," "My Schools and School Masters," "Scenes and Legends of the North of Scotland," and a book of poems. Not all the conclusions he came to are accepted to-day—for geology, like all the sciences, is always growing—but the history of its growth and how men reasoned things out is quite as interesting and profitable as the facts themselves, and Hugh Miller has a particularly attractive way of telling things.

So you see those Indians who painted up old Big Chief Boulder were on the right track; they were deeply interested in it and its being there as a great and mysterious work of nature. They named it "Waukon," an Indian word meaning "mystery."

Oh, yes, and about boulders in art, it's the stone in the upper of the two pictures that Ruskin considers "massy and ponderous" and hence true to nature. Turner painted it.


- 161 -

CHAPTER VIII

(AUGUST)

In the parching August wind
Cornfields bow the head.
Christina G. Rossetti.
Over the sea-like, pathless,
Limitless waste of the desert.
Longfellow.

THE DESERT

August is usually such a hot, dry month that it ought to be a good time for talking of deserts. We can realize better what a desert is and what an interesting region it must be to those who spend their lives there—the Arabs and the camels, for instance. In fact, there are so many strange and striking things to be seen and learned in deserts that whole books—including many stories—have been written about them, and I'm sorry we can give the subject only one chapter.

I. The Face of the Desert

I sometimes think it was no wonder the old Sphinx got to asking conundrums. Always looking toward the desert and its mysteries, how could he help it? The desert is just full of conundrums. For instance:

Where is it that rains fall without reaching the earth?

- 162 -

From the painting by Elihu Vedder

THE QUESTIONER OF THE SPHINX

Where is it that there are lake beds without lakes, river beds without rivers, and rivers without mouths?

Where do you see stretches of water that aren't there, and men and animals walking and trees growing—most of them upside down?

Where are the roses of the land and the waves of great inland seas made of sand and where does the wind always blow the mountains away?

Of course you would probably give the right answer at once—"the desert"—because you know I am talking about deserts. And the "water that isn't there," and the - 163 - trees and people and things that are upside down—you probably know that's the mirage; and that the inland seas with their waves of sand are the dunes; that the rivers without mouths are those that, like the Tajunga in California, lose their waters in the sand.

Most people who have gone to school know all these things. Most people also think of the desert as just a sea of sand and all tawny, like a lion's skin; but this is wrong. The Romans used to call the African desert "the panther's skin," because of the tawny stretches spotted with the dark palms of the oases, but the sands are not all tawny, and the desert isn't all covered with sand.

If we could arrange to get on the back of any one of the great birds of the Sahara—say an eagle or his big cousin the vulture—and sail with him on his way to dinner, the scenery would unroll beneath us something like this:

On the northern border the Atlas Mountains, with precipices of wild beauty and ranges of bare, pink rock outlined against the blue of the morning sky; then dune waves stretching for miles and miles with valleys between them, so wide that it takes the camels from breakfast time until noon to lumber their way across. The crests of some of these dune waves go spinning off in spray with every freshening breeze. Little dunes often dissolve away in the wind as the caravan moves toward them.

GAUNT OUTLINES OF THE HUNGRY HILLS

Then we come to more mountain ranges running right across the desert's face, their bare rocks shivered and shelving down into broken fragments at their feet; then - 164 - sharp-edged, jagged hills—not rounded, plump, and well-fed hills, such as we have at home. They are the bones of the hungry landscape showing through. Then we come to bare table-lands and the empty beds of rivers and lakes that long ago went dry; valleys scattered with boulders of all sizes and in every imaginable position; and so on over into the Arabian desert, with its flats of white sand closed in by high cliffs, and vast stretches of black and red gravel. More of the sand and gravel of the desert is red than yellow; but some of it is white and some of it is black.

AN OASIS

- 165 -

THE DARK HILLS AND THE FIGURES IN WHITE

"The Baths of the Damned," the superstitious Arabs call the region of the Northern Sahara in which you come upon these strange white figures. The fearsome name was suggested by the fact that the figures slowly rise from some hot region inside the earth. In reality they are mounds of carbonate of lime deposited by the water of hot springs heavily charged with dissolved limestone. Similar springs in our Yellowstone Park spout up in the form of geysers and form "geyser basins"—huge stone tubs. Here in the desert the water doesn't spout; it bubbles up slowly and so builds the mounds. In the background you see black masses of volcanic rock, for this, like Yellowstone Park, is a volcanic region where the underground rocks haven't cooled off.

A CHAOS OF COLOR IN THE ROCKS

The desert wears rocks and stones of as many colors as the jewels of Oriental kings. It also runs much to solemn black in its heaps of volcanic rock with cold limestones on - 166 - the heights; but you can see blue-grays, browns, ochres of every shade gleaming in the sun, the reds of the rusting iron in them staining the precipices and the walls; and there are purples and pinks and dark greens and violets. These colored rocks are often fantastically mixed together, like the colors on an Easter egg.

THE SKELETONS OF THE DEAD RIVERS

And here we come upon one of those skeletons of dead rivers that I spoke about. There they are, the river valleys and the river beds, full of sand and gravel, and with boulders along the banks, and branch valleys running into them; a river system all complete but for one thing—water. It's just as if the main valley and the branches had been made all ready but the river never came; or as if there had been rivers there once but they couldn't stand the climate! Of course, when a cloudburst comes along it helps itself to these ready-made river-beds; but for the most part they stand as empty as the ruins on the desert's edge in which

... the lion and the lizard keep
The courts where Jamshyd gloried and drank deep.[30]

[30] "The Rubaiyat" of Omar Khayyam.

Not only do the size of the river-beds show that there used to be more frequent rains in these regions of desolation, but right at the edge of the northern Sahara are the remains of immense aqueducts; great troughs built of stone and carried on bridges from the source of a water supply to a city. When the Romans owned the earth—including the Sahara desert—they were famous builders of these aqueducts.

- 167 -

WHY DYING RIVERS MULTIPLY BY TWO

Director Hornaday, of the New York Zoo, took this picture while in the arid regions of the great Southwest. It shows a little stream dying away in the desert sands. Now just notice how a little knowledge of nature's methods as a landscape artist makes the most commonplace scenery interesting. All streams as they go dry have a tendency to spread out arms like that; sometimes two, sometimes four or more, but always in twos or multiples of two. The reason is that as the water evaporates the stream becomes weaker and so is obliged to drop a part of its load. The heaviest part of the load—the most pebbles, sand, and soil—is carried in the middle of the stream, owing to the current being stronger, relieved as it is from the friction of the banks. So bars of sand, gravel, and such stuff are built up that finally divide the water into two branches. Then if the water keeps on flowing, each of these branches divides by two, and so on. You see the same thing in the mouths of deltas.

- 168 -

"But what about the roses made of sand? That's a conundrum you didn't answer."

Oh, yes, we must get down closer to the desert to see these. We can't see them in the bird's-eye view we have been taking. The desert sand has a great deal of gypsum in it, and when the sand gets a wetting from a cloudburst this gypsum crystallizes and forms what are called "sand roses." These "roses" are of various sizes and forms; some look like camelias and some like a cluster of pearls. They are not common and you have to hunt for them.

ALL THE COMFORTS OF HOME

Children in the primary grades have here told us, with their clever little fingers, about life in Africa immediately south of the big desert, the part of Africa where they have rain and to spare.

II. How the Desert Makes Its Sand

Most of the sand of the desert, as you may imagine, is home-made; and it is very curious to notice the different which it is manufactured. The desert sun and
the cloudless nights have a great deal to do with it.

- 169 -

HOW THE ARAB FARMER GATHERS HIS DATES

- 170 -

Think of the hottest day in August you ever saw, and then multiply by two. That will give you an idea of how hot a desert gets in the day-time—something like 200 degrees; and 212 degrees boils eggs, you know! But how cold do you suppose it gets at night? Fifteen minutes after sunset the temperature drops to freezing. The reason of this is that there are no clouds over the desert to keep the heat of the sand wastes and the burning rocks from passing off rapidly into space. The days are so hot and the nights are so cold that the rocks get a kind of fever and ague, which makes them pull themselves to pieces.

THE "GOOSE-FLESH" ON THE ROCKS

It is the same process we have just read about in the story of the stones of our fields, only it goes on much faster in the desert on account of the more rapid changes of temperature. You know how your skin will pucker up into goose-flesh when you are cold. The desert rocks do something similar. Because rock is a poor conductor, the heat of the day and the cold of the night penetrate only a little way—only through the skin of the rock, as it were; so this skin, stretching in the day-time and puckering up at night, becomes loosened and shells off bit by bit. Then it is blown about and in time ground into sand by the desert winds.

Some rocks have an additional way of getting picked to pieces. Granite is one of these. It has several different kinds of mineral in it, and some of these minerals contract and expand faster than others; some more than others. - 171 - As a consequence, the particles of the rock keep pulling and hauling at each other. This helps to break it up into little pieces, which soon become sand. The darker the rock, other things being equal, the greater the changes, because anything dark—a suit of clothes, for instance—absorbs heat faster than a light object.

From Norton's "Elements of Geology." By permission of Ginn and Company

HOW RAIN-DROPS HELP SPLIT BOULDERS

A big boulder in western Texas split, just as you see it here, by rain-drops, with the help of the sun, and under the conditions described in the text, sat for this photograph. A friend of mine who has been all over that country says that on blistering-hot days you can see little pieces pop out of the granite boulders, like chips from an invisible chisel struck by an invisible hammer. This is why: We Granites are made up of particles—little bits—of several different minerals, and some of these minerals expanding much faster than others pop themselves out.

The great mountain rocks of the desert, bare of all protecting soil and verdure, are always crumbling as a result of all these causes, and so the winds are constantly blowing them away, piece by piece.

HOW LITTLE RAIN-DROPS SPLIT BIG BOULDERS

As if everything in the desert were in the sand-making business the very rain-drops help make sand. The rain-drops do this in much the same way that the farmer breaks - 172 - big boulders in his fields, so that he can more easily haul them away, piece by piece. He builds a fire against the boulder, gets it as hot as he can, then rakes the fire away, dashes water on the stone, and—bang! It cracks as if old Thor had struck it with his hammer.

You see why this is, don't you, after what we have been saying about why the rock's skin chips off? The water suddenly cools the highly heated rock, and the parts shrinking pull away from each other with a bang! bang! bang! The hot desert rocks, dashed by the torrents of a cloudburst, break apart just like that, and you can hear them. Stones twenty-five feet across are often broken into many pieces after a downpour. Then the finer pieces of rock that are made in this continual splitting, and by the chipping that goes on day and night, the fierce winds grind against each other; so manufacturing sand. And the fiercer winds also drive coarse sand against crumbling rock surfaces, thus grinding them away and making more sand. So the winds, using sand to make sand, put the sand out at interest, you may say.

And on all its sand, made in these various ways—by wind and rain and heat and cold, and the crystal fairies of the land of change—the desert puts its special trade-mark, just as a manufacturer puts his trade-mark on his goods. If you should take some desert sand and some sand from the shores of the sea and show them to a man who knows about such things, he would say (after he had put them under a microscope, of course):

THE DESERT'S TRADE-MARK ON ITS SANDS

"This sand came from a desert, or from some place where it was much blown about by the winds; while this - 173 - sand is from the shores of the sea, or of a lake." The sand grains of the seashore, although they are always being tumbled about by the waves, as the desert sands are by the winds, are protected from each other by the water between them. These little water cushions prevent the sand grains from rubbing together; so they keep a good many of their sharp edges. They are not rounded like the sands of the desert. The winds keep the desert sands grinding against each other, at the same time turning them over and over, so wearing them away pretty evenly on all sides. It also grinds them against the desert rocks.

A DESERT SIMOOM ON ITS TRAVELS

A traveller in the Sahara took this snap-shot of a simoom from the outside and at a safe distance. You can see that it must be quite a distance from where we are standing, for the trees in the foreground are still. The vast cloud of sand looks quite dark because of the shadows cast by the sun, which it hides from view.

It is as if there were cut upon the sea sands, "Father Neptune: His Make"; while the genii of the desert, jealous - 174 - for the desert's reputation, had engraved on their own product:

"Genuine Desert Sand. Look for the Trade-Mark and Accept No Substitutes!"

III. The Plant People of the Desert

Although it doesn't look a bit homey to us there are quite a few people living in the desert, when you come to count them all—four-legged people, and six-legged people, and two-legged people, and big and little people with wings, and the people of the plant world.

THE WATER BOTTLE OF THE DESERT

One of the most curious of the plant people is the cactus, particularly the one known as the "desert water bottle." Like many two-legged people it has a rough, unsociable exterior, but a kind heart. Let a traveller come upon one of these bristly cactuses, after long, thirsty hours, and he will realize what this means. Inside this cactus he will find what will seem to him the most delightful drink he ever tasted. While it isn't as cool as it might be, neither is it as warm as you would expect, and it has a pleasant, sweet taste.

- 175 -

DRAWING WATER FROM THE BARREL CACTUS

This cactus, so far as shape is concerned, really belongs to the barrel family, as you can see, besides performing one of the most useful functions of a barrel in holding good drinking water for thirsty travellers in the desert. My, how thirsty you get! You drink, drink, drink from sunrise to sunset—about two gallons a day. But sometimes the supply you are carrying gives out because you miscalculated or you've lost your way, or the barrel leaks. Then, oh, how you welcome the sight of a barrel cactus among the rocky foot-hills! Director Hornaday, in the delightful book from which I have already quoted says: "You get a gallon of water surprisingly cool, and in flavor like the finest raw turnip. The object on the ground is not a circular saw, but the inverted top of the cactus, and the whiteness is that of the white meat that contains the water. With a stick the meat is pounded to a pulpy mass, and the water oozes out, forming a little pool. Then the man with the cleanest hands washes them cleaner with some of the pulp—throwing this pulp away, of course—then squeezes the water out of the rest of it into the barrel."

Another interesting thing about this cactus is that it enables you to get candy right in the desert; for here and there, through its thick skin, it oozes out a secretion called "cactus candy," which is very delicious. You are always sorry there is so little of it.

- 176 -

The fact that you can get a drink in this way, just when you want it most, all comes of foresight on the part of the cactus. After they get down from two to four inches in the ground the roots of this cactus spread out in every direction and for a long way. They collect every bit of moisture in the soil, and they make the most of every drop of rain that falls within their reach. Then they hide all this moisture away and cling to every precious drop. Most plants, you know, evaporate a great deal of water through their leaves. But the cactus, living in a world where rains are few and far between, just can't afford to do any evaporating to speak of; so it has practically no leaves, you see, only little bits of things that you almost have to take a microscope to find. But what it lacks in leaves it makes up in spines, which defend it against the attacks of most thirsty animals, although it is believed the desert mice know the secret of getting at this water, in spite of the spines.

One kind of desert plant you have no doubt met face to face, for it is used to make printing paper. It grows in the deserts of Libya and other parts of North Africa, and is called esparto grass. Like hemp, it has stems which are full of strong fibres. These stems are gathered in huge bundles, which are carried by camels to the sea, where they are sent by ship to the English paper mills.

HOW THE "ROSE OF JERICHO" GOES TO SEA

But there is a member of the desert plant family called the "Rose of Jericho," that doesn't wait for anybody to come after it and carry it to sea; it just picks up and sets sail for itself. It is a bush about six inches high, a native of the wastes of Northern Africa, Palestine, and Arabia. It bears a little four-petaled flower. When blossom time is over the leaves fall off and its branches, loaded with seeds, dry up, and, curling inward as they dry, form a ball. Its roots also let go of the soil, so that the strong desert winds easily pull it up and it goes bowling away toward the sea. When it gets there it tumbles in.

- 177 -

THE CACTUS-WREN AND HER LITTLE FRONT DOOR

Speaking of cactus spines, do you know how many of those wicked little spines the cactus-wren had to work with and tug and twist about in building that nest? About two thousand! These spines not only make the nest but defend it. You can't be too careful about your front door in Desertland. Such neighbors!

Then this bold little traveller, who is very sensitive to moisture although he has had so little of it in his bringing up, promptly unfolds his arms and scatters his handful of seeds on the water; which is precisely the thing he took all that journey to do! For the seeds are carried far by the currents of the sea. Thus the family to which this plant belongs keeps sending out colonies into new lands. This seems to be one of the chief missions in life of plants as of other peoples.

- 178 -

The plant of which we have just been speaking is called the "Rose of Jericho," although it looks so little like a rose that quaint old John Gerard, an English doctor who loved and studied plants over three hundred years ago, says:

"The coiner of the name spoiled it in the mint; for of all plants that have been written of not any are more unlike unto the rose."

THE WIND WITCHES OF THE STEPPES

Our own tumbleweeds and the Canada thistle have the same trick of bowling before the wind. There is a relative of these tumblers living on the Russian steppes that the Cossacks call the "wind witch." At the end of the season the branches dry up into a ball and then by the hundreds these witches go skimming over the plains, driven by the loud autumn winds. They are as light as a feather, and they go so fast that sometimes even the Cossack horsemen cannot catch them, as they often try to do in sport. Part of the time they move along with a short, quick, hopping motion, and then, caught by an eddy, rise a hundred feet in the air.

Often dozens of them get locked together, join hands like the real witches of our fairy tales, and the whole company goes dancing away before the howling blast.

Eery creatures!

IV. The Autographs in the Sand

There are certain very interesting people of the desert that you don't often find at home, not because they aren't there, but because they don't want to be found. Snakes, - 179 - lizards, rabbits, and ground squirrels slip quietly out of your way in the early morning, and by the time the hot sun is high, beast and bird seek the shadows of the canyons, or of big rocks, shelving banks, or caves.

THE COYOTE'S NOCTURNE

In addition to what he tells so cleverly in the picture about the night song of the Coyote, Dan Beard—your Dan Beard of the Boy Scouts—says the animal is a ventriloquist; can throw his voice so that it sounds as if he were a mile off, then startle you with the noise of a full pack at your heels—and all the time be sitting watching you from behind a stone not fifty yards away!

But they all leave word. In the lava beds of the Arizona desert, where not even the cactus will grow, you can make out the tracks of the quail and the linnet, and of a peculiar desert bird called the road-runner. There, also, are the tracks of the coyote and the wildcat, the gray wolf, and sometimes the mountain lion. If about daybreak you saw what seemed to be a long, lean, hungry dog, trotting away slantwise with a cautious eye to the rear, it was probably a gray wolf a little late in getting home. Like the coyote, the wildcat, the owl, and many other desert people, that old gray wolf belongs to the - 180 - world's great night shift and is usually back in his mountain home by sunrise. Even when you see him at all—which is seldom—he is hard to make out; for, like the coyote, he wears a rusty, sunburned coat, which blends with the sand and the yellow rocks.

The coyote is a smaller member of the wolf family, to which both the dog and the fox belong. He has much of the same cunning, and like Br'er Fox is fond of chicken. But his home is usually so far from modern conveniences he has few chances to visit poultry yards, and lives from paw to mouth, as it were, catching a jack-rabbit when he can—the desert rabbits seem to sleep with both eyes open—and lizards when he can't get rabbits. At the worst he will make out on "prickly pears," the pods of the mesquite bush, which are full of seeds.

THE WINGED PEOPLE OF THE DESERT

Although you will not realize it at first there are a good many birds in the desert. Some are transients, just passing through, and stopping for a rest and a bite or two on the way. Others, such as the linnet and the wrens, have nests tucked away among the spines of the cactus, and there's a finch singing from the top of that bush! In flower time in the Arizona desert (of which we are now speaking) there are humming-birds, but their colors are not so bright as those of our humming-birds. Feathers, like hair, have the natural color burned out of them in the desert sun. Only the insects keep their bright clothes. Turn over a stone and away will scamper golden beetles, silver beetles, turquoise blue beetles, beetles in bronze; a whole boxful of jewels on six legs.

- 181 -

From McCook's "Nature's Craftsmen." Copyright Harper and Brothers

THE LIFE STRUGGLE IN THE DESERT

The late Harry Fenn, who did everything so well, drew this picture of one of the incidents of the life struggle in the desert. It represents the desert wasp, known as the "tarantula killer," pursuing its prey. The tarantula of the Southwest is the giant among our native spiders, but it cowers before the wasp, and hurries off as fast as it can; but usually it can't, and is soon laid away in Lady Wasp's nest as food for her solitary baby when it comes out of the egg which the mother wasp lays in the spider's body.

INSECTS, LIZARDS, SPIDERS, AND OTHERS

And there are gray lizards, yellow lizards, and lizards called "skinks," with tails as blue as indigo; and the gila monster, a lizard in dull orange and black, with an ugly disposition and poison in his lower jaw. Another big lizard of the Arizona desert is called the chuckwalla. The Arizona Indians are very fond of him. They say he tastes like chicken.

- 182 -

Most of the spider family are represented in Arizona, including the trap-door spider, who hides and waits for his dinner in a hole with a wonderful trap-door that he made himself. This door he slams tight when he gets you inside, if you're a fly or anything like that. He also shuts this door in the face of his enemy, the centipede, a flat worm a foot long, with loads of legs and feet. His name means "hundred footed." He has poison daggers in his feet and his two-branched tail.

A DESERT BEETLE AND HIS GYMNASTICS

This desert beetle is called by the Indians "The-Bug-that-Stands-on-His-Head." At first I thought he was taking stomach exercises, for beetles have wonderful digestions, as you may learn from Fabre's book on "The Sacred Beetle." But Mr. Howard, Chief of the Bureau of Entomology at Washington—Uncle Sam's great authority on bugs—tells me this is an attitude many beetles take on the approach of an enemy, the object being to discharge a kind of poison-gas which is intended to drive him away; and usually does.

WHAT A WONDERFUL FLYING MACHINE HE IS!

But what's that away up in the sky? A flying machine? Yes, one of the most wonderful flying-machines in the world—a vulture. There he goes, sweeping in wide circles, as he hunts along the mountain range, mile after - 183 - mile, closely scanning the base of the cliffs for the bodies of unfortunate creatures that have fallen over. Vultures will keep in the air in that way whole days at a time, following the cliffs and canyons for hundreds of miles. But for all that it is sometimes a week or two between meals with a desert vulture.

How does the vulture soar so wonderfully? Nobody is quite sure about it. Often for hours there is no motion of the wings, as far as anybody has been able to make out, and a soaring vulture seems to be able to move as easily against the wind as with it. You'll not be surprised to hear that it takes time to learn to fly like that—a whole year. And even after the first year the young vultures stay for a good while under the instruction of their parents, going out hunting with them every day and sleeping with them in the nest on the cliffs at night.

V. A Day in the Sahara

How would you like to spend a day in the famous Sahara desert with the camels and the people and the dogs; and, I was going to say, the flies? But the flies can't stand it. They stay in the villages on the borders. Only a few are ever bold enough to start with a caravan and these soon turn back.

When a desert Arab and his family start on a journey the tents, the sleeping-rugs, the scanty provisions, and the women and children are piled on the camels, the dogs take their places at the end of the procession and the men at the head, and the caravan starts.

As the chieftain throws the end of the burnoose (his - 184 - hooded cloak) across his shoulder and, with his carbine in the hollow of his arm, stalks in advance of all, you feel that if you were an Arab boy you would be as proud as he is to have a father like that. What a splendid figure; what a strong, grave, handsome face, and utterly without fear! All his poor possessions would hardly pay a month's rent in a fine city apartment, but he has the proud bearing of a king. He looks as if he had just stepped out of a picture in a Bible story-book.

ALL IN THE DAY'S WORK!

This looks to me like the beginning of a simoom; if so, we'd better wrap our shawls about our faces as the Arabs are doing. Notice how the rising wind picks up and twirls the sand about the camels' legs and sends it stinging into the faces of the men. Maybe it will die down as quickly as it came; maybe it will increase into a choking sand-storm that will last a week.

And how keen those dark eyes must be; and what a memory for the look of things! At the beginning of the - 185 - day's journey he is guided, as sailors are at sea, by the stars. But soon the winds begin to rise, as the desert farther away is warming under the sun, and the fine sand drifts and shifts like snow, filling up our own tracks as fast as they are made; so, you may be sure, it is leaving no guiding tracks made by previous travellers. But this man has known every hill, every dune, and every rocky gully along the way since he himself was a little boy, and went over this same route sitting on the camel with his mother while his father stalked on before.

A CARAVAN ON THE MARCH

Here is a caravan lumbering along over what appears to be a pretty well-beaten roadway in Algeria where many improvements to facilitate travel have been made by the French. It must be about 8.00 A. M. or 4.00 P. M. Shouldn't you say so, from the shadows?

Presently we come across another little group of travellers going in another direction. They are on their way north to the summer pastures; for you see they have a little - 186 - flock of sheep and goats and two donkeys. And there are two men. These people are probably two families travelling together. But they are not so well-to-do as our Arab. They have no camel to carry the women and children. So dogs, donkeys, men, women, children, and the sheep and goats all tramp along together.

THE FORLORN LITTLE RAT OF THE DESERT SANDS

If you've read Roosevelt's books on Africa you've met this little creature before. But isn't he the rattiest-looking rat you ever saw? He has only a hair here and there on his yellow skin; and no eyes to speak of. He can hardly see at all, spending most of his time, as he does—like the sightless creatures of caves—in the pitch-dark of his underground burrow. Yet, I suppose, like that desert boy it tells about at the end of this chapter, he thinks there's no place like home!

They are not worried because they are poor; for listen, they are singing! It's a melancholy kind of song, as we think. It reminds us of the queer sound the sand grains make when the desert winds are beginning to blow. But to the Arab it is music. What a lot of verses it has—all just alike—and sung over and over again.

But what's the matter now? All of a sudden they stop singing and begin to shout and fire off their guns. You'll - 187 - laugh when I tell you why. They heard something talking back to them; repeating all their words. It was only an echo made by the rocks of the mountains that we have just reached. But these superstitious people of the desert don't know what an echo is. They think echoes are the voices of evil spirits mocking them, and the shouting and the firing of the guns is to frighten these mockers away.

THE PACK-RAT'S FORTRESS

This is a diagram of the fortress of another little citizen of mountain rocks and desert places, known out West as the "pack" rat because he is always packing off other people's things and hiding them in his burrow. The "fortress" consists of several burrows, the roads leading to which are carefully protected by the prickly bayonets of the cactus joints which the rat drags there for that purpose.

Life for everybody in the Sahara and the Arabian desert is very much what it is for the animals in the Arizona wastes—a constant struggle for food. In the Arizona desert every living creature puts in all its time trying to get something to eat without being eaten. The wildcat is fortunate if he gets a meal once in two or three days; and while the coyote is trying to slip up on a rabbit, ten to one there's a panther slipping up on him. A traveller in northern Africa - 188 - tells how, when his caravan halted for dinner at an inn for the French soldiers quartered in that region, he saw a lean and hungry cat eying him from around the corner of a nearby hut. To borrow from Victor Hugo's description of the hungry cat at the Spanish inn,[31] this cat of the desert looked at the traveller "as if it would have asked nothing better than to be a tiger." When the guest of the inn had finished the piece of chicken he was eating he tossed the bone toward the cat which pounced on it fiercely. Instantly a dog, which had been watching proceedings, rushed forward and took the bone from the cat. Just then an Arab, who happened to be passing, fell upon the dog and wrenching the bone from his mouth began eagerly gnawing it himself.

[31] "Hugo's Letters to His Wife."

It's a hard life!

And yet if you should bring an Arab boy to London or New York to live and give him three good meals a day—he's not always sure of one at home—and nice clothes to wear and a real bed to sleep in, and shady parks to play in, do you suppose he would be happy? No indeed. The thing has been tried. He says this kind of life is all right for those who like it, but it isn't the desert.

And you have to admit it!

HIDE AND SEEK IN THE LIBRARY

Not at all dry, are they—these deserts—when you get down into them? And I haven't told you half there is to tell about them.[32]

[32] John C. Van Dyke, for one, has written a wonderfully interesting little book just about the American desert. It's called simply "The Desert."

- 189 -

To begin with, what does your geography say about deserts—about how they are made?

How do mountains help make deserts?

In and near what zone does your geography locate the great deserts of the world?

How does the Sahara desert compare in size with the United States? (You see, the Sahara is practically a whole United States gone dry!)

Yet, the soil of much of the Sahara is very fertile and with water would yield wonderful crops. But where is the water to come from? Where do we get the water that has made our deserts bloom? Has the Sahara any such sources of supply?

Is it true that the Libyan desert was once covered by the sea, as it was in that story of Phaeton, the boy who set the world afire?

And speaking of that story, was there a Jupiter and a Jupiter Pluvius, too?[33]

[33] "That was a good deal like asking if there was a George Washington and a President Washington too," said the High School Boy, after he had looked it up.

Wouldn't you say the addition of "Pluvius" to the name of their chief god meant the ancients recognized rain-making as a very important and difficult business to manage?

But what is it, really, that brings our rains? What has the sea to do with it? And the winds? And the mountains? Your geography answers all these questions briefly. You will find a full treatment of the whole subject of the weather and of how the weather man, "the man with a hundred eyes," manages to be so clever, in "Pictured Knowledge."[34]

[34] In the article in the Nature Department, "What is the It that Rains?"

From what general direction do the winds come that bring the rains in North America? In South America? Why the difference?

How many inches of rainfall are enough for raising good crops?

Nevertheless, they raise fine crops in many parts of the United States where they have hardly any rain at all. How do they manage it? I mean how do they store up the water and distribute it, and everything? (Irrigation.)

In reading up on deserts in the encyclopedias alone you will find - 190 - many such interesting things as the following, and in other books—particularly books of travel—much more:

How long the commercial caravans are (such great freight trains as those that cross the Sahara between Morocco and Timbuctoo); how many camels one driver takes care of; how fast the camels travel; how many days they can go without a drink.

If you're going to cross with one of these caravans (or just pretend to cross) I must tell you one thing:

You've got to look out for lions!

From what you have learned in your geography about African lions, where would you say you were likely to come across them?[35]

[35] Have you read Roosevelt's "African Game Trails"? or his "Life Histories of African Game Animals"?

What do these caravans bring back from Central Africa? (What is produced in Central Africa that the civilized world wants?)

The ostrich is a most interesting citizen of the desert that I didn't have room to talk about. There's enough for a whole chapter in your notebook just about ostriches and their ways.

Among other things, I wish you'd find out for me if the ostrich really does bury its head in the sand and imagine that it is thereby hiding itself. (I'll warrant you it's only book ostriches that do this; not real ostriches.)

One of the most curious things about Mrs. Ostrich is how she and her neighbors work together. It's like an old-fashioned quilting bee, for all the world; although, to be sure, the ostriches don't make quilts—they make nests.[36]

[36] "Romance of Animal Arts and Crafts."

Speaking of ostrich nests naturally suggests eggs—and very big eggs, of course, including the roc's egg in the "Arabian Nights." They do have real rock's eggs in the desert, only this kind of a roc's egg is spelled with a "k." You just turn to the chapter on deserts in Hobb's "Face of the Earth," and you'll find not only that there are such eggs, but how the desert sun uses salt in cooking them and what the crystal people have to do with it; and how, like a cat in a hen-house, the desert winds suck these eggs, leaving only the hollow shell.


- 191 -

CHAPTER IX

(SEPTEMBER)

Morning

The summer dawn's reflected hue
To purple changed Loch Katrine blue.
Scott: "Lady of the Lake."

Evening

Now folds the lily all her sweetness up
And slips into the bosom of the lake.
Tennyson: "The Princess."

IN THE LANDS OF THE LAKES

If we really had spent the month of August in a desert what a relief it would be to find ourselves, as we do now at the very beginning of the golden autumn time, in the lands of the lakes with their cool, fresh breezes, the whisper of leaves and the glint of waters dancing in the sun. The best of it is that the deserts are just as delightful as the lands of pleasant waters, if you only visit them in imagination as we have been doing; and they make the lakes all the more attractive by way of contrast.

I. How the Lakes are Born

But where are the lands of the lakes? I may say to start with, it's no use looking for many lakes in the lands of the big caves. Caves and lakes don't seem to get on together any more than do caves and boulders.

- 192 -

When this story of the lakes was first told to a certain group of young people some of the youngest of whom had not forgotten the giants or the language of their fairy tales, I put it in this way:

"The rains and the rivers, with the help of some other things, have made all the lakes in the world. One of these helpers is a bright-eyed creature with two legs; another a little creature with four legs and a third a great big thing with no legs at all!" (I said it like this: "G-R-E-A-T B-I-G T-H-I-N-G," and opened my eyes wide for the benefit of the younger members of our "pebble parties," as these little gatherings came to be called.)

The great big things, as you have already guessed, were the glaciers of the Ice Age. We have had specimens of their work in the story of how the Great Lakes were made.

The four-legged lake makers are the beavers. They live on the margins of quiet, shallow ponds—really little lakes—which they make for themselves by gnawing down trees and building dams.

And the bright-eyed creature with two legs—can't you guess who he is? If you never helped make little lakes of your own by damming up a brook or a roadside rivulet, you have missed a lot of fun.

WIDE RANGE OF SIZE IN LAKE FAMILY

But you must have made them; what boy hasn't? And those little ponds or puddles were lakes, while they lasted, just as much as the great Lake Superior is a lake. Even lakes that are called lakes and get their names (and often their pictures) in summer resort folders, differ in size, ranging from little affairs that are not much larger than the - 193 - pond in the meadow, to Lake Superior, with its 31,000 square miles; and in depth, from a few feet to 5,618 feet in the deepest part of Lake Baikal. You see if you touched bottom there you would have to keep going for over a mile.

"And there's all the way back!" said the High School Boy.

THE GREAT LAKES OF TO-DAY AND THE GREATER LAKE OF YESTERDAY

The farmers of Canada and the Dakotas now sow their harvests and reap their golden grain on the bottom of the great inland sea of the Ice Age, Lake Agassiz. It was larger than all the Great Lakes of to-day put together. It is known how big this lake was from its old beaches, which can easily be made out all around the margin shown on the map.

- 194 -

THE BLUE LAKE IN THE VOLCANO'S MOUTH

In the mouth of a dead volcano lies one of the most beautiful lakes in all the world, the chief attraction of Crater Lake National Park. This model of its basin tells how nature did the work. The steep sides and the glacial valleys show that the top fell in when the lava that helped build the volcano sank back and so left it without support. If the top had blown off, as volcano tops sometimes do, the valleys would have been filled with débris. Later there was another outbreak, but so small that it only built that little volcano in the big volcano's mouth. Notice the tiny crater? This baby volcano rises above the waters of its mimic ocean and makes an island, just as so many volcanoes of the great Pacific make the far-flung islands of the Southern Seas.

Even the water ouzel, that wonderful diver of the mountain lakes and waterfalls, might hesitate at a dive like that.

Those remarkable old men of the mountains, the glaciers - 195 - of the Ice Age, were the greatest of all lake-makers. Although for size the Great Lakes were their masterpieces, they made lakes of all sizes and no end of them. They fairly sowed the landscape with lakes. Look at the map of the lake regions of America and Europe and then turn back to the map picture of the great ice invasion (page 21). Don't you see the lake regions and what was once the ice regions cover practically the same territory?

LOOKING ACROSS THE LAKE TO WIZARD ISLAND

There you see is the top of that little volcano—right across the lake. It is known as "Wizard Island." The lake is 4,000 feet deep. Its walls are 1,500 feet high; in some places over 2,000 feet high. In spite of the fact that they, as you see, slope a good deal, owing to the crumbling down of the weathered rock, the banks are still so steep it has taken us several hours of careful climbing to get down where this picture was taken, and we shall be all the rest of the forenoon climbing back again.

In addition to making lakes in their Great Lakes manner the glaciers had other methods. A glacier coming into a dry mountain valley would supply it with a river by melting, and at the same time dam up the river with stones - 196 - and soil brought down from the mountain and so make a lake. Then the water would run over the brim of the dam, and the thing was complete; a beautiful little lake with one river running into it and another running out.

LOOKS AS IF IT HAD RAINED LAKES!

You just go through Wisconsin or Minnesota or Maine, and right and left you'll see lakes and lakes and lakes: and then more lakes! Of course most of these lakes are small; otherwise it wouldn't have been possible to work so many of them into the same landscape. In Wisconsin you find these small lakes in what are called the "Kettle Ranges." The low hills and their valleys form what the early settlers called "kettles," and in these kettles are the little blue-eyed lakes.

It was the glaciers that not only made the kettles but often filled them with the lakes. In many of the mounds of pebbles and clay that we read about in "The Secrets of the Hills," the glaciers left big blocks of ice. Then, when this ice melted, two things happened: (1) The covering of the ice sank down, much as the sawdust sinks in an ice-house when a block of ice is taken out, thus making the kettle; (2) the big ice cake in the hill of pebbles melted, so filling the kettle with a lake.

But what broke off these big blocks, these land icebergs that made the basins for the kettle lakes? They were left by the glacier when it began to retreat; that is to say when the supply of snow back at the gathering ground became insufficient to keep pushing it forward as fast as the front melted away. Melting most rapidly in those huge cracks called crevasses, big blocks were finally - 197 - separated entirely from the main body and left behind as the rest of the glacier slowly melted back toward the mountains.

If the glaciers were thus responsible for most of the lakes of the lowlands you may be sure they had a hand in making the lakes of the mountains, right where they themselves live. John Muir, who spent his life in loving study of the mountains of the West and of everything connected with them, found mountain lakes in every stage of existence up the mountainsides; empty stone bowls that showed by the work of the waves on the rocks that they had once held lakes; above these, in the same chain, lakes growing shallow; and, still higher, brand new lakes in stone bowls with the edge of the glacier that had carved out the bowl and filled it with blue water, still bordering it on the upper side.

ONE OF THE KETTLE LAKES OF WISCONSIN

- 198 -

And this is why, like fruit on a tree, the youngest lakes are found at the top. Since the glacier melted from the foot of the range upward the lower lakes were the first to be born and the first to pass away; while the lakes higher up on the mountain were the last to be born and the last to pass away.

II. The Moods of the Lakes

Lakes are like the rivers and the sea; they have their moods. In sunshine and storm, in wind and calm, and from season to season they show many changes. As we already know they are great sleepy heads. To Ruskin mountain lakes seemed both to sleep and to dream. But their longest sleep, like that of Br'er Bear, is taken in the winter. Of this long sleep Mr. Muir says:[37]

"The highest (mountain lakes) are set in bleak, rough bowls, scantily fringed with brown and yellow sedges. Winter storms blow snow through the canyon in blinding drifts, and avalanches shoot from the heights. Then are these sparkling tarns filled and buried, leaving not a hint of their existence. In June and July they begin to blink and thaw out like sleepy eyes, the daisies bloom in turn and the most profoundly buried of them all is at length warmed and summered as if winter were only a dream."

[37] "The Mountains of California."

EVEN THE DUCKS OVERLOOK THESE LITTLE LAKES

But possibly these lakes are not asleep after all! They may be only playing possum; or hide and seek. There are mountain lakes that play hide and seek. That is to say, they hide and you seek; and often you don't find! - 199 - They are so small that, surrounded as they are by trees, tall and thickly set, even the ducks pass them by. The glaciers that made them seem to have hidden them, as the robins did the babes in the wood. The glaciers did this, not by heaping leaves over them, but by piling up stones and soil around them. They are encircled by moraines, and on the moraines grow the trees that hide the lakelets even from the sharp eyes of the ducks.

A LITTLE GIRL'S PICTURE OF A FAMOUS SWISS LAKE

This picture of the lake of the Great St. Bernard was taken by Phyllis M. Pulliam, who sent it to St. Nicholas with a long, enthusiastic letter, such as only school-girls know how to write. Among other things she met a great St. Bernard dog that had saved more than fifty lives.

Mountain lakes are usually as clear as crystal, and, like perfect mirrors, reflect the outlines and coloring of the clouds and the neighboring peaks. They are apt to contain mica and feldspar ground out of the granite rock by the glacier that made their basins. Then the sunlight - 200 - falling on these rock particles gives them the color of jade or Nile green, or dark green like a peacock's tail. They are constantly changing color with the changing angles of the light from morning until sunset; and under the passing clouds and the rippling of the winds. The deeper lakes are dark blue in the deepest parts, turning to green in the shallow waters near shore where the yellow of the sun rays and the sand mixes most with the blue of the waters.[38]

[38] Van Dyke: "The Mountain."

THE MYSTERY IS IN THE SECRET PASSAGE

In Florida there are sister lakes so sympathetic that their waters rise and fall together. One responds to the mood of the other as promptly as your right eye waters in sympathy when you get a grain of dust in the left. The reason for this goes back to the days when the corals helped build Florida. They did this by leaving their "bones" on the coral reefs when that part of North America was in the making. These remains formed limestone. Then, in this limestone, "sink holes" were formed on the surface leading to underground passages, just as they do over the land surface in the cave regions of Kentucky. These sink holes often fill with water and form little lakes. These lakes, being connected by the underground passages, rise and fall together. It looks very strange, even when you know the secret of it; and still stranger when you don't.

Yet I shouldn't be surprised if a bright boy or girl seeing two lakes rising or falling together would suspect the underground connection; for, of course, we all know about springs and their underground channels. But what would you say to this:

- 201 -

A lake that, a moment before, was as smooth as glass suddenly begins to shiver all over as one shivers in a sudden draught. But there is no breeze stirring! A moment later the water rises and falls along the banks; an inch, two inches, a foot, two feet. Then, in the course of a couple of hours, the sky, which before was without a cloud, begins to grow black and there follows a terrific storm.

A KIND OF NATURAL BAROMETER

The cause of the rising of the water is the heavier pressure of the air at the farther end of the lake, the region of the coming storm. The water, being forced down at one end of the basin, you see, rises at the other. Then as the storm advances toward you the pressure is released and the water falls again; but for a while it rocks to and fro as water will do in a basin if you tip it up at one end and then let it down again.

THE TIDES IN A TEACUP

But, besides these imitation tides made by the unequal pressure of the wind, lakes have real tides just as the ocean does; and from the same cause, the attraction of the moon. In fact, there are tides in a teacup, and the tea rises toward the passing moon as does everything liquid on the face of the earth. In the teacup the rise is so small you can't see it as you do when the great mass of the ocean waters is moved in the same way. Even in the Great Lakes the tide only amounts to three inches or so.

And, in addition to their tides, there are many other things about lakes that have led the largest of them to be referred to as "inland seas." Says Reclus:[39]

- 202 -

"Lakes are indeed seas. They have their tempests, their swells, their breakers. It is true the waves are neither so high nor move so rapidly as those of the sea because they do not move over such great depths. They are short, compact and choppy, but for this very reason they are more formidable. And the water being fresh and therefore lighter than that of the ocean is more readily agitated. The wind has scarcely begun to stir when the surface is covered with foaming billows."

[39] "The Earth."

Not only are lake storms especially dangerous for the reasons just given by the great French geographer but lakes in mountain regions are subject to an additional danger; for their storms are most apt to come at night, just as described in the story of the storm on Galilee in the New Testament. You remember it says the storm came "down."[40]

[40] Luke 8: 23.

"Now it came to pass on a certain day that Jesus went into a ship with his disciples; and he said unto them, Let us go over unto the other side of the lake. And they launched forth.

"But as they sailed he fell asleep: and there came down a storm of wind on the lake; and they were filled with water and were in jeopardy."

Macgregor, in his "Rob Roy on the Jordan," draws the following vivid picture of his own struggles with one of these tempests:

HOW THE STORM CAME DOWN ON GALILEE

"Just as the Rob Roy passed below Wady Fik a strange, distant hissing sounded ahead where we could see a violent - 203 - storm was raging. The waves had not time to rise. The gusts had come down on calm water and they whisked long wreaths of it up into the sky. This torrent of heavy, cold air was pouring over the mountain crests into the deep caldron of the lake below. Just as it says in Luke 8:23. 'There came down a storm upon the lake.'"

ON THE BORDERS OF THE SEA OF GALILEE

You can see this is in a desert, mountainous country, and, from the dress of the man, that it is in the Orient. The beach is wide—for so small a lake—because of those frequent and severe storms that drive the waves, loaded with sand and pebbles, far back from the shore.

This peculiarity of squalls among mountains is known to all who have boated much on lakes, but on the Sea of Galilee the wind has a singular force and suddenness. This is no doubt because the sea is so deep in the world that the sun rarefies the air in it enormously and the wind, speeding swiftly over a long and level plateau, suddenly comes upon this huge gap in the way and tumbles down into it.

- 204 -

III. How Lakes Grow Old and Pass Away

But, however formed, lakes, of all the features of our landscape, are the soonest to pass away. Because of the sediment brought into them by the rivers they keep getting more and more shallow and at last, in the course of time, are quite filled up. The waves of the lakes themselves help to bring this about by cutting material from their shores and washing it into the water.

So the time will come when all lakes now in existence will have passed away. But the people of those times will not be without their lakes. New lakes will probably be made by the same causes which produced the lakes of to-day; for Nature's great processes do not change.

WHY LILIES COME TO THE DYING LAKES

Meanwhile how beautifully they pass, these lakes; particularly the little lakes like that in Rousseau's painting. First, on the margin of a dying lake the lilies gather. Lilies grow only in quiet waters and these they find in the shallow margins of lakes that are filling up.

LAST OF ALL COME THE TREES

Next after the lilies come the sedges, grasslike herbs that grow in marshy places. And after they are well established they get things ready for the next arrivals; for these plants come in a regular procession. The dense tufts of the sedges make mats on which soil gathers. In this soil shrubs begin to grow. From the decay of all this vegetation more soil is formed in which the seeds of spruce and tamarack spring up. Then come willows, then poplars - 205 - and maples, and last of all the oaks and nut-bearing trees, which march into new lands slowly because they must depend on their heavy seeds to move them forward, while the little seeds of maple, willow, poplar, and pine are easily carried by the wind.

"The Lake." From the painting by Rousseau

HOW LAKES GROW OLD AND PASS AWAY

This picture, called "The Lake," is from a painting by Rousseau, a great French landscape artist, and illustrates the beautiful way in which lakes grow old, as described in the text. Already, as you see, Father Oak and his family have arrived.

But while fresh-water lakes and their surroundings are so beautiful and poetic, and never more so than when the lakes are passing away, there are dying lakes, whose surroundings are the very pictures of desolation. These are the lakes which have become bitter with salt because their waters are evaporated by the sun faster than fresh water comes in. The most famous of these salt lakes is the - 206 - Dead Sea of the Holy Land, into which the Jordan flows. Lying in a rock-bound pit, in the deepest part of a vast trench, it is like a caldron into which for eight months of every year is poured the heat from a burning sun in a cloudless sky. Although Palestine, as you can see by the map, is in the temperate zone, the thermometer here often registers 130 degrees, because cooling breezes never come down into this pit except in those occasional storms due to the sudden rush of cooler and therefore heavier air from the surrounding heights.

THIS IS HOW THE DEAD SEA DIED

As shown by the wave-cut terraces on the surrounding rocks this lake was once a part of a great body of water that extended clear from Mount Hermon to the Red Sea. Then, by a series of heaving movements, widely separated in time (as shown by the depth of the beach terraces) the bottom of this greater sea was uplifted into the two parallel chains of limestone mountains which flank the Jordan Valley. At the same time a great block of earth crust between them settled down, step by step, and made the long trench running clear to Africa, one end of which is the Jordan Valley, in which the Dead Sea lies.

Later, during the different Ice Ages, as it is supposed, there was plenty of moisture, for the rock records show that the Sea of Galilee and what is now the Dead Sea were once parts of the same body of water. Then the climate gradually changed, the land went dry, and the Dead Sea water became far saltier than that of the ocean—so salty that all life died out of it. To-day the water tastes like a mixture of epsom salts and quinine, and any unfortunate - 207 - fish swept into it by the fresh waters of the Jordan, in which fish are abundant, gives a few desperate gasps and dies.

THE DEAD SEA

HOW THE DEAD SEA DIED

While it is not true, as the ancients believed, that birds drop dead in flying over it, neither birds nor beasts make their homes in the choking pit; and on its shores, always gray with a mixture of mud and salt, of course no green thing can grow. Indeed, there is little plant life anywhere - 208 - round about, but as if in mockery there grow nearby what are known as apples of Sodom or Dead Sea fruit. This fruit looks like an orange, but it is bitter to the taste and filled only with fibre and dust.

The official report of Lieutenant Lynch, of the United States Navy, who headed an expedition sent out by the government to explore the Dead Sea and the surrounding regions, is full of word pictures which might well have supplied material for the imagination of Dante.

LIKE A VAT OF MOLTEN METAL

The sea, yellow from the large amount of phosphorus in the water, is overhung in the early morning by a dense mist. This mist is made by the water steaming in the intense heat. It looks, however, like smoke above a great vat of molten metal "fused but motionless." After dark, when the night winds come down from the heights and go moaning through the gorges, the scene changes.

"The surface becomes one wide sheet of phosphorescent foam, and the waves, as they break on the shore, throw a sepulchral light on the white skeletons of dead trees which have been washed from the woody banks of the Jordan and, lying half buried in the sand, are coated with gray salt from the muddy spray."

On a portion of the land now covered by the lake, according to tradition, were the wicked cities of Sodom and Gomorrah, and after their destruction these bitter waters flowed in and forever buried the scene of their wickedness from the sight of men.

It seems probable that the region did once support a larger population. We know this to be true of other parts - 209 - of the Orient which have since become desolate owing to the ravages of war, the change of climate, and the decay of Oriental civilization. And when we recall how the sinking of the great earth block that carried this land so far below the level of the sea forced lava up through the earth cracks, we can account for "the fire from heaven" that poured down upon the cities of the plain.

Professor Huntington, who headed the Yale Expedition into Palestine in 1909, speaks of visiting the ruins of Suweim south of the Dead Sea and picking up bits of lava (the whole region abounds in evidences of volcanic action) while the sheik who acted as guide told the story of Sodom as the story of Suweim. The name Suweim, Professor Huntington thinks, may be a corruption of Sodom. Continuing, he says:[41]

"The place is much greener than the other side of the valley, and in the days of Lot may have been 'like the garden of Jehovah'[42]; for in those times, as our studies of old levels of the Dead Sea quite clearly indicate, the climate of Palestine was probably decidedly moister than it is now.

"And not two miles from Suweim we found a little volcano of very recent date geologically, and an eruption may have wrought havoc in a town located near Suweim."

[41] "Palestine and Its Transformation."

[42] Genesis 13:10.

In one part of the valley he also found a cave among the mountains, hewn out of the limestone above a spring.

Now turn to your Bible, Genesis 9:30:

"And Lot went up out of Zoar and dwelt in the mountain, in a cave, he and his two daughters."

- 210 -

In short, the geography of the region—such is the conclusion of Professor Huntington's careful study—"supplies all the elements of the story of Sodom and Gomorrah in exactly the location where the Biblical account would lead one to expect them."

But the native Arab goes further. Not far from the borders of the Dead Sea is a mountain of salt called Jebel Usdem, which "the early and later rains" in the course of ages have dissolved into many fantastic shapes. Among these strange figures is a pillar tapering toward the top, on which is a wide cap of stone, such as that shown on page 60 and such as are often seen on detached and pillared rocks.

But this gaunt remnant of grisly gray, although it is still obviously a part of the mountain and cannot be less than forty feet high, your Arab friend insists was once the wife of Lot!

HIDE AND SEEK IN THE LIBRARY

If you were hunting for mountain lakes where would you expect to find the most, in high mountains or in low?

Rivers sometimes make lakes by using the same stuff the small boys do, just plain mud. Look at Lake Pontchartrain in the map of Louisiana and you can see one of the ways in which this is done. Remember that all the land around this lake is part of the delta of the Mississippi. The river deposits have simply enclosed a portion of the shallow sea.

Or—this is another way in which rivers make lakes by building mud walls—a river emptying at right angles into a narrow gulf may build a dam clear across it. The rich Imperial Valley of southern California was cut off from the Gulf of California in this way. Look at the map and you can see just how this was done.

One of the puzzles about mountain lakes is how frogs got into them. The frogs never climbed up there, you may be sure. Muir - 211 - thinks maybe the ducks did it. How do you suppose? See if you can imagine and then see what Muir says about it.[43]

[43] "The Mountains of California."

In connection with what was said about lakes playing they are oceans—not these little mountain lakes, of course, but great big lakes—you will be interested in what Lord Bryce says in his "Travels in South America" about why lakes may even look larger than the ocean.

In the Britannica and other books that you may not yet be old enough to read you will find many more curious things about lakes. I can't tell which one of my readers you are, you see, but if you belong to the "younger set," father, mother, or some other member of the family can do the looking up and then tell you about it.[44] In the Britannica will be found such interesting things as this:

[44] I don't know of anything that is more fun, of an evening, than looking up things in an encyclopædia—except looking them up in two encyclopædias.

How certain kinds of mountains and lakes are made at one and the same time—by the same movement.

How even the wind may make lakes.

Why lakes are to the land what lands are to the sea.

Then if you will turn to page 75 of that fascinating little book we have already dipped into several times[45] you will find what the fact that lakes are to the land what islands are to the sea has to do with a peculiar beetle in the Shetland Islands (where the ponies come from) and the famous tailless cat of the Isle of Man.

[45] "Colin Clout's Calendar."

One of the quaintest little bits of real life in Lakeland is how the baby gulls of the Great Lakes worry their papas and mamas by going swimming before they are old enough; how their parents give them a spanking and send them back home; and how kind all the lady gulls are to the little gulls of neighbors that come to their houses to play with their children.[46]

[46] "The Bird, Our Brother," by Olive Thorne Miller.

- 212 -

DROWNED VALLEYS ON THE MAINE COAST

Wherever you see very irregular shores, as along the coast of Maine, you may infer that the shores have sunk so that the waters of the sea came up into the river valleys, and the hills and long tongues of high land became islands and peninsulas.


CHAPTER X

(OCTOBER)

To-night the winds begin to rise
And roar from yonder dropping day;
The last red leaf is whirled away,
The rooks are blown about the skies.
Tennyson.

THE AUTUMN WINDS AND THE ROCK MILLS OF THE SEA

Nothing looks more aimless, more unorganized, perhaps, than the long turmoil of the waves of the sea which begins in late autumn and continues through the winter months. If, with your nose well over the edge of a cliff, you look straight down, you will see something like this: With every forward leap of the surges the waters are divided and entangled among the rocks, and division after division is beaten back by the upright wall in front and the broken - 213 - blocks of stone on this side and on that. On-coming waves, met by those recoiling, rise into mountainous, struggling masses of wild fury. The whole affair seems to be as clear a case of wasted energy as a Mexican revolution.

But if you watch the waves carefully and study them a little you will see underlying and controlling this apparent anarchy the wonderful engineering by which the machinery of the sea works out its appointed tasks. It is when the earth has gathered its harvests and laid down to its winter rest that the sea begins gathering harvests of its own, grinding up the rocks for food for the plants in its gardens, for new clothes for its shell-fish, and new soil for earth harvests in millenniums yet to be.

I. The Destroyer

On the face of it the case looks bad. The sea's chief business seems to be that of eating us up, or at least the lands on which we live. And this idea of it we find running through all literature and art. A very large number of the pictures of the sea, probably the majority, show it in wind and storm. And this is still more true of the famous sea pictures of literature. Shakespere, for example, makes some three hundred references to the sea, and nearly always, where he gives it a character, it is that of a monster, always hungry and never satisfied, a "wild, rude sea," a sea "raging like an angry boar"—and so back to Homer and forward to Kipling.

That the sea is constantly eating away the land cannot be denied, and to an extent that is delightfully alarming if, as did the little boy listening to the tale of the giants, we "like to be made nervous." It is said that England still - 214 - rules the waves, but where she fronts the sea on the east the coast is being cut back at the rate of two to four yards a year, in spite of all that modern engineering skill can do. In the course of a thousand years the losses on all fronts have amounted to over 500 square miles. Each year carries off 1,500 acres more from the king's domains, to add them to the Empire of the Sea, "and he calls to us still unfed." On the east coast the blows dealt by the waves in severe storms are such that the land trembles for a mile back from the shore. "The earth," said Emerson,[47] speaking of the industrial greatness of England, "shakes under the thunder of its mills." So for ages it has shaken under the thunder of the mills of the sea.

[47] "English Traits."

Courtesy of "The Scientific American"

SEA-CLIFFS IN THE SCHOOLROOM

These dizzy cliffs and the wide sea beyond were made in the schoolroom in the same way that the glacier and the iceberg were made in Chagter II.

- 215 -

Courtesy of "The Scientific American"

BEHIND THE SCENES

This apparent war of the sea upon the land is a war of machinery whose workings are curiously like the ancient war machinery of men. Without tools the sea is almost as helpless as man himself; and, as in man's history, its use of tools begins with the Stone Age. Where there is no stone-strewn beach or underwater shelf extending out from a cliff, the waves do little damage. They give only a muffled and (to the poetic ear) a baffled roar. But a sloping shelf along a rocky shore not only makes a kind of scaling ladder on which the waves can climb to great heights, but these waves are pitched forward with terrific - 216 - force as they reach it from the open sea. As they come on they seize huge stones which they hurl against the cliffs. Even amid the wild voices of tempests one hears the boulders crashing against the walls. In storms of sufficient energy rocks of three tons weight are driven forward like pebbles. The action against the upper part of a cliff may be compared to that of one of those great stone-throwing engines of the Romans, while on the lower portion the drive suggests the battering-ram.

WHAT NEPTUNE KNOWS ABOUT WEDGES AND PNEUMATIC TOOLS

Where the waves strike into narrowing crevices in the rocks they act as wedges, prying the walls apart. In this form of the sea's destructive work we find also an application of a motive power which has come to play so important a part in modern engineering; namely, compressed air. Waves strong enough to handle big rocks not only dash them against the cliff, while the waves themselves drive into the crevices like wedges, but in so doing they force air into the crevices and compress it. This air, expanding as the waves fall back, forces out great blocks of stone which, in turn, are also used as weapons of assault.

And, as we look back in the history of the sea, we find that he long ago—the deep-laid schemer!—planted enemies within our very walls. Waves, even when armed with the heaviest missiles, can do comparatively little damage to walls in which there are no crevices. But there are few such walls. Usually even the hardest rocks have running through them those cracks which the geologists (with a fine sense of humor) call "joints"; or they have "bedding - 217 - planes," the divisions between the rock beds. Both of these weaknesses in our defensive walls are, in a large degree, the handiwork of the sea; the bedding planes because rocks are so laid in the sea mills, and the joints because the wrinkling up and consequent cracking of the land rocks is the other end, as we learned in Chagter I, of the down-wrinkling of the rocks under the weight of the sea.

In the very body of the rocks also is hidden a secret enemy; the salt left when they were made. And more salt is constantly being forced into the surface pores as the waves strike. This salt helps to dissolve and weaken the rock under the chemical action of the air, and the rains and the mechanical expansion and contraction of the surface with changes of temperature.

PLANING MILLS OF THE WINTER SEA

All the Great Powers of nature, "on land, on sea, and in the air," seem to be in open conspiracy against our peace. The evidence seems especially plain in late fall and winter, when the sea, contrary to the usual practice in war, carries on its most vigorous campaigns. Then come the winds for the great drives; then come the frosts that change the water wedges into expanding blocks of ice that, almost with the force of exploding shells, tear the walls apart. In winter are formed the great ice-fields that help in two ingenious ways to further the destructive action of the storm waves. In bays and smaller recesses in rocky shores, the ice has embedded in it fragments of stone which the sea has battered down. The constant plunge of the waves breaks up these ice-fields into sections which, with the embedded stones, become rude planing mills. Where a - 218 - headland is sloping, these planers, driven back and forth by the waves, chisel the rock away as a planer chisels down a piece of steel upon which it has been set to work.

HOW STONES ARE CARRIED OUT TO SEA

A no less curious feature of sea engineering is the use of ice-fields as "conveyors." During the spring, summer, and autumn the masses of stone which the sea brings down from the cliffs on its occasional busy days—that is to say on days when the winds are high—pile up and so form a kind of bulwark against further attacks. But when in winter these stones become embedded as above described, strong offshore winds carry the ice-fields, stones and all, out to sea. Then, on shore, wind and wave take up their work again unchecked. All along the rocky shores of the Atlantic, as far south as New York State, beyond which no rock walls come down to the shore, all these interesting things may be seen by the traveller.

Another phase of this team-work of natural forces in feeding the land to the sea is that steady advance of the waters upon certain shores. As if science herself had joined literature and art in giving the old sea dog a bad name, these advances are called in the language of geology, "transgressions of the sea." These transgressions are caused in part by the gradual sinking of the land and in part by the rising of the waters. It is not possible always to tell which agency is at work. Often both may be. One thing about the rising of the waters themselves might be looked at as particularly alarming. The rivers, which, of course, are parts of one great water system, whose centre and prime mover is the sea, are not only constantly - 219 - wearing the land down toward sea level but raising the sea level by the inpour of vast quantities of ground-up land. Even as matters stand, the amount of water in the sea bowls is so great that if all lands were at the present sea level they would be covered everywhere to a depth of two miles. Wind-borne dust from the surface of the land and from volcanic explosions also, in time, amounts to a pretty sum; and, of course, helps makes the waters of the sea rise upon the land.

WEARING DOWN THE LAND AND FILLING UP THE SEA

Already the sea has advanced a thousand feet or more upon the coasts of Maine, to take one instance; and the whole ragged outline of Europe is due to the same cause. Let this sort of thing go on and it is easy to see that it will only be a question of a few millions of years when New York, London, and other centres of busy life will be buried like the wicked cities of the plain.

And if, to help complete this picture of desolation, we for a moment forget what we learned about the life insurance carried by the continents, we can imagine how they too will disappear. And the Last Man thus:

For now I stand as one upon a rock
Environed with a wilderness of sea,
Who marks the waxing tide grow wave by wave
Expecting ever when some envious surge,
Will, in his brinish bowels, swallow him.[48]

[48] Shakespere: "Titus Andronicus."

To make the thing seem doubly sure, let us reflect with Mr. Burroughs that the world is now probably in a time of spring, following the latest of the Ice Ages. If so, the - 220 - water now locked up in snow-fields and glaciers among the mountain peaks will, before this summer of the centuries is over, all melt back into the sea. This alone will be good for a rise of some thirty feet in sea level.

Then, still later, we shall no doubt have another Ice Age, and the only thing that may save us from being frozen to death is the fact that we have previously been drowned!

II. The Builder

But it's all a bad dream; a delusion of the mind, and of the eye. We see these things—the destruction of the land, the invasions of the sea—but we do not see them as they are because we do not see far enough. Looked at broadly, and reading the story of it to the end, we learn that the whole relation of the sea to the land and its life and beauty is that of a builder and fatherly provider. Far from being the savage creature he has been pictured, Father Neptune seems to have the kindly disposition of old King Cole combined with the wisdom of King Solomon. Everywhere is evidence not only of the highest intelligence but of good will toward man and his brother tenants of the waters, fields, and woods.

THE TRUTH ABOUT THE SEA IS THIS

To begin with you remember it was the sea that helped put the world on the map. Of course, if we had not already learned in the story of how the continents came up out of the sea, that there is no cause for alarm, we might imagine that having been lifted up they might, by a reversal - 221 - of the process, be lifted down again. Indeed, I find a writer in a popular periodical dealing in science stating that "every part of the sea floor becomes, in its turn, the shore line and is subjected to the wear of the waves." But, as a matter of fact, we know that the continents have finally got their land legs; that for ages the transgressions of the sea have been mainly confined to the continental margins; and that unless the earth's shrunken centre should, from some unimaginable cause, swell back to its old size, it is mechanically impossible for the entire bottoms of the vast reservoirs of the sea to be raised.

HARBOR ENGINEERING OF THE RIVERS AND THE SEA

In the mouths of certain rivers emptying into the sea the tides come rushing up in a roaring wave like this. When the tide goes out the water flows back again. This back-and-forth motion helps to broaden the harbor made by the river's mouth, as in the case of New York Harbor, which is the mouth of the Hudson. Owing to this tidal action the water of the Hudson backs up clear to Albany.

- 222 -

A GOLDEN GATE FOR FRISCO

The famous Golden Gate of San Francisco (so called because of the golden sunsets shining through), and its splendid harbor, made by the sinking of the land. The gate was originally cut by the waters of those two rivers that join and flow into the bay. What rivers are they?

HOW THE SEA HELPS MAKE GOOD FARMS AND BIG CITIES

Moreover the rivers, in the very act of wearing down the land and with it filling up the sea, help keep the land from being flooded, as it would be if something were not done. For, as we learned in the story of why the mountains border the sea the sediment poured in by the rivers helps raise the mountains and the land along the sea border. It is during the downward movement of the continental margins that most sediment is spread from the inpouring rivers because the dip of the land is greater and the swifter current not only cuts down the land faster, but carries the sediment farther out from shore. Here the new rock is made from old worn-out soil, and, since these new rocks when brought to the surface will in time decay, fresh soil is thus prepared for future generations. More immediate benefits of this sinking of shores and advance of waters are the harbors which have made great - 223 - cities like New York and London, on or near the seacoast. These harbors are all the results of "transgressions," combined with the digging action of wave and tide.

Copyright by Underwood & Underwood

STONE TERRACES FOR THE GANNETS

This picture shows what the rising of the land and the architectural engineering of the sea did for the gannets on the coast of Canada.

TAKING A HINT FROM THE SEA'S SHORE ENGINEERING

But the sea builds shores as well as eats them. Its chief work in this line is the widening of the continental shelf by building it up with rock made of the sea's own grist from its shores, and the sediment poured in by the rivers. This work is not "delivered," so to speak, for millions of - 224 - years, when the sinking shores begin to rise again, but the sea, in its wave work, does shore building of another kind that shows above the waters in the generation in which it is done. On wide, shallow beaches, storm waves break some distance from the shore, and, so losing their force, drop the sediment which they have stirred up, after carrying it forward only a little way. As a result of this repeated dumping, an embankment forms, broadening seaward in the middle and bending shoreward at the ends. A portion of the sea itself is finally cut out and enclosed by this embankment, thus forming a lagoon. Finally this lagoon is filled with material, washed from the land and by sediment brought in from the sea at high tide. Human engineers, taking the hint, now put the sea to work on similar undertakings of their own. An embankment is built enclosing an area of the sea; then the tides and the land wash do the rest.

THE DROWNED RIVERS THAT HELPED MAKE ENGLAND GREAT

Her fine harbors have helped to make England the great commercial nation that she is. Notice here the relation of her largest cities to the bay-like mouths of the drowned rivers and to the drowned valley north of the Isle of Wight.

- 225 -

HOW THE SEA TAUGHT SHORE ENGINEERING TO MEN

This is a salt marsh at mid-tide. How the sea itself adds such regions to the dominion of the land, and how human engineers, taking the hint, have put the sea to work, you will learn in this chapter.

The sea also works with the busy little corals in building reefs and islands. Corals can only live and build where the water is kept in constant and vigorous motion by current and wave. From the air imprisoned in the bubbles by the stirring and turmoil of the waves and particularly from the air in the white foam of the crests these little people get their oxygen. At the same time they absorb out of the water the food on which they grow. The sea not only feeds these little wards of its bounty during their busy lives, but extends their usefulness after death, either by cementing to the reef the coral, ground up by the waves, - 226 - or in storms scattering it over wide areas, to be made later into the finest of limestone; and still later into the best of soils.

FATHER NEPTUNE FEEDING THE CORAL PEOPLE

See that line of breakers just below the horizon? That shows where Father Neptune is serving the little coral people with food and fresh air, as explained in the text.

We know also that the sea makes coal as well as stone in its rock mills; that the pressure of the overlying rock was in large part the source of the heat that changed the vegetation of the swamps, first into charcoal and then into coal.

The subject of what the sea has done and is doing for us is almost as endless as the seas themselves; and no doubt the reason the sea is never still is because it has so much to do. Nothing in earth's animate or inanimate nature exercises an influence to be compared in importance to that of the sea, not only upon the land, but upon the whole life which land and sea support; and even in what seem to be the most aimless of its movements it in reality acts with the precision of a machine.

- 227 -

III. The Artist

And in the making of the rock in its presses under the water, as well as in the grinding which takes place along the shores, the sea evidently has an eye to beauty as well as use. As originally formed, the conglomerates or "pudding-stones" are always laid nearest the shore because there the retiring waves and the rivers emptying into the sea drop the heaviest part of their load, including the pebbles. Next is dropped the sand which is pressed into sandstone and beyond this the finest particles of all, the ground-up soil, which becomes slate rock. Still beyond the zone of slate is deposited the lime from the shells of sea creatures who can live only in this clearer water, away from the muddy waters nearer the shore. These deposits make limestone. The result of this natural sorting process is that all the four kinds of sedimentary rock are always laid down in just this 1, 2, 3, 4 order and no other: (1) pudding-stone; (2) sandstone; (3) slate; (4) limestone.

Then, as a result of the transgressions of the sea, what was once a region of conglomerate may be later found far out under the sea and there is thus laid down over the conglomerate beds, strata of sandstone, slate, or limestone, depending on how far the sea advances. So we find rocks with all sorts of neighbors above and below; limestone above conglomerate, conglomerate above slate. These changes take place over vast regions and from the original uniformity in the arrangement of the rocks there necessarily results a similar uniformity in the results of this "shuffling," and no matter what changes may be made afterward by raising them up into shore cliff and mountain - 228 - and by other earth movements, and by the endless reshaping by weather and wave, there still remains that underlying harmony which, with variety, gives to rocky shores their picturesque beauty.

Harmony and variety are necessary in all forms of art—pictures, literature, music—and the conditions governing harmony and variety are always found hand-in-hand in the art work of the sea and its helpers. The difference in texture in different kinds of rock, for example, and in different parts of the same rock, cause them to yield in different ways and degrees to the action of wave, wind and weather; so there is sure to be great variety in the shapes they take as they are worn away.

HARMONY, VARIETY, AND THE ART WORK OF THE SEA FAMILY LIKENESS IN ROCK FORMS

Yet, with all their differences, the shapes rocks take—sandstone compared with granite, for example—are so characteristic that one soon learns to tell a long way off what kind of rock a distant landscape is made of. There is inevitably a certain type resemblance, since all sandstone is of the same general texture and weathers in the same way.

NATURE'S BUILDING BLOCKS AND THE SEA

Then take the natural division into blocks made by joints in the rocks to which cliffs like the famous Castle Head at Bar Harbor owes its striking form. These blocks are so nearly true that you feel sure they must have been cut by stone-masons, and yet they have the variety which art demands; they have not the monotonous sameness of - 229 - shape of the bricks in a wall. This is mainly due to the differences in the strains which cracked the original rock mass. So, from the beginning a sea-wall built by nature is more picturesque than a sea-wall built by man. And it goes on taking more and more picturesque shapes under the hammers of the waves. For the force of the waves, the angles at which they strike, the size and shape of the rock fragments with which they strike, these vary infinitely.

ETCHING, SCULPTURE, AND LANDSCAPE GARDENING

Equally true is this of other natural forces that shape the rocks; such as the daily and seasonal changes of temperature that chip away the mountain peaks and the faces of the cliffs, and the character and number of plants that grow on rocks where they can get a foothold and dying and decaying generate acids which help to etch the rocks away. Trees growing on rocks search out the cracks with their roots and, pushing in and prying them apart, help to change their form. And there is sure to be variety in the arrangement of the wild trees growing on rocks in the mountains and by the sea, since the seeds, being carried by the winds or by running water or by birds or four-footed creatures, fall in an endless variety of groupings. So of the shadows cast by the trees. These shadow masses, so different in shape, owing in part to the irregular arrangement of the trees and in part to the differences in shape of the trees themselves, protect portions of the rock, to a certain extent, against changes in temperature, while the bare rocks are fully exposed to it, so there results a corresponding variety in the result of the sun's work upon - 230 - the rock. At the same time they help on the acid etching process, because in these shadowed spots there is more moisture and therefore more rapid decay.

The form of whole continents follows the same law. Take, for example, Europe. "The geological history of Europe," says Geikie,[49] "is largely the history of its mountain chains"; and the mountain chains, for all their picturesque variety, have also, and necessarily, a certain uniformity, because in the wrinkling of the rocks which made them the vast areas over which they now extend were all subjected to the same force—a big push from one side which crumpled up the earth's outer crust as a table-cloth is crumpled up when pushed forward against a book lying on it.

[49] Encyclopædia Britannica: article on Geology.

HOW THE VERY SCENERY PLAYS MANY PARTS

The ancient history written in the rocks, in the present relative positions of the strata, shows that four times a great mountain system has thus been raised across the face of what is now Europe; that three times large portions of these mountain ranges have been sunk under the sea and new rocks deposited over them; and that the mountains of to-day—the Alps, the Carpathians, and the rest—are the survivors of the fourth time up. Here we have another striking example of the fact that on the great stage of life the very scenery has its exits and its entrances!

But remember that in all these changes of scenery—in the crumplings and the foldings, and new rock deposits - 231 - and the carving by the rivers and the frosts and the winds and the waves of the sea—we have certain similar materials, similarly arranged, stretching over vast areas, and the consequence is a certain uniformity and rhythm in the ups and downs of the landscape and in the changes worked in the walls of stone "where time and storm have set their wild signatures upon them."

HIDE AND SEEK IN THE LIBRARY

What would you think of seeing the leaves all out and the trees in bloom on Christmas Day? That happens right along, and the people who live in the lands where this occurs don't think anything of it, because this is in the Southern Hemisphere during the vacation season of the sea.

One peculiar thing about this spring and summer in the winter time in Africa is that when the leaves first come out they are not green at all. They are brown, red, and pink. Later on they turn green—just as any well-behaved leaf is supposed to do.[50] It's as if they got mixed in their dates and thought at first it was autumn and then woke up and said:

"Oh, yes, to be sure, this is spring! What are we thinking about?"

[50] Livingstone's "Expedition to the Zambesi."

Anyhow they turn from the autumn browns and reds to the appropriate green of spring, and the flowers come out and the birds begin to sing in the very season when our winter winds are loudest and the rock mills of the sea are roaring at their work.

In which Hemisphere, the Northern or the Southern, do the sea mills have most land to work on?

In Shakespere's "Tempest" you will find a description of a storm at sea that will take your breath away. Almost the whole of Scene 2, Act I, is in that terrible storm. In fact, the whole play, as the title of it indicates, is full of storm.

While you are looking for storms in Shakespere see what you can find in "Two Gentlemen of Verona," "Twelfth Night," "Midsummer Night's Dream," and "The Merchant of Venice."

Speaking of the sea still being in the Stone Age what do you - 232 - know about the kind of tools man used in the Stone Age and how he got along?[51]

(You'll find that the story of the development of man, as dealt with in connection with the Stone Age, is part of the strangest story of all the strange stories of science. You will get a brief outline of it in this story of mine, in the last chapter.)

[51] Interesting books on this subject are: Starr's "First Steps in Human Progress" (Chautauqua Reading Course) and Clodd's "Childhood of the World." Osborn's "The Men of the Old Stone Age" is the latest and most comprehensive work on the subject.

How much more do you know about pneumatic tools than Father Neptune does? No doubt you've used a "pneumatic" tool of a sort yourself more than once—a tool for making a noise. Guess what. A pop-gun! Look up pneumatic tools, and you will find that the same thing that makes the pop-gun pop helps to build skyscrapers, locomotives, and steamships, and do a lot of other wonderful things.

In connection with the water wedges made by the sea you must remember that curious trick ice has when it freezes (page 154); otherwise you can't understand how it could act like a wedge.

Yes, and wedges, simple as they look, are almost as wonderful as levers; and you know what Archimedes said he could do with a lever.

The whole subject of machinery and particularly of "automatic" or so-called self-acting machinery[52] is fascinating. Find out about planing mills and how they work, particularly why they stop planing just when they are told to.

[52] As a matter of fact, the only machinery that is really automatic is the machinery of nature, of which what we have called "the machinery of the sea" is an example.

In connection with how the sea sometimes helps make harbors think of as many great harbors as you can, and then look on your geography map and see how many you have missed.

What character in "Titus Andronicus" says that about the man standing on a rock and watching the sea come to eat him up?

Your geography has a good deal to say about continental shelves; and with pictures. Do you remember?

Speaking of lands sinking under the sea you'll run into a world of interesting things if you look up the story of the Lost Island of Atlantis; about the Egyptian priest who first described it to Solon, - 233 - the Greek lawgiver, as an earthly paradise where all the laws and everything else were just right.

And if you're of High School age you'll enjoy reading what Plato[53] and Homer[54] say about this ideal land.

[53] Timæus.

[54] The Odyssey.

Isn't it a striking thing how the big sea that can look so fierce takes such tender care of the little coral people? And what extraordinary folks these coral people are! Any good article about them will tell you worlds of interesting things. For instance, you will find the people of whole villages living together with only one backbone. I mean not one backbone apiece but one backbone among them all!

And they have the queerest way with their stomachs, a kind of co-operative digestion, of co-operative housekeeping. (Your mother will be particularly interested in this because it shows the "community kitchen" idea has been thoroughly tried out and it works! If you don't know about "community kitchens" among human housekeepers ask mother to tell you, and then you tell her what you found out about these strange little housekeepers of the sea.)


- 234 -

CHAPTER XI

(NOVEMBER)

It is a noble thing for men ... to make the face of a wall look infinite, and its edge against the sky like an horizon; or even if less than this be reached, it is still delightful to mark the play of passing light on its broad surface, and to see by how many artifices and gradations of tinting and shadow, time and storm will set their wild signatures upon it.

Ruskin: The Seven Lamps of Architecture.

THE HANDWRITING ON THE WALLS

One of the most interesting things in this whole wonderful story of the life history of the world is how men were first able to read it at all. For we know they didn't find it written out in plain print as we have it now. Neither was it told in any one language so that getting hold of the thread of the story they could unravel it all, as other learned men did the picture writing of the Egyptians and the wedge-shaped marks on Assyrian bricks.

We know already how they learned that rivers open their own gateways through the mountains; how they know rocks are made over in the fairyland of change; how they know the ancient glaciers scattered the boulders over mountainside, valley, and field; how they know the mountains are children of the sea.

All this and more we have been reading in the written language of the rocks, but there are other things in this - 235 - rock script that I have kept for this last but one of our pleasant talks, so that they might serve as a kind of summary and remembrance of all that has gone before.

A WALL THAT VULCAN BUILT

I've said it several times before, but I can't help saying it here again, how much more wonderful the ways of Nature are than was ever dreamed of even in the wonder tales of the Greeks! Take this great iron wall, for example—a wall of the iron rock called "lava"—and who would suppose that it was made by natural forces? It was driven in a molten state into a crack in overlying rock. After it cooled, the rock above and on either side of it, being of softer material, was worn away. This wall is near Spanish Peaks, Colorado. It is 100 feet high and some 30 feet wide. Colorado boys, on their vacations in that region, run along the top of it for miles.

I. The Mysteries in Marble Walls

Take a piece of marble for example, such as you see along the walls of our great modern buildings. There's a story for you! Why, if half the things it tells had just happened, or even just been discovered by some enterprising reporter, we should see pages and pages about it all in every newspaper in the land.

- 236 -

HOW MARBLE RETELLS THE WORLD HISTORY

In that piece of marble alone you have a pretty full review of the earth's history; of many of the most important things we have seen and heard about since we all started out together in Chagter I. It tells of strange life in ancient seas; of being buried deep in the earth under immense pressure, and where it could feel the intense heat of the rock at the centre, and of coming up again completely changed; transformed from the substance of a dead sea creature's shell to a crystallized stone beautifully colored and of many patterns; of the chemistry of the world underground and the laboratories in which its lovely coloring were made and blended; and solid rock threaded through rock with a skill that no worker in mosaic has ever equalled; drawn out and fixed in mere films of white, fading into the rich dark of the marble around them like white clouds shredded by the winds.

THE STRANGE STORIES THAT MARBLE TELLS

- 237 -

Those broader lines bending and turning, rising and falling, tell of the work of the giant forces that lift the mountains into place and of the great earthquakes that accompany mountain building. When those little quavering lines were being made, away down in the earth where the limestone changed to marble, mountains were slowly rising into the sky on the earth's surface far above. The quaverings in the marble are pictures, "line drawings" of the mountain story. And beside these lines that you can read so plainly there are others so small that you need a magnifying glass to see them; echoes, away down in the fairyland of the microscope, of the doings of the giants of Mountainland far above.

In following the lines of the earth's great walls of rock over a wide extent they are found waving sharply up and down in one section, rising and falling like ocean swells in another, in forward sloping folds in another, and sometimes even with folds doubling over, as if the great mountains which these folds made were trying to stand on their heads.

WHY LINES IN MARBLE REPEAT MOUNTAIN FORMS

All these rock folds which, with the help of the sculpturing of the elements, produce the infinite variety of beauty in mountain scenery are, speaking generally, repeated in the lines of the marble. But they are repeated only in miniature, because the rocks deep in the earth are under such pressure that while the rocks on the surface are free to rise in big and comparatively simple waves those beneath are doubled up into smaller and much more crumpled folds. Take several sheets of paper lying free - 238 - on the table and press them from the ends. They will rise in simple arches as most mountains do. Now lay a book on these sheets and press from the ends again. You see they crumple up a great deal more; the larger wrinkles themselves doubling into smaller ones.

HOW MOTHER NATURE MAKES HER Z'S

These Z-shaped rock folds were made by the crumpling up of the crust as the centre, cooling, shrank away. They are to be seen near the east end of Ogden Canyon, Utah. The black lines were added to the photograph in the offices of Uncle Sam's big department of geology at Washington, to show clearly just where the rock runs.

You may often have noticed a banded effect in marble. My, what power it took to do that! Pressure we can't realize. Pressure from above so great that it made this marble spread; moulded it like clay in the hands of the potter; the same kind of force that flattened out the pebbles referred to in Chagter V. This is called "rock flow," - 239 - and how plainly the marble shows the flowing movement. I always think what the weather people call "stratus" clouds, look as if they were made by long strokes of a painter's brush; and this marble has the very same flowing lines. Such cloud pictures in marble are made where deposits of other kinds of rock have been interlaid with the deposits of limestone which afterward changed to marble, and it is where these bands are folded or bent that we have set down for us the story of the mountain folds.

Those gossamer effects and the little white clouds spinning out and fading into the general mass of the marble, how delicate they are! Yet it took a force that made the earth quake to put them there. The more we know of the strange and fearful things that happen in times of earthquake the more we can read between these filmy lines. They tell of the sides of mountains tumbling down and spreading their valleys with a chaos of broken stone; making cliffs where there were peaks and peaks where there were cliffs; changing the course of rivers; shifting whole forests on the mountainside and replacing them with grim walls and bastions of barren stone—all in the twinkling of an eye!

THE EARTHQUAKES AND THE DELICATE FILMS

It is by the crushing movements that made the earthquake that rocks are broken into confusions of cracks such as you often see in a thick glass window that has been broken. Then into these cracks come dissolved minerals from other rocks and harden into stone. In the marble one set of veins often runs right through another as if they had been inlaid. Then there may be other veins that cross - 240 - both of these—no end of criss-crossings. The different sets of veins usually differ also in color and in grain, and even have different kinds of mineral in them. With a good hand-glass you can see this difference in texture.

WHEN THE EARTHQUAKE TAKES ITS PEN IN HAND

These are, so to speak, the autographs of earthquakes—the records earthquakes themselves make on an instrument called the "seismograph," using a stylus, as the ancients did, as you will see by looking up "seismograph" in the dictionary or encyclopædia. After an earthquake starts it seems to stop for breath or for want of the right word—just like people; for you notice portions of the lines are almost straight. These were made when the earthquake was comparatively quiet. Then, when it got excited again—as in the second record from the top—the stylus fairly jumped up and down; and there where the waves are long and close together the shocks were particularly severe and followed each other rapidly.

II. How Vulcan Drove his Autograph into the Rocks

But there is another kind of handwriting on the walls that was made with such a vigorous stroke that it also made the earth shake. Of course we might expect Vulcan - 241 - to write a rather vigorous hand—Vulcan, forger of thunderbolts for Jove. The ancients thought volcanoes belonged to the kingdom of Vulcan, so in scientific language everything connected with volcanic action comes under the head of "Vulcanism." These queer letters we are talking about are called "dikes." They are made of lava that was driven into cracks in the rocks and afterward cooled into rock that is as hard as iron. Lava is often largely made of iron.

MR. VULCAN'S FAMOUS CASTLE ON THE HUDSON

This is a part of Mr. Vulcan's famous castle on the Hudson known as the Palisades. Here the lava rock has formed into columns which make the mass look all the more like some old castle of the Middle Ages. The "windows" are where the softer spots in the rock have decayed away. This castle—come to think of it—really belongs to mediæval architecture, for it was built in the Middle Ages of earth's long history.

- 242 -

THIS IS THE HAND OF VULCAN, TOO

Were you ever down by the seashore in a storm? If so you remember how the ground under your feet shook when a great wave rushed into some narrow passage or crevice in the rocks, and was tossed high in the air in spray. Then just imagine molten lava, which is many times heavier than water, driven into a crack in a rock with the force of a cannon-ball. That's how it happened. That's how those dark strokes in the rock with their heavy shading were made.

This was done in the depths of the earth; not on the surface where you see these rocks now. They used to have - 243 - piles of other rocks above them, but these in course of time have been weathered away. This is known, not only from the marks of the wearing but from the fact that these dikes, as well as the rock into which they have been driven, are crystallized, wholly or in part. Such crystallizing, as we know, takes place away down in the earth.

Dikes are very common. In some places you find the rocks fairly laced with them. The picture of the dikes in the granite shores at Marblehead also shows (in the horizontal plan) many "faults" or slips of the rock since the dike was made, and each slip probably gave rise to an earthquake. So you see there's the story of a terrible time written on those quiet old residents by the sea.

THE GIANT'S CAUSEWAY

Here is a still more striking example of the formation of columns in lava—the Giant's Causeway. Here are 40,000 columns, packed like the cells of a honeycomb, and they slope to the pavement in the foreground that gives the mass its name. That bees should make their little honey-jars in such regular form is wonderful enough, but think of lava shaping its own self into columns like that!

- 244 -

DID MR. VULCAN USE A STEAM PILE-DRIVER?

Just what power Mr. Vulcan used to drive the dikes is not known for sure, but I'll tell you how it is supposed to have been done. Remember that all rocks that are deep down in the earth contain water, shut up in their pores. Then remember how hot it is down there and how this heat would make steam right in the rocks. Then let the rock above be cracked by the movements of the earth crust, and this crack extend down to where these hot rocks are, the pressure, being released along that crack, the melted rock (lava) would rush up, as it does in connection with the eruptions of volcanoes, and the exploding steam would help drive it.

III. Ancient Weather Records Turned to Stone

So much for the literary remains of Mr. Vulcan. Now let's see how much we can make out of the handwriting of the waters and the winds on these walls of time.

What does the picture at the top of page 245 look like? Rain-drops in the dust. And so you see they are; but the rain fell so long that the pits made in the dust have turned to stone. Think of the autograph of a rain-drop older than the Pharaohs; older than the pyramids these Pharaohs built to perpetuate their names.

And this is how such rain-drops immortalize themselves; this is the interpretation of their handwriting on the walls. Along the dry shore of an ancient sea when the tide was out, rain-drops fell on the sand and dust. Tides often come in with a rush, in wild waves driven by the wind, but when there is no wind and no waves rolling in from far - 245 - distant storms the tide may overspread such delicate things as the imprint of rain-drops with a thin protecting film of mud. This was what happened to our little rain pits. Later tides overlaid them deeper from day to day, and in course of time both the layer containing the rain-drop prints and the overlying layers of sediment turned to stone. Often the heat of a summer sun will bake these rain-drop designs and this you see helps; it holds the impression until the tide can come in and spread its protecting film. Many imprints of rain-drops and of the feet of reptiles are found in the sandstone underlying the coal seams in eastern Pennsylvania, and they are always, I am told, covered with a fine powdery material, which was once the slime and mud of the tide. Such rain marks are often found also in slate. Wouldn't you like to have a slate with one of these rain-drop autographs on it?

RAIN-DROP AUTOGRAPHS OLDER THAN THE PHARAOHS

- 246 -

Here, by the way, is a very important thing these rain-drops tell. Says Professor Shaler:

"They tell us that the ordinary machinery of the atmosphere was operating in those days very much as it is to-day, and that the climate was much the same."[55]

[55] This quotation is from Doctor Shaler's "Nature and Man in America," a book you should read, as you should all of Doctor Shaler's books. No one has observed so many interesting things in the field of geology and few have written about them so simply or reasoned about them so well.

So, he argues, the great Ice Age couldn't have been due to change of climate, but to the other things that we read about in Chagter II. For they even know in what ages different records of rain-drops were made because they are found in rocks laid down in different periods; and one of the periods in which they are found was that in which the North Pole ice and its neighbors came down and made us those long visits.

STORY OF A STROLL IN THE RAIN

Another story found in museums is written in slate—not by a rain-drop but by a living creature. The slate shows the track of a reptile with feet like a bird. Evidently he was strolling along in the rain; for there you see the marks of the rain-drops right among the marks of his feet, and in the footprints themselves. Being a reptile who spent much of his time in or near the water he no doubt enjoyed these little pats of the rain-drops as he went along.

BUT THIS STROLL WAS TAKEN IN THE SUN

In another of these museum specimens we see written out just as plainly the story of a stroll in the sun. There are - 247 - the imprints of Mr. Reptile's feet, and there are the sun-cracks in the mud showing that the sun was shining—or at least that it had been shining for several days or weeks, for it takes a little time to make sun-cracks in mud. This story, we might suppose, was written so that it could be read by the blind; the cracks, as well as the footprints, are brought out in raised lettering. Sun-cracked mud, after a long dry "spell," will bake so that the cracks will not be washed out by the returning tide but instead be filled by other material, and this material will go on building up to a certain extent; so making those ridges.

"THEN THERE CAME A LONG DRY SPELL"

This shows how the cracks in dried-up mud are preserved in stone. The process is the same as in the case of the stone imprints of rain-drops, the imprints being protected by successive deposits of mud by quiet tides, and afterward turning to stone.

THE STONE AUTOGRAPHS OF GENTLE BREEZES

On still other stones you will find written the story of gentle breezes that stirred the water and made ripples on long-buried shores. First the breezes rippled the shallow waters near the shore. Then the waters rippled the sand, - 248 - and the sediments of the tide preserved these ripple marks as they did the rain-drops and the footprints.

But the wind alone, without the help of water ripples, can write its name in the sands of time. And when you get to know the handwriting of wind and wave you will not mistake the one for the other. You are likely to find wind ripples on any big heap of sand. Have a good look at them and then go down to shallow water on a sandy shore and compare the two kinds. That's the way the great men of science do; they notice every little thing.

From Norton's "Elements of Geology." By permission of Ginn and Company

THE STORY OF BIG ROUND TOP AND LITTLE ROUND TOP

One story of Big Round Top and Little Round Top your history tells, but long before the battle of Gettysburg these two mountains had age-long battles of their own with the winds, the rains, and the frosts, and in these battles lost their peaks and their sharp outlines of jagged rock, and became rounded down to the forms we see before us. Those rocks in the field were probably broken off in these battles, as the rocks of high mountains are to-day, and carried down by roaring torrents.

WEATHER RECORDS ON THE MOUNTAIN WALLS

From a scientific standpoint little things may be just as big as big things. For example, in this matter of old weather records these rain-drops and ripple stones are just - 249 - as interesting as other weather records written large on mountain walls; such as those which tell that what is now the Dead Sea was once part of a much larger sea that wasn't dead at all. You may never get to read these records on the mountain walls of Palestine, for they are a long way off, but here in our own country we have a similar story told on mountain walls in the region of another dead sea—the Great Salt Lake of Utah. From Salt Lake City you can see on the mountain surrounding the desert of the Great Basin the marks of old shore lines; where the waves cut into the rock. These marks show that this Basin once held two great lakes, and the one in the eastern portion dried up into what is now Great Salt Lake.

WEATHER RECORDS ON THE WALLS OF TIME

What is now the Great Salt Lake used to be a much greater lake that wasn't salt at all. That vast flight of steps up the mountainside shows how wide it spread. As the big lake dried up, and grew smaller and smaller and saltier and saltier, its shores were bounded successively by those wave-cut cliffs.

- 250 -

IV. Stories Written on the Pebbles

Sometimes when a geologist picks up a pebble and looks at it a moment he can hear the roar of mountain torrents and of lowland streams in flood. If the pebble is round it shows that it has been carried far and rolled about by streams. If it has pits in it this shows that its water journeys were rough, because such pits are made by knocking against other pebbles and sharp stones in the struggle and confusion of the rushing waters. You see these little dots are a kind of shorthand, for we pebbles are stenographers too!

THE PERCHED BOULDER IN BRONX PARK

This is one of the interesting things to be seen when you visit Bronx Park in New York City. Of course, you know how that old boulder got there, and how he drew those straight lines in the rock-bed beneath, but many visitors to the park do not.

- 251 -

HOW PEBBLES TELL OF THEIR TRAVELS

Other great stories in small space are told on glacial pebbles. Scientific men can often tell from the look of a pebble whether it was shaped by rivers, by the sea, by the sand blasts of desert winds, or by the glaciers. Not only that, but, if it is a glaciated pebble, on what part of the glacier it was carried; whether in the middle of its back, or on the sides, like the passengers in an Irish jaunting-car; or whether it rode underneath, like a tramp stealing a ride on the bumpers. The stones in the middle of the glacier's back naturally keep their sharp edges longer than stones on the side, ground as the side stones are by the moving ice mass against the mountain walls. And the stones on both top and sides would lose less of their edges than the stones underneath the ice.

From Norton's "Elements of Geology." By permission of Ginn and Company

ONE PEBBLE IN ITS TIME PLAYS MANY PARTS

Here are pebbles faceted in different ways by glaciers. No. 1 has six facets. No. 4, originally a rounded river pebble, has been rubbed down to one flat face. Nos. 3 and 5 are battered little travellers faceted on one side only. Notice how No. 5 got his face scratched just as I did.

- 252 -

PEBBLE FACETED BY WIND-BLOWN SAND

You remember how the glaciers ground flat faces or facets on the pebbles, don't you? Here is another example of Nature's lapidary work, but here she has used wind and sand instead of ice.

V. A Greater Cæsar and His Commentaries

Well, there he is again, you see, Mr. Glacier of the Ice Age. He's always turning up, everywhere you go in earth history. As Shakespere's Mr. Cassius said of Mr. Julius Cæsar, "he bestrode the world." And, like the Roman Cæsar, this Cæsar wrote the story of his own exploits; but although a vastly greater conqueror than the famous Roman, he was even more modest. Cæsar and his Commentaries, our High School friend will tell you, nearly always refers to himself in the third person; but in his commentaries on his travels and exploits the Old Man of the Mountain - 253 - didn't even use his own name. He left the editors of his manuscript to find out who he was.

HOW THE GREAT LAKES WERE TIPPED UP

One of the most striking things he did, of which he wrote the record on the walls, was to tip up the Great Lakes. You remember just how he made them. Well, it seems that as he started back home he tipped them up. Suppose you could pick up the vast stone bowls that hold these lakes and tip them toward the north as easily as you can tip a bowl of water, what would the water do? It would fall lower along the south shores of the lakes and rise along the northern shores, wouldn't it? Then suppose the lakes were kept tipped up in this way for ages, and summer wind storms and winter tempests dashed waves against their shores, what would happen? Stone walls rising above the shore would have terraces cut into them, and the line of these terraces would tilt toward the north. There are terraces just like that on rocks bordering the Great Lakes, and the explanation of their tilt is that the lakes themselves were tipped up, and that the Old Man of the Mountain did the tipping. The rock crust of the round earth bends under great weight like an arch. So when the enormous weight of the glaciers of the Ice Age was on a portion of the arch it bent down. Then, as the glaciers retreated, the weight of them was shifted northward all the time. Finally when the glaciers in the region of the lakes had melted quite away the arch slowly rose into place again and lifted the terraces above the water line as we see them to-day.

Throughout regions the glaciers visited you find rocks - 254 - polished like mirrors; in other cases they are scratched, and in others deeply grooved.

SCENE ON THE COAST OF NORWAY BY A GLACIER

You know the fiords. You've met them in your geography. This is a fiord on the Norway coast. Notice how smooth the walls of the mountains are. They were trimmed down by the ice, which also plowed off their soil. We are here looking up what was once a river valley, but the glacier cut it down below sea level, and this is sea water. Notice in the openings of the mountains all the way up the valley where the tributaries of the ancient river flowed in then as now.

HOW THIS MR. CÆSAR IS TRANSLATED

No one scratch can be followed far. The composition is, like Cæsar's, in short sentences, whole episodes in a word: "Veni, vidi, vici." But a series of scratches all run in one general direction—north and south. To get at the meaning—just as in construing Cæsar—you must take the context; what goes before and after.

- 255 -

The sides of the valleys of the Alps from 1,000 to 2,000 feet above the surface of the glaciers of our own time are scratched and furrowed in the same way. Here we catch Mr. Glacier almost in the very act of writing.

THE HANDWRITING OF THE TWO CÆSARS

To do this writing, our Cæsar, like the Cæsar of the High School, used a stylus. Mr. Glacier's stylus, as we know, was made of stone held fast in his icy grip (page 121). And here is another curious resemblance between the manuscripts of Mr. G. Cæsar and Mr. J. Cæsar. They both wrote in straight lines. The reason Julius Cæsar and other Roman gentlemen wrote in letters made of straight lines was that they scratched these letters on tablets covered with wax, using a sharpened piece of iron or ivory. You can see it would be much easier with such writing tools and material to form letters in straight lines than to write in flowing, rounded and connected lines as we do so easily with a nice flexible pen on a smooth surface.

HOW THE OLD MEN CHANGED A "V" TO A "U"

Here is something else about the story of the Old Men of the Mountain that is a curious reminder of the Romans and their letters. The Romans had no letter U in their alphabet and so V had to do a double duty; it had to be a V and then when asked, had to take its place in line and pretend to be a U. For instance, a Roman who wanted to write the word "number" would do it in this way: "NVMERO." After a while, in the history of the growth of our alphabet, the V that was intended for U was rounded at the bottom.

- 256 -

Now, curiously enough, the writing of the Old Men of the Mountain has gone through the same process. River valleys in mountain regions, as elsewhere, are originally V-shaped, but where glaciers flowed down these valleys they not only made them wider but rounded out the bottoms so that they became U-shaped. Look at the valley in the Wind River range in Wyoming shown in the geologies. You notice the farther your eye goes up into the mountains the more V-shaped the valley becomes. Back toward antiquity, you see, when they had nothing but V!

THE HANDWRITING OF THE GLACIERS AND THE ROMANS

Here is an interesting relic of ancient days that will enable you to compare the chirography of the Old Men of the Mountain with that of the Romans. These are marks left by the masons on Roman walls. They show just what part each mason laid, so that if the wall proved defective the authorities would know who was responsible.

All quite striking, isn't it, this strange kind of writing on the walls of time? As if, among the ruins that are all there is left of the fallen Roman Empire, we should in some heap of dust and crumbled stone find one of the very tablets on which Cæsar wrote his commentaries and there engraved in Cæsar's own hand:

- 257 -

THIS STYLE IS CALLED FLUTING

Looks like moulding, doesn't it? This is a piece of rock, and it was carved in that way by the glaciers with their tools of embedded stone. The deeper grooves were made where the rock was softer or where the glacier's chisels were of a particularly hard quality, such as flint or granite.

"Cæsar, maximis bellis confectis, in hiberna exercitum deduxit."

Can you translate that for us? (This to the High School Boy.)

"As easy as anything," says he. "Cæsar, on completion of these great wars, led his army into winter quarters."

And that same phrase might serve in Mr. Glacier's Commentaries too. For the glaciers of the Ice Age, after their great work was done, also went into winter quarters; melting back to the present snow-line in our mountains and the regions of eternal ice around the pole.

- 258 -

HIDE AND SEEK IN THE LIBRARY

One of the most interesting stories of men's handwriting on the walls and how scholars, many centuries afterward, learned to read it, you will find in encyclopædias, histories, and other books under such headings as Egypt, Assyria, Rosetta Stone, and most of all under Hieroglyphics; a big word, but full of meat when once you've cracked the shell.

Among other things, you will find that if it hadn't been for the Egyptians and other clever people of the long ago we would not have had our written language to read at all; on walls or anywhere else!

If you had been an Egyptian, say 4,000 years ago, how many letters do you suppose you would have had to learn before you could have read well? About a thousand! But it wouldn't have been so hard as you think, for the Egyptian letters talked, so to speak. They told their own story much as did the picture words that told so much to the little Greeks. These Egyptian words, however—for they were words, or several words in one, rather than letters—were real pictures, and very good pictures, too. (See Chambers under "Hieroglyphics" for the little pictures.)

Some of them were very simple. It wasn't hard to learn.

But now suppose you were an Egyptian and you wanted to write a letter telling somebody how pleased you were about something—a nice new book an uncle had sent you, for instance—the proper picture-word to use would be a lady beating a tambourine. She is pleased—that's why she is beating the tambourine, just as a small boy claps his hands when he says, "Oh, goody, goody!" So this picture-word came to be used to express "joy" or "pleasure" over anything.

These are just some samples to show you what interesting things even such formidable words as "hieroglyphics" are when you make friends with them. But now, to get back to Nature's handwriting and the nature myths connected with it, what do you know about this Vulcan, who left so much of his manuscript in the rocks?

The ancients thought of him as a worker in metals. Don't you think they would have, been quite sure of it if they had known about the dikes and the palisades of the Hudson, and Fingal's cave, with their remarkable iron-like columns of cooled lava? But he was an artist in metals, too, and a mechanical engineer, it seems. Do you remember about those two statues of beautiful - 259 - women that he made of pure gold, and how they walked about with him wherever he went? And the brazen-footed bulls of Ætes, that filled the air with their bellowings and from their nostrils blew flame and smoke?[56]

[56] I wonder if Vulcan could have been thinking of locomotives—what we sometimes call "iron horses"—when he made those bulls. Do you suppose?

The Greeks probably didn't know about such "art metal" work as the palisades—certainly they didn't know about the Hudson River or Fingal's Cave—but they had Vulcan (Hephæstus they called him) doing all sorts of other art-metal things. There was the famous shield he made for Achilles, for instance. Homer takes several pages just to tell about the different figures on it and what they meant.[57]

[57] The Iliad.

Why do you suppose a temple was erected on Mount Etna? (What kind of a mountain is it?)

Wouldn't it be strange if we could make hard coal out of soft? Vulcan does that sometimes with these dike strokes of his.[58]

[58] The International Encyclopedia.

The International will also tell you why dike rock is usually so solid and tough, and what the crystal people have to do with making it so.

The Britannica (28: 188) tells how, in the walls of volcanoes Vulcan wrote out the hint for making re-enforced concrete which is so important a feature of modern architectural engineering.

Look about on the rock-beds in the stone quarry and see if you can't find some of the writing of that Older Cæsar with his queer stone stylus. Probably the men in the quarry will have wondered how these scratches came there and you can tell them.

There is one style of Mr. Glacier's hand-work that even the dogs and the horses notice, and that is the "mirror rocks." Muir tells about them in his "Mountains of California."


- 260 -

CHAPTER XII

(DECEMBER)

"A fire-mist and a planet,
A crystal and a cell,
A jelly fish and a saurian
And caves where the cavemen dwell;
Then a sense of law and beauty
And a face turned from the clod—
Some call it Evolution,
And others call it God."
William Herbert Carruth.

THE END OF THE WORLD

So the Ice Ages and their glaciers and the Romans and their Cæsars melted away. We know them only by the marks they left on the walls of time. But why this constant doing and undoing of things? We have seen it going on from the very beginning; rock crumbling to dust, dust changing back to rock; rocks raised up into mountains, mountains worn down to plains; then more mountains, and on through the same cycle of endless change; as if always starting the whole thing over again.

What is it all about? Are we getting anywhere? If so, where?

Ever since men looked out upon the world around them and began to think, they have puzzled not only about the causes but the purpose of this endless drama of creation and decay. Some said one thing; some said another. The - 261 - Persian poet who wrote those fine lines about the lion and the lizard in the ruins of the palaces meant to say that's all that everything comes to; all things, men included, return to the elements of which they were made and that's the end of them. So, said he, what's the use of bothering one's head about it? There's nothing to be learned. One verse of his famous song reads like this:

"Myself when young did eagerly frequent
Doctor and saint, and heard great argument
About it and about; but evermore
Came out by the same door wherein I went."

But Science, as we shall now see, has a better answer.

I. Nothing Happens

In the first place you must have noticed as we came along through this little book that nothing happens in this world of ours; everything is under a government of laws. Not only did it turn out that there was method in the apparent madness of the sea but we found method everywhere. It was not chance that made our worlds, whether they were born full-grown or grew up piece by piece. And we see the same forces at work in small things as in the great. The force that keeps the earth in its orbit is just as careful to catch and plant the tiny seeds of the grasses and the pine-trees drifting forward in the wind, so keeping the world clothed with life and verdure.

ALL NATURE UNDER A GOVERNMENT OF LAW

So with the seasons with all that they mean in the life of the world; spring never fails to follow winter. Little things happen that make spring "late," as we say; but - 262 - spring itself never fails to come and always in its right place in the procession of the year. All this because the earth stays in its orbit and spins on its axis. Watches break their mainsprings, clocks run down. These things "happen"; but we never think of saying that the mainspring or the wheels "happened," or that they "happened" into their places in the watch. The worlds not only make their appointed round as regularly as the wheels of a watch but they never run down, and the power that keeps them going and in their places never breaks. If it ever occurred in any other way—if we should hear of a world flying out of its orbit and going banging around among the other worlds, we could talk of "happening."

NATURE'S ACCIDENT INSURANCE SYSTEM

We might call these laws that make it so certain that nature's business will go on as usual, rain or shine, the Accident Insurance of the Universe. We have nothing quite like it in human insurance systems; for these only make it up to you—the best they can—after some accident has happened. Nature's insurance system, on the other hand, makes it certain that nothing will happen to change the main course of things. The protective insurance of the universe is woven right through Nature itself. The continents, for example, were bound, in due course, to rise in their places, because it is the nature of cooling masses to shrink and for the outside to cool the faster and to harden and to wrinkle up. It doesn't matter whether the cooling mass is a little baked apple or a big hot earth.

- 263 -

THE CLOCK OF THE AGES

By representing the great geologic periods of time in the form of a clock-face a writer in the Scientific American enables us to form a rough conception of their duration, their distinguishing features, and their relations to one another, according to ideas associated with the theory of La Place, but which have been considerably modified in the light of later reasoning and investigation. The view now generally accepted, for example, is that the Azoic era was longer than all subsequent time. But, taking the picture as it stands, each "hour" represents 3,000,000 years. For a quarter of the total period up to the very recent appearance of man "there was darkness upon the face of the deep." Next after the Azoic was the Laurentian Period, when "the dry land appeared." Later came the dawn of life, and this life, like the inanimate matter which preceded it, kept rising and continues to rise, as the ages pass, to higher, more beautiful, and nobler forms.

- 264 -

Nor was it an accident that the continents in their original form grew larger with the fat of the land that was added to them under the action of the chemistry of the air. You see Nature must understand chemistry or things wouldn't come out right in the laboratory, as they always do if you have made no mistakes. Ever think of that, Mr. High School Boy?

II. The Strangest Thing of All That Didn't Happen

But the strangest thing of all that didn't happen in this history of the world and its making I'm going to tell you about now.

KINSHIP OF KITTENS AND APPLE-TREES

You remember what I said of the apple-tree in Chapter V (page 93), how nobody who didn't know it to be true would believe that little Miss Greenleaf and old Mr. Root and rough Mr. Bark and lovely Miss Blossom were not only born under the same roof but were as closely related as a pussy-cat and her nest full of kittens. I didn't mention the kittens then, but just suppose I had done so; and then had gone on to say that kittens are relations of the apple family and that all birds are related to all kittens, and that both are kindred of that terrible Mr. Cetiosaurus that we met in the Bad Lands of Dakota.

Would you have believed it?

No? Well, I don't wonder. It was quite a while before the wise men of science believed it. Now not only is this idea of the origin of all living things—animal and vegetable—universally accepted by men of science, but every educated person is supposed to know about it. It is always, and as a matter of course, put into the school-books dealing - 265 - with the history of nature; just as in all histories we are sure to see Columbus landing in 1492 and George Washington being inaugurated April 30, 1789.

Most people, including the scientists, used to think that each kind of plant and animal was given its present form in the first place and that this form had never changed. This was known as the "special creation" theory; while the idea that the various kinds of plants and animals we now know gradually developed from quite different forms is called the theory of "evolution." Among the curious facts that finally led educated people everywhere to believe this strangest of all the strange fairy tales of the land of science were these:

AS WE READ THE ROCKS FROM THE BOTTOM UP

The remains and imprints of plant and animal life of long ago which we find in the rocks show successions of related but different forms in the rocks of different ages. At the beginning in the lowest rocks the forms are much alike, but grow more and more unlike as we climb these stairs of time. At first there are no animals with backbones; then there come animals with backbones that resemble each other in general build; and finally such wide varieties of backboned creatures as fish, birds, horses, and men. And so with endless varieties of birds and beasts and creeping things and the trees and the grasses of the field.

Sometimes the differences between these apparently related forms, as we find them in the rocks, are very great; but everything goes to show that this is because there are missing pages, so to speak, in the great stone book. When - 266 - you remember how long it takes to make one of these layers of stone, and what they go through in cracking and twisting and wearing down on their way back to dust and the sea, and how quickly the remains of big animals—to say nothing of plants and insects—are destroyed, you must agree that the wonder is that we have any records at all. Yet so enormous has been the number of plants and animals that have died in the course of the world's history that there have been found hundreds and thousands of these remains and imprints between the layers of stone. In all cases the fashions in form change from age to age; and the longer the time, as shown by the thickness of the rock, the greater the change.

THE RABBIT THAT TURNED INTO A HORSE

The horse, which has been such a faithful carrier for man since man and horse arrived from the lower ranges of life, also brought with him on the way up one of the most complete of these strange autobiographies that our brother animals have recorded with their bones. The most of this story of the horse was found in the rocks of our Western States, but the first chapter of it saw the light about forty years ago in England. When the bones were found in the rock deposits of that country known as London Clay they looked so unhorselike that a famous paleontologist (as the students of these ancient anatomies are called) gave it a name which means "rabbit-like beast." But in rock of the same age in Wyoming they afterward found the bones of an animal that looked a little more like a horse, but plainly a close relation of the rabbit-like beast. They went on finding different forms, through thirteen successive - 267 - stages of rock history, and with each new period the form kept getting larger and more horselike until they came to a horse with three toes; and finally to one with the single big toe which we call a hoof. Instead of the other two toes there were those two little lumps that you can feel in any horse's foot just above the hoof. These are the ends of two small splintlike bones that are all there is left of the other two toes.

So there have been found in the rock records more or less complete serial stories of thousands of plants and animals. In the case of man, not only do we find that there were once human beings on earth like the caveman with low forehead and huge jaw, but nothing has ever been found to indicate that there were any higher types of human beings in existence in his day. And both the caveman and the handsomest human beings of to-day—the captain of our football team, for example—have essentially the same bodily framework as the monkey tribe. This does not mean that man—even so low a creature as the caveman—descended from monkeys, any more than the fact that he has a backbone means he descended from humming-birds. But the backbones in humming-birds, monkeys, and men show that all are descended from older types of backboned creatures. As monkeys and men are much more alike than men and birds they are evidently more closely related.

We might suppose, to be sure, that men and all other forms of life which they resemble in any way were so made from the beginning; that is, if we hadn't learned from the records of the rocks that they weren't so made from the beginning. Yet, even after that, we might go on supposing that each species was created separately, but that - 268 - the form was changed from age to age. But in that case what are you going to say to this:

In man's body are several organs that are useless and often harmful. Other animals, also, contain among useful organs some that are "out-of-date," as we would say if we were speaking of some old machines in a machine-shop. Why, in making a brand-new species, shouldn't Nature have all the latest improvements from the start, just as man does in building a brand-new home? If each species was separately created it is hard to understand why these useless or harmful organs should be kept; but if one species grew out of another, by gradual improvement, just as cities grow out of villages, this is exactly what we might expect.

One of these useless organs in man is called the "vermiform appendix." It is always getting its name in the papers by giving trouble to some prominent man. Now this appendix, while a perfect nuisance to human beings, is just the thing for cows and other grass-eating animals. In them it is very large and of great use in digestion, while in the case of man and the monkey family it has shrunk into a little affair that puts in all its time either doing nothing or getting out of fix.

III. Upward; Always Upward

These are some of the reasons why the various varieties of animals are supposed to have descended from common ancestors and to have undergone endless changes of form; changes as strange as anything that was ever written into a fairy story or acted out in a Christmas pantomime. There are other things quite as convincing and even more thrilling - 269 - to read about, such as the little theatre in the chicken's egg where strange, changing shadows re-enact the drama of ancient life; but these I am here passing by because my pages are running out and I want the rest of them to speak of what seems to me to be the greatest lesson of this whole book; the greatest and most useful and happiest lesson Science or any kind of book can teach; namely, that not only is the universe governed by Laws and Mind, but that all these laws act together as one Great Law and are working out one general result, the constant advance of all things toward a higher life.

HOW MAN HAS RISEN AS HE DESCENDED

As there was a period in human history when there were no human beings on earth higher than the cave-dweller, so there was a time when the highest forms of animal and vegetable life were minute creatures and plants consisting only of a single cell. It is such low forms of vegetable life that make the scum on the still waters of a pond. Step by step, in both the animal and vegetable world, rose the higher forms. The descent of man from lower forms of life used to be considered by many people as a thought that degraded humanity, but it is the most promising fact in all nature. The striking thing is, not that we are related in some way to the apes and the cavemen but that such a creature as an ape or a caveman should have helped develop such a beautiful thing as a little child.

This progress has not been steadily upward. The world of life, like the surface of the globe itself, has had its ups and downs. Wonderful nations like Greece and Rome have risen and flourished and passed away, but they left - 270 - the best of themselves, the part that time cannot destroy. The Greeks taught us literature and art and the grace of life. The Romans gave us a science of government and a solid way of doing practical things, such as the building of good roads and bridges. The great lesson of history is that civilization and human liberty and all the things that make life worth living have not only survived the fall of empires but stand to-day on higher and firmer ground than they ever did before.

THE WORLD THAT MOTHER MADE

But do you know who was at the bottom of it all? Mother! All the things that men have done in the development of national life, with its arts and industries, everything we call civilization, grew out of the life and industry of the home, and it was mother who finally made the home. The mother idea came into the world with the first seed that ever started out to make its own way; for the mother plant had provided it with food enough to keep it going until it could get well-established in business. But the kind of mothers we know, mothers who stay with their babies and feed them, came very late in the long story of life. In the early days the world was not only without flowers and birds and the beautiful trees and varied landscapes we know, but it was motherless, in the sense that we understand mothers. In the lowest forms of life, such as the insects, the mothers and children never saw each other at all; for among the insects just as it is to-day the mother simply laid the eggs and then, before the little insects were born, passed away. Even among the fish, who are much closer relations of ours than the insects—since - 271 - fish belong to the great brotherhood of the backbone—the sense of motherhood doesn't get beyond looking after the eggs. So with the next higher group to which the frogs belong; and the next, the reptiles. Only with the birds, the next group above the reptiles, do we begin to see what motherhood means. Then at the very top of the list come the class of animals whose very name has "mamma" in it; the "mammalia." Among these, even outside the human race, we find very striking examples of family love and devotion. The gorillas, for instance, although they haven't what one would call an attractive face, are good to their folks. Not only does Mamma Gorilla nurse her babies and carry them in her arms much as a human mother does, and fight and die for them, but a famous African traveller tells of a Mamma Gorilla who stayed safe with the babies in their humble home of sticks in the fork of a tree while Papa Gorilla sat all night at the foot of it, with his back against the trunk, to protect them from a leopard that had been seen prowling around.

Among most animals below man the babies are soon able to leave mother and shift for themselves, but in the case of human beings the baby is helpless for a much longer time. So, even among the lowest savages, it was necessary for father and mother to keep together and look after their children. Thus grew up family life; and out of the family the tribe; and out of many tribes living together and closely related, grew first small and then larger nations. Yet, always at the beginning, it was the mother, more than the father, who looked after the children and taught them, so bringing before the world the idea of doing things, not for one's self alone but for others. From this - 272 - came the mutual giving and helping which made national life possible, and that is making this a better and better world to live in.

IV. The Great Unseen

So it is very plain not only that the end, the purpose of all this machinery and march of things that we have been going through since the beginning of Chagter I, is to make life better, more beautiful both in form and character, but to show that "all nature is on the side of those who try to rise."[59] It is plain also that this end must have been foreseen and intended from the beginning; for, from the very start each change in the world and in life was a preparation for another and a greater change. The change from rock to soil made plant life possible; the growth of plants made animal life possible, and so on up through the long succession of changes in this tree of life by which all things are related and which gave us the infinite variety of good things we already have—fruit, homes, churches, schools, art galleries, books, railroads and steamships that make the whole world neighbors; the telegraph, the newspapers, and the magazines that carry thought and knowledge and plans for the common good so fast and far that already it is as if a whole nation with its millions had a heart and brain in common.

[59] Drummond: "The Ascent of Man."

Man himself, you see, has become one of the great forces of nature in the evolution of nature, in the blossoming out and fruit-bearing of things. But now notice this: Back of all that man does and all that the rest of nature does is the great controlling force called Mind; and this Mind is invisible. If I should say of some great man that he had a powerful mind you would know just what I meant; but if anybody should ask "What did his mind look like?" you would think that was an odd question, wouldn't you?

- 273 -

From the painting by Burne-Jones

THE FIRST DAY OF CREATION

- 274 -

THE MYSTERIOUS PRINCESS HIDDEN IN THE BUD

So it is and has been from the beginning. We can see the results of changes of one thing into another but never just how the changing is done. While it is no longer believed that species were given a certain form in the beginning and that they have always kept that form, it is still true that each species comes into being from some unseen cause—"all of a sudden," as it were. Because species thus seem to vary of themselves, and not for any reason that we can see these changes are called "spontaneous variations." Always back of the material nature we can see is a nature that is not material; a part of nature that, like the mind of man, we can neither see nor hear nor feel nor know by any of our five senses. Some Unseen Power forms the baby plant out of the seed; some power changes the leaves hidden away in the bud into the petals of the flower. When the leaves gather to form the bud, like little hands playing "button, button, who's got the button," where do you suppose the flower is? It isn't. It has not yet begun to be. But soon, as if some magician had waved his wand and said "Presto! Change!" the pink petals begin to form there in the dark of the cup and, first thing we know, out steps Miss Blossom, all in her pink and gold like a princess dressed for a ball!

But always hidden in a mystery these changes take - 275 - place. We can peep into the growing bud as often as we like and we will never catch the fairies making the dress, nor the princess putting it on. We always see the thing after it is done!

WONDERFUL ART BUT WHERE IS THE ARTIST?

Another thing: How do the fairies of Roseland remember every spring just how a rose looked, when the roses of last year have been dead and gone so long? You see they work without a model, something great artists seldom do; and in some kinds of work, as busts and portraits and landscapes, never do at all. Even the most powerful microscope doesn't show any pattern in the seed for the seed to go by in growing into the finished plant; or in an egg to tell it what kind of a bird it is expected to be. No, not the trace of a pattern. What then, guides the growth of the seed; of an oak, say, so that it finally and always takes the family form? Some Power, evidently, as intelligent as the power that moves the hand of the human artist when he paints that oak into his landscape. How many of us have stopped to think that not only in the world of mind but in the material world itself, all forms of power are as invisible as the fairies that work unseen in the rosebud and the little birds' egg and the big rock? All power—what we call steam power, wind power, electric power and the rest—are not only unseen but unseeable, unfeelable, untastable. We know steam power only when heat gets into the water and makes steam; electric power only when it gets into a wire or a dynamo; or, passing by unseen ways through the air, moves the wireless telegraph receiver; gravity power only when it moves something - 276 - as the water of a waterfall; or when it is helping to hold things—the earth and the other worlds—in their appointed paths.

HIDE AND SEEK IN THE LIBRARY

You can easily see why evolution is the most talked about of all phases of science—of the study of this wonderful world we live in. One reason is it's such an astonishing thing in itself, this relationship of all forms of life, trees, kittens, birds, and everything; another reason is that in reading the books on evolution you're taken into every field of knowledge and into the most curious and striking aspect of things in those fields. Could anything be stranger, for example, than a little theatre in a chicken's egg, over which pass strange shadowy forms that seem to retell, in a kind of moving picture show, the story of how one form of life developed out of another?

Drummond's "Ascent of Man" tells about that and covers the whole subject of evolution. It is one of the books which no one who has heard of this wonderful story of life should fail to read. Doctor Drummond's way of telling the story is very attractive. Readers from the Eighth Grade up to the Eightieth will delight in it, and they won't stop until they read it from cover to cover. I'll guarantee that!

Then take such a book as "The World of Life," by Wallace. "Alice in Wonderland" is nothing to it. Here are some of the things you will find in it:

How there got to be different kinds of rabbits and what islands have to do with it.

(Islands are almost as prominent in the story of evolution as they are in the story of adventure. There are Robinson Crusoes until you can't rest!)

How the pig in the struggle of life won out as usual.

Why the peacock has such a fine tail and how he overdid it.

How the elephant saved his life by lengthening his nose.

How the birds traded their teeth for feathers.

How shelled creatures coiled and uncoiled their shells.

Why we miss the "missing links." (As you go into this subject of evolution you will hear a good deal about missing links.)

- 277 -

How they know butterfly wings are made first and the coloring and patterns laid on afterward.

How much of a butterfly's beauty is probably known to the butterflies themselves.

How Nature seems to make things just to be pretty.

And these are just a few of the things in one of Doctor Wallace's books.[60]

[60] In addition to all this curious and absolutely reliable information that ought to be interesting to every one is the fact that Wallace shows in "The World of Life" how there must have been Mind and Purpose back of it all. Doctor Wallace was a great traveller as well as a great student of nature—one of the most famous in the history of science. His works include: "Travels on the Amazon and the Rio Negro," "The Malay Archipelago," "Natural Selection," "Darwinism," "Island Life and the Geographic Distribution of Animals."

There are so many books on this biggest of all nature topics—Evolution—that they make quite a library in themselves. The most famous of these books is Darwin's "Origin of Species," and it is not at all hard to understand. Other books bearing directly or indirectly on evolution are "Animals of the Past," by Lucas, "Creatures of Other Days," by Hutchinson, Fiske's "Destiny of Man," and "Evolution and Religion." A book for older readers—one of the latest and most comprehensive treatments of the subject—is Osborn's "Origin and Evolution of Life."

Then he was such a fine man personally. Why, what do you think he did? Although he thought out the principle of evolution independently of Darwin, and wrote an essay on it before Darwin had ever given his views to the world, yet after Darwin's "Origin of Species"[61] came out Wallace gave Darwin all the credit, and in his own autobiography always referred to the theory of evolution as the "Darwinian Theory." Yet Wallace had a very good reason for taking this generous attitude, as you will see from his autobiography and other writings, and you are quite likely to find the reason in articles on Darwin or Wallace or Evolution.

[61] Of "The Origin of Species" it has been said that no work ever produced so profound a change in the opinions of mankind.

The relations of Darwin and Wallace furnish one of the finest examples in history of the best thing in the world—human friendship.

Of course, like so many other great men, Wallace was one of those boys whose minds never grow old. Read in his autobiography - 278 - how on the day he first discovered a new species of butterfly it gave him a violent headache, and he had to go to bed to get rid of it and quiet his nerves—he was that worked up!

Darwin was much the same sort of a man. Everything in the world was interesting to him. He wrote a whole book about "Fish Worms," for example. And although probably the most famous man in the history of natural science he was as humble as could be, always looking for the truth and ready to accept criticisms no matter how much they might upset his own previous conclusions, provided these opposing views were supported by evidence. Of course you will want to know more about his life, and you will find more in the "Life and Letters of Charles Darwin," edited by his son.

How do you suppose this boy began being a great man—by collecting beetles! Beetles and outdoor sport were his chief delight.


- 279 -

USE OF THE INDEX

SOME THINGS YOU CAN DO WITH THIS INDEX

I shouldn't be surprised if you thought that an index was the dullest part of a book.

But it all depends! As a matter of fact, with your help, I am sure I can make this index of ours one of the most interesting things in the whole story; for, like the H. & S., it gives you a chance to "come into the game." The mind enjoys books and grows upon them much as the body grows on food, but, as in the case of both food and books—and books are food—the good you get depends not only on the food but how you season it and eat it. You can't expect everything of the cook!

Everybody knows, of course, how to use an index to look things up once in a while and it saves time if the index not only tells the page on which a given subject is referred to, but conveys some idea of what that reference is about, as this index tries to do. If, for example, you are studying the Alpine regions in school you may already have covered the question of how flowing water carves mountain valleys, but you may not have had anything about why the Alps don't run north and south, as so many of earth's great ranges do; and so what could be a more interesting thing for you to take into those delightful class discussions?

Your teacher knows, although you may not have realized - 280 - it, that these class talks and debates by the pupils themselves are the big thing in modern teaching. The best education, we know nowadays, isn't the mere cramming down of facts, as people used to think. It's training in thinking, and in standing on one's own feet!

But memory training is important too; and an index is the best thing in the world for that. Take some subject you're studying in school—mountains, for example—they're always studying such big things as mountains, the work of rivers, and so on; or if they aren't to-day they will be tomorrow. Look at the references as questions to yourself and see how well you can answer them: "How do mountains help make water-gates for the rivers?" and "Why do they have earthquakes in regions where mountains haven't got done with their growing?"

Then you can have a lot of fun with these questions at home and with boy friends, after you have read the book together. For instance: Just how did the pebbles help dig the Grand Canyon? And that's a poser for many grown people too—people who've travelled and met the Grand Canyon face to face! Try it on Father. Yes, and Teacher too. There are none of her boys that a teacher is so proud of as the boys that have initiative—go-aheaditiveness—and can ask good questions as well as answer them.

But, best of all, you can find no end of things to write about for your language work in school and for the little books of your own that I've already suggested in the H. & S. Take the subject of pebbles, for example. Although this whole book has to do with the life and adventures of pebbles, I haven't put the facts together in just - 281 - the way you will if you follow out the references under the heading "Pebbles" in this index. If you don't happen to remember how pebbles act as bankers for the farmers, how they helped make the Great Lakes, built the Grand Canyon, and so on, look these things up and then, as they thus become digested in your mind, write about them in your own way—the way you'd talk if you were telling somebody about it. Do that and you'll have something! one of those things that mothers show to the neighbors, and that teachers show to visitors.

Of course you'll have to have a name for your story and you'll think of plenty: "What One of My Pebbles Told Me," "The Pebbles in the World's Work," "What a Wonderful Thing a Pebble Is!" "Why Common Pebbles are Worth More than Diamonds"; for of course a diamond is a kind of pebble.

GETTING ACQUAINTED WITH YOURSELF

In all this you will not only find you'll have a good time, but, let me tell you, you'll be getting the best part of your education; you'll be getting acquainted with yourself, your undeveloped powers of memory—reasoning—expression. You'll find before you get so very old that one of the most important elements of success, of doing your part in the world's great work of making itself better all the time, is in having something worth while to say and being able to say it.

This was the making of the Greeks; and the Greeks, you know, were the most wonderful people that ever were. It all started with old "Know Thyself" Thales of Miletus.

That's what did it!


- 282 -

INDEX

[A] [B] [C] [D] [E] [F] [G] [H] [I] [J] [K] [L] [M] [N] [O] [P] [Q] [R] [S] [T] [U] [W] [X] [Y]

Africa, children's hand-work, illustrating home life of the natives, including the elephants and the lions, 168

Agassiz, Louis, and his stone hut, 43;
adventure in the crevasse, 51;
on the height of ancient glaciers, 123

Air, origin of, 16;
how corals get their breath, 225

Alaska, the flowers and the snow line, 44

Albany, Atlantic tides at, 221

Alleghany Mountains, birth of, 10

Alps, mountain pastures, 41;
how rain drops helped carve the Alps, 67;
why the Alps don't run north and south, 136;
glacial "autographs" on their walls, 255

Amazon River, its stately flow, 74

Ants, how they help teach men how volcanoes are built, 123

Apollo, how he lighted the world, 2

Appalachian Mountains, birth of, 10

Arabian desert, physiognomy and complexion, 165

Arabian Sea, why its waves salute the Himalayas, 140

Arabs, life in the desert, 183;
and the Simoom, 184

Atlas Mountains, morning beauty of, 163

Atoms, defined, relation to molecules, 110

Aurora, the dawn goddess and her chariot, 2

Avalanches, impulsiveness of; snap-shot at one in motion, 63

Bad Lands, why so called, 114

Bar Harbor, Nature's remarkable masonry in Castle Rock, 228

Bald Mountains, how they got their crowns shaved off, 26, 28, 123

Beavers, as lake makers, 192

Bedding planes, defined, 217

Bees, and Alpine flowers, 45;
why they hide from the cloud shadows, 56;
shape of honey cells and basaltic columns, 243

Beetles, varieties in desert places, 180;
use of poison gas, 182

Big Round Top Mountain, how it lost its peak, 248

Birds, life in the desert, 178

Bombs (volcanic), what they are and how they are made, 129

Boulders, Agassiz' monument, 54;
travels of Plymouth Rock, 64;
boulders on a New England hill, 145;
why the Indians worshipped a boulder, 146;
the strange stranger on Mount Abu, 147;
as mountain climbers, 147, 152;
why there are no big caves in boulder regions, 148;
how boulders help tell the secret of the Ice Age, 149;
how torrents help shape, 151;
how glaciers carry, 151;
how boulders ride on the water, 153;
how Jack Frost builds boulder walls, 154;
- 283 -how the sun helps shape boulders, 155;
Geikie on the story told by a conglomerate boulder, 155;
Ruskin on boulders in art, 157;
why boulders sometimes jump up from the ground, 158;
how rain drops split boulders, 171;
how boulders shiver their skins off, 170;
boulders in the rock mills of the sea, 216;
how perched boulders are perched, 149;
the perched boulder in Bronx Park, in New York City, and its autograph, 250

Bridal Veil Falls, how it got its name and why it hurries to "catch the train," 74

Butterflies, how they help in Alpine flower gardening, 46;
why they hide from the cloud shadows, 56

Cactus, the desert water bottle, 174

Cactus wren, how she bars her front door against her bad neighbors, 177

Cæsar, Julius, his literary style compared to that of Mr. Glacier, 254;
how he and Mr. Glacier went into winter quarters, 256

Canada, her sea terraces for the gannets, 223

Canada thistles, and the Siberian "wind witches," 178

Canyons, deepened by glaciers, 26, 37;
how pebbles helped make the Grand Canyon, 82;
how long a mile is—straight down! 87;
how the Grand Canyon swallows you up, 88;
how rivers wrote the history of the Grand Canyon and how they cut the leaves, 88

Caravan, the marching camels and their shadows, 185

Carbonic acid gas, and air making, 16;
how it helped make coal with one hand and the Ice Age with the other, 20;
how it helps the volcanoes feed the world, 128

Carpathian Mountains, why they do not border the sea, 138;
their ups and downs under the sea, 230

Castle Head, a remarkable example of Nature's masonry, 228

Catskill Mountains, how they were made, 116

Cavemen, a caveman's art note on mammoths, 22;
why they were the handsomest men of their day, 267;
the joyous lesson they helped teach, 269

Caves, relation to natural bridges, 85;
why large ones are never found in boulder regions, 148;
their sightless inhabitants, 186

Centipede, his numerous feet and objectionable character 62;
how the trap door spider slams the door in his face, 182

Centrifugal force, and the birth of worlds, 4;
and the direction of mountain ranges, 137

Ceratosaurus, his dreadfulness and his name, 23;
and Nature's dream of the coming of man, 23;
one of our queer cousins, 264

Civilization, its constant advance, but with ups and downs, 269;
the civilization that Mother made, 270

Coal, did it help bring on the Ice Age? 20;
- 284 -bad effect of coal making on plant and animal life—volcanoes to the rescue! 226;
coal seams and the records of ancient life, 245

Colorado River, how it dug the Grand Canyon, 88

Conglomerate rock, why it is called "pudding stone," 96;
conglomerate boulders as historians, 155;
how made in the sea mills, 227

Continents, how they rose out of the sea, 8;
how the fact that they are still rising helps the rivers get back to sea, 75;
the continents and Nature's accident insurance, 262

Copernicus, and the discovery that there are worlds of worlds, 4

Coral islands and reefs, how the sea helps the corals build them, 225

Coyotes, as ventriloquists, 179;
their night songs, 179;
how they get a living, 180

Crater Lake, the blue lake in the volcano's mouth, 194, 195

Crevasse, origin of the word, 51;
what a crevasse looks like, 51, 53;
Agassiz' adventure in, 51;
voices of, 54;
their water-mills, 55;
picture of a crevasse swallowing an avalanche, 63

Crystallization and the fairy land of change, 93;
how the pebble caught cold and what came of it, 94;
crystals in sugar and granite, 94;
the great melting pot and the remaking of the rocks, 96;
how old rocks hatch new ones by sitting on one another, 96;
how mountain making helps, 97;
how Mother Nature uses salt and soda in cooking rocks over and how she keeps these materials handy, 99;
an illustration of how men of science study things out for the fun of it, 104;
the crystal fairies and their curious ways, 106;
how crystals help tell about dikes, 243

Dead Sea, its deadness and how it died, 207;
and the story of Sodom and Gomorrah, 209;
what "Lot's Wife" looks like to-day, 210;
ancient history on the Dead Sea's walls, 249

Deltas, why delta river mouths always multiply by two, 167

Descent of Man, how man has risen as he descended, 269

Desert, origin of Lybian (myth), 2;
enigmas of, 161;
the desert and the Sphinx, 162;
physiography and coloring, 163;
"Baths of the Damned," 165;
river "skeletons," 166;
indications of former heavier rainfall, 166;
Roman aqueducts, 166;
"sand roses," 168;
how the desert makes its sands, 168;
its trade-mark on its sand grains, 172;
why deserts are so cold at night, 170;
how a simoom looks from the outside, 173;
how it begins business, 184;
the plant people of the desert, 174-175;
how the Rose of Jericho goes to sea, 176;
the cactus wren and how she bars her front door against her bad neighbors, 177;
the "wind witches" of the steppes, 178;
animal life in the desert, 178;
the coyote as a ventriloquist, his night song, 179;
bird life, 180;
- 285 -why the desert humming-birds have rusty coats, 180;
how the trap-door spider slams the door in the centipede's face, 182;
a beetle that uses poison gas, 182;
wonderful flight of the vulture, 183;
a day with the Arabs in the Sahara desert, 183;
the cat, the dog, the Arab, and the struggle for life, 187, 188

Diamonds, form of their crystals, 107

Dikes, what one in New York City tells about marble making, 97;
the iron walls near Spanish Peak, 235, 241;
dikes in the rocks at Marblehead, 242;
how dikes get their driving power, 244

Dinosaurs, their dreadfulness, their habits and their family name, 23

Diplodocus, his name, his gentle nature, his defensive tail and how it helped him at his meals, 24

Domes (Mt.), 123

Drift theory, 120

Drowned valleys, 212

Drumlin, why an Irish boy would know what "drumlin" means, 122

Dunes, 163

Earth, story of the spoiled boy who set it afire, 2;
how much truth science finds in the Phaeton myth, 3;
theories as to the earth's origin and how they compare with the Bible story, 17;
watching worlds in the making, 5, 6;
the sun and his pebble worlds, 6;
how you can watch the world turn round, 7;
how the continents came up out of the sea, 8, 14;
lands the seas have swallowed, 11;
reasons for thinking the continents won't go under again, 12;
how earth's slowing up helped make mountains, 137

Earthquakes, how growing mountains make them, 86;
earthquakes that travel incog., 158;
how earthquakes are recorded in the veins of marble, 239;
earthquakes and the earth's "faults," 243

Echoes, Arab superstitions about, 187

Electrons, how they act as messenger boys of the universe, 110

Emerson, on the industries of England, 214

England, her heavy losses of land to the sea, 214;
how her drowned rivers helped make her great, 224

Eskers, defined, 122

Esparto grass, 176

Europe, how most of her rivers get their start, 73;
her ragged outline and the "transgressions" of the sea, 219;
Europe's geological biography and her mountain chains, 230

Evolution, was Nature dreaming of man's legs and arms when she designed the dinosaurs? 23;
"some call it Evolution and others call it God," 260;
answer of Science to the question "whither," 261;
why nothing "happens," in the great course of things—The Accident Insurance System of the Universe, 262;
kinship of kittens and apple trees, 264;
universal acceptance of the evolution theory, 264;
- 286 -the old "special creation" theory, 265;
and the mysterious special creation theory that Science has substituted, 274;
facts that support the evolution theory;
the story of changing forms recorded in the rocks, 265;
the "rabbit" that turned into a horse, 266;
as to men being descended from monkeys, 267;
how evolution proves the world is getting better, 268;
how man has risen as he descended, 269;
the world that Mother made, 270

Family, the, and civilization, 271

"Faults," geological, defined, 243

Finland, its butterflies, and the left-over butterflies of the Ice Ages, 48

Fiords, how they were made by the Old Men of the Mountain, 254

Florida, her sympathetic sister lakes, 200

Folds, how the story of the crumpling of mountains is told in the veins of marble, 237

Fossils, how they help tell the story of marble, 100

Frost, how it helped build the stone "Temple of the Winds," 33;
how it builds boulder walls, 154

Fujiyama, Mt., why it resembles Mount Rainier, 124

Galileo, and the discovery that there are worlds of worlds, 4

Geikie, on the conglomerate boulder as an historian, 230

Geodes, Nature's pebble jewel boxes and how they are made, 101

Geography, when all our geography was at the bottom of the sea, 8;
how they study geography in Boston on rainy days, 68

Geysers, and the geyser basins, 165

Giant's Causeway, its architecture, 243

Gila monster, 181

Glacial Period. (See Ice Ages.)

Glacial tables, how stones go walking in glacier land, 62

Glacier Mills, 55

Glaciers, how snow changes itself to ice, 26;
glaciers in their "working clothes," 29;
how to make glaciers and icebergs in the schoolroom, 32;
how glaciers helped make the gray stone "Temple of the Winds," 33;
how the glaciers of the Ice Ages made the Great Lakes, 34;
songs of the glacier and how it sings, 42, 56;
a day's visit with the Alpine glaciers, 49;
the crevasses and the adventure of Agassiz, 51;
how long it took Agassiz to determine the nature of glacial movements, 52;
why the peasants think the glacier has a soul, 54;
Mr. Glacier's caterpillar tractor, 62;
how the glaciers start Europe's rivers in business, 73;
how pebbles tell on what part of a glacier they travelled, 251

Golden Gate, entrance to San Francisco harbor, how it was made, 224

Gorges, 26, 82

Grand Canyon, 88

Granite, ancient lineage and social standing among earth's rocks, 17;
- 287 -the Granites and the Fairyland of Change, 94;
how they crystallize their neighbors, 103;
how they help make sand, 170

Gravitation, how it pulls the worlds into roundness, 5;
and helps them to grow up, 8;
how it helps sea waves to salute the mountains, 139;
equally careful in handling big worlds and little seeds, 261;
like all power it is invisible and intangible, 276

Great Basin, records of the two great lakes it used to hold, 249

Great Lakes, how they were made in the Ice Ages, 34;
an Ice Age lake that was greatest of all, 193;
tides in the Great Lakes and tides in a teacup, 201;
how the glaciers of the Ice Age tipped the Great Lakes up, 253

Great Salt Lake, ancient weather records on its walls, 249

Greek civilization, one of the things that do not die, 270

Harbor engineering of the rivers and the sea, 221, 222

Hieroglyphics, picture language of the Egyptians and how it was read, 258

Himalaya Mountains, glacial table on, a lesson in picture-reading, 59;
why some of the Himalayas are called "hills," 117

Horse, evolution of, 266

Hot Springs (cause of), 165

Hudson River, action of the tides, 221;
the Palisades, 241

Hydrogen, and the making of earth's air, 16

Ice Ages, theories as to their origin, 20;
the three union stations of the ice trains, 27;
how the glaciers put the Missouri River together, 29;
how they pushed the Mississippi about, 30;
how they turned rivers around and made waterfalls for New England, 31;
how they chiselled out stone bowls for the Great Lakes, 34;
how they made other lakes, 194;
the thousand-year clock at Niagara Falls and what it tells about the Ice Age, 35;
how the glaciers set Niagara Falls up in business, 36;
Muir's eloquent tribute to the marvellous "busy work" of the snowflakes, 37;
how the Ice Age glaciers went off and left the butterflies and the flowers in the Alps, 47;
how the butterflies missed the train, 48;
how Agassiz discovered the Ice Age, 52;
how the glaciers moved the hills about, 117;
travels of the boulders and how the glaciers rounded them, 146, 155;
why there are no big caves in glaciated regions, 148;
relation of the Ice Ages to the Dead Sea and the Sea of Galilee, 206;
Burroughs's theory as to future Ice Ages, 219;
what rain-drop autographs tell of the Ice Age, 246;
a perched boulder and its autograph in a New York City park, 250;
records of the Ice Age glaciers compared with Cæsar's Commentaries—curious similarities, 252

Icebergs, how to make them in the schoolroom, 32;
how the icebergs of the Ice Age gave the boulders a ride, 153

Ice wells, huge ice water tanks that the Ice Age glaciers left, 49

Indian Ocean, why its waves rise to salute the Himalayas, 140
- 288 -
Islands, oceanic, the tops of volcanoes, 133;
islands on the Maine coast and how they were made, 212;
how the sea helps the corals build their islands, 225

"Joints," places where rocks don't join, how made, 33;
how they help make "perched rocks," 60;
joints in the "Marble Rocks" at Jabalpur, 105;
joints and the work of the sea's rock mills, 216;
use of joints in Nature's stone architecture, 228

Jordan River, why it was born partly grown, 73:
why the making of the Jordan Valley was the death of the Dead Sea, 206

Jungfrau, summer pastures on, 41;
its beauty, 44

Jupiter, how as rain god he put out the world, 3;
place of the planet in the Solar system, 6

Keewatin, one of the central stations of the Ice Age, 28

Kentucky, the sink holes in the cave regions, 200

Kepler and the discovery that there are worlds of worlds, 4

Kettle lakes, how the glaciers of the Ice Age made them, 196

Labrador, one of the central stations of the Ice Age, 28;
how the butterflies of Labrador tell that their ancestors missed the train, 49

Lakes, the Ice Age lake and the "Temple of the Winds," 33;
how the Ice Age glaciers made the Great Lakes, 34;
how they helped Lake Erie in making Niagara Falls, 36;
the sleep of lakes and how it brightens them up, 80;
how Mirror Lake shows Mount Rainier how beautiful he is, 130;
how, with Jack Frost's help, lakes build boulder walls, 134;
the empty lake beds of the desert, 162;
"trade-marks" on lake-shore sand, 173;
how lakes are born, 192;
moods of lakes, 198;
why the ducks overlook some lakes, 198;
where mountain lakes get their coloring, 199;
sympathetic action of sister lakes, 200;
how some lakes act as barometers, 201;
tides in lakes, 201;
why lake storms are particularly dangerous, 202;
peculiarity of storms on the Sea of Galilee, 202;
and of storms on mountain lakes, 203;
how lakes grow old and pass away, 204;
why lilies come to dying lakes, 204;
the procession of the trees to the margins of dying lakes, 204;
why they have a regular marching order, 204;
the Dead Sea and how it died, 205;
what science says of the legend of Sodom and Gomorrah, 209;
"Lot's Wife" as she looks to-day, 210;
records of ancient weather on the walls of Great Salt Lake, 249;
how the Great Lakes were tipped up and how they tell about it, 253

Lake Agassiz, a great lake of yesterday which could swallow all the Great Lakes of to-day, 193

Lake Baikal, its great depth, 193

Lake Erie, how the glaciers helped it make Niagara Falls, 36

Lake Superior (size), 193

Laplace, his great theory of the origin of worlds, 4 - 289 -

Lapland, strange stories its butterflies tell, 48

Laurentian Highlands, how they rose out of the sea, 9

Lava, how it makes dikes and what a New York City dike has to say about the origin of marble, 97, 241;
how lava plays "grandfather" in the Porphyry family, 102;
lava and the flame effects on volcanic clouds, 126;
lava plains, 126;
how lava helps raise the fine fruit and wheat of Washington and Oregon, 128;
how it increases the violence of delayed volcanic explosions, 130;
the lava and the "fire from heaven" in the story of Lot, 209;
the iron wall near Spanish Peaks, 235;
remarkable architecture of the Giant's Causeway, 243;
theory as to what makes the lava climb, 244

Libyan desert, Greek myth as to its origin, 2

Limestone, how it turns to marble, 97, 104;
how the shelled creatures of the sea help make it, 101;
the "Marble Rocks" at Jabalpur, 105;
the place of limestone in the rock-making system of the sea, 227;
limestone and the story marble tells of mountain making, 237, 239

Little Round Top (Mt.), the battles that rounded it, 248

Lizards, varieties in the Arizona desert, 181

London, how it owes its greatness to the transgressions of the sea, 224

Los Angeles River, how one of its tributaries plays hide-and-seek, 80

Lowell, Mass., how the Old Men of the Mountain helped build it, 34

McCloud River, why it is born half grown, 73

Maine, advance of the sea upon its coasts, 219

Mammoth, art note on, from the "Cavemen's Diary," 22;
ancient members of the elephant family that wore underclothes, 24

Manchester, Mass., how the Old Men of the Mountain built its falls, 34

Marble, how a New York City dike helps tell how marble is made, 97;
what the fossils have to say, 100;
how it is quarried, 103;
the mysteries in marble walls, 235;
when marble flows, 238;
the cloud effects in marble, 239;
how marble tells of earthquakes and other exciting things, 239

Mars (planet), 6

Meanders, engineering work of wandering rivers, 81;
meanders and the making of natural bridges, 83

Mediterranean Sea, its connection with the making of the Alps, 136

Mercury (planet), 6

Metamorphism (defined), 98

Miller, Hugh, how he found a fish inside of a stone and so found Hugh Miller, 159

Mississippi River, how the Old Men of the Mountain pushed it about, 30;
how you can jump across it, 69;
the mountains of soil it carries into the sea, 84 - 290 -

Mississippi River System (map), 67

Mississippi Valley, when it was at the bottom of a mediterranean sea, 10;
why the sea went away, 138

Missouri River, how it was pieced together and pushed about in the Ice Age, 29

Mohawk River, why it grew taller as it grew older, 72

Molecules, their relations to atoms and electrons, 109

Moraines, how the glaciers take them on their backs, 56

Moulins, the "mills" of the glaciers and how they are made, 55

Mountains, earliest arrivals in the mountain world, 9;
origin of bald mountains, 26;
Muir on the marvellous mountain sculpture of the snowflakes, 37;
how mountain peaks are kept sharp, 43;
rain-drops as mountain sculptors, 67;
mountains and the origin of river valleys, 69;
and the birth of partly grown rivers, 72;
mountain streams and their waterfalls, 77;
storm chorus of the mountain torrents, 78;
how mountain lakes and baby rivers go to sleep together and the liveliness of the rivers afterward, 80;
how mountains help make the water gates, 86;
why growing mountains make earthquakes, 86;
why almost all granite is found in mountain regions, 97;
the different kinds of mountains, 115;
why mountains border the sea, 134;
why they run north and south, 137;
why sea waves rise to greet the mountains, 139;
Ruskin on mountain drawing, 140;
resemblance of mountains to sea waves, 140;
how mountains helped solve the mystery of the stones of the field, 151;
sunrise in the Atlas Mountains, 163;
why desert mountains look so gaunt and hungry, 164;
why the desert winds are constantly blowing them away, 171;
mountain shapes and the law of the picturesque in Nature's art work, 229;
how the mountain chains are the making of Europe, 230;
their ups and downs, 230;
why the markings in marble tell the story of mountain building, 237;
and of mountain shaking, 239;
ancient weather records on mountain walls, 248

Mountain lakes, the blue lake in the volcano's mouth, 195;
why mountain lake storms are particularly dangerous, 202;
and why they are apt to come at night, 202

Mountain meadows, how rapidly their flowers follow the snow, 44

Mount Fujiyama, its striking resemblance to a mountain 3,000 miles away, 124

Mount Hermon, its spring that gives birth to the Jordan, 73

Mount McKinley, remarkable snap-shot of one of its avalanches, 63

Mount Pelée, its discharge of huge rocks and whirling bombs, 129;
the mysterious shaft that rose and fell, 132

Mount Ritter, its resemblance to the sacred mountain of Japan, 124

Mount Shasta, how it gives birth to a river that has no babyhood, 73; - 291 -
how the mountain itself was born at the crossroads and why this is apt to happen in the case of volcanic mountains, 127

Mount Vesuvius, why, like other active volcanoes, it seems to smoke but doesn't, 126, 127

Mount Washington, its interesting colony of descendants of butterfly pilgrims of the Ice Age who missed the train, 48

Muir, John, on the wonderful team work of the snowflakes, in the Ice Age, 37;
on the liveliness of mountain streams after a little nap in mountain lakes, 80;
on the winter sleep of the mountain lakes and their glad awakening in the spring, 198

Natural bridges, various ways in which they are made by the very streams they bridge, 83, 85

Nebular Hypothesis, one of the theories as to how the world was made, 4;
how it differs from the latest theory, 6;
the Bible story compared with both theories, 17

Neptune (planet), 6

New England, how the Old Men of the Mountain plowed its farms away, 31;
and then made up for it by putting in New England's waterfalls, 32

Newton, his connection with the theory of the origin of worlds, 4

New York City, what one of its big rocks tells about marble making, 97;
what its harbor owes to the engineering of the sea, 221, 222;
the perched boulder in Bronx Park and its autograph, 250

Niagara Falls, its thousand-year clock and what it tells about the Ice Age, 35;
how the Old Men of the Mountain set the falls up in business, 36

Nitrogen, how it helped to make fresh air for the new-born world, 16

Norway, interpretation of the handwriting on the walls of its fiords, 254

Ogden Canyon, curious example of a rock fold, 238

Ohio River, how the Old Men of the Mountain helped it by turning some rivers around, 31

Omar Khayyam, answer of Science to the universal riddle that puzzled him, 261

Origin of Species. (See Evolution.)

Oxygen, its use in making the world's air, 16;
how the sea feeds oxygen to the corals, 225

Pack Rat, his remarkable fortress in the desert, 187

Paleontologists, the wizards of queer anatomies and the strange forms they conjure up from the fragments of old bones, 266

Palestine. (See Dead Sea.)

Palisades, how they were made in the "Middle Ages," 241

Pebbles, how they tell of old sea beaches on inland mountain and hill, 14;
their enormous age, 18;
dramatic stories the pebble scratches tell, 26; - 292 -
how the Old Men of the Mountain used pebbles in turning New England rivers around, 31;
how pebbles helped deepen the basins of the Great Lakes, 34;
how they still help run the thousand-year clock at Niagara Falls, 35;
how they help the glaciers talk, 56;
why the pebbles of Glacier Land can't walk as the big stones do, 62;
how the river pebbles act as bankers for the farmers and the sea, 80;
how the pebbles helped dig the Grand Canyon, 82;
how they tell about doings in the Fairyland of Change, 97;
how a pebble may, in its time, play many parts, 99;
how they help unravel the secrets of the hills, 119;
how they help dying rivers multiply by two, 167;
how they report the fact that the storms on the Sea of Galilee are particularly severe, 203;
their fixed place in the rock-making system of the sea, 227;
how they tell of rough experiences in river travel, 250;
and of high winds at sea, desert sandstorms, rides on glaciers, and in what compartments they travel, 251

Peninsulas, how the drowning of rivers helps to make them, 212

Pennsylvania, autographs left by ancient reptiles in the sandstone under the coal seams, 245

Perched boulder, in Bronx Park and its autograph on its rock-bed, 250

Quartz, how it helps to make the pebble jewel-boxes—the geodes, 101

Quartzite, (defined), 98

Rain, what fossil rain-drops tell of ancient weather, 224

Rat, desert, 186

Reclus, on the motion of glaciers, 62;
on the mountain whirlpools of stones, 141;
on the severity of lake storms, 202

Reefs, coral, how the sea helps the little people build them, 225

Reptiles, with bird feet, 246

Rivers, how the Mississippi River and others were pushed about in the Ice Age, 26;
how the Old Men of the Mountain helped the Ohio by turning some rivers around, 31;
how they helped make New England a great manufacturing section by turning some other rivers around, 32;
how they helped build the "Temple of the Winds," 33;
the little boy's definition of a river system, 66;
how the sea and the rivers take turn about in emptying into each other, 66;
their wonderful work in the mountains, 67;
the Mississippi River system, 67;
how they study the work of rivers on rainy days in Boston, 68;
how you can jump across the Mississippi, 69;
what springs do for rivers, 69;
how the springs act as regulators of river flow, 72;
how rivers grow at the top, 72;
why some rivers are born partly grown, 72;
how most of Europe's rivers get their start, 73;
why many little rivers have to jump to catch the train, 74;
why all rivers flow toward the sea, 75;
beautiful way in which Ruskin tells of the response of rivers to the call of the sea, 76;
the human nature in rivers, 76;
baby ways of baby rivers, 76; - 293 -
why waterfalls are found only in young streams and more often as you near the source, 76;
how rivers play in the rain, 78;
storm chorus of the mountain torrents, 78;
where to look for hiding rivers, 78;
how rivers sleep in mountain lakes and how lively they are when they wake up, 80;
why rivers grow more thrifty as they grow older; how, with the help of the pebbles, they act as bankers for the farmers and the sea, 80;
the machinery of rivers includes circular saws and dirt-spreaders, 82;
how a river dug the Grand Canyon, 82, 88;
the automatic stop in the river machinery, 83;
enormous amount of soil carried by the Mississippi into the sea, 84;
how rivers cut mountains in two, 85;
how rivers help in mining granite, 97;
how they help make hills, 117;
how they combine with the boulders to help out the artists, 157;
the land in which there are river beds without rivers and rivers without mouths, 162;
the skeletons of dead rivers and what they tell of the past history of the desert, 166;
why dying rivers multiply by two, 167;
harbor engineering of the rivers and the sea, 221;
how rivers made the Golden Gate of San Francisco and so made San Francisco, 223;
the rivers and the rock mills of the sea, 227;
the river's trade-mark on its pebbles, 250

Rocky Mountains, how they were born, 10;
their relation to the Mediterranean Sea that is no more, 135;
why they are now so far from the sea, 138;
how the mountain waves of stone resemble the waves of the sea, 140;
folded strata that illustrate Ruskin's line about the strange quivering recorded in mountain rocks, 142

Romans, some of the big things we owe to them, 270

Rose of Jericho, what it is like and how it puts to sea, 176

Round Tops (Mt.), how they are formed, 123

Ruskin, on the response of rivers to the call of the sea, 76;
on the sleep of lakes, 80;
on mountain drawing, 140;
on the strange "quivering of substance" of mountains, 141;
on the art lessons to be learned from stones, 158;
on the correct drawing of boulders, 160

Sahara Desert. (See Desert.)

St. Lawrence River, how the Old Men of the Mountain took some of its rivers away, 30;
how the Old Men used it in making the Great Lakes, 34

Salt, how Mother Nature uses it in warming over rocks, 99;
how Father Neptune uses it in his rock mills, 217

Sand, how it helped build the stone "Temple of the Winds," 33;
how Mother Nature dissolves it out of sandstone in her rock cookery, 99;
how the crystal fairies give sand grains a new lease of life, 108;
how the sand helped shape the old Indian of Mt. Abu, 147;
color of desert sand, 165; - 294 -
how the desert makes its sand, 168;
"sand roses," 168

Sandstone, its place in the rock-milling system of the sea, 227

San Francisco Bay, how it was made, the two rivers that opened its Golden Gate, 222

Saturn (planet), 5, 6

Sea, when the seas were all in the sky, 16;
how its stratification of rock helped build the "Temple of the Winds," 33;
the Alps, like sea waves turned to stone, 50;
how the sea flows into the rivers, the endless circuit of the waters, 66;
why the rivers always get back to sea, 75;
how the pebbles help feed the sea fish and furnish material for the sea's rock mills, 81;
the Grand Canyon and the ancient sea, 88;
how the sea helps Mother Nature do the work in her rock cookery, 99;
why volcanoes and mountains border the sea, 133, 134;
why sea waves rise to greet the mountains, 139;
how sea sand grains differ from those of the desert, 173;
the rock mills of the sea, method in the madness of the on-shore waves, 212;
why the sea's chief business at first seems to be that of eating us up, 213;
the sea in literature and art, 213;
England's heavy losses to the sea, 214;
how helpless the Old Man of the Sea is without his tools, 215;
how he uses the stone-throwing engines and the battering-ram of the Romans, 216;
what he knows about wedges and pneumatic tools, 216;
the hidden enemies in the rocks of the sea, 216;
planing-mills of the winter seas, 217;
how stones are carried out to sea, 218;
how the sea has shaped Europe, 219;
the sea as a builder, why Father Neptune is like Old King Cole, 220;
harbor engineering of the rivers and the sea, 221, 222;
how the sea helped teach shore engineering to man, 223;
how it has helped make London, New York, and other great cities, 223, 224;
how Father Neptune feeds the coral people, 225;
the art work of the sea, 227, 228;
Nature's building blocks and the sea, 228;
the ups and downs of Europe's mountains under the sea, 230;
how sea tides help in recording rain-drop marks in stone, 244

Sea caves, what they told about how the continents came up out of the sea, 14

Sea of Galilee, why its storms come so suddenly and usually at night, 202, 203;
how the pebbles on its shores tell that these storms are severe, 203;
why it parted company with the Dead Sea, 206

Sea-shells, how some of them tell how marble is made, 100

Seismograph, the device for getting the autograph of earthquakes, 240

Shakespere, how he emphasizes the rough side of Father Neptune's nature, 213;
on the man and the swallowing waves, 219;
his reference to the greatness of Mr. Cæsar, 252

Shaler, Dr., on the stone autographs of rain-drops, how they throw light on the climate of ancient days, 246
- 295 -
Shasta River, why it is born partly grown, 73

Sierra Nevada Mountains, Muir on how the snowflakes helped carve them, 37

Silica, its use by Mother Nature in making sandstone, grass, wheat, and corn, 99

Slate, and the Fairyland of Change, 98;
its place in the rock mills of the sea, 227;
ancient autographs found in slate, 245

Sodom and Gomorrah, the Bible story of their destruction and what Science has to say about it, 208

Soil, how it was made in the beginning of things, 11;
how the Old Men of the Mountain carried New England's best farms away, 31;
how river pebbles act as bankers for the farmers, 80;
how the sea helps make good farming land, 222;
Nature's art work and the making of soil, 229

Solar system, how it was discovered that there are worlds of worlds, 4;
Laplace's theory as to the origin of the Solar system, 4;
the planetessimal theory, 6

Soldanella, the flower of the Alps that blooms its way up through the ice, 45

Special Creation theory, 265

Spiders, the tarantula and the tarantula killer, 181;
the spiders of the Arizona desert, 182;
how the trap-door spider slams the door in the centipede's face, 182

Spontaneous variation, the scientific modification of the old "Special Creation" theory, 274

Springs, not only start rivers in life but go on feeding them, 69;
how rain-drops stored in big stone safes keep the springs going, 69;
springs that work like a town pump, 70;
hot springs and the geysers, 165

Stratification, defined; how it helped make the "Temple of the Winds," 33;
how it helps in marble quarrying, 103;
as shown in the "Marble Rocks" at Jabalpur, 105;
how it helps in the making over of rock in the sea's mills, 217

Stratus clouds, their counterparts in marble and what these marble cloud pictures mean, 239

Striæ, scratches made in rocks by glaciers, and how they helped to disclose the great secret that there was an Ice Age, 121;
the big boulder's autograph in Bronx Park, New York City, 250

Tarantula, and the life struggle in the desert, 181

Terraces, what they tell about the tipping up of the Great Lakes once upon a time, 253

Tides, in lakes and in teacups, 201;
and the harbor and shore engineering of the sea, 221, 225;
how they help preserve the autographs of ancient rain-drops, ancient reptiles, and other things, 244

"Transgressions" of the sea, defined, 218;
how they help to make great cities, 223;
how they help in the art work of the sea, 227
- 296 -

"Umbrella Parties," an interesting form of geography study in Boston, 68

Uranus (planet), 6

Valleys, how crooked rivers broaden them, 82

Venus (planet), 6

Vesuvius, why it seems to smoke but doesn't, 126, 127

Volcanoes, what they tell about the inside of the earth, 3;
why volcanoes were more numerous in early days, 16;
difference between ordinary mountains and volcanic mountains, 114, 123;
the volcanic mountains in the Sahara and the "Baths of the Damned," 165;
the blue lake in the volcano's mouth, 194;
volcanoes and "the fire from heaven" in the Bible story of Lot, 209;
how volcanic explosions help to cause transgressions of the sea, 219;
Mr. Vulcan's famous castle on the Hudson, 241

Vulture, his wonderful abilities as a flying machine, 182

Wasp, desert, how it disposes of the tarantula, 181

Waterfalls, how the Old Men of the Mountain put them in for New England, to make up for carrying her farms away, 31;
how they set Niagara Falls up in business and started the thousand-year time clock, 35, 36;
why the Bridal Veil Falls in the Yosemite has to jump to catch the train, 74;
why waterfalls are found only in young streams and oftenest near the source, 76

Water Gaps, how the rivers cut them with the help of pebbles, 85

Weathering, examples of, 33, 60, 97, 147, 228, 229, 231, 241, 243, 248

Wind, how it helped carve the "Temple of the Winds," 33;
how it helps make pillars for perched rocks, 60;
how it helped carve the strange old Indian of Mt. Abu, 147;
how it helps the desert in trade-marking its sand, 173;
the wind witches of the Steppes, 178;
why lake wind storms are particularly dangerous, 202;
the winds and the night storms on the Sea of Galilee, 202;
how winds help fill up the sea, 219;
stone autographs of ancient breezes, 247;
pebble faceted by wind-blown sand, 252;
wind ripples, 248

Wren, desert, how she locks her front door against her bad neighbors, 177

Wyoming, the ancient bones found in its soil and the wonderful story they told about horses, 266

Xenophanes, the wise old Greek who first suggested that the mountains had risen out of the sea, 13

Yosemite Valley, why the rivers of the little valleys have to jump to catch the train, 74


Transcriber Note

Minor typos corrected. Paragraph break inserted at the top of page 116 to accommodate placement of image related to the text therein. In the original book, Mt. Fujiyama and Mount Rainier were on pages 124 and 125 respectively with the caption spanning the two pages. The words "top" and "bottom" were substituted for "left" and "right" respectively for their orientation here. Also, the caption has been updated to say "FOUR THOUSAND".