The Project Gutenberg eBook of The engineer's sketch-book of mechanical movements, devices, appliances, contrivances and details employed in the design and construction of machinery for every purpose

This eBook is for the use of anyone anywhere in the United States and most other parts of the world at no cost and with almost no restrictions whatsoever. You may copy it, give it away or re-use it under the terms of the Project Gutenberg License included with this eBook or online at www.gutenberg.org. If you are not located in the United States, you will have to check the laws of the country where you are located before using this eBook.

Title: The engineer's sketch-book of mechanical movements, devices, appliances, contrivances and details employed in the design and construction of machinery for every purpose

classified & arranged for reference for the use of engineers, mechanical draughtsmen, managers, mechanics, inventors, patent agents, and all engaged in the mechanical arts

Author: Thomas Walter Barber


Release date: December 1, 2018 [eBook #58391]

Language: English

Other information and formats: www.gutenberg.org/ebooks/58391

Credits: Produced by Chris Curnow, Harry Lamé and the Online
Distributed Proofreading Team at http://www.pgdp.net (This
file was produced from images generously made available
by The Internet Archive)

*** START OF THE PROJECT GUTENBERG EBOOK THE ENGINEER'S SKETCH-BOOK OF MECHANICAL MOVEMENTS, DEVICES, APPLIANCES, CONTRIVANCES AND DETAILS EMPLOYED IN THE DESIGN AND CONSTRUCTION OF MACHINERY FOR EVERY PURPOSE ***

Please see the Transcriber’s Notes at the end of this text.

The cover image has been created for this text, and is in the public domain.

The description’s item number links to the plate where an illustration of the item may be found. Under the plate is a link to a larger version of the plate (not available in all formats).

The description’s item number links to the plate where an illustration of the item may be found.


THE
ENGINEER’S SKETCH-BOOK.


THE
Engineer’s Sketch-Book
OF
MECHANICAL MOVEMENTS,
DEVICES, APPLIANCES, CONTRIVANCES
AND DETAILS

EMPLOYED IN THE DESIGN AND CONSTRUCTION OF
MACHINERY FOR EVERY PURPOSE

CLASSIFIED & ARRANGED FOR REFERENCE FOR THE USE OF ENGINEERS, MECHANICAL
DRAUGHTSMEN, MANAGERS, MECHANICS, INVENTORS, PATENT AGENTS,
AND ALL ENGAGED IN THE MECHANICAL ARTS

BY THOMAS WALTER BARBER
M. Inst. C. E.

FOURTH EDITION

2603 Illustrations, Descriptive Notes and Memoranda

Logo

London:
E. & F. N. SPON, Limited, 125 STRAND

New York:
SPON & CHAMBERLAIN, 12 CORTLANDT STREET

1902


PREFACE.

Line

Every successful engineer is a born inventor; indeed the daily work of an engineer in practice largely consists in scheming and devising from previous experience new and improved processes, methods, and details for accomplishing them, and for simplifying or cheapening old forms of machinery and the work they produce, to enable him to successfully compete with others, who are perhaps as ingenious and enterprising as himself.

In the work of designing machinery the draughtsman has to rely mainly on his memory for inspiration; and, for lack of an idea, has frequently to wade through numerous volumes to find a detail or movement to effect a particular purpose. Hence, as a rule, every man’s work runs in a groove, his productions generally having the stamp of his particular experience and training clearly marked upon them.

In the course of twenty-five years of such experience, I have found the want of such a volume as the present, and endeavoured to supply the deficiency in my own practice by private notes and sketches, gathered promiscuously, until the difficulty of selection and arrangement became so apparent that I began to classify them, as they exist in the following pages. A few weeks of unusual leisure have enabled me to complete this work and amplify it by numerous additions, and it is now presented in the hope that it will be found of equal service to others engaged in the head-splitting, exhausting work of scheming and devising machinery, than which I can conceive of no head-work more wearing and anxious, Several valuable works have already[vi] found numerous users, and there is no lack of admirable collections of memoranda, rules, and data for designing and proportioning the various constructive details of machinery; but, as far as I am aware, there is no work in existence which aims at the same purpose as is attempted in the following pages, viz. to provide side by side suggestive sketches of the various methods in use for accomplishing any particular mechanical movement or work, in a form easily referred to, and devoid of needless detail and elaboration. A sketch, properly executed, is—to a practical man—worth a folio of description; and it is to such that these pages are addressed. For the same reason it has been deemed undesirable to add to the various sketches any rules or tables relating to strengths or dimensions, which may be found in numerous well-known volumes.

Any suggestions or additions will be entertained and gratefully acknowledged.

THOMAS WALTER BARBER.


[vii]

CONTENTS.

Line
  PAGES SECTION
Accumulators 147 67
Adjusting devices 10, 246 2
Anchoring 10, 246 1
Anti-friction bearings 152, 306 70
Apparatus for drawing curves 224, 330 98
Automatic cut off. See Valve gear 172, 312 79
Balance weights 54, 258 20
Ball and socket joints 12, 248 4
Beam-engines, types of 80, 270 32
Bearings 102, 282 46
Bearings, relieving pressure on 152, 306 70
Bed-plates, foundations, and framing of machines 22, 250 8
Belt gearing 12, 248 3
Belt pulleys 12, 248 3
Blowing and exhausting 20, 250 7
Boilers, types of 16, 250 6
Bolts, &c. 168, 310 78
Boring, drilling, &c. 72, 270 30
Brakes and retarding appliances 14, 248 5
Cams, tappets, and wipers 24, 250 9
Carriages, cars, &c. 32, 252 12
Centres 164, 308 77
Centrifugal force, applications of 38 14
Chains, links, and couplings 30, 252 11
Chopping, slicing, and mincing 68, 264 27
Chucks, grips, and holders 68, 264 28
Circular and reciprocating motion 56, 258 21
Clutches 40, 254 15
Compensating and balance weights[viii] 54, 258 20
Concentrated power 62, 260 22
Concentrating and separating 66, 264 26
Condensing and cooling 66, 264 25
Connecting rods and links 42, 254 17
Contracting and expanding 84, 272 36
Conveying messages, &c. 52 19
Conveying motion to movable parts 62, 260 23
Conveyors 128, 298 57
Cotters, &c. 86, 274 37
Couplings 42, 254 16
Couplings for shafting 42, 254 16
Covers, doors, &c. 242, 332 106
Cranes, types of 46, 256 18
Cranks and eccentrics 28, 252 10
Crushing, rolling, and disintegrating 36, 254 13
Curves, apparatus for drawing 224, 330 98
Cushioning 72, 268 29
Cutting tools 64, 260 24
Differential gear 74, 270 31
Disintegrating 36, 254 13
Doors, covers, manholes 242, 332 106
Drawing and rolling metals, &c. 234, 332 101
Drawing curves, &c., apparatus for 224, 330 98
Drilling, boring, &c. 72, 270 30
Eccentrics 28, 252 10
Elastic wheels 84 35
Elliptical motion 82, 272 34
Engines and boilers combined, types of 82 33
Engines, types of 76, 270 32
Exhausting and blowing 20, 250 7
Expanding and contracting devices 84, 272 36
Fastening wheels to shafts 86, 274 37
Feed gear 334 107
Filtering 334 108
Foundations and framing 22, 250 8
Friction gear 88, 276 38
Gear, differential[ix] 74, 270 31
Gear, friction 88, 276 38
Gear, reversing 158, 308 74
Gear, rope 146, 302 66
Gear, valve 172, 312 79
Gearing, belt 12, 248 3
Gearing, toothed 186, 318 84
Gearing, various devices in 92, 278 40
Governing and regulating speed, power, &c. 96, 280 41
Grips and holders 68, 264 28
Guides, slides, &c. 90, 276 39
Handles, &c. 220, 328 97
Heating appliances 234 100
Hinges and joints 116, 292 50
Holders and grips 68, 264 28
Hooks, swivels, &c. 98, 280 43
Hydraulic multiplying gear 96 42
Impact. See Striking and hammering 238 104
Incorporating 122, 294 54
Indicating pressure, &c. 214, 326 92
Indicating speed, &c. 100, 282 44
Intermittent motion 140, 300 62
Iron and steel 224, 330 99
Jets, nozzles, &c. 102, 282 45
Joints and hinges 116, 292 50
Journals, bearings, pivots, &c. 102, 282 46
Keys, cotters, pins, &c. 86, 274 37
Levelling and plumbing 122 52
Levers 108, 286 48
Links 30, 252 11
Locking devices 110, 288 49
Lowering 148, 304 69
Lubricators 120, 294 51
Marine engines, types of[x] 236 103
Materials of construction 224, 330 99
Measuring and weighing 214, 326 92
Mechanical powers 122 53
Messages, conveying 52 19
Mincing 68, 264 27
Mixing and incorporating 122, 294 54
Motive power 136, 300 60
Movable parts, conveying motion to 62, 260 23
Multiplying gear—hydraulic 96 42
Nozzles and jets 102, 282 45
Packings, joints, stuffing-boxes, &c. 132, 298 58
Parallel motions 124, 296 55
Pawl and ratchet motions, intermittent motion 140, 300 62
Pins, &c. 164, 308 77
Pipes and conveyors 128, 298 57
Pivots 102, 282 46
Plate work 106, 286 47
Plumbing and levelling 122 52
Power and speed, to vary 146 64
Power, motive 136, 300 60
Power, reservoirs of 147 67
Power, transmission of 192, 320 85
Pressing 144, 302 63
Propulsion 134, 300 59
Pumping and raising water 124, 296 56
Pumping engines, types of 138 61
Quick return motions 146 65
Rails and tramroads 156, 308 73
Raising and lowering weights 148, 304 69
Raising water—pumping 124, 296 56
Ratchet and pawl motions 140, 300 62
Reciprocating and circular motion 148 68
Regulating and governing 96, 280 41
Relieving pressure on bearings 152, 306 70
Reservoirs of power, accumulators[xi] 147 67
Retarding appliances 14, 248 5
Reversing gear 158, 308 74
Riddling and screening 154 72
Rope, belt, and chain pulleys 152, 306 71
Rope gearing 146, 302 66
Rolling and drawing 234, 332 101
Rotary engines 160, 308 75
Safety appliances 182, 318 81
Screening 154 72
Screw gear, bolts, &c. 168, 310 78
Sections of iron and steel. See Materials 224, 330 99
Segments, wheels in 212, 326 91
Separating 66, 264 26
Shaft couplings 42, 254 16
Shafting 164, 308 76
Signals, &c. 52 19
Slicing and mincing 68, 264 27
Slide and other valve gear 172, 312 79
Slides, guides, &c. 90, 276 39
Socket joints 12, 248 4
Sound 240 105
Sources of power 136, 300 60
Speed and power 122 53
Speed, indicating 100, 282 44
Spindles and centres 164, 308 77
Springs 178, 316 80
Starting valves 184 83
Steam traps 184, 318 82
Striking and hammering—impact 238 104
Struts and ties 234 102
Stuffing boxes 132, 298 58
Swivels 98, 280 43
Tanks and cisterns 192, 320 86
Tappets 24, 250 9
Throwing in and out of gear 192, 320 87
Ties and struts 234 102
Timber. See Materials 224, 330 99
Tools, cutting 64, 260 24
Toothed gearing[xii] 186, 318 84
Tramroads 156, 308 73
Transmission of power 192, 320 85
Traps, steam 184, 318 82
Turbines 208, 326 90
Valve gear 172, 312 79
Valves and cocks 198, 324 89
Valves, starting 184 83
Variable motion and power 194, 320 88
Washing 216, 328 94
Water-pressure engines 216 93
Water-wheels and turbines 208, 326 90
Weighing and measuring, indicating pressure 214, 326 92
Wheels, elastic 84 35
Wheels, fastening to shafts 86, 274 37
Wheels in segments 212, 326 91
Windmills and feathering wheels 218, 328 95
Winding apparatus 220, 328 96
Wipers 24, 250 9

[9]

PART I.
SECTIONS 1-106.


(For Additions see pages 245-335.)


[10]

Section 1.—ANCHORING.

   1. Rope pulley anchor—a car which grips by sinking its wheels in the soil; employed for ploughing tackle.

   2. Anchor plate—buried in the ground below a mass of masonry—for attaching guys, tie rods, &c. Sometimes a frame, or plate, laid on the ground and ballasted, is the method used.

   3. Screw mooring, screwed into the ground.

   4. Heavy stone sunk in the ground and having a ring attached; or a mass of concrete, similarly placed, used for guy ropes, tie rods, and foundation bolt attachments.

   5. Grapnel.

   6. Mushroom anchor.

   7. Double fluke anchor.

   8. Martin’s patent anchor, with swivelling flukes. Several other patent anchors are modifications of this.

Stakes, with or without flanges, vertical or horizontal, are sometimes employed, the flanges taking the cross strain of the ties, &c. Fencing posts, gate posts, tree stakes, and tennis poles are of this class.


Section 2.—ADJUSTING DEVICES.

For adjustment by Screws, see Section 78, and by Wedges, see Section 36, These are the commonest appliances employed. For Cams also, see Section 9. For adjusting Pedestal Brasses, see Section 46.

For adjustments by keys, cotters, &c., see Section 37. See also Nos. 251, 269, and 297.

   9. Split cone sleeves and set screw adjustment for a revolving standard, or similar detail, where there is much wear or great accuracy is required in the revolving bearing.

  10. Centre-line adjustment for lathe headstocks, &c.

  11. Variable curve adjustment; used in compass planes, instruments for drawing arcs of circles, &c.

  12. Vertical shaft footstep adjustment; employed on millstones, horizontal grinding mills, &c., to regulate the space between the grinding surfaces. See No. 261.

[11]

Plate 1

Larger plate.

[12]

  13. Side screw adjustment for injectors, jet pumps, &c.

  14. Levelling adjustment; can be used with either 3 or 4 screws: for telescope and level stands, theodolites, &c.

  15. Horizontal central adjustment for footsteps, &c.

  16. Slotted link and lock nut for adjusting angle of a lever.

  17. Disc and ring with partial angular adjustment by a screw and nut; used for screwing dies, self-centering chucks, &c. The nut and bearing of the screw have allowance for swivelling.

  18. Pin and hole adjustment for a lever or similar detail.

  19. Wedge bearing for locomotive horn plate guides, slide bars, and similar parts subject to wear.

  20. Right and left-hand screw and wedge adjustment for roller bearings, &c.

  21. Adjustment for wear used on engine crossheads to take up the wear of the working faces.

Adjustable Crane Balance Weights, Section 18.

Adjustable V-guides, Nos. 700 and 704.


Section 3.—BELT GEARING.

Materials employed are:—Leather, cotton, guttapercha, indiarubber, canvas, camel-hair, catgut, flat wire or hemp rope, steel bands, flat chains, &c.

  22. Ordinary belt pulley, “crowned” on face to retain the belt on the centre of the pulley.

  23. Double-flanged pulley, flat on face, sometimes “crowned,” as No. 22.

  24. Single-flanged pulley for horizontal driving.

  25. Open belt gear; runs best as shown, with the slack half of the belt at top.

  26. Crossed belt to reverse motion on the driven shaft. Also to obtain more grip for the belt than with open belts.

  27. Mode of driving when the shafts are at right angles to one another.

  28. Mode of driving with shafts at an obtuse angle, sometimes used instead of bevel wheels.

  29. Arrangement adopted when the pulleys cannot be got in line with one another, or the shafts are too close together to drive well direct. Short belts seldom work well.

Belts are frequently arranged to pass under and over several pulleys so as to drive several shafts by one belt.

For reversing by belt gear, see Section 74. Gut bands (round) are worked over V-grooved pulleys; see Rope Gearing, Section 66. Belts may be kept tight by tightening pulleys, see No. 1207. For round belts, see Rope Gearing, Section 66. V-belts are occasionally used, formed of thicknesses of leather riveted together, cut to a V-section, and worked over V-grooved pulleys.


Section 4.—BALL-AND-SOCKET JOINTS.

  30. Universal hinge. The arm can be fixed in any required position by tightening the gland. Useful for stands for articles to be exhibited in any position, telescopes, &c.

  31. Pipe joint, with similar capabilities.

[13]

Plate 2

Larger plate.

[14]

  32. Same as No. 16, but with screwed gland. If used without the arm, it forms the ordinary ball castor.

  33 & 34. Dr. Hooke’s universal joint. See application, No. 292. See also Nos. 1359 and 732.

Gas pendants are suspended with a joint similar to No. 31, but the ball, having only a restricted angular motion, is cut down to a segment only.


Section 5.—BRAKES AND RETARDING APPLIANCES.

To retard or arrest motion (revolving or rectilinear).

  35. Strap and lever brake. The strap is usually faced with wood or leather, but sometimes is used without either. Wood is liable to become noisy. Leather gives the best grip. Iron upon iron, or wood upon iron is not safe if liable to become oily or wet.

  36. Block and lever brake. Wood or cast-iron blocks are used.

  37. Compound block and lever brake; avoids putting cross strain on the shaft—used on winding engines, &c.

  38. Internal toggle brake, employed for friction clutches. See Section 15. The inner ring is turned to fit loosely inside the outer ring and split, the toggles being arranged as shown to expand the ring till it is locked to the outer ring.

  39 & 40. Double block and lever brake on wheel rim grips the wheel rim between the lever stocks or jaws. The strains are self-contained.

  41. Disc brake; considerable end pressure is required with this form, and must be arranged for in the bearings of the shaft.

  42. Compound disc brake. Several discs may be employed, sliding on feathers on the shaft.

  43. Fan brake; may be run openly in air, or enclosed in a drum with water, oil, or other liquid. (See Allen’s patent Governor, &c.)

  44. Spring brake, acting on a small grooved pulley; for light purposes.

  45. Rope brake or grip, with toggle motion, and screw for relieving.

  46. Rope brake: grips by the angular distance between the jaw centres becoming less as the lever end falls.

  47. Rope brake; with cam lever gripping motion.

  48. Eccentric action lever and block brake. The eccentric is fixed to the brake lever. This plan also avoids cross strain on the shaft.

  49. Strap and screw brake.

[15]

Plate 3

Larger plate.

[16]

  50, 51, & 52. Three forms of car brakes. See also the common “skid” or cart brake.

  53. Combined strap and lever brake. (Fielden’s.)

  54. Shaft grip, or brake.

  55. Centrifugal brake, or clutch. The weight segments are driven into contact with the ring by centrifugal force. Springs may be used to return them out of action.

  56. Three-segment compound brake: grips the wheel all round.

  57. Compound bar brake, with right and left hand screw grip levers, used for heavy gun compressors.

  58. Compound ring brake, on similar principle to No. 57. See remarks to No. 41.

  59. Wedge and split ring, used for internal brake ring or clutch, in a similar way to No. 38.

  60. Hollow drums, with radial pockets, half filled with loose material, or water, mercury, &c., which retard the motion of the drum by the weight and friction of the loose material.

An hydraulic cylinder and piston is frequently used as a brake or retarding device for reciprocating motion, the water passing from one side of the piston to the other, through an adjustable valve. Friction brakes are employed as dynamometers to indicate the power given off or absorbed by any piece of machinery. Automatic brakes (see Sections 15 and 69) are used for hoisting machinery, &c.

Brushes, formed of stiff bristles or wire, are used as a retarding device for circular or rectilinear motion.


Section 6.—TYPES OF BOILERS.

Vessels or containers of every conceivable shape have been used as boilers. Many of the older types are now obsolete, but the following are these most commonly used:—

VERTICAL BOILERS.

  61. Ordinary centre flue boiler. Sometimes the centre flue is surrounded with tubes, as No. 65.

  62. Vertical multitubular.

  63. Vertical boiler, with diagonal tubes and smoke boxes.

  64. Vertical return-flue.

  65. “Pot” boiler.

  66. “Field” boiler; with suspended tubes and internal circulating tubes.

  67. Vertical egg-end boiler; with spiral flue. Large vertical boilers sometimes have cross flues, or large tubes.

HORIZONTAL BOILERS.

  68. Portable “loco-type” multitubular.

  69. Fixed return-tube.

[17]

Plate 4

Larger plate.

[18]

  70. Fixed “loco-type” multitubular; a favorite and useful form, giving good results, and easily cleaned.

  71. Fixed “loco-type,” with underneath fire-box; sometimes used to economise space, is self-contained, and usually stands on cast-iron feet.

  72. Multitubular-horizontal; self contained; on cast-iron feet.

  73. Egg-end boiler; not much used except where the coal burnt per h.p. per hour is not an important consideration.

  74. “Cornish”; one flue, with enlarged fire-box tube. This type is often made with a parallel flue with cross tubes fixed at intervals throughout its length.

  75. “Lancashire”; two flues; sometimes has enlarged fire-box tubes, as No. 74.

  76. Oval flue boiler, with “Galloway” tubes. The Lancashire type is frequently combined with this form by arranging the two circular flues to open into one oval one.

  77 & 78. “Elephant” boilers; employed in connection with coke ovens and other sources of waste heat.

MARINE BOILERS.

  79. Ordinary box form, with internal fire-box and return flue.

  80. Same type, but with two fire-boxes and multitubular return tubes.

  81. Underneath fire-boxes and multitubular return tubes above the fire-boxes, sometimes duplicated, as No. 82.

[19]

Plate 5

Larger plate.

[20]

  83. Has two central fire-boxes and side return-tubes.

The foregoing box patterns are rapidly going out of use, as unsuitable for the higher pressures prevailing with compound engines.

  84. Cylindrical boiler, with three fire tubes and three sets of return tubes. This form is much used, the surfaces requiring stays being very limited. It is made with double fire-boxes as shown, or with single fire-box, as No. 81.

  85. Cylindrical single flue and return-tube.

  86. Cylindrical single flue and multitubular.

  87. Cylindrical double flue and multitubular, longitudinal section similar to No. 86.

  88. Cylindrical saddle boiler, multitubular, used for shallow vessels, launches; &c.

HOUSEHOLD BOILERS.

  89. Kitchen “ell” boiler.

  90. Kitchen or back boiler, for ordinary grates.

  91. “Saddle” boiler. The varieties of this type are legion. Every conceivable cross-bridge, water-way, tube, and flue has been added to it by various makers. See Messrs. Graham and Fleming, and other makers’ Lists.

  92. Annular cylindrical greenhouse boiler.

  93. Annular conoidal greenhouse boiler.

  94. Vertical cylindrical, closed top greenhouse boiler.

The last four are types of the greenhouse boilers most in use. They are usually of wrought iron, and all seams welded.

  95. Back boiler for ordinary register grate.

  96. “Boot” boiler.

  97. Scullery, or wash-house boiler.

  98. Scullery, or wash-house boiler, heated by steam. In public laundries these are usually rectangular in plan.

  99. Coil boiler, used for small greenhouses, &c.

100. Sectional, or “Tubulous” boiler. Root’s, and others, are on this principle. They are constructed of simple pipes and T or L pieces, usually bolted together.


Section 7.—BLOWING AND EXHAUSTING.

Some of the mechanical blowers are too well known to need illustration here; such are the ordinary Beam Blowing Engine, as in use for blast furnaces, Vertical Blowing Engine, and Horizontal Blowing Engine. In all these a cylinder and piston form the blowing device. Nearly every form of rotary engine (see Section 75) may, by reversal, be converted into a blowing machine. See Root’s patent, No. 1307; Baker’s, 1325, and others in common use. Fans, centrifugal, (see No. 1337) are still the commonest blowing machines, and are especially suited for light pressures and large volumes of air; but for pressures of from 12 lb. per square inch and upwards, the rotary or cylinder types are best. The following are devices not so well known, but sometimes useful:—

101. The “Trompe,” or water-jet blower. Water under pressure is discharged through a rose into a funnel-shaped inlet, carrying with it a quantity of air (see Section 45); the water runs off at an overflow, and the air is led away by a pipe.

102. Steam-jet blower. (See Section 45.)

[21]

Plate 6

Larger plate.

[22]

103. Organ bellows. The lower “feeders” pump alternately into the double-tier upper “reservoir,” which has the upper set of ribs inverted, as shown, to equalise the pressure throughout its rise. The reservoir is loaded with weights to the required pressure.

104. Smiths’ bellows, either circular or hinged at one side.

The valves used for bellows are plain flap valves faced with leather similar to No. 1619.

105. Bell, or gasometer blower, for light pressures and large volumes.

106. Regulator, or reservoir, for blowing engines to steady the blast. The weighted piston serves the same purpose as an air vessel to the ordinary pump.

107. Disc blower, with elastic diaphragm piston.

108. One-crank three-throw blower, for organs, &c., to give a continuous blast. The three feeders deliver into the central triangular box.


Section 8.—BEDPLATES, FOUNDATIONS, AND FRAMING OF MACHINES.

The skeleton framing of a machine for any purpose should be rigid, as light as is consistent with strength and stability (in some cases weight is necessary to minimise vibration), and the ribs, or members of the frame, should be so disposed as to afford the requisite support for all bearings, centres, &c., without redundance; and lastly, symmetry, and a certain degree of elegance and proportion, are desirable. The illustrations are necessarily typical only, and suggestive.

109. Girder section bedplate for horizontal distributed bearing, as in a horizontal engine. It may be used double, and the two parts connected by cross pieces and bolts, as No. 112.

110. Open box bedplate.

111. Closed box bedplate.

112. Double box bedplate with cross tie pieces.

Square or rectangular bedplates are usually of similar sections, stiffened with ribs underneath, and generally cast in one piece.

113. Side frame and distance rod construction, suitable for light machines.

114. Side frames and cross bars on a base plate. This forms a more rigid construction than No. 113.

115. Table and legs.

116. Rectangular openwork box framing. Useful for machines with several cross shafts.

117. Hollow standard for hammers, vertical engines, and any machine raised above the floor.

118. Soleplate and standard for pedestal bracket, &c. Admits of being detached without disturbing the foundation.

119. Wall box for shaft bearings, &c.

120. Arched crosshead for double bearing, bevil gear, &c.

121. Wrought-iron sideplate and distance rod construction.

122. Wall bracket, with wall flange, or tongue, to take the vertical strain.

123. Wrought-iron rectangular bedplate.

[23]

Plate 7

Larger plate.

[24]

124. Base plate for column, &c., with concrete foundation. The bolts are usually T headed (see No. 1404), in open recesses, so as to be easily removed without disturbing the base plate.

125. Dovetail and key fixing for brackets, bearings, or any separate detail of framing.

126. Foundation for box bedplates.

127. Vertical columnar, or distance rod construction, used for marine engines, vertical engines, presses, &c.

128. Plinth, column, entablature, and cross bracing, used for beam engines and machinery of a straggling kind with many detached parts.

129. Flat bar side framing, strong, light, and cheap, but not very rigid.

130. Wrought-iron L and flat bar rectangular frame, suitable where great rigidity is not needed, but where cast-iron is not safe or desirable.

Wrought-iron is becoming much more largely employed for the framing of general machinery than heretofore, and it is customary in many cases to supplement a cast iron base or frame with wrought iron or steel bars.


Section 9.—CAM, TAPPET, AND WIPER GEAR.

For producing, from plain circular, or reciprocating motion, variable speed or motion, also intermittent and every kind of irregular motion. Cams are either open or covered. Nos. 131, 132, and 133 are open cams; Nos. 137 and 138, covered cams.

131, 132, & 133. Three forms of the “heart” cam, for giving a regular or intermittent vertical motion to a lever end.

134. Crown cam for vertical shaft.

135 & 136. Jumping cams.

137. Covered heart cam.

138. Covered crown cam.

139. Wiper and lever motion.

140. Twisted bar with sliding bush, which travels from end to end of the bar, and being prevented from turning, causes the bar to turn on its axis to the amount of its twist.

141. Crank pin and slotted lever; gives a variable speed with quick return.

[25]

Plate 8

Larger plate.

[26]

142. Spiral radius bar for opening valve. The valve is lifted off its seat by the radial motion of the lever against the inclined radius bar.

143. Crank pin and slotted lever motion, with slot arranged for irregular or intermittent motion.

144. Eccentric and slotted arm. The pin at the top of the arm has both a vertical and horizontal motion, causing it to trace an ellipse, the pin upon which the slot runs being fixed.

145. Wiper and lever motion, with rubbing plate; used for Cornish valves, &c.

146. Stamp mill.

147. Scroll cam.

148. Crank and lever, intermittent or continuous motion.

149. Piston, or valve rod and lever motion.

150. Similar movement, but with anti-friction roller on end of lever.

151. Rod and lever reciprocating motion, with anti-friction roller.

152. Similar movement, with a socket forged in the rod and the end of lever rounded to allow for angular motion.

153. Diagonal disc cam, or “swash plate.”

154. Motion for belt shifting with dead travel at half stroke. This allows the lever to move a certain distance on each side of the centre without moving the belt shifting bar.

155 & 156. Sectors and bent lever, used on Cornish engine valve gear.

157. T lever valve motion, used in rock drills, some forms of steam engines, &c.

158. Four-bolt camplate, used for screwing dies, locks for fireproof safes, &c.

159. Slot, cam, and lever motion.

160. Barrel motion for musical instruments, looms, &c., in which the barrel is provided with pins or staples to lift the respective levers.

[27]

Plate 9

Larger plate.

[28]

161. Drum with spiral vanes of long pitch, operated by a revolving arm on a shaft at right angles to the cam shaft, used for intermittent circular motion.

162. Volute and lever.

163. Double screw, for converting circular into reciprocating motion; has a right and left hand screw thread, and a shuttle attached to the lever end shaped to fit the thread, and capable of swivelling to turn the angle for reversing.

164. Eccentric ring and roller motion, for converting circular into reciprocating motion.

165. Triangular cam. Gives three reciprocations to the sliding bar in one revolution of the cam.

166. Fan for giving motion to several rods or arms at one time, used for organ composition pedal movement, &c.

167. Crossed lever motion with inclined contact surfaces, the levers being at right angles to one another.


Section 10.—CRANK AND ECCENTRIC GEAR.

168. Bent crank of round section; retains the fibre and strength of the metal.

169. Square forged crank. The crank arm is usually forged solid and the slot cut out by machine.

170. Built-up crank. There are other methods of building them. See Mechanical World, December 1885. See also No. 182.

171. Single crank, usually of wrought iron, but often made with cast-iron arm.

172. Disc crank. This form is generally adopted when cast iron is employed, and the counterbalance weight cast upon it, to balance the connecting rod, &c.

173. Counterbalanced single or double crank.

174 & 175. Two forms of crank pin eccentrics; sometimes used to drive the slide valve instead of the ordinary sheave and strap, as No. 183.

176. Crank pin set in a boss formed on the driving wheel.

177. Double rod crank.

178, 179, & 181. Hand cranks. These should always be fitted with a loose ferrule of wood for the hand if possible, as much power is lost by the slipping of the hand to change its grip as the crank revolves.

180. Solid three-throw crank shaft, turned out of a solid forging.

[29]

Plate 10

Larger plate.

[30]

182. Built crank. Several modifications of this are in use for large marine shafts.

183. Solid sheave eccentric.

184 & 185. Split sheave eccentrics.

Large eccentrics cause great loss from friction, unless provided with friction rollers in the sheave; but are sometimes used to avoid an additional crank in shaft.

186. Eccentric motion for multiplying travel of eccentric by leverage.

187. Crank motion to turn an angle instead of bevil gear and shaft, the cranks being of the form of Nos. 174 or 175.

188. Shifting or variable throw eccentric. The sheave is slotted to fit the shaft, and its throw is governed by a disc having a spiral slot and locking bolt.

189. Another form of shifting eccentric. The sliding block is arranged to lock in any part of the slot in the sheave.

190. Another form of shifting eccentric, in which the sheave is loose on an eccentric boss cast with the worm wheel, and is revolved by the worm, the bearings of which are fixed to the sheave.

See also Nos. 606, 712, 720, 728, 729.

See also Sections 40 and 79.


Section 11.—CHAINS AND LINKS.

For Hooks, Swivels, &c., see Section 43.

191. Ordinary long or short link chain. It is sometimes made to exact pitch to fit a snug or sprocket wheel. See Nos. 1250 & 1251.

192. Stud link chain.

193. Flat chain for use on flat rim double-flanged pulley.

194. Square link pitched chain for sprocket wheel.

195. Stamped link pitched chain and special sprocket wheel.

196. Ordinary pitched link chain. Links drilled to templet.

197 & 198. Pitched chains to drive wheels with ordinary and special teeth.

199. Another form of square link chain.

200. Stamped link chain, for light purposes.

201 & 202. Long link flat suspension chains.

203. Gib and cotter attachment for long link flat suspension chains.

[31]

Plate 11

Larger plate.

[32]

204 & 205. Drive chains. See Ewart’s patent, No. 2752-76, and others. These chains are replacing belts for many purposes, as they give a positive drive, do not stretch so much, and last longer, besides which they are easily detached at any point, and a damaged link can be readily replaced.

206 & 207. Thrust chains, with friction rollers at each junction, used in hydraulic multiplying cylinder gear in some cases.

208. Ewart and Dodge’s patent chain, with renewable seatings between the links.


Section 12.—CARRIAGES AND CARS.

The design and details of these must always be suited to circumstances. We only propose here to indicate the various types of under-framing and wheels in use, and to give sketch sections of bodies or cars for different purposes.

UNDER-FRAMES.

209. Two-wheel suspension car for single rail or wire rope, used commonly on some kinds of cranes. See Section 18.

210, 211, 212, & 213. Three-wheel cars. See also the various types of tricycles in use.

214, 215, 216, & 217. Various forms of four-wheel under-frames, with and without swivelling bogies.

A car with four wheels arranged as No. 217, but with the leading and trailing wheels slightly raised off the ground, is used as a goods car or hand truck, and is very readily swivelled about, running, of course, actually on three wheels only.

218. Five-wheel under-frame, with and without swivelling bogies.

219 & 223. Plans of six-wheel cars, with swivelling gear for curves; the centre pair having end play, swivel the leading and trailing axles by means of the jointed stays.

220. Plan of four-wheel car, with swivelling gear for curves.

221, 222, & 224. Six-wheel cars, the latter with leading and trailing swivelling bogies.

225. Eight-wheel double-bogie under-frame. This is the plan usually employed in long cars; each bogie is free to swivel independently, and is centrally loaded.

[33]

Plate 12

Larger plate.

[34]

226. Ten-wheel double-bogie under frame, the centre pair to have end play or broad flat tyres.

227. Twelve wheels and three bogies. The centre bogie must have end play, either as in Nos. 222 or 226, or with transverse rollers between the bogie and frame.

Note that in Nos. 221, 223, & 224 the centre pairs, if running on rails, must have either end play in the bearings or flat broad tyres.

228. Open passenger car, either with transverse or longitudinal seats.

229. Covered passenger car, with either longitudinal or transverse seats.

230. Passenger car, with outside and central longitudinal seats.

231. Passenger car, with upper and lower longitudinal seats.

232. Passenger car, as No. 231, but with seats reversed.

233. Passenger car, for one-rail railway.

234. Passenger car, similar to No. 230, but with seats reversed.

235. American plan of passenger car, with transverse seats and central gangway.

236. Goods cars, low sided.

237. Covered or box wagon.

238. Hopper wagon for discharging below.

239. Side discharge hopper wagon.

240. Side tip (or end tip) three-centre wagon.

241. Tip cart.

242. Tip wagon.

[35]

Plate 13

Larger plate.

[36]

243. Furniture wagon.

244. Grafton’s patent side tip wagon.

245. Long truck for boilers, &c.

246. Incline car for passengers.

247. Segmental swivelling bearings, used instead of a swivelling bogie and centrepin.

248. Hudson’s patent tip wagons, with three centres.

249. Hopper wagon, with central discharge.


Section 13.—CRUSHING, GRINDING, AND DISINTEGRATING.

250. Stamp mill, generally arranged in a battery of 4 or 6, for gold and other ores.

251. Stone-breaker, with chilled iron jaw faces and toggle or knapping motion. See Blake’s, H. R. Marsden’s, and other modifications in common use.

252. Double edge-runners. Sometimes driven below. In some designs the rollers revolve, and in others the pan revolves and the roller shaft is stationary.

253. Lucop’s patent centrifugal pulveriser.

254. Carr’s patent disintegrator. In this machine, each ring of bars is driven at a high speed in opposite directions inside a casing, the material being broken by the rapidity and intensity of the blows it receives.

255. Horizontal centrifugal roller mill. The material is crushed between the rollers and the shrouding of the pan by the centrifugal force of the rollers, which are suspended from a crosshead.

256. Cone roller mill, with vertical spindle.

257. Cone roller mill, with horizontal spindle and conical pan.

[37]

Plate 14

Larger plate.

[38]

258. Enclosed cone roller mill, with horizontal spindle and spirally grooved roller and casing.

259. Toothed sector mill.

260. Conical edge runner and pan.

261. Ordinary flour mill. The material is fed in the centre, passes between the stones, and falls out into the outer casing.

262. Rattle barrel, for cleaning and burnishing articles by mutual attrition; sand or emery is sometimes used to assist the process.

263. Ball and pan mill, for crushing ores, &c. The balls are carried round by a cross arm fixed to the central spindle.

264. Inclined ball and pan mill.

265. Oscillating mill.

266. Drum and roller revolving mill.

267. Cradle and roller mill.

268. Cone disc mill; the cones being inclined axially to one another, the material is crushed at the lower side of the cones.

269. Another form of stone breaker with toggle motion.

270. Horizontal cone plate mill.

271. Revolving stamp and pan mill for ores.

272. Vertical cone mill.

273. Revolving pan and ball mill.

274. Planishing discs for accurately rounding iron bars. See the patent rolled shafting in use, manufactured by the Kirkstall Forge Co. and others.

275. Vertical cone grinding and crushing mill. The vertical shaft has an eccentric motion at the footstep, giving a swaying rotatory motion to the grinding cone.

276. Crushing rollers with spring bearing.


Section 14.—CENTRIFUGAL FORCE, APPLICATIONS OF.

277. Centrifugal drill. The cross bar A is alternately pressed down and allowed to rise, the strings winding on the spindle alternately in opposite directions by the momentum of the fly-wheel.

a. Fly-wheel. Use: to receive and store redundant motive power, and give it off again when the motive power falls below the average.
b. Centrifugal hammer. One or more hammers are loosely jointed to a revolving boss, and strike rapid blows on an anvil fixed in the path of their circumference. See No. 1915.
c. Pulverising machines. See Nos. 253, 254, 255.
d. Speed governors. See Section 41.
e. Cream skimmers have a pan revolving horizontally in which the new milk is poured. The cream travels to the outer edge and runs over into a receiving trough.

[39]

Plate 15

Larger plate.

[40]

f. Centrifugal dryers. Manlove and Alliott’s, also Robinson’s continuous feed ditto, are examples.
g. Some forms of turbine. On the principle of Hero’s Eolipile, No. 1696.
h. Swings. Roundabouts. Various toys. The Gyroscope and tops constructed on its principle.
i. Juggling and other tricks performed with pivoted plates and other common articles.
j. Rattle barrel, or revolving drum, for polishing small castings, &c., by centrifugal motion and mutual friction, similar to No. 262.
k. Various machines for grading wheat, grain, and seeds. See No. 475.
l. Centrifugal filter for sugar; a modification of the centrifugal drying machine.
m. Centrifugal pumps are forms of fans or turbines (see Section 90); Gwynne’s, Schiele’s, Andrews’, and others are examples.

Section 15.—CLUTCHES.

278. Common jaw clutch sliding on a feather key, the loose half being cast on the boss of a wheel.

279. Two forms of jaws for ditto.

280. Cone clutch. Screw gear should be used to operate this, as it is liable to “seize,” and there is considerable end pressure on the shaft to be allowed for.

281. Face (friction clutch) with V grooves. See remarks to No. 280.

282. Friction clutch with three or more segments. See also Nos. 38 and 59.

283. Pin and hole clutch. The pin and holes can of course be made parallel to the shaft instead of radial.

284. Cam clutch, used for dexter treadles, also for reciprocating motions driving one way and running loose the opposite way. See also Section 62, Nos. 1135, 1178, &c.

285. Crank pin and arm driver.

286. Pickering’s self-sustaining clutch for hoists. The box A only is keyed to the shaft, and drives the chain wheel and sleeve B by jamming it with the flange of the ratchet-wheel sleeve C by the sliding action of the toothed faces formed at D on the disc and flange of the sleeve B, these teeth being of the ratchet form.

Several other forms of this clutch are in use. Edwards’, Stevens and Major’s, and others may be consulted.

287. Disc friction clutch, with intermediate leather discs and screw clamping appliance, only the central disc is keyed to the shaft, the others run loose. Mather and Platt’s and Addyman’s patent friction clutches are examples.

Numerous forms of friction clutches are in use, modifications chiefly of Nos. 38, 59, and 282. See also Section 5.

[41]

Plate 16

Larger plate.

[42]

Section 16.—COUPLINGS FOR SHAFTING.

288. Ordinary flanged coupling, usually made so that the end of the shaft forms a spigot joint with the opposite half of clutch.

289, 290, 291. Sleeve couplings. See also No. 1430 and Section 57. Butler’s patent frictional coupling, Kirkstall Forge Co., Leeds, Seller’s double-cone vice coupling, and others, are sleeve couplings.

 
292. Angle coupling on Dr. Hooke’s principle.   - See also Nos. 33, 34, and 732.
 
293. Flexible angle coupling for light work.

294. Flanged coupling, with cross feather or key. This plan gives great torsional strength, especially if the coupling flanges are forged solid with the shafts.


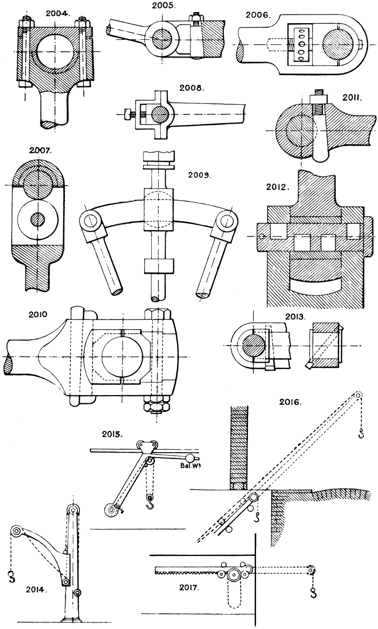
Section 17.—CONNECTING RODS AND LINKS.

295. Turned and finished link without any adjustments; ends may be solid, or forked as No. 297.

296. Flat link of similar description, with raised bosses for facing and wear.

297. Adjustable link, with right and left hand screw coupling. Lock nuts may be added to prevent the coupling working back.

298. Strap link, fitted with brasses, gibs and cotters, and distance bar. In this link the wear of brasses is all taken up one way by the gib and cotter; therefore, if great accuracy in the distance apart of centres is necessary, gibs and cutters should be fitted at both sides of one pair of brasses, or No. 299 adopted.

299. Turned link with adjustable end brasses. The forked end should be used where there is the greatest amount of wear.

300. Wood connecting- or pump-rod with wrought-iron strap ends, fitted with brasses, gibs, and cotters. Much used on mining pumps.

The shafts or rods are sometimes of cast iron of cross or T section, but are usually of a circular or flat section and swelled in the middle, similar to No. 299. See Struts and Ties, Section 102.

301. The most usual form of shifting link for link-reversing gear, generally got up bright all over.

[43]

Plate 17

Larger plate.

[44]

302. Similar link, but having the point of suspension on a side pin, fixed by screws to the link, and raised from it sufficiently to allow the sliding block and pin to pass under it.

303. Reversed curve link.

304. Solid bar link, sometimes adopted for cheapness and simplicity, the valve rod and eccentric rods having of course forked ends.

305. Double bar link. This is also a simple and cheap construction; the bars are plain, the rod ends single, and the block turned large enough to have a recess on each side to fit the links.

306. Strap head connecting rod end, with square brasses, double gibs and cotter.

307. Strap head connecting rod end, but with rounded end and set screw fastening for cotter.

308. Similar to the last, but with screw cotter adjusting device for the brasses.

309. Solid end rod. The brasses take out sideways.

310. Forked end rod.

311. Strap end for heavy rods, having cotter for tightening the strap to the V’s in the rod end. The oil cup is often forged and turned solid on the strap, as shown.

312. Rod end with side strap. The brasses take out transversely by taking off the side strap.

313. Solid end and double set screw fastening for cotter.

314 & 315. Solid ends for small rods. The brasses are usually secured by a set screw.

316. Solid end, split with screw bolt tightening device; may be hinged as shown by dotted line.

[45]

Plate 18

Larger plate.

[46]

317. Covered solid end for crank pins, with screw adjustments for brasses.

318. Common forked rod end, with cap.

319. Hook bolt attachment for gudgeon; sometimes useful where there is thrust only on the gudgeon.

320. Double connecting rod, in which the rods form also distance rods and bolts for the heads, which are in halves and fitted with brasses of the ordinary type.

321. Marine type of rod end, having solid end, square brasses and cap.

322. Marine head, in which the brasses are extended to form the central block in halves, the rod end being of T shape and bolted through the brasses and cap.

323 & 324. Plain links.

There are innumerable varieties of the illustrated types of heads in use, every engineer having his own design.


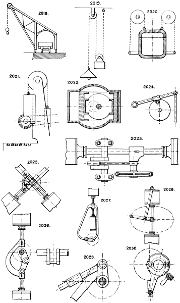
Section 18.—CRANES, TYPES OF.

Our object here is to indicate or suggest general design or arrangement only, from which a selection can be made to suit requirements.

325. Is the common type of wharf crane with fixed post, the base plate being well bolted down to a solid mass of masonry.

326. Is also a common type of wharf crane, but with the post revolving in a footstep and base plate; this gives a better base than No. 325.

327. Has no post, but a revolving frame and base plate with front and back friction rollers, and a centre pin.

328. Post and jib in one piece, usually of wrought iron. A balance weight is fixed at A to balance the overhanging jib.

329. Swing derrick crane, generally of wood. The jib turns three-fourths of a circle, and the two guys are fixed at an angle of 90° apart, and well secured by anchoring or loading, often made with very long jib for builder’s work.

330. Wharf crane, with centre tension bolt instead of crane post. In this arrangement there is a vertical tension on the centre bolt and thrust on the foot of jib.

[47]

Plate 19

Larger plate.

[48]

331. Warehouse wall crane.

332. Warehouse wall crane, with high jib-head.

333. Whip crane, chiefly used in goods sheds. The barrel is sometimes worked by an endless handrope as shown, and sometimes by a second rope and drum with a hand crank as No. 1209.

334. Portable hand crane, with balance weight. The balance weight can be shifted in or out to balance the load.

335. Foundry crane, sometimes with travelling carriage on the jib, as No. 336.

336. Swing bracket crane and traveller, usually formed of flat bars on edge; used only for light loads, for smiths’ shops, &c.

337. Wharf derrick, to turn an entire circle, similar to No. 329, but employed for heavy loads.

338. Floating derrick.

339. Light balance crane.

340. Trussed jib crane, with centre tension bolt.

341. Simple derrick and winch, with two guy ropes; for temporary purposes only, and may be easily shifted about.

342. Sheers and winch.

343. Tripod and winch.

344. Sheers with screw adjustment to back leg. This design is adopted for very heavy lifts, such as loading heavy machinery, shipping masts, boilers, &c.

[49]

Plate 20

Larger plate.

[50]

345. Four-guy derrick and winch, used for fixing columns, bases, masonry, &c.

346. Fixed post steam crane, for wharfs, piers, jetties, harbour works, &c.

347. Portable steam crane, very largely used on wharfs, piers, &c., and sometimes fitted with travelling gear in addition to hoisting and slewing motions.

348. Wharf crane, with fixed engine, centre bolt, and trussed arched jib. This is a very good type, as the ground is kept clear for goods, &c., and of course all motions, hoisting, lowering, and slewing are controlled from the crane above ground by hand levers.

349. Hydraulic wharf crane, with fixed post. The common type universally used in docks, &c., with the ordinary form of multiplying hydraulic cylinder and chain gear; the valve for controlling its movements is operated by hand levers extending up through slots in the floor; the slewing is performed by a separate cylinder and chain gear, with a distinct controlling lever. See Sections 42 and 83.

350. Hydraulic short lift ram, centre crane, and traveller, employed chiefly to raise the ingots out of the casting pits of Bessemer steel works. The ram is of course subject to severe cross strains, and many designs provide an overhead guide or support for the ramhead.

351. Automatic balance crane, portable or fixed; the position of the fulcrum varies with the load.

352. Steam multiplying cylinder crane, in which the ram is forced out by steam pressure, acting either directly or by an intervening body of water.

353. Breakwater swing crane.

[51]

Plate 21

Larger plate.

[52]

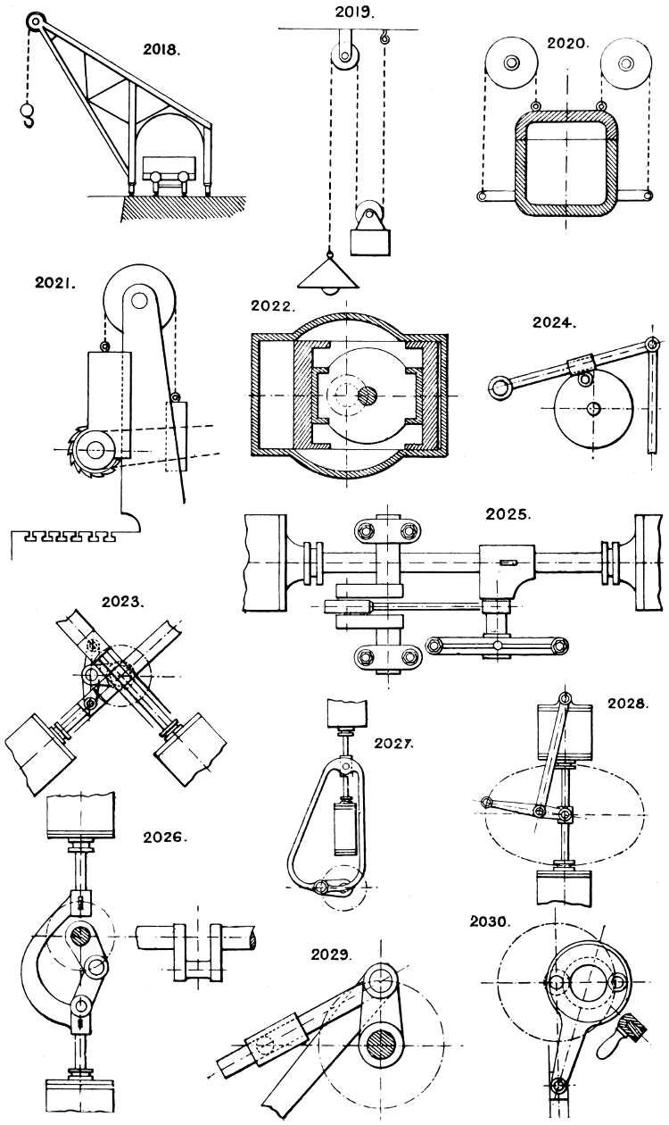
354. Overhanging travelling crane, for use on breakwaters, &c.

355. Overhead hydraulic travelling goliath, to span a railway; has slewing motion and a balanced jib.

356. Single rail crane with top guide rail.

357. Overhead traveller on gantry.

358. Goliath.

359. Steam overhead crane, with carriage to span a railway. Largely used on dock wharves, &c., as they give a high lift and do not encumber or encroach on valuable quay space.

360. Hydraulic cylinder post crane; sometimes adopted instead of the type No. 349.

361. Heavy hydraulic crane, with suspended cylinder; employed for work of the very heaviest class.

362. Ship’s Davit.

363. Balanced jib post crane, no tie rod. The weight must be sufficiently heavy to balance the jib and load.

364. Hydraulic strut jib crane. The load is raised by raising the jib.

365. Overside dock crane, for discharging from ships into barges. The overhang being very great in this design, it must be provided with a heavy frame or balance weight.

366. Wagon tip crane, for loading vessels.

367. Double sheave 4 to 1 purchase for crane jib. See also Section 69.


Section 19.—CONVEYING MESSAGES.

Messages can be conveyed by—

1.

Speaking tube; for distances up to say 300 feet, 34″ to 1″ bore tubes.

2.

Telephone; any distance.

3.

Telegraph; any distance.

4.

By signals—(a) Wire or cord and bell; (b) sight signals, such as the semaphore, lamps, heliograph, flags, and other devices; (c) by sound, such as a bell, trumpet, siren, whistle, &c. See Section 105.

5.

By pneumatic despatch: that is, by forcing a piston carriage containing the message or small parcel through a tube by compressed air.

6.

Carrier pigeons.

 

1. Speaking tube; for distances up to say 300 feet, 34″ to 1″ bore tubes.

2. Telephone; any distance.

3. Telegraph; any distance.

4. By signals—(a) Wire or cord and bell; (b) sight signals, such as the semaphore, lamps, heliograph, flags, and other devices; (c) by sound, such as a bell, trumpet, siren, whistle, &c. See Section 105.

5. By pneumatic despatch: that is, by forcing a piston carriage containing the message or small parcel through a tube by compressed air.

6. Carrier pigeons.

368. Signalling dials and bevel gearing.

[53]

Plate 22

Larger plate.

[54]

Section 20.—COMPENSATING AND BALANCE WEIGHTS.

It is of the utmost importance that every revolving or reciprocating part of any machine should be as nearly as possible balanced, to obtain smooth running with the least amount of wear.

The following are types of the most important devices and their applications:—

369. Balanced lever, having a sliding cheese or ball weight fixed with a set screw.

370. Balanced cage of hoist. It is usual to over-balance the cage to divide the work between the up and down journeys in hand-power lifts to assist the load; but in power and hydraulic lifts the cage is under-balanced so as to descend when empty.

371. Hydraulic balance lift, in which the dead or constant load of cage and ram are nearly balanced by a loaded piston in a supplementary cylinder; to raise the loaded cage the pressure water is admitted to the upper side of this piston. Many varieties of this type are in use; see Ellington’s, Johnson’s, Stevens and Major’s, Waygood’s, and other patent lifts.

372. Variable volute compensating balance for revolving shutters, blinds, curtains, &c., to maintain an even balance in all positions, The weight chain is as thick as the coiling shutter on blind, so that the acting radii of the shutter and weight are always proportional.

373. Variable compensating balance for hydraulic lift rams, to compensate for loss of immersion of the ram as it ascends (Berly’s patent). See also Stevens & Major’s patent, where bell-crank levers and weights are employed instead of loaded chains. See No. 383.

374. Balanced fly-wheel. For balanced cranks, see Nos. 172 & 173.

375. Increasing balance by sections, lifted at intervals as the chain rises.

376. Balanced riveting machine. See Tweddell’s patents.

377. Variable lever balance. For balanced cranes, see Section 18.

378. In deep lifts, to balance the weight of chain or rope, it is made endless.

379. Another method. The loose chain hung from cage is of the same weight per foot as the lifting chain.

380. Balance weight on a screw arm for adjustment, employed on weighing machines.

[55]

Plate 23

Larger plate.

[56]

381 & 382. Worthington’s compensating air cylinders, employed on direct-acting horizontal pumps, working expansively, in lieu of fly-wheel. The oscillating or vertical cylinders are air or spring pistons, absorbing power the first part of stroke and giving it out during the latter part.

383. Variable balance weight by bent lever.

384. Variable balance weight by double links and sliding joints.

385. Dawson’s compensating governor. See Mechanical World, August 25th, 1888.

386. Balanced doors, hinged vertically.

387. Balanced sashes, or vertical sliding doors.

388. Method of balancing a bloom in charging or withdrawing from a furnace, or any similar use.

389. Balance for link motion.

390. Weight to keep a cord or rope in tension.

391. Mode of balancing two sliding doors so that they rise and fall at proportionate speeds.

Hoisting and winding engines (see Nos. 1222, 1223) are balanced by having an ascending and descending cage, and two ropes, one winding on as the other winds off the drums.

Double cage hoists similarly balance themselves. Heavy slide valves, and other reciprocating parts of steam engines, are balanced by small steam pistons. See Nos. 1651-1654.

Foot treadles, when required to always stop at a point off the dead centre, have a balance weight fixed to fly-wheel, at right angles to the dead centre.

A water tank is often used to serve as a counterpoise, or balance, and may be made variable by varying the quantity of water by a siphon or other device.

For Balanced Valves, see Section 89.


Section 21.—CIRCULAR AND RECIPROCATING MOTION.

392. The ordinary type of piston-rod and crank motion as universally used.

393. Watt’s substitute for the above, or “sun-and-planet” gear. Note that the crank shaft revolves twice for each double stroke or revolution of the engine. The crank being a loose link only, the planet wheel does not revolve.

394. Epicycloidal parallel motion and crank. The pinion is one-half the diameter of the wheel on pitch line, and the connecting pin is fixed on the pitch line of pinion.

395. Bernay’s patent crank motion; radius of crank = stroke × ·25.

[57]

Plate 24

Larger plate.

[58]

396. Slot and crank motion. The pin usually runs in a sliding block.

397. Segment pinion and double rack motion.

398. Rack and pinion. The pinion is sometimes made so as to be driven on one stroke and run loose on the other, by a clutch or ratchet motion, such as Nos. 1135, 1178, or their equivalents. See Section 62.

399. Hydraulic multiplying gear. See also Section 42.

400. Slotted crosshead and disc crank. The pin runs in a sliding block in a groove in the covered crosshead.

401. Stannah’s patent, works vertically; the fly-wheel centre A oscillates on the end of a link B, allowing the crank pin to run in a straight line.

402. Screw and fly nut. May be made to produce continuous rotary motion by fitting the nut with a clutch motion similar to 1135 or 1178, so as to grip the wheel only on one stroke.

403. Friction gear; the pinion is driven by the reciprocating rod and runs loose on the out stroke, the weighted lever with roller giving frictional grip on the in stroke.

404. Lever and roller crank pin.

405. Treadle motion, with cord and spring. For continuous rotary motion the pinion must be fitted as described with No. 402.

406. Ball and socket crank motion. The crank pin is always horizontal.

407. Segment lever, with cord and pulley.

408. Double geared cranks, used for driving rotary blowers, &c.

409. J. Warwick’s patent; circular motion converted into reciprocating by a diagonal sheave grooved as shown; the crank arm centre is in line with the centre of the sheave, as shown in dotted lines.

410. Rolling sectors, with thrust motion to crank pin. Used in Outridge’s box engine with double pistons; this gives a constant rectilinear thrust to the crank pin at all points in the stroke, and no part is in tension.

[59]

Plate 25

Larger plate.

[60]

411. Weight and multiplying pulleys, used for clock motions, driving any light machines, &c.

412. Oscillating clutch arm and ring, silent feed motion.

413. Slot and roller motion for crank. The crank pin has a friction roller, which runs in a covered slot in the crosshead.

414. Trammel gear; one revolution of the wheel to two double strokes of piston.

415. Segmental vanes (in a semicircular case), driven by a disc crank and pin, running on the upper centre, giving motion by links to two arms fixed to the two vanes, which have independent motion. Used as a pumping or blowing machine.

416. Circular into reciprocating motion by revolving arm A carrying the two pinions, the point at end of arm B describes a vertical line four times the length of arm B, the large wheel C is fixed, and motion is given to the arm B. May be used as a piston rod and crank motion.

417. Trammel gear; the slotted cross moves in a right line.

418. Slot link and treadle, driving the pinion on both strokes by friction on the inside of link alternately at the upper and under sides.

419. Chain and roller treadle motion.

420. Reciprocating wheel and crank motion.

421. Velocipede pattern foot treadle.

422. Double crossheads, separated by distance rods so arranged as to allow the crank and connecting rod to work between them. See No. 681.

423. Mangle rack and pinion reciprocating gear. The rack moves in a right line, the pinion working round it by moving up and down the slot at each end of the travel of the rack.

424. Mode of connecting an oscillating lever by a sliding joint to any reciprocating part, such as a steam hammer head, engine crosshead, &c. See Nos. 893, 894.

425. Suspended treadle motion.

426. Eccentric and sliding bush motion for a double piston engine.

427. Rocking lever motion by gearing and a tied crank pin. The upper pinion drives the crank disc on the middle centre at each revolution, of which the lever with the gearing attached oscillates from side to side as shown.

[61]

Plate 26

Larger plate.

[62]

428. Crank pin and slotted lever for giving a variable speed to the connecting rod. See No. 1195.

429. Side gudgeon crank motion.

430. Bell crank and disc crank motion, the bell crank centre having horizontal as well as vertical movement.

431. Worm wheel and screw reciprocating motion by means of a tied crank pin. Useful for slow speeds.

432. Treadle, cord and pulley crank motion.

433. Circular into reciprocating motion, or vice versâ.

434. Another form of sun-and-planet gear. The ring is stationary, and the bush on which the planet wheel revolves is slotted to fit the ring; the planet wheel is fixed to the connecting rod end.

435. Bent shaft and arm motion.

436. Reciprocating motion by a return thread screw and lever.

See also Sections 62, 31, and 74.


Section 22.—CONCENTRATED POWER.

Multiplication of power by great reduction of speed is accomplished by the following devices, and various obvious modifications of them. Ordinary methods comprise—Gearing (see Section 84), the screw or compound screws (see Section 78), and the wedge and lever (see Section 53). By differential screws, Nos. 1379, 1380.

437. Compound lever.

438. Double toothed-cam and lever combination.

439. Double lever and link motion, with increasing pressure. The strains are self-contained, and this plan is very suitable where an increasing pressure is required.

440. Lever and toggle motion (see Section 63). Many variations are in use for stone breakers, &c. See Section 13.

Knapping toggle motion. See Nos. 269, 251.


Section 23.—CONVEYING MOTION TO MOVABLE PARTS OF MACHINERY.

Motion may be conveyed to such parts of a machine as require to be movable, or to distinct machinery which has no fixed location, by the following means:—

441. Is an endless rope or other round section belt, kept tight in any position in the plane of the driving pulley by a weighted pulley. In this plan the machine can be moved to any position in the plane of the driving pulley, the weighted pulley taking up the slack of the belt.

442. Flexible shaft for light driving. It admits of considerable flexure, and is useful for drilling and similar incidental driving purposes in difficult positions.

443. Radiating arm and belt. The movable machine can be driven at any point in circumference of the circle described by the arm head.

444. Similar plan, but driven by bevil gear instead of belt.

445. Bevil gear and feather shaft. The movable machine having a travel in a straight line the length of the shaft as well as a radiating motion.

[63]

Plate 27

Larger plate.

[64]

446. Screw and worm wheel gear, for the same purpose as 445.

447. The driven wheel A has a limited travel up and down the slot, the idle wheel B being kept in gear by the link suspension.

448. Idle wheel and slot. A common device for changing direction or speed in driving gear by connecting or disconnecting it with intermediate gearing between a fixed driving and a driven shaft.

449. Parallel motion radiating driving device, with a limited vertical travel and a radial motion.

450. Motion by belt is conveyed to a driven shaft having a radial motion in a vertical plane. Used for light drilling, emery wheels, &c.

451. Steam or hydraulic radiating arm and cylinder device.

452. Central cylinder and radiating lever motion.

453. Jointed radiating arms, with belt gear for conveying motion from a central spindle to one having a travel covering any point within a circle of the extreme radius of the jointed arms.

See also Nos. 348, 349.

Endless rubber or wire coil belts are used to give motion to machines having some amount of freedom of movement as regards the fixed position of the driving pulley.


Section 24.—CUTTING TOOLS.

Besides the ordinary cutting tools in use in the workshop, such as the chisel, gouge, plane, saw, drawknife, scissors, shears, scythe, and others, and which do not properly belong to machine devices, there are others, some of them mere modifications of the ordinary tools that are sometimes needed in the design of machines, and are illustrated here.

Other appliances are—Shears: see the ordinary shearing machines, bookbinder’s shears, No. 462, and other modifications. In some the shears are hinged at one end, in others the movable blade moves either with equal or unequal motion at either end by cam or crank motion (see 462.)

454. Pipe cutter, with V-edged cutting roller. Sometimes 3 cutting rollers are used. See No. 466.

455. Cutting discs, used for paper, sheet metal, &c.

456. Slitting discs, for cutting sheets into strips.

457. Revolving cutter head, for moulding, tenoning, and numerous wood working uses.

458. Hollow revolving cutter head, for rounding wood rods, broom handles, &c. See also No. 488.

459. Reaping machine cutters. A series of scissor-shaped knives, one set fixed and the other reciprocating.

460. Wire cutter discs, one fixed, the other attached to the hand lever, and having corresponding holes of various sizes in both discs.

461. Chaff machine, with revolving shear blades.

462. Guillotine shears.

463. Milling cutters.

464. Tubular machine cutter for wood working; easily sharpened, and can be revolved to present fresh cutting edges to the work.

[65]

Plate 28

Larger plate.

[66]

465. Fret saw or jigger.

466. Three-cutter tube shears, with worm gear motion.

Section 25.—CONDENSING AND COOLING APPLIANCES.

Their uses generally are to condense steam, to cool heated gases, air, or articles of food requiring a low temperature; distilling, and other purposes. For cooling purposes, compressed air machines are in most demand. The air is compressed in a cylinder, then cooled to ordinary temperature again in a surface condenser, such as No. 468, and then expanded into the cooling chamber, through a cylinder and piston, the expansion reducing its temperature usually to 10° or 20° below zero. Other cooling appliances are ammonia machines, fans, and blowers of all kinds, punkahs, or waving fans, freezing mixtures, &c.

467. Gravity condenser. The pipe should be 34 feet high or more, in which case no air pump is required, as the condensed steam and air are discharged below. In place of the pipe an air pump and foot valve are required, and are commonly used, as it is seldom convenient to have a vertical pipe 34 feet long with a water supply at the top.

468. Surface condenser, multitubular. The steam may be led into the tubes, and the water around them, or vice versâ.

469. Worm, or coil condenser, chiefly used for distilling.

470. Still condenser for essences, spirits, &c.

471. Condensing chambers for gases, &c. Horizontal or vertical.

472. Wimshurst’s condenser, requires no air pump. The exhaust comes down the vertical pipe, meeting the injection water from the side nozzle, causing sudden condensation and vacuum. The condensed water, &c., are blown out through the foot valves at each stroke.

473. Another form of ejector condenser in which the steam and water form a vacuum in the nozzle, and the water, &c., are discharged through a foot valve (not shown).

474. Tray cooler, or condenser; a series of water trays supplied from a tank above.

See Morton’s ejector condenser, which requires no air pump; Hayward’s exhaust condenser, which employs the water in suction pipe of a pumping engine to condense the steam. See Messrs. Tangye’s list. Water tube cooling coils are used for tuyeres and other hot surfaces.

Air-compressing and gas engine cylinders are water jacketed to carry off the heat of the compressed air or gas. Cooling by exposing a large surface to air is sometimes employed for exhaust steam on tram car engines &c., the apparatus consisting generally of numerous wrought-iron tubes or coils.


Section 26.—CONCENTRATING AND SEPARATING.

Sifting, riddling, and screening are treated of under Section 72. For concentrating ores many methods are in use, of which the water processes are the most important.

475. Circular revolving concentrating table. The lightest particles are discharged over the edge, and the heaviest remain in the centre.

The ordinary magneting machine, for separating particles of iron or steel from mixed borings, &c., consists of a series of magnets drawn through the [67]material, and then through fixed brushes, which brush off the iron particles adhering to the magnets.

Plate 29

Larger plate.

[68]

476. Separating dust from grain, &c., by a current of air driven through the stream of material as it falls from hopper to hopper. See also Nos. 1268, 1270.

477. Ore concentrator; consists of an endless rubber belt with flanges (see No. 1082), having a slow longitudinal motion, and a rapid shaking motion, either sideways, as in the “Frue Vanner,” or endwise, as in the “Embrey” concentrator; a stream of water runs over the ore, the heavy particles settle on the belt, and the mud is washed off.

478. Jig for separating ores by motion of a piston in water, the heavy parts settle to the bottom and the light parts are removed at the top.

Filtration through various substances—as sand, charcoal, calcined ores, &c., is employed to separate suspended matter from liquids.

Separation by subsidence in a tank, similar to No. 1571, is employed for lime, &c.

Chemical deposition and evaporation are necessary in many cases.


Section 27.—CHOPPING, SLICING, AND MINCING.

479. Has a disc cutter with radial knives and slots; used for roots, &c.

480. Disc cutter, with small knives wedged in separate holes, through which the cuttings escape in shreds.

481. Revolving cutter rollers.

482. Hand mincing compound knife.

483. Spiral tapered revolving cutter, in a conical case, having projecting knives on its interior. The type of the common mincing machine.

484. Two or more rectangular cutters, with vertical reciprocating motion in a revolving pan for mincing.

485. Single roller revolving cutter machine.

486. Revolving spiral cutters, as used in the common lawn mower, in conjunction with a fixed straight knife or shear blade.

487. Apple slicer and corer (cutter for). The apple is passed down through the cutter and divided into sectors and central cylindrical core.

See also Section 24.


Section 28.—CHUCKS, GRIPS, AND HOLDERS.

Common devices for gripping articles comprise the ordinary vice, tongs, pincers, pliers, joiners’ handscrew, cramp bench screw, parallel vice, instantaneous grip vice, &c.

488. Hollow chuck, with radial knives, for rounding wood rods. See also No. 458.

489. Barber’s patent grip for shanks of drills, brace bits, &c., having square taper shanks.

490. Collar grip and bolt, or set screw.

491. Cone and screw lever grip, with two or more jaws; with two jaws only it serves as a small vice.

492. Taper grip for vices.

493. Tool box, for lathes, planing machines, &c., with central revolving tool post and set screw.

[69]

Plate 30

Larger plate.

[70]

494. Tool box, with two tool stocks and set screws sliding in T grooves in the slide rest.

495. Tool box, with clamping screw and plate, which can be revolved to any angle.

496. A modification of 495, the tool being secured by set screws in the clamping plate.

497. Rail grip for holding a crane, car, &c., down to its railway.

498. Cam-lever rail grip for safety gear on inclines; this is usually thrown into action by a spring released by the breakage of the hauling rope.

499. Cone centering grips for machine tools.

500. Hinged clamp, with screw and nut.

501. Fitter’s clamp or cramp.

502. V grip vice for round rods and tubes. This is frequently made with multiple V’s to hold cylindrical articles such as drills, &c., and is a common device for drill chucks.

503. Lathe carrier, for round rods, spindles, &c.

504. Bench cramp; employed to hold down to the bench work operated upon; the bench has a series of holes bored in it to receive the vertical leg of the cramp.

505. Grip tongs, used for draw benches, &c., the bite of the jaws increasing with the strain on the chain.

506. Split cone expanding chuck for rods, &c.; the centre cone is split into three or four parts, and the screwed ring or collet contracts the split cone upon any cylindrical article inserted in the central aperture.

507. Le Count’s patent expanding mandril, with cone and three sliding feathers which are fitted into dovetail grooves in the conical mandril. The travel of the feathers being limited, they are provided with steps to take various sizes of holes.

508. Bell chuck and set screws for lathes.

509. Three jaw grip, or stay bearing, used as a steady for long shafts or spindles.

510. Pipe tongs, self gripping; there are several modifications in use.

511. Paper grip, used for holding sheets of paper; released by striking a stop A at any point in the travel of the machine.

[71]

Plate 31

Larger plate.

[72]

512. Split bar grip, or tool holder.

513. Eye-bolt tool holder.

514. Hand pad for holding small tools.

515. Self-adjusting jaws for round articles.

516. Adjustable gripping tongs for lifting heavy stones, boxes, &c. See also No. 761.

517. Revolving tool post, or head, to carry a variety of tools, each being required in use in a certain order, as in special repetition turning work.

518. Double screw gripping tongs.

See also No. 944, 912, 918, 917, 919, 923.

The ordinary three or four-jaw chucks, wood chucks with centre screw or fork, and numerous varieties of self-centering chucks, are well known. See tool makers’ lists.

Spindle grips, Nos. 917, 918, 919.

There are numerous forms of three and four-jaw chucks, both with universal or centering motions, and with independent jaws. See Horton’s, Cushman’s, the Sweetland, Pratt and Whitney’s, Westcott’s and others, chiefly American.

These are various combinations of the scroll (No. 1384) and screw jaws, as in the ordinary dog chuck. See also Nos. 1378 and 1381.


Section 29.—CUSHIONING.

For checking the impact of a blow, or more generally the momentum of a heavy moving part of a machine. The devices in use comprise (a) springs, see Section 80; (b) air cylinder, see No. 1480; (c) pistons driven by elastic fluids, such as steam and air, can be cushioned by imprisoning a portion of the fluid at each end of the cylinder; (d) brakes of various kinds, see Section 5.

519. Hydraulic cushion. The descending ram, by its tapered end, closes gradually the discharge outlet for the water.

Hydraulic buffer stops are constructed on this principle.

520. Cushioning device, at the upper end of a steam-hammer cylinder. Should the piston pass the exhaust holes, the steam above is imprisoned, and checks the piston without shock.


Section 30.—DRILLING, BORING, &c.

Besides the ordinary tools in use, as gimlets, bradawls, pin and brace bits, augers, &c., which do not need description, the following are noteworthy:—

521. Is the ordinary V drill for metal work.

522. Flat point, or “bottoming” drill.

523 & 524. Countersinking drills for metal.

525. Centre bit for wood.

526. Twist bit for wood; clears its own borings. There is a variety with rounded cutter edges.

527, 528, & 529. Rock drills, or “jumpers.”

530. Earth borer, or mooring screw.

[73]

Plate 32

Larger plate.

[74]

531. Twist drill for metal.

532 & 533. Countersinking drills for wood.

534. Diamond drill for rock; bores an annular hole, the core of which breaks out at intervals.

535 to 545. Well boring tools for different kinds of strata; tools for raising broken rods, &c.

546. Hollow boring cutter for cutting a shoulder on a central core; dowelling bit.


Section 31.—DIFFERENTIAL GEAR.

Devices to utilise the difference of velocity, or power, between two distinct moving parts.

547. Equational box. Two drivers A, A′, equally speeded in opposite directions, will drive the bevil gear at same velocity without revolving the spur wheel C′ which is loose on the shaft; but any alteration in the relative speeds of A and A′, causes the bevil pinion to travel round, carrying the spur wheel C′ at a speed equal to half the difference of the two velocities. This gear is used on traction engines to drive the swivelling wheels round curves, where the proportionate velocities of the wheels will vary with the radius of the curve. In this application of the gear B is the driving shaft, and A and A′ the swivelling wheels.

548. Is a modification of 547. The pinion A may be controlled in speed by any hand or automatic device, to vary the speed of the driven pinion B. The belt pulley C carries round the bevil wheel D, driving B at a speed varying with the motion given to A.

549. Two wheels (one of which has a different number of teeth to the other) gearing into one pinion; used for counters and slow motions of all kinds.

550. Is an application of No. 549 by internal or epicycloidal gear to pulley blocks. Moore’s patent (No. 1545) and Pickering’s patent are examples. The arm shown is not required where two internal loose wheels are used with different numbers of teeth, and one pinion as in No. 1545, but if used is fixed to the pinion so that it is prevented from revolving, but retains its circular swaying motion; in this case, one internal wheel is movable and the other fixed, the speed being equal to the difference in number of teeth of the loose wheel and pinion at each revolution of the eccentric shaft.

551. Weston’s differential pulley block, consisting of a two-grooved pitched chain-sheave having different numbers of teeth, in combination with a return block and endless chain.

552. Differential screws. These may be both of the same hand, or one right and one left-handed, and any fractional speed secured by proportioning the pitches.

[75]

Plate 33

Larger plate.

[76]

553. Two-speed gear, operated by a double clutch, which throws either pair into gear as required.

554. Stewarts’ differential gear. Two cranks, one fixed to a sleeve and the other to a centre shaft, are driven round at varying velocities by a slotted crosshead revolving with the driving shaft. The two shafts are not in the same line.

555. Differential hydraulic accumulator. The effective area of the ram is the annular shoulder, or the difference between the areas of the top and the bottom rams.

556. Differential governing device. The motive power drives A which winds up the large weight; the small weight tending to run down, drives the fan regulator, and the two weights are so adjusted that when the proper speed is attained, both weights are stationary; any change of speed causes them to run up or down, so actuating the regulation by the bell crank lever and rod.

557. Varying differential regulator. The upper rod A is connected to the regulator valve or other device, and it is capable of receiving motion from either the piston, which acts against a spring, or from the rod B attached to some positive reciprocating part, so that the nett movement of A is due to the difference of motion of B and the piston C.

Differential Worm Gear, No. 1559.


Section 32.—ENGINES (TYPES OF).

The following sketches are type drawings of the most important forms of Steam Engines in use, and are intended to afford a choice of outline arrangements from which in any scheme under consideration a selection may be made as a basis, without reference to details.

VERTICAL ENGINES.

558. Overhead cylinder engine.

559. Overhead crank engine,

560. Overhead crank engine, cylinder oscillating.

561. Overhead cylinder engine, with oscillating cylinder.

 
562. Overhead tandem compound engine.   - These can, of course, be reversed and the crank fixed overhead.
 
563. Overhead double compound engine.

564. Overhead one-crank compound oscillating engine, cylinders at right angles and receiver between.

565. Overhead double-crank compound oscillating engine, with receiver.

566. Overhead crank compound tandem oscillating engine.

[77]

Plate 34

Larger plate.

[78]

567. Vertical engine, with top guides, double connecting rods, and underneath crank shaft.

568. Vertical trunk engine.

Note that the trunk plan is applicable to any of the preceding arrangements, and is employed where a very short engine is required.

569. Vertical triple compound engine, single acting cylinders. The high pressure steam acts first on the under side of the small piston, is then expanded into the annular under side of large piston, and finally expanded into the upper side of large piston.

570. Vertical compound engine, with annular cylinder. The central cylinder is the high pressure, and the annular cylinder the low pressure.

571. Vertical annular cylinder engine, with crank below.

572. Vertical slotted crosshead engine.

573. Standard vertical engine; a type largely used and possessing many good points.

574. Double cylinder engine, with T connecting rod. (Bernay’s patent.)

HORIZONTAL ENGINES.

 
575. Box bed engine, high pressure.   - These can, of course, be duplicated side by side.
 
576. Double box bed engine, coupled end to end.
 
577. Oscillating cylinder engine, with crosshead guides.
 
578. Trunk engine.
 
579. Return crank engine.

580. Diagonal engine. See also No. 564.

[79]

Plate 35

Larger plate.

[80]

581. Horizontal tandem compound engine.

582. Galloway’s oblique compound engine.

583. Double cylinder compound engine, with receiver, cranks at right angles.

584. Trunk bed engine.

585. Double piston engine. The pistons are sometimes coupled to two crank pins at right angles.

Condensers (see Section 25) may be driven (a) from horizontal engines either direct by continuation of the piston rod, or (b) may be worked horizontally below by a vertical rocking beam coupled to the main crosshead, or (c) worked vertically below by a bell crank coupled to the main crosshead, or (d) by a separate small steam cylinder working independently, or (e) by a connecting rod or gearing from the crank shaft.

For Jet Condensers see Section 25.

BEAM ENGINES, &c.

586. Ordinary pillar and overhead beam engine.

587. Has extended beam and double cylinders, either as a compound engine or one cylinder may form a pump or blast cylinder. In some designs the high and low pressure cylinders are placed side by side and coupled to the same end of the beam by a modified parallel motion.

588. Side lever engine.

589. Plan of beam engine, with compound cylinders.

590. Walking beam engine.

591. Diagonal engine.

592. Three or four cylinder high-speed engine, with single-acting cylinders.

593. Vertical high-speed single-acting engine, with one or more cylinders.


[81]

Plate 36

Larger plate.

[82]

Section 33.—ENGINES AND BOILERS COMBINED (see also Boilers, Sec. 6).

VERTICAL ARRANGEMENTS.

594. In this engine the boiler forms the standard for support of engine parts, but it is better to fix these on a vertical bed-plate bolted to the boiler, or as No. 595.

595. Any type of vertical engine and any type of vertical boiler can be combined on this plan.

596. Vertical boiler (any type) and horizontal engine (any type).

597. Any type of vertical boiler, with short horizontal engine on crown.

598. Vertical boiler, with cylinder sunk in the centre of crown.

599. Overhead crank engine and boiler, the latter forming the base to which the engine parts are fixed.

HORIZONTAL ENGINES.

600. Loco.-type semi-fixed horizontal engine.

601. Loco.-type semi-fixed horizontal engine, with engine on top. When placed on wheels this type constitutes the well-known “Portable.”

602. Horizontal semi-fixed boiler, with circular shell and engine on top. (See No. 72.)

603. Horizontal semi-fixed boiler, with underneath fire-box. (See No. 71.)


Section 34.—ELLIPTICAL MOTION.

604. Ellipsograph; by gearing; the bevil wheel A is fixed, the other three revolving with the whole machine on the fixed central standard, the distance A′ should equal the difference between the major and minor axes of the ellipse.

605. Performs the same operation in a similar way; A is fixed; B is same diameter as A; and C = 12 diameter of A and B.

606. Common trammel or ellipsograph.

There are other forms of apparatus for drawing ellipses merely (see Knight’s Dictionary of Mechanics). See Trammel Gear, Sec. 40.

607 & 608. Two forms of ellipsographs or elliptical cranks.

See also No. 144.

[83]

Plate 37

Larger plate.

[84]

Section 35.—ELASTIC WHEELS.

Wheels with rubber tyres are the common form. Wheels with a loose flat tyre outside a fixed tyre and with various forms of springs inserted between the tyres. (See Springs, Section 80.)

609. Huxley’s wheel, with spring tyre and jointed spokes.

610. Wheel with double tyres and intermediate springs.

611. Two plans of bent spoke, spring formation.

612. Two plans of bent spoke, spring formation.

613. Has an outer elastic tyre and an inner rigid ring, to which the tension or compression springs are fixed.

614 & 615. Sections of rubber tyres.

Wheels are also made with rubber rings applied between the boss and shaft so as to allow a limited amount of elasticity between the wheel and axle.


Section 36.—EXPANDING AND CONTRACTING DEVICES.

Common expedients for these purposes are—jointed folding rods, as a carpenter’s rule; the telescope tube; net work; diagonally crossed and jointed bars; lattice work; springs (see Section 80); lazy tongs (No. 623).

616. Telescopic ram hydraulic lift. (See also No. 1217.) Consisting of two or more rams sliding within each other.

617. Parallel bar expanding grille, or gate.

618. Parallel bar expanding grille, with lazy tongs motion, each alternate bar has slotted holes as shown.

619. Modification of 618. The number of horizontal bars can be multiplied indefinitely.

620. Venetian blind; this method is used also for movable doors or partitions, sliding horizontally.

621. Venetian blind, but without revolving motion to the laths or slats.

622. Perforated bar and hooked rod suspender.

623. Lazy tongs expanding connecting rod.

624. Four-guide expanding link device, for varying motion.

625. Thorburn’s tube expander, operated by a central cone and ring of conical rollers.

626. Gasometer.

627. Timms’ expanding boring tool. Operated by a central cone and three or more diagonal feathers, sliding in dovetail grooves in the central cone.

Expanding Mandrel, No. 507.

Expanding Chucks, Nos. 489, 491, & 506.

[85]

Plate 38

Larger plate.

[86]

628. Expanding basket, with chain corner suspenders.

629. Expanding socket, with sliding ring grip.

630. Expanding grating, formed of bent steel laths on edge.

631. Bridge or flap between cars, having buffers.

632. Expanding core barrel, in three parts, expanded by a wedge.

633. Expanding mandril or chuck. See also Section 28.

Expansion Joint, Nos. 1076, 1077.

Expanding Pipes, No. 1079.


Section 37.—FASTENING WHEELS TO SHAFTS.

Besides the ordinary plan of shrinking them on while hot, the following are the chief devices in use:—

634. Square shaft and single key.

635. Square shaft and two keys at right angles; two keys should always be used for a square shaft, unless it has been machined to fit to the hole.

636. Round shaft and hollow key.

637. Round shaft and flat key.

638. Round shaft and sunk key.

639. Staked fastening, four keys, usually on flats cut on shaft, but better if slightly sunk into shaft.

640. Set screw. Cannot be depended on for any but light strains.

641. Taper pin.

642. Split pin; always used where a pin, bolt, or centre is liable to work loose.

643. Cotter and slot.

644. Screwed pin through shaft and boss of wheel.

645. Octagonal shaft of cast iron, with four keys, or the four keys may be cast on shaft.

646. Cotter or pin through side of shaft.

647. Large wheels are sometimes wedged with iron and wood wedges all round on a square or octagonal shaft having feathers cast on it.

648. Set screw, tapped half into shaft and half into wheel.

649. Screwed shaft, nut and clamping plates; used for emery wheels, grindstones, circular saws, and milling cutters.

[87]

Plate 39

Larger plate.

[88]

650. Screwed end and nut, the hole in wheel being square, or round and fitted with key.

651. Gib head taper key.

652. Plain taper key.

653. Taper round pin.

654, 655. Split pins (round).

656. Cotter and split pin.

657. Cotter and nut.

658. Dovetail taper key, or fixing for projection, cutter or bracket.

659. Self-locking pin; cannot work out.

660. Split collar and ring fastening, sometimes used instead of a nut and screwed end; the inner ring is in halves.

661. Piston rod fastening.

662. Locking feather and wedge fastening, for rollers, &c., prevents end motion.

663. Railway chair key.


Section 38.—FRICTION GEAR.

Various forms of friction gearing are much used, the chief objection to this kind of gear being the excess of pressure on the bearings required to give sufficient grip to drive the gear.

664. The common form of flat-faced friction gear for hoisting purposes, &c. See No. 1211. The required pressure is given by a weighted lever.

665. Friction bevils, plain faces, for governor driving, &c.

666. Friction bevils, the pinion being usually of hard leather; the pressure may be applied in the direction of either of the arrows.

667. Multiple V gear. A common mistake is to run these too deep in gear; the narrower the surfaces in contact, short of the seizing or crushing point, the less the power wasted in friction.

668. A very small pinion of leather, wood, or rubber is frequently driven by a large driving wheel for obtaining high speed with steadiness, for driving dynamos, fans, &c.

669. Disc wheel and rubber pinion, arranged to reverse motion or vary speed. See No. 1595. The motion is reversed by throwing either wheel into gear with the pinion, and the speed varied at will by raising or lowering the pinion, used for screw presses.

670. Wedge friction gear.

[89]

Plate 40

Larger plate.

[90]

671. Coupled bearings for friction gear, to allow of any required pressure or “bite,” the strains being self-contained.

See also No. 737, 738, 1294.


Section 39.—GUIDES, SLIDES, &c.

PISTON-ROD GUIDES.

672. Two bars and crosshead; these must be far enough apart to allow for the angle of the connecting rod.

673. Four bars, crosshead, and slide blocks; the connecting rod working between the two pairs of guides. The bottom guides are often cast solid with the bedplate.

674. Bar and slipper.

675. Adjustable slipper; there are other adjustments for wear by wedge pieces, similar to No. 19. See also No. 21.

A plain guide bush is sometimes used as No. 682, and a forked connecting rod with long fork coupled to the gudgeon or crosshead.

676. Section of No. 673 and alternative crosshead for two round bar guides.

677. Slide bed and slipper.

678. Section of trunk guide, cast with engine bed and bored out.

679. Oscillating cylinder piston head guides.

680. Oscillating fulcrum in lieu of guides.

681. Diagonal crosshead and guide bars, to allow the crank and connecting rod end to pass the guide bars.

VALVE ROD GUIDES.

682, 683, 684, & 685.

GUIDE ROLLERS.

686 & 687. Guide rollers for ropes, &c.

688 & 689. Guide rollers for bars of various sections.

LIFT AND HOIST GUIDES.

690. Cage guided by four corner posts.

691 & 692. Cage runs on two vertical rails, and is steadied by a third guide. For large cages. Small cages only require guides on one side, as 692.

[91]

Plate 41

Larger plate.

[92]

693. Iron wire or rod guides, strained tight, are sometimes used, especially in mines, as guides for the cage; two are used to guide the cage and two for the balance weight.

694. Planished round iron guides, with half round fixing brackets and runners attached to cage; these guides are equal to planed bars and much less costly; two are usually sufficient for any cage.

695. T L or iron guides, for goods lifts.

696. Wire rope guides, with separate pair of wood guides for balance weight.

697. Intermediate guides for double cage lifts; for large cages extra guides at each side should be used.

698. Sloping carriage guides.

699. Vertical bracket cage guides.

MACHINE GUIDE BEDS.

700. Double V bed, with set screw adjustments.

701. Guide bed for planing machine, or any machine where the bed is not liable to lift in working.

702. Round bar and flat guide bed.

703. Deep V guide; much used for crossheads, tool boxes, &c., requiring accurate movement.

704. Lathe bed with square guides and adjustments for wear.

705. Planing machine, double V bed.

706. Crosshead for two single bar guides, with renewable wearing strips and square guide surfaces.

707. Radial slide for tool box, usually of same section as No. 700.

ROPE GUIDES.

708, 709, & 710; in 709 the rope can be threaded without passing the end through.


Section 40.—GEARING, VARIOUS DEVICES IN (not otherwise classed).

711. Conical rotatory gear. Applied to reaping machines. See also Pan Screen, No. 1264.

712. Triangular eccentric, used to obtain a pause of one-third revolution at each end of the stroke.

713. Face plate worm gear.

714. Double rack and pinion gear.

715. Double gear wheels.

[93]

Plate 42

Larger plate.

[94]

716. Eccentric gearing; the wheel A being fixed on a crank pin in the driving wheel B, drives the dotted gear at a speed proportionate to the diameters of the wheels A and the driven wheel.

717 & 718. Forms of epicyclic or planet gear. Several modes of driving these may be employed by fixing one or other of the three wheels, the other two revolving. See Differential Gear, Section 31.

719. Multiple trammel gear. The pinion is half the diameter of the wheel, and makes two revolutions to one of the wheel.

720. Trammel crank gear; the crank revolves once to two double strokes of the rod.

721. Knight’s noiseless gearing, for two shafts running in opposite directions. Each shaft has two equal cranks at right angles, which are coupled by links to rocking arms, which are also coupled in pairs.

722. Eccentric variable speed toothed gear.

723. Scroll bevil gear.

724. Segment reversing gear, to obtain two speeds in portions of one revolution, and in opposite directions. See Reversing Gear, Section 74.

725. Snail wheel, or scroll ratchet.

726. Combined spur and bevil wheel.

727. Double screw gear, for steering gear, &c.

728. Angular ball-jointed crank motion.

729. Crank gearing between two shafts running in the same direction. See No. 187. The cranks should be similar to Nos. 174 or 175.

730. Snail worm gear.

731. Diagonal engine or pump, with bevil gear revolving motion and three or more cylinders.

732. Angle coupling on Dr. Hooke’s principle. See No. 292.

733. Worm and crown gear. Used in chaff machines; useful to obtain a slow feed on two shafts in opposite directions.

[95]

Plate 43

Larger plate.

[96]

734. Ball wheel, with limited angular traverse gearing into one or two pinions.

735. Scroll and rack.

736. Variable speed gear, from an elliptical or other irregular-shaped driving wheel, combined with a tied idle intermediate wheel.

737. Spring friction grip wheels.

738. Intermittent reversible feed motion. The pinion is of leather, and drives the segment till it runs out of gear; when the machine is reversed it travels an equal distance the opposite way.


Section 41.—GOVERNING AND REGULATING SPEED, POWER, &c.

739. Is a device for varying the opening of a main valve (connected to rod A) by the pressure on the small piston, which moves it against the tension of a spring.

740, 741, 742, & 743. Types of centrifugal governors, of which numerous varieties are in use.

Pumping engines may be governed by allowing the pressure of water in the rising main to accumulate in a stand pipe or equivalent device until it stops the engine by excess of pressure. To prevent such an engine running away a catch is used, kept open by the pressure of water; when the pressure falls below a certain point the catch is released and closes the throttle valve.

Steam engines may also be safeguarded in the same way by a catch which is released and closes the throttle valve when the governor becomes fully expanded.

744. Screw and nut device, to control the travel of any machine, such as a lift, by reversing the belt or throwing out a catch after any specified number of revolutions, the travel being adjusted by the stop nuts.

745. The cataract is one of the oldest governing devices. It consists essentially of a vessel which is filled with water by one stroke of the engine, and empties itself through an adjustable orifice during the return stroke, the valve motion being prevented from reversing till the water is all discharged.

746. Gas engine governor. Rod A has a reciprocating motion from the engine, and the spur on lever B strikes the end of the gas valve slide when brought in line with it by the motion of the governor, thus supplying gas only when the governor falls to a certain point.

Differential Governor. See Nos. 556 and 557.


Section 42.—HYDRAULIC MULTIPLYING GEAR.

747. Is the ordinary “chain and sheave” multiplying gear, unequally geared, thus—

Ram end. Cylinder end.  
With 1 sheave 1 sheave it is geared 3 to 1. &c.
2 2 5 to 1.
3 3 7 to 1;

748. Is the same plan, but equally geared—

Ram end. Cylinder end.  
With 1 sheave No sheaves it is geared 2 to 1. &c.
2 1 sheave 4 to 1.
3 2 6 to 1;

749. An arrangement of the sheaves suitable for vertical working, geared 8 to 1.

750. An arrangement of the sheaves suitable for vertical working, but geared 6 to 1.

[97]

Plate 44

Larger plate.

[98]

751. An arrangement of the sheaves suitable for vertical working, but geared 4 to 1.

752. Stevens and Major’s patent for horizontal working. The angle of the chain helps to support the weight of the ram.

753. Modification of 752, sometimes used, and suitable for both horizontal and vertical positions, with any required multiplication of speed.

754. Rack gear; short stroke piston cylinder plan.

755. Double rope vertical ram gear.

756. Arrangement with the sheaves all at head of cylinder.

For Telescopic Hydraulic Lift, see Nos. 1217 & 616.

Hydraulic Balance gear, Nos. 371, 373.


Section 43.—HOOKS, SWIVELS, &c.

For Chains and Links, see Section 11.

757. Double or match hook.

758. Split link. See also the common Key Ring.

759. Self-locking hook, with inclined shoulder and pin.

760. The common “Lewis.”

761. Self-gripping claw grab. See also 516, 505.

762. Grab bucket, on same principle.

763, 764, & 765. Double S links.

766. Hook with rope grip.

767. Snap hook.

768. Snap link.

769. Slip hook for a monkey or pile engine; a rope is attached to the eye in end of lever which pulls the loop link away from the bottom link to which the “monkey” is suspended, allowing it to fall.

[99]

Plate 45

Larger plate.

[100]

770. Automatic slip hook; slips the T end of the “monkey” by the curved arms striking the sides of a fixed stop hole.

771. Draw bar hook, self-locking.

772. Fixed bar hook, with snap.

773. Slip hook.

774. Hook, with mousing ring; slip hook.

775. Crane hook, with swivel.

776. Double swivel links, inserted in a chain to take out the twist.

777. Triangular link, to attach two chains to one.

778. Safety link. Has a flat on link to slip in notch of hook.

779. S link.

780. Split link.

781. Bolt shackle.

782. Double link and bolt connection for ordinary chain.

783. Pin shackle.


Section 44.—INDICATING SPEEDS, &c.

784 & 785. Hand (portable) indicator, to indicate speed of revolution of a shaft, &c., by simple wheel work and dial plate.

786. Governor gauge, indicates the speed by the angle of the balls moving a finger on a vertical scale.

787. Steam engine indicator, of which there are many varieties. Macnaught’s, Richards’, Darke’s, Kraft’s, Casartelli’s, &c., are examples, in which a small steam piston operates a marking point by the varying pressure of steam acting against a spring; the paper is usually coiled on a cylinder having a reciprocating motion by a string from the engine.

788. Morin’s dynamometer. Consists of two belt pulleys connected by a spring; one receives the strain of driving belt, and the other transmits it, the spring indicating the tension on the belts.

789. Regnier’s dynamometer indicates the tension on the connections by contraction of the spring operating a dial plate.

790. Bourdon tube pressure indicator. The tube is of flat section, and its curved portion expands with the pressure, operating a finger on the dial by rackwork.

791. Worm gear and dial to register the number of revolutions. See No. 1559.

Other forms of pressure gauges are—1st. The mercurial gauge, in which the pressure is indicated by the height of a column of mercury in a glass tube. 2nd. The water gauge, in which a column of water replaces the mercury. 3rd. The spring balance (see No. 1729). See also Nos. 1730, 1728.

[101]

Plate 46

Larger plate.

[102]

792 & 793. Winding engines are provided with indicators on the principle of No. 744. The travelling nut has a pointer whose position on a vertical graduated scale shows the position of the cage in the pit.

Vertical scale indicators are also employed to show the level of water in tanks, reservoirs, &c. See No. 1730.

Water tube indicators are employed to show the level of water in boilers, &c., as also gauge cocks fixed at various heights in the boiler.


Section 45.—JETS, NOZZLES, AND INJECTORS.

794. Straight jet, for long distances.

795. Short jet.

796. Rose jet, for spreading.

797. Fan jet, or spreader.

798. Blast tuyere.

799. Smith’s tuyere and water bosh.

800. Jet aspirator, for inducing a mixed current of air and water or steam.

801. Steam jet pump; the steam enters by the central jet and causes a vacuum, into which the water rises by the branch pipe.

802. Insufflator for steam and air blast; used also as a petroleum injector, &c.

803 & 805. Spray jets; the liquid rises by gravity at the small vertical nozzles, and is driven in a spray or mist by a cross blast of air from the horizontal jets.

804. Injector. The varieties of this contrivance are too numerous to specify. See Graham’s, Gifford’s, Hall’s, Hancock’s, and others in common use.

806. Plain or spreading jet. The eight vanes can be pushed into the jet of water to cut it up by moving the sliding ring.

807. Ventilating jet or aspirator, with several lateral openings for inducing a current.

Jet condensers. See Section 25.


Section 46.—JOURNALS, BEARINGS, PIVOTS, &c.

See also Section 70.

808. Plain or solid pedestal.

809. Half bearing, sometimes used without a cotter.

810. Half bushed bearing, having a half brass on the lower side only.

811. Chambered long bearing.

812. The ordinary double brassed pedestal or plummer block; sometimes made with the cap and joint of brasses at an angle of 45° when the shaft is subject to horizontal thrust. Numerous modifications of this bearing exist.

813. Slot bearing for rising and falling spindle.

[103]

Plate 47

Larger plate.

[104]

814 & 815. End thrust bearings.

816. Sliding bearing, with vertical or horizontal traverse.

817. Double V bearing to accommodate different sizes of shafts.

818. Vertical shaft footstep.

819. Vertical pivot.

820. Horizontal pivot and set screw; the screw should have a lock nut to prevent it being worked back by the motion of the spindle.

821. Conical neck, usually with steel bush.

822. Spherical footstep, to allow the shaft to sway out of the perpendicular.

823. Horizontal bearing, allowing the shaft to run out of line.

824. Balanced bearing, to bear the weight of a light shaft, and placed between the fixed bearings.

825. Self-adjusting bearing for line shafts, with ball and socket movement.

826. Ball and socket bearing for vertical spindle, allowing considerable variation from a right line.

827. Horizontal thrust bearing, with multiple flanges and double brasses, each capable of separate adjustment; used for screw shafts in steam-ships.

828. A form of pedestal, with the cap provided with end joggles to prevent looseness.

829. Trunnion bearing, for oscillating cylinders, &c. The steam is conveyed through the bearing, which has a stuffing box and gland to prevent leakage.

830 & 832. Swinging support for a shaft, having a sliding bevil gear or other motion upon it which has to pass the swinging support; used for lathe sliding gear, overhead travellers, &c.

831. Ball and socket centre for car bogies, &c.

833. Pedestal with side adjustment for the brasses by taper keys and screw adjustments.

Bearings running under water are generally lined with strips of lignum vitæ and require no lubricant.

So-called self-lubricator bearings are in use, lined with strips of patent composition metal.

[105]

Plate 48

Larger plate.

[106]

834. Centre bearing, with annular grip, for a heavy centre piece or car bogie.

835. Centre bearing, with allowance for some amount of oscillation.

Coupled bearings. No. 671.


Section 47.—PLATE WORK.

836. Single riveted lap joint.

837. Double riveted lap joint.

838. Single riveted butt joint.

839. Double butt joint.

840. T-iron butt joint.

841, 842, 843, & 844. Angle or edge seams.

845. Transverse tubular seam.

846, 847, & 848. Reducing ring seams.

849, 850, 851, & 852. Bottom seams round water spaces, fire-boxes, &c.

853. Expansion hoop joint in boiler flues, &c.

854 & 855. Fire-box stays.

856. Gusset stay for flat ends.

Flat bar, tube, and round iron stays are also much used to stay flat surfaces in boilers and tanks.

In household boilers it is usual to weld all the seams, thus avoiding L iron and other riveted work. See Nos. 89 to 96.

Flue tubes in boilers are stayed also by cross tubes inserted at intervals, such as Galloway’s patent conical cross tubes.

[107]

Plate 49

Larger plate.

[108]

857 & 858. Cover plates to carry tensile strains over joints in plates, L irons, &c.

859, 860, 861, 862, & 863. Various forms of joints employed in plate iron structures, boxes, tanks, &c., not subject to much strain. 863 is a dovetailed joint.

864. T or L iron strut end joint.

865. Junction of flat bar and diagonal T or L iron.

866. Gusset plate joint for diagonal ties and struts.

867. Mode of jointing boiler plate corners by tapering the corners of the plates.

868. Another form of angle joint.


Section 48.—LEVERS.

Levers are of three orders (see Section 53). The fulcrum or rocking centre may be at either end or at some intermediate point. In practice the fulcra are usually shafts or pins (see Sections 76 and 77), and the following are the typical forms in use.

869, 870, 871, & 872. Elevation and plans of plain levers, with end bosses for rod attachments.

873. Plan of plain lever, with forked end.

874 & 875. Bell crank levers, with plain or forked ends.

876. T or double cranked lever.

877. Forked end, off-set.

878. Fish bellied lever of the 2nd order.

879. Balance weight lever.

[109]

Plate 50

Larger plate.

[110]

880. Hand lever, with round handle.

881. Hand lever, with flat handle.

882. Another form of round handle sometimes used.

883. Crank handle.

884. Starting lever, with spring catch.

885. Another pattern of ditto.

886. Similar lever, with side or crank handles.

887. Foot lever.

888. Foot treadle frame.

889. Wrist plate or T lever.

890. Hand lever, adjustable as to length by means of a slot and locking bolt. For this purpose a plain round rod passed through a central socket and fixed at any radial length by a set screw, is often used; or the hand rod may be cranked as No. 1784.

891. Double hand lever.

892. Lever, formed of two wrought iron or steel plates and distance pieces.

893 & 894. Rocking levers, with sliding swivel joints.

895. Forked lever, to span a central bearing.

896. Hand lever, simple pattern; wrench or spanner.

897. Headed lever, for valve rod and other movements. See Nos. 149 to 152.

See also Section 97.


Section 49.—LOCKING DEVICES.

898. Common sliding bolt.

[111]

Plate 51

Larger plate.

[112]

899. Common latch.

900. Cam locking bolt; locks the bolt when either in or out, so that it can only be moved by the cam spindle.

901. Crank movement locking bolt, similar to the last.

902. Bolt of common lock.

903. Disc and pin.

904. Side pawl.

905. Locking pawl.

For Pawl and Ratchet Gear see Section 62.

906. Spring catch, with round end which slips past the socket if sufficient force is applied, used for swing doors, &c.

907. Another form, bevilled on one side.

908. Hook latch.

909 & 910. Hasp and staple.

911. Crossbar and hooks.

912. Hand set screw.

913. Drop catch for turntable, &c.

[113]

Plate 52

Larger plate.

[114]

914. Turning or twisting bolt.

915. Rope or rod stopper, with cam lever grip. See No. 47.

916. Chain stop.

917 & 918. Spindle grips, to lock a sliding or revolving spindle in a bearing or bush.

919. Clamp and screw.

920. Sliding shaft locking pin; used for lathe headstock back-gear shafts, &c.

921. Lever locking hook; the lever is hinged so that it can be slipped over the hook.

922. Bow catch for ladles, skips, &c.

923. Segment-slot and bolt fixing for swivelling base.

924. Pin lock for turntable or disc.

925. T catch.

926. Roller and incline slot for locking a rod or rope.

927. Revolving bush lock for catch rod; the catch rod can only slip through the bush when the latter is in one position (see plan view).

928. Wire fencing notches in L or ⊔ iron.

929. Trap door automatic catch.

930. Screw and bridle suspension, for blast pipes, &c.

931. Drop loop fastening for a door.

932. Spring stud lock.

[115]

Plate 53

Larger plate.

[116]

933. Disc and radial slot; the rod can be slipped out sideways when the disc is turned so as to bring the slots together.

934. Radial hinged lever and crown ratchet.

935. Locking bar to fix a lever in any position.

936. Pawl for locking sliding shaft, used for winches, &c., having double and single purchase gear or shifting clutches.

937. Fastening eye bolt for a hinged cover; the bolt is also hinged, and can be turned down out of the way. See also No. 1930.

938. Crank arm device, to lock a valve or lever in two positions. See also No. 16.

939. Gun, breech-loading, sliding cylindrical block locked by turning the arm into a notch.

940. Door fastening staple and cotter.

941. Common cotter.

942. Half nut locking and unlocking device, used for lathe leading screws; the half nuts are moved simultaneously in opposite directions by cams on the lever spindle.

943. Swinging catch to secure end of a drop bar.

944. Tool post, to swivel and lock in any position. See also No. 493.

945. Locking screw, to lock the hand wheel and spur pinion to the shaft when required to be driven by it.

See also Lock Nuts. The common varieties of lever locks with stepped key-wards.

See No. 1723.


Section 50.—HINGES AND JOINTS.

946. The common double-leaf hinge.

947. Rising hinge, to cause the door to lift slightly as it opens, it will then close of itself without a spring.

948. Cup and ball hinge.

[117]

Plate 54

Larger plate.

[118]

949 & 950. Pintle hinges.

951 & 952. Parchment or leather hinging for wood movements.

953. Dovetail joint, used on iron bedsteads, &c.; the circular dovetail is slightly tapered and fitted tight.

954. Hinge for a door, required to lay flat against the wall at either side when open.

955. Hinge pin for rocking levers on a knife edge.

956. Door spring hinge, to return the door always to its central position; the cams press against a roller attached to the springs.

957. Another method, with tension springs.

958. Rocking bearing or knife edge, used for weighing machines, &c.

959. Knuckle joint, halved together; the bolt secures the two parts together.

960. Door spring hinge with open springs and toggle movement.

961. Gate hinges, with double pintle at bottom to cause the gate to return to the central position without springs.

962. Link hinge, for a grid or trap door, to allow it to lie flat when opened.

963. Bayonet joint. A common device.

964. Double scarfed and joggled joint, for pump, rods, &c., with ferrules and keys to tighten up.

965. Universal joint. See Dr. Hooke’s Joint, Nos. 33 and 34.

966. Knuckle jointed levers.

[119]

Plate 55

Larger plate.

[120]

967. The common male and female or nipple and socket rod joint.

968. Multiple hinges, with one centre bolt, for long or heavy doors.

969. Scarfed rod or bar joint.

970. Another form of hinge, to effect the same object as No. 954.

See also Swivel Joints, Nos. 893 and 894. Sections 49, 4, and 48.


Section 51.—LUBRICATORS.

I do not propose to attempt to illustrate the vast tribe of “greasers” of all kinds. They would easily fill a moderate volume, but scarcely repay the reader for perusal. I shall content myself here as elsewhere by indicating the types of most interest and importance to the machine draughtsman.

Besides the simple cup or enlarged oil hole, oil box, and grease cup, the following are the most commonly employed:—

971. Oil pan for gearing, worms, wheels, &c.

972. Revolving wire lubricator; carries a drop of oil on to the shaft at each revolution.

973. Roller and pan lubricator. Can be employed also for gum, paste, paint, &c.

974. Screw ram lubricator, to force lubricant into a cylinder or pipe against pressure, with non-return valve.

975. Telescopic tube lubricating device, for reciprocating or revolving joints, such as crank pins.

976. Another tubular device for crank pins; a hollow cup on end of a tube stands opposite the centre of the shaft, and can be fed with oil while revolving, the oil running down the tube during the lower half revolution.

977. Stauffer’s lubricator for thick oil, which is forced in by screwing down the cap.

978. Shaft bearing lubricator by the capillary action of pieces of cane, the lower ends of which dip into the oil cistern.

979. Endless string lubricator.

980. Single cock lubricator, with screwed cap for filling.

981. Double cock lubricator.

982. Hollow plug cock.

The last three are used to feed oil against steam pressure.

983. Lieuvain’s needle lubricator. A loose wire (one end of which touches the revolving shaft and the other is in the oil); keeps the oil flowing as long as the shaft is running.

984. The pressure of steam enters the cup above the oil, which is fed through an adjustable small valve at bottom.

985. Plunger or ram and cylinder lubricator, with ratchet feed worked from some reciprocating part of engine.

Lubricating or inking rollers to evenly cover a flat surface are placed at an angle of about 10° to the direction of motion of the surface to be lubricated or inked.

Large engines are fitted with an oil reservoir, and pipes are led to all joints, bearings, &c., with small cocks for regulation.

[121]

Plate 56

Larger plate.

[122]

Section 52.—LEVELLING AND PLUMBING.

The common spirit level and plumbline are ordinarily employed, as also the surveyor’s telescope and spirit level or “Dumpy.”

986. Gravitation level.

987. Plumbline and square.

988. Water tube level; the tube may be carried a long distance and round corners, &c., in any direction below the water level.

989. Spirit level plumbing square.


Section 53.—MECHANICAL POWERS. APPLIANCES TO VARY POWER AND SPEED.

 
990. Lever of the 1st order   - See Applications, Section 48.
 
991. Lever of the 2nd order
 
992. Lever of the 3rd order

993. Wheel and axle; power gained and speed reduced in proportion to the diameters of the two sheaves.

994. Return block; power multiplied 2 to 1.

995. Two double sheave blocks; power multiplied 4 to 1.

996. Four single blocks; power same as No. 995.

997. Three return blocks; power multiplied 8 to 1.

See Applications, Section 42.

The inclined plane is simply a modification of the force of gravity, which acts vertically.

The wedge. See Section 37.

The screw is simply a circular inclined plane. See Section 78.

See also Gearing, Sections 40 and 84.


Section 54.—MIXING AND INCORPORATING.

998. Kneading mill, with spiral vanes.

999. Pug mill, with radial spiral paddles revolving inside a conical case.

1000. Pug mill, with spiral paddles.

1001. Pan mixer. A cylindrical case or pan with a set of arms revolving with the central shaft.

1002. Egg beater or mixing machine. Two sets of open radial frames revolve in opposite directions, the frames being shaped to pass through each other, and are driven by mitre gear driving a shaft and sleeve.

1003. Diagonal mixing barrel, with revolving and fixed vanes.

1004. Conical mixing barrel of similar construction.

1005. Diagonal mixing pan, used for confectionery, &c.

[123]

Plate 57

Larger plate.

[124]

1006. Mixer, with two pairs of arms running in opposite directions.

See Cross section.

1007. A modification of the last; the centres of the arms being above one another so that the arms pass each other in revolving.

1008. Horizontal table mixing machine. The stuff works its way from the centre to the edge of the table by centrifugal force.

See also No. 60. Anderson’s patent employs this plan to continuously distribute purifying material through water with which the revolving drum is charged.

See Section 13. Crushing, grinding, &c.


Section 55.—PARALLEL MOTIONS.

Purpose: to maintain rectilinear motion of a rod or equivalent detail coupled to a lever without employing guide bars.

1009. Watt’s parallel motion for a beam engine.

1010. Rack and segment motion.

1011. Epicycloidal parallel motion. The pinion is one-half the diameter of the wheel at the pitch lines, and the gudgeon is fixed upon the pitch line of the pinion.

1012. Peaucellier’s parallel motion. A is a fixed centre; B (for parallel motion) must be one-half way to C; power is applied to C; D parallel centre gudgeon.

1013. Beam, with rocking fulcrum. A A are equal, as also B B.

1014. Single radius bar and link; the radius bar to be same length as the half beam and the link hinged on its centre.

1015. All the radius bars to be of same length as the half beam.

1016. Two equal radius bars connected by a link, the main gudgeon in its centre.

1017. Beam of the 2nd order with rocking fulcrum, A and A being equal.

1018. Sector and rack motion.

See also No. 714.


Section 56.—PUMPING AND RAISING WATER.

Some of the most primitive methods are still in use, and may possibly still be found of service in particular cases.

1019. Scoop wheel.

1020. Dipping trough.

1021. Endless chain of buckets.

1022. Archimedean screw; a spiral pipe serves the same purpose as the worm revolving in a cylindrical case.

[125]

Plate 58

Larger plate.

[126]

1023. Chain pump, frequently used still. The lower length of pipe should be bored to fit the buckets on chain; the rest of the pipe may be a little larger in diameter and not bored.

1024. Lifting wheel for raising water.

The following four examples are machines for raising water to any height by employing a fall of water of comparative low pressure:—

1025. Hydraulic ram. A stream of water runs down the incline pipe and flows away at the ball valve; when its speed reaches a certain point it suddenly closes the ball valve, and the shock opens the delivery valve, water flows into the air vessel till the power of the stream is checked, when the delivery valve closes, the ball drops, and the action is repeated.

1026. The Robinet. Direct-action water pressure self-acting pump; performs the same work as the hydraulic ram, that is by using a low fall and large quantity of water it raises a smaller quantity to a greater height, the low-pressure water acting on the large double-acting piston. The valve is reversed by the motion of the engine.

1027. Hydraulic pumping engine. A modification of the Robinet. A is the driving cylinder, B the pump. The main slide valve is worked by two pistons, and the pressure water distributed by an auxiliary four-way cock or small slide valve, connected to a stop rod from the main crosshead. See also No. 1741. See Sec. 93.

1028. Water wheel and pump.

1029. Single-acting bucket or suction pump.

1030. Single-acting ram force pump. Sometimes an open top cylinder and piston are used instead of a ram, as No. 1029.

1031. Double-acting ram and piston pump. Forces on both strokes; sucks only on the up stroke.

1032. Double-acting plunger or ram pump, externally packed; a favourite arrangement.

1033. Double-acting piston pump, four valves. This is of course a type of a very great variety of pumps.

1034. Double-action piston pump, without valves. The piston has an oscillating or radial motion (see plan), as well as an up and down motion, so that the two ports are alternately open to the upper and under side of piston by the small passages A A. The required motion can be obtained from No. 406, crank motion.

1035. Rope pump. A simple endless soft or porous rope absorbs water at its lower part (immersed), which water is pressed out of it between the rollers at top.

1036. Apparatus to supply air to air vessels. The main pump at every stroke draws a small quantity of water from the small air vessel A, and on the return stroke forces an equal quantity of air from the smaller to the larger vessel B. C is a double air valve.

1037. Combined bucket and plunger pump draws on the up stroke only, but delivers on both strokes.

1038. Air pump, with foot and head valves.

1039. Hand or power pump. Can be thrown into action from the crank shaft by fastening the set screw, or may be worked independently by the hand lever.

1040. “Worthington” pattern of plunger pump, double acting.

[127]

Plate 59

Larger plate.

[128]

1041. Double barrel pump, with bucket pistons. The water passes both pistons, which are fitted with valves opening opposite ways.

1042. Oscillating sector or quadrant pump, with one vane or piston.

1043. Double quadrant pump. The two vanes are worked by links from a single crank.

1044. Oscillating pump, with two radial vanes keyed to a central rocking shaft.

1045. Hollow plug; oil or water feeder.

1046. Double ram pump.

Rising mains in mines and wells have been used as the main pump rods in some instances.

In pumping up to a tank or reservoir from which a down service pipe is taken, the pump can be arranged to deliver into this pipe at its nearest convenient point, instead of having a second pipe from the pump to the tank.

1047. Schmid’s trunk cyl. hydraulic pumping engine utilises a low-pressure supply to force from the annular side of the piston a high-pressure service.

See also rotary engines and pumps, Section 75.

Pumping engines, Section 61.


Section 57.—PIPES AND CONVEYORS.

Plain tubing may be either of iron, brass, zinc, lead, tin plate, sheet iron, papier mâché, indiarubber, guttapercha, leather, cotton, or canvas.

Flexible sorts of the last five materials named are strengthened when required by spiral wire, either inside or outside or imbedded in the material; also, in the case of rubber, by canvas insertion; or by being payed with yarn or wire, either wound or plaited round the exterior.

CAST IRON PIPES.

1048 to 1053. Show sections and elevations of forms of flanges employed. 1053 has a small V space, in which is inserted a ring of guttapercha cord or soft lead. Used for heavy pressures.

1054. Socket and spigot pipes.

The ordinary earthenware socket drain pipes, flue pipes, &c., are examples.

1055. Socket and spigot pipes, with tapered, bored, and turned joint.

1056. Cup and ball joint for uneven ground, &c.

1057. Wrought iron pipes, with cast iron flanges.

1058. Diagonal universal joint. See No. 1078.

1059. Swivelling joint. Coupling quickly opened or closed, faced with rubber or leather.

1060. Bayonet joint, for hydrants, &c. See No. 963.

WROUGHT IRON PIPES.

1061. Sheet iron flue pipes.

1062. Wrought iron pipe and screwed couplings.

1063. Wrought iron flange coupling.

1064. Reducing socket or coupling.

[129]

Plate 60

Larger plate.

[130]

1065 & 1066. Elbows.

1067. Bend.

1068. Internal coupling for handrailing, &c.

1069. Patent lap-folded pipe.

1070. Long screw, coupling and back nut, for making the last joint in a series of pipes when the last piece cannot be screwed into both joints.

1071 to 1073. Screwed unions. The nut may be as No. 1072 or 1073.

See also Section 78.

1074 & 1075. Unions with right and left-hand threads.

1076. Expansion joint plain.

1077. Expansion joint with gland and safety bolt to prevent the joint blowing out.

A bent U-shaped tube of copper is sometimes used as an expansion piece in a line of hot piping.

1078. Royle’s patent diagonal universal joint, by swivelling the diagonal joint the pipes can be set at any angle from 0° to 90° to each other.

1079. Expanding pipes with stuffing boxes at each joint, used for conveying water, steam, or air to a movable engine or machine.

CONVEYORS.

1080 & 1081. Wood troughs sometimes lined with metal.

For conveying materials other than liquids, such as sand, coal, grain, &c., the following contrivances are used:—

Endless bands of canvas, rubber, leather, &c., sometimes with flanges like 1082.

Sloping wooden tubes or shoots.

1082. Sectional conveyor, endless, carried round pulleys like No. 1083.

1083. Creeper, an endless chain of boards or buckets sliding along a fixed wood trough. See Ewart’s patent detachable drive chain, which is fitted with special links for attachment of boards or buckets.

1084. Worm and trough, similar in principle to an archimedean screw.

See No. 1022.

Elevators for vertical or sloping conveyance usually consist of an endless band of some flexible material or chain with a number of tin or metal buckets attached at regular intervals (as No. 1086) like a creeper, No. 1083, but working in an enclosed tube.

Pneumatic tubes. See Section 19. Valves for do., No. 1638.

1085. Is an improved form of worm having no centre shaft. “Patent Anti-Friction Conveyor.”

1086. Elevator, or band and buckets, may be run in any position.

1087 & 1088. Endless web and roller devices for conveying sheets of paper, for printing or folding.

See also Raising and Lowering, Section 69.

[131]

Plate 61

Larger plate.

[132]

Section 58.—PACKINGS, JOINTS, STUFFING BOXES, &c.

PISTONS.

1089. Piston with junk ring; the packing is sometimes cast iron, steel, brass, or phosphor bronze rings, or even hemp or asbestos.

1090. Small pistons have generally two rings of steel or brass sprung into the grooves.

1091. Double-acting hydraulic piston for cold water; if single acting, one leather only is required; for hot water, rings are generally employed.

1092. Indiarubber rolling ring packing, used on Kennedy’s patent piston water meters.

1093. Piston, with junk ring for fibrous packing.

Numerous patents are in use for springs of various kinds applied to piston rings. See Section 80.

STUFFING BOXES, &c.

1094, 1095, 1096, & 1097. Sections and plans of gland stuffing boxes.

1098. Leather packing ring or collar, used generally for higher pressures up to 3 or 4 tons per square inch.

1099. Stuffing box for hydraulic rams, up to pressures of about 1000 lbs. per square inch, with special hard packing.

1100 & 1101. When the wear on an hydraulic leather is considerable a guard-ring should be added, as shown here.

1102. Stannah’s patent stuffing box; the packing is tightened by a set screw.

1103 & 1104. Ram leathers, with gland to facilitate renewing.

1105. Grooved steam packing. It is said that the steam will not readily pass a series of grooves round a piston rod.

1106. Useful form of gland for a screwed spindle, the thread being cut in the outer cap.

1107. V-ring piston packing rings. The inner spring ring presses the outer rings out against the cylinder.

1108. “Bottle” gland to cover a reciprocating rod end.

1109. Gland with oil space to keep the rod lubricated.

1110. Water lute or seal for gas holders, &c.

1111. Grooved joint for packing round covers, &c.

[133]

Plate 62

Larger plate.

[134]

1112. Indiarubber sheet joint for the tubes of condensers, the rubber being pressed around the tube joints by a plate with projecting rings. See Plate, page 139.

1113. V-ring metallic gland packing. See Plate, page 139.

Joints of plane surfaces are usually made with red-lead for steam and water; asbestos, millboard, and sometimes rubber insertion, tape, paper, or wire gauze for steam, water, air, &c.


Section 59.—PROPULSION.

(See also Sections 60, and 12.)

On land, vehicles, &c., may be propelled by:

a.

Any engine having contained in itself its source of power; such as a steam engine, compressed-air engine, electric motor, &c.

b.

Any fixed source of power, the moving vehicle being connected to it by: 1, a rope or chain; 2, a tube; 3, an electric wire or other electric connection.

c.

By gravitation down an inclined or vertical road. See Section 69.

d.

By wind power, using sails or windmill. See Section 95.

e.

Animal power.

 

a. Any engine having contained in itself its source of power; such as a steam engine, compressed-air engine, electric motor, &c.

b. Any fixed source of power, the moving vehicle being connected to it by: 1, a rope or chain; 2, a tube; 3, an electric wire or other electric connection.

c. By gravitation down an inclined or vertical road. See Section 69.

d. By wind power, using sails or windmill. See Section 95.

e. Animal power.

On water, vessels are propelled by:

a.

Wind.

b.

Steam or other heat engine.

c.

Wave motion.

d.

Natural currents, tides.

e.

Animal power.

 

a. Wind.

b. Steam or other heat engine.

c. Wave motion.

d. Natural currents, tides.

e. Animal power.

In air, balloons have been propelled by:

a.

Wind.

b.

Some kind of engine power.

c.

Hand power.

 

a. Wind.

b. Some kind of engine power.

c. Hand power.

But the two latter sources must be at present considered almost impracticable.

[135]

MEANS EMPLOYED FOR PROPULSION.

On land:

a.

Steam or other engine and boiler on the moving vehicle.

b.

A reservoir of compressed air or gas, driving an engine on the vehicle.

c.

An electric battery or accumulator, driving an engine on the vehicle.

d.

Rope railway: the rope may be driven by any kind of engine.

e.

Endless rope transmission. See Section 66.

f.

Inclined or vertical hoists. See Section 69.

g.

Ice vessels, or yachts, propelled by wind and sails, windmills, &c. See Section 95.

h.

Velocipedes of all kinds, hand power lifts and hoists. See Section 69.

 

a. Steam or other engine and boiler on the moving vehicle.

b. A reservoir of compressed air or gas, driving an engine on the vehicle.

c. An electric battery or accumulator, driving an engine on the vehicle.

d. Rope railway: the rope may be driven by any kind of engine.

e. Endless rope transmission. See Section 66.

f. Inclined or vertical hoists. See Section 69.

g. Ice vessels, or yachts, propelled by wind and sails, windmills, &c. See Section 95.

h. Velocipedes of all kinds, hand power lifts and hoists. See Section 69.

On water, vessels are propelled by:

a.

Sails.

b.

Steamships, by screw, paddle-wheel, stern wheel, water jet, and steam jet.

c.

Wave engine.

d.

Barges and rafts usually employ tidal motion only.

e.

Rowing boats, &c., hand power paddle and screw boats, horse towage.

 

a. Sails.

b. Steamships, by screw, paddle-wheel, stern wheel, water jet, and steam jet.

c. Wave engine.

d. Barges and rafts usually employ tidal motion only.

e. Rowing boats, &c., hand power paddle and screw boats, horse towage.

In air, balloons are propelled by:

a.

Wind, acting on the inflated balloon, or on an umbrella-shaped or other sail; also on the under side of inclined planes of large area.

b.

Balloons of elongated form have been propelled by an engine placed in the car, driving either a large screw propeller or wings.

c.

Various attempts have been made to work flying machines (generally having some form of wings) by the power of a man’s hands and feet, with very little success.

 

a. Wind, acting on the inflated balloon, or on an umbrella-shaped or other sail; also on the under side of inclined planes of large area.

b. Balloons of elongated form have been propelled by an engine placed in the car, driving either a large screw propeller or wings.

c. Various attempts have been made to work flying machines (generally having some form of wings) by the power of a man’s hands and feet, with very little success.


[136]

Section 60.—MOTIVE POWER.

It is assumed that all physical energy is derived more or less directly from the sun, whose rays combine: 1, heat; 2, light; 3, actinic or chemical power.

Heat may be obtained:

a.

By direct use of the sun’s rays.

b.

From any combustible material.

c.

From chemical reaction.

 

a. By direct use of the sun’s rays.

b. From any combustible material.

c. From chemical reaction.

Light does not separately develop power.

Chemical reactions are employed to develop heat, combustion, contraction, or expansion, as means of developing power.

From the foregoing elementary physical sources the following are the practical sources of our power for mechanical purposes.

These are employed in producing power by the following apparatus or motors:—

Electric motors driven from a dynamo, battery, or accumulator.

Magnetic power cannot be employed continuously as a motor, as it gives out only as much as it receives.

Tidal motion can be utilised to drive any kind of wheel, see Water Wheels, Section 90. It can also be stored in a reservoir, driving a water engine as it flows in and out on the flood and ebb; or a floating vessel may, by its rise and fall, communicate motion to machines.

[137]

Falling water; for machines employed to utilise, see Water Wheels, Section 90; Turbines, Water-pressure Engines, &c., Section 93.

Descending weights must first of course be raised, absorbing as much power in raising as they give out in falling, neglecting friction. Clockwork; water; or compression of a spring (see Section 80); multiplying pulleys (see Section 42), are the apparatus employed to utilise this form of energy.

Wave motion is too uncertain and erratic to be a practicable source of power. Rocking air-compressing chambers, rocking pumps, &c., have obtained some small measure of success.

Wind, windmills. See Section 95.

Expansion of air and gases. Ascending currents of hot air from a fire are used to drive a light screw motor, fan, &c. Hot-air engines, see Ryder’s patent and numerous others, which depend upon alternate expansion and contraction of air by heating and cooling. Air compressed in an accumulator or reservoir is employed to give motion to multiplying pulleys or an air engine.

Expansion of liquids, other than water (by heat), into the gaseous form. Engines in which the fuel is burnt under pressure and the total products of combustion employed (with or without steam) to drive a motor.

Steam is in reality one of the last-mentioned sources of power; it is employed by direct pressure on a piston or ram (see Section 32); or to produce direct rotary motion (see Section 75); also in the jet pump, No. 801; or injector (see Section 45); or by direct pressure on a body of water contained in a closed vessel, as in the pulsometer, steam accumulator, &c.

Explosives are substances which, by application of flame, heat, percussion, &c., suddenly assume the gaseous form, thus increasing their bulk many hundred times, usually in a small fraction of a second of time. A second class comprise explosive mixtures of gases, such as hydrogen, and oxygen, carburetted hydrogen, and air. Some attempts have been made to employ explosive substances to drive engines in various ways, but with no permanent success. The second class of explosive mixtures of gases are largely employed in the gas engine, petroleum engine, and their varieties.

Fuels, hydrocarbons, &c., are employed to evaporate water into steam; to expand air or other gases, or convert liquids into gases; and also by vaporisation to supply gas for use in some forms of gas engine.


[138]

Section 61.—PUMPING ENGINES, TYPES OF.

VERTICAL ENGINES.

1114. Vertical direct-acting, with either ram pump, ram and piston pump, or piston only. See Section 56.

1115. Slot and crank motion, a variety of the last named. Of course any other kind of crank driving can be employed. See Section 10.

The frame standards are frequently used as air vessels or valve chests.

1116. Direct-acting ram pump, with fly-wheel worked off crosshead pin.

1117. Direct-acting, with yoke crosshead; much used in the northern counties. The standards form air vessels and valve boxes, and they are made both of the piston and ram types.

1118. Three-cylinder, with yoke crosshead. Either the centre cylinder or the two side ones can be used as the steam motor cylinders, or the pumps.

HORIZONTAL ENGINES.

1119. The ordinary direct-acting engine, with either steam-moved or tappet valves, see Tangye’s “Special,” the “Coalbrookdale,” and others, in which the slide valve is operated by pistons controlled by auxiliary tappet valves on the same principle as No. 1506.

1120. Direct-acting, with crosshead and guide bars between the cylinders.

1121. Two modifications of No. 1120.

1123. Direct-acting, with rocking lever valve motion; see the “Worthington” and other “Duplex” pumps, in which two engines are combined so that one works the valve of the other.

1122, 1124, & 1125. Other forms of direct-acting engines.

1126. Horizontal compound direct-acting. The high-pressure cylinder, low-pressure ditto, and receiver are side by side, and the air pump and main pump in line with the steam cylinders.

[139]

Plate 63

Larger plate.

[140]

1127. Horizontal pumping engine, with yoked crossheads and crank in centre.

1128 & 1129. Horizontal compound lever engines.

1130. Davey’s patent vertical compound beam mining pump.

The Cornish beam pumping engine is too well known to need illustration.

In mining pumps the pump rod has occasionally been made of iron pipe and employed as the rising main.

1131. Geared pumping engine, with steam cylinder and pump side by side; the speed of the steam piston is reduced on the pump by spur gearing.


Section 62.—PAWL AND RATCHET MOTIONS.

INTERMITTENT MOTION.

1132. The common ratchet-wheel and pawl, or detent.

1133. Ditto, with compound pawls to check angular motion less than the pitch of the teeth.

1134. Locking pawl.

1135. Strut-action pawl.

1136. Indiarubber ball pawl; sometimes a solid roller is substituted for the indiarubber ball.

1137. Reverse ratchets, for continuous feed from an oscillating arm.

1138. Ball and socket ratchet, will work at an angle.

1139. Pawl, used with ordinary spur teeth, and sometimes made reversible (see dotted lines), to drive the opposite way.

1140. Ratchet bosses.

1141. Silent pawl; the pawl is lifted out of gear while reversing by the motion of the toggle joint and lever.

1142. Crown ratchet and pawl.

1143. Application of No. 1136 as a silent feed motion.

1144. Click and detent continuous feed motion.

1145. Hare’s foot ratchet motion with detent.

1146. Silent feed. The jaw grips the rim of wheel when moving in one direction and runs loose the other way.

1147. Reciprocating into intermittent rotary motion.

[141]

Plate 64

Larger plate.

[142]

1148. Reciprocating circular motion into intermittent circular ditto, Kaiser’s patent.

1149. Continuous circular motion into intermittent ditto, Kaiser’s patent. The wheel A is locked by the ring C while the finger B is out of gear, the ring then passing between the teeth of A.

1150. Cam-ring intermittent feed motion.

1151. Modification of the last named; in both the wheel is locked during the dead movement of the cam by the flange passing between the teeth.

1152. Slot wheel and pin gear.

1153. Segment-wheel intermittent feed motion; locked during the dead movement of driving wheel.

1154. The pawl is lifted out of gear at each revolution of the pin wheel A and the ratchet moved one or more teeth.

1155. Double pawls and links for continuous feed motion.

1156. The cam A is eccentric to the wheel B, and slips out of gear at any required point while the driving wheel makes a partial revolution.

1157. Spring-pawl feed motion; the large wheel with pawl attached drives the ratchet wheel.

1158. Rocking lever and double pawls for raising a rack.

1159. Internal pawls, dropping into gear by gravitation.

1160. The pawl is lifted out of gear by the act of putting the handle on the square end of shaft, the handle having a boss shaped so as to lift the pawl.

1161. Star wheel and fixed pawl for conveying intermittent motion to screw on revolving disc; used for boring-bars, slide rests, &c.

1162. Pendulum and ratchet escapement.

1163. Cylinder escapement.

1164. Pendulum and double ratchet wheel escapement.

1165. Enlarged plan of cylinder escapement.

1166. Lever escapement.

1167. Double pawl and pin wheel escapement.

1168. Three-leg pendulum escapement.

1169. Self-sustaining ratchet motion. Pulling the cord A throws the pawl out of gear by the straightening of the cord forcing back the bent pawl lever.

1170. Verge escapement.

1171. Intermittent circular motion by revolving pawl and detent.

[143]

Plate 65

Larger plate.

[144]

1172. Spanner ratchet; a simple spanner having a pin near one end of one of the jaws which slips into the teeth of the ratchet wheel.

1173. V pawl; operates by wedging itself between the V flanges.

1174. Gravity pawls and ratchet wheel.

1175. Ratchet wheel, used to govern the striking gear of a clock.

1176. The pawl is hinged to the jointed end of the lever, and is pulled out of gear by the return movement of the rod—silent feed.

1177. Pawl and rack.

1178. Roller and inclined segmental recess for silent feed motion.

1179. Gripping pawls and ring for silent feed motion.

Snail ratchet, No. 725.


Section 63.—PRESSING.

The ordinary Screw press and Hydraulic press are well-known machines.

1180. Rack and screw press.

1181. Power press or stamp, with double crank movement worked from below.

1182. Dick’s anti-friction press, with rolling contacts throughout.

1183. Hydraulic press, with dies for lead pipe making; a similar press is used for making earthenware drain and flue pipes, the material being forced out of an annular orifice.

1184. Wedge press.

1185. Ster-hydraulic press; a strand or rope is wound upon a barrel inside the cylinder, thus displacing the water and raising the ram.

1186. Screw fly press.

1187. Combined screw and hydraulic press. The screw is worked down by hand until the pressure becomes too great for hand power, when the pressing is finished by the hydraulic ram.

1188. Revolving dies.

1189. The “Boomer” double-screw toggle press, with increasing pressure as the press follower descends.

1190. Revolving toggle press, with similar capabilities but more restricted movement.

1191. Sector and link press for increasing pressure.

[145]

Plate 66

Larger plate.

[146]

1192. Press dies, with sliding plate for discharging.

1193. Screw and toggle press; a modification of No. 1189.

1194. Double ram hydraulic press for two pressures; the small ram is employed to give the first pressure, the large ram then finishes the pressing.

See also Section 13.


Section 64.—POWER AND SPEED, CONTRIVANCES TO VARY.

(See Mechanical Powers, Section 53.)


Section 65.—QUICK RETURN MOTIONS.

Employed for machines having a slow movement one way, and a quicker return movement.

1195. Slot lever and crank motion; gives a varying speed, quickest when the crank pin is at the bottom centre, and slowest when at the top, with a slight pause at each end of stroke.

1196. Whitworth’s motion. The pin A in the wheel B travels eccentrically in the crank disc, which is eccentric to the fixed boss on which the driving wheel B runs, so that the radius of the driving motion of the pin varies as it revolves and it travels up and down the slot in the disc.

1197. By two belts, one open and one crossed, and driving drums of different diameters.

1198. By two belts, one open and one crossed, but driven by the same drum. The middle pulley is loose, the left hand pulley is fast to the spur wheel, and the right hand pulley to the spur pinion.

Segment gear, gearing alternately with the internal ring and the central pinion. See No. 724.

See Section 74.


Section 66.—ROPE GEARING.

1199. V-grooved pulley rim for round rope.

1200. Multiple pulley rim, used for rope driving in mills, &c.

[147]

1201. Single V-grooved pulley for hand ropes.

1202. Pulley for wire rope transmission, with wood bedding in the groove.

1203, 1204, & 1205. Clip pulleys, which grip the rope by its own tension.

Ordinary round grooved pulley. See Section 71, No. 1241.

Rope grip pulley, with snugs to wedge the rope and prevent slipping. See Section 71, No. 1242.

Pit head sheave. Used for quick running wire ropes. The boss is usually split to allow of expansion in cooling, and the arms are of wrought iron. See Section 71, No. 1243.

1206. Rope driving.

1207. Rope driving, with tightening pulley and weight.

1208. Rope grip pulleys, for driving a vertical rope, the large pulley has a V groove into which the rope is pressed by the small pulley.

1209. Jigger hoisting rope gear, used for whip cranes, &c., instead of spur gearing.

Wire rope transmission. Endless wire ropes of small diameter are used running over large pulleys and driven at a high speed (usually 3000 to 4000 feet per minute). This kind of power may be carried considerable distances and over uneven ground, but it is not desirable to have horizontal angles in the direction of the rope.


Section 67.—RESERVOIRS OF POWER. ACCUMULATORS.

a.

The fly-wheel or its equivalent.

b.

Springs. See Section 80.

c.

Weights.

d.

Air or gas compressed into a reservoir; air vessel, bellows. See Section 7.

e.

Water raised into an elevated reservoir or tank, or pumped into a loaded accumulator. Variable Pressure Accumulator, No. 1586.

f.

Electricity stored in accumulators.

g.

Explosives.

h.

Pendulum. Sometimes used to accumulate power to be given out suddenly, as in punching.

 

a. The fly-wheel or its equivalent.

b. Springs. See Section 80.

c. Weights.

d. Air or gas compressed into a reservoir; air vessel, bellows. See Section 7.

e. Water raised into an elevated reservoir or tank, or pumped into a loaded accumulator. Variable Pressure Accumulator, No. 1586.

f. Electricity stored in accumulators.

g. Explosives.

h. Pendulum. Sometimes used to accumulate power to be given out suddenly, as in punching.


[148]

Section 68.—RECIPROCATING AND CIRCULAR MOTION, CONVERTING ONE INTO THE OTHER.

(See Circular and Reciprocating Motion, Section 21).

(See Pawl and Ratchet Motions, Section 62).


Section 69.—RAISING AND LOWERING.

(1.) BY HAND POWER.

a.

The ordinary winch and crank handle.

b.

Winch, worked by an endless hand rope and wheel, similar to Nos. 1210, 1220.

 

a. The ordinary winch and crank handle.

b. Winch, worked by an endless hand rope and wheel, similar to Nos. 1210, 1220.

1210. Hand rope and barrel hoist. In this machine gearing may be interposed between the hand rope wheel and rope drum to increase the power and reduce speed.

c.

Differential blocks of various patterns (see Weston’s, Pickering’s, Moore’s, &c.). See Section 31.

d.

By screw gear, as in the ordinary screw jack. Sec. 78.

e.

Rack and pinion gear. See No. 754.

f.

Worm and wheel gear. See Section 84.

 

c. Differential blocks of various patterns (see Weston’s, Pickering’s, Moore’s, &c.). See Section 31.

d. By screw gear, as in the ordinary screw jack. Sec. 78.

e. Rack and pinion gear. See No. 754.

f. Worm and wheel gear. See Section 84.

Note as to brake wheels: these should always be upon the load shaft so that the braking is not transmitted to the load through toothed gearing. Worm gear usually will not sustain a load without a brake wheel, unless there is an excess of friction which should not exist.

g.

Friction gear. See Section 38.

 

g. Friction gear. See Section 38.

(2.) BY POWER.

This may be applied to any of the above as follows:—

a or b. To the ordinary winch by either gearing (see Section 84), belts (see Section 3), or friction gear (see Section 38).

b.

By gripping the endless rope between grip wheels (see 1208) the small wheel can be thrown into gear to grip the rope by a lever, cam or screw.

c.

Differential gear may be driven from a shaft by belts or gearing. See Sections 84 and 3.

d.

Screw gear. Ditto.

e.

Rack gear. Ditto.

f.

Worm and wheel gear. Ditto.

g.

Friction gear is usually driven as No. 1211.

 

b. By gripping the endless rope between grip wheels (see 1208) the small wheel can be thrown into gear to grip the rope by a lever, cam or screw.

c. Differential gear may be driven from a shaft by belts or gearing. See Sections 84 and 3.

d. Screw gear. Ditto.

e. Rack gear. Ditto.

f. Worm and wheel gear. Ditto.

g. Friction gear is usually driven as No. 1211.

1211. Where the barrel shaft has a slight horizontal movement, so that, by the lever, it can be forced into gear with the friction pinion to raise the load, or into the brake block to sustain the load or lower it.

Grooved friction V gearing is also sometimes used. See No. 667.

[149]

Plate 67

Larger plate.

[150]

(3.) HYDRAULIC GEAR. See Section 42.

The direct-acting plan is simply a ram and cylinder, as in the hydraulic press, the ram being as long as the height of travel of the cage. For multiplying cylinder hydraulic gear, see Section 42.

Balancing the dead load of cage, &c. This is usually done by weights attached to the end of ropes running over overhead pulleys and fastened to the cage, as in No. 370, or by an auxiliary cylinder and ram of short stroke loaded to the required weight, and communicating with the lift cylinder by a pipe. See Section 20.

(4.) FOR LOWERING WEIGHTS ONLY.

a.

An hydraulic cylinder and piston may be used, to which the cage is directly attached either above or below, the cage or platform being overbalanced by a counterbalance weight and rope (running over a pulley as No. 370), which is sufficient to raise it empty. The speed is controlled by a pass valve which allows the water to pass from one side of the piston to the other. See Section 5.

b.

An ordinary V wheel and brake wheel may be used, the cage being overbalanced as last described; the motion is controlled solely by the brake. Or, an hydraulic brake cylinder may be used in connection with a rope or chain attached to the cage. See note to Section 5.

 

a. An hydraulic cylinder and piston may be used, to which the cage is directly attached either above or below, the cage or platform being overbalanced by a counterbalance weight and rope (running over a pulley as No. 370), which is sufficient to raise it empty. The speed is controlled by a pass valve which allows the water to pass from one side of the piston to the other. See Section 5.

b. An ordinary V wheel and brake wheel may be used, the cage being overbalanced as last described; the motion is controlled solely by the brake. Or, an hydraulic brake cylinder may be used in connection with a rope or chain attached to the cage. See note to Section 5.

Other hoisting devices are:

Direct-acting steam or air cylinders, the piston rods being coupled direct to the cage.

Air vessels, on the principle of the gasometer, but of a height equal to the travel, and diameter proportional to the pressure of air employed.

1212. Internal screw elevator. The vertical shaft has a feather groove, and carries a double crosshead with a wheel at each end, which run on the spiral guides and raise the cage.

1213. Screw elevator, for ice, &c. Vertical creeper.

1214. Travelling hoist, with in and out motion and rope.

1215. Steam digger and hoist.

1216. Hauling capstan. The rope, which is payed on and off the barrel, “fleets” itself as it travels along the barrel owing to its conical shaped flanges.

1217. Richmond’s patent differential telescopic hydraulic lift. The water under each piston is forced into the next cylinder above, so that the rams all travel upwards at proportional speeds, so as to reach the top of their stroke at the same time.

1218. Self-sustaining gear. The revolution of the pinion tends to lift the barrel and its brake wheel out of the brake; lowering is performed by relieving the brake wheel by a lever which raises it from the brake. Cherry’s patent.

1219. Belt hoist. Worked by a loose vertical belt, which is tightened by the lever and pulley when required to hoist, and in lowering a load the belt friction acts as a brake.

1220. Travelling hand hoist, with endless rope.

1221. Travelling cathead hoist. The cathead can be run back with its load; the winch is sometimes fixed to the travelling beam and moves in and out with it.

1222. Winding engine, usual type for direct acting.

1223. Geared winding engine.

1224. Steam winch, horizontal arrangement.

1225. Steam winch, diagonal arrangement.

1226. Steam winch, horizontal worm-gear plan.

[151]

Plate 68

Larger plate.

[152]

1227. Continuous lift, for parcels, &c. Has a number of small cages, boxes, or platforms suspended from horizontal pivots in two endless chains; the cages are guided so as always to hang vertical.

1228. Continuous lift, for passengers. Sometimes the cages are suspended from two endless chains at their tops, as last described; or sometimes from two endless chains, but with attachments to the cages at corners diagonally opposite each other; and sometimes from a single endless chain at the back, provided with guides, &c.

1229. Continuous barrel hoist.

See also Cranes, Section 18.


Section 70.—RELIEVING PRESSURE ON BEARINGS. ANTI-FRICTION BEARINGS.

1230. The pivots of two rollers or shafts bear against the inside of a stiff ring producing rolling contact, but the rollers or shafts must run in the same direction. Used for roller mills, &c.

1231. The same device, but for three rollers or shafts.

1232. The shaft is guided vertically and its weight is borne by a large roller with small pivots.

1233. The shaft runs in the V between two rollers as last described.

1234. Roller or ball bearing. The friction is least when the rollers have end pivots to run in loose rings so that the rollers are kept apart and do not rub each other in revolving.

1235. Hydraulic bearing, the shaft being sustained by water (or preferably oil) pressure.

1236. Vertical shaft, with cone rollers.

1237. Vertical shaft, with ball bearing.

1238. Vertical shaft, flanged and coned for cone rollers.

1239. Ordinary swivelling castor.

1240. Ball castor.


Section 71.—ROPE, BELT, AND CHAIN PULLEYS.

(See also Section 66.)

1241. Pulley for round rope without any grip.

1242. Round grooved pulley for round rope with gripping snugs.

1243. V pulley for round rope; pithead pulley.

Pulley for wire rope transmission, high speed with wood bedding. See Section 66, No. 1202.

Multiple rope gripping pulley for rope driving. See Section 66, No. 1200.

1244. Belt pulley, flat fare.

1245. Belt pulley, crown face. The rounding tends to keep the belt from running off.

1246. Flanged belt pulley.

1247. Speed cone for belt.

1248. Round grooved chain pulley.

[153]

Plate 69

Larger plate.

[154]

1249. Double grooved chain pulley; prevents the chain twisting.

1250. Pitched chain snug pulley or sprocket pulley. The pitch of snugs should be slightly longer than the chain, to allow for wear and stretching of the chain.

1251. Chain sprocket wheel, for long link chain at slow speeds.

1252. Sprocket wheel, for long flat link pitched chains.

1253 & 1254. Sections of rim showing single and double links.

1255. Sprocket wheel, for Ewart’s patent pitched chains. See Chains &c., Section 11.


Section 72.—RIDDLING AND SCREENING.

1256. Square mesh wire gauze.

1257. Perforated plate.

1258. Parallel bars or wires.

1259. Hexagon or triangular mesh wire work.

1260. Slit and square hole perforations, used for seeds, &c.

A form of variable mesh is manufactured by parallel series of diagonal bars jointed by pins to sliding cross-bars, so that the angle of the mesh bars can be altered and thus the spaces reduced or enlarged, on the same principle as No. 617.

1261. Sloping screen.

1262. Cylindrical or slope reel screen.

1263. Cylindrical graduated screen or sizer.

1264. Rotary screen, with rolling bevil gear motion. See No. 711.

1265. Rotary horizontal screen.

1266. Shaking or jigging screen. Sometimes supplied with a blast or aspirator to carry off the lighter particles.

1267. Eccentric or angular barrel screen or mixer.

1268. Air blast sizing or graduating apparatus.

1269. Edison’s magnetic sizing apparatus for iron or steel particles.

[155]

Plate 70

Larger plate.

[156]

1270. Graduating or sizing screens, either fixed as shown or kept in motion like No. 1266.

See also Concentrating and Separating, Section 26.


Section 73.—RAIL AND TRAM ROADS.

1271. Square bar rails.

1272. L-iron tram road; often made of cast-iron with the joints dove-tailed together.

1273. T-iron tram road.

1274. Tram road, with flanged plates for ordinary vehicles.

1275. Tram road, with one channel plate and one flat plate.

1276. Bridge rail.

1277. Bulb-head flanged rail.

1278. Double headed rail.

1279. “Barlow” rail.

1280. Bulb rail.

1281. Flush grooved tramway rail. See Nos. 1839-1841.

1282. Rolled joist rail.

1283. Bulb-iron rail.

1284. Edge’s patent perforated rail and toothed wheel.

Many forms of combined chair and sleeper are manufactured in wrought iron and steel.

1285. Left-hand switch.

1286. Shunting carriage, for transverse shunting; carries a short section of the main road and runs across it on independent rails laid on a lower level; often used instead of a turntable for shunting.

1287. Tramway switch.

[157]

Plate 71

Larger plate.

[158]

1288. Right and left-hand switch and crossing, showing arrangement of guard-rails.

1289. Flat bar on edge rail.

See Section 99 for other sections of rails.


Section 74.—REVERSING GEAR.

For Reversing Gear of Steam Engines, see Section 79.

1290. Reversible driving motion by open and crossed belts, with two loose and one fast pulleys.

1291. Reversible driving motion by single belt, two fast pulleys and one loose ditto and bevil gear, one bevil pinion having a sleeve to which its fast pulley is keyed, the other bevil pinion being keyed to the shaft.

1292. Reversible driving motion by single belt, with quick and slow motions; a modification of the last.

1293. By double clutch and bevil gear.

1294. Reversing friction cones or bevils.

1295. Three-wheel gear. The driving wheel A can be put into gear either with the driven wheel C or idle wheel B.

1296. Double clutch and spur gear reversing motion, with idle wheel.

1297. Reversing pinions, as used on the ordinary screw-cutting lathe. There are many varieties of this gear in use.

1298. Application of single belt gear to No. 1296.

1299. Self-reversing gear, with one belt, two fast and one loose pulleys. The large spur wheel is driven from the bevil gear, and carries the weighted lever past the vertical position by a stop on the face-plate or disc, when it falls over and reverses the belt fork. See No. 1026.

[159]

Plate 72

Larger plate.

[160]

1300. Self-reversing gear, as applied to planing machines. The stops can be set at any required distance apart, to alter the length of travel of the machine bed. This plan requires a heavy table to carry the belt across the loose pulley to the other fast pulley.

1301. Reversible belt-shifting hand gear.

1302. Right and left hand screw reversing traverse motion. Each lever has a half nut, which can be put in gear with the screw to drive either way. See also No. 163.

1303. Best form of fast and loose pulleys for open and crossed belt reversing gear, as used in No. 1290; the fast pulley is rather larger in diameter than the two loose ones.

1304. Single-belt reversing pulleys, the reverse motion on the shaft being obtained by intercepting an idle wheel A between the epicycloidal wheel B and the shaft pinion C, the middle pulley being the loose one; the idle wheel is carried by a fixed bracket and pin.

Note.—Reversible motion can be obtained direct from any steam engine fitted with reversing motion. See Valve Motions, No. 1436, &c.

Segment Reversing Gear, No. 724.


Section 75.—ROTARY ENGINES, PUMPS, &c.

Nearly all rotary engines can be used either as motors, pumps, blowers, or meters, and most of the following typical devices have been applied to all four purposes. Most of them are reversible by simply reversing the direction of the motor fluid.

1305. Disston’s; used as a pressure blower.

1306. Root’s, blower and pump.

1307. Root’s.

1308. Mackenzie’s; may have one, two, or three vanes.

1309. Gould’s.

1310. Bagley and Sewall’s.

1311. Greindl’s rotary pump.

1312, 1313, 1314, & 1315. Varieties of intergeared piston rotary engines.

[161]

Plate 73

Larger plate.

[162]

1316. The small crescent-shaped piston revolves three times to one revolution of the three-armed piston.

1317. The hinged shutter is thrown out of the way each time the revolving arm passes it.

1318. Sliding shutter and cam piston device.

1319 & 1320. Varieties of the “Root” engine.

1321. The hinged vanes are closed upon the revolving piston as they pass the flat side of the casing.

1322. Has an eccentric piston and two hinged vanes.

1323. Eccentric piston and sliding diaphragm.

1324. Klein’s motion. The eccentric ring revolves in contact with the inner and outer casings, but is prevented from revolving on its axis by the fixed shutter and slot.

1325. Baker’s pressure blower.

1326. A modification of No. 1323.

1327. The eccentric ring revolves on its centre, allowing the vanes to alternately project into the steam space as the wheel revolves.

1328. Ivory’s. An eccentric cam and two sliding shutters, with a central steam inlet.

1329. Mellor’s has a rocking vane oscillated by an eccentric piston carried round by a crank.

1330. Eccentric piston and two sliding vanes or steam stops.

1331. Differential rotary engine, with elliptical gear (see Section 34), or Stewart’s differential gear (No. 554) may be employed.

The “Tower” spherical engine is a well-known form of rotary engine. See Engineer, August 10th, 1883.

1332. An eccentric four-armed piston, with four rolling stoppers or packings.

1333. Mellor’s patent pump has a rocking vane or partition, with packing device which accommodates itself to the revolving oval piston.

[163]

Plate 74

Larger plate.

[164]

1334. Bisschop’s disc engine, with three or four cylinders, single acting, whose rams press alternately on the edge of the disc.

1335. Another form of disc engine, in which partitions (rising and falling vertically) form the steam stops.

1336. A modification of 1316.

1337. Rotary or centrifugal pump or fan, numerous varieties of which are in use. Many of the later forms, as Blackman’s and others, have the vanes fixed diagonally so as to propel the air at right angles to the plane of motion.


Section 76.—SHAFTING.

Employed to convey motion from a motor to various forms of driven machinery by gearing of various kinds. See Sections 3, 11, 38, 40, and 84.

Materials employed are:—Round, square, or polygonal wrought iron or steel bars, cast iron, wood, iron or steel tubes, planished round iron and steel bars, &c.

Stow’s flexible shafting. See No. 442.

1338. Longitudinal section of a cast-iron shaft. These are sometimes made of a X section.

1339. Wooden shaft with end ferrules and iron end centres.

1340, 1341, & 1342. End view and sections of ditto, solid hexagonal and hollow circular.

1343, 1344, & 1345. Arrangements of line shafting in a machine-shop or factory, with or without overhead travelling crane.

1346. Example of a line shaft, showing bearings (see Section 46), couplings (see Section 16), pulleys (see Section 3), and gearing (see Sections 3, 84).

Shafts to be used as rollers are usually made hollow of wrought iron or other metal tube, tin plate, zinc plate, or sheet iron riveted; or sometimes, as No. 1342, of wood laggings fixed to solid polygonal blocks or centres, either continuous or in short pieces fixed at intervals.

See also next Section (77).


Section 77.—SPINDLES AND CENTRES.

1347. Spindle with sunk end bearings.

1348. Spindle with one sunk bearing and one collar.

1349. Plain spindle with two loose collars. Where pedestals with loose caps are used (see Section 46) the collars may be solid with the spindle, but with a long shaft the collars should be at one end only as shown, to allow of expansion. A wheel frequently occupies the place of one or both collars, and serves the same purpose.

[165]

Plate 75

Larger plate.

[166]

1350. Coned centre, fixed.

1351. Collar centre pin or stud bolt, fixed.

1352. Coned centre for roller or similar detail, driven in place.

1353. Parallel centre for roller or similar detail, keyed in place.

1354. Square centre for crane barrel, &c. See Nos. 634 and 635.

1355 & 1356. Lathe headstock spindles, solid or hollow; sometimes made with conical and sometimes with parallel necks.

1357. Conical crane post.

1358. Conical cart axle.

1359. Universal centres, employed to allow of a machine (or part of ditto), such as a drill, to be adjusted at any possible angle, the machine being fixed to one end of bar A.

1360. Railway carriage axle. For cranked axles, see Section 10.

1361. Square neck centre bolt. The square neck prevents the bolt turning and loosening the nut.

1362. Coned and cottered crank pin or centre, sometimes secured by a nut, as No. 1350.

1363. Centre pin and bracket, adjustable to various angles.

1364 & 1365. Two methods of securing end of rod to any solid part of machine; used for steam hammer heads.

1366. Hollow post centre, with water or steam channel to allow for swivelling.

1367. Group of sleeve centres, employed to allow of several pairs of lever or wheel motions being taken independently on a single shaft.

1368. Ordinary centre pin, with nut, washer, and split pin.

1369. Ordinary centre pin, with split pin and washer.

[167]

Plate 76

Larger plate.

[168]

Section 78.—SCREW GEAR, BOLTS, &c.

1370. Square thread screw. Single, double, or multiple thread.

1371. V thread screw.

1372. Enlarged section of V thread.

1373. Strongest thread when the strain is always in one direction.

1374. Round thread screw.

1375. Geared thread, to be used with ordinary wheel teeth, the section of thread being that of a rack of the same pitch as wheel.

1376. Earth screw, screw pile, screw mooring, earth borer. See No. 530.

1377. Fixed screw, with hand wheel to revolve the nut, the screw having no rotation.

1378. Conical screw; used for chucks, &c. With two, three, or more sliding jaws chased to fit the conical thread.

1379 & 1380. Differential screws. One fixed, the other revolving, impart a motion equal to the difference of pitch of the two screws (see Section 31). See No. 1430.

1381. Screw, with half nut; the bearings of the screw being fixed act as a fulcrum for the motion of the half nut, which may be attached to any sliding device; employed for jaw chucks.

1382. Screw and worm gear, used for screw jacks, &c. The worm gears with a worm wheel having a central nut running on the main screw.

1383. Mutilated screw and nut. In one position the nut can slide on the screw, and a partial turn locks it. Used for instantaneous grip vices, &c.

1384. Spiral worm for three or four jaw chucks, expanding devices, &c.

See Sections 28 and 36.

1385, 1386, & 1387. Screw driver heads for screws.

1388 & 1389. Hexagon and square heads for ordinary spanners.

1390. Form of head requiring special spanner or pointed bar.

[169]

Plate 77

Larger plate.

[170]

1391. Cylinder head bolt, with drilled holes and special spanner.

1392. Cylinder head, but with flutes instead of holes for spanner.

1393. Cylinder head, but with two flats cut on the head to suit an ordinary spanner.

1394. Socket head, to receive a second screw.

1395. Eye bolt.

1396. Thumb screw.

1397. Thumb or shutter screw.

1398. Milled head screw.

1399. T head screw.

1400. Thumb or fly nut and screw.

1401. Hexagon collar stud to receive a nut or other female screwed fixing.

1402. Bolt head for forked spanner, used for sunk or countersunk heads.

1403. Hexagon head, with solid washer or collar.

1404. T head bolt for T grooves in castings.

1405 & 1406. Countersunk heads.

1407. Eye bolt, with flat sides and straight eye for a pin or bolt.

1408. Snap head.

1409. Hook bolt.

1410 & 1411. Lewis bolts, rag bolts.

1412. Cottered bolt.

1413, 1414, & 1415. Lewis bolts and key pieces.

[171]

Plate 78

Larger plate.

[172]

1416. Collar stud.

1417. Split spring head bolt.

1418. Hook bolt.

1419. Solid head and collar bolt, bed bolt.

1420 & 1421. Heads for bolts to slide and turn in T grooves of planing machines, &c.

1422. Countersunk bed bolt. Boiler stay.

1423, 1424, & 1425. Methods of finishing screw heads to prevent catching passing articles.

1426. Screw head, with cross dovetails to carry a key or screwing lever.

1427 & 1428. Right and left-hand screw couplings for tie rods, &c.

1429. Ring coupling for 2, 3, 4 or more rod ends for tie bracing.

1430. Right and left-hand screw couplings with halved ends to prevent the rods turning; may be made with one fine and one coarse thread for differential motion, or with right and left-hand threads.

1431. Rifling, as used in ordnance, &c., i.e. an internal multiple screw thread of very long pitch.

1432. Screw spanner; the weight prevents it working loose.

1433. Belt screw.

1434. Gib cotter bolts.

See also pipe couplings, Nos. 1071, 1072, 1073, 1074, 1075, and 1062, 1068, 1070.

For spiral worms and creepers, see Section 57.

Spiral pump, No. 1022.

Note that it is possible to construct a screw with an increasing or decreasing pitch, as is done with the screw propeller. See also No. 1378.

Double screw gear, No. 727.

Snail worm gear, No. 730.

Worm and crown gear, No. 733.

Worm and spiral gear, see Section 84.


Section 79.—SLIDE AND OTHER VALVE GEAR.

It would be neither easy nor useful, besides being beyond the scope of this work, to attempt to illustrate all the varieties of gear employed to work the valves of steam and other motor engines. I shall therefore only illustrate the more important types in general use, the details of which may be varied to suit individual cases.

1435. Is the ordinary slide valve gear with single eccentric for engines running always in one direction.

1436. Ordinary link motion reversing gear with two eccentrics; the link, having a shifting motion, is so arranged that either eccentric can be put into gear with the slide valve, the other eccentric running idle; or when in the mid position, as in sketch, both eccentrics run idle and the slide valve has no motion. By setting the link at intermediate positions the travel of the valve can be varied, and consequently the cut off also within certain limits.

[173]

Plate 79

Larger plate.

[174]

1437. Nicholson’s patent reversing gear, without eccentrics. The drawing explains itself. This gear cannot be run in the intermediate positions, as a link motion to vary the cut off. This limits its usefulness to simple reversing only.

1438. Automatic governor expansion for single eccentric engine; the position of the connecting rod end in the swinging link is dependent on the governor, and thus also the travel of the slide valve.

1439. Side shaft motion for operating Cornish, Corliss, and spindle valves. The valves can be driven from this shaft by cams, eccentrics, or gearing.

1440. Gab lever for throwing the eccentric out of gear and thus stopping the engine.

1441. Sector and link reversing motion for oscillating engine; sometimes a shifting eccentric is used instead of link motion, as No. 1443.

1442. Reversing sector link motion for an oscillating engine; the valve is operated from the link, the angle of which is altered by the hand lever, there is therefore no lead to the valve.

1443. Shifting eccentric and balance sometimes used for reversing instead of double eccentrics and link; the loose eccentric is carried round in either direction by a stop piece on the shaft, fixed so as to give the correct lead both ways.

1444. Murdoch’s variable expansion gear (see Mechanical World, September 29th, 1888) has one eccentric which operates a double arm lever, the outer end of which moves a sliding fulcrum along the valve rod lever, so that the leverage of the valve rod lever varies at different parts of the stroke. The sliding fulcrum is attached to a radius rod.

1445. Proell’s automatic expansion gear. Shown applied to special double beat valves, but is sometimes applied to a special throttle valve, and is then applicable to any ordinary engine. The action of the governor alters the lap of the catches upon the ends of the valve levers, thus varying the time that the valves are kept open; the catches are centered on an oscillating T lever, operated from an eccentric on the main shaft.

1446. Marshall’s valve gear, driven by one eccentric on crank shaft. The sector rocking centre is moved along the curved slot to reverse the engine, giving similar motion to the valve rod as in the case of the ordinary link reversing gear No. 1436.

[175]

Plate 80

Larger plate.

[176]

1447. The Bremmé valve gear with single eccentric; the valve rod is operated by a lever and bent connecting rod from the end of the eccentric rod; the latter is constrained to move in an arc by a three-link attachment to a fixed bearing behind the eccentric rod and a movable one at the right-hand end of the horizontal link. To reverse, the arm and sector are turned to the dotted position by the worm and hand wheel shaft.

1448. Joy’s valve gear, operated by a pin on the connecting rod. The slotted T lever is connected to the hand lever for reversing, and when reversed stands at the same angle from a vertical line but on the opposite side. The fulcrum of the valve rod lever has a sliding motion in the slot of the T lever.

1449. Variable expansion gear by hand power. There are many applications of this type used to vary the travel of a cut-off valve.

1450. Corliss valve gear, operated by a single eccentric, has two steam and two exhaust valves similar to No. 1642, worked from pins on a rocking wrist plate. The steam valves have trips, regulated by the governor, on a similar principle to No. 1445.

1451. Crank shaft governor with shifting eccentric: the centrifugal action of the weights, acting against springs, is used to revolve the inner eccentric so as to vary the throw of the main eccentric from which the slide valve is driven.

1452. Another form: in this also the throw of the eccentric is varied by the action of the governor ball.

1453. Another form of automatic governor expansion trip gear in connection with Cornish valves; a single eccentric operates the four valves, and the contacts of the catches and steam valve levers are regulated by the governor, the lower or exhaust valves having a constant motion.

[177]

Plate 81

Larger plate.

[178]

1454. Double angular slide valve for varying the cut off by a transverse motion given to the valve from outside, either by hand gear or by the governor, the valve being made wider than the valve face, as dotted lines.

1455. H. Jack’s variable expansion gear, with one eccentric. Patent No. 4167/85.

1456. Variable cut-off valve on the back of the main slide, the rod of which can be revolved by hand or from the governor to vary the opening of the cut off valves.

1457. A plan to effect the same object but by a cylindrical cut off valve.

1458. English’s expansion gear. Two eccentrics. The expansion valve has no lap, and the gear gives a constant relative motion to both valves.

1459. Tappet gear, sometimes used for water-pressure engines, &c.


Section 80.—SPRINGS.

1460. Open spiral spring for tension.

1461. Close spiral spring.

1462. Open spiral spring for compression.

1463. Open spiral spring (square thread) for compression.

1464. Double volute chair spring.

1465. Spindle-shaped open or close spiral spring for tension.

1466. Parallel open or close spiral spring with coned ends.

1467 & 1468. Volute springs.

[179]

Plate 82

Larger plate.

[180]

1469. Torsional spiral spring.

1470. Wire staple torsional spiral spring, used for hinging; the ends of the wire are bent at a right angle and driven into the wood.

1471. Fixed spring.

1472 & 1473. Sear springs.

1474. Flat spiral spring.

1475. Plate spring.

1476. Indiarubber spring for tension.

1477. Wire spring.

1478. Ribbon spring for torsion.

1479. Compound rubber disc spring.

1480. Air cushion or spring piston.

1481. Laminated plate wagon spring.

1482. Compound dished disc or bent plate spring.

1483. Loop spring.

1484. Flat spiral spring, clock spring or coil spring.

1485. Split ring spring.

[181]

Plate 83

Larger plate.

[182]

1486. Spring pole for foot hammer motion, &c.

1487 to 1489. Spring washers.

1490. Spindle-shaped compression spring.

1491. Flat spiral spring for piston rings.

See also Nos. 1729, 630, 1501, 1503, 11, 767, 768; and Section 35 (Elastic Wheels) for other forms of springs and applications of them.

For equalising the tension of a spring, see No. 1592 and 1602.


Section 81.—SAFETY APPLIANCES FOR VARIOUS USES.

FOR HOIST CAGES, &c.

1492. Cam gear; operates by gripping the wood guides by a serrated eccentric cam surface on the breakage of the rope, the cam being pulled round by a spring which is kept out of action by the tension of the rope until it breaks.

1493. Strut or pawl gear; explains itself.

1494. Double wedge gear.

1495. Governor gear. The rope attached to the cage drives a governor acting on a brake or catch which is thrown into action if the cage gains excessive speed, used in Attwood Beaver’s Patent; American Elevator Co., &c.

1496. Rack and pawl gear.

1497. Cross grip lever gear.

1498. Safety hook to prevent accident from overwinding; the projecting horns A A strike the edges of the plate B, and throw the shackle C at top out of gear.

For hoist doors the best appliance is an ordinary spring lock opened only by a key, the doors being provided with springs to close them. Various automatic doors, revolving shutters, and other devices have also been tried. A simple and effectual protection is a continuous open-work screen wound upon a roller at top and bottom of lift, and attached to the top and bottom of cage and rising and falling with it, so that the doors into lift are all covered at all times except the one at which the cage happens to stand.

Safety valves (see Section 89). Various automatic alarm signals are applied to boilers to warn against low water or excessive pressure.

Automatic valves and other devices are applied to pumping and steam engines to prevent running away. See note to Section 41.

[183]

Plate 84

Larger plate.

[184]

Section 82.—STEAM TRAPS.

To collect and discharge condensed steam from pipes, &c.

1499. Trap operated by a modified form of ball cock, which rises as the box fills with condensed water and opens the discharge valve.

1500. Effects the same object by a floating basin. The condensed water enters the box outside the basin, fills it, and lifts the basin which closes the discharge outlet; when the box is full the water overflows into the basin and sinks it, thus opening the outlet valve.

1501. Trap operated by expansion of a bent spring which closes the valve, on the principle that live steam is hotter than the water condensed from it.

1502. Tredgold’s trap. The valve is opened by a simple float.

1503. Wilson’s trap, like 1501, is dependent on the different expansion of a spring under the difference of temperature of the steam and condensed water. In this case the spring is formed of a steel and brass plate riveted together.

There are many other forms upon similar principles to the foregoing.


Section 83.—STARTING VALVES.

The valves used for starting steam and other engines are usually merely of the ordinary screw down or sliding types. See Section 89.

For starting and controlling all other forms of reciprocating cylinder motors, such as hydraulic lifting cylinders and presses for all purposes, the ordinary slide valve with either two or three ports is the common device; also the ordinary three or four way cock. See Section 89.

1504. Locke’s 3-way balanced valve, which is balanced in all positions. A is the supply, B the cylinder branch, and C exhaust.

1505. Fenby’s 3-way equilibrium starting valve. A supply, B cylinder branch, C exhaust.

1506. Auxiliary valve and pistons to start large slide valves too heavy for direct hand power. A 3-way cock is shown as the auxiliary valve, but a small slide valve or piston valve may be substituted. See note at foot of Section 93, also Nos. 1740 and 1741.

1507. Auxiliary valve and bellows for air, as sometimes used in large organs to open heavy “pallets.” The small valve A is opened by the pressure of the finger on the corresponding key of keyboard, and allows the pressure of air to enter the small bellows which operates the large valve B.

1508. Four plunger valve, used for double power hydraulic lift cylinders employing a trunk piston. For the low power the pressure water acts on both sides of the piston; for the double power it acts only on the back of piston, the front side being then open to the exhaust.

1509. A starting valve, having two ordinary wing or spindle valves, either of which is lifted by a double cam or wiper on a spindle passing through a stuffing box on side of valve case. A supply, B cylinder port, C exhaust.

[185]

Plate 85

Larger plate.

[186]

1510 & 1511. Two methods of operating starting valves for hydraulic lifting machines. 1510 acts by counter balance weights and a single rope, each of the weights being heavy enough to move the valve, and 1511 by an endless rope.

1512. Low pressure starting valve, used for piston hydraulic cylinders in which the lifting is performed by the down stroke of the piston rod, and in lowering, the valve allows the water to pass from above to below the piston, the water being exhausted from below the piston on its down stroke when the valve is in the position shown.

1513. Oscillating valve, with plunger face kept up by a spring. The oscillating valve has two ports passing out at opposite ends, through stuffing boxes, to either end of the cylinder; the inlet is at top and discharge at bottom.

1514. Balanced self-acting starting valve, suitable for large machines and low pressure. The upper piston is larger than the lower or main piston, and the space above the upper piston can be put in communication with the pressure water below it, or the exhaust port by the small piston valve at top operated by the hand gear; so that the main piston is operated by the pressure water acting on it.


Section 84.—TOOTHED GEARING.

1515. Spur gearing. For construction of teeth see text books.

1516. Strongest form of spur teeth for motion in one direction only.

1517. Half shrouded spur teeth.

1518. Whole shrouded spur teeth.

1519. Double helical spur teeth, stronger by 15 per cent. than straight teeth; work without backlash or noise, and may be half or whole shrouded; section of tooth on plane of motion is the same as the ordinary spur teeth (No. 1515).

1520. Crown wheel and pinion.

1521. Long teeth spur wheels or “star” wheels. Used on roller mangles, &c., where the centres rise and fall.

[187]

Plate 86

Larger plate.

[188]

1522. Plain bevil gear; shafts at right angles.

1523. Plain bevil gear; shafts at acute angles.

1524. Plain bevil gear; shafts at obtuse angle.

1525. Plain bevil gear; four shafts at right angles.

1526. Skew bevils; shafts not in line with one another.

Note.—Where the pair are both of same diameter they are called “mitre wheels.”

1527. Spur wheel and pinion; to increase or decrease power and speed the diameters can be varied to almost any proportion.

1528. “Screw gear”; single helical gear.

1529. Skew spur wheels; shafts not parallel.

1530. Dr. Hooke’s gear. Three or more separate wheels of similar or dissimilar pitch fixed together so as to divide the pitch and reduce backlash.

1531. The same result obtained by two wheels, one fixed to shaft, the other loose and forced round by a spring so as to follow the pitch of the pinion and destroy all backlash.

1532. Mortise wheel teeth.

1533. Mortise wheel teeth; another method.

Note.—Wood teeth are usually one-third thicker than the iron teeth they gear into.

1534. Pin wheel and pinion gear.

1535. Lantern wheel.

1536. Screw gear, used in place of bevil gear. Shafts at right angles; teeth at an angle of 45°.

1537. Variable speed cone gear.

1538. Variable speed square gear.

1539. Variable speed oval or elliptical gear.

1540. Irregular gear.

1541. Internal or epicycloidal gear. See Nos. 550 and 1545.

Used for differential blocks, &c. Note that both wheel and pinion run in the same direction, and that more teeth are in gear at one time than with external gear as No. 1527.

[189]

Plate 87

Larger plate.

[190]

1542 & 1543. Varieties of “mangle” gear. The pinion being revolved continuously in one direction produces a reciprocating motion of the wheel; the pinion shaft travels from inside the wheel to outside, and vice versâ, by rising and falling in the slot in the frame. See also No. 423.

1544. Differential gear. See Section 31. One wheel has one or more teeth more than the other; used for counters, &c.

1545. Moore’s patent differential epicycloidal gear. The pinion and wheel are loose on the shaft and eccentric. One wheel has one tooth more than the other.

1546. Multiplying bevil gear. A is a fixed wheel, the cross C is keyed to shaft, B loose on ditto, D and E loose on C; then B is driven at a speed greater than the shaft in proportion to the diameters of the gear. See Patent No. 12,696, 1884.

1547. Double worm gear, right and left hand threads. Neutralises the end thrust on shaft. A and B may be geared together.

1548. Pointed gear; used for light work and for minimum of friction.

1549. Curved worm gear, for heavy strains. Several teeth are in gear at once, but the thread, having a varying section and pitch, is difficult to cut.

1550. Antifriction worm gear (Hawkins’). The wheel has four rollers; when one pair is nearly out of gear with the worm, the next pair is coming into gear. This worm is also difficult to cut.

1551. Crown worm gear.

1552. Ball joint mitre gear.

1553. Multiplying rack gear. The upper moving rack is driven at twice the speed of the spur wheel rod. The lower rack is fixed; used on planing and printing machines.

1554 to 1557. Varieties of worm gear, with straight, hollowed, and curved teeth; the latter are strongest.

1558. Worm and rack gear.

[191]

Plate 88

Larger plate.

[192]

1559. Differential worm gear. The worm gears into two wheels, one having one tooth more than the other.

See also Sections 40 and 31.


Section 85.—TRANSMISSION OF POWER.

a.

By belt, chain, or rope. See Sections 3, 66.

b.

By shafting. See Section 76.

c.

By gearing. See Sections 84 and 40.

d.

By steam or air conveyed in pipes (elastic fluids).

e.

By water, glycerine, or oil conveyed in pipes (non-elastic fluids).

f.

By stiff rods running over guides.

g.

By wires or ropes running over guide pulleys—wire rope transmission. See Section 66.

h.

By electricity conveyed along wire conductors.

 

a. By belt, chain, or rope. See Sections 3, 66.

b. By shafting. See Section 76.

c. By gearing. See Sections 84 and 40.

d. By steam or air conveyed in pipes (elastic fluids).

e. By water, glycerine, or oil conveyed in pipes (non-elastic fluids).

f. By stiff rods running over guides.

g. By wires or ropes running over guide pulleys—wire rope transmission. See Section 66.

h. By electricity conveyed along wire conductors.


Section 86.—TANKS AND CISTERNS.

1560. Plan of square tank of ordinary form; formed of cast iron flanged plates and wrought iron tie rods, the joints are either made with rust cement or planed and jointed with tape and red lead.

1561. Plan of square tank with rounded angles.

1562. Circular tank. No tie rods required.

1563. Elliptical tank. Requires tie rods across the flat sides.

1564. Polygonal tank. No tie rods required.

1565. Elevation of square or polygonal tank.

1566. Elevation of cylindrical or circular tank.

1567 & 1568. Condensing or cooling tanks. Surface condensers with sloping trays or tubes.

1569. Wrought iron tank, usual section, formed of sheets and L irons riveted together.

1570 & 1571. Circulating or depositing tanks.

1572. Boiler saddle tank.

1573. Circulating tank for hot water.

The level of water may be maintained in tanks by either an overflow pipe or notch, or by a ball cock on the supply pipe. Glass water gauges can be fixed outside to show the level of the water inside; and floats are used, attached to a cord and pulleys, for the same purpose. See also No. 1730.


Section 87.—THROWING IN AND OUT OF GEAR.

1574. The driving wheel is loose on shaft, and is locked to its shaft by the hand wheel nut (see No. 945), or by a ratchet wheel and locking pawl.

1575. Two half-nuts are lifted in or out of gear with the screw by cam or lever motion. See No. 942.

1576. One shaft runs in eccentric bearings, which can be revolved so as to throw it out of gear with the other shaft.

[193]

Plate 89

Larger plate.

[194]

1577. Radius bar and slot. The stud wheel can be shifted in or out of gear along the slot.

1578. Sliding back shaft, slides out of gear. See dotted lines.

1579. Method of throwing a pulley out of gear by slacking the belt. This is done either by a cam bearing or sliding motion to the driver shaft. Works best vertically. See also No. 1219.

1580. Cam slot motion for back shaft. To throw it in or out of gear.

1581. Motion employed for punching machines, &c. To set the punch in or out of action by a cam and hand lever.


Section 88.—VARIABLE MOTION AND VARIABLE POWER.

For variable speed and power by spur gear, see Sections 84 and 40.

For variable speed and power by bevil gear, see Section 84.

For variable speed and power by cam gear, see Section 9.

For variable speed and power by belt gear, see Section 3.

1582. Variable speed belt cones, for crossed belts. Angle of cones should not exceed 15°.

1583. Stepped cone gear.

1584. Variable throw crank pin. (See Hastie’s Patent, 3561, 1878; Knowelden and Edwards’, 2996, 1858.)

1585. Beam motion, with variable fulcrum to alter the proportionate lengths of stroke of driving and driven cylinders. See also No. 1606.

1586. Variable pressure accumulator. Both cylinders are in communication by a pipe, and the pressure varies with the angle between the rams.

1587. Wright’s variable gear. The radius of frictional contact of the wheels varies as they are moved closer together or separated.

1588. Olmsted’s variable cone friction gear, with intermediate double cone idle wheel instead of belt.

1589. Convex and concave cones for open belts.

1590. Three speed gear, each separate pair of spur gear being driven by its own belt pulley on separate sleeve pieces.

1591. Irregular or elliptical gear.

1592. Lever combination to obtain an even tension from a spring throughout its motion.

[195]

Plate 90

Larger plate.

[196]

1593. Scroll spur gear.

1594. Scroll gear for obtaining a variable pull from a weight.

1595. Variable friction gear. The pinion can be moved up or down from the centre to the outside of disc to vary the speed.

1596. Owen’s compound lever variable pressure air pumps. The pressure increasing and speed decreasing as the pistons rise to the top of their stroke.

1597. 2-speed gear by one belt. One loose pulley B carries a transverse mitre wheel, which, gearing into the fixed mitre wheel A, drives the mitre wheel pulley C keyed to shaft at twice the speed of pulley B when the belt is on B; by shifting the belt to pulley C, the speed is 1 to 1. The third pulley is loose for running idle.

1598. 2-speed bevel gear with three wheels and sliding shaft, by which either pair can be put into gear.

1599. 2-speed bevel gear with four wheels and sliding shaft.

1600. Increasing speed cone and screw, friction gear. The cone is driven by frictional contact with the pinion.

1601. Variable fulcrum lever, with shifting pin and hole adjustment.

1602. Fusee barrel, as used in clocks and watches to equalise the tension of spring on the movement; may also be employed to give a variable speed. The spring is usually similar to No. 1484, and coiled in the upper barrel.

1603. Variable throw crank pin and slot, much used for variable feed motions in combination with some type of pawl and ratchet gear.

1604. Variable travel imparted to the piston rod from the crank by altering the point of attachment of the link A to the slot.

1605. Variable power pistons, single-acting.

1606. Effects the same ends as No. 1601 or 1585, by shifting the fulcrum point along the slot by means of a screw.

[197]

Plate 91

Larger plate.

[198]

1607. Variable throw crank pin by means of a jointed crank and radial adjusting screw.

1608. Variable throw crank pin by attaching the crank pin to an eccentric disc. See Section 10.

1609. Wind motor-fan or turbine, with variable-angle vanes actuated by a central sleeve and cam or lever gear.

1610. Variable friction cone gear; the small friction pinion can be moved radially to and fro to alter the leverage and consequently speed of driving radius from the cone.

In the steam engine, compressed air engine, and gas engine (these being all elastic fluids), the power given out is varied by altering the supply of steam, air, or gas. In the water wheel the power may be varied by altering the quantity of water (or head of water) supplied to the wheel. In the turbine the power can be varied by altering the head of supply water and the angle of vanes; altering the quantity reduces the speed and efficiency. The turbine will not work well under great variations of either head or quantity.

See also Nos. 736, 722, 723, 1190, 1191, 381, 382, 384, 385, 377, 372, 373; and Sections 20 and 40.

For variable pressure or tension by springs, see Section 80.

Variable balance weights, Section 20.


Section 89.—VALVES AND COCKS.

Of the almost innumerable varieties of valves and cocks in use the following are selected as types without reference to special uses, each type having its peculiar value, and the drawings are only intended to indicate the special features of each type without such details as may be varied to suit each particular requirement or application.

1611. The common plug cock.

1612. The same, but with screwed gland.

1613. 2-way or 3-way plug cock, with packed gland.

1614. Hollow plug blow-off cock, with packed gland.

1615. Back pressure or check valve, self closing.

1616. Ball valve and guard, self closing.

1617. Indiarubber disc and grating valve.

1618. Double flap indiarubber or leather and grating valve.

1619. Simple flap valve faced with rubber or leather.

1620. Rocking or rolling valve. For opening and closing gradually and easily against pressure.

1621. Roll-up valve. For same purposes as the last named.

[199]

Plate 92

Larger plate.

[200]

1622. Sector full-way screw down valve, shown closed; when open the disc is up in the chamber out of the waterway.

1623. Double face valve; the spindle is screwed into the stuffing-box neck and the lower valve, the upper one being pinned to the spindle; the thread in the lower valve is twice the pitch of the upper thread.

1624 & 1625. Spring relief valves; the springs are adjusted to blow off at any stated pressure, which may be regulated by a screw or nut (not shown).

1626. Weighted lever relief valve or safety valve.

1627. Reducing valve, can be adjusted by the balance weight to pass fluids from a high pressure to any lower pressure.

1628. Another form, with spring balance adjustment and equilibrium valve.

1629. Equilibrium valve.

1630. Equilibrium valve, not steam tight, but serrated, to cut off gradually, employed for governors of steam engines.

1631. Equilibrium cylindrical grating valve, may be used to open and close either by vertical or revolving motion.

1632. Common throttle or butterfly valve.

1633. Duplex throttle or damper for a three-way pipe or flue.

[201]

Plate 93

Larger plate.

[202]

1634. Hydraulic high-pressure check valve, with long guide wings.

1635. Hydraulic plug or spindle valve and seating; all seatings for high pressure should be narrow and hard.

1636. Duplex or Ramsbottom safety valve; each valve serves as a fulcrum by which to lift the other. One fulcrum point should be jointed to the lever and the latter move in a vertical guide, or else the point of attachment of the spring to the lever be placed below the level of the valve seatings.

1637. A modification of the last named.

1638. Pass valve, used for pneumatic despatch tubes.

1639. Oscillating lever duplex valve.

1640. Simple radial disc valve or sluice.

1641 & 1642. Oscillating cylindrical valves. Corliss valves; sometimes made tapered or conical.

1643. Multiple ball valve, for high lift delivery valve of large pumping engines. Balls are of guttapercha, and open and close without shock.

1644. Multiple ring valve. The rings open and close in succession, thus avoiding shocks.

1645. Double beat ring valve.

1646. Double beat equilibrium or Cornish valve. The upper seating can be made of such area as to partly or entirely balance the valve.

1647. Multiple ring valve. The indiarubber rings expand and contract over the perforations.

[203]

Plate 94

Larger plate.

[204]

1648. Double-beat valve, with sunk seating.

1649. Common D slide valve, with three ports.

1650. Duplex or double D slide.

1651. Another form, partly in equilibrium.

1652. Equilibrium slide valve, with circular packed trunk on back, of area sufficient to balance the face area of valve.

1653. Similar result obtained by a piston and link.

1654. Equilibrium piston valve employed in lieu of the slide valve. A steam pipe, B B exhaust.

1655. Gridiron slide valve.

1656. Common plate slide valve or sluice, used for blast pipes.

1657. Floating ball valve, for automatic discharge of air from water mains.

1658. Ordinary double-faced sluice valve, lifts clear of the water way.

[205]

Plate 95

Larger plate.

[206]

1659. Single face sluice valve, for sewage water, &c.

1660. Flap sluice valve. Tidal outlet valve.

1661. Diaphragm valve.

1662. Oscillating disc valve, for gas.

1663. Large 3 or 4-way plug cock.

1664. Finger valve, closed by a spring.

1665. Taper cone valve, for gradually closing an outlet.

1666. Dome valve, used for hot blast, hot gases, &c. This form retains its shape when heated, expanding evenly.

1667. Common floating ball tap.

1668. Three-way air valve.

1669. Duplex slide, used to close a number of openings at once.

1670. West’s spiral valve, with indiarubber cord which expands and contracts over a spiral perforated groove.

1671. Dennis’ self-lifting valve. The valve is kept to its seat by the pressure being admitted on to its back through small hole A; when the larger hole B is opened by the spindle the back pressure is relieved and the valve lifted by the pressure below its conical underside.

1672. Common cone plug.

[207]

Plate 96

Larger plate.

[208]

1673. Equilibrium plug or cylindrical valve, double ported.

1674. Another form of self-lifting valve. See No. 1671 for description.

1675. Compound flap valve.

1676. Indiarubber pump valve.

1677. Venetian shutter or compound butterfly valve.

1678. Bye pass used to allow a small flow when the main valve is shut off. Used also to equalise pressure on both sides of a large valve to enable it to open easily.

1679. Bell and hopper, or cup and cone; used for blast furnaces, coke ovens, and gas generators.

1680. Cup valve and suspended weight.

1681. Four-way valve for hot water pipes, &c.

1682. Oscillating valve.

1683. Gas purifier centre valve, for four purifiers; to work one purifier off and three on, or all four on at once. It is similar in plan to No. 1684, but has an additional top valve which allows the gas to pass into the fourth purifier; the top valve has an independent sleeve and lever motion.

1684. Gas purifier centre valve, employed to deliver and discharge gas into and out of any one, two, or three out of four purifiers. The motion of the gas is shown by the arrows.

1685. Conical grating valve with radial slots, opened or closed by revolving motion.


Section 90.—WATER WHEELS AND TURBINES.

1686. Simple undershot wheel.

1687. Breast wheel.

[209]

Plate 97

Larger plate.

[210]

1688. High breast wheel.

1689. Overshot wheel.

1690. Return overshot wheel.

1691. Internal feed re-action wheel.

1692. Sunk wheel, driven by air: may be used as a meter for gas or air.

1693. Current wheel, driven by tidal or river current.

1694. Flutter wheel, with high fall.

1695. Horizontal wheel.

1696. Re-action wheel, the oldest form of turbine.

1697. Engel’s diagonal wheel.

1698. Scoop wheel for raising water. See also No. 1024.

1699. Wheel, with internal buckets and feed.

Note that most of these may be reversed and made into water raising machines, as No. 1698.

1700 to 1703. Sections of various forms of buckets in wood and iron. No. 1703 is a ventilated bucket which allows air to escape as the water enters.

For governing speed of water wheels and turbines, see Section 41.

1704. Fourneyron’s turbine, outward flow; the outer vanes are fixed, the inner ones revolve with the shaft.

1705. Jonval’s turbine, downward flow; either the upper or lower set is fixed.

1706. Swain’s turbine, inward and downward flow, with inward curved vanes or flumes.

[211]

Plate 98

Larger plate.

[212]

1707. Leffel’s turbine, inward and downward flow; has one outer ring of fixed vanes and two inner sets revolving, but having different angles of flow.

1708. Undershot jet wheel for high pressure water.

Many other forms of turbines are extant, but are mostly modifications of the above types. The best types have means of varying the angle of the vanes and areas of passages to suit varying quantities of water.


Section 91.—WHEELS IN SEGMENTS.

1709. Heavy gearing for rolling mills, &c., with dovetailed joints wedged and packed.

1710. Wheel cast in sectors bolted together.

1711. Bevil wheel in halves.

1712. Wheel with rim in segments bolted together, and provided with bored and cottered sockets for arms in both rim and boss.

1713. Fly wheel rim, cottered and dowelled together.

1714. Arms and boss cast in one: the rim in segments, bolted together and to the arms.

1715. Tension wheel. The tie spokes are sometimes arranged in two sets at a slight angle to each other to prevent the rim turning without the boss. Bicycle wheels are of this class.

1716. Wrought-iron wheel, with cast boss.

1717. Wrought-iron wheel, with cast boss.

1718. Rim in segments bolted together, wood arms and cast boss, with sockets to receive arms; this type is much used for water wheels.

[213]

Plate 99

Larger plate.

[214]

1719. Railway wheel: boss of cast iron with wrought-iron arms cast in. The rim is of rolled iron or steel riveted on. There are numerous methods of fastening the tyres to arms, detailed in the Engineer, July 23rd, 1880.

1720. Spring rim split pulley.

1721. Segment fly-wheel, with long radial bolts to secure the rim, arms, and boss together.

1722. Large centre boss, with rim segments bolted to it.

1723. Wheel in halves; the boss is held together by two bolts acting as cotters.


Section 92.—WEIGHING, MEASURING, INDICATING PRESSURES, etc.

1724. Weighing by a beam with equal arms. Weights A = package B.

1725. Weighing by a beam with unequal arms. Weight A constant; leverage of ditto variable by shifting it along the graduated arm of lever.

1726. Graduated measuring vessel.

1727. Similar principle applied by compound levers with unequal arms. The table is supported on four points on the arms of levers loosely jointed together in the centre; one lever is extended and coupled by a rod to a graduated lever with sliding weight. Knife edges are used for bearings for all weighing machines by leverage. See No. 958. This construction is the basis of most of the ordinary weighing machines in use.

1728. Duckham’s patent hydraulic weighing machine. The article to be weighed is suspended from the hook, and exerts a pressure on the ram. The corresponding pressure on the liquid (usually oil or glycerine) is indicated on the pressure gauge, which is graduated to show the weight.

1729. Spring balance.

1730. Appliance for indicating depth of water in a cistern by an air bell and pipe connected to a U water gauge. The pressure on the air in the bell varies with the depth or head of water above it, and is indicated on the gauge. A modification of this is employed for sounding at sea.

Weights of substances may be ascertained by their displacement in water or mercury, or by supporting the weighing scale on a free piston resting on an ascertained area of water or mercury, the pressure produced being indicated by a gauge.

1731. Micrometer gauge.

1732. Radial arm weighing machine.

1733. Small weighing device, depending upon the angle the card assumes in respect of the vertical pointer, which is on a free pivot.

1734. Automatic measuring or weighing device. The material fills one compartment until it overbalances, when it falls and empties itself; the material then fills the other compartment, and so on.

[215]

Plate 100

Larger plate.

[216]

1735. Wet gas meter. The gas enters at the centre, and as the compartments fill they rise out of the water, the gas being discharged at the outer ports into the casing.

1736. Measuring wheel.

1737. Measuring wheel.

1738. Double slide measurer.

1739. Automatic tipping scale. When full, to equal the weight, it falls and tips by striking a fixed stop; the scale then turns over and returns to its position, and is refilled.

1740. An ordinary piston and cylinder are often employed to measure liquids, and fitted with a reversing valve on the same principle as Nos. 1026, 1027, and 1741. See also note to Sec. 93.

Most of the rotary devices (see Section 75) have been employed as meters for liquids and gases. See No. 1692.

Dry gas meters usually employ an expanding bellows, or light piston, with a self-reversing valve, similar to Nos. 1299 and 1026. See also Section 44.


Section 93.—WATER-PRESSURE ENGINES.

See also Section 56.

Hydraulic ram. See No. 1025.

Robinet. See No. 1026.

Two- or three-cylinder engines, with slide valves operated either by eccentrics as in the steam engine, or by the oscillation of the cylinder. The slide valves have no lap or lead; there is no cushioning except what is given by an air vessel on the supply pipe. Three-cylinder engines are usually made single acting with rams. See No. 1743.

1741. Single cylinder engines. These must have the slide or other distributing valve reversed by pistons A, A, operated by the pressure of the supply water. This is usually done by an auxiliary valve B, reversed by the main piston rod C. This valve admits the pressure water to the pistons A, A, which reverse the main slide valve. See No. 1506. See note below.

1742. Mode of working an underground pumping engine by water cylinders above ground, connected to those below by pipes A, A. B is the suction, C the delivery.

1743. One, two, or three cylinder water engine. The ports are in the segmental base of the cylinder, have no lap, and are opened and closed by the oscillation of the cylinder.

1744. Circular oscillating cylinder, in a case which opens and closes its ports by its own oscillation.

In lieu of the weighted lever valve gear for single cylinder water pressure engines, the engine may be arranged to compress a spring during the stroke, which at the end of the stroke shall be released, and by its expansion reverse the valve.


Section 94.—WASHING.

1745. Cylindrical revolving screen washer, for roots, &c.

1746. Tub and paddle washer.

[217]

Plate 101

Larger plate.

[218]

1747. Coal washer. The water is kept in motion up and down through the screen A by a cylinder and piston B; the mud sinks to C and the washed coal passes over to D. Both are removed continuously by elevators or worms. See Section 57.

For washing ores sloping screens either plain or perforated are often used, a stream of water being kept flowing over the ore, which is kept in motion. See Nos. 1266 and 477, also Cylindrical Revolving Screens, as No. 1262.

1748. Cylindrical perforated drum, with internal fixed spiral flange which causes the material to travel at a fixed rate of motion. The cylinder may be revolved in a water trough as No. 1745, or water may be fed in with the material and the casing be unperforated.

1749. A contrivance to keep a continuous circulation in a boiling tub or copper in which clothes, &c., are washed. The hot water from the bottom rises up the tin tube, and is discharged on the surface.

1750. Corrugated rollers washing device, for fabrics.

1751. Water trough and dipping band, for washing cloths, wool, paper, &c.

Domestic washers comprise, besides the ordinary tub and dolly, washing boards, having corrugated surfaces; rocking and revolving boxes, having a churn-like motion. Brushes also are sometimes used.


Section 95.—WINDMILLS AND FEATHERING WHEELS.

1752. Feathering paddle wheel. Each float has a bracket and pin at back, with connecting rod to a common eccentric (fixed), through which the shaft revolves.

1753. Spiral vane or cowl, for chimney top. Used to drive a vertical worm inside the chimney cap to maintain an upward draught, by employing the wind as a motive power.

1754. Windmill sails, with angular adjustment by a sliding device on the shaft.

1755. Feathering horizontal windmill. Each float is hinged a little out of centre to the arms, so that the pressure of wind (see arrow) turns the floats to the positions in the sketch as they revolve.

1756. Hollow semi-spherical cup windmill or motor.

1757. Wind motor, with curved vanes. These last two revolve in the direction of the arrows, because the wind has more hold upon the hollow sides of the cups and vanes than on the convex side.

1758. Self-feathering wind wheel.

1759. Spiral wind wheel.

[219]

Plate 102

Larger plate.

[220]

Section 96.—WINDING APPARATUS.

1760. Barrel or drum, for wire, &c.

1761. Winding barrel, for cranes, winches, &c.

1762. Fusee barrel. See No. 1602.

1763. Grooved barrel, for chain. Prevents the chain riding as it coils.

1764. Hexagon frame winder, for yarn, &c.

1765. Spool.

1766. Card winder.

1767 & 1768. Bobbins. There are a great many patterns in use for various trades.

1769. Appliance for winding bobbins of cotton, and other machinery. The bobbin is stationary and the flyer revolves, the thread passing up its centre and down one arm through the eye, which has an up and down feed motion to wind the thread on evenly.

1770. Mode of feeding the thread on to the spindles to cause it to coil evenly by an oscillating arm and pin over which the thread passes.

1771. Drum, for flat rope or chain wound upon itself.

For winding engines and winches, see Nos. 1222 to 1226.

See also Rope Gear, Section 66.


Section 97.—HANDLES, &c., FOR VARIOUS PURPOSES.

1772. Knob handle.

1773. Loop handle, hinged.

1774. Loop handle, fixed.

1775. T handle.

1776. Plain handle.

1777. Sash lift or drawer handle.

1778. Hand bar.

1779. Swing door handle.

1780. Sunk or flush loop handle.

1781. Hinged lifting levers.

1782. Bent handle, for radial motion.

[221]

Plate 103

Larger plate.

[222]

1783. Hand wheel.

1784. Cranked T handle.

1785. Capstan wheel.

1786. Bow or lifting handle, for ladles, buckets, &c.

1787. T bar handle, for two hands.

1788. Cross hand lever, four, six, or eight arms.

1789. Loop handle, sometimes cast into a casting.

1790. Ring handle.

1791. Double bar pushing handles.

1792. Bent handle, for radial motion.

1793. Weighted handle.

1794. Vice handle, with sliding lever bar.

1795. Hand bar, with forked lever attachment for pumps, &c.

1796. S lever double cranked handle.

1797. Stirrup handle.

1798. T lifting handle or key, for opening flush doors or manhole covers.

1799. Thumb screw head.

1800. Straight handle, with suspending eye.

1801. Capstan wheel, for screw gear.

1802. Ventilated twisted handle.

1803 & 1804. Loop handles.

[223]

Plate 104

Larger plate.

[224]

1805. Spring lock lever handle.

1806. “Coffee pot” handle.

See also Section 48.


Section 98.—APPARATUS FOR DRAWING CURVES.

See Gearing, Section 40; Ellipsograph, Section 34.

1807. Cyclograph, for describing arcs, the chord and versed sine being given. Fix pins at A and B, fasten together at C two slips of wood, hold the pencil at D, and move the slips round, keeping them against the pins. See also No. 11.

1808. Hyperbolagraph. Height and focus are given as for 1809, and string fixed to B, and focus A; the arm is pivoted at C, and the pencil used as described for No. 1809.

1809. Parabolagraph. The height of parabolic curve H and focus A are given. A string is fastened to end of set square at B, reaching to C, and the other end fixed to a pin in the focus A. A pencil held in the loop and kept against edge of set square as it is moved to left or right will describe the parabolic curve.

1810. Cycloidograph, describes the hypo- or epi-cycloid. A modification of this is used to draw the curves of the teeth of wheels.

Pentagraph, for reducing or enlarging outline drawings, No. 1924.

Helicograph, to describe a regular helix by a central fixed bevil wheel which drives the radial bevil wheel screw and scribing pencil, No. 1925.

A simple helicograph, with radial screw and roller nut, which travels along the screw as the apparatus is revolved on its centre pin, No. 1926.


Section 99.—MATERIALS EMPLOYED IN CONSTRUCTION

The following memoranda relate only to such materials as are required in connection with machinery or mechanical constructions, and are intended to supply particulars of the dimensions of the manufactured or raw material, giving the sections manufactured and the limits as to size available for incorporation in any design under consideration.

Rolled iron and steel bars are manufactured as below:—

1811. Rounds, from 316″ to 734″ diameter, and up to 18′ long.

1812. Squares, from 316″ to 6″ square, and up to 18′ long.

1813. Flats, from 12″ to 14″ wide, and up to 18′ long.

1814, 1815, 1816, 1817, 1818, & 1819. L iron sections are made from 34″ × 34″ up to 14″ × 334″, or to 1212″ united inches, with equal or unequal flanges, and up to 30′ long; but the acute, obtuse, and round angled sections are not usually stocked.

1820 & 1821. T irons, from 1″ × 1″ up to 12 united inches, or to 9″ × 4″, and up to 30′ long.

1822. Rolled girder iron, from 3″ deep to 20″ deep × 10″ flanges, and to 36′ long, in hundreds of sections.

1823. Zore girders, from 3″ to 8″ deep, and to 24′ long.

1824. Channel iron, from 34″ to 12″ wide, and to 25′ long.

1825. Convex iron, from 1″ to 6″ wide, and up to 20′ long.

1826. Cope iron, from 1″ to 4″ wide, and to 20′ long.

[225]

Plate 105

Larger plate.

[226]

1827. Half-round iron, from 12″ to 4″ wide, and to 20′ long.

1828. Funnel ring iron, from 312″ × 316″ to 8″ × 916″ wide, and up to 18′ long.

1829. Jackstay iron.

1830. Hollow cope iron.

1831, 1832, & 1838. Rail sections (see Section 73), usually made in 18′ to 30′ lengths, and numerous sections of from 22 lbs. to 84 lbs. per yard.

1833. Bulb L iron.

1834. Deck beam or bulb T iron, up to 16″ × 6″.

1835. Bulb L iron, up to 10″ × 4″.

1836. Bulb iron, to 13″ wide.

1837. Pile iron.

1839, 1840, & 1841. Flush tram rails, 18′ to 30′ long.

1842, 1843, & 1849. Fire bar iron.

1844. Double L iron, 12″ × 1″ × 12″ to 5″ × 5″ × 12″.

1845. Cross iron.

1846, 1847, & 1853. Sash bar iron. Hundreds of special sections are manufactured.

1848. Bevil edge iron.

1850. Octagon bar iron.

1851. Hexagon bar iron.

1852. Tyre iron, made in many sections. See note to No. 1719.

[227]

Plate 106

Larger plate.

[228]

1855. Bevilled flat iron.

1856. Trough iron. Used for bridge flooring, fire-proof floors, &c.

1857. Double convex iron.

1858 & 1859. Tramplate iron.

1860 & 1861. Chair or sleeper iron.

1862. Oval iron.

1863, 1864, & 1865. Round edged flats.

1866. Segment round iron.

1867. Round edged convex iron.

1868. Bevilled flat iron.

1869. Bevil edge flat iron.

1870. Bevilled flat iron.

1871. Round edged hollow convex iron.

1872. Taper edged hollow convex iron.

1873. Boiler tube expansion ring iron.

1874. Moulded flat bar.

In addition to the above, iron ornamental mouldings are rolled with moulded and relief ornaments in bars, from 58″ to 234″ wide, and up to 16′ or 18′ long. Also plain mouldings similar in sections to those used in joinery.

Plates (iron and steel) are manufactured from 18″ to 34″ thick ordinary. Thicker plates are rolled to order up to 20″ thick.

Stocked sizes of ordinary plates are 4′ × 2′ up to 14′ × 4′ 6″.

Strips from 7″ to 22″ wide, and up to 30′ long.

Chequered plates, with diamond, oval or square recessed patterns, are made 6′ × 2′ up to 8′ × 3′ 6″.

Sheets, plain, in thicknesses from No. 10 w.g. to No. 36 w.g., and from 6′ × 2′ to 10′ × 4′.

Corrugated sheets, plain or galvanised, from No. 16 to No. 26 w.g., and from 6′ × 2′ to 9′ × 2′.

Tinned sheets, same as above.

Cold rolled sheets, same as above.

Planished sheets, same as above.

Lead-coated sheets, same as above.

Tin plates, terne plates, 14″ × 20″, 17″ × 1212″, 15″ × 11″, 14″ × 10″, 24″ × 20″, 28″ × 10″, 28″ × 20″.

Hoops, from 58″ to 7″ wide, and from No. 8 to No. 24 w.g.

1875. Wire; sections manufactured in hard iron, soft iron, soft steel, hard steel, tempered steel, piano wire, covered wire (wound with either cotton, silk, guttapercha, flax, &c.), or copper wire. Also brass, copper, lead, zinc, and other metal wire, hard or soft; tinned iron wire, galvanised iron wire, tinned brass wire, coppered iron wire, lead-coated iron wire.

[229]

Plate 107

Larger plate.

[230]

Pipes (see Section 57) and tubes of wrought iron, either butt or lap welded, or solid drawn, are made in four qualities or strengths:—1. Gas tube; 2. Steam or water tube; 3. Boiler flue tube; 4. Hydraulic tube. These are manufactured from 14″ to 3″ internal diameters; boiler flue tubes to 9″ diameter, but much larger sizes can be made to order.

Solid drawn steel tubes are made up to 10″ diameter; larger sizes are made to order.

Special steel or wrought iron pipes, flanged with L iron, are made up to 4′ diameter with welded joints, and welded steel or wrought iron socket and spigot pipes up to 24″ diameter.

Cast iron pipes are made in the following strengths:—Rainwater pipes, hot-water pipes, gas mains, water mains, hydraulic mains for high pressure, and the thicknesses of metal vary according to the pressures. Diameters from 112″ up to 4′, and lengths usually 6′ and 9′. See Section 57.

Castings are made in cast iron of various mixtures, according to strength, toughness, or hardness required, and of any weight up to 20 tons. Chilled iron castings are made for hard wear, as in crusher rolls, &c., but cannot be machined; they are usually ground smooth by a grindstone or emery wheel.

Steel castings are made in either Bessemer, Siemens-Martin, Thomas-Gilchrist, or in crucible steel, the latter being most relied upon. They require annealing to soften them sufficiently for machining, are almost invariably “blown” or honeycombed, and rarely homogeneous, or twice alike from the same pattern or cast.

Wrought-iron castings, Mitis metal, &c., are also obtainable, but malleable cast iron castings are most relied upon for toughness, the process having now attained great perfection, but is not applicable to very thick castings.

Pressed iron on steel forgings of simple forms are now obtainable at low prices.

Forgings in wrought iron and steel can now be made to almost any size, shape, and weight, and are replacing many structures formerly made of cast iron or built up.

Other metals employed are copper, brass, tin, zinc, phosphor-bronze, lead, antimony, bismuth, pewter, Muntz metal, aluminium, sodium, potassium, platinum, gold, silver, nickel, and a great variety of the bronzes, which are valuable compounds varying in tenacity and hardness from the hardest steel to that of soft copper. Most of the above are manufactured into wire, sheets, tubes, rods, &c., and can in addition be cast into any form from a crucible. Copper can be forged but not welded; joints in it are generally brazed or soldered.

[231]

Other materials employed comprise—

Timber. Yellow, white, and red pine in logs, deals, and battens; logs, up to about 3′ diameter by 35′ to 40′ long; deals, 9″, 10″, and 11″ wide, and from 112″ to 4″ thick—a few wide deals are imported up to 22″ wide—spruce and fir, sycamore, pear tree, willow, poplar, &c. The following table gives a list of woods and their applications:—

TABULAR STATEMENT OF THE WOODS
COMMONLY IN USE IN GREAT BRITAIN.

For Building.

Ship-building.—Cedars, deals, elms, firs, larches, locust, oaks, &c., &c.

Wet works, as piles, foundations, &c.—Alder, beech, elm, oak, plane-tree, white cedar.

House carpentry.—Deals, oaks, pines, sweet chestnut.

For Machinery and Mill-work.

Frames, &c.—Ash, beech, birch, deals, elm, mahogany, oak, pines.

Rollers, &c.—Box, lignum vitæ, mahogany.

Teeth of wheels, &c.—Crab-tree, hornbeam, locust.

Foundry patterns.—Alder, deal, mahogany, pine.

For Turnery.

Common wood for toys (softest).—Alder, beech (small), birch (small), sallow, willow.

Best woods for Tunbridge ware.—Holly, horse chestnut, sycamore (white woods); apple-tree, pear-tree, plum-tree (brown woods).

Hardest English woods.—Beech (large), box, elm, oak, walnut.

For Furniture.

Common furniture and inside works.—Beech, birch, cedars, cherry-tree, deal, pines.

[232]

Best furniture.—Amboyna, black ebony, cherry-tree, Coromandel, mahogany, maple, oak (various kinds), rose-wood, satin-wood, sandal-wood, sweet chestnut, sweet cedar, tulip-wood, walnut, zebra-wood.

Foreign hard woods, several of which are only used for ornamental turnery.—

1. Amboyna. 13. Greenheart. 25. Peruvian.
2. Beef-wood. 14. Grenadillo. 26. Princes-wood.
3. Black Bot. B. wood. 15. Iron-wood. 27. Purple-wood.
4. Black ebony. 16. King-wood. 28. Red sanders.
5. Box-wood. 17. Lignum vitæ. 29. Rosetta.
6. Brazil-wood. 18. Locust. 30. Rose-wood.
7. Braziletto. 19. Mahogany. 31. Sandal-wood.
8. Bullet-wood. 20. Maple. 32. Satin-wood.
9. Cam-wood. 21. Mustaiba. 33. Snake-wood.
10. Cocoa-wood. 22. Olive-tree & root. 34. Tulip-wood.
11. Coromandel. 23. Palmyra. 35. Yacca-wood.
12. Green ebony. 24. Partridge-wood. 36. Zebra-wood.

Nos. 3, 8, 16, 33, and 34 are frequently scarce.

Nos. 3, 5, 8, 9, 10 are generally close, hard, even tinted, and the more proper for eccentric turning, but others may also be employed.

Nos. 4, 5, 10, 12, 14, 17, 18, 19, 30, 32 are generally abundant and extensively used. All the woods may be used for plain turning.

Miscellaneous Properties.

Elasticity.—Ash, hazel, hickory, lance-wood, sweet chestnut (small), snake-wood, yew.

Inelasticity and toughness.—Beech, elm, lignum vitæ, oak, walnut.

Even grain, proper for carving.—Lime-tree, pear-tree, pine.

Durability in dry works.—Cedar, oak, poplar, sweet chestnut, yellow deal.

Colouring matter (red dyes).—Brazil, braziletto, cam-wood, log-wood Nicaragua, red sanders, sapan-wood.

Colouring matter (green dye).—Green ebony.

Colouring matter (yellow dyes).—Fustic, zantes.

Scent.—Camphor wood, cedar, rose-wood, sandal-wood, satin-wood, sassafras.

[233]

Indiarubber, manufactured into sheets, with or without canvas insertion of single, double, or treble thickness, up to 36″ wide and to 12″ thick; cord to 1″ diameter; tubes, plain, or with canvas insertion or wire coiled inside or outside, from 14″ to 4″ bore, usually in 30′ and 60′ lengths. Washers, rings, rollers, strips, belts, and moulded articles of every form.

Guttapercha is manufactured into similar articles.

Leather. Most of the varieties are manufactured from the skins of oxen, sheep, goats, deer, horses, dogs, hogs, and seals, and the larger skins are divided into butts, shoulders, cheeks, and bellies, the dimensions depending of course upon the size of the animals. Ox hides are the largest and kid skins the smallest in general use.

For mechanical purposes ox hide, raw or tanned, is chiefly used, as for valves, seatings, belts, piston leathers, &c. Sheep skins can be obtained either strained, half-strained, or unstrained; the first are hard and comparatively stiff, the last-named soft and pliable as cloth. Other soft varieties are goats’ skins and chamois leather. There are many imitations of leather, but they are rarely employed in mechanical constructions.

Vulcanised fibre is often used for similar purposes to leather, as for valves, seatings, joints, &c. It is made in two varieties, medium and hard, and in sheets up to 1″ thick.

Ebonite. A hard, black, horny substance, moulded into any required shape.

Papier mâché. Solid paper, moulded from pulp into any required form.

Asbestos, in sheets, cord, packing of various sections, loose fibre, millboard, &c.

Ivory, from tusks and teeth.

Bone.

Vegetable ivory; nuts about the size of eggs.

Packings for glands, &c., are made of cotton, hemp, and other fibres, asbestos, indiarubber, &c., in round, square, and other sections.


[234]

Section 100.—HEATING APPARATUS.

For general purposes this comprises Furnaces, Stoves, Ranges, Ovens, Boilers (see Section 6), Hot-blast, Steam-heated Vessels, Gas Jets, &c., most of which are tolerably well known and in common use.

For special purposes in connection with machinery various heating devices are required, of which steam and gas are those most universally used. Steam tubes or coils may be carried through any fixed or movable part of a machine. Steam-heated surfaces, such as tables, pans, chambers, &c., steam-jacketed cylinders, and similar contrivances, are much used. Gas jets from perforated tubes, which may be shaped to any required position, are also convenient for dry heat and higher temperatures than can be obtained from steam.

Hot irons are sometimes used, shaped to fit a cavity, but of course require to be replaced periodically.

Hot water in pipes or jackets, and hot air in flues are common appliances for warming and drying; with the former its circulation must be provided for, and with the latter, either a forced draught or an upward inclination given to the flues to maintain circulation.

1876. Gill pipes for radiating the beat of steam or hot water.

1877. Gill stove, on similar principle, presents an extensive surface in contact with the air for radiation of heat.


Section 101.—DRAWING AND ROLLING METALS, &c.

1878. Rolls for bar iron, grooved to suit the section required, one-half the groove being usually in each roll, and the size and shape of the grooves are graduated down from that of the square billet to the finished bar.

1879. Grooved rolls for producing a tapered bar.

1880. Rollers for turning up and welding tubes from a flat strip.

1881. Bending rollers.

1882. Rolls for solid tyres, without a weld.

1883. Wire drawing apparatus.

For grips for drawing wire, &c., see Nos. 505, 518. Laths of various sections are drawn through suitable steel dies by a draw bench; the end of the lath is held by a grip tongs and the lath drawn forcibly through the dies (using a lubricant) and afterwards straightened. Rolling does not answer for this kind of work.

The drawing frame used for cotton and other fibres has two, three, or more pairs of rollers; the lower rollers are grooved longitudinally and the upper ones weighted and covered with leather, the lower ones being geared together to drive at proportionate speeds, so that in passing through, the material is stretched between each pair of rollers, the object being to extend and lay all the fibres parallel.

For drawing lead pipes, see No. 1183. Earthenware pipes are made by a similar process.


Section 102.—STRUTS AND TIES.

1884. Ordinary solid swelled distance rod with collars, used for compressive strains.

1885. Similar strut, but formed of tube with end collars screwed in.

1886. Double flat-bar cambered strut, stiffened by distance pieces and bolts.

1887, 1888, 1889, & 1890. Sections of varieties of the foregoing.

1891. Braced strut; usually of flat bars on edge, riveted together at the intersections.

1892. Tubular swelled strut, of plate iron, used for masts, sheer legs, crane jibs, &c.

1893. Built up strut, from segmental bars.

1894. Trussed strut; the trussing is 90° apart, but may be at any angle; the central bar of course takes the actual thrust, and the truss rods keep it from bending or buckling. See also Nos. 295 to 300, 320.

Ties, for tensile strain only are usually of round iron, flat or other simple section, tube, or even chain, rope, or wire.

[235]

Plate 108

Larger plate.

[236]

Section 103.—MARINE ENGINES (TYPES OF).

Many varieties will be found illustrated under Section 32. The following are modern types:—

1895. Diagonal paddle engines, for light draught vessels. May of course be either of two or three cylinder type and either high pressure or compound.

1896. One of the most favourite types of vertical overhead cylinder screw engines, with half standards and distance rods, one, two or three cylinders, simple or compound. The condenser is usually in the back standards and the pumps behind. Simplicity and accessibility are its chief advantages.

1897. Stern wheel, side lever engines, not often required in practice. The ordinary construction of horizontal engines usually accommodates itself for stern wheel driving. See Nos. 575 to 579, &c.

1898. Double standard vertical overhead cylinder screw engines, the type commonly adopted for the heavier class of vessels, and frequently made for triple expansion. It is of very rigid construction, but not quite so convenient for accessibility to the working parts as No. 1896. The condenser and pumps are at one side, built into the standard, and the engines are handled from the opposite side or from an elevated platform.

1899. Overhead cylinder and distance rod type, the lightest and simplest form in use for small engines. Every part is easily seen and got at, and the top weight is reduced to a minimum.

1900. Is a variety of No. 1896, with tandem cylinders and two cranks for triple expansion.

1901. Is also a variety of No. 1898, with tandem cylinders for triple expansion. In this plan the intermediate stuffing box is got rid of by using two piston rods to the lower cylinder, coupled to the piston rod of the upper or high-pressure cylinder by a crosshead.

1902. Compound overhead standard engines, for twin screws.

1903. Diagonal twin screw engines.

[237]

Plate 109

Larger plate.

[238]

1904. Horizontal twin screw engines.

1905. Plan of cylinders as usually employed for No. 1902.

1906. Oscillating paddle engines, sometimes made with cylinders at 90° apart and a single crank, as No. 564.

1907. Overhead oscillating twin screw engines.

1908. Annular cylinder paddle engines.

1909. Overhead cylinder side-lever paddle engines.

In addition to the above some special types are occasionally employed, as the Willan’s three-cylinder plan for screw engines. See No. 592, also varieties of No. 593, high-speed types.


Section 104.—STRIKING AND HAMMERING: IMPACT.

The ordinary appliances for these purposes comprise hammers of all kinds and anvils or blocks of all shapes to suit the work, rammers and mallets of wood. The steam hammer being the machine almost invariably used, is too well known to need illustration. It is made with single or double standards, and though differing somewhat in details is practically the same machine wherever manufactured.

The following are apparatus employed for particular cases, and not so well known.

1910. The drop hammer, for power. The grip pulleys are put in gear by the hand lever to raise the hammer and shaft: it is sometimes worked by hand by a simple cord and pulley.

1911. Dead blow power hammer. The crescent-shaped crosshead bar has a positive motion from the crank pin, but the hammer head is attached to it by strong horizontal springs, and therefore has some little play above and below a horizontal line.

1912. The pile engine and monkey. The latter is generally raised by a hand or power winch, but a multiplying gear steam or hydraulic cylinder has been employed.

1913. Another form of dead blow power hammer, but with a straight laminated plate spring, to which the hammer head is fixed.

1914. Another type of spring power hammer.

[239]

Plate 110

Larger plate.

[240]

1915. Revolving centrifugal rapid blow hammer.

1916. The old-fashioned tilt hammer, still in use in many places, especially where water-power is employed.

For stamps, &c., see Nos. 250 & 271.

Besides the foregoing there is the gas hammer of Messrs. Tangye, the pneumatic hammer, and a variety of power hammers with variable stroke. See No. 1606.


Section 105.—SOUND.

Instruments for the production of sound are scarcely within the province of the mechanical engineer, but of late years several of them have been employed in connection with mechanical means for producing sound—for fog signals, whistling, and other forms of sound signalling. Musical sounds are produced by vibration of air from wind, string, or reed instruments. In wind instruments the vibration is produced by the lips and modified by the shape and length of the tube. Strings are either bowed, as in the fiddle, struck, as in the piano, or fingered, as in the harp. Reeds are springs vibrated by a current of air. In the harmonium and concertina class of instruments there are no tubes or pipes added to the reeds to modify the sounds produced; but in the organ pipe the reeds have pipes added which greatly augment and qualify the sounds. Other special sound-producing instruments are illustrated here.

1917. The Siren, or steam turbine whistle, the loudest instrument known, consists of a slotted cylindrical drum revolving inside a fixed drum; the slots are angular (see plan), so that the rush of steam revolves the inner loose drum rapidly and the sound is directed by the trumpet-shaped hood. A pair of slotted discs is also sometimes used for the same purpose instead of the slotted drums.

1918. Mechanical fog-horn; ordinary bellows are often used to supply the blast.

1919. Iron gong, struck with a muffled hammer.

1920. Harmonium reeds, or free reeds; the tongue covers a slot of same size and shape, and can vibrate into and out of it, but without touching its edges; the gravity of tone or pitch depends on the size and thickness of the tongue.

1921. Organ reed pipe; the tongue A in this case beats, with a rolling contact, upon the reed B, which is tubular, closed at bottom and opening at top into the pipe C, which extends upwards from the block D; E is the tuning wire which regulates the vibrating or free length of the tongue.

1922 & 1923. Wood and metal organ pipes, which are practically large whistles, the vibration of the column of air in the pipe being produced by the wind striking the edge of the lip A.

Steam whistles are bells with a ring-shaped slit below, from which the issuing steam strikes the lower edge of the bell.

Other forms are now made giving a more musical sound, and in some cases a double note, usually an interval of a major third, as C-E, by a modified form of pipe with two lips.

Striking bells of various shapes are extensively used.

Gongs are cheese-shaped metallic hollow suspended vessels, and are struck by a muffled hammer.

Musical sounds are also produced from slips of glass, or chilled iron, glass bells and tumblers, and also from resonant magnetic iron blocks.


1924, 1925, 1926. See Sec. 98.

[241]

Plate 111

Larger plate.

[242]

Section 106.—DOORS, MANHOLES AND COVERS.

1927. Application of a single crosshead and bolt to close two covers, as in a pump clack-box.

1928. Cone seated cover, with hand-lifting crossbar and recess.

1929. Crosshead and man- or mud-hole, as commonly used for boilers, &c.

1930. Cast-iron manhole and block; T-head bolts are generally used, but also eye-bolts, as in No. 937.

1931. Wrought-iron plate lid, or cover for a tank.

1932. Wrought-iron dished cover, with hinged crossbar and T-screw used largely for gas retorts.

1933. Furnace door; hinged, with inside plate to protect the door from the heat.

1934. Manhole door with water seal, or packed recess to keep back gases, smell, &c.

1935. Screwed plug handhole.

1936. Wrought-iron boiler manhole cover, and block, a special manufacture.

1937. Type of sliding door; can be made airtight by planing the seatings.

Hinged doors are well-known. For hinging, see Section 50. For fastenings, see Locking Devices, Section 49.

See also Nos. 931, 937, 940, 962.

[243]

Plate 112

Larger plate.


[244]
[245]

PART II.
ADDITIONS TO SECTIONS 1-106.


[246]

Section 1.—ANCHORING.

(See also p. 10.)

1938. Rock anchor for suspension bridge chain or a guy.

Sea anchor; any floating body (immersed) presenting a large area to the water, as a spar and sail, quantity of bulky cargo, or raft of timber.

Concrete anchor: masses of concrete are used as anchors under water, or sunk in the ground.

Portable machines are anchored by attaching movable weights to the legs or base plates of the machine, also by driving stakes into the ground around the machine.


Section 2.—ADJUSTING DEVICES.

(See also p. 10.)

1939. Ratchet rod for adjusting and locking a lever in any required position.

1940. Micrometer screw adjustment for a lever or crank arm, which may be locked to its shaft by the clip boss and screw, or released at will.

1941. Spring pawl adjustment; has sufficient grip to hold against a moderate pressure, but may be moved by increased pressure.

1942. Micrometer adjustment for a cam lever grip.

1943. Micrometer screw, with swivel motion.

1944. Wedge and pinion adjustment, used for applying pressure to type in printers’ formes.

1945. Adjustable rack for any fixing, secured by a staple bolt.

1946. Adjustment for a spiral torsion spring to regulate its tension.

1947. Callipers with fine adjustment by a taper screw, tapped into a hole in the split leg, so that the taper screw springs open the slit and thus extends the opening of the calliper legs.

1948. Adjusting pawl and head for adjusting the tension or compression of a torsion spring, which is fixed to the spindle.

1949. Screw adjustment for rollers to maintain parallelism.

[247]

Plate 113

Larger plate.

[248]

1950. Adjustment for expanding a split borer, reamer or rose bit, with micrometer graduation.

1951. Screw adjustment for a lever.

1952. Adjustable centre pin, traversed by a screw, and fixed after adjustment by a nut and washer.

1953. Fine screw adjustment for any movable part.

1954. Fine screw adjustment for a radial arm.

1955. Division plate, with differential dividing on its opposite faces.

Belts, bands, &c., are adjusted by corresponding series of holes and laces, screws or rivets to fit them.


Section 3.—BELT GEARING.

(See also p. 12.)

1956. Fast and loose pulleys; the fast pulley is larger in diameter than the loose pulley, to allow the belt to run slack when running idle.

1957. Round rubber belt gear.

1958. Device for tightening a belt; two guide pulleys are run on studs fixed to a locking lever, the pull of the belt rocks this lever as far as the slack of belt will allow, thus keeping the belt tight.

1959. Wide belt pulleys, cast with a double set of arms (shown in section).

1960. Belt drive for two pulleys.

Vee belts are used to run over V grooved pulleys. See No. 1243.

Link belts; formed of leather links connected by steel wire centres in the form of a wide pitched chain (as No. 196).

Cord belts are formed of guttapercha, indiarubber, leather, raw hide or catgut.

Raw hide is frequently used for belts; it is stronger than leather, harder in substance and less porous.


Section 4.—BALL AND SOCKET JOINTS.

(See also p. 12.)

1961. Swinging fixing, with ball and cup joint.

1962. Ball joint for any swinging fixing required to be released or secured in various positions.


Section 5.—BRAKES AND RETARDING APPLIANCES.

(See also p. 14.)

1963. Steam engine dash-pot; a steam cushioning device for valve movements. The cylinder is always full of steam under pressure, and a small bye-pass groove provided to allow steam to pass the piston when a blow or push is received. See No. 1480.

[249]

Plate 114

Larger plate.

[250]

1964. Railway car brake, fulcrumed on the axle spring, so that the loaded car gives the pressure applied through the lever.

1965. Double car brake; applies the grip to the wheel rim without cross or side strain on the axle.

Brush brake. A brush of stiff bristles or steel wires is sometimes used as a brake to a revolving pulley.


Section 6.—BOILERS, TYPES OF.

(See also p. 16.)

1966. Boiler, with furnace for consuming town refuse. Meldrum Bros. patent, fitted with forced draught furnace.


Section 7.—BLOWING AND EXHAUSTING.

(See also p. 20.)

1967. Type of air propeller, or wind turbine, not centrifugal; the air is driven parallel to the axis of the fan.


Section 8.—BED-PLATES, FOUNDATIONS AND FRAMING OF MACHINES.

(See also p. 22.)

1968. Shrunk ring fastening for segments of wheels, bed-plates and framing. A wrought-iron ring is shrunk over two lugs cast on the adjoining pieces of the frame, &c.

1969. Foundation for gas engine on a fire-proof floor, with several layers of felt between to diminish vibration and noise.

1970. Box bed-plate, sometimes used as a tank, air reservoir, surface condenser, &c.

1971. Standard type of stand for a light machine.

1972. Box-bed, frame or plinth, constructed of flat castings joined by grooves and fillets and long bolts or rivets.

Columns, handrailing, and other parts of machine framings are used as air-vessels, drain-pipes, and for enclosing working rods and parts of machines.


Section 9.—CAM, TAPPET AND WIPER GEAR.

(See also p. 24.)

1973. Cam plate and levers, with rocking motion; the slots can be formed to give any intermittent, or variable motion to the lever ends.

1974. Cam lever motion from a reciprocating rod.

[251]

Plate 115

Larger plate.

[252]

1975. Spiral or wheel cam to give a reciprocating motion to a bar.

1976. Compound cam to operate a number of radial grips or arms.

1977. Internal compound cam to operate a number of radial slides for internal grip.


Section 10.—CRANK AND ECCENTRIC GEAR.

(See also p. 28.)

1978. Hinged hand-crank.

1979. Joy’s patent hydraulic eccentric for steam engine reversing gear. The centre block—keyed to the crank shaft—has two small rams working in cylinders in the sheave, and the position of the eccentric is controlled by a hand-lever and pump forcing oil into the cylinders through a channel in the crank shaft and rams.

1980. Double eccentric, with two diameters or throws to give alternately two different lengths of stroke to an eccentric rod.

Shifting eccentrics. See Valve gear, Section 79.

Crank shaft governor gear. See ditto, ditto.

1981. Three-throw bent crank.

1982. Diagonal crank pin to give a rotary reciprocating motion as well as an up and down motion to a piston or rod.

Adjustable hand crank. See Nos. 2570, 2265, 2523.

Adjustable eccentrics. See Nos. 188, 189, 190.

Eccentric crank motion. See Nos. 174, 175.

1983. Eccentric variable-throw crank pin. The pin is formed on an eccentric stock which can be revolved by a worm and wheel.

1984. Crank motion to give, from one crank having a regular motion, an irregular motion to a second crank or vice versâ. The speed of the slotted crank varies throughout its circle of revolution.


Section 11.—CHAIN GEAR.

(See also p. 30.)

1985. “Chain Gear Co.’s” patent pitch chain. The tendency of the chain to travel to the point of the teeth is believed to keep it always up to pitch.

1986. Pitched chain, with flat links, open centre and cylindrical distance pins A A to fit a sprocket wheel. Bicycle drive chains are of this class.

See p. 152 for Chain Wheels.


Section 12.—CARRIAGES AND CARS.

(See also p. 32.)

1987. Swivelling gear for car wheels.

[253]

Plate 116

Larger plate.

[254]

Section 13.—CRUSHING, GRINDING & DISINTEGRATING.

(See also p. 36.)

1988. Eccentric disc grinding mill. The discs have grooved faces, annular, radial or spiral.

1989. Grinding face tool, with segments of stone or emery.

1990. Huntingdon’s stamp mill.

Surface grinding, filing and polishing; are performed by means of emery, files, glass and emery paper and cloth, revolving stones and emery wheels, brushes, endless bands fed with emery and other powders, &c.

1990A. Ball mill for grinding various substances.


Section 15.—CLUTCHES.

(See also p. 40.)

1991. Coil-grip friction clutch. By the Shaw Engineering Co., Bristol. The coil is of steel, in the form of a spring.

1992. Internal grip friction clutch. The internal ring is split at one side and expanded by the oval pin attached to the arm. The latter is usually reciprocated by a sliding sleeve on the shaft (as No. 282).

1993. Jaw clutch thrown into gear by partial revolution.


Section 16.—COUPLINGS FOR SHAFTING.

(See also p. 42.)

1994. Coupling to allow two shaft ends to run a little out of line; the centre piece has a cross feather at each end at right angles to each other, which engage with cross grooves in the shaft end pieces.

1995. Split sleeve coupling tightened on the shaft by two cone bushes and nuts.

1996. Flange coupling, with recessed grooves for the bolt heads and nuts.

1997. Angle coupling for shafts, instead of bevil gearing.

1998. Angle coupling for shafts at any angle (shown at angle of 90°) consisting of four crank pins sliding and revolving in holes bored in the shaft ends.


Section 17.—CONNECTING RODS AND LINKS.

(See also p. 42.)

1999. Spring connecting rod of steel or wood.

2000. Attachment for connecting rod to a pump ram, with provision for taking up the brasses by a long screw.

2001. Connecting rod end, the back brass being set up by a set screw with coned point, which displaces by penetration a number of steel balls or shot.

2002. Solid rod end, with wedge gib and nut adjustment for brasses; the latter take out sideways.

2003. “Marine” connecting rod end.

[255]

Plate 117

Larger plate.

[256]

2004. “Marine” connecting rod end, with metal cap, and one half brass.

2005. Wedge cotter and brass bearing to take the thrust of a connecting rod off its centre pin.

2006. Solid end for connecting rod; brasses are set up by a capstan screw.

2007. Anti-friction rod end, where the strain is all on one stroke (as in single-acting pumps), the strain coming on the friction roller.

2008. Simple connecting rod end and half brass for single-acting pumps, &c.

2009. Solid link, with swivelling segments housed in a box formed on the valve spindle.

2010. Connecting rod end, with end block to take out sideways when the brasses can be removed.

2011. Rod end, with fixed pin secured by a cotter and nut.

2012. Connecting rod end, crosshead and gudgeon, showing metal renewable plugs let in on the wearing faces of the gudgeon pin.

2013. Strap end, with diagonal key. Sometimes more accessible than a straight key.


Section 18.—CRANES, TYPES OF.

(See also p. 46.)

2014. Crane, with sliding jib.

2015. Suspended travelling hand crane.

2016. Basement crane, projected diagonally upward when in use. The winch is a fixed one.

2017. Loophole crane, projected horizontally when in use by a handrope gear working a pinion and rack, or by a chain wound upon a barrel.

[257]

Plate 118

Larger plate.

[258]

2018. Travelling wharf crane to span a railway.


Section 20.—COMPENSATING AND BALANCE WEIGHTS.

(See also p. 54.)

2019. Balance for a suspended light, lamp or similar article, allowing it to be raised or lowered while the balance weight only travels half the distance, and is therefore twice the weight of the articles balanced.

2020. Balance box. The cover is made as heavy as the box.

2021. Balanced cutter head for a milling or moulding machine.


Section 21.—CIRCULAR AND RECIPROCATING MOTION.

(See also p. 56.)

2022. The “Dake” square piston engine; has a reciprocating double piston and a transverse sliding block, by which rotary motion is communicated to the crank pin.

2023. Chapman’s patent crank motion. In this gear the cylinders are fixed at right angles and their strokes are four times the radius of the crank, which is coupled by a link with equal arms (of the same radius as the crank) to the two crossheads direct.

2024. Crank motion. The crank pin runs in a sleeve having a sliding motion along the lever.

2025. Crank motion (in plan), with side connecting rod and off guide. The crank shaft crosses the piston rod as near as may be.

2026. Crank motion, with semi-yoke crosshead.

2027. Crank motion, with yoke connecting rod.

2028. Crank motion, for a pump, the handle describes an elliptic path.

2029. Bouchet’s crank motion to avoid dead centres.

2030. Eccentric hand crank motion. The connecting rod has a ring-shaped end, and the strap is revolved on the centre pin by a handle fixed to it.

[259]

Plate 119

Larger plate.

[260]

2031. Crank motion to work a sliding tool or movement on a bar or guide.

2032. Offset crosshead and guide crank motion for a pump or air compressor.

2033. Crank motion to drive a swing arm, or vice versâ.

2034. Side crank motion.

2035. Atkinson’s crank motion to drive the flywheel two revolutions to one double stroke of the piston.


Section 22.—CONCENTRATED POWER.

(See also p. 62.)

2036. Compound lever shears.

2037. Lever and frame gear for applying great leverage, with a detent to prevent running back.


Section 23.—CONVEYING MOTION TO MOVABLE PARTS OF MACHINERY.

(See also p. 62.)

2038. Jointed tube for a travelling, hydraulic, steam, or compressed air, hoisting, or other engine.

2039. A travelling wheel may be driven by a long pinion without affecting the travelling movement of the wheel.

2040. Travelling spur gear similar to last, to convey continuous motion to a travelling machine.

Hydraulic transfer. Two rotary motors (hydraulic) are used, one as driver, the other as motor, and connected together by two pipes forming the suction and delivery pipes, by which a continuous circulation is kept up, and the motor driven by the driver, the latter being driven from a shaft or engine. The pipes may be taken a great distance, if made large enough.


Section 24.—CUTTING TOOLS.

(See also p. 64.)

2041. Pin borer, for cutting out circular blanks with a central hole, such as washers, &c.

2042. Wobbling circular saw to cut dovetail grooves.

2043. Expansive facing, or boring pin bit.

2044. Revolving cutter, with adjustable inserted circular cutter.

2045. Inserted circular saw teeth, easily sharpened, reset, or replaced.

2046. Chain cutter.

2047. Hollow taper bung borer. Bores a taper hole by enlarging a plain hole bored by an ordinary bit.

2048. Square hole boring bit, for wood. A square chisel containing a twist borer.

2049. Turning tool for metal. Front tool.

2050. Turning tool for metal. Knife tool.

2051. Chasing tool for V threads.

2052. Turning tool for metal. Screw tool for square thread.

[261]

Plate 120

Larger plate.

[262]

2053. Turning tool for metal. V tool.

2054. Turning tool for metal. V tool for inside threads.

2055. Turning tool for metal. Side tool for square shoulders.

2056. Turning tool for metal. Side tool for square shoulders, right hand.

2057. Turning tool for metal. Boring tool.

2058. Turning tool for metal. Boring tool for square shoulders.

2059. Turning tool for metal. Boring tool for square shoulders.

2060. Hand planing tool for soft metals—lead, pewter, &c.

2061. Hand planing tool for wood, with the grain.

2062. Hand planing tool for wood, end grain.

2063. Paring gouge for wood.

2064. Hollowing gouge for wood.

2065. Cross grooving plane. Has two cutters, one to mark the cut on each side, the other to plane out the shaving.

2066. Tool for cutting circular holes in wrought-iron plates; guided chisel and hammer. The “Sundale” patent.

2067. Hollow cone paring tool for pointing pins, lead pencils, &c.

2068. Tool head for a drilling machine, with three or four hinged drill holders.

2069 and 2070. Adjustable boring bits.

2071 and 2072. Bottoming or rose drills.

2073 and 2074. Cylinder and fluted drills for enlarging and finishing holes.

[263]

Plate 121

Larger plate.

[264]

2075. Compound cylinder drill, fluted, and provided with oil channel.

2076. Boring bar head.

2077. Tool holder for lathe, shaper, or planer tools.


Section 25.—CONDENSING AND COOLING.

(See also p. 66.)

2078. Klein’s atmospheric cooler. The hot water is sprayed against the upper surfaces of a number of vertical metal sheets, and trickles down into a trough. The natural circulation of air between the sheets, combined with a partial evaporation, cools the water to as low as 20° below normal temperature.

2079. Injector condenser, with hot well, foot valve, and air pump.

2080. Cooling fountain and trays for condenser water.

Cooling ponds of area proportionate to the quantity and temperature of the water, are used to cool condenser water where the supply is limited.

Fountain and spray jets are also used in conjunction with a pond for cooling condenser water.

Körting’s jet condenser. See No. 2212.


Section 26.—CONCENTRATING AND SEPARATING.

(See also p. 66.)

2080A. Centrifugal separator with air blast. The material is fed into the top cone on the revolving vertical shaft, and travels down against an air blast from below.


Section 27.—CHOPPING, SLICING AND MINCING.

(See also p. 68.)

2081. Machine for slicing roots. The roller has cutters shaped to shred the roots to any gauge of fineness required, and a fixed rack or brush at A to clean the teeth.

2082. Mill for chopping or grinding, in which the two rollers are driven at different peripheral speeds.


Section 28.—CHUCKS, GRIPS AND HOLDERS.

(See also p. 68.)

2083. Sockets for various tools, &c. Sections: these are made either with parallel or taper holes. With parallel holes a set screw or key is used to secure the tool in the socket. See Sec. 37.

2084. Screw chuck for wood turning.

2085. Fork chuck for wood turning.

2086. Screwed cup chuck for wood turning.

2087. Cup chuck, with taper feathers, for wood.

[265]

Plate 122

Larger plate.

[266]

2088. Adjustable tap wrench.

2089. Elevating tool box.

2090. Tool head for milling or surfacing.

2091. Three-jaw guide or chuck. The three sliding jaws are usually set up by screws.

2092. Two-jaw chuck. The jaws are travelled simultaneously opposite ways by a right and left-hand screw.

2093. Drill socket, with diagonal pin to grip the drill shank when screwed up.

2094. Instantaneous grip for vice, &c. The worm A is eccentric, and lifts or lowers the toothed abutment block B into or out of gear with the fixed rack by a single movement of the handle C. When out of gear A B C, with the shaft and front jaw, can be slid in or out freely to any size of opening required.

2095. Clip for a rod or cord.

2096. Split sleeve and nut to grip a rod or shaft.

2097. Screw cramp.

2098. Screw cramp. Another form.

2099. Capstan drill or cutter head, for lathe or boring machine. The head revolves diagonally, and may have sockets for several tools to follow each other in succession in operating on a piece of work.

2100. Adjustable tool box.

2101. Spanner, with adjustable jaw.

2102. Spring taper socket, with sliding ring.

2103. Toothed V grip for chucks, &c.

2104. Toothed V grip. Another form, with alternate vees.

2105. Simplest form of V grip for parallel cylindrical articles.

[267]

Plate 123

Larger plate.

[268]

2106. Three-jaw face chuck. The jaws are made to act together or separately by a spiral plate, or by screws. See Nos. 158, 1384.

2107. Split tool holder (Barber’s patent), with taper thread and nut to grip a round (or other) section tool.

2108. Cap and socket for drills.

2109. Socket and set screw for drills.

2110. Split tool bar, with transverse cutter (see No. 2043), fitted with sunk screw, having a recessed head for a special spanner.

2111. Stepped jaw for lathe face chucks traversed by a screw. See No. 409.

2112. Spring grip for pencils, small drills, pins, &c.

2113. Bauer’s patent spanner, or pipe wrench. The hinge pin is of the form of No. 2126.

2114. Chuck for wheels, having three or more sliding dogs set up by a cone and hand wheel nut.

2115. Split end grip for a rod.

2116. Double vee grip for pipes, &c., which, having an equal movement to both jaws, remains always central. The large screw must be twice the pitch of the smaller central screw, and one is right hand, the other left hand.

2117. Hand screws, with V grip.


Section 29.—CUSHIONING.

(See also p. 72.)

2118. Rubber pad or buffer.

2119. Cushion tyre for road wheels.

2120. Cushion tyre, pneumatic. The resistance in this tyre is increased by compression of the enclosed air by a portable pump.

Duplex pumps are cushioned at each end of the stroke by trapping part of the exhaust steam by the piston closing the port.

Air vessels are used to cushion the action of a pump, both on the delivery and suction.

2121. A spring piston is used for the same purpose.

Pads or cushions of rubber, felt, leather, &c., are used as buffers to cushion blows.

Shaw & Spiegle’s steam towing machine provides an elastic steam cushion which yields to prevent overstraining the cable, the engine then running backwards under the strain, but winds up again as the strain goes off, thus paying in and out to suit the motion of the vessel.

[269]

Plate 124

Larger plate.

[270]

Section 30.—DRILLING, BORING, &c.

(See also p. 72.)

See Expanding reamers, Nos. 2149, 2151.

See Expanding cutters, Nos. 2069, 2070, 627.

See Expanding auger, Section 36.


Section 31.—DIFFERENTIAL GEAR.

(See also p. 74.)

2122. Differential piston indicator for steam engines.

2123. Harrison’s differential epicycloidal hoist gear. Pinion A is fast to the barrel and loose on the shaft, B is keyed to the shaft, C and D are cast together, and run on a stud in the large wheel E, which is loose on the shaft; A and B have different numbers of teeth.

2124. Differential screw bolt and sleeve movement.

2125. Differential screw valve fitting, with cone seat, tightened up by the T head and fine thread central screw; used for gas bottles.

2126. Chinese windlass. The origin of modern differential gear.


Section 32.—ENGINES, TYPES OF.

(See also p. 76.)

2127. Beam engine, compound; with diagonal cylinders for compactness.

2128. Steam cylinder, with diagonal flange joint for the valve chest—enables the valve face to be easily planed, and dispenses with a separate casting and joint for the box.

2129. Pumping or blowing engine, with side rod-crank motion.

2130. One crank and one eccentric engine, with cylinders at right angles. The same eccentric operates both slide valves.

2131. One crank engine, as last described.

2132. One crank three-cylinder engine.

2133. Sliding cylinder engine, with three-throw crank and three connecting rods. The distribution of steam is made by the reciprocating motion of the cylinder over ports in the bedplate.

2134. Compound high-speed enclosed engine.

2135. Compound engine, with T connecting rod and one crank, no dead centre.

Crank motions. See Section 21.

2136. Three-cylinder high-speed box engine, single acting.

[271]

Plate 125

Larger plate.

[272]

2137. American type of walking beam paddle engines.

2138. Diagonal engine, with vertical air pump, worked by a bell-crank lever.

Vacuum engines. Two forms of this type of engine have been manufactured in which steam is employed at atmospheric pressure and condensed in a jet or surface condenser, the working pressure being therefore atmospheric and never exceeding 14 lbs. per square inch absolute. These engines and their boilers are free from risk of explosion, but require a good supply of condensing water.


Section 34.—ELLIPTICAL MOTION.

(See also p. 82.)

2139. Crank motion to describe ovals (egg shaped, not true ellipses).

2140. Ellipsograph. The point A is fixed and the point B travelled along the line A B.

2141. String ellipsograph; A and B are fixed in the foci of the ellipse and the string joined so that the pencil C (with string wheel on it) will reach the end of minor axis D; the pencil will describe a true ellipse.


Section 36.—EXPANDING AND CONTRACTING DEVICES.

(See also p. 84.)

2142. Expanding gate. Formed of vertical, round, or simple bars, fitted with sliding ferrules having centre pins passing through diagonal bars, these centres being evenly spaced.

2143. Expanding mandrel; has three parallel feathers, expanded by a central bolt having two equal cones.

2144. Expanding socket, formed of spring wire.

2145. Expanding legs for telescope or camera tripod.

2146. Expanding tripod, formed to close up into a cylindrical group.

2147. Expanding table of three or more slides.

2148. Expanding tripod. The legs are hinged to a triangular prism, and form a cylindrical group when closed.

2149. Expanding reamer. The body is split up in three parts as far as the end of the bolt.

2150. Addy’s expanding collar consists of two rings with the adjacent faces spiral, so that by revolving them they separate to the extent of the pitch. The collar therefore expands longitudinally, not diametrically.

2151. Expanding split reamer or mandrel with taper screw.

2152. Expanding riddle or screen, to vary the spaces between the bars.

[273]

Plate 126

Larger plate.

[274]

2153. Expanding collars or sleeves, screwed one upon another.

2154. Expanding collet, split in three or more parts.

2155. Expanding pipe grip or collar with bevel gear and right and left-hand screws to operate the three segments together.

2156. Expanding pipe stopper with rubber ring. See Section 29.

Bellows and rubber bags are used as expanding devices for gases, &c.

Rubber balloons are expanded by air blown in under pressure.

2157. Expanding pulley or wheel.

Expanding plug. See No. 2358.

2158. Expanding lever.

The mercury bulb tube is an expanding device actuated by temperature.

(See also Cushioning; Chucks, Section 28.)


Section 37.—FASTENING WHEELS, &c., TO SHAFTS.

(See also p. 86.)

2159. Crank arm or lever arm, secured to shaft by a clip boss and bolt.

2160. Ditto, secured by a screwed shank passed through the shaft and drawn up by a nut.

2161. Piston and rod fastening.

2162. Ditto, ditto.

2163. Thomas’ patent wedge bush for securing plain bored pulleys, &c., to shafts.

2164. Taper screwed bush fastening for a wheel, with frictional grip. The bush is split on one side only.

2165. Taper split bush fixing, with frictional grip. The bush is split into three parts.

2166. Set-screw fixing for a lever or arm.

[275]

Plate 127

Larger plate.

[276]

2167. Split boss or collar, with two forms of sunk screws for fixing and tightening.

Split wheels and pulleys are now commonly used as the best means of fastening to shafts. See No. 1711.

2168. Cone sleeve (split) and nut fastening for a wheel or pulley.

2169. Serrated wedges.


Section 38.—FRICTION GEAR.

(See also p. 88.)

2170. Carriage driving gear. The carriage wheel bears upward against the driving spindle which drives it by friction, or the latter is forced down into frictional gear with the carriage wheel by loading or by springs.

2171. Friction, spring clip, for giving tension to cotton thread passed between the convex discs.

Leather covered pinions geared with plain rimmed wheels or discs. These should always have the pinion as driver, otherwise the pinion is liable to wear in fits and become useless.


Section 39.—GUIDES, SLIDES, &c.

(See also p. 90.)

2172. Engine crosshead, formed of two slide blocks, cast with the gudgeon in one piece and two caps bolted together, enclosing the piston rod end and bolted to the slide blocks.

2173. Crosshead single-bar guide, with or without the lower attachment for pump rod.

2174. Sliding bed guided by two square grooved strips (one of which may be fixed) adjusted by diagonal set screws.

2175. Vee guides, with renewable strip.

2176. Ditto, ditto, with set screw adjustment.

2177. Ditto, ditto, with bevelled adjusting strip and set screws.

2178. Ditto, ditto, with loose V strip set up by screws on top.

2179. Guide block for engine crosshead formed of a bronze shell filled with white metal or antifriction metal.

2180. Curved segment guide for a link movement to turn an angle.

2181. Crosshead guide, with two slide bars, American type.

2182. V guide bar and guide.

2183. Double V guide for crosshead.

2184. Crosshead guides of square section.

[277]

Plate 128

Larger plate.

[278]

2185. Guide bed, with square guides and renewable strip adjusted by set screws.

2186. Vee guide, with V strip and set screw adjustment.

2187. Ditto, do., with bevelled strip and set screw.

2188. Ditto, do., adjusted at the top.

2189. Simple guide attachment to a plain bar.

2190. Guide bars, adjustable, for wear.

2191. Engine crosshead, with adjustable guide brasses, set up by taper keys and nuts.

2192. Crosshead, tent round the rod.

2193. Crosshead side guide for engine or pump, plan view.


Section 40.—GEARING, VARIOUS DEVICES IN.

(See also p. 92.)

2194. Turn-over gear for reversing a stamp, table or platen by rack and pinion.

2195. Double driving motion by belt for two saws, cutters, drills, &c., so that either may be put in work at various points in a half circle of the radius of the arm.

2196. Sun and planet gear. A is a fixed wheel, B is keyed to the barrel shaft, C and D are cast together and run loose on a stud on the crank arm.

2197. Two-tooth pinion gear.

2198. Cam spur gear, to give similar variable movements to those given by cams.

2199. Motion to vary the angle of a screw propeller blade, a windmill, feathering wheel, &c., by bevel gear and a central shaft.

[279]

Plate 129

Larger plate.

[280]

Section 41.—GOVERNING AND REGULATING SPEED, &c.

(See also p. 96.)

2200. Atmospheric governor. Rod A is connected to reciprocate with the engine, B is connected to the equilibrium throttle valve, C is an inlet valve for air, and D an adjustable outlet valve by which the speed is regulated. For continuous instead of intermittent action on the rod and piston B, the air pump A should force air into an intermediate chamber above the piston B by addition of a diaphragm and delivery valve.

2201. Gas engine pendulum governor. Hit and miss. The rocking trip C falls out of gear by its own weight when the pendulum moves so fast as to release it. The upper ball is used to adjust the motion of the pendulum to the speed required.

Crank-shaft governors. See Section 79.

Self-regulating dampers are applied to boiler flues, and are operated by the pressure of steam, so as to regulate the draught.

Governing the speed of hoists. See No. 1495.

2202. Gas engine governor. The revolving cam throws the vertical arm of the lever far enough to close the gas valve when the speed increases beyond the normal.

2203. Steam valve-regulator, to move a valve or other detail any fractional part of its stroke and hold it at that point. The main steam and oil cylinder valves move with the pistons. The cut-off valves are controlled by a hand lever and admit steam and oil to the same ends of their respective cylinders simultaneously; the pistons only travel till they cut off their own supply, the oil fluid preventing expansive action of the steam.

2204. Centrifugal ball governor, with cone wheel motion to operate the cut off.

2204A. Even-flow regulator or governing valve, for drawing off from a tank.


Section 43.—HOOKS, SWIVELS, &c.

(See also p. 98.)

2205. Hook eye for a guy rope.

2206. Slip hook for pile driver, monkey, &c.

2207. Wire hook attachment for electric wires.

[281]

Plate 130

Larger plate.

[282]

2208. Loop or eye shackle.

2209. Swivel shackle for guy, rod, or hook.

2210. Slip hook.


Section 44.—INDICATING SPEEDS, &c.

(See also p. 100.)

Indicators are employed—

To register the entry and exit of workmen to or from a factory;

To register speeds and variation of load, steam pressure, &c., on an engine;

To register wind pressure, barometric variations—rainfall, sunshine, &c.;

To register periodical visits of a watchman or other official, and the hours of such visits;

To register visits to a bank safe.

2211. Indicator to register the flow of water by its speed and pressure against a floating ball, which actuates a pencil moving vertically against a paper cylinder which is kept revolving slowly by clockwork.


Section 45.—JETS, NOZZLES AND INJECTORS.

(See also p. 102.)

2212. Körting’s water jet condenser; requires 3 feet head of condensing water.

2213. Spray jet for petroleum, water, &c., with air blast.

Automatic spray jets or sprinklers are constructed to spread or spray water over a considerable area by the force of the issuing current, for extinguishing fires, watering gardens, &c.

Fountain jets are of many forms to deliver the water in close, spreading, or fan-shaped forms, artistically arranged.

2214. Spray jet, with spiral core.

2215. Spray jet, with annular orifice and dish-plate.


Section 46.—JOURNALS, BEARINGS, PIVOTS, &c.

(See also p. 102.)

2216. Pedestal bearing, with four brasses and set screw adjustments.

2217. Hydraulic oil pivot for vertical spindle. Oil under pressure is forced into the channels between the bearing faces, the area and pressure being adjusted to the load. The surplus oil is returned from the oil well to the pump.

2218. Adjustable intermediate bearing for a vertical shaft. It has three brasses set up by set screws and wedges.

[283]

Plate 131

Larger plate.

[284]

2219. Long bearing, with oil circulation.

2220. V bearing, or support for a shaft or telescope.

2221. Plain double bearing, with one cap and one bolt.

2222. Vertical shaft bearing, formed of two similar toe-pieces of very hard steel running in oil.

2223. Pedestal, with side adjusting brasses, set up by set screws.

2224. Vertical shaft bearing, similar to No. 2222, but with small coned toe-piece of very hard steel.

2225. Thrust-bearing for collar screw, having a loose collar secured by two pins, drilled half in the collar and half in the base.

2226. Similar bearing, with a loose collar screwed in and locked by a set pin.

2227. Similar bearing; the screw has a thick collar, with a turned groove and a pin drilled half into the collar and half into the base.

2228. Vertical pivot, with hardened screws.

Ball bearings. See Section 70.

Roller bearings. See Section 70.

2229. Bearing, with side brasses, set up by a set screw.

2230. Bearing, with 3 brasses, set up by a set screw.

2231. Bearing, with 3 brasses, the side brasses set up by wedge bolts, regulated on top.

2232. Bearing, with 3 brasses, set up by side wedges and top screws.

2233. Schiele’s vertical shaft bearing.

White metal is much used for bearings, and may be run in around a shaft. The brasses are sometimes made of skeleton form to receive white metal in this way.

[285]

Plate 132

Larger plate.

[286]

Section 47.—PLATE WORK.

(See also p. 106.)

SHEET METAL JOINTS.

2234. Ring seam, with cover strip.

2235. Folded ring seam.

2236. Half folded seam.

2237. Filleted ring seam.

2238.   - Bottom seams; 2244 is strengthened by a thick wire ring.
2239.
2240.
2241.
2242.
2243.
2244.
2245.

2246 & 2247. Intermediate seams, or diaphragms.

2248. Elbow seam.

2249. Folded pipe seam.

PLATE AND BAR JOINTS.

2250. Junction of T iron, plate and T or L iron verticals.

2251. Gusset plate corner stiffener.

2252. Plate end for a tie rod.

2253. H iron junction, as in a floor framing.

2254. Gusset plate junction for a braced framing.

2255. Gusset plate junction for H girders of equal depths.


Section 48.—LEVERS.

(See also p. 108.)

2256. Lever, with universal motion.

2257. Hand starting lever, cheap construction, formed of light channel-iron, with a bent lock bar engaging with holes in a sector plate cast on the bearing.

Locking levers. See Section 49.

[287]

Plate 133

Larger plate.

[288]

2258. Double lever, hand motion, for fire-engine, pumps, &c.

2259. Locking lever formed of iron tube with sliding catch rod inside.

2260. Starting lever, with hooked catch, taking into holes in a sector plate.

2261. Convex worm for locking and adjusting a starting lever.

2262. Equalising levers for springs and variable movements.

2263. Lever and rack lifting appliance.

2264. Spring lever to lock in two positions.

2265. Hand lever adjustable to radius. With a bent handle it forms an adjustable hand crank.

Spring lever formed of steel plates. See No. 1914.

Compound levers. See No. 1367. “Roller board” movements in organs are of this type, but each pair of arms and its shaft or roller is mounted independently on a pair of end centres.

2265A. Double lever for a plug cock, to be operated by two cords.


Section 49.—LOCKING DEVICES.

(See also p. 110.)

2266. Lever action for a door, &c., to lock it, open or shut, in fixed positions.

2267. Lever action for a gate or door, to open or close it and lock it in either position.

2268. Revolving eyelet to lock or release a rod or cord.

2269. Abutment lock. Can only be opened by revolving the tumbler by a key.

[289]

Plate 134

Larger plate.

[290]

2270. Secret screw attachment. The screw is fixed to the back of any article, and fastened to the fixing A by sliding along the slot. Two, three or four screws and slots are generally used.

2271. Bolt lock. The bolt can be released by revolving it 180°.

2272. Gib-key fastening for a sliding block or bracket on a plain bar.

2273. Similar fastening, using a wooden bar.

2274. Locking stud, used for iron bedstead laths.

2275. Catch and hook.

2276. Hinged catch to lock a screwed gland or nut.

2277. Letter lock, or combination lock. Any number of discs may be arranged on a spindle having a feather key, so that they must be all in a certain position to allow the key to slide through a notch or key way cut in each disc, so as to open the loop.

2278. Locked nut.

2279. Spring pawl, umbrella catch.

2280. Spring snap, released by pressing the open ends together.

2281. Locking pawl for spur teeth.

2282. Spring handle.

2283. Spring pawl, locks the wheel against a moderate force, but gives way to a greater force.

Locked pawl motions. See Section 62.

2284. Locking device for lathe headstock or tool rest. The head of the central pin runs in a T groove or under the lathe bed, and is clamped by the cone pointed set screw, which bears against a conical recess in the central pin.

2285. Radius bar, with notches to lock a hand lever in various positions. The lever may be hinged to lift out of the notches, or made thin enough to spring sufficiently for this purpose.

2286. Coned screw lock for a standard foot, pin, or socket and spigot.

[291]

Plate 135

Larger plate.

[292]

2287. Set screw fixing for needles, wires, cord, &c.

2288. Split block to grip a rod, with handle nut.

2289. Cam catch to lock a wheel or spindle.

2290. Locking gear for a shaft driven by spur gearing, used in place of a clutch.

2291. Similar lock for a revolving head, standard tool post, &c.

2292. Tee groove for a T head bolt for Nos. 2290 and 2291.

2293. Horse-shoe distance piece to place between a sliding pinion and the shaft collar to keep it either in or out of gear.

2294. Wedge plate and screw fastening for cutters, &c.

2295. Locking device for a spring lever, handle, button hook, &c.

2296. Locked centre pin.

2297. Cotter to lock a sliding spindle.


Section 50.—HINGES AND JOINTS.

(See also p. 116.)

2298. Link hinges for reversing a seat back.

2299. Tape hinging allows the door to swing through 360°.

2300. Link hinges for reversing a door or shutter in opening or closing.

2301. Forked joint for pump rods, &c., with stepped gibs.

2302. Forked joint and swivel block for screw attachment.

2303. Swivel joint for pipe work.

2304. Door hinged to an intermediate square strip, so as to swing through 360°.

Spring hinges. See Nos. 1469, 1470.

2305. Scarfed joint for pump rods, locked by a cross cotter and tapered ferrule.

2306. Swivel joint for pump rods, &c.

[293]

Plate 136

Larger plate.

[294]

2307. Screw socket and spigot joint for rods.

2308. Conical socket joint and set screw.

2309, 2310, 2311 & 2312. Socket joints, various forms of. See also Section 28.

2313. Taper drill socket. The drill socket end is shaped to fit a cross slot in the holder, into which a taper cotter can be driven to loosen the drill; the slot gives a positive drive to the drill.

Section 51.—LUBRICATORS.

(See also p. 120.)

2314. Lieuvain’s needle lubricator, with bent needle for oiling a crank pin. The latter has a pad attached, which rubs in passing the bent needle and thus takes off the oil.

2315. Pan lubricator for crank pin, to assist oiling from an oil can when revolving.

2316. Crank pin lubricator. A fixed oil cup, with a pad of flannel attached; the connecting rod end having a bent plate attached, which at every revolution rubs oil off the pad into its oil cup.

2317. Lubricating a loose pulley on a fixed or revolving shaft by a “Stauffer” lubricator fitted to the shaft end.

2318. Lubricating a loose pulley on a fixed stud.

2319. Mode of lubricating a vertical spindle, carrying a wheel or other top gear which prevents access to the bearing.

Sight feed lubricators, show the actual feed of oil in a glass tube filled with water through which the oil passes in drops; there are many varieties.

Compound lubricators are now being introduced whose function is to supply lubricant to every joint or part of an engine or machine requiring it, by automatic feed action from one reservoir.

2320. Syphon wick lubricator.

2321. Automatic lubricator, with intermittent feed. The revolving spindle is driven from the engine by a ratchet and pawl motion, and has a recess in it which in revolving delivers its contents of oil into the tube below.

2322. Spring piston lubricator.

2323. Gland, with oil well.


Section 54.—MIXING AND INCORPORATING.

(See also p. 122.)

2324. Dough mixer, or kneading machine.

2325. Mixing machine.

2326. Mixer for confectionery, worked by a crank.

Mixing of gases by compound jets. See Section 45.

Mixing of liquids is performed by jets, by stirring devices, and by running them through a pipe from two or more taps into a combining vessel.

[295]

Plate 137

Larger plate.

[296]

Section 55.—PARALLEL MOTIONS.

(See also p. 124.)

2327. Parallel motion for an indicator pencil.

2328. Parallel motion beam engine, with rocking link beam centres.

2329. Parallel moving swinging bracket for gas, &c.

2330. Parallel motion.

2331. Parallel moving slides, hammers, or other devices.


Section 56.—PUMPING AND RAISING WATER.

(See also p. 124.)

2332. Quadruple-acting pump with two pistons, one attached to a rod the other to a sleeve worked by lever A and links B B.

2333. Variable delivery single-acting pumps; the eccentrics can be shifted round the shaft 180° by a sleeve and pin motion similar to No. 2467. When the eccentrics are opposite each other the pump does not deliver any water, but when the eccentrics are side by side the pump delivers the full contents of both rams. There is one suction and one delivery valve.

2334. Screw pump for applying heavy pressure to a ram; sometimes used as an adjunct to give the final heavy pressure to an hydraulic press after the pumps have forced the ram as far as their power permits.

2335. Duplex-action pump, in which both piston and cylinder move in opposite directions, but the gear may be applied to two pistons in one pump (fixed), as No. 2332.

2336. French pump, with bucket pistons, maintains a direct flow without reversing or check.

[297]

Plate 138

Larger plate.

[298]

2337. Oke’s patent sewage pump, simple and accessible, three valves.

Slide valves or piston valves are occasionally used to distribute the water in pumps, but must have no lap or lead, and be accurately adjusted.

Air vessels are used on the delivery side of a pump to cushion the discharge of water and prevent concussion, water being incompressible. They are also sometimes useful on the suction side, where the lift is considerable. A piston and spring may be employed instead of an air vessel. See No. 2121.

Pumps required to run constantly, but deliver water intermittently only, are worked (a) by an air valve on the suction side which, when open, stops the water suction; (b) by a pass valve between suction and delivery which, when open, passes the delivery into the suction again; and (c) by a waste valve on the delivery.


Section 57.—PIPES AND CONVEYORS.

(See also p. 128.)

2338. Boiler tube, internally ribbed. Serve’s patent.

2339. Boiler tube flue, corrugated, to add to its strength and heating surface. Fox’s patent.

2340. Pipe joint, with toggle clips.

2341. Pipe flange, with caulking groove.

Flexible tubes, metallic, are now manufactured by the Flexible Metallic Tubing Co. in most metals, including steel, and in various strengths and with various degrees of flexibility, from that of plain rubber to such stiffness as requires a little force to bend it. These tubes are perfectly air-tight, and will stand great pressures.

Wire rope transmission; Telpher gear. See Section 66.


Section 58.—PACKINGS, JOINTS, STUFFING-BOXES AND PISTONS.

(See also p. 132.)

2342. Piston ring joint lapped and scarfed.

2343. Intermediate stuffing-box and sleeve for high and low pressure cylinders.

2344. Dished steel piston.

2345. Bucket piston, with valve and bridle and leather packing.

2346. Stuffing-box, with screwed cap gland.

2347. Piston leather for cold water.

2348 to 2352. Piston ring joints.

2353. Double cone joint for a swivelling fitting for steam or water. The joints are ground in like a mushroom valve.

2354. Pipe connection, with rubber disc joint, for moderate pressures.

Swivel pipe joint. See No. 2303.

[299]

Plate 139

Larger plate.

[300]

2355. Collar packing for a valve spindle, where the pressure tends to compress the packing.

2356. Piston with two L section rings, expanded both vertically and radially by a spiral spring. This makes a tight joint with the cylinder and also with the junk ring.

2357. Adjustable piston or piston valve. F. H. Richards’ patent, U.S.A.

2358. Rubber expanding plug.

2359. Gas engine piston, with three rings and junk rings between them.

2360 & 2361. Valve spindle joints without packing or stuffing-boxes, kept tight by cone seatings and set screws.

2362. Piston (spring) ring joint, with glut.


Section 59.—PROPULSION.

(See also p. 134.)

2363. Steam and air jet applied to propel a vessel.


Section 60.—MOTIVE POWER. MOTORS.

(See also p. 136.)

2364. Compound weight motor, with limited fall. Several weights may be used as shown, slightly decreasing in weight towards the motor. When weight D has run down, C will begin to fall, and go on till all the weights have run down.

2365. Hot-air motor. A current of hot air passing up the flue revolves the turbine.

Naphtha engines are gas engines employing the vapour of naphtha and air as an explosive mixture, instead of that of petroleum (oil engine) or carburetted hydrogen gas (gas engine).


Section 62.—PAWL AND RATCHET MOTIONS.

(See also p. 140.)

2366. Friction grip pawl, as applied to a wheel, may be used also for a rod.

2367. Ratchet brace, or feed lever, in which the pawl is a fixed tooth, and the lever is slotted to allow the pawl to clear the teeth on the back stroke.

2368. Ratchet brace, with slotted pawl.

2369. Ratchet brace, with friction grip pawl.

2370. Ratchet brace, without pawl. The handle is hinged to the socket arm, and has a tooth gearing with the ratchet, and thrown in and out by the movement of the handle.

2371. Double-acting pawls and lever.

2372. Internal hooked pawl.

2373. Internal strut-action pawl.

2374. Gravity pawl and crown ratchet.

[301]

Plate 140

Larger plate.

[302]

2375. Ratchet rack, crank and connecting rod, intermittent movement,—a detent may be added to return the rack.

2376. Internal spring pawls for a ratchet brace.

2377. Rocking escapement.

2378. Rocking escapement.

2379 to 2384. Forms of locked intermittent movements.

2385 & 2386. Intermittent rotary movements on spindles at right angles.


Section 63.—PRESSING.

(See also p. 144.)

2387. Lever press for hay, straw, &c., with rack and pawl at each side operated by two hand levers.

2388. Continuous press for coal dust, &c. The ram has a reciprocating motion, and the material is forced into a tapered chamber, the resulting friction in which gives sufficient resistance to press the material to the density required.


Section 66.—ROPE GEAR.

(See also p. 146.)

2389. End attachment for rope by a staple bolt and plate.

[303]

Plate 141

Larger plate.

[304]

2390. Double vee pulley rim for two ropes.

2391. Wire or hemp rope attachment, with two bolt clips.

2392. Similar attachment, with a thimble and one bolt clip and a seizing or yarn.

2393. Double-bolt clip for wire ropes.

2394. Taper socket end attachment for wire ropes. The end wires are cut to different lengths, and all bent back at one point. This stranded end of the rope is then forced into the taper socket, and the spaces filled with melted lead or pewter.

2395. The same method applied to a flat taper socket.


Section 69.—RAISING AND LOWERING.

(See also p. 148.)

2396. Richmond’s patent balance hydraulic lift. A is the lift cylinder, connected openly to the balance cylinder B, which is weighted to nearly balance ram A and cage. Pressure water is applied to ram C to raise the load in cage.

2397. Waygood’s patent hydraulic balance lift. A is the lift cylinder communicating with the interior of cylinder and ram B which are fixed; cylinder C and ram D are loaded to nearly balance the cage and ram A, and the load is raised by admitting pressure water to cylinder C.

2398. Lever and rack lifting motion. The rack may be held up at each lift by a pawl.

2399. Rack and lever suspended hoist. A pawl or brake may be added to sustain the load.

2400. Spanish windlass.

[305]

Plate 142

Larger plate.

[306]

2401. Double hoisting barrels, geared together; the rope passes round both barrels.

The “Otis” low pressure elevator (hydraulic) is worked from an overhead air accumulator at 80 lbs. pressure, the hydrostatic head being 40 lbs. There is one descending main pipe connected to a small tank or close vessel, into which the pumps deliver, and from which the lift pressure water is taken.


Section 70.—ANTI-FRICTION BEARINGS.

(See also p. 152.)

2402. Roller bearings for centrifugal milk separators, &c. The pan is carried on three large rollers running against an inverted cone, as shown.

2403. Ball bearing for vertical shaft. By Sir Gabriel Stokes.

2404 & 2405. Forms of grooves for ball bearings, running horizontally, showing points of bearing in grooves.

2406. Roller bearing for a vertical shaft, with steel balls between the ends of the cone rollers to separate them and reduce their friction.

2407. Roller bearing for a door, or other article having a limited travel. The roller runs on the floor, or a rail, and its spindle rolls along the slot, the length of which is proportioned to the travel of the door.

2408. Double cone rollers for a table having a horizontal circular motion.

2409. Roller bearing for wagon axle, with balls between the roller ends to separate them and prevent internal friction.

Anti-friction screws. See Nos. 2413, 2414.

Anti-friction worm gear. See No. 2451.

2410. Vertical ball bearing, with bearing surfaces adjusted to receive the direct thrust of the balls.

2411. Suspended ball bearing.

2412. Ball or roller axle bearing.

2413. White’s anti-friction ball bearing screw and nut. A.D. 1822. Square thread screw, the balls travel round the screw thread, and by a pass-groove back to the other end again.

2414. Lieb’s anti-friction screw and nut, similar to the last, but with a concave grooved screw. A.D. 1890.


Section 71.—ROPE, BELT AND CHAIN PULLEYS.

(See also p. 152.)

2415. Rope grip pulley. Dearden’s patent.

[307]

Plate 143

Larger plate.

[308]

Section 73.—RAIL AND TRAM ROADS.

(See also p. 156.)

2416. Centre rail, with friction grip for moderate inclines.

Rack railways for steep inclines of an angle, in some cases of 40°, are made with central rack rails (in addition to the ordinary rails), and the engines have steel gearing, which gears into the teeth cut in the rack rail.


Section 74.—REVERSING GEAR.

(See also p. 158.)

2417. Reversing motion on the same shaft by one belt and two pulleys; A is fast to the shaft and B fast to the bevel wheel C, D runs on a fixed stud.

2418. Friction cone reversing motion on shafts at right angles.


Section 75.—ROTARY MOTORS.

(See also p. 160.)

2419. Rotary double-piston motor, pump, or meter will work in either direction.

2420. Rotary motor, with hinged steam abutment.


Section 76.—SHAFTING.

(See also p. 164.)

2421. Iron centre for a wood shaft secured by an end plate, four bolts with recessed nuts, and a wrought-iron band.

2422. Iron centre for a wood shaft, driven in a central bored hole, and secured by a cross cotter and two wrought-iron bands.

2423. Iron centre for a wood shaft. The pin is driven into an iron cross, which is also driven into the end of the shaft in transverse cuts made to receive it, and secured by two wrought-iron bands.


Section 77.—SPINDLES AND CENTRES.

(See also p. 164.)

2424. Lathe fast headstock spindle, showing coned journals and adjustments.

2425. Attachment of a loose end centre to a shaft, with coned end, which prevents the hole bursting from cross strain on the centre.

2426. Hook centre pin, easily disengaged.

2427. Stud centre, with washer riveted on or secured by a nut.

2428. Ram or trunk piston centre for connecting rod, fastened by an internal nut.

2429. Ram or trunk piston centre, screwed into the piston.

2430. Ram or trunk piston centre, with a transverse pin passed right through the piston.

[309]

Plate 144

Larger plate.

[310]

2431. Swaying ball centre.

2432. Rocking or swaying centre.

2433. Rocking or swaying centre.

2434. Eyelet centre for two or more levers.

2435. Centre pin, with lug and screw, to prevent it from working out.

2436, 2437 & 2438. Methods of fitting up connecting rod centres in trunk pistons or rams.


Section 78.—SCREW GEAR, BOLTS, &c.

(See also p. 168.)

2439. Ball head bolt and nut to allow it to draw up out of line.

2440. Universal bolt head.

2441. Ball joint bolt and nut.

2442. Flush head coned bolt.

2443. Mutilated screw and nut.

2444. Nut lock, by a fixed lug and split pin.

2445. Coned bolt for securing and keying two parts of a machine in exact relation.

2446. Double-nutted bolt, easily made of round iron.

2447. Lever and compound nuts to obtain great leverage on a screw, as in a press; one nut arm is used as a fulcrum by which the lever forces the other round. Stepped pawls are used to prevent the first nut being loosened while moving the second.

[311]

Plate 145

Larger plate.

[312]

2448. Screw gear to operate three worm wheels in the same direction, for chucks, &c.

2449. Screwed stay bolt, as a distance stay for boiler plates, &c.

2450. Screw eye and handle nut.

2451. Anti-friction worm gear. The worm wheel has friction rollers running on pins, which gear with the worm.

2452. Staple bolt and washer plate.

2453. Fang plate washer for wood.

2454. Fang plate washer for wood.

2455. Sunk set screw, with differential threads, to draw two plates or pieces together.

2456. Taper screw, quickly released.

2457. Mutilated screw to slide into a nut having corresponding sections of the thread cut away, and to fix by a partial turn. Used for breech-pieces of cannon.

2458. Bolt head, with transverse holes, for a plain “tommy” bar wrench.

2459. Backlash nut for a square thread screw.

2460. Cap nut.

Screw stopper. See No. 2544.

2461. Slotted nut and set pin for fine adjustment, or for taking up wear.

Lock nuts; usually two nuts are employed, the thickest one outermost. There are many forms of patent nuts designed to prevent loosening by vibration.

Nuts can be cast around a screw in white metal or brass.


Section 79.—SLIDE AND OTHER VALVE GEAR.

(See also p. 172.)

2462. Cut-off gear. Two cut-off valves similar to No. 1456, regulated by an external hand wheel forming the valve spindle guide bush.

2463. Duplex motion for a valve, to operate it by either rod, using the other as a fulcrum.

[313]

Plate 146

Larger plate.

[314]

2464. Valve gear, with single eccentric, and variable travel, adjustable by hand wheel. The eccentric drives a block to and fro in a slot, the angle of which in respect of the slide valve centre line is variable by a rocking motion controlled by a hand wheel.

2465. Newall’s high speed engine, single-acting. In this engine the connecting rod trunk centre and the piston are made to distribute the steam as shown.

2466. Reversing movement for a valve, where the power will only move the valve to the half stroke or mid position, as in a slide valve hydraulic engine (see No. 1026), the rolling weight then completes the movement (see also No. 1740).

2467. Automatic or governor cut-off gear. The governor operates the sleeve, which has a screw movement on the pin fixed to the crank shaft; a parallel feather on the sleeve revolves the cut-off eccentric, and varies the travel of the cut-off valve. The slide valves are of the form of No. 1456.

2468. Eccentric motion to operate two slide valves.

2469. Crank shaft governor. The centrifugal gear acts on an outside crank to which the eccentric rod is attached, instead of a sheave and strap. A spring is applied to return the crank to full gear.

[315]

Plate 147

Larger plate.

[316]

2470. Single eccentric adjustable cut off for a “Fink” link gear; plain D valve gives equal distribution of steam at any cut-off; the travel of the valve is regulated by the hand wheel.

2471. Cam-bar movement for operating two valves used for hydraulic starting valves.

2472. Crank shaft governor cut-off gear. Two hinged centrifugal weights are coupled by links to the cut-off eccentric sheave, and returned to the full open position by springs.

2473. Joy’s locomotive valve gear operated by the connecting rod; the rod A is connected to the starting lever to reverse, vary, or stop the distribution of steam by the slide valve, as in the ordinary link motion.

2474. Lever and T crosshead to open a valve by either motion of the lever to right or left. See also No. 2463.

2475. Crank shaft governor (Prof. Sweet’s), cut-off gear to vary the throw of a cut-off eccentric.

2476. Reversing link motion, with single eccentric; the slot link is hinged to the reversing lever.

2477. Sleeve and eccentric motion for governor cut-off. The inner (longest) sleeve has a longitudinal movement from the governor along a straight feather groove in the shaft, and has a spiral groove in its periphery into which projects a pin or feather on the eccentric sleeve, so that the longitudinal motion of the inner sleeve revolves the eccentric and alters the travel of the cut-off slide.

2478. The Walschaerts valve gear, one eccentric. The slotted link is hung at its centre to a fixed hinge pin, and the reversing gear shifts the link block up or down the slot link.

Slide valves may be worked by rack and pinion on the back or side flanges of the valve, or by a screw and nut; the nut being let into the body of the valve in a recess.


Section 80.—SPRINGS.

(See also p. 178.)

2479. Wooden springs of lance wood or ash.

2480. Carriage spring, with splayed link suspension. This improves the play and action of the spring over the vertical method.

2481. Duplex compression spring. The two springs are coiled opposite ways.

2482. Equalising lever to distribute the load on two car springs.

2483. Double-ended volute spring for compression.

2484. Spring band.

Spring piston rings. See Section 58.

2485. Conoidal spiral spring.

2486. Adjustable spiral spring. A washer on top has four vanes below it drilled with holes to suit the diameter and pitch of the spring wire, which, being threaded through the vanes, is rendered inactive, so far as it is held by the vanes. This appliance, therefore, is used to shorten or lengthen the live or active part of a spiral spring.

[317]

Plate 148

Larger plate.

[318]

Section 81.—SAFETY APPLIANCES.

(See also p. 182.)

2487. Guard for spur gearing.

2488. Guard for bevil gearing.

2489. Safety nut for a running screw. The nut takes no strain until the thread in the main nut gives way from wear.

Fire alarms (automatic) depend for their action on increase of temperature above a normal maximum.

Diaphragms are inserted in the pipe connections to hydraulic lift cylinders to admit or discharge the water at moderate speeds only, so that in case of a burst the lift should not descend too rapidly.

Retaining valves, or non-return valves, are employed to confine any sudden shocks from hydraulic machines or from breakages, to local pipes.

Relief valves are applied to all hydraulic pressure systems to obviate the effects of shock.

An extra wire rope is frequently employed on suspended lifts to act as a safety rope.

2490. Safety centrifugal hooks to arrest a revolving shaft when the speed becomes excessive. The hooks fly out and engage with pins on a fixed disc.

Rope guards boards, screens, guard rails, &c., are necessary to protect persons from running ropes in hoisting and rope-driving gears.

2491. Collar and set screw, to prevent a key from working out. A set screw only—tapped into the shaft—is sometimes employed for this service.


Section 82.—STEAM TRAPS.

(See also p. 184.)

2492. Steam trap, operated by expansion of a bent bar, which closes the inlet valve.


Section 84.—TOOTHED GEARING.

(See also p. 186.)

2493. Circular rack (revolving) and sector, used on governors.

2494. Skew worm and wheel gear.

2495. Oval gear, linked together.

2496. Mitre gear, angle of shafts variable. The two bearings are hinged together on the pitch line of the pair of wheels.

2497. Wood-faced spur gear, to run with the wood faces in contact for quietness. The wood faces are renewable, like mortise teeth. See Nos. 1352 and 1353.

2498. Elastic spur gear, to prevent backlash.

[319]

Plate 149

Larger plate.

[320]

2499. Bevil gear, with roller teeth in one wheel of the pair.

2500. Circular rack and pinion gear. The rack can revolve independently of the vertical movement.


Section 85.—TRANSMISSION OF POWER.

(See also p. 192.)

2501. Hydraulic transmission by two motors (rotary), see Section 75, one of which is the driver and the other the driven motor connected by two pipes, through which the oil or water is kept in circulation from one motor to the other.


Section 86.—TANKS, CISTERNS AND RESERVOIRS.

(See also p. 192.)

2502. Steel bottle for compressed gases, &c.

Barrels and casks are used as tanks.

Tuns and vats are large casks formed of planking hooped at frequent intervals.

Square or rectangular vats are formed either of wood, held together by long bolts, or of slate slabs secured in a similar way.

Compound tanks. Where it is inconvenient to employ or erect one large tank, several smaller ones are connected together by circulating pipes.


Section 87.—THROWING IN AND OUT OF GEAR.

(See also p. 192.)

2503. Presser foot for sewing machines, or for intermittent holding of any flat articles; lifted out of gear, and held by the feather end resting on the sliding socket.

2504. Belt shifting bar, adjustable every way.

2505. Revolving worm for operating a belt shifting bar, locking it at the same time.

2506. Worm gear may be thrown out or in by moving the wheel sideways on its shaft.

2507. Bolt and slot device for gearing two wheels together on one shaft, used on lathe headstocks.

2508. Half nut for throwing out of gear, with screw, and fitted with spring to take up the wear of the nut.

2509. Sliding shaft for winch or other gear, to shift the pinion out of gear or change to another speed (as in No. 2293).

2510. Another method of locking a sliding shaft in or out of gear.


Section 88.—VARIABLE MOTION AND POWER.

(See also p. 194.)

2511. Variable belt drive by elliptic pulley.

2512. Variable drive by an intermediate friction wheel, and two friction cones at right angles.

2513. The same device applied to two discs running in opposite directions on the same axis.

[321]

Plate 150

Larger plate.

[322]

2514. Variable drive by a V belt running between cone discs, the space between which can be varied by a hand lever or screw motion.

2515. Variable compensation weight and parallel motion for steam engines, by M. N. Forney, New York, 1893.

2516. Variable cone driving. Evans’ variable friction gear; a loose leather band, with a traversing motion by hand screw, forms the gripping medium between the cones.

2517. Variable radius lever, operated by a crank motion to give variable angular reciprocating motion to a shaft.

2518. Variable crank pin adjusted by a sector and bolt.

2519. Variable crank pin adjusted by a transverse screw.

2520. Variable driving friction gear to give a variable speed to the bevil-wheel shaft A by varying the position of the friction pinions as regards the disc B.

2521. Variable adjustment for a spiral spring.

2522. Adjustable centre-piece or bearing for a spindle or rod.

2523. Variable radius hand crank.

2524. Variable throw crank pin.

2525. Variable motion taken from a revolving cylinder or shaft by a friction wheel, whose angle can be varied.

2526. Similar motion taken from a revolving disc.

[323]

Plate 151

Larger plate.

[324]

Section 89.—VALVES AND COCKS.

(See also p. 198.)

2527. Slide valve ports, with gradual cut-off.

2528. Piston valve in section. See No. 1654. This construction avoids spring rings, which do not run well across the ports, the entire valve being sprung into the bore.

2529. Tube air valve. Can be made to open and shut by revolving, or by longitudinal motion.

2530. Corliss valve, with rectangular rocking spindle.

2531. Flume valve for water.

2532. Double cone valve for steam or water, closes the leakage round the screw when opened, and requires no packing.

2533. Double ported slide valve.

2534. Cone plug and rubber ring for plugging a pipe.

2535. Reversing valve for gas or air blast.

2536. Slide valve to give a wide port opening with short travel.

2537. Removable valve seat, or gland, secured by three set screws and lugs inside the valve box.

2538. Safety valve, with double ball joint seatings, held down by dead weight, hung on the outer case.

2539. Oscillating ring valve.

High-pressure hydraulic slide valves are now made of hard wood, such as lignum vitæ, running on a bronze face; the wood valve is sometimes enclosed in a bronze body or strap.

2540. Hydraulic high-pressure valve, with renewable face.

[325]

Plate 152

Larger plate.

[326]

2541. Tap, with crank movement, to open and close an ordinary mushroom valve.

2542. Spring loaded valve. May be opened by lifting, as shown, or by a horizontal pull in any direction, the pull rod being attached to the top of a fixed stud in the centre of the valve, which then tilts in opening.

2543. Safety valve, with knife edge.

2544. Screw plug bottle stopper. (Codd’s patent.)

2545. Dished grating valve.


Section 90.—WATER WHEELS AND TURBINES.

(See also p. 208.)

2546. Water-jet double turbine motor.


Section 91.—WHEELS IN SEGMENTS.

(See also p. 212.)

2547. Spider wheel or tension wheel. Cycle wheels are constructed on this principle, as also were the great wheels at Chicago and Earl’s Court. There are many varieties of this type.

2548. Steel railway wheel, with dished web. Wrought iron or steel disc fly-wheels are now in some cases replacing wheels with arms.

Fly-wheels are also constructed with the rim formed of wrought-iron bars wound round and rivetted together, or of heavy wire coiled round and secured with steel belts.


Section 92.—WEIGHING AND MEASURING.

(See also p. 214.)

2549. Differential weighing beam. The lower hook is suspended very near the centre line of the upper one, giving a close adjustment with a short graduated arm.

2550. Measuring or feed wheel, for seeds, &c. The little cups dip into the material, and carry it up to a shoot.

Even-flow regulator, for a tap. See No. 2204A.

2551. Wire and sheet V gauge.

2552. Balance, with angular weight, and graduated sector.

2553. Measuring tap.

[327]

Plate 153

Larger plate.

[328]

Section 94.—WASHING.

(See also p. 216.)

2554. Rotary clothes washer. Consists of an internal perforated drum driven round in alternate directions inside a fixed drum, or other vessel containing soap and water.

2555. Archimedean circulator, for a washing trough.


Section 95.—WINDMILLS AND FEATHERING WHEELS.

(See also p. 218.)

2556. Feathering paddle wheel, or tide wheel. The three floats are maintained vertical by spur wheels on their spindle ends, which gear with idle pinions driven by a fixed central spur wheel of same size as those on the floats.

2557. Wind turbine. The vanes are formed as No. 1967, to receive the wind parallel to the axis.

Windmills are fitted with automatic regulating devices to adjust their angle area and direction to the force and direction of the wind.


Section 96.—WINDING APPARATUS.

(See also p. 220.)

2558. Fusee for round rope.


Section 97.—HANDLES, HANDWHEELS, KEYS AND SPANNERS.

(See also p. 220.)

2559. Dished handwheel.

2560. Bent handle, with looped end.

2561. Handle key for cock.

2562. Handwheel lock nuts for a screwed bolt or other fastening.

2563. Coned handle.

2564. Cranked key or spanner.

2565. Loop handle for plain lever.

2566. Hinged spanner for tightening nuts or screwed glands, having pin holes or notched edges.

2567. Cranked handle, offset.

2568. Bow handle. May be fixed or made to swivel.

2569. Balanced hand crank.

2570. Hand crank, with holes to vary the radius.

[329]

Plate 154

Larger plate.

[330]

2571. Locked handwheels for valves, to be movable in a certain order only.


Section 98.—APPARATUS FOR DRAWING CURVES.

(See also p. 224.)

2572. Cycloidograph. The pencil is fixed to a sliding rod A, sliding in a socket on the pinion spindle B, and also is forced to travel along the slot C, in an open disc revolving between four rollers D.


Section 99.—MATERIALS EMPLOYED IN CONSTRUCTION.

(See also p. 224.)

2573. Ribbed plate or tram plate.

2574. Trough plate for flooring bridges &c.

2575. Trough plate for flooring bridges &c.

2576. Curved ditto. Hobson’s patent.

2577. Wrought-iron or steel dished piston forging.

2578. Wrought-iron flanged manhole forging.

2579. Trough flooring.

2580. Trough flooring.

Iron and Steel Plates.—It is essential to possess some knowledge of what sizes and weights are obtainable at ordinary prices, because it is frequently desirable to utilise the largest available, in order to save the cost of making joints. Frequently joints are made by riveting, not because they are wanted at all, but simply because they cost less than single plates would do. Information of this kind is only to be obtained from the price-lists of the iron and steel manufactures, which are supplied to the trade.

The meaning of “maximum dimensions” is thus:—Taking a 112″ plate, for example, the maximum dimensions of which are given in a list as 40′ in length by 10′ in width, it is not possible to get a plate measuring 40′ by 10′, for that would make a united area of 400′, and the list limit is 150′ area. But the area can be taken out either in length or in width, within the limiting length of 40′ and width of 10′. The maximum area divided by any length in feet not exceeding the maximum, will give the maximum width for that length; and the maximum area divided by any width in feet not exceeding the maximum, will give the maximum length for that width. Thus, 150′ area divided by the maximum length, i.e. 40, gives 3′ 9″ width of plate. Or 150′ divided by the maximum width, i.e. 10, gives 15′ length of plate. And for anything over these maximum dimensions special quotations have to be made. But no plate can be rolled to contain the greatest length and the greatest width at the same time.

Again, in reference to “extras,” many points have to be borne in mind. Thus, as regards shape, any departure from the rectangular form is an extra, as tapered plates, sketches, i.e. any irregular outlines, and also circles. The extra, under this head, may be about 25s. per ton. As regards thickness, plates under 14″ thick are an extra, rated at from 10s. to 20s. per ton more. As regards width and length, quite special terms are made, amounting to 5s. perhaps on each 3″, a serious item. And as regards weight, steel plates over about 40 cwt. are charged extra, at the rate of about 5s. per 5 cwt.

To give examples: The Steel Co. of Scotland roll steel plates from[331] 116″ to 112″ thick, and from an area in the first case of 30′ to 150′ in the latter. The thicknesses advance by thirty-seconds in thickness up to 316″, by sixteenths up to 12″ and by eighths up to 112″. The following table will give an idea of their limiting sizes, which may be taken as fairly typical of steel plates in general. It will be seen that I have included only a few of the thicknesses named above.

Maximum.
Thick-
ness.
Length. Width. Area.
in. ft. in. ft. in. ft.
  18 22 0  5 0  50
  14 33 0  6 3  90
  38 38 0  7 4 100
  12 40 0  8 3 110
  34 40 0  9 3 140
1   40 0 10 0 150
1 14 40 0 10 0 150
1 12 40 0 10 0 150

David Colville and Sons roll plates from to 14″ to 112″ in thickness with an area of 80′ in the first and 140′ in the last; other sizes intermediate. But by special arrangement plates 14″ thick can be rolled to 140′ area, and 112″ of 170′. Thirty hundredweight is the limit of weight in ship plates, and 40 in boiler plates. Plates up to 612 tons weight each can be rolled at special prices. It is impossible to roll plates exactly to weight, and it is usual to allow a deviation of from 212 per cent. to 5 per cent. over weight for boiler plates, and under or over for ordinary plates.

The Parkhead Steel Works roll 116″ plates to a maximum area of 36′, 14″ plates to 70′, 12″ plates of 110′, 34″ plates of 140′, 1″ plates of 150′, and 114″ plates of 150′ area. The limiting weights are 20 cwt. for ship plates, and 40 cwt. for boiler plates. Above these 5s. per 5 cwt., or part of the same, is charged.

The Weardale Iron and Coal Co. roll steel plates from to 14″ to 112″ thick, with a maximum area of 60′ in the first, and 120′ in the second; 30′ is the maximum length, and 8′ the maximum width. Circular plates are also rolled from 5′ 6″ diameter of 14″ thick, to 8′ 6″ diameter in 112″ thick. All ordinary thicknesses, also intermediate between these, are rolled.

The limiting weights and dimensions of the steel plates of Bolekow, Vaughan and Co. are 18 cwt. 80 sq. ft. in area, 23′ in length, and between 12″ and 60″ in width. Extras are, for every hundredweight, or part of the same above 18 cwt., 10s.; for every foot, or part of a foot, above 23′ in length, 5s.; for every square foot above 80 sq. ft., 1s.

John Brown and Co., Sheffield, roll steel plates from to 18″ to 114″ in thickness. A few selected thicknesses are given below.

Thick-
ness.
Length. Width. Area.
in. ft. in. ft. in. ft.
  14 30 0 6 0  72
  38 35 0 6 9 120
  12 40 0 8 0 130
  34 40 0 9 6 180
1   40 0 9 6 180
1 14 40 0 9 6 180

Circular and square plates of the same thicknesses can be rolled as follows:—

Thick-
ness.
Diameter. Square.
in. ft. in. ft. in.
  14 6 6 6 6
  38 7 0 7 0
  12 8 3 8 3
  34 10 6 9 9
1   10 6 9 9
1 14 10 6 9 9

[332]

The Dalzell Steel Works of David Colville and Sons, make a difference in the extras in the case of steel boiler and of ship plates. Ordinary prices are charged to 84″ wide in boiler plates, but to 72″ only in ship plates. Above that they charge 5s. per ton for every 3″, or part of 3″. So in weight, 40 cwt. is the limit for boiler plates, and 30 cwt. for ship plates; over those 5s. per ton is charged for every 5 cwt., or part of 5 cwt. Circular plates for boiler ends and crowns are rolled by David Colville and Sons, who supply at ordinary prices the following: 34″ thick, 9′ 10″ diameter; 1116″, 9′ 6″; 58″, 9′, and 916″, 8′ 6″.

As a sample of the usual limiting sizes of iron plates, I give the following:—It consists of a few selected Snedshill plates rolled by the Lilleshall Company, one of the most favourably known Shropshire houses. They roll iron sheets and boiler plates from 116″ to 1″ in thickness, advancing by thirty-seconds to 316″, and by sixteenths to 1″.

Thick-
ness.
Length. Width. Area.
in. ft. in. ft. in. ft.
  14 30 0 5 0  5
  38 30 0 5 6  7
  12 30 0 6 0  8
  58 30 0 6 0 80
  34 30 0 6 0 80
1   30 0 6 0 80

It will be observed that the limiting sizes of iron are much less than those of steel.

The Butterly Company roll both iron and steel plates. The limiting weights and dimensions are as follows:—For iron boiler quality, 8 cwt., above that the extra prices are, 20s., 40s., 60s., 80s. respectively, from 8 cwt. to 10 cwt., 10 cwt. to 12 cwt., 12 cwt. to 14 cwt., and 14 cwt. to 16 cwt. respectively. For bridge quality, 10 cwt. is the limit, and extras are 20s. and 40s., from 10 cwt. to 12 cwt., and from 12 cwt. to 16 cwt. respectively. Area 60′, and for every 10′ or part above that, 20s.; length 25′; width 4′6″; over those various extras, ranging from 20s. to 80s.


Section 101.—DRAWING AND ROLLING METALS, &c.

(See also p. 234.)

2581. Bending block, for bar iron.


Section 106.—DOORS, MANHOLES AND COVERS.

(See also p. 242.)

2582. Screw plug, with two lugs to screw it up by a plain bar placed between them.

2583. New form of manhole door.

2584. Screw fixing for a plug, door, or valve, quickly released or secured.

2585. Hollow plug, with square recess for a key or spanner. Flush plug.

2586. Soot door.

2587. Funnel plug, for filling oil reservoirs, &c.

2588. Wrought iron or steel manhole door, dished.

2589. Oven door, lifts out of the catch by leaving sufficient play in the top hinge.

[333]

Plate 155

Larger plate.

[334]

2590. Soot door.

2591. Soot door in section, opened by pulling outwards and downwards; the hook at top prevents it falling out.

2592. Screw cap or cover.

2593. Revolving door.

2594. Sliding door for furnaces, &c. The weight of door may be relieved by rollers at top, as shown.

2595. Door or manhole held up by two wedges.

S traps. D traps. These are divided chambers, or bent portions of pipes, designed to always contain a well of water so as to cut off any currents of air or gases that would otherwise pass along the pipes.

Street manholes and lampholes are round, rectangular, or oval covers, strongly made to carry street traffic, and fitted in strong cast-iron frames, so as to be easily removable, and yet practically air-tight. Those fitted over sewer manholes are frequently provided with charcoal filters to arrest foul gases.


Section 107.—FEED GEAR.

2596. Ink feed, for printing machines.

2597. Ticket feeding gear.

2598. Feed worm, with air blast.

2599. Hand or power feed gear, for a drill, boring machine, &c.

2600. Feed motion for shapers, &c., reversible.

2601. Feed motion for shapers, &c., reversible.

2602. Friction pawl feed motion, silent. See also Section 62.


Section 108.—FILTERING.

Through porous pots.

Through porous solids, such as charcoal.

Through pumice stone, chalk, &c.

Through porous fabrics, flannel, paper, &c.

Through sponge, spongy platinum.

Through sand, gravel, calcined ores, &c.

Through wire gauges, hair gauge, &c.

Reversible filters, such as the “Thames,” &c., are made self-cleansing by reversing the flow for a short time through a waste pipe, thus washing out the deposit.

2603. Filtering cone, formed of wire cloth inside a pipe.

[335]

Plate 156

Larger plate.


LONDON: PRINTED BY WILLIAM CLOWES AND sons, LIMITED.
GREAT WINDMILL STREET, W., AND DUKE STREET, STAMFORD STREET, S.E.


Transcriber’s Notes

Inconsistent spelling and hyphenation have been retained, except as mentioned below. The use of (linear) feet as unit of area has not been corrected. Inconsistent indentations have not been standardised.

Enlarged plates are available in the browser version, available at www.gutenberg.org.

Page 18-20: There is no separate description for Number 82.

Page 38, Number 277, cross bar A: the letter A is missing from the illustration.

Page 168 (plate) and Fig. 1372: the angle 60° was not clearly visible in the source document.

Page 218, Number 1747, screen A: the letter A is missing from the illustration.

Page 220, Number 1769, ... and other machinery: possibly a mistake for ... and other materials.

Page 228-230, Number 1854: there is no description for this item; presumably it is the same as that for Number 1855 (Bevilled flat iron).

Sections 107 and 108 may be found at the end of Part II.

Changes made:

Some obvious minor typographical errors have been corrected silently.

In several places where they were not present in the source document, blank lines have been inserted in order to distinguish notes from the previous description, or to emphasise the transition from one subject to the next.

Letters referring to elements in illustrations and characters representing shapes rather than letters have been standardised to sans-serif.

In several instances, ditto, do. and „ have been replaced with a repetition of the dittoed text.

Page 40: Eilipile has been changed to Eolipile.

Page 320: 75° has been changed to 75,