The Project Gutenberg eBook of Inventors at Work, with Chapters on Discovery

This eBook is for the use of anyone anywhere in the United States and most other parts of the world at no cost and with almost no restrictions whatsoever. You may copy it, give it away or re-use it under the terms of the Project Gutenberg License included with this eBook or online at www.gutenberg.org. If you are not located in the United States, you will have to check the laws of the country where you are located before using this eBook.

Title: Inventors at Work, with Chapters on Discovery

Author: George Iles


Release date: March 10, 2015 [eBook #48454]
Most recently updated: October 24, 2024

Language: English

Other information and formats: www.gutenberg.org/ebooks/48454

Credits: Produced by Chris Curnow, Harry Lamé and the Online
Distributed Proofreading Team at http://www.pgdp.net (This
file was produced from images generously made available
by The Internet Archive)

*** START OF THE PROJECT GUTENBERG EBOOK INVENTORS AT WORK, WITH CHAPTERS ON DISCOVERY ***

Please see the Transcriber’s Notes at the end of this text.


INVENTORS AT WORK


Copyright by Park & Co., Brantford, Ontario.

PROFESSOR ALEXANDER GRAHAM BELL.


Inventors at Work
With Chapters on Discovery

By George Iles
Author of “Flame, Electricity and the Camera”

Copiously Illustrated

Publisher's emblem

New York
Doubleday, Page & Company
1907


Copyright, 1906, by
George Iles
Published October, 1906

All rights reserved, including that of translation into foreign languages, including the Scandinavian


TO MY FRIEND
JOSEPHUS NELSON LARNED
OF BUFFALO, NEW YORK



[vii]

CONTENTS

  PAGE
  LIST OF ILLUSTRATIONS xiii
  ACKNOWLEDGMENTS xxi
CHAPTER  
I. INTRODUCTORY 1
II. FORM
Form as important as substance. Why a joist is stiffer than a plank. The girder is developed from a joist. Railroad rails are girders of great efficiency as designed and tested by Mr. P. H. Dudley
5
III. FORM CONTINUED. BRIDGES
Roofs and small bridges may be built much alike. The queen-post truss, adapted for bridges in the sixteenth century, neglected for two hundred years and more. A truss replaces the Victoria Tubular Bridge. Cantilever spans at Niagara and Quebec. Suspension bridges at New York. The bowstring design is an arch disguised. Why bridges are built with a slight upward curve. How bridges are fastened together in America and in England
18
IV. FORM CONTINUED. LIGHTNESS, EASE IN MOTION
Why supports are made hollow. Advantages of the arch in buildings, bridges and dams. Tubes in manifold new services. Wheels more important than ever. Angles give way to curves
39
V. FORM CONTINUED. SHIPS
Ships have their resistances separately studied. This leads to improvements of form either for speed or for carrying capacity. Experiments with models in basins. The Viking ship, a thousand years old, of admirable design. Clipper ships and modern steamers. Judgment in design
52
VI.[viii] FORM CONTINUED. RESISTANCE LESSENED
Shapes to lessen resistance to motion. Shot formed to move swiftly through the air. Railroad trains and automobiles of somewhat similar shape. Toothed wheels, conveyors, propellers and turbines all so curved as to move with utmost freedom
65
VII. FORM CONTINUED. ECONOMY OF LIGHT AND HEAT
Light economized by rightly-shaped glass. Heat saved by well-designed conveyors and radiators. Why rough glass may be better than smooth. Light is directed in useful paths by prisms. The magic of total reflection is turned to account. Holophane Globes. Prisms in binocular glasses. Lens grinding. Radiation of heat promoted or prevented at will
72
VIII. FORM CONTINUED. TOOLS AND IMPLEMENTS
Tools and implements shaped for efficiency. Edge tools old and new. Cutting a ring is easier than cutting away a whole circle. Lathes, planers, shapers, and milling machines far out-speed the hand. Abrasive wheels and presses supersede old methods. Use creates beauty. Convenience in use. Ingenuity spurred by poverty in resources
89
IX. FORM CONTINUED. ABORIGINAL ART
Form in aboriginal art, as affected by materials. Old forms persist in new materials. Nature’s gifts first used as given, then modified and copied. Rigid materials mean stiff patterns. New materials have not yet had their full effect on modern design
108
X. SIZE
Heavenly bodies large and small. The earth as sculptured a little at a time. The farmer as a divider. Dust and its dangers. Models may mislead. Big structures economical. Smallness of atoms. Advantages thereof. Dust repelled by light
120
XI. PROPERTIES
Food nourishes. Weapons and tools are strong and lasting. Clothing adorns and protects. Shelter must be durable. Properties modified by art. High utility of the bamboo. Basketry finds much to use. Aluminium, how produced and used. Qualities long unwelcome or worthless are now gainful. Properties created at need
135
XII.[ix] PROPERTIES CONTINUED
Producing more and better light from both gas and electricity. The Drummond light. The Welsbach mantle. Many rivals of carbon filaments and pencils. Flaming arcs. Tubes of mercury vapor
154
XIII. PROPERTIES CONTINUED
Steel: its new varieties are virtually new metals, strong, tough, and heat resisting in degrees priceless to the arts. Minute admixtures in other alloys are most potent
163
XIV. PROPERTIES CONTINUED
Glass of new and most useful qualities. Metals plastic under pressure. Non-conductors of heat. Norwegian cooking box. Aladdin oven. Matter seems to remember. Feeble influences become strong in time
180
XV. PROPERTIES CONTINUED. RADIO-ACTIVITY
Properties most evident are studied first. Then those hidden from cursory view. Radio-activity revealed by the electrician. A property which may be universal, and of the highest import. Its study brings us near to ultimate explanations. Faraday’s prophetic views
197
XVI. MEASUREMENT
Methods beginning in rule-of-thumb proceed to the utmost refinement. Standards old and new. The foot and cubit. The metric system. Refined measurement as a means of discovery. The interferometer measures 15,000,000 inch. A light-wave as an unvarying unit of length
208
XVII. MEASUREMENT CONTINUED
Weight, Time, Heat, Light, Electricity, measured with new precision. Exact measurement means interchangeable designs, and points the way to utmost economies. The Bureau of Standards at Washington. Measurement in expert planning and reform
219
XVIII. NATURE AS TEACHER
Forces take paths of least resistance. Accessibility decides where cities shall arise. Plants display engineering principles in structure. Lessons from the human heart, eyes, bones, muscles, and nerves. What nature has done, art may imitate,—in the separation of oxygen from air, in flight, in producing light, in converting heat into work: Lessons from lower animals. A hammer-using wasp
245
XIX.[x] QUALIFICATIONS OF INVENTORS AND DISCOVERERS
Knowledge as sought by disinterested inquirers. A plenteous harvest with few reapers. Germany leads in original research. The Carnegie Institution at Washington
267
XX. OBSERVATION
What to look for. The eye may not see what it does not expect to see. Lenses reveal worlds great and small otherwise unseen. Observers of the heavens and of seashore life. Collections aid discovery. Happy accidents applied to profit. Popular beliefs may be based on truth. An engineer taught by a bank swallow
279
XXI. EXPERIMENT
Newton, Watt, Ericsson, Rowland, as boys were constructive. The passion for making new things. Aid from imagination and trained dexterity. Edison tells how the phonograph was born. Telephonic messages recorded. Handwriting transmitted by electricity. How machines imitate hands. Originality in attack
299
XXII. AUTOMATICITY AND INITIATION
Self-acting devices abridge labor. Trigger effects in the laboratory, the studio and the workshop. Automatic telephones. Equilibrium of the atmosphere may be easily upset
329
XXIII. SIMPLIFICATION
Simplicity always desirable, except when it costs too dear. Taking direct instead of roundabout paths. Omissions may be gainful. Classification and signaling simpler than ever before
340
XXIV. THEORIES HOW REACHED AND USED
Educated guessing. Weaving power. Imagination indispensable. The proving process. Theory gainfully directs both observation and experiment. Tyndall’s views. Discursiveness of Thomas Young
355
XXV. THEORIZING CONTINUED
Analogies have value. Many principles may be reversed with profit. The contrary of an old method may be gainful. Judgment gives place to measurement, and then passes to new fields
366
XXVI.[xi] NEWTON, FARADAY AND BELL AT WORK
Newton, the supreme generalizer. Faraday, the master of experiment. Bell, the inventor of the telephone, transmits speech by a beam of light
387
XXVII. BESSEMER, CREATOR OF CHEAP STEEL. NOBEL, INVENTOR OF NEW EXPLOSIVES
Bessemer a man of golden ignorances. His boldness and versatility. The story of his steel process told by himself. Nobel’s heroic courage in failure and adversity. His triumph at last. Turns an accidental hint to great profit. Inventors to-day organized for attacks of new breadth and audacity
401
XXVIII. COMPRESSED AIR
An aid to the miner, quarryman and sculptor. An actuator for pumps. Engraves glass and cleans castings. Dust and dirt removed by air exhaustion. Westinghouse air-brakes and signals
417
XXIX. CONCRETE AND ITS REINFORCEMENT
Pouring and ramming are easier and cheaper than cutting and carving. Concrete for dwellings ensures comfort and safety from fire. Strengthened with steel it builds warehouses, factories and bridges of new excellence
429
XXX. MOTIVE POWERS PRODUCED WITH NEW ECONOMY
Improvements in steam practice. Mechanical draft. Automatic stokers. Better boilers. Superheaters. Economical condensers. Steam turbines on land and sea
446
XXXI. MOTIVE POWERS, CONTINUED. HEATING SERVICES
Producer gas. Mond gas. Gas engines. Steam and gas engines compared. Diesel engine best heat motor of all. Gasoline motors. Alcohol engines. Steam and gas motors united. Heat and power production together. District steam heating. Isolated plants. Electric traction. Gas for a service of heat, light and power
457
XXXII.[xii] A FEW SOCIAL ASPECTS OF INVENTION
Why cities gain at the expense of the country. The factory system. Small shops multiplied. Subdivided labor has passed due bounds and is being modified. Tendencies against centralization and monopoly. Dwellings united for new services. Self-contained houses warmed from a center. The literature of invention and discovery as purveyed in public libraries
478
  INDEX 489

[xiii]

LIST OF ILLUSTRATIONS

Professor Alexander Graham Bell Frontispiece
Bell Homestead, Brantford, Ontario facing 2
Lens of ice focussing a sunbeam 5
Rubber strip suspended plank-wise and joist-wise 7
Board doubled breadthwise and edgewise 7
Telegraph poles under compression. Wires under tension 8
Rubber cylinder, flattened by compression, lengthened by tension 9
Rubber joist compressed along top, extended along bottom 10
Girder cut from joist 10
Rubber I-beam suspended flatwise and edgewise 10
Girder contours simple, built up, in locomotive draw-bars 11
Steel ore car 12
Bulb angle column, New York Subway 12
Strap rail and stringer, Mohawk & Hudson R. R., 1830 13
Plimmon H. Dudley facing 14
Dudley rails 16
Steel cross-ties and rails 17
King-post truss 18
Frames of four sides 19
Cross-section Arctic ship “Roosevelt” 20
Pair of compasses stretch a rubber strip 20
Queen-post truss 21
Upper part of roof truss, Interborough Power House, New York 21
Two queen-post trusses from a bridge 22
Palladio trusses 22
Burr Bridge, Waterford, N. Y. 23
Howe and Pratt trusses 24
Baltimore truss 25
Whipple Bridge[xiv] 25
Simple cantilevers 26
Victoria Bridge, Montreal, original form 27
Victoria Bridge, Montreal, present form 28
Cantilever Bridge, near Quebec 29
Kentucky River Cantilever Bridge 30
Arch Bridge, Niagara Falls 31
Bowstring Bridge, Philadelphia 32
Williamsburg Bridge, New York City 33
Continuous Girder Bridge, Lachine, near Montreal 34
Rubber strip supported at 4 points, and at 2 points 34
Plate girder bridge 35
Lattice girder bridge, showing rivets 36
Bookshelf laden and unladen, showing camber 36
Pin connecting parts of bridge 37
Bridge rollers in section and in plan 38
Girder sections in various forms 39
Rubber cylinders solid and hollow compared in sag 40
Handle bar of bicycle in steel tubing 40
A sulky in steel tubing 41
Pneumatic hammer in steel tubing 41
Fishing rod in steel tubing 41
Bridge of steel pipe 41
Arch bridge of steel pipe 42
Spiral fire-lighter 42
Spiral weld steel tube 42
Largest stone arch in the world, Plauen, Germany 43
Church of St. Remy, Rheims, France 43
Curve of suspended chain 44
Dam across Bear Valley, California 44
Ferguson locking-bar 45
Hand-hole plates, Erie City water-tube boiler 46
Bullock cart with solid wheels 47
Ball thrust collar bearings 48
Rigid bearings for axles of automobiles 48
Hyatt helical roller bearing. Ditto supporting an axle 49
Treads and risers of stairs joined by curves 49
Corner Madison Square Garden, New York 50
Two pipes with funnel-shaped junction [xv] 50
Model Basin, U. S. Navy, Washington, D. C. facing 54
Viking Ship 56
Clipper ship “Young America” 58
Steamship Kaiser Wilhelm II 60
Cargo steamer 61
U. S. Torpedo-boat destroyer 62
Cross-sections of ships 63
Racing automobile. Wedge front and spokeless wheels 66
Bilgram skew gearing 67
Grain elevator 68
Robins conveying belt 68
Ewart detachable link belting 69
Curves of turbines 70
Steel vanes of windmill 70
Pelton water wheel and jet 71
Luxfer prism 74
Fresnel lens 74
Lamp and reflector a unit 75
Inverted arc-light 75
Sacramento perch totally reflected in aquarium 77
Diagram illustrating total reflection 78
Holophane globe, sections 79
Holophane globe, diffusing curves 80
Holophane globe, three varieties 80
Holophane globe, and Welsbach mantle 81
Wire shortened while original direction is resumed 81
Four mirrors reflect a ray in a line parallel to first path 82
Prisms for Zeiss binocular glasses 82
Sections for Zeiss binocular glasses 83
Tools for producing optical surfaces 84
Bi-focal lens for spectacles 85
Canadian box-stove 86
Canadian dumb-stove 86
Tubing for radiator 87
Gold’s electric heater 87
Stolp wired tube for automobiles 87
Corrugated boiler 88
Pipe allowing contraction or expansion [xvi] 88
Carving chisels and gouges 90
Lathe cutters 90
Ratchet bit brace 90
Eskimo skin scraper 91
Double tool drill cutting boiler plate 91
Common drill compared with ring drill 92
Twist drill 93
How a tool cuts metal 94
Dacotah fire-drill 94
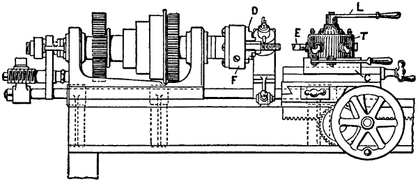
Lathe, with parts in detail 95
Compound slide rest 96
Blanchard lathe 96
Turret lathe, with side and top views 97
Ericsson’s Monitor 98
Iron planer 99
Iron shaper 99
Milling machine 100
Milling cutters with inserted teeth 100
Milling cutters executing curves 101
Emery wheels 102
Carborundum wheel edges 102
Rolls to reduce steel in thickness 104
Gourd-shaded vessel, Arkansas 108
Gourd and derived pottery forms 109
Pomo basket 109
Bilhoola basket 110
Bilhoola basket, a square inch of 111
A free-hand scroll: same as woven 111
Yokut basket bowl 112
Sampler on cardboard 115
Bark vessel and derived form in clay 115
Vase from tumulus, St. George, Utah 116
Wooden tray. Clay derivative 116
Shell vessel. Earthen derivative 116
Electric lamps in candle shapes 117
Notre Dame de Bonsecours, Montreal 118
New Amsterdam Theater, New York facing 118
Cinders large and small on hearth [xvii] 120
Cube subdivided into 8 cubes 121
Cube built of 27 cubes 122
Two rubber strips, varying as one and three in dimensions, compared in sag 127
Air bubbles rising in oil 128
Dvorak sound-mill 132
Beam of light deflects dust 133
Dr. Carl Freiherr Auer von Welsbach facing 156
Boivin burner for alcohol 157
Alcohol lamp with ventilating hood 158
Welsbach mantle 159
Tantalum lamp 160
Tungsten lamp of Dr Kuzel 160
Hewitt mercury-vapor lamp 161
Sections Pearlite and Steel facing 164
Cleaning Cars by the “Vacuum” Method facing 164
Open hearth furnace 165
Professor Ernst Abbe facing 182
Bliss forming die 184
Bliss process of shell making 184
Mandolin pressed in aluminium 185
Pressed seamless pitcher 185
Barrel of pressed steel 185
Range front of pressed steel 186
Pressed paint tube and cover 186
Norwegian cooker 189
Aladdin oven 190
Mayer’s floating magnets 193
Alum crystal, broken and restored 194
Marble before and after deformation by pressure 195
Professor Ernest Rutherford facing 202
Professor A. A. Michelson facing 214
Michelson interferometer 215
Light-wave distorted by heated air 216
Ancient Egyptian balance 219
Rueprecht balance 220
Earnshaw compensated balance wheel 223
Riefler clock[xviii] 224
Photometer 227
Compass needle deflected by electric wire 230
Compass needle deflected by electric coil 231
Maxwell galvanometer 231
Weston voltmeter 232
Micrometer caliper measuring 11000 inch 236
Plug and ring for standard measurements 237
Two lenses as pressed together by Newton 237
Newton’s rings 238
Flat jig or guide 239
Deciduous cypress 247
Deciduous cypress, hypothetical diagram 248
Section of pipe or moor grass; of bulrush 251
Human hip joint 252
Valves of veins 252
Built-up gun 253
Achromatic prisms and lens 255
Three levers 256
Arm holding ball 256
Beaver teeth 258
Narwhal with twisted tusk 259
Lower part of warrior ants’ nest, showing dome 260
Wasp using pebble as hammer 260
Cuban firefly 263
Dr. R. S. Woodward facing 276
Perforated sails for ships 292
Edison phonograph 312
Telegraphone 314 and
facing
314
Gray Telautograph 315 and
facing
318
Hussey’s mower or reaper 321
Mergenthaler linotype, justifying wedges 323
Schuckers’ double-wedge justifier 324
Two wedges partly in contact, and fully in contact 325
Polarized light shows strains in glass 327
Stop-motion 330
Dexter feeding mechanism 331
Schumann’s “Traumerei” in musical score and on Pianola roll 334
Mechanism of Pianola[xix] 335
Automatic Telephone 336 and
facing
336
Blenkinsop’s locomotive, 1811 345
Notes on loose cards in alphabetical order 350
Sectional bookcase, desk and drawers 351
Burke telegraphic code 353
Burke simplified telegraphic signals 354
Pupin long-distance telephony 367
Water-gauge direct and reversed 370
Thomas Alva Edison facing 374
Cube-root extractor 376
Square-root extractor 377
Sturtevant ventilating and heating apparatus 380
Bicycle suspended from axle 382
Telephones receiving sound through a beam of light 395
Selenium cylinder with reflector 398
Perforated disc yielding sound from light 399
Sir Henry Bessemer facing 402
First Bessemer converter and ladle 406
New Ingersoll coal cutter 418
Drill steels 418
Sculptor at work with Pneumatic Chisel facing 418
Haeseler air-hammer 419
Rock drill used as hammer 420
Little Giant wood-boring machine 420
Water lifted by compressed air 421
Harris system of pumping by compressed air 422
Hardie nozzle for painting by compressed air 423
Vacuum renovators for carpets and upholstery 424
Injector sand-blast, Drucklieb’s 425
Vertical receiver, inter- and outer-cooler 426
Concrete silo foundation 431
Concrete silo 432
Mansion in Concrete, Fort Thomas, Kentucky facing 432
Wall of two-piece concrete blocks 434
Ransome bar for concrete 436
Corrugated steel bar 436
Thacher bar 436
Kahn bar[xx] 437
Hennebique armored concrete girder 437
Monier netting 437
Expanded metal diamond lath 438
Tree box in expanded steel 438
Royal Bank of Canada, Havana facing 438
Lock-woven wire fabric 439
Column forms for concrete, Ingalls Building, Cincinnati 440
Section of chimney, Los Angeles, Cal. 441
Coignet netting and hook 442
Section of conduit, Newark, N. J. 442
Water culvert 443
River des Pêres Bridge, Forest Park, St. Louis 444
Memorial Bridge, Washington, D. C. 444
Francis vertical turbine wheel 446
5000 Horse-Power Allis-Chalmers Steam Engine facing 448
Smoke-jack 449
Power House, Interborough Co., New York, exterior facing 450
Schmidt superheater 451
Power House, Interborough Co., New York, interior facing 452
De Laval steam turbine, sections 453
Westinghouse-Parsons Steam Turbine facing 454
Combustible gas from a candle 458
Taylor gas-producer 460
Four-cycle gas engine 463
Fire syringe 467
Sturtevant fan wheel, without casing 472
Sturtevant Monogram exhauster and solid base heater 473
New York Central R. R. Electric Locomotive with Five-Car Train facing 476

[xxi]

ACKNOWLEDGMENTS

Aid in writing this volume is acknowledged in the course of its chapters. The author’s grateful thanks are rendered also to Dr. L. A. Fischer, of the Bureau of Standards at Washington, who has revised the paragraphs describing the work of the Bureau; to Mr. C. R. Mann of the Ryerson Physical Laboratory, University of Chicago, who corrected the paragraphs on the interferometer; to Mr. Walter A. Mitchell, formerly of Columbia University, New York, who revised most of the chapters on measurement. Mr. Thomas E. Fant, Head of the Department of Construction and Repair at the Navy Yard, Washington, D. C., gave the picture of the model basin here reproduced. Mr. Walter Hough of the National Museum, Washington, D. C., contributed a photograph of the Pomo basket also reproduced here. Mr. John Van Vleck and Mr. Henry G. Stott of New York, Mr. George R. Prowse and Mr. Edson L. Pease of Montreal, have furnished drawings and photographs for illustrations of unusual interest. Mr. George F. C. Smillie, of the Bureau of Engraving, Washington, D. C., Mr. Percival E. Fansler, Mr. Ernest Ingersoll, and Mr. Ashley P. Peck, of New York, have read in proof parts of the chapters which follow. Their corrections and suggestions have been indispensable.

Professor Bradley Stoughton, of the School of Mines, Columbia University, New York, has been good enough to contribute a brief list of books on steel, supplementing the chapter on that theme written with his revision. Had it been feasible, other chapters would have been supplemented in like manner by other teachers of mark. In 1902 the American Library Association published an annotated guide to the literature of American history, engaging forty critics and scholars of distinction, with Mr.[xxii] J. N. Larned as editor. It is hoped that at no distant day guides on the same helpful plan will be issued in the field of science, duly supplemented and revised from time to time.


In the present volume the author has endeavored to include in his survey the main facts to the close of May, 1906.

New York, September, 1906.


[1]

INVENTORS AT WORK


CHAPTER I
INTRODUCTORY

Inventors and discoverers are justly among the most honored of men. It is they who add to knowledge, who bring matter under subjection both in form and substance, who teach us how to perform an old task, as lighting, with new economy, or hand us gifts wholly new, as the spectroscope and the wireless telegraph. It is they who tell us how to shape an oar into a rudder, and direct a task with our brains instead of tugging at it with our muscles. They enable us to replace loss with gain, waste with thrift, weariness with comfort, hazard with safety. And, chief service of all, they bring us to understand more and more of that involved drama of which this planet is by turns the stage and the spectator’s gallery. The main difference between humanity to-day and its lowly ancestry of the tree-top and the cave has been worked out by the inventors and discoverers who have steadily lifted the plane of life, made it broader and better with every passing year.

On a theme so vast as the labors of these men a threshold book can offer but a few glances at principles of moment, to which the reader may add as he pleases from observations and experiments of his own. At the outset Form will engage our regard: first, as bestowed so as to be retained by girders, trusses and bridges; next, as embodied in structures which minimize friction, such as well designed ships; or as conducing to the efficiency of tools and machines; or deciding how best heat may be radiated or light diffused. A word will follow as to modes of conferring form, the influence on form of the materials employed, and the undue vitality of old forms that should long ago have bidden us good-by. Structures alike in shape may differ in size. Bigness has its economies, and so has smallness. Both will have brief attention, with a rapid survey of new materials which[2] enable a builder to rear towers or engines bolder in dimensions than were hitherto possible.

Substance, as important as form, will next receive a glance. First a word will be said about the properties of food, raiment, shelter, weapons and tools. Then, the properties of fuels and light-givers will be considered, as steadily improved in their effectiveness. How properties are modified by heat and electricity will be remarked, with illustrations from steels of new and astonishing qualities, and from notable varieties of glass produced at Jena. A few pages will recount some of the striking phenomena of radio-activity displayed by radium, thorium and kindred substances, phenomena which are remolding the fundamental conceptions of physics and chemistry.

A survey of form and properties, however cursory, must involve measurement, otherwise an inventor cannot with accuracy embody a plan in a working machine, or know exactly how strong, elastic, or conducting a rod, a wire, or a frame is. Measuring instruments will be sketched, their use delineated, and the results of precise measurement noted as an aid to the construction of modern mechanism, the interchangeability of its parts, the economy of materials and of energy in every branch of industry. Next will follow a chapter noting tasks which Nature has long accomplished, and which Art has still to perform, as in converting at ordinary temperatures within the human body fuel energy into work. Plainly, a broad field opens to future invention as it copies the function of plants and animals; functions to be first carefully observed, then explained and at last imitated with the least possible waste of effort.

The equipment and the talents for invention and discovery are now touched upon. First, knowledge, especially as the fruit of disinterested inquiry; Observation, as exercised by trained intelligence calling to its aid the best modern instruments; Experiment, as an educated passion for building on original lines. Then, in the mechanical field, we bestow a few glances at self-acting machines, at the simplicity of design which makes for economy not only in building, but in operation and maintenance. Either in designing a new machine, or in reaching a great truth, such as Universal Development, there is scope for Imagination upon[3] which we next pause for a moment. A succeeding chapter outlines how theories may be launched and tested, how analogy may yield a golden hint, the profit in rules that work both ways, or even in doing just the opposite of what has been done without question for ages past.

Copyright, 1906, by Park & Co., Brantford, Ontario, Canada

BELL HOMESTEAD, BRANTFORD, ONTARIO, CANADA.
Alexander Graham Bell and his Daughter in the Foreground.
Here the Telephone was Perfected in 1874.
Now the Home of the Bell Telephone Memorial Association.

From this brief consideration of method we now pass to a few men who have exemplified method on the loftiest plane; we come into the presence of Newton, the supreme generalizer, and observe his patience and conscientiousness, as remarkable as his resourcefulness in experiment, in mathematical analysis. Even greater in experiment, while lacking mathematical power, is Faraday, who next enlists our regard. This great man, more than any other investigator, laid the foundations of modern electrical science and art. Moreover he distinctly saw how matter might reveal itself in the ‘radiant’ condition now engaging the study of the foremost inquirers in physics.

Electricity has no instrument more useful in daily life, or in pure research, than the telephone. Now follows a narration by its creator, Professor Bell, of his photophone which transmits speech by a beam of light. This recital shows us how an inventor of the first rank proceeds from one attempt to another, until his toil is crowned with success. Next we hear the story of the Bessemer process from the lips of Sir Henry Bessemer himself, affording us an insight into the methods and characteristics of a mind ingenious, versatile and bold in the highest degree. An inventor of quite other type is next introduced,—Nobel, who gave dynamite to the quarryman and miner, smokeless powder to the gunner and sportsman. His unfaltering heart, beset as he was by constant peril, marks him a hero as brave as ever fought hazardous and dreary campaigns to a victorious close.

Many advances in mechanical and structural art have been won rather through a succession of attacks by one leader after another, than by a single decisive blow from a Watt or an Edison. A great band of inventors, improvers, adapters, have accomplished notable tasks with no record of such a feat as Bessemer with his converter, or Abbe with Jena glass. A brief chapter deals with some of the principal uses of compressed air, an agent of steadily increasing range. As useful, in a totally different sphere—that of[4] building material—is concrete, especially as reinforced with steel. A sketch of its applications is offered. Then follows the theme of using fuels with economy, of obtaining from them motive powers with the least possible loss. This field is to-day attracting inventors of eminent ability, with the prospect that soon motive powers will be much cheapened, with incidental abridgment of drudgery, a new expansion of cities into the country, and the production of light at perhaps as little as one-third its present cost. A page or two are next given to a few social aspects of invention, its new aid and comfort to craftsmen, farmers, householders comparatively poor. It will appear that forces working against the undue centralization of industry grow stronger every day.

A closing word gives the reader, especially the young reader, a hint or two in case he wishes to pursue paths of study the first steps of which are taken in this book.

In 1900 was published the author’s “Flame, Electricity and the Camera,” in which are treated some of the principal applications of heat, electricity and photography as exemplified at the time of writing. That volume may supplement the book now in the reader’s hands.


[5]

CHAPTER II
FORM

Form as important as substance . . . Why a joist is stiffer than a plank . . . The girder is developed from a joist . . . Railroad rails are girders of great efficiency as designed and tested by Mr. P. H. Dudley.

A lens of ice focussing a sunbeam.

One January morning in Canada I saw a striking experiment. The sun was shining from an unclouded sky, while in the shade a Fahrenheit thermometer stood at about twenty degrees below zero. A skilful friend of mine had moulded a cake of ice into a lens as large as a reading glass; tightly fastened in a wooden hoop it focussed in the open air a sunbeam so as to set fire to a sheet of paper, and char on a cedar shingle a series of zigzag lines. There, indeed, was proof of the importance of form. To have kept our hands in contact with the ice would have frozen them in a few minutes, but by virtue of its curved surfaces the ice so concentrated the solar beam as readily to kindle flame.[6] Clearly enough, however important properties may be, not less so are the forms into which matter may be fashioned and disposed. Let us consider a few leading principles by which designers have created forms that have economized their material, time and labor, and made their work both secure and lasting. We will begin with a glance at the rearing of shelter, an art which commenced with the putting together of boughs and loose stones, and to-day requires the utmost skill both of architects and engineers.

Strength and Rigidity.

Building in its modern development owes as much to improvement in form as to the use of stronger materials, brick instead of clay, iron and steel instead of wood. A stick as cut from a tree makes a capital tent-pole, and will serve just as well to sustain the roof of a cabin. For structures so low and light it is not worth while to change the shape of a stick. By way of contrast let us glance at an office building of twenty-five stories, or the main piers of the new Quebec Bridge rising 330 feet above their copings. To compass such heights stout steel is necessary, and it must be disposed in shapes more efficient than that of a cylinder, as we shall presently see.

In most cases strength depends upon form, in some cases strength has nothing whatever to do with form; if we cut an iron bar in two its cross-section of say one square inch may be round, oblong, or of other contour, while the effort required to work the dividing shears will in any case be the same. But shearing stresses, such as those here in play, are not so common or important as the tension which tugs the wires of Brooklyn Bridge, or the compression which comes upon a pillar beneath the dome of the national capitol. When we place a lintel over a door or a window, we are concerned that it shall not sag and let down the wall above it in ruin: we ensure safety from disaster by giving the lintel a suitable shape. When we build a bridge we wish its roadway to remain as level as possible while a load passes, so that no hills and hollows may waste tractive power: levelness is secured by a design which is rigid as well as strong. If a railroad has weak, yielding rails, a great deal of energy is uselessly exerted in bending the metal as the wheels pass by. A stiff rail,[7] giving way but little, avoids this waste. To create forms which in use will firmly keep their shape is accordingly one of the chief tasks of the engineer and the architect.

Rubber strip suspended plank-wise, and joist-wise.

Board doubled breadthwise through small semi-circle AB, then edgewise through large semi-circle CD.

Plank and Joist.

Forms of this kind, well exemplified in the steel columns and girders of to-day, have been arrived at by pursuing a path opened long ago by some shrewd observer. This man noticed that a plank laid flatwise bent much beneath a load, but that when the plank rested on its narrow edge, joist fashion, it curved much less, or hardly at all. Thus simply by changing the position of his plank he in effect altered its form with reference to the strain to be borne, securing a decided gain in rigidity. Let us repeat his experiment, using material much more yielding than wood. We take a piece of rubber eight inches long, one inch wide and one quarter of an inch thick. Placing it flatwise on supports close to its ends we find that its own weight causes a decided sag. We next place it edgewise, taking care to keep it perpendicular[8] throughout its length, when it sags very little. Why? Because now the rubber has to bend through an arc four times greater in radius than in the first experiment. Suppose we had a large board yielding enough to be bent double, we can see that there would be much more work in doubling it edgewise than flatwise. The rule for joists is that breadth for breadth their stiffness varies as the square of their depth, because the circle through which the bending takes place varies in area as the square of its radius. In our experiment with the rubber strip by increasing depth four-fold, we accordingly increased stiffness sixteen-fold; but the breadth of our rubber when laid as a joist is only one-fourth of its breadth taken flatwise, so we must divide four into sixteen and find that our net gain in stiffness is in this case four-fold.

Telegraph poles under compression. Wires under tension.

Girders.

Here let us for a moment dwell upon the two opposite ways in which strength may be brought into play, as either compression or tension is resisted. An example presenting both is a telegraph pole, with well-balanced burdens of wires. Its own weight and its load of wires, compress it, as we can prove by measuring the pole as[9] stretched upon the ground before being set in place, and then after it is erected and duly laden. Should this downward thrust be excessive, the pole would be crushed and broken down. The strung wires are not in compression, but in the contrary case of tension, and are therefore somewhat lengthened as they pass from one pole to the next. Now observe a mass first subjected to compression, and next to tension. In bearing a pound weight a rubber cylinder is compressed and protrudes; when the weight is suspended from this cylinder, the rubber is lengthened by tension. In each case the effect is vastly greater than with wood or steel, because rubber has so much less stiffness than they have.

Rubber
cylinder.

Flattened by
compression.

Lengthened
by tension.

Rubber
cylinder.

Flattened by
compression.

Lengthened
by tension.

Both tension and compression are exhibited in our little rubber joist, which illustrates the familiar wooden support beneath the floors of our houses. This form in giving rise to the girder has been changed for the better. Let us see how. As the rubber joist sags between its ends, we observe that its upper half is compressed, and its lower half extended, the two effects though small being quite measurable. As we approach the central line, A B, this compression and tension gradually fall to zero; it is clear that only the uppermost and undermost layers[10] fully call forth the strength of the material, the inner layers doing so little that they may be removed with hardly any loss. Hence if we take a common joist and cut away all but an upper and lower flange, leaving just web enough between to hold them firmly together, we will have the I-beam which among rectangular supports is strongest and stiffest, weight for weight. In producing it the engineer has bared within the joist the skeleton which confers rigidity, stripping off all useless and burdensome clothing. An I-beam made of rubber when laid flatwise over supports at its ends will sag much; when laid edgewise it will sag but little, clearly showing how due form and disposal confer stiffness on a structure.

Rubber joist in section, compressed along the top, extended along the bottom.

Girder cut from joist.

Rubber I-beam suspended flatwise, and edgewise.

Simple girder contours.

Girder contours simple and built up.

Girder forms in locomotive draw-bars.

Girders of steel are rolled and riveted together at the mills in a variety of contours, each best for a specific duty, as the skeleton of a floor, a column, or a part of a bridge. Their lengths, if desired,[11] may far exceed those possible to wood. Their principal simple forms are the I-beam; T, the tee; L, the angle; C, the channel; and the Z-bar. Of these the I-beam is oftenest used; its two parallel flanges are at the distance apart which practice approves, they are united by a web just stout enough not to be twisted or bent in sustaining its[12] burdens. Crank shafts of engines, to withstand severe strains, are built in girder fashion; so are the side-bars of locomotives and the braces of steel cars. Plates riveted together may serve as compound girders or columns of great strength and rigidity. In the New York subway the riveted steel columns which support the roof have a contour which enlarges at the extremities.

100,000 pound steel ore car built by the Standard Steel Car Co., Pittsburg, for the Duluth, Missabe & Northern R. R. Of structural steel throughout. Weight unloaded, 32,200 pounds.

Section of standard bulb angle column, New York Subway.

[13]

The Rail.

By all odds the most important girder is the rail in railroad service. Let us glance at phases of its development in America, as illustrating the importance of a right form to efficient service. At the outset of its operations, in 1830, the Mohawk & Hudson Railroad, now part of the New York Central & Hudson River Railroad, employed a rail which was a mere strap of iron two and one half inches wide, nine sixteenths of an inch thick, with upper corners rounded to a breadth of one and seven eighths inches; it was laid upon a pine stringer, or light joist, six inches square, and weighed about 14 pounds per yard. Thin as this rail was, its proportions were adequate to bearing a wheel-flange which protruded but half an inch or even less. Where the builders of that day sought rigidity and permanence was in the foundations laid beneath their stringers. Except upon embankments there were for each track two pits each two feet square, three feet from centre to centre, filled with broken stone upon which were placed stone blocks each of two cubic feet. On the heavy embankments cross-ties were laid; these were found to combine flexibility of superstructure with elasticity of roadbed, so that they were adopted throughout the remainder of the track construction and continue to this hour to be a standard feature of railroad building.

Cross Section

Top View

Strap rail and stringer, Mohawk & Hudson R. R., 1830.

It was soon observed that the surface of a track as it left the track-maker’s hands, underwent a depression more or less marked when a train passed over it. With a strap-iron rail this depression was so great that engines were limited to a weight of from three to six tons. Before long the strap form was succeeded by a rail somewhat resembling in section the rail of to-day. Year by year[14] the details of rolling rails were improved, so that sections weighing thirty-five to forty pounds to the yard came into service. These at length united a hard bearing surface for the wheel-treads, a guide for the wheel-flanges, and a girder to carry the wheel-loads and distribute them to the cross-ties. Thereupon the weights of engines and cars were increased, leading, in turn, to a constant demand for heavier rails. In 1865 a bearing surface was reached adequate for wheel-loads of 10,000 to 12,000 pounds, the rail weighing fifty-six to sixty pounds to the yard. But the metal was still only iron, and wore rapidly under its augmented burdens. Then was introduced the epoch-making Bessemer process and steel was rolled into rails four and one-half inches high, of fifty-six to sixty-five pounds to the yard, of ten to fifteen-fold the durability of iron. In design the early steel rails were limber so that they rapidly cut the cross-ties under their seats, pushing away the ballast beneath them. Because they lacked height they had but little stiffness, one result being that the spikes under the rails were constantly loosened, exaggerating the deflection due to passing trains. Throughout the lines every joint became low, and the rails took on permanent irregularities under the pounding of traffic, dealing harmful shocks to the rolling stock.

Dudley’s Track Indicator.

This was the state of affairs in 1880, when Mr. Plimmon H. Dudley invented his track-indicator. This apparatus, placed in a moving car, records by ever-flowing pens on paper every irregularity, however slight, in the track over which it passes. When railroad engineers first saw its records, they believed that the thing to do was to restore their roads to straightness by the labor of track-men. It was abundantly proved that the real remedy lay in using a rail of increased stiffness, that is, a rail higher and heavier. Mr. Dudley, in the light of records covering thousands of miles of running, added fifteen pounds to a rail which had weighed sixty-five pounds, and gave it a height of five inches instead of four and one half, while he broadened its upper surface. At a bound these changes increased the stiffness of the section sixty per cent., the gain being chiefly due to added height. Proof of this came when his improved rail was found to be much stiffer than that of the Metropolitan Railway, of London, which weighed[15] eighty-four pounds to the yard and had a base of six and three eighths inches, but a height of only four and one half inches. In July, 1884, the Dudley rail was laid in the Fourth Avenue viaduct, New York; so satisfactory did it prove that in less than two years five-inch rails were in service on three trunk lines. Then followed their introduction throughout America, their smoothness and stability as a track giving them acceptance far and wide.

Photograph by F. M. Somers, Cincinnati, O.

PLIMMON H. DUDLEY

of New York.

The performance of the Dudley rail so impressed Mr. William Buchanan, Superintendent of Motive Power for the New York Central Railroad that in 1889 he planned his famous passenger engine, No. 870, which entered upon active duty in April, 1890. It carried 40,000 pounds upon each of its two pairs of driving wheels, instead of 31,250, as did its heaviest predecessor; its truck bore a burden of 40,000 pounds more; its loaded tender weighed 80,000 pounds, making a total of 100 tons, an advance of forty per cent. beyond the weight of the heaviest preceding engine and tender. Mr. Buchanan’s forward stride has been worthily followed up. Since 1890, passenger locomotives have nearly doubled in the weight borne upon their axles, while tractive power has increased in the same degree. Through express and mail trains have more than doubled in weight, and their speeds have increased thirty to forty per cent. The tonnage of an average freight train has been augmented four to six-fold, with reduction of the crews necessary to keep a given amount of tonnage in motion. This economy is reflected in a reduction of rates which are now in America the lowest in the world, and which steadily fall. In capacity for business united with stability of roadbed, mainly due to stronger and stiffer rails and to adapted improvement in rolling stock, railroad progress in the past fifteen years is equal to that of the sixty years preceding. With rails increased to a weight of 100 pounds to the yard there is shown, even in passing over the joints, an astonishing degree of smoothness as contrasted with the jolting action of rails comparatively low and light. Stiffness of rail reduces the destructive action of service, originally enormous, upon both equipment and track, lowering in a marked degree the cost of maintenance. Size of rail as well as form plays a part in this economy. A passenger train weighing[16] 378 tons has required 820 horse power on 65-pound rails, and but 720 horse power on 80-pound rails, the speed in both cases being 55 miles an hour; it is estimated that with 105-pound rails 620 horse power would have sufficed. In freight service Dudley rails have reduced the resistances per ton from between 7 and 8 pounds to one half as much; a further reduction, to 3 pounds, is in prospect. In passenger service, with rails of unimproved type the resistance at 52 miles an hour is 12 pounds per ton; with Dudley rails this resistance for heavy trains is not augmented when the speed rises to 65 or 70 miles an hour. Dudley rails, and rails derived from their designs, are now in use on three fourths of all the trackage of American railroads, effecting a vast economy. Seventy-five years ago the DeWitt Clinton locomotive and tender weighed only five sixths as much as the main pair of driving wheels, boxes, axle, and connecting rods of the present Atlantic type of engine. That such an engine can haul a heavy train at seventy miles an hour largely depends upon the production of that simple and important element in railroading, its rail.[1]

[1] Mr. Dudley’s rails, and those of other designers, are fully illustrated and discussed in “Railway Track and Track Work,” by E. E. Russell Tratman. Second edition. New York, Engineering News Publishing Co.

Dudley rails.

[17]

Steel cross-ties and rails.—Carnegie Steel Co., Pittsburg.

In Ninth Street, Pittsburg, the rails of the traction line are for some distance carried on steel ties similar in form, as here shown.


[18]

CHAPTER III
FORM—Continued. BRIDGES

Roofs and small bridges may be built much alike . . . The queen-post truss, adapted for bridges in the sixteenth century, was neglected for two hundred years and more . . . A truss bridge replaces the Victoria Tubular Bridge . . . Cantilever spans at Niagara and Quebec . . . Suspension bridges at New York . . . The bowstring design is an arch disguised . . . Why bridges are built with a slight upward curve . . . How bridges are fastened together in America and England.

King-post truss. AK, king-post.

Roofs and Bridges Much Alike.

Rails are girders used by themselves: girders are often combined in trusses; of these much the largest and most important are employed for bridges. There is now under construction near Quebec a cantilever bridge whose channel span of 1,800 feet will be the longest in the world. See page 29. It will take us a little while to understand how so bold a flight as this was ever dared. We will begin with a glance at a truss of the simplest sort, such as we may find beneath the roof of an old-fashioned barn. A pair of rafters, AB and AC, are inclined to each other at an obtuse angle, and are fastened to the horizontal beam, BC, at B and C. Their apex, A, is joined to BC by the king-post, AK, which binds the three strongly and firmly. This whole structure makes up a triangle, and so does each of its halves, ABK and AKC. No other shape built of straight pieces will keep its form under strain. Take in proof say four pieces of lath and unite them with a freely turning pin at each corner to make the frame, ABCD; it is easily distorted by a slight pull or[19] push; but insert cross-pieces, AC and BD so as to divide the square into triangles, and at once the frame resists any strain not severe enough to break the wood or crush its fastenings. As the roof presses down the frame ABC, its sides, AB and AC, tend to slide away at their lower ends, B and C, but this is prevented by the horizontal beam, BC, which while it holds them in place is itself so stretched as to be held level and straight. This calling into play of tension constitutes the chief merit of the truss, and enables it in roofs and bridges to span breadths impossible to simple beams bending downward under compressive strains. Not only in houses, but in ships, the truss has great value; it was introduced in this field by Robert Seppings of Chatham, in England, about 1810. To resist the pressure of grinding ice, the “Roosevelt” is built with trusses of great strength. She sailed in 1905, under Commander Peary, for a voyage of Arctic discovery.

Frames of four sides. For rigidity diagonals are needed, AC, BD.

Were our barn roof flat instead of sloping to form a truss, its supporting timbers, under compression, would have a decided sag from which BC is free. When we fashion a small model of a king-post truss, its sides, AB and AC, must be of metal or wood because they will be in compression; the king-post, AK, and the base, BC, which will be under tension, may be of rubber or cord. Always as in this case the parts of a truss exposed to compression must be of rigid material. When a part may be of cord, rope or wire, we know that it is resisting tension.[2]

[2] A model easily put together illustrates the truss in its simplest form. Take a pair of wooden compasses, each half of which is 15 inches long, such as are sold for blackboard use by the Milton Bradley Co., Springfield, Mass., at 50 cents. At each tip fasten, by the ring provided with the compasses, a chair castor such as may be had at any hardware store. Join the tips of the castors by a rubber strip. Holding the compasses upright, and applying pressure from the hand, they will extend until the rubber will be so stretched as to become almost perfectly horizontal. Various weights may in succession be suspended from the compass-joint, replacing manual pressure, and serving to measure the exerted tensions.

[20]

Cross-section of the “Roosevelt,” Commodore Peary’s new Arctic ship. Reproduced by permission from the Scientific American, New York.

Pair of compasses stretch a rubber strip.

Wrought iron exerts about as much resistance to compression as to tension; so does steel. For this reason, and on account of their great strength, they have immense value in building. Cast[21] iron can bear only about one sixth as much tension as compression, so that it is useful as foundations, for the bed-plates of engines and machinery and the like, but is unsuitable for girders. Wood is much stronger under tension than compression; in white pine this proportion is as eight to one. In designing timber bridges the strains are, therefore, as far as possible, arranged for tension.

Queen-post truss.
DE, HO, queen-posts.

Upper part of a roof truss.
Interborough Power House, New York.

Let us now enter another barn, about one half wider than the first, and look upward at its rafters. We see its roof sustained by timbers disposed as DCMH, to avoid the undue weight necessary for a design resembling that of our first roof, ABC. Instead of one upright post, AK, as in that case, we have now two, DE and HO, called queen-posts, sustaining the horizontal beam, CM. In large modern roofs the simple queen-post is modified and multiplied, as in the main power house of the Interborough Rapid Transit Company, West 59th St., New York. Returning to our simple queen-post design, let us imagine a creek flowing between walls spanned by DCMH; that truss and a mate to it, parallel at a distance of say ten feet, would easily carry a roadway and give us a bridge. A truss for a bridge[22] must be much stronger than for a roof of equal span, because a bridge has to bear moving loads which may come upon it suddenly, giving rise not only to serious strains but to severe vibrations, all varying from moment to moment.

Two queen-post trusses form a bridge.

Palladio trusses.

Palladio’s Long Neglected Truss.

The queen-post truss was remarkably developed by Palladio, a famous Italian architect of the sixteenth century. Two of his designs, here given in outline, are from his work on architecture published in 1570; their contours, little changed, are in vogue to-day. Strangely enough the trusses of Palladio, for all their merit, passed out of notice until their principles were revived and improved by[23] Theodore Burr, in 1804, in a wooden bridge over the Hudson at Waterford, New York. This bridge had spans respectively of 154, 160 and 180 feet, stretches impossible to single wooden beams. Professor J. B. Johnson, an eminent engineer, says that this is the most scientific design ever invented for an all-wooden bridge; during fifty years it stood unrivaled as a model for highway purposes in this country. The Burr bridges were usually covered in, so as to resemble the roofs we began by inspecting. In a truss bridge each part bounded by two adjacent uprights, as DOEH in the queen-post figure on page 21, is a panel; every part under compression, as DO, HE, is a strut, post, or column; every part subject to tension as DE, HO, is a tie.

Burr Bridge, Waterford, N. Y.
DO, HE, struts. DE, HO, ties. DHEO, panel.

In 1830 as the first American railroad train sped on its way, a new era dawned for the bridge builder as well as for his neighbors. At once sprang up a demand for bridges longer and stronger than those which in the past had served well enough. A score of wagons laden with wheat or potatoes were a good deal lighter than a locomotive followed by a train of loaded freight cars. A market-wagon, too, could easily be taken aboard a ferry-boat, but for an engine and its cars a bridge was imperative, if the stream were not so wide as to forbid all opportunity to the bridge builder. His response to the demands of the railroad was two-fold. First in the use of metal instead of wood, beginning with iron rods to bind together frames of timber. As iron became cheaper and its value more and more evident, he employed it for additional parts of his structure until at last he built the whole bridge of iron.

To-day good steel is so cheap that railroad bridges are seldom reared of anything else. Besides using stronger materials, the[24] designer has gradually improved the form of his structure, not only in its parts but as a whole, so that to-day, strength for strength, a bridge may be only one tenth as heavy as a bridge of fifty years ago. Advances in form have been due to experience as one type has been compared with another; meanwhile the mathematicians have carried their analysis of strains as far as the extreme complexity of their problems will allow, greatly to the betterment of designs.

In building a bridge, as in rearing many other structures, girders of various contours are used. In bridge building the I-beam is most employed. When the roadway proceeds on the top chord, as DH, in the queen-post figure, page 21, we have a deck bridge; when it is built on the bottom chord, as CM, we have a through bridge.

HOWE TRUSS

PRATT TRUSS

The Burr Bridge Simplified by Howe and Pratt.

The Burr bridge of 1804, already mentioned, included an arch and was in part sustained by struts projecting from abutments. These features were omitted by William Howe in the bridge which he patented in 1840, and which was, as far as is known, the first successor to a design of Palladio in employing a simple truss for long spans. The Howe truss was built of wood, except its terminal tie-rods, which were of iron; it has been repeated thousands of times throughout the[25] world. In 1844 Thomas W. and Caleb Pratt patented a bridge which in design was the converse of Howe’s. Its diagonals of iron were used in tension, while its vertical struts of timber were in compression; in the Howe pattern the diagonals were in compression, the verticals in tension. This plan, by shortening the struts, diminished the cross-section necessary in a truss. When wrought iron took the place of wood for bridges, the Pratt design became the most popular of all, combining as it did more desirable features than any of its rivals. To-day for long spans the Baltimore truss is much in favor. Its stresses, that is, its resistances to change of form under strain, are readily ascertained; the shortness of its panels means strength; and its diagonals have the inclination which wide and varied experience has shown most desirable. The roadway, it will be observed, is upheld by sub-verticals, that is, by verticals which reach the floor from half the height of a panel.

Diagram of Baltimore truss.

Whipple Bridge.

An important study concerns itself with the intensity and distribution of strains, first in girders, next in trusses, and lastly, in bridges as units, all with intent to ensure the best possible designs throughout. In this field of inquiry the pioneer was Squire Whipple, a maker of mathematical instruments in Utica, N. Y., who published in 1847 his analysis of the strains in a truss bridge due to its own weight and to its moving loads. With the laws of these strains in mind he devised several bridges of great merit,[26] the most noteworthy being reared in 1852 on the Rensselaer & Saratoga Railroad, seven miles north of Troy, which did service until 1883; its sides or web system had ties extended across two panels in double intersection.

In a long truss bridge, which in its entirety may be regarded as a girder of the utmost size, the cross pieces between the main beams of the structure are much less heavy than if continuous plates, of no more strength. The original form of the Victoria Bridge at Montreal was that of a continuous tube of iron, square in section; it has given place to a truss bridge of five times greater capacity which weighs only twice as much. (Illustrations of both on pages 27 and 28.)

Thus to lessen weight in comparison with strength is a matter of great importance in a suspended structure, which must not only bear its own weight, but carry heavy moving loads.

Simple cantilevers.
FG, HI, are first separate; then in contact; last are joined by a plank laid above them.

VICTORIA BRIDGE, MONTREAL.
Original tubular form designed by Robert Stephenson.

VICTORIA BRIDGE, MONTREAL,
Rebuilt with trusses.

CANTILEVER BRIDGE ACROSS THE ST. LAWRENCE, NEAR QUEBEC.
Total length, CF, 3300 feet. Channel span, DE, 1800 feet. Central truss, AB, 675 feet.

Advantages of the Cantilever, Arch, and Bowstring Designs.

In most cases a bridge crosses a valley or a river in a place which permits the engineer to erect scaffolding to support his trusses until they can be united and become self-sustaining. In some places this course is denied; a river such as the Ohio or the Mississippi may have to be spanned at a point where the[27-
30]



waters in a single day may rise forty feet, bearing along trees and timbers with destructive violence. As a rule the difficulty is met by employing cantilever spans which require no scaffolding for their construction. To understand their principle let us suppose that on opposite banks of a creek we roll out to meet each other the joists FG and HI, taking care that the parts over the water shall always be lighter than the parts on land. When the joists at last touch they are secured to each other as a continuous roadway. Or, while they are at a moderate distance apart they may be joined by a third timber laid across the gap from one to the other. In practice the simple principle thus illustrated is developed and varied in many ways, but in every application the one rule is that the trusses as they stretch out from the two sides of a pier shall balance each other, the shore ends being duly weighted down or safely anchored to solid rock. And thus, at length, we come to the wonderful bridge, six miles west of Quebec, whose channel span of 1,800 feet will be the longest ever reared. See illustration, page 29. From the cantilever arms, DA and BE, will be suspended the central truss, AB, of 675 feet. A cantilever span may be much longer than a simple truss because on a pier, as D of this bridge, a part, DA, of the whole span, DE, is balanced either, as in this case, by a shore span, CD, or by a corresponding part of the next[31] span should that span not extend to the shore but pass from one pier to another.

Kentucky river cantilever bridge

The first cantilever bridge in America was designed by C. Shaler Smith for the Cincinnati Southern Railroad, to cross the Kentucky River; it was built in 1876-7.

Arch bridge, Niagara Falls

Spanning the gorge of Niagara, close to the Falls, is an arch bridge of 840 feet in its central span, which, in its construction during 1898, followed the plan originated by James B. Eads in building the St. Louis bridge nearly thirty years before. As scaffolding was out of the question in both cases, each bridge was built out from its piers on the cantilever principle. An arch is sometimes disguised as a modified bowstring, as in the Burr design of 1804, a horizontal tie connecting the extremities of the arched rib and taking its thrust, dispensing with the abutments demanded by an arch. In the chords of such a pattern the strength comes as near to uniformity throughout as practical considerations permit, avoiding the losses of early days when one part of a bridge might be twice as strong as another. The bowstring was adopted for the great span of 54212 feet over the Ohio at Cincinnati built in 1888, and for the span of 54612 feet erected at Louisville in 1893. A bowstring 533 feet long, forming part of the Delaware river bridge of the Pennsylvania Railroad, built in 1896, in Philadelphia, is outlined on page 32. At Bonn, on the Rhine, there was completed in 1904 a bridge whose central span is a bowstring 61614 feet long.

[32]

Bowstring Bridge, Pennsylvania R. R., Philadelphia.

Suspension Bridges and Continuous Girders.

If we take the design of an arch bridge and turn it upside down we have a contour such as that of the Williamsburg Suspension Bridge, opened in 1903 between Brooklyn and Manhattan, depicted on page 33. For the utmost length this is the only available span; it brings into play the tensile strength of wire, the strongest form that steel can take. A steel cable of suitable diameter, if it had to support only itself, might safely be three miles long. A suspension bridge has another advantage in employing an anchorage to bear strains which would break down a simple truss resting on piers. As first erected suspension bridges were liable to extreme and harmful vibration, in many cases being shaken to pieces by storms of no great violence. It was found that this vibration was checked and that safety was ensured by introducing stiffening trusses which, at the same time, benefited the bridge by distributing the load uniformly throughout the sustaining cables.

WILLIAMSBURG BRIDGE, NEW YORK CITY.

At Lachine, about eight miles west of Montreal, on the line of the Canadian Pacific Railroad, a remarkable bridge crosses the St. Lawrence river. Its design is that of a continuous girder of four spans, the two side spans being 269 feet each in length, and the two others each 408 feet. This type is discussed by Mr. Mansfield Merriman and Mr. Henry S. Jacoby in Part IV, page 30, of their work on Roofs and Bridges. One of the advantages presented is that deflection under live load is less, and stiffness greater than for simple, discontinuous girders, the harmful effect of oscillation being thus diminished. Furthermore, less material is required than for simple, discontinuous spans. Both these[33-
34]

elements of gain are brought out in placing a strip of rubber, AD, upon four equidistant points of support, when we find that BC, the central third of the strip sags less than either AB or CD, the first or last third. Cutting off one-third of the whole strip we deprive the removed piece, at its surface of separation, of the cohesion which did much to keep the whole strip, before cutting, almost horizontal at that point. We take AB, our short removed piece of rubber, and lay it at its ends on two points of support; it now serves in a rough-and-ready way as a model of a simple truss, all by itself; its decided sag shows it much less rigid than when it formed a part of an unbroken and longer structure. Continuous girders despite their advantages are seldom employed; they are liable to serious difficulties; among these may be mentioned that changes, often unavoidable, of level in piers[35] and abutments cause them to suffer great reversals of stress, always a source of danger; furthermore, variations of length due to changes of temperature are, of course, much greater and more troublesome to provide against than in the case of discontinuous girders.

Continuous girder bridge, Canadian Pacific R. R., Lachine, near Montreal.

Rubber strip supported at 4 points, and at 2 points.

Plate girder bridge.

Best Proportions for Spans: A Slight Upward Curve is Gainful. Pins or Rivets in Fastening.

Whether spans are long or short, engineers are fairly well agreed as to the best proportions for girders and panels. They consider that a girder should have about one-twelfth to one-tenth as much depth as span; and that the weight of a web should be about equal to that of its flanges. They usually give panels twice as much depth as length, with a tendency to increase the proportion of depth to length, in order to minimize the deflections and oscillations which shorten the life of a structure. For definite lengths of span, particular types of construction are preferred; usually for lengths of from 20 to 125 feet, plate girders are chosen; for spans of 125 to 150 feet riveted lattice trusses are built; for spans of 150 to 600 feet pin-connected trusses are employed. Here we reach the economical limit of a length for simple trusses; beyond 600 feet the engineer is obliged to have recourse either to a cantilever or a suspension bridge.

[36]

Part of lattice girder bridge, showing rivets.

Whatever the breadth of the stream or the chasm over which he is to build a roadway, each case must be studied in the light of its special circumstances. There must be due regard to business as well as to engineering considerations; the designer will bear in mind that types of parts customarily turned out at great steel works are procurable in less time, and at less cost, than novel types requiring to be manufactured to order. Then, in speed of construction, he will remember that a pin-connected bridge can be built much faster than a riveted structure. Furthermore, every part must be vastly stronger than ordinary duty requires. Tempests and floods may suddenly arise; at any instant a derailment or a collision may create a strain of the utmost severity; and even under ordinary circumstances it must not be forgotten that train loads grow constantly heavier because economy lies that way.

Upper shelf, unladen, has upward curve or camber.
Lower similar shelf is straightened by its load.

[37]

One detail of bridge design is worth a moment’s attention. When a book-shelf is a thin board, quite straight as manufactured, it sags in the middle when fully burdened. This downward dip may be avoided by making the shelf at first with a slight curve which brings the middle a little higher than the ends. In bridge building a like curve, or camber, is given to each span so that when fully loaded it will be level or nearly so. In a span of 500 feet it is found that a rise of half a foot at the centre is sufficient. In suspension bridges, for the sake of strengthening the structure, the camber far exceeds this ratio.

Pin connecting parts of a bridge.

In fastening together the parts of a bridge the usual American practice, already mentioned, is to employ pins which pass through eye bars. In England riveting is preferred, as shown in the figure of the lattice truss, page 36. This difference in methods arose through the use of materials which differed. In the construction of bridges the English engineer started with the flanged girder of cast or rolled iron, or some other form of stiff beam, and as bridges increased in size so as to require the framing of a truss, his whole effort was directed toward making that truss as much like the original flanged or box girder as possible. The American engineer, on the other hand, had at first little or no iron or steel to work with, and of necessity used wood. As the necessary bridges were of considerable span, the only feasible method was to pin together small pieces of wood so as to form a connected series of triangles. To make rigid joints in wood was impracticable, and indeed rigid joints were not desired, because the strength of wood is slight when strains are applied in any direction other than that of the fibres of the piece, and the pin joint insures just this line of action. As a rule a riveted bridge requires more metal than a pin-connected[38] design, takes more time to build, but demands somewhat less skill. To provide for changes in length as a bridge is subjected to variations of temperature, friction rollers are used to support its extremities. In the first suspension bridge at Niagara Falls, built by Roebling, a little cement accidentally covered the friction rollers and prevented them from turning; fortunately the structure escaped the destruction to which it was thus exposed.

Bridge rollers in section and plan.
New York, Pennsylvania & Ohio R. R.

We have now taken a rapid survey of some of the methods by which the designer of bridges plans a structure which is at once safe and to the utmost extent economical of material. Step by step he has discovered how little steel he may use for designs all the bolder because his hand is so sparing of weight. His success began in adopting the girder, which we have seen to be in effect the working skeleton long concealed within the common joist; the cantilever span near Quebec, which compasses 1,800 feet in its flight, has been dissected out of preceding burden bearers in the same way. Its metal stands forth as so much sheer muscle kept to the most telling lines, unencumbered by a single pound of idle substance. A designer of such a fabric is an artist skilled in disengaging from masses of material every ounce that can be wisely removed. In some cases, as when Roebling linked together New York and Brooklyn, a bridge is created as much a thing of beauty as of use, as graceful as it is strong.[3]

[3] Mr. David A. Molitor has a chapter, copiously illustrated, on the esthetic design of bridges, beginning page 11 in the “Theory and Practice of Modern Framed Structures,” by Mr. J. B. Johnson and other authors, New York, John Wiley & Sons. Eighth edition, revised and enlarged. $10.00.


[39]

CHAPTER IV
FORM—Continued. WEIGHT AND FRICTION DIMINISHED.

Why supports are made hollow . . . Advantages of the arch in buildings, bridges and dams . . . Tubes in manifold new services . . . Wheels more important than ever . . . Angles give way to curves.

Having glanced at methods by which forms, judiciously chosen, economize the materials of buildings and rails, of bridges diverse in type, we pass to further consideration of these and like shapes, to find that they effect a saving in material while they make feasible a new boldness of plan, and introduce new elements of beauty. We will also remark that judicious forms prevent waste of energy as structures are either set in motion, or serve to convey moving bodies. Incidentally we shall see that well chosen shapes insure a structure against undue hurt and harm.

Square

Octagonal

16-Sided

Round

Girder sections.

Hollow Columns and Tubes.

In lofty structures, the box girder is frequently employed as a column or a beam because it has even greater rigidity than the I-beam; usually it has four sides, but it may have eight, sixteen, or more, and thus step by step we come to a hollow cylindrical column which has, indeed, the best form that can be bestowed on supporting material. Chinese builders learned its economy on the distant day when they adopted the bamboo for their walls and[40] roofs. Comparison with a solid stick of timber of like weight and substance will show that an equal length of bamboo is decidedly preferable. The inner half of a round solid stick does comparatively little in holding up a burden; to remove that half is therefore as gainful as to strip from a joist the timber surrounding its working skeleton. At first the journals or axles of engines and large machines, as well as the axles of railroad cars and the shafts of steamships were solid; to-day, in a proportion which steadily increases, they are hollow. The advantage of this form comes out when we take two cylinders of rubber, alike in length and weight, one solid, the other hollow. Supporting both at their ends, the hollow form sags less than the solid form, proving itself to be the more rigid of the two.

Solid rubber cylinder sags much.
Hollow rubber cylinder sags less.

Handle-bar of bicycle in steel-tubing.

A sulky in steel tubing.

A pneumatic hammer, steel tubing.

Fishing-rod in steel tubing.

Bridge of steel pipe.

With like advantage seamless tubing is adopted for a broad variety of purposes. It builds bicycles and sulkies which far out-speed vehicles of solid frames; it is worked up into elevator cages, mangle rolls, pneumatic tools, fishing-rods, magazine-rifle tubes, inking rollers, farm machinery, poles, masts and much else where strength and lightness are to be united. Steel[41] tubing is readily bent into any needed contour, even when of considerable diameter. Mr. Egbert P. Watson has pointed out its availability for highway bridges of about forty feet span, no professional bridge-builders being needed for their construction. Near Saxonville, Massachusetts, a pipe-arch bridge, eighty feet long, provides a roadway across the Sudbury River, while carrying within its pipe a stream which forms part of the Boston water system. A bridge of similar form, 200 feet long, spans Rock Creek in the City of Washington. The Eads bridge crossing the Mississippi, at St. Louis, employs for each span eight steel tubes of nine inches exterior diameter. Tubes large and small have been strengthened by adopting the model of an old-fashioned fire-lighter, or spill, a bit of paper rolled spirally as a hollow tube. Blow sharply into it and you but tighten its joints. In like manner tubes and pipes of metal are all the tighter when their seams[42] are spiral instead of longitudinal. An eager quest for combined strength and lightness in the bicycle has ended in the choice of tubes spirally welded.

Arch bridge of steel pipe,
Sudbury River, near Saxondale, Mass.

Spiral fire-lighter.

Spiral weld steel tube.

Arches.

When builders of old began to rear masonry they repeated in stone or brick the forms they had constructed in wood. Accordingly the lintels of their doors and windows were flat. It was a remarkable step in advance when the arch was invented, probably by a bricklayer, spanning widths impossible to horizontal structures. A flat course of stone or brick presses downward only; an arch presses sidewise as well as downward. It is this sidewise thrust, calling into play a new resource, that gives the arch its structural advantage. In modern masonry the boldest arch is that of the bridge at Plauen, Germany, with its span of 29514 feet. Of[43] pointed arches the chief sustain the walls of Gothic cathedrals; it was to counteract the outward thrust of these arches that external buttresses were reared, either solid, as at St. Remy in Rheims, or flying, as at Notre Dame in Paris. The Saracenic arch, offering more than half of a circle, is not so strong as the Roman arch, but it has a grace of its own, fully revealed in the Alhambra, and in the incomparable mosque at Cordova. A chain of small links, a watch-chain, for example, freely hanging between two points of support strikes out a catenary curve; this Galileo suggested as the outline for an arch in equilibrium; it is adopted for suspension bridges.

Longest stone arch in the world, Plauen, Germany.

Church of St. Remy, Rheims, France.
Section across buttressed choir.

Curve of suspended chain.

Dam across Bear Valley, San Bernardino County, California.

“The arch,” says Mr. William P. P. Longfellow in “The Column and the Arch,” “was the great constructive factor in the architecture of the Roman Empire; it added enormously to the builder’s resources in planning, and to his means of architectural effect.[44] It gave him the means of spanning wide openings, and when expanded into the vault, of covering great spaces; it habituated him to curved lines and surfaces. Helped by it, and spurred by the new wants of the complex Roman civilization, he enlarged the scale of his buildings and greatly increased the intricacy of their plans. He used his new combinations with a boldness and fertility of invention that have been the wonder of the world from that age to ours, constructing on a scale that dwarfed[45] everything that had gone before except the colossal buildings of Egypt. Under a new stimulus, and with new means of effect, Roman building greatly outstripped that of the Greeks in extent, in variety, and magnificence.”

An arch built on its side, with its convexity upstream, and its ends braced against rocky banks, serves admirably as a dam. It has in many cases withstood floods much higher than those expected by its designers. Such dams must not be too long, or what is saved in thickness is more than lost in length. Arches inverted are used in many places as gulleys for drainage. Near Bristol, in England, they anchor the cables of the Clifton Suspension Bridge, at a depth of eighty-two feet below the surface of the ground. Many tunnels finished in masonry have outlines which are two arches united, the lower arch being inverted. The Cloaca Maxima, the famous sewer at Rome, is of this pattern; it is twenty-six feet high, sixteen feet broad, and is now in its twenty-fifth century of service.

Ferguson locking-bar pipe. East Jersey Pipe Co,. Paterson, N. J.

Circles and Other Curves.

From arches, built of parts of circles, let us pass to the circle itself, and glance at the use of tubes of circular section as we begin to consider how resistances to motion may be minimized. The use of the bamboo not only for building, but for the carriage of water, began in the remote past. As structural material it was light and strong as we have noticed; laid upon the ground it was a ready-made water pipe of excellent form. When trees were hollowed out to convey water, when clay was modeled into tubes, the hollow cylindrical shape of the bamboo was in the mind of the Asiatic artisan, to be faithfully copied. That form has descended to all modern piping for water, steam, and gas, because the best that a pipe can take. No other shape has, proportionately to capacity, so little surface for friction inside or rust outside. A locking-bar water pipe, devised by Mephan Ferguson, of Perth, Australia, is made of two plates of equal width, curved into semi-circles which are pressed at their ends into channel bars of[46] soft steel. As the locking-bars and joints are opposite each other, their joints can be tightly closed by a simple machine which exerts pressure in a straight line. This construction may be used not only for pipes, but for hydraulic cylinders, air receivers, mud and steam drums, tubular boilers and boiler shells where high pressures are to be withstood.

A steam boiler or other vessel under severe internal strains had best be spherical if equality to resistance is particularly desired. Usually a cylindrical shape is much more convenient, and no other is given to simple steam boilers or to the tubes of water-tube or fire-tube boilers. Tubes comparatively narrow, are readily manufactured without seam, so that they may be quite safe though thin; large boilers of plates riveted together, must be built of thick metal. It was estimated by Mr. F. Reuleaux, the eminent engineer, that if such boilers could be made in one continuous piece of metal by the Mannesmann process, so successful in tube-making, an economy in weight of at least one third would be feasible.

Hand-hole plates.
Erie City water-tube boiler.

In water-tube boilers a gainful departure from the circular form in a detail of their design is worthy of notice. In order that their tubes may be kept sound and clean they are rendered accessible by hand-holes which pierce the front and back of the boiler. Usually these hand-holes and their covers are round, a form which makes it necessary to put the cover outside the boiler where even a good joint, well stayed, may leak or give way under a pressure which tends to force apart the cover and its seat. In the Erie City boiler the covers are elliptical; they are readily passed through the hand-holes so as to rest not on the outside, but on the inside, of the boiler, where the steam pressure makes their joints all the tighter. A further advantage is[47] that each elliptical plate is large enough to give access to two tubes instead of one, lessening the lines of juncture along which leakage may occur.

Wheels.

It was a memorable day when first a round log or stick was thrust under a burden, easing its motion and leading to the wheel by piecemeal improvements. A section cut off from the end of a round log is to-day the wheel for ox-carts in China and India. In its crudest form a roller enables a man to drag a load instead of carrying it, and he can readily drag much more than he can carry. Wheelwrights of old soon found that a wheel need not be solid, that strong spokes, a sound rim, and a metal tire embody the utmost strength and lightness. Roller and ball bearings much extend the benefits of simple wheels; they lessen friction in the best typewriters, bicycles, and elevators; in wagons, carriages, and automobiles roller bearings are so helpful that their use should be universal. Of notable efficiency is the Hyatt bearing, formed by winding a steel strip into a spiral roller. This device has a flexibility which enables it to conform to irregularities of motion much better than can a solid cylinder.

Bullock cart with solid wheels.

For machinery the wheel is indispensable. The hand does its work chiefly in moving to and fro, as in sawing and whittling. Machines outdo manual toil by moving swiftly and continuously[48] in a circle: instead of the smoothing iron we have the mangle, boards are planed by rotary knives, timber is divided by circular saws, and the steam turbine is displacing the steam engine which every moment has to check the momentum of huge reciprocating masses. Noteworthy in this regard is the perfecting press which prints a newspaper from a continuous roll, as contrasted with the old machine which demanded for each impression a distinct series of to and fro movements. The Harris Rotary Press for job printing is of like model. It feeds itself with 6,500 sheets an hour, printing from a stereotype or an electrotype curved upon its cylinder. The lathe, simple enough a century ago, has been developed into machines of great complexity, power, and variety, all with the original rotary mandrel as their essential feature. Milling machines, steadily gaining more and more importance, employ rotary cutters which dispense with the manual chipping and filing of former days.

Section—A B
Ball thrust collar bearing.
Ball Bearing Co., Philadelphia.

Rigid bearings for driving axles of automobiles.
Ball Bearing Co., Philadelphia.

Hyatt helical roller bearing.

Hyatt rollers supporting an axle.

Treads and risers joined by curves.

Angles Replaced by Curves.

Wood as commonly hewn, sawn, and planed; bricks as usually[49] molded; stone as it leaves an ordinary hammer, all have flat sides and square edges. Hence it has been easiest to build walls and floors which meet at right angles, and to leave sharp corners on outer walls, windows, doorways, and chimneys. This is being changed for the better; in staircases the boards on which we tread and those which join them together now meet in smooth curves; so do the walls of rooms as they reach ceilings and floors, conducing to ease and thoroughness in sweeping and cleansing. In outer walls, in doorways and windows, similar curves reduce liability[50] to hurt and harm. A wagon wheel easily knocks pieces from an angle of brickwork; it makes little impression on bricks retiring from the street line in a sweeping curve, as in the Madison Square Garden, New York. Factory chimneys have long been built round instead of square; to-day in the best designs the ducts to a chimney are also freely curved. In blast furnaces this is the rule for every part of the structure, ensuring gain in strength, lessening resistance to the flow of gases, and thus saving much fuel. When waterpipes varying in diameter are joined, the junction should be a gradual curve, otherwise retarding eddies will arise, wasting a good deal of energy; the same precaution is advisable in laying pipes for steam or gas. The elbows of pipes for gas, steam or water exert the least possible friction when given the utmost feasible radius. All the various parts of heavy guns are curved, since any sharpness of angle at a joint brings in a hazard of rupture under the tremendous strains of explosion.

Corner Madison Square Garden,
Madison Avenue and 26th Street,
New York.

Two pipes with funnel-shaped junction.

Embossing and stamping machines may either decorate a sheet of note paper or make a tub from a plate of steel. Whatever their size these machines have the edges of their dies nicely rounded, so as to avoid tearing the material they fashion. To ensure the utmost strength in the machines themselves they are contoured in ample curves. In hydraulic presses, subjected to strains vastly greater, the same shaping is imperative, otherwise a cylinder may part abruptly with disastrous effect. So, too, in the manufacture of magnets and electro-magnets, their terminals are well rounded[51] to ensure the closest possible approach to uniformity of field and of working effect.

A glance at a warship discovers her varied use of curves in defence; to deflect assailing shot and shell, her plates are given bulging lines, her turrets are built in spherical contours, and her casemates are convex throughout. On much the same principle fortifications are rendered bomb-proof, or rather bomb-shedding; while outworks are so inclined that bombs fall to distances at which they do little or no harm. As in war so in peace; there is gain in building breakwaters with an easy curve; to give their masonry and timbers a perpendicular face would be to invite damage, whereas a flowing contour like that of a shelving beach, slows down an advancing breaker and checks its shock. In rearing lighthouses to bear the brunt of ocean storms the outline of a breakwater is repeated to the utmost degree feasible. Often, however, the base supporting a lighthouse is too small in area for such an outline to be possible.


[52]

CHAPTER V
FORM—Continued. SHIPS

Ships have their resistances separately studied . . . This leads to improvements of form either for speed or for carrying capacity . . . Experiments with models in basins . . . The Viking ship, a thousand years old, of admirable design . . . Clipper ships and modern steamers. Judgment in design.

Forms of Ships Adapted to Special Resistances.

In giving form to a ship a designer has a three-fold aim,—strength, carrying capacity and speed. Strength is a matter of interior build as much as of external walls; it is conferred by girders, stays and stiffeners which we have already considered, so that we may here pass to the general form of the hull, which decides how much freight a ship may carry, and, to a certain extent, how fast she may run. A ship is the supreme example of form adapted to minimize resistance to motion; its lesson in that regard will be the chief theme of this chapter. Until the close of the eighteenth century the resistance to the progress of a ship was regarded as a single, uncompounded element, plainly enough varying with the vessel’s speed and size. It was Marc Beaufoy, who first in 1793 in London, pointed out that a ship’s resistance has two distinct components; first, friction of the shell or skin with the water through which the vessel moves, dependent upon the area of that skin; second, resistance due to the formation of waves as the ship advances, dependent upon the speed of the vessel and the shape of her hull. Other resistances have since been detected, but these two are much the most important of all; each varies independently of the other as one ship differs from another in form, or as in the same ship one speed is compared with another. To take a simple case: a ship’s model of a certain form, of perfectly clean skin, is towed at various speeds and the pull of the tow-line is noted; then the same model with its skin roughened[53] and covered with marine growths is towed at the same speeds, and much greater pulls are observed in the tow-line. The wetted surface is the same in the two series of experiments, the speeds correspond throughout, and the increase of resistance due to a roughening of surface can only mean that the friction between the water and the submerged skin has increased. Next we take a model of certain form and definite size, and a second model having the same area of wetted surface but a different form; we tow both models at the same speed to find that one requires a decidedly stronger pull than the other. This difference cannot be due to frictional resistance of surface, for this is the same in both models, therefore it must be due to the increased resistance offered by the water as it is pushed aside, a resistance measurable in the created waves. Mr. Edmund Froude, an eminent English authority, says:

“For a ship A, of the ocean mail steamer type, 300 feet long and 3112 feet beam and 2,634 tons displacement, going at 13 knots an hour, the skin resistance is 5.8 tons, and the wave resistance 3.2 tons, making a total of 9 tons. At 14 knots the skin resistance is but little increased, namely 6.6 tons; while the wave resistance is nearly double, namely, 6.15 tons. Mark how great, relatively to the skin resistance, is the wave resistance at the moderate speed of 14 knots for a ship of this size and of 2,634 tons weight or displacement. In the case of another ship B, 300 feet long, 46.3 feet beam, and 3,626 tons displacement—a broader and larger ship with no parallel middle body, but with fine lines swelling out gradually—the wave resistance is much more favorable.[4] At 13 knots the skin resistance is rather more than in the case of the other ship, being 6.95 tons as against 5.8 tons; while the wave resistance is only 2.45 tons as against 3.2 tons. At 14 knots there is a very remarkable result in this broader ship[54] with its fine lines, all entrance and run and no parallel middle body:—at 14 knots the skin resistance is 8 tons as against 6.6 tons in ship A, while the wave resistance is only 3.15 tons as compared with 6.15 tons. The two resistances added together are for B only 11.15 tons, while for A, a smaller ship, they amount to 12.75 tons.”

[4] The entrance is that part of the ship forward where it enters the water and swells out to the full breadth of the ship; the run is the after part from where the ship begins to narrow and extending to the stern. A ship may consist of only entrance and run; it may have a middle body of parallel sides between the entrance and run. Such a middle body is discussed by Lord Kelvin in “Popular Lectures and Addresses,” Vol. III, Navigation, p. 492.

Experimental Basins.

These figures show that a designer must bear in mind the speed at which this ship is to run; they prove that he may choose one form to minimize friction, or another form if he particularly wishes to bring wave-making resistance to the lowest possible point. Forms of these two kinds are readily studied when represented in models 12 to 20 feet in length towed through tanks built for the purpose. Experiments of this kind were undertaken as long ago as 1770, in the Paris Military School; the methods then inaugurated and copied in London at the Greenland Docks were greatly improved by Mr. William Froude in a tank which he constructed at Torquay in England, in 1870. His modes of investigation, duly adopted by the British Admiralty, and after his death continued by his son, Mr. Edmund Froude, have created a new era in ship design. To-day in Europe and America there are eleven such tanks as Mr. Froude’s, all larger than his and more elaborate in their appliances. In addition to learning the behavior of models diverse in type, Mr. Froude worked out the rules which subsist between the performance of a model and that of a ship of like form; these he brought to proof in 1871 when he towed Her Majesty’s Ship Greyhound, and verified his estimates in towing its model. The rules concerned, known as those of mechanical similitude, are given in detail by Professor Cecil H. Peabody in his “Naval Architecture,” page 410. While experiments become more and more valuable as one refinement succeeds another, there is always much well worth knowing to be learned from the actual behavior of a vessel as she takes her way through a canal, a shallow river, or the storm-beaten stretches of the sea.

The experimental tank of the United States Navy at Washington, is 470 feet long, 44 broad, and 1412 deep; it is arranged for models 20 feet in length. See the page opposite. The towing carriage is a bridge spanning the tank just above the[55] water; it is a riveted steel girder. The towing mechanism, of massive proportions, is driven by four electric motors of abundant power. A double set of brakes brings the carriage gradually and quietly to rest from a high speed. A self-acting recorder measures both speed and resistance. Ship builders may have models built by the Bureau in charge, that of Construction and Repair of the United States Navy Department, and have these models towed at any desired speeds, paying simple cost.

MODEL BASIN, U. S. NAVY YARD, WASHINGTON, D. C.

It was in 1880 that the lessons of towing experiments with models began to be adopted in practice. As a result the forms of steamers have been greatly improved. Originally their lines were taken from those of sailing vessels but, as dimensions grew bolder and speeds were increased, it became clear that steamers demanded wholly different lines of their own. These lines, fortunately, may be plainly disclosed in experiments with a model, because a steamer usually runs on an even keel, in which position a model is easily driven through a tank. A sailing vessel, on the contrary, is nearly always heeled over by the wind so that it seldom runs on an even keel; tank experiments, therefore, avail but little for the improvement of its lines. Even were the model inclined at various angles in one test after another, sails must be omitted, with their influence on steering, their lifting and burying effects, often extreme.

1. Starboard Side. 2. Horizontal Sections. 3. Vertical Sections. 4. Central Longitudinal Section. 5. Part of the Gunwhale inside, with its Skirting in Front and in Section. 6. Section through AB. 7. Bird’s Eye View.

THE VIKING SHIP.

Enlarged illustration (155 kB)

A Viking Ship a Thousand Years Old.

A thousand years ago the Vikings of Norway roved the seas in boats of a form which is admired to-day. To those hardy adventurers swiftness and seaworthiness meant nothing less than life and victory, their eyes perforce were keen to note what craft sped fastest through the water, what new curves kept waves from coming aboard. Perchance as they refined upon keel and rib they took golden hints from the shapes of gulls and fish. To be sure, long before science was dreamt of, they had to work by rule-of-thumb, but the thumb was joined to brains that did honor to human nature. On page 56 is illustrated the Viking Ship unearthed early in 1880 at Godstad, near Sandefjord in Norway, in a mound where, according to tradition, a king and his treasure had been buried. It is the most complete and the best preserved vessel of ancient date in existence. It is fully described[56-
57]

and pictured in “The Viking Ship,” by Mr. N. Nicolaysen, a work published in 1882 by Mr. Albert Cammermeyer, Christiania. Mr. Nicolaysen regards the vessel as having been built about A. D. 900, for use in war by the great chieftain whose tomb it became. The ship was 65 feet, 10 inches long, on the keel; with an extreme length over all of 78 feet, 1 inch; amidships it was 16 feet, 9 inches; its depth amidships from the top of the bulwarks to the keel was 3 feet, 1114 inches. The material throughout was pine. The helm, a plank shaped like a broad oar, was fastened to the side of the vessel. In accordance with the number of its oars and shields this ship must have had a crew of sixty-four, besides these came the steersman, the chieftain and probably a few more of his companions, making a total, in all likelihood, of seventy to be carried by her. Says Mr. Nicolaysen: “In the opinion of experts this must be deemed a masterpiece of its kind, not to be surpassed by aught which the shipbuilding craft of the present age could produce. Doubtless, in the ratio of our present ideas, this is rather a boat than a ship; nevertheless in its symmetrical proportions, and the eminent beauty of its lines, is exhibited a perfection never attained until after a long and dreary period of clumsy unshapeliness, when it was once more revived in the clipper-built craft of the nineteenth century.”[5]

[5] A detailed description of the Viking Ship is given in the “Transactions of the Institute of Naval Architects”. (London), Vol. XII, p. 298.

CLIPPER SHIP “YOUNG AMERICA.”
Length of deck, 235 feet. Beam molded, 40 feet, 2 inches. Depth of hold, 25 feet, 9 inches. Tonnage, 2900.

Enlarged illustration (85 kB)

Clipper Ships and Modern Steamers.

Thirty to sixty years ago much of the world’s commerce was borne by clipper ships. In all likelihood as good lines as ever went into a vessel of this kind were displayed in the Young America, outlined on page 58, built in 1853 for California and East India trade. She once ran from New York to San Francisco in 103 days, and from San Francisco to New York in 63 days, records which have never been excelled. Her deck length was 235 feet; her depth of hold 25 feet, 9 inches; her moulded beam was 40 feet, 2 inches; her displacement was 2,713 tons. The lines worthiest of remark in her design are the diagonals and buttocks, together with her easy entrance and run. Most clipper ships were fuller forward than aft; this had two advantages: first, when forward burdens, anchors and the like, tended to an undue settling[58-
59]

down at the head, it was well to increase the buoyancy forward; second, towing experiments prove that a form slightly fuller forward than aft offers less resistance than the reverse. This shape was hit upon by the old-time designers, doubtless as a result of many a shrewd experiment.

In the early days of steamships, hollow or somewhat concave water lines forward were in favor. Experiments with models have demonstrated that for boats so full in section as to be nearly square, it is best to have forward lines which are straight or nearly so. Recently it has been shown that at high speeds, with a midship section nearly semicircular, resistance is a little lessened by very slightly hollowing the water lines forward.

If a steamer is to have the utmost speed, as the Kaiser Wilhelm II, outlined on page 60, her design will be very unlike that of a vessel required to carry as much cargo as possible at a moderate or low speed, as in the case of the steamship sketched on page 61. The dimensions of the Kaiser Wilhelm II are:—length over all, 70612 feet; beam, 72 feet; depth, 29 feet, 614 inches; displacement, 29,000 tons; speed, 2312 knots; indicated horse power, 38,000. As we compare with her details of form the general features of our cargo carrier, page 61, we observe in this freighter the full form of its water lines, its almost straight and blunt entrance forward; we also notice that the lower part of the bow has been cut away to avoid a reversal of curves which would create an eddy with its consequent increase of resistance. Further we may remark the squareness of the midship section, which means carrying capacity at its maximum, together with the long parallel middle body, little resisted by the water, ending aft in buttocks and water-lines quickly turned. This is a twin-screw ship: of length 358 feet, 2 inches; beam, 46 feet; draft, 23 feet; depth from shelter deck, 34 feet, 8 inches; displacement, 8,270 tons; speed, 9 to 10 knots.

STEAMSHIP KAISER WILHELM II.
Length over all, 706 feet, 8 inches. Beam, 72 feet. Draft, 29 feet, 6.3 inches.
Displacement, 29,000 tons. Indicated horse-power, 38,000. Speed, 23.5 knots.

Enlarged illustration (60 kB)

TWIN-SCREW CARGO STEAMER.
Length, 358 feet. Beam, 46 feet. Draft, 23 feet. Displacement, 8270 tons.

Enlarged illustration (61 kB)

U. S. TORPEDO-BOAT DESTROYER.
Length over all, 246 feet. Beam, 22 feet, 3 inches. Displacement, 489 tons.
Speed, 30 knots.

Enlarged illustration (34 kB)

A good designer has an easy task in drawing lines for a freighter in which the weight of hull, machinery and coals may be only 40 per cent. of the displacement, leaving 60 per cent. for earning space. Contrast this with an Atlantic flyer, where but 5 per cent. may remain for cargo. Here the designer’s problems are difficult indeed, and the chief way out of them is to enlarge[60-
63]



his ship as much as he dares, for the bigger his vessel, its form and speed unchanged, the less will be its resistance as compared with displacement. But to an increase of size there are hard and fast bounds; first, those imposed by the shallowness of channels and harbors; while the depth of a ship is thus restricted, its length may be somewhat extended with safety and gain; to increase of beam there are distinct and moderate limits, to overpass them means that the ship will follow the wave contour of a heavy sea so closely as to have a quick, jerky and dangerous motion.

Cross-sections of ships

Judgment in Ship Design.

To design a ship in this case and every other is plainly a matter of compromise, a quest of the optimum by a balancing of demands for safety, strength, speed, capacity, handiness, good behavior in a sea-way, so that each invested dollar may in the long run earn the largest return possible. Excellent examples of judicious design are the best passenger steamers plying between Europe and New York. Usually their section amidships is like that of a cargo vessel, but for a special reason. Within the freighter’s walls the greatest feasible cross-section must be created; so that the shape is box-like; in a high-speed passenger ship the form is also square, because harbors are shallow; were they less shallow the designer[64] would choose a midship section somewhat semicircular in contour. Were our harbors deepened, the easy sections of the first transatlantic steamers could be repeated in their gigantic successors of to-day, with increased speed for each horse power employed.

What a designer can do when his aim is swiftness at the expense of all other considerations, is shown in the lines of the torpedo-boat destroyer, page 62. Its length over all is 246 feet; length at water level, 240 feet, 10 inches; beam, 22 feet, 3 inches; mean draft, 6 feet, 112 inches; displacement, 489 tons; speed, 30 knots. It is interesting to contrast, on page 63, the cross-section amidships of this vessel, with similar lines of three other typical vessels described in this chapter.[6]

[6] In writing these pages on the forms of ships I have been much indebted to Mr. Harold A. Everett, Instructor in Naval Architecture, Massachusetts Institute of Technology, Boston.

G. I.


[65]

CHAPTER VI
FORM—Continued. SHAPES TO LESSEN RESISTANCE TO MOTION

Shot formed to move swiftly through the air . . . Railroad trains and automobiles of somewhat similar shape . . . Toothed wheels, conveyors, propellers and turbines all so curved as to move with utmost freedom.

Projectiles and Vehicles of Like Pattern.

While ships are much the largest structures built for motion, and therefore meet resistances which the designer must lessen as best he may, other moving bodies, small as compared with ships, encounter resistances so extreme that their reduction enlists the utmost skill and the most careful study. Speeds vastly higher than those of ships are given to projectiles. A ball leaving a gun muzzle with a velocity of 3,410 feet a second, as at Sandy Hook in January, 1906, suffers great atmospheric resistance, overcome in part by the shot having a tapering or conoidal form. Indians long ago stuck feathers obliquely into arrows so as to keep flight true to its aim by giving shafts a spiral motion; an attendant advantage being to lengthen flight. The same principle appears in rifling, that is, in cutting spiral grooves in the barrels of firearms large and small, a missile receiving a spinning motion through its base, a thin protruding disk of soft metal, forced into the grooves by the explosive. At first the grooves in firearms were straight with intent to preclude fouling; spiral grooves were introduced by Koster of Birmingham about 1620. Delvigne, a Frenchman, devised a lengthened bullet narrower than the bore so as to enter freely, under the pressure of firing it completely filled the bore, rotating with great velocity as it sped forth.

[66]

Racing automobile. Wedge front and spokeless wheels.

Now that railroad speeds are approaching those of projectiles, the outlines of trains are resembling those of shot and shell. In the experiments with very fast trains at Zossen, in Germany, October, 1903, each car had a paraboloidal front, much diminishing the resistance of the air. Racing automobiles are usually encased in a pointed shell which parts the air like a wedge; their wheels, too, are supported not by spokes, but by disks having no projections. As electric traction becomes more and more rapid in its interurban services, the cars will undoubtedly be shaped to lessen atmospheric resistance. Especially is this desirable in a tunnel service, such as that of the New York Subway, where the resistances are extreme for the same reason that a boat in a canal is harder to draw than if in water both broad and deep. Just as in ship-design, it is in sharpening the front and rear of a car or a train that most economy is feasible; the friction at the sides cannot be much lessened except, in the case of a train, by joining each car to the next by a vestibule such as that of the Pullman Company.

Electric traction finds gain in a track having in places a decided[67] inclination. In the monorail line between Liverpool and Manchester a downward dip in the line at each terminal quickens departure, and in arrival aids the brakes by checking speed on the up-grade. In the swift motion of ordinary machinery the resistance of the air is a source of considerable loss. By encasing a heavy flywheel in sheet iron so as to present a smooth surface to the atmosphere, M. Ingliss has saved 4.8 per cent. of the energy of a 630 horse power engine.

Bilgram skew gearing.

Gearing: Conveyors.

In the simplest machines motion may be transmitted by wheels in contact, faced with adhesive leather, rubber, or cloth. Teeth, however, are usually employed; as wear takes place they permit a little play, a slight looseness, which contact wheels altogether refuse. Toothed wheels have the further advantage that they do not slip, their motion is positive. How teeth may best be contoured involves nice questions in geometry. They should always push and never grind each other, and should move with the least possible friction. In some ingenious designs the teeth of any one particular wheel of a series will enmesh with the teeth of any other wheel, no matter how much larger or smaller. Bevel gears cut by Mr. Hugo Bilgram, of Philadelphia, turn with hardly any friction whatever, although in some wheels the teeth run askew, or are sections of cones which do not meet at their apices. The Bilgram gear cutter, and the Fellows’ gear shaper which turns out plain gear, exert a to and fro planing action. Ordinary gears are cut on milling machines by rotary cutters, or may be manufactured on a Bliss press without cutting the original lines of fibre. The importance of accurate and easy-running gears increases steadily;[68] they are, for example, applied to steam turbines whose velocity must be reduced in the actuation of ordinary machines. Automobiles and bicycles also demand reducing gear running with the utmost freedom.

Grain elevator.

Robins conveying belt of rubber moved on rollers.

[69]

The grain elevator, invented many years ago, is the parent of manifold conveyors of coal, lime, ore or aught else. Their receivers have links shaped so as to extend for hundreds of feet as continuous belts. Link belting may be had in detachable sections, fitting each other at secure hinges which allow free motion.

The Augustin B. Wolvin, a typical ore-carrier on the great lakes, is 56 feet in depth; its hold is curved to allow a clam-shaped bucket to seize ten tons of ore at each dip. It is probable that at no distant day rapid transit in cities will employ continuous moving platforms, just as conveyors and telpherage systems are taking the place of the discontinuous transport of grain, coal, cotton, ore, and heavy merchandise.

Ewart detachable link belting.

Propellers.

The screw, an inclined plane wound about an axis, forms the propeller for steamships and many steamboats. There is a good deal of debate as to the principles which should decide its best lines. Here evidently is a field which will handsomely repay thorough investigation. The power expended in steamships, whether fast or slow, is prodigious; any marked improvement in the contour of screws will mean either a saving of fuel or an increase of speed. Of equal importance with water-propulsion is the setting in motion of air. In blast furnaces enormous volumes of air are forced at high pressure into the fuel and ore: the fans are carefully molded in screw form, any departure from the best curves entailing serious loss. Fans for less important services are seldom shaped with care and usually waste much energy.

Turbines.

Allied to screws are turbine wheels, much the most efficient of water motors. The shaping of their vanes as volutes minimizes the loss of energy in shock as the water comes in, and lessens to the utmost the velocity of the stream as it leaves the wheel. Now that[70] steam turbines are scoring a success both on land and sea the contouring of their vanes with extreme nicety is an important problem of the engineer. A perfected form means the highest economy.

Curves of turbines.
Niagara Power Co.

It is interesting to note how the screw propeller, the fan, and the turbine wheel have each led to a converse invention. Mr. Edwin Reynolds, of Milwaukee, has devised a pump in screw form of capital efficiency under low heads. The fan has long had its converse in the windmill, now more popular throughout America than ever before, mainly because shaped with new excellence. In the best models, built of steel, the sails are each a section of a volute carefully designed to discharge the wind evenly, just as in the parallel case of emission from a water mover, such as the Worthington pump. This capital pump is simply a turbine wheel reversed. Its impeller and diffusion vanes take up water from rest, lift it to a height which may be as much as 2,000 feet, and then deliver it at rest, with little loss from internal eddies or slippage.

Steel vanes of wind-mill.
Fairbanks, Morse & Co., Chicago.

[71]

The Pelton wheel, pre-eminent among water-motors of the impulse type, owes its economy chiefly to each bucket being divided in halves and curved with the utmost nicety.

Pelton water wheel.

Jet for Pelton wheel.


[72]

CHAPTER VII
FORM—Continued. LIGHT ECONOMIZED BY RIGHTLY SHAPED GLASS. HEAT SAVED BY WELL DESIGNED CONVEYORS AND RADIATORS

Why rough glass may be better than smooth . . . Light is directed in useful paths by prisms . . . The magic of total reflection is turned to account . . . Holophane globes . . . Prisms in binocular glasses . . . Lens grinding . . . Radiation of heat promoted or prevented at will.

A Shrewd Observer Improves Windows.

These are times when an inheritance, such as the window pane, venerable though it be, is freely criticized and shown to be far from perfect. We find, indeed, that surfaces and forms long given to the glass through which light passes, or from which light is reflected, are faulty and wasteful. This means that sunshine can be turned to better account than ever before, that artificial light can be employed with an economy wholly new. A few years ago when we provided a window with plate glass, smooth enough for a mirror, nothing better seemed possible. Thanks to the late Edward Atkinson, of Boston, we know to-day that in many cases glass may be too smooth to give us the best service, that often we may get much more light from panes of rough, cheap make than from costly plate glass. He tells us: “In 1883, when I inspected a large number of English cotton mills, I found them glazed with rough glass of rather poor quality, the common glass of England being inferior to our own from the general lack of good sand. On asking why rough glass was used instead of smooth I was told that rough glass gave a uniform and better light. To my astonishment I found this true. The interior of a mill so lighted had the aspect of diffused illumination. This led me to reason on the subject. I looked into the construction of the Fresnel lens, in which a combination of lenses and curved surfaces concentrates rays of light into a single far reaching[73] beam. I reasoned that if one set of angles or curves could thus concentrate light, then by reversal of such angles or surfaces, light could be diffused.”

Mr. Atkinson proceeded to gather specimens of glass not only of common rough surface, but also in ribbed and prismatic forms. These he handed for examination and comparison to Professor Charles L. Norton of the Massachusetts Institute of Technology, Boston. His report says: “The hopelessness of trying to get something for nothing, that is, to get a sheet of window glass to throw into a room more light than fell upon it, appeared so plain to me that I made all my preparations to measure not a gain but a loss of light in using Mr. Atkinson’s samples. The results of the tests may be briefly stated: In a room thirty feet or more deep we may increase the light to from three to fifteen times its present effect by using ‘Factory Ribbed’ glass instead of plane glass in the upper sash. By using prisms we may, under certain conditions, increase the effective light to fifty times its present strength. The gain in effective light on substituting ribbed glass or prisms for plane glass is much greater when the sky-angle is small, as in the case of windows opening upon light shafts or narrow alleys. With the use of prisms a desk fifty feet from a window has been better lighted than when but twenty feet from the same window fitted with plane glass. . . . ‘Ribbed’ and ‘Maze’ glass are of very great value in softening the light, especially when windows are directly exposed to the sun, aside from their effectiveness in strengthening the light at distant points. With the ‘Maze’ glass the artist may have, in all weathers and in all directions, what is in effect a much-desired north light. The same glass provides the photographer with light as well diffused as when cloth screens or shades are employed and of much greater intensity.”

Plate prism glass is now manufactured with its outer or street surface ground and polished like plate glass, with its prisms accurate and smooth. In dimensions which may reach fifty-four by sixty inches it affords surfaces easily kept clean, and transmitting much more light than glass held in frames of small divisions.

Whence the gain in thus exchanging plane glass for glass rough, ribbed, or prismatic? Rays streaming through an ordinary[74] window strike nearby surfaces of wall, ceiling, and floor; from these they are reflected in large measure and return through the glass to outer space. Rough, ribbed, or prismatic glass throws the rays much further into the room, hence they strike so much larger an area of wall, ceiling, and floor that in being reflected again and again the light is well diffused, and but little is sent forth again into outside space. The form of the glass gives the entering light its most useful direction, so that the new panes serve better than the old. This effect is most striking when prisms are carefully adapted to a particular case in both their angles and their placing. In traversing glass, light is absorbed and wasted, so that the shorter its path the better. In the compound lens devised in 1822 for lighthouses by Augustin Jean Fresnel, light is as effectively bent by the part of the glass shown in dark lines as if the whole lens were employed.

Luxfer prism.

Fresnel lens.

This brings us to means for the best use of artificial light. Within the past thirty years the standard of illumination, thanks to electricity, has steadily risen. More important than ever, therefore, is it that light should be employed pleasantly and effectively. This in the main is a question of placing the sources of light judiciously, and of so reflecting and refracting their rays that they will be of agreeable quality, and arrive where they are[75] wanted with the least possible loss. Reflectors rightly shaped and kept clean economize much light. For lack of them in streets and squares we may sometimes observe half the rays from a lamp taking their way to the sky where they do no good. In shop windows ribbed reflectors throw full illumination on the wares displayed, while the sources of light are out of view. The same method is employed in art galleries and in museums. A parabolic reflector sends forth as parallel rays the powerful beam of a lighthouse, a locomotive, or a searchlight. An incandescent lamp of ingenious design is silvered on its upper half so that none of its light is wasted. Because the arc lamp is the cheapest of all illuminants it is adopted for out-of-door lighting where its unpleasant glare is tempered by distance. In factory lighting its brightness is excessive and[76] harmful unless moderated. A capital plan is to employ an ordinary continuous current and place the positive carbon, with its brilliant centre, below the negative carbon; beneath these two carbons a good reflector throws the rays to the ceiling, whence they descend with agreeable diffusion and much less loss than when globes of ground glass surround the arc. A common white ceiling when quite flat is an excellent reflector; indeed, a sheet of white blotting paper returns light nearly as well as a polished mirror, and for many purposes it serves better; the mirror sends back its beam in a sharply defined area which may be dazzling, the paper scatters light with thorough and agreeable effect.

Lamp and reflector a unit.

Inverted arc-light.

Usually a mirror is a sheet of highly polished metal, or a plate of glass with a quicksilver backing; preferable to either is clear glass, all by itself, so formed as totally to reflect an impinging beam of light. To understand the principle involved in its use we will for a little while bid good-by to lamps of all kinds.

Delight and Gain as We Watch a Fish in Water.

A hall of delights is the New York Aquarium, in the historic Castle Garden at the Battery. Its tanks display a varied and superb collection of fish, whose beauty of form and color heightened by swift and graceful motion, fascinates the eye as no museum of dead things, however splendid, ever does. When a tank is still, or nearly still, and a gold-fish or a perch is quietly resting near the surface of the water, one may see its form reflected from that surface as perfectly as if by a mirror. The point of view must be close to the tank, with the eye somewhat lower than the fish. So perfect, at times, is this mirroring that young folks are apt to suppose the reflection to be a second fish, and they are puzzled to remark how strangely it resembles its mate just below. What explains this reflection? A ray of light can always pass from a rare medium, such as air, into a dense medium, such as water, because it is bent toward their common perpendicular. But a ray cannot always pass from a dense into a rare medium, from, let us say, water into air, for if the ray were to be bent away from the common perpendicular more than 90° it would altogether fail to emerge from the water. No luminous ray can pass from water into air if it makes a greater angle with the perpendicular than 48° 35´. Suppose AB[77] (page 78) to be the water level of a tank. A ray leaving F will be bent so as to reach C, a ray from G will reach D, a ray from H will reach E; but a ray from L will be bent so much as to pass along the surface of the water as OB, and a ray from I will be bent so as to return beneath the surface of the water to I. Rays such as I, undergoing total reflection, afford us our second image of a fish at rest near the surface of water: to observe this kind of image we need not journey to the New York Aquarium; with patience we may behold it in a small home aquarium with flat sides of clear glass, waiting until the water is quiet and a fish comes close to the surface.

Sacramento perch totally reflected in aquarium.
A, surface of water.

Every dense transparent substance has this ability to yield images by total reflection, each substance having a critical angle of its own; we have just seen that for water this angle is 48° 35´. Glass is made in many varieties, each with a special critical angle, never much different from that of water. A right-angled prism[78] of glass, which any optician can supply, serves as a capital mirror for rays striking its surface at ninety degrees. Such prisms are employed in opera glasses, in hand telescopes, in reflectors for light-houses, and in the Holophane globes we are about to examine. The efficiency of these prisms may be as much as 92 per cent., whereas that of the best silvered mirrors never exceeds 90 per cent. The loss in a prism is due to a slight reflection by the surface on which the rays first fall, and by the absorption of light in the glass itself; this second loss, of course, increases with the thickness of the prism.

AB water level. F, G, H, L are refracted to C, D, E, B.
I is totally reflected to I.

Holophane globe, vertical section.

Section of Holophane globe.
Ray A is refracted as A´, C as C´. B, totally reflected, then refracted, emerges as B´. D takes a similar course, emerging as D´.

Total Reflection in Artificial Lighting: Holophane Globes.

Now that we understand the principle of total reflection, let us see how it is applied to increasing the effectiveness of a Welsbach mantle or an electric lamp. And first let us say that we may wish light upon a small area, mainly in a single direction, as downward upon a desk or reading-chair. Or, in a quite different manner, if we are to illuminate a wide space such as that of a large parlor. These requirements are fulfilled by the Holophane globes, devised by M. Blondel and M.[79] Psaroudaki, which are made in many shapes, each adapted to a specific duty. The upper half of each globe is formed into prisms of such angles that, zone by zone, the glass totally reflects impinging rays in just the directions desired. The contouring is accurate to the thousandth part of an inch. With this thorough reflection is combined diffusion as thorough, the interior of the globe being shaped as ribs. Thus, with the least possible waste, the upper half of the source of light is utilized. What of the lower half? Its rays pass through prisms formed so as to refract impinging light into desired paths with[80] but little loss. As a whole, therefore, these globes furnish a beautiful means of illumination with all but perfect economy, special forms of them sending light in any direction desired.

Diffusing curves.
Holophane globe. Rays are split into b, e, reflected, then as e, f, g, refracted; and into b, c, d, refracted.

Class A,
Holophane globe, throwing rays mainly downward.

Class B,
rays mainly directed at an angle of 60°.

Class C,
casting rays chiefly in a
lateral direction.

Class A,
Holophane globe, throwing rays mainly downward.

Class B,
rays mainly directed at an angle of 60°.

[81]

Section of Holophane globe and Welsbach mantle, showing distribution of light.
Each typical ray as refracted is marked by a letter of its own.

Total Reflection in Binocular Glasses.

In the Zeiss Works at Jena, in Germany, optical instruments of the highest excellence are manufactured; many of these take advantage of the principle of total reflection we have been considering. When the task was assumed of producing a new and improved telescope, it was observed that an ordinary telescope, built up of lenses, is inconveniently long and heavy in comparison with its magnifying power. The question arose whether it was possible to construct short instruments of a magnifying power of four to twelve diameters. Porro, an Italian, about the middle of the nineteenth century suggested totally reflecting prisms so placed that while the total travel of a ray would be the same as in an ordinary telescope, the two ends of the luminous path would be near together, while the whole[82] would be more effective than if four mirrors were employed. His idea may be represented by a wire one meter long so bent that its ends are much less than one meter apart. In an illustration of a field-glass as manufactured at the Zeiss Works, on the Porro principle, it will be remarked that the entering ray passes through lenses which are farther apart than the lenses which form the eye-pieces. Thus a much wider field is viewed than that of an ordinary glass, while as the two images received from the two eye-pieces differ more than those observed in direct vision, the perception of depth is increased in a notable degree. This construction is adapted to sporting, marine, and opera-glasses, as well as to field-glasses.

How a wire may be shortened while its original direction is resumed.

Four mirrors, 1, 2, 3, 4, reflect a ray in a line parallel to its original path.

Prisms for Zeiss binocular glasses.

Lenses Still Much Used.

Lenses nevertheless continue to be much more important than prisms, and the proper shaping of their surfaces involves high reaches of both science and art. The properties of the glass, of course, count for most in producing combinations free from color for telescopes, microscopes, and cameras. Jena glass, described in another chapter of this book, with its extraordinary range of refractive and dispersive qualities has brought optical instruments[83] to virtual perfection. Meanwhile the arts of lens-grinding leave little to be expected in the way of future improvement. It is astonishing that a lens forty-two inches wide can be so truly curved as to focus the image of a star as an immeasurable dot.

Zeiss binocular glasses: longitudinal and cross-sections.

The Production of Optical Surfaces.

Let us look at some of the instruments designed by a master for shaping glass discs into lenses. Some of the best telescopes in existence are from the hands of Mr. John A. Brashear, of Allegheny, Pennsylvania. The grinding tools he employs he has contoured in such wise as to produce desired curves free from error. The first polishers are of the ordinary form with square or circular facets equally distributed over the surface of the tool, as in Figs. H and 8. When the polish is brought to its best, the glass is allowed to cool slowly to a normal temperature, and is then carefully studied as to its defects. These are removed and the surfaces finished with iron tools, of the same diameter as the surface to be worked, each tool being laid off into[84] six sections, as in Figs. 3, 4, 5, 6, 7. The tool being warmed, pitch is spread over its leaf-like spaces, which are given the proper curve by being pressed down on the previously wetted concave surface; the pitch and tool are next quickly cooled with water. In the shaping of these spaces rests success. The zone, a, a, in the first figure, needing the greatest amount of abrasion, meets the widest part of the leaflet, but in order that no zonal error may be introduced, as in b, c, c, b, of the second figure, it is gently tapered in each direction, the amount of taper being governed by the lateral stroke given to the polisher, as well as by the amount of departure of the zone from the normal curve.

Tools for producing optical surfaces.
John A. Brashear, Allegheny, Pa.

But after all the astronomers aided by lenses thus carefully shaped are few, while millions of people suffer from defects of sight which are overcome by suitably formed spectacles.

[85]

Bi-focal Spectacles.

In this field a recent minor improvement is worthy of mention. Benjamin Franklin many years ago made a pair of spectacles in which the upper half of each glass was ground for far seeing, the lower half for near seeing. To-day such bi-focal spectacles are not made in halves, with an unpleasant broken line across them. In each of the new eyeglasses toward the base a small lens of dense quality is enclosed; through this lens a wearer looks at objects nearby; through the upper part of the eyeglass he looks at distant objects. The joining of the three parts is effected so skilfully as not to be discernible.

Bi-focal lens for spectacles.

Economy of Heat.

From light we pass to its twin phase of energy, heat, for a glance at the forms of devices which enable us to use heat with economy. When we wish a furnace, crucible, or cooking vessel to maintain the highest possible temperature, we give it as little surface as possible. On the contrary when a warming apparatus is devised, its surface is freely extended. The traditional fireplace, for all its cheerfulness, yields but little heat. Benjamin Franklin[86] copied its form in the stove which bears his name; as it stands out from a wall it warms the air all around itself, instead of on one side only. This model is familiar in gas stoves, whose heat thoroughly radiated and convected far exceeds that derived from fireplaces. In Canada forty years ago it was usual, especially in the country, to set up gallows-pipes and dumb-stoves, or drums, bulky, hollow structures of sheet iron, which obliged the heated products of combustion to take a roundabout course as they passed to the chimney. To be sure as thus cooled the gases were less effective as draft makers, but we must remember that one of the most wasteful uses of fire is in warming air or other gases for the sake of putting them in motion. In modern factories, central lighting stations, and the like huge installations, mechanical draft sends a quick current through a short chimney, saving much fuel. Excellent in design are the tile stoves of Germany and Holland. Their gentle heat does not parch the air; in moderately cold weather they render it unnecessary to light furnaces which develop, at such times, unduly high temperatures.

Canadian box stove with gallows-pipe.

In factories the heating coils filled with steam or hot water were at first fastened to the floor. Then came attaching them to the ceiling whence their heat is gently radiated; on the floor the coils may gather dust and dirt with risk of fire; with the other plan there is a saving of floor space, and accidental leaks are at once in evidence.

Canadian dumb-stove.

[87]

Tubes for warming are specially effective when dented or buckled in directions at right angles to each other and to the axis of the tube. This form gives the heating water or steam a swirling motion which causes it to part more rapidly with its heat than does a cylindrical tube of the same surface. Gold’s electric heater for street-cars, bath-rooms, and the like, is a spiral of resistant alloy, hung in a light metallic frame, the whole presenting a large surface to the air. Automobiles driven by heat engines require coils of the utmost possible surface whereat cooling can take place; in many cases this cooling is furthered by the action of a quick fan. In like manner the condensers of steam-engines, especially aboard ship, are made up of slender tubes presenting to the steam a chilling area of vast extent.

Tubing for radiator.
Dalham Works, Manchester, England.

Gold’s electric heater.

Stolp wired tube for automobiles.

[88]

Inventors have long addressed themselves to the difficulty caused by the expansion and contraction of structures as temperatures change. For years the cylindrical fire-boxes of marine boilers have been corrugated, so as to allow them a certain play without breaking from their fastenings, or tearing their seams, when heated or cooled. This form is adopted with success for the Morison fire-boxes of the Vanderbilt locomotives. In quite different situations metal piping, in a length of let us say 100 feet, is provided against trouble from shrinkage or expansion by a U bend. When the diameter of the pipe is twelve inches, this bend is usually about ten feet in extent; for a six inch pipe, a bend six feet long suffices. Another difficulty due to heat is the limitation of speed imposed by the heat which friction creates. A new type of circular saw has a hollow arbor through which flows cold water, so that motion may be faster than ever before. The same arbor appears in various other machines with like advantage.

Corrugated boiler.

Pipe so bent as to permit contraction or expansion.


[89]

CHAPTER VIII
FORM—Continued. TOOLS AND IMPLEMENTS SHAPED FOR EFFICIENCY

Edge tools old and new . . . Cutting a ring is easier than cutting away a whole circle . . . Lathes, planers, shapers, and milling machines far outspeed the hand . . . Abrasive wheels and presses supersede old appliances . . . Use creates beauty . . . Convenience in use . . . Ingenuity may be spurred by poverty in resources.

Tools and Implements.

We have just reviewed, all too briefly, how light and heat are economized by structures of judicious form. At this point we will bestow a rapid glance at the economy of work as promoted by sound design in tools and implements, in the machines which embody these for tasks far beyond the personal skill or power of the strongest and deftest mechanic.

When of old a savage took up a stone to serve as a rude knife or chisel, we may be sure that he chose the sharpest flint he could find. If he could better its shape by knocking it into something like a wedge, what task was easier? Our museums display an immense variety of stone hammers, axes, knives, and arrowheads, showing how art long ago improved the forms of simple tools and weapons offered by nature. Modern tools and weapons, for all their immense diversity, were every one prefigured in the rude armory of primitive man.

Descended from his flint knife is the abounding variety of steel cutting tools all the way from the razor, concave on both sides, to the axe, doubly convex. As the arts have become more specialized, as artificial power has been introduced, the contrasts of the form of one tool with another have grown more and more striking. The bar which slices metal is stout of build, and rectangular in section, while a lancet is little wider or thicker than a[90] blade of grass. The knives which divide leather, rubber, and rope, differ much from one another; the knife which separates the leaves of a book serves best when dull. Gouges for carving are nicely adapted to the profiles they are to cut; while the exigencies of the power-lathe require its tools to be designed of particular strength and rigidity. Among revolving hand-tools the brace is the most important, enabling the workman to exert great leverage. A minor tool, the gimlet, was formerly more in use than to-day. Now that screws are made with gimlet points they break their own paths.

Carving chisels and gouges.

Lathe cutters.

Ratchet bit brace.

[91]

From the beginning tool-makers have shown skill in fitting a tool to the hand, as in the Eskimo skin-scraper; this simple adaptation may have arrived in copying the effect of wear. Other good hints have come from observing an implement after its work is done. At the places where mud clung to a plowshare the plow-maker was long ago told at what points to raise his metal; conversely, when a cutter of any kind is unduly worn at any part of its side, there the metal asks to be somewhat narrowed down.

Eskimo skin scraper.

Double tool drill cutting boiler plate.

A common drill removes a whole circle of stone.

A ring drill removes much less stone with the same effect.

Annular Drills.

A circle of say two feet in diameter, may be readily cut from a boiler plate by two cutters, one at each end of a horizontal bar, the bar being supported by a central upright axis receiving the motive power. Because the cut is narrow, but little metal is wasted as chips. A cut of this ring-shape effects a desirable saving even when the circle to be swept is but an inch or so in width instead of several feet. When an auger takes its way through a plank it removes as chips all the wood within the circle of its range; a drill, of common form, as it pierces stone or metal acts in a similar manner. Motive power is greatly economized when a drill is tubular, with the further advantage that within the ring cut a solid cylinder remains to be broken off at intervals and lifted out, its core informing to the engineer in quest of bed-rock, to the prospector of mines or oil-fields,[92] or to the geologist who reads at a glance the composition of a mineral, the forces which have impressed it age after age. Such drills, set with bortz diamonds, have accomplished remarkable feats. In boring out 260 columns surrounding the dome of the capitol at Springfield, Illinois, cores 2234 inches in diameter were removed from holes 24 inches wide; without sacrifice of strength there was a saving in weight of three-fifths. At the[93] Ellenwood coal mine, Kingston, Pennsylvania, a core 17 feet, 5 inches in breadth was taken from a bore only five inches wider. When the engineers in 1896 were planning the foundations for the Williamsburg Bridge, New York, the deepest of their 22 borings was 112 feet below high water. Steel drills had indicated bed-rock 12 to 20 feet higher than was the actual case; the diamond drill showed the supposed bed-rock to be merely a deposit of boulders. No other known means could have accomplished these results. In the same way steel guns of large calibre have been drilled so as to leave a core of much value, while in this as in all other such tasks, the boring demanded less energy and proved less straining than if all the metal within the sweep of the drill had been reduced to fragments. All these tools were prefigured in a simple ring drill used two thousand years ago on the banks of the Nile; hollow reeds were employed, with sand as a cutter.

Twist drill.

Twist Drills.

Twist drills are superseding flat drills as stronger and better in every way. A twist drill is made with a slight taper toward the shank end. Its cross-section is not quite round, the diameter being reduced from a short distance behind the cutting edge, so as to diminish friction and give the sides of the drill as much clearance as possible. The advanced edges of the flutes are all full circle, so as to maintain the diameter of the drill and keep the tool steady. The advantage of the twist drill is that its cuttings find free egress, while it always runs true, without reforging or retempering. The cutting edges are usually ground to an angle of sixty degrees to the center line of the drill; for brass work the angle should be fifty degrees.

Lathe and Planer Tools.

The manner in which a lathe tool cuts metal is shown in an outline which represents a tool feeding a cut along a piece of wrought iron. The removed metal, in its diameter and openness, tells the expert operator both the quality of his cutter and how it is being affected by wear. The principal consideration, says Mr.[94] Joshua Rose, in determining the proper shape of a cutting tool, for use in a lathe or a planer, is where it shall have the rake, or inclination, to make it keen enough to cut well, and yet be as strong as possible; this is governed, in a large degree, by the nature of the work.

How a tool cuts metal.
Beginning a second cut.

Dacotah fire-drill.

Machine Tools: Lathes.

In giving form to wood and metal cheaply and rapidly, machine-tools have within recent years risen to great importance. Of these the lathe is one of the chief. It seems to be descended from the bow drill, the tool which was whirled by a cord wrapped round it, or it may be, that under another sky, the lathe was derived from the potter’s wheel whose axle was changed from a vertical to a horizontal plane. For centuries all lathes had their cutting tools simply laid on a bar, or rest, just as in the hand cutting lathe of to-day. While this afforded opportunity to skill it did not lend itself to large or uniform production. Henry Maudslay, about a century ago, immensely broadened the machine in scope by devising the slide rest which firmly grasps the cutting tool, and automatically moves it toward[95] or away from the axis of the work, as well as along the work in any desired line. This device is equally applicable whether in turning a pencil case, the granite columns for a cathedral, or the propeller-shaft of an ocean steamer.

Lathe: a, work; b, tail-stock; c, hand-tool rest; d, dead-centre; e, live-centre; f, face-plate; g, live-spindle; h, dead-spindle; k, head-stock; m, cone-pulley; n, driving-pulley; o, belt; p, treadle; r, treadle-hook; s, shears; t, treadle-crank.

Compound slide rest.
C, shears; E, tool carriage; H, cross slide; K, cross slide handle; L, cross feed handle; P, tool post; T, tool; D, driver; W, work.

Blanchard Lathe.
A, frame; B, carriage; C, gun stock; D, former; E, cutter-head; F, guide wheel; G, swinging frame; H, feed motion; K, shaft for revolving stock and former.

The lathe has been developed in many ways until it has become one of the most complex of all machines, adapted to tasks which even twenty years ago seemed impossible. Only two of its varieties can here be noticed, the Blanchard lathe for cutting irregular forms, and the turret lathe. An illustration, taken from an old engraving shows the Blanchard lathe as originally built for shoe-lasts.[96] A pattern-last and the block to be carved are fixed on the same axis and are revolved by a pulley. On a sliding carriage are fastened pivots from which are freely suspended the axles of a[97] cutting wheel, and a friction wheel, equal in diameter. The cutting wheel turns on a horizontal axle, and bears on its periphery a series of cutters. The friction wheel is in contact with the pattern-last and presses against it while in motion. During revolution, the pattern, irregular in its surface, causes the axis to approach or recede from this friction wheel; the cutting wheel in its corresponding motion removes wood from the block until a duplicate of the pattern appears. This lathe much improved and modified now turns not only gun-stocks, axe-handles and the like, but repeats elaborate carvings with precision. Ornaments for Pullman cars are produced by this machine.

Turret lathe: an early Brown & Sharpe model.
C, carriage; T, turret; L, hand lever; F, face plate; D, jaw chuck; E, tool.

Turret of turret lathe.
Side view. Top view.

The turret lathe, equally ingenious, has a turret or capstan, which carries let us say eight different tools, one on each of its eight faces. In its turn each tool operates on the work in its forward traverse; it then retires while the turret automatically moves through one-eighth of a circle, when the next tool emerges for its task, and so on.[7]

[7] The turret principle is embodied in drills and a variety of other machines. It was adopted in remarkable fashion by John Ericsson in his Monitor, launched in 1862 for service in the Civil War. Because this vessel had to navigate shallow streams, its draft was limited to eleven feet. As it was thus impossible to carry the burden of armor necessary to protect a high-sided vessel, he was obliged to design a sunken hull. Guns and gunner were protected within a covered cylindrical turret which as it turned on its vertical axis, delivered an all-round fire while the Monitor stood still. Ericsson’s original turret, and its later modifications in the leading navies of the world, are described in the Life of John Ericsson, by William Conant Church, New York, Scribner, 1890.

Ericsson’s Monitor.

Lathes have given rise to planers, now built of great strength and in highly complicated[98] designs. In a lathe the object turns upon centers against a tool; a planer carries its tool in a revolving cylinder, the work being fed in a straight line. A shaper, with much the same essential construction, moves along its work, the wood or metal operated on remaining stationary. With a planer or a shaper the size and uniformity of the work depend upon the skill of the operator. The planer has led to the invention of a machine which dispenses with this skill. Bramah, in 1811, employed a revolving cutter to plane iron, adapting to metal the familiar mechanism for planing wood. This was the beginning of the milling machine, now so remarkably developed and improved. A skilled mechanic sets the machine and the chucks which hold the work; an unskilled hand can continue the operations, his products being uniformly of the dimensions and forms desired. Intricate shapes are easily executed, quite impracticable on any other machine. At first the revolving mechanism and its cutters were a single piece of metal; to-day cutters of costly quality are inserted in cheap metal; these inserted cutters when worn out are easily replaced.

[99]

Iron planer; a, b, c, d, fixed cutting tools; M, moving bed.
Niles-Bement-Pond Co., New York.

Iron shaper: a, b, fixed cutting tools. K, M, traveling bars.
Niles-Bement-Pond Co., New York.

[100]

Milling machine, R. K. Le Blond Machine Tool Co., Cincinnati.
A, table; B, overhanging arm; C, cutters; D, spindle; E, feed box.

In many cases the milling machine ousts the planer as much more economical. At the shops of the Taylor Signal Company, Buffalo, a miller of the Cincinnati Milling Machine Company does nine-fold as much work as a planer. It takes a first cut 18 inch deep across a full width of 12 inches, makes 60 revolutions per minute, feeds .075 inch per turn, giving a table travel of 412 inches per minute, with an accuracy limit of .001 inch.

Milling cutters with inserted teeth.
Cincinnati Milling Machine Co.

Now for a glimpse of what a great inventor had to suffer because he lived prior to the era of machine tools, before the days, indeed, of that indispensable organ of the[101] lathe, its slide rest. The first steam engines of James Watt built at the Soho Works, near Birmingham, are thus described:—“A cast iron cylinder, over 18 inches in diameter, an inch thick and weighing half a ton, not perfect, but without any gross error was procured, and the piston, to diminish friction and the consequent wear of metal, was girt with a brass hoop two inches broad. When first tried the engine goes marvelously bad; it made eight strokes per minute; but upon Joseph’s endeavoring to mend it, it stood still; and that, too, though the piston was helped with all the appliances of hat, papier maché, grease, blacklead powder, a bottle of oil to drain through the hat and lubricate the sides, and an iron weight above all to prevent the piston leaving the paper behind in its stroke—after some imperfections of the valves were remedied, the engine makes 500 strokes with about two hundred weight of coals.” In another month or two, with better condensation, it “makes 2,000 strokes with one hundred weight of coals.”

Milling cutters executing complex curves.
Brown & Sharpe, Providence, R. I.

Emery and Carborundum Wheels.

Emery, carborundum and alundum wheels are developed from the grindstone of the distant past. That stone gives a straight-line finish or edge to the surfaces submitted to it; and as the work is shifted in front of the stone these surfaces may take a curved or other contour. But a grindstone, let it be as hard as can be found, is not hard enough to take and keep any other than a cylindrical form. Its successors of to-day, the carborundum wheel especially, can be of varied shapes, and transfer these to metal with celerity and economy.

Carborundum, a compound of silicon and carbon, is produced at Niagara Falls, New York, by a process devised by Mr. E. G. Acheson. In an electrical furnace are placed granulated coke, sand, a little salt, and some sawdust to keep the mixture porous and allow generated gases to escape freely. The crystals of carborundum thus produced require seven horse-power hours for each pound; in hardness they are excelled by the diamond[102] only. United under severe hydraulic pressure by a vitrified bond they are eight times as efficient as emery in abrasion. Carborundum wheels are replacing lathes as a means of finishing axles, piston-rods and rolls; their accuracy is unsurpassed, while they demand but one third the time needed by a steel tool.

Emery wheels.

Carborundum Co., Niagara Falls, N. Y.
Carborundum wheel edges.

Form in Plastic Arts.

At the very dawn of art moist clay was molded into useful plates and bowls. This foreran not only all that the potter has since accomplished, but all that has been achieved in the foundry and the mint. In[103] making bricks, tiles, and terra cotta, the first task is to make the clay plastic, then advantage is taken of its plasticity. In like manner we heat a metal to fluidity, and then pour it into a mold to make a fence rail, a stove plate, or a car wheel. An electric bath refines upon this process. Copper, let us say, dissolves in a tank, and concurrently its particles are deposited on a mold from which the metal can be readily stripped, avoiding the distortion inevitable when heat has come into play.

Within the past ten years concrete has grown into much importance as a building material, especially as reinforced with steel. It is a great deal easier and cheaper to pour a wall into molds than to lay courses of brick, or cut and dispose stone-work. Elsewhere in this book a few pages are given to reinforced concrete, and its applications.

Pressing and Stamping.

Pressing, like molding, has of late years much extended its range of forms. In germ it goes back to the distant day when seals were impressed upon clay tablets, and coins or medals were struck from hard matrices. In glass manufacture the press has been used for centuries. Cheap pressed tumblers and bowls have long been accompanied by cheap metal pots and pans, plates and basins, stamped by machinery. To-day much enlarged and improved, such machinery, as a Bliss press, makes a kitchen sink from a sheet of steel, forms gears and pinions from round bars of metal, and executes the intricate curves of a mandolin in a plate of aluminum. For a good while the spinning lathe gave us from thin metallic sheets a variety of cups, saucers, dishes, parts of kettles, lamps, and the like. To-day each of these articles is produced by a single blow of a die, proving that metals are plastic in a degree unsuspected in former days. Thus it comes about that the seams necessary to the tinman and the coppersmith, with all their liability to leaks and uncleanliness, have been largely dismissed and may soon be wholly banished. Pressing is illustrated on pages 184 to 186 of this book.

Old and New Means of Conferring Form.

To-day we are rich in old and new facilities for the bestowal of form. To confer shape by division we have an immense variety[104] of knives, scissors, saws, axes, hatchets and shears. These, together with hammers, chisels and gouges enable us to disengage from a mass not merely a simple rail, panel, or table-top, but a carving or a statue. Surfaces are smoothed with a rasp, a file, a plane; sand is rubbed on abrasively, or falls from a height, or is forcibly blown with a blast of steam or air. Emery either spread on paper, or glued upon a wheel, grinds with an accuracy and speed new to art; and all that emery can do is outdone by carborundum and alundum, which slice away metal as if chalk, be its hardness what it may. Perforation is accomplished with rotary drills, or by a sandblast, or on occasion by corrosive acids—a final resource in treating refractory stone. Rolls of tremendous power reduce iron and steel in thickness, and, when suitably shaped, confer form on railroad rails, girders and the like. Every tool and implement, old or new, is now embodied in machines of gigantic force, or multiple effect, so that the skill of an earlier generation is either not in demand at all or passes to tasks of a delicacy never attempted before. It is by virtue of presses, enormous in power, that to-day shapes are bestowed on metals in successful rivalry with the ancient art of the founder himself. Indeed the art of conferring form by pouring a liquid into molds is at this hour largely exercised in work where heat plays no part whatever,—as in the tasks of the builder in concrete, the labors of the electrician as he employs a bath to separate a metal from its ore, or to plate a surface with silver or gold.

Diagram of rolls to reduce steel in thickness.

Use Creates Beauty.

In strong contrast with the varied resources of modern toil are the simple tools and implements of prehistoric skill which, modified much or little, are at this hour still indispensable to the mechanic, the builder, the engineer. These simple aids early became admirable[105] in form so as to be all the more useful. Says Mr. George Bourne:—

“The beauty of tools is not accidental but inherent and essential. The contours of a ship’s sail bellying in the wind are not more inevitable, nor more graceful, than the curves of an adze-head or of a plowshare. Cast in iron or steel, the gracefulness of a plowshare is less destructible than the metal, yet pliant, within the limits of its type. It changes for different soils; it is widened out or narrowed; it is deep-grooved or shallow; not because of caprice at the foundry or to satisfy an artistic fad, but to meet the technical demands of the expert plowman. The most familiar example of beauty indicating subtle technique is supplied by the admired shape of boats, which is so variable, says an old coastguardsman, that the boat best adapted for one stretch of shore may be dangerous if not entirely useless at another stretch ten miles away. And as technique determines the design of a boat, or of a wagon, or of a plowshare, so it controls absolutely the fashioning of tools, and is responsible for any beauty or form they possess. Of all tools, none, of course, is more exquisite than a fiddle-bow. But the fiddle-bow never could have been perfected, because there would have been no call for its tapering delicacy, its calculated balance of lightness and strength, had not the violinist’s technique reached such marvelous fineness of power. For it is the accomplished artist who is fastidious as to his tools; the bungling beginner can bungle with anything. The fiddle-bow, however, affords only one example of a rule which is equally well exemplified by many humbler tools. Quarryman’s pick, coachman’s whip, cricket-bat, fishing-rod, trowel, all have their intimate relation to the skill of those who use them; and like animals and plants adapting themselves each to its own place in the universal order, they attain to beauty by force of being fit. That law of adaptation which shapes the wings of a swallow and prescribes the poise and elegance of the branches of trees, is the same that demands symmetry in the corn-rick and convexity in the barrel; and that, exerting itself with matchless precision through the trained senses of haymakers and woodmen, gives the final curve to the handles of their scythes and the shafts of their axes. Hence the beauty of[106] a tool is an unfailing sign that in the proper handling of it technique is present.”[8]

[8] Cornhill Magazine, London, September, 1903.

In the course of a judicious review of the mechanical engineering of machine tools, Mr. Charles Griffin has this to say regarding convenience:—[9]

[9] Engineering Magazine, New York, May, 1901.

Convenience in the Use of Machines.

“A tool is an investment, the interest which it earns depending on the amount of work it turns out in a given time. This depends largely on its convenience of manipulation, involving a study of levers, handles, wheels, knobs and other auxiliary devices, their shape and place with reference to the best adaptation to the average human frame, the ease and extent of their motions, and the rapidity with which these motions may be accomplished. The position of the operator, his natural tendencies, the motions he will go through, all have to be imagined in view of the attainment of his maximum convenience. This study, in the absence of any counterpart of the proposed machine, often forces a resort to rough models, or in lieu of this, a full-size blackboard sketch, extending to the floor, upon which the location of parts may be tried for convenience.”

Resources Rich or Meagre as Affecting Invention.

In the National Museum, at Washington, the visitor as he inspects examples of American aboriginal art is astonished at its union of utility and beauty. Boat and paddle, spear and hook, basket and vase, are as admirable in form as useful in traveling, fishing, or carrying corn or water. How far an aboriginal designer may go largely turns upon what variety of resources Nature offers him. No few score families on a lonely islet of the Pacific can possibly rival the cloths and carvings displayed by tribes ranging a Pennsylvania, or a California, abounding with diverse minerals, plants and animals. When skill and invention occupy so rich a land they flower into the highest creations of aboriginal art. And yet it may be that the very fewness of a designer’s resources but spurs him to all the more ingenuity. It depends upon who the man is. As we look upon a collection of Eskimo harpoons and knives, coats and kayaks, we marvel that[107] all these should be produced with so much excellence and variety from a scanty store of bones and teeth, sinews and hides, with but little iron or none at all.[10]

[10] Two unrivalled books on aboriginal invention have been written by Mr. Otis T. Mason, Curator of the Department of Ethnology at the National Museum, Washington:—“Woman’s Share in Primitive Culture,” New York, D. Appleton & Co., 1894; and “The Origin of Inventions,” London, Walter Scott Publishing Co., and New York, C. Scribner’s Sons, 1905. Both volumes are fully illustrated.

The annual reports of the Bureau of Ethnology, Smithsonian Institution, Washington, describe and illustrate American aboriginal art so fully and admirably as to be indispensable to the student.


[108]

CHAPTER IX
FORM—Continued. FORM IN ABORIGINAL ART, AS AFFECTED BY MATERIALS. OLD FORMS PERSIST IN NEW MATERIALS

Nature’s gifts first used as given, then modified and copied . . . Rigid materials mean stiff patterns . . . New materials have not yet had their full effect on modern design.

Aboriginal Art.

So multiplied are the resources of modern industry that desired forms are created at will, almost without regard to the material employed. It is not so in primitive art, to which for a brief space we will now turn so that our survey of form, though all too cursory, may be refreshed by a contrast of old with new. Let us begin with a glance at some of the aids with which man first provided himself, taking the gifts of nature just as they were offered. In large areas of the Southern States, and of Central America, the gourd for ages has been a common plant, and has long served many Indian tribes as a water pitcher. On sea-shores, where the gourd did not grow, conch-shells were used instead, their users breaking away the outer spines and the inner whorls, leaving within a space clean and clear. Both gourds and shells gave their forms to the clay vessels which succeeded them.

Gourd-shaped vessel from Arkansas.
“Pottery of the Ancient Pueblos.”
W. H. Holmes.

Gourd and derived forms. “Pottery of the Ancient Pueblos.”
W. H. Holmes.

Pomo basket. National Museum, Washington.

In Zuni land, says Mr. F. H. Cushing, the first vessels for water were sections of cane or tubes of wood. We may infer that the wooden[109] tubes were copied from the cane stems. What at first was passively accepted as nature gave it, was afterward changed a little, and then was step by step changed much, so that at length there grew up processes of manufacture. There was, for example, in California a wealth of osiers, reeds, and roots well suited for making baskets; these at last were perfected as water-tight receptacles neither brittle like a shell nor liable to a gourd’s swift decay. Beginning probably in mere wattling, in the rude plaiting of mats and roofs, the weaver came gradually upon finer and stronger materials than at first, with equal pace rising to new delicacy of finish and beauty of design. At the National Museum in Washington, the Hudson collection of Indian baskets from California includes the finest specimen in the world, a Pomo basket. Its sixty stitches to the running inch were possible only through[110] using the carex root, easily divided into threads at once slender and strong.[11]

[11] Many of the handsomest baskets at the National Museum, as well as baskets from other great collections, are illustrated, partly in color, in “Indian Basketry,” by Otis T. Mason, curator of the ethnological department of the National Museum. The publishers are Doubleday, Page & Co., New York.

Bilhoola basket of woven cedar bast. “Basket work of North American Aborigines.” Otis T. Mason.

It is interesting to observe the limitation imposed upon a primitive designer by the qualities of the leaf, shell, or cane in his hands, the way in which these qualities point him to the forms in which he may excel. Of this we have capital examples in the basket-work of the North American aborigines as described by Mr. Otis T. Mason, in the report of the Smithsonian Institution, 1883-84. He says: “Along the coast of British Columbia the great cedar (Thuja gigantea) grows in the greatest abundance, and its bast furnishes a textile material of the greatest value. Here in the use of this pliable material the savages seem for the first time to have thought of checker-weaving. Mats, wallets, and rectangular baskets are produced by the plainest crossing of alternate strands varying in width from a millimeter to an inch. Ornamentation is effected both by introducing different-colored strands and by varying the width of the warp or the woof threads. . . . It is not astonishing that a material so easily worked should have found its way so extensively in the industries of this[111] stock of Indians. Neither should we wonder that the checker pattern in weaving should first appear on the west coast among the only peoples possessing a material adapted to this form of ornamentation.”

A square inch of the Bilhoola basket.

Referring to the water-bottles of the Pai Utes, Mr. Mason says: “This style can be made coarse or fine, according to the material and size of the coil and outer threads. If two twigs of uniform thickness are carried around, the stitch will be hatchy and open; but if one of the twigs is larger than the other, or if yucca or other fibre replace one of them and narrower sewing material be used, the texture will be much finer.” Baskets and rain-hats, as woven by Haidas and many other tribes, are waterproof when wet, owing to the closeness of their texture.

A free-hand scroll.

The same developed in a woven fabric.

“Form and Ornament in Ceramic Art.” W. H. Holmes.

Idiom of Material.

When reeds or somewhat rigid fibres are woven, they compel a straightness of edge in patterns and designs. A wave has to be suggested by stepped or broken lines, and so we have a rectilinear meander or fret, in contrast with its free-hand form as developed in a woven fabric. Under the constraint of her material a squaw as she weaves a design into a basket, must give squareness to a contour which would be somewhat rounded were it executed in delicate threads. This is clear in the human figures of the Pomo basket shown on page 109; and in those of a Yokut basket bowl, also in the National Museum in Washington, illustrated on the next page.

[112]

Yokut basket bowl.
“Basket Work of North American Aborigines.” Otis T. Mason.

Stone and brick-work, in their rectilinear shapes, impose a rigidity in architectural design from which modern bricks, in their rich variety of flat and curved surfaces, have wrought emancipation. In the new residential streets of St. Louis, for example, the architecture owes much of its freedom and beauty to the new shapes in which brick is now manufactured. Even wider liberty than now falls to the lot of the brick-maker has always been enjoyed by the potter. In his hands clay lends itself to any desired imitation, to any fresh design however fanciful; what is more it invites those modifications of old forms in which art takes its chief forward strides. All but infinite are the variations which Japanese[113] potters have played on the shapes of vases, jars, kettles, and basins, each clearly true to its type, while at the same time original in a pleasing way. How the Japanese artist in clay has rejoiced in his freedom is exemplified in the collection of Japanese pottery at the Museum of Fine Arts, in Boston. Says Mr. Edward S. Morse, who brought this collection together: “Utensils for every day life, terra cotta funeral urns, large terra cotta bowls, weights for fishing nets, brush handles, and even clothes-hooks are in Japan made of pottery. Where we use silver and other metals, or glass, in making articles for daily use, the Japanese use pottery.” He adds: “The prehistoric pottery of Japan was modeled by hand, and to-day in various parts of the empire, this ancient art is continued in its prehistoric form. There are many potters in Japan who are still at work using only the hand in making bowls, delicate tea-pots, and dishes of various kinds. The pottery vessels offered at Shinto shrines are usually made without the use of the wheel and are unglazed. The potter’s wheel was brought to Japan from Korea. The first was probably the kick-wheel used in Satsuma and other southern provinces.”

The Japanese employ not only clay but wood in methods that richly repay study. Says Mr. Ralph Adams Cram:—“In one respect Japanese architecture is unique: it is a style developed from the exigencies of wooden construction, and here it stands alone as the most perfect mode in wood the world has known. As such it must be judged, and not from the narrow canons of the West that presuppose masonry as the only building material. . . . Perhaps the greatest lesson one learns in Japan is that of the beauty of natural wood, and the right method of treating it. The universal custom of the West has been to look on wood as a convenient medium for the obtaining of ornamental form through carving and joinery, the quality of the material itself being seldom considered. In Japan the reverse is the case. In domestic work a Japanese builder shrinks from anything that would draw attention from the beauty of his varied woods. He treats them as we do precious marbles, and one is forced to confess that under his hand wood is found to be quite as wonderful a material as our expensive and hardly worked marbles. In Japan one comes[114] to the final conclusion that stains, paints, and varnish, so far as interior work is concerned, are nothing short of artistic crimes.”[12]

[12] “Impressions of Japanese Architecture and the Allied Arts,” by Ralph Adams Cram. New York, Baker & Taylor Co., 1905.

In strong contrast with the art of Japan is that of Egypt; on the banks of the Nile the first buildings were of limestone, succeeded by huge structures reared from Syene granite, with no little loss in delicacy of ornamentation. It was only when marble, all but plastic under the chisel, was adopted by the Greek sculptor, that the frieze of the Parthenon could spring into life.

Here William Morris should be heard. In “Hopes and Fears for Art,” he says: “All material offers certain difficulties to be overcome and certain facilities to be made the most of. Up to a certain point you must be master of your material, but you must never be so much the master as to turn it surly, so to say. You must not make it your slave, or presently you will be its slave also. You must master it so far as to make it express a meaning, and to serve your aim at beauty. You may go beyond that necessary point for your own pleasure and amusement, and still be in the right way; but if you go on after that merely to make people stare at your dexterity in dealing with a difficult thing, you have forgotten art along with the rights of your material, and you will make not a work of art, but a mere toy; you are no longer an artist, but a juggler. The history of art gives us abundant examples and warning in this matter. First clear, steady principle, then playing with the danger, and lastly falling into the snare, mark with the utmost distinctness the times of the health, the decline, and the last sickness of art.” He illustrates this in detail from the history of mosaic in architecture.

While the modern artist duly respects the idiom of his new materials, their diversity and refinement, in granting him the utmost freedom, enable him to attain a truth of execution unknown before to-day. For writing on papyrus a brush had to be used; on vellum or paper, a pen or pencil may also be employed, tracing lines no wider than a hair. Our grandmothers were fond of sewing on a perforated card a motto or a flower in silk thread; such a sampler always had an unpleasant straightness in its outlines.[115] When in weaving silk or linen there may be two hundred threads to the running inch instead of ten, the designer can introduce curves almost as flowing as if he were a painter. So too in architecture: the log hut was perforce straight in its every line; stone and brick made possible the arch; iron and steel are bringing in a free choice of the best lines, whether straight or curved, all with a new sprightliness, as witness the best of our office-buildings in New York, such as the Whitehall, Trinity, and Empire Buildings.

Sampler on cardboard, executed in silk thread.

Bark vessel, and derived form in clay.
“Form and Ornament in Ceramic Art.” W. H. Holmes.

Old Forms Repeated in New Materials.

Art in its early stages seldom displays any outright invention; with all the force of habit the savage artist clings to old familiar shapes, and it is interesting to remark how dealing with a new material may lead or even oblige him to modify a traditional form. The Algonquins inhabit a country in which the birch is common. They cut and fold its bark into vessels which, when imitated in pottery, have an unusual rectangularity. In many Indian tribes it was customary to use as a water-holder the paunch of a deer or a buffalo; many ancient urns of Central America have an aperture at an upper extremity, copied from the paunch, in every case with a simplification of outline. Winged troughs of wood were undoubtedly in the mind of the man who made the earthen vessel illustrated on the next page, found in an ancient grave in Arkansas. As usual the borrower put something of himself into his work, reminding us that the law of evolution is descent with modification. An earthen vessel, illustrated on the next page, was plainly copied from a shell vessel such as the specimen found not far off, in Indiana. When the Clallam Indians, of the State of[116] Washington, began to weave baskets, they imitated the forms of their rude wicker fish-traps. The like persistence was shown by the Haida squaws when taught by the missionaries to make mats from rags; they repeated their ancient twined model, long employed for mats and hats of vegetable fibres. As in America, so also in Europe; when the makers of celts passed from stone to copper or bronze, they reproduced the old forms, and only gradually learned to economize metal, so much stronger than stone, and so much harder to get, by narrowing and flattening their new weapons and tools.

Vase from tumulus. St. George, Utah.
“Pottery of the Ancient Pueblos.” W. H. Holmes.

Wooden tray.

Clay derivative.

“Form and Ornament in Ceramic Art.” W. H. Holmes.

Shell vessel made from a Busycon perversum, found at Ritchersville, Indiana.

Earthen vessel, imitation of shell,
Missouri.

From W. H. Holmes’ “Art in Shell of the Ancient Americans.”

Electric lamps in candle shapes.

Modern manufacture in its designs gives us a kindred persistence of old forms in new things. For electric illumination we have bulbs which recall the shape of a candle-blaze, or surmount an old-fashioned candlestick; a gas-burner, popular for fifty years, repeats in milky porcelain the whole length of a candle. Gas-grates, in uncounted thousands[117] throughout our cities every winter, offer us flames which flicker and leap over asbestos and clay molded into the semblance of maple or charcoal. Nor is the engineer himself, for all his sternness of discipline, quite free from prolonging the reign of the past, even at unwarrantable cost. When steel was first used for steam boilers there was a period of hesitation during which the metal was used unduly thick, as if to maintain the long familiar massiveness of iron structures. When automobiles were invented, they at first closely resembled common carriages. To-day, designers have departed from tradition, and provide us with horseless vehicles which respond to their new needs in ways wholly untrammeled by inherited ideas. In an automobile, driven by steam or gasoline, there must be due disposition of fuel, of machinery, of cooling apparatus, all so combined as to bring the center of gravity as low as may be best, affording ready access to any part needing lubrication, repair, or renewal; throughout there must be the minimum of dead weight, of friction, and of liability to derangement; all with means of easy, quick, and certain control. Why[118] should these requirements be deferred to repeating the model of a carriage drawn by a horse? In Europe, to this hour, the railroad carriages are an imitation of the old road-coaches, horse carriages slightly modified. America, fortunately, from the first has had cars directly adapted to railroad exigencies, with a thoroughfare extending the whole length of a train, avoiding the box-like compartments which may give the lunatic or the murderer an opportunity to work his will.

Notre Dame de Bonsecours, Montreal. Before restoration.

NEW AMSTERDAM THEATRE, NEW YORK.
No pillars obstruct a full view of the stage.

Sometimes an inherited form taken to a new home proves to be faulty there, and is discarded. When Normandy sent forth its children to Canada, they built on the shores of the St. Lawrence just such high-pitched roofs as had sheltered them in Caen and Rouen. An example remains at Montreal in the roof of[119] Notre Dame de Bonsecours. But in Montreal and Quebec the snowfall is much heavier than in Northern France, and the Norman roofs at intervals from December to March were wont to let loose their avalanches with an effect at times deadly. To-day, therefore, in French Canada many of the roofs, especially in towns and cities, are flat or nearly flat, while the best models quite reverse the old design. In breadths somewhat concave they catch the snow as in a basin, and allow it to melt slowly so as to run down a pipe through the center of the building.

Under our eyes, day by day, iron and steel are taking the place of stone and wood in architecture and engineering; yet the force of habit leads us to continue in metal many troublesome details which were imperative in the weak building materials of generations past. It was as recently as the autumn of 1903 that the first large American theater was opened having no columns to obstruct views of its stage. The architects of the New Amsterdam Theater, New York, simply by availing themselves of the strength of steel cantilevers have shown that henceforth all large auditoriums may be free from obstructions to a view of the stage, pulpit or platform. See facing page 118.

Modern architecture, in the judgment of an eminent critic, has not yet fully responded to its new materials and methods. Says Mr. Russell Sturgis, of New York, in “How to Judge Architecture”:—“Every important change in building, in the past, has been accomplished by a change in the method of design, so that even in the times of avowed revival there was seen no attempt to stick to the old way of designing while the new method of construction was adopted; now in the nineteenth century, and in what we have seen of the twentieth century, our great new systems of building have flourished and developed themselves without effect as yet upon our methods of design. We still put a simulacrum of a stone wall with stone window casings and pediments and cornices and great springing arches outside of thin, light, scientifically combined, carefully calculated metal—the appearance of a solid tower supported by a reality of slender props and bars.”


[120]

CHAPTER X
SIZE

Heavenly bodies large and small . . . The earth as sculptured a little at a time . . . The farmer as a divider . . . Dust and its dangers . . . Models may mislead . . . Big structures economical . . . Smallness of atoms . . . Advantages thereof . . . A comet may be more repelled by the sun’s light than attracted by his mass.

Buildings, carriages, structures of all kinds, whether reared by art or nature, often resemble one another in form while varying much in size. Differences of dimensions are of importance to the inventor and discoverer, and will be here briefly considered, beginning with a few of their obvious and elementary aspects.

Cinders large and small on hearth.

A cube as subdivided into 8 cubes of 4 times more surface.

Cinders Big and Little.

One frosty evening I sat with three young pupils in a room warmed by a grate-fire. Shaking out some small live coals, I bade the boys observe which of them turned black soonest. They were quick to see that the smallest did, but they were unable to tell why, until I broke a large glowing coal into a score of fragments, which almost at once turned black. Then one of them cried, “Why, smashing that coal gave it more surface!” This young scholar was studying the elements of astronomy that year, so I had him give us some account of how the planets differ from one another in size, how the moon compares with the earth in volume, and how vastly larger[121] than any of its worlds is the sun. Explaining to him the fiery origin of the solar system, I shall not soon forget his delight—in which the others presently shared—when it burst upon him that because the moon is much smaller than the earth it must be much cooler; that indeed, it is like a small cinder compared with a large one. It was easy to advance from this to understanding why Jupiter, with eleven times the diameter of the earth, still glows faintly in the sky by its own light, and then to comprehending that the sun pours out its wealth of heat and light because the[122] immensity of its bulk means a comparatively small surface to radiate from.

Cube built of 27 cubes of 9 times more surface.

To make the law concerned in these examples definite and clear, I took eight blocks, each an inch cube, and had the boys tell me how much surface each had—six square inches. Building the eight blocks into one cube, they then counted the square inches of its surface—twenty-four: four times as many as those of each separate cube. With twenty-seven blocks built into a cube, that structure was found to have a surface of fifty-four square inches—nine times that of each component block. As the blocks underwent the building process, a portion of their surfaces came into contact, and thus hidden could not count in the outer surfaces of the large cubes. The outer surfaces of these large cubes I then painted white; when each was separated into its eight or twenty-seven blocks, we saw in unpainted wood how surfaces were increased by this separation into the original small cubes. Observation and comparison brought the boys to the rule involved in these simple experiments. They wrote: Solids of the same form vary in surface as the square, and in contents as the cube, of their like dimensions.

This elementary law I traced that year in a variety of illustrations presented in “A Class in Geometry,” published by A. S. Barnes & Co., New York. Our excursions, since extended, are here given as an example of the knitting value of a pervasive rule kept constantly in mind.

Earth Sculpture.

Our planet in diverse ways illustrates the law, just stated, of surfaces and volumes. Forces of unresting activity quietly transform the hills and plains, the sea coasts and lake shores of the world, and so gradually that in many cases detection proceeds only by noting the changes wrought in a century. For the most part these forces[123] break up large masses into fragments, or slowly wear away the surfaces of rocks into dust. A lichen takes root on a granite ledge, and in a few years reduces the rock to powder. Rain always contains a little acid, so that in time flint itself is consumed, for all its hardness. Water soaking through soils to form underground streams has hollowed out vast caves, as notably in Virginia and Kentucky. Limestones and sandstones are of open texture, and take up much moisture into their pores; in cold weather this freezes, and in expansion wedges off thin flakes of stone. In the North one sees the ground strewn with such splinters when the warm April sun has melted the snow from beside a limestone fence. Watch the rills as they descend a hillside during a rainstorm and just afterward. They are dark with mud, and on steep declivities they carry down pebbles and bits of broken stone, building up valleys at the expense of high ground. Fed on a huge scale by such mud, the Mississippi River bears in suspension to the Gulf of Mexico a little more than a pound of solid matter in every cubic yard, a prime example of how the waters of the globe gain upon the land. The Falls of Niagara have retreated several miles from their original plunge; the carving of their channel has been wrought much less by the rushing waters than by their burden of abrading earth and sand. The ceaseless churning of water at the foot of the Falls cuts back into the rock, undermining its upper layers, so that ever and anon they break off from the brink of the cataract, with the effect that the stream steadily retires.

Throughout the ocean are strong currents to be constantly surveyed and charted on the mariner’s behalf. These currents transport fine mud, and organisms living and dead. Corals flourish best where such currents fetch an abundant supply of food, just as plants thrive best in rich, loose soil. Life in the sea just like life on land is thus dependent on forces which divide large masses into small, and distribute these small masses over wide areas, chiefly by water carriage.

Breaking Earth for Removal or Tilth.

Inventors have taken a hint from nature as she carries a burden of mud and pebbles in a rapid stream of water. A modern method of deepening a water course is to reduce to fine silt the surface[124] of its bed, and then remove this silt with a powerful stream. Water in swift eddies both lifts and bears away not only clay, but stone and gravel when these are small enough. In placer-mining streams of water much more powerful are directed against hill-slopes of earth and stone, which disappear a great deal faster than by means of spades and shovels. One of our Northwestern railroads runs for some miles along the base of a steep ridge, from which at times heavy rains wash down masses of earth, sand and gravel to the track. A powerful steam pump forcing a stream through hose removes the obstructions from the line with amazing rapidity. Work a good deal commoner and vastly more important consists in taking a process begun by nature and carrying it many steps further, so as to break up masses of earth again and again. The plow, the harrow, the sharp-toothed cultivator, divide and subdivide the soil of farm and garden so as to offer rootlets new surfaces at which rain may be drunk in with its nourishing food. When a garden patch is to be fertilized by bones, these serve best when reduced to meal, so as to be quickly and widely absorbed.

Work of the Winds.

In earth-sculpture one of the busiest agents is the wind, especially as it seizes ocean waves and dashes them upon beach and cliff, grinding large stones to pieces, and reducing these at last to mere pebbles and sand. On land the gales take hold of sand and dust with effects even more telling: sand flung against the hardest quartz or granite will bring it to powder at last. Sand dunes, shifting under the stress of high winds, have spread desolation around Provincetown, Massachusetts, and in many another region once fertile enough. This process of nature immemorially old has been copied in modern invention, by the sandblast devised by the late General Tilghman of Philadelphia. In its simplest form, sand from a hopper falls in a narrow stream upon window panes, glassware and the like, to be roughened except where protected by a paper pattern. Had sandstone in lumps, as large as playing marbles, been dropped on the glass, there would have been harmful fracture; as each particle of sand weighs too little in proportion[125] to its striking surface to do more than detach a tiny chip, we have a bombardment wholly useful.

Dimensions in Ignition.

Primitive man achieved an incomparable triumph when first he kindled fire by swiftly twirling one dry stick upon another, dropping the tiny sparks on finely divided tinder, quick to catch fire because it presented much surface to the air. Peat, a fuel common in many parts of the world, easily dug from bogs and marshes, can be readily dried if chopped into fragments and exposed to the wind in open sheds. Charcoal easily produced from wood of any kind, is often used to absorb harmful gases in boxes of preserved meats and in household refrigerators. Its effectiveness is due to its minute pores, presenting as they do a vast area of capillary attraction. Charcoal, of course, burns faster when powdered than when unbroken; and gunpowder, into which charcoal largely enters, is molded into cakes either big, if it is to burn somewhat slowly, or is pressed into fine grains, when an explosion all but instantaneous is desired.

Dust Common and Uncommon.

Common dust surrounds us always, entering the tiniest chink of wall and ceiling to show its path by a defacing mark. In dry seasons it abounds to a distressing degree, and accumulates rapidly at considerable heights from the ground. Observe a roof of the kind that slopes gradually toward the street, with a trough running along the cornice to carry off the rain or melted snow. When such a gutter is undisturbed for a few months it is clogged with mud due to the dust which has been lifted by winds to the roof, and swept by successive showers into the gutter. Dust particles, because they have so much surface for their mass, are readily caught up and borne to heights far exceeding those of the highest roofs. The terrific explosion of the volcano at Krakatoa, in the Sunda Strait of Java in 1883, shot more than four cubic miles of dust into the upper levels of the atmosphere, encircling the globe with particles which fell so slowly as for months to color the sunsets of New York and Canada, ten thousand miles away.

Inflammable Dust.

Wheat like other grain is combustible, hence as food it sustains[126] bodily warmth. Under stress of necessity wheat, corn, and barley have been burned as fuel when coal and wood have been lacking. In the process of flour-making wheat is ground to a powder so fine that when its particles are diffused through the air of a mill, there is a liability to explosion because the inflammable dust comes so near to contact with the atmospheric oxygen that at any moment they may unite. At Minneapolis, frightful disasters were brought about in this way until specially devised machines removed the dust. In coal mines, too, coal may fill the air with a dust so fine that explosions take place, with serious loss of life. In Austria it has been found that the fineness of the dust has more to do with the violence of such explosions than has the chemical composition of the particles.

In mining, let us observe, the whole round of work consists in separations which bring masses from bigness to smallness, again and again. First of all the solid walls and floors are broken up by pick, or drill, or powder, or all together. Iron ores as hoisted to the surface of the earth are taken to breakers which crush them into pieces suitable for the blast furnace. When the ores carry gold, copper, lead, or tin, this crushing is followed by stamping to facilitate the final process by which metal is separated from worthless rock.

Dimensions in Woven Fabrics.

Spinning and weaving, remote as they are from mining, are equally subject to the law of surfaces and volumes. It is in furthering adhesion by giving their thread a multiplied surface that the spinner and weaver manufacture cloth at once strong and durable. The best linens and silks are spun in exceedingly fine threads; canvases and tweeds have threads comparatively coarse. From the cut edge of a piece of fine silk fabric it is hard to pull out a lengthwise thread; the task is easy with sailcloth.

The Dimensions of Models.

From observation let us turn to experiment as we further consider the law of size. Inventors, especially young inventors, are apt to underrate the difficulty of supplying an old want in a new and successful way. In their enthusiasm they may lose sight of principles which oppose their designs, as for instance, the rules which govern[127] the plain facts of dimensions. Mr. James B. Eads, in planning his great bridge at St. Louis, chose three spans instead of one span. Why? For the simple reason that if built in one span the weight of the bridge would have been twenty-seven times that of a span one-third as long, while only nine times as strong, assuming that both structures had the same form. Two pieces of rubber will clearly exhibit the contrast in question. One piece is three feet long, one inch wide, one inch thick; the other piece is one foot long, and measures in width and thickness one-third of an inch. Placing each on supports at its ends we see how much more the longer strip sags than the shorter. The longer has twenty-seven times the mass of the other, but only nine times its strength. Many an inventor has ignored this elementary fact and built a model of a bridge, or roof, which has seemed excellent in the dimensions of a model, only to prove weak and worthless when executed in full working size.

The upper strip of rubber is thrice as long, wide and deep as the lower, which sags less.

Why Big Ships are Best.

We have glanced at a few cases of invention where it has been remembered that the larger a mass of given shape the less its surface as compared with its bulk. Let us note how this rule enters into the tasks of the shipbuilder. We take a narrow vial of clear glass, nearly fill it with white oil or glycerine, cork it, and shake it smartly. Holding the vial upright we observe that the largest bubbles of imprisoned air come first to the top of the liquid, because in comparison with bulk they have least surface to be resisted as they rise. For a parallel case we visit the docks of New York, and note a wide diversity of steamers. Here is the “Baltic,” of the White Star Line, with a length of 726 feet, and a displacement of 28,000 tons. Less than a mile[128] away is a small steamer trading to Nova Scotia, having a length of but 260 feet, and a displacement of only 1,000 tons or so. We recognize at once why the quickest ships are always among the biggest. It is simply the case of bubbles small and great over again; the biggest vessels in proportion to size have least surface whereat to resist air and sea, so that they can run fastest between port and port. As with ships, so with their engines; economy rests with bigness; the largest engines have proportionately least surface at which to lose heat by radiation or by contact, or for resistance by friction as they move. Indeed in designing ocean steamers of the greyhound type it is imperative that the utmost possible dimensions be adopted. The “Mauretania” and the “Lusitania” just built for the Cunard Company, to be driven by steam turbines at 25 knots an hour, will each demand 70,000 horse-power. They are 790 feet in length over all, 88 feet in beam, 6012 feet in depth, with a displacement of 45,000 tons. Mr. William F. Durand, in his work on the resistance and propulsion of ships, considers three vessels less huge and swift than these Cunarders and able to cross the Atlantic in say seven days. The 5,000-ton ship could barely make the trip with no cargo at all, a 16,000-ton ship would be able to carry 3,000 tons of freight, while a 20,000-ton ship could carry 4,200 tons of cargo. Burdens of hull, machinery, and coal do not increase as rapidly as gross tonnage when the dimensions of a ship are enlarged.

Air bubbles rising in oil.

Bigness Needs Strong Materials.

Now we begin to realize how great is the boon of cheap steel, much stronger than iron, of which ships and engines may be built bigger than at any earlier period. Steel of great strength has made feasible, too, the Eiffel Tower in Paris, nearly a thousand feet tall, the office-buildings of New York thirty stories in height, and steel will soon cross the St. Lawrence near Quebec with a single span of 1,800 feet. In 1904, at Schenectady, N. Y., the New York[129] Central & Hudson River Railroad Company began comparisons between an electric locomotive of 201,000 pounds, shown opposite page 476, and a steam locomotive so huge that with its tender it weighed no less than 342,000 pounds. Steel, as the material of engines and tools of all sorts enables us to build in dimensions bolder than ever before; or, if old dimensions are not surpassed, we are free to employ velocities quite out of the question with iron.

It is a long time since adventurers first entrusted themselves to floating logs, afterward tied together as rafts, and slowly improved until they became boats moved by paddles or oars. Thus far little else than failure has attended the inventors who have sought to navigate the air as easily as river, lake or sea. A stride toward success was however distinctly taken when the strongest known alloys, those of steel and nickel, gave the aeronaut a stronger boiler, pound for pound, than he ever had before, with wings lighter in proportion to their power than those of earlier experiments. Let the burden of his apparatus be further reduced, and by one-half; then we may expect him to reign in the air as securely as the sea-gull. The original resource of the aeronaut, his balloon, suffers from a permanent disability. Air has but 1770 the specific gravity of water, so that a balloon must be enormous to have any carrying capacity worth while. And what would become of a balloon, its rudder and ropes, if caught in a hurricane of eighty miles an hour?

A Store Continues the Lesson.

Let the aeronaut continue his wistful and envious gaze at the birds in the sky while we turn our attention to mother earth, there to note how every day trade surrounds us with further illustrations of the law of size, of the gains which may attend bigness. We enter a department store, displaying a varied stock of foods, clothing, shoes, furniture, and so on. As we cast our eyes about its counters, shelves, and floor we see cans of vegetables, fruit, and fish; jars of olives and vinegar; boxes of rice, soap and crackers; paper sacks of flour and meal. Outside the door are piled kegs, barrels, and packing cases. Plainly the cost of paper, glass, tin, and lumber for packages must levy a large tax on retailing. Once more is recalled our old lesson with the inch-cubes;[130] the bigger a jar, box, or sack, the less material it needs in proportion to its capacity. Wholesale packers of merchandise save money as they form packages of the largest size. The contents of each box, crate, and sack tell the familiar story once again. The coffee is ground from the bean that it may be readily infused in the coffee-pot; wheat is reduced to flour, oats to fine meal, that they may be quickly cooked; sugar is crushed that it may rapidly dissolve in the tea cup. This very task began long ago with the mastication of food by the teeth, diminishing the size of morsels while moistening them for digestion before they reached the stomach.

Summer Holiday Notes.

During a visit to the country one summer, we observed new examples of our familiar rule. When we compared the dimensions of a small sectional cabin with those of a large house, we saw the principal reason why the cabin was hard to keep cool in July, and hard to keep warm in December. We noticed tasks which depended upon giving wood, cloth or other material as much surface as possible, whether new forms were like old ones or not. A neighboring sawmill was busy cutting up logs into thin boards; these were piled in open tiers, so that the drying winds might speedily finish their work. In the same way we noted a laundress spreading out by itself each table-cloth and apron fully to catch the wind, instead of leaving the linen as a solid heap in her basket, where only the edges would be dried. When the farm-hands went haymaking they followed the same rule; they tedded out their gavels to give them the utmost supply of sun and air; when all was as dry as a bone they reared a haycock of compact form so as to expose the least possible surface to rain and snow.

Dimensions Molecular.

So much for things to be observed in a country ramble, in a city store, or at the docks of a busy port. Apart from all such things is a world unseen, standing beneath the visible world, and equally worthy of study. Here knowledge is based upon inferences, upon what lawyers call circumstantial evidence. The chemist by means purely indirect studies the molecule and the atom, objects that far elude his microscope. A molecule is a part of a compound so small that it cannot be divided without becoming something[131] simpler. Thus a sugar molecule is made up of carbon, hydrogen, and oxygen atoms; were these disjoined, the sugar, as such, would cease to be, just as a brick wall no longer exists when its bricks and their several slices of mortar are parted from one another as separate units. Small as molecules are they have not escaped the measuring rod of the physicist. Some years ago Lord Kelvin experimentally arrived at the estimate that the average molecule has a diameter of 1760,000,000 inch. Such molecules when compared with masses of like form, and of a diameter of one inch; have 760,000,000 times as much surface. In the transmission of motion, with adhesion in play, surfaces count for much, as when a wheel in motion is brought into contact with a wheel at rest. Here may be an explanation of why electricity is conducted through a wire with a velocity far exceeding any speed we can mechanically impress upon the metal, because the molecules concerned have incomparably more surface than the wire as a mass.

Reservoirs of Energy.

By virtue, also, of its minuteness the molecule as a reservoir of energy can far excel a mass of visible dimensions. Let us compare two rotating spheres, one of them of seven times the radius of the other. We spin both at the same peripheral rate, and gradually increase this speed: which will be the first to break apart under centrifugal strain? The larger, and why? Because the cohesion of a sphere is in proportion to the area of its great circle, which varies as the square of its diameter, while centrifugal strain under swift rotation varies as the cube of that diameter, or as the volume of the sphere. From this it follows that we may safely spin our small sphere with a circumferential velocity seven times that given the large sphere; therefore as containers of energy small spheres are more effective than large, and this inversely as their diameters. Spheres, or bodies of any other form, if reduced in dimensions to 1760,000,000th, would as reservoirs of energy gain 760,000,000-fold. Thus we open a door of explanation regarding the stupendous contrast between chemical energy and mechanical work. Chemical processes are exerted by molecules and atoms, mechanical work takes place among masses comparatively enormous in bulk. It may require a hundred blows from a ponderous steam hammer to raise the temperature of an iron bar ten degrees; that[132] bar melts in ten seconds when plunged into a flame produced by a few ounces of hydrogen and oxygen gases.

Recent experiments by Professor Joseph J. Thomson point to the probability that the atom of the chemist while a unit, is in part built of electrons each but one-thousandth part the size of a hydrogen atom. An electron, by virtue of its infinitesimal minuteness, becomes able to hold proportionately much more energy than is possible to an atom moving as a whole. This brings us to some comprehension of the astonishing powers of radium, an element which maintains itself at a temperature 3° to 5° Centigrade higher than that of its surroundings, probably through the collision within each atom of its component parts.

Dvorak Sound-mill.

Repulsion by Sound and Light.

Water-waves as they strike a shore or the sides of a basin exert a thrust, or a repelling action, which may easily be observed. That sound-waves act in similar fashion is proved by a little sound-mill devised in 1883 by Professor V. Dvorak, of the University of Agram in Austria. It consists of four vanes, each a small card slightly curved, mounted on a spindle. In a sounding-box nearby is a tuning-fork which may be struck through its stem F. A Helmholtz resonator has its wide opening turned toward this box, its narrow opening toward the mill. A stroke on the tuning-fork emits vibrations which send tiny jets of air against the sails of the mill, which accordingly rotate at a pace proportionate to the loudness of the sound.

[133]

A beam of light deflects dust.

Professor Ernest F. Nichols of Columbia University, New York, and Professor Gordon F. Hull of Dartmouth College, in the Journal of Astrophysics, Chicago, June, 1903, describe their apparatus for measuring the radiation pressure of light, a phenomenon analogous to that studied by Professor Dvorak in the field of sound. In the same number of that Journal they detail an experiment to show light exerting a driving action on very tenuous particles. They burned a puff ball of lycoperdon to charcoal spherules of about one-sixth the specific gravity of water. These spherules, with some fine emery sand, they placed in a glass tube shaped like an hour-glass; this tube was then exhausted of its gases until a mere fraction remained which could not be removed. With the sand and charcoal in its upper half the tube was held upright, while a beam of light twenty to forty times as strong as sunshine was thrown on the tube just below its neck. By tapping the glass a stream of sand and charcoal descended; the sand fell through the beam without deflection; the charcoal particles were driven away from the stream as they fell through the light. Part of this effect was due to the slight remnant of gas left in the tube which, warmed by the light, produced a motion resembling that of a Crookes’ radiometer; the remainder of the effect was caused by the drive or repulsion of the luminous beam. It is argued that this repulsion by light is probably one of the causes why the sun seems to drive away the tail of a comet, whose particles being extremely minute have much surface and little bulk, so that they are more repelled by the light of the sun than they are attracted by his mass. To approach cometary conditions in an experiment it would be necessary to intensify sunlight no less than 1,600-fold, because on the surface of the earth[134] its own gravitation is 1,600 times greater than that which is there exerted by the sun.

A Law as a Binding Thread.

The law that a given shape when enlarged increases much more rapidly in volume than in surface has, in our brief survey, bound together a wide diversity of facts in astronomy, geology, geography, navigation, engineering, mechanics, physics, and chemistry. A good many times I have brought it before young folks as a means of linking together everyday observations and principles of sweeping comprehensiveness. Boys and girls are apt to think that there is a formidable barrier between science and common knowledge. No such barrier exists. The sun, his planets and their moons; the forces which carve mountains and valleys; the arts of shipbuilders, of designers of bridges, office-buildings, and lighthouses; the plans of the inventors of machinery; the rules discovered by investigators who pass from appearances to the underlying reality of molecule and atom, are all within the sway of the elementary law we have been studying. There is a gain in thus pursuing a connecting thread of classification, conferring order as it does on what might else be an assemblage of things collected at random. A law such as that of size links into unity, and fastens in the memory a vast array of observations and experiments which otherwise would have no associating tie, no common illumination.


[135]

CHAPTER XI
PROPERTIES

Food nourishes . . . Weapons and tools are strong and lasting . . . Clothing adorns and protects . . . Shelter must be durable . . . Properties modified by art . . . High utility of the bamboo . . . Basketry finds much to use . . . Aluminium, how produced and utilized . . . Unwelcome qualities turned to profit . . . Properties long worthless are now gainful . . . Properties may be created at need.

Materials are valued for their properties as well as their forms. We now pass to a rapid survey of properties as observed in gifts of nature, as modified by art, as turned to account in many ingenious ways, as studied by the investigators who would fain know in what particulars of ultimate form, size and motion, properties may really consist.

We go to market with a few different coins: one of them is worth a hundred times as much as another of about the same size, because gold is more beautiful than nickel, does not tarnish, may be hammered into leaves of extreme thinness, or unites with copper as an alloy which withstands abrasion for years after it leaves the mint. When we build a house we wish strength in its foundation and walls, so we pay a higher price for granite than for limestone; and choose for joists, floors and rafters well seasoned wood in preference to newly sawn lumber liable to warp and crack with heat in summer, with cold in winter. So with raiment: silk is preferred to cotton or wool because handsomer, stronger, more lasting. But food comes before shelter, raiment or any other need of mankind, and qualities of nourishment and palatability mark off nuts, fruits, grain and roots as suitable for food. In this regard all living creatures exercise discrimination under penalty of death.

[136]

Food.

A score of sparrows are flitting about a door-yard; strew a handful of crumbs on the gravel before them; at once the birds begin picking up the bread, leaving the gravel alone. They know crumbs, good to eat, from stone, not good to eat. The earliest races of men, immeasurably higher than birds in the scale of life, have eaten every herb, root, grass, and fruit they could find. Experiment here was as wide as the world, and bold enough in all conscience. In many cases new and delicious foods, thoroughly wholesome, were discovered. At other times, as when the juice of the poppy was swallowed, sleep was induced, with a hint for the escape from pain in artificial slumber. In less happy cases the new food was poisonous; yet even this quality was pressed into service. In Mendocino County, California, to this day, the Indians throw soap root and turkey mullein, both deadly, into the streams; the fish thus killed are eaten without harm. These same Indians make acorns and buckeye horse chestnuts into porridge and bread, pounding the seeds into a fine flour and washing out its astringent part with water. These and other aborigines use for food and industry many plants neglected by the white man, taking at times guidance from the lower animals. One of the early explorers of South Africa, Le Vaillant, says that the Hottentots and Bushmen would eat nothing that the baboons had left alone. Following their example he would submit to a tame baboon new plants for acceptance or rejection as food.

Weapons and Tools.

As with food so with other resources almost as vital. Long ago the savage learned that hickory makes good bows and arrows, that as a club it forms a stout and lasting weapon. He discovered, too, that in these qualities soft woods are inferior and the sumach altogether wanting. Thus, too, with the whole round of stones from which as a warrior or a craftsman he fashioned knives, chisels, arrowheads, axes; it was important that only tough and durable kinds should be employed. No lump of dry clay ever yet served as a hammer or an adze; happy were the tribes, such as those of ancient Britain, who had at hand[137] goodly beds of flint from which a few well directed blows could furnish forth a whole armory of tools and weapons.

Properties Modified.

In the eating of foods simply as found, in the use of materials for clothing or building just as proffered by the hand of nature, much was learned as to their qualities; some were found good, others indifferent, still others bad. Then followed the art of modifying these qualities, so as to bring, let us say, a fibre or a thong from stiffness to pliability and so make it useful instead of almost worthless. The progress of man from downright savagery may be fairly reckoned by his advances in the power to change the qualities of foods, raiment, materials for shelter, tools, and weapons. These arts of modification go back very far. At first they may have consisted simply in taking advantage of the effects of time. In the very childhood of mankind it must have been noticed that fruit harsh and sour became mellow with keeping, just as now we know that a Baldwin apple harvested in October will be all the better for cellarage until Christmas, the ripening process continuing long after the apple has left its bough. Grains and seeds when newly gathered are usually soft and, at times, somewhat damp; exposed to the sun and dry air for a few days they become hard and remain sound for months or even years of careful storage. In warm weather among many Indian tribes such food was almost the only kind that remained eatable; all else went to swift decay, except in parched districts such as those of Arizona, so that roots, fruits, the flesh of birds, beasts, and fish had to be consumed speedily, a fact that goes far to account for the gluttony of the red man. His stomach was at first his sole warehouse; that filled, any surplus viands went to waste. In frosty weather this havoc ceased; as long as cold lasted there was no loss in his larder. A few communities, as at Luray, Virginia, or at Mammoth Cave, Kentucky, in their huge caverns had storehouses which would preserve food all the months of the twelve. In New Mexico and other arid regions the air is so dry that meat does not fall into decay. How it was discovered that smoke had equal virtue we know not. Probably the fact came out in observing the[138] accidental exposure of a haunch of venison as the reek from a camp-fire sank into its fibres. Salt, too, was early ascertained to have great value in preserving food. Suppose a side of buffalo, or horse, to have fallen accidentally into brine in a pool or kettle, and stayed there long enough for saturation, its keeping sweet afterward would give a hint seizable by an intelligent housewife. Preservation by burial in silos began in times far remote, and was fully described by Pliny in the first century of the Christian era.

Properties in Clothing.

The skin just taken from a sheep, the hide when removed from an ox, are both as flexible as in life. But they soon stiffen so as to be uncomfortable when worn as garments. Wetting the pelt is but a transient resource; satisfactory, because lasting, is the effect of rubbing grease, fat, or oil into the texture of the hide. Peary in Greenland found that pelts in small pieces, and bird-skins, were softened by the Eskimo women chewing them for hours together.

Wetting was as notable an aid to handicraft of old as today. Boughs, roots, withes, osiers, or the stems of fibrous plants, when thoroughly saturated with water became so soft as to be easily worked, yielding strands, as in the case of hemp, separated from worthless pulp. Hence the basketmaker, the wattler, the builder, the potter, the weaver of rude nets and traps, long ago learned to wet their materials to make them plastic. Take now the reverse process of drying, which toughens wood, and the sinews used as primitive thread. Leaves when dried become hard and brittle of texture, hence the necessity that when woven and interlaced as roofs the work shall promptly follow upon gathering the material. In plaiting coarse mats and sails may have begun the textile art which to-day gives us the linens of Belfast, the silks of Lyons and Milan.

Cotton Strengthened and Beautified.

A good and serviceable imitation of silk is due to a simple and ingenious treatment of cotton. In 1845 John Mercer, a Lancashire calico printer, one day filtered a solution of caustic soda through a piece of cotton cloth. He noticed that the cloth, as it dried, was strangely altered; it had shrunk considerably both in length and breadth, had become stronger,[139] with an increased attraction for dyes. This was the beginning of the mercerization which to-day produces cotton fabrics almost as strong and handsome as if silk. The cloth, preferably woven of long Sea Island staple, is immersed in a solution of caustic soda, and afterward washed in dilute sulphuric acid and in pure water. As it enters the caustic bath the cotton is pure cellulose, as it leaves the bath the fabric is hydrated cellulose, with new and valuable properties. The structural change in the fibre is decided. The original filament of cotton is a flattened tube, the sides of which are close together, leaving a central cavity which is enlarged at each edge of the surrounding tube. It is opaque and the surface is not smooth. The fibre has also a slight twist. The tube after treatment becomes rounded into cylindrical form; its cavity is lessened and the walls of its tube thicken; the surface becomes smooth and each fibre assumes a spiral form. Effects like these of mercerization are produced in paper as well as in cotton cloth, yielding vegetable parchment, a familiar covering for preserve jars and the like.

Properties in Building Materials.

Some sandstones, such as are common in Ohio and Indiana, soft when hewn in the quarry, soon harden on exposure to wind and weather; materials of this kind in early times afforded shelter more lasting than tents of boughs or hides. But the building art was to know a gift vastly more important when an artificial mud was blended of clay and water, with a steady improvement both in the strength and durability of the product. It was a golden day in the history of man when first a clayey paste was patted into a pot, a bowl, a kettle: then was laid the foundation of all that the potter, the brick maker, the tile molder have since accomplished. Another remarkable discovery, needing prolonged and faithful experiment, was reached when pottery was found to keep its form better when broken potsherds and bits of flint were mingled with its clay. A discovery of equal moment was that of mortar, probably approached in the daubing of mud or clay into chinks of stones, with the admixture first of one substance and then another until the right one was found, and the binder and the bound became of one and the same hardness. The Romans, a deliberate race, took two years in making a batch of mortar; that bond to-day protrudes[140] from their walls as more resistant to the tooth of time than stone itself.

Flame and Electricity as Modifiers.

But if water did much to modify properties, flame did infinitely more. A block of blue limestone thrust into a fire was burned to whiteness, and became lime, which, mixed with water, proved a biting compound of slippery feel,—an alkali indeed. This same wonderful flame caused water wholly to disappear from a heated kettle; or could dissipate almost the whole of an ignited brand or lump of fat. By cooking a food, it gave a new relish to the poorest dish, banished from such a root as tapioca its poison, and when a yam was baked it remained eatable for a twelvemonth. Fire enabled man to melt metals as if they were wax, to soften iron or copper which a deftly swung hammer shaped as he willed. Here, too, opened the whole world of chemistry, one of its first gifts the power to take an ore worthless when unchanged, and gain from it a battle-axe, a knife, an arrowhead. Even in this day of electricity it is fire which the engineer must evoke to create acids, alkalis, sugars, alcohols, from substances as different from these as iron is from iron ore.

Electricity as a modifier of properties in turn throws flame into eclipse. Take an example: a strip of ferro-nickel is fast dissolving in an alkaline bath; attach one end of the metal to the negative pole of a battery or a dynamo, the other end to the positive pole; at once solution ceases and the metal begins to pick out kindred particles from the bath, adding them to itself. Electricity has completely reversed the wasting process; what was eaten away is now growing, what was a compound is now shaken into its elements, one of which rapidly increases in mass. Nothing in the empire of heat is as striking as this process—familiar in renewing the energy of a storage battery. Many a union or a parting impossible to fire is wrought instantly by the electric wave.

The Bamboo Rich in Utilities.

When Mr. Edison devised his electric lamp, his first successful filaments were fibres of bamboo; they glowed more brilliantly than anything else he could find, they were tenacious enough to withstand intense heat for weeks together. A single gift of nature, such as the bamboo, may be so many-sided that its applications[141] greatly enrich human life. A task of interest would be to trace the vast indebtedness of modern science and art to carbon, iron, or silver, in their various forms. But the bamboo is cheaper and more abundant than any of these, so that it will be worth while to glance at the many wants it has satisfied, at the creations it has suggested to ingenuity. In Ceylon, India, China, Japan, the Malay archipelago, it is the chief item of natural wealth, the main resource for the principal arts of life. First of all it provides food. More than one case is recorded where its abundant seeds have staved off the horrors of famine; these seeds, too, are commonly fermented to produce a drink resembling beer. Many species of bamboo have shoots which when young and tender are a palatable and nourishing food. As a building material it is strong, durable and easily divided. Its sizes are various enough to provide a fishing-rod for a boy, or a column for a palace.

“To the Chinaman, as to the Japanese,” says Mr. Freeman-Mitford, in “The Bamboo Garden,” “the bamboo is of supreme value; indeed it may be said that there is not a necessity, a luxury, or a pleasure of his daily life to which it does not minister. It furnishes the framework of his house and thatches the roof over his head, while it supplies paper for his windows, awnings for his sheds, and blinds for his verandah. His beds, tables, chairs, cupboards, his thousand and one small articles of furniture are made of it. Shavings and shreds of bamboo stuff his pillows and mattresses. The retail dealer’s measure, the carpenter’s rule, the farmer’s waterwheel and irrigating pipes, cages for birds, crickets, and other pets, vessels of all kinds, from the richly lacquered flower-stands of the well-to-do gentleman down to the humblest utensils of the very poor, all come from the same source. The boatman’s raft, and the pole with which he punts it along; his ropes, his mat sails, and the ribs to which they are fastened; the palanquin in which the stately mandarin is borne to his office, the bride to her wedding, the coffin to the grave; the cruel instruments of the executioner, the beauty’s fan and parasol, the soldier’s spear, quiver, and arrows, the scribe’s pen, the student’s book, the artist’s brush and the[142] favorite study for his sketch; the musician’s flute, the mouth-organ, plectrum, and a dozen various instruments of strange shapes and still stranger sounds—in the making of all these the bamboo is a first necessity. Plaiting and wickerwork of all kinds, from the coarsest baskets and matting down to the delicate filigree which encases porcelain, are all of bamboo fibre. The same material made into great hats like inverted baskets protects the coolie from the sun, while the laborers in the rice fields go about looking like animated haycocks in waterproof coats made of the dried leaves of the bamboo sewn together.”

Materials for Basketry.

In North America the Indians have had no such resource as the bamboo, but with tireless sagacity they have laid under contribution either for food or for the arts every gift of the soil. In seeking materials for basketry, for example, they have surveyed the length and breadth of the continent, testing in every plant the qualities of root, stem, bark, leaf, fruit, seed and gum, so far as these promised the fibres or the dyes for a basket, a wallet, a carrier. With all the instinct of scientific research they have sought materials strong, pliant, lasting and easily divided lengthwise for refined fabrics. In his work on “Indian Basketry” Mr. Otis T. Mason has a picture of a bam-shi-bu coiled basket, having a foundation of three shoots of Hind’s willow, sewn in the lighter portions with carefully prepared roots of kahum, a sedge; while its ornamental designs are executed in roots of a bulrush, the tsuwish. Often a basket, as in this case, is built of materials found miles apart, each requiring patient and skilful treatment at the artist’s hands.

A few trees, the cedar in particular, lend themselves to the needs of the basketmaker with a generous array of resources. Mats of large size made from its inner bark are common among the Indians of the Northern Pacific Coast. From the roots of the same tree hats are woven as well as vessels so close in texture as to be watertight. When the roots are boiled so as to be readily torn into fibres, these are formed into thread, either woven with whale-sinews or with kelp-thread as warp. Among the handsomest of all Indian baskets are those of the Pomo tribe, one of which is shown on page 109. The splints for their creamy[143] groundwork are made from the rootstock of the Carex barbarae, which are dug from the earth with clam shells and sticks, a woman securing fifteen to twenty strands in a day. These she places in water over night to keep them flexible, and to soften the scaly bark which is afterward removed. To make a basket watertight the Indians of Oregon weave the inner bark of their maple with the utmost closeness. In other regions a simpler method is to apply as water-proofing the gum of the piñon, the resins of pines, or mineral asphalt. Equal diligence and sagacity mark the Indians as users of stone. The Shastas heat a stone of such quality that in cooling it splits into flakes for weapons and tools. They place an obsidian pebble on an anvil, and with an agate chisel divide it as they wish; all three being chosen from a vast diversity of stones which must have been tried and found, inferior.

Aluminium and Its Uses.

From Indian handicrafts, developed by aboriginal skill, patience and good taste to remarkable triumphs, let us turn to an achievement of a modern chemist who, calling electricity to his aid, bestowed a new metal upon industry, making possible new economies in a wide sisterhood of arts. Aluminium was discovered in 1828 by Wohler, a German chemist, who noted its lightness, toughness, and ductility. At the Centennial Exhibition at Philadelphia, in 1876, a surveyor’s transit built of aluminium was shown, but the metal at that time was six-fold the price of silver, so that the instrument for some years remained uncopied. Of course, engineers and mechanics were much interested in a metal only about one-third as heavy as brass or copper, of white lustre, and with as much as five-eighths the electrical conductivity of copper. All that hindered the extensive use of the metal was its high cost. If that cost could be lowered, at once copper, and even silver, would face a rival. After many unsuccessful because expensive processes for obtaining the metal had been devised, a method was found at once simple and inexpensive.

This method of separating aluminium from its compounds was devised by Charles M. Hall, while an undergraduate student at Oberlin College, Ohio. His success turned on his knowledge of the properties of related metallic compounds. He recognized[144] the probable value of aluminium in the arts, could it be produced in large quantity at low cost. He believed that electrolysis would prove the most convenient, thorough and inexpensive method; but there was at that time no process known by which it could be applied to this element. His problem was to find a form of electrolyte rich in aluminium which should be comparatively easy to separate into its elements, and to discover a substance for the solvent which should prove a satisfactory bath. This latter substance must, furthermore, be a good conductor of electricity, must readily dissolve the proposed electrolyte, and must have a higher resistance to electrolytic disruption than the electrolyte. To discover the needed substances for electrolyte and solvent involved the examination of all available compounds of aluminium, the study of the various possible solvents for the compound selected, and the determination of electric conductivities. By virtue of rare familiarity with the chemistry and physics of the subject, with the properties of every substance concerned, the search was, after a time, rewarded with complete success. It was found that bauxite—the oxide of aluminium, alumina, in fact—is dissolved by molten cryolite, the double silicate of aluminium and sodium, and that the latter, while dissolving the bauxite freely and serving as an ideal solvent, also itself breaks up under the action of the electric current at a much higher voltage than alumina. So far as known, these are the only substances in nature which stand to each other in such relation as to permit the commercial production of the metal.

Aluminium as constructive material has disappointed some of its earlier advocates. It is difficult to work, gumming the teeth of files and resisting cutting and drilling tools by virtue of the very toughness which makes it desirable for tubes, columns, and the like. Its excellences, however, are manifold: the German army on investigation found that helmets of aluminium, as light as felt, turned the glancing impact of a bullet. For soldiers’ use it now forms not only helmets, but cooking vessels, cartridge cases, buttons, sword and bayonet scabbards. It gives the photographer as well as the surveyor instruments which unite strength with lightness. It has furthermore the quality which has long given value to the lithographic stone of Hohenlofen in Bavaria.[145] Aluminium takes a sketch as perfectly as does the stone, with the inestimable advantages that the metal may be readily curved for a cylinder press, that it is compact and light in storage, while without the brittleness which has made stone so costly a servant to both artists and printers. To produce a deep color from stone it may be necessary to print one impression over another again and again; from aluminium a single impression is enough, as severe pressure may be safely applied.

Aluminium has so great an affinity for oxygen as to play a conspicuous part in the metallurgy of other metals. In the casting of iron, steel or brass, the addition to each ton of two to five pounds of aluminium greatly improves the product; the aluminium by combining with the occluded gases reduces the blowholes and renders the molten metal more fluid and therefore more homogeneous. A second use for aluminium turns on the same quality; it was devised by Dr. Goldschmidt for producing high temperatures, and is especially useful in welding steel rails and pipes. A mixture of iron oxide and aluminium finely divided is ignited by a magnesium ribbon; a very high temperature results as the aluminium combines with the oxygen derived from the iron oxide.

Aluminium by reason of its lightness occupies a large field in naval and military equipments, in motor-car construction, and the like, where the reduction of weight is of paramount importance. For cooking utensils the use of aluminium is constantly extending; the metal is a capital conductor of heat, is not liable to deteriorate in use, and gives rise, if dissolved, to harmless compounds. The chief objection to aluminium is its low tensile strength, which, for the cast metal is only 10,000 to 16,000 pounds per square inch. An improvement is effected by adding as an alloy a small quantity of some other metal, such as nickel or copper. When one part of aluminium is joined with nine parts of copper we have aluminium bronze, the strongest and handsomest of copper alloys, much resembling gold in its lustre.

Aluminium is finding acceptance as an electrical conductor. An installation of this kind in Canada unites Shawinigan Falls with Montreal, 84.3 miles distant. Three cables are employed, each composed of seven No. 7 wires. The total loss in the[146] transmission of 8,000-horse power, at 50,000 volts at the generating station, is about eighteen per cent. Comparing equal conductors, in round numbers the cross-section of an aluminium cable is one-and-a-half times that of a copper cable, the weight being one-half and the tensile strength three-quarters. Everything considered when aluminium is 2110 the price of copper, the investor is equally served by both metals as conductors. This is true only where the conductors are bare. Where insulated cables are needed, the increased diameter of an aluminium conductor entails extra cost for insulating material.

Properties at First Unwelcome are Turned to Account.

At first the lightness and weakness of aluminium were much against it; these, as we have seen, were soon overcome by alloying the metal with copper or nickel. But by giving aluminium forms of utmost stiffness, by reinforcing these forms with steel wires, the metal is quite strong and rigid enough for cups, plates, cameras and other instruments for which lightness is most desirable. In many another case a material or a characteristic at first unwelcome has been turned to excellent account. Smokiness in a fuel is not a quality mentioned in its advertisements, and yet smokiness is just what is sought in the twigs, stubble, or coals set on fire to give plants a cloud protecting them from unseasonable frosts. It is astonishing how little fuel will serve in such cases, especially if the atmosphere is calm, so as not to carry the smoke where it is not needed. Many another instance might be given of a quality objectionable for one service and then turned to satisfying a new want. Sometimes, too, offensive qualities are most useful. Illuminating gas, as at first manufactured, had a distressing odor, which gave prompt and unmistakable notice of a leak. When water gas came into use, most harmful when inhaled, the chemists were puzzled to know how to give it an offensive smell; they found that a quality long complained of was really an advantage in disguise.

So in the electrical field, when an unsought quality has intruded itself, and proved unwelcome, the question has arisen, what service can we enlist it for? Not seldom the answer has been gainful in the extreme. Dr. Oliver J. Lodge tells us that a bad electrical contact was at one time regarded simply as a nuisance,[147] because of the singularly uncertain and capricious character of the current transmitted by it. Professor Hughes observed its sensitiveness to sound-waves, and it became the microphone, which, duly modified, brought the telephone from the whisper of a curious toy to the full tones which ensured commercial success the world over. This same “bad” contact turns out to be sensitive to electric waves also, forming indeed nothing else than the coherer of the wireless telegraph.

Many an electrician has been perplexed and thwarted by the small bubbles of air which place themselves on a metallic surface immersed in an electric bath, interrupting the attack sought to be carried to a finish. Happily there is a task which these very bubbles perform as if they had been created for no other purpose, namely, the re-sharpening of files. First the dull and dirty files are placed for twelve hours in a fifteen to twenty per cent. solution of caustic soda; they are then cleaned with a scratch-brush and a five per cent. soda solution. Next they are placed in a bath of six parts of forty per cent. nitric acid, three parts sulphuric acid, and 100 parts water, each file being connected to a plate of carbon immersed close to it, by means of a copper plate connecting at the top all the carbons and the files. This produces a short-circuited battery generating gas at the surface of the files; the bubbles which adhere to the points of the files protect them from being eaten away, while the rest of the metal is being etched. Every five minutes the files are taken out and washed in water to remove the oxide which collects on their surfaces. When sufficiently etched they are placed in lime-water to remove any adherent acid, dried in sawdust to prevent rusting, and rubbed with a mixture of oil and turpentine. Indispensable in the whole process is the protection afforded by the bubbles of air.

Evil, Be Thou My Good.

For a long time its creation of sparks kept electrical machinery out of mines liable to fire-damp, which might be exploded by these sparks. In many other places they worked evils quite as serious, setting fire to shavings, cotton and such like. To-day these very sparks are applied to touching off the charges of gas and air in gas-engines of all types, whether stationary, or for[148] automobiles and motor-boats. In another respect the automobile should be provided with a means of creating what is usually considered a nuisance, namely, a noise. Moving rapidly as it does on thick rubber tires, it gives no warning to hapless wayfarers. In Canadian cities, where in winter deep snow may muffle the tread of horses, every sleigh, under severe penalty, must be furnished with efficient bells.

Compensating Devices.

Sometimes an important property has unwelcome effects which, in particular cases, cannot be applied to advantage, and must be counterbalanced with as much care as possible. Many pieces of mechanism from the qualities of their materials are subject to deviations which must be compensated by introducing equal and opposite action. Tasks of this kind proceed upon an intimate acquaintance with the properties of substances common and uncommon. From the first making of clocks there was much trouble due to changes of temperature which affected the dimensions of pendulums, and consequently their rate of going. This difficulty is overcome by taking advantage of the fact that heat expands zinc about two-and-a-half times as much as it expands steel. Accordingly the two-second pendulum of the great clock at Westminster is built of a steel rod 179 inches in length, and a zinc tube, less massive, 126 inches long; they are joined at their lower ends only and are parallel. As temperatures vary, the fluctuations in length of the steel compensate those which occur in the zinc. Another mode of effecting the same purpose is to employ a cylinder partly filled with mercury; as this rises when warmed it exactly compensates for the lengthening by expansion of its supporting rod of steel.

Gravity, that universal force at which we have just glanced as it swings a pendulum, cannot be banished, but its downward push may be balanced by an equal upward thrust. In a remarkable feat Plateau poured oil into a blend of water and alcohol, adding alcohol until he produced a mixture having the same specific gravity as the oil—which now became a sphere, taking its place in the middle of the diluted spirits. He then introduced into the oil a vertical disc which he rotated; very soon spherules of oil separated themselves from the parent mass,[149] and as satellites moved in the same direction as the primary sphere, because immersed as they were in the diluted alcohol, they shared the direction of its motion: the whole afforded a remarkable illustration of how nebulae may become planets, moons, and suns.

On somewhat the same principle as Plateau’s model are the liquid compasses for ships. Their needles are disposed within hollow metallic holders of the same specific gravity as the immersing liquid, in which therefore they move with perfect freedom on their sapphire bearings. Sometimes it is desired to use compass needles so poised that they will respond to the slightest magnetic influence. To this end one needle is placed above another, the north pole of the first over the south pole of the second; the astatic needle formed by this union is much more sensitive than a simple needle. The astatic needle, for all its ingenuity, is little used; of incomparably more importance is that other magnetic device, the telephone. No sooner had it entered into business than a serious fault was found with its messages; they arrived blurred and mingled with many sounds and noises, as if the conveying wire had caught every audibility of a neighborhood. The difficulty is remedied by using two conductors instead of one, and so arranging them that the currents induced on one conductor are exactly equal and opposite to those induced in the other.

Properties Long Deemed Useless are Now Gainful.

If properties at first unwelcome have at last been turned to account, so also have properties which were long deemed utterly useless. A big and interesting book might be filled with the story of how by-products, long thrown away as worthless, have rewarded careful study with great profit. Thus for ages was bran discarded in flour-mills: to-day it may afford all the miller’s profit, or even more than that profit. In the Southern States until a generation ago cotton seed was regarded as valueless. At present that product, so long wasted, is the basis of a great industry, a ton of seed yielding about 1089 lbs. of meat to 20 lbs. of lint; out of this meat 800 lbs. are cake and meal; the remainder, 289 lbs., forms an oil which furnishes a substitute for olive oil and lard. Until a few years ago glycerine[150] was thrown away as produced in candle-works and soap factories. It is now so valuable that manufacturers adopt just that method of preparing fatty acids which yields most glycerine from neutral fats. So in paper-making, the soda which formerly was sent into creeks and rivers to the pollution of sources of water-supply, is now used over and over again, largely increasing the net results of manufacture. No industry has shown of late years so large utilization of products formerly wasted as the iron and steel manufacture. Its slags are made into bricks, cement, and glassy non-conductors of heat and electricity. Its gases are used for engines developing immense motive powers, or they are in part condensed for valuable acids or other compounds. In these cases and thousands more the question has been, What are the properties of these by-products? How can they be made useful?

Separation Turns on Diversity of Properties.

Let us note how diverse substances are separated from one another by taking hold of differences in their properties. When a handful of grain which has just passed under a flail is thrown upward in a breeze, its chaff is blown much farther than the grain; the difference in breadth of surface, joined to a difference in density, enables the wind to effect a thorough separation. A common fanning mill, with its quick air current, works much better than the fitful wind, because continuously. That simple machine, like every other which takes a mixture and separates its ingredients, seizes upon a difference in properties. In Edison’s apparatus for removing iron from sand or dust, a series of powerful magnets overhang a stream of sand or powdered material, deflecting the iron particles so that they fall into a bin by themselves, while the trash goes into an adjoining larger bin. The Hungarian process of flour-milling first crushes wheat through rollers; the various products are then separated by processes which lay hold of differences in specific gravity—often but slight.

A feat more difficult than that of the Hungarian mill would seem to be the division of diamonds from other stones. It has been accomplished by Mr. Frederick Kersten of Kimberley, South Africa. He noticed one day at his elbow a rough diamond and a garnet on a board. He raised one end of this board, and while[151] the garnet slipped off, the diamond remained undisturbed. What was the reason? He observed that the wood bore a coating of grease, which possibly had held the diamond while the garnet had slipped away. He took a wider board, greased it, and dropped upon it a handful of small stones, some of which were rough diamonds. He found that by inclining the board a little, and vibrating it carefully, all the stones but the diamonds fell off, while the diamonds stuck to the grease. He forthwith built a machine with a greasy board as its separator, and scored a success.

On quite a different plan is built the coal washer which separates coal from slate. Pulses of water are sent upward through a sieve so as to strike a broken mixture of coal and slate, making a quicksand of the mass. Because the slate is heavier than the coal it is not carried so far, and is therefore caught in a separate stream and thrown away.

Properties Newly Discovered and Produced.

Separations, such as we just considered, turn upon obvious differences in density. Properties not obvious, yet highly useful, come into view year by year as observers grow more alert and keen, as new instruments are devised for their aid, as measurements become more refined, so that matter is constantly found to be vastly richer in properties than was formerly supposed. We have long known that carbon has forms which vary as widely as coal, graphite and the diamond. Many other elements are detected in a similar masquerade. Iron, for instance, takes three forms, alpha, beta, and gamma. Alpha iron is soft, weak, ductile and strongly magnetic; beta iron is hard, brittle and feebly magnetic; gamma iron is also hard and feebly magnetic, yet ductile. Joule, the famous English experimenter, prepared an amalgam of iron with mercury; when he distilled away the mercury, the remaining iron took fire on exposure to the air, proving itself to be different from ordinary iron. Moissan has shown that similar effects follow when chromium, manganese, cobalt and nickel are released from amalgamation with mercury.

At first steel was valued for its strength and elasticity; to-day we also inquire as to its conductivity for heat or electricity, its[152] behavior in powerful magnetic fields, its capacity to absorb or reflect rays luminous or other. As art moves onward we enter upon new powers to change the properties of matter, compassing new intensities of heat and cold, each with new effects upon tenacity, elasticity, conductivity. So also with the extreme pressures, possible only with modern hydraulic apparatus, which prove marble to be plastic, and reduce wood to a density comparable with that of coal, explaining how anthracite has been consolidated from the vegetation of long ago.

And one discovery but breaks the path for another, and so on indefinitely. Coming upon a new property, the sensitiveness of silver compounds to light, meant a new means of further discovery, the photographic plate. That plate, responsive to rays which fall without response upon the retina, reveals much to us otherwise unknown and unsuspected. Of old when an observer saw nothing, he thought there was nothing to see. We know better now. Thanks to the sensitive plate we have reason to believe that properties, once deemed exceptional, are really universal. Phosphorescence, for ages familiar in the firefly, in decaying logs and fish, now declares itself excitable in all substances whatever, although usually in but slight measure. The case is typical: the polariscope, the spectroscope, the fluoroscope, the magnetometer, the electroscope, each employing as its core a substance of extraordinary susceptibility, detects that quality in everything brought within its play. Thus from day to day matter is disclosed in new wealths of properties, and therefore in new and corresponding complexities of structure. In ages past mankind was on nodding terms with many things, and had no intimate knowledge of anything.

With materials before him richer in array than ever before, and better understood than of old, the inventor asks, What properties do I wish in a particular substance? Then, he proceeds to make, if he can, a dye of unfading permanence, an insulator resistant to high temperatures, an alloy which when subjected to heat or cold remains unaltered in dimensions. He finds materials much more under command than a century ago could have been imagined, as the glass manufacture, the alloying industry, the making of artificial dyes, abundantly prove.

[153]

Edison’s Warehouse as an Aid.

Mr. Edison, for aid in finding just the substance he needs for a new purpose, has at his laboratory in Orange, New Jersey, a large store-room filled with materials of all kinds. He may wish a particularly high degree of elasticity, hardness, abrasive power, or what not; to provide these he has gathered a wide diversity of woods, ivories, fibres, horn, glass, porcelain, metals pure and alloyed, alkalis, acids, oils, varnishes and so on. Take one example from among many which might be given from his shelves; he finds that a sapphire furnishes the best stylus wherewith to cut a channel on a phonographic cylinder. Hard, flinty particles from the air are apt to enter the wax, so as to blunt a cutting edge. Diamonds would be best as channelers, but their cost obliges him to choose sapphires as next best; they are purchasable at reasonable prices and last ten years under ordinary conditions of wear.


[154]

CHAPTER XII
PROPERTIES—Continued

Producing more and better light from both gas and electricity . . . The Drummond light . . . The Welsbach mantle . . . Many rivals of carbon filaments and pencils . . . Flaming arcs and tubes of mercury vapor.

Light Giving Properties.

Mr. Edison has achieved triumphs not only in giving sound its lasting registration, but in producing an electric light of new economy. Both exploits proceeded upon a masterly knowledge of properties. A century ago candles provided illumination both to rich and poor, the sole difference being that wax shone in the palace and tallow in the hut. The oil lamps which gleamed in the lighthouses of England and America, for all their bigness, were plainly of kin to the Eskimo saucer filled with blubber, edged with moss as wick. Yet for ages, from every hearth in Christendom, there had been the promise of better things as bituminous coals, or sticks of wood, had cheered as much by their light as by their warmth. We owe much to James Watt, who improved the steam-engine and gave it essentially the form it retains to the present hour. We owe also a weighty debt to an assistant of his, William Murdock, who, thanks to a suggestion from Lord Dundonald, attentively observed the process by which coals produce light. He saw that under stress of intense heat the solid fuel emitted streams of gas which burned with great brilliancy. Here gas-making and gas-burning went on at the same moment in the same place; might the process be separated, so that gas might be made here, and burned elsewhere at any convenient time? An experiment proved the project to be feasible, and forthwith the Soho Works, near Birmingham, in which Watt’s engines were built, were lighted by gas. Such was the beginning of an industry now important in many ways. To-day gas not only yields light,[155] but heat and power, while, especially in metallurgy, fuels are more and more used after reduction to the gaseous form.

How the Gas Mantle was Invented.

Early in the day of gas-making it was noticed that gases of various kinds differed much in light-giving quality. It was presently shown that their light depended on the carbon brought to incandescence in a flame; in the absence of that carbon, as when a jet of pure hydrogen was consumed, extreme heat was accompanied by no light whatever. Then came a capital discovery, namely, that lime introduced within a burning jet of hydrogen became intensely luminous while itself but slowly consumed. Adopting lime for the core of his apparatus, Captain Thomas Drummond, of the Royal Engineers, in 1835 devised the lime light. Upon a block of pure, compressed quick lime, he directed a jet of burning gas, obtaining a beam of great vividness still employed in stereopticons and in theatres. For modern types of the Drummond lamp a twin jet of hydrogen and oxygen is used. Lime has many sister substances having light-giving quality when highly heated, and among them are many rare earths, oxides of uncommon elements. These strange substances were destined to play a prominent part in the battle between gas and electricity as illuminants. When Edison in 1878 perfected his incandescent bulb, it seemed as if electricity were soon to be the sole illuminator of houses. But the gas engineers were to be rejoiced by the invention of a mantle which quadrupled the brillancy of a gas flame, withstanding the rivalry of electricity in a notable degree. This mantle was invented by Dr. Auer von Welsbach, a chemist of Vienna, who virtually adopted the principle of the Drummond light. His efforts give us an admirable example of an inventor passing from a hint to a test, day after day meeting new difficulties with unfailing courage and resourcefulness.

In 1880 Dr. von Welsbach took up the study of rare earths, mainly with a view to ascertaining their value as illuminants. As he brought one specimen after another to melting heat on bits of platinum wire, he found that the little beads formed were unfavorable in shape to the production of light. Then came into his mind an idea of that golden quality which occurs only to the[156] man who earns it: Why not soak cotton with solutions of salts of rare earths, burn the cotton and leave behind an earthy skeleton of slight thickness and much surface? Experiment proved that the idea had promise, but the skeletons crumbled to dust with the least tremor. For success a fair degree of cohesion was imperative, but to secure that cohesion demanded skill, resource, and patience. After a long series of trials a mantle was made with lanthanum oxide; immersed in flame its beam was particularly bright, now for the first time suggesting that the rare earths might yield light on a large scale. But trouble was at hand, to be overcome only at the end of much toil.

During an absence of several days, the inventor left a mantle of lanthanum oxide locked up in his laboratory. When he returned it had fallen to powder, having attracted from the atmosphere both moisture and carbon dioxide. Evidently this harmful attraction must be avoided by adding an ingredient to keep the mantle dry and preserve it from union with carbon dioxide. For this purpose magnesia was chosen; the resulting compound proved to be durable, and gave an agreeable light of moderate intensity. But, alas, after glowing about seventy hours, the mantle failed in its radiance, becoming of glassy and translucent texture. Thus impeded, the untiring inventor turned to mixtures having zirconium as a basis; these not only gave a steady beam, but extended to hundreds of hours the life of a mantle. Still bent on getting more light if he could, Dr. von Welsbach tested thorium oxide with gratifying results; yet, strange to say, when he had purified this material to the utmost, his light fell off in an unaccountable fashion. What could be the matter? Surely in the purifying process some invaluable element had been cast aside. This element, in the researches of an associate, Mr. Ludwig Haitinger, proved to be cerium in minute quantity. Here was a discovery of the highest moment; at the end of many experiments it was determined that one per cent. of cerium and ninety-nine per cent. of thorium oxide are the best proportions for a mantle such as we use to-day. Why these proportions are best nobody knows, any more than why one per cent. of carbon added to iron gives us a steel incomparably better than iron for many uses. A Welsbach mantle has good points apart from its economy of gas. Its combustion[157] is thorough, so that it throws into the air a much lower percentage of injurious products than does an ordinary gas flame. It never smokes, and its light is so steady as to be available for work with the microscope and other exacting demands. It has one defect which may yet be removed: its light has a somewhat unpleasant tinge of green. In another chapter of this book, producer gas, much cheaper than common illuminating gas, is described. Dowson producer gas, with a Welsbach mantle, yields a light of 8 to 10 candle-power with a consumption of 4.5 to 4.8 cubic feet per hour.

Dr. CARL FREIHERR AUER von WELSBACH
of Vienna.

Boivin burner for alcohol, attachable to any lamp.

Thus far no successful mantle for a petroleum lamp has been devised. With alcohol a mantle yields a brilliant flame. A lamp with a Boivin burner and a Welsbach mantle has given a light of 30.35 candle-power for 57 hours and 5 minutes in consuming one gallon of alcohol, almost twice as much light as given by a Miller lamp with a round wick and a central draft, burning a gallon of kerosene. In the United States on January 1, 1907, there will cease to be an excise tax on alcohol used in the arts, a denaturalizing process rendering the liquid unfit to drink. As this alcohol may be easily produced from grain or potatoes at 20 to 25 cents a gallon, a capital illuminant will be available for the public, as well as an excellent fuel and a substitute for gas or gasoline in motors.

As first manufactured, gas-mantles were woven, they are now knitted,—a change for the better in closeness and firmness of texture. Nearly all the thorium used for mantles is found in the monazite sands of the provinces of Bahia and Espirito Santo, along the coast of Brazil. These sands were for a long time valuable only for the zinc they contained. To-day the thorium they carry is of vastly more account; for chemical treatment this is sent to Germany whence the manufactured product is borne to every quarter of the globe.

[158]

Improvements in Electric Lighting: Incandescent Lamps.

While the Welsbach mantles have been constantly improved in quality, and given new and inverted forms of special value, the inventors in the field of electric lighting have not stood still. For interior illumination the Edison incandescent bulb still holds its own despite many a threat of dispossession. Since 1881 its details of manufacture have been steadily bettered and its price much reduced, while its consumption of current has fallen from 5.8 watts per candle to 3.1. This advance, marked as it is, leaves a long path ahead of the inventor whose estimate is that were the whole of an electric current transformed into light, a candle would cost us but .11 of a watt, that is, but one twenty-eighth part as much as when we set a carbon filament aglow. In electrical terms a horse-power yields 748 watts, representing, were there no waste in conversion, no less than 425 lamps each of 16 candle-power.

Alcohol lamp with ventilating hood.

It is this immense margin for improvement that has spurred ingenuity to attack the problem of electric lighting from many new sides. The General Electric Company produces a carbon filament of one fifth greater efficiency than an ordinary untreated filament. Fibers of the usual cellulose kind are enclosed in a carbon box, placed in a carbon-tube resistance furnace heated to between 3,000° and 3,700° C. This converts the filament into a graphite of increased luminosity which, furthermore, blackens its enclosing glass much less than a common filament does.

Welsbach mantle.

In the early days of electric lighting a good many experiments were tried with threads of platinum, but without success. That[159] metal remains unmelted at a very high temperature, but as a light-giver its quality is poor. Of late years investigators have turned to other metals, of high melting points, and with results so remarkable that we may expect some of them to be in general use in the near future. Tantalum, a rare and costly metal, has been found to give a candle-power with as little as two watts and, in specially favorable circumstances, with only 1.85 watts.[160] Osmium, in the hands of Dr. Auer von Welsbach, reduces this figure to 1.5 watts. Dr. Hans Kuzel, of Baden, Austria, has employed filaments of tungsten in lamps which he claims demanded only one watt per candle. From among these new lamps it seems highly probable that as soon as methods of manufacture are settled and standardized the world will be given an electric light, in small units, much cheaper than ever before.

Tantalum lamp.

Tungsten lamp of Dr. Hans Kuzel.

New Arc Lamps.

For large spaces indoors and for out of doors the arc-lamp maintains its popularity in much the form originally devised by Mr. Charles F. Brush of Cleveland. But, as in the case of the incandescent bulb, many a rival is now disputing the field, so that supersedure may be close at hand. In what are known as flaming or luminous arcs the carbon pencils are impregnated with salts of the calcium group of elements, of extreme luminosity. In these lamps the electric arc itself is the chief source of light, instead of the glowing end of the positive carbon as in a common arc lamp. As the calcium salts volatilize into gases they provide a path of less resistance than air for the passage of the current, so that the electrodes may be drawn apart to a distance which may be as much as 212 inches. These lamps require free ventilation, so that they must be open. Their economy is extraordinary, a candle-power being afforded for .353 watt, as against 1.78 watts for an enclosed arc lamp, a five-fold gain in effectiveness. To renew the carbons, which waste rapidly, a new device provides fresh pencils, cartridge fashion, as required. Without this aid, trimming is often[161] necessary, and this fact joined to the high cost of the carbons lessens the net gain in their use. On another line of experiment noteworthy results have been reached with metallic oxides. Magnetite, an oxide of iron, has developed a candle-power with but one half of one watt. Ferro-titanium, a compound of iron and titanium, has given a candle-power with only one third of a watt, and it is expected that still higher efficiencies will soon be attained with this wonderful compound.

Hewitt mercury-vapor lamp.

Hewitt Mercury-Vapor Lamp.

From quite another side Mr. Peter Cooper Hewitt enters the field of light production, utilizing the glow of a vapor instead of a solid stick. His lamp is a long, slender tube of glass; within each end is sealed a metallic wire; at one end is a little mercury. When a powerful pump has exhausted the tube to a high degree it is sealed, and its wire terminals are placed in an electric circuit. On tilting the tube the mercury flows from end to end, an arc is formed, and the mercury vapor becomes luminous. This vapor remains unconsumed, and the lamp asks no attention whatever.[162] Its rays are greenish, so that where normal colors are desired, it is well to use supplementary lamps of carbon filaments to furnish red rays. For streets, squares, freight-sheds and the like, the Hewitt light is capital just as produced, its rays being widely diffused and casting no heavy shadows. Its high actinic power makes it specially useful to photographers, while in factories, drafting rooms, composing rooms and so on, its color is unobjectionable. Its cost is small, as a candle-power is produced in large tubes with but 0.55 of a watt. A Hewitt lamp of automatic type, recently devised, has a small solenoid or magnet on the suspension bar just above the holder. On closing the circuit the current flows through this solenoid which instantly tilts the tube and starts the light. This lamp is particularly suited to places, such as the lofty ceilings of foundries, where it would be difficult to tilt the tube by hand. Hewitt lamps use either a direct or an alternating current.

In an earlier chapter we glanced at reflectors and refractors, newly invented, which give light its most useful paths with as little avoidable loss as possible. These devices, applied to Welsbach burners and the new electric lamps, greatly economize modern illumination in comparison with that of former times.[13]

[13] In February, 1906, the Illuminating Engineering Society was established in New York. Its secretary is A. H. Elliott, 4 Irving Place, New York. The Society publishes its proceedings and discussions.


[163]

CHAPTER XIII
PROPERTIES—Continued. STEEL

Its new varieties are virtually new metals, strong, tough, and heat resisting in degrees priceless to the arts . . . Minute admixtures in other alloys are most potent.

From a brief consideration of illuminants let us pass to a rapid survey of a most important group of structural materials, the steels. Here, as always, we shall find how abundant are the harvests reaped in a searching study of properties. Within the past fifty years new steels have been produced in so ample and rich a variety that we have gained what are virtually many new metals of inestimable qualities.

Steels for Strength.

In 1781 Professor Torbern Bergman, of the University of Upsala, in Sweden, showed that steel mainly differs from iron in containing about one fifth of one per cent. of plumbago, or carbon, as we would say now. Steels may contain all the way from one tenth to one and a half per cent. of carbon; the lower this percentage, the more nearly does the steel approach wrought iron in softness; as the proportion of carbon increases up to one per cent. the steel increases in tenacity, beyond one per cent. tenacity diminishes and brittleness is augmented. Hardness depends upon the percentage of carbon a steel contains. Physical conditions are almost as important as chemical composition; a mass of red-hot steel, carefully hammered or pressed is thereby strengthened, an effect due either to minimizing the process of crystallization, or to breaking up crystals as fast as they form. The microscope reveals many details of structure in steel, and has enabled the analysts greatly to economize the manufacture of desired varieties. Under the microscope steels much resemble crystalline rocks in structure, with constituents differing widely. Of these[164] the most important is ferrite, a pure or nearly pure metallic iron, soft, weak, ductile, of high electric conductivity. Next in importance is cementite, an iron carbide (Fe3C), harder than glass and nearly as brittle, but probably very strong under gradually and axially applied stress. A third constituent, austenite, is a solid solution of carbon, or perhaps of an iron carbide, in gamma allotropic iron (there being also alpha and beta irons). Austenite is hard and brittle when cold, is stable at high temperatures, and is slowly transformed by reaction into compounds of ferrite or cementite. Several other ingredients of importance, as pearlite, illustrated on the opposite page, have also been studied.[14]

[14] Henry Marion Howe, “Iron, Steel and Other Alloys.” Second edition. Published by Albert Sauveur, Cambridge, Mass., 1906.

While carbon is the most decisive element in admixture, other ingredients have marked influence, silicon and manganese especially. The process invented by Bessemer, described by himself in another chapter of this book, as introduced in 1855, revolutionized the steel manufacture by its directness, cheapness and speed. It consists in burning out from pig-iron, by a hot air blast, all or nearly all its carbon. Then spiegeleisen, or other mixture, containing a definite quantity of carbon and manganese, is added to the molten mass, yielding steel of the quality desired. This method produces more rails for railroads than any competing method; in other fields it is being rivalled more and more severely by the open hearth process.

Pearlite, magnified about 750 diameters.

Steel containing more than nine-tenths of one per cent of crystals of pearlite, surrounded by envelopes of cementite (Fe3C). Magnified 200 diameters.

CLEANING CARS BY THE “VACUUM” METHOD.

The Open Hearth Process.

Steel making by the open hearth process is chiefly due to the late Sir William Siemens. In a gas producer he gave his fuel the gaseous form, in which it is more easily controlled and more efficient than when solid. Of more importance were his regenerators, chambers of brickwork, heated by the products of combustion, and then employed to warm incoming currents of air and gas on their way to the furnace. The Siemens furnace has been modified in many ways and much improved in its details. A good example of an open hearth furnace, as planned by the late Mr. Bernard Dawson, is shown on page 165. It centers in a large hearth built of refractory materials, upon which the metal is melted as flames play over it. At each end are two regenerators filled with checker[165] firebricks through which air or gas passes on its way to the furnace, and through which, at due intervals, the products of combustion emerge as they pass to the stack. On each side, one of the regenerators is for air, the other for gas; between them is a substantial wall to prevent any mixing before their currents reach the hearth. It is in the regenerator, which utilizes heat which otherwise would be wasted, that the open hearth displays its best feature. Its products vary in composition as its raw materials vary, whether pig-iron of a specific kind, a particular ore, or scrap; and just as in the Bessemer process, a harmful element, as phosphorus, is removed almost wholly by the addition of a suitable ingredient, such as lime. In excellence and uniformity of quality open hearth steels are preferred to those of the Bessemer converter, even for railroad rails which for years were made solely by the Bessemer process.

Open hearth furnace.

The Gayley Dry-Blast Process.

A remarkable improvement in blast-furnace practice, cheapening cast or pig-iron, and therefore lowering the cost of derived steels, is the dry-blast process due to Mr. James Gayley, of Pittsburg. It has long been known that blast-furnaces ask more fuel in warm and damp weather than in cold and dry weather; beginning with this familiar fact Mr. Gayley proceeded to dry the air blown into his furnaces, by passing it around large coils of[166] iron pipes through which a freezing mixture circulated, melting the snow as formed by passing hot brine through the pipes, a few of them at a time. The air thus dried was then heated by being sent through hot blast stoves in the usual mode. This simple drying of the blast saves about 19 per cent. of the fuel, and makes the action of the furnace much more regular than when ordinary air is used. It lowers the temperature of the gases which escape from the top of the furnace, and raises their percentage of carbon dioxide, symptoms of the great increase in fuel efficiency. Atmospheric moisture has a cooling effect on the lower part of a furnace, just where the highest temperature is needed to melt the iron and slag, remove the sulphur and deoxidize the silica. A comparatively small increase of temperature by broadening the margin of effective heat, which margin at best is narrow, has the astonishing effect of economizing fuel to the extent stated, 19 per cent.[15]

[15] Henry Marion Howe, “Iron, Steel and Other Alloys.” Second edition. Cambridge, Mass., Albert Sauveur, 1906.

Steels to Order.

What is chiefly sought in steel is tensile strength, next in value is elasticity; in some cases hardness is indispensable. By varying the proportions of the carbon, silicon and manganese added to his iron, the steel-maker produces an alloy with the tenacity, elasticity or hardness he wishes. Nickel, as a further ingredient, in certain proportions yields an astonishing gain. A steel containing fifteen per cent. of nickel has shown a tensile strength of 244,000 pounds to the square inch, four times as much as before admixture; the elastic limit also was much increased. Hardness and strength tend to exclude ductility, but nickel steel is at once strong, hard and extremely ductile; hence its use for armor plate, great guns, and the barrels of small arms. Nothing but the high price of nickel prevents these alloys from having wide utilization, for they mean lighter and therefore more economical machines and engines than those of ordinary steel. Many turbines actuated by water, steam or gas, are best operated at speeds forbidden to common steel, which would fly to pieces under the centrifugal stress exerted, yet these speeds are quite feasible and safe when nickel steel is employed. This alloy brings nearer the day of mechanical flight,[167] first promising to transportation on land and sea engines increased in power while much diminished in weight. In exceptional cases, where the expense may be borne, we may expect soon to see nickel steel used for higher towers, longer bridge-spans, thinner boilers, than those of to-day. Part of the bridge crossing Blackwell’s Island, New York, is built of nickel steel. Even with costs at their present plane, it is worth while for the designer of machinery to remember that friction is reduced when masses become smaller, power for power. It is found profitable, for instance, to use nickel steel for the cylinders of automobiles of high power.

In many tools and implements two different kinds of steel are united with decided gain. Thus the cutting edge of a cold chisel is hard and brittle, while its shank, much less hard, is tough and able to resist the shocks it receives. So also a projectile is hardened at its point and nowhere else. Plowshares are often made very hard on their surfaces, with a backing which is comparatively soft but elastic enough to suffer no harm in the blows dealt by rough ground and stones. One of the drawbacks in the use of steel is its liability to corrosion. An alloy of 30 per cent. nickel and 70 per cent. steel has proved to be corrodible in but slight measure, affording a material of great value to the arts.

Heat Treatment.

While the chemical composition of a steel is of prime importance, the quality of the steel will next depend upon its heat treatment in manufacture. The temperature to which heating is carried, the period during which it is maintained, the rate at which cooling takes place, and the circumstances of cooling, each has its effect on the character of the product. It is chiefly in this field that the steel-maker within wide limits is able to turn out an alloy either hard or soft, brittle or ductile, tenacious or weak, at pleasure. While much has been learned within the past few years as to the proper treatment of steel by heat, much still remains to be discovered.

To quote typical instances from Professor Henry Marion Howe, of Columbia University, New York:—“In the case of steel with less than 0.33 per cent. of carbon the temperature from which slow cooling occurs appears to have little influence on the tensile strength; but it is the general belief that if that temperature approaches[168] the melting-point, the tensile strength decreases. In the case of higher-carbon steel, the tensile strength at first increases as the temperature from which slow cooling occurs rises to 800°, or even to 900° or 1000° C. Then, after varying somewhat, it falls off very abruptly in the case of steel of 0.50 per cent. of carbon, when that temperature approaches 1400°.”[16]

[16] In his “Iron, Steel and Other Alloys.” Second edition. Published by Albert Sauveur, Cambridge, Mass., 1906.

Tempering and Annealing.

For rock drills, cold chisels, milling and other tools it is necessary to use steel carefully tempered, so that brittleness is greatly reduced while considerable hardness and cutting power remain. Other changes of properties, as remarkable, follow upon subjecting steel to greater heat than that used for tempering. Says Professor Roberts-Austen:—“Three strips of steel identical in quality are taken. By bending one it is shown to be soft; if it is heated to redness and plunged in cold water it will become hard and will break on any attempt to bend it. The second strip, after heating and rapid cooling, if again heated to about the melting point of lead, will at once bend readily, but will spring back to a straight line when the bending force is removed. The third piece may be softened by being cooled slowly from a bright red heat, and this will bend easily and remain distorted. The metal has been singularly altered in its properties by comparatively simple treatment, and all these changes, it must be remembered, have been produced in a solid metal to which nothing has been added, and from which nothing has been taken away.”

It is the comparative slowness of cooling in oil, the greater slowness of cooling in air, that make these by far the best tempering processes, because the molecular re-arrangement, in which tempering consists, requires time. Often the critical temperature, at which a desired re-arrangement takes place, is declared by the metal losing all power of response to a magnet: this fact affords the steel-maker welcome aid; he has only to shut off heat as soon as his steel ceases to attract a magnet and plunge the steel into water in order to obtain the hardness he wishes.

The complex phenomena of heat treatment in steel manufacture[169] are fully discussed by Professor H. M. Howe, in his “Iron, Steel and Other Alloys,” second edition, 1906.

Steel for Railroad Rails.

In another chapter of this book a word is said as to the form of rails at which Mr. P. H. Dudley has arrived as the outcome of years of experiment. He thus describes the properties which the steel should possess by virtue of due chemical composition and proper heat treatment:—

“Ductility to ensure power to resist the shock of the driving wheels, so that the steel may not break; resistance to abrasion, that it may not wear out; and high limit of elasticity, that it may not take a permanent set and be bent into a series of waves between its supporting ties, by the enormous pressures which the wheels of to-day throw upon it. The best composition is carbon 0.55 to 0.60 per cent., silicon 0.10 to 0.15, manganese 1.20, sulphur under 0.06, phosphorus under 0.06; with 50,000 to 60,000 granulations to the square inch. More granulations, or fewer, mean an increase of brittleness in the steel.”[17]

[17] Henry Marion Howe, “Iron, Steel and Other Alloys.” Second edition. Published by Albert Sauveur, Cambridge, Mass., 1906. And a note from Mr. P. H. Dudley to the author, May 2, 1906.

Invar: A Steel Invariable in Dimensions Whether Warmed or Cooled.

While the great strength of steel makes it of pre-eminent value in the arts, steel in the huge dimensions of modern roofs and bridges has the demerit of expanding with heat and contracting with cold in a troublesome degree. A notable case is that of the steel rails on the elevated railroad of New York. If this fault, common to all metals, can be materially reduced or abolished, then steel enters upon a new field of golden harvests. Here, by dint of acumen and skill the goal has been reached by M. Charles Edouard Guillaume, of the International Bureau of Weights and Measures in Paris. A few years ago he began investigating the singular magnetic qualities of nickel-steels. Then in studying expansibility by heat he discovered that when the nickel was increased to 36.2 per cent. the alloy was almost indifferent to changes of temperature, expanding but one part in one million when warmed from zero to 1° Centigrade. Because of this insensibility,[170] the alloy at the suggestion of Professor Thury is named invar. In observations of invar which extended through six years, an elongation of one part in 100,000 was detected; subsequently its changes of length each year seemed less than one-millionth. This slight inconstancy may be overcome by further experiment; in the meantime while invar is not available for standards of length of the first order, such as those of the Bureau of Standards at Washington, there is a vast and useful field for the alloy. It offers itself for secondary standards, to be compared at intervals with primary standards at Washington or other capitals of the world.

A leading application will be in surveying. Already wires of invar have been employed by the Survey of France with the utmost success, dispensing with the burdensome apparatus formerly needed in compensating variations due to temperature. With invar wires ten men have advanced at the rate of five kilometers a day; ten years before, with ordinary steel measures, fifty men advanced one half a kilometer, that is, with but one fiftieth as much efficiency.

In time-keeping invar is likely to be as valuable as in surveying. At the Bureau of Standards and the Naval Observatory at Washington, pendulums of invar have been adopted with gratifying results. In ordinary watches and clocks the alloy will banish the compensating devices now requisite, of brass and steel which expand with heat and shrink with cold. For chronometers of the highest grade it is desirable that invar be improved with respect to its stability, an improvement which appears to be highly probable.

One other discovery by M. Guillaume deserves a word. He has found a nickel-steel which when warmed has the same expansibility as glass, so that it may displace platinum wire in leading an electric current into an incandescent lamp, a Crookes’ tube or similar illuminator. More singular still is another of his nickel-steels which shrinks slightly when warmed, holding out the hope of finding an alloy which will neither shrink nor expand as its temperature rises. With such a substance, of trustworthy stability, the arts would have a working material of inestimable value for theodolites, frames for microscopes and telescopes, and cameras for exact picturing.

[171]

Manganese Steel.

The magnetic properties of steel, to-day of supreme importance, have for ages excited curiosity. As long ago as 1774, Rinman observed that steel alloyed with manganese is non-magnetic. Here was a material for time-pieces which would free them from magnetic derangement. In the hands of Mr. R. A. Hadfield, of the Hecla Works, Sheffield, England, manganese steel has been produced in remarkable varieties. As the proportion of manganese is increased, the alloys manifest singular changes in their properties. When the manganese is four to six per cent., and the carbon less than one-half per cent., the alloy is brittle enough to be readily powdered by a hand hammer. When the proportion of manganese is doubled, the alloy displays great strength, which reaches its maximum when the manganese is fourteen per cent. No other material approaches manganese steel in its ability to resist abrasion; it outwears ordinary steel four times, much reducing the need for repairs, renewals, or pauses in work while worn-out parts are being replaced. It gives equally good service as the pins and bushings of dredges of the bucket-ladder type, lifting gold-bearing gravels and sands. It is used for centrifugal pumps in dredging sandy harbors, slips, or ponds, where the grit borne in the water plays havoc with ordinary steel surfaces. In ore-crushing manganese steel is particularly effective; a pair of jaws built of it have crushed 21,000 tons of flinty ore and were still good for 4,000 to 6,000 tons more, while the best chilled iron plates failed to crush as little as 4,000 tons.

This alloy is so hard that it cannot be machined or drilled by ordinary means; it must be treated by emery or carborundum wheels. Yet it is so malleable that it can be used for rivets when headed cold. It is so tough that it may be bent and twisted at will without rupture, so that it forms railroad switches, frogs, and crossings of great durability.

High-Speed Tool Steels.

Until 1868, the steel tools used in lathes and drills, planers and so on, were limited to the moderate pace at which they remained cool enough to keep their temper. Beyond that quiet gait they became worthless, snapped apart, or melted as if wax. In 1868 Robert Forester Mushet, of the Titanic Steel and Iron Company, Coleford, England, discovered an alloy of steel, tungsten and manganese[172] which took rough cuts at a depth and with a speed unknown before. This alloy, because hardened simply in air, was called “air-hardening” or “self-hardening.” Thirty years afterward at the Bethlehem Steel Works, Pennsylvania, a tool of this steel was heated to what was feared to be a ruinously high temperature; experiment proved that the tool could be used at a heat, and therefore at a speed, never attained before in the workshop. From that hour hundreds of investigators have proceeded to combine steel with tungsten in various percentages, adding manganese, molybdenum, chromium, silicon, and vanadium. Of these ingredients much the most important are tungsten and molybdenum. Particular pains must be taken thoroughly to anneal the alloy when worked into bars.

As to the gain introduced by high-speed tool steels let Mr. J. M. Gledhill testify from the experience of the Sir W. G. Armstrong, Whitworth & Company’s works at Manchester:—

“Formerly where forgings were first made and then machined with ordinary self-hardening steel, a production, from bars eighteen and one half by six and five eighth inches, of eight bolts in ten hours was usual. With the new steel forty similar bolts from the rolled bar are now turned out in the same time, further abolishing the cost of first rough forging the bolt to form. The speed is 160 feet a minute, the depth of cut three-quarter inch, of feed 132 inch, the weight removed from each bolt sixty-two pounds, or 2,480 pounds per day, the tool being ground only once in that time. This is a fairly typical case. Just as striking is the behavior of this steel in twist drills, which supersede the punching process by passing through stacks of thin steel plates quite as swiftly and economically as a punch, while avoiding the liability to distress which accompanies the action of a punch.”

With the quickening of pace due to these steels, the designer is asked to remodel machine tools so that they may stand up against new pressures and speeds. A lathe thus re-patterned is mentioned by Mr. Gledhill: it absorbs sixty-five horse power as against twelve formerly, and has a belt trebled in width so as to measure twelve inches. Mr. Oberlin Smith expects high-speed steel to have other effects on machine design than the conferring of new strength: he looks for a rivalry keener than ever between[173] rotary and reciprocating tools. In his judgment the milling tool, which can be speeded indefinitely, will encroach more and more on the planer, limited as the planer is by its movement being to and fro.

When work on cast iron must proceed at the utmost pace, a jet of air, delivered to the chips with force enough to clear them off as fast as they are formed, enables the speed to be quickened, while, at the same time, the life of the cutter is lengthened.[18]

[18] The foregoing pages on steel have been revised by Professor Bradley Stoughton, of the School of Mines, Columbia University, New York. He contributes at the end of this chapter a brief list of books for the reader who may wish to know something of the literature of iron and steel.

Alloys for Electro-Magnets.

In electrical art the alloy employed for electro-magnets should be permeable by magnetism fully and easily, otherwise dynamos and motors will waste energy as their magnetism is constantly gained, lost, or reversed. Once more the experimenter is Mr. Robert A. Hadfield of Sheffield, who produces an excellent alloy by uniting iron with 2.75 per cent. silicon, .08 per cent. manganese, .03 per cent. sulphur, .03 per cent. phosphorus. This alloy is improved by being heated to between 900° and 1100° C., followed by quick cooling; then being reheated to between 700° to 800° C., and cooled very slowly.

Iron is largely used as an electrical conductor, so that it is well to know how its conductivity is affected by ordinary admixtures. In experiments with sixty-eight specimens, Professor W. F. Barrett alloyed iron separately with carbon, aluminium, silicon, chromium, manganese, nickel, cobalt, and tungsten. In every case there was a loss of conductivity, and usually in a degree proportioned to the atomic weight of the added ingredient. Between one element and another there was often a wide disparity of effect. For example, in admixtures, each of one per cent., tungsten increased the resistance of a conductor by two per cent., while aluminium did seven-fold as much harm.

Magnetic Alloys of Non-Magnetic Ingredients.

We have so long been accustomed to thinking that there must be iron in everything magnetic that we hear with astonishment that metals each insusceptible of magnetism, when united strongly display this property. Such is the discovery of Mr. Fr. Heusler,[174] of Dillenburg, near Wiesbaden. He noticed one day that an alloy of manganese, tin, and copper adhered to a tool which he had accidentally magnetized. In the course of experiments Mr. Heusler found that carbon, silicon, and phosphorus did not confer magnetism; while arsenic, antimony, and bismuth did so, all three metals being diamagnetic, that is, placing themselves at right angles to a common steel magnet above which they are freely suspended. An alloy of remarkable magnetic strength was composed of copper 61.5 per cent., manganese 23.5 per cent., and aluminium 15 per cent. This alloy is brittle and considerable changes of temperature but slightly affect its magnetism. When a little lead is added magnetism disappears between 60° and 70° C. This alloy therefore is magnetic when placed in cold water; when the water is heated the magnetism disappears before the water boils, only to reappear when the water cools. The main interest of these discoveries is that the new alloys bridge the gap betwixt magnetic and diamagnetic bodies, that is, they join the iron, nickel, and cobalt group, which place themselves along the line of a magnetic field, with the diamagnetic elements, bismuth, antimony, zinc, tin, lead, silver, and arsenic, which place themselves at right angles to the lines of a magnetic field. We have been accustomed to suppose that magnetism is a property possessed by only a few elements; these alloys show us that magnetism may arise as a result of grouping atoms, none of which by itself has any magnetism whatever. Indeed it may be possible to make an alloy more magnetic than iron, furnishing the electrician with electro-magnets of new power.

Anti-Friction Alloys.

We have briefly glanced at recent progress in the art of alloying in so far as it has produced steels of new strength, elasticity, or hardness; new ability to resist abrasion or high temperatures, new capacity for magnetism, new indifference to changes of temperature as affecting dimensions. Alloying has of late years conferred other gifts upon industry, of which one example may be cited from among many of equal importance. Friction levies so grievous a tax upon the mechanic and the engineer that they are[175] quick to seize upon any material for bearings which reduces friction. As the result of extensive experiments Dr. C. B. Dudley recommends an alloy of tin, copper, a little phosphorus, with ten to fifteen per cent. of lead. He finds the loss of metal by wear under uniform conditions diminishes as the lead is increased and the tin diminished.

Influence of Minute Admixtures.

We have seen how remarkably the properties of iron are affected by minute additions of carbon which may be assumed to enter into chemical union with the metal. The properties of other metals may be influenced by minute quantities of added elements, although in quantities so small as to preclude the possibility of their forming ordinary chemical compounds. It by no means follows, however, that the atom of an added element does not exert a direct influence. In Professor Roberts-Austen’s laboratory, in London, two ladles were filled with exceptionally pure bismuth; into one ladle a tiny fragment of tellurium was placed. The ladles were poured each into a separate mold, and when the metal became cold it was fractured by a hammer. The bismuth to which the tellurium was added had become minutely crystalline; while that which remained pure had crystallized in broad mirror-like planes. One reflected light as a mirror; the other, containing the tellurium, scattered the light it received. With no guidance but that of mere inspection, one would have said that the two substances were distinct elements, and yet the only difference was that one contained 12000 part of tellurium and the other no tellurium at all.

Submarine telegraphy presents us with a case as striking: were its copper wire to contain but one-thousandth part of bismuth, the line would be so much reduced in conductivity as to be commercially worthless: quite as harmful are mixtures of antimony. In coining, the addition to gold of one five-hundredth part by weight of bismuth produces an alloy which crumbles under the die and refuses to take an impression. In the manufacture of such dies it is necessary to employ a steel containing 0.8 to 1 per cent. of carbon and no manganese. It is usual, says Professor Roberts-Austen, to water-harden and temper it to a straw color, and a really good die will strike 40,000 coins without being[176] fractured or deformed, but if the steel contains 0.1 per cent. too much carbon, it would not strike 100 pieces without cracking, and if it contained 0.2 per cent. too little carbon, it would probably be hopelessly distorted and its engraved surface destroyed in the attempt to strike a single coin. As in coining so in steam-engineering. A little arsenic added to copper improves it for the fire-boxes of locomotives. Boilers of old, formed of copper slightly admixed with sulphur, lasted longer than modern boilers built of copper free from sulphur. Antimony behaves like arsenic, and in due proportion strengthens copper; bismuth, on the contrary, weakens copper, and a perceptible effect is wrought by a mere trace. Nickel is made malleable by adding extremely small quantities of phosphorus, magnesium, or zinc.

BOOKS ON IRON AND STEEL

Chosen and annotated by Professor Bradley Stoughton, School of Mines, Columbia University, New York. (Graduated Yale University, 1893, as Ph.B. In 1896 Assistant in Mining and Metallurgy at Massachusetts Institute of Technology, Boston, where he received the degree of B.S. In 1898-99, metallurgist of South Works. Illinois Steel Co., South Chicago. Superintendent in 1900 of steel foundry, Briggs-Seabury Gun and Ammunition Co., Derby, Conn. Manager of Bessemer plant, Benjamin Atha & Co., Newark, N. J., in 1901. Instructor in metallurgy, Columbia University, 1902-03. Next year became Adjunct Professor of Metallurgy, Columbia University and, as consulting metallurgist, entered the firm of Howe & Stoughton, New York.)

Bale, George R. Modern Foundry Practice. Part I, 1902. Part II, 1906. London, Technical Publishing Co. 3s. 6d. each.

An admirable work, the only one covering the whole field. The author thoroughly understands his subject, and writes most intelligibly. The principles underlying every detail of practice are clearly explained.

Part I deals with foundry equipment, materials used, furnaces and processes, describes blowers, ladles, cranes, hoists, cupola, air furnaces, drying ovens, dry and green sand, the manufacture of chilled castings and malleable iron castings.

Part II takes up machine molding, physical properties, the effects produced by various ingredients, the principles of mixing irons, cleaning castings. Costs are considered in conclusion.

[177]

Bell, Sir Isaac Lowthian. Principles of the Manufacture of Iron and Steel. London, George Routledge & Sons, 1884. 722 pp. 21s.

A classic. Like “Chemical Phenomena of Iron Smelting,” by the same author, now out of print and rare, it will never be replaced by a new book in the metallurgist’s library, although somewhat out of date. Deals with principles ever important, while our knowledge of them increases constantly. Begins with a brief history, then passes to the direct processes for the production of iron and steel. Then follow sections on the fundamental principles of blast furnace operation, and a study of the refining of pig-iron, or, in other words, the principles of the conversion of pig-iron into wrought iron and steel. For recent metallurgical practice, some later book is to be preferred.

Campbell, Harry Huse. Manufacture and Properties of Iron and Steel. 2d edition. New York, Engineering and Mining Journal, 1903. 839 pp. $5.00.

Mr. Campbell is a careful and deep thinker. He is well known as the successful manager of a large and important steel works. Out of abundant knowledge, gathered in long experience and study, he gives in this book much valuable information. Details of the various furnaces and their operations are frequently lacking, but as a comparative study of leading methods of steel-making, and of the commercial conditions involved, this work has no equal.

Harford, F. W. Metallurgy of Steel. With a section on the Mechanical treatment of Steel, by F. W. Hall. Revised edition. London, Charles Griffin & Co., 1905. 792 pp. 25s.

This exhaustive treatise is the best of its kind. Abounds with valuable information on furnaces and their working, on the effects of different impurities in steel. On the shaping of steel mechanically it is the only complete treatise. This work deals, however, chiefly with English practice, while American practice is larger and more progressive.

Howe, Henry M. Iron, Steel and Other Alloys. 2d edition, slightly revised. Boston, A. Sauveur, 1906. 18+495 pp. $5.00.

The best and most complete work on the modern theory of the constitution of steel by the highest living authority. Can be readily understood by any one having a slight knowledge of chemistry. In addition to the study of iron and steel as metals, brief but satisfactory chapters in manufacture are included.

Howe, Henry M. Metallurgy of Steel. Vol. I. 4th edition. New York, Engineering and Mining Journal, 1890. 385 pp. $10.00.

Still recognized the world over as the standard authority; every book written on its theme since 1890 builds upon this work as the source of[178] highest reference. Devoted chiefly to the effects of different impurities, and of treatment, on steel. The crucible and Bessemer processes are described at some length. Not a work for general readers.

Mellor, J. W. Crystallization of Iron and Steel: an Introduction to the Study of Metallography. London and New York, Longmans, Green & Co., 1905. 154 pp. 5s. $1.60.

Reprinted lectures giving an excellent popular account of the constitution and nature of cast iron and steel. Includes right and wrong methods of annealing, hardening and tempering steel, and their microscopic examination. The information is presented in a terse and attractive style. Any reader of a scientific turn will find profit in this book.

Sexton, A. Humboldt. Outline of the Metallurgy of Iron and Steel. Manchester, Scientific Publishing Co., 1902. 16s.

The best, because most recent of the good elementary text-books on iron and steel. It is behind the times in regard to American practice, but contains a great deal of important information, clearly expressed. Covers iron ores, their physics and chemistry, construction and working of the blast furnace, foundry practice, puddling, forging, the Bessemer, open hearth and crucible processes, special steels, the testing of steel and protection from corrosion. Its sketch of the structure and heat treatment or iron and steel is very incomplete.

Swank, James M. Short History of the Manufacture of Iron in all ages, particularly in the United States from 1585 to 1885. 2d edition. Philadelphia, American Iron and Steel Association, 1894. 428 pp. $5.00.

The best historical account of iron and steel manufacture, written in an interesting manner. So carefully systematized that the history of any branch of the subject may be studied independently.

Swank, James M. Directory of the Iron and Steel Works in the United States and Canada. Embracing a full description of the blast furnaces, rolling mills, steel works, tin plate and terne plate works, forges and bloomaries in the United States; also classified lists of the wire rod mills, structural mills, plate sheet and skelp mills, Bessemer steel works, open hearth steel works, and crucible steel works. 16th edition. Philadelphia, American Iron and Steel Association, 1904. $10.00.

A Supplement to this directory contains a classified list of leading consumers of iron and steel in the United States, corrected to January, 1903. 196 pp. $5.00.

The Penton Publishing Co., Cleveland, Ohio, publish a list of the iron foundries in the United States and Canada, mentioning plants not listed by Mr. Swank, 1906. $10.00.

[179]

Turner, Thomas. Metallurgy of Iron and Steel. Edited by Prof. W. C. Roberts-Austen. Vol. I, Metallurgy of Iron. London, Charles Griffin & Co., 1895. 367 pp. 16s.

If but one book is to be chosen, this is the best on ores, construction and working blast furnaces, the properties of cast iron, the manufacture and properties of wrought iron. It also has valuable chapters on foundry practice, the history of iron, blast furnace fuels, forging and rolling, and the corrosion of iron and steel.

Woodworth, Joseph V. Hardening, Tempering, Annealing and Forging of Steel: a treatise on the practical treatment and working of high and low grade steel. New York, Norman W. Henley & Co., 1903. 288 pp. $2.50.

Treats of the selection and identification of steel, the most modern and approved processes of heating, hardening, tempering, annealing and forging, the use of gas blast forges, heating machines and furnaces, the annealing and manufacture of malleable iron, the treatment and use of self-hardening steel, with special reference to case-hardening processes, the hardening and tempering of milling cutters and press tools, the use of machinery steel for cutting tools, forging and welding high grade steel forgings in America, forging hollow shafts, drop-forging, and grinding processes for tools and machine parts.

It is almost impossible to say which is the best book on the practice treated in this book. It has been chosen because it contains much valuable information which has the rare quality of not only being useful in the shop, but of being accompanied by the reasons involved. Copiously illustrated. Many useful tables. For one looking for general knowledge it will be found serviceable. For the seeker who wishes special data no single book will suffice.

Journal of the Iron and Steel Institute. Edited by Bennett H. Brough. London. Published by the Institute. Semiannual. Each number 16 shillings; mailed by Lemcke & Buechner, 11 E. 17th St., New York. $4.50.

Contains many articles of importance, and abstracts of a large part of the current literature of iron and steel. Thus almost every metallurgist who begins the study of a new subject uses this Journal; he finds it a guide to the latest information which has not yet found its way into reference and text books.

Revue de Metallurgie. Edited by Henri Le Chatelier. Paris. Monthly. Per annum, 40 francs; mailed by Lemcke & Buechner, 11 E. 17th St., New York. $10.00.

Most valuable for recent literature on the constitution of iron and steel and their alloys. Contains bibliographies of works on these subjects.


[180]

CHAPTER XIV
PROPERTIES—Continued

Glass of new and most useful qualities . . . Metals plastic under pressure . . . Non-conductors of heat . . . Norwegian cooking box . . . Aladdin oven . . . Matter seems to remember . . . Feeble influences become strong in time.

Jena Glass.

As in the case of the aluminium bronzes and nickel steels, alloys of the utmost value have been formed by introducing new ingredients, often in little more than traces, or by modifying but slightly the proportions in which ingredients long familiar have been mingled together. An equal gain has followed upon varying anew the composition of glass. For centuries the only materials added to sand for its melting pot were silicic acid, potash, soda, lead-oxide, and lime. As optical research grew more exacting the question arose, Will new ingredients give us lenses of better qualities? First of all came the demand for glasses which combined in lenses would yield images in the telescope and microscope free from color. In a simple lens, such as that of an ordinary reading glass, we can readily observe the production of color by a common beam of light. The rays of different colors, which make up white light, are refrangible in different degrees, so that while the violet rays come to a focus near the lens, the red rays have their focus farther off; the images, therefore, instead of being sharply defined, are surrounded by faint colored rings. In a telescope or microscope a simple lens would be of no value from the indistinctness of its images. To correct this dispersion of color a second lens of opposite action is placed behind the first, that is, a crown-glass lens is added to a flint-glass lens. (See cut, p. 255.) This remedy is not quite perfect for the reason that the distribution of the spectrum from violet to[181] red varies with each kind of glass, and in such a way that through failure of correspondence, color to color, in a compound lens, variegated fringes of light, though faint, are perceptible, much to the annoyance of the microscopist, the astronomer, and the photographer.

With a view to producing glasses which united in compound lenses should be color free, Rev. Vernon Harcourt, an English clergyman, in 1834 began experiments which he continued for twenty-five years. By using boron and titanium in addition to ordinary ingredients of glass, he produced lenses less troubled by color than any that had before been made. His labors, only in part successful, were in 1881 followed by those of Professor Ernst Abbe and Dr. Otto Schott at Jena. With resources provided by the Government of Prussia, these investigators were able to do more for the science and art of glass-making than all the workers who stood between them and the first melters of sand and soda. They immensely diversified the ingredients employed, carefully noting the behavior of each new glass, how much light it absorbed, how it behaved in damp air, what strength it had, how it retained its original qualities during months of keeping, and in particular how variously colored rays were distributed throughout its field of dispersion. As in the blending of new alloys it was found that many of these novel combinations were useless. Of the scores of new glasses produced some were extremely brittle, others were easily tarnished by air, or so soft as to refuse to be shaped as prisms or ground as lenses. A more systematic plan of experiment was therefore adopted: for the production of new glasses there were by degrees separately introduced in varied quantities, carefully measured, boron, phosphorus, lithium, magnesium, zinc, cadmium, barium, strontium, aluminium, berylium, iron, manganese, cerium, didymium, erbium, silver, mercury, thallium, bismuth, antimony, arsenic, molybdenum, niobium, tungsten, tin, titanium, fluorine, uranium. An early and cardinal discovery was that the relation between refraction and dispersion may be varied almost at will. For example, boron lengthens the red end of the spectrum relatively to the blue; while fluorine, potassium, and sodium have the opposite effect. With the distribution of the diverse hues of the spectrum thus brought under control, there[182] were produced glasses which, when united as compound lenses, were almost perfectly color-free, rendering images with a new sharpness of definition. Yet more: in their unceasing round of experiments Professor Abbe and Dr. Schott came upon glass so little absorbent of light that combinations of much thickness intercepted only a small fraction of a beam; they were indeed almost perfectly transparent. This achievement is of great importance to the photographer, whose planar combination of six lenses may be four inches in thickness. At Jena the researchers are endeavoring to perfect another gift for the camera: they seek to produce glasses each transmitting but one color, for service in color-photography.

To microscopy they have recently given lenses which completely transmit ultra-violet rays so as to photograph the diffraction discs of objects, such as gold particles in colloidal solutions, otherwise invisible, because below the resolving power of the most powerful microscope. It is estimated that with this new aid an object but 1250,000,000 of a millimeter in length may indirectly be brought to view.

One ancient art, that of annealing glass, Professor Abbe and Dr. Schott greatly improved, eliminating from their products the stresses which distort an image. By means of an automatic heat-regulator, the temperature of a batch of glass could be kept steadily for any desired period at any point between 350° and 477° C.; or allowed to fall uniformly at any prescribed rate. The glass was usually contained in a very thick cylindrical copper vessel, on which played a large gas flame. The highest temperature found necessary to banish stress, that is, to cause softening to begin, was 465° C. The lowest temperature required to ensure complete hardening was about 370° C. Thus the temperatures of solidification all lie between 370° and 465°. This fall of 95° was spread over an interval of four weeks, instead of a few days as formerly, with the result that stress was banished utterly.

Photograph by Bräunlich & Tesch.

THE LATE PROFESSOR ERNEST ABBE, OF JENA.

A practical example of the benefits gained in the properties of Jena glass is exhibited by its use in measuring heat. A thermometer of common glass when first manufactured may tell the truth, and in a month or two may vary from truth so much as to be worthless. The reason is that the dimensions of the glass slowly[183] change day by day, as in a less degree do those of many alloys. It was one of the aims of the Jena laboratory to produce a glass which should remain constant in its dimensions while exposed to varying temperatures, so that, made into thermometers, it would be thoroughly trustworthy. Here, too, success was attained, so that thermometers of Jena glass are found to be reliable as are no instruments of ordinary glass. This product is available for astronomical lenses, otherwise liable to serious changes of form as exposed successively to warmth and cold.

Heat was to be staunchly withstood not only in moderate variations, but in extreme degrees. From time immemorial heat suddenly applied to glass has riven it in pieces. Could art dismiss this ancient fault? To-day a beaker from Jena may be filled with ice and placed with safety on a gas flame. In its many varieties this glass furnishes the chemist with clean, transparent and untarnishing vessels for the delicate tasks of the laboratory, all of singular indifference to heat and cold. Yet again. Special kinds of this glass in chemical uses are attacked by cold or hot corrosive liquids only one-twelfth to one-fourth as much as good Bohemian glass, the next best material.

Not only to heat but to light Jena glass renders a service. Glass of ordinary kinds when used for the tubes of a Hewitt mercury-vapor lamp, absorbs a considerable part of the ultra-violet rays upon which photography chiefly depends. A Jena glass free from this fault is formed into Uviol lamps of great value in taking photographs, photo-copying, and photo-engraving. These lamps are also employed in ascertaining the comparative stability of inks and artificial dyes; so intense is their action that brief periods suffice for the tests. Uviol rays severely irritate the eyes and skin; they may prove useful in treating skin diseases. They moreover quickly destroy germs. In all these activities reminding us of radium.

Thus by a bold departure from traditional methods in glass-making, the eye receives aid from lenses more powerful and more nearly true than ever before swept the canopy of heaven, or peered into the structure of minutest life. Meanwhile instruments of measurement take on a new accuracy and retain it as long as they last. All this while a material invaluable for its transparency[184] is redeemed from brittleness and corrodibility, and given a strength all but metallic; at the same time transmitting light with none of the usual subtraction from its beams.

Bliss forming die. A, bed plate. B, blank-holder. C, drawing punch. D, push-out plate. O, P, annular pressure surfaces.

Bliss process of shell making.

Power Presses in Metal Working.

From glass let us now turn to metals. It is their tenacity that chiefly gives them value; this tenacity is usually accompanied by a hardness which disposes us to regard nickel, for example, as of a solidity quite unyielding. But the coins in our pockets prove that under the pressure of minting machinery they are as impressible as wax. In molds and dies, each the counterpart of the other, brass, bronze, iron, steel, and tin-plate take desired forms as readily as if paste. Solid though these metals appear they yield under severe stress with a semi-fluid quality. We have long had stamped kitchen ware, baking pans, and the like; the principle of their manufacture has of late years been extended to ware of more importance. Bliss power presses are to-day turning out hundreds of articles which until recently were either[185] slowly hammered or spun into form, pieced with solder, or shaped by the gear cutter or the milling machine. These presses furnish the United States Navy with sharp-pointed projectiles, some of them so large as to demand a million pounds pressure for their production; they make strong seamless drawn bottles, cylindrical tanks for compressed air and other gases, and cream separators able to withstand the bursting tendency of extremely swift rotation.

Mandolin pressed in aluminium.

Pressed Seamless pitcher.

Barrel of pressed steel.

Presses less powerful produce scores of parts for sewing machines, typewriters, cash registers, bicycles, and so on; or, at a blow, strike out a gong from a disc of bronze. Presses of another kind stamp out cans in great variety, and even a mandolin frame in all its irregular curves. Tubs are quickly pressed from sheets of metal; a pair of such tubs, tightly joined at their rims by a double seam, form a barrel impervious to oil or other liquid, and hence preferable to a wooden barrel. A press operated by a double crank may be arranged to supersede the forging of hammers, axes, and mattocks. Another press at a blow cuts out the front for a steel range. Still another press invades the foundry, producing excellent gear wheels for trolley cars, not weakened by being cut from a casting across the grain of the metal. Sometimes the article manufactured requires a series of operations, as in the case of a kettle cover with its knob. At the Lalance & Grosjean factory, Woodhaven, New York, a Bliss press makes such covers in a single continuous round. Another press treats soft alloys, so that a disc one inch in diameter when hit by a plunger is forced into the shape of a tube suitable to hold paint or oil.

[186]

In large manufactures as in small the hydraulic forge has wrought a quiet revolution. If a steel freight car were produced by planing, turning, slotting and similar machines, it would be much heavier and dearer than as turned out to-day from ingeniously fashioned dies under severe pressure. Its girders are molded of the same strength throughout with no waste of material, and without rivets; corner pieces are avoided; stiffeners are built up from the plates themselves through the introduction of ridges and depressions: and in a structure having the fewest possible parts, uniform strength is attained because dimensions everywhere may freely depart from uniformity.

Range front pressed from sheet steel.

Pressed paint tube and cover.

Non-Conductors of Heat.

In a vast manufactory of steel cars, of steel structural forms, steam has to be conveyed long distances from the boilers. Here, as in similar huge establishments, or in the heating of towns and cities from central stations, it is desirable to lose as little heat as possible by the way, for undue waste means enormous inroads upon profits. There are other reasons for wishing to keep heat within a steam pipe; much damage may be done to fruit, flour and other merchandise unduly warmed. Furthermore there is a risk of setting fire to woodwork, paper, cotton and the like; it has been observed that after a month’s exposure to heat from steampipes, wood takes fire at a temperature which at first would not have led to ignition, because then the wood contained a little moisture. To guard against loss and danger it has long been the practice to cover steampipes with jackets of non-conducting material, such as mineral-wool,—furnace-slag blown into short glassy fibres by a sharp blast of air. Felt, loosely folded, also[187] serves well. Many advertised claims for asbestos are not well founded; this mineral is incombustible and is therefore useful in thick curtains to separate a stage from the auditorium of a theatre. But it is a fairly good conductor, and for steampipes should be used as a direct covering of the metal simply to keep an outer and much thicker coat of felt from being charred. Whatever the material chiefly employed, one point is clearly brought out by experiment, namely, that the air detained by the fibres of a covering greatly aids in obstructing the passage of heat. Hence it is well to keep the materials from becoming compacted together, as do ashes when moistened. Asbestos fibres, which are smooth and glassy, do not take hold of air as do cork and wool.

Professor J. M. Ordway, of the Massachusetts Institute of Technology, Boston, tells us that non-conductors should be of materials that are abundant and cheap; clean and inodorous; light and easy to apply; not liable to become compacted by jarring or to change by long keeping; not attractive to insects or mice; not likely to scorch, char or ignite at the long-continued highest temperature to which they may be exposed; not liable to spontaneous combustion when partly soaked in oil; not prone to attract moisture from the air; not capable of exerting chemical action on the surfaces they touch. No material combines all these desirable qualities, but a considerable range of substances fulfil most of the requirements.

Tests of steam-pipe coverings at Sibley College, Cornell University, and at Michigan University, have resulted as follows:—

Kind of Covering Relative Amount
of Heat
Transmitted
Naked pipe 100.  
Two layers asbestos pipe, 1 inch hair felt, canvas cover 15. 2
The same, wrapped with manila paper 15.  
Two layers asbestos paper, 1 inch hair felt 17.  
Hair felt sectional covering, asbestos lined 18. 6
One thickness asbestos board 59. 4
Four thicknesses asbestos paper 50. 3
Two layers asbestos paper 77. 7
Wool felt, asbestos lined 23. 1
Wool felt with air spaces, asbestos lined 19. 7
Wool felt, plaster paris lined 25. 9
Asbestos molded, mixed with plaster paris[188] 31. 8
Asbestos felted, pure long fibre 20. 1
Asbestos and sponge 18. 8
Asbestos and wool felt 20. 8
Magnesia, molded, applied in plastic condition 22. 4
Magnesia, sectional 18. 8
Mineral wool, sectional 19. 3
Rock wool, fibrous 20. 3
Rock wool, felted 20. 9
Fossil meal, molded, 34 inch thick 29. 7

In general the thickness of the coverings tested was one inch. Some tests were made with coverings of different thicknesses, from which it would appear that the gain in insulating power obtained by increasing the thickness is very slight compared with the increase in cost.[19]

[19] Rolla C. Carpenter, “Heating and Ventilating Buildings,” p. 229. New York, John Wiley & Sons, 1905.

Some properties of matter seem to have family ties. Tenacity and conductivity for heat, as an example, go together; all the tenacious metals as a group are conducting as well. Conversely, the non-conductors,—felt, gypsum, and the rest, are structurally weak. If the inventor could lay hands on a material able to withstand high pressure and, at the same time, carry off wastefully but little heat, he would build with it cylinders for steam engines much more economical than those of to-day He would also give cooking apparatus of all kinds a covering which would conduce to the health and comfort of the cook, while, at the same time, heat would be economized to the utmost. One of the advantages of electric heat is that it can be readily introduced into kettles and chafing dishes surrounded by excellent non-conductors; the result is an efficiency of about ninety-five per cent., quite unapproached in the operations of a common stove or range.

Norwegian Cooking Box.

The costliness of electric heat forbids the housekeeper from using much of it. Her main source of heat must long continue to be the common fuels. These, however, thanks to cheap non-conductors, may be used with much more economy and comfort[189] than of old. Take, for example, the Norwegian cooking box, steadily gaining favor in Europe and well worthy of popularity in America. It consists of a box, preferably cubical, made of closely fitted thick boards, with a lid which fits tightly. Box and lid are thickly lined with felt or woolen cloth, and filled with hay except where pots are placed. These pots, filled with the materials for a soup, a stew, a ragout, are brought to a boil on a fire and then placed within the box, its lid being then fastened down. For two hours or so the cooking process goes on with no further application of heat. To be sure the temperature has fallen a little, but it is still high enough to complete the preparation of a wholesome and palatable dish, with economy of fuel and labor, without unduly heating the kitchen.

Norwegian cooker.

Aladdin oven.

On the same principle is the Aladdin oven, invented by the late Edward Atkinson of Boston, and manufactured by the Aladdin[190] Oven Company, Brookline, Mass. It is built of iron, surrounded with air cell asbestos board, so as to maintain a cooking temperature of 400° Fahr. with little fuel or attention. Its drop door when open forms a shelf, when closed it is fastened by a brass eccentric catch, ensuring tightness; its wooden stand has an iron top to hold the oven firmly in place. This apparatus cooks a wide range of dishes admirably, retaining the natural flavors of meats, fish, vegetables and fruits as ordinary excessive temperatures never do. Mr. Atkinson wrote “The Science of Nutrition,” which sets forth the construction and uses of this oven.[20]

[20] Published by Damrell & Upham, Boston. $1.00.

Aladdin Oven.

Matter Impressed by Its History.

Every property of matter seems universal. The best non-conductor of heat transmits a little heat; the best conductor is by no means perfect: the two classes of substances are joined by materials which gradually approach one end of the scale or the other. Nothing is so hard but that it may be indented or engraved, and where neither a blow nor severe pressure is employed, we may have, as in the photographic plate, an impression which is chemical instead of mechanical, displaying itself to the eye only when treated with a suitable developer. A bar of steel hammered on an anvil is changed in properties; as it becomes closer in texture its tenacity is increased. When that bar takes its place in a structure, the work it has to do, the shocks it bears, equally tell upon its fibres. Stresses and strains leave their effects upon the stoutest machines, engines, bridges; they[191] are never the same afterward as before, and usually their experience does them harm. Says an eminent engineer, Mr. W. Anderson: “The constant recurrence of stresses, even those within the elastic limit, causes changes in the arrangement of the particles which slowly alter their properties. In this way pieces of machinery, which theoretically were abundantly strong for the work they had to do, have after a time failed. The effect is intensified if the stress is suddenly applied, as in the case of armor plate, or in the wheels of a locomotive. . . . When considerable masses of metal have been forged, or severely pressed while heated, the subsequent cooling of the mass imposes restrictions on the free movement of some if not all the particles, hence internal stresses are developed which slowly assert themselves and often cause unexpected failures. In the manufacture of dies for coinage, of chilled rollers, of shot and shell hardened in an unequal manner, spontaneous fractures take place without apparent cause, through constrained molecular motion of the inner particles gradually extending the motion of the outer ones until a break occurs.”

Sir Benjamin Baker says:—“Many engineers ignore the fact that a bar of iron may be broken in two ways—by a single application of a heavy stress, or by the repeated application of a comparatively light stress. An athlete’s muscles have often been likened to a bar of iron, but if ‘fatigue’ be in question, the simile is very wide of the truth. Intermittent action, the alternative pull and thrust of the rower, or of the laborer turning a winch, is what the muscle likes and the bar abhors. A long time ago Braithwaite correctly attributed the failure of girders, carrying a large brewery vat, to the vessel being sometimes full and sometimes empty, the repeated deflection, although imperceptibly slow and free from vibration, deteriorating the metal, until in the course of years it broke. These girders were of cast iron, but it was equally well known that wrought iron was similarly affected, for Nasmyth afterward called attention to the fact that the alternate strain in axles rendered them weak and brittle, and suggested annealing as a remedy, having found that an axle which would snap with one blow when worn, would bear eighteen blows when new or just after annealing. We know that the toughest wire can[192] be broken if bent backward and forward at a sharp angle; perhaps only to locomotive and marine engineers does it appear that the same result will follow in time even when the bending is so slight as to be unseen by the eye. A locomotive crank-axle bends but 134 inch, and a straight driving axle but 164, under the heaviest bending stresses to which they are exposed, and yet their life is limited. Experience proves that a very moderate stress alternating from tension to compression, if repeated about a hundred million times, will cause fracture as surely as bending to a sharp angle repeated a few hundred times.”

Hence an axle, or other structure, should be tested by just such stresses as it is to withstand in practice. A steel bar may satisfactorily pass a tensile test applied in one direction, only to break down disastrously under alternating stresses each less severe.

Magnetization.

That matter virtually remembers its impressions is plain when we study magnetism. Steel when magnetized for the first time does not behave as when magnetized afterward. It is as if magnetism at its first onset threw aside barriers which never again stood in its way. If the steel is to be brought to its original state it must be melted and recast, or raised to a white heat for a long time. In quite other fields of channeled motion we remark that violins take on a richer sonority with age; their fibres, under the player’s hand, seem to fall into such lines as better lend themselves to musical expression.

In 1878 the late Professor Alfred M. Mayer of the Stevens Institute of Technology, Hoboken, New Jersey, published a series of remarkable experiments in the “American Journal of Science.” He there told and pictured how he had magnetized several small steel needles, thrust through bits of cork set afloat in water, the south pole of each needle being upward. As the needles repelled each other, or had their repulsion somewhat overcome by a large magnet held above them with its north pole downward, the needles disposed themselves symmetrically in outlines of great interest, which varied, of course, with the number of needles afloat at any one time. Three needles formed an equilateral triangle, four made up a square, five disposed themselves either as a pentagon or as a square with one magnet at its[193] centre, and so on in a series of regular combinations, all suggesting that magnetic forces may underlie the structure of crystals.

Mayer’s floating magnets.

The Crystal Foreshadows the Plant.

One of the remarkable attributes of a crystal is its ability to grow and act as a unit, as if it had a life of its own, despite the evident variety and great number of its parts. Take a crystal of alum, break off a corner and then immerse the broken mass in its mother liquor; at once the crystal will repair itself, new molecules building themselves into its structure as if they knew where to go. This unity of effect may be observed during a northern winter on a scale much more striking. In cold weather on a large sheet of plate glass exposed as a window, a frost pattern will extend itself as if a tree, beautiful branches[194] spreading themselves from a main stem which may be seven feet in height. It is altogether probable that polar forces, such as we observe in the magnet, are here at work. Their harmony of effect, in spaces comparatively vast, is astonishing. Forces of allied character rise to a plane yet higher in vegetation, culminating in the magnificent sequoia of California, whose life, measured by thousands of years, goes back almost to the dawn of human civilization. The union of tools, levers, wheels, as an organized machine; the co-ordination in research of the parts to be played by observers, recorders, depicters, generalizers; the regimentation of soldiers, so that all march, advance and fire as one man under the control of a single will, is prefigured in the forces which make a unit of every crystal of saltpetre in a soldier’s cartridge-box. Of all the characteristics of matter none is more pervasive and more marvelous than its ability to form a unit which moves and acts as if no part were separable from any other, while manifesting a highly complicated structure, with functions at once intricate and co-ordinate.

A
Alum crystal.

B
After a part has been
broken off.

C
Restored by immersion
in alum solution.

From photographs by Herr Hugo Schmidt, Hackley School, Tarrytown, N. Y.

During Long Periods Minute Influences Become Telling.

Qualities of matter, much more simple, may now engage our attention. First, then, let us note how minute influences, acting for long stretches of time, may change the qualities of metals and rocks. Forces, too slight for measurement as yet, are known in the course of a year or two to affect steel at times favorably, at other times unfavorably.[195] The highest grades of tool-steel are improved by being kept in stock for a considerable time, the longer the better. It seems that bayonets, swords, and guns are liable to changes which may account for failure under sudden thrust or strain. Gauges of tool steel, which are required to be hard in the extreme, are finished to their standard sizes a year or two after the hardening process. Slow molecular changes register themselves in altered dimensions. In the Bureau of Standards at Washington are a yard in steel and a yard in brass, at first identical in length; after twenty years they were found to vary by the 15000 of an inch. Take another case, familiar enough to the railroad engineer: in a mine, or a tunnel, the roof or wall may tumble down a month or more after a blasting. The stone which fell immediately upon the explosion was far from representing all the work done by the dynamite. A stress was set up in large areas of rock and this at last, beginning in slight cracks, overcame the cohesion of masses of huge extent.

Iron tube enclosing marble
before and after deformation.

Marble before deformation
and after.

Properties undergo change during the simple flight of time: a parallel diversity is worthy of remark. A substance exhibits quite diverse qualities according to whether the action upon it is slow or speedy. A paraffine candle protruding horizontally half way out of a box, during a New York summer will at last point directly downward, for all its brittleness. If shoemaker’s wax is struck a sudden blow, it breaks into bits as might a pane of window glass. But place leaden balls on the surface of this same wax and in the course of ten or twelve weeks you will find them sunk to the bottom of the mass. When sharply smitten, the wax[196] is rigid and brittle; to a long continued, moderate pressure the wax proves plastic, semi-fluid almost. All this is repeated when stone is subjected to severe pressure for as long a period as two months. At McGill University, Montreal, a small cylinder of marble thus treated by Professor Frank D. Adams became of bulging form, without fracture, but with a reduction in tensile strength of one-half. When the pressure was applied during but ninety minutes the tensile strength of the resulting mass was but one-third that presented by the original marble; when the experiment occupied but ten minutes the tenacity fell to somewhat less than one-fourth its first degree. These researches shed light on the stratifications of rocks often folded under extreme pressure as if rubber or paste.

Take another and quite different example of how variations in time bring about wide contrasts of result: a rubber ball thrown in play at a wall rebounds; send it forth from a cannon, with a hundred-fold this velocity, and it pierces the wall as might a shot of steel.


[197]

CHAPTER XV
PROPERTIES—Continued. RADIO-ACTIVITY

Properties most evident are studied first . . . Then those hidden from cursory view . . . Radio-activity revealed by the electrician . . . A property which may be universal and of the highest import . . . Its study brings us near to ultimate explanations . . . Faraday’s prophetic views.

Properties age after age have become more and more intimately known. At first the savage took account solely of the obvious strength of an oak, the sharpness of a flint, the pliability of a sinew. With the first kindling of fire he discovered a new round of properties in things long familiar. All kinds of wood, especially when dry, were found combustible, so were straw and twigs, as well as the fat of birds, the oil of fish. Then it was noticed that the ground beneath a fire remained unburnt and grew firm and hard, so that its clay or mud might be used for rude furnaces and ovens. Soon come experiments as to the coverings which maintain coals at red heat, ashes proving the readiest and best.

A century ago the mastery of electricity began to unfold a new knowledge of properties, so wide and intimate as to recall the immense expansion of such knowledge that long before had followed upon the kindling of fire. The successors of Volta, as they reproduced his crown of cups, asked, What metals dissolved in what liquids will give us an electric current at least outlay? Then followed the further question, What metals drawn into wire will bear currents afar with least loss? With the invention of the electro-magnet came another query, What kinds of iron are most swiftly and largely magnetized by a current; and when the current ceases, which of them loses its magnetism in the shortest time? Plainly enough the electrician regards copper, zinc, iron, steel, acids, alkalis from a new point of view; he discovers[198] in them properties which until his advent had been utterly ignored.

Among the properties of matter revealed by electricity none are more striking than those displayed in tubes containing highly rarified gases. The study of their phenomena has led to discoveries which bring us within view of an ultimate explanation of properties, an understanding of how matter is atomically built. All this began simply enough as Plucker, in 1859, sent an electric discharge through a tube fairly well exhausted, producing singular bands of color. Geissler, afterward using tubes more exhausted, produced bands of still higher variegation. In 1875 Professor William Crookes devised the all but vacuous tube which bears his name, through which he sent electric pulses from a cathode pole, revealing what he called “radiant matter,” as borne in a beam of cathode rays, as much more tenuous than ordinary gases as these are more rare than liquids. In 1894 Professor Philipp Lenard observed that cathode rays passed through a thin plate of aluminium, much as daylight takes its way through a film of translucent marble. Next year came the epoch-making discovery of Professor Conrad Wilhelm Röntgen that cathode rays consist in part of X-rays which readily pass through human flesh, so as to cast shadows of bones upon a photographic plate. Cathode rays make air a fairly good conductor of electricity, while ordinary air is non-conducting in an extreme degree. This singular power is also possessed by the ultra-violet rays of sunshine, as readily shown by an electroscope. In 1897 Professor Joseph J. Thomson, of Cambridge University, demonstrated that cathode rays are made up of corpuscles, or electrons, about one-thousandth part the size of a hydrogen atom, and bearing a charge of negative electricity. Such electrons form a small part of every chemical atom, the remainder of which is, of course, positively electrified. All electrons are alike, however various the “elements” whence they are derived; as the most minute masses known to science they may be among the primal units of all matter.

France, as well as Germany and England, was to take a leading part in furthering the study of radio-activity. In Paris the famous Becquerel family had for three generations devoted themselves[199] to studying phosphorescence. Henri Becquerel, third of the line, said, “I wonder if a phosphorescent substance, such as zinc sulphide, would be excited by X-rays.” He tried the experiment, causing the sulphide to glow with new vigor. From that moment proofs have accumulated that the rays of common phosphorescence such as are emitted by matches, decaying wood and fish, are of kin to the cathode rays which the electrician evokes from any substance whatever when he employs a high-tension current. One day M. Becquerel came upon a remarkable discovery. He noticed that compounds of uranium, whether phosphorescent or not, affected a photographic plate through an opaque covering of black paper, and rendered the adjacent air an electric conductor. Compounds of thorium, similar to those used for incandescent mantles, were found to have the same properties. And here was detected the cause of an annoyance and loss which had long perplexed photographers. Often they had bestowed sensitive paper or plates within wrappers of stout paper, or card, or thick wood, secluded in dark cupboards or drawers. All in vain. At the end of a few weeks or months these carefully guarded surfaces were as much discolored as if they had been for a few minutes exposed, here and there, to daylight itself. All the while each material relied upon as a safeguard had been sending forth a feeble but constant beam; treachery had lurked in the trusted guardian.

At the suggestion of M. Becquerel, M. and Madame Pierre Curie undertook a thorough quest for these effects in a wide diversity of substances. They found that several minerals containing uranium were more radio-active than that element itself. Pitchblende, for instance, consisting mainly of an oxide of uranium, was especially energetic as it approached an electroscope, suggesting the presence of an uncommonly active constituent, thus far not identified. At the end of a most laborious series of separations they came at last to a minute quantity of radium chloride displaying extraordinary properties. Another compound of radium, a bromide, has since been arrived at: radium by itself has not yet been obtained. In radio-activity radium chloride surpasses uranium about one-million-fold. Provided with an electroscope of exquisite sensibility, Professor Ernest Rutherford of[200] McGill University, Montreal, has discovered seven distinct radiations from radium, each with characteristics of its own. Directed upon plates of aluminium he finds its gamma rays to be 100 times more penetrating than its beta rays, and beta rays 100 times more penetrating than its alpha rays. Each radiation has qualities as distinct as those of an ordinary chemical element. Beta rays behave in all respects like cathode rays, so that here a bridge is discerned betwixt the qualities of radium and the long familiar phenomena of the Crookes tube.

The substance ranking next in radio-activity to radium is thorium. Professor Rutherford has observed it throwing off a substance he calls Thorium X; this radiates strongly for a time, the parent mass not radiating at all. Gradually Thorium X ceases to radiate and the original thorium resumes an emission of Thorium X. From Thorium X emanates what seems a gas, condensible by extreme cold, which attaches itself to adjacent bodies so as to make them radio-active. This emanation in its turn produces successively three new and distinct kinds of radiation. Professor Charles Baskerville, of the College of the City of New York, has separated from thorium two substances probably elementary, carolinium and berzelium.

Other radio-active substances have each several derivatives: actinium has nine, uranium has four. As researchers broaden their range of inquiry they steadily lengthen the list of radio-active substances. Minerals of many kinds, water from springs, especially those of medicinal value, the leaves of plants, newly fallen snow, and even common air, are found to be radio-active, although usually in but a slight degree, so that the doubt may be expressed, Is the observed effect due to a trace of some highly radio-active material diffused in something else which is not radio-active at all? Should it be established that radio-activity is really present in all matter it would be no other than a parallel to what, at another point in the physical scale, presents itself as ordinary evaporation.

Solids are not as Solid as They Seem.

In a northern winter we may observe in air almost still, the wasting away of a large block of ice, so that during a week it loses a considerable part of its bulk. The giving forth of vapor is evidently not restricted to high or to ordinary temperatures, but[201] may occur below the freezing point of water. In 1863, Thomas Graham, the eminent Scottish physicist, from many experiments with metals expressed the opinion that what seems to be a solid may be also in a minute degree both liquid and gaseous as well. Confirmation of this view was afforded in 1886 by Professor W. Spring, of Liege, who formed alloys by strongly compressing their constituents as powders at ordinary temperatures. It is probable that a slight pervasive liquidity gave success to the experiment. Professor Roberts-Austen once observed that an electric-deposit of iron on a clean copper plate adhered so firmly that when they were severed by force, a film was stripped from the copper plate and remained on the iron, signifying that the two metals had penetrated each other at an ordinary temperature. This interpenetration he found to take place through films of electro-deposited nickel. In a remarkable round of experiments he also found that at 100° C., a temperature much below the fusing point of lead, gold as leaf is slightly diffused through a mass of lead; when the lead is fluid at 550° C., the proportion of diffused gold is increased 160,000 times. This volatility of the particles of a heavy metal shows us plainly that virtual evaporation may be always taking place from metallic surfaces at ordinary temperatures,—a phenomenon which may be the same in kind as the pouring out of a perceptible stream of corpuscles under strong electrical excitation. The analogy goes further, at least in the case of liquids, which exhale a vapor usually different in composition from the parent body; take, for example, a solution of sugar in water which sends forth watery vapor only, or observe a mixture of much water and a little alcohol as it emits a vapor largely alcoholic and but slightly aqueous.

Every Property May be Universal.

Here we are reminded of a striking experiment by Faraday: exciting an electro-magnet of gigantic proportions he showed that every substance he brought near to it was affected in a definite degree. He found iron to be pre-eminently magnetic, much as Madame Curie has shown radium to be vastly more radio-active than any other substance. From Faraday’s time to the present hour the whole trend of investigation has built up the[202] probability that every known property in some degree exists in all matter whatever. Copper conducts electricity remarkably well, and gutta percha conducts remarkably ill; but gutta percha has some little conductivity, or thinner sheets of it than those now used would suffice to keep within an ocean cable the throbs which pass between America and Europe. In radio-activity many substances may be as low in the scale as is gutta percha in the list of electric conductors; in that case no existing means of detection would make the property manifest.

Radium Reveals Properties Unknown Till Now.

While radio-activity may be a universal property of matter, to be disclosed more and more as means of detection are refined and improved, radium compounds are to-day in a class quite by themselves. Radium bromide constantly maintains itself at a temperature of 3° to 5° C. higher than that of its surroundings, so that every hour it could boil its own weight of water. Professor Rutherford estimates the life of radium as 1,800 years, its emanations in breaking up through their successive stages emitting about three million times as much energy as is given out by the union of an equal volume of hydrogen and oxygen, mixed in the proportions which form water, a union accompanied by more heat than that evolved in any other chemical change. Whence this amazing stream of energy? It is probable that each radium atom may break into minute parts, or corpuscles, which, moving at a velocity of 120,000 miles a second or so, collide so as to cause the observed heat.

From another side the compounds of radium bid us revise the laws of chemical change as taught up to the close of the nineteenth century. In the pores of many radio-active minerals may be found that remarkable element, helium, first detected in the sun by means of the spectroscope, then afterward discovered in the pores of cleveite, a mineral unearthed in Norway. Sir William Ramsay and Mr. Frederick Soddy have found helium in the gases evolved from radium chloride kept as a solid for some months. The spectrum of helium was at first invisible; it soon appeared and steadily grew more intense with the lapse of time. “It appears not unlikely,” says Professor Rutherford, “that many of the so-called chemical elements may prove to be compounds of helium, or, in[203] other words, that the helium atom is one of the secondary units with which the heavier atoms are built up.”[21]

[21] Ernest Rutherford “Radio-activity.” Second edition. New York: Macmillan Co.; Cambridge, England, University Press, 1905.

Photograph by Rice, Montreal.

PROFESSOR ERNEST RUTHERFORD,
McGill University, Montreal.

Already the phenomena of radio-activity, although of puzzling intricacy, have greatly broadened our conceptions of matter. Where we were wont to deem it of simple structure, it displays a baffling complexity, as indeed has long been suggested in so highly diversified a spectrum as that of iron. We find that radiations from an “element” may consist not only in the undulations of an ether, but also in an emission of matter as real as the projection of steam from a boiling pot. Newton believed sunshine to be a stream of corpuscles: he was wrong with respect to sunlight, his conception is true of many other kinds of radiation. Until quite lately we looked upon atoms as indivisible bodies; to-day we have learned that at least some of them may on occasion divide into many parts, each part moving with a speed approaching that of light, with energy far exceeding that of any chemical action we know. In the field of ray-transmission our knowledge has undergone a like gain in width. Twenty years ago we spoke of the opacity of lead, the transparency of flint glass, as absolute properties. To-day we learn that given its accordant ray any substance whatever affords that ray free passage, as when oak an inch thick transmits pulses from radium. Yet more: ordinary chemical changes require us to bring one substance into contact with another; usually we must also apply heat or electricity to the bodies thus joined; they are always responsive to changes of temperature. Within the past six years we have become acquainted with changes incomparably more energetic than those of the most violent chemical action; many of them proceed with apparent spontaneity from a substance all by itself. In the case of radium neither extreme cold nor extreme heat has any perceptible effect upon the radiant stream.

One of the results of investigation in radio-activity is that it shows the alchemists in their attempts at transmutation to have stood on solid ground. Says Professor Rutherford: “There can be no doubt that in the radio-elements we are witnessing the spontaneous transformation of matter, and that the different products[204] which arise mark the stages or halting places in the process of transformation, where the atoms are able to exist for a short time before breaking up into new systems.”

History of the Universe Rewritten in the Light of Radio-Activity.

Radio-activity has a vivid interest far beyond the laboratories of chemists and physicians. One of the long standing puzzles of geology has been to explain why the temperature of the earth has remained fairly constant ever since organic life made its appearance. A sister problem has been the maintenance by the sun of its vast output of heat and light, age after age, with little or no diminution of intensity. Professor Rutherford and Mr. Soddy believe that the phenomena of radio-activity may solve both these problems: an element like helium may furnish a store of energy vastly greater than that of ordinary chemical action, and much lengthen the cooling process due to radiation from either the sun or the earth.

Radio-activity, furthermore, throws new light upon evolution regarded in its broadest aspects. The corpuscles discovered in 1897 by Professor J. J. Thomson, as he severed atoms in pieces, are all alike whatever chemical element may be the parent body. Hence it is argued that we may have here the primal units of all matter whatever. Sir Norman Lockyer long ago pointed out that helium and hydrogen predominate in the hottest stars, while in stars less hot more complex types of matter appear. He argues that these stars as they successively lose heat show a development of what chemists call elements. His views are parallel with the suggestion that in the radio-active corpuscle we make acquaintance with an ultimate element of all matter, whether observed in a laboratory tube or in the squadrons bright of the midnight heavens.[22]

[22] Radio-activity and other physical phenomena recently discovered are set forth in “The New Knowledge,” by Professor Robert Kennedy Duncan, published by A. S. Barnes & Co., New York, 1905; and “The Recent Development of Physical Science,” by W. C. D. Whetham, published by John Murray, London, and P. Blakiston, Son & Co., Phila., 1906.

The phenomena of radio-activity revive interest in the prophetic views of Michael Faraday. In 1816, when he was but twenty-four years of age, he delivered a lecture at the Royal Institution in[205] London on Radiant Matter. In the course of his remarks there occurs this passage:—

Faraday’s Prophetic Views.

“If we now conceive a change as far beyond vaporization as that is above fluidity, and then take into account the proportional increased extent of alteration as the changes arise, we shall perhaps, if we can form any conception at all, not fall short of radiant matter; and as in the last conversion many qualities were lost, so here also many more would disappear.

“It was the opinion of Newton, and of many other distinguished philosophers, that this conversion was possible, and continually going on in the processes of nature, and they found that the idea would bear without injury the applications of mathematical reasoning—as regards heat, for instance. If assumed, we must also assume the simplicity of matter; for it would follow that all the variety of substances with which we are acquainted could be converted into one of three kinds of radiant matter, which again may differ from each other only in the size of their particles or their form. The properties of known bodies would then be supposed to arise from the varied arrangements of their ultimate atoms, and belong to substances only as long as their compound nature existed; and thus variety of matter and variety of properties would be found co-essential.”[23]

[23] “Life and Letters of Faraday,” by Bence Jones. Vol. I, p. 216.

Three years later he returned to this theme in another lecture:—

“By the power of heat all solid bodies have been fused into fluids, and there are very few the conversion of which into gaseous forms is at all doubtful. In inverting the method, attempts have not been so successful. Many gases refuse to resign their form, and some fluids have not been frozen. If, however, we adopt means which depend on the rearrangement of particles, then these refractory instances disappear, and by combining substances together we can make them take the solid, fluid, or gaseous form at pleasure.

“In these observations on the changes of state, I have purposely avoided mentioning the radiant state of matter, being purely[206] hypothetical, it would not have been just to the demonstrated parts of the science to weaken the force of their laws by connecting them with what is undecided. I may now, however, notice a progression in physical properties accompanying changes of form, and which is perhaps sufficient to induce, in the inventive and sanguine philosopher, a considerable belief in the association of the radiant form with the others in the set of changes I have mentioned.

“As we ascend from the solid to the fluid and gaseous states, physical properties diminish in number and variety, each state having some of those which belong to the preceding state. When solids are converted into fluids, all varieties of hardness and softness are necessarily lost. Crystalline and other shapes are destroyed. Opacity and color frequently give way to a colorless transparency, and a general mobility of particles is conferred.

“Passing onward to the gaseous state, still more of the evident characters of bodies are annihilated. The immense differences in their weights almost disappear; the remains of difference in color that were left, are lost. Transparency becomes universal, and they are all elastic. They now form but one set of substances, and the varieties of density, hardness, opacity, color, elasticity and form, which render the number of solids and fluids almost infinite, are now supplied by a few slight variations in weight, and some unimportant shades of color.

“To those, therefore, who admit the radiant form of matter, no difficulty exists in the simplicity of the properties it possesses, but rather an argument in their favor. These persons show you a gradual resignation of properties in the matter we can appreciate as the matter ascends in the scale of forms, and they would be surprised if that effect were to cease at the gaseous state. They point out the greater exertions which nature makes at each step of the change, and think that, consistently, it ought to be greatest at the passage from the gaseous to the radiant form.”[24]

[24] “Life and Letters of Faraday,” by Bence Jones. Vol. I, p. 307.

This remarkable deliverance recalls what another great experimental philosopher, Count Rumford, deduced as by dint of mechanical motion he melted ice in a closed and insulated receiver.[207] He inferred that the heat thus generated was not a material substance, as then generally supposed, but must be in essence motion, for only motion had brought it into existence. As we follow Faraday’s recital of the successive changes in properties which follow upon additions of heat, in other words, of mechanical motion, the inference is irresistible that properties consist in the distinct motions of masses of definite form and size, these very motions, perhaps, deciding both the form and size of each mass.


[208]

CHAPTER XVI
MEASUREMENT

Methods beginning in rule-of-thumb proceed to the utmost refinement . . . The foot and cubit . . . The metric system . . . Refined measurement a means of discovery . . . The interferometer measures 1-5,000,000 inch . . . A light-wave as an unvarying unit of length.

A child notices that his bedroom is smaller than the family parlor, that to-day is warmer than yesterday was, that iron is much heavier than wood and less easily marked by a blow. The child becomes a well grown boy before he paces the length and breadth of rooms so as to compare their areas and add to his mensuration lesson an example from home. If instead of pacing he were to use a foot-rule, or a tape-line, so much the better. About this time he may begin to observe the thermometer, noting that within five hours, let us say, it has fallen eight degrees. As a child he took account of bigness or smallness, lightness or heaviness, warmth or cold; now he passes to measuring their amount. In so doing he spans in a few years what has required for mankind ages of history. When corn and peltries are bartered, or axes and calumets are bought and sold, a shrewd guess at sizes and weights is enough for the parties to the bargain. But when gold or gems change owners a balance of delicacy must be set up, and the moral code resounds with imprecations on all who tamper with its weights or beam. Perhaps the balance was suggested by the children’s teeter, that primitive means of sport which crosses one prone tree with another, playmates rising and falling at the ends of the upper, moving trunk. In essence the most refined balance of to-day is a teeter still. Its successive improvements register the transition from merely considering what a thing is, whether stone, wood, oil or what not, to ascertaining just how much there is of it; or, in formal phrase, to make and use an accurate balance means passing from the qualitative[209] to the quantitative stage of inquiry. Before Lavoisier’s day it was thought that any part of a substance which disappeared in burning was annihilated. Lavoisier carefully gathered all the products of combustion, and with scales of precision showed that they weighed just as much as the elements before they were burned. He thus laid the corner-stone of modern chemistry by demonstrating that matter is invariable in its total quantity, notwithstanding all chemical unions or partings. Phases of energy other than gravity are now measured with instruments as much improved of late years as the balance; they tell us the great truth that energy like matter is constant in quantity, however much it may vary from form to form, however many the subtle and elusive disguises it may wear.

Foot and Cubit.

How the foot, our commonest measure, has descended to us is an interesting story. The oldest known standard of length, the cubit, was the distance between the point of a man’s elbow and the tip of his middle finger. In Egypt the ordinary cubit was 18.24 inches, and the royal cubit, 20.67 inches. A royal cubit in hard wood, perfectly preserved, was discovered among the ruins of Memphis early in the nineteenth century. It bears the date of the reign of Horus, who is believed to have become King of Egypt about 1657 B. C. The Greeks adopted a foot, equal to two-thirds of the ordinary Egyptian cubit, as their standard of length. This measure, 12.16 inches, was introduced into Italy, where it was divided into twelfths or inches according to the Roman duodecimal system, thence to find its way throughout Europe.

Units equally important with the cubit were from of old derived from the finger and the fingers joined. The breadth of the forefinger at the middle part of its first joint became the digit; four digits were taken as a palm, or hand-breadth, used to this day in measuring horses. Another ancient unit, not yet obsolete, the pace, is forty digits; while the fathom, still employed, is ninety-six digits, as spaced by the extended arms from the finger tips. The cubit is twenty-four digits, and the foot is sixteen digits. Thus centuries ago were laid the foundations of the measurement of space as an art. A definite part of the human body was adopted as a standard of length, and copied on rods[210] of wood and slabs of stone. Divisors and multiples, in whole numbers, were derived from that standard for convenience in measuring lines comparatively long or short. And yet in practice, even as late as a century ago, much remained faulty. Standards varied from nation to nation, and from district to district. Carelessness in copying yard-measures, the wear and tear suffered by lengths of wood or metal, the neglect to take into account perturbing effects of varying temperatures on the materials employed, all constrained men of science to seek a standard of measurement upon which the civilized world could unite, and which might be safeguarded against inaccuracy.

The Metric System.

Here the Government of France took the lead; in 1791 it appointed as a committee Lagrange, Laplace, Borda, Monge, and Condorcet, five illustrious members of the French Academy, to choose a natural constant from which a unit of measurement might be derived, that constant to serve for comparison or reference at need. They chose the world itself to yield the unit sought, and set on foot an expedition to ascertain the length of a quadrant, or quarter-circle of the earth, from the equator to the north pole, taking an arc of the meridian from Dunkirk to Barcelona, nearly nine and one-half degrees, as part of the required curve. When the quadrant had been measured, with absolute precision, as it was believed, its ten-millionth part, the metre, was adopted as the new standard of length. As the science and art of measurement have since advanced, it has been found that the measured quadrant is about 1472.5 metres longer than as reported in 1799 by the commissioners. Furthermore, the form of the earth is now known to be by no means the same when one quadrant is compared with another; and even a specific quadrant may vary from age to age both in contour and length as the planet shrinks in cooling, becomes abraded by wind and rain, rises or falls with earthquakes, or bends under mountains of ice and snow in its polar zones. All this has led to the judicious conclusion that there is no advantage in adopting a quadrant instead of a conventional unit, such as a particular rod of metal, preserved as a standard for comparison in the custody of authorities national or international.

[211]

What gives the metric system pre-eminence is the simplicity and uniformity of its decimal scale, forming part and parcel as it does of the decimal system of notation, and lending itself to a decimal coinage as in France, Germany, Italy, and Spain. The metre is organically related to all measures of length, surface, capacity, solidity, and weight. A cubic centimetre of water, taken as it melts in a vacuum, at 4° C., the temperature of maximum density, is the gram from which other weights are derived; this gram of water becomes a measure of capacity, the millilitre, duly linked with other similar measures. Surfaces are measured in square metres, solids in cubic metres. Simple prefixes are: deci-, one-tenth; centi-, one-hundredth; milli-, one-thousandth; deka-, multiplies a unit by ten; hecto-, by one hundred; kilo-, by one thousand; and myria-, by ten thousand.

As long ago as 1660 Mouton, a Jesuit teacher of Lyons, proposed a metric system which should be unalterable because derived from the globe itself. Watt, the great improver of the steam engine, in a letter of November 14th, 1783, suggested a metric system in all respects such as the French commissioners eight years later decided to adopt.

The nautical mile of 2029 yards has the honor of being the first standard based upon the dimensions of the globe. It was supposed to measure one-sixtieth part of a degree on the equator; the supposition was somewhat in error.

Uses of Refined Measurement.

Lord Kelvin, a master in the art of measurement, an inventor of electrical measuring instruments of the highest precision, as president of the British Association for the Advancement of Science in 1871, said: “Accurate and minute measurement seems to the non-scientific imagination, a less lofty and dignified work than looking for something new. But nearly all the grandest discoveries of science have been but the rewards of accurate measurement and patient, long-continued labor in the minute sifting of numerical results. The popular idea of Newton’s grand discovery is that the theory of gravitation flashed upon his mind, and so the discovery was made. It was by a long train of mathematical calculation, founded on results accumulated through prodigious toil of practical astronomers, that Newton[212] first demonstrated the forces urging the planets towards the sun, determined the magnitude of those forces, and discovered that a force following the same law of variation with distance urges the moon towards the earth. Then first, we may suppose, came to him the idea of the universality of gravitation; but when he attempted to compare the magnitude of the force on the moon with the magnitude of the force of gravitation of a heavy body of equal mass at the earth’s surface, he did not find the agreement which the law he was discovering required. Not for years after would he publish his discovery as made. It is recounted that, being present at a meeting of the Royal Society, he heard a paper read, describing a geodesic measurement by Picard, which led to a serious correction of the previously accepted estimate of the earth’s radius. This was what Newton required; he went home with the result, and commenced his calculations, but felt so much agitated that he handed over the arithmetical work to a friend; then (and not when sitting in a garden he saw an apple fall) did he ascertain that gravitation keeps the moon in her orbit.

“Faraday’s discovery of specific inductive capacity, which inaugurated the new philosophy, tending to discard action at a distance, was the result of minute and accurate measurement of electric forces.

“Joule’s discovery of a thermo-dynamic law, through the regions of electro-chemistry, electro-magnetism, and elasticity of gases was based on a delicacy of thermometry which seemed impossible to some of the most distinguished chemists of the day.

“Andrews’ discovery of the continuity between the gaseous and the liquid states was worked out by many years of laborious and minute measurement of phenomena scarcely sensible to the naked eye.”

Further Refinements Needed.

It is with these examples before them that investigators take the trouble to weigh a mass in a vacuum, to watch the index of a balance through a telescope at a distance of twelve feet, or use an interferometer to space out an inch into a million parts. Their one desire is to arrive at truth as nearly as they can, to bring grounds of disagreement to the vanishing point,[213] and ensure exactness in all the computations based on their work. As art advances from plane to plane it demands new niceties of measurement, discovers sources of error unsuspected before, and avoids these errors by ingenious precautions. To-day observers earnestly wish for means of measurement surpassing those at hand. Take the astronomer for example. One would suppose that the two points of the earth’s orbit which are farthest apart, divided as they are by about 185,000,000 miles, would afford sufficient room between them for a base-line wherewith to measure celestial spaces. But the fact is otherwise. So remote are the fixed stars that nearly all of them seem unchanged in place whether we observe them on January 3 or July 3, although meanwhile we have changed our point of view by the whole length of the ellipse described by the earth in its motion.

Then, too, the chemist is now concerned with analyses of a delicacy out of the question a century ago. His reward is in discovering the great influence wrought by admixtures so slight in amount as almost to defy quantitative recognition. In the experiments by M. Guillaume, elsewhere recited, his unit throughout every research was one-thousandth of a millimetre, or 125,400 inch. Argon, a gas about one-fourth heavier than oxygen, forms nearly one-hundredth part of the atmosphere, and yet its discovery by Lord Rayleigh dates only from 1894. His feat depended not only upon refined modes of measurement, but also upon his challenging the traditional analyses of common air. The utmost resources of refrigeration, of spectroscopy, and of measurement were required to detect four elements associated in minute quantities with argon, and of like chemical inertness. These are helium, having a density of 1.98 as compared with 16 for oxygen; neon, of 9.96 density; krypton, of 40.78; and xenon, of 64. Argon itself has a density of 19.96. “Air contains,” says Sir William Ramsay, “one or two parts of neon per 100,000, one or two parts of helium per 1,000,000, about one part of krypton per 1,000,000, and about one part of xenon per 20,000,000; these together with argon form no less than 0.937 per cent. of the atmosphere. As a group these elements occupy a place between the strongly electro-negative elements of the fluorine group, and the[214] very positive electro-positive elements of the lithium group. By virtue of their lack of electric polarity and their inactivity they form, in a certain sense, a connecting link between the two.”[25]

[25] “Gases of the Atmosphere: History of Their Discovery.” Third edition, with portraits. London and New York, Macmillan, 1906.

Precise Measurement as a Means of Discovery.

As measurements become more and more precise they afford an important means of discovery. Sir William Crookes tells us:—“It is well known that of late years new elementary bodies, new interesting compounds have often been discovered in residual products, in slags, flue-dusts, and waste of various kinds. In like manner, if we carefully scrutinize the processes either of the laboratory or of nature, we may occasionally detect some slight anomaly, some unanticipated phenomenon which we cannot account for, and which, were received theories correct and sufficient, ought not to occur. Such residual phenomena are hints which may lead the man of disciplined mind and of finished manipulative skill to the discovery of new elements, of new laws, possibly even of new forces; upon undrilled men these possibilities are simply thrown away. The untrained physicist or chemist fails to catch these suggestive glimpses. If they appear under his hands, he ignores them as the miners of old did the ores of cobalt and nickel.”[26]

[26] Nineteenth Century Magazine, London, July 1877.

It was a residual effect which led to the discovery of the planet Neptune. The orbit of Uranus being exactly defined, it was noticed by Adams and Leverrier that after making due allowance for perturbations by all known bodies, there remained a small disturbance which they believed could be accounted for only by the existence of a planet as yet unobserved. That planet was forthwith sought, and soon afterward discovered, proving in mass and path to be capable of just the effect which had required explanation.

Photograph by Cox, Chicago.

PROFESSOR A. A. MICHELSON,
University of Chicago.

Michelson interferometer.

Measurements Refined: the Interferometer.

In the measurement of length or motion a most refined instrument is the interferometer, devised by Professor A. A. Michelson, of the University of Chicago. It enables an observer to detect a movement through one five-millionth of an inch. The principle involved is illustrated in a simple experiment. If[215] by dropping a pebble at each of two centres, say a yard apart, in a still pond, we send out two systems of waves, each system will ripple out in a series of concentric circles. If, when the waves meet, the crests from one set of waves coincide with the depressions from the other set, the water in that particular spot becomes smooth because one set of waves destroys the other. In this case we may say that the waves interfere. If, on the other hand, the crests of waves from two sources should coincide, they would rise to twice their original height. Light-waves sent out in a similar mode from two points may in like manner either interfere, and produce darkness, or unite to produce light of double brilliancy. These alternate dark and bright bands are called interference fringes. When one of the two sources of light is moved through a very small space, the interference fringes at a distance move through a space so much larger as to be easily observed and measured, enabling an observer to compute the short path through which a light-source has moved. In the simplest[216] form of interferometer, light from any chosen source, S, is rendered approximately parallel in its rays by a double convex lens at L. The light falling upon the glass plate A is divided into two beams, one of which passes to the mirror M, while the other is reflected to M¹. The rays reflected from M¹, which pass through A, and those returned from M reflected at d, are reunited, and may be observed at E. In order to produce optical symmetry of the two luminous paths, a plate C exactly like A is introduced between A and M. When the distance from d to M and to M¹ are the same the observer sees with white light a central black spot surrounded with colored rings. When the mirror M¹ is moved parallel to itself either further from or nearer to A, the fringes of interference move across the field of view at E. A displacement of one fringe corresponds to a movement of half a wave-length of light by the mirror M¹. By counting the number of fringes corresponding to a motion of M¹ we are able to express the displacement in terms of a wave-length of light. Where by other means this distance is measurable, the length of the light-wave may be deduced. With intense light from a mercury tube 790,000 fringes have been counted, amounting to a difference in path of about one-fourth of a metre.

Light-wave distorted in passing through heated air.

Many diverse applications of the interferometer have been developed, as, for example, in thermometry. The warmth of a hand held near a pencil of light is enough to cause a wavering of the fringes. A lighted match shows contortions as here illustrated. When the air is heated its density and refractive power diminish: it follows that if this experiment is tried under conditions which show a regular and measurable displacement of the fringes, their movement will indicate the temperature of the air. This method has been applied to ascertain very high temperatures, such as those of the blast furnace. Most metals expand one or two parts in 100,000 for a rise in temperature of one degree centigrade. When a small specimen is examined the whole change to be measured may be only about 110,000 inch, a[217] space requiring a good microscope to perceive, but readily measured by an interferometer. It means a displacement amounting to several fringes, and this may be measured to within 150 of a fringe or less; so that the whole displacement may be measured to within a fraction of one per cent. Of course, with long bars the accuracy attainable is much greater.

Application to Weighing.

The interferometer has much refined the indications of the balance. In a noteworthy experiment Professor Michelson found the amount of attraction which a sphere of lead exerted on a small sphere hung on an arm of a delicate balance. The amount of this attraction when two such spheres touch is proportional to the diameter of the large sphere, which in this case was about eight inches. The attraction on the small ball on the end of the balance was thus the same fraction of its weight as the diameter of the large ball was of the diameter of the earth,—something like one twenty-millionth. So the force to be measured was one twenty-millionth of the weight of this small ball. In the interferometer the approach of the small ball to the large one produced a displacement of seven whole fringes.

In order that this instrument may yield the best results, great care must be exercised in its construction. The runways of the frame are straightened with exactitude by a method due to Mr. F. L. O. Wadsworth. The optical surfaces of the planes and mirrors in the original designs were from the master hand of Mr. John A. Brashear of Allegheny, Pennsylvania. Each mirror is free from any irregularity greater than 1880,000 inch, and the opposite faces of the mirrors must be parallel within one second of arc, or 11,296,000 part of a circle.[27]

[27] Interferometers in a variety of designs are manufactured by William Gaertner & Co., 5347 Lake Avenue, Chicago.

A Light-Wave as an Unvarying Unit of Length.

Now for a word as to Professor Michelson’s suggestion that an unvarying unit of measurement may be found in a certain light-wave, as observed in the interferometer. Everybody knows that each chemical element burns with colors of its own. When we see red fire bursting from a rocket we know that strontium is ablaze; when the tint is green it[218] tells us that copper is on fire, as when a trolley-wheel jumps from its electric wire. When these sources of light are looked at through an accurate prism of glass in a spectroscope they form characteristic spectra, and these spectra in their peculiarities of color reveal what elements are aflame. In most cases the rays from an element form a highly complicated series; to this rule cadmium, a metal resembling zinc, is an exception. It emits a red, a green, and a blue ray; the wave-lengths of these rays Professor Michelson proposes as a basis of reference for the metallic standards of length adopted by the nations of Europe and America. He says: “We have in the interferometer a means of comparing the fundamental standard of length with a natural unit—the length of a light-wave—with about the same order of accuracy as is at present possible in the comparison of two metre-bars, that is, to one part in twenty millions. The unit depends on the properties of the vibrating atoms of the radiating substance, and of the luminiferous ether, and is probably one of the least changeable qualities in the material universe. If therefore the metre and all its copies were destroyed, they could be replaced by new ones, which would not differ among themselves. While such a simultaneous disaster is practically impossible, it is by no means sure that notwithstanding the elaborate precautions that have been taken to ensure permanency, there may not be slow molecular changes going on in all the standards, changes which it would be impossible to detect except by some such method as that here presented.”

Thus, by dint of mechanical refinements such as the world never saw before, some of the smallest units revealed to the eye become the basis of all measurement whatever, reaching at last those cosmical diameters across which light itself is the sole messenger. In the early days of spectroscopy many doubters said, What good is all this? Since then a full reply has been rendered to their question and, at this unexpected point, the spectroscopic examination of an unimportant metal may afford a measuring unit of ideal stability. Cases like this suggest the query, Is any knowledge whatever quite worthless?


[219]

CHAPTER XVII
MEASUREMENT—Continued

Weight, Time, Heat, Light, Electricity measured with new precision . . . Exact measurement means interchangeable designs, and points the way to utmost economies . . . The Bureau of Standards at Washington . . . Measurement in expert planning and reform.

Ancient Egyptian balance.

The Balance in Measurement.

Our grandfathers supposed that trade began in barter; we have been able to go one step further back in history to find that barter followed upon the custom of exchanging presents. This custom, among shrewd and self-respecting people, came at length to a degree of fairness, and led to rough and ready modes of weighing, gradually improved. In the British Museum, in a papyrus[220] of Hunnafer, who lived in Egypt thirty-three centuries ago, we have pictured a well-constructed balance of equal arms, in which a feather is outweighing a human soul. In its successive improvements the balance registers the progress of many arts and sciences, and in its turn has promoted them all. It must be built of a metal, or an alloy, hard, durable, and not easily corroded. Its centre of motion should be a little above its centre of gravity; its knife edge should have an angle of about 60 degrees. Appliances must render it easy to lift the weighing apparatus when out of use, so that unnecessary wear of the knife edge may be[221] avoided, as well as needless strain throughout the structure. Air currents should be kept off by a suitable case, or, better still, the instrument should be enclosed in a receiver exhausted of air altogether. The weights, made with scrupulous care of standard metal or alloy, should be guarded from tampering, abrasion, and corrosion, from dirt or other accretions. A weighing should be slowly performed, the weights placed in the center of one pan, the object weighed in the center of the other pan; to eliminate errors due to inequality in the length of arms, the article weighed and the weights are then made to exchange places. The platform should be of the utmost strength and rigidity, so as precisely to maintain its level at all times.

A Rueprecht balance.

As long ago as 1798 a balance was erected having an accuracy of one part in 1,600,000; fifty years later ten-fold greater accuracy had been attained; to-day results much more astonishing are achieved. A precision balance manufactured by Messrs. Albert Rueprecht & Son, Vienna, is shown on page 220, as furnished in 1902 to the International Bureau of Weights and Measures at Sevres, France. It is provided with means for applying the smallest weights of platinum from a distance of three to four metres, so as to guard against perturbations due to the warmth of an operator’s body. The weights may be shifted from one pan to the other, and the oscillations observed through a telescope, at a distance of four metres. This balance will detect the 1500 of a milligram when weighing a mass of 500 grams, or one part in 250,000,000. Such balances, and those of Paul Bunge, of Hamburg, require ten to twenty months of skilled labor for their completion. The International Bureau of Weights and Measures has a balance of extraordinary sensitiveness at the Pavillon de Breteuil, Sevres, where the work of the Bureau goes forward. This instrument measures the difference in the attraction of the earth for a mass of one kilogram when that weight is moved nearer to or farther from the centre of the earth by as little as one centimetre. Thus placing two weights, of common shape, each a kilogram, one on top of the other, and two other weights in the other pan beside one another, would introduce a noteworthy difference in a comparison.

Measurement of Time.

At the very dawn of civilization, the day, however crudely, was[222] divided into parts. These parts, long afterward, probably in Babylonia, became the twenty-four hours which have descended to us. The means of time-keeping came first, in all likelihood, from measuring the simple shadow of a stick, the gnomon, still set up as a sun-dial in our gardens. Next came an hour-glass with its falling sand; the clepsydra, with its water dropping from a jar; the burning of candles definite in length. At last came the supreme discovery that a pendulum, of given length, if kept in one place oscillates in an unvarying period, be its arc of motion long or short. Tradition has it that in Arabia, about the year 1000 A. D., the pendulum was used in time-keeping. Granting this to be true, we must nevertheless give Galileo credit for his independent discovery as he observed the swaying lamp of the cathedral at Pisa, early in the seventeenth century. In 1657 Huygens employed a pendulum in the construction of a clock which, of course, displayed a new approach to accuracy. In 1792 Borda and Cassini had improved their time-pieces so as to be correct within one part in 375,000, that is to one second in 104 hours. For the sake of portability, clocks were gradually reduced in size until they became watches. Instead of a pendulum they were furnished with its equivalent, a balance wheel, Pierre Le Roy having discovered that there is in every spring a certain length where all the vibrations, great or small, are performed in approximately the same period. For actuation, watches were provided with mainsprings which have steadily undergone improvement in quality and in placing.

Time-Pieces Improved.

Many refinements have brought the time-keeper for the ship, the observatory, the railroad, to virtual perfection. Its wheels, pinions, balance-staffs are manufactured automatically, as at Waltham, Massachusetts, to an accuracy of 15000 inch or even less, thanks to that great inventor, Mr. Duane H. Church. In modern watch-making the most durable materials are used, magnetic perturbations are avoided by employing alloys insensitive to magnetism, and the effects of fluctuating temperatures are withstood by Earnshaw’s compensated balance wheel. This wheel is in halves, each[223] nearly semicircular and attached at one end to a stout diameter. Its outer rim, being made of brass, when warmed expands more than its inner rim of steel. Thus, in a rising temperature the wheel curves inward with its duly placed weights, so that the reduction in elasticity of the hair-spring caused by heat is compensated. Experiments are afoot which look toward a marked improvement in the making of time-pieces, by using invar, a nickel-steel with practically no expansibility by heat. This alloy is already employed for pendulums with satisfactory results, both at the Naval Observatory and at the Bureau of Standards, in Washington. It has been described on page 169.

Earnshaw compensated balance wheel for watches.

The Best Clocks in the World.

At the Paris Observatory the standard clock, by Winnerl, is in a vault twenty-seven metres underground. At that depth the temperature changes are less than one fifth of a degree during the year, yet the effect of barometric changes on the rate of the clock have proved to be serious. This difficulty is avoided in the Naval Observatory at Washington, by enclosing the standard clock in an air-tight case within which the air is reduced to a pressure lower than that ever shown by a barometer at that level. To avoid risks of air leaking through this case were it to be pierced by a moving axle, this clock is actuated by weights lifted electrically by a small primary battery. The slight electric current required has no perturbing effect on the clock. This time-piece, provided with an escapement of great excellence, was manufactured by Clemens Riefler of Munich.

At the Observatory of the Case School of Applied Science, Cleveland, Ohio, another Riefler clock has a mean error of but .015 second per day. This means that in a year the total error is not more than 5.475 seconds, or one part in 5,760,000 of the 365[224] days. Such errors, minute as they are, give a good deal of trouble when they are irregular, that is, when the clock is sometimes slow, sometimes fast, in a fashion apparently lawless. When the divergences are fairly constant they can usually be traced to their source, making it feasible to apply a remedy.

Riefler clock.

Ascertaining the Force of Gravity.

A pendulum which swings once in a second at the base of a tall tower will require for the same travel a little more than a second when borne to the top of the tower, because then further from the centre of the earth. Still greater will be the difference in its periods as it swings first at the base of a mountain and next at its summit. A pendulum, therefore, is a means of learning the force of gravity at a given place, and without sacrifice of accuracy it is well that it should be as small as possible. In 1890, Professor T. C. Mendenhall, then superintendent of the United States Coast and Geodetic Survey, designed a pendulum one fourth the length of those previously used, and of admirable precision. Afterward pendulums were built of dimensions further reduced to about two and one half inches in length, with periods of oscillation of one fourth of a second. Such pendulums are easily carried to stations difficult of access, and have[225] been employed on the summits of high mountains, including Pike’s Peak: their indications agree well with those of the larger and somewhat cumbersome apparatus previously used.

Heat Measured.

Much the most convenient means of measuring temperature is the common glass tube filled with mercury. This metal is chosen because a liquid, and because it varies extremely in bulk when warmed or cooled. Materials of parallel susceptibility are adopted for instruments which measure the intensity of magnetism or of electricity, the working core of the instrument being made of a substance highly responsive to magnetism or to electricity.

A mercurial thermometer, for all its convenience, has its accuracy assailed on more sides than one. When the barometric pressure rises, the bulb is compressed; when the barometer falls, the bulb enlarges by virtue of the diminution in atmospheric pressure. Further, when its graduated tube is upright the mercury exerts a distending pressure which introduces error. At all temperatures the metal is giving off a vapor which has tension, in its upper ranges entailing marked inaccuracies. The glass itself of which the instrument is made, when of ordinary composition, spontaneously undergoes changes of volume. While this is a minor source of error it may be almost completely avoided by using a boro-silicate glass from the factory of Schott & Genossen, at Jena. Other substances than mercury are employed in thermometers with gratifying results. Hydrogen gas is found very suitable within the interval from -30° to 200° Centigrade. Pentane serves in temperatures reaching down to -180°.

But it is in alliances with electricity that the measurement of heat has its broadest scope and utmost exactitude. It was long ago remarked that heating a metallic conductor increases its resistance to the flow of an electric current; to measure that resistance in a platinum wire serves, therefore, to measure its temperature. An instrument on this principle is the bolometer of the late Professor S. P. Langley, of Washington. Through a strip of platinum barely 1500 inch in width, and less than 15000 inch in thickness, a current of electricity flows continuously. When radiation, visible or invisible, on occasion from a star, falls upon it, the strip when warmed by as little as one millionth of a[226] degree duly records the fact. An instrument, modified from the Crookes radiometer by Professor E. F. Nichols of Columbia University, New York, is more sensitive still. An exhausted hollow metal block has a window of fluorite, a mineral transparent to ether vibrations of a long range of frequencies. Suspended inside the block is a fine quartz fibre supporting a horizontal bar, at the ends of which are attached thin plates of mica, blackened on one side. Rays passing through the fluorite window strike the blackened side of the mica, which is parallel and opposite to it. The resulting rise in temperature causes the vane to revolve against the torsion of the quartz fibre. The angle of torsion when thermal equilibrium is reached, measures the intensity of the incident radiation.

Another principle is adopted in the electrical instruments which expose to heat a junction of two different materials, usually metallic, giving rise to an electric current, easily measured. Experience shows that the most satisfactory couples for temperatures between 300° C. (570° F.) and 1600° C. (2900° F.) are those devised by M. Le Chatelier, one half consisting of pure platinum, the other half an alloy of ten per cent. rhodium and ninety per cent. platinum. Such instruments are indispensable in the arts which employ high temperatures. In producing chlorine by the Deacon process, or in the baking of porcelain, an undue variation of temperature of only twenty degrees may cause a complete failure of the operation.

The Measurement of Light.

It is probable that about one half the electricity from the dynamos of America is sent into lamps, and this is but part of the whole outlay for light, still chiefly produced by petroleum and gas. Hence the importance of measuring the light from lamps, jets, and mantles of various kinds, and testing the efficiency of shades and reflectors. First of all comes the decision as to a standard for comparison. Great Britain has adopted the Harcourt lamp, consuming pentane, as a standard for ten candle-power, referring to the old time candle of spermaceti. Germany employs the amylacetate lamp introduced by Von Hefner Alteneck, as a standard for its Hefner unit of illumination. Both lamps share in a difficulty which attends all combustion:[227] atmospheric conditions which vary from hour to hour, from place to place, greatly affect the intensity of a flame. Hence incandescent lamps, which have been compared with these fundamental standards, are used as working standards. They can be operated by a uniform current of specified voltage, and after a hundred hours’ use their constancy of radiation for a considerable period is remarkable.

Photometer. A, standard candle. B, gas flame. S, sliding frame.

Having settled upon a standard candle or lamp the measurement of light demands extreme care, and, at the best, can never approach the accuracy of other laboratory measurements. Many photometers have been invented, some of them highly elaborate, but the type oftenest used remains in essence the simple instrument long ago devised by Bunsen. On a frame supported by a stand, S, is stretched a sheet of white paper in the centre of which is a grease spot. This spot allows more light to pass through it and consequently reflects less than the unmarked portion of the paper. If the sheet is more strongly lighted from behind than from in front, it appears bright on a dark ground. If it is illuminated more strongly in front than at the back it will seem dark upon a bright ground. When equal lights fall on both sides, the spot becomes invisible, since it can then appear neither darker nor brighter than the surrounding paper. In its simplest use the screen is placed between a standard candle or lamp at A and the light to be measured at B: the screen is moved along its graduated slide until the grease spot vanishes. If the screen is twice as far[228] from B as from A when the spot disappears, then B is four times as intense as A in light; if the screen were thrice as far from B as from A, then B would be nine-fold as bright as A, the intensity of light diminishing as the square of the distance of its source.

An open-arc lamp, without a reflector, sends to the ground a fairly wide ring of brilliant rays; on both sides of that ring the illumination is feeble. Other sources of light also vary a good deal in the brilliancy of the beams which they emit in various planes. It is therefore usual to measure the light from a lamp as sent forth in all planes, or at least in its principal planes. When incandescent lamps are brought to a photometer they are as a rule placed on a spindle turning so swiftly that their mean horizontal candle-power may be read at once. For measuring the mean spherical intensity a photometer devised by Professor Matthews of Purdue University is employed. This apparatus has a series of mirrors arranged in a semicircle around a lamp, reflecting all the received light upon a single surface.

Light may have great brilliancy and yet be undesirable from its color; we are all familiar with the havoc that gas light may play with hues of blossom and leaf that in sunshine are beautiful. Through ages untold the human eye has been seeing by rays from the sun, and from immemorial habit is best served by light of similar quality. A simple instrument, the spectrometer, casts upon a screen the spectrum from a mercury tube, a Nernst lamp, a Welsbach mantle, or other illuminant, and enables us to compare it with the spectrum of sunshine. Then, as in placing a light pink shade over a Welsbach mantle, we act on the intimations of analysis greatly to the relief of the eye.

An incandescent bulb or mantle may be satisfactory both in brilliancy and color, but a further question is, How long will the filament or the mantle last, and at what point in deterioration should it be discarded? Tests during the first, the fiftieth, the hundredth, and other successive hours will tell us how much the intensity falls off. Just when a bulb or a mantle should be dismissed from service depends partly on the rate of deterioration, and partly on the prices of bulbs and current, of mantles and gas.

Hardly less important than testing sources of light is the[229] investigation of their reflectors and shades. As a rule our lamps are too brilliant, and in many cases they send their light in wasteful directions. It is a general and absurd practice to buy a dollar’s worth of light and then kill sixty cents’ worth of it with a thick opal or cut-glass shade. Examination with the photometer has revealed that many popular patterns of reflectors and shades are most ineffective, while those of the Holophane make, when kept scrupulously clean, send the light just where it does most good and at the lowest possible expenditure of energy. This theme has attention on page 78.[28]

[28] A capital treatise on the subject of lighting, and the measurement of light, is Louis Bell’s “Art of Illumination.” New York, McGraw Publishing Co., 1902. $2.50. Its author (August, 1906) is preparing a new and revised edition.

The Sky as a Field for Measurement.

The sky has been the supreme field for measurements more refined from age to age. Professor William Stanley Jevons, in “Principles of Science,” says: “At Greenwich Observatory in the present day, the hundredth part of a second is not thought an inconsiderable portion of time. The ancient Chaldeans recorded an eclipse to the nearest hour, and even the early Alexandrian astronomers thought it superfluous to distinguish between the edge and centre of the sun. By the introduction of the astrolabe, Ptolemy and the later Alexandrian astronomers could determine the places of the heavenly bodies within about ten minutes of arc. But little progress then ensued for thirteen centuries, until Tycho Brahe made the first great step toward accuracy, not only by employing better instruments, but even more by ceasing to regard an instrument as correct. Tycho, in fact, determined the errors of his instruments, and corrected his observations. He also took notice of the effects of atmospheric refraction, and succeeded in attaining an accuracy often sixty times as great as that of Ptolemy.

“Yet Tycho and Hevelius often erred several minutes in the determination of a star’s place, and it was a great achievement of Roemer and Flamsteed to reduce this error to seconds. Bradley, the modern Hipparchus, carried on the improvement, his errors in right ascension being under one second of time, and those of[230] declination under four seconds of arc according to Bessel. In the present day the average error of a single observation is probably reduced to the half or quarter of what it was in Bradley’s time; and further extreme accuracy is attained by the multiplication of observations, and their skilful combination according to the method of least squares. Some of the more important constants, for instance that of nutation, have been determined within the tenth part of a second of arc.

“It would be a matter of great interest to trace out the dependence of this vast progress upon the introduction of new instruments. The astrolabe of Ptolemy, the telescope of Galileo, the pendulum of Galileo and Huygens, the micrometer of Horrocks, and the telescopic sights and micrometer of Gascoyne and Picard, Roemer’s transit instrument, Newton’s and Hadley’s quadrant, Dollond’s achromatic lenses, Harrison’s chronometer, and Ramsden’s dividing engine—such were some of the principal additions to astronomical apparatus. The result is that we now take note of quantities 1300,000 or 1400,000 the size of the smallest observable in the time of the Chaldeans.”

Compass needle deflected by an electric current borne in a wire.

Compass needle deflected by an electric current borne in a coil.

Suspended coil with D, soft iron core. N, S, magnetic poles.

Electricity Measured.

As important as the measurements of the astronomer are those of the electrician. It was as recently as 1819 that Oersted, a Danish physicist, published a discovery which became a foundation stone of electrical engineering, and upon which rises the art of electrical[231] measurement. He observed that when an electric current is passing through a wire, a nearby magnetic needle tends to place itself at right angles to the wire, the deflection varying with the strength of the current. When instead of a wire, a coil, duly insulated, is employed to carry the current, effects much more decided are displayed. At first current-measurers, or galvanometers, employed simple compass needles; these proved to be unsatisfactory. They were affected by the variations which occur in the intensity of the earth’s magnetism; and no matter how carefully a needle was made, it varied in strength from week to week, from year to year; again, a current might be so strong as to create magnetism overwhelming in comparison with that of the earth, and quite beyond the measuring power of a compass needle. A galvanometer on a plan due to Professor James Clerk Maxwell, employs a permanent magnet, or an electro-magnet, which is stationary, between the poles of which may freely turn a coil bearing the current to be measured. This current in the case of an ocean cable is so weak that no other means of indication will serve. Lord Kelvin’s recording apparatus for such a cable is a galvanometer on this principle. In order to concentrate the lines[232] of magnetic force on the vertical sides of the coil, a piece of soft iron, D, is fixed between the poles of the magnet. This iron becomes magnetized by induction, so as to produce a very powerful field of force, in the minute spaces between it and the two magnetic poles, through which spaces the vertical sides of the coil are free to move. Instruments of this kind, developed by D’Arsonval, are known by his name.

Weston Instruments.

Instruments for electrical measurement, with stationary magnets and moving coils, of great excellence, are manufactured by the Weston Company, Waverly Park, New Jersey. Their accuracy rests upon several important discoveries by Dr. Edward Weston: first, a method of making a magnet which is really permanent, retaining its original strength for a long time: second, by the preparation of a remarkable group of alloys which under ordinary variations of temperature manifest scarcely any change in conductivity, and which set up but little thermo-electric action as they touch other metals in an instrument. Let us see how a Weston voltmeter, or measurer of electric pressure, is constructed.

[233]

Weston voltmeter.

A light rectangular coil of copper wire, C, is wound on an aluminium frame pivoted in jeweled bearings so as to be free to rotate in the ring-like space between an inner cylindrical soft iron core, K, and the pole pieces P and P of the permanent magnet, M. A light aluminium pointer, p, is attached to the coil and is free to move across the scale, D. The current enters the coil through the two spiral springs S and S, which serve also to control the movement of the coil. When a current passes through the coil the dynamic action between the current and the magnetic field tends to rotate the coil, and the position of equilibrium between this force and the torsion of the springs, indicated by the pointer, measures the current passing through the coil. Because the magnetic field is practically unvarying throughout, and the torsion of the springs is proportionate to their deflection, the scale is virtually uniform. This is not assumed in their manufacture, however, for each instrument is calibrated by direct reference to standards. As the aluminium frame moves through the magnetic field, slight currents are generated within the metal; these serve to dampen vibrations so that the pointer comes to rest almost instantly without friction. That the magnetic field may have the utmost strength, the air gap in which the coil rotates is made as narrow as possible; this is ensured by workmanship of the highest skill, and by tools specially designed. The hardened steel pivots are ground and centered as in the best watch-making: the coil is balanced by means of adjustable weights so that none but electrical forces may come into play. In a Weston voltmeter of regular type, the maximum current required for a full scale-deflection is only 0.01 ampere. Instruments of much higher sensibility are constructed for measuring insulation, requiring but 0.0006 ampere for the same deflection. So much for the task of measuring electrical pressure.

For measuring electrical currents, which differ from pressures as the quantity of water flowing in a pipe differs from the pressure of that water as shown in a common gauge, a Weston ammeter, or ampere-meter, may be employed. It is similar to the voltmeter just described, being in fact a milli-voltmeter actuated by the difference in electrical potential, or pressure, between the terminals of a standard resistance, the shunt, through which a definite[234] fraction of the current passes. It is as if a known part of the flow of a river being measured, the volume of the whole stream is learned.

The two principal alloys discovered by Dr. Weston, and used in his instruments, are manganin and nickelin. Manganin has about twenty-five times the resistance of copper, and increases in resistance about 0.00001 for each degree Centigrade through which its temperature rises. Nickelin has about twenty-nine times the resistance of copper, and decreases in resistance about 0.00004 for each degree Centigrade through which its temperature rises. These and other alloys used in construction are carefully worked and annealed according to methods perfected in years of experience. After a wire for an instrument is drawn, its fibres, being in a state of unequal strain, undergo an artificial aging process so that their resistance shall remain unchanged after adjustment. The Weston instruments are based on the international volt and ampere adopted by the National Bureau of Standards at Washington. Instruments of the regular portable type have a guaranteed accuracy of one part in 400, while the laboratory standard semi-portable instruments are guaranteed to one part in 1000. Weston voltmeters and ammeters are constantly being checked after years of active service, and are found correct within the guaranteed limits of accuracy.

This remarkable success testifies to the importance of asking, What properties are needed in the material of which an instrument is to be built? That question duly answered, it becomes a task for research to provide these materials, that skill may put them together in compact and convenient form.[29]

[29] In taking notes for this book the author has visited many factories, works, and mills. In design, equipment, and operation the Weston factory is the best of them all and quite above criticism. Admirable, too, are the educational and social features of this establishment.

The Bureau of Standards at Washington.

Whether in the laboratory of the chemist or the physicist, in the machine shop or the engine-room, every means of measurement must be based on standards created with the highest skill and guarded with the utmost care. For the United States these ultimate standards, in full variety, are brought together at the[235] Bureau of Standards at Washington, of which Dr. S. W. Stratton is director. Here are safeguarded copies of the international metre and the kilogram adopted by Executive Order in 1893 as fundamental units of length and mass; here, too, are standard yards and pounds, bearing fixed legal relations to the international metre and kilogram. The Bureau is prepared to determine the length of any standard up to fifty metres, to calibrate its subdivisions, and to determine its coefficient of expansion for ordinary temperatures. To the credit of American workmanship be it said that at times the micrometers received from leading manufacturers, for use in workshops of the best class, are so refined in their measurements as to tax to the utmost the resources of the Bureau. Its precision balances, by Rueprecht of Vienna, and Stuckrath of Berlin, weigh a kilogram within 1200 part of a milligram, that is, within one two-hundred-millionth part of its load.

In the department of electricity a resistance may be measured all the way from 1100,000 of an ohm to 100,000 ohms. Here are voltmeters, and wattmeters of the best types. Magnetism, as swiftly summoned or dismissed in the cores of dynamos and motors, is here measured with the utmost exactitude. In some of the instruments fused quartz has been used as a means of suspension because its high elasticity and great strength allow it to be drawn as extremely fine threads. Dr. K. E. Guthe, now of the University of Iowa, while at the head of the section of magnetic measurements, found that fibres equally serviceable may be drawn from steatite, or soapstone, such as forms a common kind of gas-burner. Thick quartz threads break easily when bent, those of steatite do not.

In thermometry, a section in charge of Dr. Waidner, much work goes forward in testing clinical and other thermometers for manufacturers. The whole range of heat measurement is covered by instruments adapted to recording the highest attainable temperatures until we reach apparatus by which, through observation of its light, the absolute temperature of the electric arc has been found to be 3720° C. Measurements of light proceed in another section. Here a photometer designed by Mr. Edward P. Hyde, of the Bureau staff, has reached the hitherto unexampled accuracy[236] of one part in 200. The Bureau has an extensive workshop where new designs for improved apparatus are constantly in hand. For services on behalf of the national or any state government the Bureau makes no charge; moderate fees are required from firms and individuals. In its new and adequate quarters the Bureau is doing work as authoritative as that of any similar institution in the world.

Micrometer caliper measuring 1-1000 inch.
Brown & Sharpe, Providence.

Plug and ring for standard measurements.

Refined Measurement Improves Machinery.

In manufacturing modern tools and machinery, the thousandth of an inch is the usual limit of allowable error. A micrometer caliper measuring to this limit is here shown. The pitch of its screw is 40 to the inch, and the beveled edge of the screw-thimble is divided into 25 parts, so that motion from one division to the next takes the screw 125 of 140 of an inch, or 11000. By carrying refinement a step farther, 110,000 of an inch can be detected. The production of a screw such as this was simply impossible by the lathe as used almost up to the close of the eighteenth century, its operator holding in his hand a gouge or chisel. Of inestimable importance was Henry Maudslay’s invention of the slide-rest which firmly holds the tool, moving it automatically along the wood or metal being cut. See illustration on page 96. James Watt, as he endeavored to improve the steam engine, before the slide-rest was invented, was sorely vexed and thwarted by the ill-shaped containers for steam which served[237] him as cylinders. Perhaps the chief task accomplished by the lathe has been its own improvement, so that to-day surfaces are readily cut by its tools accurately to within a thousandth part of an inch. Vastly beyond this feat was Professor H. A. Rowland’s production of a virtually perfect screw, which enabled him to rule on concave gratings 5.9 inches square, 110,000 lines with such precision that the error between any two of the lines is probably less than 13,000,000 of an inch. These gratings brought to view spectra much more extended and clear than those observable in a spectroscope, however powerful. The concave plates employed by Professor Rowland were made by Mr. John A. Brashear of Allegheny, Pennsylvania.

Measurement is greatly indebted to accurate means of enlarging the images of objects as viewed in the telescope or the microscope. Glass grinding tools are to-day so exquisitely contoured that a lens forty-two inches in breadth shows the image of a star as an immeasurable dot. It was in pressing together two lenses of very large and known radius that Newton measured the lengths of light-waves. With homogeneous rays, such as those of yellow light, the successive rings of light and darkness marked the points at which the intervals between his lenses were equal to half a light-vibration or any multiple thereof. Measuring these intervals, by noting their distances from the common centre of his lenses, he found the wave-length of the particular light he was studying.

Two lenses as pressed together by Newton.

[238]

Newton’s rings as produced in yellow light.

Interchangeability Old and New.

The cheap duplication of products, so wonderfully expanded of late years, had its germ long before the Christian era, when in Babylonia a builder first made bricks in a mold, and took care by careful measurement to keep to uniform dimensions in his output. Because any brick matched any other from the same mold, he introduced a new beauty and regularity in architecture, he made it easy to extend or repair a wall, a gateway, a battlement. So it was afterward with the tiles, also made in molds, which were laid as floors or roofs; and the piping, likewise molded, for water-supply or drainage. To-day when a housekeeper replaces her worn-out stove-linings, and a printer increases his stock of type, they enjoy a direct inheritance from the first molders of bricks and tiles, cups and bowls. In a modern factory vast sums are expended in producing the original patterns, molded or copied perhaps ten million times, so that their cost, in so far as represented in each manufactured hook or lever, is next to nothing. Much expense, also, is entailed in making the jigs which guide the tools used in lathes or milling machines to turn out the cases of voltmeters, or a complicated valve-seat. A jig may cost a hundred dollars and its use may require rare steadiness of hand, the utmost keenness of eye; all the while the operator’s wife, at home, avails herself of an aid based on the very same principle. What else is the paper pattern according to which she cuts out a collar, an apron, a baby’s bib?

In machinery the first introduction of an interchangeability of parts was by General Gribeauval, in the French artillery service, about 1765. He reduced gun-carriages to classes, and so arranged[239] many of their parts that they could be applied to any carriage of the class for which they were made. These parts were stamped, not forged. The next step in this direction was taken in America and, as in France, its aim was to improve instruments of war. Eli Whitney, famous as the inventor of the cotton gin, secured a contract from the United States Government for 10,000 firearms. These he manufactured almost wholly by stamping. He introduced machinery for shaping and, as far as then feasible, the finishing of each part. He also employed a system of gauges, by which uniformity of construction was assured for every gun produced. Next came J. H. Hall, of Harper’s Ferry, Virginia, who in 1818 made every similar part of a gun of such size and shape as to suit any other gun, improving some details of importance.

Flat jig, or guide.

The modern designer of tools, implements and machines takes care that the parts upon which wear chiefly comes are easily removable so as to be cheaply replaced. A worn out plowshare is renewed for a dollar or two, keeping the plow as a whole substantially new. Should the pinion of a watch be destroyed by accident, it is duplicated from Waltham or Elgin for a few cents.

To-day rods, wires, screws, bolts, tubes, nails, sheets of metal, are made in standard sizes. Much the same is true of rails for railroads, girders, eye-bars for bridges, and the like. Thus the product of any factory or mill may be used to piece out or to repair work turned out by any other similar concern. Yet more, if a subway or a tunnel is to be built in a hurry, two or more steel-works may co-operate in furnishing beams, columns, or aught else, with no departure from ordinary gauges. Steel works in Pennsylvania have produced every detail for a bridge erected in Africa, a factory in Germany, a stamp mill in Canada. At the World’s Congress of electricians held in Chicago in 1893, units were adopted as international standards, a noteworthy step toward adopting universal standards in all branches of engineering. Here progress is to some extent held back by firms and corporations that produce patterns not always worthy of defence. Standard[240] forms and dimensions, especially in manufactures for a world-market, are only decided upon after thorough discussion, so that they are judiciously chosen. Among feasible shapes and sizes for rails, columns, girders, and the rest, one is usually best, or a few are best. Why not exhaust every reasonable means of ascertaining which these are for specific tasks that they may be freely chosen? Then if individuality prefers its own different designs, let it do so knowing what the indulgence costs.

A Test Shows How Concrete May be Cheaply Strengthened.

Measurements may be conducted in the strict spirit of scientific research, not immediately directed to industrial ends. Methods thus perfected are more and more being adopted for large questions of industry. Let an example be presented from the field, briefly touched upon in this book, of concrete as a material for the builder. Says Mr. C. H. Umstead of Washington, Pennsylvania:—

“Many thousands of tons of the finer grades of stones from the crushers all over the country are rejected by engineers for use in concrete foundations and walls, sand being preferred at greatly increased cost. I prepared seventy-two three-inch cubes with quartz sand and with varying proportions of crushed stone which was going to the dump as unfit for foundation work, and submitted them to crushing tests at periods of fourteen and twenty-eight days. The proportion of Portland cement was constant.”

From Mr. Umstead’s table of results the following figures are chosen; on comparing those for the first and third cubes they show that a gain in strength of forty-three per cent, followed upon using six pounds of crusher refuse instead of five and one half pounds of sand.

Sand Portland
Cement
Water Crushed
Refuse
Compressive Strain
14
Days
  28
Days
8 .5 lbs. 4.5 lbs. 1   lb. none 2850 lbs. per sq. in. 3670
6   4.5 1   lb. 3 lbs. 3120 5050
3   4.5 1 .125 lbs. 6 3620 5250

So much for the value of a test in the improvement of an important manufacture.

[241]

Mr. Umstead’s full report appeared in 1903, in the third volume of bulletins published by the American Society for Testing Materials. This Society, whose secretary is Professor Edgar Marburg of the University of Pennsylvania, Philadelphia, is affiliated with the International Association for Testing Materials, one of the most important agencies in existence for providing the engineer with trustworthy data.

Industrial Uses of Measurement.

Measurement industrially is taking on a new and rapidly extending scope. It is of great moment that a railroad or a steamship, a factory or a mill, should be built of the best materials in the most economical way, that it should be equipped with the most efficient boilers, engines, machines, and lamps: in effect, that every dollar be expended for the utmost possible value.

At Altoona the Pennsylvania Railroad Company has a laboratory for testing the materials which go into its roadbed, bridges, tracks, rolling stock, buildings, telegraph, and signal systems. Every gallon of oil, each incandescent lamp, car axle, or boiler plate accepted by the Company must pass a due test in a continuous series of competitive examinations. The huge scale of such a Company’s purchases, the strains placed upon its equipment by a service growing in extent and in speed, make this course indispensable. Take another case, this time in New York, at the power-house of the Interborough Company in West 59th Street. There every day a fair sample of the coal brought to the dock is burned, and its heat-units ascertained as a basis for payment. With a consumption which may rise to 1500 tons a day this precaution is obligatory.[30]

[30] The United States Geological Survey, Washington, D. C., in 1906 published a report on the coal testing plant at the Exposition, St. Louis, Mo., 1904. Part I, Field work, classification of coals, chemical work. Part II, Boiler tests. Part III, Producer-gas, coking, briquetting, and washing tests. This report, with elaborate tables and many illustrations, is of great value.

The Pennsylvania R. R. Co., Philadelphia, in 1905 published a large and handsomely illustrated volume, “Locomotive tests and exhibits, St. Louis, 1904.” $5.00. The locomotives represented the best American practice of 1904. Every detail of construction and operation is given in the most instructive manner.

The Company is continuing these tests of locomotives at Altoona, Pa.

[242]

On quite other lines, equally important, the ascertainment of values proceeds at laboratories thoroughly organized for the purpose by staffs at the service of the public. In the United States the first in rank of such laboratories are grouped at the Bureau of Standards in Washington. At leading universities and technological institutes throughout the Union are other laboratories well equipped for chemical, physical, and engineering tests. At the Massachusetts Institute of Technology in Boston, for example, is an Emery testing apparatus for making compression tests of specimens up to eighteen feet in length, for tension specimens up to thirteen feet. In Europe analogous institutions are supplemented by the Board of Trade Laboratories in London, the Laboratoire Central in Paris, the Reichsanstalt in Berlin. The Electrical Testing Laboratories, a joint-stock concern, has been established in New York, at Eightieth Street and East End Avenue, for similar tasks in so far as they come within the electrical field. Its direction in ability and character is authoritative. Here is some of the best apparatus in the world for tests of the permeability of magnet iron, of the light from incandescent, arc, or other electric lamps, of gas-burners and mantles, of the extent to which reflectors and globes fulfil their purpose, and so on.

It is altogether probable that this concern will be copied in every other large city of the Union. When an electrical plant is installed it is not enough that the specifications be drawn with care, it is necessary that verifications of quality follow upon delivery of dynamos, motors, lamps, and all else. Tests should be continuous: let us suppose that for a specific task of illumination Nernst lamps are selected. All very well, but the question is, What quality has each lamp? Buyers in cases of this kind are more and more referring rival manufactures to tests which settle, as in a court of final appeal, differences upon which they themselves are incompetent to pass. Not only in sale but in production these tests are of the first importance. If a copper refinery turns out from the same batch of crude metal two samples which vary by a thousandth in electrical conductivity, it is worth while knowing every detail which may explain how the better sample was produced. So likewise in the drawing of wire, the alloying of lead with other metals for anti-friction bearings, and so on.

[243]

It is altogether likely that recourse to authoritative tests will soon become general. Before many years elapse we may see private and public laboratories multiplied for the comparison of building and road-making materials, fuel, boilers, engines, machines, lubricants, finished goods of all kinds. In the textile industry, for instance, much is said about the waste entailed in mixing sound wool with shoddy, long staple cotton with short inferior brands. Let pure and adulterated fabrics be compared in resistance to wear, and let the effects of scouring, bleaching, dyeing, and mechanical washing be measured. In another field Professor W. O. Atwater has done much to ascertain the nourishing value of foods: his labors might well be extended full circle, not omitting tests of popular medicaments and common drugs.

Expert Planning and Reform.

To-day engineers of mark are engaged not only to plan a power-house, a flour mill, a steel works or other vast installation, but also to examine industrial plants established long ago and enlarged from time to time in an unsystematic way. Armed with scales, pressure-gauges, indicators, voltmeters, they ascertain the cost of a horse-power-hour, of making a pound of flour, copper wire, or aught else. They note how speeds may be heightened with profit, as by using suitable brands of high-speed steels. They suggest how a pattern may be adopted in the foundry which will lessen machining; how by-products now thrown away may be turned to account. They point out how quality may be improved by the adoption of new machines which may, furthermore, demand unskilled instead of skilled attendance. They may advise, from a wide outlook on the whole field of American experience, a method for equalizing output throughout the day and throughout the year, as when a central-lighting station sells current at a large discount during the hours when no lamps are aglow, so that ice may be manufactured at such periods, or batteries restored for use in automobiles and motor-boats. Mr. Wilson S. Howell, of New York, a few years ago became convinced that a neglected branch of economy in central lighting stations was the maintaining a uniform voltage. He succeeded in reducing fluctuations in many plants to the unexampled figure of four per cent. The result was that he lowered the current[244] necessary for an Edison lamp from 3.6 watts to 3.1 watts per candle-power, a saving of one seventh. Mr. M. K. Eyre, another well-known engineer, once took charge of a lamp factory in Ohio. In four months he had reduced cost forty per cent. while producing a lamp of the best quality. An electric lighting and power property which for years had been unprofitable was placed in the hands of Messrs. J. G. White & Company of New York, an engineering firm of the first rank. Within a few months the property was earning a substantial surplus; the ratio of operating to gross earnings was reduced about thirty per cent., and the gross earnings showed an increase over corresponding months of the previous year of nearly forty per cent. Economies quite as striking have been effected by the firm of Messrs. Dodge & Day of Philadelphia. On request investigators of this stamp, whose aim is to abolish waste and promote efficiency, go beyond mechanical and engineering details. They may point out how needed working capital may be obtained, how best to extend sales, and possibly how an economical consolidation with other similar plants may be effected. Almost invariably it is found imperative to recast the bookkeeping methods, especially with regard to ascertaining the cost of production in each department. Drawing upon experience recommendations may follow as to premium plans of paying wages, and other methods of identifying the interests of employers and employed.[31] Approved schemes for the comfort and welfare of work people are also suggested by counsellors thoroughly aware that contentment is great gain, that pure air, good light, and the utmost feasible safety, contribute to the balance sheet not less than the quickest lathe tools or the best wound dynamo.

[31] Mr. T. S. Halsey is a contributor to “Trade Unionism and Labor Problems,” published by Ginn & Co., Boston, 1905. He recites (p. 284) how a corporation had manufactured a product again and again. Both workmen and foreman were positive that the working time was at the minimum. The premium plan of payment was introduced, with a reduction in time of 41 per cent. as the result.


[245]

CHAPTER XVIII
NATURE AS TEACHER

Forces take paths of least resistance . . . Accessibility decides where cities shall arise . . . Plants display engineering principles in structure. Lessons from the human heart, eye, bones, muscles, and nerves . . . What nature has done, art may imitate,—in the separation of oxygen from air, in flight, in producing light, in converting heat into work . . . Lessons from lower animals . . . A hammer-using wasp.

Beyond their unending study of forms and properties, their constant weighing and measuring, the inventor and his twin-brother, the discoverer, have a gainful province which now for a little space will engage our attention. This province is nothing else than Nature, which begins by offering primitive man stones for hammers, arrowheads, knives; sticks to serve as clubs, paddles, harrows or tent-poles. We may well believe that the lowest savages have always exercised some degree of choice even here; it would be the soundest and sharpest stone that they picked up when a rude axe was needed. Should only blunt stones be found, then in giving one of them an edge was taken a first step in art, rewarded with a tool as good as the axe found ready to hand in some earlier quest. Nature is not only a giver of much besides stones and sticks, she is virtually a great contriver whose feats may incite the inventor to reach her goals if he can; his path will probably differ widely enough from hers as he arrives at success.

Forces Take the Easiest Paths.

When one drop of rain meets another, and they join themselves to thousands more on the crest of a hill, they need no guide posts to show them the easiest course to the valley. They simply take it under the quiet pull of gravity. When a bolt of lightning darts across the sky, its lines, chaotic as they seem, are just the paths where the electric pulses find least obstruction. If a volcano, which has boiled and throbbed for ages, at last[246] opens a chasm on a hapless shore, as that of Martinique, we may be sure that at that point and nowhere else the mighty caldron’s lid was lightest. A cavern in Kentucky, or Virginia, slowly broadening and deepening through uncounted rills which dissolve its limy walls, comes at last to utter collapse: the breach marking exactly where an ounce too much pressed the roof at its frailest seam. In these cases as in all others, however complex, matter moves inevitably in the path of least resistance. To imitate that economy of effort is from first to last the inventor’s task.

Cities and Roads.

Rains, winds and frosts, in their sculpture of the earth have each taken the easiest course; in so doing they have incidentally marked out the best paths for human feet, have pointed to the best sites for the homes of men. The stresses of defence may rear a pueblo on the peak of a perpendicular cliff in New Mexico, but Paris and London, like Rome, must have all roads leading to their gates; and the easier and shorter these roads, the bigger and stronger the city will become. Where New York, Montreal, Chicago, and Pittsburg now stand, the Indians long ago had the wit to found goodly settlements. They knew, as well as their white successors, the advantages of paths readily traversed, and no longer than need be. In this regard there was an instructive contrast at the outset of railroad building in England. A leading engineer, who planned some of the earliest English railways, had strong mathematical prepossessions: he endeavored to join the terminals of his routes by lines as nearly straight as he could. George Stephenson, for his part, had no mathematical warp of any kind, but instead much sound sense; his lines followed the courses of rivers and valleys, and kept, as much as might be, to the chief indentations of the sea. His roads deviated a good deal from straightness, but they did so profitably; whereas the lines of his academic rival, disrespecting the hints and indications of nature, were much less gratifying from an investor’s point of view. If a traveler takes the New York Central and Hudson River Railroad from New York to Buffalo he goes north for 143 miles, to Albany, before he begins to travel westward at all. Yet this line, keeping as it does to the well-peopled levels of the Hudson and Mohawk Valleys and serving their succession of cities,[247] towns, and villages, enjoys the best business, and makes better time between its terminals than any rival route, because it passes around instead of over its hills and mountains. By way of contrast we turn to the railroad map of Russia and observe how Moscow and St. Petersburg are joined by a line which follows the road which it is said that Peter the Great, with military exigencies in view, laid down with a pencil and ruler.

Deciduous cypress, Taxodium distichum.

Engineering Principles in Vegetation.

If the engineer has many a golden hint spread before him in the hills and dales, the streams and oceans of the world, not less fruitful is the study of what takes place just beneath the surface of the earth where the roots of grain and shrub, reed and tree, take life and form. Plant a kernel of wheat in the ground and note how its rootlets pierce the soil, extending always from the tip. They need no gardener or botanist to bid them lengthen and thicken where food chiefly abounds. In an arid plain of Arizona a vine, in ground parched and dry, goes downward so far, and spreads its fibrils so much abroad, as soon to[248] show ten times as much growth below the drifting sands as above them. In fertile, well-watered soil the same vine descends less than half as far, and yet with more gain. A bald cypress in a swamp of Florida responds to different surroundings with equal profit. Finding its food near the surface its roots take horizontal lines, at no great depth in the soil. Every wind that stirs these roots but promotes their thrift and strengthens their anchorage. A wealth of sustenance floats in the swamp water. In seizing it and being thereby fed, the roots develop “knees”; these brace the tree so firmly against tempests as to win admiration from the engineer. When the progeny of this cypress grow on well-drained land, the knees do not appear, while the roots within a narrowed area strike deep. Thus simply in doing what its surroundings incite it to do, the tree acts as if it had intelligence, as if it consciously saw and chose what would do it most good.

Deciduous cypress, hypothetical diagram.

Lumbermen in the North observe much the same responsiveness. In a grove of pines they see that the trees which stand close together are tall and cylindrical. When all the pines but one in a cluster are cut down, that one will speedily thicken the lower part of its trunk by virtue of the increased action of the winds, just as a muscle thickens by exercise.

The Gain of Responsiveness.

So also is there responsiveness when we look upon the life of plants in the large. As the traits of a shrub or tree are borne into its seed many a thousand impulses are merged and mingled. Little wonder that their delicate accord and poise should be slightly different from those of the seeds from which the parents sprang. Let us suppose these parents to be cactuses, and that the offspring displays an unusually broad stem, of less surface comparatively than any other plant in its group. In a soil seldom refreshed by[249] rain, this cactus has the best foothold and maintains it with most vigor. Sandstorms which kill brethren less sturdy, strike it in vain, so that its kind is multiplied. Wherever such a new character as this gives a plant an advantage, it holds the field while its neighbors perish. Thus arises a high premium on every useful variation, be it in new stockiness of form, an acridity which repels vermin, or a strength which readily makes a way through sun-baked earth. Hence such new traits are, as it were, seized upon and become points of departure for new varieties, and in the fullness of time, for new species. About a hundred years ago a gardener imagined a tuberous begonia, and then proceeded step by step toward its creation by breeding from every flower that varied in the direction he desired. This man, and all his kindred who have added to our riches in cultivated blooms, have no more than copied the modes of nature which, at the end of ages, bestows as free gifts every wildflower of the field and hedgerow. If the botanist of to-day is the master of a plastic art, so is the cattle-breeder who chalks on a barn-door the outline of a beeve he wishes to produce, and then straightway plans the matings which issue in the animal he has pictured. Artificial selection, such as this, is after all only imitation of that natural selection which has derived the horse from a progenitor little larger than a fox, in response, age after age, to changing food, climate, enemies, and the needs of his human master.

Scope for Imitation.

Fields remote from those of the naturalist are just as instructive. The inventor sets before himself an end with conscious purpose, and then seeks means to reach that end, but at best his methods may be wasteful and imperfect. Nature, with unhasting tread, acting simply through the qualities inherent in her materials, through their singular powers of combination, of mutual adaptability, shows the discoverer results which to understand even in small measure tax his keenest wit, or displays to him structures at times beyond his skill to dissect, much less to imitate. Mechanic art, indeed, is for the most part but a copy of nature, as when the builder repeats the mode in which rocks are found in caves, in ridges at the verge of a cliff, or in the stratifications which underlie a county, all conducing to permanence of form, to[250] resistance against abrading sand or dissolving waters. What ensures the stability of a lighthouse but its repetition of a tree-trunk in its contour? Engines and machines recall the animal body, grinding ore much as teeth grind nuts, lifting water as the heart pumps blood through artery and vein, and repeating in mechanism of brass and steel the dexterity of fingers, the blows of fists. When an inventor builds an engine to drive a huge ship across the sea, he has created a motor vastly larger than his own frame, but much inferior in economy. At a temperature little higher than that of a summer breeze the human mechanism transmutes the energy of fuel into mechanical toil: for the same duty, less efficiently discharged, the steam engine demands a blaze almost fierce enough to melt grate bars of iron.

Heat is costly, so that its conservation is an art worth knowing. In the ashes strewn and piled on burning lava nature long ago told us how heat may be secured against dissipation. Other of her garments, as hair and fur, obstruct the escape of heat in a remarkable degree, and so does bark, especially when loosely coherent as in the cork tree. Feathers are also excellent retainers of heat, and have thereby so much profited their wearers, that Ernest Ingersoll holds that the development of feathers has had much to do with advancing birds far above their lowly cousins, the reptiles clad in a scaly vesture.

Strength of the Cylinder.

As we look back upon the past from the vantage ground of modern insight we see that men of the loftiest powers could be blind to intimations now plain and clear. Many a time have designers and inventors paralleled, without knowing it, some structure of nature often seen but never really observed. All the variety and beauty of the Greek orders of architecture failed to include the arch; yet the contour of every architect’s own skull was the while displaying an arched form which could lend to temple and palace new strength as well as grace. The skeleton of the foot reveals in the instep an arch of tarsal and metatarsal bones, with all the springiness which their possessor may confer upon a composite arch of wood or steel. Modern builders, whether wittingly or not, have taken a leaf from the book of nature in rearing their tallest structures with hollow cylinders of steel. What is this[251] but borrowing the form of the reed, the bamboo, a thousand varieties of stalk, one of the strongest shapes in which supporting material can be disposed? Pass a knife across a blade of pipe or moor grass and you will find a hollow cylinder stayed by buttresses numbering nearly a score. More elaborate and even more gainful is the way in which tissue grows in the columns of dead-nettles and bulrushes. The bones in one’s arms and legs resemble the hollow cylinders of which these stalks show instructive variations, so that without going beyond his own frame the designer could long ago have learned a golden lesson. How bone is joined to bone is scarcely less remarkable, as in the braces of the thigh bone as it joins the trunk. As bones move upon each other all shock is prevented by a highly elastic cushion: the springs of vehicles, the buffers of railroad trains, but repeat the cartilages in the joints of their inventors.

Section of pipe or
moor grass.

Cross-section of bulrush,
Scirpus lacustris.

In the theodolite and sextant, in the geometric lathe of the bank-note engraver, are ball-and-socket joints allowing motion in any plane. Equally free in their movements are the shoulder and hip joints, while their surfaces are lubricated by a delicate synovial fluid supplied just as it is wanted. When pumps first received valves to direct their flow in one direction, their inventor was no doubt gratified at his skill. In the heart within his own breast, in his veins and arteries, were simple valves engaged in a similar task as they directed the currents of his blood. In pumps such as are common in farm-yards, the action is jerky, the stream flowing and ebbing from moment to moment as the arm rises and[252] falls. The tide of human blood would have the same uneven pulse were it not for the elasticity of its arterial walls. Their elasticity serves to equalize the flow, much as the air does in large chambers on pumps for mines or waterworks.

Human hip joint in section. From “The Human Body,” by H. N. Martin. Copyright, Henry Holt & Co., New York, 1884. Reproduced by their permission.

Valves of veins.
C, a capillary; H, the heart end of the vessel. From “The Human Body,” by H. N. Martin. Copyright, 1884, Henry Holt & Co., New York, and reproduced by their permission.

Built-up gun.

The Heart and the Built-up Gun.

Examination of the heart brings out a principle in its structure closely paralleled in modern invention. Guns of old were cast or forged as ordinary columns or shafts are to-day, the strength of the metal being virtually uniform throughout when the guns were at rest on their trunnions. As explosive charges more and more powerful were employed, these guns gave way, the pressure of the exploding gases stretching the metal at the bore to rupture, before the outer metal could add its resistance. A modern built-up gun is made up of a series of, let[253] us say, four cylinders: the first, of comparatively small bore and thickness, is innermost. It is cooled to as low a temperature as possible, when a second cylinder is slipped over it red-hot to form a tight fit. Both masses of metal are now slowly cooled, when a third red-hot, closely fitting cylinder is passed over them. All three united masses are now cooled, when the fourth and widest cylinder of all, red-hot, is passed over these three inner tubes, and the whole gun is allowed gradually to fall in temperature. When this process is completed the inner parts of the gun, by virtue of the shrinkage in the metal as it cooled, are under severe compression, while the outer parts are in as extreme a state of stretch or tension. When such a gun is fired its inner cylinders oppose much greater resistance to the outward pressure of the exploding gases than did the walls of the old-time guns. The strength of the old guns was uniform throughout when they were doing nothing, and very far from uniform at the instant of firing; a built-up gun, on the contrary, has uniform strength in its every part just when that uniformity is wanted, at the moment of explosion. The built-up gun therefore uses projectiles vastly heavier and swifter than those of former times. Its structure, made up of cylinders successively shrunk one upon another, resembles that of the heart, whose two inner parts have their fibres wound somewhat like balls of twine, these in turn being tightly compressed by a covering of other fibres. The heart has to resist no such explosive force as arises within a gun, but in its propulsion of blood through the arteries and veins it has to exert great pressure, with no rest throughout a lifetime. This pressure is uniformly distributed throughout the muscular tissue by a structure which, as engineers would say, has its outer layers in tension and its inner layers in compression. During twenty-four hours the[254] labor of an average human heart is equal to lifting two hundred and twenty tons one foot from the ground.

What building-up does to strengthen the gun has been repeated in the case of the circular saw: driven at a high speed it becomes so highly heated at its periphery that the resulting expansion may crack the metal in pieces. In an improved method of manufacture the saw is hammered to a compression which gradually increases from rim to centre. In this way the tendency of the periphery to fly apart is withstood by the compressive forces at the central portion of the disc.

This ingenious treatment of metal for guns and saws reminds us of a familiar resource in carpentry, illustrated on page 36. An ordinary book-shelf, if fairly long and not particularly stout, bends beneath its burden and may at last slip out from its mortices and fall with injury to its books. At the outset this is prevented by bending the shelf to convexity on its upper surface. Then a heavy load no more than brings the shelf to straightness, so that the books remain in their places with both safety and sightliness. Here a principle is involved worth a moment’s pause. An inventor asks, What effect will a working load exert which it is desirable to lessen or withstand? He gives his structure a form opposite to that which will result from an imposed burden, so that when at work his structure, a shelf, a cylinder, a saw, will assume its most effective shape.

The Eye and the Dollond Lenses.

From childhood we are familiar with the triangular prisms of glass which break a sunbeam into all the hues of the rainbow. A lens is a prism of circular form, and has, equally with an ordinary prism, the power to show rays of all colors. This was for a long time a source of error and annoyance in telescopic images. Sir Isaac Newton from some rough and ready experiments concluded that the trouble was beyond remedy, yet all the while his own eyeballs were transmitting images with little or no vexatious fringe of color. Let us note how Dollond set about a task which Newton deemed impossible. He knew, what Newton did not know, that crown glass disperses or scatters light only half as much as does flint glass, so he united a lens of the one to a lens of the other, and obtained a refracted or bent beam[255] of light almost unchanged in its whiteness. Of course, in this combination there was an increased thickness of glass, but its doubled absorption and waste of light was a small drawback compared with the advantage of almost wholly excluding the tinted fringe which had so long vexed astronomers. In the eyeball are first a crystalline lens, next an aqueous humor, third a vitreous humor; these three so vary in their qualities of refraction and dispersion as to render images quite free from color fringes. Compound lenses on the Dollond principle, repeating the structure of an eyeball, are used in all good telescopes, microscopes, and cameras, and are now executed in varieties of Jena glass which bring perturbing hues to the vanishing point. In their achromatic, or color-free, lenses and their cameras, or dark chambers, our photographic instruments much resemble the eye. Indeed, it may be that when we see an object the impression is due to a succession of fleeting photographs, following each other so rapidly on the retina as to seem a permanent picture. The eye, furthermore, is stereoscopic; by uniting two images seen from slightly differing points of view, it enables us to judge of size, solidity, and distance.

A is flint glass, B is crown glass. They unite to form an achromatic lens.

B, C, F, prism crown glass. C, D, F, prism flint glass, more dispersive than crown glass. The beam S emerges as E, but little decomposed. Were A, B, F a prism of one kind of glass, E would be much decomposed.

[256]

Limbs and Lungs as Prototypes.

Long before there was a philosopher to classify levers into distinct kinds, the foot of man was affording examples of levers of the first and second orders, and his fore-arm of a lever of the third order. Ages before the crudest bagpipe was put together, the lungs by which they were to be blown, and the larynx joined to those lungs, were displaying a wind instrument of perfect model. The wrists, ankles, and vertebrae of Hooke might well have served him in designing his universal joint. Indeed weapons, tools, instruments, machines, and engines are, after all, but extensions and modified copies of the bodily organs of the inventor himself.

Lever of the 1st order.

Lever of the 2nd order.

Lever of the 3rd order.

P, power. F, fulcrum. W, weight.

Canals have called forth the ingenuity of an army of engineers; ever since the first heart-throb, the circulation of the human blood was exemplifying a system in which the canal liquid and the canal boats move together, making a complete circuit twice in a minute, distributing supplies wherever required, and taking up without stopping return loads wherever they are found ready. The heart, with its arteries and veins, forms a distributing apparatus which carries heat from places at which it is generated, or in excess, to places where it is deficient, tending to establish a uniform, healthful temperature. To copy all this, with the ventilating appliances prefigured in the lungs, is a task which in our huge modern buildings demands the utmost skill of the architect and engineer.

Arm holding ball.

Postal and Telephonic Service.

In a great city each branch post office is connected solely with headquarters, to[257] which it sends its letters, papers, and parcels, receiving in return its batches for local distribution. For each branch office to communicate with every other would be so costly and cumbrous a plan as to be quite impracticable. Our postal method is adopted in every telephonic service; Z communicating with D or M only after he has had his line joined to the central switchboard which connects with every telephone in the whole system. All this was prophesied in the remote ancestry of both postmasters and electricians as their nerves took the paths of what is in effect a complete telegraphic circuit, with separate up and down lines and a central exchange in the brain,—that prototype of all other means of co-ordination.

Fibrils of the Ear and Eye.

Pianos, organs, and other musical instruments yield their notes by the vibration of strings, pipes, or reeds of definite size and form. Across the larynx, the box-like organ of the throat, the vocal cords vibrate in an identical way. When we sing a note into an open piano, the string capable of giving out that note at once responds. Helmholtz believed that in the ear the delicate, graduated structures, known as the rods of Corti, vibrate in the same way when sound-waves reach them, giving rise to auditory impressions. Analogous in operation are the fibrils of the eye which respond to light-waves of various length and intensities. The human eye has muscles which modify its globularity, rendering its lenses more or less convex. A cat has a higher degree of this kind of ability, so that it can dilate its pupil so much as to see clearly in a feeble light. A man who remains in a darkened room so rests his nerves of vision that in four or five hours he can readily discern what would be unseen were he newly brought into the darkness.

The Electric Eel.

Not only in the frame of man, but in the bodies of the lower animals, are suggestions which ingenuity might well have acted upon in the past, or worthily pursue in the future. The science of electricity was born only with the nineteenth century because the gymnotus, or electric eel, had not been understandingly dissected. Its tissues disclose the very arrangement adopted by Volta in his[258] first crude battery, namely, layers of susceptible material surrounded by slightly acid moisture. The characteristics of this eel have their homologies in the human body; in the muscles which bend the fore-arm, for example, are nearly a million delicate fibrils comparable in structure with the columnar organs of the gymnotus. These fibrils are so easily excited by electricity as to denote an essential similarity of build. Both the columnar layers of the eel and the fibrils of human muscle are affected in the same way by strychnine and by an allied substance, curare.

A Beaver Tooth and the Self-Sharpening Plow.

The frames of other animals furnish forth a goodly round of analogies with recent products of mechanical ingenuity. A beaver tooth might well have been the model for a self-sharpening plowshare, widely used throughout the world. This tooth has a thin outer layer of hard enamel, within which, dentine, less hard, makes up the rest of the structure. Gnawing wears the dentine much more than the enamel, so that the tooth takes on a bevel resembling that of the chisel which pays frequent visits to a carpenter’s oil-stone. The scale of enamel gives keenness, the dentine ensures strength, so that the tooth sharpens itself by use, instead of growing dull. Much the same structure is repeated in a plowshare by chilling the underskin of the steel to extreme hardness, while the upper face of the share is left comparatively soft. As it goes through the ground the upper face wears away so as to yield a constantly sharpened edge of the thin chilled under metal. Thus the heavy draft of a dull share is avoided without constant recourse to the blacksmith for re-sharpening.

Beaver teeth.

Shaping a Tube.

In another field of ingenuity a great inventor scored a success, simply by deliberately taking a lesson from nature. James Watt, to whom the modern steam engine is most indebted for its excellence, was once consulted by the proprietors of the Glasgow Water Works, as to a difficulty that had occurred in laying pipes across the river[259] Clyde to the Company’s engines: the bed of the river was covered with mud and shifting sand, was full of inequalities, and subject to a current at times of considerable force. With the structure of a lobster’s tail in his mind, Watt drew a plan for an articulated suction-pipe, so jointed as to accommodate itself to the shifting curves of the river-bed. This crustacean tube, two feet in diameter, and one thousand feet in length, succeeded perfectly in its operation. To-day powerful hydraulic dredges discharge through piping with flexible joints such as Watt devised; in one instance this piping is 5700 feet in length.

Narwhal with a twisted tusk. Reproduced from the Scientific American, New York, by permission.

In many another case art has used a gift of nature simply as received, and then improved upon it. In making their harpoons the Eskimo used the spiral teeth of the narwhal; finding their shape advantageous, they copied it for arrowheads. This is undoubtedly one of the origins of the screw form, of inestimable value to the mechanic and engineer.

Lessons from Lower Animals: A Tool-Using Wasp.

Savages turn birds and beasts to account as food, clothing, and materials for weapons and tools; they also observe with profit the instincts of these creatures. Le Vaillant, the famous explorer, tells us that in Africa the negroes eat any strange food they see the monkeys devour, well assured that it will prove wholesome. When the surveyors of the first transcontinental railroad of America began their labors, they gave diligent heed to the trails of buffaloes in the Rocky Mountains, believing that these sagacious brutes in centuries of quest had discovered the[260] easiest passes. In constructive powers bees, ants and wasps far outrank quadrupeds. Indeed one of the supreme feats of human architecture, the dome, forms part of the nest of the warrior white ant, Termes bellicosus.

Lower part of warrior ants’ nest, showing dome.

It is deemed a mark of unusual intelligence when an ape, of kin to man himself, uses a stone as a hammer wherewith to break open a nut, and yet the like intelligence is displayed by Ammophila urnaria, as described by Dr. and Mrs. George W. Peckham in their charming book, “Wasps Solitary and Social”:[32]

[32] Published by Houghton Mifflin & Co., Boston.

Wasp using a pebble as a hammer. From “Wasps Solitary and Social,” Copyright, 1905, by George W. Peckham and Elizabeth G. Peckham. Reproduced by their permission.

“Just here must be told the story of one little wasp whose individuality stands out in our minds more distinctly than that of any of the others. We remember her as the most fastidious and perfect little worker of the whole season, so nice was she in her adaptation of means to ends, so busy and contented in her labor of love, and so pretty in her pride over the completed work. In filling up her nest she put her head down[261] into it and bit away the loose earth from the sides, letting it fall to the bottom of her burrow, and then, after a quantity had accumulated, jammed it down with her head. Earth was then brought from the outside and pressed in, and then more was bitten from the sides. When at last the filling was level with the ground, she brought a quantity of fine grains of dirt to the spot, and picking up a small pebble in her mandibles, used it as a hammer in pounding them down with rapid strokes, thus making this spot as hard and firm as the surrounding surface.”

It was a wasp, too, which suggested to Reaumur, as he examined its nest, that wood might well serve as the raw material for paper, and serve it does to the amount of millions of tons a year. To-day we have as a new fabric for garments, glanz-stoff, an artificial silk produced from cellulose; its German manufacturers have imitated as nearly as they could the silk-worm’s thread, just as for some years the filaments for incandescent lamps have been made from liquid cellulose forced through minute holes. At first bamboo fibres were used for this purpose; to-day art furnishes a thread of more uniform and lasting quality. This achievement is of a piece with many another. To-day when an inventor seeks to imitate a natural product he does so with a power of analysis, a wealth of new materials, such as his forerunners could not have imagined. It is in laboratories stocked more diversely than ever before, with their resources better understood than at any earlier time, that the triumphs of modern ingenuity proceed.

The Separating Task of the Lungs.

In all likelihood one of the feats of nature soon to be paralleled by art, in an economical way, will be one phase of the breathing process; every time we inflate our lungs their tissues perform a feat which has thus far baffled imitation except in a roundabout and wasteful manner. Air is a mixture of oxygen and nitrogen; the work of life is subserved by the oxygen only, which is separated from air by the lungs and passed into the current of the blood. Oxygen and nitrogen, like any other two gases, tend forcibly to diffuse into each other, as we may see in the distension of a thin rubber sheet dividing a container into two parts, one filled with oxygen, the other with nitrogen. To overcome the force of diffusion which keeps together the oxygen[262] and nitrogen forming a cubic foot of air, of ordinary temperature, would require such an effort as would lift twenty-one pounds one foot from the ground. This task the lungs accomplish by means which elude observation or analysis. It would mean much to the arts if this parting power could be imitated simply and cheaply. In common combustion each volume of oxygen which unites with the fuel, carries with it four volumes of nitrogen which have to be heated, not only reducing the temperature of the flame, but removing in sheer waste much of the heat. A supply of oxygen free from admixture would double the value of fuel for many purposes, creating a temperature so high that it would be difficult to find building materials refractory enough for the furnaces. Cheap oxygen would greatly increase the light derivable from oil and gas, as proved in the brilliancy of an oxyhydrogen jet. In bleaching and in scores of other processes, oxygen is so valuable that, notwithstanding its present cost, the demand for it steadily increases. Cannot the lungs, chemically or mechanically, be copied so as to yield this gas at a low price for a thousand new services?

In addition to separating oxygen from air our vital organs are every moment performing chemical tasks just as elusive. The liver, for instance, is a sugar-maker. The elaboration of living tissue is of transcendent interest to the physiologist; it is fraught with the same attraction to the chemist who would build compounds from their elements, to the engineer who would transform heat or chemical energy into motive power with less than the enormous loss of our present methods.

Flight.

In 1887 the late Professor S. P. Langley of Washington began experiments in mechanical flight. He found that one horse-power will support in calm air and propel at forty-five miles an hour a wing-plane weighing 209 pounds. Dr. A. F. Zahm, of the Catholic University of America, at Washington, has recently ascertained that a thin foot-square gliding plane weighing one pound soars with the least expenditure of power at about 40 miles an hour, while at 80 miles the power required is more than twice as much. As engines have been made weighing less than ten pounds per horse-power, capable of yielding a horse-power for five hours[263] with four pounds of oil, we are plainly approaching the mastery of the air,—so freely exercised by the sparrow and the midge. Among the students eager in this advance are the men who examine with the camera how wings of diverse types behave in flight, and then endeavor to imitate the strongest and swiftest of these wings.

Light.

Professor Langley conducted another inquiry of fascinating interest, this time respecting those natural light-producers, the fireflies, especially the large and brilliant species indigenous to Cuba, Pyrophorus noctilucus. As the result of refined measurements with the spectroscope and the bolometer, the most delicate heat detector known to the laboratory, he said: “The insect spectrum is lacking in rays of red luminosity and presumably in the infra-red rays, usually of relatively great heat, so that it seems probable that we have here light without heat.” When we remember that ordinary artificial light is usually accompanied by fifty to a hundred times as much energy in the form of wasteful and injurious heat, we see the importance of this research. If light can be produced without heat by nature, why not also by art?

Cuban firefly, life size.

Converting Heat Into Work.

Another notable case of efficiency in nature has already been remarked, namely, the conversion by the animal frame of fuel-values into mechanical work. This is of a piece with the chief task of the engineer as he puts his engines in motion by burning coal or wood, oil or gas. It is a remarkably good steam engine which yields as much as one tenth as a working dividend. Gas engines have sprung into wide popularity because they yield larger results, in extremely favorable cases reaching thirty per cent. A heat engine, of any type, has its effectiveness measured by comparing in absolute units the heat which enters it with the heat which remains after its work is done. The zero of the absolute scale is 460° below the zero of Fahrenheit. So[264] that if an engine begins work at 920° Fahr. (1380° absolute), and the working substance is lowered in temperature by its action in the machine until it falls to 460° Fahrenheit (920° absolute), the engine has a gross efficiency of one third. Economy depends upon employing a working substance at the highest feasible temperature in such a mode that it leaves the engine at the lowest temperature possible. Hence we see engineers devising superheaters for their steam, and producing metal surfaces which either need no lubrication at all, or employ such a lubricant as graphite, which bears high temperatures without injury.

Now let us glance at the mechanism of our own frames, which, according to Professor W. O. Atwater, converts about twenty per cent. of the energy value of our food into mechanical work. This is a remarkable performance, especially when we remember that in health the bodily warmth does not rise above 98° Fahrenheit. What explains this amazing effectiveness at a temperature so far below that of either a steam engine or a gas engine? A simple experiment may be illuminating. We take a plate of zinc and a plate of copper; although they seem to be at rest we know them to be in active molecular motion, which motion is set free when they combine with oxygen or other elements. This combination may take place in two quite different ways, which we will now compare. In a glass jar, nearly filled with a solution of sulphuric acid and water, we immerse the plates of zinc and copper without their touching each other; both rise in temperature as they corrode, as they unite with oxygen from the surrounding liquid. We may, if we wish, employ this heat in driving an air engine; but we can do better than that, for an air engine wastes most of the heat supplied to it. We stop the heating process by joining the two plates with a wire through which now passes an electric current, our simple apparatus now forming a common voltaic cell. This current we apply to lift weights, propel a fan, or execute any other task we please, all with scarcely any waste of energy whatever. The instructive point is that now chemical union is taking place without heat, in a mode vastly more economical and easy to manage than if we allowed heat to be generated, and then applied it in an engine to perform work. The conclusion is irresistible: in the animal frame the conversion of molecular energy[265] into muscular motion is by electrical means and no other. When the engineer learns in detail how the task is executed, and imitates it with success; he will escape the tax now imposed on every engine which sets its fuel on fire as the first step in converting latent into actual motion.

Foresight Instead of Hindsight.

While inventors in the past might have taken many a hint from nature, as a matter of fact they seldom did so, but went ahead, hit-or-miss, failing to observe that what they reached with much laborious fumbling, often they might have copied directly from nature. In Colorado and California we admire the dams which are convex upstream, withstanding in all the strength of an arch a tremendous pressure: this very plan is adopted by beavers when they build in a swift current, as one may see in many streams of the Adirondacks. In the rearing of irrigation dams, in tasks much more difficult, human progress has gone forward by empirical attempts one after another, and science has followed, long afterward, to give reasons for any success arrived at by rule-of-thumb. But this blundering hindsight is being replaced by a foresight which first spies out what may be hit, and then never wastes an arrow. Professor R. H. Thurston has said:—“Bleaching and dyeing flourished before chemistry had a name; the inventor of gunpowder lived before Lavoisier; the mariner’s compass pointed the seaman to the pole before magnetism took form as a science. The steam engine was invented and set at work, substantially as we know it to-day, before the science of thermodynamics was dreamt of; the telegraph and the telephone, the electric light and the railroad have made us familiar with marvels greater than those of fiction, and yet they have been principally developed, in every instance, by men who had acquired less of scientific knowledge than we demand to-day of every college-bred lad.”

To-day the leaders in applied science are of quite other stamp. They keenly observe what nature does, either in spontaneous chemical activities or in the functions of a plant or an animal, then analyzing the process with more and more insight and accuracy, they ask, How may this with economy and profit be imitated by art? A feat of Professor Henri Moissan is typical[266] in this regard. In studying diamonds he became convinced that they have been produced in nature from ordinary carbon subjected to extreme temperatures and pressures. Imitating these heats and pressures as well as he could, he manufactured diamonds from common graphite in an electrical furnace. These gems are small, but they gleam with promise of what the fully armed physicist and chemist may achieve in duplicating the gifts of nature in the light of new knowledge, by dint of new resources.


[267]

CHAPTER XIX
ORIGINAL RESEARCH

Knowledge as sought by disinterested inquirers . . . A plenteous harvest with but few reapers . . . Germany leads in original research . . . The Carnegie Institution at Washington.

We have now taken a rapid survey of invention and discovery in the fields of Form, Size, Properties, Measurement, and the Teachings of Nature. We will here somewhat change our point of view and bestow a glance at the characteristics of inventors and discoverers, noting their powers of observation and experiment, their patience from first to last in learning from other thinkers and workers past and present. What any one man, however able, can discover or invent, is the merest trifle in comparison with the resources accumulated since the dawn of human wit. And yet in adding a little to what he has learned, that little welds and vivifies his education as nothing else can. In setting out to add to known truth there must be a goodly equipment in knowledge and skill. Knowledge, therefore, may serve as a starting point for the survey before us.

Knowledge Necessary.

Success in discovery and invention, as in the case of a Newton or a Watt, depends not only upon rare natural faculty, but upon knowledge. Dr. Pye-Smith, of London, an eminent physician, says:—“Some would have us believe that erudition is a clog upon genius. This question has often been discussed, and it has even been maintained that he is most likely to search out the secrets of nature who comes fresh to the task with faculties unexhausted by prolonged reading, and his judgment uninfluenced by the discoveries of others. This, however, is surely a delusion. Harvey[268] could not have discovered the circulation of the blood had he not been taught all that had been previously learned of anatomy. True, no progress can be made by the mere assimilation of previous knowledge. There must be an intelligent curiosity, an observant eye, and intellectual insight. Few things are more deplorable than to see talent and industry employed in fruitless researches, partly rediscovering what is already fully known, or stubbornly toiling along a road which has long ago been found to lead no whither. We must then instruct our students to the utmost of our power. Whether they will add to knowledge we cannot tell, but at least they shall not hinder its growth by their ignorance. The strong intellect will absorb and digest all that we put before it, and will be all the better fitted for independent research. The less powerful will at least be kept from false discoveries and will form, what genius itself requires, a competent and appreciative audience.”

American inventors echo the dictum of the English physician. Says Mr. Octave Chanute:—“It has taken many men to bring any great invention to perfection, the last successful man adding little to what was previously known. As a rule the basis of his success lies in a thorough acquaintance with what has been done before him, and his setting about his work in a thoroughly scientific way.” Professor W. A. Anthony observes:—“If the army of would-be inventors would enter the field with a full knowledge of what science has already done, the conquest of new territory would be rapidly accomplished.” To the same effect speaks Mr. Leicester Allen:—“While rarely there appears a man so highly endowed by nature with originating faculty that we call his talent genius, it will be found in the last analysis that his inventive power lies, not in some vague, mysterious intuition, but in a logical mind that can draw correct inferences from established premises; in an analytical mind that enables him to reason from correct data, discovering those which are false; in natural and cultivated perceptive faculties that enable him to determine the effect of a given set of conditions, and through exercise of which he is able to place clearly before his mental vision the exact statement or proposition which defines the thing to be accomplished; in the ability to concentrate his attention upon the problem in hand to the exclusion[269] of everything else, for the time being, and a perseverance that will not be denied—that failure cannot wear out.”

Much is Still to be Discovered.

“To many,” says Sir Michael Foster, Professor of Physiology at Cambridge, “scientific knowledge seems to be advancing by leaps and bounds; every day brings its fresh discovery, opening up strange views, turning old ideas upside down. Yet every thoughtful man of science who has looked round on what others beside himself are doing will tell you that nothing weighs more heavily on his mind than this: the multitude of questions crying aloud to be answered, the fewness of those who have at once the ability, the means, and the opportunity of attempting to find the answers. Among the many wants of a needy age, few, if any, seem to him more pressing than that of the adequate encouragement and support of scientific research.” With his own field of science in view he continues: “We want to know more about the causation and spread of disease and about the circumstances affecting health before we can legislate with certainty of success. At home we want to know more about the spread of tubercle, of typhoid fever, and other infectious diseases; we want to know more about the proper means to secure that the water we drink, the food we eat, and the air we breathe, should not be channels of disease; we want to know more about the invisible elfic micro-organisms which swarm around us, to learn which are our friends, and which our foes, how to nourish the one, how to defeat the other; we want to know the best way to shield man in the factory and the workshop against the works of man.”

As to the fewness of those who have the highest capacity for original research, who have it in them to add to known truth in a notable way, Professor Simon Newcomb of Washington, the acknowledged dean of science in America, has said:—“It is impressive to think how few men we should have to remove from the earth during the past three centuries to have stopped the advance of our civilization. In the seventeenth century there would only have been Galileo, Newton and a few other contemporaries; in the eighteenth, they could almost have been counted on the fingers; and they have not crowded the nineteenth. Even to-day, almost every great institution for scientific research owes its being[270] to some one man, who, as its founder or regenerator, breathed into it the breath of life. If we think of the human personality as comprehending not merely mind and body, but all that the brain has set in motion, then may the Greenwich Observatory of to-day be called Airy; that of Pulkowa, Struve; the German Reichsanstalt, Helmholtz; the Smithsonian Institution, Henry; the Harvard Museum of Comparative Zoölogy, Agassiz; the Harvard Observatory, Pickering.”

Planning an Inquiry.

The late Professor Robert H. Thurston, of Cornell University, once said:—“Methods of planning scientific investigation involve, first, the precise definition of the problem to be solved; secondly, they include the ascertainment of ‘the state of the art,’ as the engineer would say, the revision of earlier work in the same and related fields, and the endeavor to bring all available knowledge into relation with the particular case in hand; then the investigator seeks information which will permit him, if possible, to frame some theory or hypothesis regarding the system into which he proposes to carry his experiment, his studies, and his logical work, such as will serve him as a guide in directing his work most effectively.

“The empirical, the imaginative, and even the guess work systems, or perhaps lack of system, have their place in scientific research. The dim Titanic figure of Copernicus seems to rear itself out of the dull flats around it, pierces with its head the mists that overshadow them and catches the first glimpse of the rising sun. But first Copernicus made a shrewd guess, and then followed with mathematical work and confirmation. . . . Kepler, also, was strong almost beyond competition in speculative subtlety and innate mathematical perception. . . . For nineteen years he guessed at the solution of a well-defined problem, finding his speculation wrong every time, until at last a final trial of a last hypothesis gave rise to deductions confirmed by observation. His first guess was that the orbits of the planets were circular, next that they were oval, and last that they were elliptical.”

Pascal, great in what he knew, was great also in what he was. Walter Pater thus depicts his powers:—“Hidden under the apparent exactions of his favorite studies, imagination, even in them,[271] played a large part. Physics, mathematics, were with him largely matters of intuition, anticipation, precocious discovery, short cuts, superb guessing. It was the inventive element in his work, and his way of painting things that surprised those most able to judge. He might have discovered the mathematical sciences for himself, it is alleged, had his father, as he once had a mind to do, withheld him from instruction in them.”

No such gift of intuition as that displayed by Pascal fell to the lot of Buffon, who tells us:—“Invention depends on patience. Contemplate your subject long. It will gradually unfold itself, till an electric spark convulses the brain for a moment.”

As to the modes in which invention manifests itself, Mr. William H. Smyth says:—“Examine at random any one of half a dozen lines of mechanical invention, one characteristic common to them all will instantly arrest attention—they present nothing more than a mere outgrowth of the manual processes and machines of earlier times. Some operation, once performed by hand tools, is expedited by a device which enables the foot as well as the hand to be employed. Then power is applied; the hand or foot operation, or both, are made automatic, and possibly, as a still further improvement, several of these automatic devices are combined into one. All the while the fundamental basis is the old, original hand process; hence, except in the extremely improbable event that this was the best possible method, all the successive improvements are simply in the direction, not of real novelty, but of mere modification and multiplication. The most important and radical departures from old methods, by which many of the industries of the world have been completely revolutionized, are nearly always originated by persons wholly ignorant of the accepted practice in the particular industry concerned. The first and most important prerequisite to invention is an absolutely clear insight into, and a comprehensive grasp of, all the conditions involved in the problem. A scheme for the cultivation of invention should in part include:—(1) Accurate and methodical observation. (2) Cultivation of memory and the faculty of association. (3) Cultivation of clear visualization. (4) Logical reasoning from actual observation. The course should include[272] exercises in drawing from simple objects, and the solution of a simple problem, such as that of a can-soldering machine.”

The Debt to Research in Medicine.

Investigators are never so useful as when thoroughly disinterested; let them find what they may, it will either have worth in itself or lead to something which has. Dr. Pye-Smith says:—

“Facts have been found at every step of science which were valueless at their discovery, but which, little by little, fell into line and led to applications of the highest importance—the observation of the tarnishing of silver, the twitching of the frog’s leg, were the origin of photography and telegraphy; the abstract problem of spontaneous generation gave rise to the antiseptics of surgery. . . . In medicine, as in every other practical art, progress depends upon knowledge, and knowledge must be pursued for its own sake without continually looking about for its practical applications. Harvey’s great discovery of the circulation of the blood was a strictly physiological discovery, and had little influence upon the healing art until the invention of auscultation. So, also, Dubois Reymond’s investigation of the electrical properties of muscle and nerve was purely scientific, but we use the results thus obtained every day in the diagnosis of disease, in its successful treatment, and in the scarcely less important demonstration of the falsehoods by which the name of electricity is used for purposes of gain. The experiments on blood pressure, begun by Hales, and carried to a successful issue in our own time by Ludwig, have already led to knowledge which we use every day by the bedside, and which only needs the discovery of a better method of measuring blood pressure during life to become one of our foremost and most practical aids in treatment. Again, we can most of us remember using very imperfect physiological knowledge to fix, more or less successfully, the locality of an organic lesion of the brain. I also remember such attempts being described as a mere scientific game, which could only be won after the player was beaten, since when the accuracy of diagnosis was established, its object was already lost; but who would say this now, when purely physiological research and purely diagnostic success have led to one of the most brilliant achievements of[273] practical medicine, the operative treatment of organic diseases of the brain?”

The prevention of disease, as important as its cure, owes an incalculable debt to Louis Pasteur. De Varigny says in “Experimental Evolution”:—

“Pasteur, about 1850, spent a long time in seemingly very speculative and very idle studies of dissymmetry and symmetry in various crystals, especially those of tartaric acid; the practical value of such investigations seemed to be naught, and at all events it had no interest save for the elucidation of some points in crystallography. But this investigation led logically to the study of fermentation, and the final outcome of Pasteur’s work has been—leaving out the stepping stones—the discovery of the real cause of a large number of diseases, the cure of one of them, and the expectation, based on facts, that all these diseases can be defeated by appropriate methods.”

What is true in medicine is equally true in physics. Concerning the debt of the inventor to the man of physical research, Mr. Addison Browne has this to say:—

Research in Physics and Chemistry.

“A few weeks ago I was talking with an electrician who has made several very interesting and important inventions. I asked him of how much importance he conceived that the scientific men of the closet, the original investigators, so-called, had been in working out the great inventions of electricity during the last fifty years—telegraphs, cables, telephones, electric lighting, electric motors; and whether these achievements were not in reality due mainly to practical men, the inventors who knew what they were after, rather than to the men of science who rarely applied their work to practical use. He said, ‘The scientific men are of the utmost importance; everything that has been done has proceeded upon the basis of what they have previously discovered, and upon the principles and laws which they have laid down. Nowadays we never work at random—I go to my laboratory, study the application of the principles, facts and laws which the great scientists like Faraday, Thomson and Maxwell have worked out, and endeavor to find such devices as shall secure my aim.’ As Tyndall said, ‘Behind all our practical applications there is a region of intellectual[274] action to which practical men have rarely contributed, but from which they draw all their supplies. Cut them off from that region and they become eventually helpless.’”

Research is golden only when brought to fruit by co-operation. To quote Professor Tyndall:—

“To keep science in healthy play three classes of workers are necessary: (1) The investigators of natural truth, whose vocation it is to pursue that truth, and extent the field of discovery for its own sake, without reference to practical ends. (2) The teachers who diffuse this knowledge. (3) The appliers of these principles and truths to make them available to the needs, the comforts, or the luxuries, of life. These three classes ought to co-exist and interact.”

Concerning the larger problems of engineering research, Professor Osborne Reynolds, of Owens College, Manchester, says:—

“Every one who has paid attention to the history of mechanical progress must have been impressed by the smallness in number of recorded attempts to decide the broader questions in engineering by systematic experiments, as well as by the great results which, in the long run, have apparently followed as the effect of these few researches. I say ‘apparently,’ because it is certain that there have been other researches which probably, on account of failure to attain some immediate object, have not been recorded, although they may have yielded valuable experience which, though not put on record, has, before it was forgotten, led to other attempts. But even discounting such lost researches it is very evident that mechanical science was in the past very much hampered by the want of sufficient inducement to the undertaking of experiments to settle questions of the utmost importance to scientific advance, but which have not promised pecuniary results, scientific questions which involved a greater sacrifice of time and money than the individuals could afford. The mechanical engineers recently induced Mr. Beauchamp Towers to carry out his celebrated researches on the friction of lubricated journals, the results of which research certainly claim notice as one of the most important steps in mechanical science.”

Lord Rayleigh has said:—

“The present development of electricity on a large scale depends[275] as much upon the incandescent lamp as the dynamo. The success of these lamps demands a very perfect vacuum—not more than one millionth of the normal quantity of air should remain. It is interesting to recall that in 1865 such vacua were rare even in the laboratory of the physicist. It is pretty safe to say that these wonderful results would never have been accomplished had practical applications alone been in view. The way was prepared by an army of men whose main object was the advancement of knowledge, and who could scarcely have imagined that the processes which they had elaborated would soon be in use on a commercial scale and entrusted to the hands of ordinary workmen.” He adds:—“The requirements of practice react in the most healthy manner upon scientific electricity. Just as in former days the science received a stimulus from the application to telegraphy, under which everything relating to measurement on a small scale acquired an importance and development for which we might otherwise have had long to wait, so now the requirements of electric lighting are giving rise to a new development of the art of measurement on a large scale, which cannot fail to prove of scientific as well as practical importance.”

Regarding the territory likely to yield most fruit to the researcher, he observes:—“The neglected border land between two branches of knowledge is often that which best repays cultivation; or, to use a metaphor of Maxwell’s, the greatest benefits may be derived from a cross-fertilization of the sciences.”

The Example of Germany.

Why Germany leads the world in science becomes clear when we observe her co-ordination of industry with the higher education and with original research. Professor Wilhelm Ostwald has said:—“When the student in Germany has finished his university course he is still entirely free to choose between a scientific and a technical career. . . . The occupation of a technical chemist in works is very often almost as scientific in its character as in a university laboratory. . . . The organization of the power of invention in manufactures on a large scale in Germany is, as far as I know, unique in the world’s history, and is the very marrow of our splendid triumphs. Each large works has the greater part of its scientific staff—and there are often more than[276] a hundred doctors of philosophy in a single manufactory—occupied not in the management of the manufacture, but in making inventions. The research laboratory in such works is only different from one in a university from its being more splendidly and sumptuously fitted. I have heard from the business managers of such works that they have not infrequently men who have worked for four years without practical success; but if they have known them to possess ability they keep them notwithstanding, and in most cases with ultimate success sufficient to pay all expenses.”

Mr. Carnegie’s Aid to Original Research.

In 1902 Mr. Andrew Carnegie, with a gift of ten million dollars, founded in Washington the Carnegie Institution for Original Research. Its president is Dr. R. S. Woodward, formerly of Columbia University, New York. One of its first enterprises was to establish at Cold Spring Harbor, New York, a station for experimental evolution directed by Dr. Charles B. Davenport. Here will be extended the remarkable experiments of Dr. Hugo de Vries, of Amsterdam, who discovered that the large-flowered evening primrose suddenly gives rise to new species. Other experiments are in progress with regard to the variability of insects, the hybridization of plants and animals. A marine biological laboratory has been established at Tortugas, Florida; and a desert botanical laboratory at Tucson, Arizona. In its grants for widely varied purposes the policy of the Institution is clear: only those inquiries are aided which give promise of fruit, and in every case the grantee requires to be a man of proved ability, care being taken not to duplicate work already in hand elsewhere, or to essay tasks of an industrial character. Experience has already shown it better to confine research to a few large projects rather than to aid many minor investigations with grants comparatively small.

Dr. R. S. WOODWARD,
President, Carnegie Institution, Washington, D. C.

One branch of the work reminds us of Mr. Carnegie’s method in establishing public libraries—the supplementing of local public spirit by a generous gift. In many cases a university or an observatory launches an inquiry which soon broadens out beyond the range of its own small funds; then it is that aid from the Carnegie Institution brings to port a ship that otherwise might remain[277] at sea indefinitely. Let a few typical examples of this kind be mentioned:—Dudley Observatory, Albany, New York, and Lick Observatory, California, have received aid toward their observations and computations; Yerkes Observatory, Wisconsin, has been helped in measuring the distances of the fixed stars. Among other investigations promoted have been the study of the rare earths and the heat-treatment of some high-carbon steels. The adjacent field of engineering has not been neglected: funds have been granted for experiments on ship resistance and propulsion, for determining the value of high pressure steam in locomotive service. In geology an investigation of fundamental principles has been furthered, as also the specific problem of the flow of rocks under severe pressure. In his remarkable inquiry into the economy of foods, Professor W. O. Atwater, of Wesleyan University, Middletown, Connecticut, has had liberal help. In the allied science of preventive medicine a grant is advancing the study of snake venoms and defeating inoculations.

At a later day the Institution may possibly adopt plans recommended by eminent advisers of the rank of Professor Simon Newcomb, who points out that analysis and generalization are to-day much more needed than further observations of a routine kind. He has also had a weighty word to say regarding the desirability of bringing together for mutual attrition and discussion men in contiguous fields of work, who take the bearings of a great problem from different points of view.

Speaking of the study of human life and society, Professor Karl Pearson is clear that both thorough training as well as sound theories are needed if research is to be fruitful. In the course of a letter to the Carnegie Institution, he says:—“Biological and sociological observations in too many cases are of the lowest grade of value. Even where the observers have begun to realize that exact science is creeping into the biological and sociological fields they have not understood that a thorough training in the new methods is an essential preliminary for effective work, even for the collection of material. They have rushed to measure or count every living form they could hit on, without having planned at the start the conceptions and ideas that their observations were intended to illustrate. I doubt whether even a small proportion[278] of the biometric data being accumulated in Europe and America could by any amount of ingenuity be made to provide valuable results, and the man capable of making it yield them would be better employed in collecting and reducing his own material.”

Professor Edward C. Pickering, Director of the Harvard Observatory, has suggested that astronomers the world over resolve themselves into a committee of the whole for the attack of great questions, the work to be duly parcelled out among the observatories best placed and equipped for specific tasks, to the end that repetition be avoided and a single, comprehensive plan be pursued. Not only in astronomy but in every field of science such concerted attack would have great value. In engineering, for example, there are questions as to the durability of steels and other building materials, which when investigated would yield rich harvests to every practicing engineer on the globe. It may be expected that in effecting co-ordinations of this kind the Carnegie Institution will play a notable part in the science of the twentieth century.


[279]

CHAPTER XX
OBSERVATION

What to look for . . . We may not see what we do not expect to see . . . Lenses reveal worlds great and small otherwise unseen . . . Observers of the heavens and of seashore life . . . Collections aid discovery . . . Happy accidents turned to profit . . . Value of a fresh eye . . . Popular beliefs may be based on truth . . . An engineer taught by a bank swallow.

Ability to observe is an unfailing mark of an inventor or discoverer: it is quite as much a matter of the mind as of the eye. A botanist, keenly alive to varieties of hue, of form in leaves, tendrils, and petals may not give a second glance to stratifications which rivet the gaze of a geologist for hours together. Each sees what he knows about, what he is interested in, what he brings the power and desire to see. When Faraday was asked to witness an experiment he always said: “What is it that I am to look for?” He knew the importance of concentrating his attention on the very bull’s eye of a target.

How much goes to sound observing is thus stated by John Stuart Mill,—“The observer is not he who merely sees the thing which is before his eyes, but he who sees what parts the thing is composed of. One person, from inattention, or attending only in the wrong place, overlooks half of what he sees; another sets down much more than he sees, confounding it with what he imagines, or with what he infers; another takes note of the kind of all the circumstances, but being inexpert in estimating their degree, leaves the quantity of each vague and uncertain; another sees indeed the whole, but makes such an awkward division of it into parts, throwing into one mass things which require to be separated, and separating others which might more conveniently[280] be considered as one, that the result is much the same, sometimes even worse than if no analysis had been attempted at all.”

How an explorer of ability may witness a new fact without realizing that it points to a great industry, is shown in the case of Lord Dundonald. In 1782, or thereabout, near Culross Abbey in Scotland, he built a tar-kiln. Noticing the inflammable nature of a vapor arising during the distillation of tar, the Earl, by way of experiment, fitted a gun-barrel to the eduction pipe leading from the condenser. On applying fire to the muzzle, a vivid light blazed forth across the waters of the Frith, distinctly visible on the opposite shore. Soon afterward the inventor visited James Watt at Handsworth, near Birmingham, and told him about the gas-lighting at the kiln, but his host paid no attention to the matter. His assistant, William Murdock, however, was impressed by the story, and some years later applied gas to the illumination of the Soho works where Watt’s engines were built. This was the beginning of gas-lighting as a practical business.

Professor Adam Sedgwick, of Cambridge University, famous as a geologist, and Charles Darwin once took an excursion in Wales amid markings of extraordinary interest which neither of them noticed. Darwin tells us: “I had a striking instance of how easy it is to overlook phenomena, however conspicuous, before they have been observed by any one. We spent many hours at Cwm Idwal, examining the rocks with extreme care, as Sedgwick was anxious to find fossils in them, but neither of us saw a trace of the wonderful glacial phenomena all around us; we did not notice the plainly scored rocks, the perched boulders, the lateral and terminal moraines, yet these phenomena are so conspicuous that, as I declared in a paper published many years afterward, a house burnt down by fire could not tell its story more plainly than did this valley. If it had been filled with a glacier, the phenomena would have been less distinct than they now are.” At a later day when Darwin’s powers of observation had become acute in the highest degree, he noticed a bird’s feet covered with dirt. Rather a common fact, not worth dwelling on, earlier observers had supposed. Not so thought Darwin. He carefully washed the bird’s feet, and planting the removed solids he was rewarded with several strange plants brought from afar by his winged visitor.

[281]

A cousin to Charles Darwin, Francis Galton, is an investigator of eminence. In a study of visual memory, a faculty in which observation bears its best fruits, he says:—

“It is a mistake to suppose that sharp sight is accompanied by clear visual memory. I have not a few instances in which the independence of the two faculties is emphatically commented upon; and I have at least one clear case where great interest in outlines and accurate apprehension of straightness, squareness, and the like, is unaccompanied by the power of visualizing.”

A new instrument, machine or engine is imagined by its creator long before it takes actual form; everything he sees that will be of help he builds at once into his design, everything else, however interesting in itself, he passes with a heedless eye.

Think Birds and You Shall See Birds.

“If we think birds, we shall see birds wherever we go,” says John Burroughs. An observer faithful and accurate in noticing birds and beasts, rocks and leaves, may come at last upon a flower which opens a sphere of knowledge wholly new, as when the round-leaved sun-dew was first observed to entrap and feed upon insects. Much, also, depends upon comparisons such as occur only to a mind at once broad and alert. One may notice in spring and early summer a few leaves growing directly from the trunk of a tree, sometimes near the ground. In maples these leaves are decidedly narrower than those growing from branches in the usual way, and they often have a reddish tinge. Comparing a variety of such leaves with fossil impressions of allied species, Professor Robert T. Jackson of Boston came upon an interesting discovery. He found that these sporadic leaves closely resemble those borne by the remote ancestors of our present trees: they are the lingering reminders of a far distant day.

An observation equally keen saved the orange groves of California from destruction by the fluted scale insect. In 1890, or thereabout, the orange growers in their extremity sought the advice of Professor C. V. Riley, entomologist to the Department of Agriculture at Washington. He asked: “Where did the pest come from?” “Australia,” was the answer. “Is it much of a nuisance there?” “Not particularly.” “Then what keeps it[282] down, what preys upon it?” “Nothing specially,” was the response. Dissatisfied with this answer, Professor Riley sent to Australia a trained entomologist and acute observer, Mr. Albert Koebele, who gathered various insects noticed as preying upon the fluted scale. Distributing these upon his arrival in California he was fortunate enough to find that one of his assisted emigrants, a lady bird, Vedalia cardinalis, fed so ravenously upon the fluted scale as to restrict its ravages to quite moderate proportions.

It was an equally disciplined eye which in the laboratory first noticed that air is non-conducting until traversed by an X-ray, when it becomes conducting in a noteworthy degree. The field of radio-activity, at which we have glanced in this book, owes its cultivation to observers keen to note phenomena utterly unlike those before dwelt upon by the human eye. Often close observers learn what would never be imagined as possible: in rifle-making the tendency of the drills, which revolve nearly a thousand times a minute, to follow the axial line in a revolving bar is a fact which may be accounted for after observation, but which no one would predict.

One day on the Glasgow and Ardrossan Canal a spirited horse took fright; it was then observed, with astonishment, that a boat, the “Raith,” to which it was attached, for all its increased speed, went through the water with less resistance than before. The vessel rode on the summit of a wave of its own creation with this extraordinary effect. The “Raith,” said Mr. Scott Russell, “weighed 10,239 pounds, requiring a force of 112 pounds to drag it at 4.72 miles an hour; 275 pounds at 6.19 miles an hour, and but 26812 pounds at 10.48 miles per hour.” Thus paradoxically was reversed the rule that the resistance of a vessel increases rapidly as she is moved through the water. Mr. Russell added:—“Some time since a large canal in England was closed against general trade by want of water, drought having reduced the depth from 12 to 5 feet. It was then found that the motion of the light boats was more easy than before; the cause was obvious. The velocity of the wave was so much reduced by the diminished depth, that, instead of remaining behind the wave, the vessels rode on its summit.”

[283]

The Mississippi Jetties of James B. Eads.

One of the most difficult problems ever solved by an American engineer was the making navigation safe for vessels of fairly deep draft in the lower branches of the Mississippi. The difficulties were overcome by James B. Eads, of St. Louis, in his system of jetties. He remarked, says his biographer, Mr. Louis How, that other things being equal, the amount of sediment which a river can carry is in direct proportion to its velocity. When, for any reason, the current becomes slower at any special place, it drops part of its burden of sediment at that place, and when it becomes faster again it picks up more. Now, one thing that makes a river slower is an increase of its width, because then there is more frictional surface; and contrariwise, one of the things that makes it faster is a decrease of its width. Narrow the Mississippi then, at its mouth, said Eads, and it will become swifter there, and consequently will remove its soft bottom by picking up the sediment (of which it will then hold much more), and by carrying it out to the gulf, to be lost in deep water and swept away by currents, you will have your deep channel. In other words, if you give the river some assistance by keeping its current together, it will do all the necessary labor and scour out its own bottom. This sound reasoning, based upon observation as sound, was duly embodied in a series of jetties which have proved successful.

Observation Suggests an Experiment.

Such a river as the Mississippi taking its source through an alluvial plain, has bends which go on increasing by the wearing away of the outer banks, and the deposition of mud, sand and gravel on the inner bank. In 1876 at the Glasgow meeting of the British Association for the Advancement of Science, Professor James Thomson showed a model which made the phenomena of the case perfectly clear. A stream eight inches wide and less than two inches deep, flowed round a bend. As it turned this bend the water exerted centrifugal force, while a thin layer of the water at the bottom, representing a similar layer close to a river-bed, was retarded by its friction with the remainder of the stream, exerting less centrifugal force than like portions of the larger body of water flowing over it farther away from the[284] bottom. Consequently the bottom layer flowed in obliquely across the channel toward the inner bank; rising up in its retarded motion betwixt the fast flowing water it protected the inner bank from scour. At the same time this retarded current brought with it sand and other detritus from the bottom, duly deposited along the inner bank of the stream.

Instrumental Aids to Observation.

The powers of the eye, acute as they are, have narrow limits; inestimable therefore is the value of the microscope, the telescope and the camera which bring to view uncounted images otherwise unseen. Let us remark how in the early days of instrumental aids a great observer just missed noting a phenomenon of utmost importance,—the black lines of the solar spectrum, upon which Fraunhofer, an optician of Munich, based his spectroscope. In sending a solar beam through a lens and a prism Sir Isaac Newton admitted the rays through an oblong slit at times as narrow as one twentieth of an inch. He saw the familiar colors, from red to violet, and nothing more. Even with a crown lens, such as he probably used, four lines distinctly appear; that is, they appear to-day, to an observer who is looking for them. In 1802 these lines were observed, as far as we know, for the first time on record, by Dr. Wollaston, who drew six of them in a diagram accompanying a paper in the Philosophical Transactions. Four of these lines he regarded as boundaries of the colors of the spectrum; of the other two lines he attempted no explanation. He used prisms of various materials but found no alteration in the lines while he studied a sunbeam. When he employed candles or an electric light he found the appearances different, why, he could not undertake to explain. In 1814, Fraunhofer observed these lines in detail, mapped them, and proved that they identified elements long known to chemists. As he built his spectroscope he gave the chemist, the physicist and the astronomer an instrument of research worthy a place beside either the microscope or the telescope.

Dr. Wollaston, in 1802, as we have seen stood upon the threshold of spectroscopy without knowing it. During the same year he performed an experiment which took him into the field of photography without his recognizing the possibilities of that[285] wonderful art. He took paper which had been dipped in muriate of silver and caught on its surface impressions of the ultra-violet light in a solar spectrum. These rays, as rings, were reflected from a thin plate of air, as in the case of the colors of thin plates, at distances corresponding to their proper places in the spectrum. Thus was established the close analogy between rays visible and invisible, and by a method destined to give mankind a universal limner in light of all kinds, and in much radiance which is not luminous at all.

Two Observers of the Skies.

Edward Emerson Barnard, of the Yerkes Observatory, Williams Bay, Wisconsin, is in the first rank of living astronomers. Among his many discoveries the most remarkable is that of the fifth satellite of Jupiter at the Lick Observatory. His early work at the Vanderbilt Observatory, Nashville, gave full promise of his later achievements. One evening in November, 1883, he was observing an occultation of the well-known star Beta Capricorni by the moon. He had patiently waited for his opportunity; such an occultation is best seen when the moon is a small crescent, the star disappearing at the dark curve of the moon where its beams do not overpower the feeble stellar ray. When the moon passes between the eye and a fixed star, the disappearance of the star is instantaneous. At the distance from which we look at it the star is a point only, and as the moon has no atmosphere, the instant the edge of the lunar surface touches the line joining the eye of the observer with the star, it vanishes from sight. When the moon passed in front of Beta Capricorni Mr. Barnard noticed that instead of disappearing at once, there was a sudden partial diminution of the light of the star, then a total extinction of the remaining point. The interval between the diminution and complete extinction of the light occupied only a few tenths of a second, but it was long enough to put his keen mind upon inquiry. Mr. Barnard in an astronomical journal called attention to the phenomenon and suggested that instead of there being only one star, as formerly supposed, there were really two stars so close together that in an ordinary six-inch telescope, such as he had used, they appeared to be one. He inferred also that one of the pair must be a good deal brighter than the other,[286] because at the beginning the change in brightness was less than at the end. This surmise was soon afterward fully verified by Mr. S. W. Burnham with the eighteen and one half inch equatorial of the Dearborn Observatory at Chicago, revealing a close and unequal double star which would have remained unresolved had he used a less powerful instrument.

This Sherburne Wesley Burnham is the most successful discoverer of double stars who has ever lived. “The extreme acuteness of vision,” says Professor John Fraser, “which enables one to prosecute such research with the highest success is a very rare gift; and the discovery of close doubles, as in his case, is its severest test. To measure a star—that is, to ascertain by means of the micrometer the distance and position angle of the companion with reference to the principal star—is one thing, and to find new and close doubles is a very different thing. Baron Dembowski, the most noted measurer of double stars, had no success as a discoverer, and confessed his inability to find new doubles. When, however, a new double had been found by another observer, and the distance and position angle of the companion approximately estimated, he could readily find and accurately measure it. When Mr. Asaph Hall, in 1877, had found the two satellites of Mars and described their positions, it was not difficult for any astronomer who had access to a large Clark telescope to find them and see all that Mr. Hall had seen. The whole difficulty was in seeing them for the first time. Besides the ability to see a difficult object, there is required an intelligence and experimental knowledge of the subject, which are as rare as the visual faculty itself. Some of the lower animals have more acute vision than human beings; but they do not know all they see, or understand relations to other facts. They have plenty of sight, but they lack insight. Mr. Burnham’s powers in both these respects is extraordinary.”

At the Cape of Good Hope Observatory remarkable observations of double stars have been recorded. Sir David Gill, the director, says:—“At the Cape Observatory, as has always been the case elsewhere, the subject of double star measurement on any great scale waited for the proper man to undertake it. There is no instance, so far as I know, of a long and valuable series of[287] double star discovery and observation made by a mere assistant acting under orders. It is a special faculty, an inborn capacity, a delight in the exercise of exceptional acuteness of eyesight and natural dexterity, coupled with the gift of imagination as to the true meaning of what he observes, that imparts to the observer the requisite enthusiasm for double star observing. No amount of training or direction could have created the Struves, a Dawes or a Dembowski. The great double star observer is born, not made, and I believe that no extensive series of double star discovery and measurement will ever emanate from a regular observatory through successive directorates unless men are specially selected who have previously distinguished themselves in that field of work, and who were originally driven to it from sheer compulsion of inborn taste.”

The Eye of a Naturalist.

It is sometimes said that the faculty of observation is a special gift with limitations, that the naturalist sees bones, feathers, shells because he is looking for them, while the armorer or the engineer but seldom gives a second glance to anything but guns, girders, or machinery.

To this rule we find striking exceptions. Edward S. Morse, of Salem, Massachusetts, is the foremost American expert in Japanese pottery. As a youth he was a railroad draughtsman in Portland, Maine, where his ambidexterity with the pencil and his discoveries in natural history brought him to the notice of Louis Agassiz. As a boy he was greatly interested in the shells of his native State; before he left school he had discovered and described a new species of land snail, Helix asteriscus, which the older naturalists had regarded as the young state of another and well-known species. At the same time he determined the distinct character of a most minute species, Helix minutissima, which had been described as such thirty years before, but which the later authorities had believed to be the young of another species. This faculty for discrimination led him to demonstrate a new bone in the ankle of birds which Huxley, and others, had supposed to be a process and not a separate bone. This discovery added another to the many reptilian characters which have been disclosed in the anatomy of birds. He also established beyond[288] question that the brachiopods, always believed to be mollusks, are not mollusks at all, but are related to the worms. In Mr. Morse’s case we have either a man with a universal power of observation, or enjoying distinct faculties of perception, each usually appearing alone in an observer. Noticing a Japanese shooting a bow and arrow one day he took up the study of the attitude of the hand in pulling the bow. His memoir on this subject, with illustrations, has attracted world-wide interest. Pursuing this theme he examined an ancient object of bronze having three prongs, labeled as a bow-puller in European museums, showing that it had no relation whatever with the bow. Keenly susceptible to the beauty and variety of roofing tiles in Europe and the East, he has for the first time given them classification, and shown their ethnological significance. While teaching natural history at the University of Tokio he brought together the Japanese pottery now exhibited at the Museum of Fine Arts in Boston, unsurpassed as a collection in the world. His eye was as sharp in reading a potter’s mark, however worn and blurred, as when as a boy in Maine he defined minute species of land shells.

The Value of Collections.

Altogether commendable is the spirit which leads a boy or girl to collect and arrange shells, common wildflowers, seaweeds, and the diverse minerals brought to light in a railroad cutting. What is thus gathered, compared, and studied will leave a much deeper impression on the memory than what is seen for a moment in a museum or a public garden. And yet, to the profound student the museum is indispensable: he gives weeks or months to the contents of its cases, supplementing what he has learned in the field, by the seashore, in the woods. Take, for example, protective resemblances, one of the most fascinating provinces of natural history. Here is a hornet clear-wing moth. What has made it look like a wasp? Both share the same field of life, and while the wasp does not prey on the moth or in any perceptible way compete with it, the two insects have a vital bond. In its sting the wasp has so formidable and thoroughly advertised a weapon that by closely resembling the wasp the moth, though stingless, is able to live on its neighbor’s reputation, and escape[289] attack from the birds and insects which would devour it if they did not fear that it is a stinging wasp. So far is the resemblance carried that when the moth is caught in the hand it curves its body with an attitude so wasplike as seriously to strain the nerves of its captor.

How came about so elaborate a masquerade? At first, ages ago, there was a faint likeness between the moth and the wasp; any moth in which that likeness was unusually decided had therein an advantage and tended to be in some measure left alone by enemies. In thus escaping it could transmit in an ever-increasing degree, its peculiarities of form and hue to its progeny, until in the rapid succession of insect generations, amid the equally rapid destruction of comparatively unprotected moths, the present striking similarity arose. Instances of this kind abound, forming some of the most attractive exhibits in the American Museum of Natural History of New York, and other great museums. Mr. W. H. Bates, who first explained these resemblances, did so as the result of comparing many various examples preserved in his cabinets at home, although, of course, his memory of habits observed in the field was indispensable. His ample collections enabled him to bring into view at once many captures separated by wide intervals of time and space. It was the opportunity thus afforded of taking a comprehensive survey of resemblances as a whole that led him to think out the underlying reason.

Accidental Observation.

Accident has played a noteworthy part in both discovery and invention. Nathaniel Hayward long ago remarked that sulphur deprives rubber of stickiness. Charles Goodyear one day combined some rubber and sulphur by way of experiment; quite by accident he overturned part of the mixture upon a hot stove. He saw in a moment that heat is essential to make rubber insensible to both heat and cold: he had indeed discovered vulcanization. Examples of this kind abound in the history of every art. As far afield as the war on insect pests in France a priceless discovery was hit upon unsought a few years ago. One autumn the vines were still suffering from phylloxera when a mildew caused by a fungus began to do serious damage to crops. Through the spraying[290] of vines with blue-stone to prevent pilfering of fruit, it was noticed that the fungus was killed, leading to the most telling mode of attack on many of the pests which assail leaves, flowers and fruit.

James Hargreaves once saw a spinning-wheel overturned, when both the wheel and spindle continued to revolve on the floor. As he observed the spindle thus changed from a horizontal to an upright position it occurred to him that if a number of spindles were thus placed, side by side, several threads might be spun at once instead of a single thread. This was the origin of the spinning jenny; an invention which has parallels in the multiple drills, the gang-saws, and other machinery which take a task once executed by a single drill, saw or punch, and simultaneously perform it with ten, twenty, or a hundred drills, saws, or punches.

About thirty years before Josiah Wedgwood laid the foundation of his future eminence, a chance observation gave rise to improvement in the earthenwares of Staffordshire. A potter from Burslem, the centre of the potteries and the birthplace of Wedgwood, in traveling to London on horseback was detained on the road by the inflamed eyes of his horse. Seeing the hostler, the horse-doctor of those times, burn a piece of flint, and, having reduced it to a fine powder, apply it as a specific to the diseased eyes, it occurred to the potter that this beautiful white powder, if combined with the clay used in his craft, might improve the strength and color of his ware. An experiment succeeded, and so began English white ware, since manufactured on an immense scale.

More important than this discovery of a new use for flint powder was the discovery, also accidental, of electro-magnetism by Professor Oersted of Copenhagen. The incident is thus related in a letter to Michael Faraday from Professor Christian Hansteen:—

“Professor Oersted was a man of genius, but he was a very unhappy experimenter; he could not manipulate instruments. He must always have an assistant, or one of his auditors who had easy hands, to arrange the experiment; I have often in this way assisted him. In the eighteenth century there was a general thought that there was a great conformity, and perhaps identity,[291] between the electrical and magnetical forces; and it was a question how to demonstrate it by experiments. Oersted tried to place the wire of his galvanic battery perpendicular (at right angles) over the magnetic needle, but remarked no sensible motion. Once, after the end of his lecture, as he had used a strong galvanic battery to other experiments, he said, ‘Let us now once, as the battery is in activity, try to place the wire parallel with the needle;’ as this was done he was quite struck with perplexity by seeing the needle making a great oscillation (almost at right angles with the magnetic meridian). Then he said, ‘Let us now invert the direction of the current;’ and the needle deviated in the contrary direction. Thus the great detection was made; and it has been said, not without reason, that ‘he tumbled over it by accident.’ He had not before any more idea than any other person that the force should be transversal.”

Granting that many important discoveries thus come about in ways beyond human foresight, accident alone will not produce an invention. As Dr. Ernst Mach reminds us, in every such case the inquirer is obliged to take note of the new fact, to recognize its significance, to detect the part it plays, or can be made to play, in a new structure, or in a novel and sound generalization. What he sees before him, others also have seen, perhaps many times; he is the first to notice it as it deserves to be noticed, simply because he has an eye earnestly desiring to behold just such a fact as this and use it to bridge a gap either in art or explanation.

Let us take a case where an accident, well observed, has meant a golden discovery. One day during a trip on the Thames in a steamer propelled by an Archimedean screw devised by Francis Pettit Smith, the propeller struck an obstacle in the water, so that about one half of the length of the screw was broken off; it was noticed that the vessel immediately shot ahead at a much quickened pace. In consequence of this discovery, a new short screw was fitted to the vessel and with this new propeller the steamer went uniformly faster than before.

Perforated Sails for Ships.

In craft built ages before steamers were designed, fishermen have observed that sails torn in the middle, if the rents were not too big, were more effective than when new and whole. What thus began in sheer wear, or accidental damage, is now imitated[292] of set purpose. Under the equator one may often see small craft whose sails are matting woven with large openings, as the sailors say “to let out the wind.” The mariners of Carthegena, St. Thomas, and other islands of the West Indies, know that a ship goes better thus than if her sails were each one continuous breadth of canvas. Japanese junks of clipper builds have sails made of vertical breadths laced together so as to leave large apertures free to the air. Why is this breeziness of structure profitable? Because against the concave surface of an ordinary sail the wind rebounds so as to hinder its impulsive effect; through an aperture the air rushes in a continuous current and no rebound takes place. For a like reason, and with similar gain, Chinese rudders are made with separated boards or planks. The stream of water passing through such a rudder would exert an undesirable back pressure in a rudder of solid form.

Perforated sails.
1, jib. 2, stay-sail. 3, square sail. 4, top sail. 5, sloop with perforated sails.

It would be interesting, and might prove gainful, to experiment with perforated sails in sail-boats, ice-boats and wind-mills. In large kites, sent to the upper air by meteorologists, it has been found helpful to give the fabric a few small perforations.

[293]

Observations Must be Remembered and Compared: The Value of a New Eye.

It is not only necessary to observe if one would learn, one must remember and compare observations. In a cycle of 223 lunations all the motions of the moon are repeated; it is astonishing that astronomers in Chaldea detected this period, exceeding eighteen years as it does. On the other hand, one of the most striking phenomena of a solar eclipse, its revelation of the solar corona, does not seem to have been noticed until comparatively recent times. The first known record of it is by Lobatchevsky, July 8, 1842.

There is value in the teaching which teaches the eye what to observe; at times there is gain in a freshness of view unwarped by ideas as to what deserves to be inspected and what does not. Dr. Priestley, one of the founders of chemistry, says:—“I do not at all think it degrading to the business of experimental philosophy to compare it, as I often do, to the diversion of hunting, where it sometimes happens that those who beat the ground the most, and are consequently best acquainted with it, weary themselves without starting any game, when it may fall in the way of a mere passenger; so that there is but little room for boasting in the most successful termination of the chase.” True, yet this discerning eye will always be found beside a brain of uncommon force and sweep. Mr. Edwin Reynolds, of Milwaukee, as related in this book, never saw a mining stamp until the morning when he planned a bold and profitable simplification of it. Professor Alexander Graham Bell, who invented the telephone, came to his triumph not as a disciplined electrician, but as a student, under his father, of articulate speech and its transmission. He has told me that had he known the obstacles to be surmounted, he would never have begun his attack.

Professor Ernst Abbe, of Jena, who more than any other investigator is to be credited with the production of Jena glass, was at the outset of his labors quite ignorant of practical optics. But he had a thorough mastery of mathematical optics, and this in due season enabled him to revise the theory of the microscope, and to prescribe the conditions according to which the manufacture of totally new kinds of glass should proceed. Every one of these men, every peer they have ever had among the volunteer[294] forces of research, is far removed in native ability, in plasticity of mind, from Priestley’s “mere passenger.” If ignorance by itself were the chief qualification for discovery, science would long ago have entered upon its golden age.

Any Observation May Have Value.

Michael Faraday, that consummate observer, held that at times the observations of comparatively untrained men are well worth attention. In one of his note-books he wrote:—“Whilst passing through manufactories and engaged in the observance of the various operations of civilized life, we are constantly hearing observations made by those who find employment in these places, and are accustomed to a minute observation of what passes before them which are new or frequently discordant with received opinions. These are frequently the result of facts, and though some are founded in error, some on prejudice, yet many are true and of high importance to the practical man. Such of them as come in my way I shall set down here, without waiting for the principle on which they depend; and though three fourths of them ultimately prove to be erroneous, yet if but one new fact is gathered in a multitude, it will be sufficient to justify this mode of occupying time.”

Folk Observation Foreruns Science.

Often a conviction widely held by the plain people of a countryside is based on many and sound observations, long before a scientific theory accounts for the facts. For many generations there was a saying among German peasants that when a storm is approaching a fire should be made in the stove, with as much smoke as possible. Professor Schuster has shown that this saying and the custom founded upon it are rational, as the products of combustion and the smoke act as an effective conductor to discharge the atmosphere slowly but surely. He quotes statistics showing that out of each 1000 cases of lightning stroke, 6.3 churches and 8.5 mills were struck, and but 0.3 factory chimneys. Only the factories had fires burning.

A mighty work has been wrought by glaciers on the surface of our globe. Long before this fact was discovered by professional geologists it was clear to many of the plainer people. Jean de Charpentier, one of the first propounders of the theory of glacial[295] action now fundamental in geological science, relates:—“When in the year 1815, I returned from the magnificent glaciers of the valley of the Rhone, I spent the night in the hamlet of Lourtier, in the cottage of Perraudin, a chamois-hunter. Our conversation turned on the peculiarities of the country, and especially of the glaciers which he had repeatedly explored and knew most intimately. ‘Our glaciers,’ said Perraudin, ‘had formerly a much larger extent than now. Our whole valley was occupied by a glacier extending as far as Martigny, as is proved by the boulders in the vicinity of this town, and which are far too large for the water to have carried them thither.’” Charpentier adds that he afterward met with similar explanations on the part of mountaineers in other sections of Switzerland.

Cowpox was long observed by English country folk to be a preventive of smallpox. It was in hearing a servant woman say so that Dr. Jenner was drawn to the study which ended in his successful vaccinations, in all the triumphs since won in this department of medical science. For two thousand years the peasants of Italy have suspected mosquitoes and other insects to be concerned in the spread of malarial and other fevers. It remained for Dr. Ronald Ross in our day to prove that the suspicion was founded in truth. In “The Naturalist in La Plata,” one of the best books on natural history ever written, Mr. W. H. Hudson says:—“The country people in South America believe that the milky secretion exuded by the toad possesses wonderful curative properties; it is their invariable specific for shingles—a painful, dangerous malady common amongst them, and to cure it living toads are applied to the inflamed part. I dare say learned physicians would laugh at this cure, but then, if I mistake not, the learned have in past times laughed at other specifics used by the vulgar, but which now have honorable places in the pharmacopœia—pepsine, for example. More than two centuries ago, very ancient times for South America, the gauchos were accustomed to take the lining of the rhea’s (a large ostrich’s) stomach, dried and powdered, for ailments caused by impaired digestion; and the remedy is popular still. Science has gone over to them, and the ostrich-hunter now makes a double profit, one from the feathers, and the other from the dried stomachs which he supplies to the[296] chemists of Buenos Ayres. Yet he was formerly told that to take the stomach of the ostrich to improve his digestion was as wild an idea as it would be to swallow birds’ feathers in order to fly.”

Snake poison has long been used by the Hottentots as an antidote to snake poison. With aid from the Carnegie Institution of Washington, Dr. Hideyo Noguchi, of the University of Pennsylvania, has succeeded in producing antivenins, to use the medical term, for the venoms of the water-moccasin and Crotalus adamanteus snakes, using the venoms themselves in preparing his antidotes. He is continuing his researches in this remarkable field of the healing art.

Kelp, as it drifts and sways in the Atlantic, attracts from the sea both the iodine and the bromine dissolved in minute quantities in the sea-water. This trait of fastening upon a particular and rare element is displayed by plants on land as well as by sea-weeds. In the Horn silver mine of Utah, the zinc mingled with the silver is betokened by the abundance of a zinc violet, Viola calaminaria, a delicate cousin of the pansy. In Germany this little flower was believed to point to zinc deposits long before zinc was discovered in its juices. The late Mr. William Dorn, of South Carolina, had faith in a bush of unrecorded name, as declaring that gold veins stood beneath it: that his faith was not baseless is proved by the large fortune he won as a gold miner in the Blue Ridge country—his guide the bush aforesaid. Mr. Rossiter W. Raymond, a famous mining engineer of New York, has given some attention to “indicative plants” of this kind. He is of opinion that their unwritten lore among practical miners, prospectors, hunters, and Indians is well worth sifting.

He says:—“Judging from the general laws of the distribution of plants, and from the analogy furnished by Viola calaminaria, we may expect that an indicative plant will be, not a distinct species, but a variety of some widely distributed species, the range of the species as a whole being determined by general conditions of climate, altitude and soil, while the characteristics of the variety are affected by causes peculiar to the mineral deposit. Temperature and moisture, as Agricola long ago pointed out, are among these causes, and color is one of the most sensitive of their effects. It is quite reasonable to believe the soil may affect the color of the[297] plant absorbing it. On the other hand, it is not certain, even if a plant is proved to indicate by color or other peculiarities the presence of silver, that silver is the substance actually entering into and altering the plant. The effect may be due to some other mineral substances associated with the silver-ores; and our silver-plant may be indicative of silver in a silver region only.”

Mr. Raymond remarks that a general relation between the flora and the geological formation of any given district is a fact familiar to field-geologists. Many plants, too, indicate the neighborhood of water. A botanist knowing the root-length, water-requirements and habits of different species can often determine from the surface vegetation, he tells us, the nature, amount and distance of the underground water-supply.[33]

[33] In his paper on “Indicative Plants,” published in the Transactions of the American Institute of Mining Engineers, 1886, Mr. R. W. Raymond illustrated in natural size Viola calaminaria, Amorpha crescens, and Erigonium ovalifolium. His paper is followed by the interesting discussion it called forth.

How observation may lead to a bold and successful experiment is told by Mr. L. E. Chittenden, Register of the Treasury under President Lincoln, in his Personal Reminiscences:—

A Lesson from a Bank-Swallow.

Between the Winooski Valley and Lake Champlain, north of the city of Burlington, lies a broad sand plain high above the lake level, through which the Central Vermont Railroad was to be carried in a tunnel. But the sand was destitute of moisture or cohesiveness, and the engineers, after expending a large sum of money, decided that the tunnel could not be constructed because there were no means of sustaining the material during the building of the masonry. The removal of so large a quantity of material from a cut of such dimensions also involved an expense that was prohibitory. The route was consequently given up and the road built in a crooked ravine through the centre of the city, involving ascending and descending grades of more than 130 feet to the mile. When the railroad was opened these grades were found to involve a cost which practically drove the through freights to a competing railroad.

There was at the time a young man in the engineers’ office of the[298] railroad who said that he could tunnel the sand bank at a very small cost. He was summoned before the managers and questioned. “Yes,” he said, “I can build the tunnel for so many dollars per running foot, but I cannot expect you to act upon my opinion when so many American and European engineers have declared the project impracticable.” The managers knew that the first fifty feet of the tunnel involved all the difficulties. They offered him, and he accepted, a contract to build fifty feet of the structure.

His plan was simplicity itself. On a vertical face of the bank he marked the line of an arch larger than the tunnel. On this line he drove into the bank sharpened timbers, twelve feet long, three by four inches square. Then he removed six feet of the material and drove in another arch, just inside the first one, of twelve-foot timbers, took out six feet more of sand, and repeated this process until he had space enough to commence the masonry. As fast as this was completed the space above it was filled, leaving the timbers in place.

Thus he progressed, keeping the masonry well up to the excavation, until he had pierced the bank with the cheapest tunnel ever constructed, which has carried the traffic of a great railroad for thirty years, and now stands as firm as on its completion.

The engineer was asked if there was any suggestion of the structure adopted by him in the books on engineering. “No,” he said, “it came to me in this way. I was driving by the place where the first attempts were made, of which a colony of bank-swallows had taken possession. It occurred to me that these little engineers had disproved the assertion that this material had no cohesion. They have their homes in it, where they raise two families every summer. Every home is a tunnel, self-sustaining without masonry. A larger tunnel can be constructed by simply extending the principle, and adopting masonry. This is the whole story. The bank-swallow is the inventor of this form of tunnel construction. I am simply a copyist—his imitator.”


[299]

CHAPTER XXI
EXPERIMENT

Newton, Watt, Ericsson, Rowland, as boys were constructive . . . The passion for making new things . . . Aid from imagination and trained dexterity . . . Edison tells how he invented the phonograph . . . Telephonic messages record themselves on a steel wire . . . Handwriting transmitted by electricity . . . How machines imitate hands . . . Originality in attack.

Early Talent in Construction.

An inventor is a man of unusual powers. To begin with he is cast in a larger mold than ordinary men; he has keener eyes, more skilful hands, a better knitting quality of brain. In his heart he believes every engine, machine, and process to be improvable without limit. He is thoroughly dissatisfied with things as they are and alert to detect where an old method can be bettered, or a gift wholly new be conferred on mankind, as in the telephone or the phonograph. His uncommon faculty of observation we have had occasion to remark. Another talent as much in evidence, and quite irrepressible even in early life, impels him to make, weave, and build. Invariably the man who has added to the resources of architecture, engineering, machine design, has begun as a boy in repeating the rabbit-hutches, windmills, and whittled sailing craft of bigger boys. This means that he soon acquires a mastery of chisel, plane, and drill, that the lathe becomes as obedient to him as his own hand. Watt, Maudslay, Stephenson, and every peer they ever had, could go to the bench and make a valve, a mitre-wheel, a link-motion just as imaged in their mind’s eye. Lacking this dexterity other men, occasionally fertile in good ideas, never bring them to the birth.

While inventors owe their talents to nature, these talents need sound training, if at a master’s hands, so much the better. Just as the best place to learn how to paint, is the studio of a great[300] artist, so the best school for ingenuity is the workshop of a great inventor. Maudslay, who devised the slide-rest for lathes, and Clement, who designed the first rotary planer, were trained by Bramah, who invented the famous hydraulic press, and locks of radically new and excellent pattern. Whitworth, who created lathes of new refinement, who established new and exact standards of measurement in manufacturing, was trained by Maudslay; so was Nasmyth, who devised the steam hammer. Mr. Edison in his laboratory and workshop has called forth the ingenuity of many an assistant who has since won fame and fortune by independent work.

But as a rule inventors, like the vast brotherhood of other men, must toil by themselves, and get what good they can out of unaided diligence. Cobbett used to say that he thought with the point of his pen; the very act of writing lifted into consciousness many an idea which otherwise had died stillborn. Beethoven, like all other great tone-poets, would play a few bars as they came to his imagination, and while he touched the keys the music, as if with pinions of its own, took such heavenly flights as those of the Fifth Symphony. In just this mode while an inventor is shaping a new model he feels how he can better its lines, give it a simpler design than he first intended. His hands and eyes think as well as his brain; while lever, link, and cam unite together they suggest how they may be more compactly built, more effectively joined. His partner, the discoverer, is under the same spell with regard to some long-standing puzzle of rock, or plant, or star. Because in his soul he believes nature to be intelligible to her very core, he is sure that this particular puzzle can be fathomed, and he keeps thinking day by day of possible solutions. At other times, and even during sleep, his brain is subconsciously at work upon his problem, bringing to view promising points for attack. With new light he is bold enough to say, this problem can be solved by me. At last dawns the happy morning when he verifies a shrewd guess, or when a crucial experiment stamps a theory as proven truth, indispensable aid having arisen as one attempt, through baffling failure, suggested the next. All boys and girls are the better, happier, more useful when they are early and thoroughly trained to use their eyes, ears, and hands; to the inventor[301] and discoverer this training opens a career which otherwise is denied.

Among the greatest of the sons of men who have united the faculties of invention and discovery stands Sir Isaac Newton. As with his compeers we find that his art as an inventor was but the flower of his handicraft as a mechanic.

Sir Isaac Newton almost from the cradle was a builder. His biographer, Sir David Brewster, says:—

Newton as a Boy—A Tireless Constructor.

“He had not been long at school before he exhibited a taste for mechanical inventions. With the aid of little saws, hammers, hatchets, and tools of all sorts, he was constantly occupied during his play hours in the construction of models of known machines, and amusing contrivances. The most important pieces of mechanism which he thus constructed, were a windmill, a water-clock, and a carriage to be moved by the person who sat in it. When a windmill was in course of being erected near Grantham, Sir Isaac frequently watched the operations of the workmen, and acquired such a thorough knowledge of its mechanism, that he completed a working model of it, which Dr. Stukely says was as clean and curious a piece of workmanship as the original. This model was frequently placed on the top of the house in which he lived at Grantham, and was put in motion by the action of the wind upon its sails. In calm weather, however, another mechanical agent was required, and for this purpose a mouse was put in requisition, which went by the name of miller.

“The water-clock constructed by Sir Isaac was a more useful piece of mechanism than his windmill. It was made out of a box which he begged from Mrs. Clark’s brother, and, according to Dr. Stukely, to whom it was described by those who had seen it, it resembled pretty much our common clocks and clock-cases, but was less in size, being about four feet in height, and of a proportional breadth. There was a dial-plate at top with figures of the hours. The index was turned by a piece of wood, which either fell or rose by water dropping.

“The mechanical carriage which Sir Isaac is said to have invented, was a four-wheeled vehicle, and was moved with a handle or winch wrought by the person who sat in it. We can find no[302] distinct information respecting its construction or use, but it must have resembled a Merlin’s chair, which is fitted to move only on the smooth surface of a floor, and not overcome the inequalities of a common road.

“He introduced the flying of paper kites, and is said to have investigated their best forms and proportions, as well as the number and position of the points to which the string should be attached. He constructed also lanterns of crimpled paper, in which he placed a candle to light him to school in the dark winter mornings; and in the dark nights he tied them to the tails of his kites, in order to terrify the country people, who took them for comets.

“In the yard of the house where he lived, he was frequently observed to watch the motion of the sun. He drove wooden pegs into the walls and roofs of the buildings, as gnomons to mark by their shadows the hours and half-hours of the day. It does not appear that he knew how to adjust these lines to the latitude of Grantham; but he is said to have succeeded, after some years’ observation, in making them so exact that anybody could tell what o’clock it was by Isaac’s dial, as it was called.

“Sir Isaac himself told Mr. Conduit that one of the earliest scientific experiments which he made was in 1658, on the day of the great storm when Cromwell died, and when he himself had just entered into his sixteenth year. In order to determine the force of the gale he jumped first in the direction in which the wind blew, and then in opposition to the wind; and after measuring the length of the leap in both directions, and comparing it with the length to which he could jump on a perfectly calm day, he was enabled to compute the force of the storm. Sir Isaac added, that when his companions seemed surprised at his saying that any particular wind was a foot stronger than any he had known before, he carried them to the place where he had made the experiment, and showed them the measure and marks of his several leaps.

“When a young man he made a telescope with his own hands.”

James Watt, who became the chief improver of the steam engine, when a boy received from his father a set of small carpentry tools. The little fellow would take his toys to pieces, rebuild them and invent playthings wholly new. A cousin of his, Mrs. Campbell,[303] has recorded that Watt as a lad was often blamed for idleness; she adds:—

Watt as an Inquiring Boy.

“His active mind was employed in investigating the properties of steam; he was then fifteen, and once in conversation he informed me that he had read twice, with great attention, S’Gravesande’s ‘Elements of Natural Philosophy,’ adding that it was the first book upon that subject put into his hands, and that he still thought it one of the best. While under his father’s roof, he went on with various chemical experiments, repeating them again and again until satisfied of their accuracy from his own observations. He had made for himself a small electrical machine, and sometimes startled his young friends by giving them sudden shocks from it.”

Astonishing Precocity of Ericsson.

John Ericsson as a child was the wonder of the neighborhood, says his biographer, Mr. William C. Conant. From the first he exhibited the qualities distinguishing him in later life. His industry was ceaseless; he was busy from morning to night drawing, planning and constructing. The machinery at the mines near his home was to him an endless source of wonder and delight. In the early morning he hastened to the works, carrying with him a drawing pencil, bits of paper, pieces of wood, and a few rude tools. There he would remain the day through, seeking to discover the principles of motion in the machines, and striving to copy their forms. In his tenth year this boy undertook to design a pump for draining the mines of water. The motor was to be a windmill. Such a contrivance the young inventor had never seen, yet he succeeded in drawing designs for his mill after the most approved fashion of skilled engineers by following a verbal description given by his father of a mill he had just visited.

Rowland’s Early Experiments.

Henry A. Rowland became at Johns Hopkins University in Baltimore one of the great physical investigators and inventors of the nineteenth century. As a boy he delighted in chemical experiments, glass-blowing, and similar occupations. The family were often summoned by the young enthusiast to listen to lectures which were fully illustrated by experiments, not[304] always free from prospective danger. His first five-dollar bill bought him, to his delight, a galvanic battery. The sheets of the New York “Observer” he converted into a hot-air balloon, which made a brilliant ascent and flight, setting fire, at last, to the roof of a neighboring house. One day he saw a pump at work in the hold of a steamer, sending out a stream which fell from a height of five or six feet to the river. “Why,” he exclaimed, “don’t you put that pipe down into the river and save power?” As a student at the Troy Polytechnical Institute he invented a method of winding naked strips of wire on cloth so as virtually to effect its insulation. This was afterward profitably patented by some one else.

In “The Senses and the Intellect” Professor Alexander Bain considers the inventing and discovering mind:—

The Passion for Experiment.

“Not one of the leading mental peculiarities applicable to scientific constructiveness can be dispensed with in the constructions of practice:—the intellectual store of ideas applicable to the special department; the powerful action of the associating forces; a very clear perception of the end, in other words, sound judgment; and, lastly, that patient thought, which is properly an entranced devotion of the energies to the subject in hand, rendering application to it spontaneous and easy.

“With reference to originality in all departments, whether science, practice, or fine art, there is a point of character that deserves notice, as being more obviously of value in practical inventions and in the conduct of business and affairs—I mean an active turn, or a profuseness of energy, put forth in trials of all kinds on the chance of making lucky hits. In science, meditation and speculation can do much, but in practice, a disposition to try experiments is of the utmost service. Nothing less than a fanaticism of experimentation could have given birth to some of our grandest practical combinations. The great discovery of Daguerre, for example, could not have been regularly worked out by any systematic and orderly research; there was no way but to stumble upon it, so unlikely and remote were the actions brought together in one consecutive process. The discovery is unaccountable, until we learn that the author had been devoting himself[305] to experiments for improving the diorama, and thereby got deeply involved in trials and operations far removed from the beaten paths of inquiry. The energy that prompts to endless attempts was found in a surprising degree in Kepler. A similar untiring energy—the union of an active temperament with intense fascination for his subject—appears in the character of Sir William Herschel. When these two attributes are conjoined; when profuse active vigor operates on a field that has an unceasing charm for the mind, we then see human nature surpassing itself.

“The invention of photography by Daguerre illustrates the probable method whereby some of the most ancient inventions were arrived at. The inventions of the scarlet dye, of glass, of soap, of gunpowder, could have come only by accident; but the accident, in most of them, would probably fall into the hands of men engaged in numerous trials upon the materials involved. Intense application—‘days of watching, nights of waking’—went with ancient discoveries, as well as with modern. In the historical instances, we know as much. The mental absorption of Archimedes is a proverb.

“The wonderful part of Daguerre’s discovery consists in the succession of processes that had to concur in one operation before any effect could arise. Having taken a silver plate, iodine is first used to coat the surface; the surface is then exposed to the light, but the effect produced is not apparent till the plate has been immersed in the vapor of mercury. To fall upon such a combination, without any clue derived from previous knowledge, an innumerable series of fruitless trials must have been gone through.

“A remark may be made here, applicable alike to science and to practice. Originality in either takes two form—observation or experiment on the one hand, and the identifying processes of abstraction, induction, and deduction on the other. In the first, the bodily activities and the senses are requisite; the last are the purely intellectual forces. It is not by high intellectual force that a man discovers new countries, new plants, new properties of objects; it is by putting forth an unusual force of activity, adventure, inquisitorial and persevering search. All this is necessary in order to obtain the observations and facts in the first instance;[306] when these are collected in sufficient number, a different aptitude is brought to bear. By identifying and assimilating the scattered materials, general properties and general truths are obtained, and these may be pushed deductively into new applications; in all which a powerful reach of similarity is the first requisite; and this may be owned by men totally destitute of the active qualities necessary for observation and experiment.”

The Chief Impulse in Discovery.

In “The Hazard of New Fortunes” Mr. W. D. Howells depicts a man of force who, without education, becomes rich. He has little patience with poor men, who, he says, “don’t get what they want because they don’t want it bad enough.” The rough old Westerner, Dryfoos, was sound in his view. Success in discovery as in money-making is as much a matter of passion as of intelligence, says Mr. O. F. Cook:—

“The first and most essential preliminary for a successful investigation is an interest in the question, and any method which tends to diminish or relax interest is false and futile. Diligence in learning the facts of a science is a distinctly unfavorable symptom in a would-be investigator when unaccompanied by a vital constructive interest. That a student hoards facts does not mean that he will build anything with them. Intellectual misers are common, and are quite as unprofitable as the monetary variety. A scientific specialist may have vast knowledge and life-long experience, and yet may never entertain an original idea or make a new rift in the wall of the unknown which baffled his predecessors. Indeed, such men commonly resent a readjustment of the bounds of knowledge as an interference with their vested capital of erudition.

“Investigation is a sentiment, an instinct, a habit of mind; it is man’s effort at knowing and enjoying the universe. The productive investigator desires knowledge for a purpose; he may not be eager for knowledge in general, nor for new knowledge in particular. He values details for their bearing on the problem he hopes to solve. He can gather and sift them to advantage only in the light of a radiant interest, and his ability to utilize them for correct information depends on the delicacy of his perception and the strength of his mental grasp. The investigator, like the[307] athlete, must first be born; he can not be made to order, but his training determines the degree of excellence to which he can attain. No amount of training can remove organic defects, but bad training may be worse than none in lessening the attainment of the most capable. That education is false and injurious which puts the matter first and retards or prevents the development of constructive mental ability, a power not peculiar to the investigator, but in him reaching the greatest scope and freedom of action.”

Aid from Picturing Power.

A picturing faculty such as comes to the flower in an inventor may often be observed in a skilful workman. In a shoe factory a veteran will lift a hide, utterly irregular in form, and cut soles and heels from it, so that the remaining scraps are a mere trifle, while flaws have been avoided.

Hugh Miller, in “My Schools and Schoolmasters,” thus speaks of a fellow stone-mason:—“John Fraser’s strength had never been above the average of that of Scotchmen, and it was now considerably reduced; nor did his mallet deal more or heavier blows than that of the common workman. He had, however, an extraordinary power of conceiving of the finished piece of work, as lying within the rude stone from which it was his business to disinter it; and while ordinary stone-cutters had to repeat and re-repeat their lines and draughts, and had in this way virtually to give their work several surfaces in detail ere they reached the true one, old John cut upon the true figure at once, and made one surface serve for all. In building, too, he exercised a similar power; he hammer-dressed his stones with fewer strokes than other workmen, and in fitting the interspaces between the stones already laid, always picked from out the heap at his feet the stone that exactly filled the place; while other operatives busied themselves in picking up stones that were too small or too large; or, if they set themselves to reduce the too large ones, reduced them too little or too much, and had to fit and fit again. Whether building or hewing, John never seemed in a hurry. He has been seen, when far advanced in life, working very leisurely, as became his years, on one side of a wall, and two stout young fellows building against him on the other side—toiling, apparently, twice harder[308] than he, but the old man always contriving to keep a little ahead of them both.”

Henry Maudslay, famous as an inventor, had the same exquisite sense of form. When he executed a piece of work he was greatly indebted to the dexterity he had acquired as a blacksmith in early life. He used to say that to be a good smith you must be able to see in an iron bar the object you mean to get out of it with hammer and chisel, just as the sculptor sees the statue he intends to carve from a block of marble.

Eyes and Hands Inform the Brain.

Inventors and artists have in common a keen perception of form, an ability to confer form with skill and accuracy. Often the same man is at once inventor and artist. Of this class Leonardo da Vinci is the most illustrious example. Alexander Nasmyth, of Edinburgh, who invented the bow-string bridge, was an eminent painter of portraits and landscapes. His son, James Nasmyth, who devised the steam hammer and the steam pile-driver, tells us in his autobiography:—

“My father taught me to sketch with exactness every object, whether natural or artificial, so as to enable the hand accurately to reproduce what the eye had seen. In order to acquire this almost invaluable art, he was careful to educate my eye, so that I might perceive the relative proportions of objects placed before me. He would throw down at random a number of bricks, or pieces of wood representing them, and set me to copy their forms, proportions, lights and shadows. I have often heard him say that any one who could make a correct drawing in regard to outline, and also indicate by a few effective touches the variation of lights and shadows of such a group of model objects, might not despair of making a good and correct sketch of York Minster. My father was an enthusiast in praise of this graphic language, and I have followed his example. In fact it formed a principal part of my own education. It gave me the power of recording observations with a few graphic strokes of the pencil, and far surpassing in expression any number of mere words. This graphic eloquence is one of the highest gifts in conveying clear and correct ideas as to the forms of objects—whether they be those of a simple and familiar kind, or of some form of mechanical construction,[309] or of the details of a fine building, or the characteristic features of a wide-stretching landscape. This accomplishment of accurate drawing, which I achieved for the most part in my father’s workroom, served me many a good turn in future years with reference to the engineering work which became the business of my life.”

His mastery of the pencil had undoubtedly a great deal to do in cultivating his powers of inventive imagination. He says:—“It is one of the most delightful results of the possession of the constructive faculty, that one can build up in the mind mechanical structures and set them to work in imagination, and observe beforehand the various details performing their respective functions, as if they were in absolute form and action. Unless this happy faculty exists in the brain of the mechanical engineer, he will have a hard and disappointing life before him. It is the early cultivation of the imagination which gives the right flexibility to the thinking faculty.”

Manual Training.

Drawing is one of the courses in every manual training school in America. The first of these schools was organized in 1879 St. Louis, under the direction of Professor C. M. Woodward. Within the past thirty years, from the kindergarten to the university, American education has addressed itself as never before to bringing out all the talents of pupils and students. In earlier days there was little appeal to sense perception, to dexterity, to the faculties of eye and hand which all too soon pass out of plasticity, to leave the young man or woman for life destitute of powers which, had they been duly elicited, would have broadened their careers by widening their horizons. To-day, happily, our schools are more and more supplementing literary and mathematical courses with instruction in the use of tools, in modeling, design, and pattern-making. Every process is thoroughly explained. All the studies are linked into series; these unite practice and its reasons with a thoroughness impossible in the outworn schemes of apprenticeship.

All this is a distinct aid to inventiveness. As Professor Woodward says in “Manual Training in Education”:—“Manual training cultivates a capacity for executive work, a certain power of[310] creation. Every manual exercise involves the execution of a clearly defined plan. Familiar steps and processes are to be combined with new ones in a rational order and for a definite purpose. As a rule these exercises are carefully chosen by the instructor. At proper times and in reasonable degree, pupils are set to forming and executing their own plans. Here is developed not a single faculty, but a combination of many faculties. Memory, comparison, imagination, and a train of reasoning, all are necessary in creating something new out of the old.”

How the Phonograph was Born.

Every inventor of mark is a man of native dexterity whose skill has been thoroughly cultivated. Let us observe such a man as he came to an extraordinary triumph. One of the great inventions of all time is the phonograph, giving us as it does accurate records of sound which may be repeated as often as we please. The ideas which issued in the perfected instrument were for years germinating in Mr. Edison’s mind; they took their rise in his recording telegraph. One afternoon Mr. Edison told the story to the late Mr. George Parsons Lathrop, who published it in Harpers’ Magazine for February, 1890:—“I worked a circuit in the daytime at Indianapolis, and got a small salary for doing it. But at night with another operator named Parmley, I used to receive newspaper reports just for the practice. The regular operator, who was given to copious libations, was glad enough to sleep off the effects while we did his work for him as well as we could. I would sit down for ten minutes, and take as much as I could from the instrument, carrying the rest in my memory. Then, while I wrote out, Parmley would serve his turn at taking; and so on. This worked well until they put a new man on at the Cincinnati end. He was one of the quickest despatchers in the business, and we soon found it was hopeless for us to try to keep up with him. Then it was that I worked out my first invention, and necessity was certainly the mother of it.

“I got two old Morse registers, and arranged them in such a way that by running a strip of paper through them, the dots and dashes were recorded on it by the first instrument as fast as they were delivered from the Cincinnati end, and were transmitted to us through the other instrument at any desired rate of speed or[311] slowness. They would come in on one instrument at the rate of forty words a minute, and we would grind them out of the other at the rate of twenty-five. Then weren’t we proud! Our copy used to be so clean and beautiful that we hung it up on exhibition; and our manager used to come and gaze at it silently, with a puzzled expression. Then he would depart, shaking his head in a troubled sort of way. He could not understand it; neither could any of the other operators; for we used to drag off my impromptu automatic recorder and hide it when our toil was over. But the crash came when there was a big night’s work—a presidential vote, I think it was—and copy kept pouring in at the top rate of speed, until we fell an hour and a half or two hours behind. The newspapers sent in frantic complaints, an investigation was made, and our little scheme was discovered. We couldn’t use it any more.

“It was that same rude automatic recorder,” Edison explained, “that indirectly—yet not by accident, but by logical deduction—led me long afterward to invent the phonograph. I’ll tell you how this came about. After thinking over the matter a great deal, I came to the point where, in 1877, I had worked out satisfactorily an instrument which would not only record telegrams by indenting a strip of paper with dots and dashes of the Morse code, but would also repeat a message any number of times at any rate of speed required. I was then experimenting with the telephone also, and my mind was filled with theories of sound vibrations and their transmission by diaphragms. Naturally enough, the idea occurred to me: If the indentations on paper could be made to give forth again the click of the instrument, why could not the vibrations of a diaphragm be recorded and similarly reproduced? I rigged up an instrument hastily, and pulled a strip of paper through it, at the same time shouting, ‘Hallo!’ Then the paper was pulled through again, my friend Batchelor and I listening breathlessly. We heard a distinct sound, which a strong imagination might have translated into the original ‘Hallo!’ That was enough to lead me to a further experiment. But Batchelor was sceptical, and bet me a barrel of apples that I couldn’t make the thing go. I made a drawing of a model, and took it to Mr. Kruesi, at that time engaged on piece-work for me. I marked it[312] $4, and told him it was a talking machine. He grinned, thinking it a joke; but set to work, and soon had the model ready. I arranged some tin-foil on it, and spoke into the machine. Kruesi looked on, and was still grinning. But when I arranged the machine for transmission, and we both heard a distinct sound from it, he nearly fell down in his fright; I was a little scared myself, I must admit. I won that barrel of apples from Batchelor, though, and was mighty glad to get it.”

Edison phonograph.
A, speaking tube. B, D, scale. C, receiving cylinder. E, repeat lever. F, swivel plate. G, connecting key. H, foot trip. I, plug attachment. J, ear-tubes. K, switch.

The Latest Phonograph.

In October, 1905, I paid Mr. Edison a visit at his laboratory, when he showed me the phonograph as now perfected. Chief among his improvements is a composition for records which is much harder than the wax formerly employed, and may therefore revolve more swiftly with no fear of blurring. His reproducer is to-day a built-up diaphragm of mica, highly sensitive. In the reproducer arm is placed the highly polished, button-shaped sapphire which tracks with fidelity the grooves which sound has recorded on the cylinder. These features, combined in a mechanism of the utmost accuracy in make and adjustment, have opened for the[313] phonograph a vast field in the business world. Some of the great firms and companies of New York and other cities now use phonographs instead of stenographers; a letter or a contract is dictated to a revolving cylinder with all the swiftness of ordinary speech. Afterward a secretary listens to the reproducer and writes the letter or contract at any speed desired. On occasion a cylinder bearing a message may be sent to a correspondent who listens to its words as sent forth from his own phonograph, no intermediate writing being required. Such instruments are extensively used in teaching foreign languages, learners being free to have a difficult pronunciation repeated until it is mastered. Mr. Edison has much improved the musical records familiar throughout the world; these are now produced in molds of gold with a delicacy that refines away the scratchiness of tone so unpleasant in earlier cylinders.

Telephone Messages Recorded for Repetition at Will: The Telegraphone.

As the fruit of rare experimental ability Mr. Valdemar Poulsen, an electrical engineer of Copenhagen, has invented the telegraphone. This instrument proceeds upon the fact that the electrical pulses of the telephone, minute and delicate though they are, can register themselves magnetically upon a moving steel wire but one-hundredth of an inch in diameter. The message is repeated as often as the wire is borne between the poles of an electro-magnet in circuit with a telephonic receiver. The accompanying figure shows the transmitter, the traveling wire, and the receiver as it repeats a message. The instrument in its latest form is illustrated opposite page 314. In supplementing the telephone most usefully, this apparatus brings a fresh competition to bear upon the telegraph. In many cases a man of business has preferred to telegraph rather than to telephone a message, because a telegram as a written record affords proof in case of error or dispute. Now suppose that through a telegraphone a broker offers six per cent. interest for a loan; his voice impressed on the wire, duly preserved for reference, identifies him as securely as would his signature on a written offer. Take a different case: a patient rings up a physician only to find him not at home; a message committed to a few yards of wire is listened to by the physician[314] the moment he returns to his office. Take an example of yet another service: a letter may be dictated at Newark and recorded on a wire in Brooklyn, and there, at leisure, be put upon paper by an amanuensis. Or, better still, the message may be spoken upon a small, revolving disc of steel, and mailed to a correspondent who listens to its words as they roll out of his own graphophone. Young children and others unable to write may impress discs that tell their story to correspondents unable to read. So compact withal are the records of this instrument that they may soon give us not only music from the concert-room, and news from the telegraph office, but also the latest popular book.

Telegraphone.
Diagram of working parts.

TELEGRAPHONE OF VALDEMAR POULSEN

A wire or a disc can repeat its record, vocal or musical, hundreds of times without loss of distinctness. To obliterate this[315] record it only is necessary to pass the steel between the poles of a strong magnet.

The Gray Telautograph.

A telephone transmits a familiar voice so that its tones are at once recognized. By electrical means a telautograph reproduces writing at a distance so precisely that it may be as readily identified. To understand how this feat is accomplished let us begin with the transmission of vertical marks varying in length.

A, sending a vertical line S M by electricity.
B, sending a horizontal line S M by electricity.

This task, as above illustrated, we perform by sending to a receiving pencil a current varying in strength between limits which correspond to the variations in length of our transmitted lines. The strength of this current, say 0.429 volt, decides where a mark will begin; the strength of that current in rising to say 27.5 volts, decides where that mark will end. To vary the strength[316] of the current as desired we employ a square rod of aluminium, tightly covered with a thin copper wire insulated by silk wrapping. We place this rod beside our tablet, and scrape from its innermost surface the silk covering so as to leave the wire bare, while between its strands the silk remains intact as an effective insulation. Our rod is now a rheostat, whose use we shall presently discover. We are wont to think of copper as a good conductor, and so it is. Used in stout bars or thick wires it exerts but little resistance to an electric current, but when we employ a wire of but 1200 of an inch in diameter, about the thickness of the paper on which this is printed, the narrowness of path reduces the pressure of a current so much that in the course of 375 feet it falls to one eighth. In like manner a glass tube of minute diameter might receive at one end water under extreme pressure, and at a yard distance send out a mere dribble. The copper wire of our square rod, or rheostat, is so thin that when connected at K with a source of 110-volt electricity, at V this voltage, or pressure, has sunk to but one twentieth of a volt.

Let us suppose our rheostat at V connected with a circuit extended to the receiving station. A wire, kept in this circuit, and moving up and down with our pencil, in a line always parallel with the side of our tablet, sends to the receiving station a current constantly varying in its pressure. As the wire passes from S to M the transmitted current rises from 0.429 to 27.5 volts.

At the receiving station we provide means whereby the current arriving at a voltage of 0.429 and rising to 27.5 will mark a vertical line the length of S M. A simple device for this purpose consists in a hollow coil of copper wire, or a solenoid, as electricians call it, through which circulates the arriving current, the coil being free to be drawn as a shell over a cylindrical electro-magnet. The degree to which such a coil, duly attached to a retractile spring, is drawn over a suitable electro-magnet, depends upon the strength of the current circulating in the coil. In the simple instrument we are using let us assume that when a current of 110 volts comes in, the coil moves to K, the end of its path; that when a current of 6.875 volts arrives, the coil moves to O; the receiving coil and the sending rheostat being marked with the same divisions. Our receiving coil actuates a pencil which[317] accordingly marks a line of the same length and direction as that set down on the tablet of the sending instrument.

Let us next transmit between these two stations a series of horizontal lines. To do this we duplicate our first apparatus. We place a second rheostat along the foot of our sending tablet, not along its side, and slide a second wire along its bared surface with motions always parallel to those of the marking pencil. Thus a second current, going by a wire of its own to the receiving station there repeats through a second coil, or solenoid, the horizontal marks of our sending pencil.

We have now two sets of apparatus, alike in all respects, one sending rheostat at right angles to the other; one receiving solenoid at right angles to its mate. In the actual telautograph the rheostats are curved, as shown in the picture facing page 318, and they are so joined by levers that the up-and-down and sidewise motions of writing are accurately represented, from moment to moment, in the two varying currents sent afar. As these currents arrive they actuate a pencil, similarly furnished with levers, so that it moves in a path which exactly corresponds with that of the sending pencil. The apparatus has an ingenious ink supply, and a device to shift the paper as filled line after line. In its basic features the telautograph was invented by the late Professor Elisha Gray of Chicago. Its present form is largely due to the modifications and additions of Mr. George S. Tiffany of New York. The instrument is giving satisfactory service in thousands of banks, factories, hotels, business offices, and households. Its records at both ends of a line make it of inestimable value in many cases, as aboard a warship where orders of the utmost importance may be committed to its tablets. Exterior and interior views of the instrument are given facing page 318.

TELAUTOGRAPH, EXTERIOR.

TELAUTOGRAPH, INTERIOR.

Machines Cannot Directly Imitate Hands: A Task Must be “Coded.”

Only a few machines deal with writing or its duplication, most machines perform quite other tasks at first wrought by the hands. Inventors have always gone astray when they have sought to imitate a hand process with anything like precision. On this point Sir John Fletcher Moulton, of London, says:—“Doubtless you have often had to send a message by telegraph to some distant country[318] to which the rate charged per word is high. You write your message as tersely as may be, but even thus its length is formidable. You resort to your telegraphic code. It tells you that if you will change the phraseology of your message you can by a single code-word represent a whole phrase. You thereupon set to work to recast your message so as to make it capable of being expressed in code-words. When you have done so, you have not improved it as a message. It is less terse and less naturally expressed. If you were writing and not telegraphing, you would prefer to use it in its original form. But as now expressed, each of the phrases of which it is composed can be sent over the wires in the form and at the price of a single word, and the cost of the whole is but a fraction of what would have been the cost of the message as originally framed. It has been cast in a form suitable for cheap telegraphing. Just so with the inventor. He has to find a series of operations which, in their totality, are equivalent to the series of the hand worker. But each of these operations in itself need not be such as would in hand labor be suitable or even practicable.

“It is necessary and sufficient for him that they are suited to the new conditions, so that they can be well and easily done by mechanism, and that, taken as a whole, they produce the same result as the series which he is paralleling. He is re-writing the series in terms suited to mechanism just as the message was rewritten in terms suited for telegraphing. The meaning of the message must remain the same, but the terms used to express it are no longer those most naturally used in writing or speaking, but are those which can be telegraphed at least cost.

Sewing Coded in a Machine.

“To make my meaning clear, let me revert to the familiar operation of sewing. The hand process is plainly unsuited for mechanical reproduction. How is it to be translated into an equivalent cycle suitable for mechanism? In other words, how is it to be ‘coded’? This case is interesting, inasmuch as we have two independent solutions worked out at different dates and widely different in nature. The earlier invention imitated the hand cycle very closely. The thumb and finger of the right hand in the human being were replaced by pairs of pincers capable of taking hold of the needle and letting it free again, but to avoid[319] having to follow the intricate movements of the human fingers in the operation two pairs of pincers were used, one on each side of the work, which passed the needle backwards and forwards through the fabric one to the other. Following out this idea the needle was pointed at both ends with an eye in the middle, and, as in hand sewing, it carried a moderate length of thread. The pair of pincers which held the threaded needle advanced to the fabric and passed through it to the other pair which took it and retreated so as to draw the thread tight and form the completed stitch. To form the next stitch the work was moved through the proper distance and the same process was gone through, the line of movement of the needle always remaining the same.

“There is not much ‘coding’ here. The new cycle imitates the hand-worker so faithfully that it benefits little by the advantages of mechanical action. As in hand work it can only sew with moderate lengths of thread, and must therefore have the needles re-threaded at intervals. Its superiority over hand labor is therefore so slight that it is doubtful whether such a sewing machine could ever have competed with, much less replaced, hand work. But it has one great merit. The needle mechanism is capable of being re-duplicated almost without limit, and the movement of the work which is necessary to direct the stitches for one needle will serve equally well for any number of needles working parallel to it. Hence the machine that would have failed as a sewing machine has survived and proved useful as an embroidery machine. The work is stretched between two rows of pincers and moved by the workman according to the stitches of the pattern. Each stitch is repeated by each of the parallel needles which work side by side at convenient distances, and thus as many copies of the pattern are simultaneously produced as there are needles. Each is a perfect facsimile of all the others, and as each copies faithfully the errors of the workman, this machine is entitled to the proud boast that its productions possess all the defects of hand work—an essential we are told of artistic beauty.

“What is the cause of the comparative failure of this attempt at a sewing-machine? It is evident that it is due to the retention of the feature of the hand operation by which the needle is passed from one holding mechanism to the other. The inventors of the[320] modern sewing-machine on the one hand decided to work with a needle fixed in its holder and never leaving it throughout the operation. It at once followed that the needle and thread must, on the back stroke, return through the same hole through which they had entered the fabric, so that no stitch could be formed unless some obstacle were interposed to the return of the thread. Here the two famous and successful forms of the machine parted company. Both placed the eye at the point of the needle that the stroke might not be needlessly long, but while the lock stitch machine used a second thread to provide the necessary obstacle, the chain stitch machine availed itself of a loop of the original thread for that purpose. Thus in the lock stitch machine the substituted cycle became as follows:—

(1) The work is moved under the needle for the new stroke.

(2) The needle (which has an eye at its point through which the thread passes) pierces the fabric carrying with it the thread.

(3) A second thread is passed between the thread and the needle (by means of a shuttle or its equivalent) when the needle is at its lowest position.

(4) The needle returns while a take-up retracts the thread so as to tighten the stitch.

“This cycle would, for hand work, be immeasurably more complicated and difficult than ordinary sewing, but it consists of operations mechanically easy of performance in swift and accurately timed sequence, and as the whole of the thread in use has no longer to be passed from one side of the fabric to the other as each stitch is made, it has brought with it the all-important advantage of our being able to work with a continuous thread. Here, then, is a magnificent example of ‘coding.’ It is not to be wondered at that the machines which it has given to the world are in well-nigh universal use, and have profoundly modified both our social and industrial economy.”

Obed Hussey and His Mower.

One of the supreme inventions of all time is the mower of Obed Hussey, of Maryland, devised in 1833, and afterward adapted to reaping. In the primitive reaping of tall grain one hand keeps the stalks upright, while the other hand cuts these stalks with a scythe. Hussey, in a masterpiece of “coding,” arrayed[321] metal fingers which keep the grain from bending, while vibrating knives sever the stalks. To this day his invention remains the core of millions of mowers as well as reapers; it has economized labor to an extent beyond estimate, and by shortening the time required in harvesting has saved many million bushels of grain which otherwise would have been destroyed by bad weather.

Obed Hussey’s mower or reaper.

Not a few inventors of the first mark are found among the men of great ability who unite training in two distinct fields of science, whose alliances they thoughtfully cultivate.

New Modes of Attack.

Thus Helmholtz, at once a physician and a physicist, devised the ophthalmoscope, that simple instrument for observing the interior of the eye. On a plane less lofty an inventor’s success may turn on his width of outlook, his intimacy with fields remote from the home acre, so that he may gainfully ally two arts or processes that, to a casual glance, seem utterly unrelated or unrelatable. When a pneumatic tube between a post-office and a railroad station is obstructed, there would seem to be no promise of aid in a fire-arm. But snapping off its blank cartridge at the open end of the tube gives back an echo through the air within the tube; in measuring the interval between touching the trigger and hearing the echo, there is news as to where the tube is choked, the velocity of sound in air being known. From the labors of a postmaster let us turn to those of an apothecary, who pounds and grinds his drugs in a mortar which has descended from the day when it reduced grain to flour. The grindstones which succeeded the mortar were only in recent years ousted by Hungarian rollers of steel which separate the constituents of grain with a new perfection. Their excellence consists in imitating the crushing of the mortar, not in attempting the grinding of the familiar burrs.

The miller’s practice in one particular has given the postmaster a hint of value. In a flour-mill a cheap and sufficient motor is[322] simple gravity as the products pass from one machine to the next. At the very outset the wheat is taken by conveyors to the top floor, whence its products descend, stage by stage, impelled by gravity alone, until the finished and barreled flour rolls into shipping rooms beside the railroad tracks. This principle has been adopted at the Chicago Post-office, where the mails as received are borne to the top floor, thence, by gravity, they take their way as sorted and re-sorted, to the ground floor where they are finally disposed of.

In a field somewhat parallel is the modern art of designing the layout of a great manufacturing plant so that the material shall travel as little as possible between its entrance and its exit. In a well planned ship-yard the machines are so placed that the steel plates, bars and girders, the planks and boards, move continuously from one machine to its neighbor, ending at last by reaching the building berth.

Shears for metal, cutting scissors-fashion, have long been familiar; the Pittsburg, Fort Wayne and Chicago Railroad employs the Murphy machine, on the same principle, to cut up old ties and bridge timbers intended for fuel. The upper moving blade is set about an inch out of line from the lower fixed blade, so as to allow spikes or bolts to pass through without injuring the machine. In dividing cord wood for stoves and furnaces a machine of this kind might be used instead of a saw.

It is by perfect means of subdivision that new and cheap materials for writing and printing are now produced. The leaves offered by the papyrus to scribes were used for centuries, so that the plant has given its name to paper now made from fibres of cotton, linen, or wood, finely divided, thoroughly mixed, and squeezed between rollers much as if paste. Paper from its smoothness, its absence of grain and its low price, is far preferable to papyrus leaves or vellum. Its manufacture has been copied in diverse new industries. Wood ground to powder, worked into pulp, molded into pails, tubs and the like, is saturated with oil to produce wares of indurated fibre. A pail thus manufactured will not split apart in dry weather when empty, or absorb liquids, and it is as easily kept clean as glass.

While wood has thus found a rival in pulp, stone has a new[323] competitor much more formidable. Pavements and piers are often needed in long stretches, without joints for the admission of rain or frost. The demand is met by cements and concretes easily laid in unjointed miles. These materials when strengthened with skeletons of steel find many uses; a brief survey of them is given in this book. A sister product, terra cotta, baked at high temperatures, is now molded in beautiful designs not only for tiles, but as walls, cornices, finials, vases, hearths, and statuary.

Mergenthaler linotype, showing five double wedges for justification.

Linotype and Its Use of Wedges.

Clay as tablets was one of the first mediums of the printer’s art, an art of late years exposed to many a surprise from unexpected invaders. Composition is now performed by machines of various models, one of them being Mergenthaler’s linotype, as employed for this book. In effect this machine is a caster rather than a compositor, and recalls the chief tasks of the type-foundry. As an operator touches its keys he releases a succession of matrices, from which is cast a line as a unit. In its latest form this machine enables the operator to change instantly from one font to another, introducing roman, italic, and black face type in[324] the same line at will. Intricate book, tabular and pamphlet matter, with chapter headings, titles, or marginal notes may in this new model be set up at a speed four to six times quicker than hand composition.

J. W. Schuckers’ double-wedge justifier.

An illustration shows the two-letter matrices of a special Mergenthaler machine. The upper is usually a body character and the lower an italic, a small capital or a black face. These lower matrices are lifted a little by a key so as to come in line with upper matrices. In this way the compositor has at command two distinct fonts. Groove E receives the ears of the matrices. In a normal position D receives the ears of the matrices elevated to produce the secondary characters. In this way the matrices are held in position as casting proceeds. Five double-wedge justifiers will be observed between the matrices. These devices, invented by J. W. Schuckers, form an essential part of the machine. Justification, let the reader be reminded, is so spacing the contents of a line that it shall neatly end with a word or syllable. In typewritten manuscript the lack of justification leaves the ends of lines jagged and unsightly. Mr. Schuckers at the end of every word places a pair of wedges. When the operator is close to the end of a line he pushes in the whole row of wedges in that line; the outer sides of each pair remain always parallel, and as pushed in these outer sides are just sufficiently forced apart to space out the line with exactitude. To lift a table or a desk, and at the same time keep it always level, we may use pairs of wedges in the same manner; they must, of course, be much larger and thicker than those used in linotypy. See next page for an illustration.

A, two wedges partly in contact.
B, two wedges fully in contact, outer sides parallel.

To-day a book may be reproduced without any recourse whatever to the type long indispensable. A photographer takes the volume, and repeats it in pages of any size we wish, dispensing not only with the type-setter or the type-caster, but even with[325] the proofreader, since a camera furnishes an exact fac-simile of the original work. If the book is illustrated, a further economy is enjoyed; its pictures are copied as faithfully and cheaply as the letterpress.

Ingenuity in Copying and Decorating.

A feat which is a mere trifle as compared with reproducing a book by photography, turns upon a loan from an old resource. Confectioners from time immemorial have squeezed paste out of bags through apertures into ornaments for wedding cakes and the like. With similar bags decorators force a thin stream of plaster into a semblance of flowers, fruits, and arabesques on their ceilings and cornices. On the same plan, with pressure more severe, soap is forced, from a tank through a square opening to form bars for the laundress. Increasing the pressure once again, clay for bricks is urged forth, to be divided into lengths suitable for the kiln. Lead pipe is manufactured on the same principle, recalling the production of macaroni. A further step was taken by Alexander Dick, the inventor of Delta[326] metal; by employing hydraulic pressure on metals at red heat he poured out wires and bars of varied cross-sections, superseding the method of drawing through dies.

Frost as a Servant.

Cold as well as heat may be employed in a novel manner. The flesh of birds, beasts, and insects is now frozen hard, so as to be sliced into extremely thin sections clearly showing the details of structure. How a freezing process may aid the miner was shown first in Germany in 1880, when Hermann Poetsch, a mining engineer, had to sink a shaft near Aschersleben, to a vein of coal, where, after excavating 100 feet, a stratum of sand eighteen feet thick, overlying the coal, was encountered. It occurred to Poetsch that the great difficulty occasioned by the influx of water through the sand could be overcome by solidifying the entire mass by freezing. To do this, he penetrated the sand to be excavated with large pipes eight inches in diameter, sunk entirely through it and a foot or two into the underlying coal. These were placed in a circle at intervals of a metre, and close to the periphery of the shaft. They were closed at the lower end. Inside each of these and open at its lower end was a pipe an inch in diameter. This system of pipes was so connected that a closed circulation could be produced down through the small pipes and up through the large ones. An ice-machine, such as brewers use, was set up near by and kept at a temperature below zero Fahrenheit. A tank filled with a solution of chloride of magnesium, which freezes at -40° Fahr., had its contents circulated through the ground pipes described. Thermometers placed in pipes sunk in the mass of sand showed 51.8° Fahr. at the beginning of the process. The circulation was kept up and on the third day the whole mass was frozen. Within the continuous frozen wall the material was excavated without damage from caving in or inflow of water. The freezing entered the coal three feet, and to a distance six feet outside the pipes. The circulation was kept up until the excavation and walling were complete. On a somewhat similar plan tunnels have been bored through difficult ground. Of late years at Detroit, and elsewhere, serious breaks in water-mains have been repaired after a freezing process has solidified the stream.

[327]

Polarized Light and X-Rays.

Light, as well as heat and cold, is to-day bidden to perform new duties. It was long ago observed that polarized light as it takes its way through transparent crystal or glass clearly reveals in areas of variegation, any strains to which the crystal or glass may be subjected. Of late this fact has been applied with new skill to investigating strains in engineering structures. A model in glass, carefully annealed, is placed in the path of a beam of polarized light. By shifting the points of application and of support, by loading the structure more or less, and here or there, the distribution of stresses and strains is directly shown to the eye. In this way curved shapes of various kinds have been investigated, as well as bodies in which Hooke’s law of the strict proportionality of strain to stress does not apply. Photographs taken by this method show the distribution of stresses in rings subjected to external compression, crank shafts, and car-coupler hooks. It would be interesting thus to compare standard types of girders, trusses, and bridges, as well as arches of various forms, both regular and skew.

Polarized light showing strains in glass.

Polarized light, which when first discovered seemed nothing more than a singular and quite sterile phenomenon, has other uses of great importance. It tells the chemist how much sugar a given solution contains; it displays the inner architecture of rocks when these are sawn into thin sections.

Even more valuable than polarized light are the X-rays discovered by Professor Röntgen. One of their latest uses is to reveal impurities and air bubbles in electric cables, affording a procedure much simpler and easier than to employ electrical instruments. In the production of X-rays and similar rays a tube as nearly vacuous as possible is employed. As an aid in removing air Professor James Dewar, of Cambridge University, has recently[328] adopted cocoanut charcoal with remarkable success. He subjects it to the intense cold of liquid air, then establishing communication between a receptacle filled with this charcoal and a bulb exhausted to one fourth of the ordinary atmospheric pressure, he has air so tenuous that an electric spark passes through it with difficulty. So much for developing the long known affinity of charcoal for gases, a property which increases in degree as temperatures fall.


[329]

CHAPTER XXII
AUTOMATICITY AND INITIATION

Self-acting devices abridge labor . . . Trigger effects in the laboratory, the studio, and the workshop . . . Automatic telephones . . . Equilibrium of the atmosphere may be easily upset.

At this place we may for a little while consider a few fundamental principles of construction whereby inventors have economized material, labor and energy by making their devices self-acting, and by so poising a contrivance that a mere touch at the right time and place sets it going.

Steam Engines.

Humphrey Potter was a boy whose duty obliged him to open and shut the valves of a Newcomen steam-engine as it slowly went its rounds. He was a human sort of boy, who liked play better than his irksome task, so he found a way to rid himself of the drudgery of constantly moving his valve-handles to and fro. He tied a rod to the walking beam in such wise that it opened the valve at the proper moment, and, at another point in its circuit, when necessary, closed it. Then and only then did the steam-engine become self-acting. In the best modern types of engine this automaticity goes far indeed. Not only does the mechanism pump water as required into both the boiler and the condenser, it shuts off steam instantly when the engine moves too swiftly, and, when the engine speed is sluggish the port betwixt boiler and cylinders is opened to the full. And further: automatic stokers bear coal into the furnace at a rate which varies with the demand, should the steam pressure fall through an undue call for power, then an extra quantity of coal is borne upon the grate-bars. When oil is the fuel automatic stoking is, of course, at its best, there being neither cinders nor ashes to be removed—a duty, by the way, which in large central stations requires extensive machinery, all automatic.

[330]

Self-winding Clocks.

The essence of automaticity is that mechanism at a certain, predetermined point in an operation shall perform a required act. Thus, to take the common example of a striking clock: at the end of each hour a detent is pulled so as to release a hammer which hits a gong the proper number of times. Let us suppose the clock to be driven by a weight or a spring in the ordinary way; every day or every week the weight or spring will require to be wound up. In time-pieces of a new variety the period during which no attention whatever is needed is lengthened to a year. The Self-winding Clock Company, of Brooklyn, New York, makes a clock which is driven by a fine spring, much like a common clock; that spring every hour is automatically wound up by a tiny electric motor connected with a small battery in the clock case. An attachment is provided by which, through the wires of the Western Union Telegraph Company, the clock is every hour regulated to the standard time of the National Observatory at Washington. The charge for this service is one dollar a month.

Stop-motion.

Looms and Presses.

To-day a designer always seeks to make a machine self-acting, to limit the operator’s task to starting, directing, and stopping, all with the utmost facility and the least possible exertion. So far has success gone in this direction that a single tender in a cotton-mill may have charge of sixteen Northrop looms, and go to dinner leaving all at work. In case that a thread breaks in any of them, the loom[331] will stop of itself and no harm will be done, the only loss consisting in the time during which the wheels and levers have lain idle. A stop-motion at its simplest is a fork through which the thread travels; as the thread moves forward, the fork is bent downward extending a light coiled spring; should the thread break, the spring instantly lifts the fork, which in rising stops the machine.

Among the most noteworthy automatic machines are the presses which take a continuous roll of paper, print both sides, cut it into leaves, fold these, paste them at the back, and, if desired, sew them together and attach a cover. Such a press stands for the union of several operations once distinct; it argues great ingenuity, careful planning, with paper exactly adapted to the stresses it must encounter, while the ink is of a quick-drying variety.

Dexter feeding mechanism.
Dexter Folder Co., New York.

The Dexter Feeding Mechanism.

Binding operations and a good deal of printing have to deal with separate sheets of paper or card. To feed these to presses, folders or binders was for many years a task for the hand. To-day the Dexter Folder Company, of New York, in a diversity of machines supersedes this toil by an ingenious imitation of manual movements. The uppermost sheet of paper in a pile is for a moment held down at A by a rubber finger, during that moment a small rubber roller B slightly buckles the sheet; at the same time[332] an airblast lifts the sheet from its pile; that done, all in a twinkling, finger A rises and the sheet passes either into a press or a folding machine. So nicely limited is the pathway for the paper that no more than one sheet can pass at a time; if two or more sheets present themselves, the feeding mechanism stops, bringing the press or folder to a standstill. As each sheet passes from under the rubber fingers, the table bearing the pile of paper is lifted by just one thickness of paper.

Self-Acting Appliances in Metallurgy.

Mr. James Douglas, president of the Copper Queen Company, New York, thus describes automatic devices in metallurgy: “The gold mill, with its series of automatic operations, is the offspring of Californian ingenuity. In it manual labor is almost entirely replaced by ocular labor, for superintendence and not work is the function of the mill-hands. The ore, dumped into the breakers, falls into large pockets, whence it slides into automatic feeders, which supply the stamps with regulated quantities. The free gold is partly extracted by liquid mercury in the mortars, and by copper plates attached to their sides, and partly on an apron of amalgamated copper plates, over which crushed pulp flows as it issues from the battery screen. Automatic vanners receive the tailings, separate the sulphurets, and discharge the waste. When the power is water, the stream is divided to Pelton wheels, coupled to the separate groups or even pieces of machinery. The absence of intermediate running gear increases not only the sense, but the reality of automaticity, and makes a skilfully arranged and thoroughly equipped Californian mill one of the triumphs of modern mechanical metallurgy.”

Directive Paths.

An interesting field of ingenuity concerns itself with giving work the right start and a simple path. A tear in a sheet of paper accurately follows the line of a directive crease. Postage stamps, small as they are, we readily detach from one another because perforations give direction to the tearing strain. So the quarryman takes care to cut a V-shaped groove in the rock he is to break, along which groove the break takes its way. A bolt when over-strained will break in the thread, whether this be the smallest section or not,[333] because the thread is a starting point for a parting. A rod of glass is divided with a slight jar, provided that a groove has been filed in its surface. In all this there is shown the importance of avoiding in a casting, or forging, such minute cracks as under severe strain may lead to rupture.

The Pianola.

Within the past ten years automatic musical instruments have been much improved and are now well established in public favor. Not a few teachers of mark use them in their schools as a means of familiarizing their pupils with the best music. All these instruments afford an opportunity for expression on a performer’s part; the effects producible by a practiced performer are remarkable, and give color to the prediction that automatic music may have a parallel history with that of the photograph, which has at last attained a truth and beauty which bring it to a rivalry with the art of the painter.

From the educational series issued by the Æolian Company, New York, a few notes from Schumann’s “Traumerei” are here given, together with these notes as they appear on a music roll for the Pianola.

Schumann’s “Traumerei,” first notes.

First notes of the “Traumerei” on a Pianola roll.

A Pianola is operated by suction, through the exhaustion of air from a bellows normally distended by springs as shown in 5 in the accompanying illustration. The exhauster is operated by the pedal 1; the board 3, with its small bellows, exhausts the air from 5 in the chest 7 by a series of valves not shown in detail. When the air is pumped from 5 by the motion of exhauster 3, this bellows collapses notwithstanding the retractile spring 6. The exhaust condition may now operate upon any chamber of the whole mechanism through trunk 7 and pipe 8. When a perforation in a music sheet 16 passes over its corresponding duct in tracker 15, air is admitted through tube 14, which relieves the diaphragm in chamber 9, made of a very thin piece of leather, upon which rests the stem of valve 11. Owing to the suction in chamber 9 this diaphragm instantly raises and shuts the outer port 23 by means of valve 11, giving a free communication from pipe 8 through chambers 9 and 12, to the striking pneumatic 13 which collapses, and through pitman 19 and finger 20 strikes the key. As soon as[334] the unperforated part of the music sheet has passed over the hole 15 in the trackerboard, the flow of air through pipe 14 is cut off and the pressure on the small diaphragm in chamber 9 has ceased to be operative, and valve 11 immediately drops and allows air to[335] pass into striking pneumatic 13, through port 23, so that pneumatic 13 and the key levers come back to their normal positions.

Mechanism of Pianola.

A
Before calling.

B
Calling the fifties.

C
Calling 58 from among the fifties.

Automatic telephone. Automatic Electric Co., Chicago.

Enlarged illustrations (113 kB)

CALLING 6 ON THE AUTOMATIC TELEPHONE
Automatic Electric Co., Chicago.

Automatic Telephones.

Much self-acting machinery employs electricity. By virtue of this wonderful agent the Automatic Electric Company of Chicago instals telephonic systems which enable a subscriber to connect himself directly with any other subscriber, without the intervention of an operator at the central station. As exemplified in large exchanges such as those of Dayton, Ohio, and Grand Rapids, Michigan, the apparatus is complex in its detail. If we take a small exchange,[336-
337]

such as that of a village with 100 instruments, we may readily understand the main principles of the method. Let us suppose that No. 1 of our instruments is at the Post Office, where the Postmaster wishes to call 58. With a finger he moves hole 5 in the dial plate of his calling instrument (see the page opposite 336) until it touches a protruding stud. Then he lets go, when the dial returns to its original position. In returning it sends five impulses to the central office where a vertical rod is lifted five notches (see illustration, page 336.) He next moves hole 8 to the stud and lets go. This time the rod turns through a considerable part of its semicircle of motion. The instant its journey is at an end a tiny metallic arm flies out and connection is completed with a wire running to 58, ringing his bell. In case he is busy, a buzzing noise will be heard in telephone No. 1. The switch mechanism which comes into play in all this is simple. There are ten rows of switches, ten in each row: the lowest row runs from 1 to 10, the next from 11 to 20, and so on. The upward motion of the vertical rod in our example brought it to the fifties; the turning motion decided that out of these fifties switch 58 should be connected with No. 1. When a conversation ends, hanging up the receiver sends a current over both wires of the circuit so as to release the selector rod, which returns to its original position.

If instead of a village we have a fairly large town, with an exchange of 1000 subscribers, a call for let us say 829 will involve taking to the stud first hole 8, then hole 2, and lastly hole 9. And so on for exchanges still larger. The pioneer inventor in automatic telephony was the late Mr. Almon B. Strowger.

Chemical Triggers.

From triggers electrical we now pass to triggers chemical. A gun may be charged with powder and remain for years perfectly at rest until a touch on the trigger explodes the powder with tremendous effect. The example is typical: nature and art abound with cases where a little energy, rightly directed, controls energy vastly, perhaps infinitely, greater in quantity. Often in a chemical compound the poise of attraction is so delicate that it may be disturbed by a breath, or by a note from a fiddle, as when either of these induces iodide of nitrogen to explode. A beam of light works the same result with a mixture of chlorine and hydrogen. One of the most[338] familiar facts of chemistry is that a fuel, such as coal, may remain intact in air for ages. Once let a fragment of it be brought to flaming heat and all the rest of the mass will take fire too. Iron has a strong affinity for oxygen, but for union there must be at the beginning some moisture with the gas; the same is true of carbon. A burning jet of carbon monoxide may be extinguished by plunging it into a jar of dried oxygen. Gases from the throat of a blast furnace, at a temperature of 250° to 300° Centigrade, are not inflammable in the atmosphere until the air is moistened by steam or otherwise. Then in a flash combustion begins in earnest.

In photography we meet with similar facts: violet rays may begin an impression which yellow light can finish and finish only. Vulcanite is transparent to red and infra-red rays which, although without action upon an unexposed plate, are capable of continuing the action of actinic rays upon a plate which has been exposed for a very short time.

Why Weather is Uncertain.

From photography let us pass to a glance at the atmospheric conditions which greatly affect its work. The weather from day to day depends upon factors so variable and unstable that prediction beyond twenty-four hours is unsafe. “Suppose a stratum of air,” says Professor Balfour Stewart, “to be very nearly saturated with aqueous vapor; that is to say, to be just a little above the dew-point; while at the same time it is losing heat but slowly, so that if left to itself it would be a long time before moisture were deposited. Now such a stratum is in a very delicate state of molecular equilibrium, and the dropping into it of a small crystal of snow would at once cause a remarkable change. The snow would cool the air around it, and thus moisture would be deposited around the snowflake in the form of fine mist or dew. Now, this deposited mist or dew, being a liquid, and giving out all the rays of heat possible to its temperature, would send its heat into empty space much more rapidly than the saturated air; therefore it would become colder than the air around it. Thus more air would be cooled, and more mist or dew deposited; and so on until a complete change of condition should be brought about. In this imaginary case the tiniest possible flake of snow has pulled the trigger, as it were, and made the gun go off,—has altered completely[339] the whole arrangement that might have gone on for some time longer as it was, had it not been for the advent of the snowflake. We thus see how in our atmosphere the presence of a condensable liquid adds an element of violence, and also of abruptness, amounting to incalculability, to the motions which take place. This means that our knowledge of meteorological phenomena can never be mathematically complete, like our knowledge of planetary motions, inasmuch as there exists an element of instability, and therefore of incalculability, in virtue of which a very considerable change may result from a very small cause.”

In view of the inherent difficulties it is certainly creditable that the predictions of the United States Weather Bureau should prove true six times in seven, greatly inuring to the safety of mariners, of passengers by lake and sea, and to the saving of crops under threat of destruction by storms.


[340]

CHAPTER XXIII
SIMPLIFICATION

Simplicity always desirable, except when it costs too much . . . Taking direct instead of roundabout paths. . . . Omissions may be gainful . . . Classification and signaling simpler than ever before.

For a simple task the inventor’s means should be as simple as possible. Mr. J. J. Thomas in his “Farm Implements” says:—

Simplicity of Build Desirable.

“After a trial of a multitude of implements and machines, we fall back on those of the most simple form, other things being equal. The crow-bar has been employed from time immemorial, and it will not likely go out of use in our day. For simplicity nothing exceeds it. Spades, hoes, forks are of similar character. The plow, though made up of parts, becomes a single thing when all are bolted and screwed together. For this reason, with its moderate weight, it moves through the soil with little difficulty—turning aside for obstructions, on account of its wedge form, when it cannot remove them. The harrow, although composed of many pieces, becomes a fixed, solid frame, moving on through the soil as a single piece. So with simpler cultivators. Contrast these with Pratt’s ditching machine considerably used some years ago, but ending in failure. It was ingeniously constructed and well made, and when new and every part uninjured, worked admirably in some soils. But it was made up of many parts and weighed nearly half a ton. These two facts fixed its doom. A complex machine of this weight moving three to five feet per second, could not strike a large stone without a formidable jar, and continued repetitions of such blows bent and deranged the working parts. After using a while, these bent portions retarded its working; it must be frequently stopped, the horses becoming[341] badly fatigued, and all the machines were finally thrown aside. This is a single example of what must always occur with the use of heavy complex machinery working in the soil. Mowing and reaping machines may seem to be exceptions. But they do not work in the soil, or among stones; but operate on the soft, slightly resisting stems of plants. Every farmer knows what becomes of them when they are repeatedly driven against obstructions by careless teamsters.”

Simplification Has Limits.

In discussing form we saw that simple shapes, such as those of sticks cut from a cylindrical tree, are not so strong as the less simple forms of hollow cylinders. We found that a joist, of plain rectangular section, is not so good a burdenbearer as a girder whose section resembles the letter I. If a slide for a timber is to be built on a mountain side, a novice would suppose that a straight inclined plane would afford the speediest path for the descending wood. Not so. More speedy is a slide contoured as a cycloid, the curve traced by a pencil fastened to the rim of a wheel as the wheel rolls along a floor beside a wall against which the pencil presses.

Not all tasks are simple, so that it is often best to build and use a machine as complicated as a turret-lathe or a Jacquard loom. Whatever the inventor seeks first, last and all the time is Economy; to that end he adopts whatever means will serve him best, whether simple or not. Professor A. B. W. Kennedy, famous as a teacher of machine design, says:—

“Simplicity does not mean fewness of parts. Reuleaux showed long ago that with machines there was in every case a practical minimum number of parts, any reduction below which was accompanied by serious practical drawbacks. Nor is real simplicity incompatible with considerable apparent complexity. The purposes of machines being continually more complex, simplicity must not be looked upon as absolute, but only in its relation to a particular purpose. There are many very complex-looking pieces of apparatus which work so directly along each of their main branch lines that they are in reality simple. It is usual that the first attempt to carry out a new purpose results in a very complicated machine. It is only by the closest examination of the problem, the[342] getting at its very essence, that the machine can be simplified. If a problem is only soluble by extremely complicated apparatus, it becomes a question whether it is worth having. Closely allied to simplicity is Directness. Certain transformations are unavoidable, but the fewer the better. In some cases they may be as indispensable as the abused middleman in matters economic. In the first machine to do something mechanically hitherto done by hand, the error is often made of trying to imitate hand-work rigorously. The first sewing-machine was, I believe, made to stitch in the same way as a seamstress. It was not until a form of stitch suitable for a machine, although unsuitable for the hand, was devised, that the sewing-machine was successful. The first railroad carriages were practically stage-coaches put on trucks, from which the present carriages have only very slowly been evolved.”

Directness.

A few years ago it was usual to attach pumps, dynamos, and other machinery to their actuating engines by pulleys and belts. To-day in most cases the connection is direct; all the energy which would be absorbed by intervening wheels and leather is saved. In steam-turbines one and the same shaft carries the steam-vanes and the armature of an electrical generator. In saw-mills of modern design a very long steam cylinder is provided with a piston directly attached to the saw carriage. The same principle gives high economy to the steam hammer and pile-driver of Nasmyth. Hammers, drills, cutters and other tools driven by compressed air are directly attached to the rod which holds the piston. In like manner Saunders’ channeling machine, actuated by steam, has its cutters attached to its piston, so that a blow is dealt with no intervening crank-shaft, lever or spring.

Direct, too, is the binding machine for magazines and cheap books, which simply stitches with wire the whole together at the back, as if so many thicknesses of cloth. With the same immediacy we have wall-papers printed directly from the oak or maple they are to represent. Indeed, veneers are now so cheap and good as to be used instead of paper as wall coverings. In the province of art Mr. Hubert Herkomer has accomplished a notable feat in the way of directness, dispensing with the camera, or any of the[343] etcher’s preliminaries of biting or rocking. He paints in monochrome on a copper plate as he would on a panel or canvas, covers his painting with fine bronze powder to harden the surface, from which he then takes an electrotype.

A supreme feat of directness was the invention of a machine which relates itself to art, science and business, the phonograph. Forty years ago Faber constructed a talking machine of bellows to imitate the lungs, with an artificial throat, larynx, and lips affording a weird and faulty imitation of the voice. Edison, bidding sound-waves impress themselves directly on a plastic cylinder, reproduces human tones and other sounds with vastly better effect. Faber sought to copy the method of voice production. Edison set himself the task of taking tones as produced and making them impress a surface from which they can be repeated at will.

Contrivances Which Pay a Double Debt.

A lamp commonly used by camping parties, and well worthy of wider employment, is at once a source of heat and light; while it boils a kettle it sheds an ample beam upon one’s table or book. Just this union of two services may be found in the crude lamp of the Eskimo.

Many processes of manufacture once separate are now united with economy of time and power. Steam cylinders for mangling, ironing and surfacing paper, effect smoothing and drying at one operation. Green lumber for making furniture is bent and seasoned at the same time. Wire is tempered as drawn. At first reflectors were distinct from lamps; in an excellent form of incandescent bulb the upper part of the container is silvered, increasing the efficiency of reflection in decided measure, as shown on page 75.

Ascertaining Solid Contents.

Sometimes an indirect path is better than a direct course; or, as the sailors say: “The longest way round is the shortest way there.” We can readily measure the contents of solids which are regular or fairly regular of outline. It is easy to compute or estimate the contents of a stone as hewn by a mason to form part of a wall, but to find the volume of a rough boulder by direct measurement is too difficult a task to be worth while. Let us have recourse, then, to[344] an indirect plan which goes back to Archimedes: it will remind us of how the casting process evades the toil of chipping or hammering a mass of metal into a desired form. We take a vessel of regular shape, preferably a cylinder, duly graduated, and partly fill it with water. Any solid, however irregular, immersed therein, will at once have its contents declared by the height to which the water rises in its container, the water-levels before and after the immersion being compared. Incidentally we here have a means of ascertaining specific gravities. Weigh this body before and during immersion; comparison of the two quantities will tell the specific gravity of the body, that is its density as compared with that of water. For example a mass of iron which in air weighs 7.75 pounds will in water weigh 6.75 pounds, so that the specific gravity of iron is 7.75, the difference between the two weights being unity.

Sometimes we wish to know the solid contents of a body which will not bear immersion in water; a mass of gum, for instance. In such a case we immerse the body in a graduated vessel filled with fine dry sand, carefully sifted free of hollow spaces. Both before and after immersion the sand is brought to a level which is carefully noted. The difference between these levels, measured in the graduations of the container, gives the solid contents of the immersed body.

Measuring Refraction.

The degree in which a crystal, or a particular kind of glass, bends a beam of light is usually measured by giving the crystal or glass the form of a prism, through which rays are sent. Sometimes a crystal is so small and irregular that this method is not feasible. Then the inquirer resorts to an indirect plan. He immerses the crystal in liquids which he mixes until the crystal disappears through ceasing to bend light differently from the surrounding bath. He then fills a hollow glass prism with this liquid, and in noting its refraction he learns that of the immersed crystal.

Blenkinsop’s locomotive, 1811.
Middleton Colliery, near Leeds, England.

Omission of Needless Elements.

A fresh eye, with a keen brain behind it, often detects wasted work in a process long sanctioned by tradition. At the Tamarac Copper Mine, in Northern Michigan, some new ore-crushers were needed in 1891. Among the engineers who sought to furnish these machines was Mr. Edwin Reynolds, of Milwaukee, whose[345] improvements of the Corliss engine have made him famous. That he might see ore-crushers at work for the first time in his life, he visited the Tamarac mine. He observed that the stamps were built on an immense bed of costly timbers and rubber sheets, supposed to be indispensable to efficiency. His eye, unwarped by harmful familiarity, utterly condemned this elastic foundation. He at once proposed to discard both timbers and rubber, and rear new crushers directly on a vast block of solid iron. This heresy quite shocked the directors of the Tamarac Company; they stood out against Mr. Reynolds’ plan for two years. Then, with profound misgivings, they allowed him to erect a stamp of the cheap and simple pattern he had suggested, so laying the iron bed[346] that, in case of its expected failure, work would be delayed not more than two days. Up went the Reynolds’ stamp, and out poured sixty per cent. more crushed ore than from a preceding machine using the same power. Instant by instant its energy was wholly exerted in crushing rock, not largely in the useless compression of an enormous elastic bed.

Long before there was any Tamarac Mine, inventors had bothered themselves providing for difficulties as imaginary as those which, at vast outlay, were met by the timber underpinning of old-time ore stamps. In 1825 the builders of locomotives at Easton, in England, provided their engine-wheels with teeth which worked into racks with corresponding projections. They were afraid that a smooth wheel on a smooth track would slip without onward motion. Their unnecessary gear was discarded when it was found that under a heavy engine a smooth wheel has adequate adhesion on a rail as smooth as itself. Toothed wheels and racks are now only at work on the railroads of Mount Washington and other steep acclivities. As James Watt used to say to William Murdock, his trusted lieutenant,—“It is a great thing to know what to do without. We must have a book of blots—things to be scratched out.”

Printers Abandon Useless Work.

Daily newspapers in part owe their cheapness to an omission that at first seemed bold enough. For many years printing paper, made in continuous rolls each of a mile or more, used to be cut into sheets, fed one by one to the press. It was a long stride in economy when the printer left the roll alone, and let an automatic press feed itself from the unwinding paper, cutting off a sheet only after the printing.

Electricity Used as Produced.

A parallel example is recorded in the twin art of telegraphy. At first it was believed that two wires were indispensable for a circuit. Steinheil showed that a single wire suffices if its terminals are soldered into plates buried in the ground. Thus, at a stroke, by impressing the earth into the service of electrical communication, he reduced the cost of telegraphic lines by one half. In another field the electrician has given himself a good deal of trouble in vain. As it originally streamed from[347] voltaic batteries, the electric current had always a single direction; it was, to use a familiar phrase, a direct current. But when Faraday invented the first dynamo, and produced electricity from mechanical motion instead of from more costly chemical energy, the current was not direct but alternating; that is, its pulses came at one instant from the positive pole, the next instant from the negative. Inventors took great pains in devising apparatus to convert these alternating pulses into a direct current such as that yielded by a voltaic battery. To-day the alternating current for many important purposes, including transportation, is employed just as it leaves the dynamo. Such a current usually has comparatively high tension, at which transmission is much more economical than at low tension, small conductors serving instead of large ones. This advantage in many cases more than offsets the loss entailed by reversal of the magnetic field at each alternation; a loss but small when iron for the electro-magnets is well chosen.

Short Cuts in Engineering.

Rock may be so hard as to withstand a drill of the hardest steel; then the engineer pours an acid of the necessary dissolving power. A water pipe may freeze at a point difficult of access; it is thawed by the warmth created by an electric current. A surveyor has to reduce to square feet the irregular area of a factory site or a garden plot; around the edge of his diagram he runs a planimeter, it tells him automatically what surface it has surrounded in its excursion. If he has no planimeter, a delicate balance will serve just as well. Let him take a piece of paper, uniform in thickness, and cut it into the shape of the area in question. In weighing the diagram with care he learns its superficies because he knows the weight of each square inch or foot of the paper. Pumps for ages have exercised the wit of inventors who have devised wheels, screws, pistons, and scoops of every imaginable form. M. Giffard boldly discarded all moving parts whatever and in his injector, actuated directly by a blast of steam, provided a capital means of sending water into a boiler.

A generation ago engineers of eminence were attempting the transmission of energy in a variety of ways. Ropes and wire cables were installed for considerable distances in Germany and[348] Switzerland; in France there was an extensive piping of compressed air, still in evidence at the capital; and water under high pressure is to some extent to-day employed in London. All these schemes, together with the old methods within a shop itself of taking motion from motor to machine by belt or chain, have been wiped off the slate by the electrical engineer. With a tax of the lightest he carries for many miles in a slender wire a current whose energy takes any form we please,—not only mechanical motion, but chemical action, light or heat. Can simplification go farther than this, or the future hold for us another gift as golden?

Painting by Immersion.

Binders, reapers, and mowers have irregular surfaces which it would be costly to paint by hand. Even to use the painting machine which works by compressed air would be somewhat expensive. In the painting shop of a factory both brushes and nozzles are banished. The large floor is fitted up with a series of tanks: overhead are the lines of a suspension railway. The tanks are filled with paint, the articles to be treated are run in on the rails, lowered automatically for their bath, and then carried off to drip and to dry. In this way a large and complicated agricultural machine can be painted in a few seconds. Were deep tanks employed, this method would squeeze oil, varnish, or paint into the pores of wood very thoroughly.

Churning the Air in a Telescopic Tube.

Astronomers suffer much from the inaccuracy of the images viewed in their telescopes in consequence of the disturbances in the atmosphere, common even in clear weather. Hence observatories have, of late years, been established at Arequipa, Peru, and at other stations where the atmosphere is calm and little disturbed by currents. On investigation Professor S. P. Langley, of Washington, discovered that a good deal of the perturbation of telescopic images arises from currents within the telescopic tube itself. As a remedy he adopted the heroic, yet simple, measure of thoroughly stirring up the air in the tube by a blower or other suitable means. Its air, thus brought to uniformity of condition, yielded images much clearer than those usually obtained. Especially convincing in this regard are capital photographs of artificial double stars whose beams were entirely confined[349] within a horizontal tube in which they traveled to and fro through no less than 140 feet of churned air. These pictures showed that the disturbance within the tube itself appeared to be wholly eliminated by the device of vigorously stirring the air column.

This recalls a method of shipping pianos in refrigerator cars. The instruments are carefully brought to the temperature of the car, which is maintained at about zero, Centigrade. When the pianos arrive at their destination they are slowly warmed to the temperature of common air. No matter how long they have been cold, they suffer no hurt; for it is not cold, or moderate elevation of temperature, that does harm so much as uneasy fluctuations from one to the other.

Loose Cards Replace Books.

When one visits a public library, the title of a particular book is found in the catalogue in a moment. Every book as acquired has its title written on a card, and thousands of such cards are placed in alphabetical order, just like the words in a dictionary. A thousand cards or so begin with “A,” and are placed in a drawer marked “A,” which stands first in the case, and so with the rest. There is always room to spare in each drawer, so that when a card for a new book comes in there is space for it. It was a happy thought of a Dutch inventor when he thus made an index which can always be alphabetical, easily added to or subtracted from, simply because its leaves are mere cards with the binding of a common index omitted. In public libraries the catalogue-cards are of standard sizes, so also are the drawers in which these are disposed. In fact library-furniture of all kinds is to-day thoroughly standardized in its styles and dimensions, making it easy to fit up or to extend a library whether public or private.

The use of cards, or slips for like purposes, has passed from the library to the business office, the study, the housekeeper’s desk. Merchants keep their customers’ names on this plan, so as to send them price lists from time to time. Depositors in banks, policy-holders in assurance companies, tenants of real estate in cities, members of clubs, are all recorded in this simple and accessible fashion. Some great manufacturing houses receive a million letters in a twelvemonth; an adaptation of the[350] card-index makes any single letter accessible in half a minute at most. To an extent which steadily grows, the same plan is ousting the old-fashioned ledgers from our offices; in their stead we are now using series of movable leaves which are removed when filled, giving place to new leaves in an unbroken round.

Notes on loose cards in alphabetical order.

A good many readers make notes as they go. If these are written in books they soon become so numerous, so various of topic, as to demand laborious indexing. It is better to take the notes in a form which will index itself. Slips of good paper can be bought at low cost, and, as in the accompanying illustration, “Astronomy,” “Glass,” “Photography,” or other headings may be adopted. All the slips under a given head are numbered consecutively. Kept on edge in a shallow box, or tray, they are self-indexing, and a new slip takes its proper place at once. From its compactness this kind of note-keeping puts a premium on the abbreviations which suggest themselves in a special study.

Unit Systems.

A card system employed as a catalogue, or for account keeping, is made up of simple units which may be added to or deducted from with utmost ease. They may be manipulated as readily as the bricks, all alike, with which a child builds a house, a box, or a steeple. This principle a few years ago was extended to book-cases, each[351] about a foot high and about thirty-three inches long; while each formed a unit by itself it could be combined with other such units to furnish forth a library. This plan had been adopted for office furniture of all kinds,—cabinets in which papers may be filed away, or which are divided into pigeon-holes for blanks and the like. In some handsome designs a unit unfolds as a small writing desk, while adjacent units contain drawers of various sizes. Each unit is so moderate in dimensions as to be readily portable; a dozen, a score, a hundred may be joined together to equip a sitting-room or the cashier’s office in a bank.

Sectional book-case, desk, and drawers.

Numbering as a Fine Art.

When an American visits London for the first time, he may fall into an error which will much provoke him. Suppose that he has to call at 457 Strand. He begins at number 1 in that thoroughfare, and proceeds a goodly distance when, to his dismay he observes that the numbers he is passing on his right are strictly consecutive,—100, 101, 102 and so on. A weary trudge brings him to 457, opposite number 1, whence he started. That odd numbers should be on one side of the street, and even numbers on the other, did not occur to the city fathers of London centuries ago. In this regard a forward step was taken in Philadelphia, where the streets parallel with the Delaware River are First, Second, and so on, while each house on the streets crossing them from the river westward is so numbered as to tell between what streets it stands. Thus, when we walk up Chestnut Street,[352] the first door above Ninth Street, on the right, is 901, although the house next below it, across Ninth Street, is 839; and so on with all parallel streets. If the thoroughfares in Philadelphia, running at right angles to the Delaware River, were labeled avenues, and consecutively numbered, the system would be a troublesaver indeed.

In New York the cross streets as they run east or west of Fifth Avenue are named east or west. In crossing each avenue eastward or westward the numbers jump to the next whole hundred, as in Philadelphia. The building at the southwestern corner of Third Avenue and East 23rd Street is 162; that on the eastward corner, opposite, is 200. Thus in cross streets the number of a house tells us between which avenues it will be found.

In hotels and office-buildings, throughout America, the numbering greatly aids an inquirer. Room 512, for example, will be found on the fifth floor; immediately beneath is 412 on the fourth floor; directly above is 612 on the sixth floor, the first figure always denoting the floor.

Classifying Books.

A capital use of numerals to convey information is that devised by Melvil Dewey, formerly State Librarian of New York at Albany. He divides literature into ten great departments, giving each of them one of the ten numerals. History, in this scheme, is represented by 9 as the first figure in the number of a book; the second figure refers to the geographical division to which the work belongs, thus 7 means North America; the third figure standing for the political division treated by the book, 1 representing the British Empire. A work on Canadian history, therefore, will bear as its number, 971.

An Advance in Scientific Signaling.

Everybody knows what a money-saver is the familiar code of the ocean cables, by which “befogged” stands for “Will the property be advertised for sale?” reducing the toll by the cost of six words. Most of the terms in a code are not dictionary words, but such collocations of letters as “carthurien” and “brankstrop.” A new code devised by Mr. Charles G. Burke, of New York, proceeds upon the use of four numerals, 1, 2, 3, 4, which he transmits in the fewest signals possible to a cable, 1 is a dot; 2[353] a dash, 3 a dash-dot; 4 a dot-dash. This is how they look when received on paper in comparison with ordinary messages:—

Present code. Automatic transmitting strip.

Signals received from above strip.

Burke code. Transmitting strip.

Signals received from above strip.

The Burke numerals forming the permutations.

A Burke combination of 8.

[354]

It is the separate signal with the time consumed in its transmission which is the real unit of cost. The codes now in use employ words whose letters, as signaled, demand more than twice the time required by the Burke system. Thus 4221332, as transmitted by Mr. Burke, means “Advise creditor to prove claim and accept dividend,” for which but ten signals suffice. In the codes now in the hands of the public, an average word of seven letters would contain twenty-three signals. How wide is the variety of sentences possible in the new method? If the numerals are employed in permutations of seven figures, as 1342423, a Burke code will contain 16384 sentences; in permutations of eight figures, four-fold, and in permutations of nine figures, sixteen-fold as many, or 262,144 sentences, a variety much more ample than that of any other system. Mr. Burke finds that an average code message has 8 letters to a word, each word requiring about 25 electrical impulses in transmission; an average permutation on his system does not demand more than 10 impulses.

Mr. Burke has also devised a capital mode of simplifying telegraphic signals of all kinds. A message in the usual Morse code has dots, dashes and spaces, each produced by depressing a key for a short, a long, or a longer period. Mr. Burke interrupts a current with a key solely with dot-intervals; the periods during which the current is unbroken are, according to their length, dot-signals, dash-signals, or spaces:—

Continental Morse Code.


[355]

CHAPTER XXIV
THEORIES HOW REACHED AND USED

Educated guessing . . . Weaving power . . . Imagination indispensable . . . The proving process . . . Theory gainfully directs both observation and experiment . . . Professor Tyndall’s views . . . Discursiveness illustrated in Thomas Young.

Theories as Finder Thoughts.

As far back as the first man with brains in his head, there was an ache to know why the sun shone, the stars twinkled, the winds blew, why harvests here were plentiful and there scant. The whole burden of witchcraft, of fetichism, of beliefs in voodoo, is a pathetic proof of this human longing to explain. What, after all, are superstitions but premature explanations that overstay their time? When men of thought get a glimpse of an interpretation really true, they are eager to prolong that glimpse until it becomes a survey whose due tests confirm and buttress a well grounded anticipation. This exploring process reminds us of what took place long ago when an architect of unexampled boldness first imagined a dome for a temple, and brought his dream to fulfilment. He began by rearing a single arch, fairly strong, yet hardly strong enough; a second arch arose to meet the first at their common crest; now, in mutual support both had a stability neither could display alone; at last when the wall had gone full circle it had a strength vastly greater than that of any part by itself. The long-admired arch had indeed become no more than an element to be joined with other arches to create a unit of an order distinctly higher.

For ages the men who studied nature looked upon it as little changed since it left its Maker’s hand. Of infinite stimulus was the perception that it is a drama, not a tableau, which spreads itself before the eye. Speedily and with incomparable instruction[356] it was traced how every actor in that drama had been molded by the part it had played in maintaining itself upon the stage of life. Every rival, parasite or foe, every stress of climate, was studied in its influence on food or frame, while the ever-threatened doom for irresponsiveness was the extinction which befell countless forms once masters of the earth. No hue of scale or feather, no barb or tusk, no curve of beak or note of song but served a purpose in the plot or advanced the action in some conflict to the death. When Darwin was confronted in plant or beast by an organ or a habit which puzzled him, he was wont to ask, What use can this have had? And seldom was the question asked in vain. He laid great stress on the directive worth of a well-considered theory. He tells us, “I am a firm believer that without speculation there is no good and original observation.” In a letter he remarks, “It is an old and firm conviction of mine that the naturalists who accumulate facts and make many partial generalizations are the real benefactors of science. Those who merely accumulate facts I cannot very much respect.”

In rising from facts to explanations a weighty debt is due to modern aids to eyes and hands. To men who knew only what direct vision could tell them in a single life-time, it was but natural to repeat:—“The thing that hath been, is that which shall be; and that which is done, is that which shall be done; and there is no new thing under the sun.” But we of to-day are in different case. The astronomer, joining camera to telescope, lengthens the diameter of the known universe a thousand-fold; he discovers system after system in stages of life such as our sun and its attendant orbs have passed through in ages so remote as to refuse computation. And many types of nebulae and stars are now studied which were never so much as imagined until they revealed themselves upon the photographic plate. Meanwhile the geologist, examining the closely welded ribs of our globe, comparing the birds, beasts and men of to-day with their earliest known ancestry, believes that the earth has been a scene of life for a million centuries or more. As we restore one act after another in this great cosmical drama, we are able to forecast those which may next appear. Because the whole scheme of things from centre to rim pulses in one ethereal ocean, every actor has interplay[357] with every other, so that the sweep of events discloses a unity all the more intimate the more closely it is studied. At this hour physicists and chemists, with electricity their new servant at command, are gathering proof that what have long been called “elements,” are probably one substance, variously assembled, moving at speeds and in paths infinitely diverse, repeating in little the mighty swings of suns and planets. Throughout these researches a constant spur is the thought that here may be traced such processes of development as have been laid bare in every other province of nature. From circumference to centre, evolution is the master key of each keen questioner.

Modern Views of Matter.

Organic nature to the modern interpreter is thus alive through and through. In his view atom and molecule are also alive in a subordinate, elemental degree. Indeed, he thinks, it is their life borne in air, water and food which in plant or animal rises to new planes of dignity. He looks afresh at the broken alum crystal which repairs itself in a solution, and sees there the removal of the imaginary fence which long divided organic nature from inorganic. (See illustration, page 194.) It was a shrewd guess of Sir Isaac Newton that the diamond is combustible; he did not suspect it to be carbon, but he knew it to be highly refrangible as are many combustible bodies. His conjecture shows him taking the first step toward the current view that properties, the modes of behavior of matter, are not passive qualities, but are due to real activities; that what a substance is depends upon how its ultimate parts move. Clausius and Maxwell in a theory which marks a new era explained the elasticity of gases as manifested in the ceaseless motion of their molecules, declaring that an ounce of air within a fragile jar is able to sustain the pressure of the atmosphere around it, because the air, though only an ounce in weight, dashes against its container with an impact forcible enough to balance the external pressure. Proof whereof appears in measuring the velocity of air as it rushes into a vacuum. Here a significant point is that in leaving the realm of mass-mechanics, where the tax of friction is inexorable, we enter a sphere where the swiftest motion may go on forever without paying friction the smallest levy.

[358]

Elasticity Explained.

Elasticity of solids is explained on the same principle. If we swiftly turn a gyroscopic wheel we can only change its plane of rotation by an effort, which effort is repaid when the metal is allowed to resume its original plane of motion. It is imagined that in like manner the particles in an elastic spring move rapidly in a definite plane; if deflected therefrom they oppose resistance and are ready to do work in returning thereto. Of kindred to the kinetic theory of elasticity is the explanation of heat as a distinct and ceaseless molecular motion on which the dimensions of masses depend. It has long seemed to me that every case of “potential” energy, as that of a spring bent or coiled, may in like manner embody actual though impalpable and invisible motion. I presented this view in the Popular Science Monthly, December, 1876.

The very constitution of matter is now referred to the motions, highly diversified, of the simplest substance possible. Helmholtz, Lord Kelvin, and Professor Clerk Maxwell have imagined the molecules of lead, iron, or other element as vortices born of the ether in which without resistance they forever whirl. As we see in the case of a quickly rotated chain, substantial rigidity is conferred by motion sufficiently swift. Nor are molecules without somewhat of individuality. We are wont to think of masses of solid iron as precisely similar in quality, but experience shows us that one bar of iron may vary from another by all that has differenced the history of the two. A careful workman uses a steel die for only a short service before he returns it to the annealer, well assured that the metal, despite its seeming wholeness, has suffered severe internal strain at every blow, which, were no caution exercised, would soon reveal itself in fracture of the die, or ruined work. Facts of this kind, which every day confront the mechanic and engineer, convey a prophecy of the sensibility and memory which dawn with life.

Guesses and Proof.

A theory helpful to the observer or the experimenter comes at last, in many cases, from much guessing. The theorist fills his mind with facts, broods over them, endeavors to explain them, but whether his theory is true or false must be decided solely by proof. This point was clearly stated by Dr. Pye-Smith, of London, in his[359] Harveian oration, 1893:—“As Paley justly puts it, he only discovers who proves. To hit upon a true conjecture here and there, amid a crowd of untrue, and leave it again without appreciation of its importance, is a sign, not of intelligence, but of frivolity. We are told that of the seven wise men of Greece, one (I believe it was Thales) taught that the sun did not go around the earth, but the earth around the sun. Hence it has been said that Thales anticipated Copernicus—a flagrant example of the fallacy in question. A crowd of idle philosophers who sat through the long summer days and nights of Attica discussing all things in heaven and earth must sometimes have hit upon a true opinion, if only by accident, but Thales, or whoever broached the heliocentric dogma, had no reason for his belief and showed himself not more, but less, reasonable than his companions. The crude theories and gross absurdities of phrenology are not in the least justified or even excused by the present knowledge of cerebral localization; nor do the baseless speculations of Lamarck and Erasmus Darwin entitle them to be regarded as the forerunners of Charles Darwin. Up to 1859 impartial and competent men were bound to disbelieve in evolution. After that date, or at least, so soon as the facts and arguments of Darwin and Wallace had been published, they were equally bound to believe in it. He discovers who proves, and by this test Harvey is the sole and absolute discoverer of the movements of the heart and of the blood.”

The Knitting Faculty.

Discovery is the reward of diligence, such as that of Harvey, but not of diligence alone. Professor William James, in his Psychology remarks:—“The inquirer starts with a fact of which he sees the reason, or a theory of which he sees the proof. In either case he keeps turning the matter incessantly in his mind, until by the arousal of associate upon associate, some habitual, some similar, one arises which he recognizes to suit his need. This, however, may take years. No rules can be given by which the investigator can proceed straight to his result; but both here and in the case of reminiscence the accumulation of helps in the way of associations may advance more rapidly by the use of certain methods. In striving to recall a thought, for example, we may[360] of set purpose run through the successive classes of circumstances with which it may possibly have been connected, trusting that when the right member of the class has turned up it will help the thought’s revival. . . . In scientific research this accumulation of associates has been methodized by Mill as ‘four methods of experimental inquiry.’ By the method of Agreement, of Difference, of Residues, and of Concomitant Variations, we make certain lists of cases, and by ruminating these lists in our minds the cause we seek will be more likely to emerge. But the final stroke of discovery is only prepared, not effected by them. The brain tracts must, of their own accord, shoot the right way at last, or we shall still grope in darkness.”

The Detection of Likeness Beneath Diversity.

Among the talents of the discoverer, perhaps the chief is to detect similarity in phenomena which, to casual observation, are unlike. Of this the capital example is Franklin’s proof that lightning and common frictional electricity are one and the same. Professor Alexander Bain, in “The Senses and the Intellect,” thus describes this talent:—“When it first occurred to a reflecting mind that moving water had a property identical with human or brute force, namely, the property of setting other masses in motion, overcoming resistance and inertia—when the sight of the stream suggested through this point of likeness the power of the animal—a new addition was made to the class of prime movers, and when circumstances permitted, this power could be made a substitute for the others. It may seem to the modern understanding, familiar with water-wheels and drifting rafts, that the similarity here was an extremely obvious one. But if we put ourselves back into an early state of mind, when running water affected the mind by its brilliancy, its roar, and irregular devastation, we may easily suppose that to identify this with animal muscular energy was by no means an obvious effect. Doubtless when a mind arose, insensible by natural constitution to the superficial aspects of things, and having withal a great stretch of identifying intellect, such a comparison would then be possible. We may pursue the same example one stage further, and come to the discovery of steam-power, or the identification of expanding vapor with the[361] previously known sources of mechanical force. To the common eye, for ages, vapor presented itself as clouds in the sky; or, as a hissing noise at the spout of a kettle, with the formation of a foggy, curling cloud at a few inches’ distance. The forcing up of the lid of a kettle may also have been occasionally observed. But how long was it ere any one was struck with parallelism of this appearance with a blast of wind, a rush of water, or an exertion of animal muscle? The discordance was too great to be broken through by such a faint and limited amount of likeness. In one mind, however, the identification did take place, and was followed out into its consequences. The likeness had occurred to other minds previously, but not with the same results. Such minds must have been in some way or other distinguished above the millions of mankind, and we are endeavoring to give an explanation of their superiority. The intellectual character of Watt contained all the elements preparatory to a great stroke of similarity in such a case—a high susceptibility, both by nature and education, to the mechanical properties of bodies; ample previous knowledge, or familiarity; and indifference to the superficial and sensational effects of things. It is not only possible, however, but exceedingly probable, that many men possessed all these accomplishments; they are of a kind not transcending common abilities. They would in some degree attach to a mechanical education, as a matter of course. That the discovery was not sooner made supposes that something farther, and not of common occurrence was necessary; and this additional endowment appears to be the identifying power of similarity in general; the tendency to detect likeness in the midst of disparity and disguise. This supposition accounts for the fact, and is consistent with the known intellectual character of the inventor of the steam engine.”

The Part Played by Imagination.

A discoverer needs for success much more than identifying power. Professor John Tyndall, one of the chief expositors of science in the nineteenth century, speaks thus of the part played by an investigator’s imagination:—

“How are the hidden things of nature to be revealed? How, for example, are we to lay hold of the physical[362] basis of light, since, like that of life itself, it lies entirely outside the domain of the senses? Now philosophers may be right in affirming that we cannot transcend experience. But we can, at all events, carry it a long way from its origin. We can also magnify, diminish, qualify, and combine experiences, so as to render them fit for purposes entirely new. We are gifted with the power of Imagination, and by this power we can lighten the darkness which surrounds the world of the senses. There are tories even in science who regard imagination as a faculty to be feared and avoided rather than employed. They had observed its action in weak vessels and were unduly impressed by its disasters. But they might with equal justice point to exploded boilers as an argument against the use of steam. Bounded and conditioned by co-operative reason, imagination becomes the mightiest instrument of the physical discoverer. Newton’s passage from a falling apple to a falling moon was, at the outset, a leap of the imagination. When William Thomson tries to place the ultimate particles of matter between his compass points, and to apply to them a scale of millimeters, he is powerfully aided by this faculty. And in much that has recently been said about protoplasm and life, we have the outgoings of the imagination guided and controlled by the known analogies of science. In fact, without this power, our knowledge of nature would be a mere tabulation of co-existences and sequences. We should still believe in the succession of day and night, of summer and winter; but the soul of Force would be dislodged from our universe; causal relations would disappear, and with them that science which is now binding the parts of nature into an organic whole.”

Professor Tyndall also tells us how sound theories are divided from unsound:—

Theories Must be Verified.

“From a starting-point furnished from his own researches or those of others, the investigator proceeds by combining intuition and verification. He ponders the knowledge he possesses and tries to push it further, he guesses and checks his guess, he conjectures and confirms or explodes his conjecture. These guesses and conjectures are by no means leaps in the dark; for knowledge once gained casts a faint light beyond its own immediate[363] boundaries. There is no discovery so limited as not to illuminate something beyond itself. The force of intellectual penetration into this penumbral region which surrounds actual knowledge is not, as some seem to think, dependent upon method, but upon the genius of the investigator. There is, however, no genius so gifted as not to need control and verification. The profoundest minds know best that Nature’s ways are not at all times their ways, and that the brightest flashes in the world of thought are incomplete until they have been proved to have their counterparts in the world of fact. Thus the vocation of the true experimentalist may be defined as the continued exercise of spiritual insight, and its incessant correction and realization. His experiments constitute a body, of which his purified intuitions are, as it were, the soul.”

Theories, however helpful, should be held with a loose hand. He declares:—

“In our conceptions and reasonings regarding the forces of nature, we perpetually make use of symbols which, whenever they possess a high representative value we dignify with the name of theories. Thus, prompted by certain analogies, we ascribe electrical phenomena to the action of a peculiar fluid, sometimes flowing, sometimes at rest. Such conceptions have their advantages and their disadvantages; they afford peaceful lodging to the intellect for a time, but they also circumscribe it, and by-and-by, when the mind has grown too large for its lodging, it often finds difficulty in breaking down the walls of what has become its prison instead of its home.”

In the same vein was the remark of Michael Faraday:—“I cannot but doubt that he who as a mere philosopher has most power of penetrating the secrets of nature, and guessing by hypothesis at her mode of working, will also be most careful for his own safe progress and that of others, to distinguish the knowledge which consists of assumption, by which I mean theory and hypothesis, from that which is the knowledge of facts and laws.”

He once wrote a letter on ray-vibrations to Mr. Richard Phillips; at its close he said:—“I think it likely that I have made many mistakes in the preceding pages, for even to myself my ideas on this point appear only as the shadow of a speculation, or as one of[364] those impressions on the mind which are allowable for a time as guides to thought and research. He who labors in experimental inquiries, knows how numerous these are, and how often their apparent fitness and beauty vanish before the progress and development of real natural truth.”

“Summing up, then,” says Professor William Stanley Jevons, in “Principles of Science,” “it would seem as if the mind of the great discoverer must combine almost contradictory attributes. He must be fertile in theories and hypotheses, and yet full of facts and precise results of experience. He must entertain the feeblest analogies, and the merest guesses at truth, and yet he must hold them worthless until they are verified in experiment. When there are any grounds of probability he must hold tenaciously to an old opinion, and yet he must be prepared at any moment to relinquish it when a single clear contradictory fact is encountered. ‘The philosopher,’ says Faraday, ‘should be a man willing to listen to every suggestion, but determined to judge for himself. He should not be biassed by appearances; have no favorite hypotheses; be of no school; and in doctrine have no master. He should not be a respecter of persons, but of things. Truth should be his primary object. If to these qualities be added industry, he may indeed hope to walk within the veil of the temple of nature.’”

Character, no less than mind of the highest order, ever distinguishes the great researcher. Says Professor Tyndall:—“Those who are unacquainted with the details of scientific investigation, have no idea of the amount of labor expended on the determination of those numbers on which important calculations or inferences depend. They have no idea of the patience shown by a Berzelius in determining atomic weights; by a Regnault in determining co-efficients of expansion; or of a Joule in determining the mechanical equivalent of heat. There is a morality brought to bear upon such matters, which, in point of severity, is probably without a parallel in any other domain of intellectual action.”

Surely there was a union of the highest character and of consummate ability in Stas, the Belgian chemist, who eliminated from his chemicals every trace of that pervasive element, sodium, so thoroughly, that even its spectroscopic detection was impossible.

[365]

A Word for Discursiveness.

The greatest man of science that England has given to the world was Sir Isaac Newton, second only to him was Dr. Thomas Young, who established the wave-theory of light, who deciphered Egyptian hieroglyphics with marvelous skill, and was withal an accomplished physician. In 1801 he was appointed to the professorship of natural philosophy in the Royal Institution, London, founded in 1800 by Benjamin Thompson, Count Rumford, a native of Woburn, Massachusetts. When Dr. Young died, Davies Gilbert, president of the Royal Society, delivered a commemorative address in the course of which he declared that in Young’s opinion it is probably most advantageous to mankind that the researches of some inquirers should be concentrated within a given compass, but that others should pass more rapidly through a wider range. He believed that the faculties of the mind were more exercised, and probably rendered stronger, by going beyond the rudiments, and overcoming the great elementary difficulties, of a variety of studies, than by employing the same number of hours in any one pursuit—that the doctrine of the division of labor, however applicable to material product, was not so to intellect; and that it went to reduce the dignity of man in the scale of rational existences. He thought it impossible to foresee the capabilities of improvement in any science, so much of accident having led to the most important discoveries, that no man could say what might be the comparative advantage of any one study rather than of another; though he would have scarcely recommended the plan of his own course as a model to others, he still was satisfied in the method which he had pursued.


[366]

CHAPTER XXV
THEORIZING—Continued

Analogies have value . . . Many principles may be reversed with profit . . . The contrary of an old method may be gainful . . . Judgment gives place to measurement, and then passes to new fields.

Analogy as a Guide.

A conviction that has over and over again served the discoverer assures him that like causes underlie effects which seem diverse. When Thomas Young observed the recurrent bands of darkness due to interferences of light, he at once detected a parallel to the beats by which interferences of sound produce silence. He was therefore persuaded that light moves in waves as does sound, that it is not, as Newton supposed, a material emission. A chapter might be filled with examples of the same kind: let one suffice.

If an ordinary clothes-line, say twenty feet long, receives a wave-impulse from the hand at one end, the motion will proceed to the other end as a series of waves. If a rope twice as heavy is used, a larger part of the original impulse will be received at the remote end than in the first experiment. Of course, there comes a limit to the thickness of the rope which may be thus employed; we must not choose a ship’s cable for instance, but the rope most effective in results is much heavier than one would suppose before trial. Lord Rayleigh, in his treatise on the theory of sound, has shown that according to Lagrange it is unnecessary to thicken a cord when we wish to add to its weight; as an alternative we may fasten weights upon it at due intervals, the whole having less mass than if we used a heavy rope of equal effectiveness. Just what intervals are best will depend upon the thickness and rigidity of the cord, upon its length, the amount and kind of wave committed to it, as shown by Professor Michael I. Pupin of Columbia University, New York, who extended the mathematical problem dealth with by Lagrange and Lord Rayleigh. In the singular[367] efficiency of transmission thus studied he saw a principle which, by analogy, he believed to hold true in the electrical field as in mechanics. This principle he has illustrated in his paper published in the Proceedings of the American Institute of Electrical Engineers, 1900, page 215. In A of the accompanying figure, derived from that paper, is a tuning fork, C, with its handle rigidly fixed. To one of its prongs is attached a flexible inextensible cord, bd. Let the fork vibrate steadily by any suitable means. The motion of the cord will be a wave motion, as in B. The attenuation of the wave as it dies down is represented in C. Experiments show that, other things being equal, increased density of the string will diminish attenuation, because a larger mass requires a smaller velocity in order to store up a given quantity of kinetic energy, and smaller velocity brings with it a smaller frictional loss. Moreover, as the string is increased in density, its wave-length is shortened.

Prof. Pupin’s diagram explaining his system of long distance telephony.

Suppose now that we attach a weight, say a ball of beeswax, at the middle point of the string, so as to increase the vibrating mass. This weight will become a source of reflections and less wave[368] energy will reach the farther end of the string than before. Subdivide the beeswax into three equal parts and place them at three equi-distant points along the cord. The efficiency of transmission will be better now than when all the wax was concentrated at a single point. By subdividing still further the efficiency will be yet more improved; but a point is soon reached when further subdivisions produce very slight improvement. This point is reached when the loaded cord vibrates nearly like a uniform cord of the same mass, tension, and frictional resistance; such a cord, bearing 12 small weights of beeswax, is represented as D when at rest, as E when in motion. . . . It is impossible so to load a cord as to make it suitable for waves of all lengths; but if the distribution of the loads satisfies the requirements of a given wave-length, it will also satisfy them for all longer wave-lengths.

A cord of this kind has mechanical analogy with an electrical wave conductor. In a wire transmitting electricity inductance coils may be so placed as to have just the effect of the bits of wax attached to the cord in our illustration; in both cases the waves are transmitted more fully and with less blurring than in an unloaded line. The mathematical law of both cases is the same. It was in ascertaining that law so as to know where to place his inductance coils that Professor Pupin arrived at success. Preceding inventors, missing this law, came only to failure. He constructed an artificial cable of 250 sections, each consisting of a sheet of paraffined paper on both sides of which was a strip of tin-foil, the whole fairly representing a cable 250 miles in length. At each of the 250 joints in the course of this artificial circuit he inserted a twin inductance coil wound on one spool 125 millimetres broad and high, and separated by cardboard 164 inch thick. Each coil had 580 turns of No. 20 Brown & Sharpe wire. Just as with the weighted rope this circuit transmitted its current much more efficiently than if the inductance coils had been absent.

This artificial cable, when without coils, through a distance equal to fifty miles of ordinary line worked well, up to seventy-five miles it served fairly well, but proved impracticable at 100 miles, and impossible at distances exceeding 112 miles: all this in exact correspondence with an actual line of the same length. Over a uniform telephone line an increase of distance interferes[369] with the transmission of speech, not only by diminishing the volume of sound, but also from the rapid loss of articulation. At first this manifests itself as an apparent lowering of vocal pitch. In Professor Pupin’s experiments an assistant’s voice at the end of 75 miles of uniform cable sounded like a strong baritone; at 100 miles it became drummy so that it was understood with difficulty, although the speaker had his mouth close to the transmitter, and spoke as loudly as if he were addressing a large audience. At more than 112 miles nothing but the lowest notes of his voice could be heard, the articulation was entirely gone. As soon as the coils were inserted the drumminess ceased, and conversation could be carried on as rapidly as one chose through the whole circuit of 112 miles. Drumminess is due to the obliteration of the overtones, long distance transmission weakening these overtones much more than it does the low fundamental tones. The addition of coils makes the rate of weakening the same for all vibrations, hence the transmitted sound has the same character at the end of the line as at the beginning.

In practice Professor Pupin’s method has proved a remarkable success. In ordinary circuits it reduces materially the quantity of wire necessary. Where a circuit is unusually long it assures clearness of tones or of signals at distances previously out of the question. It makes possible telephony across the Atlantic: a cable for this service would cost only one fourth more than an ordinary telegraphic cable as now laid and used. A decided advantage is reaped by its use in underground cables, liable as they are to a serious blurring of currents at distances comparatively short. The intervals at which inductance coils should be placed depend upon the circumstances of each case. These are discussed by Professor Pupin in the paper here mentioned.

Rules that Work Both Ways.

Analogy in many a path such as that of Professor Pupin has served as a guide to the discoverer and inventor. Equally gainful has been the conviction that many rules work both ways, so that ingenuity has only to execute the converse or the reverse of a familiar task in order to abridge toil, or reach a prize wholly new.

A crow wishes to get at a clam which it has dug out of the sand.[370] To break the stout shell is beyond the strength of its bill, so the knowing bird flies aloft, lets the clam fall on a rocky beach or a stone and forthwith enjoys a meal. It makes no difference whether a hammer falls on the shell, or the shell falls on a hammer: the crow takes the one method within its power. So with the wood-chopper whose axe becomes imbedded in a stick of birch or maple: he lifts wood and axe together as high as he can, then lets the axe fall on its back, when the shock instantly tears the stick apart. Drilling in a lathe is usually executed by the screw of the poppet advancing during the process. In boring long holes, the object to be bored is rotated and moved in a straight line, while the tool advances without revolving. In an emergency William Fairbairn, the famous engineer, had in hand a large task of riveting. He took a punching machine, reversed its action, and had a riveting machine which turned out work twelve times as fast as a skilful workman.

As in the machine shop so in transportation. One of the notions of the pioneer railway engineers in England was that their rails must be flanged, for how else could wheels remain on the track? But somebody with breadth of view-point asked, Why not leave the rail flat, or nearly so, and put the flange on the wheel, an easier thing to do? Accordingly to the wheel the flange went and there it stays, to remind the traveler of the Eastern maxim: “To him who is well shod it is as if the whole world were covered with leather.”

In many tasks we have a like choice of methods. We wish to measure the velocity of a stream; if we immerse a bent glass tube so that its horizontal part is upstream, the height to which the water rises in the upright half of the tube will tell us what we wish to know; if we reverse the tube, a sinking instead of a rising in the upright glass will measure the speed of our current.

Water heightened
in tube.

Water lowered
in tube.

Turbines Reversed.

For many years turbines have proved themselves better than[371] other water-wheels, so that wherever an old-fashioned breast-wheel still goes its creaking round, there the sketcher seizes the picturesque outlines of a motor whose remaining days are few. A turbine in carefully curved vanes gets from falling water all the power it holds; when the task is to lift water, then this very turbine, reversed in direction, is the Worthington pump, the most efficient water-lifter known. The rules for construction are the same whether we start with falling water and derive power from it, or begin with power and raise water thereby. Quite as pictorial as a breast-wheel is a wind-mill, the older the better, thinks the artist as he views its weather-beaten frame. Much later than the wind-mill as a device is its counterpart, the fan-blower; the lines most effective for the one are also best for the other. Much more effective than the old-time mills of but four arms are new mills whose whole circle is covered by blades. Fan-blowers with a like multiplicity of vanes, yield most duty.

Hydraulic Pressure as a Counterbalance.

For ages one of the observations of every day has been that a column of water exerts pressure in proportion to its height. Usually this pressure is thought of as being exerted downward, but if a pipe, filled with water at great pressure, be curved upward at its base, then the contained liquid presses upward. Mark the gain of thus varying a little from the ordinary view point of a case. In 1883 Mr. J. F. Holloway, of California, set up a turbine with its stream admitted from below and moving upward through the vanes of the machine. He thus obliged the water pressure to aid in supporting the wheel, materially diminishing its friction through thus counterbalancing its weight. This plan has been adopted at Niagara Falls for the gigantic turbines there erected, among the most powerful in the world.

Engine and Pump.

That simple appliance, a garden squirt, exemplifies two important kinds of apparatus, one the converse of the other. Fill the cylinder with water, force the piston along its course, and you have a pump. Admit water under pressure, as from a city faucet, and it drives the piston of a motor; in principle such is the mechanism of thousands of motors in London, using water under a pressure[372] of 500 pounds, or so, to the square inch. An apparatus, essentially the same, when supplied with steam or gas becomes the familiar engine at work in uncounted factories and mills. It was a great advance in steam engine design when the single cylinder of Watt was replaced by two or more cylinders, using steam at high instead of low pressure. Thus apportioned in a series of cylinders the steam is not nearly as much cooled, with loss of working power, as when but one cylinder is used. So likewise, it is best to divide the compressing of air into two or more stages, so that at each stage the air may be cooled, and thus more easily compressed than if a single operation completed the business. The best air compressor is virtually the converse of a steam engine.

Of late years reciprocating machinery, of one kind and another, has had to give place to rotary designs. In these, as in their predecessors, are striking cases of rules that work both ways. If steam at high pressure is fully to yield its energy in a Parsons-Westinghouse turbine, for example, the vanes must be rightly curved, and there must be a succession of them in circles gradually widened so that the steam may part with its energy, a step at a time. In mining, in metallurgy, in many another great industry, compressed air is required in huge volumes. For its production Mr. Parsons has invented an apparatus virtually the twin of his steam turbine, only that it runs in a reversed direction; it may be directly yoked to a steam turbine.

Fans.

Currents of air much less forceful than those of steam in a turbine are generated by the electric fans of our shops and offices. When their vanes move as the hands of a clock, a breeze comes toward you; reverse their motion and the stream blows away from you. Place such a fan in the side of a box otherwise closed; driven in one direction the vanes force air into the box; driven the opposite way the vanes remove air from the box. Powerful currents of this kind, such as stream from a Sturtevant blower, are used for blast furnaces and the largest steam installations. The engineer chooses between two methods; he can seal up the fire-room and force in air which will find its way through the grate-bars to the fuel, or he places a fan in the smoke-stack to induce a current[373] by exhaustion. In New York and London underground pneumatic tubes carry letters to and from the post-offices. When the central engine works its fans exhaustively, water may be drawn into the tubes from the streets so as to do much harm. When the ground is thoroughly dry it is best to exhaust the air at one end of the line and compress it at the other. This union of a push and a pull resembles Lord Kelvin’s plan in ocean telegraphy, by which a cable is first connected with the negative pole of a battery and then, for a signal, made to touch the positive pole. With its path thus cleared, a message pulses along at a redoubled pace.

Electrical Reciprocity.

Electrical art teems with rules that work both ways. Oersted observed that a current traversing a wire deflects a nearby compass needle. Faraday, with the guiding law of reciprocity ever in mind, forcibly deflected a magnetic needle so as to create a current in a neighboring wire by the motion of his hand. He thus discovered magneto-electricity, in Tyndall’s opinion the greatest result ever obtained by an experiment. On the simple principle then discovered by Faraday are built the huge generators that revolve at Niagara, at power-houses large and small throughout the world, for the production of electricity by mechanical motion. A compass needle has a field, or breadth of influence, surrounding its surface, which is small and weak. A monster magnet in a generator has a field at once large and strong. When an electrical conductor, such as a coil of copper wire, is forcibly rotated in that field, powerful currents of electricity arise in the wire, equivalent as energy to the mechanical effort of rotation. Take another case: a current decomposes water; the resulting gases as they combine yield just such a current as that which parted them. Join a strip of bismuth to a strip of antimony, and let a current traverse the pair; the junction will become heated. At another time, using no current, touch that joint with the hand for a moment; the communicated warmth, though trifling in amount, creates a current plainly revealed by a galvanometer, affording a delicate means of detecting minute changes of temperature. In 1874 M. Gramme showed four of his dynamos at the Vienna Exhibition. M. Fontaine, an electrician, saw a pair of loose wires[374] near one of the machines and attached them to its terminals; the other ends of the wires happened to be connected with a dynamo in swift rotation. Immediately the newly attached machine began to revolve in a reverse direction as a motor. Thus by an accident, wisely followed up, did electricity add itself to motive powers, establishing an industry now of commanding importance.

In the chemical effects of a current we have parallel facts. Expose a nickel-iron plate to the alkaline bath of an Edison storage cell; at once the metal begins to dissolve, yielding a current. Now send a slightly stronger current into that plate; forthwith the plate picks out iron-nickel from its compounds in the liquid, growing fast to its original bulk. So many cases of this kind occur that chemists believe that synthesis and electrolysis are always counterparts. Be that as it may, we must remember that often chemical action is much more intricate than it seems to be at first sight. Thus in dry air, or even in dry oxygen, iron is unattacked; but bring in a little moisture and at once oxidation proceeds with rapid pace. So with the combustible gases emerging from the throat of a blast furnace; they refuse to burn until they meet a whiff of steam, when they instantly burst into flame. Chemical energy usually moves in a labyrinth which the chemist may be able to thread only in one direction. A retracing of his steps is for the day when he will know much more than he does now.

Ovens and Safes.

Properties purely physical, and therefore much simpler than those studied by the chemist, offer us noteworthy instances of rules that work both ways. For years the walls and doors of safes and bank vaults have been filled with gypsum as a substance all but impervious to heat. To-day Norwegian cooking chests, on much the same principle, are attracting public attention by their economy. A pot is filled with, let us say, the materials for soup, it is brought to a boil, and then placed in a chest thickly clad with a non-conducting coat of felt or even of hay, as illustrated on page 189. In an hour or so a capital soup is found to have cooked itself simply by its own retained heat. A resource long familiar to the builder of safes and strong-boxes is thus taken into household service with much profit. It is plain that whatever obstructs[375] the passing of heat may be employed either to keep it in or keep it out. For years inventors busied themselves in finding non-conductors wherewith to cover steam-pipes and steam-boilers. To-day, in cold storage plants, these non-conductors are just as useful in covering pipes filled with circulating liquids of freezing temperatures. Take a parallel case in the field of physical research. In 1873 Dulong and Petit in their measurement of heat avoided losses of heat with a new approach to perfection by using glass vessels one inside another, with exhausted spaces in between. In 1892 Professor Dewar applied this device to keeping liquefied gases, of extremely low temperatures, from being warmed by surrounding bodies, an aim just the converse of that of Dulong and Petit. Often, as in these cases, the applications of a quality may come in pairs; one invention may suggest its twin.

Copyright, Pach Bros., New York.

THOMAS ALVA EDISON, 1906.
Orange, New Jersey.

This convertibility of principle may be observed as clearly in the phenomena of nature as in the creations of ingenuity. Water expands as it freezes; when this expansion takes place freely, the freezing temperature is 0° C., but when expansion is resisted, as when the water is confined in a strong gun-barrel, the freezing temperature is lowered, for now the ice has to do work in the act of crystallization. So with the boiling points of liquids; they rise as atmospheric pressure increases, they fall as atmospheric pressure is reduced. A prospector on Pike’s Peak cannot boil an egg in his kettle. Next day he descends a mine in the valley, to find the boiling point higher than when he built his fire beside the mouth of the mine.

Cube Root Easily Found.

Take another example of inversion, this time in the field of mensuration. Every schoolboy knows that cubes respectively one, two, three, and four inches in diameter have contents respectively of one, eight, twenty-seven, and sixty-four cubic inches; that is, the contents vary as the cubes of the diameters of these solids. This is true of all solids alike in form. Cones, therefore, which have an angle of let us say fifteen degrees at the apex, vary in contents as the cube of their heights. Cones usually are looked at as they rest on their bases; it is worth while to consider them reversed, pointing downward. An inverted cone, duly supported on a frame allowing motion upward and downward, and[376] dipping into a cylinder partly filled with water, is a simple means of extracting cube root within say one and ten as limits. The cone should be marked off into tenths, and the cylinder, between high and low-water, into thousandths. On a similar plan a tapering wedge acts as a square-root extractor, displacing water as the square of its depth of immersion.

Cube-root extractor.
The cone displaces water as the cube of its depth of immersion, in this case within 1 and 3 as limits.

Square-root extractor.
Wedge displaces water as the square of its depth of immersion.

[377]

From Effect to Cause.

A mechanic, no less than a geometer, may show sagacity in taking up a question in reverse, and reasoning from effect to cause. An expert printer examines a spoiled sheet as it leaves the press, observing that it is smeared and crumpled with a decided skew. At once he stops the machinery and puts his finger on a lever that has become crooked, or on the wheel that has been strained out of true. Mr. Joseph V. Woodworth says of milling cutters:—“When a cutter is broken by being wrongly run backwards on to the work, the breakage is characteristic. Although the man who broke it will be absolutely sure that it ran in the right direction, the cracks down the face of the teeth tell a different story.”

In his manual on steel, Mr. William Metcalf reads a record equally legible to a trained eye:—“If an axe, after tempering, is found cracked near the corners of its edge, these corners have been hotter than the middle of the blade. If a crack appears at the middle of the edge, there the heat was greater than at the corners; snipping and comparing the grains will tell the story. If a somewhat straight crack is noticed, near the edge and parallel thereto, the chances are that the crack indicates a seam.”

At this point let us for a few moments leave the field of mechanics, and notice how inferring cause from effect may aid students of rocks, of the heavens, of the human frame. A geologist, observing a dense limestone, learns how severe the pressure which brought loose sediment to this compactness. In the glass-like texture of quartz he finds an equally plain record of intense heat. The scorings on rock-surfaces, in lines from northward[378] to southward, disclose to him the paths in which ages ago the glaciers moved from their birth-places in the polar zones. In astronomy a feat of inference incomparably more difficult was accomplished by John Couch Adams and Urbain Leverrier, each independently of the other. The orbit of Uranus displayed certain minute irregularities which they referred to a planet, at that time not as yet observed, whose place they indicated. Their remarkable inference was verified by the discovery of Neptune on September 23, 1846.

In a path remote indeed from that of the observer of planet and star, the surgeon in much the same way reasons from result to cause. In 1870 Fritsch and Bitzig, two German investigators, observed that in applying an electric shock to a well defined area of the brain of a chloroformed dog, its limbs moved. One part of the brain thus excited would cause the fore-leg to twitch, another part would lead the hind-leg to move. When a specific area of the animal’s brain was taken away, a corresponding part of its body—the eyes, ears, or limbs, were permanently paralyzed. From studies thus begun it has been clearly proved that in the brain of animals there is a division of labor, each activity being as much localized within the skull as it is externally in the nose, ears, or feet. The examination of human victims of disease and injury has confirmed all this. A patient may have suffered loss of power to write, to speak, to stand firmly on his feet, for weeks or months before the end. The cause in many cases is found to be a tumor, sometimes no larger than a pea, which has pressed down upon a particular area of the brain and so given rise to the trouble. A depressed fragment of bone in fracture of the skull has a similar effect. With these facts in mind, when a surgeon is called in to treat a patient who is suffering from loss of power to write, speak or stand, he lifts the sufferer’s skull for a small space over the specially indicated area, relieving the depressed fracture, or exposing the small tumor, which he removes, usually with restoration to health.

A generation ago much was said about functional diseases, it being supposed that apart from the mechanism of bone, muscle or nerve, the bodily functions might go astray of themselves. Improvements in the microscope have shown that many of these derangements[379] are due to diseases of structure; and beyond the range of the microscope a careful study of symptoms enables the physician to infer that physical structures are affected in modes which, one of these days, he may be able to see and picture.

An eminent oculist, Dr. Casey A. Wood of Chicago, tells me that certain diseases of the brain and kidneys derange the sight in a way clearly revealed by an opthalmoscope, a small instrument by which the interior of the eye may be explored through the pupil. Thus a patient complaining of imperfect vision may be really suffering from an ailment involving much more than the eyes.

A noteworthy group of physicians devote themselves to the care of the insane, that is, of patients whose brains are diseased. As a general rule when insanity declares itself, manners depart first, then morals, and finally the physical powers of the eye, the ear, the hand. All in reverse telling the story of how mankind became human; first in developing the faculties shared with bird and beast, then in rearing character, and at last, in adding the graces of behavior.

Profit in Contraries.

From this digression into matters of astronomy and of the human body and mind, let us return to the workshop and the engine-room. There is gain, as we have seen, when an inventor takes a familiar process, like planing, and reverses it, so that instead of the plane moving across a board, the board is moved beneath a planer. Not seldom, too, profit has followed upon adopting a plan just the contrary of a time-honored practice, as when a Frenchman pierced a needle with an eye near its point instead of away from its point, taking a step that did much to make the sewing-machine a possibility. Guns were loaded at the muzzle for ages, until one day a man of daring loaded them at the breech, to find that method preferable in every way. A bullet or ball might then be larger and closer in fit than before, have greater velocity and penetration, while truer in flight, especially if sped from a rifled gun. Anything left in the gun was in front of the new charge instead of behind it. In manufacture, the perishable parts of the gun, its vent and the adjacent steel, are now in a movable breech-piece where they may be replaced with little cost and[380] trouble. Loading and firing may be much more rapid than with muzzle-loaders, while less space is required and the gunners are much less exposed than formerly. And ages before there was such a thing as a firearm, a vast stride in tilling the ground was taken simply by reversing an ancient practice. At first the soil was scratched by a stick drawn along its surface; when some primeval Edison gave the stick a forward instead of a backward thrust he created the plow, and tillage began in earnest.

In feeding coal to a fire, as in the case of a common grate, the one plan for centuries was to add the fuel from above. As gradually heated by the glowing mass beneath it, this fresh fuel sent forth comparatively cool gases which, to a considerable extent, passed into the chimney without being burnt. A mechanical stoker of the underfeed type forces fresh coal beneath the fuel already aglow; the result is that all the gases from the fresh coal pass through an incandescent bed which heats them highly, so that on emergence into the air-current they are thoroughly consumed.

Link Belt Machinery Co.‘s Shop, Chicago, showing Sturtevant ventilating and heating apparatus.

In large machine shops a heating system is finding favor which equally departs from traditional methods. In a small workshop piping filled with steam or hot water serves well enough: in a[381] lofty machine shop it serves badly, sending as it does warm currents of air toward the roof where warmth does only harm. The union of a fan with a system of steam coils introduces a vast improvement. Air warmed to any desired temperature is carried in ducts throughout the building, with outlets at the points most in need of heat. Instead of being allowed to take its way to the roof, the warmed air is forcibly directed to the floor which otherwise would be unduly cool. Because the air is in rapid motion the heating coils may not be more than one fourth as extensive as for a system of direct radiation. This plan has the further advantage of utilizing exhaust steam without producing undue back pressure on the pumps or engines, and yields results almost equal to those from live steam. See accompanying illustration.

Lighting as well as heating may share the gain of changing an old method for its contrary. Many forms of reflectors, both in glass and metal, have been designed to scatter the beams of lamps, usually in a downward direction. An excellent plan directs the positive carbon of an arc-lamp to the ceiling instead of to the floor; from the ceiling, duly whitened, the rays descend more thoroughly and agreeably diffused than if reflected from mirrors or refracted by prisms, however ingeniously shaped and disposed. See illustration on page 75.

In the days of small things in engineering, which ended only with Watt and his steam engine, when a kettle was to be heated the proper place for its fire was thought to be outside. But when big boilers came in, with urgent need that their contents be heated with all despatch, it was found gainful to put the fire inside. Stephenson owed no small part of the success of his locomotive, the “Rocket,” to its boiler being outside its flame. The most efficient modern boilers fully develop this principle.

In an ordinary furnace the draft moves upward, obeying the impulse due to the lightness of its heated gases. This direction is reversed in down-draft furnaces which were originally devised by Lord Dundonald more than a century ago. In their modern types a fan blast forces the draft downward through the fuel, with the effect that the gases are so intensely heated as to be thoroughly burned. The grate-bars are of water-tube, connected to the boiler as part and parcel of its heating surface. In the[382] Loomis gas-producer a like method is adopted: the fuel is charged through an open door in the top of the generator and the gas is exhausted from the bottom of the fire. Thus all tarry and volatile matter in bituminous coal or wood is converted into a fixed gas.

Thirty years ago one would have supposed the wheels of ordinary carts and carriages to be safe from change, to be among the heirlooms secure of transmission to posterity. Not so. Observe the wheel of a bicycle and note that instead of stout spokes upholding the hub, there are thin steel wires from which the hub is suspended. Thus strength is gained while the wheel is lightened and material economized. Wheels of like model are now used in many other vehicles where lightness is particularly desired. This plan of using spokes in tension instead of in compression is credited to Leonardo da Vinci who flourished four centuries ago.

Bicycle wheel suspended from axle by wires.

Judgment in Theorizing: Rules Have Limits.

While the men who add to known truth, whether in the realm of matter or of mind, must build on acquired knowledge, they do so with common sense, by exercise of the supreme faculty of judgment. To begin with, they perceive that every force acts within limits, acts concurrently with other forces which modify its effects. Speaking of gravity Professor William James says:—“A pendulum may be deflected by a single blow and swing back. Will it swing back the more often, the more we multiply the blows? No. For if they rain upon the pendulum too fast it will not swing at all, but remain deflected in a sensibly stationary state. Increasing the cause numerically need not increase numerically the effect. Blow through a tube; you get a certain musical note; and increasing the blowing increases for a certain time the loudness of the note. Will this be true indefinitely? No; for when a certain force is reached, the[383] note, instead of growing louder, suddenly disappears and is replaced by its higher octave. Turn on the gas slightly and light it; you get a tiny flame. Turn on more gas and the flame increases. Will this relation increase indefinitely? No, again; for at a certain moment up shoots the flame into a ragged streamer and begins to hiss.”

In a spirit as judicial Sir William Anderson has said:—“There is a tendency among the young and inexperienced to put blind faith in formulæ, forgetting that most of them are based upon premises which are not accurately reproduced in practice, and which in many cases are unable to take into account collateral disturbances, which only experience can foresee, and common sense guard against.”

Do Not Pay More than 100 Cents for a Dollar.

That, with regard to a new machine, all the facts of constructive and working cost should be in view, and after tests in practice, is the conviction of Professor A. B. W. Kennedy:—“Machines cannot be finally criticized, pronounced good or bad, simply from results measurable in a laboratory. One wishes to use a steam plant, for example, by which as little coal shall be burnt as possible. But clearly it would be worth while to waste a certain amount of coal if a less economical machine would allow a larger saving in the cost of repairs or of interest. Or, it might be worth while to use a machine in which a certain amount of extra power was obviously employed, if only by means of such a machine the cost of attendance could be measurably reduced. The ‘worth-whileness’ of economies comes out only in practical experience. A careful training in comparatively simple parts fits a man more than anything else to gauge accurately the importance of such parts as those named. No doubt there are many men in whom the critical faculty is insufficiently developed to allow them ever to be of use in these matters, but to those who are intellectually capable of ‘the higher criticism’ it is of inestimable value to have had a systematic training in the lower.”

To the same effect are remarks by Professor J. Hopkinson:—“Doubling the thickness of a cylinder by no means doubles its strength. Conversely, doubling the strength of the material will[384] permit the thickness to be diminished to much less than one half. Until 1869 hydraulic presses were mostly made of cast iron. There was much astonishment at the great reduction in thickness and weight which became possible when steel was substituted for the weaker material. In the case of guns it is well-known that greater strength can be obtained if the outer hoops are shrunken on the inner ones. Mathematical theory tells us what amount of shrinkage should give the best results. A gun may have a shrinkage so great as to weaken it.”

He continues:—“Mathematical treatment of any problem is always analytical—attention is concentrated upon certain facts, and for the moment other facts are neglected. For example, in dealing with the thermodynamics of the steam engine, one dismisses from consideration very vital points essential to the successful working of the engine—questions of strength of parts, lubrication, convenience for repairs. But if an engineer is to succeed he must not fail to consider every element necessary to success; he must have a practical instinct which will tell him whether the engine as a whole will succeed. His mind must not be only analytical, or he will be in danger of solving bits of the problems which his work presents, and of falling into fatal mistakes on points which he has omitted to consider, and which the plainest, intelligent, practical man would avoid almost without knowing it. Again, the powers of the strongest mathematician being limited, there is a constant temptation to fit the facts to suit the mathematics, and to assume that the conclusions will have greater accuracy than the premises from which they are deduced. This is a trouble one meets with in other applications of mathematics to experimental science. In order to make the subject amenable to treatment, one finds, for example, in the science of magnetism, that it is boldly assumed that the magnetization of magnetizable material is proportionate to the magnetizing force, and the ratio has a name given to it, and conclusions are drawn from the assumption; but the fact is, no such proportionality exists, and all conclusions resulting from the assumption are so far invalid. Whenever possible the mathematical deductions should be frequently verified by reference to observation and experiment, for the very simple reason that they are only deductions, and the[385] premises from which the deductions are drawn may be inaccurate or incomplete. We must always remember that we cannot get more out of the mathematical mill than we put into it, though we may get it in a form infinitely more useful for our purpose.”

Professor Alexander Bain in his “Senses and the Intellect” concludes:—“A sound judgment, meaning a clear and precise perception of what is really effected by the contrivances employed, is to be looked upon as the first requisite of the practical man. He may be meagre in intellectual resources, he may be slow in getting forward and putting together the appropriate devices, but if his perception of the end is unfaltering and strong, he will do no mischief and practice no quackery. He may have to wait long in order to bring together the apposite machinery, but when he has done so to the satisfaction of his own thorough judgment, the success will be above dispute. Judgment is in general more important than fertility; because a man by consulting others and studying what has been already done, may usually obtain suggestions enough, but if his judgment of the end is loose, the highest exuberance of intellect is only a snare.”

Judgment Moves to New Fields.

As applied science rises to higher and higher planes, a good many questions which were once matters of judgment, become subjects of estimate, often precise. A century ago the forms of ships were decided by sheer sagacity; to-day, as we have seen in this book, such forms are of definite approved types, each adapted to specific needs, and never departed from by a prudent designer except in slight and carefully noted variations. Such examples may be drawn from many another field where science and industry join hands, especially in every branch of modern engineering. A new power-plant, in every detail of its installation, is so standardized that a competent corps of erectors, from any part of the civilized world, can readily put it together. Its designers from first to last have sought to make operation easy, and every working part “fool-proof.” In case of accident any item of the structure broken or deranged can be supplied by the builders at once.

All this does not mean that science in its onward march is eliminating the need for judgment, but simply that judgment is[386] constantly passing into territory wholly new. In devising gas-engines of novel principle, in combining chemicals for new economies of illumination, the faculty of judgment enters provinces vastly broader than those from which it has retired as its approximations have given place to exact measurements. Manual skill has of late undergone a similar change of scope. Many a modern machine performs hammering, punching, riveting more effectively and swiftly than human hands, so that here an operator of little skill replaces a mechanic of much skill. But in another and higher field, deftness was never more in request than to-day. In the final adjustments of a voltmeter, of a refractometer, in the last polish given to an observatory lens, a delicacy of touch is demanded compared with which the dexterity of an old-time planisher or file-grinder is mere clumsiness.


[387]

CHAPTER XXVI
NEWTON, FARADAY AND BELL AT WORK

Newton, the supreme generalizer . . . Faraday, the master of experiment . . . Bell, the inventor of the telephone, transmits speech by a beam of light.

Having now taken a rapid general view of observation and experiment, of the faculty of sound theorizing, let us enter the presence of two great masters of research and invention, beginning with a man who united the loftiest powers as a mathematician, a physicist, and a generalizer.

How Newton Discovered the Law of Gravitation.

How Sir Isaac Newton discovered the law of gravitation is thus told in his Life by Sir David Brewster:—“It was either in 1665 or 1666 that Newton’s mind was first directed to the subject of gravity. He appears to have left Cambridge some time before August 8, 1665, when the college was dismissed on account of the plague, and it was, therefore, in the autumn of that year, and not in that of 1666, that the apple is said to have fallen from the tree at Woolsthorpe, and suggested to Newton the idea of gravity. When sitting alone in the garden, and speculating on the power of gravity, it occurred to him that, as the same power by which the apple fell to the ground was not sensibly diminished at the greatest distance from the centre of the earth to which we can reach, neither at the summits of the loftiest spires, nor on the tops of the highest mountains, it might extend to the moon and retain her in her orbit, in the same manner as it bends into a curve the path of a stone or a cannon ball, when projected in a straight line from the surface of the earth. If the moon was thus kept in her orbit by gravitation, or, in other words, its attraction, it was equally probable, he thought, that the planets were kept in their orbits by gravitating[388] towards the sun. Kepler had discovered the great law of the planetary motions, that the squares of their periodic times were as the cubes of their distances from the sun, and hence Newton drew the important conclusion that the force of gravity, or attraction, by which the planets were retained in their orbits, varied as the square of their distances from the sun. Knowing the force of gravity at the earth’s surface, he was, therefore, led to compare it with the force exhibited in the actual motion of the moon, in a circular orbit; but having assumed that the distance of the moon from the earth was equal to sixty of the earth’s semi-diameters, he found that the force by which the moon was drawn from its rectilinear path in a second of time was only 13.9 feet, whereas at the surface of the earth it was 16.1 in a second. This great discrepancy between his theory and what he then considered to be the fact, induced him to abandon the subject, and pursue other studies with which he had been occupied.

“It does not distinctly appear at what time Newton became acquainted with the more accurate measurement of the earth, executed by Picard in 1670, and was thus led to resume his investigations. Picard’s method of measuring his degree, and the precise result which he obtained, were communicated to the Royal Society, January 11, 1672, and the results of his observations and calculations were published in the Philosophical Transactions for 1675. But whatever was the time when Newton became acquainted with Picard’s measurement, it seems to be quite certain that he did not resume his former thoughts concerning the moon until 1684. Pemberton tells us, that ‘some years after he laid aside’ his former thoughts, a letter from Dr. Hooke put him on inquiring what was the real figure in which a body, let fall from any high place, descends, taking the motion of the earth round its axis into consideration, and that this gave occasion to his resuming his former thoughts concerning the moon, and determining, from Picard’s recent measures, that ‘the moon appeared to be kept in her orbit purely by the power of gravity.’ But though Hooke’s letter of 1679 was the occasion of Newton’s resuming his inquiries, it does not fix the time when he employed the measures of Picard. In a letter from Newton to Hailey, in 1686, he tells him that Hooke’s letters in 1679 were the cause of his ‘finding the[389] method of determining the figures, which, when I had tried in the ellipsis, I threw the calculations by, being upon other studies; and so it rested for about five years, till, upon your request, I sought for the papers.’ Hence Mr. Rigaud considers it clear, that the figures here alluded to were the paths of bodies acted upon by a central force, and that the same occasion induced him to resume his former thoughts concerning the moon, and to avail himself of Picard’s measures to correct his calculations. It was, therefore, in 1684, that Newton discovered that the moon’s deflection in a minute was sixteen feet, the same as that of bodies at the earth’s surface. As his calculations drew to a close, he is said to have been so agitated that he was obliged to desire a friend to finish them.”

Michael Faraday’s Method of Working.

With no mathematics beyond simple arithmetic, Michael Faraday displayed powers of experiment and generalization so extraordinary that in these respects he stands at the same height as Newton himself. In the life of Michael Faraday, by Dr. J. H. Gladstone, we are given his account of the great physicist’s method of working:—

“The habit of Faraday was to think out carefully beforehand the subject on which he was working, and to plan his mode of attack. Then, if he saw that some new piece of apparatus was needed, he would describe it fully to the instrument maker with a drawing, and it rarely happened that there was any need of alteration in executing the order. If, however, the means of experiment existed already, he would give Anderson, his assistant, a written list of the things he would require, at least a day before—for Anderson was not to be hurried. When all was ready, he would descend into the laboratory, give a quick glance round to see that all was right, take an apron from the drawer, and rub his hands together as he looked at the preparations made for his work. There must be no tool on the table but such as he required. As he began his face would be exceedingly grave, and during the progress of an experiment all must be exceedingly quiet; but if it was proceeding according to his wish, he would commence to hum a tune, and sometimes to rock himself sideways, balancing alternately on either foot. Then, too, he would[390] often talk to his assistant about the result he was expecting. He would put away each tool in its own place as soon as done with, or at any rate as soon as the day’s work was over, and he would not unnecessarily take a thing away from its place. No bottle was allowed to remain without its proper stopper; no open glass might stand for a night without a paper cover; no rubbish was to be left on the floor; bad smells were to be avoided if possible; and machinery in motion was not to be permitted to grate. In working, also, he was very careful not to employ more force than was wanted to produce the effect. When his experiments were finished and put away, he would leave the laboratory, and think further about them upstairs.

“It was through this lifelong series of experiments that Faraday won his knowledge and mastered the forces of nature. The rare ingenuity of his mind was ably seconded by his manipulative skill, while the quickness of his perceptions was equalled by the calm rapidity of his movements. He had indeed a passion for experimenting. This peeps out in the preface to the second edition of his ‘Chemical Manipulation,’ where he writes, ‘Being intended especially as a book of instruction, no attempts were made to render it pleasing, otherwise than by rendering it effectual; for I concluded that, if the work taught clearly what it was intended to inculcate, the high interest always belonging to a well-made or successful experiment would be sufficient to give it all the requisite charms, and more than enough to make it valuable in the eyes of those for whom it was designed.’

“He could scarcely pass a gold leaf electrometer without causing the leaves to diverge by a sudden flick from his silk handkerchief. I recollect, too, his meeting me at the entrance to the lecture theatre at Jermyn Street, when Lyon Playfair was giving the first, or one of the first lectures ever delivered in the building. ‘Let us go up here,’ said he, leading me far away from the central table. I asked him why he chose such an out-of-the-way place. ‘Oh,’ he replied, ‘we shall be able here to find out what are the acoustic qualities of the room.’

“The simplicity of the means with which he made his experiments was often astonishing, and was indeed one of the manifestations of his genius. A good instance is thus narrated by Sir[391] Frederick Arrow:—‘When the electric light was first permanently exhibited at Dungeness, on 6th June, 1862, a committee of the Elder Brethren, of which I was one, accompanied Faraday to observe it. Before we left Dover, Faraday showed me a little common paper box and said, “I must take care of this; it’s my special photometer,”—and then, opening it, produced a lady’s ordinary black shawl pin (jet, or imitation, perhaps)—and then holding it a little way off the candle, showed me the image very distinct; and then, putting it a little further off, placed another candle near it, and the relative distance was shown by the size of the image.’

“In lecturing to the young he delighted to show how easily apparatus might be extemporized. Thus, in order to construct an electrical machine, he once inverted a four-legged stool to serve for the stand, and took a white glass bottle for the cylinder. A cork was fastened into the mouth of this bottle, and a bung was fastened with sealing wax to the other end: into the cork was inserted a handle for rotating the bottle, and in the centre of the bung was a wooden pivot on which it turned: while with some stout wire he made crutches on two of the legs of the stool for the axles of this glass cylinder to work upon. The silk rubber he held in his hand. A japanned tea cannister resting on a glass tumbler formed the conductor, and the collector was the head of a toasting fork. With this apparently rough apparatus he exhibited all the rudimentary experiments in electricity to a large audience.”

Faraday’s Orderliness and Imagination.

Faraday, in addition to the rarest ability in experiment, had an orderliness of mind which gave the utmost effectiveness to his work in every department. His successor, Professor John Tyndall, says:—

“Faraday’s sense of order ran like a luminous beam through all the transactions of his life. The most entangled and complicated matters fell into harmony in his hands. His mode of keeping accounts excited the admiration of the managing board of the Royal Institution. And his science was similarly ordered. In his Experimental Researches he numbered every paragraph, and welded their various parts together by incessant reference. His private notes of the[392] Experimental Researches which are happily preserved, are similarly numbered; their last paragraph bears the number 16,041. His working qualities, moreover, showed the tenacity of the Teuton. His nature was impulsive, but there was a force behind the impulse which did not permit it to retreat. If in his warm moments he formed a resolution, in his cool ones he made that resolution good. Thus his fire was that of a solid combustible, not that of a gas, which blazes suddenly, and dies as suddenly away.”

Faraday had exalted powers of imagination and as he gazed at the curves in which iron-filings disposed themselves when tapped on a card held above a magnet, he saw similar “lines of force” surrounding every attracting mass of whatever kind. Other observers had confined their attention to what takes place, or is supposed to take place, in a conductor; he closely scanned what took place around a conductor. He was thus addressed in a letter from that remarkable physicist, Professor James Clerk Maxwell of Cambridge:—

“As far as I know you are the first person in whom the idea of bodies acting at a distance by throwing the surrounding medium into a state of constraint has arisen, as a principle to be actually believed in. We have had streams of hooks and eyes flying around magnets, and even pictures of them so beset; but nothing is clearer than your description of all sources of force keeping up a state of energy in all that surrounds them, which state by its increase or diminution measures the work done by any change in the system. You seem to see the lines of force curving round obstacles and driving plump at conductors, and swerving toward certain directions in crystals, and carrying with them everywhere the same amount of attractive power, spread wider or denser as the lines widen or contract. You have seen that the great mystery is, not how like bodies repel and unlike attract, but how like bodies attract by gravitation. But if you can get over that difficulty either by making gravity the residual of the two electricities or by simply admitting it, then your lines of force can ‘weave a web across the sky’ and lead the stars in their courses without any necessarily immediate connection with the objects of their attraction. . . .”

[393]

How Light Becomes a Bearer of Speech.

Michael Faraday, as we have seen, by researches of consummate ability laid the foundation of modern electrical science and art. In that field there is to-day no inventor more illustrious than Professor Alexander Graham Bell, the creator of the telephone, that simplest and most important of electrical devices.[34] Not content with obliging a wire to carry speech in electric waves, Professor Bell has impressed beams of light into the same service. The successive steps by which he arrived at the photophone are of extraordinary interest. His story as given in the proceedings of the American Association for the Advancement of Science, 1880, is here somewhat condensed:—

[34] Professor Bell’s narrative of how he invented the telephone is given in “Invention and Discovery,” one of the six volumes of “Little Masterpieces of Science,” Doubleday, Page & Co., New York. In “Flame, Electricity and the Camera” by the present writer, published by the same firm, is a chapter describing the telephone in its later developments. This chapter was revised by the late Professor Alexander Melville Bell, father of the inventor.

“In bringing before you some discoveries by Mr. Sumner Tainter and myself, which have resulted in the production and reproduction of sound by means of light, let me sketch the state of knowledge which formed the starting point of our experiments. I shall first describe selenium, and the uses of it devised by previous experimenters; our researches have so widened the class of substances sensitive, like selenium, to light-vibrations that this sensitiveness seems to be a property of all matter. We have found this property in gold, silver, platinum, iron, steel, brass, copper, zinc, lead, antimony, german-silver, ivory, celluloid, gutta percha, hard and soft rubber, paper, parchment, wood, mica, and silvered glass. At first carbon and microscope glass seemed insensitive; later experiments proved them to be no exceptions to the rule.

“We find that when a vibratory beam of light falls upon these substances they emit sounds, the pitch of which depends upon the frequency of the vibratory change in the light. We also find that when we control the form or character of the light-vibrations, we control the quality of the sound, and obtain all varieties of[394] articulate speech. We can thus speak from station to station wherever we can project a beam of light. Selenium, indispensable in the apparatus, was discovered by Berzelius in 1817. It is a metalloid resembling tellurium; they differ, however, in electrical properties; tellurium is a good conductor, selenium in its usual forms is a non-conductor. Knox, in 1837, discovered that selenium is a conductor when fused; in 1851, Hittorf showed that it conducts when in one of its allotropic forms. When selenium is rapidly cooled from a fused condition it is a non-conductor. In this vitreous form it is dark brown, almost black by reflected light, having an exceedingly brilliant surface; in thin films it is transparent, and appears of a beautiful ruby red by transmitted light. When selenium is cooled from fusion with extreme slowness, it presents an entirely different appearance, being of a dull lead color, and having throughout a granular or crystalline structure and looking like a metal. It is now opaque even in very thin films. It was this kind of selenium that Hittorf found to be a conductor of electricity at ordinary temperatures. He also noticed that its resistance to the passage of electricity diminished continuously by heating up to the point of fusion; and that the resistance suddenly increased as the solid passed to liquidity. It was early discovered that exposure to sunlight hastens the change of selenium from one allotropic form to another; an observation of significance in the light of recent discoveries.

The Cardinal Discovery.

“Mr. Willoughby Smith, an engineer engaged in the laying of submarine cables, had devised a system of testing and signalling during their submersion. For this system, in 1872, it occurred to him that he might employ crystalline selenium, on account of its high resistance, at the shore end of a cable. On experiment the selenium was found to have all the resistance required; some of the bars displayed a resistance of 1400 megohms, as much as would be offered by a telegraph wire long enough to reach from the earth to the sun. But this resistance was found to be extremely variable; the reason was disclosed when Mr. May, an assistant, observed that the resistance of selenium is less in light than in darkness. This discovery created widespread interest throughout the world. Among the investigators who at once turned their[395] attention to the subject was Professor W. G. Adams of King’s College, London, who proved that the action on selenium is chiefly due to the luminous rays of the spectrum, the ultra-red and ultra-violet rays having little or no effect. Dr. Werner Siemens, the eminent German physicist, produced a variety of selenium fifteen times more conductive in sunlight than in darkness. This extraordinary sensitiveness was brought about by heating for some hours at a temperature of 210° C., followed by extremely slow cooling.

Telephones receiving sounds through a beam of light.

The Telephone Brought in.

“Observations concerning the effect of light upon the conductivity of selenium had employed the galvanometer solely; it occurred to me that the telephone, from its extreme sensitiveness, might be substituted with advantage. On consideration I saw that the experiments could not be conducted in the ordinary way with continuous light, for a good reason: the law of audibility of the telephone is precisely analogous to the law of electrical induction. No effect is produced during the passage of a continuous and steady current. It is only at the moment of change from a stronger to a weaker state, or, vice versa, that any audible effect is produced; this effect is exactly proportional to the amount of variation in the current. It was, therefore, evident that the telephone could only respond to the effect produced in[396] selenium at the moment of change from light towards darkness, or vice versa, and that it would be advisable to intermit the light with great rapidity so as to produce a succession of changes in the conductivity of the selenium corresponding in frequency to musical vibrations within the limits of the sense of hearing. For I had often noticed that currents of electricity, so feeble as hardly to produce any audible effects from a telephone when the circuit was simply opened and closed, caused very perceptible musical sounds when the circuit was rapidly interrupted; and that the higher the pitch of the sound the more audible was its effect. I was much struck by the idea of producing sound in this way by the action of light. Accordingly I proposed to pass a bright light through one of the orifices in a perforated screen consisting of a circular disk with holes near its circumference. Upon rapidly rotating the disk an intermittent beam of light would fall on the selenium, and from a connected telephone a musical tone would be produced, its pitch depending upon the rapidity with which the disk spun round.

Variations of Light Necessary.

“Upon further consideration I saw that the effect could not only be produced at the extreme distance at which selenium would normally respond to the action of a luminous body, but that this distance could be indefinitely increased by using a parallel beam of light, so that we might telephone from one place to another with no conducting wire between the transmitter and the receiver. To reduce this idea to practice it was necessary to devise an apparatus to be operated by the voice of a speaker, by which variations could be produced in a parallel beam of light, corresponding to variations in the air produced by the voice. I proposed, therefore, to pass light through two plates perforated by many small orifices. One of these plates was to be fixed, the other was to be attached to the centre of a diaphragm actuated by the voice. In its vibrations the diaphragm would cause the movable plate to slide to and fro over the surface of the fixed plate, by turns enlarging and contracting the free orifices for the passage of light. The parallel beam emerging from this apparatus could be received at some distant place on a lens focussing[397] it upon a sensitive piece of selenium placed in a local circuit, with a telephone and a galvanic battery. The variations in the light produced by a speaker’s voice should cause corresponding variations in the electrical resistance of the selenium at the distant place, and the telephone in circuit with the selenium should reproduce audibly the tones and articulations of the speaker’s voice. It is greatly due to the genius and perseverance of my friend, Mr. Sumner Tainter, that the problem thus entered upon has been successfully solved.

Special Treatment of the Selenium.

“The first point to which we devoted our attention was reducing the resistance of crystalline selenium within manageable limits. The resistance of selenium cells, employed by former experimenters, was counted in millions of ohms; there is no record of a cell measuring less than 250,000 ohms in the dark. We have succeeded in producing cells measuring only 300 ohms in the dark and 150 in the light. Our predecessors all seemed to have used platinum for the conducting part of their cells, excepting Werner Siemens, who found that iron and copper would do. We have discovered that brass, although chemically acted upon by selenium, forms an excellent material; indeed, we are inclined to believe that the chemical action between brass and selenium has contributed to the lowness in resistance of our cells, an intimate union taking place between the two substances. In brass we have constructed many cells of diverse forms. One of them (two are described by Professor Bell), is cylindrical so that it may be used with a concave reflector instead of with a lens. It is composed of many metallic disks separated by mica disks slightly smaller in diameter. The spaces between the brass disks over the mica are filled with selenium, and the alternate brass disks are metallically connected. The selenium is applied to the cell duly heated: next comes annealing. To effect this an oven is inserted in a pot of linseed oil standing upon glass supports in another similar pot of linseed oil. The whole is then heated to about 214° C., and kept there for twenty-four hours, then allowed to cool down during forty to sixty hours until the temperature of ordinary air is reached.

[398]

A Perfected Transmitter.

“We have devised more than fifty forms of photophonic transmitters. In one of them (several others are described by Professor Bell), a beam of light passes through a lens of variable focus formed of two sheets of thin glass or mica containing between them a transparent liquid or gas. When vocal vibrations are communicated to this gas or liquid, they cause a vibratory change in the convexity of the glass surfaces with a corresponding change in the intensity of the light as it falls upon the selenium. We have found the simplest apparatus to consist in a plane mirror of flexible material, such as silvered mica or microscope glass, against the back of which the speaker’s voice is directed.

Selenium cylinder with reflector.

“A large number of trials of this apparatus have been made with the transmitting and receiving instruments so far apart that sounds could not be heard directly through the air. In a recent experiment Mr. Tainter operated the transmitting instrument, placed on the top of the Franklin School House in Washington, D. C.; the receiver being arranged in a window of my laboratory, at a distance of 213 metres. Upon placing the telephone to my ear, I heard distinctly from the illuminated receiver: ‘Mr. Bell, if you hear what I say, come to the window and wave your hat.’

“We have found that articulate speech can be reproduced by the oxyhydrogen light, and even by a beam from a kerosene lamp. The loudest effects follow upon interrupting the light by means of a perforated disk swiftly rotated. Because this apparatus is noiseless it allows a close approach of the receiver while not interfering with its message.

“We have endeavored to ascertain the nature of the rays which affect selenium, placing in the path of an intermittent beam various absorbing substances. In these experiments Professor[399] Cross has rendered us aid. When a solution of alum, or bisulphide of carbon, is employed, there is but slight reduction in loudness, but a solution of iodine in bisulphide of carbon cuts off most of the audible effect. Even an opaque sheet of hard rubber is less obstructive.

A perforated disc rotated yields a succession of sounds from light.

Experiments Without a Telephone.

“It is a well known fact that the molecular disturbance produced in a mass of iron by the magnetizing influence of an intermittent electrical current can be observed as sound by placing the ear in close contact with the iron. It occurred to us that the molecular disturbance produced in crystalline selenium by the action of an intermittent beam of light should be audible in a similar manner with no telephone or battery. Many experiments were made to verify this theory; at first without definite results. The behavior of the hard rubber just mentioned suggested listening to it also. This was tried with an extraordinary result. I held the sheet in close contact with my ear while a beam of intermittent light was focussed upon it through a lens. A distinct musical note was immediately heard. Other substances, as enumerated at the outset of my address, were now successively tried in the form of thin disks, in every case with success. On the whole, we feel warranted in announcing as our conclusion that sounds can be produced by the action of a variable light from substances of all kinds in the form of thin diaphragms. The reason why thin diaphragms are more effective than masses appears to be that the molecular disturbance produced by light is chiefly a surface action, and that the vibration has to be transmitted through the mass of the substance in order to affect the ear. We[400] have led air, directly in contact with an illuminated surface, to the ear by throwing the luminous beam upon the interior of a tube. We have thus heard from interrupted sunlight very perceptible musical tones through tubes of ordinary vulcanized rubber, of brass, and of wood. These were all the materials at hand in tubular form, and we have had no opportunity since of extending the observations to other substances. A musical tone can be heard by throwing the intermittent beam of light into the ear itself. This experiment was at first unsuccessful on account of the position in which the ear was held.”


[401]

CHAPTER XXVII
BESSEMER, CREATOR OF CHEAP STEEL. NOBEL, INVENTOR OF NEW EXPLOSIVES

Bessemer a man of golden ignorances . . . His boldness and versatility . . . The story of his steel process told by himself . . . Nobel’s heroic courage in failure and adversity . . . His triumph at last . . . Turns an accidental hint to great profit . . . Inventors to-day organized for attacks of new breadth and audacity.

Bessemer’s Early Achievements.

In 1855 Henry Bessemer began to change the face of the civilized world as he perfected his process for steel-making. The story of his struggles, defeats and eventual triumph is told in his autobiography published in London by Engineering.[35] From that book the publishers have permitted the following pages to be drawn. As a boy Henry Bessemer had a strong mechanical turn, amusing himself with a lathe at an age when lads usually prefer marbles or tag. In his youth there was a clear promise of inventive faculty, plainly inherited from his father, Anthony Bessemer, and naturally pursuing the lines of paternal interests. Mr. Bessemer, senior, manufactured type of particular durability; this quality his son discovered due to additions of a little tin and copper to the ordinary alloy. It was in this field of alloying that young Bessemer took his next step as an inventor, foreshadowing the tremendous feat he was in due time to accomplish. He busied himself as an engraver of rollers for embossing paper; in cutting their deeply incised lines there was a tendency in curves to drag or blur the surface of the metal. After several unsuccessful attempts he produced an alloy of tin and bismuth free from this fault.

[35] “Sir Henry Bessemer: an Autobiography.” Offices of Engineering, 36 Bedford St., Strand, London, 1905. 16 shillings.

Soon afterward Bessemer’s attention was directed to the bronze[402] powders sold at high prices to printers and decorators. These powders were produced by hand in Germany by processes so laborious as to make the cost enormous. Examining the material with a powerful microscope Bessemer was convinced that he could dispense with hand labor, and turn out a powder of equal quality at nominal expense. His machinery for this purpose proved a success and laid the foundation of his fortune; unpatented and worked in secret for thirty-five years, it yielded him a huge profit indispensable for the costly experiments he had ever in hand. Naturally enough his fame as a man of ingenuity was promptly noised abroad, and his talents were next invoked for a much-needed improvement of sugar-cane milling. The moment that Bessemer saw a cane-mill at work he placed his finger on the chief cause of its wastefulness. He noticed that the cane was squeezed between two rollers for only a second, a period so short that the cane at once re-expanded and re-absorbed much juice. He forthwith designed a press, on much the same principle as a hydraulic press, which subjected the cane to severe pressure for two and a half minutes, until every drop of juice had left the fibres, almost doubling the output of the old machinery. For success in this task Bessemer declares himself indebted to a golden ignorance. He says: “I had an immense advantage over many others dealing with the problem under consideration, inasmuch as I had no fixed ideas derived from long-established practice to control and bias my mind, and did not suffer from the too-general belief that whatever is, is right. Hence I could, without check or restraint, look the question steadily in the face, weigh without prejudice or preconceived notions, all the pros and cons, and strike out fearlessly in an absolutely new direction if thought desirable.”

But in his case ignorance in one field was joined to knowledge in many another field, and there he found weapons wherewith to surmount an old difficulty at a quarter never assaulted before. He continues: “The first bundle of canes I ever saw had not arrived from Madeira a week before I had settled in my own mind certain fundamental principles, which I believed must govern all attempts to get practically the whole juice from the cane; but, of course, there were many circumstances that rendered it[403] necessary to modify first principles, having reference to cost of construction, lightness for easy transit across country, freedom from necessity for repairs, and the like.”

Copyright, London Stereoscopic Co.

The Late SIR HENRY BESSEMER
of London.

Bessemer’s Steel Process.

In the supreme effort of his life Bessemer once more held himself a debtor to his ignorance, to the fact that his mind was unworn by routine and ruttiness. Referring to his attempt to make a cheap metal stronger than cast iron for guns, he says: “My knowledge of iron metallurgy was at that time very limited, and consisted only of such facts as an engineer must necessarily observe in the foundry or smith’s shop; but this was in one sense an advantage to me, for I had nothing to unlearn. My mind was open and free to receive any new impressions, without having to struggle against the bias which a life-long practice of routine cannot fail more or less to create.”

Now appears the genius of the man, showing that if his brain was unoccupied by rules-of-thumb it was full to overflowing with original and sound ideas. He goes on to say: “A little reflection, assisted by a good deal of practical knowledge of copper and its alloys, made me reject all these from the first, and look to iron or some of its combinations, as the only material suitable for heavy ordnance.” Of fascinating interest is the great inventor’s story of how step by step he arrived at his final success. After reciting his preliminary experiments, in an endeavor to remove carbon from pig iron so as to make malleable iron and steel, he says:

“On my return from the Ruelle gun-foundry I resumed my experiments with the open-hearth furnace, when some pieces of pig iron on one side of the bath attracted my attention by remaining unmelted in the great heat of the furnace, and I turned on a little more air through the fire-bridge with the intention of increasing the combustion. On again opening the furnace door, after an interval of half an hour, these two pieces of pig still remained unfused. I then took an iron bar, with the intention of pushing them into the bath, when I discovered that they were merely shells of decarburized iron, showing that atmospheric air alone was capable of wholly decarburizing grey pig iron, and converting it into malleable iron without puddling or any other[404] manipulation. Thus a new direction was given to my thoughts, and after due deliberation I became convinced that if air could be brought into contact with a sufficiently extensive surface of molten crude iron, it would rapidly convert it into malleable iron. Without loss of time I had some fire-clay crucibles made with dome-shaped perforated covers, and also with some fire-clay blow-pipes, which I joined on to a three-foot length of one-inch gas pipe, the opposite end of which was attached by a piece of rubber tubing to a fixed blast pipe. This elastic connection permitted of the blow pipe being easily introduced into and withdrawn from the crucible which, in effect, formed a converter. About ten pounds of molten grey pig iron half filled the crucible, and thirty minutes’ blowing was found to convert this metal into soft malleable iron. Here at least one great fact was demonstrated, namely, the absolute decarburization of molten crude iron without any manipulation, but not without fuel, for had not a very high temperature been kept up in the air furnace all the time this quiet blowing for thirty minutes was going on, it would have resulted in the solidification of the metal in the crucible long before complete carburization had been effected. Hence arose the all-important question: Can sufficient internal heat be produced by the introduction of atmospheric air to retain the fluidity of the metal until it is wholly carburized in a vessel not externally heated? This I determined to try without delay, and I fitted up a larger blast-cylinder in connection with a 20 horse-power engine which I had daily at work. I also erected an ordinary founder’s cupola, capable of melting half a ton of pig iron. Then came the question of the best form and size for the experimental converter. I had very few data to guide me in this, as the crucible converter was hidden from view in the furnace during the blow. I found, however, that slag was produced during the process, and escaped through holes in the lid. Owing to this, I constructed a very simple form of cylindrical converter, about four feet in interior height, sufficiently tall and capacious, I believed, to prevent anything but a few sparks and heated gases from escaping through a central hole made in the flat top of the vessel for that purpose. This converter had six horizontal tuyères arranged around the lower part of it; these were connected by six adjustable[405] branch pipes, deriving their supply of air from an annular rectangular chamber, extending around the converter.

“All being thus arranged, and a blast of 10 or 15 pounds’ pressure turned on, about seven hundred-weight of molten pig iron was run into the hopper provided on one side of the converter for that purpose. All went on quietly for about ten minutes; sparks such as are commonly seen when tapping a cupola, accompanied by hot gases, ascended through an opening on the top of the converter, just as I had supposed would be the case. But soon after a rapid change took place; in fact, the silicon had been quietly consumed, and the oxygen, next uniting with the carbon, sent up an ever-increasing stream of sparks and a voluminous white flame. Then followed a succession of mild explosions, throwing molten slags and splashes of metal high up into the air, the apparatus becoming a veritable volcano in a state of active eruption. No one could approach the converter to turn off the blast, and some low, flat, zinc-covered roofs, close at hand, were in danger of being set on fire by the shower of red-hot matter falling on them. All this was a revelation to me, as I had in no way anticipated such violent results. However, in ten minutes more the eruption had ceased, the flame died down, and the process was complete. On tapping the converter into a shallow pan or ladle, and forming the metal into an ingot, it was found to be wholly decarburized malleable iron. Such were the conditions under which the first charge of pig iron was converted in a vessel neither internally nor externally heated by fire.”

First Bessemer Converter and Ladle.
A, external elevation. B, vertical section during an in-pour of metal. C, during a blow. F, E, ladle with discharge valve at bottom. H, tuyères. G, bottom with tuyères.
From “Sir Henry Bessemer: an Autobiography,” by permission of Engineering, London.

The narrative continues with details of further masterly experiments until the new process was turning out steels of excellent quality, containing any desired fraction of carbon, at a cost of but six to seven pounds sterling per ton as against fifty to sixty pounds by the methods which Bessemer laid upon the shelf. His predecessors had made forty to fifty pounds of steel at a time in small crucibles, he made five tons in twenty minutes. In his magnificent simplification Bessemer at a stroke dismissed a long series of troublesome processes long believed to be as unavoidable as winter’s cold. He did away with the smelting of pig iron, the rolling, shearing and piling of bars, and the heating furnace. From the beginning of the Bessemer manufacture to[406] the present hour, its main output has been rails for railroads. In this single service the debt due to Bessemer surpasses computation, for his steel has as least six-fold the durability of the iron it has replaced. A rail laid at Crewe Station in 1863, weighing twenty pounds to the yard, was turned in 1866 and taken up in 1875; it was estimated that 72,000,000 tons had passed over it, while the greatest wear of its tables was but .85 inch.

[407]

Bessemer did not at once enter upon success in the practical application of his process. British pig iron, with which he dealt, abounded in phosphorus, an element which he could not drive out, and which made his steels faulty. It was only when, at length, he obtained pure pig iron from Sweden that he was able to supply the market with pure, soft malleable iron, and with steels of various degrees of hardness. In a sequel, full of interest, he sketches the shrewd means by which he secured a handsome fortune from his great invention, for Bessemer had remarkable business ability as well as inventive genius. His labors in steel-making obliged him to neglect his devices in the plate-glass manufacture which, despite their merit, were also neglected by the producers of plate-glass. He remarks: “The simple fact is that an invention must be nursed and tended as a mother nurses her baby, or it inevitably perishes.”

Bessemer’s Versatility.

So far from finding it gainful to concentrate his mind on a single problem, ignoring every other, Bessemer delighted in pursuing a wide variety of experiments, especially before his engrossing responsibilities in the manufacture of steel. In glass-making he introduced some notable improvements. He tells us: “In going over a glass-works I had noticed what I, at the moment, thought was a great oversight in the mode of proceeding. The materials employed, namely, sand, lime and soda in ascertained quantities, were laid in heaps upon the paved floor of the glasshouse, and a laborer proceeded to shovel them into one large heap, turning over the powdered materials, and mixing them together; a certain quantity of oxide of manganese was added during the general mixing operation, for the purpose of neutralizing the green color given to glass by the small amount of oxide of iron contained in the sand. The materials were then thrown into the large glass pots, which were already red-hot inside the furnace. What appeared to me to be wanting in this rough-and-ready operation was a far more intimate blending of these dry materials. A grain of sand lying by itself is infusible at the highest temperature attainable in a glass pot, and the same may be said of a small lump of lime; but both are soluble in alkali, if it be within their reach. These dry powders do not make excursions in a glass pot[408] and look about for each other, and if they lie separated the time required for the whole to pass into a state of solution will greatly depend on their mutual contact. In such matters I always reason by analogy, and look for confirmation of my views to other manufactures or processes with which I may happen to have become more or less acquainted. I may here remark that I have always adopted a different reading of the old proverb, ‘A little knowledge is a dangerous thing’; this may indeed be true, if your knowledge is equally small on all subjects; but I have found a little knowledge on a great many different things of infinite service to me. From my early youth I had a strong desire to know something of any and all the varied manufactures to which I have been able to gain access, and I have always felt a sort of annoyance whenever any subject connected with manufacture was mooted of which I knew absolutely nothing. The result of this feeling, acting for a great many years on a powerful memory, has been that I have really come to know this dangerous little of a great many industrial processes. I have been led to say this so as to illustrate my observations on the extreme slowness of the fusion of glass by an analogy in the manufacture of gunpowder. I have shown it impossible for the dry powdered materials employed in the manufacture of glass to react chemically upon each other when they are lying far apart. Now if I take the three substances, charcoal, nitre and sulphur, of which gunpowder is composed, and break them into small fragments, then shake them loosely together, and put a pound or two of this mixture on a stone floor and apply a match, the nitre will fizzle briskly, the sulphur will burn fitfully or go out, and the charcoal will last several minutes before it is consumed. If, instead of this crude and imperfect mixture, we take the trouble to grind these ingredients under edge-stones into a fine paste with water, and then dry and granulate it, we have still the precise chemical elements to deal with which we ignited on the stone floor; but they now exist in such close and intimate contact as instantly to act upon each other, and a ton or two of these otherwise slow-burning materials will be converted into gas in the fraction of a second. The inference was simple enough, namely, to grind together the materials required[409] to form glass, and when the heat of the furnace arrives at the point where decomposition takes place, the whole will pass into the fluid state much more quickly, and will yield a much more homogeneous glass than is obtained in the usual manner.”

Improves the Drying of Oils.

Bessemer one day paid a visit to the works of his friends, Hayward and Company, London, manufacturers of paints and varnishes. He was struck with the wastefulness and imperfection of the time-honored process of drying oils in an iron pot over an open fire; a crude method always attended with danger, and not seldom with a complete loss of the heated oil. As he walked through the works there occurred to him a much better plan which he at once embodied in a sketch. His ideas were put into practice by his friends, to their lasting profit. Instead of a small charge of two or three gallons heated over an open fire, he suggested that fifty or sixty gallons should be run into a tank, in the bottom of which was a pipe terminating in a large rose-head. Connected with this pipe was a coil that could be heated to any desired temperature, and air could be forced through this coil, escaping through the rose-head into the oil. The exact degree of heat required could be thus maintained, and the process completed with certainty and safety, without waste, and, above all, with no discoloration of the oil. This method, carried to a further degree of oxidation, is the foundation of the vast linoleum industry throughout the world.

Alfred Nobel and His Explosives.

It was in trying to make guns of a new strength that Sir Henry Bessemer entered the path which enabled him to make steel at little more cost than cast iron. It was in providing guns with explosives of new power that Alfred Nobel won both distinction and fortune. As in the case of Sir Henry Bessemer, his gifts have inured vastly more to the service of peace than of war. It is estimated that during the Civil War, 1861-65, more explosives were used in the United States by civil, railroad, mining and quarrying engineers than in the field of battle. Chief of these explosives was gunpowder; nitro-glycerine, though well known, had then little or no acceptance, for good reasons. How[410] its defects were overcome is told by Mr. Henry de Mosenthal in an article on Alfred Nobel, in the Nineteenth Century Magazine, London, October, 1898. By the editor’s kind permission that article is here freely drawn upon.

Nitro-glycerine, discovered by Sobrero in 1847, is made by treating glycerine with a mixture of nitric and sulphuric acids; it is poisonous, very sensitive to a shock, and most dangerous to handle. Being liquid it runs into the fissures of rock when poured into a bore-hole, and requires to be carefully confined that it may explode when ignited by means of a simple fuse. Nobel tried to overcome these deficiencies, first by mixing the liquid with gunpowder, and then by adding fluids which rendered it non-explosive, so that it could be safely transported, the added liquid being removed just before use; he also suggested confining it in a tube having the shape of a bore-hole, and firing it by means of a small gunpowder cartridge or primer. But all this did not avail, and accidents occurred so frequently that the use of the blasting oil was prohibited in Belgium, in Sweden, and later on in England. A vessel carrying some cases shipped from Hamburg and bound for Chili was blown up, and the event caused such a sensation that it seemed as if the use of nitro-glycerine would be prohibited the world over. In the meantime, however, Nobel had solved the problem of its safe use, and at the end of 1866 he had invented a compound, which he called dynamite, made by mixing the nitro-glycerine oil with porous absorbing material, thus converting it into a paste. Dynamite proved on experiment to be comparatively insensitive to a shock or a blow; it burnt when ignited, and could be properly exploded only by means of a powerful detonator fixed to the end of the fuse and inserted into the plastic explosive.

The invention of dynamite marks an epoch in the history of civilization. In judging of the degrees of culture of a people, we are guided to a great extent by the kind of roads and waterways they have constructed, and by the facility with which they have obtained metals and applied them to the arts. The Romans constructed excellent roads on the level, but in the mountains they could only make narrow and very steep paths. Canals and[411] cuttings were made with great sacrifice and labor, and only where the soil was soft. Thus Suetonius states that in order to make a cutting about three miles long to drain the Lacus Fucinus, the Emperor Claudius employed 30,000 men for eleven years. In the sixteenth century road making and mining were scarcely more advanced. It took 150 years, ending with 1685, to mine five miles of gallery in the Hartz mountains. Although blasting with gunpowder dates back to the seventeenth century, it did not come into general use until about the middle of the eighteenth century, at which time the total cubage mined in Great Britain amounted to little more than of a large railway cutting at the present day. The use of gunpowder gave a great impetus to mining and public works, but it was only the introduction of railways, and the necessity of laying the lines on easy gradients, which raised blasting to a science. The introduction of dynamite, thrice as powerful as gunpowder and much more reliable, entirely revolutionized that science, and made it possible to execute the gigantic engineering works of our time, and brought about that prodigious development of the mining industry of the world which we have witnessed since 1870.

Nobel Profits by an Accident.

Dynamite is combined with twenty-five per cent. of inert matter as an absorbent; for this large proportion of unexploding substance, Nobel sought an active substitute. This, he thought, might be a substance which would dissolve in nitro-glycerine so as to form a homogenous paste. Now for a sagacious experiment with a liquid brought to his hand by accident. Whilst experimenting in search of such a material, he one day cut his finger and sent out for some collodion to form an artificial skin to protect the wound; having used a few drops for that purpose, it occurred to him to pour the remainder into some nitro-glycerine, and he thus discovered blasting glycerine, which he patented in December, 1875. Collodion is made by dissolving a gun-cotton in a volatile solvent, a mixture of ether and alcohol, and Nobel suggested that the viscous substance thus obtained should be mixed with the nitro-glycerine so as to form a jelly. On further experiment the jelly was dispensed with, and blasting gelatine[412] was made, as it is now, by warming the nitro-glycerine, and adding about eight per cent. of a gun-cotton which was found to be soluble in nitro-glycerine. The new explosive, half as strong again as dynamite, was too violent to be applicable to any but the hardest rock. Nobel, however, discovered how to moderate its action, and gelatine dynamite and gelignite were manufactured by the addition of saltpetre and wood-meal to a blasting gelatine of less consistency than that employed without such admixture. Blasting gelatine was used in large quantities in the piercing of the St. Gothard tunnel, where the rock was so hard that no satisfactory work could be done without it. Since then the use of the gelatine explosives has increased more and more, and in some countries they have entirely superseded dynamite.

Nobel Invents Smokeless Powder.

The smokeless powder which Nobel originated was based on his discovery that by means of heated rollers he could incorporate with nitro-glycerine a very high percentage of that soluble nitro-cellulose, or gun cotton, which his factories were using in the manufacture of blasting gelatine. Blasting gelatine altered by means of moderating substances, had been tried in guns and had burst them. Nobel now found that if the nitrated cotton was increased from eight to about fifty per cent. he obtained a powder suitable for firearms. The progress in the construction of weapons, and especially the introduction of quick-firing guns, made it necessary to have smokeless powder, while higher velocities demanding straighter paths for projectiles could be attained with new arms resisting high pressure. Whilst in quest of such a powder, Nobel perfected several methods for regulating the pressure in guns, and modifying the recoil. It was in the beginning of 1888 that he invented his well-known smokeless powder, or ballistite. His discovery that the two most powerful shattering explosives, nitro-glycerine and gun-cotton, when mixed in about equal proportions, would form a slow burning powder, a propulsive agent with pressures which would exceed the resistance of modern weapons, caused astonishment in technical circles. Nobel submitted his powder to the British Explosive Committee, which found that instead of employing the[413] variety of gun-cotton which is soluble in nitro-glycerine with the aid of heat, the insoluble kind could be used provided an assistant solvent could be added; and that the manufacture could be carried on at lower temperatures than those necessary in producing other explosives. The powder thus obtained was cordite, and this they recommended for adoption.

Nobel, Bodily Weak, was Strong in Mind and Will.

Physically weak, of nervous, high strung and exceptionally sensitive disposition, Nobel was endowed with a strong will, unbounded energy, and wonderful perseverance; he feared no danger and never yielded to adversity. Many would have succumbed under the misfortunes which befell him, but the succession of almost insurmountable difficulties, the explosion of his factory, causing a general scare and dread of the deadly compound he was making, the loss of his younger brother, to whom he was devotedly attached, the consequent paralysis of his father, and his mother’s grief and anxiety, could not deter him from pursuing his aim. His temerity frequently verged on foolhardiness, as when he was going to his father’s works one day at St. Petersburg, and finding no boat to take him across the river, he swam to the opposite bank of the Neva. The co-existence of impulsive daring with sensitive timidity was a striking feature in his character. He frequently demonstrated the value and safety of his explosives with his own hands, although he was particularly susceptible to headaches caused by bringing nitro-glycerine in contact with the skin; these headaches affected him so violently that he was often obliged to lie down on the ground in the mine or quarry in which he was experimenting. On one occasion when some dynamite could not be removed from a large cask he crept into it and dug the explosive out with a knife. Many other incidents could be related of the fearlessness he displayed when the success of his invention depended entirely upon his demonstrations of its safety, which in those days had not yet been thoroughly proved.

Nobel died in 1896, at the age of 63; after providing legacies to relatives and friends he left about $12,000,000, its income to be annually divided into fifths, each fifth to be awarded for the most important discovery or improvement in chemistry, physics, physiology,[414] or medicine, and for the work in literature highest in the ideal sense. In distributing these prizes no considerations of nationality prevail.

Invention Organized.

In these days of organization, the career of the inventor takes on a new breadth. If his ideas are sound, poverty need be no bar to his success. To-day a man of proved ability who entertains an idea for a new machine, engine, or process may choose among the great firms or companies interested in the field he would enter. His plans are then canvassed by competent critics; if his suggestions harbor a fallacy it is pointed out; if his aims, though feasible, would be unprofitable, they are left severely alone. Perhaps in essence his schemes are good, but need modification; this is duly supplied. Instead of working all alone in twilight or darkness, the inventor now takes up experiment with the aid of carefully chosen assistants, with amassed information as to what others have done in the same path, both at home and abroad.

When an inventor is an Edison, as remarkable in executive ability as in creative power, it is he who organizes, as a general, the forces which test his ideas and perfect such of them as prove sound. Let Edison imagine a new storage battery; forthwith he enlists a corps of chemists and metallurgists, engineers and mechanics, and keeps them busy attacking the difficulties of his quest mechanical, chemical, electrical. What if his mathematics go no further than arithmetic, are not masters of the calculus to be engaged on moderate terms in every university town? His personal command of the pencil falls far short of the facility of professional draftsmen who, at reasonable salaries, will turn out plans and elevations quickly and accurately. His staff, bound to him by affection and pride as with hooks of steel, are the fingers of his hands to win triumphs which neither he alone, nor his men by themselves, could ever accomplish.

It has been solely by organized ability, unfaltering faith in ultimate success, and massed capital, that the steam turbine has become the rival of the steam engine of Watt. A vast sum, expended during nine years, was required to perfect its delicate and exacting mechanism. One day a young engineer saw it whirling away at high speed; with the efficiency of the gas engine in mind,[415] he asked, “Why not drive a turbine by gas instead of by steam?” He took his idea to a leading manufacturing concern; it was approved, and now that young inventor is attacking the difficulties, neither few nor small, which stand in the way of building an effective gas turbine.

Great Combinations Create New Opportunities.

In these latter days new doors are opened to ingenuity by the comprehensiveness of great industries, by the huge scale on which they conduct their business. A country blacksmith is served well enough by a hand-blown bellows; at the Homestead Steel Works the blowing machinery has been designed by the best engineering talent in America. When the output of a trust, or even of a single company, rises to scores of millions of dollars every year, it is worth while to measure how far moisture in a blast may do harm, and adopt the elaborate plans of Mr. James Gayley for drying air before sending it into a furnace. Take an example of how the United States Steel Company has planned every detail betwixt mine and mill. Each lake carrier, of immense size, has its hold so curved that automatic clam-shells lift ten tons of ore at each descent, shoveler and shovel being dismissed. Vessels and docks dovetail into one another. The car-lengths, as a freight train stands on its track, correspond to the distance between one steamer-hoist and the next. In like fashion every link in the chain is devised to save every possible foot-pound of energy, every dispensable moment of time. Capital, always cheaper than labor, is expended with both hands, and in no direction more liberally than in setting at work the inventor of economical devices, and his twin brother, the organizer, who deals with the whole industry as a single mechanism to be reduced to the lowest working cost and the highest ultimate efficiency.

Team-Work in Research and Invention.

During 1904 the General Electric Company at Schenectady, New York, perfected for the New York Central & Hudson River Railroad an electric locomotive such as will be used for passenger service between New York and Croton. That locomotive, far outvying anything else that ever before moved on wheels, was created by a council of locomotive builders, electricians, engineers, and mechanics. Some of the plans which they adopted[416] with success had failed in times past. Each motor was made part and parcel of the axle it turns, a directness of construction which had never before proved to be feasible. Usually an electric motor has many magnetic poles; the motors in this locomotive have each only two poles.

On much the same lines this Company is constantly experimenting with a view to cheapen and improve electric lighting. Every filament, every luminous rod or vapor, as newly devised, is tested and modified by as acute a band of investigators as exist in the world, with all the benefit of daily conference and mutual aid.

Group Attack.

In such fields as those of the cheapening of light and motive power, the utilization of electricity, the production of metals, it would seem that the day of the solitary researcher or inventor is drawing to a close. To-day the man of original ideas, of combining faculty, of uncommon deftness, of rare visual accuracy, is mated with his peers for a group attack on a many-sided problem where each man’s resources will find their special play. In untiring labor at the bench and lathe, at the muffle and the test tube, one experiment follows another, all duly compared, judiciously varied and advanced as indication may suggest. Thus the fences which extreme specialization have set up are surmounted, each worker supplements the deficiencies of his fellows, and all join hands to take by assault a citadel that might forever defy single attack.


[417]

CHAPTER XXVIII
COMPRESSED AIR

An aid to the miner, quarryman and sculptor . . . An actuator for pumps . . . Engraves glass and cleans castings . . . Dust and dirt removed by air exhaustion . . . Westinghouse air-brakes and signals.

Some recent noteworthy advances of invention have been due to co-operation by many workers, not however on such lines of definite group attack as have just been remarked. Among these advances may be chosen for rapid survey the applications of compressed air, of plain and reinforced concrete, the economy of power-production and of fuel for whatever purpose employed. Let us begin with compressed air.

Compressed Air. In Effect Cold Steam for Driving Hammers, Drills, and Picks.

Hammers, drills, and picks, all working by percussion, are among the most effective tools. They may be attached to a steam piston, as are Nasmyth hammers and common quarry drills, yielding a much cheaper product than does hand labor. In many places where it is not feasible to use steam in this direct and most economical way, it is best to employ compressed air which works much as steam does, so that a motor or a drill with no change of build may be operated by one or other motive power at will. Compressed air, unlike steam, may be taken long distances without condensation; in tight receivers it may be kept without any loss as long as we like, and used in mines and tunnels where steam heat would be a nuisance, or where electricity would be unsafe. Electrical drills and cutters, moreover, are liable to have their insulation harmed by working shocks, and by surrounding grit, sand or chips. In mines after a blast of gunpowder, a direct current from the main pipe quickly freshens the air; at all times the cool, pure breeze from the exhaust pipe is a welcome aid to ventilation. Steam, one of the[418] chief servants of industry, must be kept and used hot. When its energy is used to compress air we have at command a substance with all the working quality of steam, without having to keep it warm. As it toils at common temperatures, we can imagine compressed air to be, in effect, cold steam.

New Ingersoll Coal Cutter.
F, trunnion. B, C, piston rings. A, piston. E, wheel.

Enlarged illustration (68 kB)

Drill steels.

Of late years cutters driven by compressed air have been largely adopted throughout the coal mines of the United States. A cutter weighing ten pounds, with air at seventy-five pounds behind it, strikes a blow 160 to 250 times a minute, beginning at the floor and making as little slack as a hand pick intelligently wielded. Other tools, in great diversity, actuated in the same way, ask only skill in guidance instead of muscular drudgery. Air drills are used in mines, wells, tunnels, and rock foundations; at will the mechanism impels a hammer instead of a drill. Air riveters build ships and bridges, as well as fasten together the comparatively small plates of boilers and fire-boxes. With a little variation in its form we have a tool which caulks boilers, tanks, and ships. Air-hammers light and strong have revolutionized the art of cutting and carving stone, the force of a stroke being regulated by a[419] touch. Pneumatic hammers are of two kinds: Valveless hammers in which the piston is the hammer, opening and shutting the inlet and exhaust parts; and valve hammers, in which there is a distinct moving valve. Hammers without valves are always short of stroke, and are chiefly used in caulking and chipping. Some of them yield as many as 250 strokes per minute. Valve hammers do not move at this high pace, rarely exceeding thirty-five strokes per minute, but each stroke is comparatively long and forcible for riveting and the like severe work. In the Keller hammer the valve moves longitudinally with the hammer barrel and in the same direction with the hammer piston, instead of in the opposite direction as is usually the case. A blow, therefore, tends to seat the valve all the more firmly, instead of jarring it off its seat. Another result is that the tool works efficiently even when the valve is loosened by much use. This hammer is manufactured by the Philadelphia Pneumatic Tool Co., Philadelphia.

SCULPTOR AT WORK WITH PNEUMATIC CHISEL,
Hughes Granite and Marble Co., Clyde, Ohio.

Haeseler air-hammer.
Ingersoll-Rand Co., New York.

It is interesting to learn from Mr. W. L. Saunders, of New York, how the air-tools just considered were introduced. He says:—

“Mr. McCoy is entitled to the credit of first applying pneumatic tools to heavy work, such as chipping metals, caulking boilers, cutting stone and so on. He was not, however, the originator of the broad idea, as long before he perfected the tool for heavy work it had been used as a dental plugger, a device working compressed[420] air in a cylinder so that a piston struck the end of a tamping tool, used to insert gold into the cavities of teeth.”

Rock drill used as blacksmith’s hammer.
Ingersoll-Rand Co., New York.

A rock drill, on occasion, may serve as a blacksmith’s hammer. The drill, detached from its tripod, is fastened to a vertical support. The ram, duly supplied with compressed air, is fixed in position over the anvil, upon which it descends more frequently if less forcibly than a steam hammer. A rock drill may also serve to drive drift bolts into the timbers of caissons. This task when effected by ordinary sledge hammers is slow and costly, while with compressed air as a servant capital work is done at much lower expense. The drill is provided with handles so as to be readily managed by two men, who place the anvil, with its cupped end, on the head of the bolt to be driven. Pneumatic energy does the rest.

Little Giant wood-boring machine.
Chicago Pneumatic Tool Co.

With dimensions much enlarged an air-driven piston becomes a rammer for foundry sand, for roads and pavements, for tamping the beds of railroads. In foundries a moulder is furnished with a small sand-sifter,[421] vibrated by compressed air; he is now free to use his shovel all the time, so that he does five times as much work as before. Hoists small and large are actuated by the same agency; in every case the mechanism is so simple that rough usage is withstood and repairs, when needed, are easily effected. If a ratchet, a pawl, a bearing, wears out, a new one can be bought at small cost and at once fitted into place. Designers have produced rotary as well as reciprocating air tools; of these a wood-borer is a capital example.

Water lifted by compressed air.

Sometimes it is well worth while to employ compressed air simply as a blast to keep a milling-cutter free from its chips; when the blast is cold, as it usually is, the cutter may turn all the quicker.

Compressed air can do much else than impel pistons of familiar type. In one remarkable device it has put pistons out of business altogether.

Air-Lifts.

Fill a tumbler to the brim with water, take a straw and dip it to the bottom of the glass, blowing as heartily as you can. At once the water overflows because displaced by rising bubbles of air. Instead of a tumbler take a long upright pipe filled with water, send to its base compressed air of adequate pressure, and you have the Pohle air-lift, which carries water into the reservoirs of Fort Madison, Iowa, of Dixon, Illinois, of Asbury Park, New Jersey, and many other towns and villages. On a smaller scale the air-lift brings up water from thousands of wells, rivers, and lakes. Aboard ship it moves water ballast from one compartment to another, so as to give the vessel just the trim or inclination desired. In chemical works it raises liquids so corrosive that no other lifter is feasible. It has no valves or other moving parts to be deranged or hurt in case its stream bears sand or dirt, so that it is a capital drainage pump; after serving[422] thus it may bring sewage to farms and distribute it thoroughly. To be fairly efficient the air-lift requires that two thirds of the length of its upright pipe be immersed below the surface of the liquid to be raised.

Liquids Lifted by Expanding Air.

For oil wells, which may be 2000 or more feet in depth, a lifter not so simple is employed. A pipe, comparatively large, is lowered to the oil. Its base forms a receiver which, at will, may be closed on its earthward side, then through a small inner tube compressed air reaches the oil to force it bodily to the surface of the ground. The Harris pump lifts oil, water, or other liquids with high efficiency: it allows the compressed air after use to act expansively; this helps to drive the compressor; then this expanded air is once more highly compressed, and so recurrently.

Harris system of pumping by compressed air, showing switch. Pneumatic Engineering Co., New York.

A Jack-of-All-Trades.

Compressed air readily moves liquids as masses; it as easily impels them as particles. A lady’s toilet table usually displays an atomizer. Its rubber bulb, sharply squeezed, emits a tiny stream of perfume as a quick air blast breaks a drop of liquid into spray. Magnify this apparatus and you have a painting machine for freight and passenger cars, fences, and out-buildings. Driven as it is with projectile force the pigment penetrates further than if laid on by hand, reaching crannies and crevices which evade a brush. On the same principle Hook’s spraying machine sends Bordeaux mixture into the[423] foliage of an orchard, or delivers a solution of carbolic acid upon the floors, walls, and ceilings of a hospital or a sick-room. Strengthen such a blast and you can elevate, dry, and aerate grain, or lift the culm from a coal heap to a furnace, and then discharge the ashes as they tumble from a grate. Where stretches of water are sandy and muddy, compressed air dredges a channel by stirring up deposits at the bottom.

Removing Dust and Dirt.

An air compressor reversed in direction is an air exhauster, such as we find carrying money in department stores. The powerful in-draft of this apparatus, often drawing large pieces of paper or card into the pipes, has led to the invention of a means of removing dust and dirt, admirable in thoroughness. A receiver, shaped to suit its special task, is passed over pictures and their frames, upholstery, carpets or bare floors, and through the flexible pipe attached to its handle, dust and dirt are borne into a reservoir where they are caught by water for due removal. Ordinary sweeping with a broom, the usual wielding of a feather duster, or a blast of compressed air, but stir up dust and dirt for harmful redistribution. This “vacuum” cleaning method takes dust and dirt wholly away, and with wonderful celerity. See picture opposite page 164. It is astonishing to see a pound of fine flour removed from a thick carpet in twelve seconds, leaving behind not one visible particle. This plan cleanses carpets without their being lifted from floors, or a billiard cloth just as it stands on a table. This service greatly promotes health; the further the physician goes with his microscope the more convinced is he that dust is one of the chief carriers of disease.

Hardie nozzle for painting by compressed air.

Not only dust but sand may be borne when a breeze rises to a gale.

[424]

Sand-blast.

In Lyell’s Bay, near Wellington, New Zealand, and in many other places throughout the world, flints have been found so beautifully and symmetrically polished that they were at first believed to be products of art, yet nothing but wind-blown sand had given them form. Fifty years ago globes for gas jets were frosted by a handful of sand quickly thrown from side to side for a few minutes. Strange to say, gunnery was to supply the link to carry sand to labors of much greater moment.

Vacuum renovators for carpets and upholstery.

General B. C. Tilghman, of Philadelphia, one day noticed the much worn touch-hole of an old bronze cannon. He felt sure that the wear had been due not so much to outflowing gases as to bits of unburnt powder driven out at each discharge, identifying this abrasion with the roughening of glass in windows facing sandy shores of the sea. In 1870 he began experiments by blowing sand jets with a fan, soon discovering that he had hit upon a cheap and easy means of frosting glass, carving stone, and scouring castings. He was astonished to find that sand readily pierced materials harder than itself, as corundum and toughened steel. To-day the sand-blast executes many new tasks: it resurfaces stone buildings which have become discolored and grimy; it cleanses metallic surfaces for the welder, the electroplater, the enameler; it renews files and rasps; it removes scale from boilers, paint and rust from steel bridges and other structures. The apparatus manufactured by Mr. C. Drucklieb, of New York, designed much in the form of a steam injector, employs air at a pressure of about twenty pounds to the square inch.

Air Compressors.

Compressed air is at work on so large a scale that its economical production and use are matters of consequence. Mechanism for both purposes, of the best design, involves a few simple principles.[425] Suppose we have a cylinder, fourteen inches long, and that with a piston we force the contained air within one inch of its base, so as to occupy 114 of its original volume. This act of compression, which we will imagine to be all but instantaneous, will heat the air through 613° Fahr., so that if at 60° when the operation begins, the air will be 673° at the end. Suppose, further, that this air parts with no heat to surrounding metal, and that the piston moves without friction; the compressed air on being allowed to expand will return all the work expended in compression, and resume its first temperature, 60°. If air would serve us in this ideal way, we would have an agent with all the good points of steam and none of its drawbacks. In actual practice several items left out of our imaginary picture must be reckoned with. Air heated in compression quickly warms surrounding masses and has to be cooled when sent off on distant errands, losing much working power in the process. The very act of compression retards itself: the air, because heated, has additional elasticity for the compressor to overcome.

Injector sand-blast.
C. Drucklieb, New York.

Plainly, the engineer should begin by sending into his compressor air as cool as possible, and during compression he should keep the temperature of the air as low as he can. Moderate pressures, to fifty pounds per square inch or so, may well be effected at a single stroke, the air as it issues from the compressing cylinder passing through pipes immersed in cold water, a similar chilling stream being sent around the cylinder walls themselves. This air at fifty pounds, duly cooled, may now, if we wish, be brought to say 100 pounds pressure in a second cylinder; its output[426] is in turn cooled as before by conveyance through pipes bathed in cold water. The more thorough the cooling, the less moisture will the air contain to give trouble afterward by condensing in pipes or machinery. If a pressure higher than 100 pounds to the square inch is in request, a third compressor may be linked to the second. In some installations, where extreme pressures are attained, four-fold apparatus is employed; its chief economy rests in cooling the air at four distinct stages, greatly diminishing the work which otherwise would have to be wastefully done.

Vertical receiver, inter- and outer-cooler. Ingersoll-Rand Co., New York.

With the energy of steam economically converted into the energy of compressed air, the engineer sends his new servant as far as he pleases. Let us imagine that a mile off he wishes to drive a gang of saws. He will soon notice that the exhaust pipe is very cold, and if the compressed air was not well dried as produced, its moisture will now be deposited not as water merely, but as frost to check the machinery. This is because air, like steam, falls in temperature as it expands at work; that fall measuring the heat-equivalent of the work performed. For the chill which the engineer observes, he has a simple remedy; he surrounds the air pipe, as it enters its machinery, with a small heater, fed with coke, coal, or oil. At once all frost vanishes, and the air with added elasticity is vastly more effective than before. By no other means can so much work be won from fuel as through this device. In some[427] cases a heater has yielded 1.25 horse power for an hour in return for each pound of coal it has burned.

In producing compressed air, inventors step by step have kept in view the best steam practice. It was long ago observed that working steam when wholly expanded in one cylinder chills itself, imparting its chill to the cylinder walls so that they seriously cool the next charge of steam, lowering its value for motive power. In a multiple expansion engine of four successive cylinders, each in turn receives the steam, which with thorough jacketing is maintained at the highest temperature possible. Keeping to converse lines the compressor divides its task into stages, at each of which a desired change of temperature can be easily effected. With steam this change consists in adding heat; with compressed air it consists in abstracting heat.

A Centralized Air Plant.

Thirty miles from Cleveland, at North Amherst, Ohio, is the largest sandstone quarry in the world. Its owners, the Cleveland Stone Company, in their original plant employed steam from no fewer than forty-nine boilers, all machinery, including drills and channelers, being driven by steam. In January, 1904, this was replaced by a centralized air plant which has resulted in marked economy. In the power-house four water-tube boilers, each of 257 horse-power rated capacity, drive compound compressors which deliver air at about 100 pounds pressure. This air, duly piped, is distributed to drills, channelers, hoists, pumps, saws, grindstones, forge fires, and so on. Economies, familiar in electrical centralization, are here paralleled in an interesting way. In the working day not a moment is wasted. When the whistle blows the full working pressure is ready to begin work and maintain duty until night. There is no fluctuation of pressure due to careless boiler attendance; no wheeling coal or water barrels to keep pace with advancing channelers. Some of the old boilers, discarded from steam service, are used as air receivers, these and other reservoirs, together with the pipe line itself, unite their immense storage capacity so that throughout the day there is no peak load. Incidentally the new plant renders the quarry free from smoke-laden steam such as of old darkened its air and soiled its output. Fuel[428] and labor under this system were reduced one half when a month of the old service was compared with a month of the new. In one case steam is used for power outside of the main plant. Close to the power-house is a mill where eleven gang saws are driven by a steam engine of 175 horse-power. The nearness of this engine to the boilers ensures a somewhat higher economy than if compressed air were employed. Here, as everywhere else, the engineer engages whatever servant will do good work at the lowest wages.

Westinghouse Air Brakes and Signals.

By all odds the most important use of compressed air is that developed by Mr. George Westinghouse, of Pittsburg, in his automatic brakes for railroads. For each locomotive he provides an air compressor which fills in the engine itself, and beneath each car, a reservoir of compressed air. Every reservoir aboard a long train in rapid motion may at the same instant, by a touch from the engine-runner, actuate the brakes so as to stop the train in the shortest possible time. This invention has accomplished more for the safety of quick railroad travel than any other device; no wonder, then, that Westinghouse brakes are in all but universal use. They are now being adopted for trolley-cars which often require to be stopped in the briefest possible period. The Westinghouse Company builds and installs elaborate signal systems worked by compressed air and electricity. All these are described and pictured in the “Air Brake Catechism,” by Robert H. Blackall, published by N. W. Henley & Co., New York. This book is constantly appearing in new editions, of which the reader should procure the latest.


[429]

CHAPTER XXIX
CONCRETE AND ITS REINFORCEMENT

Pouring and ramming are easier and cheaper than cutting and carving . . . Concrete for dwellings ensures comfort and safety from fire . . . Strengthened with steel it builds warehouses, factories and bridges of new excellence.

Stone and wood in the builder’s hands require skill and severe labor for their shaping; vastly simpler and easier is the task of molding a wall from wet clay, or other semi-plastic material. It was long ago discovered that certain mixtures of clay and sand, duly mingled and burned, became as hard as stone. To this discovery we owe, among other arts, that of brick-making. In joining brick to brick, or stone to stone, a mortar of uncommon strength was used by the Romans. All by itself, when laid a little at a time, it formed a strong and lasting structure. Then it occurred to some inventive builder, Why not save mortar by throwing into it gravel and bits of broken stone? He accordingly reared a wall of what we should now call rude concrete, whose lineal descendant to-day is a semi-plastic mass of Portland cement, sand, and gravel or broken stone, together with the necessary water. Its use allows the ease and freedom of pouring, while affording structures with all the strength of stone or brick.

For much of the early work lime and sand were mixed to make a mortar of the usual kind, in which stone or gravel was embedded. Afterward it was found that volcanic ashes, such as those of Puzzuoli near Naples, formed with lime a compound which resisted water and was therefore suitable for structures exposed to damp or wet. In the middle ages concrete was employed throughout Europe, after the Roman fashion, for both[430] foundations and walls. In walls it was usually laid as a core faced with stone masonry, large stones often being embedded in the mass. About 1750, while building the third Eddystone Lighthouse, John Smeaton discovered that a limestone which contained clay, when duly burnt, cooled, ground, and wetted, hardened under water, was indeed a natural cement, by which name it is still known. Deposits suitable for the direct manufacture of natural cement were in 1818 discovered in Madison and Onondaga Counties, New York, by Canvass White, an engineer who used this cement largely in building the Erie Canal. Natural cement has a powerful rival in Portland cement, due to Joseph Aspdin, of Leeds, who in 1824 mixed slaked lime and clay, highly calcined. The resulting clinker when ground, and only when ground, unites with water, the strength of the union increasing with the fineness of the grinding. Because this product looks like Portland stone, much used in England, it was given the name of Portland cement. The raw materials suitable for making it are widely distributed throughout North America, much more widely than those from which natural cement may be had. This is the principal reason why Portland cement is now produced in the United States in about six-fold the quantity of natural cement.

So rapidly has concrete grown in public favor with American builders that in 1905 they used seven-fold as much as in 1890. It has been widely adopted for pavements, as at Bellefontaine, Ohio; for breakwaters, as at Galveston and Chicago; for tunnels, as in more than four miles of the New York Subway. The foundations beneath the power-house of the Interborough Rapid Transit Company, New York, required 80,000 cubic yards; for the new station of the Pennsylvania Railroad Company, New York, a much greater quantity is being employed; in their turn these figures will be far exceeded by the needs of the new Croton Dam for the water supply of New York, and the Wachusett Dam for the water supply of Boston.

Concrete silo foundation, Bricelyn, Minn.

Concrete silo, Gedney Farms, White Plains, N. Y.

Concrete has long been adopted for a variety of less ambitious purposes. At St. Denis, near Paris, it was many years ago molded into a bridge of modest span. It has formed thousands of dwellings in factory and mining villages and towns, as well as many villas of handsome design. It is particularly well adapted[431] for silos, as here illustrated.[36] All this expansion of an old art has been stimulated by a steady reduction in the price of Portland cement, and by constant improvement in its quality. As the manufacture has expanded, its standards have risen, its machinery has become more economical and trustworthy in results. While the cost of concrete has thus been lowered by a fall in the price of cement, the wages of bricklayers and stone-masons have advanced, adding a new reason for building in concrete, since it requires in execution but little skilled labor. The good points of concrete are manifold; it forms a strong, fire-resisting, and damp-proof structure. For mills and factories another item of gain is that it forms a unit such as might be hewn out of a single huge rock, vibrating machinery therefore affects it much less than it does an ordinary building. At the same time its walls and floors obstruct sound, conducing to quiet. Concrete must be honestly made and used, otherwise, just as in the case of rubbishy bricks,[432] ill laid, it may tumble down from its own weight. And furthermore it is necessary to recognize how widely concretes of diverse composition vary in strength and durability. There should be a careful adaptation in each case of quality to requirement. Concrete walls, as first produced, had a forbidding ugliness; this is being remedied by surfacings of pleasant neutral tones. A well designed residence executed in concrete at Fort Thomas, Kentucky, is shown opposite this page.

[36] The illustration of a silo and its foundation are taken by permission from “Concrete Construction about the Home and on the Farm,” copyright 1905 by the Atlas Portland Cement Co., 30 Broad St., New York. This book of 127 pages, fully illustrated, with instructions and specifications, is sent gratis on request.

In Mr. Edison’s judgment a vast field awaits the concrete industry in building small, cheap dwellings. He once said to me,[433] as he spoke of his cement mill,—“What I want to see is an architect of the stamp of Mr. Stanford White of New York take up this material. Let him design half a dozen good dwellings for working people, all different. Each set of molds, executed in metal, would cost perhaps $20,000. Such dwellings could be poured in three hours, and be dry enough for occupancy in ten days. A decent house of six rooms, as far as the shell would go, might cost only three hundred dollars or so. It would be stereotypy over again and the expense for the models would disappear in the duplications repeated all over the country.”

MANSION IN CONCRETE, FORT THOMAS, KENTUCKY.
Ferro-Construction Co., Cincinnati.

Concrete is now supplied to builders in blocks, usually hollow and much larger than bricks. When cast in sand they look like stone. Of course, subjected as they are to more than ordinary stresses, their production demands special care. The methods, therefore, which are adopted in manufacturing these blocks may be taken as the best practice in the industry broadly considered. Says Mr. H. H. Rice, of Denver:—“The sand employed should be sharp, silicious and clean. The gravel used should contain a fair proportion of as large sizes as can be advantageously employed in the particular machine used. Where gravel is not available, crushed stone takes its place. Care should be exercised to obtain stone as strong as the mortar. What proportions of sand, gravel and broken stone should be mixed together is a question determined by the extent of their voids: these may vary from one third to one half the whole volume. Assuming that we have to deal with the larger fraction, a mixture of 1 cement, 2 sand, 4 gravel, should be employed; this is classified as the lowest grade of fat mixture. At times a lean mixture, 1 cement, 3 sand, 5 gravel, might be advantageously adopted. Where gravel or broken stone is not used, the proportion of cement to sand should be as 1 to 4. A fat mixture has greater tensile strength than a lean mixture, but resistance to compression depends upon a thorough filling of voids. A lean mixture thoroughly worked, proves more satisfactory than a fat mixture with hasty and indifferent handling. With any mixture success is attained only by completely coating every grain of sand with cement, and every piece of stone or gravel with the sand-cement mortar. (See Mr. Umstead’s results, page 240.)

[434]

Wall of two-piece concrete blocks.
American Hydraulic Stone Co., Denver.

In producing concrete blocks there are three different methods, tamping, pressing, and pouring, each adapted to a particular mixture for a special kind of work. Two-piece walls, devised in 1902, deserve a word of description. The pressed blocks of which they are built show the new freedom conferred by concrete as a building material. Each block has a long right-angle arm extending inward from the middle, and a short arm extending from each end. In laying the blocks in a wall no portion of a block extends through the wall. By leaving the exterior vertical joints open to afford a free circulation of air, no part of a block on one side of the wall touches any block from the opposite side; this prevents the passage of moisture and produces in effect two walls, tied by the overlapping arms or webs in alternate courses,[435] and affording in its bond a great resistance to lateral stresses. Blocks in other forms equally useful are steadily gaining popularity.[37]

[37] Mr. H. H. Rice’s first-prize paper on the manufacture of concrete blocks and their use in building construction appeared in the Cement Age, New York, October, 1905. Permission to use his paper and the illustration here presented, both copyrighted, has been courteously extended by the publishers.

Concrete, although widely available to the builder, is in many cases a material he cannot employ. For a store-house, thickness of wall, ensuring an equable temperature, is an advantage; for an office-building, reared on costly ground, this thickness is out of the question. Beams, too, cannot have much length in a material which is only one tenth as strong in tensile as in compressive resistance. Clearly the scope for concrete by itself was to be limited unless it could find a partner able to confer strength while adding but slight bulk. An experiment of the simplest was to be the turning point in a great industry.

Concrete Reinforced by a Backbone of Steel. Joseph Monier, the Pioneer.

Concrete, as one of its minor uses, had often been molded into tubs for young trees and shrubs. In 1867, Joseph Monier, a French gardener, in using tubs of this kind found them heavy and clumsy. By way of improvement he built others in which he embedded iron rods vertically in the concrete, securing thus a strong frame-work which permitted him to use but little concrete, and make tubs comparatively light and thin. Monier was not a man to rest satisfied with a single step in a path of so much promise. Before his day builders had joined concrete and metal, but without recognizing the immense value of the alliance. He proceeded to build tanks, ponds, and floors of his united materials, at length rearing bridges of modest proportions. His work attracted attention in Germany and Austria, as well as at home in France, so that soon reinforced concrete, as it was called, became a serious rival to brick and stone. For two thousand years and more, concrete had been a familiar resource of the builder; to-day with a backbone of steel it fills an important place between masonry and skeleton steel construction, boldly invading the territory of both.

[436]

Ransome bar.

Corrugated steel bar. St. Louis Expanded Metal Fire Proofing Co.

Thacher bar.

Disposal of Steel in Reinforced Concrete.

Reinforced concrete has been thoroughly studied with regard to its properties and the forms in which it may be best disposed. Since the strength of concrete is usually ten-fold greater in compression than in tension, designs should be compressive whenever possible, all tensile strains being carefully committed to the steel. In arched bridges the strains are chiefly compressive, hence the success with which they are executed in reinforced concrete. Mr. Edwin Thacher of New York, eminent in this branch of engineering, sees no reason why spans of 500 feet should not be feasible and safe. Some remarkable discoveries have followed upon experiments with reinforcement diverse in form and variously placed within a mass. To increase the strength of a square steel bar Mr. E. L. Ransome twists it into spiral form; on square steel bars Mr. A. L. Johnson places projections; Mr. Edwin Thacher rolls his steel into sections alternately flat and round. All these contours have large surfaces at which metal and concrete adhere. Reinforcing bars designed by Mr. Julius Kahn and by the Hennibique Construction[437] Company are smooth, and slightly bent from straightness at intervals. In every case the question is, Where will the tensile strength of the steel do most good, because most needed? M. Considere has found that concrete hooped with steel wire has more than twice the resistance of concrete in which an equal amount of steel is centrally placed. In his floor constructions M. Matrai gives steel wires the curves they would take under a load. Keeping to its original lines the Monier reinforcement of to-day consists in a rectangular netting of rods or wires. Somewhat similar is the expanded metal backing invented by Mr. J. F. Golding; it is sheet steel pierced with parallel rows of slits which are expanded until the metal assumes the form shown in an accompanying illustration. A lock woven-wire fabric of galvanized steel wire is made by W. N. Wight & Company, New York, in any desired size of mesh, with an ultimate strength of 116,000 pounds per square inch of metal.

Kahn bar.

Hennebique armored concrete girder.

Monier netting.

[438]

For piling, reinforced concrete is extensively used. Its independence of moisture, its exemption from the ravages of the teredo, render it much preferable to timber for marine work.

Expanded metal diamond lath.

Tree box in expanded steel.

ROYAL BANK OF CANADA, HAVANA.
Built of concrete. Entrance.

Molds for Reinforced Concrete.

Reinforced concrete, like every other new building material, has called forth ingenuity in many ways. When, for instance, a factory is to be reared much inventive carpentry is required to plan and construct the forms, or molds, into which the liquid concrete is to be poured around the steel skeletons. The footings, outside and inside columns, walls, girders, beams, floor-plates, roofs, and stairs all require separate forms, intelligently devised with a view to economy. For the Ingalls Building, Cincinnati, the forms cost $5.85 per cubic yard of concrete in place. White pine is the best wood for the purpose; it is readily worked and keeps its shape when exposed to wind and weather. For common buildings a cheaper wood, spruce or fir, may be chosen; even hemlock will serve if a rough finish suffices.[439] In most cases green lumber is preferable to dry as less affected by water in the concrete. In fine work the boards of which the molds are made are oiled, and may be used over and over again. In all tasks a strict rule is that the reinforcing metal be properly placed and remain undisturbed as work proceeds.

Lock-woven wire-fabric.
W. N. Wight & Co.,
New York.

Buildings of Reinforced Concrete.

The Pugh Power Building, erected for manufacturing purposes in Cincinnati, is a capital example of what can be done with reinforced concrete. It is 68 feet wide, 335 long, and 159 high; its columns are spaced fourteen to seventeen feet longitudinally, twenty to twenty-three feet transversely; the floors are figured to bear a load of 230 pounds per square foot. In the same city is the Ingalls Building, for offices, 100 by 50 feet, and 210 feet high, designed by Mr. E. L. Ransome of New York. Among other structures of his design, executed in the same material, is the St. James Episcopal Church, Brooklyn, New York; buildings for the United Shoe Machinery Company, Beverly, Massachusetts, and piano factories for the Foster-Armstrong Company, Despatch, New York. The inspection shops of the Interborough Rapid Transit Company, West 59th Street, New York, are also of reinforced concrete: no wood is used in wall or roof.

Reinforced concrete forms nine bins in one of the grain elevators of the Canadian Pacific Railway at Port Arthur, Ontario, on the shore of Lake Superior. The walls are nine inches thick, reinforced horizontally and vertically to a height of ninety feet and a diameter of thirty feet. There are also four intermediate bins, the whole thirteen holding 443,000 bushels. At South Chicago the Illinois Steel Company has built four similar bins for the storage of cement, each twenty-five feet in diameter and fifty feet high, with walls five to seven inches thick.

[440]

Many chimneys have been built of the new material; notably the chimney for the Pacific Coast Borax Company, Bayonne, New Jersey, 150 feet high, with an interior diameter of seven feet. These dimensions are exceeded at Los Angeles, California, where a chimney for the Pacific Electric Company rises 174 feet above its foundations, with an inside diameter of eleven feet. Both structures have hollow walls of the Ransome type reinforced horizontally and vertically.

That reinforced concrete serves to build chimneys and flues is proof of its fire-resisting quality. Concrete is a slow conductor of heat, and both it and steel have almost the same slight expansibility as temperatures rise, so that they remain together in a fire. Terra cotta, which expands much more than steel when heated, cracks off from the metal it was intended to protect, leaving it to bend or fuse in a blaze. Concrete, furthermore, behaves well when its temperature is suddenly lowered, as when a fireman dashes a stream of water upon it at a fire. No wonder, then, that the reinforced concrete is more and more in request in cities as the material for buildings rising higher and standing more thickly on the ground than did buildings of old. In the great fire in San Francisco, April, 1906, reinforced concrete withstood extreme temperatures much better than any other material. It will be largely used in rebuilding the city.

Column form, Ingalls Building, Cincinnati. A, A, yokes. B, B, spacing pieces. From “Reinforced Concrete.” A. W. Buel and C. S. Hill. Copyright, Engineering News Publishing Co., New York, 1904.

Resistance to Fire and Rust.

Frequently the question is asked, Is the steel in reinforced concrete[441] liable to corrosion, so that its walls are likely to become weak and insecure after a few years? With careful planning and faithful workmanship the results prove to be worthy of confidence. Professor Charles L. Norton of Boston has taken steel, clean and in all stages of corrosion, and embedded it in stone and cinder concrete, wet and dry mixtures, in carbon dioxide and sulphurous gases; other specimens were intermittently exposed to steam, hot water, and moist air for one to three months. Duly protected by an inch or more of sound concrete the steel was absolutely unchanged while naked steel vanished into streaks of rust. Mr. Ransome says that in tearing up a stretch of sidewalk in Bowling Green Park, New York, in use twenty years, some embedded steel rods were found in perfect condition. The Turner Construction Company, of New York, exposed concrete blocks in which steel bars were embedded, and laid them on a beach at low tide where they were covered by salt water three or four hours every day; after nine months’ exposure the blocks were broken disclosing the bars free from rust. Professor Spencer B. Newberry records that a water main at Grenoble, France, built on the Monier system, twelve inches in diameter, eighteen inches thick, containing a framework of 116 and 14 inch steel rods, was found perfectly free from rust after fifteen years’ service in damp ground. He also states that a retaining wall of reinforced concrete in Berlin was examined after eleven years’ use and the metal found uncorroded, except in some cases where the rods were only 0.3 or 0.4 inch from the surface.

Section of chimney at Los Angeles, Cal.

Coignet netting and hook.

Cross-section of conduit, Newark, N. J. Expanded metal reinforcement.

Tanks, Standpipes, Reservoirs.

This waterproof quality of reinforced concrete recommends it as a material for tanks and reservoirs. In 1903 a water tower was built at Fort Revere, Massachusetts, for the United States Government, ninety-three feet in height, octagonal in section, enclosing[442] a tank twenty feet wide, fifty feet high, with walls six inches thick at the bottom, three at the top, coated inside with an inch of Portland cement. At Louisville, Kentucky, a reservoir has been built 394 by 460 feet, and about twenty-five feet high. Its walls and columns are concrete, its roof is in reinforced concrete disposed as groined arches, each of nineteen feet clear span. A reservoir wholly of reinforced concrete at East Orange, New Jersey, is 139 by 240 feet, with a height of 2213 feet. In the early days reinforced concrete was used for water-pipes: more than a hundred miles of such pipes are now in[443] service in Paris. Water-pipes on the Coignet system employ thin steel rods hooked at both ends and curved into encircling hoops. Other rods laid lengthwise run through the hooks, so as to hold each part of the framework securely in place. At Newark, New Jersey, 4,000 feet of single and 1,500 feet of double 60-inch conduits, reinforced with 3-inch expanded steel, have been recently laid.

The material thus available for systems of water supply is also impressed into tasks of sewerage. In Harrisburg, Pennsylvania, a sewer of this kind three miles long intercepts all other sewers, carrying the whole stream below the city to an outfall in the Susquehanna River. A water culvert, for somewhat similar duty, may on occasion be so heavily reinforced as to carry railroad tracks with safety, as in a culvert for a Western railroad shown in an accompanying figure.

Water culvert.

New York Subway.

Part of the New York Subway is of reinforced concrete. Steel rods, about 114 inches square were laid at varying distances according to the different roof loads, from six to ten inches apart. Rods 118 inches in diameter tie the side walls, passing through angle columns in the walls and the bulb-angle columns in the centre. Layers of concrete were laid over the roof rods to a thickness of from eighteen to thirty inches, and carried two inches below the rods, imbedding them. For the sides similar square rods and concrete were used and angle columns five feet apart. The concrete of the side walls is from fifteen to eighteen inches thick.

River des Pêres Bridge, Forest Park, St. Louis.

Memorial Bridge, Washington, D. C.

Bridges.

At first, properly enough, reinforced concrete was adopted with much caution in bridge-building. To-day hundreds of bridges in this material are doing service throughout the world. A good example of a small bridge is that in Forest Park, St. Louis, spanning the River des Pêres. A noteworthy design on a large scale, by Professor William H. Burr, of Columbia University,[444] New York, has been accepted for the Memorial Bridge to cross the Potomac River at Washington. A centre-draw span of 159 feet in steel is to be flanked on each side by three spans of reinforced concrete, each of 192 feet. These spans are ribbed arches, having a rise of twenty-nine feet, with their exteriors in granite masonry. In arguing for bridges in reinforced concrete, Mr. Edwin Thacher points out that under normal circumstances[445] their steel is not strained to much more than one quarter of its elastic limit, so that a large reserved strength is available for emergencies, while the structure is more durable than a steel bridge and ultimately more economical, comparatively free from vibration and noise, proof against tornadoes and fire, and against floods also if the foundations are protected from scour.


[446]

CHAPTER XXX
MOTIVE POWERS PRODUCED WITH NEW ECONOMY

Improvements in steam practice . . . Mechanical draft . . . Automatic stokers . . . Better boilers . . . Superheaters . . . Economical condensers . . . Steam turbines on land and sea.

Francis vertical turbine wheel. Allis-Chalmers Co., Milwaukee.

In every industry a threshold question is how motive power may be had at the lowest cost. In this field within twenty years wholly new methods have been introduced, while old processes[447] have been greatly amended. Thanks to economical water-wheels and generators, efficient transmission, and motors all but perfect, water-powers, as at Niagara Falls, now send electricity to thousands of distant workshops, to serve not only as an ideal means of actuation, but as a source of light, heat and chemical impulse. While electrical art has thus been marching forward, all the heat engines have been improved in every detail of construction. New valve-gears, economizers and superheaters, united with triple-expansion cylinders of the boldest dimensions, worked at pressures and speeds greater than ever before, combine to make the best steam engines to-day vastly more effective than those of a generation ago. And these engines are withal facing the aggressive rivalry of the steam turbines devised by De Laval, Parsons and Curtis, all much less heavy and bulky than engines, simpler to build and operate, while their motion is continuous instead of interrupted at every piston stroke.

Competing with steam motors are the new gas engines, twice as efficient in converting heat into motive power. For this reason and because much improvement seems to be feasible in their designs, and in systems for supplying them with cheap gas, their adoption on a large scale in the near future appears to be certain. Especially will this be the event should the turbine principle be as successfully applied to gas as to steam motors. Already gases from coke ovens and blast furnaces, formerly thrown away or used only in part, are being employed in gas engines with success.

To-day the production of motive power largely centres in stations so huge that they adopt with gain appliances too elaborate for use in small installations. At the power-house of the Interborough Rapid Transit Company, New York, for example, automatic machinery conveys coal from barges to vast bunkers under the roof, an even distribution being effected by self-reversing trippers. Twelve of the furnaces have automatic stokers. Ashes are removed by conveyors. Lubricating oil is pumped to high reservoirs whence it descends to flush all the bearings; it is then carried to filters from which it passes to another round of duty. It is plain that the huge scale of such a plant opens new doors to ingenuity, especially in the dovetailing of one service with another.

[448]

In some central stations, as at Findlay, Ada, and Springfield, Ohio, the exhaust steam is utilized for district heating, so that the generation of motive power is merged into the larger field of fuel economy treated as a whole. Where there is a profitable market for exhaust steam it pays to use a group of engines or turbines which are either non-condensing, or only some of which are condensing, for the aim is not simply to use the motor which asks least fuel, but to install such motors and heaters as together will earn most for the capital invested.

Steam Engines.

An experimental quadruple-expansion steam engine at Sibley College, Cornell University, has consumed but 9.27 pounds of steam of 500 pounds pressure per indicated horse-power, with a mechanical efficiency of 86.88 per cent. An Allis-Chalmers compound engine, tested December, 1905, at the Subway Power-house, New York, developed 7,300 horse-power from steam at 175 pounds pressure with a consumption of 11.96 pounds of steam per indicated horse-power. The cylinders were not steam jacketed and no reheaters were used. This engine has two horizontal high pressure cylinders, 42 inches in diameter; and two vertical low pressure cylinders, 86 inches in diameter; all of 60 inch stroke. The four cylinders work on the same crank pin, with the effect of two cranks at right angles to each other in superseded designs. A similar engine, less powerful, is shown opposite this page.

5000 HORSE-POWER ALLIS-CHALMERS STEAM ENGINE,
St. Louis Exposition, 1904.
Horizontal and vertical cylinders united to the same crank pin.

Mechanical Draft.

At this point let us put back the clock a little that we may understand why tallness in chimneys is much less in vogue for steam plants than formerly, and why this change is found to be well worth while. A device at least two centuries old is the smoke-jack, of which a specimen lingers here and there in the museums and curiosity shops of England. The rotary motion of its vanes, due to the upward draft from a kitchen fire, was employed to turn a joint of meat as it roasted in front of the coals. To-day the successors of this primitive heat-mill are the cardboard or mica toys which, fastened to a stove-pipe, or close to a lamp chimney, set at work a carpenter with his saw, a laundress with her sad-iron, and so on. These playthings show us the simplest way in which heat can yield motive power; because simplest it prevails almost universally,[449] and yet it is wasteful in the extreme. Nobody for a moment would think of putting a wheel like that of a smoke-jack in a chimney so that the rising stream of hot gases might drive a sewing-machine or a churn, and yet for a task just as mechanical, namely, the pushing upward a chimney current itself, the heating that current to an extreme temperature is to-day the usual plan. Under good design the gases of combustion are obliged to do all the work that can be squeezed out of them; then and only then they are sent into the chimney. What if their temperature be so low, comparatively, that their rise in the stack, if left to themselves, is slow as compared with the rise in another stack of gases 300° hotter? One hundredth part, or even less, of the saved heat when applied through an engine to a fan will ensure as quick a breeze through the grate-bars as if the chimney gases were wastefully hot, and this while the chimney is but one eighth to one fourth as tall as an old-fashioned structure. This is the reason why mechanical draft is now adopted far and wide in factories, mills and power-houses. The advantages which follow are manifold: the plant is rendered independent of wind and weather, inferior fuels are thoroughly and quickly consumed, at times of uncommon demand a fire can be easily forced so as to increase the duty of the boilers. To-day in the best practice the feed water for the boilers is heated by the furnace gases just before they enter the stack; the piping for this purpose, formed into coils known as economizers, checks the chimney draft. This checking is readily overcome by mechanical draft, leaving the engineer a considerable net gain as fan and economizer are united. One incidental advantage in modern plants of sound design, and[450] good management, is that they send forth but little smoke or none at all. With thorough combustion no smoke whatever leaves the stack.

Smoke-jack.

Automatic Stoking.

The avoidance of smoke is promoted by the use of well designed mechanical stokers: two of the best are the Roney and the Jones models. The Jones apparatus forces its fuel into the fire from beneath, so that its gases, passing upward through blazing coal, are thoroughly consumed.

Boilers.

In large plants the boilers are usually of the water-tube variety, working at high pressures which may be increased at need. Mr. Walter B. Snow says:[38]—“Until the recent past the steam generator or boiler and the manner of its operation received far less attention than they deserved. Although under the best conditions over 80 per cent. of the full calorific value of the fuel may be utilized in the production of steam, this high standard is seldom reached in ordinary practice. Mr. J. C. Hoadley showed an efficiency of nearly 88 per cent. in his tests of a warm-blast steam-boiler furnace with air-heaters and mechanical draft, while Mr. W. H. Bryan has reported eighty-six tests conducted under common conditions with ordinary fuel, upon boilers of various types, which indicate an average efficiency of only 58 per cent., and have a range between a minimum of 34.6 per cent. obtained with a small vertical boiler, and a maximum of 81.32 per cent. with a water-tube boiler of improved setting. The possibilities of increased economy in ordinary boiler practice are thus clearly evident.”

[38] In his “Steam Boiler Practice.” New York, John Wiley & Sons, 1904. $3.00.

POWER HOUSE, INTERBOROUGH RAPID TRANSIT CO.
11th Avenue and 59th Street, New York.

Superheaters.

A cardinal improvement in steam engineering of late years has been in perfecting superheaters; this advance owes much to the mineral oils now available for lubrication at temperatures which may be as high as 675° Fahr. As steam expands to perform work it falls in temperature and much of it condenses as water, with marked loss of efficiency, with harm to its containers by severe hammering. A superheater avoids this trouble by so raising the initial temperature of the steam that condensation either ceases[451] altogether or is much lessened. The apparatus is usually a nest of tubes placed in the fire-box close to the boiler; or, the tubes may be heated by a fire of their own, away from the boiler. The Schmidt superheater has long, parallel bent tubes, connecting two parallel headers. It may be directly applied to locomotive boilers without essential modification, and without checking the draft. On the Canadian Pacific Railway about two hundred simple locomotives have been provided with superheaters, lowering the coal consumption to 87, 85, 83 and as little as 76 per cent. in comparison with compound engines having no superheaters. At St. Louis in 1904 the Pennsylvania Railroad conducted elaborate tests of diverse locomotives. The most economical compound engine each hour used 18.6 pounds of ordinary saturated steam per indicated horse-power. Aided by a superheater this consumption was reduced to 16.6 pounds, a saving of 10.75 per cent. See page 241. In Germany portable steam engines of 150 to 220 horse-power, superheating their steam 150° to 170° Centigrade above the temperature of saturation have, in compound types, reduced their demand for steam to 12.47 pounds per horse-power hour and, in a triple-expansion model, to 9.97 pounds. In all cases the steam pipe takes the shortest possible path between its superheater and its cylinder.

A
Longitudinal section on a, b.

B
Cross-section on c, d.

C
Horizontal section on e, f.

Schmidt superheater.

Enlarged illustration (138 kB)

[452]

Improved Condensers.

By an improved design Professor R. L. Weighton of Armstrong College, Newcastle-on-Tyne, has doubled the efficiency of the surface condenser, and reduced its consumption of water 44 per cent. In his apparatus the condensing water enters at the base, and leaves at the top, after several circuits instead of but two as in the ordinary condenser. This new apparatus is drained off in sections, instead of allowing the condensed steam to accumulate at the bottom, as in common practice. This sectional drainage is effected by dividing the interior into diaphragms somewhat inclined to the horizontal, so that the water of condensation is removed as fast as formed and does not flow from the upper tubes over those beneath. The gain in this arrangement arises from the fact that the greater part of the condensation takes place in the upper part of a condenser, where the steam impinges first upon the tubes. The Weighton apparatus, in conjunction with dry air-pumps, shows a condensation of 36 pounds of steam per square foot of surface per hour, with a reduction of pressure to one twentieth of barometric pressure (112 inches as compared with 30), using as condensing water 28 times as much as the feed water, at an inlet temperature of 50° Fahr.

POWER-HOUSE, INTERBOROUGH RAPID TRANSIT CO.,
11th Avenue and 59th Street, New York.
Showing group of Allis-Chalmers steam-engines.

Steam Turbines.

For a long time, and well into the nineteenth century, water was lifted by pistons moving in cylindrical pumps. Meantime the turbine grew steadily in favor as a water-motor, arriving at last at high efficiency. This gave designers a hint to reverse the turbine and use it as a water lifter or pump: this machine, duly built, with a continuous instead of an intermittent motion, showed much better results than the old-fashioned pump. The turbine-pump is accordingly adopted for many large waterworks, deep mines and similar installations. This advance from to-and-fro to rotary action extended irresistibly to steam as a motive power. It was clear that if steam could be employed in a turbine somewhat as water is, much of the complexity and loss inherent in reciprocating engines would be brushed aside. A pioneer inventor in this field was Gustave Patrick De Laval, of Stockholm, who constructed his first steam turbine along the familiar lines of the Barker mill. Steam is so light that for its utmost utilization as a jet a velocity[453] of about 2,000 feet a second is required, a rate which no material is strong enough to allow. De Laval by using the most tenacious metals for his turbines is able to give their swiftest parts a speed of as much as 1400 feet a second. His apparatus is cheap, simple and efficient; it is limited to about 300 horse-power. Its chief feature is its divergent nozzle, which permits the outflowing steam to expand fully with all the effect realized in a steam cylinder provided with expansion valve gear. Another device of De Laval which makes his turbine a safe and desirable prime mover is the flexible shaft which has a little, self-righting play under the extreme pace of its rotation.

A, De Laval nozzle and valve in section. B, Turbine buckets. C, Turbine wheel.

The Parsons Steam Turbine.

Of direct action turbines the De Laval is the chief; of compound turbines, in which the steam is expanded in successive stages, the first and most widely adopted was invented by the Hon. Charles A. Parsons of Newcastle-on-Tyne. From an address of his to the Institute of Electrical Engineers, early in 1905, the following narrative has been taken:—

[454]

“In the early days of electric lighting the speed of dynamos was far above that of the engines which drove them, and therefore belts and other forms of gearing had to be resorted to. To make a high-speed engine, therefore, was of considerable importance, and this led to the possibilities of the steam turbine being considered. It was at once seen that the speed of any single turbine wheel driven by steam would be excessive without gearing, and in order to obtain direct driving it was necessary to adopt the compound form, in which there were a number of turbines in series, and thus, the steam being expanded by small increments, the velocity of rotation was reduced to moderate limits. Even then, for the small sizes of the dynamos at that time in use, the speed was high, and therefore a special dynamo had to be designed. Speaking generally, an increase of speed of a dynamo increases its output, and therefore it was obvious that such a high-speed dynamo would be very economical of material.

WESTINGHOUSE-PARSONS STEAM TURBINE.
A and S, steam inlets. B, exhaust. P, P, P, balance pistons. T, adjustment bearing. R, relief valve. V, primary admission valve. VS, secondary admission valve.

Enlarged illustration (223 kB)

“These considerations led, in 1884, to the first compound steam turbine being constructed. It was of about 10 horse-power and ran at 300 revolutions per second, the diameter of the armature being about three inches. This machine, which worked satisfactorily for some years, is now in the South Kensington Museum. Turbines afterward constructed had two groups of 15 successive turbine wheels, or rows of blades, on one drum or shaft within a concentric case on the right and left of the steam inlet, the moving blades or vanes being in circumferential rows projecting outwardly from the shaft and nearly touching the case, and the fixed or guide blades being similarly formed and projecting inwardly from the case and nearly touching the shaft. A series of turbine wheels on one shaft were thus constituted, and each one complete in itself is like a parallel-flow water turbine, the steam, after performing its work in each turbine, passing on to the next, and preserving its longitudinal velocity without shock, gradually falling in pressure as it passes through each row of blades, and gradually expanding. Each successive row of blades was slightly larger in passage way than the preceding to allow for the increasing bulk of the elastic steam, and thus the velocity of flow was regulated so as to operate with the greatest degree of efficiency on each turbine of the series. . . . It constituted an ideal[455] rotary engine, but it had limitations. The comparatively high speed of rotation necessary for so small an engine, made it difficult to avoid a whipping or springing of the shaft, so that considerable clearances were found obligatory, and leakage and loss of efficiency resulted. It was perceived that these defects would decrease as the engine was enlarged, with a corresponding reduction of velocity. In 1888 therefore several turbo-alternators were built for electric lighting stations, all of the parallel-flow type and non-condensing. In 1894 the machines were much improved, the blade was bettered in its form, and throughout greater mechanical strength was attained. . . . To-day (1905) under 140 pounds steam pressure, 100° Fahr. superheat, and a vacuum of 27 inches, the barometer being at 30 inches, the consumptions are in round numbers as follows:—A 100-kilowatt (134 horse-power) plant takes about 25 pounds of steam per kilowatt-hour at full load, a 200-kilowatt (268 horse-power) takes 22 pounds, a 500-kilowatt (670 horse-power) takes 19 pounds, a 1,500-kilowatt (2,010 horse-power) 18 pounds, and a 3,000-kilowatt (4,020 horse-power) 16 pounds (or 12 pounds per horse-power-hour). Without superheat the consumptions are about 10 per cent. more, and every 10° Fahr. of superheat up to about 150° lowers the consumption about 1 per cent.

“A good vacuum is of great importance in a turbine, as the expansion can be carried in the turbine right down to the vacuum of the condenser, a function which is practically impossible in the case of a reciprocating engine, on account of the excessive size of the low-pressure cylinder, ports, passages and valves which would be required. Every inch of vacuum between 23 and 28 inches lowers the consumption about 3 per cent. in a 100-kilowatt, 4 per cent. in a 500-kilowatt, and 5 per cent. in a 1,500-kilowatt turbine, the effect being more at high vacua and less at low.”

Marine Steam Turbines.

In 1894 Mr. Parsons launched his “Turbinia,” the first steamer to be driven by a turbine. Her record was so gratifying that a succession of vessels, similarly equipped, were year by year built for excursion lines, for transit across the British Channel, for the British Royal Navy, and for mercantile marine service. The thirty-fifth of these ships, the “Victorian” of the Allan Line,[456] was the first to cross the Atlantic Ocean, arriving at Halifax, Nova Scotia, April 18, 1905. She was followed by the “Virginian” of the same line which arrived at Quebec, May 8, 1905. Not long afterward the Cunard Company sent from Liverpool to New York the “Carmania” equipped with steam turbines, and in every other respect like the “Caronia” of the same owners, which is driven by reciprocating engines of the best model. Thus far the comparison between these two ships is in favor of the “Carmania.” The new monster Cunarders, the “Lusitania” and the “Mauretania,” each of 70,000 horse-power, are to be propelled by steam turbines. The principal reasons for this preference are thus given by Professor Carl C. Thomas:—

Decreased cost of operation as regards fuel, labor, oil, and repairs.

Vibration due to machinery is avoided.

Less weight of machinery and coal to be carried, resulting in greater speed.

Greater simplicity of machinery in construction and operation, causing less liability to accident and breakdown.

Smaller and more deeply immersed propellers, decreasing the tendency of the machinery to race in rough weather.

Lower centre of gravity of the machinery as a whole, and increased headroom above the machinery.

According to recent reports, decreased first cost of machinery.[39]

[39] “Steam Turbines,” by Carl C. Thomas, professor of marine engineering, Cornell University, a comprehensive and authoritative work, fully illustrated. New York, John Wiley & Sons, 1906. $3.50.


[457]

CHAPTER XXXI
MOTIVE POWERS PRODUCED WITH NEW ECONOMY—Continued. HEATING SERVICES

Producer gas . . . Mond gas . . . Blast furnace gases . . . Gas engines . . . Steam and gas engines compared . . . Diesel oil engine best of all . . . Gasoline motors . . . Alcohol engines . . . Steam and gas motors united . . . Heat and power production combined . . . District steam heating . . . Isolated plants . . . Electric traction and other great services . . . Gas for a service of heat, light and power.

Gas-Power.

Steam as motive power finds its most formidable rival in cheap gases, whose familiar varieties have been long used for illumination. A simple experiment shows with what ease gas can be made, which, duly cooled, may be carried long distances without the condensation which subtracts from the value of steam. Take a narrow tube of metal or Jena glass, open at both ends: put one end near the wick of a burning candle, at the other end apply a lighted match, and at once a flame bursts forth. Here is a miniature gas-works; close to the wick inflammable gases are generated by the heat, before they have time to burn they are conveyed through the tube to a point a foot distant where, on ignition, they yield a brilliant flame. Enlarge this operation so that instead of an ounce of wax you distill tons of coal from hundreds of big retorts; set up a gas-holder as huge as the dome of the Capitol at Washington; instead of short tube lay miles of pipe through the avenues and streets of a city, and a trivial experiment widens into lighting a hundred thousand homes. So much for dividing combustion in halves, by conducting gasification in one place on a vast scale, and burning the produced gas whenever and wherever you please. One supreme advantage of the process is that coal, wood and other sources of gas much cheaper than wax or oil can be[458] employed. Alongside the retorts which gasify coal or wood are built scrubbers which remove substances undesired in the gas,—tar, sulphur, and so on,—all salable at good prices. It was in 1792 that William Murdock, an assistant to James Watt at the Soho Works near Birmingham, there originated gas-lighting. His enterprise was a seed-plot for a variety of industries which have reached commanding importance, and are to-day expanding faster than ever before. Illuminating gas from its first introduction has on occasion wrought disaster; when it leaks through a joint into a room it rapidly unites with air; instantly on the intrusion of a flame there is a violent explosion, that is, an abrupt output of enormous energy set free under circumstances which do only harm. Can the energy, as in the case of blasting, be usefully directed?

Combustible gas from a candle is taken through a tube to a distance and there burnt.

Yes, as long ago as 1794, Robert Street designed a pump driven by the explosion of turpentine vapor below the motor piston. He was followed by inventors who used illuminating gas as their propelling agent; among these, in 1860, was Lenoir of Paris, who built a double-acting engine with a jump-spark electric igniter such as to-day is in general use. His engine consumed 95 feet of gas per hour for each horse-power, which meant that commercially the engine was a failure. Lenoir’s design has been so much improved that now large gas engines yield in motive power one fifth of the whole value of their fuel, an efficiency twice that of the best steam engines or turbines, and five-fold better than that of Lenoir’s apparatus.

Producer Gas.

How this remarkable result has been attained we shall consider a little further on, as we briefly examine the construction of a[459] typical gas engine. At this point let us note how a gas, suitable for an engine, is manufactured at least cost, the outlay being much less than in the case of illuminating gas which represents but one third of the coal placed in the distilling retorts. Instead of this process of distillation, “producer” gas is due to a modified combustion which gasifies all the fuel. In a producer of standard type, atmospheric oxygen comes into contact with the glowing carbon of the coal or wood, forming carbon dioxide, CO². The heat generated by this union is taken up by the carbon dioxide and the nitrogen of the supplied air. These gases as they rise through the fuel bring it to incandescence so that the carbon dioxide takes up another atom of carbon, becoming carbon monoxide, CO, a highly combustible gas. Were there no impurities in the fuel, were the entering air quite free from moisture, the gases would be in volume 34.7 per cent. carbon monoxide and 65.3 per cent. nitrogen, with a heating value per cubic foot of about 118 British thermal units, a unit being the heat needed to raise a pound of water to 40° Fahr. from 39°, where its density is at the maximum. Gas thus produced is intensely hot; and as usually it contains sulphur, dust, dirt, and other admixtures, their removal by water in a scrubber would involve a waste of about 30 per cent. of the fuel heat. This loss is much diminished by sending into the producer not only air but steam, to be decomposed into oxygen and hydrogen; the oxygen combines with carbon to form more carbon monoxide, while the hydrogen is the most valuable heating ingredient in the emitted stream of gases. Were only air sent through the producer, the outflowing gases would contain nitrogen to the extent of 65 per cent.; with a charge in part air and in part steam, this percentage falls to 52; as nitrogen is useless and wastefully absorbs heat, this reduction of its quantity is gainful. By a duly regulated admission of steam, a producer is kept at a temperature high enough to decompose steam, but not so high as to send forth gases unduly hot to the purifier.

For water-gas the method is to blow steam into the fuel until decomposition ceases; the steam is then shut off, the fire allowed to recover intense heat, when more steam is injected, and so on intermittently.

[460]

Taylor gas-producer.
R. D. Wood & Co., Philadelphia.

A Gas Producer.

Producer gas is in more extensive use than water-gas. It is evolved in apparatus of many good designs: let us glance at the Taylor gas producer built by R. D. Wood & Company, Philadelphia. Its fuel enters in a steady stream, in controlled quantity, through a Bildt automatic feed which has a constantly rotating distributor with deflecting surfaces. The incandescent fuel is carried on a bed of ashes several feet thick, so that the coal gradually burns out and cools before its ashes are discharged. Through a conduit an airblast is carried up through this layer of ashes to where the fuel is aglow; united with this airblast is a pipe admitting steam; the united air and steam are emitted radially. In the producer walls are sight or test holes so placed that the line dividing ashes from glowing fuel may at any time be observed. When this line becomes higher on one side than the other, scrapers, duly arranged, are used. At the bottom of the producer is a Taylor rotative table which grinds out the ashes as fast as they rise above the desired depth, say every six to twenty-four hours, according to the rate of working. In large producers the ash bed is kept about three and a half feet deep, so that any coal that may pass the point of air admission has ample time to burn entirely out: in a producer with an ordinary grate such coal would fall wastefully into the ashpit. As the Taylor ash table turns it grinds the lower part of the fuel bed, closing any channels formed by the airblast, and restraining the formation of carbon dioxide, a useless product, to a minimum. A few impulses[461] of the crank at frequent intervals maintain the fuel in solid condition, reducing the need of poking from above.

Other American producers differ from the Wood apparatus in details of design and operation; in principle all are much alike. Any good producer works well with cheap fuels, bituminous coals of inferior quality, culm, lignite, wood, peat, tanbark, and even straw from the thresher. With each of these there must be due modification of mechanism, together with means of forcing air and steam into the fire. A suction plant may be employed when superior fuels are burned, coke, anthracite, or charcoal; with currents of air and steam automatically drawn into the producer, the surrounding room is not likely to be filled with the harmful gases which may be occasionally ejected by a pressure plant.

Mond Gas.

England has gas-power installations much larger and more elaborate than those of America. Of these the most extensive have been built by the Power-gas Corporation in London, under the patents of Mond, Duff and Talbot. A Mond plant yields a gas having 84 per cent. of the calorific value of the coal consumed, which may be slack at six shillings, $1.46, per ton. Where more than thirty tons of coal per day are used, it is worth while intercepting the sulphate of ammonia, amounting to 90 pounds per ton of coal, which in small producers cannot readily be seized. Mond gas is free from tar, is cleansed of soot and dust, and holds less sulphur than ordinary producer gas. Operation is simple enough: first of all the slack is brought into hoppers above the producers. From these it is fed in charges, of from 300 to 1,000 pounds, into the producer bell, where the first heating takes place: the products of distillation pass downward into the hot zone of fuel before joining the bulk of gas leaving the producer. This converts the tar into a fixed gas, and prepares the slack for descent into the body of the producer, where it is acted upon by an airblast saturated with steam at 185° Fahr., and superheated before coming into contact with the fuel. The stream of hot gases from the producer now traverses a washer, a rectangular iron chamber with side lutes, where a water spray thrown by revolving dashers brings down the temperature of the gases to about 194° Fahr. In plants which recover the ammonia sulphate, the gas takes its way through[462] a lead-lined tower, filled with tiles of large surface, where it meets a downward flow of acid liquor, circulated by pumps, containing ammonia sulphate with about 4 per cent. excess of free sulphuric acid. Combination of the ammonia with this free acid ensues, yielding still more ammonia sulphate. The gases, freed from their ammonia, are conducted into a cooling tower, where they meet a descending shower of cold water effecting a further cleansing before the gases enter the main pipe for delivery to consumers. In its general plan, a Mond plant resembles an illuminating gas works, especially in its seizure of profitable by-products. A ton of slack costing in England $1.46 yields 90 pounds of ammonia sulphate worth $1.92 or thereabout.[40]

[40] “Producer-gas and Gas-producers,” by Samuel S. Wyer, is a treatise of value, fully illustrated. New York, Engineering and Mining Journal, 1906. $4.00.

Blast Furnace Gases.

For many years flames from blast furnaces and coke ovens testified to the waste of valuable gases, in especial the combustible carbon monoxide which is the main ingredient in producer gas. When we learn that coal or coke in iron-smelting parts with but three per cent. of its heat to the ore, we begin to see how grievous was the waste so long endured. For a few years past the gases sent forth from blast furnaces have been employed to heat the incoming air for the blowers, and to raise steam for engines. With twice the efficiency of steam motors the gas engine renders it well worth while to rid furnace gases of their dust and dirt so that they may not injure the mechanism they impel. An effective cleanser acts by separating the gases from their admixtures by centrifugal force. At the Lackawanna Steel Works, Buffalo, N. Y., eight gas-engines, each of 1,000 horse-power, are run on blast furnace gases. It may well prove that installations of this kind will bring other blast furnaces into cities where the sale of electricity will form a large item in the profits.

Four-cycle gas engine. I, admission valve. O, exhaust valve.

Gas Engines.

The first gas engines used gas and air at ordinary atmospheric pressure; at due intervals the charge was exploded by a glowing hot tube exposed by a slide-valve, or, according to the practice now general, by an electric spark of the jump variety. In 1862 De Rochas[463] patented, and in 1876 Otto built, an engine on a model still in favor. Its cardinal feature is the compression of each charge. In the field of steam practice, we know how great economy is realized by beginning work with high pressures. A similar gain attends the compression of gases in a cylinder before explosion; whatever their pressure before ignition, it is trebled or quadrupled by ignition, returning a handsome profit on the work of compression, The four-cycle operation devised by De Rochas proceeds thus:—First, by drawing in a mixture of gas and air in due percentages during an outward stroke of the piston. Second, this charge is compressed by an inward piston stroke. Third, the compression charge is ignited, preferably by an electric spark, when[464] the piston moves outward by virtue of a pressure initially extreme. Fourth, the exhaust valve opens and the spent gases are ejected as the piston returns to complete its cycle. As but one of the four piston journeys is a working stroke, it is necessary to employ a heavy flywheel to equalize the motion of the engine. When two or more engines are united, their piston rods are so connected to a common shaft as to distribute the working strokes with the best balancing effect. With four engines their piston rods may be arranged at distances apart of 90 degrees, so that one working stroke is always being exerted. This plan is adopted for the gasoline engines of automobiles so that they are served by fly-wheels comparatively small.

In his work on the gas engine, Professor F. R. Hutton discusses the advantages and disadvantages of that motor.[41] By his kind permission his main conclusions may be thus summarized, first as to advantages:—

[41] “The Gas-engine: a treatise on the internal-combustion engine using gas, gasoline, kerosene, or other hydro-carbon as source of energy.” By F. R. Hutton, professor of mechanical engineering in Columbia University. New York, John Wiley & Sons. $5.00.

The heat energy acts directly upon the piston, without intervening appliances. Fuel economy is greater than with steam, because there is no furnace or chimney to waste any heat. No fuel is wasted in starting the motor, or after the engine stops. The bulk, weight and cost of a furnace and boiler are eliminated, as well as their losses by radiation. A gas motor has a portability which lends itself to important industries, as logging and lumbering. It may be started at once, with no delay as in getting up a fire under a boiler; when the fuel-supply is cut off, the motor stops and needs no attention: these are important in automobile practice. Gas engines are gainfully united to systems of gas storage so that a producer may be run at high efficiency when convenient, and its gas held in holders till needed: this is helpful when a plant is worked overtime, or is liable to stresses of extreme demand at certain hours of the day. Incident to this is the advantage of subdividing power units in a large plant: each motor may receive its gas in pipes without loss, to be operated at will. The rapidity of flame propagation renders possible a high number[465] of shaft rotations per minute, so that a multi-cylinder engine weighs little in comparison with its power. There is no liability to boiler explosion, or trouble from impurities deposited by water in a boiler. There is no exposed flame or fuel-bed requiring attention. The mechanism of the motor is simple, and its moving parts are few. A gas or oil engine furthermore enjoys a combustion which is smokeless. The fuel requires no diluting excess of air, with its cooling effect and incidental waste of energy. Dust, sparks and ashes are avoided, with diminished risk of fire. Liquid or gaseous fuel can be served by pumps or blowers so that the cost of handling is avoided.

As to disadvantages:—In a four-cycle engine there is but one working stroke in four piston traverses. In a two-cycle engine there is one working stroke in two traverses. For a given mean pressure the cylinder of a gas engine must be larger than a double acting steam cylinder. In single cylinder gas engines the crank effort is irregular; hence a heavy fly-wheel is required, or, a number of cylinders must be joined together, adding much weight. The motor does not start by the simple motion of a lever or valve. It has to be started by an auxiliary apparatus stored with energy enough to cause one working stroke. A steam engine may be overloaded to meet brief demands for extra power: not so with a gas engine. The extreme temperatures of the cylinder require cooling systems by air or water, adding weight and involving waste of energy; these temperatures furthermore may seriously distort the mechanism while rendering lubrication difficult and uncertain. Explosions of some violence may occur in exhaust pipes and passages, unless the engine is carefully adjusted and operated. Imperfect combustion clogs the working parts with soot or lampblack, especially injuring the ignition appliances. Initial pressures are so high as to cause vibration and jar. Governing is not easy, since explosion is all but instantaneous. The normal motor runs at maximum efficiency only when running at a certain speed. To vary that speed is much more troublesome and wasteful of energy than with the steam engine.

Gas engines united to gas producers have been employed with success on shipboard. This field, with its high premium on fuel reduction, which means more space for cargo, is likely to be[466] largely developed in the near future. Soon, also, we may expect locomotives to exhibit a like combination with profitable results.

Steam and Gas Engines Compared.

During 1904 and 1905 the U. S. Geological Survey compared at St. Louis a steam engine with a gas engine, each of 250 horse-power, using 24 varieties of lignites and bituminous coals. The steam engine was of a simple, non-condensing, unjacketed Corliss type, from the Allis-Chalmers Company, Milwaukee. The gas engine was a three-cylinder, vertical model from the Westinghouse Machine Company, Pittsburg. Its gas was supplied by a Taylor gas producer furnished by R. D. Wood & Company, Philadelphia, of the design illustrated on page 460.

The official report in three parts, fully illustrated, presenting the tests in detail, was published by the Survey early in 1906. On page 978, of the second part, 14 comparative tests are summarized. They show that in the gas plant on an average 1.70 pounds of fuel were consumed in producing for one hour one electrical horse-power; in the steam plant the consumption was 4.29 pounds, two and a half times as much. With apparatus adapted to a particular fuel, with larger and more economical engines, better results would have been shown both by steam and gas. Yet competent critics believe that the ratio of net results would have remained much the same. The most important fact brought out in the tests is that some fuels, lignites from North Dakota for example, have little worth in raising steam, and high value in producing gas; their moisture is a detriment under a boiler, it is an advantage in a gas producer. The cost of this investigation is likely to be repaid many thousand-fold in pointing out the best way to use fuels which abound in the Western and Northwestern States and in Canada. See note, page 241.

Oil Engines.

In some cases petroleum is the best available fuel for an engine, essentially much the same as a gas motor. A carburetor, or atomizer, blows the oil into a fine mist almost as inflammable as gas. In small sizes for launches, threshing machines, or work-shops of limited area, the petroleum engine is a capital servant. In sizes of 75 horse-power and upward the Diesel engine is not only the best oil engine but the most efficient heat-motor ever invented. It involves[467] a principle as important as that of Watt’s separate condenser for the steam from his cylinder.

Fire Syringe.

To understand the Diesel principle let us begin by remembering that to the compression of a charge in a gas engine there is a moderate limit; if this be exceeded the heat of compression prematurely ignites the gases, so as to prevent due action. The air in a bicycle tire is compressed but moderately, and yet every man who has worked a bicycle air-pump with energy knows that soon its cylinder grows warm to the touch. On this very principle, that mechanical work is convertible into heat, our grandfathers had an ingenious mode of producing fire. In a syringe with a glass barrel they placed a piston fitting snugly. In a cavity of this piston they fastened a bit of cotton wool soaked in bisulphide of carbon. On forcing the piston suddenly into the cylinder, the air, quickly compressed, became hot enough to set the cotton wool on fire. The heat evolved in the compression of air is turned to account in the Diesel oil engine so as to make it the most economical converter of heat into work ever devised. First the mechanism compresses air alone to 500 pounds per square inch, then and then only the oil for combustion is injected, to take fire instantly from the heat of the compressed air. A governor regulates the period of burning; this is usually during one tenth part of the stroke, the expansion of the burned products completing the stroke. Because 500 pounds is a pressure out of the question for the compression of the mixed charge of air and combustible gas in an ordinary gas cylinder, the Diesel engine excels in economy any gas engine thus far built. At Ghent in 1903 a Diesel engine developed 165 brake horse-power from crude Texas oil with the extraordinary net efficiency of 32.3 per cent. At the St. Louis[468] Exposition, 1904, three Diesel engines, using oil costing three cents per gallon, delivered for seven months, during eleven hours each day, at half-load, an average of 250 kilowatts at an expense for fuel of but three tenths of one cent per kilowatt hour on the switchboard, including all generator and line losses. Engineers of the first rank are convinced that the Diesel principle may be successfully embodied in gas engines. That done, with a success approaching the effectiveness of Diesel’s oil motor, we may expect steam engines and turbines to be largely dismissed from service.

Gasoline Engines.

Gasoline, although higher in price than petroleum, is commonly used in automobiles and launches. It can be atomized more quickly and fully, and without heat. To equalize motion, minimize jars, and reduce the weight of its fly-wheel, an automobile of high power has usually four cylinders with cranks set at an angle of 90 degrees with each other. The inlet valve is operated positively and, as a rule, is interchangeable with the exhaust valve. The ignition spark is furnished by a motor-driven magneto, or by a battery operating an induction coil; the lubricant is distributed by a sight-feed system, hand regulated. Cooling is effected by water circulated by a pump through jackets surrounding all cylinders and valves, each jacket having a surface of the utmost extent upon which a swiftly rotated fan drives a stream of air.

Alcohol Engines.

For some years France and Germany have used alcohol as a fuel in engines, no excise tax being imposed on alcohol employed for industrial purposes. On January 1, 1907, this will also be the case in the United States, so that we may expect alcohol to take a leading place as fuel in motors. “It has,” says Professor Elihu Thomson, “gallon for gallon less heating power than gasoline, but equal efficiency in an internal combustion engine, because it throws away less heat in waste gases and in the water jacket. A mixture of alcohol vapor with air stands a much higher compression than does a mixture of gasoline and air without premature explosion. . . . There is now beginning an application of the internal combustion engine for railroad cars on short lines which are feeders to main lines. The growth of this business may be hampered in[469] the near future by the cost of gasoline. In this case alcohol, producible in unlimited amount, could be substituted.”

An important advantage in using alcohol is its comparative safety. In case of fire oils and gasolines float on the water intended to quench a blaze; alcohol blends with that water and the flame is subdued.

Whether oil, gasoline or alcohol be their fuel, internal combustion motors gain steadily in public acceptance. On the farm they are gradually displacing the horse. An engine, which costs nothing when it is idle, shells corn, saws wood, cuts fodder, grinds feed, separates and churns cream, drives a thrasher, turns a mill, lifts water, and performs a hundred other chores quickly, simply and cheaply.

Steam and Gas Motors United.

Mr. Henry G. Stott, chief engineer of the Interborough Rapid Transit Company, New York, has recently discussed power plant economies in so thorough and suggestive a manner as to elicit the interest of engineers the world over.[42] Basing his remarks on the records of the huge plant of his Company at 74th Street and the East River, New York, he presents this table of the average losses in converting the heat from one pound of coal into electricity:—

[42] Before the American Institute of Electrical Engineers, New York, January 26, 1906.

Heat of the coal as burned, 14,150 British thermal units 100.0 %
Returned by feed water heater 3.1  
Retrned  „   economizer 6.8  
  109.9  
Loss in ashes 2.4 %  
Loss to stack 22.7  
Loss in boiler radiation and leakage 8.0  
Loss in pipe radiation 0.2  
Delivered to circulator 1.6  
Deliered t „  feed pump 1.4  
Loss in leakage and high pressure drips 1.1  
Delivered to small auxiliaries 0.4  
Heating 0.2  
Loss in engine friction 0.8  
Electrical losses[470] 0.3  
Engine radiation losses 0.2  
Rejected to condenser 60.1  
To house auxiliaries 0.2   99.6
Delivered to bus-bar 10.3 %

Carbon dioxide (CO²) is absorbed by a solution of caustic potash. The Ados recorder based upon this absorption has enabled Mr. Stott to learn the proportion of carbon dioxide in the gases passing to the stack, the higher that proportion, the more thorough the combustion. He finds first as an element of economy careful firing, so as to avoid “holes” or thin places in a fire, through which air wastefully pours, chilling the furnace. Next in importance is adapting draft to fuel: small anthracite requires a draft of 1.5 inches of water; with a draft of but .2 inch of water one pound of dry bituminous coal has evaporated 10.6 pounds of water, with a draft of 1 inch this fell to 8.7 pounds. Mr. Stott estimates that scientific methods of firing can reduce losses to the stack to 12.7 per cent., and possibly to 10 per cent.

Respecting the loss of 8 per cent. in boiler radiation and leakage, he maintains that this is largely due to the inefficient setting of brick which, besides permitting radiation, admits much air by infiltration. The remedy is to employ the best methods of boiler setting, such as an iron-plate air-tight case enclosing a carbonate of magnesia lining outside the brickwork.

Regarding the main loss, that of 60.1 per cent. to the condenser, Mr. Stott points out that superheating could reduce this by 6 per cent. He observes that in the higher pressures of a steam cycle a reciprocating engine has an advantage, while in the lower pressures a steam turbine is more efficient. Combine them, he remarks, and use each where it is the more profitable. But in his view for the utmost economy a new type of plant should unite both steam and gas driven units.

“Over a year ago,” he says, “while watching the effect of putting a large steam turbine having a sensitive governor in connection with reciprocating engine-driven units having sluggish governors, it occurred to me that here was the solution of the gas engine problem; for the turbine immediately proceeded to act like[471] an ideal storage battery; that is, a storage battery whose potential will not fall at the moment of taking up load, for all the load fluctuations of the plant were taken up by the steam turbine, and the reciprocating engines went on carrying almost constant loads, whilst the turbine load fluctuated between nothing and 8,000 kilowatts in periods of less than ten seconds.

“The combination of gas engines and steam turbines in a single plant promises improved efficiency whilst removing the objection to the gas engine, namely, its inability to carry heavy overloads. A steam turbine can easily be designed to take care of 100 per cent. overload for a few seconds; and as the load fluctuation in any plant will probably not average more than 25 per cent. with a maximum of 50 per cent. for a few seconds, it would seem that if a plant were designed to operate normally with one half its capacity in gas engines and one half in steam turbines, any fluctuations of load likely to arise in practice could be taken care of.”

Discussing in detail the performance of such a plant, Mr. Stott concludes that its average total thermal efficiency would be 24.5 per cent., as against 10.3 per cent. in the plant whose record he had presented.

Heating and Power Production United.

In the bill of particulars drawn up by Mr. Stott it was shown that no less than 60.1 per cent. of the total heat from his fuel had gone into the condenser where, joined to the stream of the East River, it had been wasted. Had he used non-condensing motors the loss in exhausts would have been larger, and yet when a non-condensing motor is joined to a heating plant the whole investment may be much more profitable than where condensing motors throw away all the heat of their exhausts. Long ago some pioneer of unrecorded name, using a non-condensing steam engine, warmed his factory or mill with its exhaust steam. In summer that steam sped idly into the air, in winter it saved him so much coal that his motive power cost him almost nothing. By thus uniting the production of power and heat he showed, as few men have shown, how a great waste may be exchanged for a large profit. In the Northern States and in Canada the main use for fuel is for heating not only dwellings, but the furnaces that pour out iron and steel, the ovens that bake pottery, tiles, and so on.[472] When but moderate temperatures are desired, as in warming a house, exhaust steam serves admirably, and so might the exhausts from gas engines. Indeed we here strike the key-note of modern fuel economy which is that wherever possible fuel should first deliver all the motive power that can be squeezed out of it, when and only when the remainder of its heat, much the larger part of the whole, should be used for warming.[43] This plan, already adopted in a good many cases, can be vastly extended with profit. In blast furnaces the first task of the fuel is performed at an extreme temperature; that work completed the gases of combustion may be purified and sent into gas engines to produce motive power at little cost.

[43] An excellent work, “The Heating and Ventilating of Buildings,” by Rolla C. Carpenter, professor of experimental engineering, Cornell University, is published by John Wiley & Sons, New York. Fourth edition, largely rewritten and fully illustrated. 1902, $4.00. It incidentally describes the best methods of heating with exhaust steam.

Heating and Ventilating by Fans.

A word was said on page 380 regarding the method now growing in favor for heating machine-shops by sending warmed air where it is needed, and not allowing it to go where it would proceed of itself and be wasted. Two illustrations show a Sturtevant ventilating fan-wheel, without its casing, and a Monogram exhauster and solid base heater, as used in many modern installations. The net gain in sending warmed air just where it does most good is comparable with the profit in mechanical draft for a furnace as compared with natural draft. Either live or exhaust steam may be used in the heating coils through which the air is forced by the fan. See also illustration on page 380.

Sturtevant fan-wheel, without its casing.

Steam plants which furnish both heat and electricity are being rapidly multiplied[473] throughout America. In many cases these plants supply a single large hotel, or office building. The installation at the Mutual Life Building, New York, is of 2400 horse-power, vying in dimensions with many a central plant. In Fostoria and Springfield, Ohio, in Milwaukee, Atlanta and other large cities, a central station provides heat and light and motive power to a considerable district.

Sturtevant Monogram exhauster and solid base heater.

District Steam Heating.

At Lockport, New York, a city of about 20,000 population, more than 350 dwellings and business premises are heated by the American District Steam Company, a concern which has installed more than 250 similar plants throughout the Union. The advantages of this system are plain:—cleanliness is promoted; customers handle no coal or ashes, tend no fires or boilers; the heat is more steadily and equably supplied than if it came from individual boilers; heat is ready day or night during the heating season; the hazard from fire is lowered and the risk of boiler explosion is abolished; water may be heated for laundries, bath-rooms and kitchens. Cheap fuel may be used, and stoked by machinery. An individual boiler in a building has to be large enough for its heaviest duty; in many cases it is called upon for but one tenth to one fifth of its full power, with much incidental waste. At a central station only as many boilers of a group are employed at a time as may be worked to their full capacity, responding to the demands of the weather.

At Lockport the steam-pipes are of wrought iron covered with sheet asbestos and enclosed in a round tin-lined wood casing, having a shell 4 inches thick, with a dead air space of about one inch[474] between the tin and the asbestos. In its largest size this pipe has shown a total loss by radiation and conduction of but one part in four hundred in one mile; for the same distance the smallest pipe has suffered a loss of six per cent. Live steam is used at Lockport, but as a rule heating plants are supplied with exhaust steam. When intensely cold weather prevails this may be supplemented by boilers in reserve which supply live steam.

It is worth while to remark the tendency to unify, on lines of the best economy, a service of both heat and electricity. In Atlanta there were recently in operation twenty-two isolated electric plants. The central station installed a steam heating system, and as a result in less than a year all but two of the isolated plants went out of business.

Isolated Plants.

The success of the central station at Atlanta is due to the moderate scale of its charges. In the past there has been some complaint of the rates levied by central stations. In the future this complaint is likely to diminish, because an isolated plant for the production of heat and electricity was never before so low in cost, so efficient in working, as to-day. Well managed central stations broaden their market by putting a premium upon the utmost possible use of electricity. In Brooklyn, for example, the Edison Electric Company charges 10 cents per horse-power hour to customers using 100 to 250 horse-power hours per month; as consumption increases so do discounts until the customer who buys 5,000 horse-power hours pays 4 cents. The demand for current in all its diverse applications is stimulated with energy and address. A house or apartment of seven rooms is wired for twelve lights, with all fixtures complete, for $95. Signs for advertising purposes are provided gratis, on condition that they be lighted by the Company. The economy of a small ice machine or a refrigerator is pointed out all summer long, while in winter the comfort and convenience of electric heat is as plainly kept before the public. Such a policy as this takes account of the irrepressible facts of present day competition. When gas was the sole illuminant, producible only on a vast scale, served by an elaborate scheme of piping that from the nature of the case fell into a single hand, there was a liability to extortion. To-day in towns and cities electricity,[475] the chief source of light, can be ground out anywhere simply, cheaply and without offence, incidentally affording when desired almost as much heat as if the fuel had been burnt to produce nothing else. Among the gifts bestowed by the electrician not the least is this conferring at the lowest price two prime necessities of life. But however liberal the management of a central station, many a fat plum will remain outside its pudding. A huge hotel, an office-building, factory, or department store, is best served by a plant of its own designed to furnish both heat and electricity, in which case the electric current will cost much less than if bought from a central station.

On occasion an isolated plant supplies a neighborhood, and at prices lower than those of a large central station which may be at a considerable distance. At Newark in the New Jersey Freie Zeitung building a 400 kilowatt plant is installed which supplies the neighbors in two blocks with electricity at 6 to 8 cents per kilowatt hour, according to the extent of their consumption. A necessary conduit crosses Campbell Street in this service. It seems likely that small power-centres of this kind, requiring no franchise, may be common in the near future, especially if united with heating systems. An inviting field for such installations is in the new residential quarters of our cities and towns, where in many cases a whole block might be cheaply and effectively served from a single plant.

Gas for Heat, Light and Power.

Heat, light and motive power may be provided either by steam or by gas. Modern industry does not tie itself to any particular servant, but chooses in turn whichever, under the circumstances of a case, will serve it well at least cost. Where natural gas is to be had at a low price it holds the field. But the area thus favored is small, so that producer gas is employed on a much larger scale. We have already seen (page 461) how coal may be gasified, valuable by-products seized, and a cheap gas be piped for miles with no liability to the condensation which befalls steam, while available for heating and for motive power. When this gas burns at a fairly high temperature, as does Dowson gas, it gives with thorium mantles a good light, so as to be an all round rival of electricity. Producer gas is preferable to solid coal because[476] perfectly clean; it banishes the smoke nuisance, and is regulated by a touch. Mr. F. W. Harbord in his work on Steel (see page 177), says:—

“The ease with which perfect combustion of a gas can be obtained by regulating the supply of gas and air, the readiness with which it can be conducted to any required point, superheated or burned under pressure, made to give an oxidizing or a reducing flame at pleasure, and the general control that can be exercised over the size and temperature of the flame, in most cases more than compensate for the reduction in heat units due to gasification. . . . The necessity for superheating the fuel, and for keeping solid fuel out of contact with the bath of metal, make gaseous fuel indispensable in the open hearth furnace, and until Siemens solved the problem of cheap gasification of coal, this process of steel-making was impossible.”

Gaseous fuels are employed not only in steel making but in the manufacture of glass, pottery, chemicals, and much else.

When gas is used in gas engines to produce motive power, the exhausts having high temperatures may be profitably applied to heating water, or raising steam, for warming purposes.

Whether central stations employ steam or gas, or unite both, it is certain that a unification of the service of heat, light, and motive power including that required for traction, would in all our towns and cities be attended by great economy, by the abolition of much discomfort and unnecessary drudgery. A large city, such as New York or Chicago, could be supplied with these three cardinal necessities from comparatively few centres.

NEW YORK CENTRAL R. R. ELECTRIC LOCOMOTIVE WITH FIVE-CAR TRAIN.

Electric Traction.

Such centres may, before many years elapse, be found stretching out into the distant suburbs of cities, and linking town to town. This chiefly because electricity has become a formidable rival to steam in interurban locomotion. By the time this page is printed, the New York Central & Hudson River Railroad will have begun operating its suburban trains from New York by electricity. For this service locomotives built by the General Electric Company, Schenectady, New York, will be in commission. Each will develop 2,200 to 3,000 horse-power. In careful tests a locomotive of this kind reached a speed of fifty miles an hour in 127 seconds,[477] whereas a “Pacific” steam locomotive required 203 seconds; an important difference, especially where stops are frequent. Each locomotive, with its train of cars, weighed 513 tons. The steam locomotive with its tender weighed 171 tons; its electric rival weighed but 100 tons. So much for the gain in leaving both furnace and boiler at home, while their power is received through a special rail at rest.


[478]

CHAPTER XXXII
A FEW SOCIAL ASPECTS OF INVENTION

Why cities gain at the expense of the country . . . The factory system . . . Small shops multiplied . . . Subdivided labor has passed due bounds and is being modified . . . Tendencies against centralization and monopoly . . . Dwellings united for new services . . . Self-contained houses warmed from a center . . . The literature of invention and discovery as purveyed in public libraries.

The Drift to Cities.

In the closing chapter of this book it may be permissible to glance for a moment at a few of the social and national consequences of invention. While, as we have seen in earlier chapters, the economic gains of ingenuity surpass computation, the work of the inventor has brought in its train evil as well as good, and this evil, with the further march of invention, is being plainly lessened year by year. A century ago about one tenth of the people in North America lived in cities and towns; to-day these centers of population hold nearly one half the families of the continent. Many observers regard this drift from country to city and town with dislike and alarm, without recognizing it to be inevitable. They paint pictures of country folk attracted by the superficial allurements of the city, a poor exchange for the wholesomeness and freedom of life in the country. They argue that with wise education the boys and girls reared on the farm will remain there, greatly to the gain of themselves and the nation. These critics leave out of view the feats of the inventor. Between 1870 and 1880 the self-binding harvester was perfected and introduced. Before its advent six or seven men followed every harvester to tie its shocks of grain. After the self-binder came into vogue, five of these men were no longer needed. Other inventions, planters, corn-shellers, and the like, as economical of labor, have been placed in the farme[479]r’s hands within the past thirty years. The result being that to raise on farms the food for a million men, women and children, a greatly reduced staff in the field suffices to-day in comparison with the number required thirty or forty years ago. And what has become of the country population thus thrown out of work by thews of steel and brass? It has quietly betaken itself to towns and cities where, for the most part, it is manufacturing new comforts and luxuries for all the people, whether in town or country. In 1870 out of 100 wage-earners in the United States, 29 were engaged in manufactures, trade and transportation; in 1900 the corresponding figure had risen to 40. Enter this morning the house of a thrifty farmer or mechanic: you tread on a neat carpet, you see good furniture, a piano in the parlor, a bicycle in the barn. On the walls are attractive pictures, flanked by shelves of books and magazines. In not a few such houses one may find a telephone and electric lamps. As recently as 1870 some of these things did not exist at all, even for the rich. To-day they are enjoyed by millions. So with clothing: it is to-day better and cheaper than ever before. Food, too, is more varied and more wholesome than of yore, thanks to the express train, the quick steamer, the cold storage warehouse. All these agencies of betterment, and many more, are conducted in cities as the centers of capital, industry and population. While invention has, in the main, tended to make cities bigger than ever, it is now modifying that tendency by its rapid trolley lines to suburbs, its steamboat and railroad services constantly quickened in pace and lowered in fares. On the outskirts of Greater New York it is still possible for a wage-earner to buy land for a house and small garden, the burden of rent, liable to yearly increase, being escaped for good and all.

The Factory System and Checks Thereto.

It was in England toward the end of the eighteenth century that inventors first lifted the latch for an industrial revolution. When James Watt devised his steam engine, and its power was applied to spinning and weaving, these tasks were driven from the home to the factory, there to be more economically performed. Other industries followed, all the way from paint grinding to nail making, so that in a few years a profound change came[480] over the field of labor. Under a scheme of subdivided toil the factory hand succeeded to the journeyman who, with a few mates, had split nails or drawn wire in a shop no bigger than some day he might own for himself. With the need to occupy large premises, to install engines and elaborate machinery, the capital of an employer has to be vastly more than of old, creating a new dependence on the part of the workman, and rendering it all but impossible that he should ever have a factory of his own. While the factory system of production is general in America, it is far from universal. Many leading manufactures, those of textiles, of boots and shoes, and so on, are usually conducted in factories, while some important industries, that of clothing, for example, are for the most part carried on at the homes of work people, or in small shops. Massachusetts in 1900, according to the U. S. census of that year, had 200,508 hands in 1078 textile mills and boot and shoe factories. Apart from these industries were 28,102 factories and shops, employing 291,418 hands, an average of but 10.57 each.[44] Taking the United States as a whole, the census for 1900 reports that the hand trades in small shops representing a product of $500 or less each, numbered 127,419. Presumably in all these cases the worker toiled by himself, usually as a repairer or a jobber rather than as a maker of new wares. All the other manufacturing concerns, 512,675 in number, employed on an average only 10.36 persons each. It is clear that the American factory is not as engulfing as many critics believe it to be. In larger measure than is commonly supposed workmen are to-day their own masters, or are busy in shops small enough to give scope to individual ingenuity and skill.

[44] Quoted by Edward Atkinson in a paper on the tendencies of manufacturing. American Social Science Association, 1904.

Let us grant that a shoemaker, say in St. Louis, at work in a stall of his own is a better and happier man than if in a nearby factory he fastened eyelets, or burnished heels, day in and day out for years together. While the harm to the toiler wrought by extreme subdivision of labor is plain, its evils are being abated in more ways than one. First of all the productiveness of the modern factory has so augmented the joint dividend of capital[481] and labor that while the working day grows shorter, wages are increased, every earned dollar buying more manufactured wares than ever before. Secondly, in some large railroad and other shops the workmen are given a variety of tasks in succession, so as to be more versatile, more useful in emergencies, than if ever punching steel, or threading bolts. Even if the result of such a plan is to diminish the total output in the course of a year, it is worth while to lose some money that human nature may be redeemed from stupefying monotony of toil. High wages and large dividends cost too much when bought at the expense of hurt to muscle, nerve and brain.

Handicrafts Revived.

And a notable group of artisans, few in number but steadily increasing, with electric motors at their elbows, to-day enjoy complete emancipation from the factory bell. A woodcarver, bookbinder, leather stamper, forger of ornamental iron, rug weaver, potter, lens grinder, or printer, can have to-day a shop of his own and take pleasure in the chosen and constantly varied toil that gives him bread. In their simpler forms the modern lathe, loom, printing press, are cheap enough to be within the means of poor men, while their product when it displays taste and originality is sure of a market. In times past Palissy, Hargreaves, and many another master of a handicraft, has perfected a remarkable invention in a small shop. We may expect the arts to receive golden gifts in the future from the successors of these men, feeling as they do the stimulus of a broadening demand for work executed on new lines of excellence.

Tendencies Against Centralization.

Until within a few years past economic forces in America threatened soon to place its chief industries in the hands of a few men, so strong and unscrupulous as to be able to extort weighty and increasing tribute. For this danger remedies legislative and judicial are being sought, with the prospect of eventual success. In this place it may be allowable to remark how the progress of invention is working hand in hand with the aims of social justice. In the pages immediately preceding this chapter we have seen how cities and towns are working themselves loose from monopoly. A gas supply, on the old basis of manufacture[482] at least, must be a unit, with a strong temptation to overcharge its customers. To-day the lighting field is shared with electricity, showing many isolated plants; when these purvey heat as well as light their rivalry with central stations may become formidable. In American villages and small towns the principal source of light is petroleum, largely controlled by the Standard Oil Company. From its exactions there opens escape as the farmer finds a source of cheap alcohol in his corn, potatoes and beets, even in his unmarketable fruit or damaged grain, ready to give him more light than petroleum ever did, and besides propel his machinery, or carry his crops to the nearest market town. The betterment of common roads throughout the Union proceeds in earnest. As that reform goes forward we may see motor-driven cars and wagons exerting a restraining influence on local railroad rates. Already the steam railroads are facing keen competition from interurban electric lines. Wherever these lines resist absorption, or control, by the steam carriers they serve the farmer so well and cheaply as to be one of the chief boons he has received at the inventor’s hands.

Take one instance chosen from many as striking. Dayton, Ohio, is a center of interurban lines which enfold in their sweep Urbana, Columbus, Hamilton and Cincinnati. Upon 220 miles of these lines the Southern Ohio Express Company picks up cans of milk, cases of eggs, crates of berries, packages of tobacco, from a thousand farmsteads. In the larger business of carrying grain and live stock the expansion is constant, so that the day seems near at hand when the company will find profit in placing a switch at every farm along its lines, sending cars there for everything the farmer has to sell. And the countryman finds Dayton as good a place to buy in as to sell in; its merchants offer better and cheaper wares than are to be had in the home village or the neighboring small town. To-day a farmer or market-gardener, a dairyman or stockbreeder, does not find the smallness of his capital the drawback it would have been ten years ago. With an interurban line passing near his home, or in front of his door, with a cheap telephone at hand, and enjoying a free rural mail delivery, he can sell his produce when he pleases and at the best market prices, paying but a light tax to the middleman, or[483] completing a transaction with a directness that leaves the middleman out altogether.

Steam railroads seek large trainloads to be moved long distances; an electric freight and express service coins dimes into dollars by picking up market baskets, bundles for the seamstress and the laundress, a bunch or two of saplings for the orchard. The trunk lines of America, with their wide-spreading branches, enable merchants in the cities and the larger towns to replenish their counters and shelves every day. Stocks, therefore, need not be so large as of old, when, let us say, a whole winter’s goods were laid in by October. The change reduces the amount of capital required, the outlays for rent and insurance, the liability to shrinkage and deterioration of values. The interurban roads are extending these advantages to the village storekeeper who, in the morning telephones his wants to Toledo, Cleveland, or Detroit; and in the afternoon disposes the ordered wares on his shelves.[45]

[45] Outlook, New York, January 7, 1905.

New Domestic Architecture.

American dwelling houses, whether in city or country, have within forty years been much improved in plan and equipment. To speak only of dwellings in cities, we may note how designers and inventors have promoted comfort and convenience, healthfulness and cheer. At the close of the Civil War an ordinary house in Philadelphia, or Chicago, as it left the builder’s hands was little else than a bare box. Stoves for warming and cooking had to be brought into it, wardrobes heavy and clumsy were placed beside its walls, cupboards meant to be moved and not moved easily held the raiment and table linen. In rented houses the gas fixtures might belong to the tenant; when he took them away ugly breaks appeared in walls and ceilings. To-day all this is of the past: in important details the design of the mansion is embodied in dwellings comparatively small. Furnaces for heating, ranges for cooking, form part and parcel of the building; fixtures for gas and electricity, yielding both light and heat, are provided just as water faucets are; every bedroom has its clothes closet instead of the lumbering wardrobe. In the kitchen we find dressers and china closets built into the walls;[484] the laundry has stationary washtubs and, in some cases, a drying room as well, so that the laundress does not care should it rain on washing day. The aim throughout is that the house and its equipment shall as far as possible make up a unit, that the labor of housekeeping be minimized to the utmost by a judicious outlay of capital when the house is built.

Electricity at Home.

Since 1900 the American householder, as well as the American business man, has fairly awakened to what the telephone can do for him. It is estimated that in 1905 the telephone in the United States earned four times as much as the telegraph. The day is at hand when every household but the poorest will enjoy the wonderful gift of Professor Bell. In somewhat the same fashion it is dawning upon the public that electricity stands ready to perform other services, each minor, but all, in the aggregate, going far to promote health and comfort at home.

At Schenectady, New York, Mr. H. W. Hillman, apart from heating in winter, has adopted electricity for many household tasks, with results described and illustrated in the Technical World, Chicago, July, 1906. His kitchen outfit for a family of five persons comprises an electric table, oven, griddle-cake cooker, meat broiler, cereal cooker, water heater, egg boiler, potato steamer, frying pan, coffee percolator, and a stove for ordinary cooking utensils. A three pound nickel plated electric iron is provided for the laundry. In the dining-room is an electric chafing dish and a percolator. On the verandah and in the den are electric cigar lighters. In the sewing-room the machine is driven by an electric motor. The bathroom has an electric mug which heats water for shaving in less than a minute; in chilly weather the luminous radiator yields just the slight heat which ensures comfort instead of discomfort. Of course, throughout the house electric lamps furnish light with the maximum of convenience and wholesomeness, the minimum of risk.

How does this service compare in cost with the employment of coal and gas? With coal at $6.50 a ton, and gas at $1.30 per thousand cubic feet, the average monthly expense was formerly $6.00; with electricity the bills are but 69 cents more per month, a mere trifle in comparison with the gain in comfort, the saving of[485] drudgery, the promotion of cleanliness. The rate for electricity used for lighting is 10 cents per kilowatt hour, for heating only half that rate.

Mr. Hillman does not use electric heat for ordinary warming: it would cost him too much. A good many people are puzzled by the fact that an electric current, which yields a perfect light at a reasonable price, should in the sister task of heating fail in rivalry with a common stove or furnace. To solve this puzzle let us place our hands above a cluster of 15 Edison incandescent lamps, each of 16 candle power, representing one horse power, yet emitting no more heat than if three ounces of coal were slowly burning away in the course of an hour. This electricity may cost us ten cents an hour, the coal costs but the fifteenth part of one cent. In producing mechanical motion at a power-house, the engines waste at least ninety per cent. of the applied heat. To this heavy tax must be added the expenses of distribution, administration and maintenance. Until, therefore, the electrician reaches a mode of creating his current from heat without the enormous losses of present practice, we cannot look to him for a system of general heating. A word has already been said in this book about methods of district heating by steam. Another plan is worthy of mention. In Brooklyn the Morris Building Company supplies from a central plant fifty-two dwellings with hot water which serves not only for heating, but for cooking and washing also. The water is heated in part by live steam, in part by exhausts from steam engines.

Suggested Exhibits.

Such an experiment as this, the appliances at work for Mr. Hillman, suggest exhibits which might form part of the premises of agricultural colleges and technical schools. These establishments usually require for their officers such dwellings as are not too large and costly for ordinary householders. These dwellings, carefully designed and equipped, might serve as examples of the best practice in building, planning and appointment; in sound methods of heating from a central plant. At suitable times they might be open to public inspection. They might range in cost from $1,000 to $5,000, the cheapest to be built of wood, others to be built in brick, stone, or concrete. All the furniture and fittings to be[486] chosen with an eye to wholesomeness, durability, and maintenance with the least labor possible. Each house should contain in its main room a card telling the cost of the building, with estimates of cost if executed in other materials. On occasion this plan might be extended to the contents of houses, each item on show days to be duly labeled. A series of such houses would tend to bring ordinary house-planning and housekeeping to the level of the best. Many books and journals offer architectural diagrams which few can understand, but everybody can see how attractive a good plan is when realized in a house to which he pays a leisurely visit. At Expositions, such as those of Chicago and St. Louis, the appeal of the architect and the exhibitor is rather to wonder than to utility. He shows us schlosses from Germany, palaces from Italy, châteaux from France, all appointed with costly magnificence. But while the average American wage is eleven dollars a week these displays can do little good as models for imitation.

NOTE ON THE LITERATURE OF INVENTION AND DISCOVERY

Books on invention and discovery are mentioned here and there throughout this volume. The reader may wish further references, in which case he may find them at the public library nearest home. Within the past few years the public libraries of America have been laying stress on their educational departments, are becoming more and more a worthy complement to the public schools.

At the Carnegie Library, Pittsburg, the department of technology is directed by Mr. Harrison W. Craver, a graduate of a polytechnical institute, who has had experience as a practicing chemist. The collection keeps mainly to lines of local interest, and includes an ample array of trade journals. Indexes to articles in technical journals are maintained. On the shelves are files of patents of the leading nations of the world. Short lists of books on subjects of current interest are from time to time compiled and issued. Workers receive advice and personal assistance from scientifically trained men. Questions are answered by mail and telephone. Notes on books are appended to their titles on the catalogue cards, and in the monthly bulletin.

Mr. Craver’s aid extends to other public libraries, among them to that[487] at Providence. Here the industrial department contains about 7600 volumes, chiefly devoted to the principal industries of the city,—textiles, electrical arts, machinery, and the arts of design, especially in jewelry. A room is at the service of draughtsmen: a dark closet is available for copyists who bring cameras. When a new book comes in the reader or the artist likely to want it is notified.

The Pratt Institute Free Library, Brooklyn, has an applied science reference room which receives 115 scientific, technical and trade journals. It has brought together a large collection of trade catalogues, duly classified, and a collection of cuts of machines and mechanical devices. The custodian makes it his business to visit the neighboring factories and workshops, so as to provide every publication likely to be of help. The use of this department increases steadily, with a marked effect on the proportion of scientific books taken from the general library for home reading.

Newark, a city of many and diverse manufactures, has a public library also of the first rank. Scientific books, as received, are brought to public attention through the press, and by means of the monthly bulletin mailed to any one on request. Short lists of selected works on particular branches of applied science are prepared for gratuitous distribution: in each book of a series the full list is pasted as a guide to extended reading. Readers are invited to ask for any book not in the library which they believe would be of service to them.

These are but a few examples of the work the public libraries are doing throughout the Union. At the headquarters of the American Library Association are issued manifold aids for readers and students: a list of them is given on a page following the index to this book. Let us hope that one of these days the Association may establish a bureau through which the literature of applied science, and all other worthy literature, may be passed upon by a staff of the best critics, for the behoof of all the people. Such a service would inure not only to the good of those who borrow books from public libraries, but would afford help to the men and women who buy books for libraries of their own.



[489]

INDEX


FLAME, ELECTRICITY AND THE CAMERA

By GEORGE ILES

A concise and brilliant recital of the chief uses of fire, electricity and photography. The steam turbine, the production of utmost cold, the Röntgen ray apparatus, the revelations of the sensitive plate directed to the sky, color photography, the wireless telegraph, are among the inventions depicted and explained.

The original points in the book are:

Proof that Electricity can do all that Fire does, do it better, and then accomplish uncounted tasks impossible to flame.

Photography is shown to be the one radical advance in depiction since art began. In days of old an object had to be seen before it could be pictured; to-day new heavens and a new earth impress their images first in the camera, to declare themselves only afterward to the eye.

Heretofore Evolution has been explained by mere excellence in swiftness, strength, vision. This book points out how the ability to change the forms of things flowered into the capacity to change their properties as well. When an arrowmaker in striking flint against flint kindled flame, and repeated the feat at will, he opened at once a new world for humankind, incomparably higher and broader than if he had simply acquired a nicer touch, a steadier aim, a quicker ear for the rustle of leaf or wing. It is the like maturing of old resources into new, of infinitely greater scope, that has brought man to the supremacy of Nature, while his next of kin remain beasts of the glade.

Fully illustrated and with frontispiece in colors, $2.

DOUBLEDAY, PAGE & CO.,
133 East 16th Street, New York


AIDS FOR READERS AND STUDENTS

Literature of American History, edited by J. N. Larned. Cloth, $6. (postage, 30c.); sheep, $7.50; half morocco, $9.

Forty scholars and critics, each an acknowledged authority in a particular field of American history, have selected the 4,000 works here presented, and given them brief descriptive and critical notes. The chief historical societies of America are named, with their most important issues. The Canadian division was edited by the late William McLennan, of Montreal. Professor Edward Channing, of Harvard University, appends lists for a School Library, a Town Library, a Working Library.

Supplement for 1900-01, edited by P. P. Wells. Cloth, $1. (postage, 9c.)

The American titles included in the “Annotated Titles of Books in English and American History” form the Supplements for 1902 and 1903. Paper, $1 each. Supplement for 1904, 25c.

American Library Association Index to General Literature. 2nd edition. Cloth, $10. (postage, 52c.)

Guide to Reference Books, by Alice B. Kroeger, Cloth, $1.25 (postage, 10c.)

Books for Girls and Women and their Clubs, 2100 titles with notes. Edited by George Iles. Cloth, 90c. (postage, 10c.)

Reading for the Young. Supplement (1890-95), by M. E. and A. L. Sargent. Cloth, 50c. (postage, 10c.)

Books for Girls and Boys, by C. M. Hewins. 2nd edition. Paper, 15c. $5 per 100.

List of French Fiction, by Mme. Sophie Cornu and William Beer. Paper, 5c.

American Library Association Book List. 50c, a year; $2 per 100 copies for single numbers.

An annotated list of current books, supplementing the A. L. A. Catalog of 1904. Issued monthly, except in June, July, August and September.

Library Tracts, paper, 5c.

Library Handbooks, paper, 25c.

AMERICAN LIBRARY ASSOCIATION
PUBLISHING BOARD,
34 Newbury Street, Boston, Mass.


TRANSCRIBER’S NOTES

This transcription follows the original text, including inconsistent hyphenation and spelling. Accents and diacritical marks on non-English words have not been added, except as mentioned below.
There are some differences between the chapter titles as listed in the Table of Contents and as given prior to chapters; neither have been changed.
Page 42, illustration Arch bridge of steel pipe: Saxondale is probably an error for Saxonville, used elsewhere in the text.
Page 263, Cuban firefly, life size: the scale of the illustration is not necessarily life size.
Page 433, paragraph Concrete is now ...: the closing quote mark is missing in the original work.
Page 459, 470: CO2 as printed in the original work.

Changes made to the text:
Minor obvious punctuation errors have been corrected silently.
Footnotes have been moved to directly under the paragraph where they are referred to; illustrations have been moved from inside paragraphs.
Page xvi: plainer changed to planer
Page 43: opening quote mark added before was the great constructive ...
Page 132: slighty changed to slightly
Page 162: footnote [13] has no footnote marker in the original work; one has been provided by the transcriber
Page 180: p. 254 changed to p. 255
Page 219: paqyrus changed to papyrus
Page 260: Ammorphila changed to Ammophila
Page 297: opening quote mark added before Indicative Plants
Page 326: Ashersleben changed to Aschersleben
Page 443: des Peres changed to des Pêres as elsewhere
Page 490: facing is Brantford homestead changed to facing 2 his Brantford homestead
Page 494: Frauenhofer changed to Fraunhofer
Page 495: 473-374 changed to 473-474
Page 500: Shuckers changed to Schuckers (and moved into proper alphabetic place)
Page 501: Frauenhofer changed to Fraunhofer
Page 502: page number 241 inserted after materials, American Society for
Page 503, facing 156 changed to facing 164.